Главная // Актуальные документы // ГОСТ (Государственный стандарт)СПРАВКА
Источник публикации
М.: Стандартинформ, 2019
Примечание к документу
Документ
введен в действие с 01.11.2014.
Название документа
"ГОСТ ISO 16063-12-2013. Межгосударственный стандарт. Вибрация. Методы калибровки датчиков вибрации и удара. Часть 12. Первичная вибрационная калибровка на основе принципа взаимности"
(введен в действие Приказом Росстандарта от 05.12.2013 N 2182-ст)
"ГОСТ ISO 16063-12-2013. Межгосударственный стандарт. Вибрация. Методы калибровки датчиков вибрации и удара. Часть 12. Первичная вибрационная калибровка на основе принципа взаимности"
(введен в действие Приказом Росстандарта от 05.12.2013 N 2182-ст)
агентства по техническому
регулированию и метрологии
от 5 декабря 2013 г. N 2182-ст
МЕЖГОСУДАРСТВЕННЫЙ СТАНДАРТ
ВИБРАЦИЯ
МЕТОДЫ КАЛИБРОВКИ ДАТЧИКОВ ВИБРАЦИИ И УДАРА
ЧАСТЬ 12
ПЕРВИЧНАЯ ВИБРАЦИОННАЯ КАЛИБРОВКА
НА ОСНОВЕ ПРИНЦИПА ВЗАИМНОСТИ
Vibration. Methods for the calibration of vibration
and shock transducers. Part 12. Primary vibration
calibration by the reciprocity method
(ISO 16063-12:2002, Methods for the calibration of vibration
and shock transducers - Part 12: Primary vibration
calibration by the reciprocity method, IDT)
ГОСТ ISO 16063-12-2013
Дата введения
1 ноября 2014 года
Цели, основные принципы и основной порядок проведения работ по межгосударственной стандартизации установлены в
ГОСТ 1.0-2015 "Межгосударственная система стандартизации. Основные положения" и
ГОСТ 1.2-2015 "Межгосударственная система стандартизации. Стандарты межгосударственные, правила и рекомендации по межгосударственной стандартизации. Порядок разработки, принятия, обновления и отмены"
1 ПОДГОТОВЛЕН Федеральным государственным унитарным предприятием "Всероссийский научно-исследовательский институт метрологической службы" (ФГУП "ВНИИМС") на основе собственного перевода на русский язык англоязычной версии стандарта, указанного в
пункте 5, с участием Открытого акционерного общества "Научно-исследовательский центр контроля и диагностики технических систем" (АО "НИЦ КД")
2 ВНЕСЕН Федеральным агентством по техническому регулированию и метрологии
3 ПРИНЯТ Межгосударственным советом по стандартизации, метрологии и сертификации (протокол от 3 декабря 2013 г. N 62-П)
За принятие проголосовали:
Краткое наименование страны по МК (ИСО 3166) 004-97 | Код страны по МК (ИСО 3166) 004-97 | Сокращенное наименование национального органа по стандартизации |
Азербайджан | AZ | Азстандарт |
Армения | AM | Минэкономики Республики Армения |
Беларусь | BY | Госстандарт Республики Беларусь |
Грузия | GE | Грузстандарт |
Казахстан | KZ | Госстандарт Республики Казахстан |
Киргизия | KG | Кыргызстандарт |
Молдова | MD | Молдова-Стандарт |
Россия | RU | Росстандарт |
Таджикистан | TJ | Таджикстандарт |
Туркменистан | TU | Главгосслужба "Туркменстандартлары" |
Узбекистан | UZ | Узстандарт |
Украина | UA | Госпотребстандарт Украины |
4
Приказом Федерального агентства по техническому регулированию и метрологии от 5 декабря 2013 г. N 2182-ст межгосударственный стандарт ГОСТ ISO 16063-12-2013 введен в действие в качестве национального стандарта Российской Федерации с 1 ноября 2014 г.
5 Настоящий стандарт идентичен международному стандарту ISO 16063-12:2002 "Методы калибровки датчиков вибрации и удара. Часть 12. Первичная вибрационная калибровка на основе принципа взаимности" ("Methods for the calibration of vibration and shock transducers - Part 12: Primary vibration calibration by the reciprocity method", IDT).
Международный стандарт разработан подкомитетом ISO/TC 108/SC 3 "Применение и калибровка средств измерений вибрации и удара" Технического комитета по стандартизации ISO/TC 108 "Вибрация, удар и контроль состояния" Международной организации по стандартизации (ISO).
Официальные экземпляры международного стандарта, на основе которого подготовлен настоящий межгосударственный стандарт, и международных стандартов, на которые даны ссылки, имеются в Федеральном агентстве по техническому регулированию и метрологии.
Наименование настоящего стандарта изменено относительно наименования указанного международного стандарта для приведения в соответствие с ГОСТ 1.5
(подраздел 3.6).
При применении настоящего стандарта рекомендуется использовать вместо ссылочных международных стандартов соответствующие им межгосударственные стандарты, сведения о которых приведены в дополнительном
приложении ДА.
Настоящий стандарт подготовлен на основе применения ГОСТ Р ИСО 16063-12-2009 <*>
--------------------------------
<*>
Приказом Федерального агентства по техническому регулированию и метрологии от 5 декабря 2013 г. N 2182-ст
ГОСТ Р ИСО 16063-12-2009 отменен с 1 ноября 2014 г.
6 ВВЕДЕН ВПЕРВЫЕ
7 ПЕРЕИЗДАНИЕ. Март 2019 г.
Информация об изменениях к настоящему стандарту публикуется в ежегодном информационном указателе "Национальные стандарты", а текст изменений и поправок - в ежемесячном информационном указателе "Национальные стандарты". В случае пересмотра (замены) или отмены настоящего стандарта соответствующее уведомление будет опубликовано в ежемесячном информационном указателе "Национальные стандарты". Соответствующая информация, уведомление и тексты размещаются также в информационной системе общего пользования - на официальном сайте Федерального агентства по техническому регулированию и метрологии в сети Интернет (www.gost.ru)
Настоящий стандарт устанавливает метод первичной калибровки акселерометров на основе принципа взаимности (с использованием катушки возбуждения электродинамического вибростенда в качестве обратимого преобразователя).
Данный метод применяют при калибровке акселерометров, предназначенных для измерения прямолинейного ускорения в диапазоне частот от 40 Гц до 5 кГц и в частотнозависимом диапазоне амплитуд от 10 до 100 м/с2.
Если калибровку проводят только для акселерометра, то предполагают, что частотная характеристика используемых с ним совместно устройств согласования сигнала (например, усилителя) известна вместе с неопределенностью измерения. Предельные значения неопределенности измерения указаны в
разделе 3 в предположении, что калибровке подвергают акселерометр вместе с устройством согласования сигнала (далее - акселерометр).
Для применения настоящего стандарта необходимы следующие ссылочные стандарты. Для датированной ссылки применяют только указанное издание ссылочного стандарта. Для недатированной - последнее издание ссылочного стандарта (включая все изменения к нему).
ISO 266, Acoustics - Preferred frequencies (Акустика. Предпочтительные ряды частот)
ISO 16063-1:1998, Methods for calibration of vibration and shock transducers - Part 1: Basic concepts (Методы калибровки датчиков вибрации и удара. Часть 1. Основные положения)
3 Неопределенность измерения
На опорной частоте калибровки 160 Гц при амплитуде ускорения, равной одной из следующих опорных амплитуд калибровки: 100, 50, 20 или 10 м/с2, - неопределенность измерения не должна превышать 0,5% для модуля и 1° для фазового сдвига комплексного коэффициента преобразования. Во всем диапазоне частот и амплитуд применения акселерометра неопределенность измерения модуля и фазового сдвига коэффициента преобразования не должна превышать 1% и 2° соответственно.
Для подтверждения того, что неопределенность измерения находится в установленных пределах, необходимо составлять бюджеты неопределенности в соответствии с
приложением A.
Неопределенность измерения выражают через расширенную неопределенность в соответствии с ISO 16063-1.
В настоящем стандарте использованы обозначения, указанные в таблице 1.
Таблица 1
Перечень обозначений
Обозначение | Определение | Единица измерений |
f | Частота вибрации | Гц |
n | Индекс добавленного груза (n = 0 означает отсутствие груза) | - |
mn | Масса n-го добавленного груза | кг |
u | Комплексное электрическое напряжение | В |
U | Отношение комплексных электрических напряжений | - |
Y | Комплексная электрическая проводимость | S |
R | Электрическое сопротивление | Ом |
| Свободный член линейной регрессионной зависимости, получаемой подгонкой по методу наименьших квадратов | кг·Ом |
| Коэффициент при независимом переменном регрессионной зависимости, получаемой подгонкой по методу наименьших квадратов | Ом |
Sa | Комплексный коэффициент преобразования калибруемого акселерометра | В/мс-2 |
|Sa| | Модуль Sa | В/мс-2 |
| Фазовый сдвиг Sa | градус |
Re | Действительная часть комплексной величины | - |
Im | Мнимая часть комплексной величины | - |
arg | Аргумент комплексной величины | - |
5 Требования к испытательному оборудованию и средствам измерений
5.1 Общие положения
При расчете расширенной неопределенности модуля и фазового сдвига комплексного коэффициента преобразования (см.
приложение A) следует принимать во внимание чувствительность к деформации основания и коэффициент поперечного преобразования, а также стабильность характеристик акселерометра во времени.
5.2 Генератор частоты с показывающим устройством
Следует использовать генератор частоты, имеющий следующие характеристики:
a) неопределенность измерения частоты не более 0,01% показываемого значения;
b) отклонение частоты в процессе измерений не более +/- 0,01% показываемого значения;
c) отклонение амплитуды сигнала в процессе измерений не более +/- 0,01% показываемого значения.
5.3 Вибростенд с усилителем мощности
Следует использовать вибростенд с усилителем мощности, имеющий следующие характеристики:
a) коэффициент гармоник по ускорению не более 2%;
b) поперечные и угловые колебания стола вибростенда не более 10% ускорения в основном направлении в пределах требуемого диапазона частот;
c) отношение "сигнал/шум" на выходе акселерометра не менее 30 дБ;
d) отклонение амплитуды ускорения в процессе калибровки не более +/- 0,05% показываемого значения.
5.4 Сейсмический блок вибростенда
Вибростенд устанавливают на массивном жестком блоке с целью исключить чрезмерное влияние реакции опоры вибростенда на результаты калибровки. Масса сейсмического блока должна быть по меньшей мере в 2000 раз больше массы подвижной системы вибростенда. Примерами сейсмических блоков, применяемых для указанной цели, являются гранитные блоки или стальные оптические столы сотовой конструкции. Для уменьшения влияния колебаний грунта сейсмический блок устанавливают на демпфированных пружинах, у которых резонансные частоты колебаний в вертикальном и горизонтальном направлениях не превышают 2 Гц.
5.5 Аппаратура для измерений комплексного отношения напряжений
Средства измерений должны иметь следующие характеристики:
a) диапазон частот от 40 Гц до 5 кГц;
b) неопределенность измерения модуля отношения комплексных напряжений не более 0,1%;
c) неопределенность измерения фазового сдвига отношений комплексных напряжений не более 0,1°.
5.6 Резистор
Сопротивление резистора, используемого для определения силы тока, должно быть известно с неопределенностью, не превышающей 0,05% во всем диапазоне частот акселерометра и во всем диапазоне рассеиваемых мощностей.
Следует убедиться, что на сопротивление резистора не оказывают существенное влияние индуктивные и тепловые воздействия.
5.7 Набор добавляемых грузов
Массы добавляемых грузов должны:
a) изменяться с постоянным шагом во всем диапазоне используемых масс вплоть до максимального значения, равного примерно от 0,5 до 1,0 массы движущейся системы вибростенда;
b) быть известными с неопределенностью, не превышающей 0,05%.
Рекомендуется, чтобы добавляемые грузы имели форму куба или цилиндра с отношением длины к ширине, примерно равным единице. Тогда граничную частоту, при превышении которой добавленный груз перестает вести себя как твердое тело, определяют как c/(2L), где c - скорость звука в материале пробного груза, а L - его длина. Нормы на обработку поверхности и допуски на установку должны удовлетворять или превышать требования к установке калибруемого акселерометра. Это особенно важно в том случае, если калибровку проводят на высоких частотах. Чтобы повысить частоты собственных резонансов грузов, их следует изготавливать из жесткого материала, например из карбида вольфрама.
На практике количество и размер грузов является компромиссом между уменьшением статистической неопределенности и увеличением неопределенности измерения вследствие температурных эффектов в подвижной катушке вибростенда, влияние которых увеличивается с увеличением числа измерений.
5.8 Устройство измерения коэффициента гармоник
Для измерения искажений используют устройство, позволяющее определить значение коэффициента гармоник в диапазоне от 0,01 до 5% и имеющее следующие характеристики:
a) диапазон частот от 40 Гц до 5 кГц;
b) неопределенность измерения не более 10% показываемого значения.
5.9 Осциллограф (необязательный элемент)
Применение осциллографа не является обязательным, но он может быть использован для контроля формы сигнала ускорения или тока в подвижной катушке электродинамического вибростенда.
5.10 Оборудование для кондиционирования воздуха
Данное оборудование должно поддерживать условия окружающей среды в соответствии с требованиями раздела 6.
6 Условия окружающей среды
Калибровку проводят при следующих условиях окружающей среды:
a) комнатная температура (23 +/- 3) °C;
b) относительная влажность не более 75%.
7 Предпочтительные значения опорных ускорений и частот
Предпочтительные значения амплитуд ускорений и частот, на которых проводят калибровку, выбирают из следующих рядов:
a) ускорение: 10; 20; 50; 100, м/с2;
b) опорное ускорение: 100; 50; 20; 10, м/с2;
c) частоты выбирают из стандартизованного ряда частот для третьоктавных полос по ISO 266 в диапазоне от 40 Гц до 5 кГц;
d) опорная частота: 160 Гц.
Калибровки, выполняемые при больших ускорениях, могут иметь относительно большие неопределенности измерения из-за тепловых эффектов в подвижной катушке вибростенда.
8.1 Общие положения
При калибровке электромеханических преобразователей на основе принципа взаимности используют представление преобразователей в виде электромеханических четырехполюсников, у которых отношения электрических и механических величин связаны между собой. Метод предполагает использование трех преобразователей. Один из них является калибруемым акселерометром, другой используют как источник вибрации, третий - в качестве обратимого преобразователя, то есть как источник и как приемник вибрации. В качестве обратимого преобразователя можно использовать преобразователи как электродинамического, так и пьезоэлектрического типа. Однако на практике при калибровке на основе принципа взаимности в качестве обратимого преобразователя гораздо чаще используют электродинамические преобразователи. В настоящем стандарте в качестве обратимого преобразователя используется катушка возбуждения электродинамического вибростенда, в непосредственном контакте с которой располагают калибруемый акселерометр.
Преобразователь, используемый как источник вибрации, может быть либо вспомогательным вибровозбудителем, механически соединенным с подвижным элементом, содержащим катушку возбуждения и калибруемый акселерометр, либо еще одной катушкой возбуждения, соединенной с тем же подвижным элементом. Если в качестве источника вибрации выбран преобразователь электродинамического типа, то следует принять меры, чтобы исключить взаимное влияние электродинамических преобразователей через создаваемые ими электромагнитные поля, снижающее точность калибровки. На
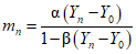
рисунках 1 и
2 показаны примеры блок-схем испытательных установок, используемых для калибровки на основе принципа взаимности, где калибруемый акселерометр установлен внутри вибростенда вместе с его катушкой возбуждения, а в качестве дополнительного источника вибрации применен вспомогательный вибровозбудитель.
Калибровку проводят на частотах много ниже частот резонансов подвижного элемента, содержащего катушку возбуждения вибростенда и калибруемый акселерометр. Для определения частот резонансов в поперечном и в осевом направлениях может быть использован трехкомпонентный акселерометр с достаточно высокими частотами собственных резонансов. Отличия колебаний подвижного элемента от колебаний абсолютно твердого тела могут быть выявлены посредством относительных измерений на его верхней (монтажной) поверхности. В идеальном случае поперечные и осевые резонансы следует определять при помощи трехкомпонентного акселерометра, установленного на монтажном приспособлении, так чтобы сумма масс этого акселерометра и монтажного приспособления была равна массе наибольшего груза, используемого для определения значения
Yn - Y0 (см.
8.2.1). Не следует выполнять калибровку в области низкочастотных резонансов, обусловленных подвеской подвижного элемента, которые не являются его собственными резонансами.
| | ИС МЕГАНОРМ: примечание. В официальном тексте документа, видимо, допущена опечатка: имеется в виду п. 8.2.2, а не п. 8.1.2. | |
При проведении измерений катушку возбуждения вибростенда используют как источник вибрации (см.
8.2.1) и как ее приемник (см.
8.2.2). В последнем случае катушка возбуждения служит в качестве велосиметра. Когда катушка возбуждения является источником вибрации, то измерения проводят вначале без добавленного груза, а потом с добавленными грузами, устанавливаемыми на подвижный элемент вибростенда. Важно, чтобы все измерения были проведены в одинаковых температурных условиях и чтобы добавление грузов не изменяло статического положения катушки возбуждения в магнитном поле вибростенда. Допустимы колебания температуры не более 1 - 2 °C. Изменения статического положения катушки возбуждения в магнитном поле компенсируют увеличением подаваемого на нее постоянного напряжения. По возможности следует обеспечить все испытательное и измерительное оборудование единой точкой заземления, что позволит избежать появления паразитного контура заземления. Измерения напряжения на катушке возбуждения и на образцовом резисторе следует проводить с использованием измерительной цепи минимальных размеров, чтобы избежать наведенных помех. При измерении отношения напряжений
Uv (см.
8.1.2) образцовый резистор может быть удален из цепи или закорочен. Если выбран вариант с закороченным резистором, то необходимо убедиться, что это не приводит к появлению дополнительного источника неопределенности измерения вследствие индуктивных эффектов.
Калибровку проводят на опорной частоте 160 Гц при опорном значении амплитуды ускорения, а затем на других частотах и амплитудах калибровки. Результаты измерений должны быть выражены в виде модуля и/или фазового сдвига комплексного коэффициента преобразования. Для каждого сочетания частоты и амплитуды ускорения следует соблюдать условия ограничений на искажения формы сигнала, поперечные и угловые колебания стола, шум и помехи, чтобы удовлетворить требования по неопределенности измерения согласно
разделу 3. Оборудование, не используемое при калибровке, должно быть отсоединено от измерительной цепи.
8.2 Измерения
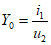
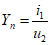
8.2.1 Измерения для определения комплексной электрической проводимости Y
В процессе данных измерений (см.
рисунок 1) катушка возбуждения электродинамического вибростенда является источником вибрации. Значение комплексной электрической проводимости
Y (определяемой как отношение силы тока в катушке возбуждения к напряжению на разомкнутом выходе калибруемого акселерометра) рассчитывают по формуле
Y = Ud/R = (ur/ua1)(1/R),
где ur - падение напряжения на образцовом резисторе;
ua1 - напряжение на выходе акселерометра при разомкнутой цепи выходного сигнала;
Ud = ur/ua1;
R - сопротивление образцового резистора.
1 - генератор частоты; 2 - усилитель мощности;
3 - частотомер; 4 - измеритель отношения напряжений;
5 - осциллограф (необязательный элемент); 6 - согласующее
устройство (усилитель заряда); 7 - измеритель коэффициента
гармоник; 8 - вибростенд с катушкой возбуждения;
9 - калибруемый акселерометр; 10 - образцовый резистор;
11 - добавленный груз
Рисунок 1 - Блок-схема испытательной установки
для определения комплексной электрической проводимости Y
Измерения проводят вначале без добавленного груза, а потом с добавленными грузами, устанавливаемыми на подвижный элемент. При этом комплексную электрическую проводимость, полученную при измерении без груза, обозначают Y0, а с использованием n-го груза - Yn.
При измерении Ud важно, чтобы на клеммах заземления акселерометра и образцового резистора был одинаковый электрический потенциал. Измерения повторяют для всех амплитуд ускорения, используемых при калибровке.
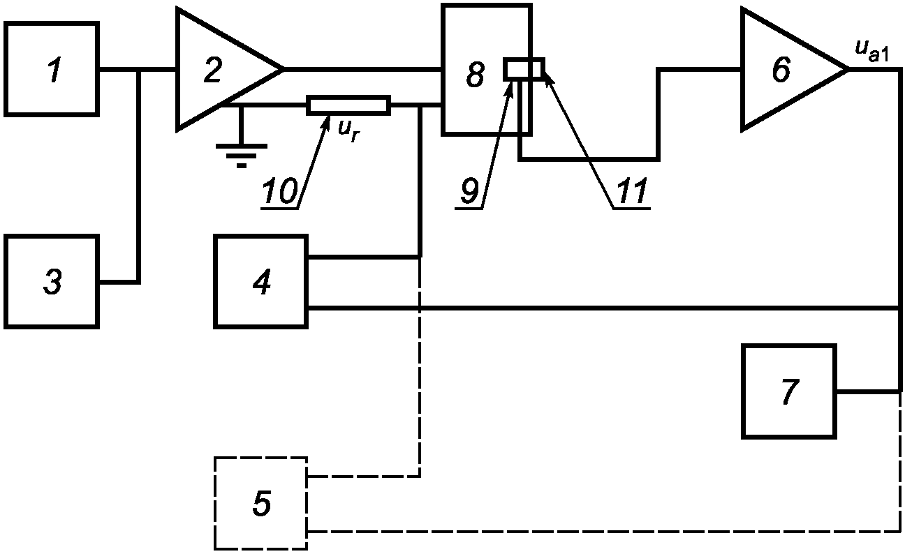
8.2.2 Измерения для определения комплексного отношения напряжений Uv при разомкнутых цепях
В процессе данных измерений (см.
рисунок 2) катушка возбуждения вибростенда работает как велосиметр. Значение комплексного отношения напряжений
Uv рассчитывают по формуле
Uv = ua2/uc,
где ua2 - напряжение на разомкнутом выходе акселерометра;
uc - напряжение на разомкнутом входе катушки возбуждения, когда в качестве источника вибрации, приводящего в движение подвижный элемент, использован вспомогательный вибровозбудитель или вторичная катушка возбуждения вибростенда.
Измерения проводят без добавленных грузов.
При измерении Uv важно, чтобы на клеммах заземления акселерометра и катушки возбуждения вибростенда был одинаковый электрический потенциал.
1 - генератор частоты;
2 - усилитель мощности; 3 - частотомер; 4 - измеритель
отношения напряжений; 5 - осциллограф (необязательный
элемент); 6 - согласующее устройство (усилитель заряда);
7 - измеритель коэффициента гармоник; 8 - вибростенд
с катушкой возбуждения; 9 - калибруемый акселерометр;
10 - вспомогательный вибровозбудитель
Рисунок 2 - Блок-схема испытательной установки
для определения комплексного отношения напряжений Uv
9 Расчет коэффициента преобразования
Теоретические основы расчета коэффициента преобразования на основе применения принципа взаимности изложены в
приложении B.
Используя результаты измерений с добавленными грузами и без них, осуществляют подгонку выборочных значений функции
F(mn, Yn, Y0) = mn/(Yn - Y0) (1)
линейной регрессионной зависимостью от
mn методом наименьших квадратов - обычным (когда все весовые коэффициенты
wn равны единице) или взвешенным, когда измерению с
n-м пробным грузом приписывают весовой коэффициент
wn. Свободный член

и коэффициент

при линейном члене регрессионной зависимости получают для каждой частоты и амплитуды ускорения, использованных при калибровке.
Применение взвешенного метода наименьших квадратов позволяет получить следующие формулы для комплексных величин

и


(2)

(3)

(4)

(5)
где n - порядковый номер добавленного груза;
mn - масса n-го добавленного груза;
Yn - электрическая проводимость, измеренная при установке n-го добавленного груза;
Y0 - электрическая проводимость, измеренная без добавленного груза;
wn - весовой коэффициент для измерения с n-м добавленным грузом.
Примечание - В зависимости от задач калибровки могут потребоваться не все значения, определяемые
формулами (2) -
(5). В некоторых случаях достаточно определить только модуль

{см.
[3],
формулы (8) -
(10)}.
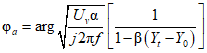
Модуль и фазовый сдвиг коэффициента преобразования акселерометра как функции частоты могут быть получены следующим образом.
Если калибруемый акселерометр предназначен для постоянной установки на подвижный элемент вибростенда в качестве эталонного акселерометра при калибровке других преобразователей методом сравнения, то в коэффициенте преобразования данного акселерометра следует учесть влияние изменяющегося (вследствие добавления массы преобразователя, калибруемого методом сравнения) импеданса нагрузки на подвижный элемент. В этом случае модуль
|Sa|, В/м/с
2, и фазовый сдвиг

, в градусах, коэффициента преобразования рассчитывают по формулам

, (6)

, (7)
где j - мнимая единица, j2 = -1;
f - частота, Гц;
Uv - комплексное отношение напряжений при разомкнутых цепях на частоте f, когда подвижную катушку вибростенда используют в качестве велосиметра;
Yt - электрическая проводимость, См, на частоте f при установке преобразователя, калибруемого методом сравнения, на подвижный элемент вибростенда;
Y0 - электрическая проводимость, См, на частоте f без добавленного груза на подвижном элементе вибростенда.
Если калибруемый акселерометр не предполагают использовать в вышеуказанных целях, то модуль
|Sa|, В/м/с
2, и фазовый сдвиг

, в градусах, коэффициента преобразования рассчитывают по формулам

, (8)

, (9)
На достаточно низких частотах (как правило, для частот менее 1 кГц)

приблизительно равна нулю, arg(
Uv) приблизительно равен 90° и arg(
Ud) приблизительно равен 0°. В этом случае
формула (8) упрощается и принимает вид

. (10)
В случаях, для которых применима
формула (10), следует вычислять только модуль комплексного отношения напряжений для разных частот вибрации. Значение

может быть найдено подгонкой функций
F(mn, Yn, Y0) с использованием модулей разностей комплексных проводимостей.
В протоколе калибровки вместе с результатами калибровки должны быть приведены суммарная стандартная неопределенность и расширенная неопределенность, вычисленные в соответствии с
приложением A с использованием коэффициента охвата
k = 2.
(обязательное)
РАСЧЕТ НЕОПРЕДЕЛЕННОСТИ ИЗМЕРЕНИЯ
A.1 Вычисление расширенных неопределенностей модуля и фазового сдвига коэффициента преобразования для частот, амплитуд и настроек усилителя, при которых проводилась калибровка
Расширенную неопределенность модуля коэффициента преобразования U(|S|) для частот, амплитуд и настроек усилителя, при которых проводилась калибровка, вычисляют в соответствии с ISO 16063-1 по формулам
U(|S|) = kuc(|S|), (A.1)

(A.2)
с коэффициентом охвата k = 2 и с учетом источников неопределенности, указанных в таблице A.1.
Таблица A.1
i | Составляющая стандартной неопределенности u(xi) | Источник неопределенности | Вклад в неопределенность ui(y) |
1 | u(fFG) | Измерение частоты | u1(|S|) |
2 | u(uTemp) | Изменение температуры преобразователя и эталонного акселерометра в процессе калибровки | u2(|S|) |
3 | u(uD) | Влияние суммарного искажения на измерение выходного напряжения акселерометра | u3(|S|) |
4 | u(uT) | Влияние поперечного и углового ускорений на измерение выходного напряжения акселерометра (коэффициент поперечного преобразования) | u4(|S|) |
5 | u(mm) | Измерение массы | u5(|S|) |
6 | u(UU) | Определение модуля комплексного отношения напряжения на выходе акселерометра к напряжению на выходе катушки возбуждения (велосиметра) | u6(|S|) |
7 | u(RY) | Измерение сопротивления резистора при определении модуля комплексной проводимости | u7(|S|) |
8 | u(UY) | Определение модуля комплексного отношения напряжений при измерении модуля комплексной проводимости | u8(|S|) |
9 | u(SRE) | Остаточные влияния на измерение модуля коэффициента преобразования (например, случайные помехи; выборочные стандартные отклонения среднего арифметического) | u9(|S|) |
A.1.2 Вычисление 
Расширенную неопределенность фазового сдвига коэффициента преобразования

для частот, амплитуд и настроек усилителя, при которых проводилась калибровка, вычисляют в соответствии с ISO 16063-1 по формулам

, (A.3)

(A.4)
с коэффициентом охвата k = 2 и с учетом источников неопределенности по таблице A.2.
Таблица A.2
i | Составляющая стандартной неопределенности u(xi) | Источник неопределенности | Вклад в неопределенность ui(y) |
1 | u(fFG) | Измерение частоты | |
2 | u(uTemp) | Изменение температуры преобразователя в процессе калибровки | |
3 | u(uD) | Влияние суммарного искажения на измерение фазы выходного напряжения акселерометра | |
4 | u(uT) | Влияние поперечного и углового ускорений на измерение фазы выходного напряжения акселерометра (коэффициент поперечного преобразования) | |
5 | u(mm) | Измерение массы | |
6 | u(UU) | Определение фазы комплексного отношения напряжения на выходе акселерометра к напряжению на выходе катушки возбуждения (велосиметра) | |
7 | u(RY) | Измерение сопротивления резистора при определении фазы комплексной проводимости | |
8 | u(UY) | Определение фазы комплексного отношения напряжений при измерении модуля комплексной проводимости | |
9 | u(SRE) | Остаточные влияния на измерение фазового сдвига коэффициента преобразования (например, случайные помехи; выборочные стандартные отклонения среднего арифметического) | |
A.2 Вычисление расширенных неопределенностей модуля и фазового сдвига коэффициента преобразования во всем диапазоне частот и амплитуд
A.2.1 Вычисление U(|St|)
Расширенная неопределенность модуля коэффициента преобразования
U(|
S|), вычисленная согласно
A.1.1, справедлива только для частот, амплитуд и настроек усилителя, при которых была проведена калибровка. Расширенную неопределенность модуля коэффициента преобразования
U(|
St|) для всего диапазона частот и амплитуд и для произвольного момента времени между калибровками вычисляют по формулам
U(|St|) = kuc(|St|), (A.5)

(A.6)
с коэффициентом охвата k = 2 и с учетом источников неопределенности, указанных в таблице A.3.
Таблица A.3
i | Составляющая стандартной неопределенности u(xi) | Источник неопределенности | Вклад в неопределенность ui(y) |
1 | uc(|S|) | Суммарная неопределенность модуля коэффициента преобразования для частот, амплитуд и настроек усилителя, при которых проводилась калибровка в соответствии с A.1.1 | u1(|St|) |
2 | u(eGA) | Отклонение коэффициента усиления от номинального при разных настройках усилителя | u2(|St|) |
3 | u(eFA) | Отклонение амплитудно-частотной характеристики усилителя от постоянного значения в диапазоне частот акселерометра | u3(|St|) |
4 | u(eFT) | Отклонение модуля коэффициента преобразования от постоянного значения в диапазоне частот акселерометра | u4(|St|) |
5 | u(eLA) | Нелинейность усилителя | u5(|St|) |
6 | u(eLT) | Нелинейность акселерометра | u6(|St|) |
7 | u(eTA) | Нестабильность во времени коэффициента усиления усилителя и выходного импеданса акселерометра | u7(|St|) |
8 | u(eTT) | Нестабильность во времени модуля коэффициента преобразования акселерометра | u8(|St|) |
9 | u(eEA) | Влияние изменения условий внешней среды на коэффициент усиления усилителя | u9(|St|) |
10 | u(eET) | Влияние изменения условий внешней среды на модуль коэффициента преобразования акселерометра | u10(|St|) |
A.2.2 Вычисление 
Расширенная неопределенность фазового сдвига коэффициента преобразования
, вычисленная согласно
A.1.2, справедлива только для частот, амплитуд и настроек усилителя, при которых была проведена калибровка. Расширенную неопределенность фазового сдвига коэффициента преобразования

для всего диапазона частот и для произвольного момента времени между калибровками вычисляют по формулам

, (A.7)

(A.8)
с коэффициентом охвата k = 2 и с учетом источников неопределенности, указанных в A.4.
Таблица A.4
i | Составляющая стандартной неопределенности u(xi) | Источник неопределенности | Вклад в неопределенность ui(y) |
1 | | Суммарная неопределенность измерений фазового сдвига коэффициента преобразования для частот, амплитуд и настроек усилителя, при которых проводилась калибровка в соответствии с A.1.2 | |
2 | u(eGA) | Отклонение фазочастотной характеристики усилителя от номинальной при разных настройках усилителя | |
3 | u(eFA) | Отклонение фазочастотной характеристики усилителя от номинальной в диапазоне частот акселерометра | |
4 | u(eFT) | Отклонение фазового сдвига коэффициента преобразования от номинального в диапазоне частот акселерометра | |
5 | u(eLA) | Влияние амплитуды на фазочастотную характеристику усилителя | |
6 | u(eLT) | Влияние амплитуды на фазовый сдвиг коэффициента преобразования акселерометра | |
7 | u(eTA) | Нестабильность во времени фазочастотной характеристики усилителя и влияние на фазочастотную характеристику выходного импеданса акселерометра | |
8 | u(eTT) | Нестабильность во времени фазового сдвига коэффициента преобразования акселерометра | |
9 | u(eEA) | Влияние изменения условий внешней среды на фазочастотную характеристику усилителя | |
10 | u(eET) | Влияние изменения условий внешней среды на фазовый сдвиг коэффициента преобразования акселерометра | |
(справочное)
ПРИМЕНЕНИЕ ПРИНЦИПА ВЗАИМНОСТИ
В КАЛИБРОВКЕ ЭЛЕКТРОМЕХАНИЧЕСКИХ ПРЕОБРАЗОВАТЕЛЕЙ
Применение принципа взаимности к калибровке электромеханических преобразователей исходит из предположения, что совершаемые ими преобразования являются линейными и что преобразователи совершают возвратно-поступательное движение с одной степенью свободы. При выполнении данных условий связь между электрическими и механическими параметрами на разных сторонах таких преобразователей, которые возможно представить в виде пассивных четырехполюсников с соответствующими импедансами, может быть описана формулами
u = zei + zemv, (B.1)
F = zmei + zmv, (B.2)
где u - комплексное напряжение на электрической стороне четырехполюсника;
i - комплексная сила тока на электрической стороне четырехполюсника;
F - комплексная сила на механической стороне четырехполюсника;
v - комплексная скорость на механической стороне четырехполюсника;
ze - входной электрический импеданс холостого хода (на другой стороне четырехполюсника v = 0);
zm - входной механический импеданс холостого хода (на другой стороне четырехполюсника i = 0);
zme, zem - передаточные коэффициенты, причем zme = zem для преобразователей пьезоэлектрического или электростатического типа и zme = -zem для преобразователей электромагнитного типа.
Обозначив через Sv коэффициент преобразования преобразователя, работающего как велосиметр (в этом случае Sv - комплексное отношение напряжения на разомкнутом выходе к скорости на входе), и через GF коэффициент преобразования преобразователя, работающего как генератор силы (в этом случае GF - комплексное отношение силы на выходе к силе тока на входе), можно данные величины представить следующими формулами

, (B.3)

, (B.4)
GF = +/- Sv. (B.5)
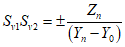
При наличии двух преобразователей, из которых по крайней мере один является обратимым и возбуждается гармоническим сигналом, могут быть проведены две серии измерений для получения произведения и отношения комплексных коэффициентов преобразования
Sv1 и
Sv2 этих преобразователей, после чего может быть рассчитан коэффициент преобразования каждого преобразователя. Если преобразователи имеют жесткую механическую связь, то приданные им скорости
v1 и
v2 равны по амплитуде и противоположны по знаку (
v1 = -
v2). Если первый преобразователь используют как генератор силы для возбуждения второго преобразователя, то произведение коэффициентов преобразования этих преобразователей может быть определено следующим образом (см.
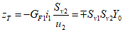
8.2.1). Если обозначить через
zT комбинированный механический импеданс двух преобразователей в случае, когда механические порты преобразователей соединены непосредственно друг с другом, то из
формулы (B.4) следует
F = GF1i1 = v1zT = -v2zT (B.6)
и

, (B.7)
где

.
Если между механическими портами преобразователей помещен объект с известным механическим импедансом
zn, то входной механический импеданс в
формуле (B.7) заменяется на сумму импедансов

, (B.8)
где

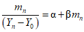
- комплексная проводимость при известном добавленном механическом импедансе.

, (B.9)

. (B.10)
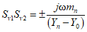
Если добавленный механический импеданс создан жестким телом известной массы
mn, то при гармоническом возбуждении на угловой частоте

его значение будет равно
, то есть

, (B.11)
где j - мнимая единица, j2 = -1.
Отношение коэффициентов преобразования двух преобразователей может быть определено по
8.2.2. Если два преобразователя механически жестко соединены между собой таким образом, что действующие на них скорости равны по амплитуде и противоположны по знаку (
v1 = -
v2), обратимый преобразователь работает как преобразователь скорости и выходные цепи обоих преобразователей разомкнуты (
i1 =
i2 = 0), то примененная к обоим преобразователям
формула (B.3) приводит к выражению

, (B.12)
где Uv - отношение напряжений на выходе преобразователей.
Формулы (B.11) и
(B.12) позволяют вычислить коэффициенты преобразования каждого преобразователя. Например, если преобразователь 2 является велосиметром, то для него справедлива формула

, (B.13)
а если акселерометром, то формула

, (B.14)
где под знаком квадратного корня должен быть знак "плюс", если обратимый преобразователь электромагнитный, и "минус", если он пьезоэлектрический или электростатический.
В принципе для определения коэффициента преобразования достаточно провести эксперимент с использованием только одного добавленного груза, однако неопределенность измерения будет существенно меньше, если использовать серию измерений с грузами разной массы (
m1,
m2, ...,
mn) для получения значений электрической проводимости (
Y1,
Y2, ...,
Yn). После этого функцию
m/(
Y -
Y0) можно аппроксимировать уравнением линейной регрессии вида

. Тогда
формулы (B.13) и
(B.14) можно заменить, соответственно, следующими

, (B.15)

. (B.16)
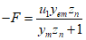
Часто на практике при калибровке электромеханических преобразователей на основе принципа взаимности обратимый и калибруемый преобразователи разделены телом, обладающим некоторым механическим импедансом, и, кроме того, они разделены еще одним механическим импедансом поверхности, на которую устанавливают добавленные грузы. В этом случае целесообразно определять искомый коэффициент преобразования калибруемого акселерометра как отношение напряжения на разомкнутом выходе к скорости поверхности, на которую устанавливают добавленные грузы. Тогда после калибровки акселерометр может быть использован, будучи установленным на том же вибростенде в том же положении, в качестве эталонного преобразователя при калибровке методом сравнения других преобразователей, устанавливаемых на ту же поверхность, что и добавленные грузы. Можно показать (см.
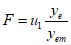
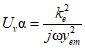
[8]), что если обратимый преобразователь, используемый при калибровке на основе принципа взаимности, является преобразователем электродинамического типа, то соотношения между силой и скоростью на монтажной поверхности, электрическим напряжением и силой тока на электрической стороне обратимого преобразователя (преобразователь 1) и выходным напряжением при разомкнутой цепи велосиметра (преобразователь 2) выражаются формулами
где u1 - комплексное напряжение на электрической стороне первого преобразователя;
u2 - комплексное напряжение на электрической стороне второго преобразователя;
i1 - комплексная сила тока на электрической стороне первого преобразователя;
F - комплексная сила на монтажной поверхности преобразователей;
v - комплексная скорость на монтажной поверхности преобразователей;
ye, ym, yem, ke, km - функции комплексных электрических и механических импедансов и передаточных коэффициентов обратимого электродинамического преобразователя, велосиметра и подвижного элемента вибростенда, каждая из которых зависит от конкретной реализации испытательной установки.
Если F - сила реакции механического импеданса zn, возбуждаемого скоростью v, то справедлива формула

. (B.21)

. (B.22)
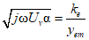
Комплексную передаточную проводимость
Yn можно получить, подставляя значение силы из
формулы (B.21) в
формулы (B.17) и
(B.19) и составляя комплексное отношение тока в катушке возбуждения первого преобразователя к выходному напряжению второго преобразователя при разомкнутой цепи

. (B.23)
Как и ранее, если механический импеданс
zn, добавляемый к монтажной поверхности, соответствует простой массе
mn, то для гармонического возбуждения

и

, (B.24)
где Yn - измеренная электрическая проводимость после установки на монтажную поверхность добавленного груза массой mn;
Y0 - измеренная электрическая проводимость без добавления груза.
Используя
формулу (B.23) для формирования функции
mn/
(Yn - Y0), можно получить формулы

, (B.25)

, (B.26)
где j - мнимая единица, j2 = -1;

- угловая частота, равная

.
| | ИС МЕГАНОРМ: примечание. В официальном тексте документа, видимо, допущена опечатка: имеется в виду формула (B.17), а не формула (17). | |
Если
Uv - отношение
u2 к
u1 при
i1 =
i2 = 0 (обратимый преобразователь работает как велосиметр), то
формулу (17) можно преобразовать к виду

. (B.27)

. (B.28)

, (B.29)

. (B.30)
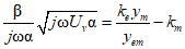
Взяв отношение

к произведению

и
, используя для этого выражение для

и

из
формул (B.26) и
(B.25) соответственно, а затем умножая результат на выражение для
ke/yem из
формулы (B.30), можно получить формулу

. (B.31)
На основе
формул (B.22),
(B.30) и
(B.31) может быть вычислен комплексный коэффициент преобразования второго преобразователя по формуле

. (B.32)

. (B.33)
Подставляя выражение для
mn из
формулы (B.33) в
формулу (B.32), можно получить формулы для комплексного коэффициента преобразования второго преобразователя по скорости и по ускорению соответственно

, (B.34)

. (B.35)
(справочное)
СВЕДЕНИЯ О СООТВЕТСТВИИ ССЫЛОЧНЫХ МЕЖДУНАРОДНЫХ СТАНДАРТОВ
МЕЖГОСУДАРСТВЕННЫМ СТАНДАРТАМ
Таблица ДА.1
Обозначение ссылочного международного стандарта | Степень соответствия | Обозначение и наименование соответствующего межгосударственного стандарта |
ISO 266 | - | |
ISO 16063-1:1998 | IDT | ГОСТ ISO 16063-1-2013 "Вибрация. Методы калибровки датчиков вибрации и удара. Часть 1. Основные положения" |
<*> Соответствующий межгосударственный стандарт отсутствует. До его принятия рекомендуется использовать перевод данного международного стандарта на русский язык. Примечание - В настоящей таблице использовано следующее условное обозначение степени соответствия стандарта: - IDT - идентичный стандарт. |
--------------------------------
<1> См.
ГОСТ 12090-80 "Частоты для акустических измерений. Предпочтительные ряды".
[1] | Bouche R.R., Ensor L.C. Use of reciprocity calibrated accelerometer standards for performing routine laboratory comparison calibration. Shock and Vibration Bulletin, 34 (4), 1965, p. 21 - 29 |
[2] | Cook R.K. Absolute pressure calibration of microphones. Journal of Research of National Bureau of Standards, 25 (5), November 1940, p. 489 - 505 |
| Dimoff T. and Payne B. Development and calibration of NBS vibration shaker AFV. National Bureau of Standards Internal Report 9670, Washington DC, January 1968 |
[4] | Harrison M., Sykes A.O. and Marcotte P.G. The reciprocity calibration of piezoelectric accelerometers. David Taylor Model Basin Report 811, Washington DC, August 1953 |
[5] | Harrison M., Sykes A.O. and Marcotte P.G. The reciprocity calibration of piezoelectric accelerometers. Journal of the Acoustical Society of America, 24 (4), July 1952, p. 384 - 389 |
[6] | Hunt F.V. Electoacoustics: The analysis of transduction, and its historical background. American Institute of Physics for the Acoustical Society of America, Woodbury, NY, 1982 |
[7] | Levy S. and Bouche R.R. Calibration of vibration pickups by the reciprocity method. Journal of Research of the National Bureau of Standards, 57 (4), October 1956 |
| London A. The absolute calibration of vibration pickups. National Bureau of Standards Technical News Bulletin, 32 (1), January 1948, p. 8 - 10 |
[9] | Thompson S.P. Reciprocity calibration of primary vibration standards. Naval Research Laboratory Report F-3337, Washington DC, August 1948 |
[10] | Thompson S.P. Reciprocity calibration of primary vibration standards. Journal of the Acoustical Society of America, 20 (5), September 1948, p. 637 - 640 |
[11] | Trent H.M. The absolute calibration of electromechanical pickups. Journal of Applied Mechanics, 15, 1948, p. 49 - 55 |
[12] | Payne B. and Evans D.J. Comparison of results of calibrating the magnitude of the sensitivity of accelerometers by laser interferometry and reciprocity. Metrologia, 36, 1999, p. 391 - 394 |
[13] | ISO/IEC Guide 98-3, Uncertainty of measurement - Part 3: Guide to the expression of uncertainty in measurement (GUM: 1995) |
УДК 620.178.5.05:006.354 | | IDT |
Ключевые слова: вибрация, акселерометр, калибровка, вибростенд, катушка возбуждения, принцип взаимности |