Главная // Актуальные документы // ГОСТ (Государственный стандарт)СПРАВКА
Источник публикации
М.: Стандартинформ, 2014
Примечание к документу
Текст данного документа приведен с учетом
поправки, опубликованной в "ИУС", N 1, 2021.
Документ
введен в действие с 1 июля 2015 года.
Название документа
"ГОСТ 8.278-2013. Межгосударственный стандарт. Государственная система обеспечения единства измерений. Делители напряжения постоянного тока измерительные. Методика поверки"
(введен в действие Приказом Росстандарта от 30.12.2013 N 2430-ст)
"ГОСТ 8.278-2013. Межгосударственный стандарт. Государственная система обеспечения единства измерений. Делители напряжения постоянного тока измерительные. Методика поверки"
(введен в действие Приказом Росстандарта от 30.12.2013 N 2430-ст)
по техническому регулированию
и метрологии
от 30 декабря 2013 г. N 2430-ст
МЕЖГОСУДАРСТВЕННЫЙ СТАНДАРТ
ГОСУДАРСТВЕННАЯ СИСТЕМА ОБЕСПЕЧЕНИЯ
ЕДИНСТВА ИЗМЕРЕНИЙ
ДЕЛИТЕЛИ НАПРЯЖЕНИЯ ПОСТОЯННОГО ТОКА ИЗМЕРИТЕЛЬНЫЕ
МЕТОДИКА ПОВЕРКИ
State system for ensuring the uniformity of measurements.
D. c. measuring voltage dividers.
Verification procedure
ГОСТ 8.278-2013
Группа Т88.3
Дата введения
1 июля 2015 года
Цели, основные принципы и порядок проведения работ по межгосударственной стандартизации установлены
ГОСТ 1.0-92 "Межгосударственная система стандартизации. Основные положения" и
ГОСТ 1.2-2009 "Межгосударственная система стандартизации. Стандарты межгосударственные, правила и рекомендации по межгосударственной стандартизации. Правила разработки, принятия, применения, обновления и отмены".
1. Подготовлен Федеральным государственным унитарным предприятием "Всероссийский научно-исследовательский институт метрологической службы" (ФГУП "ВНИИМС").
2. Внесен Техническим комитетом ТК 053 "Основные нормы и правила по обеспечению единства измерений".
3. Принят Межгосударственным советом по стандартизации, метрологии и сертификации (Протокол от 27 декабря 2013 г. N 63-П).
За принятие проголосовали:
Краткое наименование страны по МК (ИСО 3166) 004-97 | Код страны по МК (ИСО 3166) 004-97 | Сокращенное наименование национального органа по стандартизации |
Армения | AM | Минэкономики Республики Армения |
Беларусь | BY | Госстандарт Республики Беларусь |
Казахстан | KZ | Госстандарт Республики Казахстан |
Киргизия | KG | Кыргызстандарт |
Россия | RU | Росстандарт |
Туркмения | TM | Главгосслужба "Туркменстандартлары" |
Узбекистан | UZ | Узстандарт |
Украина | UA | Минэкономразвития Украины |
4.
Приказом Федерального агентства по техническому регулированию и метрологии от 30 декабря 2013 г. N 2430-ст межгосударственный стандарт ГОСТ 8.278-2013 введен в действие в качестве национального стандарта Российской Федерации с 1 июля 2015 г.
6. Введен впервые.
Информация об изменениях к настоящему стандарту публикуется в ежегодном информационном указателе "Национальные стандарты", а текст изменений и поправок - в ежемесячном информационном указателе "Национальные стандарты". В случае пересмотра (замены) или отмены настоящего стандарта соответствующее уведомление будет опубликовано в ежемесячном информационном указателе "Национальные стандарты". Соответствующая информация, уведомление и тексты размещаются также в информационной системе общего пользования - на официальном сайте Федерального агентства по техническому регулированию и метрологии в сети Интернет.
Настоящий стандарт распространяется на измерительные резисторные делители напряжения постоянного тока (далее - делители) и устанавливает методы и средства их первичной и периодической поверок.
В настоящем стандарте использованы нормативные ссылки на следующие стандарты:
ГОСТ 8.027-2001 Государственная система обеспечения единства измерений. Государственная поверочная схема для средств измерений постоянного электрического напряжения и электродвижущей силы
ГОСТ 8.028-86
<*> Государственная система обеспечения единства измерений. Государственный первичный эталон и государственная поверочная схема для средств измерений электрического сопротивления
ГОСТ 12.2.007.0-75 Система стандартов безопасности труда. Изделия электротехнические. Общие требования безопасности
ГОСТ 12.2.007.3-75 Система стандартов безопасности труда. Электротехнические устройства на напряжение свыше 1000 В. Требования безопасности
ГОСТ 12.3.019-80 Система стандартов безопасности труда. Испытания и измерения электрические. Общие требования безопасности
ГОСТ 7165-93 Мосты постоянного тока для измерения сопротивления
ГОСТ 9245-79 Потенциометры постоянного тока измерительные. Общие технические условия
ГОСТ 11282-93 Резистивные делители напряжения постоянного тока
ГОСТ 23737-79 Меры электрического сопротивления. Общие технические условия
--------------------------------
Примечание. При пользовании настоящим стандартом целесообразно проверить действие ссылочных стандартов в информационной системе общего пользования - на официальном сайте Федерального агентства по техническому регулированию и метрологии в сети Интернет или по ежегодному информационному указателю "Национальные стандарты", который опубликован по состоянию на 1 января текущего года, и по выпускам ежемесячного информационного указателя "Национальные стандарты" за текущий год. Если ссылочный стандарт заменен (изменен), то при пользовании настоящим стандартом следует руководствоваться заменяющим (измененным) стандартом. Если ссылочный стандарт отменен без замены, то положение, в котором дана ссылка на него, применяется в части, не затрагивающей эту ссылку.
В настоящем стандарте применены термины в соответствии с
рекомендациями [1], а также следующие термины с соответствующими определениями:
3.1. Средства поверки: эталоны, калибраторы, эталонные приборы, поверочные установки и другие средства измерений, применяемые при поверке в соответствии с установленными правилами.
3.2. Эталонный прибор: прибор, используемый в качестве эталонного при проведении поверки.
3.3. Номинальное значение: значение, принятое в качестве номинального значения параметра.
3.4. Нормирующее значение: значение, к которому приведена погрешность.
Примечание. В качестве нормирующего значения могут быть приняты номинальное значение параметра, предел диапазона измерений, модуль разности пределов измерений.
3.5. Нормальные условия проведения поверки: условия проведения поверки, характеризуемые совокупностью значений или областей значений влияющих величин, при которых изменением результата поверки допускается пренебречь.
4.1. При проведении поверки должны быть выполнены операции, указанные в таблице 1.
Таблица 1
Наименование операции | Номер подраздела настоящего стандарта | Обязательность проведения операции |
при выпуске из производства | при ремонте | при эксплуатации и хранении |
Внешний осмотр | | Да | Да | Да |
Проверка работы термостатирующего устройства (термостатированные делители) | | Да | Да | Да |
Проверка электрической прочности изоляции | | Да | Да | Нет |
Определение сопротивления изоляции | | Да | Да | Да |
Определение основной погрешности делителей без устройств для самокалибровки (автономной поверки) | | Да | Да | Да |
Определение основной погрешности делителей с устройством для самокалибровки (автономной поверки) | | Да | Да | Да |
Определение основной погрешности делителей, выпускаемых из ремонта, в случае замены резисторов измерительной цепи | | Нет | Да | Нет |
5.1. При проведении поверки должны быть применены следующие средства поверки:
5.1.1. Потенциометры напряжения постоянного тока, приведенные в таблице 2, класса точности 0,01 и более точные по
ГОСТ 9245.
Таблица 2
Обозначение потенциометра | Класс точности | Верхний диапазон измерения напряжения, B | Основная погрешность измерения напряжения U, B, не более |
Р332 | 0,0005 | 2,1211111 | |
Р345 | 0,001 | 2,12111 | |
Р363-1 | 0,001 | 2,121111 | |
Р379 | 0,001 | 21,1111 | |
Р363-2 | 0,002 | 2,121111 | |
Р363-3 | 0,005 | 2,121111 | |
Р377 | 0,005 | 21,1111 | |
Р37-1 | 0,01 | 2,12111 | |
5.1.2. Мосты постоянного тока, приведенные в таблице 3, класса точности 0,02 и более точные по
ГОСТ 7165.
Таблица 3
Обозначение моста | Предел измерения сопротивления, Ом | Погрешность измерения сопротивления, % |
Р39 | От  до  | От 1,0 до 0,01 |
Р369 | "  " 1,11111 ·  | " 1,0 " 0,005 |
Р329 | "  "  | " 1,5 " 0,05 |
Р304 | "  "  | " 1,0 " 0,05 |
5.1.3. Катушки сопротивления Р331, Р4010, Р4020, изготовляемые по ГОСТ 23737, аттестованные в качестве образцовых мер сопротивления по соответствующему разряду ГОСТ 8.028.
5.1.4. Мостовая установка УМИС-2 для измерения сопротивлений в диапазоне

. Погрешность при сравнении сопротивлений с неравными номинальными значениями свыше 0,01 до 100000 Ом составляет

.
5.1.5. Компаратор сопротивлений Р346. Диапазон сравниваемых сопротивлений составляет

. Предел допускаемой основной погрешности сравнения в процентах на основном диапазоне
A = +/- (0,0001 + 0,0005z),
где z - отсчет результата измерений, %.
5.1.6. Магазины сопротивлений для регулирования тока, приведенные в таблице 4, в цепи сравниваемых сопротивлений со ступенью регулирования не более

по ГОСТ 23737.
Таблица 4
Обозначение магазина сопротивлений | Класс точности | Сопротивление, Ом |
Р33 | 0,2 | От 0,1 до 99999,9 |
МСР-63 | 0,05 | От 0,01 до 111111,1 |
5.1.7. Нулевые указатели равновесия (далее - указатели равновесия), приведенные в таблице 5 (к мостам постоянного тока), с ценой деления по току не более

.
Таблица 5
Обозначение указателя равновесия | Цена деления по току, А/дел. |
Р325 | |
Р341 | |
М195/2 | |
Ф118/2 | |
5.1.8. Мегомметры и тераомметры (например, типов Е6-3, Е6-10, Е6-13, Е6-14).
5.1.9. Комбинированные приборы (например, типов Ц4326 и Ц4313).
5.1.10. Установка для испытания изоляции на электрическую прочность, позволяющая плавно повышать испытательное напряжение от 10 В до 5 кВ. Мощность установки на стороне высокого напряжения должна быть не менее 0,25 кВ · А.
5.1.11. Переключатели напряжения тока к потенциометрам П308, П309 и Р332-НТ.
5.1.12. Однополюсные выключатели, рассчитанные на работу при токах до 0,5 А.
5.1.13. Источники питания постоянного тока. Погрешность, вносимая нестабильностью источника питания, не должна превышать 0,1 предела допускаемой основной погрешности поверяемого делителя.
5.1.14. Эталонные средства измерений постоянного напряжения до 1500 В по ГОСТ 8.027.
5.1.15. Эталонные меры постоянного напряжения - по ГОСТ 8.027.
5.2. Вспомогательные средства измерений
Условия поверки контролируют, используя следующие средства измерений:
- измеритель нелинейных искажений в цепи питания. Диапазон измерений напряжения от 154 до 286 В, пределы допускаемой приведенной погрешности +/- 0,5%; диапазон измерений частоты от 45 до 55 Гц, пределы абсолютной погрешности +/- 0,1 Гц; диапазон измерений коэффициента искажения синусоидальности кривой напряжения от 0,1% до 25%, пределы относительной погрешности +/- 10,0%;
- термометр. Диапазон измерений температуры от 15 °C до 40 °C, пределы допускаемой погрешности +/- 0,5 °C;
- психрометрический гигрометр. Диапазон измерений относительной влажности воздуха 20% - 90%, пределы допускаемой погрешности +/- 5%;
- барометр. Диапазон измерений давления 80 - 106 кПа, пределы допускаемой погрешности +/- 1,0 кПа.
5.3. При проведении поверки предел допускаемой основной погрешности эталонных средств измерений должен быть в 3 и более раза меньше предела допускаемой основной погрешности поверяемого делителя.
Примечание. При невозможности выполнения этого требования допускается применять эталонные средства измерений с пределом допускаемой основной погрешности в 2 раза менее предела допускаемой основной погрешности поверяемого делителя, но при этом необходимо вводить поправки к эталонным средствам измерений.
5.4. Разрешается применять вновь разработанные или другие находящиеся в применении средства поверки, удовлетворяющие требованиям настоящего стандарта.
5.5. Применение средств поверки - по нормативным (НД) и техническим (ТД) документам.
6. ТРЕБОВАНИЯ К КВАЛИФИКАЦИИ ПОВЕРИТЕЛЕЙ
К проведению поверки допускают лиц, имеющих квалификационную группу по технике безопасности не ниже III.
7. ТРЕБОВАНИЯ БЕЗОПАСНОСТИ
7.1. Помещение для проведения поверки должно быть оборудовано в соответствии с требованиями техники безопасности.
7.2. При проведении поверки должны быть соблюдены требования безопасности
ГОСТ 12.3.019, правил, действующих на территории государства, принявшего настоящий стандарт <1>, а также меры безопасности, изложенные в руководстве по эксплуатации средств измерений показателей качества электрической энергии и в ТД на средства поверки.
--------------------------------
<1> На территории Российской Федерации действуют правила: "
Правила технической эксплуатации электроустановок потребителей. Минэнерго РФ, Приказ N 6 от 13.01.2003" и "Межотраслевые
правила по охране труда. Минтруда РФ, Постановление N 3 от 05.01.2001. Минэнерго РФ, Приказ N 163 от 27.12.2000".
7.4. Для безопасной работы с делителями, имеющими символ

, необходимо принять меры, указанные в ТД на делитель конкретного типа, утвержденных в установленном порядке.
7.5. Перед проведением операций поверки средства измерений, подлежащие заземлению, должны быть надежно заземлены. Подсоединение зажимов защитного заземления к контуру заземления должно быть проведено ранее других соединений, а отсоединение - после всех отсоединений.
8. УСЛОВИЯ ПРОВЕДЕНИЯ ПОВЕРКИ И ПОДГОТОВКА К НЕЙ
8.1. При проведении поверки должны быть соблюдены следующие условия.
Температура окружающей среды, относительная влажность воздуха и атмосферное давление должны соответствовать требованиям ГОСТ 11282 к нормальным условиям применения, и должны быть соблюдены требования к условиям применения эталонных средств измерений.
Значение изменения температуры окружающей среды за время измерения коэффициента деления не должно превышать значений, указанных в таблице 6.
Таблица 6
Класс точности делителя | Допускаемое изменение температуры, °C |
0,0005; 0,001; 0,002; 0,005; 0,01; 0,0001; 0,0002 | +/- 0,1 |
0,02; 0,05; 0,1 | +/- 0,2 |
8.2. Перед проведением поверки выполняют следующие подготовительные работы:
- собирают схему для поверки делителя, соединив элементы схемы экранированными проводами, имеющими сопротивление изоляции между жилой и экраном не менее

(где

- максимальное сопротивление делителя, Ом; a - число, обозначающее класс точности делителя);
- экранируют источники питания, регулировочный магазин сопротивлений, переключатели и надежно изолируют их от земли. Сопротивление изоляции должно быть более

, но не менее

. Экраны проводов и аппаратуры заземляют;
- выдерживают делитель при температуре от 15 °C до 30 °C не менее 8 ч и дополнительно при температуре, указанной в
8.1, не менее 4 ч;
- включают в сеть за 2 ч до начала поверки термостаты делителей с термостатированием.
8.3. Средства поверки должны быть подготовлены к работе согласно ТД на них.
При внешнем осмотре должны быть установлены:
- исправность контактных зажимов;
- надежность закрепления отдельных частей делителя;
- соответствие маркировки делителя требованиям ГОСТ 11282;
- плавность хода и четкая фиксация переключателей (при наличии);
- соответствие комплектности делителя (кроме запасных частей) требованиям ТД на делитель конкретного типа, утвержденной в установленном порядке.
Примечание. Маркировка деталей, выпущенных до введения в действие ГОСТ 11282, должна соответствовать требованиям НД, по которым они были выпущены.
Проверку работы термостатирующего устройства у термостатированных делителей проводят по НД и ТД на поверяемый делитель.
9.3. Определение сопротивления изоляции
Сопротивление изоляции определяют между измерительной цепью делителя и его корпусом (все зажимы измерительной цепи должны быть при этом соединены накоротко), а также между измерительной цепью и соединенными накоротко цепями термостатирующего устройства (для делителей с термостатированием) и между электрически соединенными цепями терморегулирования и корпусом.
Сопротивление изоляции должно соответствовать требованиям ГОСТ 11282.
9.4. Проверка электрической прочности изоляции
9.4.1. Электрическую прочность изоляции проверяют между измерительной цепью и корпусом делителя. При наличии в делителе, кроме измерительной, других цепей (например, цепи терморегулирования) электрическую прочность изоляции определяют между этими цепями и измерительной цепью, а также между каждой из этих цепей и корпусом. Электрическая прочность изоляции должна соответствовать требованиям ГОСТ 11282.
9.5. Определение основной погрешности делителей без устройства для самокалибровки (автономной поверки)
9.5.1. Основную погрешность определяют измерением:
- входного и выходного сопротивлений делителя методом сравнения с эталонной мерой сопротивления или методом замещения (для делителей классов точности 0,001 и менее точных) в соответствии с
таблицей 7;
- отношения сопротивлений делителя верхнего и нижнего плеча методом сравнения с эталонной мерой отношения (для делителей классов точности 0,01 и более точных);
- входного и выходного напряжений делителя компенсационным методом (для делителей класса точности 0,005 и менее точных);
- входного и выходного напряжений делителя при номинальном напряжении с помощью эталонных мер напряжения (для делителей класса точности 0,0005 и менее точных).
Класс точности поверяемого делителя | Разряд эталонной меры сопротивления |
0,01 | 2 |
0,02 и менее точные | 3 |
9.5.2. Определение основной погрешности делителей измерением входного и выходного сопротивлений делителя
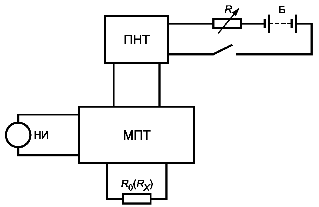
9.5.2.1. Сопротивления делителя методом сравнения с эталонной мерой сопротивления измеряют по схеме, приведенной на рисунке 1.
П - потенциометр постоянного тока; ПНТ - переключатель
направления тока;

- эталонная мера сопротивления;

- измеряемое сопротивление; R - регулировочный магазин
сопротивлений; НЭ - нормальный элемент;
Б1, Б2 - источники питания; X1, X2 - зажимы потенциометра
Рисунок 1. Схема поверки делителя напряжения методом
измерения входного и выходного сопротивлений
Разряд эталонной меры сопротивления в зависимости от класса точности делителя выбирают по
таблице 7.
При поверке делителей измеряемое сопротивление делителя сравнивают с эталонной мерой сопротивления, номинальное значение которой приблизительно равно значению измеряемого сопротивления. Если при поверке делителей классов точности 0,01 невозможно подобрать эталонную меру сопротивления с таким номинальным значением сопротивления, то допускается использовать последовательное или параллельное соединение нескольких эталонных катушек сопротивления.
К зажимам X1 потенциометра подключают эталонное сопротивление

, а к зажимам X2 - измеряемое входное или выходное сопротивление делителя

. На декадах ряда X1, начиная с первой декады, устанавливают значение напряжения

, дольное по отношению к действительному значению эталонного сопротивления, и посредством регулировочного магазина сопротивлений устанавливают ток в измерительной цепи, добиваясь отсутствия показаний нулевого указателя потенциометра. На декадах ряда X2 измеряют напряжение

на измеряемом сопротивлении.
Затем переключателем направления тока измеряют направление тока в измерительной цепи и измеряют напряжения

и

на эталонном и измеряемом сопротивлениях.
Значение сопротивления

, Ом, вычисляют по формуле

. (1)
При поверке делителей класса точности 0,1 его сопротивление допускается измерять при одном положении переключателя направления тока.
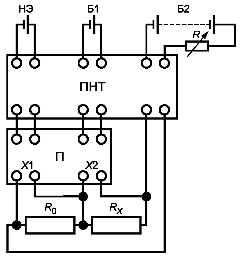
9.5.2.2. Сопротивление делителя методом замещения измеряют по схеме, приведенной на
рисунке 2, в нижеуказанной последовательности.
Выбирают эталонную меру сопротивления с номинальным значением, равным номинальному значению измеряемого сопротивления поверяемого делителя. В процессе измерения должны оставаться неизменными показания:
- первых четырех декад моста - при поверке делителей классов точности 0,001 и 0,002;
- первых трех декад моста - при поверке делителей классов точности 0,005 и 0,01;
- первых двух декад моста - при поверке делителей классов точности 0,02 и 0,05;
- первой декады моста - при поверке делителей класса точности 0,1.
Если это условие выполнить невозможно, то эталонную меру сопротивления допускается составить из нескольких эталонных катушек сопротивления в соответствии с указаниями
9.5.2.1.
Эталонную меру сопротивления подключают к мосту и определяют значения ее сопротивлений

и

в омах при двух положениях переключателя направления тока. Затем вместо эталонной меры сопротивления к мосту подключают измеряемое входное или выходное сопротивление делителя. При неизменных отношениях плеч определяют значения сопротивлений

и

при двух положениях переключателя направления тока.
Значение сопротивления

вычисляют по формуле

, (2)
где

- действительное значение эталонной меры сопротивления.
9.5.2.3. Основную погрешность делителя

,%, вычисляют по формуле

, (3)
где

и

- номинальные значения входного и выходного сопротивлений делителя;

и

- действительные значения входного и выходного сопротивлений делителя.
МПТ - мост постоянного тока; НИ - нуль-индикатор;
ПНТ - переключатель направления тока; Б - источник питания;

- эталонная мера сопротивления;

- измеряемое сопротивление
Рисунок 2. Схема определения сопротивления делителя
методом замещения
9.5.3. Определение основной погрешности делителей измерением входного и выходного напряжений делителя
9.5.3.1. Классы точности потенциометров в зависимости от классов точности делителей и их коэффициентов деления выбирают по таблице 8.
Таблица 8
Класс точности поверяемого делителя | Коэффициент деления делителя, не более | Класс точности потенциометра, не ниже |
0,005 | 500 | 0,001 |
0,01 | 5000 | 0,0005 |
500 | 0,002 |
0,02 | 5000 | 0,001 |
500 | 0,002 |
0,05 | 50000 | 0,0005 |
5000 | 0,005 |
500 | 0,01 |
0,1 | 50000 | 0,0005 |
5000 | 0,01 |
Делители поверяют по схеме, приведенной на
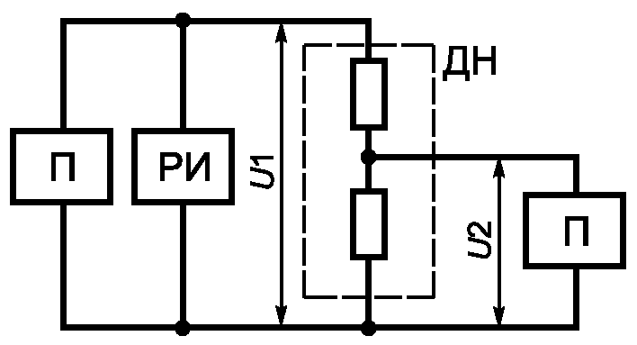
рисунке 3. Источник питания выбирают таким, чтобы напряжение на входе делителя было близко к верхнему пределу измерения потенциометра.
ДН - делитель напряжения; П - потенциометр постоянного
тока;

- источник питания;

и

- измеренные значения
входного и выходного напряжений делителя соответственно
Рисунок 3. Схема поверки делителя напряжения методом
измерения входного и выходного напряжений
Погрешность делителя при данном коэффициенте деления

, %, вычисляют по формуле

, (4)
где

и

- измеренные значения входного и выходного напряжений делителя соответственно;

- номинальное значение коэффициента деления.
9.5.3.2. Если имеющийся потенциометр не позволяет определить погрешность делителя при всех коэффициентах деления, то определяют погрешность делителя при максимальном коэффициенте деления, при котором это возможно, потенциометром данного класса точности по методике
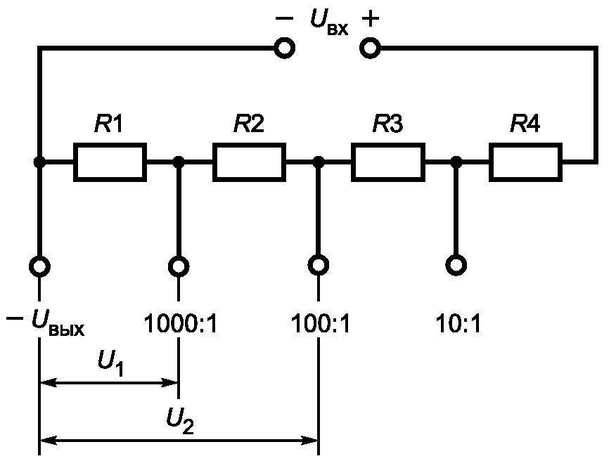
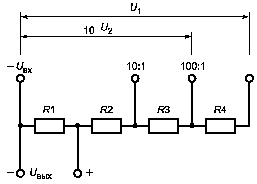
9.5.3.1. Принимают данный коэффициент деления за опорный ("100" по схеме,
рисунок 4). Затем для делителей с постоянным выходным сопротивлением [
рисунок 4а)] измеряют напряжение на входном сопротивлении, соответствующем поверяемому коэффициенту деления

, и напряжение на входном сопротивлении, соответствующем опорному коэффициенту деления

, а для делителей с постоянным входным сопротивлением [
рисунок 4б)] измеряют напряжение на выходном сопротивлении, соответствующем поверяемому коэффициенту деления

, и напряжение на выходном сопротивлении, соответствующем опорному коэффициенту деления

.
Вычисляют разность

в процентах между погрешностями делителя при поверяемом и опорном коэффициентах деления, определенными по
формуле (4), учитывая, что в этом случае

- отношение номинального значения поверяемого коэффициента деления к действительному значению опорного.

и

- измеренные значения входного и выходного
напряжений делителя соответственно; R1, R2, R3, R4 -
сопротивления делителя
Рисунок 4. Схема поверки делителя напряжения методом
опорного напряжения, лист 1
Погрешность делителя при поверяемом коэффициенте деления

, вычисляют по формуле

, (5)
где

- погрешность делителя при опорном коэффициенте деления. Погрешности делителя при остальных коэффициентах деления определяют аналогично.
9.5.4. Определение основной погрешности делителя измерением отношения сопротивлений делителя
Отношение сопротивлений делителя с эталонной мерой отношения сравнивают по схеме, приведенной на рисунке 5.
При этом значения сравниваемых сопротивлений должны быть в диапазоне от

до

Ом.

,

- сопротивления меры отношения;
R1, R2 - сопротивления делителя; НУ - нуль-индикатор;
П1, П2 - переключатели
Рисунок 5. Схема поверки делителя напряжения методом
измерения отношения сопротивлений
9.5.4.1. Погрешность делителя при коэффициентах деления, имеющих значение не более 100, определяют сравнением отношения соответствующих сопротивлений делителя с номинально равновеликим отношением эталонной меры. С этой целью калибруют эталонную меру при необходимом отношении. Подключают меру отношения к установке УМИС-2 (далее - установка) и после уравновешивания моста записывают его показание

.
Затем к установке подключают соответствующие сопротивления поверяемого делителя. После уравновешивания моста записывают показание

.
Погрешность поверяемого делителя

, при данном коэффициенте деления вычисляют по формуле

. (6)
9.5.4.2. Погрешность делителя при коэффициентах деления, имеющих значение более 100, определяют в такой последовательности:
- принимают один из коэффициентов деления с номинальным значением не более 100 за опорный. Определяют погрешность делителя

в процентах при опорном коэффициенте деления по методике
9.5.4.1. Затем по методике
9.5.4.1 определяют разность

в процентах между погрешностями делителя при поверяемом и опорном коэффициентах деления, вычисляя ее по
формуле (6) и учитывая при этом, что с мерой отношения сравнивают отношение входных (для делителей с постоянным выходным сопротивлением) или выходных (для делителей с постоянным входным сопротивлением) сопротивлений, соответствующих поверяемому и опорному коэффициентам деления;
- затем вычисляют погрешность делителя при поверяемом коэффициенте деления

по формуле

. (7)
Аналогично определяют погрешности делителя для последующих коэффициентов деления, принимая за опорный предыдущий проверенный коэффициент деления.
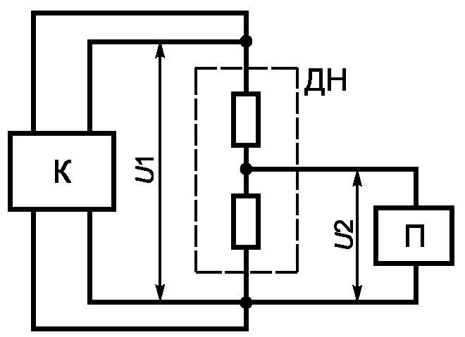
9.5.5. Определение основной погрешности измерением входного и выходного напряжений делителя при номинальном напряжении
9.5.5.1. Измерение выполняют по схемам, приведенным на
рисунке 6.
Схема измерения калибратором
Схема измерения регулируемым источником
постоянного напряжения
ДН - делитель напряжения; К - эталонная мера постоянного
напряжения (калибратор); РИ - регулируемый источник
постоянного напряжения; П - эталонное средство измерения
постоянного напряжения; U1 и U2 - измеренные значения
входного и выходного напряжений делителя соответственно
Рисунок 6. Схема поверки делителя напряжения методом
измерения входного и выходного напряжений
при номинальном напряжении
9.5.5.2. Калибратором или регулируемым источником постоянного напряжения устанавливают напряжение, приблизительно равное номинальному напряжению делителя, соответствующее поверяемому коэффициенту деления, и определяют значения входного U1 и выходного U2 напряжений делителя. Погрешность делителя при данном коэффициенте деления вычисляют по
формуле (4).
9.6.1. Погрешности делителя при остальных коэффициентах деления определяют аналогично
9.5.5.1 -
9.5.5.2.
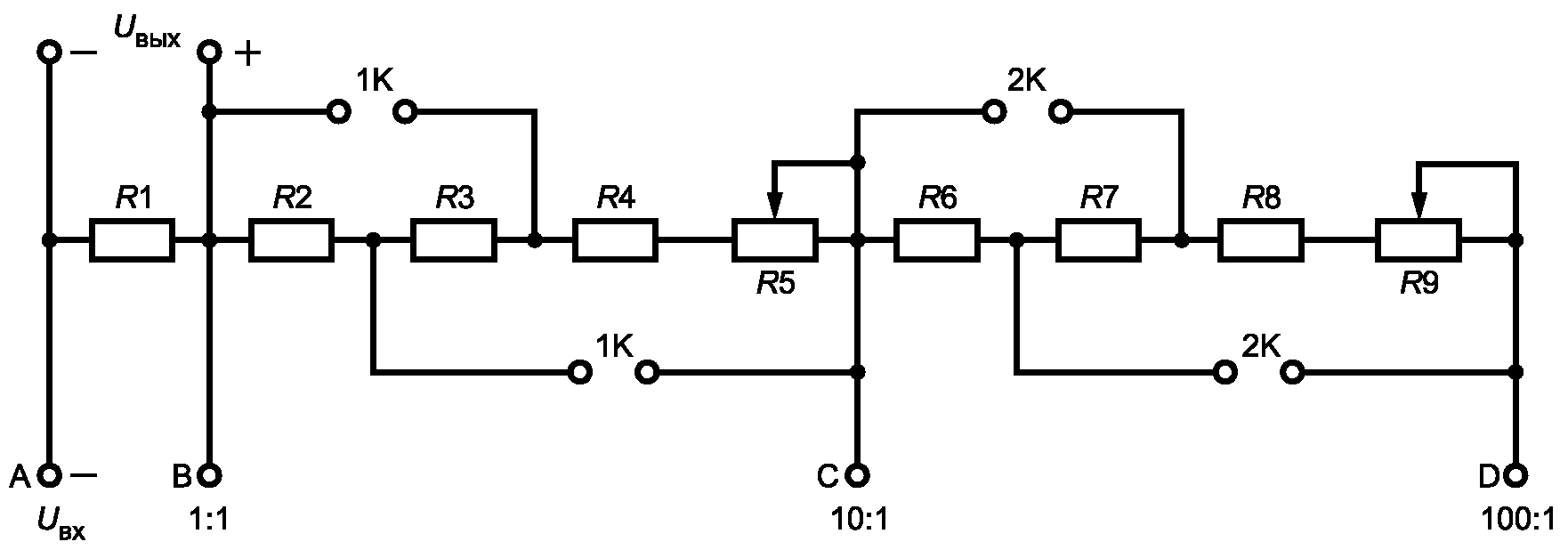
9.6. Определение основной погрешности делителей с устройством для самокалибровки (автономной поверки)
9.6.1. Перед определением основной погрешности делителя с устройством (R5, R9) для регулирования коэффициентов деления следует провести подстройку делителя. Основную погрешность делителей классов точности 0,0001 и менее точных определяют сравнением сопротивлений делителя, имеющих одинаковые значения. Принципиальная схема делителя с устройством для поверки без измерительных катушек сопротивления приведена на рисунке 7.

- входное напряжение;

- выходное напряжение;
A, B, C, D - клеммы подключения; R1 - R4, R6 - R8 -
резисторы постоянные; R5, R9 - резисторы подстройки;
1К, 2К - контакты перемычек
Рисунок 7. Схема поверки делителя с устройством
для самокалибровки
9.6.2. Определяют относительную разность сравниваемых сопротивлений делителя по схемам, приведенным на
рисунках 1 и
2, в порядке, указанном в таблице 9, по методике
9.5.2.1 и
9.5.2.2. При этом вместо эталонных мер сопротивления используют опорные сопротивления делителя.
Таблица 9
Сравниваемые сопротивления делителя | Положение контактов | Относительная разность сравниваемых сопротивлений |
Опорное | Измеряемое | 1K | 2K |
| | Замкнуты | Разомкнуты | |
| | Разомкнуты | Замкнуты | |
Погрешность делителя

, вычисляют по формулам:

- при коэффициенте деления, равном 10;

- при коэффициенте деления, равном 100.
Погрешности делителя при последующих коэффициентах деления определяют аналогично.
9.7. Определение основной погрешности делителей, выпускаемых из ремонта, в случае замены резисторов измерительной цепи
9.7.1. Основную погрешность делителей определяют в нижеуказанной последовательности.
На вход делителя в течение 2 ч подают напряжение, максимально возможное для поверяемого коэффициента деления. Затем сразу же после снятия напряжения определяют основную погрешность делителя одним из методов, указанных в
9.5 и
9.6.
9.7.2. Допускается применять другие методы поверки, обеспечивающие необходимую точность.
9.8. Основная погрешность делителей должна соответствовать требованиям ГОСТ 11282.
10. ОФОРМЛЕНИЕ РЕЗУЛЬТАТОВ ПОВЕРКИ
При первичной поверке положительные результаты поверки оформляют записью в паспорте и нанесением оттиска поверительного клейма.
При положительных результатах периодической поверки выдают свидетельство о поверке установленной формы и наносят оттиск поверительного клейма.
По требованию потребителей в документе о поверке делителя (за исключением делителей с устройством для поверки без эталонных катушек сопротивления) указывают действительные значения коэффициентов деления.
Делители, не удовлетворяющие требованиям настоящего стандарта, к применению не допускают. Клеймо, относящееся к предыдущей поверке, гасят.
[1] Рекомендации Государственная система обеспечения
по межгосударственной единства измерений. Метрология.
стандартизации Основные термины и определения