Главная // Актуальные документы // ГОСТ (Государственный стандарт)СПРАВКА
Источник публикации
М.: Стандартинформ, 2019
Примечание к документу
Документ
введен в действие с 01.08.2014.
Название документа
"ГОСТ 32525-2013. Межгосударственный стандарт. Дихлорбензол. Определение содержания в воздушной среде"
(введен в действие Приказом Росстандарта от 22.11.2013 N 823-ст)
"ГОСТ 32525-2013. Межгосударственный стандарт. Дихлорбензол. Определение содержания в воздушной среде"
(введен в действие Приказом Росстандарта от 22.11.2013 N 823-ст)
Введен в действие
по техническому регулированию
и метрологии
от 22 ноября 2013 г. N 823-ст
МЕЖГОСУДАРСТВЕННЫЙ СТАНДАРТ
ДИХЛОРБЕНЗОЛ
ОПРЕДЕЛЕНИЕ СОДЕРЖАНИЯ В ВОЗДУШНОЙ СРЕДЕ
Dichlorobenzene. Determination in air
ГОСТ 32525-2013
Дата введения
1 августа 2014 года
Цели, основные принципы и общие правила проведения работ по межгосударственной стандартизации установлены
ГОСТ 1.0 "Межгосударственная система стандартизации. Основные положения" и
ГОСТ 1.2 "Межгосударственная система стандартизации. Стандарты межгосударственные, правила и рекомендации по межгосударственной стандартизации. Правила разработки, принятия, обновления и отмены"
1 РАЗРАБОТАН Федеральным бюджетным учреждением здравоохранения "Российский регистр потенциально опасных химических и биологических веществ" Федеральной службы по надзору в сфере защиты прав потребителей и благополучия человека (ФБУЗ "Российский регистр потенциально опасных химических и биологических веществ" Роспотребнадзора), Федеральным государственным унитарным предприятием "Всероссийский научно-исследовательский центр стандартизации, информации и сертификации сырья, материалов и веществ" (ФГУП "ВНИЦСМВ")
2 ВНЕСЕН Федеральным агентством по техническому регулированию и метрологии
3 ПРИНЯТ Межгосударственным советом по стандартизации, метрологии и сертификации (протокол от 14 ноября 2013 г. N 44, приложение N 24)
За принятие проголосовали:
Краткое наименование страны по МК (ИСО 3166) 004-97 | Код страны по МК (ИСО 3166) 004-97 | Сокращенное наименование национального органа по стандартизации |
Армения | AM | Минэкономики Республики Армения |
Киргизия | KG | Кыргызстандарт |
Россия | RU | Росстандарт |
Таджикистан | TJ | Таджикстандарт |
Украина | UA | Минэкономразвития Украины |
4
Приказом Федерального агентства по техническому регулированию и метрологии от 22 ноября 2013 г. N 823-ст межгосударственный стандарт ГОСТ 32525-2013 введен в действие в качестве национального стандарта Российской Федерации с 1 августа 2014 г.
5 ВВЕДЕН ВПЕРВЫЕ
6 ПЕРЕИЗДАНИЕ. Май 2019 г.
Информация о введении в действие (прекращении действия) настоящего стандарта и изменений к нему на территории указанных выше государств публикуется в указателях национальных стандартов, издаваемых в этих государствах, а также в сети Интернет на сайтах соответствующих национальных органов по стандартизации.
В случае пересмотра, изменения или отмены настоящего стандарта соответствующая информация будет опубликована на официальном интернет-сайте Межгосударственного совета по стандартизации, метрологии и сертификации в каталоге "Межгосударственные стандарты"
Настоящий стандарт устанавливает процедуру для отбора проб воздуха и измерения массовой концентрации дихлорбензола (любого изомера) методом газовой хроматографии - масс-спектрометрии (ГХ - МС). Метод применяют для концентраций 2 - 50 ppbv (part per billion by volume = одна миллиардная по объему), и он, как правило, требует насыщения путем концентрирования пробы объемом 1 л. Предел обнаружения составляет 0,5 ppbv. Использование описанного метода приемлемо для большинства условий пробоотбора окружающего воздуха в адсорбирующий контейнер. При проведении отбора проб допускается использование твердых адсорбентов вместо контейнеров или отбор проб проводят путем прямого автоматизированного ввода в хроматограф.
В настоящем стандарте использованы нормативные ссылки на следующие межгосударственные стандарты:
ГОСТ 12.1.005 Система стандартов безопасности труда. Общие санитарно-гигиенические требования к воздуху рабочей зоны
ГОСТ 12.1.019 Система стандартов безопасности труда. Электробезопасность. Общие требования и номенклатура видов защиты <1>
--------------------------------
ГОСТ 6709 Вода дистиллированная. Технические условия
Примечание - При пользовании настоящим стандартом целесообразно проверить действие ссылочных стандартов и классификаторов на официальном интернет-сайте Межгосударственного совета по стандартизации, метрологии и сертификации (www.easc.by) или по указателям национальных стандартов, издаваемым в государствах, указанных в
предисловии, или на официальных сайтах соответствующих национальных органов по стандартизации. Если на документ дана недатированная ссылка, то следует использовать документ, действующий на текущий момент, с учетом всех внесенных в него изменений. Если заменен ссылочный документ, на который дана датированная ссылка, то следует использовать указанную версию этого документа. Если после принятия настоящего стандарта в ссылочный документ, на который дана датированная ссылка, внесено изменение, затрагивающее положение, на которое дана ссылка, то это положение применяется без учета данного изменения. Если документ отменен без замены, то положение, в котором дана ссылка на него, применяется в части, не затрагивающей эту ссылку.
3 Характеристики погрешности измерений
Относительная расширенная неопределенность измерений (при коэффициенте охвата k = 2)
Uотн = 15%.
Примечание - Указанная неопределенность соответствует границам относительной суммарной погрешности +/- 15% при доверительной вероятности P = 0,95.
4.1 Для определения содержания дихлорбензола используют адсорбирующий контейнер-пробоотборник, из которого заранее откачан воздух. При анализе известный объем образца отбирают из контейнера через твердый мультисорбентный концентратор. Содержание воды в образце может быть в дальнейшем снижено продувкой концентратора гелием, при этом целевые соединения удерживаются. После концентрирования и сушки определяемое вещество выделяется термодесорбцией, увлекается потоком газа-носителя, а затем собирается в небольшом объеме с помощью охлаждаемой (криогенной) ловушки или мультисорбентной ловушки. Образец затем снова выделяют термодесорбцией и вводят в хроматографическую колонку для разделения и детектирования с помощью масс-спектрометра.
4.2 Измерение массовой концентрации проводят методом внутреннего стандарта: определяют площади пиков дихлорбензола и внутреннего стандарта на масс-хроматограммах, зарегистрированных для характеристических ионов этих соединений. Расчет количества дихлорбензола осуществляют, исходя из площадей этих пиков, массы внутреннего стандарта и фактора отклика дихлорбензола по отношению к внутреннему стандарту. Расчет проводят из предположения о количественном извлечении и постоянной степени извлечения дихлорбензола из воздуха на адсорбент в контейнере, что было подтверждено предварительными исследованиями.
4.3 Для градуировки прибора и расчета калибровочной зависимости готовят серию из пяти градуировочных смесей дихлорбензола в увлажненном чистом воздухе концентрацией, позволяющей определить его на уровнях 2, 5, 10, 20 и 50 ppbv. В анализируемую пробу воздуха добавляют смесь внутреннего стандарта - бромхлорметана (характеристический ион 130 Да), пердейтерохлорбензола (дейтерохлорбензол-d5) (характеристический ион 117 Да) и 1,4-дифторбензола (характеристический ион 114 Да) концентрацией 10 ppmv (part per million by volume = одна миллионная по объему). В расчетах далее используют стандарт, время удерживания которого находится ближе всего ко времени удерживания дихлорбензола. Вычисляют фактор отклика, исходя из количеств дихлорбензола и внутреннего стандарта и площадей соответствующих хроматографических пиков. Время удерживания стандарта должно укладываться в интервал +/- 0,33 мин от среднего значения.
5 Средства измерений, реактивы и материалы
Газохроматографическая система с МС-детектором, оснащенная функцией температурного программирования с возможностью охлаждения до минус 50 °C. Система должна включать или быть сопряжена с концентратором и иметь все необходимые устройства. Все линии газовой хроматографии (ГХ) с газом-носителем должны быть выполнены из нержавеющей стали или медных труб. Исключается использование неполитетрафторэтиленовых герметиков для соединений или датчиков контроля потока с деталями из бутадиен-нитрильного каучука (NBR).
Возможно использование линейного квадрупольного масс-спектрометра или масс-спектрометра с ионной ловушкой, способного сканировать массы от 35 до 300 а.е.м. в секунду или чаще. В случае использования электронной ионизации энергия электронов должна составлять 70 эВ. Возможности прибора должны позволять получить качественный масс-спектр при анализе образца п-бромфторбензола (BFB) массой 50 нг или менее. Прибор должен быть оснащен системой обработки данных со справочной библиотекой масс-спектров EPA/NIST или аналогичной.
Колонка хроматографическая: 100%-ный метилсилоксан или 5%-ный фенил, 95%-ные метилсилоксановые капиллярные колонки диаметром 0,25 - 0,53 мм различной длины.
Примечание - Допускается применение других типов средств измерений с метрологическими и техническими характеристиками не ниже указанных.
Дихлорбензол чистотой не менее 98%.
Гелий. Гелий в газовых баллонах наивысшей степени чистоты используют в качестве газа-носителя.
Жидкий азот или жидкий диоксид углерода. Используют для охлаждения вторичной ловушки.
Деионизованная вода. Наивысшая степень чистоты для высокоэффективной жидкостной хроматографии (ВЭЖХ) по
ГОСТ 6709.
Примечание - Допускается применение реактивов, изготовленных по другой нормативно-технической документации, с квалификацией чистоты не ниже указанной.
5.3 Вспомогательные устройства
Система отбора пробы/концентрирования (допускаются имеющиеся в продаже альтернативы):
- электронный регулятор потока массы, используемый для поддержания постоянного потока (для продувочного газа, газа-носителя и образца газа) и для обеспечения аналогового выхода на монитор аномалий в потоке;
- вакуумный насос. Основной задачей лабораторного насоса является способность снижать давление нисходящего потока регулятора для обеспечения перепада давления, необходимого для поддержания контролируемых скоростей потока образца воздуха;
- система труб и гарнитуры из нержавеющей стали, покрытые полисилоксаном для минимизации активных адсорбционных центров;
- цилиндрические регуляторы давления из нержавеющей стали. Стандартные, двухступенчатые цилиндрические регуляторы с манометрами;
- шестиходовой газохроматографический кран для направления движения потоков образца и газа-носителя;
- газоочистители, используемые для удаления органических загрязнений и влаги из потока газа;
- упакованный в ловушку (Supelco 2-0321) адсорбент, содержащий 200 мг Carbopack B (60/80 mesh) и 50 мг Carbosieve S-III (60/80 mesh), удерживает дихлорбензол и пропускает какое-то количество паров воды;
- криогенный концентратор. Готовые устройства различных производителей, имеющиеся в продаже. Характеристики концентраторов включают быстрое, "баллистическое" нагревание концентратора для высвобождения захваченного дихлорбензола в небольшой объем газа-носителя - это облегчает разделение веществ на газохроматографической колонке.
Средства пробоотбора:
- система ввода пробы. Стальная трубка, соединяющая пробоотборник с системой ввода;
- контейнер для образца. Герметичный стальной сосуд необходимого объема (например, 6 л) под давлением, снабженный клапаном и особо приготовленной внутренней поверхностью. Ниже приведены коммерческие производители адсорбирующих контейнеров:
BRC/Rasmussen
17010 NW Skyline Blvd.
Portland, Oregon 97321
(503) 621-1435
Meriter
1790 Potrero Drive
San Jose, CA 95124
(408) 265-6482
Restek Corporation
110 Benner Circle
Bellefonte, PA 16823-8812
(814) 353-1300
(800) 356-1688
Scientific Instrumentation Specialists
P.O. Box 8941
815 Courtney Street
Moscow, ID 83843
(208) 882-3860
- датчик вакуум/давление. Необходимо два типа датчиков: один - для измерения вакуума (от минус 100 до 0 кПа или от 0 до минус 30 мм рт. ст.) и давления (от 0 до 206 кПа или от 0 до 30 пси) в системе пробоотбора; другой - для проверки вакуума в контейнере при очистке, способный измерять давление в области 0,05 мм рт. ст. с погрешностью не более 20%;
- электронный регулятор потока массы, способный поддерживать постоянную скорость потока (+/- 10%) в период пробоотбора вплоть до 24 ч при условиях изменяющейся температуры (20 °C - 40 °C) и влажности;
- фильтр твердых частиц. 2-мкм металлокерамический стальной внутренний фильтр;
- электронный хронометр для автоматического отбора пробы;
- система труб и гарнитуры из нержавеющей стали качества хроматографического уровня для соединения. Все подобные материалы, контактирующие с образцом, анализируемым веществом и газом-носителем, должны быть качества хроматографического уровня или аналогичного. Ниже приведены коммерческие производители подобных систем:
Kin-Tek
504 Laurel St.
Lamarque, Texas 77568
(409) 938-3627
(800) 326-3627
Vici Metronics, Inc.
2991 Corvin Drive
Santa Clara, CA 95051
(408) 737-0550
Analytical Instrument Development, Inc.
Rt. 41 and Newark Rd.
Avondale, PA 19311
(215) 268-3181
- нагреватель с терморегулятором для поддержания температуры выше окружающей внутри изолированной оболочки ввода пробы;
- термостат, автоматически регулирует температуру нагревателя;
- вентилятор для охлаждения системы ввода пробы;
- вентиляционный термостат, автоматически регулирует работу вентилятора;
- максимум-минимум термометр, записывает наибольшую и наименьшую температуру в течение периода пробоотбора;
- отсечной клапан из нержавеющей стали, герметичный, для вакуум/давление-измерителя;
- вспомогательный вакуумный насос, продолжительно продувает воздух через впускной коллектор со скоростью 10 л/мин или больше. Образец извлекают из коллектора при более низкой скорости, избыток воздуха откачивают;
- таймер времени анализа;
- дополнительное неподвижное жерло, капиллярный или регулируемый клапан, который может быть использован вместо электронного датчика потока для разовых проб или короткопродолжительных по времени образцов. Обычно подходит только для ситуаций, когда обзорные образцы используют для оценки последующей активности отбора проб;
- система калибровки и соединений деталей прибора;
- система соединений. Соединительные детали должны быть выполнены из нержавеющей стали, стекла или кварца высокой чистоты (например, внутренний диаметр 1,25 x 66 см) с портами для отбора образца и внутренними перегородками в случае колебаний в потоке для обеспечения необходимого перемешивания. Соединительная система должна нагреваться до ~50 °C;
- увлажнитель. 500-мл колба-импинеджер, наполненная деионизованной водой ВЭЖХ-класса;
- электронный регулятор потока массы. Один элемент от 0 до 5 л/мин и один или более элементов от 0 до 100 мл/мин для воздуха в зависимости от числа цилиндров, используемых в калибровке;
- тефлоновые фильтры. 47-мм

фильтр для сбора твердых частиц.
Примечание - Допускается применение аналогичного вспомогательного оборудования с техническими характеристиками не ниже указанных.
6 Требования безопасности
6.1 Используемые в работе реактивы относятся к веществам 1-го и 2-го классов опасности. При работе с ними необходимо соблюдать требования безопасности, установленные для работ с токсичными, едкими и легковоспламеняющимися веществами по
ГОСТ 12.1.005.
6.2 Эксплуатация хромато-масс-спектрометра и проведение соответствующих измерений требуют соблюдения правил электробезопасности в соответствии с
ГОСТ 12.1.019 и инструкцией по эксплуатации прибора.
7 Требования к квалификации персонала
7.1 К приготовлению градуировочных растворов допускаются лица, имеющие квалификацию химика, инженера- или техника-химика и опыт работы в химической лаборатории.
7.2 К выполнению измерений допускаются лица, имеющие квалификацию не ниже инженера-химика или химика, прошедшие соответствующие курсы обучения и стажировку в лабораториях, аккредитованных на выполнение анализов с применением настоящего стандарта.
7.3 Весь персонал должен пройти проверку знаний по технике безопасности, в том числе при работе в химической лаборатории, включая общие правила работы с едкими и токсичными веществами, правила пожарной безопасности и промышленной санитарии.
8 Условия выполнения измерений
При приготовлении растворов, подготовке проб и выполнении измерений соблюдают следующие условия: температура окружающего воздуха (20 +/- 5) °C; атмосферное давление 84,0 - 106,7 кПа (630 - 800 мм рт. ст.); относительная влажность воздуха при 25 °C ниже 85%; напряжение в сети питания переменного тока (220 +/- 22) В.
Другие условия измерений должны соответствовать инструкции по эксплуатации прибора.
9 Подготовка к выполнению измерений
9.1 Подготовка адсорбирующего контейнера
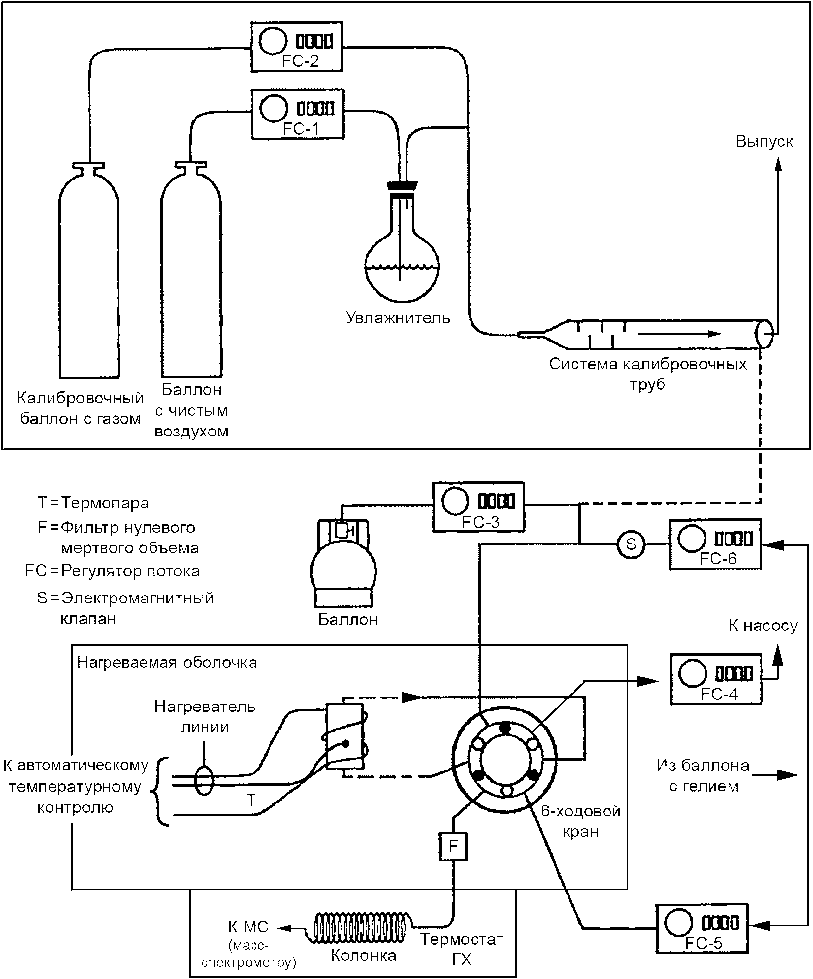
Используемый контейнер должен быть предварительно проверен на чистоту и герметичность. Пример собранной системы очистки представлен на
рисунке 1.

Ловушку с хладагентом используют в соединении с вакуумным насосом, а также с источником влажного чистого воздуха. Затворно-выпускной клапан и клапан контейнера открыты для высвобождения оставшегося в контейнере давления. После запуска вакуумного насоса затворно-выпускной клапан закрывают и вакуумный клапан открывают. Контейнер вакуумируют до давления менее 0,05 мм рт. ст. в течение 1 ч. Далее закрывают клапаны вакуумного и вакуум/давление манометров и открывают выпускной клапан чистого влажного воздуха. Наполняют контейнер воздухом до давления 206 кПа. Затем закрывают выпускной воздушный клапан и открывают выпускной клапан контейнера для вентиляции до атмосферного давления. Процедуру повторяют еще два раза. В конце цикла вакуумирования/наддува давление в контейнере доводят до 206 кПа влажным чистым воздухом. Содержимое контейнера анализируется системой ГХ - МС. В случае если содержание дихлорбензола составляет более 0,2 ppbv по сравнению с прямым анализом увлажненного чистого воздуха, контейнер использовать нельзя. В качестве дополнительного этапа очистки контейнер следует прогреть до 100 °C в течение процесса вакуумирования для удаления более тяжелых веществ. Однако в этом случае контейнер следует выдержать около 12 ч перед тем, как анализировать его содержимое.
Все неметаллические детали промывают дистиллированной водой и высушивают в вакуумной печи (давление менее 0,05 мм рт. ст.) при 50 °C. Стальные детали помещают в сосуд с метанолом в ультразвуковую ванну на 15 мин, операцию повторяют, используя в качестве растворителя гексан.
Все детали ополаскивают дистиллированной водой и высушивают в вакуумной печи при 100 °C.
После проверки адсорбирующих контейнеров на чистоту их снова вакуумируют, и в таком состоянии они находятся до момента использования при отборе пробы.
В системе калибровки дозатор (без пустого газового контейнера) соединен с системой труб, а баллон с чистым воздухом активирован для генерации потока влажного воздуха (2 л/мин) в систему калибровки.
9.2 Приготовление градуировочных растворов дихлорбензола
Баллоны, содержащие приблизительно 10 ppmv дихлорбензола, обычно используют как первичные стандарты.
Необходимо приготовить пять калибровочных растворов в увлаженном чистом воздухе концентрацией, которая позволит накопить дихлорбензол на уровнях 2, 5, 10, 20 и 50 ppbv.
Внутренний стандарт представляет собой смесь бромхлорметана, пердейтерохлорбензола (дейтерохлорбензол-d5) и 1,4-дифторбензола концентрацией 10 ppmv в увлажненном чистом воздухе. 500 мкл данной смеси, введенной в 500 мл образца, позволит достичь концентрации 10 ppbv. Внутренний стандарт вводят в ловушку в течение всего времени калибровки, холостого опыта и анализа образца. Объем вводимой смеси внутреннего стандарта должен быть постоянным.
9.3 Приготовление стандартов методом динамического разбавления
Стандарты могут быть приготовлены динамическим разбавлением калибровочного стандарта из баллона с увлажненным чистым воздухом с помощью регулятора потока массы и калибровочной системы каналов. Рабочий стандарт может быть доставлен по системе каналов в чистый, вакуумированный контейнер с помощью насоса и регулятора потока массы.
В качестве альтернативы аналитическая система может быть откалибрована путем отбора пробы прямо из системы каналов, если скорости потоков оптимизированы для обеспечения отбора желаемого количества калибровочных стандартов. Тем не менее использование контейнера в качестве резервуара до введения в систему концентрирования напоминает процедуру, обычно используемую для отбора образцов, и поэтому она более предпочтительна. Скорости потоков разбавляющего воздуха и первичного стандарта измеряют с помощью пузырькового измерителя или откалиброванного электронного измерителя потока. Концентрацию дихлорбензола в системе каналов рассчитывают, используя соотношение при разбавлении и исходную концентрацию дихлорбензола:

.
Например, при скорости потока 1 мл/мин стандарта концентрацией 10 ppmv, разбавленного потоком влажного воздуха скоростью 1000 мл/мин, конечная концентрация получается равной 10 ppbv:

.
9.4 Подготовка прибора к выполнению измерений
Включают и настраивают хроматограф в соответствии с инструкцией по эксплуатации и описанием, прилагаемыми к прибору. Устанавливают рабочие параметры, необходимые для проведения измерений. Рабочие параметры приборов должны быть постоянными при измерении во всем диапазоне концентраций.
Криогенная ловушка:
- задаваемая температура: минус 150 °C;
- объем образца: до 100 мл;
- продувочный поток газа-носителя: отсутствует.
Адсорбирующая ловушка:
- задаваемая температура: 27 °C;
- объем образца: до 1000 мл;
- продувочный поток газа носителя: на выбор.
Условия десорбции:
Криогенная ловушка:
- температура десорбции: 120 °C;
- скорость потока десорбции: ~3 мл/мин Не;
- время десорбции: менее 60 с.
Адсорбирующая ловушка:
- температура десорбции: переменная;
- скорость потока десорбции: ~3 мл/мин Не;
- время десорбции: менее 60 с.
Выбор условий для адсорбирующей ловушки зависит от особенностей выбранных твердых адсорбентов, указанных в спецификации от производителя.
Условия восстановления ловушки:
Криогенная ловушка:
- начальный прогрев;
- переменный (24 ч): 120 °C (24 ч);
- после каждого запуска: 120 °C (5 мин).
Адсорбирующая ловушка:
- начальный прогрев;
- после каждого запуска: переменная (5 мин).
Система ГХ - МС
Разделение пиков бензола и тетрахлорида углерода до базовой линии на 100%-ной метилполисилоксановой колонке свидетельствует о приемлемых хроматографических характеристиках прибора.
Данные условия рекомендуются для силоксановой капиллярной колонки, толщина неподвижной фазы которой - 1 мкм, длина - 50 м, внутренний диаметр - 0,3 мм.
Газ-носитель: гелий.
Скорость потока: 1 - 3 мл/мин согласно рекомендациям производителя.
Программа температуры:
- начальная температура: минус 50 °C;
- начальная задержка: 2 мин;
- скорость нагрева: 8 °C/мин;
- конечная температура: 200 °C;
- конечная задержка: до полного элюирования определяемых компонентов;
- энергия электронов: 70 эВ;
- диапазон сканируемых масс: 35 - 300 Да;
- время сканирования: на каждый пик должно приходиться по крайней мере 10 сканирований, не превышая предел 1 с на сканирование.
Градуировку прибора осуществляют непосредственно перед измерениями концентрации в пробах в начале каждого рабочего дня.
Производят анализ пяти градуировочных растворов в случайном порядке или в порядке возрастания концентрации, определяют площади пиков на хроматограммах (ACi: AC1 - AC5) и времена удерживания дихлорбензола tRi.
Для каждого измерения рассчитывают фактор отклика RFi по формуле
RFi = SM·Cis/Sis·CM, (1)
где Sм - площадь пика дихлорбензола, построенного по иону с m/z 146 усл. ед.;
Cis - концентрация внутреннего стандарта;
Sis - площадь пика внутреннего стандарта;
Cм - концентрация дихлорбензола.
В дальнейших расчетах используют среднеарифметическое значение RFср, относящееся к полному диапазону измеряемых концентраций,

(2)
Также рассчитывают среднеарифметическое значение времени удерживания.
Затем рассчитывают среднеквадратическое (стандартное) отклонение (СКО) и соответствующее относительное СКО фактора отклика

(3)
Относительное

.
Значения относительного СКО не должны превышать 15%.
Периодически (через каждые 10 анализов) необходимо проверять точность начальной калибровки во избежание ошибок.
Для этого производят анализ третьего из пяти калибровочных растворов. Вычисляют для него значение фактора отклика
RFV аналогично
9.4.
Если разность D по формуле

, (4)
не превышает 15%, анализ образцов может быть продолжен, в противном случае требуется заново провести калибровку метода.
При подготовке для пробоотбора контейнер предварительно вакуумируют до 0,05 мм рт. ст. При открытии контейнера в атмосфере, содержащей дихлорбензол, разность давлений приводит к наполнению контейнера образцом воздуха. Эта методика подходит для отбора разовых проб (продолжительность от 10 до 30 с) или образцов со средневзвешенной по времени (продолжительность 1 - 24 ч) при использовании потокоограничивающего клапана (например, регулятор потока массы, критическое отверстие).
В случае использования критического отверстия с потокоограничивающим клапаном будет наблюдаться падение скорости потока по мере приближения к атмосферному давлению. Однако при использовании регулятора потока массы система пробоотбора при низком давлении может поддерживать постоянную скорость потока от полного вакуума до 7 кПа (1,0 пси) или ниже.
Образец адсорбирующего контейнера должен находиться в равновесии с температурой воздуха в лаборатории. Перед анализом следует проверить и отрегулировать регуляторы потока массы для обеспечения необходимой скорости потока в системе. Необходимо соединить контейнер со входом ГХ - МС системы, как показано на
рисунке 2.
Желаемый поток образца устанавливают через шестиходовый хроматографический кран и предварительный концентратор. Абсолютный объем пробы, пропускаемый через ловушку, должен быть постоянным от анализа к анализу.
Нагреть/охладить ГХ-систему и криогенную ловушку до установленных температур. Как только ловушка достигает своей нижней границы температуры, шестиходовый хроматографический кран вращается в положение ловушки для начала накопления образца. Время накопления образца оптимизируется лаборантом.
Вводят внутренний стандарт (например, с помощью газонепроницаемого шприца или другого альтернативного метода) в течение периода накопления образца. Добавляют достаточный эквивалент внутреннего стандарта до концентрации 10 ppbv в образце. Например, 0,5 мл объема смеси внутренних стандартов, каждый концентрацией 10 ppmv, добавленной к образцу объемом 500 мл, приведет к конечной концентрации 10 ppbv каждого компонента смеси стандартов.
После предварительного концентрирования образца и стандартов в ловушке кран переключают в положение ввода, и ловушка нагревается и продувается гелием. Пойманное определяемое вещество десорбируется на фокусирующую ловушку и далее направляется в капиллярную колонку, где в дальнейшем происходят хроматографирование и дальнейшая идентификация в масс-спектрометре. Клапан адсорбирующего контейнера закрывают, контейнер отсоединяют и закрывают.
Вычисляют содержание Cs, ppbv, дихлорбензола в анализируемой пробе воздуха

, (5)
где As - площадь пика дихлорбензола, построенного по иону с m/z 146 усл. ед.;
D - фактор разбавления;
Cis - концентрация внутреннего стандарта, ppbv;
RFср - среднее значение фактора отклика;
Ais - площадь пика внутреннего стандарта.
В случае если концентрация дихлорбензола превышает изначальный калибровочный интервал концентраций, аликвоту образца следует разбавить и проанализировать вновь.
Указания по разбавлению:
- используют исходный анализ для определения приблизительного фактора разбавления, необходимого для получения наибольшего пика в пределах диапазона калибровочных концентраций;
- выбранный фактор разбавления должен сохранять отклик наибольшего пика дихлорбензола в верхней половине начального диапазона калибровки прибора.
12 Оформление результатов измерений
Результат измерения содержания дихлорбензола представляют в следующем виде:
(Cs +/- 0,15·Cs)ppdv. (6)
13.1 Проверка чувствительности системы ГХ - МС
При подозрительных результатах измерений или резком уменьшении регистрируемых сигналов проверяют чувствительность прибора по градуировочному раствору с наименьшей массовой концентрацией в условиях измерений, указанных в
9.4. Отношение сигнал/шум для определяемого соединения должно быть не менее 10:1. Чувствительность прибора восстанавливают в соответствии с рекомендациями, изложенными в руководстве по его эксплуатации.
13.2 Подтверждение калибровки
Пробоотборник соединен с системой каналов, а баллон с сухим воздухом активирован для генерации потока влажного газа (2 л/мин) в систему калибровочных каналов. Поток сухого воздуха проходит через систему калибровочных каналов, через систему пробоотбора в систему управления/предварительного концентрирования дихлорбензола аналитической системы. После того как объем образца (например, 500 мл) предварительно сконцентрирован в ловушке, ловушку нагревают и дихлорбензол термически десорбируют в холодную ловушку. Эту ловушку нагревают и дихлорбензол термически десорбируют на головку капиллярной колонки. Далее повышают температуру колонки и осуществляют разделение и детектирование дихлорбензола методом ГХ - МС. В результате анализа концентрация дихлорбензола не должна превышать 0,2 ppbv. В случае удачного тестирования на чистоту образец тестируют со стандартами влажного газа, содержащего дихлорбензол в концентрациях, ожидаемых в образце (например, от 0,5 до 2 ppbv), как указано ниже.
Для генерации увлажненных калибровочных стандартов калибровочный газовый баллон, содержащий номинальную концентрацию дихлорбензола 10 ppmv в азоте, прикрепляют к калибровочной системе. Газовый баллон открывается и газовая смесь направляется через регулятор потока массы, скорость потока которого от 0 до 10 мл/мин, для создания концентрации калибровочного стандарта на уровне 1 ppb. После установления равновесия систему пробоотбора подключают к системе каналов. Следующий этап - отбор динамической пробы калибровочного газа. Одновременно с проведением отбора пробы проводят мониторинг в режиме реального времени потока калибровочного газа с помощью системы ГХ - МС, чтобы обеспечить исходную концентрацию дихлорбензола. В конце процесса отбора пробы пробу из контейнера анализируют и сравнивают с имеющимися данными, чтобы выявить, снизилась или повысилась концентрация дихлорбензола в процессе пробоотбора. Ожидаемое колебание концентрации составляет от 90% до 110%.
УДК 661.7:006.86:547.626 | |
Ключевые слова: дихлорбензол, воздушная среда, газовая хроматография - масс-спектрометрия |