Главная // Актуальные документы // ГОСТ (Государственный стандарт)СПРАВКА
Источник публикации
М.: Стандартинформ, 2019
Примечание к документу
Документ
введен в действие с 01.11.2015.
Название документа
"ГОСТ ISO 16063-41-2014. Межгосударственный стандарт. Вибрация. Методы калибровки датчиков вибрации и удара. Часть 41. Калибровка лазерных виброметров"
(введен в действие Приказом Росстандарта от 19.01.2015 N 6-ст)
"ГОСТ ISO 16063-41-2014. Межгосударственный стандарт. Вибрация. Методы калибровки датчиков вибрации и удара. Часть 41. Калибровка лазерных виброметров"
(введен в действие Приказом Росстандарта от 19.01.2015 N 6-ст)
агентства по техническому
регулированию и метрологии
от 19 января 2015 г. N 6-ст
МЕЖГОСУДАРСТВЕННЫЙ СТАНДАРТ
ВИБРАЦИЯ
МЕТОДЫ КАЛИБРОВКИ ДАТЧИКОВ ВИБРАЦИИ И УДАРА
ЧАСТЬ 41
КАЛИБРОВКА ЛАЗЕРНЫХ ВИБРОМЕТРОВ
Mechanical vibration. Methods for the calibration
of vibration and shock transducers. Part 41.
Calibration of laser vibrometers
(ISO 16063-41:2011, Methods for the calibration
of vibration and shock transducers - Part 41:
Calibration of laser vibrometers, IDT)
ГОСТ ISO 16063-41-2014
Дата введения
1 ноября 2015 года
Цели, основные принципы и общие правила проведения работ по межгосударственной стандартизации установлены
ГОСТ 1.0 "Межгосударственная система стандартизации. Основные положения" и
ГОСТ 1.2 "Межгосударственная система стандартизации. Стандарты межгосударственные, правила и рекомендации по межгосударственной стандартизации. Порядок разработки, принятия, обновления и отмены"
1 ПОДГОТОВЛЕН Федеральным государственным унитарным предприятием "Всероссийский научно-исследовательский институт метрологической службы" (ФГУП "ВНИИМС") и Открытым акционерным обществом "Научно-исследовательский центр контроля и диагностики технических систем" (АО "НИЦ КД") на основе собственного перевода на русский язык англоязычной версии стандарта, указанного в
пункте 5
2 ВНЕСЕН Федеральным агентством по техническому регулированию и метрологии
3 ПРИНЯТ Межгосударственным советом по стандартизации, метрологии и сертификации (протокол от 14 ноября 2014 г. N 72-П)
За принятие проголосовали:
Краткое наименование страны по МК (ИСО 3166) 004-97 | Код страны по МК (ИСО 3166) 004-97 | Сокращенное наименование национального органа по стандартизации |
Азербайджан | AZ | Азстандарт |
Армения | AM | Минэкономики Республики Армения |
Беларусь | BY | Госстандарт Республики Беларусь |
Казахстан | KZ | Госстандарт Республики Казахстан |
Киргизия | KG | Кыргызстандарт |
Молдова | MD | Молдова-Стандарт |
Россия | RU | Росстандарт |
Таджикистан | TJ | Таджикстандарт |
Узбекистан | UZ | Узстандарт |
4
Приказом Федерального агентства по техническому регулированию и метрологии от 19 января 2015 г. N 6-ст межгосударственный стандарт ГОСТ ISO 16063-41-2014 введен в действие в качестве национального стандарта Российской Федерации с 1 ноября 2015 г.
5 Настоящий стандарт идентичен международному стандарту ISO 16063-41:2011 "Методы калибровки датчиков вибрации и удара. Часть 41. Калибровка лазерных виброметров" ("Methods for the calibration of vibration and shock transducers - Part 41: Calibration of laser vibrometers", IDT).
Международный стандарт разработан Подкомитетом ISO/TC 108/SC 3 "Применение и калибровка средств измерений вибрации и удара" Технического комитета ISO/TC 108 "Вибрация и удар" Международной организации по стандартизации (ISO).
Наименование настоящего стандарта изменено относительно указанного наименования международного стандарта для приведения в соответствие с ГОСТ 1.5
(подраздел 3.6).
При применении настоящего стандарта рекомендуется использовать вместо ссылочных международных стандартов (документов) соответствующие им межгосударственные стандарты, сведения о которых приведены в дополнительном
приложении ДА
6 ВВЕДЕН ВПЕРВЫЕ
7 ПЕРЕИЗДАНИЕ. Май 2019 г.
Информация о введении в действие (прекращении действия) настоящего стандарта и изменений к нему на территории указанных выше государств публикуется в указателях национальных стандартов, издаваемых в этих государствах, а также в сети Интернет на сайтах соответствующих национальных органов по стандартизации.
В случае пересмотра, изменения или отмены настоящего стандарта соответствующая информация будет опубликована на официальном интернет-сайте Межгосударственного совета по стандартизации, метрологии и сертификации в каталоге "Межгосударственные стандарты"
Настоящий стандарт устанавливает требования к средствам измерений и методам первичной калибровки и калибровки сравнением лазерных виброметров для измерений прямолинейной вибрации в диапазоне частот преимущественно от 0,4 Гц до 50 кГц, включая эталонные лазерные виброметры, предназначенные для калибровки лазерных виброметров или механических преобразователей вибрации. Калибровка сравнением осуществляется с использованием эталонного лазерного виброметра или эталонного преобразователя, калиброванного методом лазерной интерферометрии. Требования к средствам измерений включают в себя требования к эталонным лазерным виброметрам.
Настоящий стандарт распространяется на лазерные виброметры, предназначенные для выполнения функций лазерных оптических преобразователей (с показывающим устройством или без него), осуществляющих линейное преобразование характеристик движения (перемещения или скорости) в параметры электрического сигнала. Обычно выходной сигнал лазерного виброметра является аналоговым, а эталонного лазерного виброметра - цифровым. При калибровке лазерных виброметров определяют амплитудно-частотную характеристику преобразователя, а при необходимости также его фазочастотную характеристику (см.
приложение D) в отношении разных величин, включая ускорение.
Примечание - Существуют лазерные виброметры для измерений вибрации в мегагерцовых и гигагерцовых диапазонах. В настоящее время возбудители вибрации для столь высоких частот отсутствуют. Для таких лазерных виброметров можно ограничиться калибровкой только их электронных подсистем с использованием соответствующих синтезированных доплеровских сигналов при выполнении следующих условий:
- подтверждено, что оптическая подсистема калибруемого лазерного виброметра соответствует требованиям, аналогичным содержащимся в
5.5.3;
- существует возможность синтеза доплеровских сигналов, эквивалентных тем, что поступают с выхода фотодетектора.
Более подробно калибровка лазерных виброметров, работающих в мегагерцовом и более высоком диапазонах частот рассматривается в
[25].
В настоящем стандарте использованы нормативные ссылки на следующие стандарты (документы). Для датированных ссылок применяют только указанное издание стандарта. Для недатированных - последнее издание (включая любые изменения).
ISO 266, Acoustics - Preferred frequencies (Акустика. Предпочтительные частоты)
ISO 5348, Mechanical vibration and shock - Mechanical mounting of accelerometers (Вибрация и удар. Механическое крепление акселерометров)
ISO 16063-1:1998, Methods for the calibration of vibration and shock transducers - Part 1: Basic concepts (Метод калибровки датчиков вибрации и удара. Часть 1. Основные положения)
ISO 16063-11:1999, Methods for the calibration of vibration and shock transducers - Part 11: Primary vibration calibration by laser interferometry (Метод калибровки датчиков вибрации и удара. Часть 11. Первичная вибрационная калибровка методами лазерной интерферометрии)
ISO 16063-21, Methods for the calibration of vibration and shock transducers - Part 21: Vibration calibration by comparison to a reference transducer (Метод калибровки датчиков вибрации и удара. Часть 21. Вибрационная калибровка сравнением с эталонным преобразователем)
ISO/IEC Guide 99, International vocabulary of metrology - Basic and general concepts and associated terms (VIM) (Международный словарь по метрологии. Основные и общие понятия и связанные с ними термины)
3 Классификация лазерных виброметров и методы испытаний
3.1 Классификация лазерных виброметров
3.1.1 Эталонный лазерный виброметр (ЭЛВ) - эталон, содержащий лазерный интерферометр и предназначенный для использования в качестве инструмента сравнения при калибровке лазерных виброметров или преобразователей вибрации.
Примечание - Для первичной калибровки ЭЛВ используют методы 1, 2 или 3 настоящего стандарта.
3.1.2 Лазерный виброметр - измерительный прибор, содержащий лазерный интерферометр и предназначенный для измерений вибрации.
Примечание - Для первичной калибровки лазерных виброметров используют методы 1, 2 или 3 настоящего стандарта, а для калибровки сравнением - метод 4. Эталонный акселерометр, используемый в методе 4, калибруют методами 1, 2 или 3. Дополнительные требования установлены в
5.11.
3.1.3 Лазерный оптический преобразователь - измерительный преобразователь, воспринимающий при помощи лазерного луча изменяющиеся во времени характеристики движения объекта (перемещение или скорость) и преобразующий их в пропорционально зависимый выходной сигнал.
3.2 Методы калибровки
3.2.1 Общие положения
В настоящем стандарте устанавливаются четыре метода калибровки: три по аналогии с ISO 16063-11 (метод лазерной интерферометрии) и один по аналогии с ISO 16063-21 (метод сравнения с эталонным преобразователем). Методы 1, 3 и 4 обеспечивают калибровку для предпочтительных амплитуд перемещения, скорости или ускорения на разных частотах. В методе 2 калибровка осуществляется на фиксированных амплитудах перемещения (при этом амплитуды скорости и ускорения соответствующим образом изменяются с изменением частоты калибровки).
Каждому интерференционному методу, установленному настоящим стандартом, соответствует свой диапазон частот калибровки. Применимость того или иного метода зависит в первую очередь от возможности обеспечить измерение перемещения или скорости с требуемой неопределенностью. Последняя, в свою очередь, зависит не только от применяемого метода, но также от свойств применяемого вибростенда (вибровозбудителя). Если вибростенд обладает возможностью достаточно точного воспроизведения вибрации с требуемыми значениями амплитуд перемещения и скорости, то верхняя граница диапазона частот применимости всех методов настоящего стандарта может составить 100 кГц и выше. Метод 3 (см.
3.2.4) и метод 4 (см.
3.2.5) применимы для калибровки на частотах ниже 0,4 Гц.
3.2.2 Метод счета полос (метод 1)
Метод счета полос предполагает измерение вибрации с использованием гомодинного интерферометра с единственным выходным сигналом (см.
примечание 2) в сочетании с устройством для счета полос интерференционного сигнала. Принимая во внимание, что перемещение, соответствующее расстоянию между двумя полосами (максимумами или минимумами световой интенсивности), соответствует половине длины волны главных линий в спектре излучения неона в гелий-неоновом лазере, амплитуда перемещения может быть определена исходя из количества полос в течение заданного числа периодов (например, 1000) вибрации.
Подробности метода приведены в
разделе 8 (см. также раздел B.1 ISO 16063:1999).
Примечание 1 - Метод 1 используют для первичной калибровки лазерного виброметра (определения модуля комплексной частотной характеристики) в диапазоне частот от 1 до 800 Гц и, в особых случаях, на более низких или более высоких частотах. В
[26] рассмотрены условия применимости метода 1 на частотах до 347 кГц.
Примечание 2 - Допускается в качестве сигнала гомодинного интерферометра использовать один из двух выходных сигналов квадратурного интерферометра.
Примечание 3 - Электронный счет полос может быть заменен методом совпадения (см.
[1],
[23],
[24]), который указывает амплитуду перемещения, равную четверти длины волны,

, лазерного излучения (т.е. 158,2 нм для красного гелий-неонового лазера). В общем случае интерференционный сигнал показывает максимумы и минимумы в моменты времени, когда вибрационное перемещение достигает положительного и отрицательного пиковых значений соответственно. В случае дискретной меры (158,2 нм) по относительным максимумам и минимумам регистрируются одни и те же значения сигнала ("совпадения") при движениях вибрирующей поверхности в положительном и отрицательном направлениях. При наблюдении интерференционного сигнала как функции времени на осциллографе регулировка амплитуды сигнала до появления четкой яркой линии означает, что значение амплитуды равно 158,2 нм. Яркая линия изменяется со временем, поскольку начальная фаза сигнала интерферометра изменяется вследствие низкочастотного движения. В
[26] использование метода совпадения продемонстрировано на частотах до 160 кГц.
3.2.3 Метод точек минимума (метод 2)
Метод точек минимума предполагает измерение вибрации с использованием гомодинного интерферометра с единственным выходным сигналом в сочетании с устройством для обнаружения отсутствия в интерференционном сигнале составляющей на заданной частоте. Наблюдая частотный спектр интенсивности и регулируя амплитуду вибрации до уровня, при котором составляющая спектра на частоте вибрации становится равной нулю, вычисляют амплитуду перемещения по значению аргумента, соответствующего нулевому значению функции Бесселя первого рода первого порядка.
Подробности метода приведены в
разделе 9 (см. также раздел B.2 ISO 16063-11:1999).
Примечание 1 - Метод 2 используют для первичной калибровки лазерного виброметра (определения модуля комплексной частотной характеристики) в диапазоне частот от 800 Гц до 10 кГц в случае применения электродинамического возбудителя вибрации и до 50 кГц и выше в случае применения возбудителя (обычно пьезоэлектрического типа), позволяющего получать колебания большой амплитуды в области высоких частот. В
[27] показана применимость метода 2 на частотах до 50 кГц.
Примечание 2 - Для амплитуд перемещения меньше той, что соответствует точке первого минимума (193 нм для функции Бесселя первого порядка
J1 или 121 нм для функции Бесселя нулевого порядка
J0), может быть использован метод вычисления отношения функций Бесселя (см., например,
[22]), если при этом выполняются требования к неопределенности измерения
раздела 4.
3.2.4 Метод синус-аппроксимации (метод 3)
В методе синус-аппроксимации измерения вибрации осуществляют с использованием гомодинного или гетеродинного интерферометра с двумя выходными сигналами, находящимися в квадратуре друг по отношению к другу (т.е. сдвинутыми по фазе на 90°), совместно с устройствами дискретизации и обработки сигналов. Результатом процедуры синус-аппроксимации, примененной к эквидистантной выборочной последовательности значений перемещения или скорости, являются значения амплитуды и сдвига начальной фазы одной из характеристик вибрации.
Подробности метода приведены в
разделе 10 (см. также раздел B.3 ISO 16063-11:1999).
Примечание - Метод 3 может быть использован для определения амплитудно-частотной и фазочастотной характеристик лазерного виброметра. Метод 3 в версиях гомодинного и гетеродинного интерферометров обеспечивает калибровку в диапазоне частот от 0,4 Гц до 50 кГц и выше. В
[26] показана применимость метода 3 в частотном диапазоне до 347 кГц.
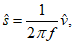
3.2.5 Метод сравнения с эталонным преобразователем (метод 4)
В методе сравнения осуществляют сравнение результата измерений калибруемым лазерным виброметром с результатом измерений эталонным акселерометром, калиброванным соответствующим первичным методом (лазерной интерферометрии) или методом сравнения (с эталонным преобразователем). Амплитуду ускорения

вычисляют по формуле
где Sa,R - коэффициент преобразования по ускорению эталонного акселерометра;

- амплитуда выходного сигнала акселерометра, полученная в процессе калибровки лазерного виброметра.
Подробности метода, включая вычисление амплитуды перемещения и скорости, приведены в
разделе 11.
Примечание 1 - Метод 4 применим для калибровки лазерных виброметров (по амплитуде и фазе) в диапазоне частот от 0,4 Гц до 50 кГц и более. Для измерений на частотах выше 5 кГц следует применять эталонный преобразователь, который должен быть калиброван методом лазерной интерферометрии (см.
5.11). Диапазон частот метода 4 ограничивается диапазоном калибровки эталонного преобразователя.
| | ИС МЕГАНОРМ: примечание. Текст дан в соответствии с официальным текстом документа. | |
Примечание 2 - Метод калибровки сравнением с эталонным преобразователем подробно изложен в ISO ИСО 16063-21. Этот же метод может быть использован для калибровки лазерных виброметров, выполняющих функции лазерных оптических преобразователей (см.
3.1.3).
4 Неопределенность измерения
Пользователям настоящего стандарта следует составлять бюджет неопределенности измерения при калибровке в соответствии с
приложением A и указывать достигнутые значения параметров неопределенности.
Примечание 1 - Численно неопределенность измерения выражают в виде расширенной неопределенности (далее, для краткости, неопределенность) в соответствии с ISO 16063-1.
Поскольку настоящий стандарт распространяется на измерения трех величин (перемещение, скорость и ускорение), характеризующих вибрацию в широких диапазонах амплитуд и частот, с различными требованиями по точности в отношении калибруемого оборудования, неопределенность измерения может варьироваться от относительно малых до относительно больших значений. Расширенная неопределенность может быть вычислена на основе методов, установленных настоящим стандартом, на основе знания всех существенных источников неопределенности, влияющих на результаты калибровки.
В настоящем стандарте рассматриваются два примера, отражающих типичные условия калибровки. Данные примеры могут быть использованы в качестве ориентиров при выборе пользователем испытательного оборудования. Пример 1 характерен для калибровки в лабораторных условиях при хорошо контролируемых факторах окружающей среды, что позволяет обеспечить высокую точность измерений. Пример 2 типичен для калибровок, допускающих меньшую точность измерений или проводимых в условиях, где не удается соблюсти узкие допуски на влияющие величины.
Пример 1 - Эталонный лазерный виброметр калибруют одним из первичных методов (метод 1, 2 или 3 настоящего стандарта) с документированной малой неопределенностью. Температуру и другие влияющие величины поддерживают в узких пределах в течение всей процедуры калибровки. На рисунках 1 - 4 приведены примеры испытательного оборудования, позволяющего удовлетворить высокие требования к точности калибровки согласно примеру 1.
Пример 2 - Лазерный виброметр калибруют с использованием эталонного лазерного виброметра, калиброванного в соответствии с примером 1.
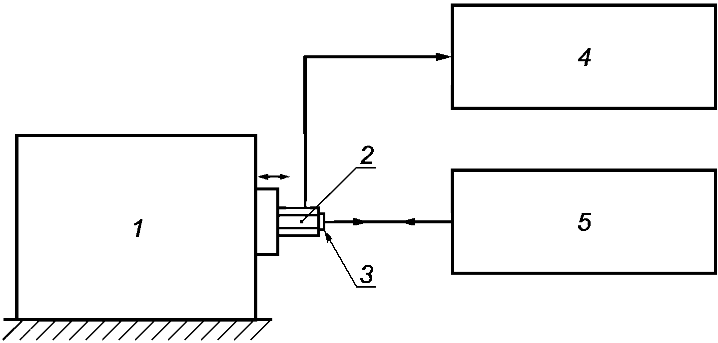
1 - генератор сигналов; 2 - усилитель мощности;
3 - вибростенд; 4 - стол с отражателем; 5 - светоделитель;
6 - ЭЛВ; 7 - оптический преобразователь; 8 - сигнальный
процессор; 9 - регулируемое зеркало; 10 - калибруемый
лазерный виброметр; 11 - оптический преобразователь;
12 - сигнальный процессор; 13 - система управления и сбора
данных; a - шина управления; b - сигнальная шина;
c - цифровой интерфейс
Рисунок 1 - Пример установки для калибровки лазерных
интерферометров с цифровым выходом
1 - генератор сигналов; 2 - усилитель мощности;
3 - вибростенд; 4 - стол вибростенда; 5 - отражатель;
6 - светоделитель; 7 - интерферометр; 8 - опорное зеркало;
9 - фотодетектор; 10 - лазер; 11 - измеритель отношения;
12 - калибруемый лазерный виброметр; 13 - счетчик полос
(или измеритель отношения); 14 - вольтметр;
15 - осциллограф
Рисунок 2 - Пример установки для калибровки методом счета
полос (метод 1)
1 - генератор сигналов; 2 - усилитель мощности;
3 - вибростенд; 4 - стол вибростенда; 5 - отражатель;
6 - светоделитель; 7 - интерферометр; 8 - опорное зеркало;
9 - фотодетектор; 10 - лазер; 11 - калибруемый лазерный
виброметр; 12 - полосовой фильтр, настроенный на частоту
вибрации; 13 - анализатор частоты; 14 - вольтметр;
15 - вольтметр; 16 - осциллограф
Рисунок 3 - Пример установки для калибровки методом
точек минимума (метод 2)
1 - генератор сигналов; 2 - усилитель мощности;
3 - вибростенд; 4 - стол вибростенда; 5 - отражатель;
6 - светоделитель; 7 - интерферометр; 8 - опорное зеркало;
9 - фотодетектор; 10 - лазер; 11 - калибруемый лазерный
виброметр; 12 - цифровое устройство записи сигнала;
13 - вольтметр; 14 - осциллограф
Рисунок 4 - Пример установки для калибровки методом
синус-аппроксимации (метод 3, гомодинная версия)
Для обоих примеров минимальным требованием к эталонному преобразователю является его калибровка при требуемых значениях опорных частот и амплитуд при требуемом значении температуры. Обычно выбирают значения, указанные в
разделе 5.
Для параметров движения, указанных в
таблице 1, обычно достижимы неопределенности, приведенные в
таблице 3.
Таблица 1
Типичные диапазоны перемещения, скорости и ускорения
Характеристика вибрации | Диапазон измерений |
Частота | От 0,4 Гц до 50 кГц |
Перемещение | От 1 нм до 1 м |
Скорость | От 0,1 мм/с до 1 м/с (в зависимости от частоты) |
Ускорение | От 0,1 м/с2 до 20 км/с2 (в зависимости от частоты) |
Примечание - Указанные диапазоны не являются обязательными. Калибровка может быть выполнена в одной точке диапазона или в ограниченных диапазонах частот и/или амплитуд. |
При любой частоте и амплитуде ускорения, скорости или перемещения динамический диапазон измерений ограничивается шумом и уровнем искажений, вызываемых генерирующим вибрацию оборудованием (если не используется соответствующая фильтрация) и энергетическими характеристиками этого оборудования (развиваемой им максимальной мощностью). В случае вибростендов на регулируемых пружинах может быть использован специальный способ компенсации искажений, возникающих при больших перемещениях, путем подачи соответствующего несинусоидального напряжения на вход усилителя мощности.
Типичные диапазоны частот и максимальные амплитуды вибрации для электродинамических и пьезоэлектрических вибростендов приведены в
5.3.
Таблица 2
Особенности методов калибровки, влияющие
на неопределенность измерения
Метод | Краткая характеристика метода |
Метод 1 | Гомодинный интерферометр (единственный выходной сигнал/счет полос) |
Метод 2 | Гомодинный интерферометр (единственный выходной сигнал/спектральный анализ) |
Метод 3 (гомодинный) | Гомодинный интерферометр (два выходных сигнала/синус-аппроксимация) |
Метод 3 (гетеродинный) | Гетеродинный интерферометр (выходной сигнал со сдвигом частоты/синус-аппроксимация) |
Метод 4 | Сравнение с опорным преобразователем, откалиброванным методом 1, 2 или 3 |
Примечание 2 - Калибровка должна обеспечивать прослеживаемость к национальным эталонам единиц ускорения, скорости или перемещения и выполняться компетентными лабораториями, например, подтвердившими свою компетентность в соответствии с
[21].
Типичные неопределенности, достижимые для примеров 1 и 2, указаны в
таблице 3. На практике значения неопределенности могут отличаться в ту или другую сторону в зависимости от характеристик испытательного оборудования и величин, влияющих на результат калибровки. Ответственность за указание достоверных значений неопределенности несет лаборатория, проводившая калибровку, или конечный пользователь. Эти значения могут быть получены в результате расчетов согласно
приложению A, а также приложению A в ISO 16063-1:1998.
Таблица 3
Типичные достижимые неопределенности
Диапазон частот | Пример 1 | Пример 2 |
0,4 Гц до 1 Гц | 0,25% | 1% |
От 1 Гц до 5 кГц | 0,25% | 0,5% |
От 5 кГц до 10 кГц | 0,3% | 1% |
От 10 кГц до 20 кГц | 0,5% | 3% |
От 20 кГц до 50 кГц | 1% | 5% |
Примечание - Приведенные в таблице примерные значения неопределенности (например, 0,5% при 20 кГц) основаны на конкретных бюджетах неопределенности, составленных в соответствии с приложением A. |
5 Требования к испытательному оборудованию и средствам измерений
5.1 Общие положения
В настоящем разделе приведены требования к испытательному и измерительному оборудованию, позволяющему проводить калибровку в соответствии с областью применения настоящего стандарта и обеспечивающему соблюдение требований к неопределенности измерения
раздела 4.
При необходимости может быть использовано испытательное и измерительное оборудование, позволяющее реализовать требования к калибровке лишь в некотором ограниченном диапазоне частот и амплитуд. В этом случае, чтобы охватить диапазоны измерений полностью, используют разные виды испытательного оборудования.
Примечание - В настоящем разделе рассматриваются испытательное оборудование и средства измерений, применяемые для всех четырех методов калибровки настоящего стандарта, с указанием метода, в котором применяют то или иное оборудование.
При соблюдении всех рекомендаций настоящего раздела следует ожидать, что требования к неопределенности, указанные в
разделе 4, будут соблюдены во всем диапазоне частот калибровки. Для удовлетворения требований к неопределенности на частотах ниже 1 Гц и выше 10 кГц может потребоваться применение специального оборудования. Расширенную неопределенность следует рассчитывать и указывать в соответствии с
приложением A.
5.2 Условия окружающей среды
Калибровку выполняют при условиях окружающей среды, указанных в
таблице 4.
Таблица 4
Влияющие величины | Пример 1 | Пример 2 |
Температура воздуха | (23 +/- 3) °C | (23 +/- 5) °C |
Относительная влажность | Не более 75% | Не более 90% |
Необходимо принять меры к тому, чтобы внешняя вибрация и шум не влияли на качество измерений.
5.3 Оборудование для воспроизведения вибрации
5.3.1 Общие положения
Оборудование для воспроизведения вибрации должно удовлетворять требованиям, указанным в
таблице 5.
Таблица 5
Требования к оборудованию для воспроизведения вибрации
Характеристика | Пример 1 | Пример 2 |
Неопределенность частоты, % | <= 0,1 | <= 0,2 |
Нестабильность частоты во время измерений, % | <= 0,1 | <= 0,2 |
Нестабильность амплитуды ускорения во время измерений, % | <= 0,1 | <= 0,3 |
Общие гармонические искажения сигнала ускорения на частотах выше 20 Гц, % | <= 5 | <= 10 |
Общие гармонические искажения в диапазоне частот, % | <= 10 | <= 20 |
Ускорение поперечных, изгибных и угловых колебаний, % | <= 10 при f <= 1 кГц <= 30 при f >= 1 кГц |
Превышение выходного сигнала над уровнем шума и помех (на частотах 10 Гц и выше), дБ | >= 50 | >= 40 |
Превышение выходного сигнала над уровнем шума и помех (на частотах ниже 10 Гц), дБ | >= 20 | >= 10 |
Влияние шума и помех имеет значение, только если они находятся в пределах полосы частот калибровки. Для каждого сочетания частоты и амплитуды характеристики вибрации (ускорения, скорости или перемещения), используемого в процессе калибровки, значения ускорения поперечных, изгибных и угловых колебаний, а также уровень шума и помех должны быть совместимы с требованиями к неопределенности, указанными в
разделе 4.
5.3.2 Электродинамический вибростенд
Типичные максимальные амплитуды для электродинамических возбудителей вибрации, предназначенных для использования в диапазоне частот от 10 Гц до 10 кГц, составляют 5 мм для перемещения, от 0,5 до 1 м/с для скорости и от 200 м/с2 до 1 км/с2 для ускорения. На частоте 1 Гц типичные значения для длинноходовых возбудителей вибрации составляют 80 мм для амплитуды перемещения, 0,5 м/с для амплитуды скорости и 1 м/с2 для амплитуды ускорения. С использованием резонансов подвижной системы электродинамические возбудители вибрации могут обеспечивать достаточно большие амплитуды вибрации в диапазоне от 200 м/с2 до 5 км/с2 на частотах до 50 кГц, но при этом повышается риск повреждения конструкции вибростенда.
5.3.3 Пьезоэлектрический вибростенд
Пьезоэлектрический возбудитель вибрации может воспроизводить вибрацию с большими амплитудами на высоких частотах (от 1 до 50 кГц и выше).
Примечание - Для метода 2 (метод точек минимума с использованием функции Бесселя первого порядка) для достижения первой точки минимума требуется амплитуда перемещения по крайней мере 193,0 нм. На частоте 50 кГц этой амплитуде перемещения соответствует амплитуда ускорения приблизительно 19 км/с2.
5.4 Сейсмический блок (блоки) вибростенда и лазерного интерферометра
Вибростенд и интерферометр устанавливают на общем или отдельных массивных блоках с целью предотвратить их относительное перемещение друг относительно друга из-за колебаний грунта, а также для предотвращения чрезмерного влияния реакции опоры вибростенда на результаты калибровки.
При использовании общего блока его масса должна быть по меньшей мере в 2000 раз больше массы подвижной системы вибростенда. При соблюдении данного условия вибрация интерферометра, обусловленная воспроизводимой вибростендом вибрацией, не будет превышать 0,05% вибрации на столе вибростенда. Если масса сейсмического блока меньше, то колебания блока следует учитывать при расчетах.
Кроме того, в случае использования общего блока для вибростенда и интерферометра рекомендуется устанавливать виброметр (виброметры) на отдельный блок, изолированный от общего сейсмического блока пружинами с демпфированием (см.
рисунок 6).
Для уменьшения искажений вследствие колебаний грунта сейсмический блок (блоки) устанавливают на демпфированных пружинах, чтобы соответствующая составляющая неопределенности измерения не превышала 0,1%.
5.5 Интерферометрическая система
5.5.1 Общие требования для методов 1, 2 и 3
Интерферометрическая система состоит из лазерного оптического преобразователя (интерферометра) и электронной схемы декодирования сигнала.
Интерферометр должен выполнять одно из следующих преобразований:
- входного сигнала перемещения s(
t) в пропорциональный фазовый сдвиг

выходного сигнала интерферометра;
- входного сигнала скорости v(t) в пропорциональный сдвиг частоты fD(t) (доплеровская частота) выходного сигнала интерферометра.
Для этих преобразований могут быть использованы гомодинный или гетеродинный интерферометры (см.
рисунки 2,
3,
4,
5 и
7).
1 - стол вибростенда; 2 - отражатель; 3 - светоделитель;
4 - опорное зеркало; 5 - поляризатор; 6 - четвертьволновая

пластина;
7 - телескоп;
8 - лазер;
9 - призма
Волластона; 10 - фотодетекторы;
u1, u2 - два квадратурных сигнала
Рисунок 5 - Модифицированный интерферометр Майкельсона
с квадратурными выходами
1 - возбудитель высокочастотной вибрации; 2 - отражатель;
3 - оптический преобразователь ЭЛВ; 4 - оптический
преобразователь калибруемого лазерного виброметра
Рисунок 6 - Устройство калибровки с отражателем
и системой виброизоляции
BC - акустооптическая ячейка Брэгга; BS - светоделитель;
D - детектор; He-Ne - лазер; L - линза; M - зеркало;
P - четвертьволновая пластина;
PBS - поляризационный светоделитель
Примечание - Обозначение переменных - согласно
разделу B.1.
Рисунок 7 - Схема модифицированного интерферометра
Маха-Цандера
Для методов 1 и 2 должен быть использован интерферометр с фотодетектором для детектирования модуляции интенсивности света, связанной с производимой вибростендом вибрацией. Диапазон частот фотодетектора должен включать в себя наибольшую ожидаемую доплеровскую частоту. Для этой цели может быть использован простой интерферометр Майкельсона (см.
рисунки 2 и
3).
В методе 3 могут быть использованы гомодинные или гетеродинные интерференционные схемы.
В случае применения гомодинной схемы для измерений прямолинейной вибрации необходимы два оптических выходных квадратурных сигнала и два фотодетектора. Для этой цели может быть использован модифицированный интерферометр Майкельсона, изображенный на
рисунке 5. Четвертьволновая задерживающая пластина преобразовывает падающий линейно-поляризованный свет в два измерительных луча с ортогональной поляризацией и фазовым сдвигом 90°. В результате интерференции с линейно-поляризованным опорным лучом два луча с ортогональной поляризацией должны быть разделены в пространстве при помощи соответствующего оптического элемента (например, призмы Волластона или поляризационного светоделителя) и детектированы двумя фотодиодами.
В гетеродинном интерферометре присутствует оптический элемент, сдвигающий частоту светового излучения проходящего через него луча и этим сдвигом определяющий несущую частоту выходного сигнала. На эту несущую накладывается положительный или отрицательный сдвиг частоты, связанный с эффектом Доплера. В такой схеме необходим только один фотодетектор для получения полной информации о доплеровском сдвиге и его направлении. Для реализации схемы предпочтительно использование модифицированного интерферометра Маха-Цандера, изображенного на
рисунке 7, но допустимы также иные решения, позволяющие генерировать выходной сигнал с несущей частотой в требуемом диапазоне.
Интерферометр Маха-Цандера может быть построен в соответствии с
рисунком 7. Его принцип действия описан в
приложении B.
Интерферометр для метода 3 (гомодинная и гетеродинная версии) может быть реализован в серийно выпускаемом ЭЛВ. Специальные требования к ЭЛВ установлены в
5.7.
5.5.2 Лазер
Используемый лазер должен иметь известную длину волны, сохраняющую стабильное значение в пределах 10-5 в течение 2 лет при температуре (23 +/- 5) °C. Предпочтительно использовать в целях калибровки гелий-неоновый лазер. В лабораторных условиях (при атмосферном давлении 100 кПа, температуре 23 °C и относительной влажности 50%) номинальная длина волны гелий-неонового лазера равна 0,63281 мкм.
Ширина полосы фотодетектора должна быть достаточна для передачи фазо- и частотно-модулированного сигнала от интерферометра с ограниченным искажением. Минимальную ширину полосы для гомодинных интерферометров bf min hom определяют по формуле
а для гетеродинных интерферометров bf min het - по формуле
где

- максимальная амплитуда скорости;

- длина волны лазера;
f - частота воспроизводимой вибростендом вибрации.
Важными требованиями к системе "фотодетектор-усилитель" являются плоская характеристика времени групповой задержки и низкий шумовой пьедестал. Следует убедиться, что указанные факторы не вносят чрезмерного вклада в неопределенность измерения.
5.5.4 Отражатель лазерного луча и система регулировки
Измерительный отражатель с плоской поверхностью (уголковый отражатель не применяют) устанавливают на столе вибростенда так, чтобы его ось совпадала с осью стола (направлением вибрации). Отражательная способность светоотражателя должна быть не менее 5%, что достигается при шероховатости его поверхности Rv <= 0,2 мм, где Rv - максимальная глубина впадины профиля поверхности.
Регулировка положения оптических элементов калибруемого лазерного виброметра должна выполняться по следующим пяти степеням свободы (трехточечная опора):
- перемещения в направлениях x, y и z (ось z совпадает с направлением вибрации, т.е. с направлением измерительного лазерного луча);
- наклоны вокруг осей x и y.
Рекомендуется, чтобы система регулировки допускала совместное изменение положения светоделителя и регулируемого зеркала (см.
рисунки 1 и
6) и перемещение опоры калибруемого виброметра в направлениях
x,
y и
z. Регулировка должна быть выполнена таким образом, чтобы оба лазерных луча падали в одну точку отражателя перпендикулярно его поверхности. Рекомендуется перемещение опор в направлениях
x и
y осуществлять с разрешением 0,1 мм, в то время как для направления
z применима более грубая регулировка в миллиметровом диапазоне.
Должна быть определена точка измерения вибрации на столе вибростенда (обычно это точка, расположенная в центре или близко к центру измерительного отражателя). Распределение интенсивности пятна лазерного луча на отражателе должно быть приблизительно гауссовским с эффективным диаметром пятна приблизительно от 0,1 до 0,5 мм. Оптические элементы ЭЛВ должны обеспечивать проведение измерений на расстояниях как минимум от 0,2 мм до 1 м.
На
рисунке 6 приведен пример системы калибровки лазерного виброметра с изображением измерительного отражателя и средств виброизоляции.
5.6 Средства обработки сигнала интерферометра
5.6.1 Общие положения
Выходной сигнал (сигналы) фотодетектора (фотодетекторов) в форме тока или напряжения с фазовой или частотной модуляцией подвергают демодуляции для выделения интересующих параметров вибрации (например, амплитуды перемещения или амплитуды скорости). Для методов 1, 2 и 3 (гомодинная и гетеродинная версии) используются разные средства обработки.
5.6.2 Аппаратура для счета интерференционных полос (метод 1)
Для счета интерференционных полос должна быть использована аппаратура, имеющая следующие характеристики:
a) диапазон частот от 1 Гц до требуемой максимальной частоты (обычно 20 МГц);
b) максимальная неопределенность измерения 0,01% показываемого значения.
Счетчик импульсов может быть заменен измерителем отношения частот при условии соблюдения указанного требования к неопределенности измерения.
5.6.3 Средства детектирования нуля (метод 2)
Применяют настраиваемый полосовой фильтр или анализатор спектра со следующими характеристиками:
a) диапазоном частот с нижней границей не выше 800 Гц и верхней границей не ниже 50 кГц;
b) шириной полосы анализа менее 12% среднегеометрической частоты;
c) крутизной спада частотной характеристики фильтра не менее 24 дБ на октаву;
d) отношением "сигнал/шум" более 70 дБ (при максимальном уровне сигнала);
e) динамическим диапазоном более 60 дБ.
Примечание - Если калибровки ограничены максимальной частотой, которая меньше 50 кГц, используемая максимальная частота калибровки является достаточной.
Устройство детектирования нуля (не является необходимым при использовании анализатора спектра) должно иметь диапазон частот от 800 Гц до 10 кГц. Динамический диапазон устройства должен быть достаточным для детектирования выходного шума полосового фильтра.
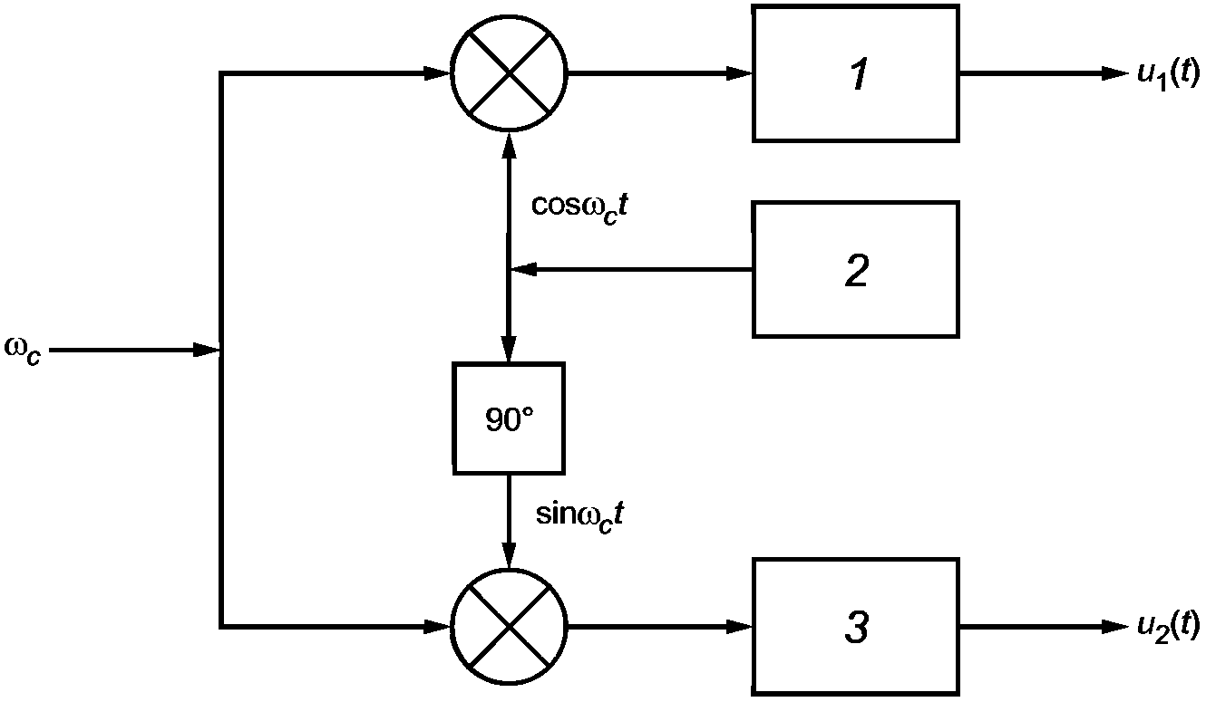
5.6.4 Аппаратура для синус-аппроксимации (метод 3)
Декодирование доплеровского сигнала в соответствии с методом 3 осуществляют путем вычисления интерференционного фазового угла через функцию арктангенса. Для этого необходимы два квадратурных сигнала вида

и

. Синхронизированная выборка
u1(
t) и
u2(
t) позволяет получить последовательность данных для цифрового декодирования и выделения параметров движения
s(
t),
v(
t) и
a(
t). Пример схемы обработки входных аналоговых квадратурных сигналов приведен на
рисунке 8.
am(t) - измеряемое ускорение; aref(t) - опорное ускорение;
sm(t) - измеряемое перемещение; sref(t) - опорное
перемещение; t - время; u1, u2 - два квадратурных сигнала;
uref(t) - сигнал опорного напряжения; vm(t) - измеряемая
скорость; vref(t) - опорная скорость
Рисунок 8 - Пример цепи цифровой обработки сигнала ЭЛВ
В случае гомодинного интерферометра квадратурные сигналы теоретически могут подаваться непосредственно на синхронизированные аналогово-цифровые преобразователи. На практике необходимо использовать дополнительные средства для стабилизации амплитуды и ограничения ширины полосы, так как искажения формы волны квадратурных сигналов непосредственно влияют на неопределенность измерения, особенно при амплитудах вибрации в нанометровом диапазоне. По этим соображениям часто предпочтительнее использовать гетеродинные интерферометры, поскольку информация, закодированная в сигнале с высокочастотной несущей, менее чувствительна к искажениям.
Если используется гетеродинный интерферометр, то с него снимают один выходной сигнал с высокочастотным заполнением, который преобразуют в два квадратурных сигнала посредством аналоговой цепи, изображенной на
рисунке 9, с последующей обработкой квадратурных сигналов, как показано на
рисунке 8. Процесс преобразования входного сигнала может быть выполнен также в цифровом виде. Данная технология является наилучшей для получения двух неискаженных квадратурных сигналов для числового декодирования исходного доплеровского сигнала.
1 - фильтр нижних частот; 2 - осциллограф; 3 - фильтр нижних
частот; t - время; u1, u2 - два квадратурных сигнала;

- угловая несущая частота
Рисунок 9 - Преобразование сигнала с высокочастотной несущей
в два квадратурных сигнала
Схема, в которой сочетаются аналоговое преобразование частоты с цифровым синтезом квадратурного сигнала для получения сигнала гетеродинного интерферометра, показана на
рисунке 10. Выходной сигнал фотодетектора и управляющий сигнал кварцевого генератора, используемый для изменения частоты излучения с помощью ячейки Брэгга и формирования несущей сигнала с фотодетектора, умножаются каждый на сигнал синтезирующего генератора для понижения частоты несущей так, чтобы она соответствовала ширине полосы пропускания устройства регистрации, используемого для аналого-цифрового преобразования. Указанная процедура не вносит дополнительной неопределенности измерения в отношении доплеровского сигнала. Далее в цифровом виде по двум каналам преобразования осуществляется умножение выходного сигнала устройства регистрации соответственно на синусную и косинусную составляющие опорного сигнала, что после низкочастотной фильтрации позволяет получить цифровые последовательности для двух квадратурных сигналов
u1(
ti) и
u2(
ti).

1 - вибростенд; 2 - отражатель; 3 - интерферометр;
4 - лазер; 5 - оптоакустическая ячейка Брэгга; 6 - кварцевый
генератор; 7 - фотодетектор; 8 - синтезирующий генератор;
9 - фильтр нижних частот; 10 - фильтр нижних частот;
11 - измерительный сигнал; 12 - опорный сигнал;
13 - устройство регистрации; 14 - синтез квадратурных
сигналов; 15 - фильтр нижних частот; 16 - фильтр нижних
частот; 17 - устройство обработки (преобразования);
a - результат измерения (параметр вибрации или удара)
Рисунок 10 - Пример калибровочной системы с гетеродинным
интерферометром (метод 3), генерирующей цифровые
квадратурные сигналы
Разрешающая способность по амплитуде, частота выборки и линейность аналогово-цифрового преобразования должны быть достаточными для проведения калибровки с заданной неопределенностью измерения в требуемых диапазонах амплитуды и частоты. Для квадратурных сигналов 8-битной записи достаточно для достижения разрешающей способности по перемещению в субнанометровом диапазоне. Необходимо, чтобы частота выборки была по крайней мере в два раза выше мгновенной частоты сигнала в точке, соответствующей максимальной скорости вибрации. Объем памяти должен быть достаточным для хранения по крайней мере одного периода сигнала вибрации при самой низкой частоте калибровки.
При фиксированной амплитуде ускорения с уменьшением частоты вибрации увеличивается амплитуда перемещения, что требует увеличения частоты выборки и большего объема памяти. Для калибровки лазерного виброметра на частоте вибрации 1 Гц при амплитуде ускорения 0,1 м/с2 требуется более 4 Мбайт памяти, а частота выборки должна превышать 512 кГц.
Для аналогового выходного сигнала калибруемого объекта может быть использован отдельный канал приема. В любом случае запись сигналов должна начинаться и заканчиваться в одно и то же время и обеспечивать точность, которая удовлетворяла бы требованиям по неопределенности
раздела 4. Если должна быть выполнена калибровка по фазе, то необходимы дополнительные технические средства для синхронизации выборок для ЭЛВ и калибруемого виброметра.
5.7 Требования к эталонному лазерному виброметру
5.7.1 Общие требования
Серийно выпускаемые ЭЛВ полностью или частично выполняют процесс преобразования данных, используемый в методе 3. Например, выходными сигналами ЭЛВ может быть пара аналоговых или цифровых квадратурных сигналов, пригодных для дальнейшего преобразования в системе обработки данных. В другом ЭЛВ выходными сигналами могут быть временные реализации параметров вибрации
s(
t),
v(
t),
a(
t) или их усредненные характеристики, передаваемые по стандартному последовательному интерфейсу. В любом случае программное обеспечение ЭЛВ должно обеспечивать выполнение процедур обработки данных, установленных в
разделе 10.
ЭЛВ должен позволять использовать его в качестве эталона для калибровки виброметров, измеряющих прямолинейную вибрацию (включая лазерные виброметры), и преобразователей прямолинейной вибрации в лабораторных условиях. Пример калибровочной установки с использованием ЭЛВ в качестве эталона приведен на
рисунке 1.
5.7.2 Лазерный оптический преобразователь
Выходной сигнал оптического приемника может быть оцифрован либо внутри ЭЛВ, либо с помощью внешнего аналого-цифрового преобразователя, на который с выхода ЭЛВ поступает аналоговый доплеровский сигнал (после его предварительного формирования, если оно необходимо), после чего оцифрованный сигнал обрабатывается в соответствии с процедурами, установленными в
разделе 10. Таким образом, лазерный оптический преобразователь выполняет цифровое преобразование перемещения
s(
t) или скорости
v(
t) гармонической вибрации в выборочные последовательности сигналов перемещения {
s(
ti)}, скорости {
v(
ti)} или, при необходимости, ускорения {
a(
ti)}.
5.7.3 Способ действия
Способ действия должен позволять реализовывать гомодинную или гетеродинную интерференционную схему.
5.7.4 Точка измерений
Параметры движения стола вибростенда измеряют в заданной точке, обычно в центре отражающей поверхности закрепленного на столе адаптера.
5.7.5 Лазер
Лазер ЭЛВ должен иметь известную длину волны, сохраняющую стабильное значение в пределах 10-5 в течение 2 лет при температуре (23 +/- 5) °C. Предпочтительно использовать гелий-неоновый лазер. В лабораторных условиях (при атмосферном давлении 100 кПа, температуре 23 °C и относительной влажности 50%) номинальная длина волны гелий-неонового лазера равна 0,63281 мкм.
Ширина полосы фотодетектора должна быть достаточна для передачи фазо- и частотно-модулированного сигнала от интерферометра с ограниченным искажением. Минимальную ширину полосы для гомодинных интерферометров bf min hom определяют по формуле
а для гетеродинных интерферометров bf min het - по формуле
где

- максимальная амплитуда скорости;

- длина волны лазера;
f - частота воспроизводимой вибростендом вибрации.
Важными требованиями к системе "фотодетектор-усилитель" являются плоская характеристика времени групповой задержки и низкий шумовой пьедестал. Следует убедиться, что указанные факторы не вносят чрезмерного вклада в неопределенность измерения.
5.7.7 Оптические элементы
Оптические элементы ЭЛВ должны обеспечивать проведение измерений на расстояниях как минимум от 0,2 мм до 1 м.
5.7.8 Пятно лазерного излучения
Распределение интенсивности пятна лазерного луча на отражающей поверхности адаптера на столе вибростенда должно быть приблизительно гауссовским с эффективным диаметром пятна приблизительно от 0,1 до 0,5 мм.
5.7.9 Формирование доплеровского сигнала
Амплитуда и ширина полосы сигнала на выходе фотодетектора должны находиться в пределах рабочих диапазонов аналого-цифрового преобразователя.
Примечание - Флуктуации амплитуды доплеровского сигнала могут привести к ошибкам при декодировании. Требования к полосе сигнала - в соответствии с
5.7.6.
5.7.10 Цифровая обработка сигнала
Декодирование доплеровского сигнала должно быть основано на методе 3 (метод синус-аппроксимации в гомодинной или гетеродинной версии). Разрешающая способность аналого-цифрового преобразования, линейность и другие характеристики должны соответствовать требуемой точности измерений. Числовые погрешности, связанные с алгоритмами демодуляции и фильтрации, не должны превышать 0,1%.
5.7.11 Цифровой интерфейс
Предпочтительно, чтобы сигнал с ЭЛВ поступал на стандартный цифровой интерфейс, позволяющий осуществлять передачу синхронизованных данных с высокой скоростью. Результаты измерений (обычно это амплитуда перемещения, скорости или ускорения) могут отображаться на показывающем устройстве.
5.7.12 Измерения фазы
В случае если ЭЛВ предназначен для измерений сдвига фазы, следует руководствоваться процедурами и рекомендациями
приложения D.
5.7.13 Прослеживаемость
Должна быть установлена прослеживаемость результатов измерений к единицам СИ посредством калибровки ЭЛВ с использованием соответствующих национальных эталонов.
5.8 Приборы для измерения электрического напряжения
Методы 1 и 2 требуют применения вольтметра для измерений среднеквадратичного значения напряжения.
При использовании метода 3 применяют специальные средства измерения напряжения в соответствии с
5.6.4. Дополнительно может быть использован вольтметр для измерений среднеквадратичного значения напряжения. Амплитуду напряжения получают умножением среднеквадратичного значения на

.
При использовании метода 4 измерения проводят одним из следующих способов.
a) Применяют один вольтметр последовательно для измерений истинного среднеквадратичного значения на выходе сигнала усилителя эталонного преобразователя и калибруемого лазерного виброметра, причем сигнал усилителя эталонного преобразователя измеряют по крайней мере дважды. Вольтметр должен удовлетворять требованиям, указанным в
таблице 6.
Таблица 6
Требования к характеристикам вольтметра
Параметр | Пример 1 | Пример 2 |
Диапазон частот, Гц | От 1 до 50 000 | От 1 до 50 000 |
Максимальное отклонение от линейности, % | 0,1 | 0,3 |
Максимальное отклонение между двумя последовательными измерениями эталонного преобразователя, % | 0,1 | 0,3 |
Примечание 1 - Значения в последней строке характеризуют повторяемость измерений. Они представляют собой общие требования к повторяемости, включая повторяемость показаний вольтметра. Примечание 2 - Верхняя граница диапазона частот может быть понижена в зависимости от требуемой максимальной частоты калибровки. |
b) Используют измеритель отношения напряжений выходных сигналов усилителя эталонного преобразователя и лазерного виброметра. Характеристики измерителя должны удовлетворять требованиям, указанным в
таблице 7.
Таблица 7
Требования к измерителю отношения напряжений
Параметр | Пример 1 | Пример 2 |
Диапазон частот, Гц | От 0,4 до 50 000 | От 0,4 до 50 000 |
Максимальная неопределенность, % | 0,2 | 0,5 |
5.9 Устройство измерения коэффициента гармоник
Устройство для измерения значения коэффициента гармоник в диапазоне от 1% до 10% должно удовлетворять требованиям, установленным в
таблице 8.
Таблица 8
Требования к измерителю коэффициента гармоник
Параметр | Пример 1 | Пример 2 |
Диапазон частот, Гц | От 1 до 50 000 | От 1 до 50 000 |
Максимальная неопределенность, % | 10 | 10 |
Примечание - Измерения коэффициента гармоник не входят в процедуру калибровки. Их выполняют только для проверки качества используемого вибростенда перед проведением калибровки, а затем повторяют через определенные интервалы времени или по мере необходимости, чтобы убедиться, что оборудование продолжает удовлетворять установленным требованиям.
5.10 Осциллограф
Осциллограф или аналогичное устройство может быть использовано для наблюдения формы сигналов интерферометра, а в методе 4 также для контроля формы сигнала эталонного преобразователя в диапазон частот как минимум от 0,4 Гц до 2 МГц. Использование данного устройства рекомендуется, но не является строго обязательным.
5.11 Эталонный преобразователь
Эталонный преобразователь должен быть калиброван первичным методом в диапазоне от 0,4 Гц или ниже до 5 кГц в соответствии с ISO 16063-11 или методом сравнения в соответствии с ISO 16063-21. Допускается применение эталонного преобразователя, калиброванного в соответствии с ISO 16063-11 на более высоких частотах (до 10 кГц), если эта калибровка была выполнена тем же способом, что используется для калибровки методом сравнения лазерного виброметра.
На частотах выше 10 кГц эталонный преобразователь должен калиброваться с применением метода 1, 2 или 3 настоящего стандарта. Калибровка эталонного преобразователя должна быть выполнена тем же способом, что используется для калибровки методом сравнения лазерного виброметра. Эталонный преобразователь измеряет параметр движения в той же точке (обычно в центре отражателя на столе вибростенда), что и калибруемый лазерный виброметр.
В случае первичной калибровки эталонного преобразователя измерение модуля его частотной характеристики на заданной калибровочной частоте при заданной амплитуде ускорения должно быть выполнено с расширенной неопределенностью, не превышающей 0,5% при значении коэффициента охвата, равном двум. При калибровке эталонного преобразователя методом сравнения расширенная неопределенность не должна превышать 1% при том же значении коэффициента охвата. На высоких и низких частотах допустимы

значения неопределенности (см. ISO 16063-11 и ISO 16063-21).
Допускается использовать установку эталонного преобразователя обычными средствами крепления под адаптером отражателя соосно с ним. Преобразователь не может быть удален или повторно закреплен на столе вибростенда в промежутке времени между его калибровкой и применением для калибровки лазерного виброметра. Эталонный преобразователь может конструктивно составлять единое целое с подвижной частью вибростенда. В этом случае ось эталонного преобразователя также должна совпадать с осью адаптера отражателя.
5.12 Другие требования
Все факторы, связанные со средствами измерений и испытательным оборудованием и влияющие на результат калибровки, должны быть учтены при расчете неопределенности (см.
приложение A).
6 Предпочтительные значения амплитуд и частот калибровки
Предпочтительные значения амплитуды или среднеквадратичного значения перемещения, скорости или ускорения, а также частоты, используемые при калибровке и соответствующие диапазону калибровки лазерного виброметра, выбирают из следующих рядов:
a) ускорение, скорость или перемещение (методы 1, 3 и 4): 0,1; 0,2; 0,5; 1; 2; 5; 10 и т.д.
Примечание 1 - В методе 2 калибровку проводят при фиксированном значении амплитуды перемещения (при этом амплитуды скорости и ускорения изменяются соответствующим образом с изменением частоты);
b) частоты выбирают из стандартизованного ряда частот для третьоктавных полос (см. ISO 266) или ряда угловых частот (в радианах), развернутого относительно 1000 рад/с.
Примечание 2 - Допустимы отклонения от указанных стандартных частот, особенно если для получения больших амплитуд вибрации используются резонансные эффекты на высоких частотах вплоть до 50 кГц (как правило, с пьезоэлектрическим возбудителем вибрации).
Для метода 4 предпочтительно выбирать те же значения амплитуд и частот, что использовались при калибровке эталонного преобразователя. Если преобразователь необходимо калибровать при частотах и ускорениях других, чем использовались при калибровке эталонного преобразователя, то характеристики эталонного преобразователя следует оценить для частот и ускорений калибровки калибруемого преобразователя. При этом неопределенность данной оценки должна быть учтена в общем бюджете неопределенности (см.
приложение A).
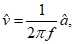
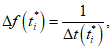
7 Требования, общие для всех первичных методов (методы 1, 2 и 3)
Методы 1, 2 и 3 объединяет использование интерферометра для определения перемещения в точке измерений на столе вибростенда (предпочтительно в центре закрепленного на столе отражателя).
По измеренной с помощью интерферометра амплитуде перемещения

определяют амплитуду скорости

и амплитуду ускорения

по формулам:

(1)

(2)
где f - частота вибрации.
Во всех случаях измерение

основано на сравнении с точно известным значением очень малой длины в субмикрометровом диапазоне. Предпочтительно, чтобы таким известным значением была длина волны

лазера красного гелий-неонового типа; в лабораторных условиях (при атмосферном давлении 100 кПа, температуре 23 °C и относительной влажности 50%)

.
Лазерная интерферометрическая система может работать как оптический преобразователь, обеспечивая на выходе последовательность значений скорости
v(
ti), по которым синус-аппроксимацией вычисляется амплитуда скорости

(см.
раздел 10). В этом случае амплитуды перемещения

и ускорения

получают по формулам:

(3)

(4)
Используя для калибровки средства, указанные в
разделе 5, осуществляют регулировку оптической системы таким образом, чтобы:
- лучи от эталонного и калибруемого лазерных виброметров были сфокусированы в одной точке на отражателе;
- световое пятно было расположено в середине отражателя на расстоянии не более 1 мм от его оси;
- лучи от обоих лазерных оптических преобразователей совпадали или распространялись параллельно друг другу на расстоянии не более 1 мм и падали на отражатель перпендикулярно его поверхности;
- путь лазерного луча был максимально коротким (с учетом длины когерентности лазерного излучения), чтобы не уменьшать отношение "сигнал/шум".
8 Метод счета полос (метод 1)
Метод используют для определения модуля коэффициента преобразования в диапазоне частот обычно от 1 до 800 Гц.
Примечание - Если не принимать специальных мер по устранению погрешности квантования (см.
[1] и
[11]), то метод 1 с соблюдением требований
раздела 4 к неопределенности измерений можно применять в отношении амплитуд перемещения, превышающих 2 мкм. Принятие специальных мер по устранению погрешности квантования позволят проводить измерения для меньших значений амплитуд перемещения. Это означает, что при заданной амплитуде ускорения (например, 100 м/с
2) калибровку можно проводить на более высоких частотах.
Для интерферометров, используемых в методе 1 (см.
рисунок 2), число периодов сигнала (максимумов интенсивности)
N определяется по формуле
откуда следует

(5)
где

- амплитуда перемещения, измеренная с помощью лазерного интерферометра;

- интервал квантования, равный

;
f - частота вибрации, возбуждаемой вибростендом;
ff - частота следования (средняя) интерференционных полос (т.е. число полос, измеренное за достаточно продолжительный период времени, деленное на длительность периода времени).
8.2 Особые условия испытаний по методу 1
После настройки интерферометра (см.
5.5) определяют коэффициент преобразования калибруемого лазерного виброметра при заданных амплитудах величины, характеризующей движение, и частотах вибрации (см.
раздел 6) путем измерения частоты полос при помощи счетчика полос (см.
5.6.2) или измерителя отношения угловой частоты вибрации к частоте полос при помощи измерения отношения частот (см.
5.6.2). Измерительная система для метода 1 показана на
рисунке 1.
8.3 Представление результатов
По
формуле (5) рассчитывают амплитуду перемещения, принимая во внимание, что

(6)
где

- длина волны, равная для лазера гелий-неонового типа в лабораторных условиях 0,63281 мм (см.
8.1).
Вычисляют амплитуду скорости и/или ускорения по
формулам (1) и
(2) соответственно.
9 Метод точек минимума (метод 2)
9.1 Общие положения
Метод используют для определения модуля коэффициента преобразования на частотах 800 Гц и выше.
Примечание - Метод 2 основан на измерении перемещения с использованием значений аргументов функции Бесселя первого рода первого порядка в точках ее пересечения с осью абсцисс. Тот же принцип может быть реализован с использованием функции Бесселя первого рода нулевого порядка, однако в таком случае необходимо обеспечить модуляцию положения опорного зеркала (см.
[2],
[3]).
9.2 Особые условия испытаний по методу 2
Сигнал с фотодетектора пропускают через полосовой фильтр (см.
5.6.3), среднегеометрическая частота которого совпадает с частотой возбуждения вибростенда. Зависимость отфильтрованного сигнала от амплитуды перемещения будет иметь точки минимума, соответствующие амплитудам перемещения, указанным в
таблице 9.
Таблица 9
Амплитуды перемещения для точек минимума

Номер точки минимума | Амплитуда перемещения  , мкм | Номер точки минимума | Амплитуда перемещения  , мкм |
0 | 0 | 16 | 2,570 4 |
1 | 0,193 0 | 17 | 2,728 6 |
2 | 0,353 3 | 18 | 2,886 8 |
3 | 0,512 3 | 19 | 3,045 0 |
4 | 0,670 9 | 20 | 3,203 3 |
5 | 0,829 4 | 21 | 3,361 5 |
6 | 0,987 8 | 22 | 3,519 7 |
7 | 1,146 1 | 23 | 3,677 9 |
8 | 1,304 4 | 24 | 3,836 1 |
9 | 1,462 7 | 25 | 3,994 3 |
10 | 1,621 0 | 26 | 4,152 5 |
11 | 1,779 2 | 27 | 4,310 7 |
12 | 1,937 5 | 28 | 4,468 9 |
| | ИС МЕГАНОРМ: примечание. Значение в четвертой графе дано в соответствии с официальным текстом документа. | |
|
13 | 2,095 7 | 28 | 4,627 1 |
14 | 2,253 9 | 30 | 4,785 3 |
15 | 2,412 2 | | |
Устанавливают частоту калибровки и регулируют амплитуду перемещения стола вибростенда от нуля до значения, при котором сигнал с фотодетектора после достижения максимального значения возвращается к минимальному. В данной точке минимума N 1 амплитуда перемещения равна 0,1930 мкм. Амплитуды перемещений для точек минимума других порядков приведены в
таблице 9. Пример измерительной системы для метода точек минимума показан на
рисунке 3.
Примечание 1 - Коэффициент преобразования акселерометра может быть также определен с использованием функции Бесселя первого рода нулевого порядка посредством модуляции положения опорного зеркала с частотой, которая мала по сравнению с частотой вибрации, и подстройкой среднегеометрической частоты полосового фильтра или частотного анализатора до значения, равного частоте модуляции зеркала (см.
[2],
[3]).
Примечание 2 - Модуляция положения опорного зеркала может быть также применена для улучшения эффективности метода с использованием функции Бесселя первого рода первого порядка (см.
[4]).
В протоколе испытаний должна быть указана неопределенность измерения в соответствии с
приложением A.
9.3 Представление результатов
В случае применения интерферометрической системы с красным гелий-неоновым лазером и интервалом квантования

амплитуду перемещения, применяемую при калибровке, выбирают в соответствии с
таблицей 9. Если калибровку проводят по скорости или ускорению, то соответствующие значения амплитуды скорости или ускорения находят по
формулам (1) или
(2) соответственно.
10 Метод синус-аппроксимации (метод 3, гомодинная и гетеродинная версии)
Метод используют для определения модуля и/или фазового сдвига коэффициента преобразования лазерного виброметра в диапазоне частот от 0,4 Гц до 50 кГц и шире. В настоящем стандарте рассматривается определение модуля коэффициента преобразования в диапазоне от 0,4 Гц до 50 кГц.
10.2 Особые условия испытаний по методу 3
Предусмотренная методом 3 процедура обработки доплеровского сигнала требует формирования двух сигналов
u1(
t) и
u2(
t), находящихся в квадратуре друг по отношению к другу (см.
5.6.4). В случае гомодинной версии метода 3 (см.
рисунок 4) эта пара сигналов генерируется непосредственно интерферометром Майкельсона. Интерферометр должен быть настроен так, чтобы его выходные квадратурные сигналы были в пределах допусков, обеспечивающих соблюдение требований к неопределенности измерения. В гетеродинной версии метода 3 единственный выходной сигнал интерферометра преобразуется в квадратурные составляющие с помощью специальной электронной схемы. При этом отклонения в форме квадратурных составляющих не зависят от регулировки оптических элементов интерферометра, а определяются точностью реализации алгоритма преобразования. Пример установки для калибровки лазерных виброметров в гетеродинной версии метода 3 с цифровым преобразованием сигналов приведен на
рисунке 10.
После настройки оптических систем ЭЛВ и оптического преобразователя калибруемого лазерного интерферометра проводят измерения модуля и фазового сдвига коэффициента преобразования при заданных значениях частоты вибрации и амплитуды величины, характеризующей движение (см.
раздел 6), следующим образом.
Заставляют стол вибростенда совершать гармонические колебания. В гомодинной версии метода амплитуда перемещения должна быть достаточно большой, чтобы обеспечивать по крайней мере образование одной интерференционной полосы. При малых амплитудах для выполнения данного условия в управляющий сигнал вибростенда добавляют низкочастотную составляющую.
Примечание 1 - Если требуется провести калибровку на высоких частотах, где вибростенд может обеспечить только малые амплитуды перемещения, используют гетеродинную версию метода 3.
Примечание 2 - Чтобы уменьшить влияние возмущающих сигналов при реализации алгоритма синус-аппроксимации, используют метод умножения последовательности значений перемещения или сигнала фазовой модуляции на временное окно (см.
[8]) при условии, что данная процедура позволит соблюсти требования к неопределенности измерения
раздела 4.
Частоты среза низкочастотных и, если используются, высокочастотных фильтров должны быть выбраны таким образом, чтобы искажающие влияния от низкочастотной и высокочастотной фильтраций на результаты калибровки находились в пределах допусков (см.
[6]). Частота выборки должна быть не ниже удвоенной максимальной частоты в спектре сигнала в соответствии с теоремой Найквиста-Котельникова.
Аналого-цифровое преобразование выходного напряжения лазерного оптического преобразователя калибруемого виброметра может быть выполнено с частотой выборки, равной или ниже частоты выборки выходных сигналов интерферометра. Начало и конец выборки всех трех сигналов должны быть синхронизированы, а для выходных сигналов интерферометра процессы выборки должны быть точно синхронизированы, для чего используют один и тот же генератор тактовых импульсов.
Выборку квадратурных сигналов интерферометра осуществляют на периоде измерений
Tmeas. Интервал выборки

поддерживают постоянным. В результате процедуры выборки получают последовательности значений квадратурных сигналов интерферометра {
u1(
ti)} и {
u2(
ti)}, а также выходного сигнала калибруемого лазерного виброметра {
u(
ti)}, которые заносят в память компьютера.
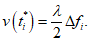
10.3 Обработка данных
10.3.1 Определяют модуль и фазовый сдвиг коэффициента преобразования калибруемого лазерного виброметра, выполняя следующие действия.
10.3.2 По выборочным значениям квадратурных сигналов интерферометра {
u1(
ti)} и {
u2(
ti)} вычисляют последовательность значений сигнала фазовой модуляции

по формуле

(7)
где n = 0, 1, 2, ... .
Целое число
n выбирают таким образом, чтобы избежать разрывов в сигнале фазовой модуляции. Метод определения
n описан в
[9].
Определяют выборочные значения перемещения {s(ti)} по формуле

(8)
10.3.3 Выборочные значения {
s(
ti)} подгонкой параметров
A,
B и
C методом наименьших квадратов аппроксимируют зависимостью (синус-аппроксимация)

(9)
где i = 0, 1, 2, ..., N;

;

;

- угловая частота вибрации,

;

- начальный фазовый угол сигнала перемещения;
N + 1 - число синхронизированных выборочных значений на периоде измерений по
10.2.
Значение параметра C в дальнейших преобразованиях не используют.
10.3.4 По значениям параметров
A и
B, полученных в результате синус-аппроксимации, рассчитывают амплитуду перемещения

по формуле

(10)
10.3.5 Аналогично методом синус-аппроксимации выборочные значения выходного сигнала калибруемого лазерного виброметра {u(ti)} аппроксимируют зависимостью

(11)
где

;

;

- амплитуда выходного сигнала акселерометра;

- начальный фазовый угол выходного сигнала акселерометра.
Рассчитывают амплитуду

выходного сигнала лазерного виброметра по формуле

(12)
Примечание 1 - При необходимости дополнительно определить фазовый сдвиг коэффициента преобразования применяют процедуру, описанную в
приложении D.
Примечание 2 - Другой вариант процедуры синус-аппроксимации основан на измерениях временных интервалов (см.
раздел B.2 и
рисунок B.1).
11 Метод сравнения с эталонным преобразователем (метод 4)
В методе 4 интерферометр используют для определения перемещения в точке измерений на подвижной системе вибростенда (предпочтительно в центре закрепленного на столе отражателя), если эталонный преобразователь является составной частью подвижной системы, либо на верхней поверхности эталонного преобразователя (с установленным на ней для улучшения отражения отражающим адаптером). Использование верхней поверхности эталонного преобразователя для отражения лазерного луча возможно, если для целей калибровки используют эталонный преобразователь, конструкция которого предусматривает возможность соединения с другим преобразователем методом "спина к спине". Пример установки для калибровки методом сравнения с эталонным преобразователем показан на
рисунке 11.
1 - вибростенд; 2 - эталонный преобразователь;
3 - отражающий адаптер; 4 - показывающее устройство;
5 - калибруемый лазерный виброметр
Рисунок 11 - Пример установки для калибровки лазерного
виброметра методом сравнения с эталонным преобразователем
Эталонный преобразователь, не являющийся составной частью вибростенда и применяемый для калибровки лазерных оптических преобразователей, должен быть калиброван первичным методом лазерной интерферометрии. Для повышения воспроизводимости результатов калибровки точка измерений (место лазерного пятна) должна быть точно определена.
Используя для калибровки средства, указанные в
разделе 5, осуществляют регулировку измерительной системы с учетом следующих требований:
- если эталонный преобразователь не является составной частью вибростенда, то устанавливают эталонный преобразователь на стол вибростенда с рекомендуемым моментом затяжки;
- если эталонный преобразователь устанавливают с помощью резьбового соединения (шпильки), то на поверхность стола в месте установки преобразователя наносят тонкую пленку легкого масла, воска или другого смазочного материала (см. ИСО 5348), что особенно важно при калибровке на высоких частотах;
- световое пятно от луча калибруемого лазерного виброметра должно находиться в середине отражателя, на расстоянии не более 1 мм от его оси;
- лазерный луч должен падать на отражатель перпендикулярно к его поверхности;
- путь лазерного луча должен быть максимально коротким (с учетом длины когерентности лазерного излучения), чтобы не уменьшать отношение "сигнал/шум".
11.2 Представление результатов
На основе измеренного эталонным преобразователем амплитуды ускорения

рассчитывают амплитуды скорости

и перемещения

по формулам:

(13)

(14)
где f - частота вибрации.
Определяют показание (выходной сигнал) лазерного виброметра на опорной частоте, предпочтительно на частоте 160 Гц и при опорной амплитуде ускорения, например 100 м/с2 (варианты: 10 м/с2, 20 м/с2 или 50 м/с2), после чего определяют показания (выходные сигналы) на других частотах и при других амплитудах ускорения калибровки. Результаты должны быть представлены в абсолютных значениях и/или как относительные отклонения от модуля коэффициента преобразования в опорной точке.
В протоколе калибровки кроме указания использованного метода калибровки приводят по крайней мере следующую информацию:
a) условия окружающей среды:
- температуру окружающего воздуха,
- относительную влажность воздуха;
b) если применен метод 1, 2 или 3, то условия отражения лазерного луча:
- конструкцию отражателя,
- положение лазерного пятна на отражающей поверхности от каждого лазерного луча,
- расстояние между серединами пятен от двух лазерных лучей (при необходимости),
- отражательную способность поверхности отражателя;
c) если применен метод 4, то:
- способ установки и расположение эталонного преобразователя относительно отражателя (адаптера),
- установку и метод, использованные при калибровке эталонного преобразователя,
- момент затяжки эталонного преобразователя (при установке на шпильку),
- материал смазки (если использовалась), наносимой под монтажную поверхность;
d) выставленные регулировки (изменяемые) калибруемого лазерного виброметра:
- диапазон измерений,
- частоты среза фильтров,
- другие (при необходимости);
e) результаты калибровки:
- амплитуды характеристик вибрации и частоты, на которых проводилась калибровка,
- показываемые значения или выходной сигнал,
- расширенную неопределенность измерения и значение коэффициента охвата k (обычно k = 2).
(обязательное)
СОСТАВЛЯЮЩИЕ НЕОПРЕДЕЛЕННОСТИ ИЗМЕРЕНИЯ ПРИ КАЛИБРОВКЕ
ЛАЗЕРНЫХ ВИБРОМЕТРОВ
A.1 Вычисление Urel(y) для метода 1
Относительную расширенную неопределенность, связанную с показанием y калибруемого лазерного виброметра, Urel(y), для частот, амплитуд и настроек лазерного виброметра, при которых проводилась калибровка, вычисляют в соответствии с ISO 16063-1 по формулам:
Urel(y) = kuc,rel(y),
Таблица A.1
Составляющие неопределенности измерения (метод 1)
i | Составляющая стандартной неопределенности u(xi) | Источник неопределенности | Вклад в неопределенность ui(y) |
1 | | Влияние дискретизации сигнала перемещения на измерения перемещения | u1(y) |
2 | | Влияние гистерезиса триггера на измерение перемещения | u2(y) |
3 | | Влияние фильтрации на измерение перемещения (ограничения полосы частот) | u3(y) |
4 | | Влияние синусоидальных помех в сигнале напряжения на измерение перемещения | u4(y) |
5 | | Влияние помех в сигнале напряжения, вызываемых шумом в фотоэлектрических цепях, на измерение перемещения | u5(y) |
6 | | Влияние гармонических искажений движения стола вибростенда на измерение перемещения (коэффициент гармоник) | u6(y) |
7 | | Влияние искажений сигнала движения паразитными синусоидальными колебаниями на измерение перемещения | u7(y) |
8 | | Влияние сдвига в сигнале движения на измерения перемещения | u8(y) |
9 | | Влияние фазовых искажений на измерение перемещения (например, фазовый шум сигнала интерферометра) | u9(y) |
10 | | Остаточные интерференционные влияния на измерение перемещения (функция интерферометра) | u10(y) |
11 | | Влияние условий окружающей среды (например, температуры) | u11(y) |
12 | u(fFG) | Измерение частоты вибрации (генератор частоты и показывающее устройство) | u12(y) |
13 | u(xPE) | Остаточные влияния на результат калибровки (например, случайные эффекты в повторных измерениях; выборочные стандартные отклонения среднего арифметического) | u13(y) |
Примечание - Источники неопределенности могут определяться и нумероваться иным способом, чем в данной таблице, при условии что каждый фактор, значительно влияющий на результат измерения, учтен должным образом. |
A.2 Вычисление Urel(y) для метода 2
Вычисление выполняют аналогично
п. A.1 с использованием составляющих неопределенности, указанных в
таблице A.2.
Таблица A.2
Составляющие неопределенности измерения (метод 2)
i | Составляющая стандартной неопределенности u(xi) | Источник неопределенности | Вклад в неопределенность ui(y) |
1 | | Влияние разрешающей способности в точке минимума на измерение перемещения | u1(y) |
2 | | Влияние помех в сигнале напряжения на измерение перемещения (например, наводки и собственный электрический шум в цепи) | u2(y) |
3 | | Влияние искажения движения на измерение перемещения (например, общее искажение, относительное движение световых пятен от лазерных лучей на поверхности отражателя) | u3(y) |
4 | | Остаточные интерференционные влияния на измерение перемещения (функция интерферометра) | u4(y) |
5 | | Влияние условий окружающей среды (например, температуры) | u5(y) |
6 | u(fFG) | Измерение частоты вибрации (генератор частоты и показывающее устройство) | u6(y) |
7 | u(xRE) | Остаточные влияния на измерение коэффициента преобразования (например, случайные эффекты в повторных измерениях; выборочные стандартные отклонения среднего арифметического) | u7(y) |
Примечание - Источники неопределенности могут определяться и нумероваться иным способом, чем в данной таблице, при условии что каждый фактор, значительно влияющий на результат измерения, учтен должным образом. |
A.3 Вычисление Urel(y) для метода 3
A.3.1 Вычисление Urel(y) для метода 3 с оценкой источников неопределенности для интерферометра
Вычисление выполняют аналогично
п. A.1 с использованием составляющих неопределенности, указанных в
таблице A.3.
Таблица A.3
Составляющие неопределенности измерения (метод 3 с оценкой
источников неопределенности для интерферометра)
i | Составляющая стандартной неопределенности u(xi) | Источник неопределенности | Вклад в неопределенность ui(y) |
1 | | Влияние искажений выходных квадратурных сигналов интерферометра на измерения амплитуды перемещения (постоянный сдвиг, разница амплитуд квадратурных сигналов, отклонение разности фаз квадратурных сигналов от 90°) | u1(y) |
2 | | Влияние фильтрации сигнала интерферометра на измерение амплитуды перемещения (ограничения полосы частот) | u2(y) |
3 | | Влияние помех в сигнале напряжения (например, случайный шум в фотоэлектрической цепи) | u3(y) |
4 | | Влияние искажения движения на измерение перемещения (например, общее искажение, относительное движение световых пятен от лазерных лучей на поверхности отражателя) | u4(y) |
5 | | Влияние фазовых искажений на измерение амплитуды перемещения (например, фазовый шум сигналов интерферометра) | u5(y) |
6 | | Остаточные интерференционные влияния на измерение перемещения (функция интерферометра) | u6(y) |
7 | | Влияние условий окружающей среды (например, температуры) | u7(y) |
8 | u(fFG) | Измерение частоты вибрации [если характеристика вибрации, измеряемой калибруемым виброметром (например, ускорение), отличается от характеристики, измеряемой с помощью интерферометра (например, перемещение)] | u8(y) |
9 | u(xRE) | Остаточные влияния на измерение коэффициента преобразования (например, случайные эффекты в повторных измерениях; выборочные стандартные отклонения среднего арифметического) | u9(y) |
Примечание - Источники неопределенности могут определяться и нумероваться иным способом, чем в данной таблице, при условии что каждый фактор, значительно влияющий на результат измерения, учтен должным образом. |
A.3.2 Вычисление Urel(y) для метода 3 с известной неопределенностью измерения скорости интерферометром
Вычисление выполняют аналогично
п. A.1 с использованием составляющих неопределенности, указанных в
таблице A.4.
Таблица A.4
Составляющие неопределенности измерения (метод 3 с известной
неопределенностью измерения скорости интерферометром)
i | Составляющая стандартной неопределенности u(xi) | Источник неопределенности | Вклад в неопределенность ui(y) |
1 | u(vS) | Скорость вибрации (с известной неопределенностью измерения) | u1(y) |
2 | u(fV) | Частота сигнала вибрации (скорости) | u2(y) |
3 | u(KD) | Гармонические искажения | u3(y) |
4 | u(KN) | Шум | u4(y) |
5 | u(KMI) | Неравномерность вибрации поверхности, на которой проводят измерения | u5(y) |
6 | u(KIM) | Механическое движение интерферометра | u6(y) |
7 | u(KTK) | Изменение температуры | u7(y) |
8 | u(KL) | Отклонения от линейности | u8(y) |
9 | u(KI) | Нестабильность во времени сигнала вибрации (скорости) | u9(y) |
10 | u(KRE) | Остаточные влияния | u10(y) |
Примечание - Источники неопределенности могут определяться и нумероваться иным способом, чем в данной таблице, при условии что каждый фактор, значительно влияющий на результат измерения, учтен должным образом. |
A.4 Вычисление Urel(y) для метода 4
Вычисление выполняют аналогично
п. A.1 с использованием составляющих неопределенности, указанных в
таблице A.5.
Таблица A.5
Составляющие неопределенности (метод 4)
i | Составляющая стандартной неопределенности u(xi) | Источник неопределенности | Вклад в неопределенность ui(y) |
1 | u(S) | Суммарная стандартная неопределенность модуля коэффициента преобразования эталонного преобразователя | u1(y) |
2 | | Коэффициент усиления формирующего усилителя | u2(y) |
3 | | Измерение напряжения | u3(y) |
4 | | Влияние искажений формы сигнала | u4(y) |
5 | | Влияние помех и шума | u5(y) |
6 | | Влияние поперечной, изгибной и угловой вибрации стола вибростенда | u6(y) |
7 | | Влияние деформации основания эталонного преобразователя | u7(y) |
8 | | Влияние условий установки эталонного преобразователя (момента затяжки, фиксации кабеля и т.п.) | u8(y) |
9 | | Влияние относительного движения точек измерения вибрации эталонным преобразователем и калибруемым лазерным виброметром | u9(y) |
10 | | Нестабильность во времени результатов измерений эталонным преобразователем | u10(y) |
11 | | Влияние температуры | u11(y) |
12 | u(f) | Измерение частоты вибрации | u12(y) |
13 | | Влияние нелинейности преобразователя | u13(y) |
14 | | Влияние нелинейности усилителя | u14(y) |
15 | | Влияние силы тяжести, действующей на преобразователь | u15(y) |
16 | | Влияние магнитного поля вибростенда, действующего на преобразователь | u16(y) |
17 | | Влияние других условий окружающей среды | u17(y) |
18 | u(xRE) | Остаточные влияния на калибровку лазерного интерферометра (например, случайные помехи; выборочные стандартные отклонения среднего арифметического) | u18(y) |
Примечание - Источники неопределенности могут определяться и нумероваться иным способом, чем в данной таблице, при условии что каждый фактор, значительно влияющий на результат измерения, учтен должным образом. |
(справочное)
ТРИ ВАРИАНТА РЕАЛИЗАЦИИ МЕТОДА 3 С ИСПОЛЬЗОВАНИЕМ ЛАЗЕРНОГО
ДОПЛЕРОВСКОГО ИЗМЕРИТЕЛЯ СКОРОСТИ
B.1 Метод синус-аппроксимации с использованием квадратурных сигналов
Лазерная доплеровская виброметрия (подробно описанная в
[13]) основана на том, что отраженный от движущейся поверхности объекта свет содержит информацию о скорости и перемещении объекта. Перемещение поверхности модулирует фазу длины волны света, в то время как скорость сдвигает его оптическую частоту. Поскольку частота лазерного излучения (приблизительно 5·10
14 Гц) слишком высока для непосредственной демодуляции, в целях выделения измеряемых параметров движения применяют интерферометрические устройства. В интерферометре происходит смешение измерительной световой волны и опорного луча, поступающих в фотодетектор.
На
рисунке 7 показана базовая схема модифицированного интерферометра Маха-Цандера, которая используется в качестве оптического датчика в большинстве лазерных доплеровских виброметров. Разделение когерентного света, излучаемого гелий-неоновым лазером, на измерительный и опорный лучи осуществляется поляризационным светоделителем PBS1. Опорный луч направляется посредством зеркала M1 в ячейку Брэгга BC и на светоделитель BS2, после чего попадает непосредственно на фотодетектор D, а измерительный луч направляется на вибрирующую поверхность через светоделитель PBS3, фокусирующую линзу L и четвертьволновую пластину P. Поляризованная рассеянная часть света, собираемая линзой L, направляется на детектор через PBS3 и BS2. Ячейка Брэгга BC представляет собой акустооптический элемент, осуществляющий предварительный сдвиг оптической частоты опорного луча на частоту управляющего кварцевого генератора
f0.
Результирующая интенсивность света на поверхности фотодетектора определяется относительной фазой и частотой смешивающихся световых волн (см.
[14]). Разность фаз опорного и измерительного лучей зависит от разности пройденных ими путей, которая изменяется при перемещении
s(
t) вибрирующей поверхности. В случае неподвижной поверхности выходной ток детектора
Idet(
t) описывается формулой

(B.1)
где IDC - постоянная составляющая;

- амплитуда переменного тока;
f0 - частота сигнала управления кварцевого генератора;

- начальный сдвиг фаз, зависящий от положения поверхности.
Второй член в правой части
равенства (B.1) представляет собой высокочастотный сигнал с частотой
f0, который является характеристикой так называемого гетеродинного интерферометра. В случае вибрации поверхности фаза этого сигнала будет модулирована с частотой вибрации, т.е. если
s(
t) - перемещение точки на поверхности в месте падения измерительного луча, то к

будет добавлена зависящая от времени составляющая


(B.2)
где

- длина волны лазера.
Фазовую модуляцию всегда можно представить в виде частотной модуляции. Соответствующая девиация частоты является производной по времени модулированного фазового угла

. В соответствии с соотношением
ds/
dt =
v скорость вибрации поверхности
v(
t) будет связана с девиацией частоты

по отношению к несущей частоте
f0 формулой

(B.3)
На
рисунках 8 и
9 показана схема обработки доплеровского сигнала, применяемая в серийно выпускаемых ЭЛВ.
Метод синус-аппроксимации (см. также ISO 16063-11) достаточно полно описан в литературе (см., например,
[15] и
[16]).
В настоящее время метод синус-аппроксимации (SAM) реализован в трех вариантах: с использованием гомодинных квадратурных сигналов (SAM1), с использованием гетеродинных сигналов (SAM2) и с использованием измерений временных интервалов (SAM3).
Целью синус-аппроксимации является измерение амплитуды и начальной фазы шести параметров вибрации, благодаря чему получают значения модуля и фазового сдвига датчиков вибрации и средств измерений вибрации (см.
[16] и
[17]). На
рисунке 10 показан вариант схемы реализации SAM2, в которой устройством регистрации после поступления на его вход опорного сигнала и сигнала со сдвинутой частотой генерируются цифровые квадратурные сигналы.
На
рисунке 1 показан пример измерительной системы для калибровки лазерного виброметра с цифровым выходным сигналом (например, ЭЛВ), где лазерный оптический преобразователь входит в состав как ЭЛВ, так и калибруемого виброметра (см.
[18]). Эталонным преобразователем служит модифицированный интерферометр Маха-Цандера, цифровой сигнал скорости на выходе которого имеет вид

(B.4)
где Ta - период цикла;

- постоянная задержка времени, зависящая от диапазона измерений;

- комплексный коэффициент преобразования виброметра.
Для формирования выборки из аналоговых сигналов в двух измерительных каналах используется один и тот же тактовый генератор, что обеспечивает синхронизацию выборок, необходимую для измерения фазы. Оцифрованный сигнал скорости является бинарным кодированным сигналом. Алгоритм синус-аппроксимации, примененный к выходному сигналу
[формула (B.4)], позволяет определить модуль и фазу сигнала скорости. (Для аналогового сигнала алгоритм обработки будет тем же). Если скорость вибрации известна, то модуль ускорения получают умножением ее на угловую частоту

, а фазовый угол - прибавлением 90°. Неопределенность измерения частоты учитывается посредством отдельного корректирующего коэффициента.
Пример - Период цикла Ta соответствует частоте 96 кГц. Оцифрованный сигнал скорости может быть представлен 24-битным числом с диапазоном измерений 20 мм/с, 100 мм/с или 500 мм/с, что соответствует (по младшему разряду) максимальной разрешающей способности 2,38 нм/с. Это означает, что при условии выбора оптимального диапазона измерений и при достаточно большой амплитуде возбуждающего сигнала погрешность квантования выборки будет пренебрежимо мала.
Прослеживаемость эталонного виброметра к национальному эталону обеспечивается путем прямого сравнения с соответствующим национальным эталоном в национальном метрологическом институте (см.
[28], приложение C).
B.2 Метод синус-аппроксимации с использованием измерений временных интервалов
Для реализации метода SAM3, в противоположность SAM1 и SAM2, необходим только один (гетеродинный) сигнал интерферометра (см.
[7]). Метод основан на процессе преобразования скорости вибрирующей поверхности
v(
t) в пропорциональный сдвиг частоты

(доплеровская частота) выходного сигнала интерферометра (см.
рисунок B.1). Параметр
ti представляет собой момент времени, в который происходит пересечение оси абсцисс сигналом интерферометра (
i = 1, 2, ...,
n).
A - выходной сигнал гетеродинного интерферометра;
B - последовательность временных отметок, полученных
анализатором интервалов времени; C - скорость вибрации
Примечание - Обозначение переменных - согласно
разделу B.2.
Рисунок B.1 - Метод синус-аппроксимации на основе анализа
временных интервалов гетеродинного сигнала интерферометра
На основе ряда временных интервалов

,
i = 1, 2, ...,
N, между последовательными пересечениями нуля гетеродинным сигналом интерферометра вычисляют значения ряда мгновенных частот

по формуле

(B.5)
где

,
i = 1, 2, ...,
N.
Ряд значений скорости получают из ряда значений мгновенной частоты по формуле

(B.6)
Дальнейшая процедура аналогична методу синус-аппроксимации для гомодинных квадратурных сигналов (см.
[1]), для чего необходимо решить относительно параметров
Av,
Bv и
Cv переопределенную систему из
N + 1 уравнения вида

(B.7)
Используя найденные значения
Av и
Bv, рассчитывают амплитуду

и начальный фазовый угол

сигнала скорости по формулам:

(B.8)

(B.9)
Подробное описание метода SAM3 содержится в
[7].
(справочное)
ПРИМЕР РАСЧЕТА НЕОПРЕДЕЛЕННОСТИ ИЗМЕРЕНИЯ ПРИ КАЛИБРОВКЕ
ЛАЗЕРНОГО ВИБРОМЕТРА
При использовании системы первичной калибровки, изображенной на
рисунке 1, позволяющей получить оцифрованный сигнал скорости с амплитудой

, амплитуду

можно рассчитать по формуле

(C.1)
Частоту
f сигнала можно считать известной с малой неопределенностью. В общем виде уравнение измерения, позволяющее получить наилучшую оценку

и учитывающее все влияющие факторы (см.
таблицу C.1), можно представить в виде

(C.2)
Таблица C.1
Выходная (
Y) и входные (
Xi) величины в уравнении
Обозначение величины | Определение величины |
Y = aS | Воспроизводимое ускорение (амплитуда) |
| Амплитуда сигнала скорости v( t) <a> |
| Угловая частота сигнала |
X3 = KD | Поправка на искажения формы сигнала |
X4 = KN | Поправка на шум |
X5 = KMI | Поправка на неравномерное распределение ускорения по столу |
X6 = KIM | Поправка на механические движения интерферометра |
X7 = KTK | Поправка на флуктуации температуры |
X8 = KL | Поправка на отклонение от линейности |
X9 = KI | Поправка на нестабильность работы эталонного преобразователя |
X10 = KRE | Поправка на остальные влияющие факторы |
<a> Данная входная величина включает в себя неопределенность измерения, определяемую калибровкой. |
Таблица C.2
Таблица специального бюджета неопределенности при калибровке
лазерного виброизмерительного эталона, использующего
метод 3 (общий бюджет неопределенности - в
A.3.2)
Входная величина Xi | Оценка входной величины xi | Относительная стандартная неопределенность |w(xi)| | Распределение вероятностей | Коэффициент чувствительности <a>  | Относительный вклад в суммарную неопределенность <b>  |
| 9,947 см/с | | Нормальное | 1 | 10·10-4 |
| 1005,31 с-1 | 0,1·10-4 | Прямоугольное | 1 | 0,1·10-4 |
KD | 1 | 0,1·10-4 | Прямоугольное | 1 | 0,1·10-4 |
KN | 1 | 0,1·10-4 | Нормальное | 1 | 0,1·10-4 |
KMI | 1 | 4,0·10-4 | Прямоугольное | 1 | 4,0·10-4 |
KIM | 1 | 0,1·10-4 | Прямоугольное | 1 | 0,1·10-4 |
KTK | 1 | 0,15·10-4 | Прямоугольное | 1 | 0,15·10-4 |
KL | 1 | 0,1·10-4 | Прямоугольное | 1 | 0,1·10-4 |
KI | 1 | 0,1·10-4 | Прямоугольное | 1 | 0,1·10-4 |
KRE | 1 | 5,0·10-4 | Прямоугольное | 1 | 5,0·10-4 |
<a> , где y - оценка измеряемой величины Y; ci - частная производная функции правой части (C.2) по переменной Xi в точке ее математического ожидания xi. <b> Вклад входной величины со стандартной неопределенностью wi = ui/ y, рассчитанной, исходя из оцененных значений расширенной неопределенности с применением коэффициента 1/2 для входных величин, которым поставлено в соответствие нормальное распределение, и исходя из значений границ входных величин, которым поставлено в соответствие прямоугольное распределение, с применением коэффициента  . <c> Данная входная величина включает в себя неопределенность измерения, определяемую калибровкой. |
Примечание - В настоящем Приложении источники неопределенности следуют в другом порядке, чем в
таблицах A.1 -
A.5. Последние изначально были разработаны для первичной калибровки акселерометров прямолинейной вибрации (см. ISO 16063-11) и впоследствии адаптированы для целей настоящего стандарта. В то же время
таблицы C.1 и
C.2 специально разрабатывались для калибровки интерферометрическими методами лазерных виброметров в аккредитованных на данный вид деятельности лабораториях (см.
[20]). С учетом этого в
таблицы A.1 -
A.5 были добавлены примечания о допустимости произвольного порядка следования (нумерации) источников неопределенности при условии, что все такие источники учтены в расчете неопределенности должным образом.
В примере, численные значения для которого приведены в
таблице C.2, результатом является воспроизводимое ускорение с амплитудой 99,998 м/с
2 на частоте 160 Гц.
Относительная суммарная стандартная неопределенность равна
Относительная расширенная неопределенность при коэффициенте охвата k = 2 равна
Более подробно данный пример рассматривается в
[20].
(рекомендуемое)
ОПРЕДЕЛЕНИЕ ФАЗОВОГО СДВИГА ПРИ КАЛИБРОВКЕ
ЛАЗЕРНОГО ВИБРОМЕТРА
D.1 Общие положения
Как указано в
10.1, метод 3 используют для определения модуля и/или фазового сдвига коэффициента преобразования лазерного виброметра в диапазоне частот от 0,4 Гц до 50 кГц и шире. В настоящем стандарте рассматривается определение фазового сдвига в диапазоне частот от 0,4 Гц до 50 кГц.
Если ЭЛВ предназначен для использования при калибровке с измерением фазового сдвига коэффициента преобразования (например, акселерометра), то важно, чтобы время задержки сигнала оптическими и электронными цепями ЭЛВ не зависело от параметров калибровки и рабочих характеристик установки (частоты и амплитуды характеристики вибрации, отражательной способности оптических элементов и пр.) и оставалось стабильным на длительном интервале времени. Значение времени задержки должно быть известно с достаточной точностью, чтобы соблюсти требования к калибровке с измерением фазового сдвига в заданном диапазоне частот. Зная временную задержку ЭЛВ, можно вычислить вносимый им фазовый сдвиг как линейную функцию частоты, чтобы потом применить соответствующую поправку к результату измерений. Кроме того, должны применяться средства синхронизации выходных сигналов от ЭЛВ и от калибруемого устройства (например, генератор тактовой частоты).
Примечание 1 - Типичные нелинейные фазовые сдвиги, вносимые аналоговыми устройствами (например, частотными фильтрами), и нестабильность временных задержек сигнала при его преобразовании в блоках цифровой обработки могут вносить значительную неопределенность в результат измерения фазовых сдвигов.
Примечание 2 - Калибровка лазерных виброметров по фазовому сдвигу рассматривается в настоящем приложении применительно к методу 3. Однако для такой калибровки может быть выбран и метод 4 (сравнения с эталонным преобразователем), если фазочастотная характеристика самого эталонного преобразователя измерена в процессе калибровки по методу 3, как описано в
11.1.
D.2 Метод
Процедура, описанная в
10.2 для калибровки лазерных виброметров с использованием метода 3, применяется также для их калибровки по фазовому сдвигу.
D.3 Обработка данных
D.3.1 Выполняют процедуру, описанную в
10.3.2 и
10.3.3 и равно применимую к измерению как модуля коэффициента преобразования, так и его фазового сдвига.
D.3.2 По значениям параметров
A и
B, полученных в результате синус-аппроксимации, вычисляют начальный фазовый угол

сигнала перемещения по формуле

(D.1)
D.3.3 Аналогично получают методом синус-аппроксимации [см.
формулу (11)] параметры
Au,
Bu и
Cu для временной последовательности {
u(
ti)} выходного сигнала калибруемого лазерного виброметра.
D.3.4 По значениям параметров
Au и
Bu вычисляют начальный фазовый угол

для выходного сигнала калибруемого лазерного виброметра по формуле

(D.2)
D.3.5 Вычисляют сдвиг фазы

комплексного коэффициента преобразования лазерного виброметра, используя значение

, полученное согласно
D.3.4, и значение

, полученное согласно
D.3.2, по формуле

(D.3)
Примечание 1 -
Формула (D.3) применима в случае, когда выходной сигнал лазерного виброметра является сигналом перемещения. Если выходным сигналом является скорость, то формулы для расчета фазового сдвига получают аналогичным образом.
При представлении результатов калибровки указывают расширенную неопределенность для фазового сдвига, которую рассчитывают способом, аналогичным описанному в
разделе A.3.
Значение общей временной задержки сигнала (или, что эквивалентно, фазового сдвига на частоте калибровки), вызываемой ЭЛВ, должно быть известно с достаточной точностью и учтено внесением соответствующей поправки в результат измерения. Неопределенность, ассоциированная с указанной временной задержкой, должна быть включена в бюджет неопределенности.
Примечание 2 - Метод синус-аппроксимации для измерения фазового сдвига может быть применен в варианте с измерением временных интервалов [см.
формулу (B.2) и
рисунок B.1]. Для вычисления начального фазового угла

используется
формула (B.9).
(справочное)
СВЕДЕНИЯ О СООТВЕТСТВИИ ССЫЛОЧНЫХ МЕЖДУНАРОДНЫХ СТАНДАРТОВ
МЕЖГОСУДАРСТВЕННЫМ СТАНДАРТАМ
Таблица ДА.1
Обозначение ссылочного международного стандарта, документа | Степень соответствия | Обозначение и наименование межгосударственного стандарта |
ISO 266 | - | |
ISO 5348 | IDT | |
ISO 16063-1:1998 | IDT | |
| | ИС МЕГАНОРМ: примечание. В официальном тексте документа, видимо, допущена опечатка: имеется в виду ГОСТ ISO 16063-11-2013, а не ГОСТ ISO 16063-11-2009. | |
|
ISO 16063-11:1999 | IDT | ГОСТ ISO 16063-11-2009 "Вибрация. Методы калибровки датчиков вибрации и удара. Часть 11. Первичная вибрационная калибровка методами лазерной интерферометрии" |
ISO 16063-21 | IDT | ГОСТ ISO 16063-21-2013 "Вибрация. Методы калибровки датчиков вибрации и удара. Часть 21. Вибрационная калибровка сравнением с эталонным преобразователем" |
ISO/IEC Guide 99 | - | <*> |
<*> Соответствующий межгосударственный стандарт отсутствует. До его принятия рекомендуется использовать перевод на русский язык данного международного стандарта (документа). Примечание - В настоящей таблице использовано следующее условное обозначение степени соответствия стандартов: - IDT - идентичные стандарты. |
| Von Martens H.-J. Interferometric counting methods for measuring displacements in the range 10-9 m to 1 m. Metrologia 1987, 24, p. 163 - 170 |
| Robinson D.C., Serbyn M.R., Payne B.F. A description of NBS Calibration Services in mechanical vibration and shock. Gaithersburg, MD: National Bureau of Standards, 1987. (NBS Technical Note 1232) |
| Schmidt V.A., Edelman S., Smith E.R., Pierce E.T. Modulated photoelectric measurement of vibration. J. Acoust. Soc. Am. 1962, 34, p. 455 - 458 |
| Clark N.H. An improved method for calibrating reference standard accelerometers. Metrologia 1983, 19, p. 103 - 107 |
[5] | Heydemann P.L.M. Determination and correction of quadrature fringe measurement errors in interferometers. Appl. Opt. 1981, 20, p. 3382 - 3384 |
| Link A., Gerhardt J., Von Martens H.-J. Amplitude and phase calibration of accelerometers in the nanometer range by heterodyne interferometry. In: Tomasini E.P., editor, 2nd Int. Conf. Vibration Measurements by Laser Techniques: Advances and Applications, Proc. SPIE, Vol. 2868, p. 37 - 48 (1996) |
| Wabinski W., Von Martens H.-J. Time interval analysis of interferometer signals for measuring amplitude and phase of vibrations. In: Tomasini E.P., editor, 2nd Int. Conf. Vibration Measurements by Laser Techniques: Advances and Applications, Proc. SPIE, Vol. 2868, p. 166 - 177 (1996) |
| Sill R.D. Accelerometer calibration to 50 kHz with a quadrature laser interferometer. In: Proc. NCSL Worksh. Symp., Session 7B, Atlanta, GA, 1997-07, p. 767 - 773 |
| Tribolet J.M. A new phase unwrapping algorithm. IEEE Trans. Acoust. Speech Sign. Process. 1977, 25, p. 170 - 177 |
[10] | Von Martens H.-J. Investigations into the uncertainties of interferometric measurements of linear and circular vibrations. Shock Vib. 1997, 4, p. 327 - 340 |
|  A., Von Martens H.-J. Measurement of angular accelerations, angular velocities and rotation angles by grating interferometry. Measurement 1998, 24, p. 21 - 32 |
[12] | Von Martens H.-J. Generalization and analysis of the fringe-counting method for interferometric measurement of motion quantities. Measurement 1999, 25, p. 71 - 87 |
| Bauer M., Ritter F., Siegmund G. High-precision laser vibrometers based on digital Doppler-signal processing. In: Tomasini E.P., editor, 5th Int. Conf. Vibration Measurements by Laser Techniques, Ancona, Proc. SPIE, Vol. 4827, p. 50 - 61 (2002) |
| Drain L.E. The laser Doppler technique. Chichester: Wiley, 1980. 241 p. |
| Von Martens H.-J.,  A., Wabinski W., Link A., Schlaak H.-J. Traceability of vibration and shock measurements by laser interferometry. Measurement 2000, 28, p. 3 - 20 |
| Von Martens H.-J. Current state and trends of ensuring traceability for vibration measurements. Metrologia 1999, 36, p. 357 - 373 |
| Von Martens H.-J., Link A., Schlaak H.-J.,  A., Wabinski W.,  U. Recent advances in vibration and shock measurements and calibrations using laser interferometry. In: Tomasini E.P., editor, 6th Int. Conf. Vibration Measurements by Laser Techniques: Advances and Applications, Proc. SPIE, Vol. 5503, p. 1 - 19 (2004) |
| Nicklich H.,  U. Practical experiences in primary vibration calibration using laser vibrometry: Measurement uncertainties in wide-frequency-range applications. In: Tomasini E.P., editor, 6th Int. Conf. Vibration Measurements by Laser Techniques: Advances and Applications, Proc. SPIE, Vol. 5503, p. 442 - 445 (2004) |
[19] | Von Martens H.-J. Evaluation of uncertainty in measurements: Problems and tools. Opt. Laser Eng. 2002, 38, p. 185 - 206 |
| DKD-R 3-1 Blatt 4,  von  mit  Anregung und interferometrischer Messung der  [Guideline R 3-1 Part 4, Primary calibration of vibrometers with interferometric measurement of the oscillatory quantity under sinusoidal excitation]. Deutscher Kalibrierdienst |
| ISO/IEC 17025:2005, General requirements for the competence of testing and calibration laboratories |
| Clark N.H. An interferometric method to measure oscillatory displacements, 2 nm - 255 nm. Metrologia 1989, 26, p. 127 - 132 |
| Silva Pineda G., Von Martens H.-J., Rojas Ramirez S., Ruis Rueda A.,  L. Calibration of laser vibrometers at frequencies up to 100 kHz and higher. In: Tomasini E.P., editor, 8th Int. Conf. Vibration Measurements by Laser Techniques: Advances and Applications, Proc. SPIE, Vol. 7098, p. 7098K-1 - 7098K-10 (2008) |
| Von Martens H.-J. Metrology of vibration measurements by laser techniques. In: Tomasini E.P., editor, 8th Int. Conf. Vibration Measurements by Laser Techniques: Advances and Applications, Proc. SPIE, Vol. 7098, p. 709802-1 - 709802-24 (2008) |
| Oota A., Usuda T., Ishigami T., Nozato H., Hino Y. Effect of demodulator unit on laser vibrometer calibration. In: Tomasini E.P., editor, 8th Int. Conf. Vibration Measurements by Laser Techniques: Advances and Applications, Proc. SPIE, Vol. 7098, p. 70981J1 - 70981J7 (2008) |
| Von Martens H.-J. Standardization of laser methods and techniques for vibration measurements and calibrations. In: 9th Int. Conf. Vibration Measurements by Laser and Noncontact Techniques, Ancona, 2010-06-22/25, AIP Conf. Proc, Vol. 1253, p. 423 - 445 (2010) |
| Xue J.-F., He T.-X. The application of Bessel function methods on high frequency vibration calibration. In: Tomasini E.P., editor, 6th Int. Conf. Vibration Measurements by Laser Techniques: Advances and Applications, Proc. SPIE, Vol. 5503, p. 423 - 430 (2004) |
| BIPM. Mutual recognition of national measurement standards and of calibration and measurement certificates issued by national metrology institutes. Available (viewed 2011-02-11) at: http://www.bipm.org/utils/en/pdf/mra_2003.pdf |
[29] | ISO 2041, Mechanical vibration, shock and condition monitoring - Vocabulary |
[30] | JCGM 100:2008 (GUM 1995 with minor corrections), Evaluation of measurement data - Guide to the expression of uncertainty in measurement |
УДК 620.178.5.05:006.354 | |
Ключевые слова: вибрация, лазерный виброметр, калибровка, первичный метод, метод сравнения, лазерный интерферометр, эталонный преобразователь |