Главная // Актуальные документы // ГОСТ (Государственный стандарт)СПРАВКА
Источник публикации
М.: Стандартинформ, 2015
Примечание к документу
Документ
введен в действие с 01.01.2016.
Название документа
"ГОСТ IEC 60255-8-2014. Межгосударственный стандарт. Реле электрические. Часть 8. Электротепловые реле"
(введен в действие Приказом Росстандарта от 30.10.2014 N 1461-ст)
"ГОСТ IEC 60255-8-2014. Межгосударственный стандарт. Реле электрические. Часть 8. Электротепловые реле"
(введен в действие Приказом Росстандарта от 30.10.2014 N 1461-ст)
агентства по техническому
регулированию и метрологии
от 30 октября 2014 г. N 1461-ст
МЕЖГОСУДАРСТВЕННЫЙ СТАНДАРТ
РЕЛЕ ЭЛЕКТРИЧЕСКИЕ
ЧАСТЬ 8
ЭЛЕКТРОТЕПЛОВЫЕ РЕЛЕ
Electrical relays. Part 8. Thermal electrical relays
(IEC 60255-8:1990, IDT)
ГОСТ IEC 60255-8-2014
Дата введения
1 января 2016 года
Цели, основные принципы и порядок проведения работ по межгосударственной стандартизации установлены
ГОСТ 1.0-92 "Межгосударственная система стандартизации. Основные положения" и
ГОСТ 1.2-2009 "Межгосударственная система стандартизации. Стандарты межгосударственные, правила и рекомендации по межгосударственной стандартизации. Правила разработки, принятия, применения, обновления и отмены"
1 ПОДГОТОВЛЕН Автономной некоммерческой организацией "Научно-технический центр "Энергия" (АНО "НТЦ "Энергия") на основе собственного аутентичного перевода на русский язык стандарта, указанного в
пункте 5
2 ВНЕСЕН Федеральным агентством по техническому регулированию и метрологии
3 ПРИНЯТ Межгосударственным советом по стандартизации, метрологии и сертификации (протокол от 25 июня 2014 г. N 45-2014)
За принятие проголосовали:
Краткое наименование страны по МК (ИСО 3166) 004-97 | Код страны по МК (ИСО 3166) 004-97 | Сокращенное наименование национального органа по стандартизации |
Армения | AM | Минэкономики Республики Армения |
Беларусь | BY | Госстандарт Республики Беларусь |
Киргизия | KG | Кыргызстандарт |
Молдова | MD | Молдова-Стандарт |
Россия | RU | Росстандарт |
Таджикистан | TJ | Таджикстандарт |
Узбекистан | UZ | Узстандарт |
4
Приказом Федерального агентства по техническому регулированию и метрологии от 30 октября 2014 г. N 1461-ст межгосударственный стандарт ГОСТ IEC 60255-8-2014 введен в действие в качестве национального стандарта Российской Федерации с 1 января 2016 г.
5 Настоящий стандарт идентичен международному стандарту IEC 60255-8:1990, издание 2.0 Electrical relays. Part 8: Thermal electrical relays (Реле электрические. Часть 8. Электротепловые реле).
Перевод с английского языка (en).
Официальные экземпляры международного стандарта, на основе которого подготовлен настоящий межгосударственный стандарт, и международных стандартов, на которые даны ссылки, имеются в Федеральном агентстве по техническому регулированию и метрологии.
Сведения о соответствии межгосударственных стандартов ссылочным международным стандартам приведены в дополнительном
приложении ДА.
Степень соответствия - идентичная (IDT)
6 ВВЕДЕН ВПЕРВЫЕ
Информация об изменениях к настоящему стандарту публикуется в ежегодном информационном указателе "Национальные стандарты", а текст изменений и поправок - в ежемесячном информационном указателе "Национальные стандарты". В случае пересмотра (замены) или отмены настоящего стандарта соответствующее уведомление будет опубликовано в ежемесячном информационном указателе "Национальные стандарты". Соответствующая информация, уведомление и тексты размещаются также в информационной системе общего пользования - на официальном сайте Федерального агентства по техническому регулированию и метрологии в сети Интернет
Международный стандарт IEC 60255-8 подготовлен подкомитетом 41 В "Измерительные реле и защитное оборудование" Технического комитета по стандартизации IEC/TC 41 "Электрические реле".
Стандарт является вторым изданием IEC 60255-8 и заменяет первое издание стандарта, опубликованное в 1978 г. А также заменяет первое издание 1982 г. и второе издание 1987 г. стандарта IEC 60255-17.
При использовании настоящего стандарта необходимо учитывать следующие стандарты:
IEC 60050-255 International electrotechnical vocabulary (IEV) - Chapter 255: Electrical Relays (Международный электротехнический словарь (МЭС). Глава 255: Электрические реле).
IEC 60255-6:1988 Electrical relays - Part 6: Measuring relays and protection equipment (Реле электрические. Часть 6. Измерительные реле и защитное оборудование).
РАЗДЕЛ 1 - Общие положения
Настоящий стандарт распространяется на электротепловые реле с зависимой выдержкой времени, которые защищают оборудование от теплового повреждения измерением тока, протекающего в защищаемой цепи.
1.1 Настоящий стандарт распространяется на следующие типы электротепловых реле (далее - реле):
a) реле с функцией полной памяти для токов нагрузки, наступающих до возникновения условий, вызывающих отключение реле;
b) реле с функцией частичной памяти, т.е. только для условий тока перегрузки.
1.2 Настоящий стандарт устанавливает дополнительные требования к реле, применяемым для защиты двигателей.
Целью настоящего стандарта является установление частных требований к указанным типам реле. Настоящий стандарт следует применять совместно со стандартами серии IEC 60255.
В настоящем стандарте применены термины по IEC 60050-255, стандартам серии IEC 60255, а также следующие термины с соответствующими определениями:
2.1 характеристика реле в "горячем" состоянии (hot curve): Характеристическая кривая для реле с функцией полной памяти, показывающая взаимозависимость между заданным временем срабатывания реле и током, с учетом теплового эффекта от заданного установившегося тока нагрузки до возникновения перегрузки.
2.2 характеристика реле в "холодном" состоянии (cold curve): Характеристическая кривая для реле, показывающая взаимозависимость между заданным временем срабатывания реле и током, в контрольном или установившемся состоянии от отсутствия тока нагрузки до возникновения перегрузки.
2.3 корректирующая (компенсирующая) величина [correcting quantity (compensating quantity)]: Величина, меняющая установленные характеристики реле в заданных условиях. Такими величинами могут быть температура масла и т.д.
2.4 базовый ток (basic current): Заданное предельное значение тока, при котором реле не должно сработать.
Примечание - Базовый ток служит в качестве эталонного тока для определения характеристик реле. Этот ток задается уставкой реле.
2.5 постоянная k (constant k): Константа, на которую умножают базовый ток для получения значения тока, с которым соотносят точность минимального рабочего тока.
2.6 кратность предшествующей нагрузки (previous load ratio): Отношение тока нагрузки, предшествующего перегрузке, к базовому току в заданных условиях.
3.1 Характеристические кривые
Характеристика взаимозависимости времени и тока может быть установлена методом расчета или графическим методом.
Неравенства для простой тепловой модели приведены в
подпунктах 3.1.1 и
3.1.2. Допустимы другие характеристические кривые, которые устанавливает изготовитель (см.
приложение A).
Примечания
1 На практике, например для испытания, применяют график, построенный как функция тока от времени.
2 Постоянная времени в формулах расчета устанавливается в национальных стандартах либо указывается изготовителем.
3.1.1 Характеристика реле в "холодном" состоянии
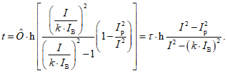
Характеристическая кривая для реле основана на тепловом эффекте и постоянной времени, приведенной в следующей формуле:
где t - время срабатывания;

- постоянная времени;
IB - базовый ток;
k - константа;
I - ток реле.
Пример характеристической кривой реле в "холодном" состоянии
3.1.2 Характеристика реле в "горячем" состоянии
Характеристическая кривая соответствует предварительному нагреву реле с функцией полной памяти. Изменения характеристической кривой реле в "холодном" состоянии характеризуется приведенной ниже формулой. Подробный анализ характеристики реле в "горячем" состоянии приведен в
приложении B.
где Ip - заданный ток нагрузки до возникновения перегрузки.
3.2 Номинальные значения воздействующих величин
Воздействующие величины считаются номинальными в пределах значений от 80% до 110% от стандартных значений и считаются предпочтительными.
Национальными стандартами или изготовителем могут быть установлены другие пределы номинальных значений воздействующих величин.
3.3 Стандартные нормальные значения влияющих величин и внешних факторов
Стандартные нормальные значения влияющих величин и внешних факторов, допустимые допуски на них, значения предшествующего тока и корректирующие величины приведены в
таблицах I,
II и
III соответственно.
Таблица I
Стандартные нормальные значения влияющих величин и внешних
факторов и допустимые отклонения
Влияющая величина и внешний фактор | | Допустимые отклонения |
Общие | Положение | По национальным стандартам или указанию изготовителя | 2° в любом направлении или для статических реле по стандартам или указанию изготовителя |
Характеристические величины и входная воздействующая величина | Уставка(и) базового тока | Номинальный ток или по стандартам, или указанию изготовителя | По стандартам или указанию изготовителя |
Величина (контрольная для определения различий) | По стандартам или указанию изготовителя Для защиты двигателей 2- и 6-кратный базовый ток | По стандартам или указанию изготовителя. Для защиты двигателей +/- 2% |
Апериодическая составляющая переменного тока переходного режима | Ноль | 2% от пикового значения |
Время | Уставка | По национальным стандартам или указанию изготовителя |
Параметр(ы) уставки характеристики |
Вспомогательные воздействующие величины | Напряжение | Номинальное(ые) значение(я) | По национальным стандартам или указанию изготовителя |
Апериодическая составляющая переменного тока | Ноль | 2% от пикового значения |
Примечание - Национальными стандартами могут быть установлены другие значения влияющих величин и факторов и допустимые отклонения. В таком случае изготовитель может установить другие стандартные значения и допуски. Например, в качестве стандартной может быть установлена температура 40 °C вместо 20 °C.
Таблица II
Значения предшествующего тока при изменении
воздействующих величин
Величина | Нормальное условие | Допустимые отклонения |
Заданный ток нагрузки до возникновения перегрузки | Для характеристики в холодном состоянии: ноль | Не применяют |
Для характеристики в горячем состоянии: по национальным стандартам или указанию изготовителя | По национальным стандартам или указанию изготовителя |
Кратность предшествующей нагрузки для защиты двигателя | Для характеристики в горячем состоянии: 1,0 или 0,9 по выбору изготовителя | +/- 1% |
Таблица III
Стандартные нормальные условия и допустимые отклонения
для корректирующих величин при измерении эффекта
влияющих величин
Корректирующая величина | Нормальное условие | Допустимые отклонения |
Несимметричный ток в синусоидальной многофазной системе | Симметричный | См. примечание 8 к таблице II IEC 60255-6 |
Скорость защищаемой вращающейся машины | По национальным стандартам или указанию изготовителя Для защиты двигателя: номинальная скорость двигателя | По национальным стандартам или указанию изготовителя |
Температура различных частей защищаемого оборудования (см. примечание 1) |
Температура охлаждающей среды защищаемого оборудования | | +/- 2 °C |
Примечания
1 Данные значения корректирующих величин соответствуют установившимся тепловым условиям защищаемого оборудования до возникновения перегрузки. Их назначение зависит от принципа применяемого реле.
2 Устанавливает изготовитель, в случае, если охлаждающая среда иная, чем воздух.
3.4 Стандартные значения пределов номинального диапазона влияющих величин и факторов
Стандартные значения пределов номинального диапазона влияющих величин и факторов, значения предшествующего тока и корректирующие величины приведены в
таблицах IV,
V и
VI соответственно.
Таблица IV
Стандартные значения пределов номинального диапазона
влияющих величин и факторов
Влияющие величины и факторы | Номинальный диапазон |
Общие факторы | Скорость изменения температуры окружающей среды | По национальным стандартам или указанию изготовителя |
Относительная влажность |
Положение | 5° в любом направлении или для статических реле по стандартам или указанию изготовителя |
Внешнее электромагнитное поле | По национальным стандартам или указанию изготовителя |
Характеристические факторы и входная воздействующая величина | Магнитуда |
Форма волны |
Апериодическая составляющая переменного тока (см. примечание) |
Время | Уставка | Пределы диапазона уставки |
Параметр(ы) характеристик уставки | По национальным стандартам или указанию изготовителя |
Вспомогательные воздействующие величины | Напряжение | 80% - 110% номинального значения |
Частота | По национальным стандартам или указанию изготовителя |
Форма волны |
Примечание - Если это важно, то эффекты, возникающие вследствие апериодической составляющей переменного тока, устанавливает изготовитель.
Таблица V
Стандартные значения пределов номинального диапазона
значений предшествующего тока
Величина | Номинальный диапазон |
Заданный ток нагрузки до возникновения перегрузки | От 0 до 100% базового тока |
Таблица VI
Стандартные значения пределов номинального диапазона
корректирующих величин
Корректирующая величина | Номинальный диапазон |
Несимметричный ток в синусоидальной многофазной системе (см. примечания 1 и 2) | Ввиду большого разнообразия методов реагирования тепловых реле на корректирующие величины их установление не представляется возможным, поэтому их устанавливает изготовитель |
Скорость защищаемой вращающейся машины |
Температуры различных частей защищаемого оборудования |
Температура охлаждающей среды защищаемого оборудования |
Примечания
1 Может устанавливаться влияние теплового взаимодействия, если оно имеется, между различными фазными элементами многофазной системы.
2 При необходимости степень несимметричного тока может быть выражена последовательностью компонентов.
Для защиты двигателей значение предшествующего тока нагрузки выражают кратностью. Такая кратность является отношением тока предшествующей нагрузки к базовому току. Для характеристических кривых кратность выбирают из ряда значений, подчеркнутые значения являются предпочтительными:

;

; 0,8; 0,7; 0,6.
3.5 Постоянная k
Стандартных значений постоянной k не существует. Она устанавливается в национальных стандартах или указывается изготовителем. Для защиты двигателей постоянную k выбирают из диапазона от 1,0 до 1,2 и ее значение указывает изготовитель.
3.6 Значения уставок базового тока
Стандартных значений уставок базового тока не существует. Они установлены в национальных стандартах или указаны изготовителем. Для защиты двигателей они входят в диапазон от 0,8 до 1,1 номинального тока.
3.7 Время расцепления
Стандартного значения времени расцепления не существует. Оно установлено в национальных стандартах или указано изготовителем. Для реле с функцией частичной памяти, кроме времени расцепления, может быть установлено время восстановления в случае недостижения рабочего состояния. В таком случае его устанавливает изготовитель.
4.1 Погрешность по времени
4.1.1 Эффективный диапазон рабочего тока
Эффективный диапазон рабочего тока установлен в национальных стандартах или указан изготовителем. Верхний и нижний пределы эффективного диапазона выражаются кратностями значения базового тока. Для защиты двигателя стандартный диапазон составляет от 1,25kIB до 8IB.
4.1.2 Заданное время срабатывания
Контрольная предельная погрешность заданного времени срабатывания устанавливается изготовителем, она может быть кратна коэффициенту в зависимости от значения тока в пределах его эффективного диапазона.
Контрольная предельная погрешность может быть выражена:
a) графическим способом, или
b) заданной погрешностью из диапазона индекса класса по времени (см.
раздел C.1 приложения C).
Для защиты двигателя применяют следующие значения кратности базового тока и установленных погрешностей времени как кратности индекса класса по времени.
Кратности базового тока | | 1,50 | 2,00 | 6,00 | 8,00 |
Кратности индекса класса по времени | 4 | 4 | 2 | 1 | 2 |
Примечание - Постоянная
k действительна только для минимальной кратности базового тока из-за значительного влияния на время срабатывания в данной области.
4.1.3 Влияние предшествующего тока и корректирующих величин на установленное время
Для характеристик реле в "холодном" состоянии начальный ток равен нулю, характеристик реле в "горячем" состоянии значения начального тока установлены в национальных стандартах или указаны изготовителем. При защите двигателя для характеристик реле в "горячем" состоянии значения предшествующего тока выбирают по
таблице V. Значения корректирующих величин (если имеются) установлены в национальных стандартах или указаны изготовителем.
4.2 Погрешность по току срабатывания
4.2.1 Заданная погрешность
Для реле заданную погрешность между измеренным рабочим значением и значением
k-кратного базового тока выбирает изготовитель по индексам класса согласно стандартам. Для защиты двигателя индекс класса по току 20% исключен. Пример приведен в
разделе C.2 приложения C.
4.2.2 Влияние изменений корректирующих величин на ток срабатывания
Влияние изменений корректирующих величин на ток срабатывания принимают по национальным стандартам или указанию изготовителя.
РАЗДЕЛ 3 - Методы испытаний
5 Испытания рабочих характеристик и точности реле
5.1 Общие положения
Условия проведения испытаний при определении погрешностей по времени или входному воздействующему току должны соответствовать установленным в IEC 60255-6 (раздел 13).
5.2 Определение погрешностей по входному воздействующему току
5.2.1 Измерение минимального рабочего тока
При измерении минимального рабочего тока значение входного воздействующего тока должно быть ниже указанного изготовителем [kIB (1 - индекс класса/100)]. Ток должен постепенно возрастать относительно обозначенной точности до тех пор, пока не сработает устройство. Допускается между каждым увеличением иметь достаточно времени по отношению к рабочей характеристике, чтобы позволить любое включение (при необходимости). Регулировка уставки (если имеется) по времени срабатывания реле должна выполняться по контрольному значению.
5.2.2 Влияние на минимальный рабочий ток
Изменение минимального рабочего тока вследствие воздействия влияющих величин и факторов должно определяться согласно
5.2.1. Если значение уставки по времени или току является влияющим фактором, то это изменение следует определить не менее чем для трех уставок, указанных изготовителем.
5.2.3 Изменения тока вследствие соединений в токовой цепи
В отдельных случаях могут происходить изменения тока вследствие иных внешних подсоединений в токовую цепь одного и того же реле, например, двух фаз вместо трех фаз. В этом случае изготовитель должен указать факторы, имеющие влияние на минимальный рабочий ток реле.
5.3 Определение погрешностей по заданному времени
5.3.1 Определение характеристик реле в "холодном" состоянии
| | ИС МЕГАНОРМ: примечание. Текст дан в соответствии с официальным текстом документа. | |
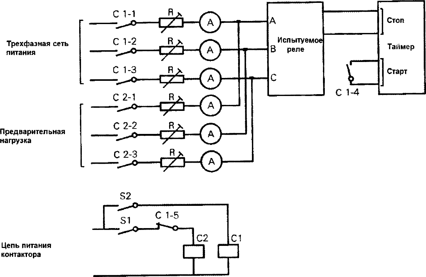
На
рисунке 1 приведен пример испытательной цепи для определения минимального тока срабатывания и характеристик реле в "холодном" состоянии. Условие испытаний: входной ток мгновенно меняют от нуля до заданной кратности
IB. При этом должно достаточно времени, чтобы реле успело вернуться в исходное состояние до повторной подачи тока.
Рисунок 1 - Испытательная цепь для определения минимального
тока срабатывания и характеристик реле
в "холодном" состоянии
5.3.2 Определение характеристик реле в "горячем" состоянии
На
рисунке 2 приведен пример испытательной цепи для определения характеристик реле в "горячем" состоянии с функцией полной памяти. Условие испытаний: на реле должен воздействовать ток, соответствующий кратности предшествующей нагрузки, в течение времени, указанного изготовителем для возможности достижения реле теплового равновесия в данной точке. Затем к реле подают соответствующую кратность базового тока
IB. Должно быть достаточно времени, указанного изготовителем, для возврата реле в исходное состояние и стабилизации при токе предшествующей нагрузки перед продолжением испытания.
Примечания:
1 Контактор C2 посредством переключателя S1 включает предварительную нагрузку согласно заданным условиям.
2 Контактор C1 посредством переключателя S2 контактами C1-5 возвращает контактор C2 в исходное состояние и подает на реле соответствующую кратность базового тока IB.
Рисунок 2 - Испытательная цепь для определения характеристик
реле в "горячем" состоянии
5.3.3 Влияние на время срабатывания при 2IB и 6IB (только для защиты двигателя)
Изменение времени срабатывания под действием влияющих величин и факторов при 2- и 6-кратных значениях базового тока
IB проверяют по
5.2.1 и
5.2.2.
Если значение уставки по времени или току является влияющим фактором, то изменение следует определять не менее чем для трех уставок, указанных изготовителем.
5.3.4 Изменение времени срабатывания реле вследствие соединений в цепи тока
В отдельных случаях могут происходить изменения времени срабатывания реле вследствие иных внешних соединений в токовой цепи одного и того же реле, например двух фаз вместо трех. В этом случае изготовитель должен указать имеющееся влияние на время срабатывания реле.
6 Испытание реле на предельную теплостойкость
6.1 Испытание реле на предельную теплостойкость (только для реле защиты двигателя)
Реле должно выдерживать однократную подачу тока равного 12IB (или максимального значения, указанного изготовителем) во входные цепи питания в течение заданного времени срабатывания.
Значения уставок как по току, так и по времени должны быть максимальными. После испытания и при восстановлении исходных условий реле должно соответствовать всем предъявляемым требованиям.
(справочное)
ХАРАКТЕРИСТИЧЕСКИЕ КРИВЫЕ,
ХАРАКТЕРИСТИКИ РЕЛЕ В "ХОЛОДНОМ" СОСТОЯНИИ
Кроме характеристических кривых реле, основанных на взаимозависимости времени и тока (см.
3.1), по указанию изготовителя допускаются другие характеристические кривые.
Например, при протекании тока в течение короткого времени и незначительности рассеивания тепла, характеристическая кривая может быть построена с применением следующей формулы:
которое подходит для токов выше, чем k·IB. Такая характеристика может быть применима для реле с функцией частичной памяти.
Ниже приведен пример такой характеристической кривой.
(справочное)
ХАРАКТЕРИСТИЧЕСКИЕ КРИВЫЕ,
ХАРАКТЕРИСТИКИ РЕЛЕ В "ГОРЯЧЕМ" СОСТОЯНИИ
B.1 Характеристику реле в "горячем" состоянии получают на основе изменения характеристики реле в "холодном" состоянии (см.
3.1.1).
Ниже приведен пример такой характеристической кривой реле в "горячем" состоянии.
где

- установившаяся температура, соответствующая току нагрузки
Ip, предшествующего току перегрузки;

- температура, соответствующая состоянию
k·IB.
Поскольку

, то вышеприведенную формулу можно преобразовать следующим образом:
| | ИС МЕГАНОРМ: примечание. Формула дана в соответствии с официальным текстом документа. | |
B.2 Изготовитель может опубликовать в качестве нижеприведенного примера характеристические кривые теплового баланса с кратностью p предшествующей нагрузки в качестве параметра:
Примеры характеристических кривых теплового баланса с разными значениями кратности p
(справочное)
ПРИМЕРЫ ОПРЕДЕЛЕНИЯ ПОГРЕШНОСТИ ЭЛЕКТРИЧЕСКИХ РЕЛЕ
Индексы классов по времени и току могут быть разными.
C.1 Индексы классов по времени
Примеры:
C.1.1 При I = n'·IB:
- заданная погрешность = индекс класса = 5%;
C.1.2 При I = n"·IB:
- заданная погрешность = (индекс класса)·m" = (5%)·m";
C.1.3 При

:
- заданная погрешность = (индекс класса)·

,
где n - кратности базового тока;
m - кратности индекса класса соответственно кратности базового тока n.
C.2 Индексы классов по току
Заданная погрешность к значению k·IB
Пример:
При

заданная погрешность = индексу класса = 2,5%.
(справочное)
СВЕДЕНИЯ О СООТВЕТСТВИИ МЕЖГОСУДАРСТВЕННЫХ СТАНДАРТОВ
ССЫЛОЧНЫМ МЕЖДУНАРОДНЫМ СТАНДАРТАМ
Таблица ДА.1
Обозначение и наименование международного стандарта (международного документа) | Степень соответствия | Обозначение и наименование межгосударственного стандарта |
IEC 60050-255 Международный электротехнический словарь (МЭС). Глава 255. Электрические реле | - | |
IEC 60255-6:1988 Реле электрические. Часть 6. Измерительные реле и защитное оборудование | - | |
<*> Соответствующий межгосударственный стандарт отсутствует. До его принятия рекомендуется использовать перевод на русский язык данного международного стандарта. |
УДК 621.316.925.44:006.354 | | IDT |
Ключевые слова: электрические реле, тепловые электрические реле |