Главная // Актуальные документы // ГОСТ (Государственный стандарт)СПРАВКА
Источник публикации
М.: Стандартинформ, 2019
Примечание к документу
Документ
введен в действие с 01.10.2015.
Название документа
"ГОСТ IEC 60050-445-2014. Межгосударственный стандарт. Международный электротехнический словарь. Часть 445. Реле времени"
(введен в действие Приказом Росстандарта от 24.11.2014 N 1738-ст)
"ГОСТ IEC 60050-445-2014. Межгосударственный стандарт. Международный электротехнический словарь. Часть 445. Реле времени"
(введен в действие Приказом Росстандарта от 24.11.2014 N 1738-ст)
по техническому регулированию
и метрологии
от 24 ноября 2014 г. N 1738-ст
МЕЖГОСУДАРСТВЕННЫЙ СТАНДАРТ
МЕЖДУНАРОДНЫЙ ЭЛЕКТРОТЕХНИЧЕСКИЙ СЛОВАРЬ
ЧАСТЬ 445
РЕЛЕ ВРЕМЕНИ
International Electrotechnical
Vocabulary. Part 445. Time relays
(IEC 60050-445:2010, IDT)
ГОСТ IEC 60050-445-2014
Дата введения
1 октября 2015 года
Цели, основные принципы и основной порядок проведения работ по межгосударственной стандартизации установлены в
ГОСТ 1.0-2015 "Межгосударственная система стандартизации. Основные положения" и
ГОСТ 1.2-2015 "Межгосударственная система стандартизации. Стандарты межгосударственные, правила и рекомендации по межгосударственной стандартизации. Правила разработки, принятия, обновления и отмены"
1 ПОДГОТОВЛЕН Открытым акционерным обществом "Всероссийский научно-исследовательский институт сертификации" (ОАО "ВНИИС")
2 ВНЕСЕН Федеральным агентством по техническому регулированию и метрологии
3 ПРИНЯТ Межгосударственным советом по стандартизации, метрологии и сертификации (протокол от 30 сентября 2014 г. N 70-П)
За принятие проголосовали:
Краткое наименование страны по МК (ИСО 3166) 004-97 | Код страны по МК (ИСО 3166) 004-97 | Сокращенное наименование национального органа по стандартизации |
Армения | AM | Минэкономики Республики Армения |
Беларусь | BY | Госстандарт Республики Беларусь |
Киргизия | KG | Кыргызстандарт |
Молдова | MD | Молдова-Стандарт |
Россия | RU | Росстандарт |
4
Приказом Федерального агентства по техническому регулированию и метрологии от 24 ноября 2014 г. N 1738-ст межгосударственный стандарт ГОСТ IEC 60050-445-2014 введен в действие в качестве национального стандарта Российской Федерации с 1 октября 2015 г.
5 Настоящий стандарт идентичен международному стандарту IEC 60050-445:2010 "Международный электротехнический словарь. Часть 445. Реле времени" ("International Electrotechnical Vocabulary - Part 445: Time relays", IDT).
Международный стандарт разработан техническим комитетом 1 "Терминология" Международной электротехнической комиссии (IEC).
При применении настоящего стандарта рекомендуется использовать вместо ссылочных международных стандартов соответствующие им межгосударственные стандарты, сведения о которых приведены в дополнительном
приложении ДА
6 ВВЕДЕН ВПЕРВЫЕ
7 ПЕРЕИЗДАНИЕ. Февраль 2019 г.
Информация об изменениях к настоящему стандарту публикуется в ежегодном информационном указателе "Национальные стандарты", а текст изменений и поправок - в ежемесячном информационном указателе "Национальные стандарты". В случае пересмотра (замены) или отмены настоящего стандарта соответствующее уведомление будет опубликовано в ежемесячном информационном указателе "Национальные стандарты". Соответствующая информация, уведомление и тексты размещаются также в информационной системе общего пользования - на официальном сайте Федерального агентства по техническому регулированию и метрологии в сети Интернет (www.gost.ru)
Настоящий стандарт распространяется на реле времени, устанавливает термины и определения для реле времени (логические электрические реле с функцией указания времени) и заменяет стандарт IEC 60050-446 для таких реле. Терминология для элементарных реле содержится в IEC 60050-444, терминология для измерительных реле - в IEC 60050-447.
Настоящий стандарт распространяется на реле времени и устанавливает термины и определения для реле времени (логические электрические реле с функцией указания времени).
Для применения настоящего стандарта необходимы следующие стандарты. Для датированных ссылок применяют только указанное издание ссылочного стандарта, для недатированных ссылок применяют последнее издание ссылочного стандарта (включая все изменения к нему).
IEC Guide 108, Guidelines for ensuring the coherency of IEC publications - Application of horizontal standards (Руководство по обеспечению согласованности публикаций МЭК. Применение горизонтальных стандартов)
В настоящем стандарте применены следующие термины с соответствующими определениями.
Раздел 445-01 Типы реле времени
445-01-01
реле времени (time relay, specified-time relay): Логическое реле с одной или более функциями времени.
445-01-02
реле с задержкой по включению электропитания (power on-delay relay, on-delay relay): Реле времени, в котором при подаче электропитания начинается отсчет времени задержки и выходная цепь переключается в сработанное состояние по истечении заданного времени (см.
рисунок 1).

- источник электропитания;
T - установленное время;

- главный контакт
Рисунок 1 - Реле с задержкой по включению электропитания
445-01-03
реле с задержкой по выключению электропитания (power off-delay relay, true off-delay relay): Реле времени, в котором выходная цепь переключается в сработанное состояние в момент подачи электропитания; отсчет времени задержки начинается при отключении электропитания; выходная цепь переходит в начальное состояние по истечении временной установки (см.
рисунок 2).

- источник электропитания;
T - установленное
время;

- главный контакт
Рисунок 2 - Реле с задержкой по выключению электропитания
445-01-04
реле с задержкой выключения по управляющему сигналу (off-delay relay with control signal, off-delay relay): Реле времени, в котором выходная цепь переключается в сработанное состояние в момент подачи электропитания и сигнала управления; отсчет времени задержки начинается при снятии сигнала управления, а выходная цепь переключается в начальное состояние после истечения временной установки (см.
рисунок 3).
Примечание - Влияние последующей подачи или сброса управляющего сигнала должно быть указано изготовителем.

- источник электропитания;

- сигнал управления;
T - установленное время;

- главный контакт
Рисунок 3 - Реле с задержкой выключения по управляющему
сигналу
445-01-05
реле с задержкой включения и выключения по управляющему сигналу (on- and off-delay relay with control signal): Реле времени, в котором выходная цепь переходит в состояние срабатывания по прошествии указанного времени после подачи электропитания и управляющего сигнала; выходная цепь переключается в начальное состояние после снятия управляющего сигнала и истечения временной установки (см.
рисунок 4).
Примечание - Влияние последующей подачи или перезапуска управляющего сигнала должно быть указано изготовителем.

- источник электропитания;

- сигнал управления;
T - установленное время;

- главный контакт
Рисунок 4 - Реле с задержкой включения и выключения
по управляющему сигналу
445-01-06
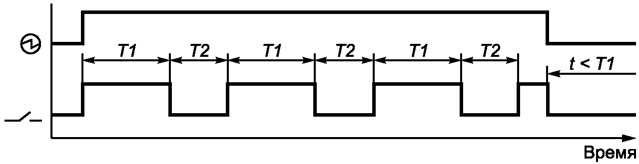
импульсное реле, реле с повторением цикла (flasher relay, repeat cycle relay): Реле времени, в котором выходная цепь периодически включается и выключается до тех пор, пока подано напряжение электропитания или приложен управляющий сигнал (см.
рисунок 5).
Примечание 1 - В зависимости от типа реле цикл выходной цепи начинается с "импульса включения" или "импульса выключения".
Примечание 2 - Импульсное реле также может быть инициировано управляющим сигналом.

- источник электропитания;
T1 - время импульса;
T2 - время
паузы;

- главный контакт
Рисунок 5 - Импульсное реле
445-01-07
симметричное импульсное реле, реле с симметричным повторением цикла (symmetrical flasher relay, symmetrical repeat cycle relay): Импульсное реле, в котором выходная цепь периодически включается и выключается с примерно равными длительностями импульсов включения и импульсов выключения.
445-01-08
асимметричное импульсное реле, реле с асимметричным повторением цикла (asymmetrical flasher relay, asymmetrical repeat cycle relay): Импульсное реле, в которых длительность импульса включения и импульса выключения можно устанавливать независимо.
445-01-09
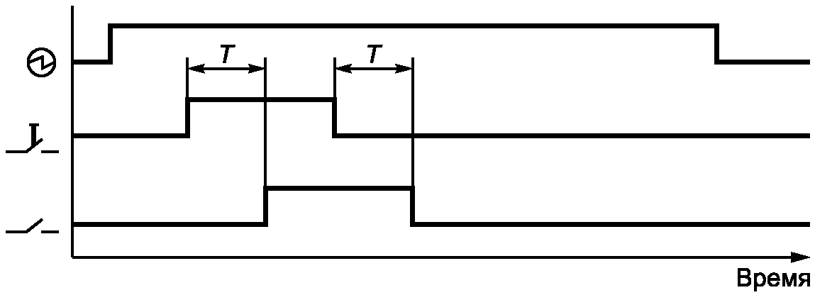
реле звезда-треугольник (star-delta relay): Реле времени с двумя задержками переключения выходной цепи, следующими одна за другой, для запуска электродвигателей в режиме звезды и последующего переключения их в режим треугольника (см.
рисунок 6).
Примечание - Соединение звездой и треугольником определено в Международном электротехническом словаре (МЭС) IEC 60050-141 (141-02-06 и 141-02-09 соответственно).

- источник электропитания;
Ts - время установки звезды;
Td - время треугольника;

- главный контакт
Рисунок 6 - Реле звезда-треугольник
445-01-10
реле с суммированием времени (summation time relay): Реле времени, в котором выходная цепь переключается в момент, когда истекло время установки, равное суммарной длительности интервалов времени, в течение которых был приложен управляющий сигнал (см.
рисунок 7).
Рисунок 7 - Реле с суммированием времени
445-01-11
импульсное реле с задержкой (pulse delayed relay): Реле времени, в котором отсчет времени задержки начинается с момента подачи электропитания; выходная цепь переключается на некоторое время в сработанное состояние после истечения времени задержки (см.
рисунок 8).
Примечание - Производитель должен указать характер интервала - фиксированный или переменный.

- источник электропитания;
T - установленное время;

- главный контакт
Рисунок 8 - Импульсное реле с задержкой
445-01-12
импульсное реле с задержкой по управляющему сигналу (pulse delayed relay with control signal): Реле времени, в котором отсчет времени задержки начинается при подаче питания и управляющего сигнала; выход переключается на некоторое время в сработанное состояние после истечения времени задержки (см.
рисунок 9).
Примечание 1 - Повторная подача управляющего сигнала во время задержки не приведет к перезапуску времени задержки.
Примечание 2 - Производитель должен указать характер интервала - фиксированный или переменный.

- источник электропитания;

- сигнал управления;
T - установленное время;

- рабочий контакт
Рисунок 9 - Импульсное реле с задержкой
по управляющему сигналу
445-01-13
интервальное реле (interval relay): Реле времени, в котором выходная цепь при подаче питания сразу переключается в состояние срабатывания и начинается отсчет времени задержки, выход переходит в начальное состояние после истечения установленного времени (см.
рисунок 10).

- источник электропитания;
T - установленное время;

- рабочий контакт
Рисунок 10 - Интервальное реле
445-01-14
интервальное реле с управляющим сигналом, однократное реле (interval relay with control signal, single shot relay): Реле времени, в котором выходная цепь при подаче электропитания и управляющего сигнала переключается в сработанное состояние и начинается отсчет времени задержки; выходная цепь переходит в начальное состояние после истечения установленного времени (см.
рисунок 11).
Примечание - Повторная подача управляющего сигнала во время задержки не приведет к перезапуску времени задержки.

- источник электропитания;

- сигнал управления;
T - установленное время;

- рабочий контакт
Рисунок 11 - Интервальное реле с управляющим сигналом
445-01-15
перезапускаемое интервальное реле с включением по управляющему сигналу, реле сторожевого таймера (retriggerable interval relay with control signal on, watchdog relay): Реле времени, в котором выходная цепь переключается в сработанное состояние при подаче электропитания и управляющего сигнала и начинается отсчет времени задержки; выходная цепь переходит в начальное состояние по прошествии установленного времени при условии, что управляющий сигнал не действовал в течение этого установленного времени.
Примечание - Повторная подача управляющего сигнала во время задержки приведет к перезапуску времени задержки.

- источник электропитания;

- сигнал управления;
T - установленное время;

- рабочий контакт
Рисунок 12 - Реле сторожевого таймера
445-01-16
перезапускаемое интервальное реле с выключением по управляющему сигналу, реле с кратковременной задержкой на выключение (retriggerable interval relay with control signal off, fleeting off delay relay): Реле времени, в котором выходная цепь переходит в сработанное состояние при подаче электропитания и выключении управляющего сигнала и начинается отсчет времени задержки; выходная цепь переходит в начальное состояние после истечения установленного времени (см.
рисунок 13).
Примечание - Повторная подача управляющего сигнала во время задержки приведет к перезапуску времени задержки.

- источник электропитания;

- сигнал управления;
T - установленное время;

- рабочий контакт
Рисунок 13 - Перезапускаемое интервальное реле с включением
по управляющему сигналу
445-01-17
реле времени на удержание (maintained time relay): Реле времени, которое не переходит в начальное состояние до тех пор, пока не будет снято возбуждающее воздействие и не истечет временной интервал (см.
рисунок 14).

- источник электропитания;
T - установленное время;

- рабочий контакт
Рисунок 14 - Реле времени на удержание
445-01-18
реле времени с последовательно включенной нагрузкой (load series time relay): Реле времени, предназначенное для последовательного соединения с нагрузкой.
Раздел 445-02 Состояние и срабатывание
445-02-01
начальное состояние (release condition): Исходное состояние выходной цепи реле времени.
445-02-02
сработанное состояние (operate condition): Состояние выходной цепи реле времени, противоположное несработанному состоянию.
445-02-03
параметр возврата (release value): Значение напряжения электропитания и/или управляющего сигнала, при котором реле времени переключается в начальное состояние.
445-02-04
параметр срабатывания (operate value): Значение напряжения электропитания и/или управляющего сигнала, при котором реле времени может начать функцию отсчета времени.
445-02-05
управляющий сигнал, запускающий сигнал (не рекомендуется) (control signal, trigger signal (deprecated)): Входной сигнал, который должен быть подан или отключен в дополнение к напряжению источника питания для обеспечения функции реле времени.
Примечание - Управляющий сигнал вырабатывается отдельным устройством, предназначенным для включения или отключения электрической цепи.
445-02-06
сигнал сброса (reset signal): Входной сигнал, который может быть подан в течение времени задержки, чтобы отменить функцию задержки и возвратить реле времени в начальное состояние.
Примечание 1 - Сигнал сброса предназначен для включения или отключения электрической цепи.
Примечание 2 - Сигнал сброса подают на отдельный от сигнала управления вход.
445-02-07
сигнал паузы, стробирующий сигнал (pause signal, gate signal): Электрический сигнал, который может быть подан и отключен в течение времени задержки, для приостановки времени задержки.
Примечание 1 - Выходная цепь реле времени во время паузы остается в том же самом сработанном или несработанном состоянии.
Примечание 2 - Сигнал паузы вырабатывается отдельным устройством, предназначенным для включения или отключения электрической цепи.
Раздел 445-03 Возбуждение реле
445-03-01
электропитание, возбуждающая величина (power supply, energizing quantity): Электрическая величина (например, электрический ток или напряжение), которая должна быть приложена к входной цепи реле времени или отключена от нее для того, чтобы реле времени могло выполнять свои функции.
Раздел 445-04 Выходные цепи
445-04-01 выходная цепь (output circuit): Схема, с помощью которой нагрузка подсоединена к реле времени.
Примечание - Выходная цепь может состоять из электромеханических контактов или представлять собой полупроводниковую схему.
445-04-02
предельный кратковременный ток, кратковременный выдерживаемый ток (limiting short-time current, short-time withstand current): Ток, который цепь или коммутационное устройство в замкнутом положении способны проводить в течение установленного короткого промежутка времени при заданных условиях эксплуатации.
[441-17-17]
445-04-03
условный ток короткого замыкания выходной цепи (conditional short-circuit current of an output circuit): Прогнозируемый электрический ток, который контактная цепь, снабженная соответствующим устройством защиты от короткого замыкания, может удовлетворительно выдерживать в течение полного времени размыкания цепи устройством защиты при заданных условиях эксплуатации.
[IEC 60947-1. Определение 2.5.29 MOD]
445-04-04
падение напряжения в полупроводниковой выходной цепи в замкнутом состоянии, падение напряжения в полупроводниковой выходной цепи (не рекомендуется) (on-state voltage drop of a solid-state output circuit, voltage drop of a solid-state output circuit (deprecated)): Напряжение, измеренное на эффективно проводящей полупроводниковой выходной цепи реле времени при пропускании заданного тока нагрузки.
445-04-05
ток утечки полупроводниковой выходной цепи, ток полупроводниковой выходной цепи в запертом состоянии (не рекомендуется) (leakage current of a solid-state output, off-state current of a solid-state output (deprecated)): Электрический ток, который протекает через эффективно запертую полупроводниковую выходную цепь реле времени при заданном напряжении.
445-04-06
выходная цепь мгновенного действия (instantaneous output): Выходная цепь, которая переключается в сработанное состояние/состояние сразу при подаче/отключении электропитания или управляющего сигнала.
Раздел 445-05 Времена, характеризующие функционирование реле
445-05-01
заданное время (specified time): Заданная характеристика реле времени для функции данного типа, например время срабатывания, время восстановления, время импульсного включения, временной интервал.
Примечание - В тексте понятие установки времени, которому присваивается определенное значение, должно быть обозначено как "заданное время".
445-05-02
минимальная длительность управляющего импульса (minimum control impulse time): Самая короткая продолжительность подачи электропитания или управляющего сигнала для выполнения определенной функции.
445-05-03
критическая длительность импульса (critical impulse time): Наиболее продолжительная по времени подача электропитания или длительность управляющего сигнала, которая может воздействовать на реле без нарушения сработанного состояния или определенной функции.
445-05-04
время возврата (recovery time): Минимальный интервал времени, на которое должно быть отключено напряжение питания или снят или перезапущен управляющий сигнал, прежде чем определенная функция может быть выполнена снова.
445-05-05
критическое время прерывания (critical interrupt time): Максимальная продолжительность по времени, в течение которого электропитание или управляющий сигнал могут быть отключены от реле без нарушения определенной функции.
445-05-06
время программы (time programme): Временная характеристика для реле времени, предназначенного выполнять последовательность операций в выходной цепи (типа замыкания и/или размыкания).
445-05-07
кратность установки заданного времени (setting ratio of a specified time): Отношение максимального устанавливаемого значения заданного времени к минимальному значению.
445-05-08
время задержки по включению питания (power on-delay time): Интервал времени между моментом времени, когда питание подается на реле с задержкой по включению питания, и моментом, когда выходная цепь этого реле переключается в сработанное состояние.
445-05-09
время задержки по выключению питания (power off-delay time): Интервал времени между моментом времени, когда напряжение питания снимается с реле с задержкой по выключению, и моментом, когда выходная цепь этого реле переключается в начальное состояние.
445-05-10
временной интервал (interval time): Интервал времени, в течение которого выходная цепь интервального реле переходит в сработанное состояние.
445-05-11
время включения по импульсу (pulse on time): Интервал времени, в течение которого выходная цепь периодически коммутируемого реле времени переходит в сработанное состояние.
445-05-12
время выключения по импульсу (pulse off time): Интервал времени, в течение которого выходная цепь периодически коммутируемого реле времени переходит в начальное состояние.
445-05-13
время возврата реле задержки на включение (release time of an on-delay relay): Интервал времени между моментом отключения электропитания и моментом, когда выходная цепь реле задержки на включение перейдет в начальное состояние.
445-05-14
время срабатывания реле задержки на выключение (operate time of an off-delay relay): Интервал времени между моментом подачи напряжения питания или управляющего сигнала и моментом, когда выходная цепь реле задержки на выключение переключится в сработанное состояние.
445-05-15
время установки (setting time): Предписанные значения заданного времени.
Примечание - В тексте понятие установки времени, которому присвоено значение, должно быть обозначено как "заданное время".
445-05-16
фактическое значение времени (actual time value): Значение заданного времени, измеренное при заданных условиях.
445-05-17
диапазон установки времени (setting time range): Диапазон установки значений заданного времени.
445-05-18
время превышения (overshoot time): Разница между временем задержки на включение и критической длительностью импульса.
Раздел 445-06 Влияющие величины. Ошибки и точность
445-06-01
влияющая величина (influence quantity): Величина, не являющаяся необходимой для функционирования устройства, но влияющая на его характеристики.
Примечание - Для электрических устройств типичными влияющими величинами могут служить температура, влажность, давление.
[151-16-31]
445-06-02
степень влияния на заданное время (effect of influence on specified time): Степень влияния, которое влияющая величина оказывает на заданное время в пределах своего номинального диапазона значений.
445-06-03
абсолютная временная погрешность (absolute time error): Разница между измеренным значением времени и установленным временем.
445-06-04
относительная временная погрешность (relative time error): Отношение абсолютной погрешности к значению установленного временем.
445-06-05
средняя временная погрешность (mean time error): Для реле времени и заданного количества измерений, выполненных в идентичных указанных условиях, частное от деления суммы абсолютных или относительных значений ошибок на количество измерений.
445-06-06
максимальная временная погрешность (maximum time error): Для данного реле времени максимальная временная погрешность, которую можно ожидать с заданным уровнем достоверности в определенных идентичных условиях.
445-06-07
точность установки (setting accuracy): Разница между измеренным значением заданного времени и нормальным значением, установленным по шкале.
Примечание - В случае аналоговой установки времени значение погрешности установки относится к максимальному значению параметра.
445-06-08
воспроизводимость (repeatability): Разность между верхним и нижним пределами установленного доверительного интервала, определенного по нескольким измерениям на реле задержки в идентичных условиях.
Примечание - Как правило, воспроизводимость указывают в процентах от среднего значения по всем измеренным величинам.
Раздел 445-07 Электромагнитная совместимость
445-07-01
порт электропитания (power port): Место, в котором напряжение питания (переменного или постоянного тока) подключается к реле времени.
445-07-02
порт управления (control port): Дополнительный порт для запуска функций при поданном напряжении питания или для подсоединения выносного потенциометра, управляющего сигнала и т.д.
Примечание - Существуют порты управления астатического (со свободным потенциалом) и не астатического управления.
445-07-03
выходной порт (output port): Порт, где нагрузка подключена к реле времени.
Примечание - Выходной порт может состоять из электромеханических контактов или быть полупроводниковым.
445-07-04
порт корпуса (enclosure port): Физические границы реле времени, через которые электромагнитные поля могут излучаться или воздействовать.
Алфавитный указатель терминов на русском языке
величина влияющая | |
воспроизводимость | |
время включения по импульсу | |
время возврата | |
время возврата реле задержки на включение | |
время выключения по импульсу | |
время заданное | |
время задержки по включению питания | |
время задержки по выключению питания | |
время превышения | |
время прерывания критическое | |
время программы | |
время срабатывания реле задержки на выключение | |
время установки | |
диапазон установки времени | |
длительность импульса критическая | |
длительность управляющего импульса минимальная | |
значение времени фактическое | |
интервал временной | |
кратность установки заданного времени | |
падение напряжения в полупроводниковой выходной цепи в замкнутом состоянии, падение напряжения в полупроводниковой выходной цепи (не рекомендуется) | |
параметр возврата | |
параметр срабатывания | |
погрешность временная абсолютная | |
погрешность временная относительная | |
погрешность временная средняя | |
погрешность максимальная временная | |
порт выходной | |
порт корпуса | |
порт управления | |
порт электропитания | |
реле времени | |
реле времени на удержание | |
реле времени с последовательно включенной нагрузкой | |
реле звезда-треугольник | |
реле импульсное с задержкой | |
реле импульсное с задержкой по управляющему сигналу | |
реле импульсное симметричное, реле с симметричным повторением цикла | |
реле импульсное, реле с повторением цикла | |
реле интервальное | |
реле интервальное перезапускаемое с включением по управляющему сигналу, реле сторожевого таймера | |
реле интервальное перезапускаемое с выключением по управляющему сигналу, реле с кратковременной задержкой на выключение | |
реле интервальное с управляющим сигналом, однократное реле | |
реле импульсное асимметричное, реле с асимметричным повторением цикла | |
реле с задержкой по включению электропитания | |
реле с задержкой по выключению электропитания | |
реле с задержкой включения и выключения по управляющему сигналу | |
реле с задержкой выключения по управляющему сигналу | |
реле с суммированием времени | |
сигнал сброса | |
сигнал паузы, сигнал стробирующий | |
сигнал управляющий, сигнал запускающий (не рекомендуется) | |
состояние начальное | |
состояние сработанное | |
степень влияния на заданное время | |
ток короткого замыкания выходной цепи условный | |
ток кратковременный предельный, ток кратковременный выдерживаемый | |
ток утечки полупроводниковой выходной цепи, ток полупроводниковой выходной цепи в запертом состоянии (не рекомендуется) | |
точность установки | |
цепь выходная мгновенного действия | |
электропитание, величина возбуждающая | |
Алфавитный указатель терминов на английском языке
absolute time error | |
actual time value | |
asymmetrical flasher relay, asymmetrical repeat cycle relay | |
conditional short-circuit current of an output circuit | |
control port | |
control signal, trigger signal (deprecated) | |
critical impulse time | |
critical interrupt time | |
effect of influence on specified time | |
enclosure port | |
flasher relay, repeat cycle relay | |
influence quantity | |
instantaneous output | |
interval relay | |
interval relay with control signal, single shot relay | |
interval time | |
leakage current of a solid-state output, off-state current of a solid-state output (deprecated) | |
limiting short-time current, short-time withstand current | |
load series time relay | |
maintained time relay | |
maximum time error | |
mean time error | |
minimum control impulse time | |
off-delay relay with control signal, off-delay relay | |
on- and off-delay relay with control signal | |
on-state voltage drop of a solid-state output circuit, voltage drop of a solid-state output circuit (deprecated) | |
operate condition | |
operate time of an off-delay relay | |
operate value | |
output port | |
overshoot time | |
pause signal, gate signal | |
power off-delay relay, true off-delay relay | |
power off-delay time | |
power on-delay relay, on-delay relay | |
power on-delay time | |
power port | |
power supply, energizing quantity | |
pulse delayed relay | |
pulse delayed relay with control signal | |
pulse off time | |
pulse on time | |
recovery time | |
relative time error | |
release condition | |
release time of an on-delay relay | |
release value | |
repeatability | |
reset signal | |
retriggerable interval relay with control signal off, fleeting off delay relay | |
retriggerable interval relay with control signal on, watchdog relay | |
setting accuracy | |
setting ratio of a specified time | |
setting time | |
setting time range | |
specified time | |
star-delta relay | |
summation time relay | |
symmetrical flasher relay, symmetrical repeat cycle relay | |
time programme | |
time relay, specified-time relay | |
(справочное)
СВЕДЕНИЯ О СООТВЕТСТВИИ ССЫЛОЧНЫХ МЕЖДУНАРОДНЫХ СТАНДАРТОВ
МЕЖГОСУДАРСТВЕННЫМ СТАНДАРТАМ
Таблица ДА.1
Сведения о соответствии ссылочных международных стандартов
межгосударственным стандартам
Обозначение и наименование ссылочного международного стандарта | Степень соответствия | Обозначение и наименование соответствующего межгосударственного стандарта |
IEC Guide 108 | - | <*> |
<*> Соответствующий межгосударственный стандарт отсутствует. До его принятия рекомендуется использовать перевод на русский язык данного международного стандарта. |
УДК 615.471:006.354 | | | IDT |
Ключевые слова: международный электротехнический словарь, реле времени |