Главная // Актуальные документы // ГОСТ (Государственный стандарт)
СПРАВКА
Источник публикации
М.: Стандартинформ, 2015
Примечание к документу
Документ введен в действие с 01.01.2016.

Взамен ГОСТ 26595-85.
Название документа
"ГОСТ 26595-2014 (ISO 6462:2011). Межгосударственный стандарт. Фрезы торцовые с механическим креплением сменных многогранных пластин. Основные размеры"
(введен в действие Приказом Росстандарта от 03.06.2015 N 538-ст)

"ГОСТ 26595-2014 (ISO 6462:2011). Межгосударственный стандарт. Фрезы торцовые с механическим креплением сменных многогранных пластин. Основные размеры"
(введен в действие Приказом Росстандарта от 03.06.2015 N 538-ст)


Содержание


Введен в действие
Приказом Федерального агентства
по техническому регулированию
и метрологии
от 3 июня 2015 г. N 538-ст
МЕЖГОСУДАРСТВЕННЫЙ СТАНДАРТ
ФРЕЗЫ ТОРЦОВЫЕ С МЕХАНИЧЕСКИМ КРЕПЛЕНИЕМ
СМЕННЫХ МНОГОГРАННЫХ ПЛАСТИН
ОСНОВНЫЕ РАЗМЕРЫ
Face milling cutters with mechanically clamped
indexable inserts. Basic dimensions
(ISO 6462:2011, MOD)
ГОСТ 26595-2014
(ISO 6462:2011)
МКС 25.100.20
Дата введения
1 января 2016 года
Предисловие
Цели, основные принципы и основной порядок проведения работ по межгосударственной стандартизации установлены ГОСТ 1.0-92 "Межгосударственная система стандартизации. Основные положения" и ГОСТ 1.2-2009 "Межгосударственная система стандартизации. Стандарты межгосударственные, правила и рекомендации по межгосударственной стандартизации. Правила разработки, принятия, применения, обновления и отмены"
Сведения о стандарте
1 ПОДГОТОВЛЕН Открытым акционерным обществом "ВНИИИНСТРУМЕНТ" (ОАО "ВНИИИНСТРУМЕНТ")
2 ВНЕСЕН Межгосударственным техническим комитетом по стандартизации МТК 95 "Инструмент"
3 ПРИНЯТ Межгосударственным советом по стандартизации, метрологии и сертификации (протокол от 25 июня 2014 г. N 45)
За принятие проголосовали:
Краткое наименование страны по МК (ИСО 3166) 004-97
Код страны по МК (ИСО 3166) 004-97
Сокращенное наименование национального органа по стандартизации
Азербайджан
AZ
Азстандарт
Армения
AM
Минэкономики Республики Армения
Беларусь
BY
Госстандарт Республики Беларусь
Казахстан
KZ
Госстандарт Республики Казахстан
Киргизия
KG
Кыргызстандарт
Молдова
MD
Молдова-Стандарт
Россия
RU
Росстандарт
Таджикистан
TJ
Таджикстандарт
Туркменистан
TM
Главгосслужба "Туркменстандартлары"
Узбекистан
UZ
Узстандарт
Украина
UA
Минэкономразвития Украины
4 Приказом Федерального агентства по техническому регулированию и метрологии от 3 июня 2015 г. N 538-ст межгосударственный стандарт ГОСТ 26595-2014 (ISO 6462:2011) введен в действие в качестве национального стандарта Российской Федерации с 1 января 2016 г.
5 Настоящий стандарт модифицирован по отношению к международному стандарту ISO 6462:2011 Face and shoulder milling cutters with indexable inserts - Dimensions (Фрезы торцовые и фрезы для обработки уступов с многогранными пластинами. Размеры) путем внесения дополнительных положений.
Международный стандарт разработан техническим комитетом по стандартизации ISO/TC 29 "Инструмент" подкомитетом SC 9 "Инструменты с режущими кромками из твердых режущих материалов" Международной организации по стандартизации (ISO).
Дополнительные положения приведены в пункте 5 и выделены полужирным курсивом. Дополнительные требования введены для возможности изготовления фрез на предприятиях.
Ссылки на международные стандарты, которые приняты в качестве межгосударственных стандартов, заменены в разделе "Нормативные ссылки" и тексте стандарта ссылками на соответствующие модифицированные межгосударственные стандарты.
Ссылки на международные стандарты, которые не приняты в качестве межгосударственных стандартов, сохранены.
Перечень технических отклонений с разъяснением причин их внесения приведен в приложении ДА.
Наименование настоящего стандарта изменено относительно наименования международного стандарта в связи с особенностями построения межгосударственной системы стандартизации.
Перевод с английского языка (en).
Официальный экземпляр международного стандарта, на основе которого разработан настоящий межгосударственный стандарт, имеется в Федеральном агентстве по техническому регулированию и метрологии.
Степень соответствия - модифицированная (MOD)
6 ВЗАМЕН ГОСТ 26595-85
Информация об изменениях к настоящему стандарту публикуется в ежегодном информационном указателе "Национальные стандарты" (по состоянию на 1 января текущего года), а текст изменений и поправок - в ежемесячном информационном указателе "Национальные стандарты". В случае пересмотра (замены) или отмены настоящего стандарта соответствующее уведомление будет опубликовано в ежемесячном информационном указателе "Национальные стандарты". Соответствующая информация, уведомление и тексты размещаются также в информационной системе общего пользования - на официальном сайте Федерального агентства по техническому регулированию и метрологии в сети Интернет (www.gost.ru)
1 Область применения
Настоящий стандарт распространяется на торцовые фрезы с механическим креплением сменных многогранных пластин, предназначенные для обработки открытых плоскостей и уступов в деталях из конструкционной и легированной сталей и чугуна.
2 Нормативные ссылки
В настоящем стандарте использованы ссылки на следующие нормативные документы:
ГОСТ 9472-90 (ИСО 240-75) Крепление инструментов на оправках. Типы и размеры
ИС МЕГАНОРМ: примечание.
Взамен ГОСТ 26596-91 Приказом Росстандарта от 14.03.2017 N 132-ст с 01.01.2018 введен в действие ГОСТ 26596-2016.
ГОСТ 26596-91 Фрезы торцовые нерегулируемые с клиновым креплением многогранных твердосплавных пластин. Технические условия
ISO 2780:2006 <*> Milling cutters with tenon drive - Interchangeability dimensions for cutter arbors - Metric series (Фрезы с поводковым срезом. Размеры, обеспечивающие взаимозаменяемость с фрезерными оправками. Метрическая серия)
--------------------------------
<*> В Российской Федерации действует ГОСТ Р ИСО 2780-2013 Фрезы со шпоночным пазом. Взаимозаменяемые размеры с оправками.
ISO 2940-1:1974 <**> Milling cutters mounted on centring arbors having a 7/24 taper - Part 1: Fitting dimensions. Centring arbors (Фрезы, устанавливаемые на центрирующих оправках конусностью 7/24. Часть 1. Посадочные размеры. Центрирующие оправки)
--------------------------------
<**> В Российской Федерации действует ГОСТ Р 50560-93 (ИСО 2940-1-74) Фрезы, устанавливаемые на центрирующие оправки с конусом 7:24. Присоединительные размеры. Центрирующие оправки.
ISO 3365:1985 <***> Indexable hardmetal (carbide) inserts with wiper edges, without fixing hole - Dimensions (Пластины многогранные сменные твердосплавные (карбидные) с зачистными кромками без крепежного отверстия. Размеры)
--------------------------------
<***> Действует до введения ГОСТ, разработанного на основе международного стандарта ISO 3365:1985. Перевод стандарта имеется в Федеральном агентстве по техническому регулированию и метрологии.
ISO 11529:2013 <*4> Milling cutters - Designation - Shank-type and bore-type milling cutters of solid or tipped design or with indexable cutting edges (Фрезы. Обозначения. Фрезы концевые и насадные цельные или с режущими пластинами, или со сменными режущими пластинами)
--------------------------------
<*4> Действует до введения ГОСТ, разработанного на основе международного стандарта ISO 11529:2013. Перевод стандарта имеется в Федеральном агентстве по техническому регулированию и метрологии.
Примечание - При пользовании настоящим стандартом целесообразно проверить действие ссылочных стандартов в информационной системе общего пользования - на официальном сайте Федерального агентства по техническому регулированию и метрологии в сети Интернет или по ежегодному информационному указателю "Национальные стандарты", который опубликован по состоянию на 1 января текущего года, и по выпускам ежемесячного информационного указателя "Национальные стандарты" за текущий год. Если ссылочный стандарт заменен (изменен), то при пользовании настоящим стандартом следует руководствоваться заменяющим (измененным) стандартом. Если ссылочный стандарт отменен без замены, то положение, в котором дана ссылка на него, применяется в части, не затрагивающей эту ссылку.
3 Типы и основные размеры
3.1 Фрезы торцовые с механическим креплением сменных многогранных пластин следует изготовлять с главными углами в плане kr, равными 45°, 60°, 75° и 90° следующих трех типов:
A - с торцовым шпоночным пазом и гнездом под крепежный винт с шестигранной головкой, закрепляемые на оправке;
B - с торцовым шпоночным пазом и гнездом под крепежный винт, с размерами, обеспечивающими взаимозаменяемость с фрезерными оправками по ИСО 2780, закрепляемые на оправке;
C - устанавливаемые на центрирующие оправки с конусом 7:24, с посадочными размерами по ИСО 2940-1, закрепляемые на концах шпинделей.
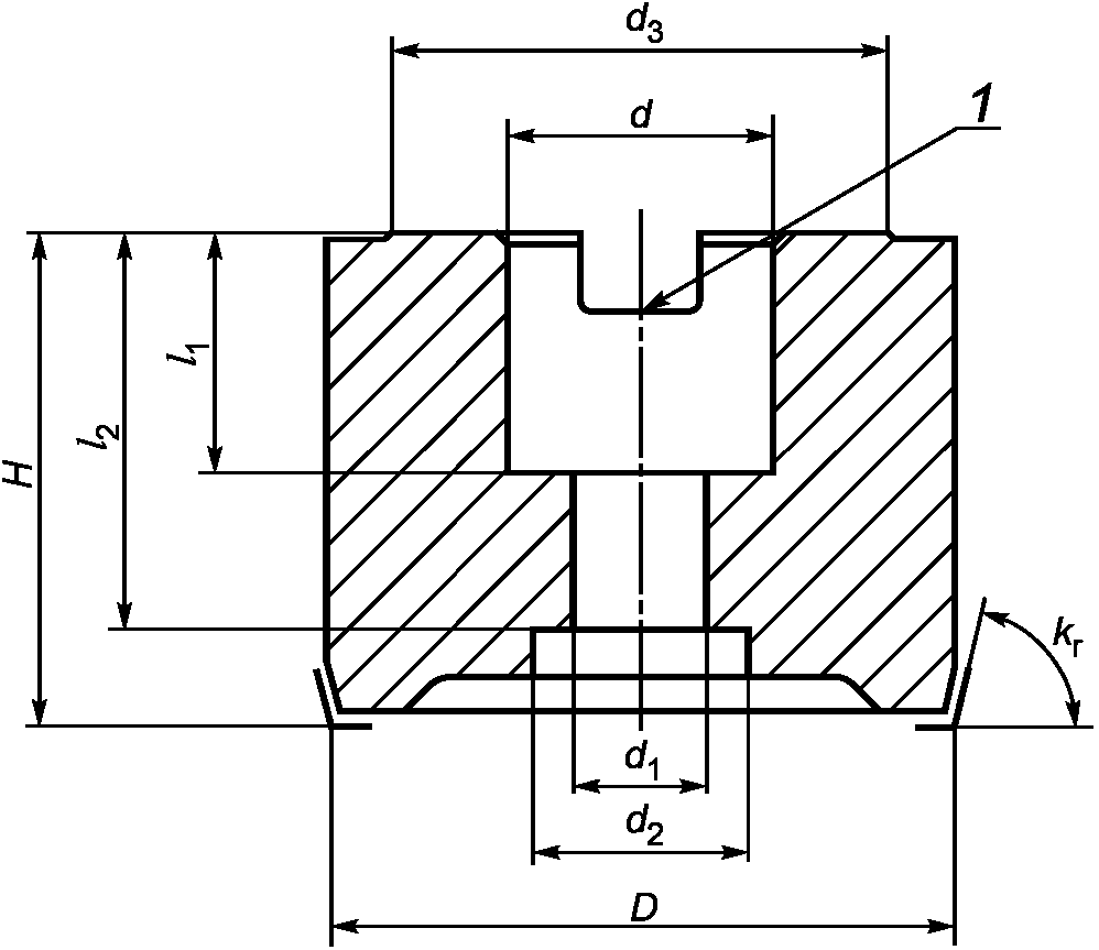
3.2 Основные размеры фрез типа A должны соответствовать указанным на рисунке 1 и в таблице 1.
1 - шпоночный паз - по ГОСТ 9472
Рисунок 1
Таблица 1
Размеры в миллиметрах
Обозначение фрезы по ISO 11529 <*>
D
js16
kr
d
H7
d1
js 13
d2
не менее
d3
не менее
H
+/- 0,15
l1
l2 не более
Крепежный винт
40Ax R(L)045xxxFDA22016
40
45°
16
9
14
33
40
18
31
М8
40Ax R(L)060xxxFDA22016
60°
40Ax R(L)075xxxFDA22016
75°
40Ax R(L)090xxxFDA22016
90°
50Ax R(L)045xxxFDA22022
50
45°
22
11
18
41
20
33
М10
50Ax R(L)060xxxFDA22022
60°
50Ax R(L)075xxxFDA22022
75°
50Ax R(L)090xxxFDA22022
90°
63Ax R(L)045xxxFDA22016
63
45°
63Ax R(L)060xxxFDA22022
60°
63Ax R(L)075xxxFDA22022
75°
63Ax R(L)090xxxFDA22022
90°
80Ax R(L)045xxxFDA22027
80
45°
27
14
20
49
50
22
37
М12
80Ax R(L)060xxxFDA22027
60°
80Ax R(L)075xxxFDA22027
75°
80Ax R(L)090xxxFDA22027
90°
100Ax R(L)045xxxFDA22032
100
45°
32
18
27
59
25
33
М16
100Ax R(L)050xxxFDA22032
60°
100Ax R(L)075xxxFDA22032
75°
100Ax R(L)090xxxFDA22032
90°
<*> Вместо "x" в обозначении фрез указываются символы в соответствии с ISO 11529.
3.3 Основные размеры фрез типа B должны соответствовать указанным на рисунке 2 и в таблице 2.
1 - шпоночный паз - по ГОСТ 9472
Рисунок 2
Таблица 2
Размеры в миллиметрах
Обозначение фрезы по ISO 11529 <*>
D
js 16
kr
d
H7
d2
не менее
d3
не менее
H
+/- 0,15
l1
Крепежный винт
не менее
не более
80Bx R(L)045xxxFDA12027
80
45°
27
38
49
50
22
30
М12
80Bx R(L)060xxxFDA12027
60°
80Bx R(L)075xxxFDA12027
75°
80Bx R(L)090xxxFDA12027
90°
100Bx R(L)045xxxFDA12032
100
45°
32
45
59
25
32
М16
100Bx R(L)060xxxFDA12032
60°
100Bx R(L)075xxxFDA12032
75°
100Bx R(L)090xxxFDA12032
90°
125Bx R(L)045xxxFDA12040
125
45°
40
56
71
63
28
35
М20
125Bx R(L)060xxxFDA12040
60°
125Bx R(L)075xxxFDA12040
75°
125Bx R(L)090xxxFDA12040
90°
160Bx R(L)045xxxFDA12040
160
45°
90
160Bx R(L)060xxxFDA12040
60°
160Bx R(L)075xxxFDA12040
75°
160Bx R(L)090xxxFDA12040
90°
<*> Вместо "x" в обозначении фрез указываются символы в соответствии с ISO 11529.
3.4 Основные размеры фрез типа C должны соответствовать указанным на рисунках 3 и 4 и в таблице 3.
--------------------------------
<*> По заказу потребителя
Рисунок 3 - Для фрез диаметрами 160, 200, 250 мм
--------------------------------
<*> По заказу потребителя
Рисунок 4 - Для фрез диаметрами 315, 400, 500 мм
Таблица 3
Размеры в миллиметрах
Обозначение фрезы по ISO 11529 <*>
D
js 16
kr
d
H7
d2 <**>
не менее
d3
не менее
d4
d5
d6
d7
d8
160Cx R(L)045xxxSPK01040
160
45°
40
56
90
14,0
20
-
-
66,7
160Cx R(L)060xxxSPK01040
60°
160Cx R(L)075xxxSPK01040
75°
160Cx R(L)090xxxSPK01040
90°
200Cx R(L)045xxxSPK02060
200
45°
60
78
130
17,5
26
101,6
200Cx R(L)06xxxSPK02060
60°
200Cx R(L)075xxxSPK02060
75°
200Cx R(L)090xxxSPK02060
90°
250Cx R(L)045xxxSPK02060
250
45°
250Cx R(L)060xxxSPK02060
60°
250Cx R(L)075xxxSPK02060
75°
250Cx R(L)090xxxSPK02060
90°
315Cx R(L)045xxxSPK05060
315
45°
225
22
33
315Cx R(L)060xxxSPK05060
60°
315Cx R(L)075xxxSPK05060
75°
315Cx R(L)090xxxSPK05060
90°
400Cx R(L)045xxxSPK05060
400
45°
400Cx R(L)060xxxSPK05060
60°
400Cx R(L)075xxxSPK05060
75°
400Cx R(L)090xxxSPK05060
90°
500Cx R(L)045xxxSPK05060
500
45°
500Cx R(L)060xxxSPK05060
60°
500Cx R(L)075xxxSPK05060
75°
500Cx R(L)090xxxSPK05060
90°
Окончание таблицы 3
Размеры в миллиметрах
Обозначение фрезы по ISO 11529 <*>
d9
H
+/- 0,15
l1 <**>
l2
l3 не менее
b
H11
a
+0,5
t1
t2
Номер конуса оправки
160Cx R(L)045xxxSPK01040
-
63
29
28
105
16,4
9
0,3
0,12
40
160Cx R(L)060xxxSPK01040
160Cx R(L)075xxxSPK01040
160Cx R(L)090xxxSPK01040
200Cx R(L)045xxxSPK02060
34
32
155
25,7
14
0,4
0,20
50
200Cx R(L)060xxxSPK02060
200Cx R(L)075xxxSPK02060
200Cx R(L)090xxxSPK02060
250Cx R(L)045xxxSPK02060
250Cx R(L)060xxxSPK02060
250Cx R(L)075xxxSPK02060
250Cx R(L)090xxxSPK02060
315Cx R(L)045xxxSPK05060
177,8
80
50 или 60
315Cx R(L)060xxxSPK05060
315Cx R(L)075xxxSPK05060
245
315Cx R(L)090xxxSPK05060
400Cx R(L)045xxxSPK05060
400Cx R(L)060xxxSPK05060
400Cx R(L)075xxxSPK05060
400Cx R(L)090xxxSPK05060
500Cx R(L)045xxxSPK05060
500Cx R(L)060xxxSPK05060
500Cx R(L)075xxxSPK05060
500Cx R(L)090xxxSPK05060
<*> Вместо "x" в обозначении фрез указываются символы в соответствии с ISO 11529.
<**> Для фрез диаметром D, равным или более 200 мм, на усмотрение изготовителя.
4 Корпуса фрез следует изготовлять из стали с пределом прочности не менее 700 Н/мм2.
ИС МЕГАНОРМ: примечание.
Взамен ГОСТ 26596-91 Приказом Росстандарта от 14.03.2017 N 132-ст с 01.01.2018 введен в действие ГОСТ 26596-2016.
5 Технические условия - по ГОСТ 26596.
6 Определение размеров D, H и kr приведено в приложении А.
7 Обозначение фрез - по ISO 11529.
Система обозначения фрез по ISO 11529 приведена в приложении Б.
Приложение А
(справочное)
ОПРЕДЕЛЕНИЕ РАЗМЕРОВ D, H И kr ТОРЦОВЫХ ФРЕЗ
А.1 Диаметр режущей части фрез измеряется в точке a, являющейся пересечением рабочей плоскости с главной режущей кромкой или ее продолжением. Положения точки a в зависимости от формы сменных режущих пластин указаны на рисунках А.1 и А.2.
Рисунок А.1 - Фрезерование открытых плоскостей
Рисунок А.2 - Фрезерование уступов
А.2 Размеры D и H, указанные в таблицах 1, 2 и 3 стандарта, и их предельные отклонения относятся к эталонным пластинам с зачистными кромками, имеющими форму и размеры по ISO 3365. При применении других пластин D и H будут меняться.
А.3 Номинальное значение главного угла в плане kr измеряется между рабочей плоскостью и главной режущей кромкой.
А.4 Высота H фрез измеряется от рабочей плоскости до торцовой опорной поверхности.
Приложение Б
(справочное)
СИСТЕМА ОБОЗНАЧЕНИЯ ФРЕЗ ПО ISO 11529
Обозначение фрез состоит из символов, значения и последовательность расположения которых следующее:
Позиция
Определение символов
1
Символ обозначения (число), идентифицирующий диаметр фрезы;
2
Символ обозначения (буква), идентифицирующий тип фрезы;
3
Символ обозначения (число), идентифицирующий количество режущих кромок;
4
Символ обозначения (буква), идентифицирующий направление резания;
5
Символ обозначения (число), идентифицирующий угол режущей кромки;
6
Символ обозначения (буква), идентифицирующий конструкцию фрезы;
7
Символ обозначения (число), идентифицирующий максимальную глубину и ширину резания;
8
Символ обозначения (буква), идентифицирующий расположение пазов для многогранных пластин на корпусе фрезы;
9
Символ обозначения (буквы), идентифицирующий тип посадочного отверстия фрезы;
10
Символ обозначения (число), идентифицирующий форму посадочного отверстия фрезы;
11
Символ обозначения (число), идентифицирующий размер посадочного отверстия фрезы.
Приложение ДА
(справочное)
ПЕРЕЧЕНЬ ТЕХНИЧЕСКИХ ОТКЛОНЕНИЙ С РАЗЪЯСНЕНИЕМ
ПРИЧИН ИХ ВНЕСЕНИЯ
Перечень технических отклонений приведен в таблицах ДА.1 и ДА.2
Таблица ДА.1
Структурный элемент (раздел)
Модификация
Нормативные ссылки
Ссылка на ISO 240 "Фрезы. Размеры фрезерных оправок, обеспечивающие взаимозаменяемость" заменена ссылкой на ГОСТ 9472-90 (ИСО 240-75) <1> "Крепление инструментов на оправках. Типы и размеры"
<1> Степень соответствия - MOD.
Внесенные технические отклонения обеспечивают выполнение требований настоящего стандарта.
Таблица ДА.2
Структурный элемент (раздел)
Модификация
Разделы 3 и 4
Объединены. Наименование объединенного раздела 3 изменено на: "Типы и основные размеры"
ИС МЕГАНОРМ: примечание.
Взамен ГОСТ 26596-91 Приказом Росстандарта от 14.03.2017 N 132-ст с 01.01.2018 введен в действие ГОСТ 26596-2016.
Раздел 5
Заменен пунктами 4 и 5. Пункт 5 устанавливает ссылку на технические условия фрез - по ГОСТ 26596.
Пояснение - Настоящий стандарт включает дополнительные требования для возможности изготовления фрез на предприятиях.
УДК 621.914.22:006.354
МКС 25.100.20
Ключевые слова: фрезы торцовые, сменные многогранные пластины, размеры