Главная // Актуальные документы // ГОСТ (Государственный стандарт)СПРАВКА
Источник публикации
М.: Стандартинформ, 2016
Примечание к документу
Документ
введен в действие с 01.07.2017.
Название документа
"ГОСТ 33662.1-2015 (ISO 5149-1:2014). Межгосударственный стандарт. Холодильные системы и тепловые насосы. Требования безопасности и охраны окружающей среды. Часть 1. Определения, классификация и критерии выбора"
(введен в действие Приказом Росстандарта от 02.06.2016 N 504-ст)
"ГОСТ 33662.1-2015 (ISO 5149-1:2014). Межгосударственный стандарт. Холодильные системы и тепловые насосы. Требования безопасности и охраны окружающей среды. Часть 1. Определения, классификация и критерии выбора"
(введен в действие Приказом Росстандарта от 02.06.2016 N 504-ст)
агентства по техническому
регулированию и метрологии
от 2 июня 2016 г. N 504-ст
МЕЖГОСУДАРСТВЕННЫЙ СТАНДАРТ
ХОЛОДИЛЬНЫЕ СИСТЕМЫ И ТЕПЛОВЫЕ НАСОСЫ
ТРЕБОВАНИЯ БЕЗОПАСНОСТИ И ОХРАНЫ ОКРУЖАЮЩЕЙ СРЕДЫ
ЧАСТЬ 1
ОПРЕДЕЛЕНИЯ, КЛАССИФИКАЦИЯ И КРИТЕРИИ ВЫБОРА
Refrigerating systems and heat pumps. Safety
and environmental requirements. Part 1. Definitions,
classification and selection criteria
(ISO 5149-1:2014, MOD)
ГОСТ 33662.1-2015
(ISO 5149-1:2014)
Дата введения
1 июля 2017 года
Цели, основные принципы и основной порядок проведения работ по межгосударственной стандартизации установлены
ГОСТ 1.0-92 "Межгосударственная система стандартизации. Основные положения" и
ГОСТ 1.2-2009 "Межгосударственная система стандартизации. Стандарты межгосударственные, правила и рекомендации по межгосударственной стандартизации. Правила разработки, принятия, применения, обновления и отмены"
1 ПОДГОТОВЛЕН Техническими комитетами по стандартизации Российской Федерации ТК 061 "Вентиляция и кондиционирование", ТК 271 "Установки холодильные" и Федеральным государственным унитарным предприятием "Всероссийский научно-исследовательский институт стандартизации и сертификации в машиностроении" (ВНИИНМАШ) на основе собственного аутентичного перевода на русский язык англоязычной версии стандарта, указанного в
пункте 5
2 ВНЕСЕН Федеральным агентством по техническому регулированию и метрологии (Росстандарт)
3 ПРИНЯТ Межгосударственным советом по стандартизации, метрологии и сертификации (протокол от 10 декабря 2015 г. N 48-2015)
За принятие проголосовали:
Краткое наименование страны по МК (ISO 3166) 004-97 | Код страны по МК (ISO 3166) 004-97 | Сокращенное наименование национального органа по стандартизации |
Армения | AM | Минэкономики Республики Армения |
Беларусь | BY | Госстандарт Республики Беларусь |
Казахстан | KZ | Госстандарт Республики Казахстан |
Киргизия | KG | Кыргызстандарт |
Молдова | MD | Молдова-Стандарт |
Россия | RU | Росстандарт |
Таджикистан | TJ | Таджикстандарт |
Узбекистан | UZ | Узстандарт |
4
Приказом Федерального агентства по техническому регулированию и метрологии от 2 июня 2016 г. N 504-ст межгосударственный стандарт ГОСТ 33662.1-2015 (ISO 5149-1:2014) введен в действие в качестве национального стандарта Российской Федерации с 1 июля 2017 г.
5 Настоящий стандарт является модифицированным по отношению к международному стандарту ISO 5149-1:2014 "Холодильные системы и тепловые насосы. Требования безопасности и охраны окружающей среды. Часть 1. Определения, классификация и критерии выбора" ("Refrigerating systems and heat pumps - Safety and environmental requirements - Part 1: Definitions, classification and selection criteria", MOD) путем изменения ссылок.
Ссылки на международные стандарты заменены в
разделе "Нормативные ссылки" и тексте стандарта ссылками на соответствующие идентичные и модифицированные межгосударственные стандарты.
Сведения о соответствии ссылочных межгосударственных стандартов международным стандартам, использованным в качестве ссылочных в примененном международном стандарте, приведены в дополнительном
приложении ДА.
Международный стандарт разработан Техническим комитетом по стандартизации ISO/TC 86 "Охлаждение и кондиционирование воздуха" Международной организации по стандартизации (ISO).
Официальные экземпляры международного стандарта, на основе которого подготовлен настоящий межгосударственный стандарт, и международные стандарты, на которые даны ссылки, имеются в национальных органах по стандартизации указанных выше государств
6 ВВЕДЕН ВПЕРВЫЕ
Информация об изменениях к настоящему стандарту публикуется в ежегодном информационном указателе "Национальные стандарты" (по состоянию на 1 января текущего года), а текст изменений и поправок - в ежемесячном информационном указателе "Национальные стандарты". В случае пересмотра (замены) или отмены настоящего стандарта соответствующее уведомление будет опубликовано в ежемесячном информационном указателе "Национальные стандарты". Соответствующая информация, уведомление и тексты размещаются также в информационной системе общего пользования - на официальном сайте Федерального агентства по техническому регулированию и метрологии в сети Интернет (www.gost.ru)
Настоящий стандарт предназначен для содействия проектированию, изготовлению, утилизации, монтажу и безопасной эксплуатации холодильных систем.
Реагирование промышленности на проблему хлорфторуглеродов (ХФУ) ускорило применение альтернативных хладагентов. Приход на рынок новых, в том числе смесевых, хладагентов (и смесей) и внедрение новых классификаций безопасности стали причиной пересмотра требований настоящего международного стандарта.
Настоящий стандарт направлен на сохранение имущества, жизни и здоровья физических и юридических лиц в непосредственной близости от помещений, в которых находятся холодильные установки. Кроме того, он содержит требования к изготовлению герметичных систем.
Цель настоящего стандарта состоит в минимизации потенциальных опасностей для людей, имущества и окружающей среды, обусловленных эксплуатацией холодильных систем и хладагентов. Эти опасности в основном связаны с физическими и химическими свойствами хладагентов и значениями давлений и температур, возникающих при реализации холодильных циклов (см.
Приложение A).
Следует обращать внимание также на опасности, общие для всех компрессорных систем, такие как высокая температура нагнетания, гидравлические удары, неправильная эксплуатация, снижение механической прочности в результате коррозии, усталости, термических, ударных и вибрационных нагрузок.
На опасности, обусловленные коррозией, в холодильных системах следует обращать особое внимание, поскольку эти системы работают в условиях попеременного замораживания и оттаивания, а их оборудование, как правило, покрыто теплоизоляцией.
Пары всех веществ, обычно используемых в качестве хладагентов, за исключением R-717, тяжелее воздуха. Поэтому путем соответствующего расположения вентиляционных отверстий и воздуховодов с приточной и вытяжной вентиляцией необходимо предотвращать образование застойных зон, в которых могут накапливаться тяжелые пары хладагентов. Все машинные залы должны быть оснащены системами принудительной механической вентиляции, управляемой по командам сигнализаторов недостачи кислорода или избыточной концентрации паров хладагента.
Настоящий стандарт устанавливает требования к безопасности людей и имущества, предоставляет рекомендации по охране окружающей среды и определяет порядок действий при эксплуатации, техническом обслуживании и ремонте холодильных систем, а также при восстановлении хладагентов.
Настоящий стандарт определяет классификацию и критерии выбора холодильных систем и тепловых насосов. Эту классификацию и критерии выбора используют в
ГОСТ 33662.2-2015,
ГОСТ 33662.4-2015 и
[4].
Положения настоящего стандарта распространяются на:
a) мобильные и стационарные холодильные системы всех типов и размеров, в том числе тепловые насосы;
b) системы охлаждения и/или обогрева с промежуточным контуром;
c) различные варианты размещения холодильных систем;
d) детали, узлы и компоненты холодильных систем, добавляемых или заменяемых в эксплуатируемых системах после введения настоящего стандарта, если их производительность или функции не идентичны ранее действовавшим.
Положения настоящего стандарта действуют для стационарных или мобильных систем, кроме систем, устанавливаемых на автомобильных транспортных средствах и подпадающих под действие соответствующих стандартов, например
[1] и
[2].
Настоящий стандарт применим к новым холодильным системам, расширяемым или модифицируемым существующим системам, а также к используемым системам, которые перемещают для работы на новом месте.
Положения настоящего стандарта применяют также в случае перевода действующей холодильной системы на другой хладагент.
Предельно допустимое количество хладагента в холодильных системах различных типов и вариантов размещения определяют в соответствии с
Приложением A.
Требования безопасности и охраны окружающей среды при использовании различных хладагентов в холодильных системах и системах кондиционирования воздуха приведены в
Приложении B.
Стандарт не распространяется на холодильные системы, в которых используют хладагенты, не перечисленные в
[3].
В настоящем стандарте использованы ссылки на следующие межгосударственные стандарты:
ГОСТ IEC 60335-2-24-2012 Безопасность бытовых и аналогичных электрических приборов. Часть 2-24. Частные требования к холодильным приборам, мороженицам и устройствам для производства льда
ГОСТ IEC 60335-2-89-2013 Безопасность бытовых и аналогичных электрических приборов. Часть 2-89. Частные требования к торговому холодильному оборудованию со встроенным или дистанционным узлом конденсации хладагента или компрессором для предприятий общественного питания
ГОСТ 33662.2-2015 (ISO 5149-2:2014) Холодильные системы и тепловые насосы. Требования безопасности и охраны окружающей среды. Часть 2. Проектирование, конструкция, испытания, маркировка и документация
ГОСТ 33662.4-2015 (ISO 5149-4:2014) Холодильные системы и тепловые насосы. Требования безопасности и охраны окружающей среды. Часть 4. Эксплуатация, техническое обслуживание, ремонт и восстановление
Примечание - При пользовании настоящим стандартом целесообразно проверить действие ссылочных стандартов в информационной системе общего пользования - на официальном сайте Федерального агентства по техническому регулированию и метрологии в сети Интернет или по ежегодному информационному указателю "Национальные стандарты", который опубликован по состоянию на 1 января текущего года, и по выпускам ежемесячного информационного указателя "Национальные стандарты" за текущий год. Если ссылочный стандарт заменен (изменен), то при пользовании настоящим стандартом следует руководствоваться заменяющим (измененным) стандартом. Если ссылочный стандарт отменен без замены, то положение, в котором дана ссылка на него, применяется в части, не затрагивающей эту ссылку.
В настоящем стандарте применены следующие термины с соответствующими определениями:
3.1 холодильные системы
3.1.1
абсорбционная система (absorption system): Холодильная система, в которой охлаждение (отбор теплоты) осуществляют за счет кипения хладагента с последующим поглощением его паров абсорбирующим или адсорбирующим агентом, после чего абсорбирующий или адсорбирующий агент нагревают, а образующиеся при этом пары хладагента с более высоким парциальным давлением насыщенных паров вновь переводят в жидкое состояние путем их охлаждения.
3.1.2
каскадная система (cascade system): Холодильная система, в состав которой входят по меньшей мере два независимых холодильных контура, при этом конденсатор одного из них напрямую передает теплоту испарителю другого.
3.1.3
непосредственная система (direct releasable system): Холодильная система, отделенная от охлаждаемой среды одной ступенью переноса теплоты.
Примечания
1 Системы, в которых вторичный теплоноситель находится в непосредственном контакте с воздухом охлаждаемого (обогреваемого) помещения или охлаждаемой (нагреваемой) продукцией (например, открытая оросительная система), также относят к непосредственным системам.
2 В настоящем стандарте непосредственные и промежуточные холодильные системы классифицируют по возможности проникновения хладагента в охлаждаемую среду в случае его утечки из холодильного контура. Если холодильная система расположена вне охлаждаемого (обогреваемого) помещения, то в зависимости от ее конструкции она может быть классифицирована и как непосредственная система и как промежуточная система.
3.1.4
промежуточная система (indirect system): Холодильная система, отделенная от охлаждаемой среды более чем одной ступенью переноса теплоты.
3.1.5
сдвоенная промежуточная система (double indirect system): Промежуточная холодильная система, в которой первый теплоноситель циркулирует в теплообменнике, расположенном вне охлаждаемого (обогреваемого) пространства, и в этом теплообменнике передает (отбирает) теплоту второго теплоносителя, находящегося в непосредственном контакте с воздухом охлаждаемого (обогреваемого) помещения или охлаждаемой (нагреваемой) продукцией.
Пример - Открытая оросительная или аналогичная система.
3.1.6
система с ограниченной заправкой (limited charge system): Холодильная система, имеющая такой внутренний объем и величину заправки жидким хладагентом, что во время ее стоянки максимально допустимое давление в ней не будет превышено даже в случае полного перехода жидкого хладагента в газообразное состояние.
3.1.7
сторона высокого давления (high-pressure side): Часть холодильной системы, работающая при давлении, близком к давлению конденсации.
3.1.8
сторона низкого давления (low-pressure side): Часть холодильной системы, работающая при давлении, близком к давлению кипения.
3.1.9
холодильная система (тепловой насос) (refrigerating system (heat pump)): Сборка взаимосвязанных частей, содержащих хладагент и объединенных в замкнутый контур, внутри которого циркулирует хладагент с целью отбора или подвода теплоты (т.е. охлаждения или нагрева).
Примечание - Термин "холодильный" используют как применительно к процессам отбора теплоты, так и применительно к оборудованию для реализации этих процессов (холодильный агрегат).
3.1.10
автономная система (self-contained system): Холодильная система, полностью изготовленная в заводских условиях и транспортируемая в виде одной или нескольких составных частей, установленных на рамах (раме) и/или заключенных в соответствующий кожух, в которых ни один компонент, содержащий хладагент, за исключением запорных и обратных клапанов, не подключают на месте предполагаемого использования.
3.1.11
герметичная система (sealed system): Холодильная система, в которой все компоненты, содержащие хладагент, соединены герметично при помощи сварки, пайки или аналогичного неразъемного соединения.
Примечание - Соединение, в котором уровень утечек составляет менее 3 граммов хладагента в год при испытаниях на герметичность давлением не ниже 0,25 максимального рабочего давления (PS) и в котором неудовлетворительное соединение металлических уплотнений устраняют применением специального инструмента, клея и т.п., рассматривают как аналогичное неразъемное соединение. В качестве такого соединения, в частности, могут выступать клапаны, снабженные герметичными крышками, и герметичные ниппельные клапаны для сервисного обслуживания.
3.1.12
система (system): Сборка отдельных узлов и агрегатов, работающих как единый механизм или взаимосвязанная совокупность механизмов.
| | ИС МЕГАНОРМ: примечание. В официальном тексте документа, видимо, допущена опечатка: пункт 4.2 отсутствует. Возможно, имеется в виду пункт 5.2. | |
Примечание - Примеры систем приведены в
4.2.
3.1.13
моноблочная система (unit system): Автономная система, полностью собранная, готовая к использованию и испытанная перед установкой на место предполагаемого использования, которую устанавливают без необходимости соединения частей, содержащих хладагент.
Примечание - Примеры систем см.
4.2.
3.1.14
сплит-система (split system): Холодильная система, кондиционер, или тепловой насос, включающие один или более холодильных контуров, состоящих из одного или более внутренних блоков заводского изготовления, обеспечивающих охлаждение или обогрев помещений, а также из одного или более наружных блоков заводского изготовления.
3.1.15
мультисплит-система (multisplit system): Сплит-система, содержащая более одного внутреннего блока.
3.2 комнаты и помещения
3.2.1
подвальное помещение (подпол): Пространство, используемое, как правило, только для технического обслуживания, доступ к которому и проход через которое закрыты.
3.2.2
выход (exit): Проем в наружной стене, снабженный либо нет дверью или воротами.
3.2.3
проход к выходу (exit passageway): Прямой участок прохода, расположенный внутри помещения в непосредственной близости от выхода, через который люди могут покидать помещение.
3.2.4
коридор (hallway): Помещение, предназначенное для прохода людей.
3.2.5
машинное отделение (machinery room): Помещение или закрытое строение с принудительной вентиляцией, предназначенное для размещения в нем компонентов холодильной системы и изолированное от общедоступных помещений, доступ в которое разрешен только уполномоченным лицам.
Примечание - В машинном отделении могут размещать и другое оборудование, не отнесенное к холодильной системе при условии, что его конструкция и требования к установке совместимы с требованиями безопасности для холодильных систем.
3.2.6
помещение (комната) (occupied space): Закрытое пространство в здании, которое ограничено стенами, полами и потолками и в котором в течение длительного периода могут находиться люди.
Примечание - Если к этому пространству, занятому людьми, примыкают другие такие же по построению и конструкции пространства и при этом между двумя этими смежными пространствами отсутствуют герметичные перегородки, то такое пространство рассматривают как часть помещения (например, пустоты над подвесными потолками, входные проходы, воздуховоды, раздвижные стены и двери с вентиляционными решетками).
3.2.7
открытый воздух (open air): Любое пространство, возможно, но не обязательно находящееся под крышей, напрямую контактирующее с внешней окружающей средой.
3.2.8
специальное машинное отделение (special machinery room): Машинное отделение, предназначенное для размещения только компонентов холодильной системы.
Примечания
1 Специальное машинное отделение не должно содержать компонентов для поддержания горения, кроме случая использования газовой абсорбционной системы.
2 Специальное машинное отделение доступно только для подготовленных специалистов, контролирующих органов, а также для технического обслуживания и ремонта.
3.2.9
кожух с принудительной вентиляцией (ventilated enclosure): Кожух, содержащий холодильную систему и не допускающий утечку воздуха из внутреннего пространства кожуха в окружающую среду, который оборудован принудительной системой вентиляции для создания воздушного потока, направленного изнутри кожуха наружу через вентиляционную шахту.
3.3 давление
3.3.1
давление расчетное (design pressure): Значение давления, выбранное для прочностных расчетов каждого компонента оборудования.
Примечание - Величину расчетного давления используют для выбора конструкционных материалов, определения толщины стенок и конструкции компонентов с точки зрения их способности выдерживать давление.
3.3.2
давление испытания на герметичность (tightness test pressure): Значение давления, которым нагружают холодильную систему или ее часть при испытаниях на герметичность.
3.3.3
максимально допустимое давление (maximum allowable pressure),
PS: Максимальное давление, на которое рассчитано данное оборудование согласно указаниям производителя.
3.3.4
давление испытания на прочность (strength test pressure): значение давления, которым нагружают холодильную систему или ее часть при испытаниях на прочность.
3.4 компоненты холодильных систем
3.4.1
змеевик (coil): Компонент холодильной системы, состоящий из труб или трубопроводов, соответствующим образом соединенных между собой, и служащий в качестве теплообменника (испарителя или конденсатора).
Примечание - Коллектор, соединяющий несколько труб теплообменника, является частью батареи.
3.4.2
компрессор (compressor): Устройство для повышения давления и перемещения паров хладагента за счет подвода механической энергии.
3.4.2.1
компрессорный агрегат (compressor unit): Агрегат, включающий один или несколько функционально и конструктивно объединенных компрессоров и снабженный соответствующим оборудованием.
3.4.2.2
компрессор объемного действия (positive displacement compressor): Компрессор, в котором рабочий процесс осуществляется за счет циклического изменения внутреннего объема рабочих камер.
3.4.2.3
компрессор динамического действия (non-positive displacement compressor): Компрессор, в котором рабочий процесс осуществляют без изменения внутреннего объема рабочих камер за счет динамического воздействия на непрерывный поток сжимаемой среды.
3.4.2.4
сальниковый компрессор (open compressor): Компрессор, конец приводного вала которого выходит наружу через корпус, содержащий хладагент, и снабжен сальниковым уплотнением.
3.4.3
теплообменник (heat exchanger): Устройство, предназначенное для передачи теплоты от одной среды к другой, в котором среды, отдающие и принимающие теплоту, физически отделены друг от друга.
3.4.4
конденсатор (condenser): Теплообменник, в котором хладагент переходит из парообразного состояния в жидкое, передавая при этом теплоту охлаждающей среде.
3.4.5
компрессорно-конденсаторный агрегат (condensing unit): Агрегат, включающий один или несколько функционально и конструктивно объединенных компрессоров, конденсаторов, жидкостных ресиверов (в случае необходимости), и снабженный соответствующим оборудованием.
3.4.6
испаритель (evaporator): Теплообменник, в котором хладагент переходит из жидкого состояния в парообразное, отбирая при этом теплоту от охлаждаемой среды.
3.4.7
сосуд под давлением (pressure vessel): Любая часть холодильной системы, содержащая хладагент, за исключением:
- компрессоров;
- насосов;
- компонентов герметичных абсорбционных систем;
- испарителей, каждая индивидуальная секция которых имеет объем, позволяющий содержать не более 15 литров хладагента;
- батарей (змеевиков);
- трубопроводов, их арматуры, стыков и соединений;
- устройств автоматики и управления;
- компонентов под давлением (включая коллекторы), внутренний диаметр которых или максимальный поперечный размер не превышает 152 мм.
3.4.8
разгрузочный ресивер (fade-out vessel): Резервуар для паров хладагента на низкотемпературной части каскадной холодильной системы с ограниченной заправкой, объем которого достаточен для того, чтобы ограничить рост давления во время остановки системы.
3.4.9
жидкостный ресивер (liquid receiver): Сосуд, входящий в состав холодильной системы и постоянно связанный с ней трубопроводами входа и выхода, который служит для накопления в нем жидкого хладагента.
3.4.10
буферный ресивер (surge drum): Сосуд, содержащий хладагент при низком давлении и температуре, оснащенный трубопроводами подачи жидкого хладагента и возврата пара в испаритель(и).
3.4.11
внутренний объем брутто (internal net volume): Внутренний объем емкости, рассчитываемый исходя из ее внутренних размеров без учета объема, занимаемого деталями, которые находятся внутри емкости.
3.4.12
холодильное оборудование (refrigerating equipment): Компоненты, входящие в состав холодильной системы, например компрессор, конденсатор, кипятильник, абсорбер, адсорбер, жидкостной ресивер, испаритель, буферный ресивер.
3.5 трубопроводы их соединения и арматура
3.5.1
соединение паяное (твердый припой) (brazed joint): Неразъемное соединение металлических деталей, получаемое путем расплавления материала припоя, как правило, при температуре выше 450 °C, но ниже температуры плавления материала соединяемых деталей.
3.5.2
клапаны отсечные сдвоенные (companion (block) valve): Два спаренных запорных устройства, отделяющих части холодильного контура друг от друга и располагаемые таким образом, чтобы связывать эти части, когда клапаны открыты, и изолировать части холодильного контура друг от друга, когда клапаны закрыты.
3.5.3
соединение обжатием (compression joint): Соединение, герметичность которого достигают путем обжатия с помощью накидной гайки металлического деформируемого кольца, надеваемого на наружный конец трубы.
3.5.4
соединение фланцевое (flanged joint): Разъемное соединение, получаемое с помощью болтов или шпилек, соединяющих детали, оснащенные фланцами.
3.5.5
соединение развальцовкой (flared joint): Соединение "металл по металлу", получаемое путем конического расширения и обжатия конца трубы.
3.5.6
коллектор (header): Компонент холодильной системы в виде трубы или патрубка, к которому подсоединяют несколько других труб или патрубков.
3.5.7
запорный клапан (isolating valve): Устройство, предотвращающее движение среды в любом из направлений, когда оно закрыто.
3.5.8
соединение (joint): Крепление, которое обеспечивает герметичность при сборке двух деталей.
3.5.9
трубопровод (piping): Трубы или патрубки (включая изгибы, сильфоны, гибкие шланги, фитинги), предназначенные для соединения отдельных частей и компонентов холодильной системы.
3.5.10
клапан отсечной быстродействующий (quick-closing valve): Автоматически закрываемое запорное устройство (например, под действием силы собственного веса, с помощью пружины) либо запорный клапан с углом поворота управляющего рычага при закрытии не более 130°.
3.5.11
технологический короб (service duct): Канал, в котором проложены провода электроснабжения, трубопроводы с хладагентом, сантехнические трубы и другие служебные устройства или аналогичные коммуникации, необходимые для функционирования установки.
3.5.12
запорное устройство (shut-off device): Устройство для остановки потока среды.
3.5.13
соединение резьбовое коническое (tapered thread joint): Разъемное резьбовое соединение трубопроводов, в котором для обеспечения герметичности пространство между нитками резьбы заполняют каким-либо материалом, предотвращающим утечки по резьбе.
3.5.14 клапан трехходовой (three-way valve): Технологический клапан, связывающий один трубопровод хладагента с одним или двумя другими трубопроводами хладагента, как правило, предназначенный для проведения технического обслуживания какой-либо части холодильной системы без удаления хладагента из холодильной системы в целом.
3.5.15
соединение сварное (welded joint): Неразъемное соединение, получаемое путем расплавления или перевода в пластическое состояние материала соединяемых деталей.
3.6 предохранительные устройства
3.6.1
разрывной диск (bursting disc): Предохранительное устройство в виде диска или пластины, которое разрушается под действием перепада давления заданной величины.
Примечание - Разрывной диск называют также разрывной мембраной или разрывной пластиной.
3.6.2
переключающее устройство (changeover device): Устройство безопасности, управляющее двумя клапанами таким образом, что в любой момент времени только один из них может быть в закрытом положении.
3.6.3
плавкая пробка (fusible plug): Предохранительное устройство, выполненное из материала, который плавится при заданной температуре, сбрасывая тем самым давление.
3.6.4
ограничитель уровня жидкости (liquid level cut out): Предохранительное устройство, отключающее подачу жидкости в целях недопущения опасного превышения уровня жидкости в любой емкости.
3.6.5
перепускной клапан (overflow valve): Устройство сброса давления на сторону низкого давления холодильной системы.
3.6.6
ограничитель давления (pressure limiter): Устройство, которое срабатывает при достижении заданного значения давления, прекращая работу агрегата, обеспечивающего повышение давления, с автоматическим восстановлением исходного состояния после срабатывания.
3.6.7
устройство сброса давления (pressure relief device): Предохранительный клапан или разрывная мембрана, предназначенные для автоматического сброса чрезмерного давления.
3.6.8
предохранительный клапан (pressure relief valve): Клапан, приводимый в действие давлением и удерживаемый в закрытом положении пружиной или любым другим средством, который предназначен для автоматического сброса избыточного давления.
3.6.9
детектор хладагента (refrigerant detector): Чувствительное устройство, которое реагирует на заданное количество хладагента в газообразном состоянии в окружающей среде.
3.6.10
предохранительное реле давления (safety switching device for limiting the pressure): Предохранительное устройство, прошедшее типовое испытание, управляемое давлением, которое срабатывает при достижении заданного значения давления, прекращая работу того агрегата, который обеспечивает повышение давления.
3.6.11
клапан самозакрывающийся (self-closing valve): Клапан, закрывающийся автоматически, например, под действием силы тяжести или пружины.
3.6.12
устройство ограничения температуры (temperature limiting device): Устройство, управляемое температурой и предназначенное для предотвращения чрезмерно высоких значений температуры.
Примечание - Плавкая пробка не является устройством ограничения температуры.
3.6.13
компонент, прошедший типовое испытание (type-approved component): Компонент, характеристики которого проверены на одном или нескольких образцах с применением стандартов, установленных для данного испытания.
3.6.13.1
реле давления, прошедшее типовое испытание (type-approved pressure cut out): Предохранительное устройство ограничения давления, после срабатывания которого требуется ручное вмешательство для восстановления исходного состояния.
3.6.13.2
ограничитель давления, прошедший типовое испытание (type-approved pressure limiter): Предохранительное устройство ограничения давления с автоматическим восстановлением исходного состояния.
3.6.13.3
предохранительное реле давления, прошедшее типовое испытание (type-approved safety pressure cut out): Предохранительное устройство ограничения давления, после срабатывания которого требуется ручное вмешательство с использованием инструмента для восстановления исходного состояния после срабатывания.
3.7 жидкости
3.7.1
масло (lubricant): Жидкость, заливаемая во внутренние полости с целью смазки подвижных контактирующих поверхностей компонентов холодильной системы.
3.7.2
азеотроп (azeotrope): Смесь, состоящая из двух или более хладагентов, равновесный состав жидкой и паровой фаз которой одинаков при данном давлении, но может быть разным при других условиях.
3.7.3
зеотроп (zeotrope): Смесь, состоящая из двух или более хладагентов, равновесный состав жидкой и паровой фаз которой различен при любом давлении ниже критического.
3.7.4
галогенуглерод (halocarbon): Химическое соединение, в котором атомы водорода в углеводороде замещены атомами галогена (фтора, хлора, брома или йода).
3.7.5
углеводород (hydrocarbon): Химическое соединение, состоящее из водорода и углерода.
3.7.6
теплоноситель (heat-transfer fluid),
HTF: Текучая среда (например, вода, водный раствор гликоля, воздух), используемая для переноса теплоты.
3.7.7
температура самовоспламенения (auto-ignition temperature): Минимальная температура химического вещества, при которой оно может спонтанно воспламеняться при нормальных атмосферных условиях, без внешнего источника воспламенения (огонь, искра).
3.7.8
наружный воздух (outside air): Воздух снаружи здания.
3.7.9
хладагент (холодильный агент) (refrigerant): Среда, используемая для передачи теплоты в холодильной системе, которая поглощает теплоту при низкой температуре и низком давлении и отдает теплоту при высокой температуре и высоком давлении, как правило, меняя при этом свое агрегатное состояние.
Примечание - Хладагенты приведены в
[3].
3.7.10
тип хладагента (refrigerant type): Химическое соединение или их смесь, используемая в соответствии конкретным обозначением.
Примечание - Обозначения даны в
[3].
3.7.11
токсичность (toxicity): Способность хладагента или теплоносителя причинить вред, смерть или ухудшить способность человека к эвакуации из-за интенсивного или длительного воздействия, контакта с кожей, проглатывания или вдыхания.
Примечание - Временный дискомфорт, который не ухудшает здоровье, не считают вредным воздействием.
3.7.12
горючесть (flammability): Способность хладагента или теплоносителя к горению и распространению пламени при наличии источника воспламенения.
3.7.13
практический предел (practical limit): Значение концентрации хладагента, используемое для упрощенного расчета по определению максимально допустимого количества хладагента в помещении.
Примечание - В процессе испытаний на токсичность либо воспламеняемость определяют практический предел концентрации хладагента при нахождении человека в помещении (ППНЧ), но практический предел является производным от ППНЧ или устанавливаемым исходя из сложившегося на практике количества заправленного в систему хладагента.
3.8 контур теплопередачи
3.8.1
контур теплопередачи (heat-transfer circuit): Контур, составленный из двух и более теплообменников, соединенных трубопроводами.
3.9 утилизация хладагента
3.9.1
извлечение (disposal): Удаление или передача продукта в другое место, как правило, для утилизации или уничтожения.
3.9.2
регенерация (reclaim): Полное восстановление свойств использованного хладагента с доведением его характеристик до уровня, соответствующего техническим требованиям к вновь произведенному продукту.
3.9.3
рекуперация (recover): Извлечение хладагента в любом состоянии из холодильной системы с последующим его хранением во внешней емкости.
3.9.4
очистка (recycle): Снижение содержания загрязняющих веществ в использованном хладагенте путем отделения масла, удаления неконденсируемых примесей, с применением устройств для поглощения влаги, кислоты и взвешенных механических частиц.
3.9.5
повторное использование (reuse): Применение извлеченного хладагента по назначению без выполнения операции по удалению загрязняющих веществ.
3.10 разное
3.10.1
заводское изготовление (factory made): Изготовление на конкретном производственном участке под управлением официально признанной системы качества.
3.10.2 отдушина (dilution transfer opening): Отверстие, через которое пары хладагента в случае утечки могут свободно перемещаться из данного помещения в соседнее помещение или в коридор из-за разности плотностей газообразной среды, разряжения, конвекции или вентиляции.
3.10.3
предельное количество при наличии дополнительной вентиляции (quantity limit with additional ventilation),
ПКДВ: Величина заправки холодильной системы хладагентом, при которой концентрация паров хладагента в данном помещении может привести, в случае полной разгерметизации холодильной системы, к достижению предельно допустимого нижнего значения концентрации кислорода (предела нехватки кислорода
ПНК).
Примечание - В
приложении A.5 приведены требования по определению величины показателя "предельное количество при наличии дополнительной вентиляции (
ПКДВ)" для управления рисками причинения вреда людям, находящимся в помещениях, где производительность вентиляции достаточна для удаления паров хладагента в течение 15 мин.
3.10.4
предельное количество при минимальной вентиляции (quantity limit with minimum ventilation),
ПКМВ: Величина заправки холодильной системы хладагентом, при которой концентрация паров хладагента в помещении, открытом для доступа воздуха, приведет в случае утечки умеренно тяжелых паров хладагента к достижению практического предела концентрации хладагента при нахождении человека в помещении (
ППНЧ).
Примечание - В
приложении A.5 приведены требования по определению величины показателя "предельное количество при минимальной вентиляции (
ПКМВ)" для управления рисками причинения вреда людям, находящимся в помещениях, которые расположены выше уровня земли и где производительность вентиляции недостаточна для удаления паров хладагента в течение 15 мин. В расчетах принято, что суммарная площадь отверстий, отделяющих помещение от открытого воздуха, равна 0,0032 м
2, а величина утечек составляет 2,78 г/с.
В настоящем стандарте применены следующие обозначения:
СКВ - Система кондиционирования воздуха
ПДК - Предельно допустимая концентрация
ПГП - Потенциал глобального потепления
НКПВ - Нижний концентрационный предел воспламеняемости хладагента в смеси с воздухом
ПНК - Предельно допустимое нижнее значение концентрации кислорода (предел нехватки кислорода)
ОРС - Озоноразрушающая способность
PS - Максимально допустимое давление
ПКДВ - Предельное количество при наличии дополнительной вентиляции
ПКМВ - Предельное количество при минимальной вентиляции
ППНЧ - Практический предел концентрации хладагента при нахождении человека в помещении
5.1 Классификация помещений
Помещения классифицируют в соответствии с
таблицей 1 настоящего стандарта.
Таблица 1
Категории | Основные характеристики | |
Общедоступные помещения (Категория a) | Комнаты, части зданий и помещения, где: - люди могут спать; - могут находиться лица с ограниченной возможностью самостоятельного передвижения; - может находиться неконтролируемое количество людей, причем все они, как правило, не осведомлены о мерах индивидуальной безопасности | Больницы, суды, тюрьмы, театры, супермаркеты, школы, лекционные залы, вокзалы, гостиницы, жилые дома, рестораны |
Охраняемые помещения (Категория b) | Помещения, здания или части зданий, где может находиться только ограниченное количество людей, часть которых обязательно осведомлена об общих мерах безопасности | Офисные и производственные помещения общего назначения, рабочие места на общепромышленных предприятиях, прочие рабочие места общего назначения |
Помещения с ограниченным доступом (Категория c) | Помещения, здания или части зданий, доступ в которые разрешен только ограниченному кругу лиц со специальной подготовкой, которые осведомлены об общих и специальных мерах безопасности на предприятии, где производят, перерабатывают или хранят материалы или продукты | Производственные помещения, например химической промышленности, пищевой промышленности, производства напитков, льда, мороженого, нефтепереработки, холодильные склады, скотобойни и служебные помещения супермаркетов, недоступные для посторонних лиц |
Основные занимаемые помещения (Категория a) | Комнаты, части зданий, помещения: - оборудованные средствами для проведения сна; - ограниченные помещения, предназначенные для пребывания людей; - предназначенные для пребывания неконтролируемого количества людей; - места общего пребывания | Больницы, суды, тюрьмы, театры, супермаркеты, школы, лекционные залы, терминалы общественного транспорта, гостиницы, жилища, рестораны |
Наблюдаемые занимаемые помещения (Категория b) | Комнаты, части зданий, в которых может находиться только ограниченное количество людей, часть из которых прошла инструктаж об общих мерах безопасности в учреждении | Деловые или профессиональные офисы, лаборатории, цеха производственных предприятий |
Помещения с ограниченным доступом (Категория c) | Комнаты, части зданий, предназначенные для изготовления, переработки или хранения продукции и в которые имеют доступ только подготовленные лица, знакомые с общими и специальными мерами безопасности в учреждении | Производственные помещения химических и нефтеперерабатывающих заводов, холодильные хранилища, молокозаводы, бойни, производства продуктов питания, напитков, мороженого, специальные помещения супермаркетов |
<a> Список примеров не является полным. |
Машинные залы не рассматривают в качестве помещений кроме случаев, определенных в
[4], 5.1.
Примечание - Помещения могут быть классифицированы также в соответствии с требованиями национальных стандартов.
5.2 Классификация холодильных систем
5.2.1 Общие положения
Холодильные системы классифицируют по:
- способу отвода теплоты от атмосферы или среды (охлаждение);
- способу подвода теплоты к атмосфере или среде (обогрев);
- типу охлаждаемой (обогреваемой) среды;
- возможности проникновения хладагента в случае его утечки в помещения.
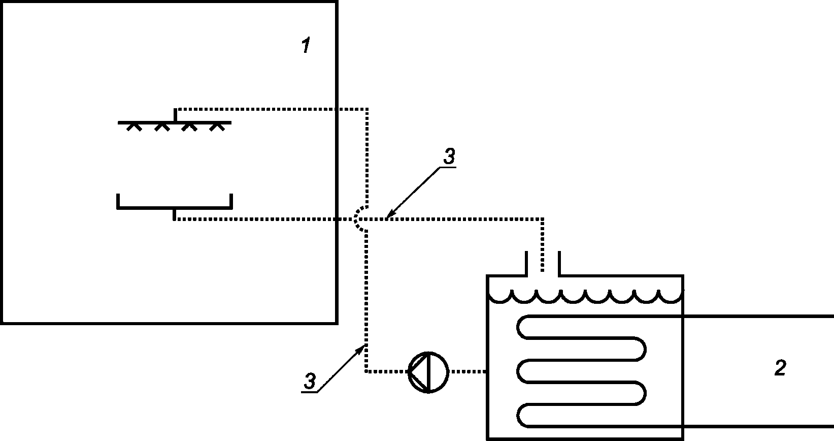
5.2.2 Непосредственные системы
5.2.2.1 Система непосредственного охлаждения
Холодильную систему относят к системе непосредственного охлаждения (обогрева), если при нарушении герметичности холодильного контура хладагент может проникать в охлаждаемое (обогреваемое) помещение вне зависимости от места нахождения холодильной системы (см.
рисунок 1).
1 - охлаждаемое (обогреваемое) помещение;
2 - часть холодильной системы, содержащая хладагент
Рисунок 1 - Система непосредственного охлаждения
Системы непосредственного охлаждения предназначены для вариантов размещения I (см.
5.3.5) или II (см.
5.3.4).
5.2.2.2 Открытая оросительная система
Холодильную систему относят к открытой оросительной системе, если теплоноситель находится в непосредственном контакте с частями, содержащими хладагент, а контур теплоносителя открыт в охлаждаемом (обогреваемом) помещении (см.
рисунок 2).
1 - охлаждаемое (обогреваемое) помещение;
2 - часть холодильной системы, содержащая хладагент;
3 - теплоноситель
Рисунок 2 - Открытая оросительная система
Открытые оросительные системы предназначены для вариантов размещения I (см.
5.3.5) или II (см.
5.3.4).
5.2.2.3 Система непосредственного охлаждения с воздуховодом
Холодильную систему относят к системе непосредственного охлаждения с воздуховодом, если воздух, подаваемый в охлаждаемое (обогреваемое) помещение через воздуховод, находится в непосредственном контакте с частями, содержащими хладагент (см.
рисунок 3).
1 - охлаждаемое (обогреваемое) помещение;
2 - часть холодильной системы, содержащая хладагент
Рисунок 3 - Система непосредственного охлаждения
с воздуховодом
Системы непосредственного охлаждения с воздуховодом предназначены для вариантов размещения I (см.
5.3.5) или II (см.
5.3.4).
5.2.2.4 Открытая оросительная система с открытым уровнем
Холодильную систему относят к открытой оросительной системе с открытым уровнем, если теплоноситель находится в непосредственном контакте с частями, содержащими хладагент, а контур теплоносителя открыт в охлаждаемом (обогреваемом) помещении (см.
рисунок 4). Теплоноситель должен быть удален во внешнюю атмосферу из охлаждаемого (обогреваемого) помещения, однако при нарушении герметичности холодильного контура хладагент может проникать в охлаждаемое (обогреваемое) помещение.
Открытые оросительные системы с открытым уровнем предназначены для вариантов размещения I (см.
5.3.5) или II (см.
5.3.4).
1 - охлаждаемое (обогреваемое) помещение;
2 - часть холодильной системы, содержащая хладагент;
3 - теплоноситель
Рисунок 4 - Открытая оросительная система с открытым уровнем
5.2.3 Промежуточные системы
5.2.3.1 Закрытая промежуточная система
Холодильную систему относят к закрытой промежуточной системе, если теплоноситель находится в непосредственном контакте с частями, содержащими хладагент, циркулируя при этом по замкнутому контуру, а хладагент при нарушении герметичности холодильного контура может проникать в охлаждаемое (обогреваемое) помещение в случае, если контур теплоносителя также негерметичен (см.
рисунок 5).
Закрытые промежуточные системы предназначены для вариантов размещения I (см.
5.3.5) или II (см.
5.3.4).
Примечание - В случае установки в контуре теплоносителя ограничителя давления (или предохранительного клапана) можно предотвратить проникновение хладагента в охлаждаемое (обогреваемое) помещение. При наличии этих устройств систему не относят к закрытой промежуточной системе (см.
5.2.3.3).
1 - охлаждаемое (обогреваемое) помещение;
2 - часть холодильной системы, содержащая хладагент;
3 - теплоноситель
Рисунок 5 - Закрытая промежуточная система
5.2.3.2 Промежуточная система с открытым уровнем
Холодильную систему относят к промежуточной системе с открытым уровнем, если контур теплоносителя находится в непосредственном контакте с охлаждаемым (обогреваемым) помещением, а хладагент при нарушении герметичности холодильного контура может выходить в атмосферу за пределами охлаждаемого (обогреваемого) помещения (см.
рисунок 6).
Примечание - Это может быть обеспечено при использовании теплообменника с двойными стенками.
Промежуточные системы с открытым уровнем предназначены для варианта размещения III (см.
5.3.3).
1 - охлаждаемое (обогреваемое) помещение;
2 - часть холодильной системы, содержащая хладагент;
3 - теплоноситель
Рисунок 6 - Промежуточная система с открытым уровнем
5.2.3.3 Закрытая промежуточная система с вытяжкой
Холодильную систему относят к закрытой промежуточной системе с вытяжкой, если теплоноситель находится в непосредственном контакте с охлаждаемым (обогреваемым) помещением и при наличии утечек хладагента в контур теплоносителя этот хладагент может быть удален из охлаждаемого (обогреваемого) помещения наружу с помощью механической вентиляции (см.
рисунок 7).
Закрытые промежуточные системы с вытяжкой предназначены для варианта размещения III (см.
5.3.3).
1 - охлаждаемое (обогреваемое) помещение;
2 - часть холодильной системы, содержащая хладагент;
3 - теплоноситель
Рисунок 7 - Закрытая промежуточная система с вытяжкой
5.2.3.4 Промежуточная сдвоенная система
Холодильную систему относят к сдвоенной промежуточной системе, если теплоноситель находится в непосредственном контакте с частями, содержащими хладагент, и отдает (отбирает) в теплообменном аппарате вторичного контура, который включает теплообменный аппарат, установленный в охлаждаемом (обогреваемом) помещении (см.
рисунок 8). Хладагент, при наличии утечек, не может попадать в охлаждаемое (обогреваемое) помещение.
Промежуточные сдвоенные системы предназначены для варианта размещения III (см.
5.3.3).
1 - охлаждаемое (обогреваемое) помещение;
2 - часть холодильной системы, содержащая хладагент;
3 - теплоноситель
Рисунок 8 - Промежуточная сдвоенная система
5.2.3.5 Промежуточная система высокого давления
Холодильную систему относят к промежуточной системе высокого давления, если контур теплоносителя находится в непосредственном контакте с охлаждаемым (обогреваемым) помещением, а давление в этом контуре поддерживают на уровне более высоком, чем давление в контуре хладагента. Таким образом, в любой момент времени разрушение контура хладагента не может привести к проникновению хладагента в охлаждаемое (обогреваемое) помещение (см.
рисунок 9).
Промежуточные системы высокого давления предназначены для варианта размещения III (см.
5.3.3).
1 - охлаждаемое (обогреваемое) помещение;
2 - часть холодильной системы, содержащая хладагент;
3 - теплоноситель
Рисунок 9 - Промежуточная система высокого давления
5.3 Размещение оборудования
5.3.1 Общие положения
Требования к ограничениям на заправку холодильных систем рассчитывают с учетом варианта размещения в соответствии с
5.3.2 -
5.3.5, а также характеристик токсичности и/или воспламеняемости хладагента, указанных в
приложении A.
5.3.2 Вариант размещения IV: корпуса с вентиляцией
Согласно варианту размещения IV все части холодильных систем, содержащие хладагент, располагают внутри корпусов с вентиляцией. Корпуса с вентиляцией должны соответствовать требованиям
ГОСТ 33662.2 и
[4].
5.3.3 Вариант размещения III: машинные отделения или открытая площадка
Все части холодильных систем, содержащие хладагент, располагают в машинном отделении или на открытом воздухе. Машинное отделение должно соответствовать требованиям
[4].
Пример - Охладитель жидкости с водяным охлаждением.
5.3.4 Вариант размещения II: в машинном отделении или на открытой площадке установлен только компрессор
Все компрессоры и сосуды под давлением располагают либо в машинном зале, либо на открытой площадке, при этом не выполняются условия варианта размещения по
5.3.3. Теплообменные аппараты, трубопроводы и арматура могут находиться в охлаждаемом (обогреваемом) помещении.
Пример - Холодильная камера.
5.3.5 Вариант размещения I: холодильная система расположена в охлаждаемом (обогреваемом) помещении
Вариант размещения I предусматривает, что холодильная система или части, содержащие хладагент, расположены в охлаждаемом (обогреваемом) помещении, если при этом размещение не соответствует требованиям варианта размещения по
5.3.4.
5.4 Классификация хладагентов
Классификация хладагентов установлена в
[3].
6 Количество хладагента в охлаждаемом (обогреваемом) помещении
6.1 Количество заправки хладагента, которое может оказаться внутри охлаждаемого (обогреваемого) помещения, определяют следующим образом:
- для охлаждаемых (обогреваемых) помещений заправка холодильной системы хладагентом не должна превышать значений, указанных в
таблицах A.1 и
A.2 приложения A;
- количество заправки хладагента, которое может оказаться внутри охлаждаемого (обогреваемого) помещения, принимают равным наибольшей величине заправки для одной из всех холодильных систем, обслуживающих данное помещение, если в настоящем стандарте не указано иное.
6.2 В случае, если для отдельных специальных типов холодильных систем существуют стандарты, содержащие требования к предельно допустимым значениям количества хладагента в этих системах, такие требования считают отменяющими требования к предельно допустимым значениям количества хладагента, установленные настоящим стандартом.
7 Расчет объема помещения
7.1 Помещением считают любое пространство, в котором размещены части холодильной системы, содержащие хладагент.
7.2 Для определения предельно допустимых значений количества хладагента используют минимальный объем (V) замкнутого охлаждаемого (обогреваемого) помещения.
7.3 Несколько помещений, сообщающихся между собой соответствующими проемами (которые не могут быть закрыты) или связаны общей системой вентиляции, вытяжной или приточной, и не содержат ни испарителя, ни конденсатора, рассматривают как одно помещение. В случае, когда в воздуховоде системы подачи воздуха установлен испаритель или конденсатор, обслуживающий одновременно несколько помещений, в расчет принимают объем одного наименьшего из обслуживаемых помещений. Если расход воздуха, подаваемого в помещение, не может быть снижен менее 10% максимального значения посредством использования заслонки, объем воздуховода включают в объем наименьшего из охлаждаемых (обогреваемых) помещений.
7.4 В случае, когда в воздуховоде системы подачи воздуха для обслуживания многоэтажного здания установлен испаритель или конденсатор, а каждый из этажей не разделен перегородками, в расчет принимают объем одного наименьшего из обслуживаемых этажей.
7.5 Пространство над подвесным потолком или перегородкой принимают в расчет объема за исключением случаев, когда подвесной потолок непроницаем для воздуха.
7.6 Если в охлаждаемом (обогреваемом) помещении установлен встроенный агрегат системы или через это помещение проложен трубопровод, содержащий хладагент, а объем помещения таков, что заправка системы хладагентом превышает максимально допустимую для этого объема заправку, следует предусматривать специальные устройства с целью обеспечения как минимум эквивалентного уровня безопасности. (См.
A.5).
Если в качестве теплоносителей используют вещества, перечисленные в
приложении B, контур, по которому они циркулируют, считают холодильным контуром, а вещества рассматривают как хладагенты. При выборе теплоносителя в таком случае конструктор должен принимать во внимание специальные требования согласно
8.2 -
8.12.
Использование теплоносителей для охлаждения или нагрева продуктов питания должно соответствовать национальным стандартам и правилам.
Примечание - На многих предприятиях пищевой промышленности теплоноситель используют для косвенного охлаждения или замораживания. Использование безвредного при попадании в пищу теплоносителя снижает риск отравления человека в случае его непреднамеренных утечек и загрязнения этим теплоносителем пищевой продукции.
Если давление в контуре теплоносителя превышает атмосферное давление, следует рассматривать возможные последствия утечек.
8.3 Загрязнение воды и почвы
Если в настоящем стандарте или в других национальных стандартах не установлены требования к жидкому теплоносителю по отношению к охране жизни и здоровья человека или попаданию теплоносителя в грунтовые воды стокам, в конструкции системы и здании следует предусмотреть устройства для сбора и локализации на случай возможной утечки.
8.4 Воздействие на человека (токсичность)
Опасность воздействия теплоносителя на человека следует устанавливать путем анализа паспорта безопасности (MSDS).
Контур жидкого теплоносителя должен выдерживать давление, которым нагружен контур теплообменника в соответствии с
ГОСТ 33662.2.
Система должна иметь маркировку с указанием номинального расчетного давления в соответствии с
ГОСТ 33662.2.
Если точка замерзания теплоносителя более чем на 3 К ниже самой низкой температуры в контуре первичного хладагента, дополнительные требования не применяют. Допускается, чтобы точка замерзания соответствовала более высокой температуре, чем самая низкая температура первичного контура хладагента, если при этом давление во вторичном контуре не превышает максимально допустимое расчетное давление для находящихся под давлением частей, которое должно быть определено исходя из того, что возможное замерзание произойдет в самом неблагоприятном месте контура. Также допускается, чтобы точка замерзания соответствовала более высокой температуре, чем самая низкая температура первичного контура хладагента, если при этом в контуре имеются автоматические средства контроля и управления, которые останавливают первичный контур охлаждения прежде, чем произойдет замерзание и блокировка вторичного контура. Жидкости, которые расширяются при замораживании, не должны создавать давление во вторичном контуре, которое превышает номинальное давление и не должны приводить к остаточным деформациям стенок трубопровода после размораживания.
Соответствие данным условиям должно быть проверено испытанием при температуре на 10 К ниже точки замерзания или при температуре, приводящей к блокировке, в зависимости от того, какая температура ниже.
Во избежание термического разложения теплоносителя максимальная рабочая температура должна быть не больше, чем максимальная номинальная рабочая температура, указанная производителем.
Точка воспламенения жидкости должна быть не меньше 55 °C, как указано в паспорте безопасности (MSDS).
8.10 Температура самовоспламенения
Температура самовоспламенения горючего теплоносителя должна быть больше 100 °C.
Оборудование должно быть защищено от теплового расширения.
Примечание - Большинство жидкостей при повышении температуры расширяются, но некоторые жидкости расширяются при понижении температуры.
Жидкие теплоносители должны содержать соответствующие ингибиторы коррозии по отношению ко всем конструкционным материалам холодильной системы.
Примечание - Большинство жидких теплоносителей на неводной основе не вызывают коррозию, если они не загрязнены водой.
(обязательное)
РАЗМЕЩЕНИЕ ХОЛОДИЛЬНЫХ СИСТЕМ
A.1 Общие положения
Различают четыре варианта размещения холодильных систем: вариант I, вариант II, вариант III и вариант IV (см.
таблицы A.1 и
A.2). Вариант размещения определяют в соответствии с
5.3.
Примечание - Некоторые тепловые насосы или кондиционеры могут работать либо в режиме нагрева, либо в режиме охлаждения за счет переключения специального клапана обратимости цикла, изменяющего схему подключения трубопроводов от теплообменных аппаратов к компрессору. В этом случае стороны высокого и низкого давления системы могут меняться местами в зависимости от режима работы устройства.
Таблица A.1
Требования к предельно допустимым значениям количества
хладагентов в холодильных системах в зависимости
от токсичности хладагентов
| | ИС МЕГАНОРМ: примечание. Текст в седьмой и десятой строках в графе "Вариант размещения" II дан в соответствии с официальным текстом документа. | |
Класс токсичности | Категория охлаждаемого (обогреваемого) помещения | Вариант размещения |
I | II | III | IV |
A | a | Произведение значений ПДК и объема помещения или см. A.5 | Ограничения по заправке отсутствуют <a> | Требования к заправке должны быть оценены в соответствии с вариантом размещения (I, II или III) в зависимости от расположения корпуса с вентиляцией |
b | Верхние этажи без аварийных выходов или ниже уровня первого этажа | Произведение значений ПДК и объема помещения, см. A.5 | Ограничения по заправке отсутствуют <a> |
Прочие | Ограничения по заправке отсутствуют <a> |
c | Верхние этажи без аварийных выходов или ниже уровня первого этажа | Произведение значений ПДК и объема помещения, см. A.5 |
Прочие | Ограничения по заправке отсутствуют <a> |
B | a | Для герметичных абсорбционных систем произведение значений ПДК и объема помещения, но не более 2,5 кг, для всех других систем - произведение значений ПДК и объема помещения | Ограничения по заправке отсутствуют <a> |
b | Верхние этажи без аварийных выходов или ниже уровня первого этажа | Произведение значений ПДК и объема помещения | Заправка не более 25 кг3 |
Плотность персонала менее одного человека на 10 м2 | Заправка не более 10 кг <a> | Ограничения по заправке отсутствуют <a> |
Прочие | Заправка не более 10 кг <a> | Заправка не более 25 кг <a> |
c | Плотность персонала менее одного человека на 10 м2 | Заправка не более 50 кг <a>, обеспечение доступными аварийными выходами | Ограничения по заправке отсутствуют <a> |
| Прочие | Заправка не более 10 кг <a> | Заправка не более 25 кг <a> |
|
Таблица A.2
Требования к предельно допустимым значениям количества
хладагентов в холодильных системах в зависимости
от горючести хладагентов
Класс горючести | Категория охлаждаемого (обогреваемого) помещения | Вариант размещения |
I | II | III | IV |
2L | a | Предназначенные для обеспечения комфортных условий людей | В соответствии с A.4, но не более m2 <a>·1,5 или в соответствии с A.5, но не более m3 <b>·1,5 | Ограничения по заправке отсутствуют <c> | Заправка хладагентом не более m3 <b>·1,5 |
Прочие | Количество, равное произведению 0,2· НКПВ и объема помещения, но не более m2 <a>·1,5 или в соответствии с A.5, но не более m3 <b>·1,5 |
b | Предназначенные для обеспечения комфортных условий людей | В соответствии с A.4, но не более m2 <a>·1,5 или в соответствии с A.5, но не более m3 <b>·1,5 |
Прочие | Количество, равное произведению 0,2· НКПВ и объема помещения, но не более m2 <a>·1,5 или в соответствии с A.5, но не более m3 <b>·1,5 | Количество, равное произведению 0,2· НКПВ и объема помещения, но не более 25 кг <c> или в соответствии с A.5, но не более m3 <b>·1,5 |
c | Предназначенные для обеспечения комфортных условий людей | В соответствии с A.4, но не более m2 <a>·1,5 или в соответствии с A.5, но не более m3 <b>·1,5 |
Прочие | Количество, равное произведению 0,2· НКПВ и объема помещения, но не более m2 <a>·1,5 или в соответствии с A.5, но не более m3 <b>·1,5 | Количество, равное произведению 0,2· НКПВ и объема помещения, но не более 25 кг <c> или в соответствии с A.5, но не более m3 <b>·1,5 |
Менее одного человека на 10 м2 | Количество, равное произведению 0,2· НКПВ и объема помещения, но не более 50 кг <a> или в соответствии с A.5, но не более m3 <b>·1,5 | Ограничения по заправке отсутствуют <c> |
|
2 | a | Предназначенные для обеспечения комфортных условий людей | В соответствии с A.4, но не более m2 <a> | Ограничения по заправке отсутствуют <c> | Заправка хладагентом не более m3 <b>·1,5 |
Прочие | Количество, равное произведению 0,2· НКПВ и объема помещения, но не более m2 <a> |
b | Предназначенные для обеспечения комфортных условий людей | В соответствии с A.4, но не более m2 <a> |
Прочие | Количество, равное произведению 0,2· НКПВ и объема помещения, но не более m2 <a> |
c | Предназначенные для обеспечения комфортных условий людей | В соответствии с A.4, но не более m2 <a> |
Прочие | Подземные | Количество, равное произведению 0,2· НКПВ и объема помещения, но не более m2 <a> |
Наземные | Количество, равное произведению 0,2· НКПВ и объема помещения, но не более 10 кг <c> | Количество, равное произведению 0,2· НКПВ и объема помещения, но не более 25 кг <c> |
|
3 | a | Предназначенные для обеспечения комфортных условий людей | В соответствии с A.4, но не более m2 <a> | В соответствии с категорией занимаемого помещения (a) и другими применимыми положениями | Заправка хладагентом не более m3 |
Прочие | Подземные | Только для герметичных систем: количество, равное произведению 0,2· НКПВ и объема помещения, но не более 1 кг <a> | |
Наземные | Только для герметичных систем: количество, равное произведению 0,2· НКПВ и объема помещения, но не более 1,5 кг <a> | |
b | Предназначенные для обеспечения комфортных условий людей | В соответствии с A.4, но не более m2 <a> | В соответствии с категорией занимаемого помещения (b) и другими применимыми положениями |
Прочие | Подземные | Количество, равное произведению 0,2· НКПВ и объема помещения, но не более 1 кг <a> | |
Наземные | Количество, равное произведению 0,2· НКПВ и объема помещения, но не более 2,5 кг <a> | |
c | Предназначенные для обеспечения комфортных условий людей | В соответствии с A.4, но не более m2 <a> | В соответствии с категорией занимаемого помещения (c) и другими применимыми положениями |
Прочие | Подземные | Количество, равное произведению 0,2· НКПВ и объема помещения, но не более 1 кг <c> | Не более 1 кг |
Наземные | Количество, равное произведению 0,2·LFL и объема помещения, но не более 10 кг <c> | Количество, равное произведению 0,2· НКПВ и объема помещения, но не более 25 кг <c> | Ограничения по заправке отсутствуют <c> |
<b> m3 = 130m3·НКПВ. |
Холодильные системы или части системы не допускается устанавливать на лестницах, лестничных площадках, подъездах, входах и выходах, используемых людьми, если при этом возможно ограничение свободного прохода.
В
таблицах A.1 и
A.2 приведены предельно допустимые значения количества хладагента в системе и специфические требования к холодильной системе для различных вариантов размещения и типов холодопотребляющих объектов с учетом конкретных характеристик токсичности и горючести используемого хладагента. Предельно допустимые значения количества хладагента в системе могут быть выражены в абсолютных величинах либо рассчитаны исходя из характеристик хладагента и объемов помещений, содержащих холодопотребляющий объект.
Если в промежуточной системе в качестве теплоносителя для охлаждения (обогрева) используют хладагент, описанный в
приложении B, величину его заправки рассчитывают, применяя требования к непосредственным системам (см.
таблицы A.1 и
A.2).
A.2 Требования к предельно допустимым значениям количества хладагента в системе
Предельно допустимые значения количества хладагента в системе рассчитывают в соответствии с
таблицами A.1 и
A.2, в зависимости от токсичности и/или горючести хладагента.
Для определения предельно допустимого значения количества хладагента в системе применяют следующий метод:
1) определяют категорию охлаждаемого (обогреваемого) помещения (a, b или c в соответствии с
5.1) и вариант размещения холодильной системы (I, II, III или IV в соответствии с
5.3);
2) определяют класс токсичности хладагента (A или B в соответствии с
таблицами B.1 и
B.2), используемого в холодильной системе. Токсичность хладагента характеризуют показателем
ПДК или
ПНК, выбирая большее из них. В случае двойной классификации используют более строгие методы;
3) используя
таблицу A.1, определяют предельно допустимое значение количества хладагента в системе;
4) определяют класс горючести хладагента, используемого в холодильной системе (в соответствии с
таблицами B.1 и
B.2), а также нижний концентрационный предел воспламеняемости хладагента в смеси с воздухом (
НКПВ). В случае двойной классификации используют более строгие методы;
5) используя
таблицу A.2, определяют предельно допустимое значение количества хладагента в системе;
6) исходя из значений, полученных в
3) и
5) настоящего метода, применяют самое низкое значение. Для определения предельно допустимого значения количества хладагента 1-го класса горючести
пункт 5) метода может быть опущен.
Предельно допустимые значения количества хладагента в системе
(таблица A.1) имеют самые низкие величины, полученные исходя из показателя нижнего концентрационного предела воспламеняемости (
НКПВ). Для хладагентов классов горючести 2 или 3 предельно допустимые значения количества хладагента определяют как
m1,
m2 и
m3. Для хладагентов класса горючести 2L предельно допустимую величину количества хладагента увеличивают в 1,5 раза в силу низкой скорости горения этих хладагентов, которая приводит к снижению риска возгорания или взрыва. Предельно допустимые значения количества хладагента, рассчитываемые на основе данных
таблицы A.2, могут быть увеличены там, где персонал ознакомлен с требованиями безопасности для зданий (например, категории помещений b или c) или при низком риске утечки.
Предельно допустимые значения количества хладагента, приведенные в
таблице A.2, рассчитывают следующим образом:
m1 = 4 м3·НКПВ, (A.1)
m2 = 26 м3·НКПВ, (A.2)
m3 = 130 м3·НКПВ, (A.3)
где
НКПВ - нижний концентрационный предел воспламеняемости хладагента в смеси с воздухом, кг/м
3 (см.
приложение B).
Примечание - Коэффициент 26 для количества хладагента m2 принят исходя из условия, чтобы количество хладагента R-290 в системе не превышало 1 кг.
Для хладагентов класса горючести 2L при количестве хладагента в системе не более (m1·1,5) кг ограничения по объему охлаждаемого (обогреваемого) помещения отсутствуют.
Для хладагентов классов горючести 2 и 3 при количестве хладагента в системе не более m1 кг ограничения по объему охлаждаемого (обогреваемого) помещения отсутствуют.
A.3 Требования для герметичных систем заводского изготовления с заправкой хладагентом группы опасности A3 в количестве менее 0,15 кг
Для герметичных систем заводского изготовления и содержащих не более 0,15 кг хладагента группы опасности A3 (в соответствии с
[3]) следует применять требования
ГОСТ IEC 60335-2-24 и
ГОСТ IEC 60335-2-89, если эти системы подпадают под действие указанных стандартов.
A.4 Предельно допустимая заправка воспламеняемых хладагентов в системах кондиционирования воздуха (СКВ) и тепловых насосах, используемых в целях комфортного жизнеобеспечения людей
Если масса заправки системы хладагентом класса горючести 2L превышает m1·1,5 кг, максимальное допустимое количество хладагента, находящегося в помещении, определяют по формуле
mmax = 2,5·
НКПВ5/4·
h0·
A1/2, (A.4)
где mmax - максимальное допустимое количество хладагента, находящегося в помещении, кг;
A - площадь поверхности пола в помещении, м2;
НКПВ - нижний концентрационный предел воспламенения хладагента в смеси с воздухом, кг/м3;
h0 - высота монтажа оборудования.
Примечание - Значения h0 для различных видов монтажа:
- 0,6 м, при размещении на полу;
- 1,0 м, при монтаже на окне;
- 1,8 м, при монтаже на стене;
- 2,2 м, при монтаже на потолке.
Если при расчетах по
формуле (A.4) получаемое значение больше, чем требуемое для минимальной площади помещения,
Amin, то, чтобы установить систему с зарядом хладагента
m, следует провести вычисления по формуле

(A.5)
где m - количество хладагента, заправленного в систему, кг.
A.5 Альтернативный метод управления рисками при эксплуатации холодильных систем в охлаждаемых (обогреваемых) помещениях
В случаях, когда сочетания варианта размещения оборудования и категории охлаждаемого (обогреваемого) помещения, приведенные в
таблицах A.1 и
A.2, допускают использование альтернативных расчетов по определению предельно допустимого количества хладагента, проектант может выбрать (для некоторых или всех помещений, обслуживаемых оборудованием) и рассчитать допустимый предел заправки, используя значения
ППНЧ,
ПКМВ или
ПКДВ, установленные в
A.5.2 вместо значений
ПНК, установленных в
таблицах B.1 и
B.2. При расчете заправки системы должны быть рассмотрены все охлаждаемые (обогреваемые) помещения, в которых расположены части системы, содержащие хладагент.
Положения настоящего подраздела могут быть применимы для охлаждаемого (обогреваемого) помещения, в котором оборудование удовлетворяет всем нижеперечисленным условиям:
- хладагент соответствует группе опасности A1 или A2L в соответствии с
приложением B;
- заправка хладагентом не превышает 150 кг либо не превышает 195 м3·НКПВ кг для хладагентов группы опасности A2L;
- холодо- или теплопроизводительность части системы, находящейся в данном помещении, составляет не более 25% общей холодо- или теплопроизводительности всей системы;
- оборудование размещено по II варианту (см.
5.3.4);
- теплообменники, расположенные в охлаждаемом помещении, и система контроля и управления устроены таким образом, что предотвращают повреждения из-за обмерзания;
- части системы, содержащие хладагент и расположенные в охлаждаемом (обогреваемом) помещении, защищены от возможной поломки вентилятора, или конструкция вентилятора исключает такую поломку;
- трубопроводы, подключенные к теплообменникам и находящиеся также в охлаждаемом (обогреваемом) помещении, имеют размеры и производительность, соответствующие производительности теплообменников;
- все части системы, находящиеся в охлаждаемом (обогреваемом) помещении имеют только неразъемные соединения, за исключением соединяющих эти части трубопроводов;
- трубопроводы оборудования находящиеся в охлаждаемом (обогреваемом) помещении установлены таким образом, что они защищены от случайного повреждения в соответствии с ГОСТ 33662.2,
5.2.3.9 и
[4],
6.2;
- выполнены специальные требования безопасности, установленные в
A.5.2.2 и
A.5.2.3;
- имеются неплотно прилегающие двери, ведущие из охлаждаемого (обогреваемого) помещения;
- пары хладагента тяжелее воздуха и могут оседать внизу, как рассмотрено в
A.5.2.4.
Альтернативный расчет по определению предельно допустимого количества хладагента можно использовать, если выполнены все вышеперечисленные условия, а максимальная утечка внутри охлаждаемого (обогреваемого) помещения не больше, чем утечка через сальниковые уплотнения.
A.5.2 Допустимая заправка
A.5.2.1 Общие положения
Для охлаждаемых (обогреваемых) помещений с площадью, превышающей 250 м2, при расчете предельно допустимого количества хладагента для определения объема помещения следует использовать величину 250 м2.
Если полная заправка системы, поделенная на объем помещений не превышает значений
ПКМВ, указанных в
таблице A.3, а в случае, если нижний этаж находится под землей - значений
ППНЧ, указанных в
таблице A.4, то принятие дополнительных мер не требуется. Если полученное значение превышает
ПКМВ или
ППНЧ, должны быть предприняты дополнительные меры в соответствии с
A.5.2.2 или
A.5.2.3. Дополнительными мерами являются: естественная или механическая вентиляция, предохранительные отсечные клапаны, охранная сигнализация в сочетании с устройством обнаружения газа (см.
[4], разделы 6, 8, 9 и 10). В помещениях с ограниченным доступом одна лишь охранная сигнализация не может рассматриваться в качестве надлежащей меры (см.
[4], 8.1).
Примечания
1 Для систем, которые устанавливают и которыми управляют с соблюдением ограничений
A.5.1, риск выброса хладагента в результате крупной утечки должен быть сведен к минимуму. Расчет интенсивности вентиляции в
приложении A основан на максимальной величине утечки, составляющей 10 кг/ч.
2 Значение ПКМВ выбрано исходя из высоты помещения, равной 2,2 м, и площади щели под ней, равной 0,0032 м2 (ширина двери 0,8 м и высота щели под ней 4 мм), что можно ожидать в помещениях без вентиляции.
3 Значение ПКДВ выбрано исходя из концентрации кислорода по объему в 18,5% при условии идеального перемешивания.
Таблица A.3
Допустимая концентрация хладагента
Хладагент | Допустимая концентрация, ППНЧ, кг/м3 | ПКМВ, кг/м3 | ПКДВ, кг/м3 |
R22 | 0,21 | 0,28 | 0,50 |
R134a | 0,21 | 0,28 | 0,58 |
R407C | 0,27 | 0,46 | 0,50 |
R410A | 0,39 | 0,42 | 0,42 |
R744 | 0,072 | 0,074 | 0,18 |
R32 | 0,061 | 0,063 | 0,16 |
R1234yf | 0,060 | 0,062 | 0,15 |
Для хладагентов, не указанных в
таблице A.3, значение
ПКМВ рассчитывают по формуле

(A.6)
где
T - время, ч, при этом

, а изменение количества хладагента в помещении рассчитывают по формуле

(A.7)
где x - масса хладагента в комнате, кг;

- величина утечки из холодильной системы (10 кг/ч);
V - объем помещения, м3;
t - время, с;
A - площадь отверстия, м2, используемая для получения интенсивности вентиляции, например для площади щели под дверью она равна 0,004·0,8 = 0,0032;
c - коэффициент расхода (0,7 для щели);

- плотность смеси из хладагента и воздуха, кг/м
3,

(A.8)
где

- плотность воздуха, кг/м
3;

- плотность хладагента, кг/м
3;
h - масса хладагента в комнате, кг.
ПКМВ хладагентов с относительной молярной массой от 50 г/моль до 125 г/моль может быть определена путем линейной интерполяции значений, указанных в
таблице A.4.
Таблица A.4
Интерполяция для расчета
ПКМВ
ППНЧ | Молярная масса |
50 | 75 | 100 | 125 |
0,05 | 0,051 | 0,051 | 0,051 | 0,051 |
0,10 | 0,106 | 0,107 | 0,108 | 0,108 |
0,15 | 0,168 | 0,173 | 0,175 | 0,176 |
0,20 | 0,242 | 0,254 | 0,260 | 0,263 |
0,25 | 0,336 | 0,367 | 0,383 | 0,393 |
0,30 | 0,495 | 0,565 | 0,634 | 0,689 |
0,35 | 0,725 | - | - | - |
A.5.2.2 Охлаждаемые (обогреваемые) помещения, за исключением самых низких подземных этажей здания
Если полная заправка системы, поделенная на объем помещений, не превышает значений ПКМВ, никаких дополнительных мер не требуется.
Там, где получаемое значение превышает
ПКМВ, но не более значения
ПКДВ, следует применить как минимум одну из мер, установленных в
[4], разделы 6 и 8. Если получаемое значение превышает также и
ПКДВ, следует применить, как минимум, обе меры, описанные в
[4], разделы 6 и 8.
A.5.2.3 Охлаждаемые (обогреваемые) помещения на самых низких подземных этажах здания
Если полная заправка системы, поделенная на объем помещений, больше чем значение
ППНЧ, но не превышает значения
ПКМВ, следует применить как минимум одну из мер, установленных в
[4], разделы 6, 8 и 9. Если получаемое значение превышает
ПКМВ, следует применить как минимум обе меры, описанные в
[4], разделы 6, 8 и 9. Получаемое значение не должно превышать значение
ПКДВ.
A.5.2.4 Пары хладагента тяжелее воздуха и могут оседать внизу. Если значение, получаемое путем деления значения максимальной заправки системы всего здания на значение общего объема нижнего этажа, превышает значение
ПКМВ, должна быть предусмотрена механическая вентиляция в соответствии с
[4], 6.3 даже в том случае, если на нижнем этаже не имеется холодильной системы.
(обязательное)
ХЛАДАГЕНТОВ ПО ГРУППАМ ОПАСНОСТИ И СВЕДЕНИЯ ОБ ИХ СВОЙСТВАХ
Таблица B.1
Обозначение хладагентов (индивидуальные вещества)
Обозначение хладагента | Наименование хладагента <b> | Химическая формула | Группа опасности | ППНЧ, кг/м3 | | Горючесть НКПВ <g>, кг/м 3 | Плотность паров, кг/м3, при 25 °C и 101,3 кПа | Относительная молярная масса <3> | Нормальная температура кипения <3>, °C | | | Температура самовоспламенения, °C |
Метановая серия |
11 | Трихлорфторметан | CCl3F | A1 | 0,3 | 0,0062 | NF | 5,62 | 137,4 | 24 | 1 | 4750 | ND |
12 | Дихлордифторметан | CCl2F2 | A1 | 0,5 | 0,088 | NF | 4,94 | 120,9 | -30 | 1 | 10900 | ND |
12B1 | Бромхлордифторметан | CBrClF2 | ND | 0,2 | ND | NF | 6,76 | 165,4 | -4 | 3 | 1890 | ND |
13 | Хлортрифторметан | CClF3 | A1 | 0,5 | ND | NF | 4,27 | 104,5 | -81 | 1 | 14400 | ND |
13B1 | Бромтрифторметан | CBrF3 | A1 | 0,6 | ND | NF | 6,09 | 148,9 | -58 | 10 | 7140 | ND |
14 | Четырехфтористый углерод | CF4 | A1 | 0,4 | 0,40 | NF | 3,60 | 88,0 | -128 | 0 | 7390 | ND |
22 | Хлордифторметан | CHClF2 | A1 | 0,3 | 0,21 | NF | 3,54 | 86,5 | -41 | 0,055 | 1810 | 635 |
23 | Трифторметан | CHF3 | A1 | 0,68 | 0,15 | NF | 2,86 | 70,0 | -82 | 0 | 14800 | 765 |
30 | Дихлорметан (хлористый метилен) | CH2Cl2 | B1 | 0,017 | ND | NF | 3,47 | 84,9 | 40 | ND | 8,7 | 662 |
32 | Дифторметан (фтористый метилен) | CH2F2 | A2L | 0,061 | 0,30 | 0,307 | 2,13 | 52,0 | -52 | 0 | 675 | 648 |
50 | Метан | CH4 | A3 | 0,006 | ND | 0,032 | 0,654 | 16,0 | -161 | 0 | 25 | 645 |
Этановая серия |
113 | 1,1,2-трихлор-1,2,2-трифторэтан | CCl2FCClF2 | A1 | 0,4 | 0,02 | NF | 7,66 | 187,4 | 48 | 0,8 | 6130 | ND |
114 | 1,2-дихлор-1,1,2,2-тетрафторэтан | CClF2CClF2 | A1 | 0,7 | 0,14 | NF | 6,99 | 170,9 | 4 | 1 | 10000 | ND |
115 | Хлорпентафторэтан | CClF2CF3 | A1 | 0,76 | 0,76 | NF | 6,32 | 154,5 | -39 | 0,6 | 7370 | ND |
116 | Гексафторэтан | CF3CF3 | A1 | 0,68 | 0,68 | NF | 5,64 | 138,0 | -78 | 0 | 12200 | ND |
123 | 2,2-дихлор-1,1,1-трифторэтан | CHCl2CF3 | B1 | 0,10 | 0,057 | NF | 6,25 | 152,9 | 27 | 0,02 | 77 | 730 |
124 | 2-хлор-1,1,1,2-тетрафторэтан | CHClFCF3 | A1 | 0,11 | 0,056 | NF | 5,58 | 136,5 | -12 | 0,022 | 609 | ND |
125 | Пентафторэтан | CHF2CF3 | A1 | 0,39 | 0,37 | NF | 4,91 | 120,0 | -49 | 0 | 3500 | 733 |
134a | 1,1,1,2-тетрафторэтан | CH2FCF3 | A1 | 0,25 | 0,21 | NF | 4,17 | 102,0 | -26 | 0 | 1430 | 743 |
141b | 1,1-дихлор-1-фторэтан | CH3CCl2F | ND | 0,053 | 0,012 | 0,363 | 4,78 | 116,9 | 32 | 0,11 | 725 | 532 |
142b | 1-хлор-1,1-дифторэтан | CH3CClF2 | A2 | 0,049 | 0,10 | 0,329 | 4,11 | 100,5 | -10 | 0,065 | 2310 | 750 |
143a | 1,1,1-трифторэтан | CH3CF3 | A2L | 0,048 | 0,48 | 0,282 | 3,44 | 84,0 | -47 | 0 | 4470 | 750 |
152a | 1,1-дифторэтан | CH3CHF2 | A2 | 0,027 | 0,14 | 0,130 | 2,70 | 66,0 | -25 | 0 | 124 | 455 |
170 | Этан | CH3CH3 | A3 | 0,0086 | 0,0086 | 0,038 | 1,23 | 30,1 | -89 | 0 | 5,5 | 515 |
1150 | Этен (этилен) | CH2 = CH2 | A3 | 0,006 | ND | 0,036 | 1,15 | 28,1 | -104 | 0 | 3,7 | ND |
E170 | Диметилэфир | CH3OCH3 | A3 | 0,013 | 0,079 | 0,064 | 1,88 | 46 | -25 | 0 | 1 | 235 |
Пропановая серия |
218 | Октафторпропан | CF3CF2CF3 | A1 | 1,84 | 0,85 | NF | 7,69 | 188,0 | -37 | 0 | 8830 | ND |
227ea | 1,1,1,2,3,3,3-гептафторпропан | CF3CHFCF3 | A1 | 0,63 | 0,63 | NF | 6,95 | 170,0 | -15 | 0 | 3220 | ND |
236fa | 1,1,1,3,3,3-гексафторпропан | CF3CH2CF3 | A1 | 0,59 | 0,34 | NF | 6,22 | 152,0 | -1 | 0 | 9810 | ND |
245fa | 1,1,1,3,3-пентафторпропан | CF3CH2CHF2 | B1 | 0,19 | 0,19 | NF | 5,48 | 134,0 | 15 | 0 | 1030 | ND |
290 | Пропан | CH3CH2CH3 | A3 | 0,008 | 0,09 | 0,038 | 1,80 | 44,1 | -42 | 0 | 3,3 | 470 |
1234yf | 2,3,3,3-тетрафтор-1-пропен | CF3CF = CH2 | A2L | 0,058 | 0,47 | 0,289 | 4,66 | 114,0 | -26 | 0 | 41 | 405 |
1234ze(E) | Транс-1,3,3,3-тетрафтор-1-пропен | CF3CH = CFH | A2L | 0,061 | 0,28 | 0,303 | 4,66 | 114,0 | -19 | 0 | | 368 |
1270 | Пропен (пропилен) | CH3CH = CH2 | A3 | 0,008 | 0,0017 | 0,046 | 1,72 | 42,1 | -48 | 0 | 1,8 | 455 |
Прочие углеводороды |
600 | Бутан | CH3CH2CH2CH3 | A3 | 0,0089 | 0,0024 | 0,038 | 2,38 | 58,1 | 0 | 0 | 4,0 | 365 |
600a | 2-метилпропан (Изобутан) | CH(CH3)2CH3 | A3 | 0,011 | 0,059 | 0,043 | 2,38 | 58,1 | -12 | 0 | | 460 |
601 | Пентан | CH3CH2CH2CH2CH3 | A3 | 0,008 | 0,0029 | 0,035 | 2,95 | 72,1 | 36 | 0 | | ND |
601a | 2-метилбутан (Изопентан) | (CH3)2CHCH2CH3 | A3 | 0,008 | 0,0029 | 0,038 | 2,95 | 72,1 | 27 | 0 | | ND |
Циклические органические соединения |
C318 | Октафторциклобутан | -(CF2)4- | A1 | 0,81 | 0,65 | NF | 8,18 | 200,0 | -6 | 0 | 10300 | ND |
Неорганические соединения |
717 | Аммиак | NH3 | B2L | 0,00035 | 0,00022 | 0,116 | 0,700 | 17,0 | -33 | 0 | | 630 |
744 | Двуокись углерода | CO2 | A1 | 0,1 | 0,072 | NF | 1,80 | 44,0 | | 0 | 1 | NA |
Примечания 2 NA - не применяется. 4 NF - не воспламеняемый. <a> Значения плотности паров, молекулярной массы, нормальной температуры кипения, ОРП и ПГП не являются частью настоящего стандарта и приведены только в информационных целях. <b> Вместе с основным химическим названием в скобках приведено наиболее употребляемое название. <c> Сублимируется. Тройная точка -56,6 °C при 5,2 бар. <d> Определено Монреальским протоколом. <e> Данные 4-го оценочного доклада 2007 года Межправительственной группы экспертов по изменению климата (МГЭИК) [5], Совместный доклад Всемирной метеорологической организации и Программы ООН "Научная оценка истощения озонового слоя 2010" [6], доклад UNEP RTOC 2010 [7] (UNEP - Программа ООН по окружающей среде, RTOC - Холодильные аппараты, кондиционеры и тепловые насосы. Комитет по техническим параметрам). <f> Предельно допустимая концентрация ( ПДК) токсического воздействия или значение концентрации, приводящее к нехватке кислорода ( ПНК), - указана наименьшая из двух величин (см. [3]). <g> Нижний концентрационный предел воспламенения ( НКПВ) в смеси с воздухом. <h> Данные доклада UNEP RTOC 2010 [7]. <i> Данные доклада Всемирной метеорологической организации (WMO) "Научная оценка истощения озонового слоя 2010" [6]. |
Таблица B.2
Зеотропные смесевые хладагенты серии R400
Обозначение хладагента | | Допуск на содержание составных компонентов, % | Группа опасности | | | Горючесть НКПВ <h>, кг/м 3 | Плотность паров при 25 °C, 101,3 кПа <a>, кг/м 3 | Относительная молярная масса <a> | Точка кипения/Точка росы <a>, при 101,3 кПа, °C | | | Температура самовоспламенения, °C |
401A | R-22/152a/124 (53/13/34) | +/- 2/+0,5 -1,5/+/- 1 | A1/A1 | 0,30 | 0,10 | NF | 3,86 | 94,4 | -33,4/ -27,8 | 0,037 | 1180 | 681 |
401B | R-22/152a/124 (61/11/28) | +/- 2/+0,5 -1,5/+/- 1 | A1/A1 | 0,34 | 0,11 | NF | 3,80 | 92,8 | -34,9/ -29,6 | 0,04 | 1290 | 685 |
401C | R-22/152a/124 (33/15/52) | +/- 2/+0,5 -1,5/+/- 1 | A1/A1 | 0,24 | 0,083 | NF | 4,13 | 101,0 | -28,9/ -23,3 | 0,03 | 933 | ND |
402A | R-125/290/22 (60/2/38) | +/- 2/+0,1 -1,0/+/- 2 | A1/A1 | 0,33 | 0,27 | NF | 4,16 | 101,6 | -49,2/ -47,0 | 0,021 | 2790 | 723 |
402B | R-125/290/22 (38/2/60) | +/- 2/+0,1 -1,0/+/- 2 | A1/A1 | 0,32 | 0,24 | NF | 3,87 | 94,7 | -47,2/ -44,8 | 0,033 | 2420 | 641 |
403A | R-290/22/218 (5/75/20) | +0,2 -2,0/+/- 2/+/- 2 | A1/A2 | 0,33 | 0,24 | 0,480 | 3,76 | 92,0 | -44,0/ -42,4 | 0,041 | 3120 | ND |
403B | R-290/22/218 (5/56/39) | +0,2 -2,0/+/- 2/+/- 2 | A1/A1 | 0,41 | 0,29 | NF | 4,22 | 103,3 | -43,9/ -42,4 | 0,031 | 4460 | ND |
404A | R-125/143a/134a (44/52/4) | +/- 2/+/- 1/+/- 2 | A1/A1 | 0,52 | 0,52 | NF | 3,99 | 97,6 | -46,5/ -45,7 | 0 | 3920 | 728 |
405A | R-22/152a/142b/C318 (45/7/5,5/42,5) | +/- 2/+/- 1/+/- 1/+/- 2 <b> | ND | ND | 0,26 | ND | 4,58 | 111,9 | -32,8/ -24,4 | 0,028 | 5330 | ND |
406A | R-22/600a/142b (55/4/41) | +/- 2/+/- 1/+/- 1 | A2/A2 | 0,13 | 0,14 | 0,302 | 3,68 | 89,9 | -32,7/ -23,5 | 0,057 | 1940 | ND |
407A | R-32/125/134a (20/40/40) | +/- 2/+/- 2/+/- 2 | A1/A1 | 0,33 | 0,31 | NF | 3,68 | 90,1 | -45,2/ -38,7 | 0 | 2110 | 685 |
407B | R-32/125/134a (10/70/20) | +/- 2/+/- 2/+/- 2 | A1/A1 | 0,35 | 0,33 | NF | 4,21 | 102,9 | -46,8/ -42,4 | 0 | 2800 | 703 |
407C | R-32/125/134a (23/25/52) | +/- 2/+/- 2/+/- 2 | A1/A1 | 0,31 | 0,29 | NF | 3,53 | 86,2 | -43,8/ -36,7 | 0 | 1770 | 704 |
407D | R-32/125/134a (15/15/70) | +/- 2/+/- 2/+/- 2 | A1/A1 | 0,41 | 0,25 | NF | 3,72 | 91,0 | -39,4/ -32,7 | 0 | 1630 | ND |
407E | R-32/125/134a (25/15/60) | +/- 2/+/- 2/+/- 2 | A1/A1 | 0,40 | 0,27 | NF | 3,43 | 83,8 | -42,8/ -35,6 | 0 | 1550 | ND |
407F | R-32/125/134a (30/30/40) | +/- 2/+/- 2/+/- 2 | A1/A1 | 0,32 | 0,32 | NF | 3,36 | 82,1 | -46,1/ -39,7 | 0 | 1820 | ND |
408A | R-125/143a/22 (7/46/47) | +/- 2/+/- 1/+/- 2 | A1/A1 | 0,41 | 0,33 | NF | 3,56 | 87,0 | -44,6/ -44Д | 0,026 | 3150 | ND |
409A | R-22/124/142b (60/25/15) | +/- 2/+/- 2/+/- 1 | A1/A1 | 0,16 | 0,12 | NF | 3,98 | 97,4 | -34,7/ -26,3 | 0,048 | 1580 | ND |
409B | R-22/124/142b (65/25/10) | +/- 2/+/- 2/+/- 1 | A1/A1 | 0,17 | 0,12 | NF | 3,95 | 96,7 | -35,8/ -28,2 | 0,048 | 1560 | ND |
410A | R-32/125 (50/50) | +0,5 -1,5/+1,5 -0,5 | A1/A1 | 0,44 | 0,42 | NF | 2,97 | 72,6 | -51,6/ -51,5 | 0 | 2090 | ND |
410B | R-32/125 (45/55) | +/- 1/+/- 1 | A1/A1 | 0,43 | 0,43 | NF | 3,09 | 75,6 | -51,5/ -51,4 | 0 | 2230 | ND |
411A | R-1270/22/152a (1,5/87,5/11,0) | +0; -1/+2 -0/+0 -1 | A1/A2 | 0,04 | 0,074 | 0,186 | 3,37 | 82,4 | -39,6/ -37Д | 0,048 | 1600 | ND |
411B | R-1270/22/152a (3/94/3) | +0; -1/+2 -0/+0 -1 | A1/A2 | 0,05 | 0,044 | 0,239 | 3,40 | 83,1 | -41,6/ -40,2 | 0,052 | 1710 | ND |
412A | R-22/218/142b (70/5/25) | +/- 2/+/- 2/+/- 1 | A1/A2 | 0,07 | 0,17 | 0,329 | 3,77 | 92,2 | -36,5/ -28,9 | 0,055 | 2290 | ND |
413A | R-218/134a/600a (9/88/3) | +/- 1/+/- 2/+0 -1 | A1/A2 | 0,08 | 0,21 | 0,375 | 4,25 | 104,0 | -29,4/ -27,4 | 0 | 2050 | ND |
414A | R-22/124/600a/142b (51,0/28,5/4,0/16,5) | +/- 2/+/- 2/+/- 0,5/+0,5 -1,0 | A1/A1 | 0,10 | 0,10 | NF | 3,96 | 96,9 | -33,2/ -24,7 | 0,045 | 1480 | ND |
414B | R-22/124/600a/142b (50,0/39,0/1,5/9,5) | +/- 2/+/- 2/+/- 0,5/+0,5 -1,0 | A1/A1 | 0,096 | 0,096 | NF | 4,16 | 101,6 | -33Д/ -24,7 | 0,042 | 1360 | ND |
415A | R-22/152a (82/18) | +/- 1/+/- 1 | A2 | 0,04 | 0,19 | 0,188 | 3,35 | 81,9 | -37,5/ -34,7 | 0,028 | 1510 | ND |
415B | R-22/152a (25,0/75,0) | +/- 1/+/- 1 | A2 | 0,03 | 0,15 | 0,13 | 2,87 | 70,2 | -23,4/ -21,8 | 0,009 | 546 | ND |
416A | R-134a/124/600 (59,0/39,5/1,5) | +0,5 -1,0/+1,0 -0,5/+0,1 -0,2 | A1/A1 | 0,064 | 0,064 | NF | 4,58 | 111,9 | -23,4/ -2,8 | 0,009 | 1080 | ND |
417A | R-125/134a/600 (46,6/50,0/3,4) | +/- 1,1/+/- 1,0/+0,1 -0,4 | A1/A1 | 0,15 | 0,057 | NF | 4,36 | 106,7 | -38,0/ -32,9 | 0 | 2350 | ND |
417B | R-125/134a/600 (79,0/18,3/2,7) | +/- 1,0/+/- 1,0/+0,1 -0,5 | A1/A1 | 0,069 | 0,069 | NF | 4,63 | 113,1 | -44,9/ -41,5 | 0 | 3030 | ND |
418A | R-290/22/152a (1,5/96,0/2,5) | +/- 0,5/+/- 1/+/- 0,5 | A1/A2 | 0,06 | 0,20 | 0,31 | 3,46 | 84,6 | -41,7/ -40,0 | 0,033 | 1740 | ND |
419A | R-125/134a/E170 (77/19/4) | +/- 1/+/- 1/+/- 1 | A1/A2 | 0,05 | 0,31 | 0,25 | 4,47 | 109,3 | -42,6/ -36,0 | 0 | 2970 | ND |
420A | R-134a/142b (88/12) | +1 -0/0 -1 | A1/A1 | 0,18 | 0,18 | NF | 4,16 | 101,8 | -24,9/ -24,2 | 0,005 | 1540 | ND |
421A | R-125/134a (58,0/42,0) | +/- 1,0/+/- 1,0 | A1/A1 | 0,28 | 0,28 | NF | 4,57 | 111,7 | -40,8/ -35,5 | 0 | 2630 | ND |
421B | R-125/134a (85,0/15,0) | +/- 1,0/+/- 1,0 | A1/A1 | 0,33 | 0,33 | NF | 4,78 | 116,9 | -45,7/ -42,6 | 0 | 3190 | ND |
422A | R-125/134a/600a (85,1/11,5/3,4) | +/- 1,0/+/- 1,0/+0,1 -0,4 | A1/A1 | 0,29 | 0,29 | NF | 4,65 | 113,6 | -46,5/ -44Д | 0 | 3140 | ND |
422B | R-125/134a/600a (55,0/42,0/3,0) | +/- 1,0/+/- 1,0/+0,1 -0,5 | A1/A1 | 0,25 | 0,25 | NF | 4,44 | 108,5 | -40,5/ -35,6 | 0 | 2530 | ND |
422C | R-125/134a/600a (82,0/15,0/3,0) | +/- 1,0/+/- 1,0/+0,1 -0,5 | A1/A1 | 0,29 | 0,29 | NF | 4,64 | 113,4 | -45,3/ -42,3 | 0 | 3090 | ND |
422D | R-125/134a/600a (65,1/31,5/3,4) | +0,9 -1,1/+/- 1,0/+0,1 -0,4 | A1/A1 | 0,26 | 0,26 | NF | 4,49 | 109,9 | -43,2/ -38,4 | 0 | 2730 | ND |
423A | R-134a/227ea (52,5/47,5) | +/- 1,0/+/- 1,0 | A1/A1 | 0,30 | 0,30 | NF | 5,15 | 126,0 | -24,2/ -23,5 | 0 | 2280 | ND |
424A | R-125/134a/600a/600/601a (50,5/47,0/0,9/1,0/0,6) | +/- 1,0/+/- 1,0/+0,1 -0,2/+0,1 -0,2/+0,1 -0,2 | A1/A1 | 0,10 | 0,10 | NF | 4,43 | 108,4 | -39Д/ -33,3 | 0 | 2440 | ND |
425A | R-32/134a/227ea (18,5/69,5/12,0) | +/- 0,5/+/- 0,5/+/- 0,5 | A1/A1 | 0,27 | 0,27 | NF | 3,69 | 90,3 | -38,1/ -31,3 | 0 | 1510 | ND |
426A | R-125/134a/600/601a (5,1/93,0/1,3/0,6) | +/- 1,0/+/- 1,0/+0,1 -0,2/+0,1 -0,2 | A1/A1 | 0,083 | 0,083 | NF | 4,16 | 101,6 | -28,5/ -26,7 | 0 | 1510 | ND |
427A | R-32/125/143a/134a (15,0/25,0/10,0/50,0) | +/- 2,0/+/- 2,0/+/- 2,0/+/- 2,0 | A1/A1 | 0,29 | 0,29 | NF | 3,70 | 90,4 | -43,0/ -36,3 | 0 | 2140 | ND |
428A | R-125/143a/290/600a (77,5/20,0/0,6/1,9) | +/- 1,0/+/- 1,0/+0,1 -0,2/+0,1 -0,2 | A1/A1 | 0,37 | 0,37 | NF | 4,40 | 107,5 | -48,3/ -47,5 | 0 | 3610 | ND |
429A | R-E170/152a/600a (60,0/10,0/30,0) | +/- 1,0/+/- 1,0/+/- 1,0 | A3/A3 | 0,010 | 0,098 | 0,052 | 2,08 | 50,8 | -26,0/ -25,6 | 0 | 19 | ND |
430A | R-152a/600a (76,0/24,0) | +/- 1,0/+/- 1,0 | A3/A3 | 0,017 | 0,10 | 0,084 | 2,61 | 63,9 | -27,6/ -27,4 | 0 | 99 | ND |
431A | R-290/152a (71,0/29,0) | +/- 1,0/+/- 1,0 | A3/A3 | 0,009 | 0,10 | 0,044 | 2,00 | 48,8 | -43Д/ -43Д | 0 | 38 | ND |
432A | R-1270/E170 (80,0/20,0) | +/- 1,0/+/- 1,0 | A3/A3 | 0,008 | 0,0021 | 0,039 | 1,75 | 42,8 | -46,6/ -45,6 | 0 | 2 | ND |
433A | R-1270/290 (30,0/70,0) | +/- 1,0/+/- 1,0 | A3/A3 | 0,007 | 0,0055 | 0,036 | 1,78 | 43,5 | -44,6/ -44,2 | 0 | 3 | ND |
433B | R-1270/290 (5,0/95,0) | +/- 1,0/+/- 1,0 | A3/A3 | 0,005 | 0,025 | 0,025 | 1,80 | 44,0 | -42,7/ -42,5 | 0 | 3 | ND |
433C | R-1270/290 (25,0/75,0) | +/- 1,0/+/- 1,0 | A3/A3 | 0,006 | 0,0066 | 0,032 | 1,78 | 43,6 | -44,3/ -43,9 | 0 | 3 | ND |
434A | R-125/143a/134a/600a (63,2/18,0/16,0/2,8) | +/- 1,0/+/- 1,0/+/- 1,0/+0,1 -0,2 | A1/A1 | 0,32 | 0,32 | NF | 4,32 | 105,7 | -45,0/ -42,3 | 0 | 3250 | ND |
435A | R-E170/152a (80,0/20,0) | +/- 1,0/+/- 1,0 | A3/A3 | 0,014 | 0,09 | 0,069 | 2,00 | 49,0 | -26,1/ -25,9 | 0 | 26 | ND |
436A | R-290/600a (56,0/44,0) | +/- 1,0/+/- 1,0 | A3/A3 | 0,006 | 0,073 | 0,032 | 2,02 | 49,3 | -34,3/ -26,2 | 0 | 11 | ND |
436B | R-290/600a (52,0/48,0) | +/- 1,0/+/- 1,0 | A3/A3 | 0,007 | 0,071 | 0,033 | 2,00 | 49,9 | -33,4/ -25,0 | 0 | 11 | ND |
437A | R-125/134a/600/601 (19,5/78,5/1,4/0,6) | +0,5 -1,8/+1,5 -0,7/+0,1 -0,2/+0,1 -0,2 | A1/A1 | 0,081 | 0,081 | NF | 4,24 | 103,7 | -32,9/ -29,2 | 0 | 1810 | ND |
438A | R-32/125/134a/600/601a (8,5/45,0/44,2/1,7/0,6) | +0,5 -1,5/+/- 1,5/+/- 1,5/+0,1 -0,2/+0,1 -0,2 | A1/A1 | 0,079 | 0,079 | NF | 4,05 | 99,1 | -43,0/ -36,4 | 0 | 2260 | ND |
439A | R-32/125/600a (50,0/47,0/3,0) | +/- 1,0/+/- 1,0/+/- 0,5 | A2/A2 | 0,061 | 0,34 | 0,304 | 2,91 | 71,2 | -52,0/ -51,8 | 0 | 1980 | ND |
440A | R-290/134a/152a (0,6/1,6/97,8) | +/- 0,1/+/- 0,6/+/- 0,5 | A2/A2 | 0,025 | 0,14 | 0,124 | 2,71 | 66,2 | -25,5/ -24,3 | 0 | 144 | ND |
441A | R-170/290/600a/600 (3,1/54,8/6,0/36,1) | +/- 0,3/+/- 2,0/+/- 0,6/+/- 2,0 | A3/A3 | 0,0063 | 0,0063 | 0,032 | 1,98 | 48,3 | -41,9/ -20,4 | 0 | 5 | ND |
442A | R-32/125/134a/152a/227ea (31,0/31,0/30,0/3,0/5,0) | +/- 1,0/+/- 1,0/+/- 1,0/+/- 0,5/+/- 1,0 | A1/A1 | 0,33 | 0,33 | NF | 3,35 | 81,8 | -46,5/ -52,7 | 0 | 1890 | ND |
<a> Значения плотности паров, температуры точки кипения, температуры точки росы, ОРП и ПГП не являются частью настоящего стандарта и приведены только в информационных целях. <b> Суммарный допуск содержания R152a и R142b в смеси должен быть в диапазоне от 0 до минус 2%. <c> Компоненты смеси в описании состава смесевого хладагента принято располагать в порядке возрастания точки кипения при нормальных условиях каждого из компонентов. <d> Расчетное значение. Получено исходя из величин ППНЧ компонентов смеси, перечисленных в таблице B.1. <e> Озоноразрушающую способность ( ОРС) рассчитывают на основе значений для отдельных компонентов, перечисленных в таблице B.1. <f> Потенциал глобального потепления ( ПГП) рассчитывают на основе значений для отдельных компонентов, перечисленных в таблице B.1. <g> Предельно допустимая концентрация ( ПДК) токсического воздействия или значение концентрации, приводящее к нехватке кислорода ( ПНК), - указана наименьшая из двух величин. <h> Нижний концентрационный предел воспламенения в смеси с воздухом ( НКПВ). |
Таблица B.3
Обозначения азеотропных смесей хладагентов (R-500 серии)
| | ИС МЕГАНОРМ: примечание. Сноски в таблице даны в соответствии с официальным текстом документа. | |
Обозначение хладагента | Азеотропный состав <e> (% по массе) | Допуск на содержание составных компонентов, % | Группа опасности | | | Горючесть НКПВ <h>, кг/м 3 | Плотность паров при 25 °C, 101,3 кПа <b>, кг/м 3 | Относительная молярная масса <b> | Точка кипения при нормальных условиях <b>, °C | Азеотропная температура <d>, °C | | | Температура самовоспламенения, °C |
500 | R-12/152a (73,8/26,2) | +1,0 -0,0/+0,0 -1,0 | A1/A1 | 0,4 | 0,12 | NF | 4,06 | 99,3 | -33 | 0 | 0,74 | 8080 | ND |
501 | | | A1/A1 | 0,38 | 0,21 | NF | 3,81 | 93,1 | -41 | -41 | 0,29 | 4080 | ND |
502 | | | A1/A1 | 0,45 | 0,33 | NF | 4,56 | 111,6 | -45 | 19 | 0,33 | 4660 | ND |
503 | | | A1/A1 | 0,35 | ND | NF | 3,58 | 87,5 | -88 | 88 | 0,6 | 14600 | ND |
504 | | | A1/A1 | 0,45 | 0,45 | NF | 3,24 | 79,2 | -57 | 17 | 0,31 | 4140 | ND |
507A | R-125/143a (50/50) | +1,5 -0,5/+0,5 -1,5 | A1/A1 | 0,53 | 0,53 | NF | 4,04 | 98,9 | -46 | -40 | 0 | 3990 | ND |
508A | R-23/116 (39/61) | +/- 2,0/+/- 2,0 | A1/A1 | 0,23 | 0,23 | NF | 4,09 | 100,1 | -86 | -86 | 0 | 13200 | ND |
508B | R-23/116 (46/54) | +/- 2,0/+/- 2,0 | A1/A1 | 0,25 | 0,2 | NF | 3,90 | 95,4 | -88 | -45,6 | 0 | 13400 | ND |
509A | R-22/218 (44/56) | +/- 2,0/+/- 2,0 | A1/A1 | 0,56 | 0,38 | NF | 5,07 | 124,0 | -47 | 0 | 0,024 | 5740 | ND |
510A | R-E170/60 0a (88,0/12,0) | +/- 0,5/+/- 0,5 | A3/A3 | 0,011 | 0,087 | 0,056 | 1,93 | 47,2 | -25 | -25,2 | 0 | 3 | ND |
511A | R-290/E170 (95,0/5,0) | +/- 1,0/+/- 1,0 | A3/A3 | 0,008 | 0,092 | 0,038 | 1,81 | 44,2 | -42 | -20 до +40 | 0 | 3 | ND |
512A | R-134a/152a (5,0/95,0) | +/- 1,0/+/- 1,0 | A2/A2 | 0,025 | 0,14 | 0,124 | 2,75 | 67,2 | -24 | -20 до +40 | 0 | 189 | ND |
<a> Азеотропные хладагенты могут характеризоваться некоторыми признаками разделения компонентов при температурах и давлениях, отличающихся от тех, при которых они получены. Степень отклонения от азеотропного состояния зависит от состава азеотропных смесей и оборудования, в котором их применяют. <b> Значения плотности паров, молярной массы, температуры точки кипения, температуры точки росы, ОРП и ПГП не являются частью настоящего стандарта и приведены только в информационных целях. <c> Точный состав этой азеотропной смеси не определен и требует дополнительных экспериментальных исследований. <d> В условиях равновесия пар-жидкость. <e> Компоненты смеси в описании состава смесевого хладагента принято располагать в порядке возрастания точки кипения каждого из компонентов. <f> Потенциал глобального потепления ( ПГП) рассчитывают на основе значений для отдельных компонентов, перечисленных в таблице B.1. <g> Предельно допустимая концентрация ( ПДК) токсического воздействия или значение концентрации, приводящее к нехватке кислорода ( ПНК), - указана наименьшая из двух величин. <h> Нижний концентрационный предел воспламенения в смеси с воздухом ( НКПВ). <i> Озоноразрушающую способность ( ОРС) рассчитывают на основе значений для отдельных компонентов, перечисленных в таблице B.1. |
(справочное)
ВОЗМОЖНЫЕ ОПАСНОСТИ В ХОЛОДИЛЬНЫХ СИСТЕМАХ
C.1 Основные положения
Хладагенты, их смеси и комбинации с маслом, водой или другими веществами, которыми преднамеренно или нет заполняют холодильную систему, оказывают химическое и физическое воздействие на внутренние поверхности конструкционных материалов и компонентов холодильной системы, в том числе из-за значений давления и/или температуры. Хладагенты могут, если у них есть разрушающие свойства, представлять опасность для людей, имущества и окружающей среды, прямо или косвенно в силу эффектов их глобального долгосрочного воздействия (ОРП,
ПГП) при их выбросе из холодильной системы. Характеристики хладагентов, смесей и их комбинаций приведены в соответствующих стандартах, таких как
[3], и не являются частью настоящего стандарта. Опасности, обусловленные воздействием давления и температуры в холодильных системах, в основном проистекают вследствие одновременного присутствия в холодильном контуре жидкой и газообразной фаз хладагента. Кроме того, степень воздействия хладагента на различные компоненты системы зависит не только от процессов и параметров внутри установки, но также и от внешних факторов.
Перечень опасностей представлен следующим списком:
a) прямое воздействие экстремальных температур, например:
1) растрескивание материалов при низкой температуре;
2) замерзание жидкости в замкнутом объеме (вода, рассол и т.п.);
3) термические напряжения;
4) объемные деформации при изменении температуры;
5) неблагоприятное воздействие низких температур на людей;
6) прикосновение к горячим поверхностям;
b) воздействие чрезмерного давления в результате, например:
1) повышения давления конденсации вследствие недостаточного охлаждения, парциального давления неконденсируемых газов, накопления масла или хладагента в жидкой фазе;
2) повышения давления насыщенного пара из-за чрезмерного внешнего нагрева, например, в установке для охлаждения жидкости, при оттаивании воздухоохладителя или при высокой температуре окружающей среды во время стоянки системы;
3) теплового расширения жидкого хладагента в замкнутом объеме в отсутствие газовой подушки при повышении наружной температуры;
4) пожара;
c) непосредственное воздействие жидкости, например:
1) чрезмерная заправка или залив оборудования хладагентом;
2) попадание жидкой фазы в компрессор вследствие подсоса или конденсации паров хладагента в компрессоре;
3) гидравлические удары в трубопроводе;
4) плохая смазка из-за разжижения масла хладагентом;
d) утечки хладагентов, например:
1) пожар;
2) взрыв;
3) токсичность;
4) разъедающее воздействие;
5) обморожение кожи;
6) удушье;
7) паника;
8) возможные экологические проблемы, такие как разрушение озонового слоя и глобальное потепление;
e) движущиеся части механизмов, например:
1) ранения;
2) потеря слуха из-за чрезмерного шума;
3) повреждения, вызванные вибрациями.
(справочное)
СООТВЕТСТВИЕ ТЕРМИНОВ НА РУССКОМ И АНГЛИЙСКОМ ЯЗЫКАХ
Таблица D.1
Соответствие терминов на русском и английском языках
Термин на русском языке | Термин на английском языке | Пункт/подпункт |
абсорбционная система | absorption system | |
автономная система | self-contained system | |
азеотроп | azeotrope | |
буферный ресивер | surge drum | |
внутренний объем брутто | internal net volume | |
выход | exit | |
галогенуглерод | halocarbon | |
герметичная система | sealed system | |
горючесть | flammability | |
давление испытания на герметичность | tightness test pressure | |
давление испытания на прочность | strength test pressure | |
давление расчетное | design pressure | |
детектор хладагента | refrigerant detector | |
жидкостный ресивер | liquid receiver | |
заводское изготовление | factory-made | |
запорное устройство | shut-off device | |
запорный клапан | isolating valves | |
зеотроп | zeotrope | |
змеевик | coil | |
испаритель | evaporator | |
каскадная система | cascade system | |
клапан отсечной быстродействующий | quick-closing valve | |
клапан самозакрывающийся | self closing valve | |
клапаны отсечные сдвоенные | companion (block) valves | |
кожух с принудительной вентиляцией | ventilated enclosure | |
клапан трехходовой | three-way valve | |
коллектор | header | |
комната | occupied space | |
компрессор | compressor | |
компрессор динамического действия | non-positive displacement compressor | |
компрессор объемного действия | positive displacement compressor | |
компрессорно-конденсаторный агрегат | condensing unit | |
компрессорный агрегат | compressor unit | |
конденсатор | condenser | |
контур теплопередачи | heat-transfer circuit | |
коридор | hallway | |
максимально допустимое давление | maximum allowable pressure | |
масло | lubricant | |
машинное отделение | machinery room | |
моноблочная система | unit system | |
мультисплит-система | multisplit system | |
непосредственная система | direct releasable system | |
наружный воздух | outside air | |
ограничитель давления | pressure limiter | |
ограничитель давления, прошедший типовое испытание | type-approved pressure limiter | |
ограничитель уровня жидкости | liquid level cut out | |
отдушина | dilution transfer opening | |
открытый воздух | open air | |
очистка | recycle | |
подвальное помещение | crawl space | |
подпол | crawl space | |
предельное количество при наличии дополнительной вентиляции | quantity limit with additional ventilation | |
предельное количество при минимальной вентиляции | quantity limit with minimum ventilation | |
предохранительное реле давления, прошедшее типовое испытание | type-approved safety pressure cut out | |
переключающее устройство | changeover device | |
перепускной клапан | overflow valve | |
плавкая пробка | fusible plug | |
повторное использование | reuse | |
помещение | occupied space | |
практический предел | practical limit | |
предохранительное реле давления | safety switching device for limiting the pressure | |
предохранительный клапан | pressure relief valve | |
промежуточная система | indirect systems | |
проход к выходу | exit passageway | |
разгрузочный ресивер | fade-out vessel | |
разрывной диск | bursting disc | |
регенерация | reclaim | |
рекуперация | recover | |
реле давления, прошедшее типовое испытание | type-approved pressure cut out | |
сальниковый компрессор | open compressor | |
сдвоенная промежуточная система | double indirect system | |
система | system | |
система с ограниченной заправкой | limited charge system | |
соединение | joint | |
соединение обжатием | compression joint | |
соединение паяное (твердый припой) | brazed joint | |
соединение резьбовое коническое | tapered thread joint | |
соединение развальцовкой | flared joint | |
соединение сварное | welded joint | |
соединение фланцевое | flanged joint | |
сосуд под давлением | pressure vessel | |
специальное машинное отделение | special machinery room | |
сплит-система | split system | |
сторона высокого давления | high-pressure side | |
сторона низкого давления | low-pressure side | |
температура самовоспламенения | auto-ignition temperature | |
тепловой насос | heat pump | |
теплоноситель | heat-transfer fluid | |
теплообменник | heat exchanger | |
технологический короб | service duct | |
тип хладагента | refrigerant type | |
токсичность | toxicity | |
трубопровод | piping | |
углеводород | hydrocarbon | |
устройство ограничения температуры | temperature limiting device | |
устройство сброса давления | pressure relief device | |
утилизация | disposal | |
хладагент (холодильный агент) | refrigerant | |
холодильное оборудование | refrigerating equipment | |
холодильная система | refrigerating system | |
компонент, прошедший типовое испытание | type-approved component | |
(справочное)
СВЕДЕНИЯ О СООТВЕТСТВИИ ССЫЛОЧНЫХ МЕЖДУНАРОДНЫХ СТАНДАРТОВ
ССЫЛОЧНЫМ МЕЖГОСУДАРСТВЕННЫМ СТАНДАРТАМ
Таблица ДА.1
Обозначение ссылочного международного стандарта | Степень соответствия | Обозначение и наименование соответствующего межгосударственного стандарта |
IEC 60335-2-24(2005) | IDT | ГОСТ IEC 60335-2-24-2012 "Безопасность бытовых и аналогичных электрических приборов. Часть 2-24. Частные требования к холодильным приборам, мороженицам и устройствам для производства льда" |
IEC 60335-2-89(2010) | IDT | ГОСТ IEC 60335-2-89-2013 "Безопасность бытовых и аналогичных электрических приборов. Часть 2-89. Частные требования к торговому холодильному оборудованию со встроенным или дистанционным узлом конденсации хладагента или компрессором для предприятий общественного питания" |
ISO 5149-4:2014 | MOD | ГОСТ 33662.4-2015 "Холодильные системы и тепловые насосы. Требования безопасности и охраны окружающей среды. Часть 4. Эксплуатация, техническое обслуживание, ремонт и восстановление" |
Примечание - В настоящей таблице использованы следующие условные обозначения степени соответствия стандартов: - IDT - идентичные стандарты; - MOD - модифицированный стандарт. |
| ISO 13043 | Road vehicles - Refrigerant systems used in mobile air conditioning systems (MAC) - Safety requirements |
| SAE J 639 | Safety standards for motor vehicle refrigerant vapor compression systems |
| ISO 817:2014 | Refrigerants - Designation and safety classification |
| ISO 5149-3:2014 | Refrigerating systems and heat pumps - Safety and environmental requirements - Part 3: Installation site |
| IPCC 4th assessment report 2007 |
| WMO Scientific assessment of ozone depletion 2010 |
| UNEP RTOC 2010 report |
УДК 621.56/57:006.354 | | MOD |
Ключевые слова: холодильная система, тепловой насос, безопасность, окружающая среда, хладагент |