Главная // Актуальные документы // ГОСТ (Государственный стандарт)СПРАВКА
Источник публикации
М.: Стандартинформ, 2016
Примечание к документу
Документ
введен в действие с 1 апреля 2017 года.
Название документа
"ГОСТ 33543-2015. Межгосударственный стандарт. Автомобильные транспортные средства. Камеры тормозные пневматических приводов. Технические требования и методы испытаний"
(введен в действие Приказом Росстандарта от 16.05.2016 N 318-ст)
"ГОСТ 33543-2015. Межгосударственный стандарт. Автомобильные транспортные средства. Камеры тормозные пневматических приводов. Технические требования и методы испытаний"
(введен в действие Приказом Росстандарта от 16.05.2016 N 318-ст)
по техническому регулированию
и метрологии
от 16 мая 2016 г. N 318-ст
МЕЖГОСУДАРСТВЕННЫЙ СТАНДАРТ
АВТОМОБИЛЬНЫЕ ТРАНСПОРТНЫЕ СРЕДСТВА
КАМЕРЫ ТОРМОЗНЫЕ ПНЕВМАТИЧЕСКИХ ПРИВОДОВ
ТЕХНИЧЕСКИЕ ТРЕБОВАНИЯ И МЕТОДЫ ИСПЫТАНИЙ
Motor vehicles. Chambers of vehicles pneumatic brake
controls. Technical requirements and test methods
ГОСТ 33543-2015
Дата введения
1 апреля 2017 года
Цели, основные принципы и основной порядок проведения работ по межгосударственной стандартизации установлены
ГОСТ 1.0-92 "Межгосударственная система стандартизации. Основные положения" и
ГОСТ 1.2-2009 "Межгосударственная система стандартизации. Стандарты межгосударственные, правила и рекомендации по межгосударственной стандартизации. Правила разработки, принятия, применения, обновления и отмены"
1 РАЗРАБОТАН Федеральным государственным унитарным предприятием "Центральный ордена Трудового Красного Знамени научно-исследовательский автомобильный и автомоторный институт "НАМИ" (ФГУП "НАМИ")
2 ВНЕСЕН Межгосударственным техническим комитетом по стандартизации МТК 56 "Дорожный транспорт"
3 ПРИНЯТ Межгосударственным советом по стандартизации, метрологии и сертификации (протокол от 27 октября 2015 г. N 81-П)
За принятие проголосовали:
Краткое наименование страны по МК (ИСО 3166) 004-97 | Код страны по МК (ИСО 3166) 004-97 | Сокращенное наименование национального органа по стандартизации |
Армения | AM | Минэкономики Республики Армения |
Беларусь | BY | Госстандарт Республики Беларусь |
Казахстан | KZ | Госстандарт Республики Казахстан |
Киргизия | KG | Кыргызстандарт |
Россия | RU | Росстандарт |
Таджикистан | TJ | Таджикстандарт |
4
Приказом Федерального агентства по техническому регулированию и метрологии от 16 мая 2016 г. N 318-ст межгосударственный стандарт ГОСТ 33543-2015 введен в действие в качестве национального стандарта Российской Федерации с 1 апреля 2017 г.
5 ВВЕДЕН ВПЕРВЫЕ
Информация об изменениях к настоящему стандарту публикуется в ежегодном информационном указателе "Национальные стандарты" (по состоянию на 1 января текущего года), а текст изменений и поправок - в ежемесячном информационном указателе "Национальные стандарты". В случае пересмотра (замены) или отмены настоящего стандарта соответствующее уведомление будет опубликовано в ежемесячном информационном указателе "Национальные стандарты". Соответствующая информация, уведомление и тексты размещаются также в информационной системе общего пользования - на официальном сайте Федерального агентства по техническому регулированию и метрологии в сети Интернет
Настоящий стандарт распространяется на тормозные мембранные (диафрагменные) камеры (далее - тормозные камеры), в том числе с пружинными энергоаккумуляторами (в сборе), предназначенные для создания усилия в тормозных механизмах автотранспортных средств (далее - АТС), относящихся к классификации
[1] с пневматическим приводом тормозов с рабочим давлением сжатого воздуха до 0,8 МПа. Тормозные камеры предназначены для эксплуатации в макроклиматических районах с умеренным (У) и сухим или влажным тропическим (Т) климатом в условиях категории размещения 1 по
ГОСТ 15150. Применение тормозных камер в макроклиматических районах с холодным климатом (ХЛ) по
ГОСТ 15150, а также для других целей должно быть согласовано с изготовителем в установленном порядке.
Настоящий стандарт устанавливает типы тормозных камер, их выходные параметры, габаритные и присоединительные размеры, технические требования и методы испытаний для оценки их работоспособности, герметичности и долговечности в условиях циклического нагружения, а также определения их функциональных свойств.
В настоящем стандарте использованы нормативные ссылки на следующие межгосударственные стандарты:
ГОСТ 15150-69 Машины, приборы и другие технические изделия. Исполнения для различных климатических районов. Категории, условия эксплуатации, хранения и транспортирования в части воздействия климатических факторов внешней среды
ГОСТ 29014-91 Пневмоприводы. Общие методы испытаний
Примечание - При пользовании настоящим стандартом целесообразно проверить действие ссылочных стандартов в информационной системе общего пользования - на официальном сайте Федерального агентства по техническому регулированию и метрологии в сети Интернет или по ежегодному информационному указателю "Национальные стандарты", который опубликован по состоянию на 1 января текущего года, и по выпускам ежемесячного информационного указателя "Национальные стандарты" за текущий год. Если ссылочный стандарт заменен (изменен), то при пользовании настоящим стандартом следует руководствоваться заменяющим (измененным) стандартом. Если ссылочный стандарт отменен без замены, то положение, в котором дана ссылка на него, применяется в части, не затрагивающей эту ссылку.
В настоящем стандарте применены следующие термины с соответствующими определениями:
3.1 тормозная камера: Исполнительный аппарат тормозного пневматического привода, преобразующий энергию сжатого воздуха в поступательное движение штока для срабатывания рабочего тормоза АТС.
3.2 тормозная камера с пружинным энергоаккумулятором: Тормозная камера, имеющая механизм, преобразующий энергию сжатого воздуха в энергию сжатой пружины, которая используется для обеспечения поступательного движения штока с целью приведения в действие тормозных механизмов в случаях необходимости включения стояночной и запасной тормозных систем или при отсутствии достаточного запаса энергии сжатого воздуха в приводе тормозных систем.
3.3 быстрорастормаживающее устройство; БРУ: Механизм быстрого отсоединения жесткой связи между поршнем (диафрагмой) энергоаккумулятора и штоком камеры.
3.4 тип тормозной камеры: Параметр, определяемый активной площадью силового элемента камеры в квадратных дюймах (1 кв. дюйм = 645,1 мм2).
4 Основные типы, параметры и размеры
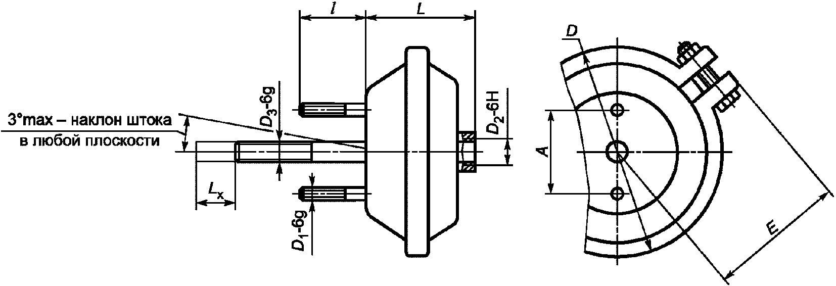
4.1.1 Тормозные камеры со штоком и шпильками для крепления на кронштейне (см.
рисунок 1,
таблицу 1).
Рисунок 1 - Тормозная камера со штоком и шпильками
для крепления на кронштейне
Размеры в миллиметрах
Тип тормозной камеры | D, не более | L, не более | Lx, ход штока не менее | I, не менее | A | E, не более | D1 | D2 | D3 | Усилие на штоке, даН, не менее |
9 | 112 | 120 | 45 | 25 | 76 +/- 0,6 | 86 | M12 | M16x1,5 (M22x1,5, K1/4") | M14x1,5 (M12x1,25 M16x1,5) | 300 |
12 | 146 | 92 | 400 |
16 | 164 | 138 | 57 | 120 +/- 0,7 (76 +/- 0,6) | 103 | 550 |
20 | 175 | 124 | 32 | 120 +/- 0,7 | 109 | M16x1,5 (M12x1,5) | 650 |
24 | 188 | 115 | 750 |
27 | 127 | 123 | 950 |
30 | 208 | 141 | 1000 |
36 | 230 | 173 | 76 | 134 | M16x1,5 | 1300 |
4.1.2 Тормозные камеры с пружинным поршневым энергоаккумулятором, со штоком и шпильками для крепления на кронштейне (см.
рисунок 2,
таблицу 2).
Рисунок 2 - Тормозная камера с пружинным поршневым
энергоаккумулятором, со штоком и шпильками для крепления
на кронштейне
Размеры в миллиметрах
Тип силовой части камеры | Тип пружинной части камеры | D, не более | D1, не более | C, не более | Lx, ход штока, не менее, силовая часть/пружинная часть | d | I, не менее | E, не более | L, не более | L1, не более | L2, не более | Усилие на штоке, даН, не менее |
Силовая часть | Пружинная часть |
12 | 16 | 124 | 160 | 88 | 45 --- 57 | M14x1,5 (M12x1,5; M16x1,5) | 33 | 92 | 265 | 158 | 68 | 400 | 580 |
20 | 156 | 90 | 273 | 166 | 650 |
14 | 16 | 135 | 162 | 92 | 57 --- 57 | 94 | 460 | 580 |
16 | 146 | 550 |
20 | 156 | 650 |
6 | 24 | 146 | 174 | 102 | 57 --- 57 | M14x1,5 (M12x1,5; M16x1,5) | 33 | 94 | 273 | 166 | 68 | 550 | 750 |
20 | 20 | 175 | 156 | 90 | 57 --- 57(67) | 109 | 265 | 650 | 650 |
24 | 184 | 115 | 750 |
20 | 24 | 175 | 174 | 102 | 38 | 109 | 254 | 154 | 88 | 650 | 750 |
24 | 184 | 115 | 750 |
30 | 208 | 122 | 268 | 1000 |
27 | 24 | 210 | 122 | 302 | 73 | 950 |
30 | 200 | 111 | 200 | 1000 |
24 | 30 | 184 | 115 | 278 | 750 |
30 | 208 | 122 | 293 | 1000 |
36 | 230 | 76/67 (67/57) | 134 | 325 | 1300 |
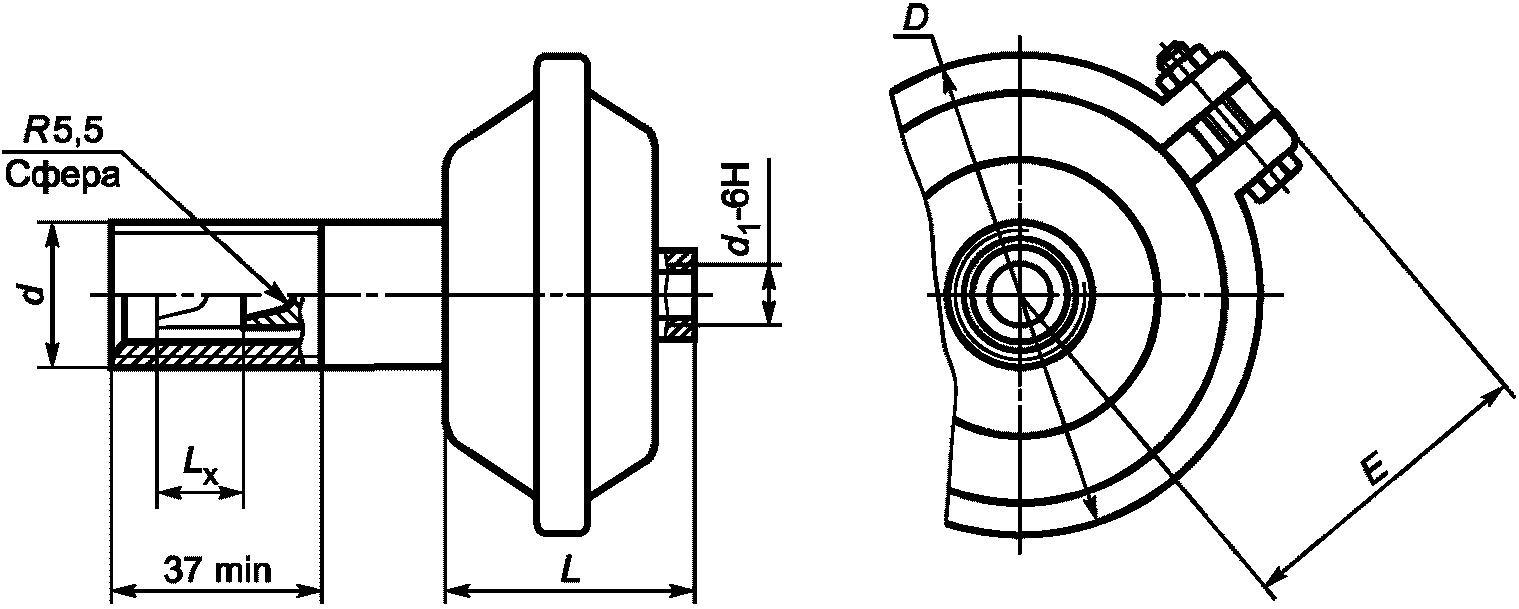
4.1.3 Тормозные камеры с резьбовой трубой для крепления непосредственно на тормозном механизме (см.
рисунок 3,
таблицу 3).
Рисунок 3 - Тормозная камера с резьбовой трубой
для крепления непосредственно на тормозном механизме
Размеры в миллиметрах
Тип тормозной камеры | D, не более | L, не более | Lx, ход штока, не менее | E, не более | d | d1 | Усилие на штоке, даН, не менее |
9 | 136 | 110 | 43 | 90 | 1,3/4"-12 (M45x1,5-6g, M48x1,5-6g) | M16x1,5 | 300 |
12 | 146 | 112 | 92 | 400 |
16 | 160 | 128 | 101 | 550 |
4.1.4 Тормозные камеры с пружинным поршневым энергоаккумулятором, с резьбовой трубой для крепления непосредственно на тормозном механизме (см.
рисунок 4,
таблицу 4).
Рисунок 4 - Тормозная камера с пружинным поршневым
энергоаккумулятором, с резьбовой трубой
Размеры в миллиметрах
Тип силовой части камеры | Тип пружинной части камеры | D, не более | D1, не более | C, не более | Lx, не менее | E, не более | d | Усилие на штоке, даН, не менее |
Силовая часть | Пружинная часть |
9 | 9 | 136 | 160 | 87 | 43 | 90 | 1,3/4"-12 (M45x1,5-6g M48x1,5-6g) | 300 | 300 |
12 | 148 | 92 | 400 |
9 | 12 | 136 | 90 | 300 | 400 |
12 | 148 | 92 | 400 |
9 | 20 | 136 | 175 | 90 | 90 | 300 | 650 |
4.1.5 Тормозные камеры с пружинным диафрагменным энергоаккумулятором, со штоком и шпильками для крепления на кронштейне (см.
рисунок 5,
таблицу 5).
Рисунок 5 - Тормозная камера с пружинным диафрагменным
энергоаккумулятором, со штоком и шпильками
Размеры в миллиметрах
Тип силовой части камер | Тип пружинной части камер | D, не более | D1, не более | C, не более | Lx, ход штока, не менее | d | I, не менее | E, не более | L, не более | Усилие на штоке, даН, не менее |
Силовая часть | Пружинная часть |
12 | 16 | 124 | 200 | 100 | 45 | M14x1,5 (M16x1,5) | 33 | 122 | 335 | 400 | 580 |
20 | 208 | 650 |
16 | 16 | 146 | 200 | 57 | 550 | 580 |
20 | 208 | 650 |
24 | 750 |
20 | 20 | 175 | 38 | 650 | 650 |
24 | 186 | 750 |
20 | 24 | 175 | 650 | 750 |
24 | 186 | 750 |
30 | 208 | 1000 |
27 | 186 | 950 |
30 | 208 | 230 | 111 | 134 | 340 | 1000 |
24 | 186 | 750 |
30 | 208 | 1000 |
36 | 230 | 1300 |
4.1.6 Тормозные камеры с диафрагменным энергоаккумулятором, с резьбовой трубой для крепления непосредственно на тормозном механизме (см.
рисунок 6,
таблицу 6).
Рисунок 6 - Тормозная камера с диафрагменным
энергоаккумулятором, с резьбовой трубой
Размеры в миллиметрах
Тип силовой части камеры | Тип пружинной части камеры | D, не более | D1, не более | C, не более | Lx, ход штока, не менее | E, не более | d | Усилие на штоке, даН, не менее |
Силовая часть | Пружинная часть |
9 | 20 | 136 | 208 | 100 | 43 | 122 | 1 3/4"-12 (M45x1,5-6g, M48x1,5-6g) | 300 | 650 |
12 | 148 | 50 | 400 |
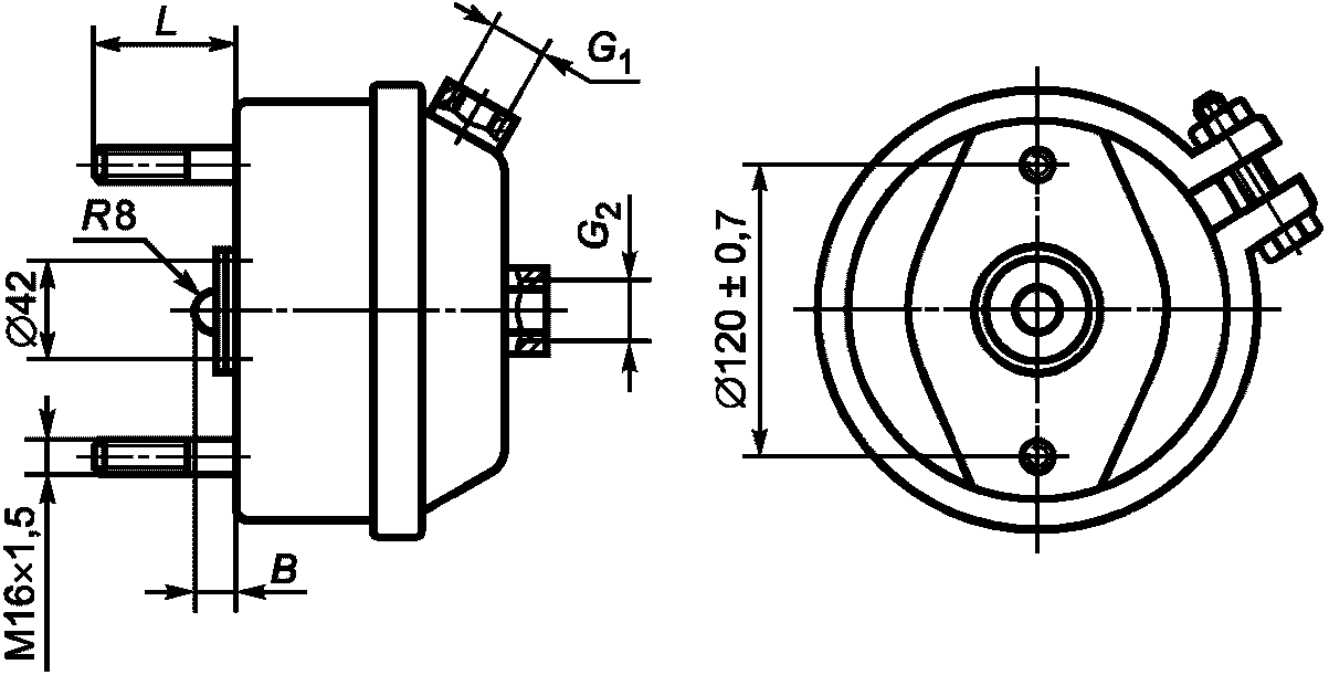
4.1.7 Тормозные камеры с укороченным штоком и шпильками для крепления в дисковом тормозном механизме (см.
рисунок 7,
таблицу 7).
Рисунок 7 - Тормозная камера с укороченным штоком
и шпильками для крепления в дисковом тормозном механизме
Размеры в миллиметрах
Тип тормозной камеры | Lx, ход штока, не менее | B | L | G1 | G2 | Усилие на штоке, даН, не менее |
9 | 45 (57) | 15 | 38 | M16x1,5 M16x1,5 M16x1,5 | - | 300 |
12 | - | 400 |
14 | 57 | - | 440 |
16 | - | 500 |
18 | 62 | 43 | M16x1,5 | 560 |
20 | 62 | 15 (26) | 38 43 | M16x1,5 (M22x1,5) | M16x1,5 - | 650 |
22 | 62 | 15 | 43 | M16x1,5 | 680 |
24 | 62 | 750 |
27 | 57 (62) | 950 |
30 | 1000 |
4.1.8 Тормозные камеры с пружинным поршневым энергоаккумулятором, с укороченным штоком и шпильками для крепления в дисковом тормозном механизме (см.
рисунок 8,
таблицу 8).
Рисунок 8 - Тормозные камеры с пружинным поршневым
энергоаккумулятором, с укороченным штоком и шпильками
для крепления в дисковом тормозном механизме
Размеры в миллиметрах
Тип силовой части камеры | Тип пружинной части камеры | Lx, ход штока, не менее силовая часть/пружинная часть | F | A | Усилие на штоке, даН, не менее |
Силовая часть | Пружинная часть |
16 | 16 | 57/57 64/64 | 15 | 43 | 430 | 580 |
24 | 750 |
18 | 24 | 64/64 | 480 |
20 | 24 | 64/64 75/75 | 15 20 | 43 38 | 650 |
24 | 24 | 57/57 64/64 75/75 | 15 46 26 | 43 38 | 750 |
27 | 24 | 950 |
30 | 1000 |
4.2 Основные параметры и размеры камер приведены в
таблицах 1 -
8.
Рисунки 1 -
8 не устанавливают конструкции тормозных камер.
4.3 Усилие на штоке для всех типов тормозных камер определяют при ходе штока 20 мм и давлении 0,6 МПа (6,0 кгс/см2).
4.4 Длина штоков тормозных камер (по
4.1.1,
4.1.2,
4.1.5) должна быть согласована между изготовителем и потребителем в установленном порядке.
4.5 Давление отключения пружинных энергоаккумуляторов тормозных камер (по
4.1.2,
4.1.4 -
4.1.6,
4.1.8) должно находиться в пределах (0,51 + 0,05) МПа (5,1 + 0,5) кгс/см
2.
4.6 В случае наличия у тормозных камер с пружинным энергоаккумулятором (по
4.1.2,
4.1.4 -
4.1.6,
4.1.8) быстрорастормаживающего устройства давление, при котором произойдет включение БРУ, должно быть не более 0,65 МПа (6,5 кгс/см
2).
5.1 Тормозные камеры должны соответствовать требованиям настоящего стандарта,
[1] и конструкторской документации (далее - КД), утвержденной в установленном порядке.
5.2 Тормозные камеры не должны выходить из строя из-за поломок на протяжении всего срока службы АТС.
5.3 Ресурс тормозных камер должен быть не менее ресурса АТС, для которого они предназначены (при соблюдении правил технического обслуживания и эксплуатации, изложенных в заводской инструкции на данное АТС). В течение пробега до капитального ремонта допускается замена комплектующих изделий, срок службы которых установлен техническими условиями ниже срока службы АТС.
5.4 Тормозные камеры должны быть герметичны при давлении не менее 0,8 МПа (8,0 кгс/см
2).
Допустимая утечка воздуха из диафрагменной или пружинной части камеры при давлении 0,75 МПа (7,5 кгс/см2) не должна превышать:
- 4 см3/мин;
- 20 см
3/мин после испытаний по
6.6;
- 100 см
3/мин при испытаниях по
6.7.
5.5 Требования к работоспособности должны выполняться также после проведения испытаний в условиях их циклического нагружения в объеме и режиме, указанных в
6.6.
6.1 Общие положения
6.1.1 Испытания следует проводить по методикам, разработанным предприятиями в соответствии с требованиями настоящего стандарта.
6.1.2 Тормозные камеры следует подвергать следующим испытаниям:
а) по оценке работоспособности;
б) по оценке герметичности;
в) по определению функциональных свойств;
г) по оценке долговечности в условиях циклического нагружения;
д) по оценке стойкости к температурным воздействиям.
6.1.3 Все испытания, за исключением испытаний в соответствии с
6.1.2, перечисление д) проводятся при температуре (20 +/- 3) °C.
6.1.4 Все объекты перед началом испытаний должны быть проверены на соответствие габаритных и присоединительных размеров требованиям
раздела 3 настоящего стандарта.
6.2 Испытательное оборудование
6.2.1 Испытания следует проводить на аттестованном оборудовании.
6.2.2 Рекомендуемые схемы испытательного оборудования для проведения испытаний по
6.1.2 приведены на
рисунках А.1 -
А.6 приложения А.
6.2.3 Все стендовые установки должны иметь возможность создавать регулируемое давление воздуха на входах в камеру от 0 до 0,8 МПа (8,0 кгс/см2).
6.2.4 Стендовые установки для проведения испытаний по определению функциональных свойств должны быть снабжены динамометром, установленном на расстоянии 20 мм от конца штока камеры в расторможенном состоянии.
6.2.5 Стендовые установки для проведения испытаний по оценке долговечности в условиях циклического нагружения должны иметь:
- возможность циклического изменения входного давления 0 до 0,8 МПа (8,0 кгс/см2) с частотой не менее 20 циклов в минуту;
- противодействующее устройство.
Сила на штоке противодействующего устройства не должна превышать 5% номинальной силы соответствующей части испытуемой камеры по
4.1.
При 2/3 хода штока камеры сила на штоке противодействующего цилиндра должна быть не менее 60% номинальной силы на штоке камеры.
При ходе свыше 2/3 хода штока камеры шток противодействующего устройства должен дойти до упора. Дальнейшее увеличение силы на штоке камеры должно происходить без перемещения штока противодействующего устройства.
6.2.6 Стендовые установки для проведения испытаний по оценке стойкости к температурным воздействиям должны иметь термическую камеру с диапазоном температур от минус 60 °C до плюс 80 °C.
6.2.7 Допускаемые погрешности измерения параметров не должны превышать:
3% - усилия;
3% - давления;
2,5% - температуры;
2% - линейных размеров;
3% - частоты;
5% - времени.
6.3 Испытания по оценке работоспособности
6.3.1 Три раза впускают и выпускают воздух под давлением 0,8 МПа (8,0 кгс/см2) в (из) рабочую(ей) полость(и) камеры (вход I). В тормозных камерах с пружинным энергоаккумулятором предварительно впускают в рабочую полость воздух под давлением 0,75 МПа (7,5 кгс/см2) во вход II. Измеряют длину хода штока. При этом фиксируют плавность перемещения штока (шток камеры должен без заеданий быстро выдвигаться и возвращаться в исходное положение).
6.3.2 В тормозных камерах с пружинным энергоаккумулятором три раза впускают и выпускают воздух под давлением 0,75 МПа (7,5 кгс/см2) в (из) вход(а) II (пружинный энергоаккумулятор). Измеряют длину хода штока. При этом фиксируют плавность перемещения штока.
6.3.3 В тормозных камерах с пружинным энергоаккумулятором выворачивают и вворачивают винт растормаживающего устройства, при этом шток не должен переместиться.
6.3.4 В тормозных камерах с пружинным энергоаккумулятором, оборудованных быстрорастормаживающим устройством, приводят данное устройство в действие, впустив воздух под давлением 0,65 МПа (6,5 кгс/см2) во вход II. Затем снижают давление до нулевого значения и убеждаются, что включилось БРУ.
6.3.5 Признаки неработоспособности камеры:
- шток камеры не перемещается или медленно, или с заеданием выдвигается и возвращается в исходное положение;
- ход штока не соответствует указанному в
4.2;
- не срабатывает или не включается БРУ.
6.4 Испытания по оценке герметичности
В процессе проверки шток тормозных камер не должен быть нагружен.
Воздух под давлением 0,75 МПа (7,5 кгс/см2) впускают в рабочую полость камеры (вход I). В тормозных камерах с пружинным энергоаккумулятором воздух последовательно впускают во входы I и II и определяют значения утечки воздуха из каждой части камеры. Значение утечки воздуха допускается определять по падению давления в пневмосистеме, определяемому по показаниям манометра. Расчет утечки в этом случае производят по ГОСТ 29014.
Утечка воздуха не должна превышать значения, указанного в
5.4.
6.5 Испытания по определению выходных характеристик
6.5.1 Тормозные камеры без энергоаккумулятора
Воздух под давлением 0,60 МПа (6,0 кгс/см
2) впускают в тормозную камеру. Показание динамометра должно быть не менее значения, указанного в
4.1 для данного типоразмера тормозной камеры или в КД.
6.5.2 Тормозные камеры с энергоаккумулятором
6.5.2.1 Растормаживают пружинный энергоаккумулятор. Для этого в тормозных камерах, оснащенных винтовым растормаживающим устройством, выворачивают винт растормаживания до упора, а в камерах, оснащенных БРУ, приводят его в действие.
6.5.2.2 Подают воздух во вход I камеры под давлением 0,60 МПа (6,0 кгс/см
2). Показание динамометра должно быть не менее значения, указанного в
4.1 для данного типоразмера тормозной камеры или в КД.
6.5.2.3 Приводят в действие пружинный энергоаккумулятор. Для этого в тормозных камерах, оснащенных винтовым растормаживающим устройством, выворачивают винт растормаживания до упора, а в камерах, оснащенных БРУ, впускают сжатый воздух во вход II под давлением 0,75 МПа (7,5 кгс/см2), после чего медленно его выпускают.
Показание динамометра должно быть не менее значения, указанного в
4.1 для данного типоразмера камеры или в КД.
6.5.2.4 Давление воздуха на входе II плавно повышают и определяют давление, при котором нагрузка на штоке уменьшается до нуля. Давление должно соответствовать значению, указанному в
4.5.
6.6 Испытания по оценке долговечности
6.6.1 Тормозные камеры без энергоаккумулятора
6.6.1.1 Проводят 1·106 включений испытуемой камеры частотой не более 16 включений в минуту в любой последовательности следующим образом:
- шесть включений при давлении 0,20 МПа (2,0 кгс/см2);
- одно включение при давлении 0,75 МПа (7,5 кгс/см2).
Примечание - Допускается проводить 0,2·106 включений при давлении 0,75 МПа (7,5 кгс/см2).
6.6.1.2 После испытаний тормозная камера должна соответствовать требованиям
5.4 и
6.3.
6.6.2 Тормозные камеры с энергоаккумулятором
6.6.2.1 Растормаживают пружинный энергоаккумулятор. Для этого в камерах, оснащенных растормаживающим устройством, выворачивают винт растормаживания до упора, а в камерах, оснащенных БРУ, приводят его в действие.
6.6.2.2 Проводят 1·106 включений испытуемой камеры частотой не более 16 включений в минуту в любой последовательности следующим образом:
- шесть включений при давлении 0,20 МПа (2,0 кгс/см2);
- одно включение при давлении 0,75 МПа (7,5 кгс/см2).
Примечание - Допускается проводить 0,2·106 включений при давлении 0,75 МПа (7,5 кгс/см2).
6.6.2.3 Проводят 0,25·106 включений путем подачи во вход II воздуха под давлением 0,75 МПа (7,5 кгс/см2), с частотой не более 20 включений в минуту.
6.6.2.4 Проводят не менее 30 вывинчиваний винта оттормаживания. Перед каждым вывинчиванием следует выпустить воздух из входа II. Винт следует вывинчивать на 2/3 его полного хода.
6.6.2.5 При наличии БРУ проводят не менее 30 его включений и выключений.
6.6.2.6 По окончании испытаний камера должна удовлетворять требованиям
5.4 и
5.5.
6.7 Испытания по оценке стойкости к температурным воздействиям
6.7.1 Выдерживают тормозную камеру в течение 2 ч при температуре от 74 °C до 80 °C. При этой температуре она должна удовлетворять требованиям
5.4. и
6.3.
6.7.2 Выдерживают тормозную камеру в течение 2 ч при температуре от минус 40 °C до минус 46 °C. При этой температуре она должна удовлетворять требованиям
5.4. и
6.3.
6.7.3 Выдерживают тормозную камеру исполнения ХЛ в течение 2 ч при температуре от минус 54 °C до минус 60 °C. При этой температуре она должна удовлетворять требованиям
5.4 и
6.3. При этом допускается замедление возвращения штока в первоначальное положение.
Примечание - Для испытания камеры при отрицательных температурах сжатый воздух должен быть подготовлен так, чтобы исключить возможность образования и замерзания конденсата в полости камеры.
7.1 Каждая тормозная камера должна иметь четко выполненную несмываемую маркировку, расположенную на внешней легко доступной поверхности, содержащую:
- товарный знак или сокращенное наименование предприятия-изготовителя;
- обозначение изделия по КД;
- месяц и две последние цифры года изготовления;
Допускается нанесение на изделия дополнительных маркировочных данных и знаков. Места и способы нанесения маркировки устанавливаются КД.
7.2 Места присоединения трубопроводов на тормозных камерах по
4.1.2,
4.1.4 -
4.1.6,
4.1.8 должны иметь маркировку, которую следует располагать непосредственно на корпусах тормозной камеры и пружинного энергоаккумулятора вблизи отверстий, предназначенных для присоединения трубопроводов. Применяемый для маркировки код должен состоять из цифр, обозначающих следующее:
I - подвод воздуха в рабочую полость;
II - подвод воздуха в пружинную полость.
8 Требования безопасности
8.1 Пружинные аккумуляторы по
4.1.2,
4.1.4 -
4.1.6,
4.1.8 находятся в сжатом состоянии. Во избежание несчастных случаев разборку пружинного энергоаккумулятора следует проводить только на специализированных предприятиях. На корпусе тормозных камер с пружинным энергоаккумулятором должна быть нанесена предупреждающая надпись на русском языке и (или) на государственном языке страны-изготовителя или условный знак, предупреждающий об опасности разборки энергоаккумулятора. Пример рекомендуемого условного знака приведен на
рисунке 9.
Рисунок 9 - Рекомендуемый предупреждающий знак
9 Оформление результатов испытаний
9.1 По результатам испытаний составляют протоколы, в которых указывают идентификационные сведения объекта испытаний и приводят величины измеренных параметров, графические зависимости и данные, характеризующие поведение объекта в процессе испытаний.
9.2 Рекомендуемая
форма протоколов приведена в приложении Б.
(рекомендуемое)
СХЕМЫ ИСПЫТАТЕЛЬНОГО ОБОРУДОВАНИЯ ДЛЯ ПРОВЕДЕНИЯ ИСПЫТАНИЙ
1 - кран точного регулирования; 2 - манометр;
3 - объект испытаний; Lx - ход штока
Рисунок А.1 - Схема испытаний по определению
работоспособности и герметичности тормозных камер
1 - кран точного регулирования; 2 - манометр;
3 - объект испытаний; 4 - динамометр сжатия
Рисунок А.2 - Схема испытаний по определению выходных
характеристик тормозных камер
1 - кран точного регулирования; 2 - манометр; 3 - объект
испытаний; 4 - нагрузочный цилиндр; 5 - направляющий рычаг
Рисунок А.3 - Схема испытаний по определению долговечности
тормозных камер
1, 2 - краны точного регулирования; 3, 4 - манометры;
5 - объект испытаний; I - подвод воздуха в рабочую полость;
II - подвод воздуха в пружинную полость; Lx - ход штока
Рисунок А.4 - Схема испытаний по определению
работоспособности и герметичности тормозных камер
с пружинным энергоаккумулятором
1, 2 - краны точного регулирования; 3, 4 - манометры;
5 - объект испытаний; 6 - динамометр сжатия; I - подвод
воздуха в рабочую полость; II - подвод воздуха
в пружинную полость
Рисунок А.5 - Схема испытаний по определению выходных
характеристик тормозных камер с пружинным
энергоаккумулятором
1, 2 - краны точного регулирования; 3, 4 - манометры;
5 - объект испытаний; 6 - нагрузочный цилиндр
противодавления; 7 - направляющий рычаг; 8 - винт
растормаживания пружинного энергоаккумулятора;
I - подвод воздуха в рабочую полость; II - подвод
воздуха в пружинную полость
Рисунок А.6 - Схема испытаний по определению долговечности
тормозных камер с пружинным энергоаккумулятором
(рекомендуемое)
ФОРМА ПРОТОКОЛА ИСПЫТАНИЙ ТОРМОЗНЫХ КАМЕР
| УТВЕРЖДАЮ ______________________________ должность руководителя испытательной лаборатории |
_____________ личная подпись | ________________ инициалы, фамилия |
Дата ______________ |
ПРОТОКОЛ ИСПЫТАНИЙ N _________
1 Идентификационные данные об объекте испытаний _______________________
_____________________________________________________________________
_____________________________________________________________________
2 Цель испытаний: Определение соответствия тормозных камер требованиям нормативных документов
3 Методика испытаний: Методика испытаний изложена в ГОСТ 33543 "Автомобильные транспортные средства. Камеры тормозные пневматических приводов. Технические требования и методы испытаний"
4 Результаты испытаний
Параметры | Требования | Результат испытаний |
Соответствие основных геометрических параметров тормозных камер требованиям КД | КД, ГОСТ | |
Ход штока, не менее | | |
Соответствие рабочим характеристикам | Усилие на штоке при ходе 20 мм и рабочем давлении 0,6 МПа, даН, не менее | |
Герметичность | ГОСТ подраздел 6.4 | |
Долговечность при циклическом нагружении | 1·106 циклов нагружения при давлении 0,2...0,75 МПа (2,0...7,5 кгс/см2) | |
5 Заключение:
Представленный объект испытаний соответствует/не соответствует требованиям нормативных документов
_____________________________________________________________________
Испытания провел (должностное лицо)
_______________________ __________________________ ________________________
личная подпись должность инициалы, фамилия
Дата ______________________
| Правила ООН N 13-10 | Единообразные предписания, касающиеся официального утверждения транспортных средств категорий M, N и O в отношении торможения |