Главная // Актуальные документы // ГОСТ (Государственный стандарт)СПРАВКА
Источник публикации
М.: Стандартинформ, 2016
Примечание к документу
Документ
введен в действие с 01.01.2017.
Взамен ГОСТ 28101-89.
Название документа
"ГОСТ 28101-2015. Межгосударственный стандарт. Резцы расточные с механическим креплением сменных многогранных пластин. Размеры"
(введен в действие Приказом Росстандарта от 09.06.2016 N 589-ст)
"ГОСТ 28101-2015. Межгосударственный стандарт. Резцы расточные с механическим креплением сменных многогранных пластин. Размеры"
(введен в действие Приказом Росстандарта от 09.06.2016 N 589-ст)
Введен в действие
по техническому регулированию
и метрологии
от 9 июня 2016 г. N 589-ст
МЕЖГОСУДАРСТВЕННЫЙ СТАНДАРТ
РЕЗЦЫ РАСТОЧНЫЕ С МЕХАНИЧЕСКИМ КРЕПЛЕНИЕМ СМЕННЫХ
МНОГОГРАННЫХ ПЛАСТИН
РАЗМЕРЫ
Boring tools with mechanically clamped indexable insert.
Dimensions
(ISO 5609-2:2012, MOD)
(ISO 5609-3:2012, MOD)
(ISO 5609-4:2012, MOD)
(ISO 5609-5:2012, MOD)
(ISO 5609-6:2012 MOD)
ГОСТ 28101-2015
Дата введения
1 января 2017 года
Цели, основные принципы и основной порядок проведения работ по межгосударственной стандартизации установлены
ГОСТ 1.0-92 "Межгосударственная система стандартизации. Основные положения" и
ГОСТ 1.2-2009 "Межгосударственная система стандартизации. Стандарты межгосударственные, правила и рекомендации по межгосударственной стандартизации. Правила разработки, принятия, применения, обновления и отмены"
1 ПОДГОТОВЛЕН Открытым акционерным обществом "ВНИИИНСТРУМЕНТ" (ОАО "ВНИИИНСТРУМЕНТ") на основе собственного перевода на русский язык англоязычной версии стандартов, указанных в
пункте 5
2 ВНЕСЕН Межгосударственным техническим комитетом по стандартизации МТК 95 "Инструмент"
3 ПРИНЯТ Межгосударственным советом по стандартизации, метрологии и сертификации (протокол от 12 ноября 2015 г. N 82-П)
За принятие проголосовали:
Краткое наименование страны по МК (ISO 3166) 004-97 | Код страны по МК (ISO 3166) 004-97 | Сокращенное наименование национального органа по стандартизации |
Азербайджан | AZ | Азстандарт |
Армения | AM | Минэкономики Республики Армения |
Беларусь | BY | Госстандарт Республики Беларусь |
Казахстан | KZ | Госстандарт Республики Казахстан |
Киргизия | KG | Кыргызстандарт |
Молдова | MD | Молдова-Стандарт |
Россия | RU | Росстандарт |
Таджикистан | TJ | Таджикстандарт |
Туркменистан | TM | Главгосслужба "Туркменстандартлары" |
Узбекистан | UZ | Узстандарт |
Украина | UA | Минэкономразвития Украины |
4
Приказом Федерального агентства по техническому регулированию и метрологии от 9 июня 2016 г. N 589-ст межгосударственный стандарт ГОСТ 28101-2015 введен в действие в качестве национального стандарта Российской Федерации с 1 января 2017 г.
5 Настоящий стандарт включает в себя модифицированные основные нормативные положения следующих международных стандартов:
ISO 5609-2:2012 "Оправки инструментальные для растачивания на токарном станке с цилиндрическим хвостовиком для многогранных режущих пластин. Часть 2. Тип F" ("Tool holder for international turning with cylindrical shank for indexable inserts - Part 2: Style F", MOD);
ISO 5609-3:2012 "Оправки инструментальные для растачивания на токарном станке с цилиндрическим хвостовиком для многогранных режущих пластин. Часть 3. Тип K" ("Tool holder for international turning with cylindrical shank for indexable inserts - Part 3: Style K", MOD);
ISO 5609-4:2012 "Оправки инструментальные для растачивания на токарном станке с цилиндрическим хвостовиком для многогранных режущих пластин. Часть 4. Тип L" ("Tool holder for international turning with cylindrical shank for indexable inserts - Part 4: Style L", MOD);
ISO 5609-5:2012 "Оправки инструментальные для растачивания на токарном станке с цилиндрическим хвостовиком для многогранных режущих пластин. Часть 5. Тип U" ("Tool holder for international turning with cylindrical shank for indexable inserts - Part 5: Style U", MOD);
ISO 5609-6:2012 "Оправки инструментальные для растачивания на токарном станке с цилиндрическим хвостовиком для многогранных режущих пластин. Часть 6. Тип Q" ("Tool holder for international turning with cylindrical shank for indexable inserts - Part 6: Style Q", MOD).
Международный стандарт разработан техническим комитетом по стандартизации ISO/TC29 "Инструмент", подкомитетом SC 9 "Инструменты с режущими кромками из твердых режущих материалов" Международной организации по стандартизации (ISO).
Наименование настоящего стандарта изменено относительно наименования указанных международных стандартов для приведения в соответствие с ГОСТ 1.5
(подраздел 3.6).
6 ВЗАМЕН ГОСТ 28101-89
Информация об изменениях к настоящему стандарту публикуется в ежегодно издаваемом информационном указателе "Национальные стандарты", а текст изменений и поправок - в ежемесячно издаваемых информационных указателях "Национальные стандарты". В случае пересмотра (замены) или отмены настоящего стандарта соответствующее уведомление будет опубликовано в ежемесячно издаваемом информационном указателе "Национальные стандарты". Соответствующая информация, уведомление и тексты размещаются также в информационной системе общего пользования - на официальном сайте Федерального агентства по техническому регулированию и метрологии в сети Интернет (www.gost.ru)
Настоящий стандарт распространяется на расточные резцы с круглым сечением державки с механическим креплением сменных многогранных режущих пластин из твердых сплавов, безвольфрамовых твердых сплавов и керамики.
В настоящем стандарте использованы ссылки на следующие нормативные документы:
ГОСТ ISO 5609-2015 Резцы расточные с механическим креплением сменных многогранных пластин. Обозначение.
Примечание - При пользовании настоящим стандартом целесообразно проверить действие ссылочных стандартов в информационной системе общего пользования - на официальном сайте Федерального агентства по техническому регулированию и метрологии в сети Интернет или по ежегодному информационному указателю "Национальные стандарты", который опубликован по состоянию на 1 января текущего года и по выпускам ежемесячного информационного указателя "Национальные стандарты", за текущий год. Если ссылочный стандарт заменен (изменен), то при пользовании настоящим стандартом следует руководствоваться заменяющим (измененным) стандартом. Если ссылочный стандарт отменен без замены, то положение, в котором дана ссылка на него, применяется в части, не затрагивающей эту ссылку.
3.1 Расточные резцы следует изготовлять типов:
F, K, L, U, Q.
3.2 Обозначение расточных резцов с механическим креплением сменных многогранных пластин - по
ГОСТ ISO 5609.
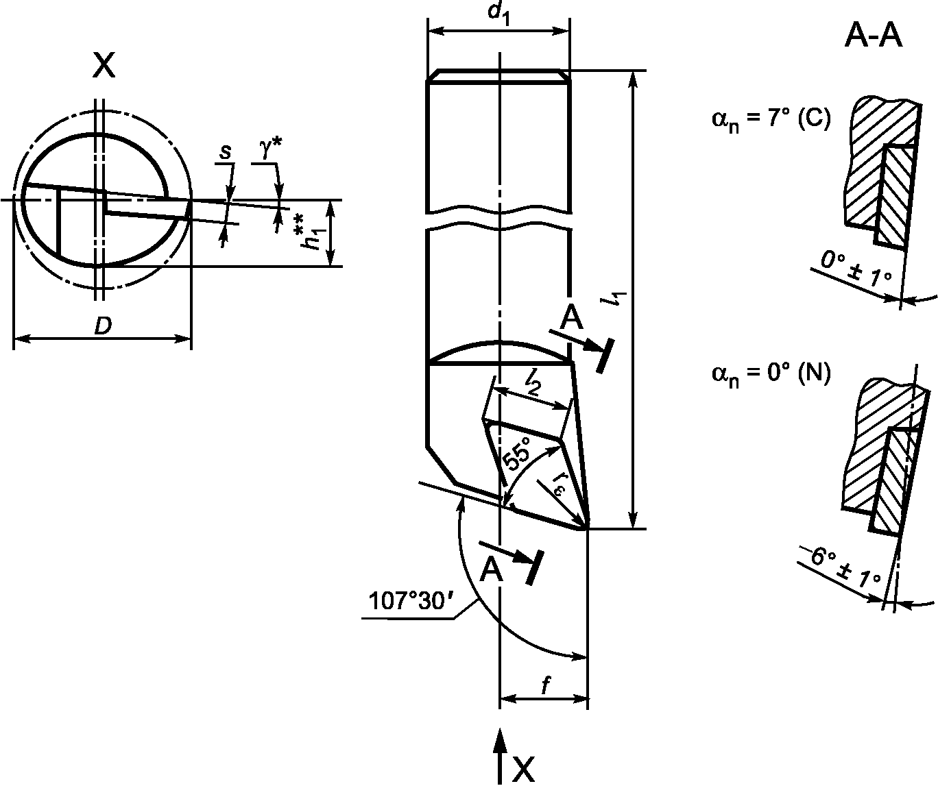
4.1 Размеры резцов типа F
Резцы типа F следует изготовлять двух исполнений:
- C - с ромбической пластиной 80°;
- T - с трехгранной пластиной.
4.1.1 Основные размеры резцов типа
F, исполнения
C должны соответствовать указанным на
рисунке 1 и в
таблице 1.
--------------------------------
<*>

зависит от
D и сменной пластины;
<**>

.
Примечание - На рисунке показан праворежущий резец (R), леворежущий резец (L) - повернуть.
Размеры в миллиметрах
| d1 | l1 | l2 | f | D | s |
g7 | k16 | | -0,25 | не менее | |
| 8 | 80 | 6,4 | 6 | 11 | 2,38 |
| 10 | 100 | 6,4 | 7 | 13 | 2,38 |
<*> Вместо  в обозначении указывают символ типа державки по ГОСТ ISO 5609. |
4.1.2 Основные размеры резцов типа
F, исполнения
T должны соответствовать указанным на
рисунке 2 и в
таблице 2.
Примечание - На рисунке показан праворежущий резец (R), леворежущий резец (L) - повернуть.
Размеры в миллиметрах
| d1 | l1 | l2 | f | D | s |
g7 | k16 | | -0,25 | не менее | |
| 10 | 110 | 11,0 | 7 | 13 | 2,38 |
| 12 | 125 | 9 | 16 | 2,38 |
| 16 | 150 | 11 | 20 | 2,38 |
| 3,18 |
| 20 | 180 | 16,5 | 13 | 25 | 3,97 |
| 3,18 |
| 25 | 200 | 17 | 32 | 3,97 |
| 3,18 |
| 32 | 250 | 22 | 40 | 3,97 |
| 4,76 |
| 3,18 |
| 40 | 300 | 27 | 50 | 3,97 |
| 4,76 |
| 3,18 |
| 22,0 | 4,76 |
|
|
| 50 | 350 | 35 | 63 | 4,76 |
|
|
| 60 | 400 | 43 | 80 | 4,76 |
|
|
<*> Вместо  в обозначении указывают символ типа державки по ГОСТ ISO 5609. Примечание - обозначение размеров D и S см. рисунок 1. |
4.1.3 Радиус при вершине

Значения
f и
l1, приведенные в
таблицах 1 и
2, применимы к резцам со сменными пластинами, имеющими радиус при вершине

в соответствии с
таблицей 3.
В миллиметрах
l2 | |
6,4 | 0,4 |
11,0 |
16,5 | 0,8 |
22,0 |
4.2 Размеры резцов типа K
Резцы типа K - с квадратной пластиной S.
4.2.1 Основные размеры резцов типа
K должны соответствовать указанным на
рисунке 3 и в
таблице 4.
--------------------------------
<*>

зависит от
D и сменной пластины;
<**>

.
Примечание - На рисунке показан праворежущий резец (R), леворежущий резец (L) - повернуть.
Размеры в миллиметрах
| d1 | l1 | l2 | a | f | D | s |
g7 | k16 | | | -0,25 | не менее | |
| 16 | 150 | 9,52 | 2,2 | 11 | 20 | 3,18 |
|
|
|
| 20 | 180 | 13 | 25 |
|
|
|
| 25 | 200 | 17 | 32 |
|
| 25 | 200 | 9,52 | 2,2 | 17 | 32 | 3,18 |
|
| 12,7 | 3,1 | 4,76 |
|
| 3,18 |
|
| 32 | 250 | 22 | 40 | 4,76 |
|
|
|
| 3,18 |
|
| 40 | 300 | 27 | 50 | 4,76 |
|
|
|
| 3,18 |
|
| 50 | 350 | 15,88 | 3,8 | 35 | 63 | 5,56 |
|
| 6,35 |
|
| 19,05 | 4,6 |
|
| 4,76 |
|
| 60 | 400 | 15,88 | 3,8 | 43 | 80 | 5,56 |
|
| 6,35 |
|
| 19,05 | 4,6 |
|
| 4,76 |
|
<*> Вместо  в обозначении указывают символ типа державки по ГОСТ ISO 5609. |
4.2.2 Радиус при вершине

Значения
f и
l1, приведенные в
таблице 4, применимы к резцам со сменными пластинами, имеющими радиус при вершине

в соответствии с
таблицей 5.
В миллиметрах
l2 | |
9,52 | 0,8 |
12,7 |
15,88 | 1,2 |
19,05 |
4.3 Размеры резцов типа L
Резцы типа L следует изготовлять двух исполнений:
- C - с ромбической пластиной с углом 80°;
- W - с шестигранной пластиной с углом 80°.
4.3.1 Основные размеры резцов типа
L, исполнения
C должны соответствовать указанным на
рисунке 4 и в
таблице 6.
--------------------------------
<*>

зависит от
D и сменной пластины;
<**>

.
Примечание - На рисунке показан праворежущий резец (R), леворежущий резец (L) - повернуть.
Размеры в миллиметрах
| d1 | l1 | l2 | f | D | s |
g7 | k16 | | -0,25 | не менее | |
| 8 | 80 | 6,4 | 6 | 11 | 2,38 |
| 10 | 100 | 7 | 13 |
| 12 | 125 | 9 | 16 |
| 16 | 150 | 9,7 | 11 | 20 | 3,97 |
| 20 | 180 | 13 | 25 |
| 25 | 200 | 12,9 | 17 | 32 | 4,76 |
| 32 | 250 | 22 | 40 |
|
| 40 | 300 | 27 | 50 |
|
| 50 | 350 | 16,1 | 35 | 63 | 6,35 |
| 19,3 |
| 60 | 400 | 16,1 | 43 | 80 |
| 19,3 |
<*> Вместо  в обозначении указывают символ типа державки по ГОСТ ISO 5609 |
4.3.2 Основные размеры резцов типа
L, исполнения
W должны соответствовать указанным на
рисунке 5 и в
таблице 7.
Примечание - На рисунке показан праворежущий резец (R), леворежущий резец (L) - повернуть.
Размеры в миллиметрах
| d1 | l1 | l2 | f | D | s |
g7 | k16 | | -0,25 | не менее | |
| 8 | 80 | 3,26 | 6 | 11 | 1,98 |
| 10 | 100 | 4,34 | 7 | 13 | 2,38 |
| 12 | 125 | 9 | 16 |
| 16 | 150 | 11 | 20 |
| 6,52 | 3,97 |
| 20 | 180 | 13 | 25 |
| 25 | 200 | 17 | 32 |
| 8,69 | 4,76 |
| 32 | 250 | 6,52 | 22 | 40 | 3,97 |
| 8,69 | 4,76 |
| 40 | 300 | 6,52 | 27 | 50 | 3,97 |
| 8,69 | 4,76 |
<*> Вместо  в обозначении указывают символ типа державки по ГОСТ ISO 5609. Примечание - обозначение размеров l2, D и S см. рисунок 4. |
4.3.3 Радиус при вершине

Значения
f и
l1, приведенные в
таблицах 6 и
7, применимы к резцам со сменными пластинами, имеющими радиус при вершине

в соответствии с
таблицей 8.
В миллиметрах
l2 для исполнений | |
C | W |
- | 3,26 | 0,4 |
- | 4,34 |
6,4 | 6,52 |
9,7 | 8,69 | 0,8 |
12,9 | - |
16,1 | - | 1,2 |
19,3 | - |
4.4 Размеры резцов типа U
Резцы типа U следует изготовлять двух исполнений:
- D - с ромбической пластиной с углом 55°;
- V - с ромбической пластиной с углом 35°.
4.4.1 Основные размеры резцов типа
U, исполнения
D должны соответствовать указанным на
рисунке 6 и в
таблице 9.
--------------------------------
<*>

зависит от
D и сменной пластины;
<**>

.
Примечание - На рисунке показан праворежущий резец (R), леворежущий резец (L) - повернуть.
Размеры в миллиметрах
| d1 | l1 | l2 | f | D | s |
g7 | k16 | | -0,25 | не менее | |
| 12 | 125 | 7,75 | 9 | 16 | 2,38 |
| 16 | 150 | 11 | 20 |
| 20 | 180 | 11,6 | 13 | 25 | 3,97 |
| 25 | 200 | 17 | 32 |
| 32 | 250 | 15,5 | 22 | 40 | 4,76 |
| 6,35 |
| 40 | 300 | 27 | 50 | 4,76 |
| 6,35 |
| 50 | 350 | 35 | 63 | 4,76 |
| 6,35 |
| 60 | 400 | 43 | 80 | 4,76 |
| 6,35 |
<*> Вместо  в обозначении указывают символ типа державки по ГОСТ ISO 5609. |
4.4.2 Основные размеры резцов типа
U, исполнения
V должны соответствовать указанным на
рисунке 7 и в
таблице 10.
Примечание - На рисунке показан праворежущий резец (R), леворежущий резец (L) - повернуть.
Размеры в миллиметрах
| d1 | l1 | l2 | f | D | s |
g7 | k16 | | -0,25 | не менее | |
| 16 | 150 | 11,1 | 11 | 20 | 2,38 |
| 20 | 180 | 11,1 | 13 | 25 | 3,97 |
| 20 | 180 | 11,1 | 13 | 25 | 3,97 |
| 25 | 200 | 13,8 | 17 | 32 | 3,97 |
| 32 | 250 | 16,6 | 22 | 40 | 4,76 |
<*> Вместо  в обозначении указывают символ типа державки по ГОСТ ISO 5609. Вместо "+" в обозначении указывают символ на усмотрение производителя. Примечание - обозначение размеров D и S см. рисунок 6. |
4.4.3 Радиус при вершине

Значения
f и
l1, приведенные в
таблицах 9 и
10, применимы к резцам со сменными пластинами, имеющими радиус при вершине

в соответствии с
таблицей 11.
В миллиметрах
l2 | |
7,75 | 0,4 |
11,1 | 0,8 |
11,6 |
13,8 |
15,5 |
16,6 |
4.5 Размеры резцов типа Q
Резцы типа Q следует изготавливать двух исполнений:
- D - с ромбической пластиной с углом 55°;
- V - с ромбической пластиной с углом 35°.
4.5.1 Основные размеры резцов типа
Q, исполнения
D должны соответствовать указанным на
рисунке 8 и в
таблице 12.
--------------------------------
<*>

зависит от
D и сменной пластины;
<**>

.
Примечание - На рисунке показан праворежущий резец (R), леворежущий резец (L) - повернуть.
Размеры в миллиметрах
| d1 | l1 | l2 | f | D | s |
g7 | k16 | | -0,25 | не менее | |
| 12 | 125 | 7,75 | 9 | 16 | 2,38 |
| 16 | 150 | 11 | 20 |
| 20 | 180 | 11,6 | 13 | 25 | 3,97 |
| 25 | 200 | 17 | 32 |
| 32 | 250 | 15,5 | 22 | 40 | 4,76 |
| 40 | 300 | 15,5 | 27 | 50 | 4,76 |
| 50 | 350 | 35 | 63 |
<*> Вместо  в обозначении указывают символ типа державки по ГОСТ ISO 5609. |
4.5.2 Основные размеры резцов типа
Q, исполнения
V должны соответствовать указанным на
рисунке 9 и в
таблице 13.
Примечание - На рисунке показан праворежущий резец (R), леворежущий резец (L) - повернуть.
Размеры в миллиметрах
| d1 | l1 | l2 | f | D | s |
g7 | k16 | | -0,25 | не менее | |
| 16 | 150 | 11,1 | 11 | 20 | 2,38 |
| 20 | 180 | 13 | 25 | 3,97 |
| 20 | 180 | 13,8 | 13 | 25 |
| 25 | 200 | 17 | 32 |
| 25 | 200 | 16,6 | 17 | 32 | 4,76 |
| 32 | 250 | 22 | 40 |
| 40 | 300 | 27 | 50 |
<*> Вместо  в обозначении указывают символ типа державки по ГОСТ ISO 5609. Вместо "+" в обозначении указывают символ на усмотрение производителя. Примечание - обозначение размеров D и S см. рисунок 8. |
4.5.3 Радиус при вершине

Значения для
f и
l1, приведенные в
таблицах 12 и
13, применимы к резцам со сменными пластинами, имеющими радиус при вершине

в соответствии с
таблицей 14.
В миллиметрах
l2 | |
7,75 | 0,4 |
11,1 | 0,8 |
11,6 |
13,8 |
15,5 |
16,6 |
5 Пример условного обозначения
Резцы в соответствии с настоящим стандартом следует обозначать:
- резец расточной;
- символы обозначения резца;
- обозначение ГОСТ.
Пример условного обозначения расточного резца с цельной стальной державкой (
S), с диаметром хвостовика
d1 = 10 мм (10), длиной
l1 = 100 мм (
H), для крепления ромбической режущей пластиной через отверстие (
S) с углом при вершине 80° (
C), типа
F, с режущей пластиной с задним углом

(
C), направление резания - правое (
R), с длиной режущей кромки
l2 = 6,4 мм (06), с круглым сечением державки без лысок (10):
Резец расточной S10H - SCFCR 06 - 10 ГОСТ 28101-2015
Резцы расточные в соответствии с настоящим стандартом должны изготавливаться:
- державки - сталь с пределом прочности не менее 1000 Н/мм2 или высокопрочного металла;
- режущие пластины - твердый сплав или керамика.
Материал выбирается на усмотрение производителя.
7.1 Тип резца
Резцы расточные в соответствии с настоящим стандартом изготавливаются:
- с отверстием для подачи смазочно-охлаждающей жидкости или без него;
- с антивибрационным устройством или без него;
- твердосплавный резец с неподвижной стальной головкой.
7.2 Тип крепления
Стандартное обозначение способа крепления многогранной пластины установлено в
таблицах 1,
2,
4,
6,
7,
9,
10,
12 и
13.
Другие виды крепления - по усмотрению изготовителя.
Символ (буква) в обозначении должен быть заменен соответствующим символом для выбранного способа крепления в соответствии с
ГОСТ ISO 5609.
7.3 Толщина пластины - s
Значения толщины пластины
s, приведенные в
таблицах 1,
2,
4,
6,
7,
9,
10,
12 и
13, относятся к сменным пластинам без опорной пластины и для стандартной конструкции.
Значения толщины пластины резца, отличающиеся от стандартных, должны быть указаны при заказе.
Резцы должны поставляться в комплекте с зажимным устройством, но без сменной пластины.
На внутренней боковой стороне резца должны быть нанесены:
- товарный знак предприятия-изготовителя;
- буквенно-цифровое обозначение.