Главная // Актуальные документы // ГОСТ (Государственный стандарт)
СПРАВКА
Источник публикации
М.: Стандартинформ, 2017
Примечание к документу
Документ введен в действие с 1 июля 2018 года.
Название документа
"ГОСТ 33901-2016. Межгосударственный стандарт. Бензины автомобильные и авиационные. Определение содержания бензола и толуола методом газовой хроматографии"
(введен в действие Приказом Росстандарта от 04.04.2017 N 258-ст)

"ГОСТ 33901-2016. Межгосударственный стандарт. Бензины автомобильные и авиационные. Определение содержания бензола и толуола методом газовой хроматографии"
(введен в действие Приказом Росстандарта от 04.04.2017 N 258-ст)


Содержание


Введен в действие
Приказом Федерального агентства
по техническому регулированию
и метрологии
от 4 апреля 2017 г. N 258-ст
МЕЖГОСУДАРСТВЕННЫЙ СТАНДАРТ
БЕНЗИНЫ АВТОМОБИЛЬНЫЕ И АВИАЦИОННЫЕ
ОПРЕДЕЛЕНИЕ СОДЕРЖАНИЯ БЕНЗОЛА И ТОЛУОЛА
МЕТОДОМ ГАЗОВОЙ ХРОМАТОГРАФИИ
Motor and aviation gasolines. Determination of benzene
and toluene content by method of gas chromatography
ГОСТ 33901-2016
МКС 75.160.20
Дата введения
1 июля 2018 года
Предисловие
Цели, основные принципы и основной порядок проведения работ по межгосударственной стандартизации установлены в ГОСТ 1.0-2015 "Межгосударственная система стандартизации. Основные положения" и ГОСТ 1.2-2015 "Межгосударственная система стандартизации. Стандарты межгосударственные, правила и рекомендации по межгосударственной стандартизации. Правила разработки, принятия, обновления и отмены"
Сведения о стандарте
1 ПОДГОТОВЛЕН Межгосударственным техническим комитетом по стандартизации МТК 31 "Нефтяные топлива и смазочные материалы", Открытым акционерным обществом "Всероссийский научно-исследовательский институт по переработке нефти" (ОАО "ВНИИ НП") на основе собственного перевода на русский язык англоязычной версии стандарта, указанного в пункте 5
2 ВНЕСЕН Федеральным агентством по техническому регулированию и метрологии
3 ПРИНЯТ Межгосударственным советом по стандартизации, метрологии и сертификации (протокол от 22 ноября 2016 г. N 93-П)
За принятие проголосовали:
Краткое наименование страны по МК (ИСО 3166) 004-97
Код страны по МК (ИСО 3166) 004-97
Сокращенное наименование национального органа по стандартизации
Армения
AM
Минэкономики Республики Армения
Беларусь
BY
Госстандарт Республики Беларусь
Грузия
GE
Грузстандарт
Киргизия
KG
Кыргызстандарт
Россия
RU
Росстандарт
Таджикистан
TJ
Таджикстандарт
Узбекистан
UZ
Узстандарт
4 Приказом Федерального агентства по техническому регулированию и метрологии от 4 апреля 2017 г. N 258-ст межгосударственный стандарт ГОСТ 33901-2016 введен в действие в качестве национального стандарта Российской Федерации с 1 июля 2018 г.
5 Настоящий стандарт идентичен стандарту ASTM D 3606-10 "Стандартный метод определения бензола и толуола в товарных автомобильном и авиационном бензинах газовой хроматографией" ("Standard test method for determination of benzene and toluene in finished motor and aviation gasoline by gas chromatography", IDT).
Стандарт разработан подкомитетом D02.04.0L Gas chromatography methods (Методы газовой хроматографии) совместного технического комитета по стандартизации ASTM D02 Petroleum products and lubricants (Нефтепродукты и смазочные материалы).
Наименование настоящего стандарта изменено относительно наименования указанного стандарта ASTM для приведения в соответствие с ГОСТ 1.5 (подраздел 3.6).
При применении настоящего стандарта рекомендуется использовать вместо ссылочных стандартов ASTM соответствующие им межгосударственные стандарты, сведения о которых приведены в дополнительном приложении ДА
6 ВВЕДЕН ВПЕРВЫЕ
Информация об изменениях к настоящему стандарту публикуется в ежегодном информационном указателе "Национальные стандарты", а текст изменений и поправок - в ежемесячном информационном указателе "Национальные стандарты". В случае пересмотра (замены) или отмены настоящего стандарта соответствующее уведомление будет опубликовано в ежемесячном информационном указателе "Национальные стандарты". Соответствующая информация, уведомление и тексты размещаются также в информационной системе общего пользования - на официальном сайте Федерального агентства по техническому регулированию и метрологии в сети Интернет (www.gost.ru)
1 Область применения
1.1 Настоящий стандарт устанавливает определение бензола и толуола в товарных автомобильных и авиационных бензинах методом газовой хроматографии.
1.2 Содержание бензола можно определять в диапазоне от 0,1% об. до 5,0% об., толуола - от 2% об. до 20% об.
1.3 Прецизионность настоящего метода испытаний установлена для бензинов без оксигенатов, а также бензинов, содержащих оксигенаты (такие, как метил-трет-бутиловый, этил-трет-бутиловый и метил-трет-амиловый эфиры).
1.4 Метанол может вызывать помехи. В приложении X1 приведен модифицированный вариант метода испытаний для анализа образцов, содержащих этанол.
1.5 Значения, установленные в единицах СИ, считают стандартными. Значения в скобках приведены только для информации.
1.6 В настоящем стандарте не предусмотрено рассмотрение всех вопросов обеспечения безопасности, связанных с его использованием. Пользователь настоящего стандарта несет ответственность за установление соответствующих правил по технике безопасности и охране здоровья, а также определяет целесообразность применения законодательных ограничений перед его использованием.
2 Нормативные ссылки
В настоящем стандарте использованы нормативные ссылки на следующие стандарты:
2.1 Стандарты ASTM <1>:
--------------------------------
<1> Уточнить ссылки на стандарты ASTM можно на сайте ASTM www.astm.org или в службе поддержки клиентов ASTM: service@astm.org. В информационном томе ежегодного сборника стандартов (Annual Book of ASTM Standards) следует обращаться к сводке стандартов ежегодного сборника стандартов на странице сайта.
ASTM D 4057, Practice for manual sampling of petroleum and petroleum products (Практика ручного отбора проб нефти и нефтепродуктов)
ASTM E 694, Specification for laboratory glass volumetric apparatus (Спецификация на лабораторную стеклянную мерную посуду)
ASTM E 969, Specification for glass volumetric (transfer) pipets (Спецификация на стеклянные мерные пипетки с одной меткой)
ASTM E 1044, Specification for glass serological pipets (general purpose and Kahn) [Спецификация на стеклянные серологические пипетки (общего назначения и Кана)]
ASTM E 1293, Specification for glass measuring pipets (Спецификация на стеклянные измерительные пипетки)
3 Сущность метода
3.1 Внутренний стандарт - метилэтилкетон (MEK) добавляют к образцу, который затем вводят в газовый хроматограф, оснащенный двумя последовательно соединенными колонками. Сначала образец проходит через колонку, заполненную неполярной фазой, такой как диметилполисилоксан (см. 8.1.1), которая разделяет компоненты в соответствии с температурой кипения. После элюирования октана изменяют направление потока через неполярную колонку, вымывая компоненты тяжелее октана. Октан и более легкие компоненты проходят через колонку, содержащую насадку с высокополярной фазой, такой как 1,2,3-трис(2-цианоэтокси)пропан (TCEP) (см. 8.1.2), которая разделяет ароматические и неароматические компоненты. Элюирующие компоненты обнаруживают с помощью детектора по теплопроводности. Сигнал детектора регистрируют, измеряют площади пиков и вычисляют концентрацию каждого компонента относительно внутреннего стандарта.
4 Назначение и применение
4.1 Бензол является токсичным материалом. Информацию о его содержании можно использовать для оценки возможной опасности для здоровья персонала, работающего с бензолом или использующего его. Настоящий метод испытаний не предназначен для оценки такой опасности.
5 Аппаратура
5.1 Хроматограф
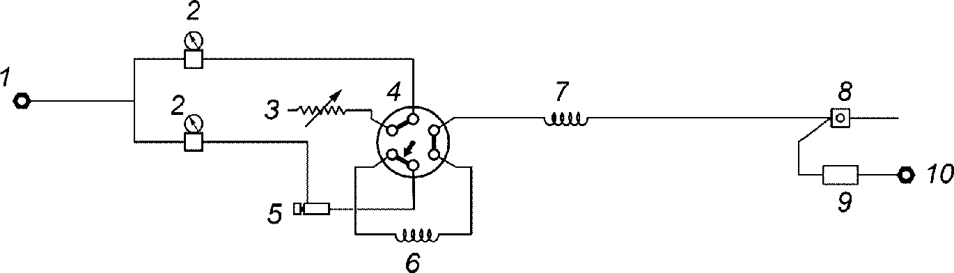
Можно использовать любой хроматографический прибор, оснащенный системой обратной продувки и детектором по теплопроводности, который может работать в условиях, приведенных в таблице 1. Приведены две системы обратной продувки. На рисунке 1 приведена система давления, на рисунке 2 - система с переключением клапанов (кранов). Можно использовать любую хроматографическую систему.
Таблица 1
Параметры прибора
Наименование
Характеристика
Детектор
По теплопроводности
Колонки:
Две колонки из нержавеющей стали A и B
длина, м
A - 0,8; B - 4,6
наружный диаметр, мм
3,2
неподвижная фаза
(A) Диметилполисилоксан, 10% масс.
(B) TCEP, 20% масс.
Твердый носитель
(A) хромосорб W 60/80 меш
(B) хромосорб P 80/100 меш
Стандартная колонка
Можно использовать любую колонку, соответствующую приведенным требованиям
Температура, °C:
система ввода образца
200
детектор
200
колонка
145
Газ-носитель
Гелий
Линейная скорость газа, см/с
6
Объемная скорость газа, см3/мин
Приблизительно 30
Давление в головной части колонки, кПа (psi)
Приблизительно 200 (30)
Диапазон регистрирующего устройства, мВ
От 0 до 1
Скорость движения диаграммной ленты, см/мин
1
Объем образца, мкл
2
Общее время цикла, мин
8
Обратная продувка, мин
Приблизительно 0,75 <A>
<A> Время обратной продувки устанавливают для каждой системы колонок.
A - Система трубок и аппаратура
B - Система переключения потока
1 - Прямой поток
2 - Обратная продувка
Рисунок 1 - Обратная продувка под давлением
5.2 Колонки
5.2.1 Колонка A
Колонка из нержавеющей стали длиной 0,8 м (2,5 фута) наружным диаметром 3,2 мм (1/8 дюйма), заполненная хромосорбом W 60/80 меш с нанесенным на него диметилполисилоксаном (например, OV-101), 10% масс.
A - Система трубок и аппаратура
B - Система переключения потока
1 - Прямой поток
2 - Обратная продувка
A - Система трубок и аппаратура
Рисунок 2 - Обратная продувка с переключением кранов
5.2.2 Колонка B
Колонка из нержавеющей стали длиной 4,6 м (15 футов), наружным диаметром 3,2 мм, заполненная хромосорбом P 80/100 меш с нанесенным на него TCEP, 20% масс.
5.3 Регистрирующее устройство
В качестве регистрирующего устройства можно использовать ленточный самописец, электронное интегрирующее устройство или компьютер, обеспечивающие графическое представление хроматограммы. Электронное регистрирующее устройство или компьютер должны обеспечивать измерение 0,1% об. MEK с удовлетворительным соотношением сигнал/шум. При использовании ленточного самописца рекомендуется использовать потенциометр с диапазоном регистрации от 0 до 1 мВ, временем отклика не более 2 с, уровнем шума не более +/- 0,3% от полной шкалы. Комбинация детектор - ленточный самописец должна обеспечивать перемещение записывающего устройства на 4 мм для 2 мкл образца, содержащего 0,1% об. MEK при работе с максимальной чувствительностью.
5.4 Микрошприц вместимостью 5 мкл.
5.5 Мерные пипетки (пипетки с одной отметкой) класса A вместимостью 0,5; 1; 5; 10; 15 и 20 см3 по ASTM E 694 и ASTM E 969.
5.6 Градуированные пипетки вместимостью 1 и 2 см3 с ценой деления 0,01 см3 и пипетки вместимостью 5 см3 с ценой деления 0,1 см3 по ASTM E 1044 и ASTM E 1293, используемые при приготовлении стандартных образцов для отбора бензола и толуола (см. 11.1), объем которых невозможно измерить мерными пипетками.
Примечание 1 - Можно вместо пипеток по 5.5 и 5.6 использовать другое мерное лабораторное оборудование, обеспечивающее измерение указанных объемов в допустимых пределах.
5.7 Мерные колбы вместимостью 25 и 100 см3.
5.8 Электрический вибратор.
5.9 Источник вакуума.
5.10 Вакуумный ротационный испаритель.
5.11 Колба для кипячения жидкости
Круглодонная колба вместимостью 500 см3 с коротким горлом со стандартным коническим шлифом 24/40, подходящая для испарителя (см. 5.10).
5.12 Инфракрасная лампа.
5.13 Автоматические бюретки со встроенным резервуаром вместимостью 25 см3.
6 Реактивы и материалы
6.1 Газ-носитель гелий, с содержанием основного вещества не менее 99,99% (Предупреждение - Сжатый газ под высоким давлением).
6.2 Твердый носитель
Используют дробленный огнеупорный кирпич, промытый кислотой, 60/80 меш и 80/100 меш.
6.3 Жидкие фазы - 1,2,3-трис(2-цианоэтокси)пропан (TCEP) и диметилполисилоксан <2>.
--------------------------------
<2> Считается, что жидкой фазой насадочной колонки OV 101 является диметилполисилоксан. Можно использовать другие эквивалентные фазы. Подробную информацию можно получить у изготовителя колонки или фазы.
6.4 Растворители
6.4.1 Метанол квалификации ч.д.а. (Предупреждение - Легковоспламеняющийся. Пары вредны. Может быть смертельным или явиться причиной слепоты при вдыхании или проглатывании).
6.4.2 Хлороформ квалификации ч.д.а. (Предупреждение - Может быть смертельным при проглатывании. Вреден при вдыхании).
6.4.3 Дихлорметан для очистки колонок (Предупреждение - Вреден при вдыхании. Высокие концентрации могут вызвать потерю сознания или смерть).
6.4.4 Ацетон для очистки колонок (Предупреждение - Чрезвычайно воспламеняющийся. Пары могут вызвать вспышку).
6.5 Внутренний стандарт
6.5.1 Используют метилэтилкетон (MEK) с содержанием основного вещества не менее 99,5% (Предупреждение - Легковоспламеняющийся. Пары могут быть вредны).
6.6 Калибровочные стандарты
6.6.1 Бензол с содержанием основного вещества не менее 99% мол. (Предупреждение - Яд. Канцероген. Вреден и смертелен при проглатывании. Чрезвычайно воспламеняющийся. Пары могут вызвать вспышку).
6.6.2 Изооктан (2, 2, 4-триметилпентан) с содержанием основного вещества не менее 99% мол. (Предупреждение - Чрезвычайно воспламеняющийся. Вреден при вдыхании).
6.6.3 Толуол (Предупреждение - Воспламеняем. Пары вредны).
6.6.4 н-Нонан с содержанием основного вещества не менее 99% мол. (Предупреждение - Воспламеняющийся. Пары вредны).
7 Отбор проб
7.1 Пробы бензина (Предупреждение - Чрезвычайно воспламеняем. Вреден при вдыхании) отбирают по ASTM D 4057.
8 Подготовка насадок для колонки
8.1 Готовят два типа насадок (одна состоит из хромосорба W с нанесенными на него 10% масс. диметилполисилоксана, другая - хромосорб P с нанесенными на него 20% масс. TCEP), используя следующие процедуры.
8.1.1 Насадка с диметилполисилоксаном
Взвешивают 45 г хромосорба W 60/80 меш и помещают в колбу вместимостью 500 см3 по 5.11. Растворяют 5 г диметилполисилоксана в приблизительно 50 см3 хлороформа (Предупреждение - Может привести к смерти при проглатывании. Вреден при вдыхании). Переносят полученный раствор диметилполисилоксана в хлороформе в колбу, содержащую хромосорб W. Присоединяют колбу к испарителю (5.10), подключают вакуумную линию и запускают двигатель. Включают инфракрасную лампу и обеспечивают тщательное перемешивание насадки до сыпучего состояния.
8.1.2 Насадка с TCEP
Взвешивают 80 г хромосорба P 80/100 меш и помещают в колбу вместимостью 500 см3 по 5.11. Растворяют 20 г TCEP в 200 см3 метанола и переносят в колбу, содержащую хромосорб P. Присоединяют колбу к испарителю (5.10), подключают вакуумную линию и запускают двигатель. Включают инфракрасную лампу и обеспечивают тщательное перемешивание насадки до сыпучего состояния. Не следует нагревать насадку выше 180 °C.
9 Подготовка колонки
9.1 Очистка колонки
Очищают колонку из нержавеющей стали следующим образом: присоединяют металлическую воронку к одному концу колонки. Держат или устанавливают стальную колонку в вертикальном положении и помещают стакан для слива под выходной конец трубки. Пропускают через воронку примерно 50 см3 дихлорметана (Предупреждение - Вреден при вдыхании. Высокие концентрации могут вызвать потерю сознания или смерть.) и позволяют ему протекать через стальную колонку в стакан для слива. Повторяют процедуру промывки, используя 50 см3 ацетона (Предупреждение - Вреден при вдыхании. Высокие концентрации могут вызвать потерю сознания или смерть). Удаляют воронку и соединяют стальную колонку с воздушной линией при помощи виниловой трубки. Удаляют растворитель из стальной колонки, продувая профильтрованным воздухом, не содержащим масла, или используя вакуум.
9.2 Заполнение колонок
Колонки A и B для установки в хроматограф готовят отдельно. Колонку длиной 0,8 м (колонка A) заполняют насадкой с диметилполисилоксаном (8.1.1), колонку длиной 4,6 м (колонка B) - насадкой с TCEP (8.1.2) следующим образом: закрывают один конец каждой колонки небольшим тампоном из стекловолокна и соединяют этот конец с источником вакуума через трубку, набитую стекловолокном. К другому концу колонки с помощью короткой виниловой трубки присоединяют маленькую полиэтиленовую воронку. Создают вакуум и через воронку засыпают соответствующий насадочный материал до полного заполнения колонки. Для уплотнения насадки при заполнении вибрируют колонку с помощью электрического вибратора. Снимают воронку и отключают источник вакуума. Удаляют сверху колонки 6 мм (1/4 дюйма) насадки и вставляют тампон из стекловолокна.
10 Компоновка аппарата и установление рабочих условий
10.1 Кондиционирование колонки
Устанавливают колонки A и B, как показано на рисунках 1 или 2, в соответствии с выбранной системой (см. 5.1). Не подсоединяют выходной конец колонки B к детектору до завершения кондиционирования. Пропускают через колонку гелий со скоростью приблизительно 40 см3/мин. Кондиционируют колонку при указанных значениях температуры в течение установленного времени.
Температура, °C
Время, ч
50
1/2
100
1/2
150
1
170
3
10.2 Сборка
Подсоединяют колонку B к детектору. Регулируют рабочие условия, приведенные в таблице 1, но не включают детектор. Проверяют герметичность системы.
10.3 Регулировка скорости потока
10.3.1 Установка системы колонок для обратной продувки под давлением (см. рисунок 1)
10.3.1.1 Открывают краны A и B и закрывают кран C; устанавливают регулятор первичного давления на требуемую скорость потока (см. таблицу 1) через систему колонок [при манометрическом давлении приблизительно 205 кПа (30 psi)]. Измеряют скорость потока на выходе детектора (сторона образца). Следят за давлением на датчике GC.
10.3.1.2 Закрывают кран A, открывают краны B и C. Значение давления на датчике GA должно сразу упасть до нуля. В противном случае открывают игольчатый клапан, пока давление не упадет до нуля.
10.3.1.3 Закрывают кран B. Устанавливают давление на вторичном регуляторе таким образом, чтобы показание датчика GC находилось на 3,5 - 7 кПа (0,5 - 1 psi) выше значения, наблюдаемого в 10.3.1.1.
10.3.1.4 Открывают кран B и регулируют контрольный игольчатый клапан на выходе обратной продувки до тех пор, пока давление на датчике GA не приблизится к манометрическому давлению 14 - 28 кПа (2 - 4 psi).
10.3.1.5 Прямой поток
Открывают краны A и C, закрывают кран B (см. рисунок 1, B1).
10.3.1.6 Обратная продувка
Закрывают кран A и открывают кран B [при переключении с прямого потока на обратную продувку не должно быть смещения нулевой линии. При наличии смещения нулевой линии слегка увеличивают давление вторичным регулятором (см. рисунок 1)].
10.3.2 Установка системы колонок для обратной продувки с переключением клапанов (см. рисунок 2)
10.3.2.1 Устанавливают клапан в режим прямого потока (см. рисунок 2, B1) и регулируют контроль потока A таким образом, чтобы получить требуемую скорость потока (см. таблицу 1). Измеряют скорость потока на выходе детектора (сторона образца).
10.3.2.2 Устанавливают клапан в позицию обратной продувки (см. рисунок 2, B2), измеряют скорость потока на выходе детектора (сторона образца). Если скорость потока изменилась, регулируют скорость потока B таким образом, чтобы она отличалась от требуемой не более чем на +/- 1 см3/мин.
10.3.2.3 Несколько раз меняют положение клапана от прямого потока на обратную продувку и наблюдают нулевую линию. Не должно быть смещения или дрейфа нулевой линии после первоначального переключения клапана, происходящего от повышения давления. При смещении нулевой линии регулируют поток B (слегка увеличивают или уменьшают) до устойчивости нулевой линии (постоянный дрейф может указывать на негерметичность системы).
10.4 Определение времени переключения на обратную продувку
Время переключения на обратную продувку будет изменяться для каждой системы колонок и должно быть определено экспериментально по следующей процедуре. Готовят смесь из 5% об. н-нонана в изооктане. Используя процедуру ввода пробы, приведенную в 11.4 для выбранной системы (10.3), в режиме прямого потока вводят 1 мкл раствора н-нонана в изооктане. Записывают хроматограмму до тех пор, пока н-нонан не элюируется и сигнал детектора не вернется к нулевой линии. Измеряют время в секундах от ввода пробы до возвращения сигнала детектора к нулевой линии между пиками изооктана и н-нонана. В этой точке должен элюироваться весь изооктан без н-нонана. Половина установленного значения времени должна быть приблизительно равна времени переключения на обратную продувку и составлять от 30 до 60 с. Повторяют анализ, включая ввод пробы, и в предварительно определенное время переключают систему в режим обратной продувки. В результате получают хроматограмму изооктана и небольшой пик (или полное отсутствие) н-нонана. При необходимости проводят дополнительные анализы, регулируя время переключения на обратную продувку до достижения полного элюирования изооктана и полного отсутствия или незначительного количества н-нонана. Установленное значение времени переключения на обратную продувку и процедуры переключения кранов следует использовать во всех последующих калибровках и анализах.
11 Калибровка и стандартизация
11.1 Стандартные образцы
Готовят семь стандартных образцов, содержащих от 0% об. до 5% об. бензола и от 0% об. до 20% об. толуола. Для каждого стандартного образца в мерную колбу вместимостью 100 см3 помещают указанный в таблице 2 объем бензола и толуола, доводят до метки изооктаном (2,2,4-триметилпентан). При этом все компоненты и лабораторная посуда должны иметь температуру окружающей среды.
Таблица 2
Приготовление стандартных образцов
Содержание бензола
Содержание толуола
% об.
см3
% об.
см3
5,0
5,0
20,0
20,0
2,5
2,5
15,0
15,0
1,25
1,25
10,0
10,0
0,67
0,67
5,0
5,0
0,33
0,33
2,50
2,50
0,12
0,12
1,0
1,0
0,06
0,06
0,5
0,50
11.2 Калибровочные смеси
В мерную колбу вместимостью 25 см3 отмеряют 1,0 см3 MEK и заполняют до метки первым стандартным образцом (см. 11.1). Аналогичным образом готовят все смеси.
Примечание 2 - Можно использовать имеющиеся в продаже калибровочные стандарты, в том числе предварительно смешанные с внутренним стандартом MEK.
11.3 Хроматографический анализ
Каждую калибровочную смесь анализируют в условиях, установленных в 10.4, используя следующие процедуры ввода образца.
11.4 Ввод образца
11.4.1 Рекомендуется применять автоматическую систему ввода образца. При необходимости ручного ввода образца для получения острых симметричных пиков используют процедуру ввода, указанную в 11.4.2.
11.4.2 Промывают микрошприц вместимостью 5,0 мкл не менее трех раз анализируемой смесью, а затем набирают в него приблизительно 3,0 мкл образца (избегают попадания в шприц пузырьков воздуха). Медленно удаляют часть образца, чтобы в шприце осталось 2,0 мкл; вытирают иглу тканью и отводят поршень, чтобы впустить 1 - 2 мкл воздуха в шприц. Вставляют иглу шприца через колпачок септы хроматографа до упора, затем вводят образец и сразу удаляют шприц из хроматографа.
11.5 Калибровка
Измеряют площади пиков обоих ароматических углеводородов и площадь пика внутреннего стандарта (см. 12.4). Вычисляют соотношение площади пика бензола к площади пика MEK. Строят график зависимости концентрации бензола от соотношения площади пика бензола к площади пика MEK. Проводят такие же вычисления и строят график для толуола. Пример приведен на рисунке 3 и в таблице 3. Это следует выполнять для подтверждения правильности работы хроматографической системы, при которой концентрация каждого компонента не превышает линейный диапазон отклика любой части системы: колонки, детектора, интегратора и других компонентов. Калибровочный график должен быть линейным.
Примечание 3 - Вместо процедуры калибровки по 11.5 можно проводить калибровку с использованием хроматографической компьютерной системы.
Примечание 4 - Если была установлена линейность калибровки, то градуировочный коэффициент можно вычислить методом наименьших квадратов. Прецизионность, установленная в разделе 15, была получена на основании результатов, полученных по калибровочным графикам, ее не следует применять при использовании градуировочных коэффициентов.
Рисунок 3 - Типичная калибровочная кривая бензола
(определяют для каждой аналитической системы)
Таблица 3
Пример зависимости площади пика от содержания бензола и MEK
Содержание бензола, % об.
Площадь пика
Соотношение площадей пиков бензол/MEK
бензола
MEK
5,0
7508
6256
1,200
2,5
3874
6457
0,600
1,25
1991
6401
0,311
0,67
1052
6537
0,161
0,33
516
6532
0,079
0,12
183
6324
0,029
0,06
93
6166
0,015
12 Проведение испытаний
12.1 Подготовка образца
Отмеряют точно 1,0 см3 MEK и помещают в мерную колбу вместимостью 25 см3. Заполняют до метки испытуемым образцом и тщательно перемешивают.
12.2 Хроматографический анализ
Хроматографируют образец, используя время обратной продувки, определенное по 10.4, и процедуру ввода образца по 11.4. Краны должны быть переключены в режим обратной продувки во время, определенное в 10.4, для того, чтобы нежелательные компоненты не поступали в колонку B.
12.3 Интерпретация хроматограммы
Идентифицируют на хроматограмме пики бензола, толуола и внутреннего стандарта MEK по значениям времени удерживания стандартов (калибровочных смесей).
Примечание 5 - Порядок элюирования компонентов: неароматические углеводороды, бензол, MEK и толуол при использовании диметилполисилоксана и TCEP. Пример типичной хроматограммы приведен на рисунке 4.
0 - обратная продувка; 1 - неароматические углеводороды;
2 - бензол; 3 - MEK (внутренний стандарт); 4 - толуол
Рисунок 4 - Пример типичной хроматограммы
12.4 Измерение площади
Измеряют площади пиков ароматических углеводородов и пика MEK обычными методами.
Примечание 6 - Прецизионность в разделе 15 установлена по данным, полученным с использованием электронных интеграторов или компьютеров. Прецизионность не следует применять, если использованы другие методы интегрирования или измерения площади пика.
13 Вычисления
13.1 Вычисляют соотношения площадей пиков бензола и толуола к площади пика MEK. По соответствующей калибровочной кривой, используя значения вычисленных соотношений площадей пиков, определяют содержание бензола и толуола в процентах по объему.
13.2 При необходимости выражения содержания бензола и толуола, % масс., применяют следующие формулы:
содержание бензола = (VB/D)·0,8844, (1)
где VB - содержание бензола, % об.;
D - относительная плотность образца при 15,6 °C/15,6 °C (60 °F/60 °F);
содержание толуола = (VT/D)·0,8719, (2)
где VT - содержание толуола, % об.;
D - относительная плотность образца при 15,6 °C/15,6 °C (60 °F/60 °F).
14 Протокол испытаний
14.1 Записывают содержание бензола и толуола с точностью до 0,01% об.
15 Прецизионность и смещение
15.1 Для обоснования приемлемости результатов с 95%-ной доверительной вероятностью используют следующие критерии. Пользователь должен выбрать прецизионность, соответствующую диапазону концентрации определяемого компонента.
15.1.1 Повторяемость r
Расхождение результатов двух последовательных испытаний, полученных одним и тем же оператором на одной и той же аппаратуре при постоянных рабочих условиях на идентичном испытуемом материале в течение длительного времени при нормальном и правильном выполнении метода, может превышать значения, приведенные в таблице 4, только в одном случае из 20.
Таблица 4
Повторяемость r
Компонент
Содержание, % об.
Повторяемость
Номер примечания
Бензол
От 0,1 до 1,5 включ.
0,03(X) + 0,01
7
Бензол
Св. 1,5
0,03
8
Толуол
От 1,7 до 9 включ.
0,03(X) + 0,02
7
Толуол
Св. 9
0,62
8
Примечание - X - среднеарифметическое значение содержания компонента, % об.
15.1.2 Воспроизводимость R
Расхождение результатов двух единичных и независимых испытаний, полученных разными операторами, работающими в разных лабораториях на идентичном испытуемом материале в течение длительного времени при нормальном и правильном выполнении метода, может превышать значения, приведенные в таблице 5, только в одном случае из 20.
Таблица 5
Воспроизводимость R
Компонент
Содержание, % об.
Воспроизводимость
Номер примечания
Бензол
От 0,1 до 1,5 включ.
0,13 X + 0,01
7
Бензол
Св. 1,5
0,28 X
8
Толуол
От 1,7 до 9 включ.
0,12(X) + 0,07
7
Толуол
Св. 9
1,15
8
Примечание - X - среднеарифметическое значение содержания компонента, % об.
Примечание 7 - Для того чтобы отразить изменения в составе бензина, в 1994 г. была установлена прецизионность метода с использованием образцов бензинов без оксигенатов, а также образцов бензинов, содержащих оксигенаты (простые эфиры, такие как метил-трет-бутиловый эфир, этил-трет-бутиловый эфир и метил-трет-амиловый эфир). Прецизионность не используют при испытании бензинов, которые могут содержать спирты. Установленную прецизионность можно использовать при содержании бензола от 0,1% об. до 1,5% об. и толуола от 1,7% об. до 9% об. Состав образцов и результаты совместного исследования приведены в исследовательском отчете <3>.
--------------------------------
<3> Подтверждающие данные можно получить в ASTM International Headquarters при запросе исследовательского отчета RR: D02-1042.
Примечание 8 - Прецизионность была установлена с использованием товарных автомобильных бензинов, приобретенных в свободной продаже. Прецизионность следует использовать, если содержание бензола превышает 1,5% об., а толуола - 9% об. Состав образцов и результаты совместного исследования приведены в исследовательском отчете [см. сноску <3>].
15.2 Смещение
Смещение не установлено, т.к. отсутствует приемлемый стандартный метод для измерения смещения настоящего метода.
Приложение X1
(справочное)
РАЗДЕЛЕНИЕ БЕНЗОЛА И ЭТАНОЛА
X1.1 Общие положения
X1.1.1 Присутствие этанола мешает определению содержания бензола по настоящему методу. Существует ряд модификаций настоящего метода испытаний, используемых для разделения бензола и этанола. Настоящее приложение является модификацией документа, предложенного EPA Q&A.
X1.2 Модификация A
X1.2.1 Используют три колонки в следующей последовательности.
X1.2.1.1 Колонка 1 длиной 1,524 м (5 футов), внутренним диаметром 3,175 мм (1/8 дюйма), содержащая насадку метилсиликон на хромосорбе (10% OV-101 на хромосорбе PAW 80/100 меш).
X1.2.1.2 Клапан.
X1.2.1.3 Колонка 2 длиной 1,524 м (5 футов), внутренним диаметром 3,175 мм (1/8 дюйма), содержащая насадку TCEP, нанесенную на хромосорб (20% TCEP на хромосорбе PAW 80/100 меш).
X1.2.1.4 Колонка 3 длиной 4,572 м (15 футов), внутренним диаметром 3,175 мм (1/8 дюйма), содержащая насадку Carbowax 1540 (15%), нанесенную на хромосорб W 60/80.
X1.2.1.5 Детектор.
X1.2.2 При этом общая длина колонки увеличивается на 1,524 м (5 футов). Исходную колонку TCEP длиной 4,572 м (15 футов) заменяют двумя колонками общей длиной 6,096 м (20 футов), соединенными последовательно или одной уплотненной колонкой длиной 6,096 м (20 футов) для имитирования двух колонок. Объединенную колонку длиной 6,096 м (20 футов) соединяют таким же образом, как и колонку с насадкой TCEP длиной 15 футов, за исключением того, что конец объединенной колонки TCEP направляют к крану (который размещает конец Carbowax перед детектором). Схема соединения крана с колонками приведена на рисунке X1.1.
1 - ввод (подача) гелия; 2 - REG (регулятор); 3 - выход;
4 - переменный дроссель; 5 - вход с насадкой; 6 - колонка 1
(OV-101) и программируемый термостат насадочной колонки;
7 - колонка 2 (TCEP) и программируемый термостат насадочной
колонки; 8 - колонка 3 (Carbowax) и программируемый
термостат насадочной колонки; 9 - детектор
по теплопроводности; 10 - EPC (электронно-пневматический
регулятор); 11 - подача газа-носителя
Рисунок X1.1 - Схема соединения крана с колонками
X1.2.3 Внутренний стандарт 2-бутанон (метилэтилкетон или MEC) заменяют на бутан-2-ол (втор-бутиловый спирт или SBA).
X1.2.4 Используют следующие изменения газохроматографических параметров:
- температура колонки - изотермический режим, 135 °C;
- давление в головной части колонки - приблизительно 448,16 кПа (65 psi);
- объемная скорость потока - приблизительно 26,6 см3/мин.
X1.2.5 Хроматограмма образца с использованием модификации приведена на рисунке X1.2.
1 - этанол (5,489 мин); 2 - бензол (5,992 мин);
3 - втор-бутиловый спирт (6,346 мин); 4 - толуол (7,306 мин)
Рисунок X1.2 - Пример хроматограммы
X1.2.6 Прецизионность получена на основании результатов испытаний в трех разных лабораториях, каждая из которых анализировала разные образцы. Было определено среднеквадратическое отклонение повторяемости, равное 0,02% об., для бензола при использовании данной модификации метода. Воспроизводимость не установлена.
X1.3 Модификация B
X1.3.1 Альтернативный комплект колонки <4> был разработан для более точного определения содержания бензола в бензине, содержащем этанол.
--------------------------------
<4> Единственным поставщиком колонок в настоящее время является Restek, Inc., 110 Кругов Benner, Бельфонт, Пенсильвания, 16823.
Такая или равноценная колонка должна обеспечивать получение разрешающей способности R более 3,00 при выполнении условий по X1.3.3 для исключения перекрывания пиков этанола и бензола. Аналитическая насадочная колонка содержит запатентованную хроматографическую фазу. Комплект двух колонок [см. сноску <4>] можно использовать для определения содержания бензола в бензине с этанолом или без него. Надежность комплекта колонки также позволяет использовать в качестве газа-носителя азот без получения негативных аналитических результатов (см. рисунок X1.3).
1 - 10% от высоты пика
Рисунок X1.3 - Число симметрии этанола
X1.3.2 Комплект из двух колонок применяют в порядке, приведенном на рисунке X1.4.
1 - подача гелия; 2 - REG (регулятор); 3 - выход;
4 - переменный дроссель; 5 - вход с насадкой; 6 - колонка 1,
программируемый термостат насадочной колонки; 7 - колонка 2,
программируемый термостат насадочной колонки; 8 - детектор
по теплопроводности; 9 - EPC (электронно-пневматический
регулятор); 10 - подача газа-носителя
Колонка 1 - 10% RTX-1 на Cilcoport 100/120.
Колонка 2 - Патентованная колонка BenzoSep.
Рисунок X1.4 - Схема расположения колонок
X1.3.2.1 Колонка 1 - неполярная колонка с обратной продувкой длиной 1,8 м (6 футов), наружным диаметром 3,175 мм (1/8 дюйма), внутренним диаметром 2 мм (Silcoport 100/120 с нанесенным на него 10% Rtx 1).
X1.3.2.2 Кран обратной продувки.
X1.3.2.3 Колонка 2 - аналитическая колонка длиной 4,76 м (15,5 фута), наружным диаметром 3,175 мм (1/8 дюйма), внутренним диаметром 2 мм (патентованный полимер BenzoSep).
Примечание X1.1 - Допускается заменять неполярную колонку с полидиметилсилоксаном (PDMS) с обратной продувкой MXT (Restek) колонкой альтернативного поставщика. При этом для предотвращения излишнего размывания границы пика этанола к бензолу необходимо, чтобы колонка и твердый носитель, используемые для подготовки насадки PDMS, были деактивированы. В противном случае точное количественное определение бензола будет затруднено или совсем невозможно. При использовании альтернативной колонки 1 число симметрии S пика этанола на 10% его высоты не должно превышать 2,8.
Число симметрии этанола можно вычислить при помощи электронных устройств или вручную следующим образом (см. рисунок X1.3). Через вершину пика проводят вертикальную линию до базовой линии, разделяя пик на две секции. Затем измеряют высоту пика от его вершины до базовой линии. Полученное значение умножают на 10% и результирующее значение откладывают внутри пика выше базовой линии. Затем проводят горизонтальную линию параллельно базовой линии через метку, указывающую на 10% от высоты пика. Обозначают восходящую границу пика A и нисходящую границу пика B (см. рисунок X1.3). Измеряют расстояние от восходящей и нисходящей границ пика до вертикальной линии на 10% от высоты пика.
X1.3.3 Общая длина комплекта из двух колонок должна быть 6,57 м (21 фут). Неполярную колонку с обратной продувкой и основную аналитическую колонку устанавливают, как показано на рисунке X1.5.
0 - матрица; 1 - этанол; 2 - бензол 1%; 3 - втор-бутиловый
спирт; 4 - толуол
Рисунок X1.5 - Пример хроматограммы (газ-носитель - гелий)
X1.3.4 Внутренний стандарт 2-бутанон (MEK) заменяют на 2-бутанол (втор-бутиловый спирт или SBA).
X1.3.5 Изменяют следующие газохроматографические параметры:
- температура колонки - изотермический режим, 135 °C;
- давление на входе в колонку - приблизительно 448,15 кПа (65 psi);
- объемная скорость потока - приблизительно 20 см3/мин.
X1.3.6 Пример типовой хроматограммы с гелием в качестве газа-носителя с использованием модификации показан на рисунке X1.6.
0 - матрица; 1 - этанол; 2 - бензол 1%; 3 - втор-бутиловый
спирт; 4 - толуол
Рисунок X1.6 - Пример хроматограммы (газ-носитель - азот)
X1.3.7 Прецизионность
Прецизионность получена на основании результатов испытаний в трех разных лабораториях, каждая из которых анализировала разные образцы. Было определено среднеквадратическое отклонение повторяемости, равное 0,0038% об., для бензола при использовании данной модификации. Воспроизводимость не установлена.
Приложение ДА
(справочное)
СВЕДЕНИЯ О СООТВЕТСТВИИ ССЫЛОЧНЫХ СТАНДАРТОВ ASTM
МЕЖГОСУДАРСТВЕННЫМ СТАНДАРТАМ
Таблица ДА.1
Обозначение ссылочного стандарта ASTM
Степень соответствия
Обозначение и наименование соответствующего межгосударственного стандарта
ASTM D 4057
NEQ
ГОСТ 31873-2012 "Нефть и нефтепродукты. Методы ручного отбора проб"
ASTM E 694
-
ASTM E 969
-
ASTM E 1044
-
ASTM E 1293
-
<*> Соответствующий межгосударственный стандарт отсутствует. До его принятия рекомендуется использовать перевод на русский язык данного стандарта.
Примечание - В настоящей таблице использовано следующее условное обозначение степени соответствия стандартов:
NEQ - неэквивалентные стандарты.