Главная // Актуальные документы // ГОСТ (Государственный стандарт)СПРАВКА
Источник публикации
М.: Стандартинформ, 2018
Примечание к документу
Документ
введен в действие с 1 марта 2019 года.
Название документа
"ГОСТ IEC 62310-3-2018. Межгосударственный стандарт. Статические системы переключения (STS). Часть 3. Метод установления эксплуатационных характеристик и требования к испытаниям"
(введен в действие Приказом Росстандарта от 08.11.2018 N 952-ст)
"ГОСТ IEC 62310-3-2018. Межгосударственный стандарт. Статические системы переключения (STS). Часть 3. Метод установления эксплуатационных характеристик и требования к испытаниям"
(введен в действие Приказом Росстандарта от 08.11.2018 N 952-ст)
по техническому регулированию
и метрологии
от 8 ноября 2018 г. N 952-ст
МЕЖГОСУДАРСТВЕННЫЙ СТАНДАРТ
СТАТИЧЕСКИЕ СИСТЕМЫ ПЕРЕКЛЮЧЕНИЯ (STS)
ЧАСТЬ 3
МЕТОД УСТАНОВЛЕНИЯ ЭКСПЛУАТАЦИОННЫХ ХАРАКТЕРИСТИК
И ТРЕБОВАНИЯ К ИСПЫТАНИЯМ
Static transfer systems (STS). Part 3. Method
for specifying performance and test requirements
(IEC 62310-3:2008, IDT)
ГОСТ IEC 62310-3-2018
Дата введения
1 марта 2019 года
Цели, основные принципы и основной порядок проведения работ по межгосударственной стандартизации установлены в
ГОСТ 1.0-2015 "Межгосударственная система стандартизации. Основные положения" и
ГОСТ 1.2-2015 "Межгосударственная система стандартизации. Стандарты межгосударственные, правила и рекомендации по межгосударственной стандартизации. Правила разработки, принятия, обновления и отмены"
1 ПОДГОТОВЛЕН Национальной ассоциацией производителей источников тока "РУСБАТ" (Ассоциация "РУСБАТ") на основе собственного перевода на русский язык англоязычной версии стандарта, указанного в
пункте 5
2 ВНЕСЕН Федеральным агентством по техническому регулированию и метрологии
3 ПРИНЯТ Межгосударственным советом по стандартизации, метрологии и сертификации (протокол от 30 апреля 2018 г. N 108-П)
За принятие проголосовали:
Краткое наименование страны по МК (ИСО 3166) 004-97 | Код страны по МК (ИСО 3166) 004-97 | Сокращенное наименование национального органа по стандартизации |
Беларусь | BY | Госстандарт Республики Беларусь |
Киргизия | KG | Кыргызстандарт |
Россия | RU | Росстандарт |
Таджикистан | TJ | Таджикстандарт |
4
Приказом Федерального агентства по техническому регулированию и метрологии от 8 ноября 2018 г. N 952-ст межгосударственный стандарт ГОСТ IEC 62310-3-2018 введен в действие в качестве национального стандарта Российской Федерации с 1 марта 2019 г.
5 Настоящий стандарт идентичен международному стандарту IEC 62310-3:2008 "Статические системы переключения (STS). Часть 3. Метод установления эксплуатационных характеристик и требования к испытаниям" ["Static transfer systems (STS) - Part 3: Method for specifying performance and test requirements", IDT].
Международный стандарт разработан Техническим комитетом TC 22 "Электронные системы и оборудование энергоснабжения", подкомитетом 22H "Системы бесперебойного энергоснабжения (UPS)" Международной электротехнической комиссии (IEC).
При применении настоящего стандарта рекомендуется использовать вместо ссылочных международных стандартов соответствующие им межгосударственные стандарты,
сведения о которых приведены в дополнительном приложении ДА.
В тексте настоящего стандарта применено шрифтовое выделение курсивом при описании методов оценки соответствия и испытаний
6 ВВЕДЕН ВПЕРВЫЕ
Информация об изменениях к настоящему стандарту публикуется в ежегодном информационном указателе "Национальные стандарты", а текст изменений и поправок - в ежемесячном информационном указателе "Национальные стандарты". В случае пересмотра (замены) или отмены настоящего стандарта соответствующее уведомление будет опубликовано в ежемесячном информационном указателе "Национальные стандарты". Соответствующая информация, уведомление и тексты размещаются также в информационной системе общего пользования - на официальном сайте Федерального агентства по техническому регулированию и метрологии в сети Интернет (www.gost.ru)
1) Международная электротехническая комиссия (МЭК) является всемирной организацией по стандартизации в области электротехники, в которую входят все национальные комитеты (национальные комитеты МЭК). Цель МЭК - развитие международного сотрудничества по всем вопросам стандартизации в области электрической и электронной аппаратуры. Для этого кроме осуществления других видов деятельности МЭК публикует международные стандарты, технические требования, технические отчеты, технические требования открытого доступа (ТТОД) и руководства. Их подготовка возлагается на технические комитеты. Любой национальный комитет МЭК, заинтересованный в данном вопросе, может участвовать в этой подготовительной работе. Международные, правительственные и неправительственные организации, сотрудничающие с МЭК, также принимают участие в подготовительной работе. МЭК тесно сотрудничает с Международной организацией по стандартизации (ИСО) на условиях, определенных в соглашении между этими двумя организациями.
2) Официальные решения или соглашения МЭК по техническим вопросам выражают, насколько это возможно, международное согласованное мнение по рассматриваемым вопросам, так как каждый технический комитет имеет представителей от всех заинтересованных национальных комитетов.
3) Выпускаемые документы имеют форму рекомендаций для международного использования и принимаются национальными комитетами в качестве таковых. Несмотря на все разумные усилия, гарантирующие точное техническое содержание документов, МЭК не несет ответственности за то, как используют эти публикации или за их любую неверную интерпретацию любым конечным пользователем.
4) В целях содействия международной унификации (единой системе) национальные комитеты МЭК обязуются при разработке национальных и региональных стандартов брать за основу международные стандарты МЭК, насколько это позволяют условия конкретной страны. Любое расхождение между стандартами МЭК и соответствующими национальными или региональными стандартами должно быть ясно обозначено в последних.
5) МЭК не предусматривает процедуры маркировки и не несет ответственности за любое оборудование, заявленное на соответствие одному из стандартов МЭК.
6) Все пользователи должны использовать самое последнее издание данного стандарта.
7) На МЭК или ее руководителей, служащих, должностных лиц или агентов, включая отдельных экспертов и членов технических комитетов и национальных комитетов МЭК, не должна возлагаться ответственность за какой-либо персональный ущерб, повреждение собственности или другое повреждение какого бы то ни было характера (непосредственное или косвенное) или за издержки (включая узаконенные сборы) и расходы, связанные с опубликованием, использованием данного стандарта МЭК или степенью его использования (это относится к любому другому стандарту МЭК).
8) Следует обратить внимание на нормативные ссылки, приведенные в данном стандарте. Для корректного применения данного стандарта необходимо использовать ссылочные публикации.
9) Необходимо обратить внимание на то, что некоторые элементы настоящего международного стандарта могут являться предметом патентного права. МЭК не несет ответственности за установление любого такого патентного права.
Международный стандарт IEC 62310-1 был подготовлен подкомитетом 22H "Системы бесперебойного энергоснабжения (UPS)" технического комитета 22 "Электронные системы и оборудование энергоснабжения".
Текст настоящего стандарта основан на следующих документах:
Окончательный проект международного стандарта (FDIS) | Отчет о голосовании |
22H/105/FDIS | 22H/107/RVD |
Полную информацию о голосовании по одобрению настоящего стандарта можно найти в вышеуказанном отчете о голосовании.
Настоящая публикация разработана в соответствии с Директивами ИСО/МЭК, часть 2.
Серия стандартов IEC 62310 под общим наименованием "Статические системы переключения (STS)" размещена на сайте МЭК.
По решению технического комитета, содержание этой публикации будет оставаться неизменным до даты результата пересмотра, указанного на веб-сайте МЭК http://webstore.iec.ch в сведениях, имеющих отношение к определенной публикации. На эту дату публикация будет:
- подтверждена;
- отменена;
- заменена на пересмотренное издание; или
- изменена.
Настоящий стандарт распространяется на автономные статические системы переключения STS переменного тока, предназначенные для обеспечения непрерывной подачи электропитания к нагрузке посредством автоматического или ручного управления переключением подачи электропитания, с прерыванием или без прерывания, от двух или нескольких независимых источников и входит в серию стандартов IEC 62310, состоящую из трех частей.
Стандарты серии IEC 62310 содержат информацию по полной интеграции STS и их вспомогательных устройств в систему распределения питания переменного тока и требования к элементам переключения и управления ими и элементам защиты, если они входят с состав STS.
Общие требования и требования безопасности STS установлены в IEC 62310-1.
Требования по электромагнитной совместимости (ЭМС) установлены в IEC 62310-1.
Настоящий стандарт устанавливает методы определения характеристик и требования к испытаниям, включая испытания на безопасность, рассматриваемые в IEC 62310-1.
Требования настоящего стандарта распространяются на одно-, двух- и трехфазные статические переключения в системах переменного тока с напряжением не выше 1000 В включительно. Требования настоящего стандарта являются приоритетными в отношении всех аспектов общих нормированных характеристик, и дополнительных испытаний не требуется.
Требования выбраны таким образом, чтобы они соответствовали уровням совместимости для низкочастотных кондуктивных помех и передачи сигналов в общественных низковольтных системах электроснабжения (см. IEC 61000-2-2), а также обеспечивали соответствующий уровень характеристик при применении STS в различных ситуациях с критической нагрузкой. При разработке требований приняты во внимание различные условия проведения испытаний, необходимые, чтобы охватить диапазон физических размеров и номинальных характеристик мощностей STS. Настоящий стандарт распространяется на STS как автономный продукт, представленный в виде единичного блока или комплектного устройства.
Настоящий стандарт не распространяется:
- на устройства для переключения источников постоянного тока;
- системы с одним источником питания;
- системы переключения, использующие только релейно-контакторные переключающие устройства с прерыванием подачи питания к нагрузке при переключении и предназначенные для применения в системах аварийного электроснабжения или рассматриваемые в IEC 60947-6-1;
- автоматические устройства переключения, встроенные в источник бесперебойного питания UPS, на которые распространяется серия стандартов IEC 62040.
Примечание - Для статических систем переключения, предназначенных для использования на транспортных средствах, на судах или самолетах, в тропических странах, в системах аварийного питания (например, используемых для средств поддержания здоровья, индикации пожара, спасения в чрезвычайных ситуациях и т.п.) или на высоте выше 1000 м, может возникнуть необходимость установления требований, отличных от требований, установленных настоящим стандартом.
В настоящем стандарте использованы нормативные ссылки на следующие стандарты. Для датированных ссылок применяют только указанное издание ссылочного стандарта, для недатированных - последнее издание ссылочного стандарта (включая все изменения к нему).
IEC 60068 (all parts), Environmental testing [Испытания на воздействие внешних факторов (все части)]
IEC 60146-1-1, Semiconductor convertors - General requirements and line commutated convertors - Part 1-1: Specifications of basic requirements (Преобразователи полупроводниковые. Общие требования и линейные коллекторные преобразователи. Часть 1-1. Основные технические требования)
IEC 60439-1, Low-voltage switchgear and controlgear assemblies - Part 1: Type-tested and partially type-tested assemblies (Комплексная аппаратура распределения и управления. Часть 1. Устройства, испытуемые полностью или частично)
IEC 60529, Degrees of protection provided by enclosures (IP Code) [Степени защиты, обеспечиваемые оболочками (код IP)]
IEC 60947-6-1, Low-voltage switchgear and controlgear - Part 6-1: Multiple function equipment - Transfer switching equipment (Аппаратура распределения и управления низковольтная. Часть 6-1. Аппаратура многофункциональная. Аппаратура коммутационная переключения)
IEC 60950-1, Information technology equipment - Safety - Part 1: General requirements (Оборудование информационных технологий. Требования безопасности. Часть 1. Общие требования)
IEC 61000-2-2, Electromagnetic compatibility (EMC) - Part 2-2: Environment - Compatibility levels for low frequency conducted disturbances and signalling in public low-voltage power supply systems (Электромагнитная совместимость (ЭМС). Часть 2-2. Условия окружающей среды. Уровни совместимости для низкочастотных кондуктивных помех и систем сигнализации в общественных низковольтных системах электроснабжения)
IEC 62040-3, Uninterruptible power systems (UPS) - Part 3: Method of specifying the performance and test requirements [Системы бесперебойного энергообеспечения (UPS). Часть 3. Метод установления эксплуатационных характеристик и требования к испытаниям]
IEC 62310-1, Static Transfer Systems (STS) - Part 1: General and safety requirements [Статические системы переключения (STS). Часть 1. Общие требования и требования безопасности]
IEC 62310-2, Static transfer systems (STS) - Part 2: Electromagnetic Compatibility (EMC) requirements [Статические системы переключения (STS). Часть 2. Требования по электромагнитной совместимости (EMC)]
ISO 7779, Measurement of airbone noise emitted by information technology and telecommunications equipment (Измерение воздушного шума оборудования для информационных технологий и телекоммуникаций)
В настоящем стандарте применены следующие термины с соответствующими определениями:
3.1.1 статические системы переключения; STS [static transfer system (STS)]: Системы, переключающие питание нагрузки статическим способом между основным источником и резервным источником.
Примечание 1 - Переключение может быть автоматическим и/или ручным.
Примечание 2 - Переключение может осуществляться с прерыванием или без прерывания подачи питания.
3.1.2 электроколонка или электронный переключатель (питания) [power pole or electronic (power) switch]: В контексте настоящего стандарта рабочий блок электронного переключения в цепи питания, включающий в себя по крайней мере одно регулируемое вентильное устройство.
[IEV 551-13-01, модифицированный]
3.1.3 первичная цепь (primary circuit): Внутренняя цепь системы, которая напрямую подключена к внешнему источнику питания, обеспечивающему питанием нагрузку. Включает первичные обмотки трансформаторов, электромоторов, другие нагрузочные устройства и средства подсоединения к источнику питания.
3.1.4 входная мощность (input power): Мощность, подаваемая на STS и байпас, если таковой предусмотрен, которая может поступать либо от основного источника, либо от резервного источника.
3.1.5 цепь БСНН (SELV circuit): Вторичная цепь, которая сконструирована и защищена таким образом, чтобы при нормальных условиях эксплуатации и при условиях единичного нарушения напряжения в ней не превышали безопасного значения.
Примечание 1 - Предельные значения напряжений при нормальных условиях эксплуатации и при условиях единичного повреждения (см. IEC 60950-1, 1.4.14) приведены в 2.2 IEC 60950-1. См. также таблицу 1A в IEC 60950-1.
Примечание 2 - Настоящее определение цепи БСНН отличается от термина "система БСНН", который используется в IEC 61140.
3.1.6 основной источник (preferred source): Источник, используемый в качестве основного источника питания нагрузки, который обычно задается оператором.
3.1.7 альтернативный источник (alternate source): Источник, используемый в качестве альтернативного источника питания нагрузки при отказе основного источника, или при его несоответствии пределам допусков, или при его отключении для обслуживания.
3.1.8 нормальный режим работы STS (normal mode of STS operation): Режим, при котором питание нагрузки осуществляется от основного источника или от резервного источника через электронный переключатель (питания).
3.1.9 ремонтный байпас (maintenance bypass): Контур подачи питания, предназначенный для того, чтобы обеспечить изоляцию соответствующей секции или секций STS в целях обеспечения безопасности при проведении технического обслуживания и/или для поддержания непрерывной подачи питания на нагрузку.
3.1.10 переключение (transfer): Операция инвертирования цепи питания к нагрузке от одного источника к другому.
3.1.11 автоматическое переключение (automatic transfer): Операция переключения питания, инициируемая без вмешательства оператора в результате выхода источника питания из предварительно заданных условий.
3.1.12 автоматическое обратное переключение (automatic retransfer): Переключение питания без вмешательства оператора от резервного к основному источнику сразу после возврата основного источника к предварительно заданным условиям.
3.1.13 ручное переключение (manual transfer): Переключение питания, которое происходит в результате локального или удаленного вмешательства оператора.
3.1.14 нормальное переключение (normal transfer): Переключение питания нагрузки между двумя источниками, при котором разность их фазного угла по отношению к вектору напряжения находится в пределах диапазона допуска, указанного изготовителем.
3.1.15 режим синхронного (или синхронизированного) переключения [synchronous (or synchronised) transfer]: Переключение в пределах ограниченной разности фазного угла по отношению к вектору напряжения, заданной пользователем.
3.1.16 режим асинхронного (или несинхронизированного) переключения [asynchronous (or non-synchronized) transfer]: Переключение питания нагрузки между двумя источниками, при котором разность их фазного угла по отношению к вектору напряжения в момент переключения выходит за пределы диапазона допуска, указанного изготовителем.
3.1.17 время переключения (transfer time): Интервал времени между инициацией переключения и моментом, когда выходные параметры были переключены.
3.1.18 поперечный ток (cross-current): Ток, возникающий вследствие проведения питания от фазы одного источника к соответствующей фазе другого источника с помощью электронных переключателей.
3.1.19 нежелательный ток (objectionable current): Ток нагрузки, который возникает во время нормальной эксплуатации и/или переключения в иных, чем предназначенные для этого, цепях подачи питания, и способствует любому из следующих событий:
- возникновению помех при правильном измерении и функционировании устройств защитного отключения (УЗО) с замыканием на землю;
- образованию электрической дуги с энергией, достаточной, чтобы воспламенить горючие материалы;
- электромагнитному излучению, превышающему уровни, установленные IEC 62310-2 для STS.
3.1.20 линейная нагрузка (linear load): Нагрузка, для которой потребляемый от источника ток рассчитывают по формуле
I = U/Z,
где I - ток, протекающий через нагрузку;
U - напряжение источника питания;
Z - постоянный импеданс нагрузки.
3.1.21 нелинейная нагрузка (non-linear load): Нагрузка, для которой параметр Z (импеданс нагрузки) является не постоянной величиной, а переменной, зависимой от таких параметров, как напряжение или время.
3.1.22 активная мощность (active power): При периодических условиях среднее значение мгновенной мощности p, взятое в течение одного периода T

.
[IEV-131-11-42]
Примечание 1 - При синусоидальных условиях активная мощность является действительной частью комплексной мощности.
Примечание 2 - Единицей СИ для активной мощности является ватт.
Примечание 3 - Постоянное и гармоническое напряжения постоянного тока вносят непосредственный вклад в величину активной мощности. Для измерения активной мощности используют соответствующие приборы, которые обеспечивают достаточную полосу пропускания для измерения соответствующих асимметричных и гармонических компонентов мощности.
3.1.23
коэффициент мощности 
(power factor,

): Отношение абсолютного значения активной мощности
P к полной мощности
S

.
[IEV 131-11-46, модифицированный]
Примечание - Для целей настоящего стандарта коэффициент мощности нагрузки определяется ghb при условии из идеального синусоидального напряжения питания. Если нагрузка является нелинейной, коэффициент мощности нагрузки включает компоненты гармонической мощности.
3.1.24 полная мощность S (apparent power, S): Произведение действующего значения напряжения на действующее значение тока на разъемах контура
S = U·I.
[IEV 131-11-41, модифицированный]
3.1.25 температура окружающей среды (ambient temperature): Температура воздуха или другой среды в зоне установки оборудования.
[IEV 826-01-04]
3.2.1 номинальное значение (rated value): Количественное значение физической величины, установленное, как правило, изготовителем для конкретных рабочих условий компонента, устройства или оборудования.
[IEV 151-16-08, модифицированный]
3.2.2 номинальные характеристики (rating): Совокупность номинальных значений параметров и рабочих условий механизма, устройства или оборудования.
[IEV 151-16-11]
3.2.3 пределы допусков (диапазон) [tolerance (band)]: Диапазон значений физической величины в установленных пределах.
3.2.4 отклонение (deviation): Разность между требуемым значением и фактическим значением переменной величины в данный момент времени.
[IEV 351-12-15]
3.2.5 переходное состояние (transient): Характер изменения переменной величины в процессе перехода между двумя стационарными режимами.
[IEV 351-14-04]
3.2.6 номинальное напряжение (rated voltage): Входное или выходное напряжение (междуфазное и фазное напряжение для трехфазного источника питания, когда STS поддерживает нейтральное соединение), указанное изготовителем.
3.2.7 перепад действующего напряжения (voltage variation): Разность между среднеквадратичным значением напряжения и соответствующим предыдущим ненарушенным среднеквадратичным значением напряжения.
Примечание - Для целей настоящего стандарта термин "перепад" имеет следующее значение: различие в значениях физической величины до и после изменения воздействующей физической величины.
3.2.8 номинальный ток (rated current): Среднеквадратичный входной или выходной ток оборудования, указанный изготовителем.
3.2.9 номинальная частота (rated frequency): Рабочая частота, указанная изготовителем.
3.2.10 полный коэффициент гармонических искажений; ПКГИ [total harmonic distortion (THD)]: Процентное отношение среднеквадратичной величины содержания гармоник к среднеквадратичной величине основного компонента переменной физической величины.
3.2.11 гармонические компоненты (harmonic components): Компоненты содержания гармоник, выраженные в эквиваленте членов порядка и среднеквадратичных величин ряда Фурье, описывающих периодическую функцию.
3.2.12 содержание гармоник (harmonic content): Физическая величина, получаемая путем вычитания основного компонента из переменной величины.
Примечание - Содержание гармоник может быть задано как временная функция или как среднеквадратичная величина.
3.2.13 пик-фактор или коэффициент амплитуды (crest or peak factor): Отношение максимального значения к среднеквадратичному значению периодически изменяющейся величины.
Примечание - Термины "пик-фактор" и "коэффициент амплитуды" имеют одинаковое значение.
3.3.1 допустимое отклонение входного напряжения (input voltage tolerance): Максимальное изменение установившегося напряжения, допустимое для STS.
3.3.2 допустимое отклонение входной частоты (input frequency tolerance): Максимальное изменение установившейся частоты, допустимое для STS.
3.4.1 пределы критической нагрузки защиты от напряжения (critical load voltage protection limits): Максимальное изменение стационарного и переходного выходного напряжения STS.
3.4.2 условный ток короткого замыкания (conditional short-circuit current): Расчетный ток, который может выдержать STS, когда она защищена указанным защитным устройством.
3.4.3 допуск напряжения на выходе (output voltage tolerance): Максимальное изменение установившегося напряжения на выходе STS, как правило, регулируемое для обеспечения соответствия пределам критической нагрузки защиты.
3.4.4 перегрузочная способность (overload capability): Допустимая нагрузка по току на выходе STS, превышающая заданный постоянный ток системы в течение заданного времени, при которой напряжение на выходе остается в пределах номинального диапазона.
3.4.5 кратковременно выдерживаемый ток (short time withstand current): Ток, который может выдержать контур или коммутационное устройство в закрытом положении в течение заданного короткого периода времени, при заданных условиях использования и характере изменения.
3.4.6 шаговая нагрузка (step load): Мгновенное добавление или удаление электрических нагрузок к источнику питания.
4 Требования к рабочим характеристикам
4.1 Заданные электрические характеристики
4.1.1 Классификация рабочих характеристик
Изготовитель должен классифицировать соответствующие требованиям данного стандарта STS согласно следующей кодировке:
где XX характеризует управление током короткого замыкания:
CB: STS, способные принимать и разрывать заданные токи короткого замыкания и содержащие внутреннюю защиту от токов короткого замыкания;
PC: STS, способные принимать и выдерживать заданные токи короткого замыкания, но не предназначенные для разрыва токов короткого замыкания.
YY характеризует управление входными нейтралями:
00 - нейтраль не поддерживается;
NC - общая нейтраль;
NS - разделение нейтралей с помощью переключения;
NI - разделение нейтралей с помощью гальванической развязки.
Примечание - Гальванической развязки нейтралей можно добиться за счет использования изолирующего трансформатора.
B - характеризует характер переключения:
B - разрыв перед замыканием (открытое переключение) - переходные процессы поперечной проводимости во время переключения отсутствуют.
M - замыкание перед разрывом (закрытое переключение) - переходные процессы поперечной проводимости во время переключения возможны.
ST характеризует особенности измерения и передачи данных:
"
S" - измерительный допуск перед инициацией автоматического переключения.
В результате выхода напряжения в проводящем источнике за пределы заданного измерительного допуска STS инициирует автоматическое переключение. На
рисунках B.1,
B.2,
B.3 и
B.4 приложения B определены пределы повышенного и пониженного напряжения, соответствующие измерительным допускам 1, 2, 3 и 4 соответственно. Измерительный допуск
S должен быть согласован между изготовителем и потребителем в соответствии с ограничениями по напряжению, которые считаются допустимыми для критической нагрузки (см.
приложение E).
"T" - продолжение любого прерывания питания к нагрузке сразу после инициации автоматического переключения (см.
таблицу 1).
Таблица 1
Классификация прерывания переключения T
T | Прерывание, мс |
1 | <= 0,1 |
2 | <= 1 |
3 | <= 10 |
4 | <= 20 |
5 | Зарезервировано |
Примечание - Класс переключения T = 5 резервируется для особых характеристик переключения, если таковые потребуются и будут согласованы между изготовителем/поставщиком и потребителем.
Соответствие особенностям измерения и прерывания в STS требуется в том случае, когда по меньшей мере один источник входного сигнала находится в пределах допуска при согласованных между потребителем и изготовителем условиях. Для получения руководства обратитесь к разделу "Максимальная разность фаз напряжения между источниками для обеспечения синхронного переключения" в таблице E.1 приложения E. В том случае, когда все основные и резервные источники выходят за пределы допуска, характеристики должны быть указаны изготовителем.
Примечание - Измерение фазного напряжения требуется в STS, нейтральное соединение в которой доступно для нагрузки.
Пример классификации характеристик STS:
класс "PC NC B 23" характеризует STS, которая:
- способна принимать и выдерживать заданные токи короткого замыкания, но не предназначена для разрыва токов короткого замыкания;
- представляет общую входную нейтральную клемму для всех источников;
- представляет собой разрыв перед замыканием (открытое переключение), не вызывая каких-либо процессов поперечной проводимости во время переключения;
- автоматически инициирует переключение, когда напряжение проводящего источника выходит за пределы классификации допуска источника 2 (см.
приложение B);
- может прервать подачу питания к нагрузке на период времени не более 10 мс во время переключения.
4.1.2 Основные электрические характеристики
В эксплуатационной документации, прикладываемой к STS, соответствующей настоящему стандарту, изготовитель STS должен указать следующие характеристики.
4.1.2.1 Ток
Указывают номинальный ток (фазное среднеквадратичное значение).
4.1.2.2 Напряжение
Указывают:
- номинальное напряжение (междуфазное/фазное напряжение соответственно, среднеквадратичная переменная величина);
4.1.2.3 Частота
Указывают:
- номинальную частоту;
4.1.2.4 Внутренняя/внешняя проводка
Указывают:
- количество фаз (одна, две или три) + нейтраль N (если предусмотрена);
- подключаемая или стационарная проводка.
4.1.2.5 Входные источники питания
Указывают:
- количество входных источников питания (два или несколько);
- эталонная совместимость (общее или раздельное шунтирование, общее или раздельное заземление);
- распределительная совместимость (TNC, TNS, TT или IT, см. приложение V IEC 60950-1).
4.1.2.6 Силовые колонки
Указывают:
- число коммутируемых колонок (одна, две, три или четыре);
- коммутационная последовательность (открытое или закрытое переключение - см.
4.1.1);
- номинальный ток нейтрали (процент от номинального фазного тока);
- состояние при подключении нейтрали (см.
4.1.1).
4.1.2.7 Перегрузка
Указывают:
- заявленную перегрузку (процент от номинального тока и продолжительность);
- способность отключения токов короткого замыкания нагрузки (процент от номинального фазного тока и длительности, см.
5.2.7.2).
4.1.2.8 Ток повреждения (короткого замыкания)
Указывают:
- управление (
PC или
CB - см.
4.1.1);
- способность выдерживать перенапряжения, номинальная (в единицах кА и продолжительность - см.
5.2.7.3);
- размыкающую способность, номинальную - только для управления CB (в единицах кА - см.
5.2.7.3).
4.1.2.9 Потери в рабочем режиме при номинальной нагрузке (см.
5.2.8).
4.2 Нормальные условия обслуживания
За исключением случаев, указанных в настоящем подразделе, STS должны быть совместимы:
- с уровнями для низкочастотных кондуктивных (наведенных) помех и передачи сигналов в общественных низковольтных системах электроснабжения согласно IEC 61000-2-2;
- нелинейными нагрузками;
STS должны быть работоспособны, когда по крайней мере один источник работает при следующих ограничениях:
a) минимальное изменение напряжения +/- 10% от нормированного номинального напряжения;
b) изменение частоты в пределах +/- 5% от нормированной номинальной частоты;
c) дисбаланс напряжения 5% для трехфазных систем (см. 2.5 IEC 60146-1-1).
Примечание - Вышеуказанные условия представляют собой требования совместимости для правильной работы STS и ее цепей управления (в отличие от условий, представляющих действительные эксплуатационные ограничения, необходимые для загрузки, см.
приложение B).
4.3 Характеристики переключения
4.3.1 Напряжение нагрузки
| | ИС МЕГАНОРМ: примечание. В официальном тексте документа, видимо, допущена опечатка: имеется в виду пункт 5.2.5.2, а не 5.2.1.2. | |
Переключения и обратные переключения в STS, соответствующих настоящему стандарту, как ручные или автоматические, не должны способствовать отклонению напряжения на выходе, превышающему пределы критической нагрузки защиты по напряжению согласно указанным изготовителем в
4.1.1. Рекомендации по проведению испытаний приведены в
5.2.5.1 и
5.2.1.2.
Изготовитель должен указать максимальную разность фазных напряжений, допустимую между источниками для соответствия указанной классификации переключения STS (см.
4.1.1).
4.3.2 Поперечный ток
При любых нормальных рабочих условиях оборудование для статического переключения не должно допускать протекания поперечного тока между входными источниками, за исключением внутренних переходных токов, которые могут возникнуть во время синхронизированных переключений через STS, указанных как системы "закрытого переключения" или "замыкания перед разрывом". Цепь STS должна быть защищена от протекания тока между источниками, возникающего при условиях единичного повреждения. Оборудование для статического переключения, указанное изготовителем, как система "закрытого переключения" или "замыкания перед разрывом", должно переносить любые внутренние переходные токи, которые могут возникнуть во время синхронизированных переключений, без нарушений в работе системы.
Рекомендации по проведению испытаний приведены в
5.2.5.3.
4.4 Управление нейтралями
4.4.1 Общие нейтрали
Переключение нейтралей или особое управление эталоном нейтрали не требуется в тех случаях, когда входные источники переменного тока имеют общую точку заземления нейтрали (см.
приложение C).
4.4.2 Раздельно шунтованные нейтрали
Метод управления нейтралями требуется в тех случаях, когда раздельно шунтованные входные источники переменного тока заземлены и подключены к STS независимо друг от друга (см.
приложение C).
4.4.3 Ток нейтрали
Допустимая нагрузка по току STS должна поддерживать нейтральный ток, возникающий из любой номинальной комбинации сбалансированной и несбалансированной линейной нагрузки и нелинейной нагрузки согласно описанию в
разделе A.5 приложения A.
4.4.4 Защитный ток замыкания на землю
STS не должны содействовать протеканию нежелательного тока нагрузки в проводе защитного заземления.
Примечание - Во время переключения ток может протекать в проводе защитного заземления, что допустимо до тех пор, пока ток не становится нежелательным (определение нежелательного тока см.
3.1).
На
рисунке 1 представлен пример соответствующей требованиям установки STS, в которой нежелательный ток нагрузки не может протекать в проводе защитного заземления, так как один источник переменного тока относится к заземляющему потенциалу другого. Установщик должен проверить непрерывность цепи заземления нейтрали в соответствующих случаях. В результате в системах TN могут потребоваться дополнительные условия использования ручных или автоматических выключателей со стороны питания, которые размыкают нейтрали.
Рисунок 1 - Соответствующее требованиям протекание тока
нагрузки. Общее заземление входных источников
переменного тока. Общая нейтраль STS
На
рисунке 2 представлен пример не соответствующей настоящему стандарту установки STS, в которой нежелательный ток нагрузки может протекать в проводе защитного заземления, так как оба источника переменного тока заземлены независимо друг от друга.
Рисунок 2 - Протекание нежелательного тока нагрузки.
Независимое заземление входных источников
переменного тока. Общая нейтраль STS
Соответствие требованиям проверяют с помощью анализа цепи STS в соответствии с классификацией системы распределения входной мощности переменного тока (TN, TT, IT), числа фаз и обмоток согласно приложению V IEC 60950-1.
4.5 Требования к характеристикам, задаваемым потребителем
Если технические требования к STS подлежат согласованию между изготовителем и потребителем, потребитель должен определить альтернативные требования к характеристикам относительно установки и предельные отклонения, не установленные в настоящем подразделе. Дополнительные сведения приведены в
приложении E.
5.1.1 Типовые испытания
Типовые испытания выполняются на STS, которые представляют собой серию фактически идентичных продуктов. Типовые испытания предназначены для обеспечения того, чтобы такие идентичные продукты достигали соответствия их полной спецификации, когда они производятся согласно соответствующим стандартам качества и проходят контрольные испытания, описанные в данном разделе.
5.1.2 Контрольные испытания
Контрольные и любые дополнительные испытания, как правило, выполняют на заводе-изготовителе.
5.1.3 Испытания на месте эксплуатации
Испытания на месте эксплуатации подлежат согласованию между потребителем и изготовителем. Если контрольные испытания проводят на месте эксплуатации, такие испытания должны использовать доступную на месте эксплуатации нагрузку, которая не должна превышать номинальную непрерывную нагрузку полной конфигурации места эксплуатации STS.
5.1.4 Программа испытаний
Испытания должны проводить в соответствии с
таблицей 2.
Таблица 2
Испытания на эксплуатационные характеристики STS
Описание испытания | Контрольное испытание | Типовое испытание | Пункт, подпункт, стандарт |
Изоляция (на землю) | x | x | |
Изоляция (вход-вход и вход-выход) <a> | - | x | |
Легкая нагрузка | x | x | |
Проверка функционального и соединительного кабеля | x | x | |
Контрольное(ые) устройство(-а) | x | x | |
Защитное(ые) устройство(-а) | x | x | |
Вспомогательное(ые) устройство(-а) | x | x | |
Наблюдательное(ые), измерительное(ые), сигнальное(ые) устройство(-а) | x | x | |
Автоматическое переключение | x | x | |
Ручное переключение | x | x | |
Отсутствие нагрузки | x | x | |
Номинальная нагрузка | x | x | |
Автоматическое переключение | - | x | |
Ручное переключение | - | x | |
Поперечный ток | - | x | |
Допускаемые отклонения источника (напряжение и частота) | - | x | |
Перегрузка | - | x | |
Способность отключения токов перегрузки | - | x | |
Выдерживаемый ток короткого замыкания | - | x | |
Потери в рабочем режиме | - | x | |
Защита от обратного тока | - | x | |
Нештатные условия эксплуатации | - | x | |
Транспортирование и окружающая среда | - | x | |
Удары и вибрация | - | x | |
Свободное падение | - | x | |
Хранение | - | x | |
Температура и влажность | - | x | |
Акустические шумы | - | x | |
Безопасность | - | x | См. IEC 62310-1 |
Электромагнитная совместимость | - | x | См. IEC 62310-2 |
--------------------------------
<a> Освобождение от прохождения контрольного испытания для изоляции вход - вход и вход - выход допускается только в тех случаях, когда:
- на производстве действует программа контроля качества, которая включает в себя испытание образца для обеспечения воспроизводимости результатов типовых испытаний STS.
Примечание - В приложении R IEC 60950-1 приводятся примеры требований к программам контроля качества;
- надлежащие устройства изоляции устанавливают либо внутри, либо снаружи STS (см.
5.2.9).
5.2 Электрические испытания
5.2.1 Изоляция и диэлектрика
STS должна быть способна выдерживать в течение 1 мин без пробоя синусоидальное потенциальное напряжение частотой 50 или 60 Гц с нижеприведенными значениями:
a) между всеми первичными клеммами контура и заземлением: 2U + 1000 В;
b) всеми клеммами основного источника и всеми клеммами резервного источника:
- 2·2,4·(U/1,73) или 1200 В для трехфазных систем в зависимости от того, какое значение больше;
- 2·2,4·U или 1200 В для однофазных систем в зависимости от того, какое значение больше.
Выходные клеммы должны быть соединены между собой и включены параллельно основному источнику питания влево.
Примечание 1 - Любые нейтрали, если они являются общими, должны быть соединены только с клеммами основного источника;
c) всеми клеммами основных и резервных источников и всеми выходными клеммами:
- 1,2·U·(1 + 1/1,73) или 600 В для трехфазных систем в зависимости от того, какое значение больше;
- 2,4·U или 600 В для однофазных систем в зависимости от того, какое значение больше.
Примечание 2 - Любые нейтрали, если они являются общими, должны быть соединены только с клеммами источника.
Примечание 3 - Настоящее требование к способности выдерживать напряжение учитывает влияние на заземление единичного повреждения, произошедшего в системе с изолированной нейтралью с заземлением через импеданс.
Некоторые устройства, замыкающие проверяемую изоляцию, могут быть отсоединены от одного из испытательных потенциалов и/или проверены с помощью альтернативных методов. Например, подлежащие проверке устройства, обеспечивающие контур постоянного тока параллельно с изоляцией, такие как разрядные сопротивления для емкостей фильтра, устройства ограничения напряжения или ограничители перенапряжения. В этом случае следует руководствоваться 5.2.2 IEC 60950-1.
Напряжение U является значением нормированного среднеквадратичного междуфазного (в трехфазных системах) или фазного (в однофазных системах) напряжения. Это положение применимо для систем TN и систем с изолированной нейтралью с заземлением через импеданс. На рассмотрении находится вопрос применения этого положения при использовании других систем.
Для определения соответствия STS настоящим требованиям должно быть проведено испытание. Устройство должно быть проверено с помощью трансформатора мощностью 500 В·А или трансформатора большей мощности, выходное напряжение которого можно изменять. Кривая напряжения должна моделировать синусоиду. Приложенный потенциал должен постепенно увеличиваться от нуля до требуемого испытательного значения и удерживаться в этом значении в течение 1 мин. Увеличение приложенного потенциала должно происходить с равномерной скоростью и настолько быстро, насколько оно будет соответствовать правильному обозначению его значения с помощью вольтметра в выходной цепи испытательного трансформатора.
Примечание 4 - Вместо источника переменного тока можно использовать испытательный источник постоянного тока. Подаваемое испытательное напряжение постоянного тока должно равняться значению среднеквадратичного испытательного напряжения переменного тока, умноженного на 1,414.
Соответствие требованию проверяют, проводя наблюдение за отсутствием образования электрической дуги во время подачи напряжения и правильным функционированием STS без необходимости замены какого-либо компонента системы после проведения испытания.
Примечание 5 - Функциональность STS обычно проверяют при проведении испытаний при легкой нагрузке
(5.2.2).
5.2.2 Легкая нагрузка и функциональное испытание
Испытание при легкой нагрузке представляет собой функциональное испытание, которое проводится в соответствии с 4.2.2 IEC 60146-1-1, чтобы проверить, что STS подключена правильно и что все функции системы работают должным образом. По практическим и экономическим соображениям прилагаемая нагрузка ограничивается до некоторого процента от номинального значения, например до 10%. Необходимо проверить правильную работу следующих компонентов:
a) всех переключателей и других средств для активизации работы STS;
b) защитных устройств (см. 4.2.10 IEC 60146-1-1);
c) вспомогательных устройств, таких как контакторы, вентиляторы, розетки, нумераторы и устройства связи;
d) наблюдательных и измерительных устройств и контуров дистанционной сигнализации (при их наличии);
e) испытание автоматического переключения, которое выполняется при изначально нормальных условиях путем отключения, а затем восстановления напряжения основного входного источника и повторения испытания на резервном источнике;
f) испытание ручного переключения, которое выполняется при нормальных условиях путем изменения состояния основного источника для переключения в обоих направлениях.
Соответствие требованию проверяют, проводя наблюдение за тем, чтобы устройства и функции, предназначенные для контроля, защиты, наблюдения, измерения и подачи сигнала о действиях STS, функционировали ожидаемым образом и чтобы напряжение нагрузки оставалось в пределах заданных значений во время ручного и автоматического переключения.
5.2.3 Отсутствие нагрузки
Выходное напряжение STS должно оставаться в пределах указанных значений, когда STS работает при нормированном входном напряжении и частоте и при отсутствии нагрузки, подключенной на выходе.
5.2.4 Номинальная нагрузка
Выходное напряжение STS должно оставаться в пределах указанных значений, когда STS работает при нормированном входном напряжении и частоте и с линейной нагрузкой, моделирующей 100% от номинального выходного тока, подключенного на выходе.
5.2.5 Переключение
5.2.5.1 Автоматическое переключение
a) Отключение источника
Во время работы при нормированном входном напряжении на обоих источниках и подачи номинальной (линейной) нагрузки необходимо отключить входное напряжение питания основного источника.
После возвращения напряжения основного источника к нормальному состоянию STS должна быть способна выполнить обратное переключение (автоматически или вручную согласно указаниям изготовителя).
Испытание необходимо повторить для резервного входного источника.
b) Понижение напряжения
Во время изначальной работы при нормированном входном напряжении на обоих источниках и подачи легкой (линейной) нагрузки необходимо медленно уменьшать входное напряжение питания основного источника до тех пор, пока не произойдет автоматическое переключение.
После возвращения напряжения основного источника к нормальному состоянию STS должна быть способна выполнить обратное переключение (автоматически или вручную согласно указаниям изготовителя).
Испытание необходимо повторить для резервного входного источника.
c) Повышение напряжения
Во время изначальной работы при нормированном входном напряжении на обоих источниках и подачи легкой (линейной) нагрузки необходимо медленно увеличивать входное напряжение питания основного источника до тех пор, пока не произойдет автоматическое переключение.
После возвращения напряжения основного источника к нормальному состоянию STS должна быть способна выполнить обратное переключение (автоматически или вручную согласно указаниям изготовителя).
Испытание необходимо повторить для резервного входного источника.
Соответствие требованию проверяют, записывая переходное отклонение кривой выходного напряжения STS до и во время переключения или обратного переключения соответственно. Кривая выходного напряжения STS должна оставаться в пределах критической нагрузки защиты от перенапряжения, указанных изготовителем (см. 4.1.1).
5.2.5.2 Ручное переключение
Во время работы при нормированном входном напряжении на обоих источниках и подачи номинальной (линейной) нагрузки необходимо инициировать команду ручного переключения.
Необходимо выполнить дополнительные электрические переключения для проверки функционирования любых ручных соединительных или обходных переключателей, если они предусмотрены.
Соответствие требованию проверяют, записывая переходное отклонение кривой выходного напряжения STS до и во время переключения. Кривая выходного напряжения STS должна оставаться в пределах критической нагрузки защиты от перенапряжения, указанных изготовителем (см. 4.1.1).
Испытание STS необходимо для того, чтобы убедиться, что во время нормальной работы между соответствующими фазами входных источников не протекают никакие поперечные токи, за исключением внутренних переходных токов, которые могут возникнуть во время синхронизированных переключений через STS, указанные как системы "закрытого переключения" или "замыкания перед разрывом".
Испытание STS, указанных как системы "открытого переключения" или "разрыва перед замыканием", необходимо для того, чтобы убедиться, что во время нормальной работы между соответствующими фазами входных источников не протекают никакие поперечные токи, в том числе и во время переключения.
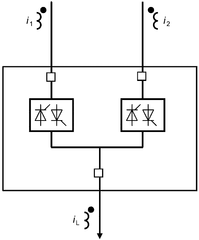
Соответствие требованию проверяют как для синхронных, так и для асинхронных автоматических переключений в результате повышения напряжения, понижения напряжения и обрыва фазы. Необходимо проводить испытание всех фаз, проверив, соотносятся ли мгновенные токи i1, i2, iL (см. рисунок 3) как
|i1| + |i2| = |iL|.
Рисунок 3 - Испытание поперечного тока STS
Примечание 1 - За исключением внутреннего защитного и демпфирующего тока.
Примечание 2 - Испытание может быть выполнено при помощи суммирования входных и выходных трансформаторов тока (с соответствующей полярностью).
Примечание 3 - Напряжение между тремя вторичными обмотками можно наблюдать на осциллографе. Мгновенный поперечный ток измеряется отклонением от исходных линий нулевого тока.
Примечание 4 - Символ тиристора/КТУ приведен в целях иллюстрации и не исключает возможности использования других электронных устройств переключения мощности.
5.2.6 Допускаемые отклонения источника
Выход STS должен нагружаться номинальным выходным током.
Входное питание должно исходить от генератора переменной частоты/напряжения, выходной импеданс которого должен быть в состоянии поддерживать форму кривой напряжения в пределах, указанных в IEC 61000-2-2. При отсутствии генератора переменной частоты/напряжения допускается использование альтернативных методов испытаний.
5.2.6.1 Стационарное напряжение
| | ИС МЕГАНОРМ: примечание. В официальном тексте документа, видимо, допущена опечатка: имеется в виду перечисление b) пункта 4.2, а не 4.1.2. | |
Без подвода резервного источника питания, установив входную частоту основного источника на уровень нормированной частоты и подключив легкую нагрузку к выходу STS, необходимо отрегулировать входное напряжение основного источника по отношению к минимальным и максимальным значениям диапазона допуска входного напряжения, заявленным изготовителем [см.
4.1.2, перечисление b)]. Это испытание должны проводить на всех входах.
Соответствие требованию проверяют, проводя наблюдение за тем, чтобы STS непрерывно обеспечивала питанием нагрузку от STS во время испытания.
Примечание 1 - Вышеуказанные условия представляют собой требования к совместимости для правильной работы STS и ее цепей управления.
Примечание 2 - Чистое отключение питания нагрузки приемлемо в том случае, если напряжение источника выходит за рабочие пределы, установленные для нагрузки (см.
4.1.1, "S").
5.2.6.2 Частота
Необходимо повторить испытание
5.2.5.1 с входной частотой, отрегулированной до пределов, указанных изготовителем [см.
4.2, перечисление b)].
Соответствие проверяют с помощью испытания или анализа контура в том случае, если STS не чувствительна к частоте.
5.2.7 Перегрузка и ток короткого замыкания
5.2.7.1 Испытание перегрузки
Во время работы STS в условиях испытания по
4.2 необходимо подать резистивную нагрузку для моделирования перегрузки STS, указанной изготовителем (см.
4.1). STS должна сохранять работоспособность в заданных условиях согласно заявлению изготовителя и не должна получить каких-либо повреждений. Температура компонентов STS не должна превысить соответствующие температурные пределы.
Соответствие требованию подтверждают, проводя наблюдение за тем, чтобы:
- STS обеспечивала питанием нагрузку во время и после испытания;
- температура компонентов не превышала действующие пределы и соответствовала указанным в технических паспортах данным.
5.2.7.2 Способность отключения токов перегрузки
Изготовитель должен проверить указанные кратковременные токи перегрузки с целью отключения защитных устройств со стороны нагрузки без оказания негативного влияния на рабочие характеристики STS. Данная информация должна быть представлена в виде процента от номинального тока на 100 мс, например "Xxx% на 100 мс".
Выполнение данного требования можно продемонстрировать с помощью анализа того, что питание перегрузки по току будет в течение минимум 100 мс без повреждения STS. Или же соответствие можно проверить испытанием следующим образом:
- подключить STS к источнику переменного тока неограниченной мощности, который способен поддерживать напряжение в пределах классификации действующего допуска источника "S" (см. приложение B);
- подать указанную перегрузку по току на выход STS;
- провести наблюдение за тем, чтобы STS обеспечивала питание нагрузки без повреждения STS во время и после испытания;
- провести наблюдение за тем, чтобы STS не переключала нагрузку на резервный источник.
5.2.7.3 Испытание короткого замыкания
Во время работы STS в условиях испытания по
4.2, если требуется, можно подать легкую нагрузку. Затем необходимо подать ожидаемый кратковременный ток на выход STS согласно
таблице 3.
Таблица 3
Кратковременный выдерживаемый ток
Номинальный ток ССП Ie (среднеквадратичный), А | Ожидаемый испытательный ток (среднеквадратичный), А | Коэффициент начального асимметричного пикового тока (А пиковый/А среднеквадратичный) | Минимальная продолжительность предполагаемого испытательного тока циклы (50/60 Гц) |
Ie <= 16 | 3 000 | 1,42 | 1,5 |
16 < Ie <= 75 | 6 000 | 1,53 | 1,5 |
75 < Ie <= 400 | 10 000 | 1,70 | 1,5 |
400 < Ie <= 500 | 10 000 | 1,70 | 3,0 |
500 <= Ie | 20 Ie или 50 кА в зависимости от того, какая величина меньше | (0,5 Ie + 3 150)/2 000) или 2,2 в зависимости от того, какая величина меньше | 3,0 |
Если STS рассчитана на работу при нескольких напряжениях, испытание короткого замыкания должны проводить при самом высоком нормированном номинальном напряжении. Дополнительные номинальные напряжения и токи короткого замыкания могут быть проверены по усмотрению изготовителя.
Примечание - В
приложении F содержится руководство к испытанию и выбору защитных устройств.
Для STS типа
PC изготовитель может указать номинальные характеристики условного тока короткого замыкания вместо номинальных характеристик кратковременного выдерживаемого тока и, в таком случае должен указать внешнее защитное устройство, например, автоматический выключатель или предохранитель. Затем ожидаемый испытательный ток, указанный в
таблице 3, должен подаваться до тех пор, пока он не будет прерван внешним защитным устройством.
Для STS типа
CB ожидаемый испытательный ток, указанный в
таблице 3, должен подаваться до тех пор, пока он не будет прерван защитным устройством, находящимся внутри STS.
Примечание - В зависимости от характеристик защитного устройства, запитываемого для STS типа
CB, или указанного для номинальных характеристик условного выдерживаемого тока STS типа
PC, действительные значения, наблюдаемые во время испытания, могут быть ниже тех, которые перечислены в
таблице 3.
Для STS типа
PC и
CB изготовитель может заявить и провести испытание при более высоком ожидаемом токе короткого замыкания (для получения дополнительных указаний см.
таблицу F.1 приложения F).
Соответствие требованию проверяют при завершении каждого испытания по следующим критериям:
a) из STS не должно выделяться пламя, расплавленный металл или горящие частицы;
b) STS должна полностью функционировать, за исключением допускаемого сбоя работы компонентов переключения мощности;
c) отсутствие электрической дуги от токоведущих частей к шасси или корпусу STS.
Примечание - Использование корпуса испытуемого предохранителя описанным в
приложении F образом обеспечивает положительный метод проверки (размыкание предохранителя указывает на то, что испытание не пройдено);
d) отсутствие таких повреждений STS, при которых нарушается целостность сборки токоведущих частей;
e) дверца корпуса не должна раскрываться и удерживаться от открытия только защелкой;
f) провод не должен быть вырван из концевого зажима и повреждения проводника или изоляции проводника должны отсутствовать;
g) испытуемое оборудование должно успешно проходить диэлектрические испытания согласно 5.2.1.
5.2.8 Потери в рабочем режиме
Потери в рабочем режиме определяют во время работы STS при номинальной (резистивной) нагрузке в пределах нормальных условий эксплуатации в
4.2. Активная мощность, подводимая к резистивной нагрузке, вычитается из суммы всех активных мощностей, подаваемых на STS из всех источников:
потери в рабочем режиме = сумма входных источников
минус нагрузка, Вт.
Соответствие требованию подтверждается, когда потери в рабочем режиме остаются в указанных изготовителем пределах.
В целях испытания трехфазных STS без нейтрального переключения испытательный контур может быть подключен к указанным на
рисунке 4 способом. Для трехфазных STS с нейтральным переключением предъявляются дополнительные требования (см.
раздел D.3 приложения D).
Рисунок 4 - Типовая схема для измерения потерь проводимости
Примечание 1 - Измерительные приборы должны быть истинными среднеквадратичных измерительных приборов и иметь полную точность масштаба 1% или лучше. Измерительные трансформаторы, если они используются, должны иметь погрешность не менее 1% при номинальном диапазоне.
Примечание 2 - Диапазон напряжения используемого ваттметра должен быть 10 В или меньше. Если диапазон напряжения ваттметра превышает 10 В, то точность измерений может быть повышена за счет использования типовых трансформаторов напряжения, как показано на рисунке.
Примечание 3 - Данное испытание следует проводить при температуре окружающей среды в пределах от 20 до 30 °C.
Примечание 4 - STS должны использовать в нормальном режиме при номинальном напряжении, токе и частоте. STS, спроектированную на различные напряжения, должны использовать при самом высоком нормированном номинальном напряжении. Ток нагрузки не должен превышать 10% от номинального тока нагрузки и может иметь любой коэффициент мощности от 1 до 0,10 опережения или отставания.
Примечание 5 - Измеренные потери должны быть отрегулированы по отношению к номинальным потерям в рабочем режиме по уравнению:
потери в рабочем режиме, Вт = [измеренные потери, Вт]·[{/номинальные (А)//измеренные (А)}2].
Необходимо обеспечить защиту от обратного тока в соответствии с 4.2.1.4 IEC 62310-1.
Схема управления защитой от обратного тока должна уменьшить возможность непредвиденного постоянного внутреннего соединения основного и резервного источника и в случае короткого замыкания одного или нескольких транзисторных коммутационных устройств обеспечить проведение действия, которое должно предотвратить необратимое внутреннее соединение основного и резервного источника. Цепь обнаружения схемы управления должна подключаться на заводе-изготовителе и находиться полностью в пределах корпуса устройства переключения.
Защита от обратного тока должна продолжать работать предполагаемым образом по завершении испытаний рабочих характеристик. Кроме того, необходимо осмотреть все соединения проводов с целью определить отсутствие неблагоприятного воздействия, например соединения не должны быть ослаблены, части не должны вращаться и т.п.
Соответствие проверяют путем осмотра оборудования и соответствующей электрической схемы и моделирования условий неисправности в соответствии с приложением G.
Примечание - Защита от обратного тока, предписанная настоящим стандартом, не распространяется на дополнительную защиту системы, требуемую в тех случаях, когда генерирующее энергию устройство подключено к выходу STS или когда образующее устройство участвует в переключении энергии между источниками, например согласно описанию в IEC 61400-1.
5.2.10 Нештатные условия эксплуатации
5.2.10.1 Несинхронизированное переключение
STS должно обеспечить питание номинальной (резистивной) нагрузки через основной источник, и источники, как основной, так и резервный, должны работать при нормированном напряжении, за исключением того, что альтернативный источник должен быть сдвинут от основного источника по фазе в диапазоне от 120 до 180 электрических градусов. Затем необходимо отключить напряжение входного питания основного источника, и нагрузка должна автоматически переключиться на резервный источник.
После возвращения напряжения основного источника к нормальному состоянию STS должна быть способна выполнить обратное переключение (автоматически или вручную согласно указаниям изготовителя).
Испытание необходимо повторить для резервного входного источника.
Соответствие требованию проверяют, записывая переходное отклонение кривой выходного напряжения STS до и во время переключения или обратного переключения соответственно. Кривая выходного напряжения STS должна оставаться в пределах критической нагрузки защиты от перенапряжения, указанных изготовителем (см. приложение E).
Примечание 1 - Изготовитель может предложить определенное управление несинхронизированным переключением, которое позволяет избежать высоких пусковых токов и/или обратной ЭДС, как правило, возникающей в результате переключения индуктивной нагрузки, например трансформатор между несинхронизированными источниками.
Примечание 2 - В отдельных случаях может быть использована специальная нагрузка, если это согласовано между поставщиком и потребителем.
5.2.10.2 Испытание искусственной вентиляции
В целях данного испытания STS, оснащенные искусственной вентиляцией, должны работать в нормальном режиме при номинальном напряжении, токе и частоте. Для STS, рассчитанных на несколько частот, моторы воздуходувки или вентиляторы должны работать при наименьшей расчетной нормированной частоте.
В конце испытания STS не должна нагреваться до температуры достаточно высокой для того, чтобы:
a) вызвать риск возникновения пожара;
b) повредить какой-либо используемый в системе материал;
c) превысить указанные предельные значения температуры компонентов, или
d) обусловить работу какого-либо защитного устройства, помимо устройства защиты от превышения температуры.
5.2.10.2.1 При блокировке ротора мотора воздуходувки или вентилятора испытание повышения температуры должны проводить до тех пор, пока температуры не стабилизируются или пока STS не отключится в результате действия устройства защиты от превышения температуры. Если STS оснащена несколькими моторами воздуходувки или вентиляторами, испытание должны проводить при поочередной блокировке ротора каждого мотора воздуходувки или вентилятора.
Исключение! По согласованию всех заинтересованных сторон испытание STS, оснащенной несколькими моторами воздуходувки или вентиляторами, можно проводить при одновременной блокировке всех моторов воздуходувок или вентиляторов модуля.
5.2.10.2.2 STS, оснащенная фильтрами над вентиляционными отверстиями, должна работать с заблокированными отверстиями для моделирования засорения фильтров. Испытание должны проводить с вентиляционными отверстиями, изначально заблокированными приблизительно на 50%, а затем повторить с полностью заблокированными вентиляционными отверстиями.
Исключение! При наличии только одной воздуходувки или вентилятора с фильтром проведение испытания с полностью заблокированным фильтром не требуется.
5.2.10.3 Разомкнутое устройство коммутации
Если устройство коммутации находится при разомкнутой цепи, необходимо отключить все переключатели, подключенные к соответствующему источнику.
Примечание 1 - Данное требование предотвращает подачу напряжения постоянного тока к нагрузке или обрыв фазы ("однофазный режим работы") в многофазных системах.
Примечание 2 - Автоматическое переключение может быть инициировано.
Соответствие требованию подтверждается демонстрацией.
5.2.10.4 Закороченное устройство коммутации
Если устройство коммутации замкнуто накоротко (закорочено), необходимо предотвратить возникновение поперечного тока и обратного тока (см.
5.2.5.3 и
5.2.9).
Соответствие требованию подтверждается демонстрацией.
5.3 Транспортирование и воздействие окружающей среды
Следующие испытательные последовательности оценивают конструкцию STS в транспортном контейнере на ее устойчивость к повреждениям в результате обычных погрузочно-разгрузочных действий и к изменениям окружающей среды во время транспортирования. При наличии такой возможности и в том случае, если изготовитель решает проводить испытание типа транспортирования, STS должна отвечать всем действующим требованиям данного пункта.
Испытание должны проводить только для STS с массой не более 50 кг без учета контейнера и упаковочного материала.
- проверить электрические характеристики STS (согласно
5.2.2) перед упаковкой STS как груза для перевозки.
b) Режим работы:
- STS должна находиться в нерабочем состоянии и быть упакована как обычный груз для перевозки.
c) Испытание:
- упакованный образец должен быть подвергнут двум полусинусоидальным волновым ударным импульсам в 15 g, длительность каждого из которых должна составлять 11 мс. Образец должен быть испытан во всех трех плоскостях в соответствии с методами испытаний IEC 60068-2-27.
d) Измерения во время испытания:
- измерения во время испытания не проводят.
e) Конечные требования:
- после испытаний необходимо распаковать и проверить STS на наличие признаков физических повреждений или повреждения составных частей, и STS должна продолжать функционировать в соответствии с требованиями настоящего стандарта.
f) Конечные измерения:
Примечание - Начальные и конечные измерения могут быть объединены с электрическими испытаниями в
5.2.
Испытание на свободное падение должно быть проведено следующим образом:
a) начальные измерения:
- проверить электрические характеристики STS (согласно
5.2.2);
b) режим работы:
- во время испытания STS должна находиться в нерабочем состоянии и быть упакована как обычный груз для перевозки;
c) испытание:
- необходимо дать образцу возможность свободно упасть с точки подвеса на твердую поверхность; поверхность упаковки, которая должна коснуться твердой поверхности после падения, должна быть той поверхностью, на которой упаковка обычно стоит. Метод испытания должен соответствовать IEC 60068-2-32. Минимальные требования при испытании.
1) испытание должно быть проведено дважды;
2) испытание должно быть выполнено с образцом в целостном транспортировочном контейнере или упакованным как груз для транспортирования;
3) высота падения должна соответствовать
таблице 4;
4) высота падения должна измеряться от ближайшей к испытательной поверхности части образца.
Таблица 4
Испытание свободного падения
Масса неупакованного образца, кг | Высота падения, мм |
M <= 10 | 250 |
10 < M <= 50 | 100 |
50 < M <= 100 | 50 |
100 < M | 25 |
d) измерения во время испытания: измерения во время испытания не проводят.
e) конечные требования: после испытаний необходимо распаковать и проверить STS на наличие признаков физических повреждений составных частей, и STS должна отвечать конструктивным требованиям безопасности;
f) конечные измерения: те же, что и начальные измерения.
Примечание - Начальные и конечные измерения могут быть объединены с электрическими испытаниями в
5.2.
Испытание на хранения должно быть выполнено следующим образом:
a) начальные измерения:
- проверить электрические характеристики STS (согласно
5.2.2);
b) режим работы:
- STS должна находиться в нерабочем состоянии, но быть упакована как обычный груз для перевозки и хранения с установленными для груза элементами управления;
c) испытания:
1) сухое тепло при условиях окружающей среды:
- (55 +/- 2) °C в течение 16 ч с использованием метода испытания B6 IEC 60068-2-2;
2) влажное тепло при нормальных условиях окружающей среды:
- (40 +/- 2) °C при влажности от 90% до 95% в течение 96 ч с использованием метода испытания Cb IEC 60068-2-56;
3) холод при условиях окружающей среды:
- минус (25 +/- 3) °C в течение 16 ч при наличии такой возможности, с использованием метода испытания Ab IEC 60068-2-1;
4) повторное испытание на влажное тепло;
d) измерения во время испытания:
- измерения во время испытания не проводят.
e) конечные требования:
- после испытаний необходимо распаковать и проверить STS на наличие признаков повреждений компонентов или коррозии металлических частей. STS должна отвечать конструктивным требованиями безопасности;
f) конечные измерения:
- выдержать испытуемый образец до состояния возврата к нормальной температуре и давлению окружающей среды. После испытаний STS должна функционировать в соответствии с начальными характеристиками.
5.3.5 Температура и влажность
Испытание на воздействие температуры и влажности должно быть выполнено следующим образом:
- проверить электрические характеристики STS (согласно
5.2.2);
b) режим работы: STS должна находиться в нормальном режиме работы при номинальном входном напряжении и номинальной выходной полной мощности;
c) испытания:
- испытания должны проводить в следующей последовательности:
1) сухое тепло в соответствии с нормированными условиями окружающей среды или с указанным изготовителем максимальным значением в течение 16 ч с использованием метода испытания B6 IEC 60068-2-2;
2) влажное тепло при следующих условиях окружающей среды:
- температура (30 +/- 2) °C при влажности от 82% до 88% в течение 96 ч с использованием метода испытания Cb IEC 60068-2-56;
3) холод в соответствии с нормированными условиями окружающей среды или с указанным изготовителем минимальным значением температуры в течение 2 ч с использованием метода испытания Ab IEC 60068-2-1;
4) повторное испытание на влажное тепло;
d) измерения при испытании:
- измерения во время испытаний проводят для проверки возможности STS функционировать в соответствии с требованиями настоящего стандарта в режимах работы согласно
5.2.2 при стабилизированных температурных условиях;
e) конечные измерения:
f) конечные требования:
- после испытаний STS должна работать в соответствии с начальными характеристиками, установленными
5.2.2, и соответствовать конструктивным требованиям безопасности.
Изготовитель должен указать уровень акустического шума STS в технической документации. Измерения должны быть выполнены в нормальном режиме работы, а значения должны быть указаны в кривой A в дБ на расстоянии 1 м. Измерение звука проводят при нормальном входном напряжении и номинальной линейной нагрузке в стационарном режиме. В случае использования автоматически коммутируемых вентиляторов их необходимо выключить. Сигналы звуковой сигнализации не учитывают при измерении. Метод измерения должен соответствовать ISO 7779 и проводиться при обычном расположении STS, в котором предполагается ее использовать (например, настольном, настенном или свободно стоящем).
(обязательное)
A.1 Общие положения
STS должны подходить для обеспечения питания линейных и нелинейных нагрузок согласно описанию в приведенном настоящем приложении, за исключением случаев, указанных изготовителем STS, которые подлежат согласованию между изготовителем и потребителем.
Нагрузка характеризуется параметрами, обозначенными как:
S - выходная действительная мощность, В·А;
P - выходная активная мощность, Вт;

- коэффициент мощности, равный
P/
S;
U - выходное напряжение, В;
f - частота, Гц.
Примечание 1 - Линейная нагрузка представляет собой ток в форме кривой, подобной и пропорциональной напряжению питания. При подаче на линейную нагрузку синусоидального напряжения результирующий ток также будет синусоидальным. Обычные линейные нагрузки либо являются резистивными, либо индуктивно-резистивными, либо емкостно-резистивными.
Примечание 2 - Нелинейная нагрузка представляет собой ток в форме кривой, отличающейся от напряжения питания. Когда к нелинейной нагрузке подается синусоидальное напряжение, результирующий ток будет несинусоидальным. Однако такой несинусоидальный ток может восприниматься как сумма нескольких синусоидальных токов различных частот (а именно фундаментальных и гармонических частот). В общем случае нелинейная нагрузка может быть выпрямленной емкостной (например, импульсные источники питания) или фазоуправляемой (например, регулируемый электропривод). В диапазоне малой мощности менее 3 кВ·А наиболее распространенным является выпрямитель в мостовом соединении с емкостной нагрузкой.
A.2 Эталонная активная нагрузка (линейная)
Эталонной активной нагрузкой STS является резистор соответствующей номинальной мощности с сопротивлением, рассчитанным по следующей формуле:

.
A.3 Эталонная индуктивно-резистивная нагрузка (линейная)
Эталонной индуктивно-резистивной нагрузкой STS является дроссель, соединенный последовательно или параллельно с резистором. Сопротивление R и индуктивность L рассчитывают по следующим формулам:
a) последовательное соединение

;

;
b) параллельное соединение

;

.
A.4 Эталонные емкостно-резистивные нагрузки (линейные)
Эталонной емкостно-резистивной нагрузкой является конденсатор и резистор, соединенные последовательно или параллельно. Сопротивление (R) и емкость (C) рассчитывают по следующим формулам:
a) последовательное соединение

;

;
b) параллельное соединение

;

.
A.5 Эталонная нелинейная нагрузка
Для моделирования однофазной выпрямителе-емкостной нагрузки в стационарном режиме STS нагружается диодно-выпрямительным мостом, имеющим емкость и сопротивление в параллели на его выходе.
Примечание 1 - Рассмотренное ниже относится к частоте 50 Гц, максимальному искажению выходного напряжения 8% согласно IEC 61000-2-2 и коэффициенту мощности

(т.е. 70% действительной мощности
S будет рассеяно в виде активной мощности на двух резисторах
R1 и
RS).
Общая разовая фазовая нагрузка может быть образована единичной нагрузкой или несколькими эквивалентными нагрузками в параллели.
Примечание 2 - Резистор RS может быть размещен как на стороне переменного, так и на стороне постоянного тока мостовой выпрямительной схемы.
Примечание 3 - Действительные значения компонентов, используемых при испытаниях, должны оставаться в заданных пределах, принимая во внимание расчетные значения:
- RS +/- 10%;
- R1 регулируется во время испытаний для получения номинальной выходной действительной мощности;
- C - от 0% до +25%.
UC, B, представляет собой выпрямленное напряжение;
R1 представляет собой нагрузочное сопротивление, составляющее 66% активной мощности от общей полной мощности S;
RS представляет собой последовательное линейное сопротивление, составляющее 4% активной мощности от общей полной мощности S (4% в соответствии с предложением IEC/TC 64 о падении напряжения в линиях электропередач).
Напряжение пульсаций, 5% амплитудного напряжения на конденсаторе UC соответствует постоянной времени R1·C = 0,15 с.
С учетом максимального напряжения, искажения напряжения в линии, падения напряжения в кабельных линиях и напряжения пульсаций выпрямленного напряжения среднее выпрямленное напряжение UC составит

,
и значения сопротивлений RS, R1 и емкости C, рассчитываемые следующим образом:
RS = 0,04·U2/S;
R1 = (UC)2/(0,66·S);
C = 0,15/R1.
Примечание 4 - Значение емкости C допустимо для частоты 50 Гц и комбинации частот 50 и 60 Гц.
A.6 Метод испытания
Применяют следующую процедуру испытаний:
a) первоначально, цепь нелинейной эталонной нагрузки должна быть подключена к входному источнику питания переменного тока при номинальном выходном напряжении, установленном для испытуемого STS;
b) импеданс входного источника питания переменного тока, питающий эталонную нагрузку, не должен вызывать искажения формы сигнала (волны) более чем на 8% (см. IEC 61000-2-2);
c) следует отрегулировать резистор R1 так, чтобы получить установленную для испытуемого STS номинальную выходную действительную мощность S;
d) следует подключить нелинейную эталонную нагрузку к выходу испытуемого STS после регулировки резистора R1 без дальнейших регулировок;
e) эталонная нагрузка должна быть использована без дальнейших регулировок для проведения всех испытаний, необходимых для получения параметров при нелинейной нагрузке, как это определено в соответствующих разделах.
A.7 Подключение нелинейной эталонной нагрузки
Нелинейная эталонная нагрузка подключается следующим образом:
a) для однофазных STS с номинальным током не более 150 А включительно нелинейная эталонная нагрузка должна использоваться со среднеквадратичным током, равным номинальному току STS;
b) для однофазных STS с номинальным током, превышающим 150 А, нелинейная эталонная нагрузка должна использоваться со среднеквадратичным током в 150 А. Затем линейная нагрузка должна быть добавлена таким образом, чтобы был достигнут номинальный ток STS;
c) для трехфазных STS с номинальным среднеквадратичным фазным током не более 150 А включительно должны использоваться сбалансированные однофазные нелинейные эталонные нагрузки, среднеквадратичный ток каждой из которых равен номинальному фазному току STS. Нелинейные эталонные нагрузки должны подключаться от фазного напряжения (или междуфазного напряжения, если STS не поддерживает нейтральное соединение);
d) для трехфазных STS с номинальным током, превышающим 150 А, должны использоваться сбалансированные однофазные нелинейные эталонные нагрузки в 150 А. Нелинейные эталонные нагрузки должны подключаться от фазного напряжения (или междуфазного напряжения, если STS не поддерживает нейтральное соединение). Затем линейная нагрузка должна быть добавлена таким образом, чтобы был достигнут номинальный ток STS.
(обязательное)
ДОПУСТИМЫЕ ОТКЛОНЕНИЯ НАПРЯЖЕНИЯ STS
В настоящем приложении определены допустимые отклонения напряжения STS, вызванные напряжением переходных процессов, возникающих в источниках питания электрически соединенных с STS.
Примечание 1 - Допустимое отклонение
S, классифицированное в
4.1.1, связано с пределами повышенного и пониженного напряжения переходных процессов, изображенных на
рисунках B.1 -
B.4.
Примечание 2 -
Рисунки B.1 -
B.3 соответствуют рисункам 1 - 3 IEC 62040-3.
Примечание 3 -
Рисунок B.3 подходит для нагрузок, способных выдерживать большие колебания напряжения и период нулевого напряжения длительностью не более 10 мс (например, импульсные источники питания).
Примечание 4 -
Рисунок B.4 соответствует кривой, рекомендованной Советом производителей оборудования информационных технологий (ITIC).
Рисунок B.1 - Допустимые отклонения
источника классификации 1
Рисунок B.2 - Допустимые отклонения
источника классификации 2
Рисунок B.3 - Допустимые отклонения
источника классификации 3
Рисунок B.4 - Допустимые отклонения
источника классификации 4
(справочное)
УПРАВЛЕНИЕ НЕЙТРАЛЯМИ В СТАТИЧЕСКИХ СИСТЕМАХ ПЕРЕКЛЮЧЕНИЯ
C.1 Общие положения
Если в STS предусмотрено управление нейтралями и во избежание нежелательного протекания тока нагрузки в проводе защитного заземления, для управления подключениями нейтралей допускаются следующие альтернативные методы.
Примечание - В случае подключения STS без переключения нейтралей к нейтральной подключенной нагрузке необходимо соблюдать осторожность во избежание нежелательного нейтрального тока в контуре между источниками.
C.2 Точка общего заземления для всех входных источников переменного тока
Общее заземление может быть обеспечено посредством использования единичной точки эталонного заземления на сервисном входе и подключения всех эталонных проводов источников к этой точке (см.
рисунки C.1 и
C.2).
Примечание - Установщик должен проверить непрерывную эффективность нейтрали контура заземления, если он предусмотрен. В системах TN может поставить дополнительные условия на использование со стороны питания ручных или автоматических выключателей, которые открывают нейтраль.
Рисунок C.1 - Замкнутые нейтрали STS
с общим заземлением входных источников переменного тока
(соответствующих протеканию тока нагрузки)
Там, где входные источники переменного тока раздельно шунтованы и заземлены независимо друг от друга, введение изолирующего трансформатора позволяет достичь эквивалентного соответствующего стандарту результата (см.
рисунок C.2).
Рисунок C.2 - Замкнутые нейтрали STS с независимым
друг от друга заземлением входных источников
переменного тока + изолирующий трансформатор
(соответствующий протеканию тока нагрузки)
C.3 Переключение нейтралей
Соответствие требованиям настоящего стандарта можно обеспечить путем замены общего соединения нейтралей STS с помощью дополнительного устройства коммутации нейтралей для каждого из входных источников переменного тока (см.
рисунок C.3).
Рисунок C.3 - Коммутируемые STS с независимым друг от друга
заземлением входных источников переменного тока
(соответствующих стационарному протеканию тока нагрузки)
В
приложении D приведены дополнительные требования применимых к переключению нейтралей STS.
(обязательное)
ПЕРЕКЛЮЧЕНИЕ НЕЙТРАЛЕЙ В СТАТИЧЕСКИХ СИСТЕМАХ
ПЕРЕКЛЮЧЕНИЯ. ДОПОЛНИТЕЛЬНЫЕ ТРЕБОВАНИЯ
D.1 Защита от перенапряжения нагрузки, вызванного переключением нейтралей или отказом выключателя
В тех случаях, когда при управлении нейтралями используется метод переключения нейтралей (см.
C.3), конструкция STS должна соответствовать следующим требованиям к рабочим характеристикам системы:
STS должна защищать нагрузки в пределах многофазных систем от фазного перенапряжения. Данное требование действует при любом сочетании симметричной и несимметричной нагрузки.
STS с переключением нейтралей может выполнять переключение с перекрытием нейтралей или без него. Последовательность включения и выключения нейтралей во время переключения между источниками должна действовать таким образом, чтобы нейтральные коммутационные устройства для источника никогда не размыкались при замкнутом переключателе фазы для этого источника. Кроме того, отказ нейтрального переключателя выполнить замыкание при подаче команды должен предотвратить включение фазовых переключателей для этого источника.
Примечание - Переключение с перекрытием нейтралей обеспечивает непрерывность подключения эталонной нейтрали к нагрузке.
На
рисунке D.1 показаны неблагоприятные условия напряжения нагрузки в результате переключения несбалансированных однофазных нагрузок к исправному источнику переменного тока, но с отказавшим переключателем нейтралей к STS.
Рисунок D.1 - Изменение напряжения нагрузки
при отказе переключателя нейтрали
Соответствие настоящему стандарту проверяют с помощью анализа контура STS, в том числе влияния отказа переключателя нейтрали при подаче любой комбинации симметричных и несимметричных однофазных нагрузок.
D.2 Согласование с устройствами защитного отключения (УЗО)
Изготовитель STS должен предоставить особое указание или руководство (или оба), имеющие отношение к установке УЗО в соответствии с требованиями для обеспечения устойчивости к отключению или включению аварийного сигнала УЗО из-за переходных токов заземления, вырабатываемых STS. Необходимо должным образом учитывать требования безопасности.
На
рисунке D.2 показан переходный ток заземления, возникающий от перекрытия переключения нейтрали между независимо заземленными входными источниками переменного тока.
Рисунок D.2 - Перекрытие переключения нейтрали STS
(Независимое заземление входных источников переменного тока. Переходный ток нагрузки протекает в провод защитного заземления.)
Примечание - Если конструкция STS использует метод переключения нейтрали с перекрытием, во время данного перекрытия цепь нейтрали будет параллельна цепи заземления между источниками и потенциально может повлиять на работу УЗО.
Соответствие требованию проверяют, подтверждая, что фактическое перекрытие нейтрали во время переключения равно или менее заданного значения (см. таблицу E.1) и что предоставлено соответствующее особое указание или руководство.
D.3 Потери в рабочем режиме
Потери в рабочем режиме, указанные изготовителем, должны включать любые дополнительные потери при переключении нейтрали от STS, обеспечивающей питанием сбалансированную, но нелинейную нагрузку, при возврате утроенных токов через переключатель нейтрали.
Соответствие требованию подтверждают посредством проведения испытания на потери в рабочем режиме по 5.2.8 с помощью эталонной нелинейной нагрузки при номинальном токе (см. подраздел A.5), контролируя, что полученные потери в рабочем режиме остаются в указанных изготовителем пределах.
(справочное)
РЕКОМЕНДАЦИИ ДЛЯ ПОТРЕБИТЕЛЯ
ПО СОСТАВУ ТЕХНИЧЕСКИХ ТРЕБОВАНИЙ
E.1 Общие положения
Настоящее приложение разработано для помощи потребителю в формализации (определении) критериев, важных для применения и/или подтверждения соответствия требований, указанных изготовителем/поставщиком STS.
Для понимания типичных конфигураций STS, режимов работы STS следует обратить внимание к
разделу 4.
Перечисленные ниже сведения предназначены для использования потребителем в качестве контрольного перечня для оказания помощи при определении STS, которая наилучшим образом отвечает его потребностям. Контрольный перечень должен использоваться совместно с перечнем технических характеристик, приведенным в
разделе E.8.
E.2 Тип STS, дополнительные функции и системные требования
Должны быть рассмотрены следующие характеристики:
a) количество фаз и требования к нейтральным линиям;
b) указание о переключении только фаз(-ы) или всех полюсов;
c) режим переключения;
d) требуемый тип переключения;
e) требуемое время переключения;
f) требуемая гальваническая развязка между входами и выходом (если она обеспечена при помощи изолирующего трансформатора);
g) конфигурации заземления входных источников и совместимость с предполагаемой силовой системой (например, согласно указаниям в приложении V IEC 60950-1);
h) техническое обслуживание цепей байпас и другие требования по установке, такие как изолирующие переключатели системы STS;
i) дистанционное аварийное отключение питания EPO или требования к аварийной остановке.
Примечание - EPO может потребоваться для соблюдения местных законов и положений, например пожарных служб, и в этом случае для этой цели рекомендуется только выделенное подключение. Следует отметить, что цепи EPO влияют на доступ к силовому питанию и не обеспечивают общую защиту от опасности поражения электрическим током. Такая защита обеспечивается конструктивно и за счет разделения цепей, в том числе защиты от обратного тока, цепей БСНН для клемм, доступных для пользователя, достаточного заземления и использования автоматических выключателей цепей замыкания утечки на землю для конечных распределительных цепей. Требования к защите установлены в IEC 62310-1.
E.3 Вход STS
Входная мощность, например, основной, резервной системы или системы бесперебойного питания, в соответствующих случаях должна быть рассмотрена в отношении следующих моментов:
a) нормированное входное напряжение и желаемые пределы изменения напряжения;
b) нормированная входная частота и желаемые пределы изменения;
c) особые условия, касающиеся, например, наложенных гармоник, переходных напряжений и т.д.;
d) требования по защите питания (короткое замыкание, замыкание на землю).
E.4 Нагрузка, предназначенная для работы от STS
Должны быть рассмотрены следующие требования к нагрузке:
a) тип нагрузки, например:
1) компьютеры,
2) двигатели,
3) источники питания с трансформатором с насыщающейся магнитной системой,
4) диодные выпрямители или тиристорные выпрямители,
5) силовая нагрузка переключаемого типа и другие типы нагрузок;
b) одно- и/или трехфазные нагрузки;
c) пусковые токи;
d) процедура запуска;
e) особенности нагрузок, такие как нелинейность (генерирование гармоник тока);
f) номинальные характеристики предохранителя на ответвлении и выключателя;
g) максимальная шаговая нагрузка и профиль нагрузки;
h) требуемый способ подключения нагрузки к выходу STS.
Примечание - С изменением технологий оборудование нагрузки и соответствующие характеристики постоянно меняются. По этой причине выходные характеристики STS моделируют посредством пассивных эталонных нагрузок, насколько это практически возможно, ожидаемых типов нагрузки, но такие нагрузки не могут считаться полностью репрезентативными для реального оборудования нагрузки в данной установке.
Изготовители, как правило, указывают выходные характеристики STS в условиях линейной нагрузки, т.е. резистивной или резистивно-индуктивной. В соответствии с существующей технологией многие нагрузки представляют нелинейные характеристики, будучи либо однофазными, либо трехфазными источниками питания типа выпрямителя-конденсатора (см.
приложение A).
Нелинейные нагрузки как в стационарных, так и в переходных режимах вызывают повторяющиеся пиковые токи выше тех, которые обычно указываются изготовителем/поставщиком в условиях линейной нагрузки, и, как следствие, более высокие пик-факторы, т.е. соотношения более высоких пиков к среднеквадратичному стационарному току. Совместимость с нагрузкой на более высоких уровнях пик-фактора является предметом согласования между изготовителем/поставщиком и потребителем.
Данный эффект также относится и к переключению трансформаторов и других магнитных устройств, подверженных остаточной магнитной индукции. В отношении таких устройств следует следовать рекомендациям изготовителя/поставщика.
E.5 Выход STS
Должны быть рассмотрены следующие требования к выходу:
a) номинальный выходной ток;
b) номинальное выходное напряжение, стационарные и переходные пределы допускаемых отклонений;
c) номинальная выходная частота и предел допускаемого отклонения;
d) специальные требования, касающиеся, например, содержания относительных гармоник и модуляции;
e) согласование между STS и защитными устройствами нагрузки;
f) требования по защите питания (короткое замыкание, перегрузка, замыкание на землю).
E.6 Общие требования и специальные условия эксплуатации
При определении требований для общих и специальных условий эксплуатации следует учитывать следующие моменты:
a) потери в рабочем режиме при определенных условиях нагрузки;
b) диапазон температур окружающей рабочей среды;
c) система охлаждения;
d) контрольно-измерительное оборудование (локальное/удаленный доступ);
e) дистанционное управление и система мониторинга (последовательный порт, сухой контакт для системы сигнализации и т.д.);
f) особые условия окружающей среды: воздействие паров, влаги, пыли, соли, воздуха, тепла и т.д. на оборудование;
g) особые требования к механическим воздействиям: воздействие вибраций, ударов или наклон, особое транспортирование, установка или условия хранения, ограничения по месту или весу;
h) ограничения характеристик в отношении, например, электрического и акустического шума.
E.7 Электромагнитная совместимость
Должны быть рассмотрены дополнительные требования по ЭМС, если они установлены:
a) требуемые нормы эмиссии и категории уровня, которым должно соответствовать оборудование, если они отличаются от установленных IEC 62310-2 для STS;
b) действующие нормы устойчивости и уровень испытаний, которым должно соответствовать оборудование, если они отличаются от IEC 62310-2 по ЭМС для STS.
E.8 Состав технических характеристик
Настоящий перечень технических характеристик идентифицирует рабочие характеристики, заявленные изготовителем или поставщиком STS в соответствии с требованиями настоящего стандарта. В нем также определены дополнительные функции, а также какие-либо ограничения характеристик, если они применимы (см.
таблицу E.1).
Таблица E.1
Состав технических характеристик STS
IEC 62310-3 пункт/подпункт (за исключением рассмотренного в примечании) или иной стандарт | Техническая характеристика STS | Значение |
установленное потребителем | указанное изготовителем |
- | Обозначение по каталогу изготовителя (модель) | - | - |
Основные электрические характеристики: |
4.1.2.1 | Ток (номинальное среднеквадратичное фазное значение) | - | А |
4.1.2.2 | Номинальное среднеквадратичное напряжение (междуфазное/фазное и допускаемое отклонение входного напряжения) | - | В +/- % |
4.1.2.3 | Частота и допускаемое отклонение | - | Гц +/- % |
4.1.2.4 | Обмотки (# Ph + N + E) на источник: | - | - |
- съемные или фиксированные | - | - |
4.1.2.5 | Входные источники (2 или несколько) | - | - |
распределительная совместимость (TNC, TNS, TT или IT) | - | - |
4.1.2.6 | Переключаемые силовые колонки (1, 2, 3 или 4) | - | - |
4.1.1 | Классификация характеристик по МЭК (XX YY B ST) | - | - |
Управление токами короткого замыкания: |
5.2.7.3 | Ожидаемый кратковременный выдерживаемый ток | - | кАмс |
Устройство условной защиты со стороны питания (только для типа PC) | - | кАмс |
5.2.7.1 | Перегрузка (% от номинального фазного тока) | - | % 10 мин |
- | % 1 мин |
- | % 1 с |
5.2.7.2 | Способность отключения токов короткого замыкания нагрузки (% от номинального фазного тока) | - | % 100 мс |
Управление входными нейтралями: |
Приложение C | - номинальный ток нейтрали (% от номинального фазного тока) | - | % |
- общие или раздельно заземленные нейтрали источника | - | - |
- гальваническое разделение источника в пределах STS (да или нет) | - | - |
- переключаемые нейтрали в STS (да или нет) | - | - |
Раздел D.2 приложение D | Максимальное время перекрытия нейтралей (если предусмотрено) | - | мс |
Переход фаз источника во время переключения: |
4.1.2.6 | - разрыв перед замыканием (открытое переключение) или | - | - |
- замыкание перед разрывом (закрытое переключение) | - | - |
Измерение и переключение: |
Приложение B | Измерительный допуск перед инициацией переключения | - | Рисунок B |
Таблица 1 | Прерывание нагрузки во время переключения (синхронное) | - | мс |
5.2.10.1 | Прерывание нагрузки во время переключения (асинхронное) | - | мс |
4.3.1 | Максимальная разность фаз напряжения между источниками для обеспечения синхронного переключения | - | Электрические градусы |
5.2.7.2 | Блокировка переключения: (нет) или (да, если нагрузка превышает "xxx", %) | - | Если нагрузка > ___% |
5.2.8 | Потери в рабочем режиме: | - | Вт макс |
Механические характеристики и окружающая среда: | - | - |
Размеры (высота x ширина x глубина) | - | мм |
Масса | - | кг |
IEC 60529 | Степень защиты | - | IP |
Диапазон температур окружающей среды хранения | - | °C |
Температура окружающей среды при эксплуатации | - | °C |
Высота над уровнем моря | - | м |
Диапазон относительной влажности | - | % |
5.3.6 | Акустические шумы на расстоянии в 1 м | - | дБA |
Управление, мониторинг и связь: | - | - |
(Может быть предоставлена отдельная декларация) | - | - |
Электромагнитная совместимость: | - | - |
IEC 62310-2 | Помехоустойчивость | - | - |
Помехоэмиссия | - | - |
Дополнительные функции: | | |
Ремонтный байпас | - | Да/нет |
- | Ручной/автоматический |
(справочное)
ПРОЦЕДУРА ИСПЫТАНИЯ КОРОТКОГО ЗАМЫКАНИЯ НА ВЫХОДЕ
F.1 Общие положения
С помощью испытания короткого замыкания на выходе проверяют характеристики и безопасность STS при возникновении короткого замыкания между всеми фазовыми клеммами. Испытание необходимо повторить, подавая короткое замыкание между фазной клеммой, ближайшей к клемме нейтрали, и клеммой нейтрали при ее наличии. Для проведения испытания следует использовать схему испытания, приведенную на
рисунке F.1.
R - резистор; SW - замыкающий переключатель, который может
быть расположен согласно рисунку или с опережением
предельного импеданса; F - корпус предохранителя;
F1 - устройство защиты от короткого замыкания, например
защитные предохранители или автоматический выключатель
Рисунок F.1 - Испытательная схема
для короткого замыкания на выходе STS
F.2 Схема проведения испытания
Испытание должно быть выполнено при обеспечении электропитания испытуемого оборудования на собственной частоте и напряжении, и электропитание должно быть достаточной мощности для проверки характеристик, заявленных изготовителем.
F.3 Калибровка испытательной схемы
Сопротивление и индуктивность испытательной схемы должны быть отрегулированы таким образом, чтобы они соответствовали условиям испытаний, указанным в
таблице F.1. Индуктивность источника обозначена как
X и должна быть реализована с помощью линейных дросселей (катушек индуктивности), которые могут быть отрегулированы при помощи воздушного сердечника. Дроссели должны быть подключены последовательно с сопротивлениями
R. Параллельное подключение дросселей допускается в том случае, когда они имеют практически одинаковую постоянную времени согласно
таблице F.1.
Если изготовитель указывает выдерживаемый выходной ток короткого замыкания выше тока, указанного в
таблице F.1, для испытания должно быть использовано указанное значение.
Примечание - Поскольку характеристики переходного восстанавливающегося напряжения испытательных схем, в том числе крупных дросселей с воздушным сердечником, не типичны для обычных условий эксплуатации, дроссель с воздушным сердечником в каждой фазе должен быть шунтирован с помощью резистора с обеспечением протекания приблизительно 0,6% тока через дроссель.
При калибровке необходимо учитывать сопротивление проводов, подключаемых к испытуемому оборудованию.
Таблица F.1
Значения коэффициентов мощности и постоянных времени,
соответствующие испытательным токам, и соотношение n
между пиковыми и среднеквадратичными значениями тока
Испытательный ток, А | Коэффициент мощности | Постоянная времени, мс | n |
I <= 1 500 | 0,95 | 5 | 1,41 |
1 500 < I <= 3 000 | 0,9 | 5 | 1,42 |
3 000 < I <= 4 500 | 0,8 | 5 | 1,47 |
4 500 < I <= 6 000 | 0,7 | 5 | 1,53 |
6 000 < I <= 10 000 | 0,5 | 5 | 1,7 |
10 000 < I <= 20 000 | 0,3 | 10 | 2,0 |
20 000 < I <= 50 000 | 0,25 | 15 | 2,1 |
50 000 < I | 0,2 | 15 | 2,2 |
Примечание - Дополнительные сведения можно найти в IEC 60947-1 в разделе "Общие условия испытаний на короткое замыкание".
F.4 STS типа PC
F.4.1 Проверка условного тока короткого замыкания
Изготовитель может указать номинальные характеристики условного выдерживаемого тока и защитное устройство F1 для использования в сочетании с испытуемым оборудованием. Устройство F1 должно быть размещено между входными клеммами STS и X. Замыкающий переключатель SW должен быть установлен на клеммах нагрузки STS. Когда переключатель SW закрыт, испытательный ток должен поддерживаться до тех пор, пока он не будет прерван устройством F1.
Испытание должны проводить при подключении STS к основному источнику. В качестве справочной информации во время испытания необходимо записывать фазовый(ые) ток(-и).
Испытание следует повторить при подключении STS к альтернативному источнику, за исключением того случая, когда элементы основного и альтернативного источников STS фактически одинаковые.
Примечание - Альтернативно замыкающий переключатель SW может быть установлен между источником и соответствующим входом STS, и непрерывное короткое замыкание может быть обеспечено на клеммах нагрузки STS.
| | ИС МЕГАНОРМ: примечание. Нумерация пунктов дана в соответствии с официальным текстом документа. | |
E.4.2 Проверка кратковременного выдерживаемого тока
Если изготовитель не указывает номинальные характеристики условного выдерживаемого тока, проводят следующее испытание.
В качестве защитного устройства F1 следует использовать прерыватель цепи, который будет поддерживать испытательный ток в течение не менее полутора циклов не более 400 А включительно и трех циклов более 400 А.
Испытание должны проводить при подключении STS к основному источнику.
В качестве справочной информации во время испытания необходимо записывать фазовый(ые) ток(-и). Максимальное пиковое значение тока во время первого цикла должно быть не меньше, чем
n раз от номинального кратковременного выдерживаемого тока, при этом значение
n должно соответствовать заданному значению тока в соответствии с
таблицей F.1.
Испытание следует повторить при подключении STS к альтернативному источнику, за исключением того случая, когда элементы основного и альтернативного источников STS фактически одинаковые.
F.5 STS типа CB
F.5.1 Проверка короткого замыкания
STS типа CB включает в себя защитные устройства, встроенные в испытуемое оборудование. Испытательный ток должен поддерживаться до тех пор, пока он не будет прерван защитным устройством.
Испытание должно проводиться при подключении STS к основному источнику. В качестве справочной информации во время испытания необходимо записывать фазовый(ые) ток(-и).
Испытание следует повторить при подключении STS к альтернативному источнику, за исключением того случая, когда элементы основных и резервных источников STS фактически одинаковые.
F.6 Критерии оценки результатов испытаний
STS должна выдерживать заданные уровни тока до срабатывания устройств защиты от перегрузки или в течение времени, установленного в
таблице 3.
По окончании каждого испытания:
a) STS должна быть полностью работоспособной, за исключением допускаемого сбоя работы компонентов переключения мощности;
b) должна отсутствовать электрическая дуга от токоведущих частей к шасси или корпусу STS.
Примечание - Размыкание корпусного предохранителя F на 32 А указывает на то, что испытуемое оборудование испытание не выдержало;
c) должны отсутствовать такие повреждения STS, при которых нарушается целостность сборки токоведущих частей;
d) дверца корпуса не должна раскрываться и удерживаться от открытия только защелкой;
e) проводник не должен быть вырван из концевой клеммы (зажима), и должны отсутствовать повреждения проводника или изоляции проводника;
f) во время или после завершения испытания на короткое замыкание из STS не должно выделяться пламя, расплавленный металл или горящие частицы.
(обязательное)
ИСПЫТАНИЕ ЗАЩИТЫ ОТ ОБРАТНОГО ТОКА
G.1 Общие положения
STS не должна допускать возникновения избыточных токов от прикосновения между какими-либо парами входных клемм STS при потере одного или нескольких входных напряжений переменного тока. Если измеренное напряжение холостого хода не превышает среднеквадратичное значение в 30 В (42,4 В пикового, 60 В постоянного тока), проведение измерения тока от прикосновения не обязательно.
Соответствие настоящему стандарту проверяют с помощью испытаний по G.2 и G.3.
G.2 Испытание для подключаемого оборудования
При работе STS работает с одной или несколькими входными клеммами или отключенными вилками, следующие условия действуют как для отсутствия нагрузки, так и для полной нагрузки:
a) При нормальных условиях эксплуатации и при условиях единичного повреждения ток не должен превышать значения 3,5 мА при измерении между любыми двумя входными клеммами, доступными пользователю, с помощью схемы, показанной в приложении D IEC 60950-1.
b) Такая защита должна работать в течение 1 с после отключения входных клемм.
G.3 Испытание постоянно подключенных STS
Испытание и условия должны быть такие же, как указано в
G.2, за исключением того, что защитный провод не должен быть отключен во время испытания. Ток не должен превышать значения 3,5 мА как при нормальных условиях эксплуатации, так и при условиях единичного повреждения, и защита должна работать в течение 15 с.
Если изолирующее устройство защиты от обратного тока находится снаружи системы, соответствие настоящему стандарту определяется соответствующим осмотром контура подключения и демонстрацией того, что средства, необходимые для управления внешним устройством изолирования обратного тока, соответствуют характеристикам изготовителя STS для функционирования такого контура.
G.4 Условия единичного повреждения
Для испытаний по
G.2 и
G.3 условия единичного повреждения определяются с помощью 5.3.7 IEC 60950-1, осмотра и обследования контура.
Примечание - Предполагается, что подключен по меньшей мере один надлежащим образом заземленный источник.
G.5 Транзисторная защита от обратного тока
Когда защита от обратного тока зависит от транзисторных устройств изолирования мощности, компоненты, необходимые для обеспечения защиты от обратного тока, должны быть способны выдерживать воздействие переходных перенапряжений, изменений напряжения, электромагнитной устойчивости и электростатического разряда (см. IEC 62310-2 для устойчивости и см. 1.4.1, 1.4.2, 1.4.3, 1.4.6, 1.4.7, 1.4.8, 1.4.10, 1.4.11, 1.4.12, 1.4.13, 1.4.14, 2.6.5.6 и 2.9.2 IEC 60950-1 для условий окружающей среды).
(обязательное)
МИНИМАЛЬНЫЕ И МАКСИМАЛЬНЫЕ ПОПЕРЕЧНЫЕ СЕЧЕНИЯ
МЕДНЫХ ПРОВОДОВ, ПОДХОДЯЩИХ ДЛЯ ПОДКЛЮЧЕНИЯ
Таблица H.1 относится к подключениям одного медного кабеля на клемму.
Таблица H.1
Минимальные и максимальные поперечные сечения
медных проводов, подходящих для подключения
(выдержка из IEC 60439-1)
Номинальный ток, А | Многожильные или одножильные провода | Гибкие провода |
Поперечные сечения, мм2 | Поперечные сечения, мм2 |
min | max | min | max |
a | b | c | d | e |
6 | 0,75 | 1,5 | 0,5 | 1,5 |
8 | 1 | 2,5 | 0,75 | 2,5 |
10 | 1 | 2,5 | 0,75 | 2,5 |
12 | 1 | 2,5 | 0,75 | 2,5 |
16 | 1,5 | 4 | 1 | 4 |
20 | 1,5 | 6 | 1 | 4 |
25 | 2,5 | 6 | 1,5 | 4 |
32 | 2,5 | 10 | 1,5 | 6 |
40 | 4 | 16 | 2,5 | 10 |
63 | 6 | 25 | 6 | 16 |
80 | 10 | 35 | 10 | 25 |
100 | 16 | 50 | 16 | 35 |
125 | 25 | 70 | 25 | 50 |
160 | 35 | 95 | 35 | 70 |
200 | 50 | 120 | 50 | 95 |
250 | 70 | 150 | 70 | 120 |
315 | 95 | 240 | 95 | 185 |
Примечание - В тех случаях, когда необходимо предоставить иные, чем указанные в таблице, провода, необходимо обеспечить соответствующий размер клемм. |
(справочное)
СВЕДЕНИЯ О СООТВЕТСТВИИ ССЫЛОЧНЫХ МЕЖДУНАРОДНЫХ СТАНДАРТОВ
МЕЖГОСУДАРСТВЕННЫМ СТАНДАРТАМ
Таблица ДА.1
Обозначение ссылочного международного стандарта | Степень соответствия | Обозначение и наименование соответствующего межгосударственного стандарта |
IEC 60068-2-1 | NEQ | ГОСТ 30630.2.1-2013 "Методы испытаний на стойкость к климатическим внешним воздействующим факторам машин, приборов и других технических изделий. Испытания на устойчивость к воздействию температуры" |
IEC 60068-2-2 | NEQ | ГОСТ 30630.2.1-2013 "Методы испытаний на стойкость к климатическим внешним воздействующим факторам машин, приборов и других технических изделий. Испытания на устойчивость к воздействию температуры" |
IEC 60068-2-27 | MOD | ГОСТ 28213-89 (МЭК 68-2-27-87) "Основные методы испытаний на воздействие внешних факторов. Часть 2. Испытания. Испытание Ea и руководство. Одиночный удар" |
IEC 60068-2-31 | NEQ | ГОСТ 30630.1.7-2013 "Методы испытаний на стойкость к механическим внешним воздействующим факторам машин, приборов и других технических изделий. Испытания на воздействие ударов при свободном падении, при падении вследствие опрокидывания; на воздействие качки и длительных наклонов" |
IEC 60068-2-57 | IDT | ГОСТ IEC 60068-2-57-2016 "Методы испытаний на стойкость к механическим внешним воздействующим факторам машин, приборов и других технических изделий. Испытания на вибрацию в форме акселерограммы и импульсов биений" |
IEC 60068-2-78 | - | <*> |
IEC 60146-1-1 | - | <*> |
IEC 60439-1 | - | <*> |
IEC 60529 | MOD | ГОСТ 14254-2015 (IEC 60529:2013) "Степени защиты, обеспечиваемые оболочками (код IP)" |
IEC 60947-6-1 | IDT | ГОСТ IEC 60947-6-1-2016 "Аппаратура распределения и управления низковольтная. Часть 6-1. Аппаратура многофункциональная. Аппаратура коммутационная переключения" |
IEC 60950-1:2001 | IDT | |
IEC 61000-2-2 | - | <*> |
IEC 62040-3 | IDT | ГОСТ IEC 62040-3-2018 "Системы бесперебойного энергоснабжения (UPS). Часть 3. Метод установления эксплуатационных характеристик и требования к испытаниям" |
IEC 62310-1 | IDT | ГОСТ IEC 62310-1-2018 "Статические системы переключения (STS). Часть 1. Общие положения и требования безопасности" |
IEC 62310-2 | - | <*> |
ISO 7779 | - | <*> |
<*> Соответствующий межгосударственный стандарт отсутствует. До его принятия рекомендуется использовать перевод на русский язык данного международного стандарта. Примечание - В настоящей таблице использованы следующие условные обозначения степени соответствия стандартов: - IDT - идентичные стандарты; - NEQ - неэквивалентные стандарты; - MOD - модифицированные стандарты. |
IEC 60050-151 | International Electrotechnical Vocabulary (IEV) - Part 151: Electrical and magnetic devices (Международный электротехнический словарь. Часть 151: Электрические и магнитные приборы) |
IEC 60050-551 | International Electrotechnical Vocabulary - Part 551: Power electronics IEV - Part 551: Power electronics - Section 551-20: Harmonic analysis in the field of power electronics circuit theory (Международный электротехнический словарь. Часть 551:) |
IEC 60050-826 | IEC 60050(826):2004, International Electrotechnical Vocabulary (IEV) - Part 826: Electrical installations (Международный электротехнический словарь. Часть 826: Электрические установки) |
IEC 60410 | Sampling plans and procedures for inspection by attributes (Правила и планы выборочного контроля по качественным признакам) |
IEC 60083:1997 | Plugs and socket-outlets for domestic and similar general use, standardized in member countries of IEC (Штепсели и розетки бытового и аналогичного назначения, стандартизованные в странах - членах МЭК) |
IEC 60664-3:1993 | Insulation coordination for equipment within low-voltage systems; part 3: use of coatings to achieve insulation coordination of printed board assemblies (Координация изоляции для оборудования в низковольтных системах. Часть 3. Использование покрытий для достижения координации изоляции в печатных платах в сборе) |
IEC 60947-1 | General conditions for short-circuit tests |
IEC 60990:1990 | Methods of measurement of touch current and protective conductor current (Токи от прикосновения и токи защитного проводника. Методы измерения) |
IEC 61140 | Protection against electric chock - Common aspect for installation and equipment (Защита от поражения электрическим током. Общие положения безопасности установок и оборудования) |
IEC 62040-2 | Uninterruptible power systems (UPS): Electromagnetic compatibility (EMC) requirements [Источники бесперебойного питания (UPS). Часть 2. Требования к электромагнитной совместимости] |
IEC 62103 | Electronic equipment for use in power installations (EN 50 178) (Электронное оборудование, используемое в силовых установках) |
IEC 62040-1-1 | Uninterruptible power systems (UPS) - Part 1-1: General and safety requirements for UPS used in operator access areas [Системы бесперебойного электропитания (UPS). Часть 1-1. Общие требования и правила безопасности для UPS, используемых в зонах доступа оператора] |
IEC 62040-1-2 | Uninterruptible power systems (UPS) - Part 1-2: General and safety requirements for UPS used in restricted access locations [Системы бесперебойного электропитания (UPS). Часть 1-2. Общие требования и правила безопасности для UPS, используемых в местах ограниченного доступа] |
ISO 2859 | Sampling procedures for inspection by attributes (Выборочные процедуры для контроля по альтернативному признаку) |