Главная // Актуальные документы // ГОСТ (Государственный стандарт)СПРАВКА
Источник публикации
М.: Стандартинформ, 2018
Примечание к документу
Документ включен в
Перечень международных и региональных (межгосударственных) стандартов, а в случае их отсутствия - национальных (государственных) стандартов, содержащих правила и методы исследований (испытаний) и измерений, в том числе правила отбора образцов, необходимые для применения и исполнения требований технического
регламента Евразийского экономического союза "О безопасности продукции, предназначенной для гражданской обороны и защиты от чрезвычайных ситуаций природного и техногенного характера" (ТР ЕАЭС 050/2021) и осуществления оценки соответствия объектов технического регулирования (
Решение Коллегии Евразийской экономической комиссии от 30.05.2023 N 78).
Документ
введен в действие с 1 июня 2019 года.
Название документа
"ГОСТ EN 1149-1-2018. Межгосударственный стандарт. Система стандартов безопасности труда. Одежда специальная защитная. Электростатические свойства. Часть 1. Метод испытания для измерения удельного поверхностного сопротивления"
(введен в действие Приказом Росстандарта от 05.09.2018 N 564-ст)
"ГОСТ EN 1149-1-2018. Межгосударственный стандарт. Система стандартов безопасности труда. Одежда специальная защитная. Электростатические свойства. Часть 1. Метод испытания для измерения удельного поверхностного сопротивления"
(введен в действие Приказом Росстандарта от 05.09.2018 N 564-ст)
по техническому регулированию
и метрологии
от 5 сентября 2018 г. N 564-ст
МЕЖГОСУДАРСТВЕННЫЙ СТАНДАРТ
СИСТЕМА СТАНДАРТОВ БЕЗОПАСНОСТИ ТРУДА
ОДЕЖДА СПЕЦИАЛЬНАЯ ЗАЩИТНАЯ
ЭЛЕКТРОСТАТИЧЕСКИЕ СВОЙСТВА
ЧАСТЬ 1
МЕТОД ИСПЫТАНИЯ ДЛЯ ИЗМЕРЕНИЯ УДЕЛЬНОГО ПОВЕРХНОСТНОГО
СОПРОТИВЛЕНИЯ
Occupational safety standards system. Special protective
clothing. Electrostatic properties. Part 1. Test method
for measurement of surface resistivity
(EN 1149-1:2006, Protective clothing - Electrostatic
properties - Part 1: Test method for measurement
of surface resistivity, IDT)
ГОСТ EN 1149-1-2018
Дата введения
1 июня 2019 года
Цели, основные принципы и основной порядок проведения работ по межгосударственной стандартизации установлены в
ГОСТ 1.0-2015 "Межгосударственная система стандартизации. Основные положения" и
ГОСТ 1.2-2015 "Межгосударственная система стандартизации. Стандарты межгосударственные, правила и рекомендации по межгосударственной стандартизации. Правила разработки, принятия, обновления и отмены"
1 ПОДГОТОВЛЕН Обществом с ограниченной ответственностью "МОНИТОРИНГ" (ООО МОНИТОРИНГ") на основе официального перевода на русский язык англоязычной версии стандарта, указанного в
пункте 5, который выполнен ФГУП "СТАНДАРТИНФОРМ"
2 ВНЕСЕН Федеральным агентством по техническому регулированию и метрологии
3 ПРИНЯТ Межгосударственным советом по стандартизации, метрологии и сертификации (протокол от 27 июня 2018 г. N 53-2018)
За принятие проголосовали:
Краткое наименование страны по МК (ИСО 3166) 004-97 | Код страны по МК (ИСО 3166) 004-97 | Сокращенное наименование национального органа по стандартизации |
Армения | AM | Минэкономики Республики Армения |
Беларусь | BY | Госстандарт Республики Беларусь |
Киргизия | KG | Кыргызстандарт |
Россия | RU | Росстандарт |
Таджикистан | TJ | Таджикстандарт |
Узбекистан | UZ | Узстандарт |
4
Приказом Федерального агентства по техническому регулированию и метрологии от 5 сентября 2018 г. N 564-ст межгосударственный стандарт ГОСТ EN 1149-1-2018 введен в действие в качестве национального стандарта Российской Федерации с 1 июня 2019 г.
5 Настоящий стандарт идентичен европейскому стандарту EN 1149-1:2006 "Одежда защитная. Электростатические свойства. Часть 1. Метод испытания для измерения поверхностного удельного сопротивления" ("Protective clothing - Electrostatic properties - Part 1: Test method for measurement of surface resistivity", IDT).
Европейский стандарт разработан техническим комитетом CEN/TC 162 "Защитная одежда, включающая защиту рук и кистей, и спасательные жилеты", секретариатом которого является DIN (Германия).
Наименование настоящего стандарта изменено относительно наименования указанного европейского стандарта в целях приведения в соответствие с ГОСТ 1.5-2001
(подраздел 3.6) и для увязки с наименованиями, принятыми в существующем комплексе межгосударственных стандартов.
При применении настоящего стандарта рекомендуется использовать вместо ссылочных европейских стандартов соответствующие им межгосударственные стандарты,
сведения о которых приведены в дополнительном приложении ДА
6 ВВЕДЕН ВПЕРВЫЕ
7 Некоторые элементы настоящего стандарта могут являться объектами патентных прав
Информация об изменениях к настоящему стандарту публикуется в ежегодном информационном указателе "Национальные стандарты", а текст изменений и поправок - в ежемесячном информационном указателе "Национальные стандарты". В случае пересмотра (замены) или отмены настоящего стандарта соответствующее уведомление будет опубликовано в ежемесячном информационном указателе "Национальные стандарты". Соответствующая информация, уведомление и тексты размещаются также в информационной системе общего пользования - на официальном сайте Федерального агентства по техническому регулированию и метрологии в сети Интернет (www.gost.ru)
Настоящий стандарт входит в группу стандартов, устанавливающих требования и методы испытаний электростатических свойств специальной защитной одежды. Стандарты из этой группы используют для разных областей применения и разных материалов для изготовления специальной защитной одежды. Метод испытаний, приведенный в настоящем стандарте, является наиболее подходящим для испытания материалов, для которых рассеивание электростатического заряда основано на поверхностной проводимости. Поверхностное сопротивление, определяемое в соответствии с настоящим стандартом при небольших расстояниях между электродами, может не соответствовать поверхностному сопротивлению комплекта специальной защитной одежды в целом.
Настоящий стандарт устанавливает метод испытаний материалов, предназначенных для использования при производстве специальной защитной одежды или защитных перчаток, рассеивающих электростатический заряд с целью предотвращения возникновения искры.
Настоящий стандарт не распространяется на материалы для специальной защитной одежды от поражения электрическим током или материалы диэлектрических перчаток.
В настоящем стандарте использованы нормативные ссылки на следующие стандарты. Для датированных ссылок используют только указанное издание стандарта. Для недатированных ссылок - последнее издание (включая все изменения к нему).
EN 340:2003 Protective clothing - General requirements (Одежда защитная. Общие требования)
В настоящем стандарте применены следующие термины с соответствующими определениями:
3.1 поверхностное сопротивление (surface resistance): Сопротивление, в омах, определяемое контактом электродов с установленными характеристиками с поверхностью материала.
3.2 удельное поверхностное сопротивление (surface resistivity): Сопротивление, в омах, между противоположными краями квадратного куска материала по поверхности материала.
Примечание - Удельное поверхностное сопротивление не зависит от размеров электродов и рассчитывается как произведение измеренного поверхностного сопротивления на соответствующий коэффициент.
4.1 Общие положения
Образцы материала помещают на изолированное плоское основание и устанавливают на материал систему электродов. При этом на электроды подают напряжение постоянного тока и измеряют электрическое сопротивление материала.
4.2 Испытательная установка
4.2.1 Электроды
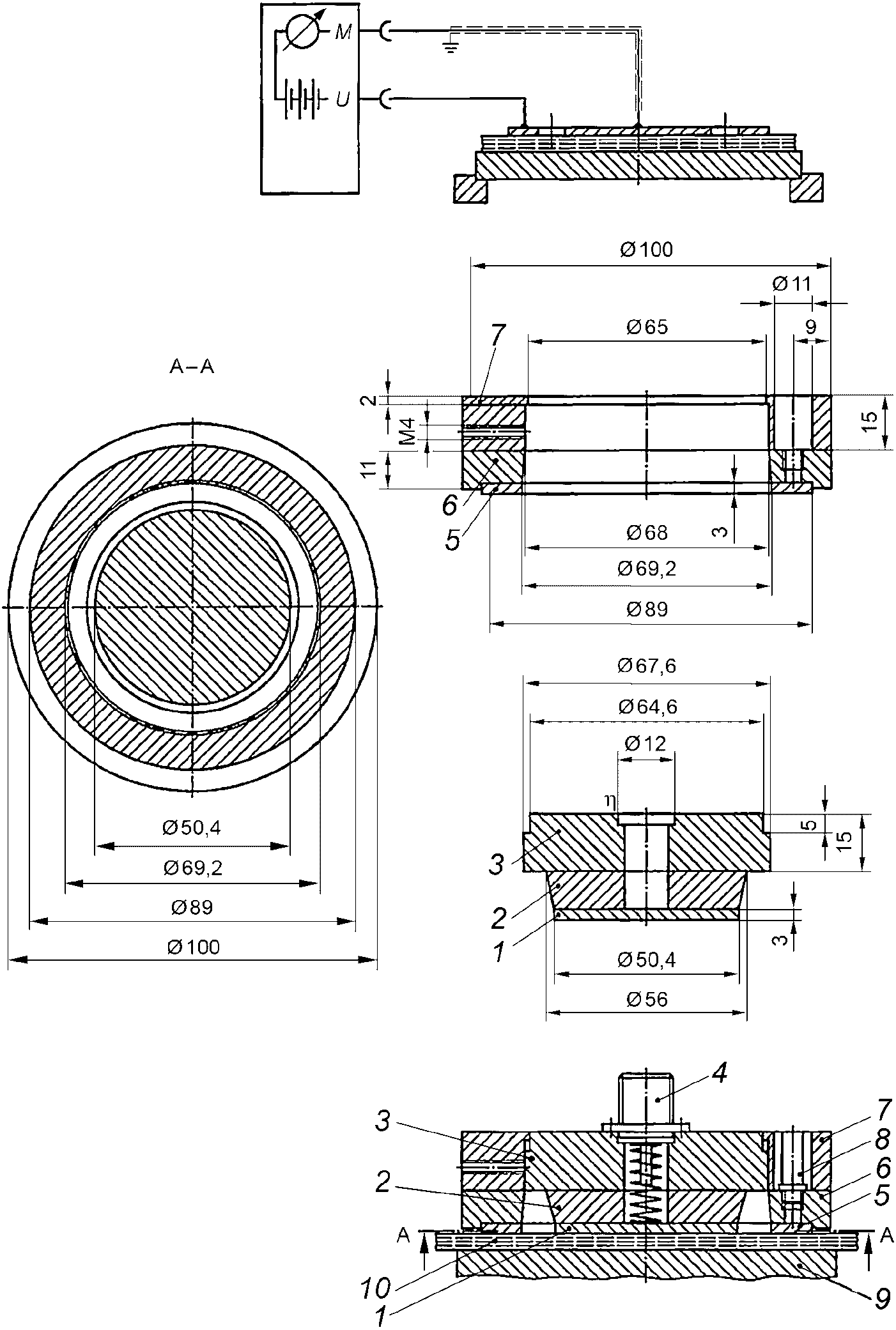
Электроды состоят из цилиндрического и кольцевого электродов, расположенных концентрически относительно друг друга. На
рисунке 1 приведены электроды из нержавеющей стали. Сопротивление изоляции между внутренним и внешним электродами должно составлять не менее 10
14 Ом при измерении в соответствии с
4.4.2.
Плоское основание должно состоять из изолирующего материала с удельным поверхностным сопротивлением не менее 10
14 Ом (см.
4.4.2) толщиной от 1 до 10 мм и габаритными размерами, превышающими размеры электрода. Данное основание используется в качестве подложки для образца при проведении испытания и должно находиться на заземленной проводящей поверхности, например на металлической пластине.
4.2.3 Омметр
Омметр, имеющий диапазон измерений от 105 до 1014 Ом;
с точностью измерений: | +/- 5% для значений сопротивления не более 1012 Ом и +/- 20% для значений сопротивления свыше 1012 Ом. |
4.2.4 Средства для чистки
Следует использовать подходящее средство для чистки, например 2-пропанол или этанол.
ПРЕДУПРЕЖДЕНИЕ - 2-пропанол и этанол являются легковоспламеняющимися веществами и могут наносить вред здоровью человека. Следует избегать вдыхания их паров, контакта с кожными покровами, глазами и одеждой.
4.3 Требования к образцам и их кондиционированию
4.3.1 Предварительная подготовка образцов
Перед началом испытаний следует провести предварительную подготовку образцов в соответствии с инструкциями изготовителя, включая требуемое количество циклов чистки, или, если инструкции по чистке отсутствуют, пять циклов чистки в соответствии с EN 340:2003 (пункт 5.4).
Примечание - Предварительная подготовка не проводится для изделий, для которых не предусмотрена чистка (например, изделия для одноразового применения).
4.3.2 Образец для испытаний или предмет защитной специальной одежды
Для испытаний вырезают пять образцов, размер которых составляет не менее габаритных размеров электродов и не превышает габаритных размеров основания. Образцы вырезают из материала или из подходящих мест предмета специальной защитной одежды. Испытуемые образцы не должны иметь швов. При испытаниях следует брать образцы только за края, чтобы избежать их загрязнения.
Образцы материала должны быть отобраны из тех же производственных партий, которые использовались при производстве специальной защитной одежды.
4.3.3 Кондиционирование образцов и условия проведения испытаний
Образцы кондиционируют перед испытаниями в течение не менее 24 ч. Кондиционирование проводят в условиях, соответствующих условиям при испытании:
- температура воздуха: (23 +/- 1) °C;
- относительная влажность воздуха: (25 +/- 5)%.
Примечание - Поверхностное сопротивление материалов в значительной степени зависит от относительной влажности. Чем ниже относительная влажность, тем выше поверхностное сопротивление.
4.4 Проведение испытаний
4.4.1 Чистка
Перед проведением испытаний следует очистить контактные поверхности электродов и поверхность основания с помощью бумажной салфетки, смоченной в средстве для чистки (см.
4.2.4).
Электроды следует высушить на воздухе.
4.4.2 Измерение сопротивления изоляции основания
Проводят измерение сопротивления плоского основания в соответствии с
4.4.3 (при этом образец не устанавливают). Затем рассчитывают удельное поверхностное сопротивление и проверяют его на соответствие требованиям
4.2.2.
4.4.3 Проведение испытаний
Образец размещают на основании так, чтобы поверхность образца, для которой проводят измерение, находилась сверху. На образец устанавливают систему электродов. Электроды соединяют так, как указано на
рисунке 1.
К электродам прикладывают напряжение (100 +/- 5) В и через (15 +/- 1) с при помощи омметра измеряют сопротивление. Если полученный результат измерения сопротивления менее 105 Ом, следует подать меньшее напряжение и указать условия испытания в протоколе.
При необходимости измерения значений сопротивления менее 105 Ом измерения силы тока производят с помощью соответствующего амперметра, соединенного последовательно с образцом, с последующим вычислением отношения приложенного напряжения к силе тока.
Измерения повторяют на четырех других образцах, вырезанных из материала или из предмета специальной защитной одежды.
4.4.4 Система электродов
1 - измерительный электрод; 2 - изоляционный диск;
3 - защитная пластина; 4 - разъем подключения коаксиального
кабеля; 5 - кольцевой электрод; 6 - изоляционное кольцо;
7 - экранирующее кольцо; 8 - соединитель; 9 - основание;
10 - образец
Рисунок 1 - Система электродов, размеры и электрическая
схема электродов
4.5 Расчет и представление результатов
Удельное поверхностное сопротивление

, Ом, рассчитывают для каждого из пяти измерений поверхностного сопротивления по формуле

, (1)
где

- рассчитываемое значение удельного поверхностного сопротивления, Ом;
R - значение измеренного поверхностного сопротивления, Ом;
k - коэффициент, зависящий от геометрических параметров электрода. Для указанного электрода коэффициент равен 19,8.
Примечание 1 - Коэффициент k рассчитывают по формуле

, (2)
где r1 - радиус внутреннего электрода, мм;
r2 - радиус внешнего электрода, мм.
Определяют среднее геометрическое по этим пяти значениям удельного поверхностного сопротивления.
Примечание 2 - Указанный метод дает расхождение результатов измерений между разными испытательными лаборатории вплоть до 10 раз. При значениях поверхностного сопротивления менее 1010 Ом наблюдается меньшее расхождение результатов измерений.
Примечание 3 - Среднее геометрическое является корнем пятой степени от произведения пяти полученных значений.
5 Требования к протоколу испытаний
Протокол испытаний должен содержать, как минимум, следующую информацию:
a) обозначение настоящего стандарта;
b) дату проведения испытаний;
c) условия при кондиционировании и при испытании;
d) описание и количество испытуемых образцов;
e) значения каждого измерения поверхностного сопротивления и рассчитанного значения удельного поверхностного сопротивления, а также средние геометрические значения для каждого образца;
f) любые примечания или отклонения от положений настоящего стандарта.
(справочное)
СУЩЕСТВЕННЫЕ ТЕХНИЧЕСКИЕ ОТЛИЧИЯ МЕЖДУ НАСТОЯЩИМ СТАНДАРТОМ
И ПРЕДЫДУЩЕЙ ВЕРСИЕЙ EN 1149-1:1996
Настоящий стандарт содержит следующие существенные технические изменения по отношению к предыдущей версии EN 1149-1:1996:
a) требования к специальной защитной одежде, обеспечивающей рассеяние электростатического заряда, исключены из области действия настоящего стандарта;
b) исключен раздел 4 "Требования", включая требования к эксплуатационным свойствам и конструкции;
c) добавлен
раздел 5 "Требования к протоколу испытаний";
d) исключено приложение A "Разъяснение".
(справочное)
СВЕДЕНИЯ О СООТВЕТСТВИИ ССЫЛОЧНЫХ ЕВРОПЕЙСКИХ СТАНДАРТОВ
МЕЖГОСУДАРСТВЕННЫМ СТАНДАРТАМ
Таблица ДА.1
Обозначение ссылочного европейского стандарта | Степень соответствия | Обозначение и наименование соответствующего межгосударственного стандарта |
EN 340:2003 | IDT | ГОСТ EN 340-2012 "Система стандартов безопасности труда. Одежда специальная защитная. Общие технические требования" |
Примечание - В настоящей таблице использовано следующее условное обозначение степени соответствия стандарта: - IDT - идентичный стандарт. |