Главная // Актуальные документы // ГОСТ (Государственный стандарт)СПРАВКА
Источник публикации
М.: Стандартинформ, 2018
Примечание к документу
Документ
введен в действие с 1 декабря 2018 года.
Название документа
"ГОСТ CISPR 16-2-4-2017. Межгосударственный стандарт. Требования к аппаратуре для измерения радиопомех и помехоустойчивости и методы измерения. Часть 2-4. Методы измерения радиопомех и помехоустойчивости. Измерения помехоустойчивости"
(введен в действие Приказом Росстандарта от 14.12.2017 N 1984-ст)
"ГОСТ CISPR 16-2-4-2017. Межгосударственный стандарт. Требования к аппаратуре для измерения радиопомех и помехоустойчивости и методы измерения. Часть 2-4. Методы измерения радиопомех и помехоустойчивости. Измерения помехоустойчивости"
(введен в действие Приказом Росстандарта от 14.12.2017 N 1984-ст)
агентства по техническому
регулированию и метрологии
от 14 декабря 2017 г. N 1984-ст
МЕЖГОСУДАРСТВЕННЫЙ СТАНДАРТ
ТРЕБОВАНИЯ
К АППАРАТУРЕ ДЛЯ ИЗМЕРЕНИЯ РАДИОПОМЕХ
И ПОМЕХОУСТОЙЧИВОСТИ И МЕТОДЫ ИЗМЕРЕНИЯ
ЧАСТЬ 2-4
МЕТОДЫ ИЗМЕРЕНИЯ РАДИОПОМЕХ И ПОМЕХОУСТОЙЧИВОСТИ
ИЗМЕРЕНИЯ ПОМЕХОУСТОЙЧИВОСТИ
Specification for radio disturbance and immunity measuring
apparatus and methods. Part 2-4. Methods of measurement
of disturbances and immunity. Immunity measurements
(CISPR 16-2-4:2003, IDT)
ГОСТ CISPR 16-2-4-2017
Дата введения
1 декабря 2018 года
Цели, основные принципы и основной порядок проведения работ по межгосударственной стандартизации установлены в
ГОСТ 1.0-2015 "Межгосударственная система стандартизации. Основные положения" и
ГОСТ 1.2-2015 "Межгосударственная система стандартизации. Стандарты межгосударственные, правила и рекомендации по межгосударственной стандартизации. Правила разработки, принятия, обновления и отмены"
1 ПОДГОТОВЛЕН Санкт-Петербургским филиалом "Ленинградское отделение Научно-исследовательского института радио" (Филиал ФГУП НИИР-ЛОНИИР) и Техническим комитетом по стандартизации ТК 030 "Электромагнитная совместимость технических средств" на основе собственного перевода на русский язык англоязычной версии международного стандарта, указанного в
пункте 5
2 ВНЕСЕН Федеральным агентством по техническому регулированию и метрологии
3 ПРИНЯТ Межгосударственным советом по стандартизации, метрологии и сертификации (протокол от 12 декабря 2017 г. N 104-П)
За принятие проголосовали:
Краткое наименование страны по МК (ИСО 3166) 004-97 | Код страны по МК (ИСО 3166) 004-97 | Сокращенное наименование национального органа по стандартизации |
Армения | AM | Минэкономики Республики Армения |
Беларусь | BY | Госстандарт Республики Беларусь |
Киргизия | KG | Кыргызстандарт |
Россия | RU | Росстандарт |
Таджикистан | TJ | Таджикстандарт |
Узбекистан | UZ | Узстандарт |
Украина | UA | Минэкономразвития Украины |
4
Приказом Федерального агентства по техническому регулированию и метрологии от 14 декабря 2017 г. N 1984-ст межгосударственный стандарт ГОСТ CISPR 16-2-4-2017 введен в действие в качестве национального стандарта Российской Федерации с 1 декабря 2018 г.
5 Настоящий стандарт идентичен международному стандарту CISPR 16-2-4:2003 "Требования к аппаратуре для измерения радиопомех и помехоустойчивости и методы измерения. Часть 2-4. Методы измерения радиопомех и помехоустойчивости. Измерения помехоустойчивости" ("Specification for radio disturbance and immunity measuring apparatus and methods - Part 2-4: Methods of measurement of disturbances and immunity - Immunity measurements", IDT).
Настоящее первое издание CISPR 16-2-4 вместе со стандартами CISPR 16-2-1, CISPR 16-2-2 и CISPR 16-2-3 отменяет и заменяет второе издание CISPR 16-2:2003. В него входят соответствующие разделы CISPR 16-2 без технических изменений.
При применении настоящего стандарта рекомендуется использовать вместо ссылочных международных стандартов соответствующие им межгосударственные стандарты, сведения о которых приведены в дополнительном
приложении ДА
6 ВВЕДЕН ВПЕРВЫЕ
Информация об изменениях к настоящему стандарту публикуется в ежегодном информационном указателе "Национальные стандарты", а текст изменений и поправок - в ежемесячном информационном указателе "Национальные стандарты". В случае пересмотра (замены) или отмены настоящего стандарта соответствующее уведомление будет опубликовано в ежемесячном информационном указателе "Национальные стандарты". Соответствующая информация, уведомления и тексты размещаются также в информационной системе общего пользования - на официальном сайте Федерального агентства по техническому регулированию и метрологии в сети Интернет (www.gost.ru)
Настоящий стандарт является основополагающим стандартом, устанавливающим методы измерений помехоустойчивости применительно к явлениям, относящимся к электромагнитной совместимости (ЭМС), в полосе частот от 9 кГц до 18 ГГц.
Для применения настоящего стандарта необходимы следующие ссылочные документы. Для датированных ссылок применяют только указанное издание. Для недатированных - последнее издание, включая все изменения к нему.
IEC 60083:1997, Plugs and socket outlets for domestic and similar general use standardized in member countries of IEC (Вилки и розетки для использования в быту и аналогичных общих условиях, стандартизированные в странах - членах IEC)
IEC 60364-4, Electrical installations of buildings - Part 4: Protection for safety (Электрические установки зданий. Часть 4. Защита в целях безопасности)
CISPR 16-1-2:2003, Specification for radio disturbance and immunity measuring apparatus and methods - Part 1-2: Radio disturbance and immunity measuring apparatus - Ancillary equipment - Conducted disturbances (Требования к аппаратуре для измерения радиопомех и помехоустойчивости и методы измерения. Часть 1-2. Аппаратура для измерения радиопомех и помехоустойчивости. Вспомогательное оборудование. Кондуктивные помехи)
CISPR 16-1-4:2003, Specification for radio disturbance and immunity measuring apparatus and methods - Part 1-4: Radio disturbance and immunity measuring apparatus - Ancillary equipment - Radiated disturbances (Требования к аппаратуре для измерения радиопомех и помехоустойчивости и методы измерения. Часть 1-4. Аппаратура для измерения радиопомех и помехоустойчивости. Вспомогательное оборудование. Излучаемые помехи)
ITU-R Recommendation BS.468-4, Measurement of audio-frequency noise voltage level in sound broadcasting (Измерение уровня напряжения шума звуковой частоты в звуковом вещании)
В настоящем стандарте применены термины и определения по IEC 60050-161, а также следующие термины с соответствующими определениями.
3.1 оборудование, связанное с основным (associated equipment):
1) преобразователи (например, пробники, эквиваленты сети и антенны), подключаемые к измерительному приемнику или генератору испытательных сигналов;
2) преобразователи (например, пробники, эквиваленты сети, антенны), которые используют для передачи сигнала или помехи между испытуемым оборудованием и измерительным устройством или генератором испытательных сигналов.
3.2 испытуемое оборудование; ИО (equipment under test, EUT): Оборудование (приборы, устройства и системы), проходящее испытания на соответствие требованиям электромагнитной совместимости (ЭМС) (на электромагнитную эмиссию и помехоустойчивость).
3.3 стандарт на продукцию (product publication): Стандарт, устанавливающий требования по ЭМС для изделия или семейства изделий с учетом конкретных особенностей, присущих такому изделию или семейству изделий.
3.4 норма помехоустойчивости (immunity limit): Регламентированный наименьший уровень помехоустойчивости.
[IEV 161-03-15]
3.5 опорное заземление (ground reference): Подключение, которое представляет определенную паразитную емкость для окружения испытуемого оборудования и служит в качестве эталонного потенциала.
Примечание - См. также IEV 161-04-36.
3.6 (электромагнитная) эмиссия [(electromagnetic) emission]: Явление, при котором электромагнитная энергия исходит от источника.
[IEV 161-01-08]
3.7 коаксиальный кабель (coaxial cable): Кабель, содержащий одну или более коаксиальных линий, обычно используемый для согласованного соединения оборудования, связанного с основным, с измерительным оборудованием или генератором испытательных сигналов, обеспечивая определенное характеристическое полное сопротивление и определенное максимально допустимое передаточное полное сопротивление кабеля.
3.8 общее несимметричное напряжение (асимметричное напряжение помехи) [common mode (asymmetrical disturbance voltage)]: Высокочастотное (ВЧ) напряжение между эквивалентом средней точки двухпроводной линии и опорным заземлением или, в случае пучка линий, эффективное напряжение ВЧ-помехи всего пучка (векторная сумма несимметричных напряжений) относительно опорного заземления, измеренное с помощью клещей (трансформатора тока) при определенном полном сопротивлении нагрузки.
Примечание - См. также IEV 161-04-09.
3.9 общий несимметричный ток (common mode current): Векторная сумма токов, протекающих в двух проводниках или в большем числе проводников, значение которой определяется в некоторой воображаемой плоскости, пересекаемой этими проводниками.
3.10 симметричное напряжение (differential mode voltage; symmetrical voltage): Напряжение ВЧ-помехи между проводами двухпроводной линии.
[IEV 161-04-08, модифицировано]
3.11 симметричный ток (differential mode current): Половина векторной разности токов, протекающих в любых двух проводниках из заданной группы активных проводников, значение которой определяется в некоторой воображаемой плоскости, пересекаемой этими проводниками.
3.12 несимметричное напряжение (напряжение на зажимах V-образного эквивалента сети) [unsymmetrical mode (V-terminal voltage)]: Напряжение между проводником или зажимом устройства, оборудования или системы и определенным опорным заземлением. Для схемы с двумя зажимами два несимметричных напряжения равны соответственно:
a) векторной сумме общего несимметричного напряжения и половины симметричного напряжения; и
b) векторной разности общего несимметричного напряжения и половины симметричного напряжения.
Примечание - См. также IEV 161-04-13.
3.13 конфигурация испытания (test configuration): Определенная схема измерения ИО, при которой измеряют уровень электромагнитной эмиссии или помехоустойчивости.
Примечание - Уровень электромагнитной эмиссии или уровень помехоустойчивости измеряют, как требуется, согласно определениям IEV 161-03-11, IEV 161-03-12, IEV 161-03-14 и IEV 161-03-15, то есть определениям уровня электромагнитной эмиссии и уровня помехоустойчивости.
3.14 эквивалент сети; ЭС (artificial network, AN): Устройство, используемое для создания регламентированного значения полного сопротивления, имитирующего полное сопротивление, которое создают для испытуемого оборудования реальные сети (например, протяженные линии связи или шины питания), на котором измеряют напряжение ВЧ-помех.
3.15 полностью безэховая камера или полностью безэховая комната [fully anechoic chamber (FAC) or fully anechoic room (FAR)]: Экранированное помещение, внутренние поверхности которого облицованы высокочастотным поглощающим материалом (RAM), который поглощает электромагнитную энергию в рассматриваемой полосе частот. Камера, полностью облицованная поглощающим материалом, предназначена для имитации условий свободного пространства, где только прямой луч от передающей антенны достигает приемной антенны. Все непрямые и отраженные волны минимизированы за счет использования на полу, всех стенах и потолке FAR соответствующего поглощающего материала.
4 Критерии испытаний на помехоустойчивость и основные процедуры измерений
Измерения помехоустойчивости основаны на оценивании момента, когда влияние помехи на испытуемое оборудование (ИО) достигает определенного уровня.
В общем случае измерения помехоустойчивости осуществляют путем подачи на ИО полезного испытательного сигнала и мешающего сигнала. В настоящем разделе установлены фундаментальные основы измерений с перечнем условий, которые необходимо определить в подробных рекомендациях, разрабатываемых комитетами по продукции CISPR. Основные принципы методов измерения помехоустойчивости для кондуктивных помех приведены в
разделе 5, а для излучаемых помех - в
разделе 6.
4.1 Общий метод измерения
Основная концепция, по которой строятся все методы измерения помехоустойчивости, представлена на рисунке 1.
Рисунок 1 - Основная концепция измерения помехоустойчивости
Испытуемое оборудование устанавливают так, как требуется для обеспечения стандартных рабочих условий. Уровень мешающего сигнала увеличивают до тех пор, пока не будет зарегистрировано регламентированное ухудшение параметров ИО или достигнут регламентированный уровень помехоустойчивости, в зависимости от того, что ниже.
Мешающий сигнал можно подавать путем прямого облучения или за счет инжекции тока/напряжения. В большинстве случаев для полной оценки потенциала помехоустойчивости ИО необходимо использовать как метод прямого облучения, так и метод инжекции. Метод инжекции целесообразно использовать на частотах ниже 150 МГц, а метод прямого облучения - на частотах выше приблизительно 30 МГц. Испытания методом прямого облучения можно проводить с помощью полей, создаваемых антеннами и воспринимаемых испытуемым оборудованием. В некоторых случаях для ИО высотой менее 1 м наиболее эффективным является использование испытательного электромагнитного поля, создаваемого в ограниченном объеме. Указанные поля создаются в TEM-камерах, полосковыми антеннами, в камерах с режимом перемешивания мод.
4.1.1 Объективная оценка ухудшения качества функционирования
Объективную оценку помехоустойчивости ИО проводят путем мониторинга напряжений, токов, специальных сигналов, уровней выпрямленных звуковых сигналов и т.п., которые можно регистрировать аналоговыми или цифровыми методами.
Ниже в качестве примера одной из таких оценок ухудшения качества функционирования представлена помехоустойчивость телевизионных приемников по отношению к ВЧ-помехе с амплитудной модуляцией.
Сначала на ИО подают только полезный испытательный сигнал. При этом формируется и измеряется полезный аудиосигнал. Орган управления ИО или испытательной установки настраивают так, чтобы получить необходимый уровень данного аудиосигнала. Затем путем отключения модуляции либо испытательного аудиосигнала устраняют полезный аудиосигнал. При этом подают мешающий сигнал, и его уровень настраивают так, чтобы получить определенный уровень мешающего аудиосигнала ниже уровня полезного аудиосигнала. Уровень мешающего сигнала является мерой помехоустойчивости ИО на рассматриваемой частоте испытания. Следует быть осторожным, чтобы не повредить ИО слишком высокими уровнями мешающего сигнала.
4.1.2 Субъективная оценка ухудшения качества функционирования
Субъективную оценку помехоустойчивости ИО проводят путем визуального и/или слухового мониторинга ухудшения качества функционирования ИО при визуальном или слуховом отображении или при отображении обоих видов мониторинга. Данный метод отличается от метода, представленного в
4.1.1, тем, что в нем указанные электрические или аналогичные сигналы и уровни не регистрируются непосредственно в цифровом или аналоговом формате. Ухудшение качества функционирования не определяют в числовых значениях, а оценивают по ощущениям человека, например визуальному и слуховому восприятию человеком раздражающего воздействия. Мешающие сигналы при испытании помехоустойчивости могут быть такими же, как те, что использовались для измерений при объективной оценке помехоустойчивости или аналогичными им.
Ниже в качестве примера одной из таких субъективных оценок ухудшения качества функционирования приведены визуальное и слуховое отображения восприятия человеком ухудшения помехоустойчивости телевизионных приемников по отношению к мешающему сигналу.
При рассмотрении помех, относящихся к изображению, полезный испытательный сигнал формирует стандартное изображение, а мешающий сигнал создает ухудшение этого изображения. Ухудшение может выражаться по-разному, например наложением изображений, нарушением (помехой) синхронизации, геометрическим искажением, потерей контрастности или цвета изображения и т.п.
Необходимо установить критерий, по которому следует определять ухудшение качества функционирования, и определить условия, при которых должна производиться субъективная оценка.
Сначала на ИО подают только полезный сигнал. Органы управления и регулировки на ИО устанавливают так, чтобы получить контрастное изображение нормальной яркости с насыщенным цветом. Затем дополнительно подают мешающий сигнал, и его уровень подстраивают таким образом, чтобы получить ухудшение изображения, воспринимаемое человеком при его наблюдении. Данный уровень является мерой помехоустойчивости ИТС на рассматриваемой частоте испытания.
4.1.3 Измерение на соответствие норме
Если достаточно знать, соответствует испытуемое оборудование норме или нет, допускается не проводить реальное измерение помехоустойчивости. Мешающий сигнал не подстраивают на каждой частоте испытания, а поддерживают на регламентированном уровне во всей полосе частот испытания. Считается, что ИО соответствует норме, если в любое время не было замечено никакого ухудшения, ни объективного, ни субъективного. Данную процедуру называют испытанием "проходит/не проходит".
4.2 Критерии ухудшения помехоустойчивости
Чтобы установить приемлемые критерии помехоустойчивости, требуется определить, что имеется в виду под ухудшением качества функционирования. Одним из таких подходов к классификации ухудшения качества функционирования может быть следующий подход:
a) отсутствие ухудшения. Оборудование соответствует техническим требованиям, предъявляемым к его разработке. Критерий данного типа должен применяться к чувствительному оборудованию, относящемуся к области безопасности и охраны здоровья, а также использоваться для служб, от которых зависит большое количество потребителей.
Предположительно он может применяться в качестве критерия помехоустойчивости для некоторых критичных процессов, а также функционирования оборудования;
b) заметное ухудшение. В данном случае электромагнитная помеха повлияла на качество функционирования. Примерами заметного ухудшения являются: возросший шум в схемах видео- и аудиосигналов, уменьшенное отношение с/ш в схемах управления, приближение коэффициентов ошибок в цифровых системах к допустимому максимуму или раздражающие слуховые или визуальные помехи. Дальнейшее использование электронного изделия не требует вмешательства оператора. Этот критерий ухудшения обычно используют для изделий массового производства. Ухудшение исчезает, когда уходит сигнал помехи;
c) серьезное ухудшение. Изделия в данной категории не могут обеспечить постоянную удовлетворительную работу. Для исправления ситуации представители служб пользователя или линейных служб должны провести значительный период времени на линии (в полевых условиях), пытаясь выявить проблему и исправить ее. Данный уровень помехоустойчивости устанавливают так, чтобы он встречался в очень редких случаях. Для восстановления определенной функции электронного изделия, а именно синхронизаций систем, переустановок/обнулений, неразмеченной записи на гибком диске и других изменений памяти, требуется вмешательство оператора;
d) выход из строя/полная неработоспособность. Это самая серьезная категория, когда изделие полностью выходит из строя и его функционирование не может быть восстановлено. В итоге произойдет механическое разрушение. Линейный ремонт завершить невозможно. Это приводит к необходимости полной замены оборудования и срочной переделке конструкции с целью повышения уровня его помехоустойчивости. Неопределенный по времени перерыв в обслуживании будет зависеть от способности производителя изготовить удовлетворяющее требованиям новое изделие на замену.
Определение критериев ухудшения работы изделия для приведенных выше условий относится к задачам комитетов по продукции.
4.3 Более подробная информация о технических требованиях к изделию
Помимо определения подробного метода измерения помехоустойчивости и средств определения приемлемого ухудшения качества функционирования, технические требования к изделию должны включать другие более подробные сведения, приведенные ниже.
4.3.1 Окружающая испытательная среда
Необходимо регламентировать параметры окружающей обстановки при проведении испытаний. Требуется определить параметры физической среды, например область температуры и влажности. Также следует определить электромагнитную обстановку, в частности максимальный уровень сигналов окружающей среды.
4.3.2 Рабочие условия ИО
Должны быть указаны рабочие условия ИО, например характеристики полезного входного сигнала, режимы работы и т.п.
4.3.3 Электромагнитные угрозы
Существует множество видов электромагнитных помех, которые могут вызывать нарушение работы оборудования. Комитет по продукции должен определить, должны ли технические требования к помехоустойчивости распространяться на все возможные случаи, то есть на помехоустойчивость по отношению к передаваемым радиоволнам, по отношению к способности сигналов создавать кондуктивные помехи, к выбросам/провалам/выходам из строя/искажениям в сети, по отношению к электростатическому разряду, перенапряжениям, создаваемым грозовым разрядом, и т.п.
Для каждой потенциальной угрозы необходимо оценить возможную степень влияния помех на оборудование с целью определения подходящего специализированного испытательного оборудования и метода измерения. Поэтому комитетам по продукции будет необходимо адаптировать общие принципы измерения, заложенные в данном разделе, к конкретному изделию.
Необходимо указать характеристики мешающего сигнала, например амплитуду, вид модуляции, направление, поляризацию и т.п. Должна быть определена полоса частот применимости каждого метода, например, полезная полоса частот TEM-камеры зависит от ее ширины, а это в свою очередь зависит от размера ИО.
Следует произвести проверку ИО, чтобы определить будет ли оно особо восприимчивым в каком-либо режиме работы или при определенной частоте мешающего сигнала.
4.3.4 Калибровка
В технических требованиях к изделию должно быть предусмотрено проведение калибровки либо посредством ссылки на основополагающий стандарт, либо включением процедуры калибровки в технические требования к изделию или семейству изделий. Сюда должна включаться периодическая калибровка оборудования, используемого для проведения испытаний, и, в частности, средства калибровки вышеназванных параметров, таких как амплитуда и однородность мешающего сигнала, используемого в методах прямого облучения или инжекции.
4.3.5 Статистическая оценка
В технических требованиях к изделию должно быть сформулировано определение понятия "норма CISPR". В частности, необходимо указать, должно ли испытание соответствовать правилу 80/80, приведенному в Рекомендации 46/1, и, если да, то какой метод выборки необходимо применить.
Если испытание на помехоустойчивость проводят до появления ухудшения качества функционирования, то соответствие норме CISPR на помехоустойчивость можно оценить по выборке подходящего размера, при этом у части изделий выборки допустимая норма может быть превышена. Если испытание на помехоустойчивость проводят для определения соответствия норме помехоустойчивости (например, испытание по типу "проходит/не проходит") без измерения запаса помехоустойчивости, статистические методы не применимы.
5 Метод измерения помехоустойчивости при воздействии кондуктивных помех
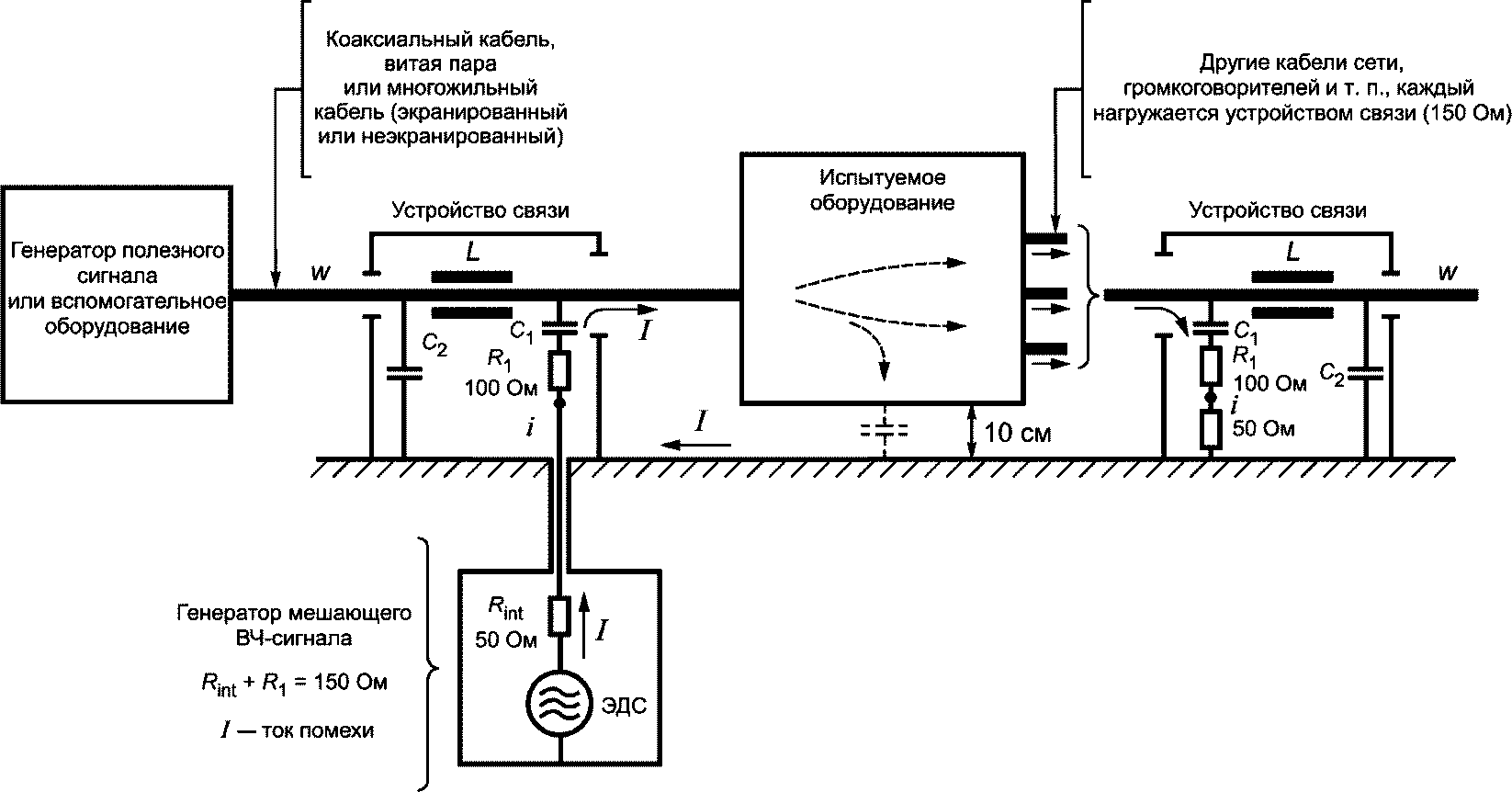
Основной метод измерения заключается в инжекции мешающего сигнала в провод с увеличением его уровня до регистрации определенной степени ухудшения или определенного уровня помехоустойчивости в зависимости от того, что произойдет раньше. Провод может быть проводом управления, сигнала или сетевым. Существуют два варианта данного метода. Для оценки помехоустойчивости к общим несимметричным (асимметричным) сигналам применяют инжекцию тока, для оценки помехоустойчивости к симметричным сигналам - метод инжекции напряжения. В общем случае как минимум проводят инжекцию тока, так как этот режим наиболее восприимчив к излучаемой ВЧ обстановке.
Общий принцип измерения методом инжекции представлен на рисунке 2. Воздействие мешающих сигналов, наводимых в проводе оборудования в реальной ситуации, моделируют путем инжекции мешающего сигнала через соответствующее устройство связи.
L - развязывающая индуктивность; C1, C2 - конденсаторы
с низким ВЧ полным сопротивлением (конденсаторы заменяют
прямым соединением, если позволяют условия переменного
и постоянного тока)
Рисунок 2 - Общий принцип метода инжекции тока
В случае инжекции тока при неэкранированных проводах мешающий ток подается в проводники в общем несимметричном режиме. В случае коаксиальных или экранированных кабелей мешающий ток подается во внешний проводник или в экран кабеля тоже в общем несимметричном режиме (см.
рисунок 2). Ток протекает через ИО, возвращаясь к генератору через емкость на землю, параллельную полным сопротивлениям нагрузок других зажимов, обеспечиваемым устройствами связи. Отметим, что в некоторых случаях часть сигнала общего несимметричного режима преобразуется в сигнал симметричного режима, маскируя таким образом реальный, истинный отклик симметричного сигнала. Может возникнуть комбинация общих несимметричных токов, которые влияют на разности потенциалов по ВЧ на противоположных концах провода и вызывают ухудшение отношений полезного сигнала к мешающему.
В случае инжекции напряжения сигнал подают между двумя проводами. Заметим, что на частотах, близких к 100 МГц или выше, реализация обоих методов инжекции (при измерении помехоустойчивости к кондуктивным помехам) затруднена из-за полных сопротивлений и возможных резонансов в проводах ИО и нагрузках.
5.1 Устройства связи
Устройства связи для ввода мешающих сигналов включают в себя ВЧ-дроссели, конденсаторы и резистивные цепи. Полное сопротивление источника напряжения мешающего сигнала и полные сопротивления нагрузок стандартизованы, и устройства связи разрабатываются для обеспечения этого полного сопротивления. Они также обеспечивают прохождение полезного испытательного сигнала, других сигналов и сетевое питание. Более подробная информация о конструкции и проверках технических характеристик устройств связи приведена в CISPR 16-1-2.
5.2 Измерительная установка
Для обеспечения точности и воспроизводимости результатов измерения необходимо точно указать план размещения оборудования, который необходимо использовать при измерении помехоустойчивости к кондуктивным помехам. В частности следует указать:
a) высоту размещения ИО относительно регламентированной пластины заземления;
b) размещение избыточной длины проводов питания и сигнальных проводов;
c) длину проводов, соединяющих устройство связи с источником питания и источником сигнала;
d) способ контроля за схемой размещения всех используемых составляющих, то есть ИО, его проводов, устройства связи, пластины заземления, соединительных проводов, источника сигнала и т.п.;
e) характеристики проводов, а именно подключения к экрану, передаточное полное сопротивление и т.д.
Ниже в качестве примера представлены более подробные сведения об указанных технических требованиях применительно к измерению помехоустойчивости телевизионных приемников.
Телевизионный приемник размещают на высоте 100 мм над металлической пластиной заземления размером 2 x 1 м. Устройства связи устанавливают соответственно в различных проводах. Провода, соединяющие устройства связи с ИО, должны быть как можно короче, в частности длина провода к антенному входу ИО должна быть не более 300 мм.
Длина сетевого провода должна быть 300 мм. Если длина будет больше, провод следует уложить в связку, чтобы обеспечить длину 300 мм. Топология расположения сетевого провода должна быть подробно указана в протоколе испытаний. Расстояние между проводами и пластиной заземления должно быть не менее 30 мм.
Максимальное количество устройств связи, используемых в испытании, не должно быть больше шести. Если ИО имеет более шести зажимов, устройства связи должны применяться, по крайней мере, для одного из зажимов каждого типа (при их наличии).
Примечание - Комитеты по продукции должны включать такую подробную информацию в технические требования к изделию.
5.3 Метод измерения помехоустойчивости на входе
Мешающий сигнал подают на входные зажимы ИО так, как оно обычно принимает радиочастотные сигналы. Этот мешающий сигнал соединяют с полезным сигналом. В приведенных ниже разделах в качестве примера описаны испытания, которые можно применять к приемникам звукового и телевизионного вещания. См. также CISPR 13.
5.3.1 Измерения звуковых приемников
Для таких измерений значения частоты полезного и мешающего сигналов необходимо указывать с определенной точностью, например +/- 1 кГц.
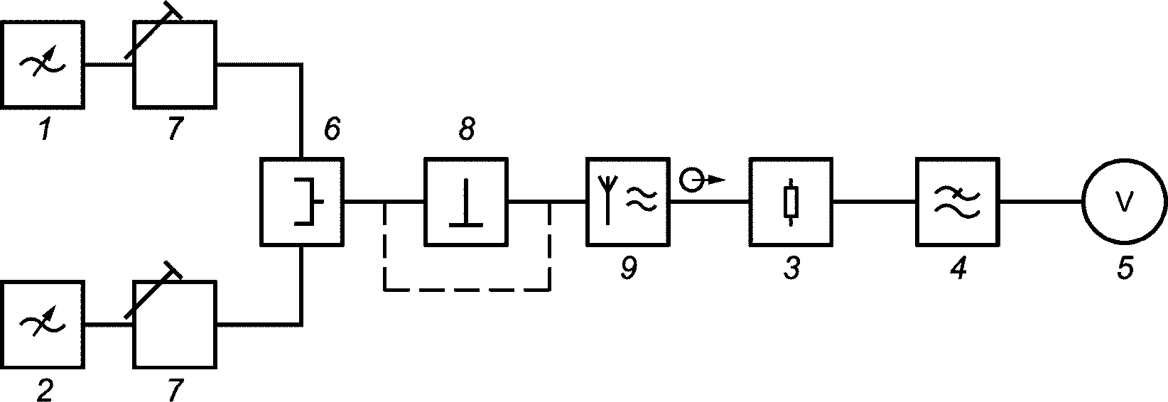
Измерительная установка приведена на рисунке 3. Генератор мешающего сигнала 1 и генератор полезного сигнала 2 соединены между собой посредством схемы связи 6. Для предотвращения взаимных помех между двумя генераторами можно увеличить потери связи с помощью аттенюаторов 7. Выход схемы связи, полное сопротивление источника, которое должно быть указано, необходимо согласовать с входным зажимом ИО с помощью схемы 8. Выход аудиосигнала измеряют, как установлено.
1 - генератор мешающего сигнала G1; 2 - генератор полезного
сигнала G2; 3 - нагрузочный резистор RL; 4 - фильтр нижних
частот; 5 - вольтметр звуковой частоты (со схемой
взвешивания в соответствии с Рекомендацией 468 МККР);
6 - схема связи; 7 - аттенюаторы; 8 - согласующая
и/или симметрирующая схема; 9 - испытуемое оборудование (ИО)
Рисунок 3 - Измерительная установка для измерения
помехоустойчивости на входе приемников звукового вещания
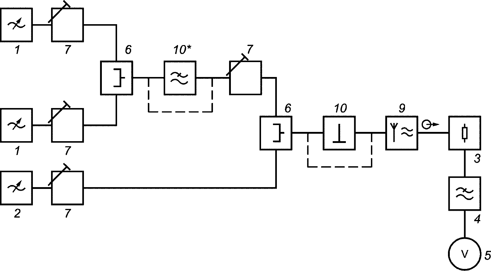
5.3.2 Измерение приемников телевизионного вещания
Измерительная установка приведена на рисунке 4. Принцип работы аналогичен принципу работы измерительной установки, представленной на
рисунке 3, с учетом пояснений, приведенных в
5.3.1. Для предотвращения влияния гармоник генераторов мешающих сигналов на результаты измерений в установку добавлен фильтр нижних частот
10.
1 - генераторы мешающего сигнала G1; 2 - генератор полезного
сигнала G2; 3 - нагрузочный резистор RL; 4 - фильтр нижних
частот; 5 - вольтметр звуковой частоты (со схемой
взвешивания в соответствии с Рекомендацией 468 МККР);
6 - схемы связи; 7 - аттенюаторы; 8 - согласующая
и/или симметрирующая схема; 9 - испытуемое оборудование;
10 - фильтр нижних частот <*>
--------------------------------
<*> Для устранения влияния гармоник частоты мешающего сигнала на результаты измерений.
Рисунок 4 - Измерительная установка для измерения
помехоустойчивости на входе приемников телевизионного
6 Метод измерения помехоустойчивости при воздействии помехи в виде излучаемого электрического поля
В приведенном ниже разделе представлены различные методы измерения помехоустойчивости к помехе в виде излучаемого электрического поля.
6.1 Измерения с помощью поперечной электромагнитной волны (TEM-волны)
Однородная электромагнитная волна в условиях свободного пространства может моделироваться канализируемой поперечной электромагнитной волной (TEM-волной), распространяющейся между двумя плоскими параллельными проводящими поверхностями. В этом случае электрическая составляющая поля перпендикулярна, а магнитная - параллельна проводящим поверхностям. Устройства, формирующие TEM-волну, могут быть выполнены в виде открытой (полосковая линия) или закрытой [например, TEM-устройство или GTEM-устройство (в диапазоне СВЧ)] конструкции. Подробная информация о TEM-устройствах и устройствах на полосковой линии приведена в CISPR 16-1-2. Описание GTEM-устройства находится на рассмотрении.
6.1.1 Измерительная установка на основе открытой полосковой линии
Открытая полосковая линия состоит из двух параллельных пластин, разнесенных друг от друга на расстояние, равное или превышающее удвоенную электрическую высоту ИО. Металлическая конструкция ИО в вертикальной плоскости определяет электрическую высоту ИО. То ИО, электрическая высота которого больше половины расстояния между параллельными пластинами, могут нагружать полосковую линию и в значительной степени влиять на напряженность прикладываемого электрического поля. Следует отметить, что на частотах выше частоты среза полосковой линии присутствуют как вертикальная, так и горизонтальная составляющие напряженности электрического поля.
Для ИО, которое соответствует приведенному выше ограничению по высоте, при испытании обычно на частотах ниже 150 МГц рекомендуются следующие расстояния для полосковых линий и следующая схема расположения:
- основание полосковой линии должно располагаться на неметаллических опорах на высоте не менее 0,8 м от пола, а верхняя пластина проводника должна быть на расстоянии не менее 0,8 м от потолка;
- при использовании полосковой линии в помещении ее следует размещать так, чтобы расстояние от ее открытых продольных сторон до стен и других объектов было не менее 0,8 м. При применении внутри экранированного помещения в просвет между сторонами полосковой линии и стенами экранированной комнаты необходимо поместить ВЧ поглощающий материал. Основные схемы размещения представлены на
рисунке 5;
- ИО размещают на неметаллической опоре высотой 100 мм в центре полосковой линии (см.
рисунок 6);
- соединительные провода, идущие к ИО, вводят через отверстия в пластине базового проводника полосковой линии. Длина проводов внутри полосковой линии должна быть как можно короче, и на них по всей длине должны быть надеты ферритовые кольца для ослабления наводимых токов. Передаточное полное сопротивление используемых коаксиальных кабелей должно быть не больше 50 мОм/м на частоте 30 МГц;
- любой используемый симметрирующий трансформатор должен подключаться к ИО с помощью как можно более коротких проводов;
- зажимы ИО, которые во время измерения не используются, должны нагружаться на экранированные резисторы, соответствующие номинальному полному сопротивлению зажимов.
1 - 11 - поглощающие панели размерами приблизительно
0,8 x 0,4 м
Рисунок 5 - Пример схемы TEM-устройства на базе открытой
полосковой линии в комбинации с поглощающими панелями
внутри экранированной комнаты размерами 3 x 3,5 м
Рисунок 6 - Измерительная установка для измерения
помехоустойчивости вещательных приемников по отношению
к окружающим электромагнитным полям в полосе частот
от 0,15 до 150 МГц
Если для обеспечения должной работы ИО требуется другая аппаратура, то эта дополнительная аппаратура должна рассматриваться как часть измерительного оборудования, и необходимо принять меры для гарантии того, что эта дополнительная аппаратура не подвергается воздействию мешающего сигнала. Эти меры могут включать в себя дополнительное заземление коаксиальных экранов, экранирование и установку ВЧ-фильтров в соединительные кабели или применение ферритовых колец на соединительных кабелях.
6.1.1.1 Схема измерения приемников
Схема, используемая для измерения помехоустойчивости звуковых и вещательных приемников, приведена на рисунке 7. Она является примером использования полосковой линии. Полезный испытательный сигнал создается генератором G2 и подается через согласующую схему на вход ИО.
Рисунок 7 - Схема измерения помехоустойчивости звуковых
вещательных приемников к окружающим ЭМ полям
Мешающий сигнал создается генератором G1 и подается через переключатель S1, широкополосный усилитель Am и фильтр нижних частот F на согласующую схему MN полосковой линии. Широкополосный усилитель Am может быть необходим для обеспечения требуемой напряженности поля. Полосковая линия нагружается на оконечное полное сопротивление.
Необходимо принять меры по уменьшению уровня гармоник на ВЧ выходе генератора G1 и, в частности, на выходе широкополосного усилителя Am. Гармоники могут влиять на измерение, если они совпадают с другими откликами (характеристиками) ИО. Если ИО является телевизионным приемником, такие отклики от гармоники могут происходить в канале настройки или канале ПЧ испытуемого оборудования. В некоторых случаях необходимо предусмотреть меры для адекватного снижения уровня гармоник за счет установки соответствующего фильтра нижних частот F, который может управлять входной мощностью усилителя Am. Необходимо проводить определенные проверки пригодности таких фильтров.
Уровни выходной мощности аудиосигнала измеряют, как определено требованиями стандартов на продукцию.
6.1.2 Измерительная установка на основе закрытого TEM-устройства
(На рассмотрении.)
6.1.2.1 Схема измерения
(На рассмотрении.)
6.2 Измерение в экранированных комнатах, облицованных поглощающим материалом
6.2.1 Введение
Экранированные помещения с облицовкой поглощающим материалом представляют собой стандартную экранированную комнату, четыре стены и потолок которой облицованы ВЧ-поглощающим материалом какого-либо типа. В общем случае пол экранированной комнаты поглощающим материалом не покрывают, и при измерениях пол действует в качестве опорной пластины заземления. Для обеспечения однородности поля может потребоваться также нанести поглощающий материал и на пол. Поглощающий материал обычно состоит из пены, насыщенной угольной крошкой. Другим материалом являются ферритовые пластины или комбинация ферритовых пластин и угленасыщенной пены. Оба материала рассеивают нежелательную энергию, воздействующую на их поверхности, в виде тепла. Для обеспечения помехоустойчивости при больших уровнях мощности необходимо, чтобы номинальное значение рассеяния тепла поглощающего материала было высоким. Существуют специальные меры по обеспечению пожароустойчивости материала.
6.2.2 Размер экранированных комнат
Размер экранированных комнат, облицованных поглощающим материалом, зависит от нескольких факторов:
a) зоны испытания, необходимой для системы ИО;
b) объема, необходимого для размещения передающей антенны и обеспечения ее необходимой высоты (высот) над пластиной заземления;
c) размер элемента поглощающего материала;
d) разделительного расстояния между антенной и ИО;
e) расстояния от ИО и от антенны до ближайшей части элемента поглощающего материала;
f) габаритных размеров камеры, необходимых для обеспечения требуемой точности и однородности электромагнитного поля при измерении помехоустойчивости в зоне испытания.
Необходимый размер элемента облицовочного поглощающего материала зависит от степени необходимого подавления мешающих отражений. Такой материал, который обычно при угленасыщенной пене имеет пирамидальную форму, эффективен, когда высота элемента составляет значительную часть длины волны. При обеспечении этого условия поглощающий материал может ослаблять энергию отраженных волн на 20 дБ и больше. Значения затухания значительно возрастают, когда длина волны меньше высоты пирамидального элемента. И наоборот, затухание уменьшается до очень низкого уровня, когда высота элемента поглощающего материала из угленасыщенной пены намного меньше длины волны. Последнее условие часто встречается на практике (высота элемента 1 м и менее на частотах до 100 МГц). Поэтому использование комнат, облицованных поглощающим материалом, серьезно ограничивается на этих или более низких частотах.
Характеристики камер, облицованных поглощающим материалом, на частотах до 100 МГц можно улучшить с помощью правильной комбинации слоя ферритовых пластин и угленасыщенного пенистого материала. В общем случае слоистая структура состоит из ферритов, монтируемых непосредственно на стенах и потолке (и может быть, на полу) экранированного помещения, слоя диэлектрического материала, слоя угленасыщенного пенистого материала, при использовании на полу пространство между пирамидками заполняют непроводящим, механически прочным, способным нести нагрузку материалом, обеспечивая поверхность, по которой можно ходить. Феррит обеспечивает дополнительное уменьшение отражения на частотах ниже 100 МГц (при правильном выборе). Необходимо отметить, что такие ферриты представляют собой материалы, имеющие нелинейные свойства подавления. До использования таких материалов, особенно на частотах выше 1 ГГц, необходимо определить влияние этих материалов на отражательные свойства помещения в функции от частоты.
6.2.3 Передающая антенна
Для создания нужного поля при измерении помехоустойчивости в экранированном помещении, облицованном поглощающим материалом, можно использовать передающие антенны разных типов. Наиболее критичными параметрами таких антенн являются: способность рассеивать большие мощности (вплоть до 1 кВт) и наличие достаточно широкой диаграммы направленности, чтобы облучать зону испытания ИО. Если необходимо иметь информацию о поляризации, то следует использовать антенны с линейной поляризацией. К типовым антеннам относятся биконические антенны, логопериодические антенные решетки и гребенчатые прямоугольные рупорные антенны, способные работать при высоких уровнях мощности. Такие антенны должны находиться на достаточном расстоянии от любого поглощающего материала. Рекомендуется расстояние не менее 1 м.
6.2.4 Генерация сигналов
При проведении испытаний на помехоустойчивость в экранированном помещении, облицованном поглощающим материалом, к генератору сигналов не предъявляют никаких особых требований помимо тех, что относятся к подавлению паразитных выходных сигналов и сигналов на частотах гармоник генератора сигналов и усилителя мощности. Источники сигнала должны быть способны формировать уровни непрерывной волны и ВЧ-модулированной несущей, совместимые с требованиями по входу усилителя мощности, используемого для возбуждения передающей антенны. Поскольку ИО может воспринимать помеху на нескольких частотах в широкой полосе, то важно, чтобы генератор сигналов вместе с усилителем мощности адекватно подавляли паразитные выходные сигналы и выходные сигналы гармоник. Подавление должно быть равно 30 дБ или более по сравнению с выходным сигналом на полезной частоте и относительно нормы помехоустойчивости на этих гармониках. Может потребоваться установка мощного фильтра нижних частот между выходом усилителя и входом передающей антенны, который отслеживает сигнал на выходе.
6.2.5 Калибровка генерируемого электрического поля
Цель калибровки поля заключается в обеспечении однородности поля, в котором находится образец для испытания, достаточной для того, чтобы гарантировать достоверность результатов испытания.
В настоящем стандарте используется концепция "зоны однородного поля", которая представляет собой гипотетическую вертикальную плоскость, изменения поля в которой допустимо малы. Эта зона однородного поля имеет размер 1,5 x 1,5 м, если невозможно полностью облучить ИО с проводами в пределах меньшей поверхности. При организации схемы испытания передняя панель ИО должна совпадать с этой плоскостью.
Так как сформировать однородное поле вблизи пластины опорного заземления невозможно, то калибруемая зона устанавливается на высоте не ниже 0,8 м от пластины опорного заземления, и, если возможно, ИО размещают на этой высоте.
Для обеспечения достоверных результатов испытания в случае, когда ИО и провода должны испытываться вблизи пластины опорного заземления или их размеры больше 1,5 x 1,5 м, напряженность поля измеряют также на высоте 0,4 м и по всей ширине и высоте ИТС; результаты вносят в протокол испытания.
Для испытания должны использоваться антенны и кабели, которые использовались при формировании калиброванного поля. Поскольку применяют те же самые антенны и кабели, то потери в кабелях и коэффициенты калибровки антенн, генерирующих поле, не являются критичными параметрами.
Необходимо зарегистрировать точное положение генерирующей поле антенны. При испытании необходимо использовать такое же размещение, так как даже небольшие перемещения антенн сильно влияют на испытательное поле.
Примечание - Зону однородного поля устанавливают при немодулированном ВЧ-сигнале 3 В/м. Использование немодулированного сигнала обеспечивает правильные показания любого прибора, измеряющего напряженность поля.
6.2.6 Устройства контроля и наблюдения качества функционирования
В соответствии с планом испытания к ИО необходимо подсоединить различные датчики, чтобы регистрировать цифровой или аналоговый сигнал, по которому определяется ухудшение качества функционирования. Эти датчики и провода, выходящие за пределы экранированного помещения, облицованного поглощающим материалом, не должны влиять на функционирование или помехоустойчивость ИО и создавать нарушение калибровки, выполненной при воздействующем поле или при наличии облицовки поглощающим материалом. В некоторых случаях для обнаружения ухудшения качества функционирования можно контролировать провода от ИО к оборудованию "поддержки" ИО вне экранированного помещения, облицованного поглощающим материалом. В данном случае отсутствует требование невосприимчивости к излучаемой ВЧ-энергии для устройств контроля и наблюдения за ухудшением качества функционирования. Однако они должны быть устойчивы по отношению к любым ВЧ-токам, наводимым в проводах вне такого помещения. Если требуется визуальное наблюдение за ухудшением качества функционирования, то используют соответствующую панель с прозрачным окном в стене экранированного помещения или систему видеонаблюдения. В площадь панели должен быть встроен цельный экранирующий материал, например вделанная в стекло проволочная сетка, или проводящий прозрачный материал, нанесенный на поверхность стекла. Телевизионную камеру устанавливают внутри помещения между соседними пирамидами угленасыщенного пенистого материала, причем в таком месте комнаты, чтобы она не была преградой для главного отраженного сигнала ИО. Ухудшение характеристик аудиосигнала можно измерить с помощью акустических устройств связи или путем мониторинга восстановленной звуковой модуляции амплитудно-модулированной воздействующей ВЧ-несущей сигнала (детектированного аудиосигнала).
6.2.7 Установка для измерения помехоустойчивости
6.2.7.1 ИО устанавливают в центре зоны испытания экранированного помещения, облицованного поглощающим материалом. Однородное поле для испытания небольших изделий, то есть ИО, линейные размеры которого меньше длины волны, создается, когда расстояние до антенны значительно превышает длину волны. На расстояниях меньше длины волны поле становится сложным, комплексным. Для более объемных изделий, то есть когда размеры ИО превышают длину волны, антенна должна быть отнесена на расстояние, равное квадрату наибольшего линейного размера ИО в метрах, деленному на длину волны воздействующего сигнала. Если измерения проводят на более близких расстояниях, приемная антенна будет находиться в зоне сложного ближнего поля. Для обеспечения воспроизводимости результатов и прогнозируемости дальнего поля по данным ближнего поля в таких испытаниях необходимо учитывать сложный характер этого поля.
6.2.7.2 Устройства контроля и наблюдения за качеством функционирования подсоединяют к ИО в соответствии с планом испытания. Датчики напряженности поля, если они используются, должны устанавливаться для наблюдения или обеспечения выравнивания поля, только если воссоздаваемое заново поле измерялось так же, как на месте эксплуатации изделия пользователем. Все подключения не должны подвергаться воздействию поля или зависеть от поглощающего материала, а также влиять на качество функционирования ИО.
6.2.7.3 Передающую антенну устанавливают на устройстве поворота антенны, с помощью которого можно менять поляризацию, высоту и положение антенны относительно пластины заземления и ИО. Антенны с узкой диаграммой направленности при подъеме и опускании должны сохранять свою направленность на ИО.
6.2.7.4 Следует предусмотреть меры для наблюдения и регистрации различных ухудшений качества функционирования, определенных в плане испытания. Настоятельно рекомендуется там, где возможно, заменить субъективный визуальный или слуховой мониторинг оператором, проводящим испытания, на объективное измерение аналоговой или цифровой характеристики ИО по току или напряжению. Данный метод электрического мониторинга минимизирует ошибки оператора, которые возможны при длительном и утомительном цикле испытаний и измерений помехоустойчивости.
6.2.8 Процедура испытания помехоустойчивости
Процедуры испытания при измерениях помехоустойчивости в экранированных помещениях, облицованных поглощающим материалом, обычно аналогичны процедурам, проводимым в обычном экранированном помещении. Так как взаимодействие всех отраженных сигналов, обычно присутствующих в экранированном помещении, облицованном поглощающим материалом, значительно слабее, то измерения в таком помещении точнее и их воспроизводимость выше. В обоих случаях персонал, проводящий испытание, и приборы, используемые для испытания (усилитель, источник сигналов и т.п.), должны находиться вне экранированного помещения.
Основная процедура испытания включает следующее:
a) установку калиброванной напряженности поля помех, поляризации и модуляции (если требуется);
b) конфигурирование и обеспечение функционирования ИО согласно его типовому применению и ориентацию ИО для максимизации его отклика на воздействие при измерении помехоустойчивости;
c) изменение уровня передаваемого сигнала на каждой частоте для измерения значения, при котором происходит ухудшение качества функционирования, или до указанного уровня помехоустойчивости, в зависимости от того, что ниже;
d) сканирование полосы частот согласно плану испытания для определения характеристики помехоустойчивости ИО или для определения соответствия по принципу "проходит/не проходит";
e) регистрацию ухудшения качества функционирования и соответствующих уровней напряженности поля в функции от частоты и других параметров испытания.
6.3 Измерения на открытой испытательной площадке (OATS)
6.3.1 Введение
Уровни напряженности излучаемого поля с точки зрения помехоустойчивости по своей природе значительно выше, чем уровни излучаемых электромагнитных помех, которые обычно регулируются национальными правительственными органами. Типичными испытательными уровнями для большей части оборудования являются уровни выше 1 В/м. Для некоторых систем ИО и крупногабаритного автономного электронного оборудования требование облучать все ИО целиком приводит к необходимости использования источников большой мощности, эффективной передающей антенны с широкой диаграммой направленности и большой территории для испытания. Требования к мощности и антенне обычно не зависят от типа средства, используемого для испытания. В некоторых случаях крупногабаритное ИО не будет функционировать полностью, пока все его части не будут собраны на месте эксплуатации или на испытательной площадке больших размеров. Одной из таких испытательных площадок является открытая испытательная площадка, используемая для измерений излучаемых помех. Такие площадки пригодны для проведения испытаний во всей полосе частот и, в частности, применимы на частотах выше 30 МГц при соблюдении жестких ограничений, приведенных в
6.3.3.
6.3.2 Требования к измерительной площадке
Открытая испытательная площадка для измерения помехоустойчивости (OAITS), которая отвечает требованиям к открытой испытательной площадке (OATS), указанным в разделе 5 CISPR 16-1-4, физически подходит для проведения испытаний на помехоустойчивость. Допускается использование других площадок, если изменение напряженности электрического поля в объеме, занимаемом ИО, находится в пределах регламентированного допуска. Для этого может потребоваться установить передающую антенну на устройстве поворота антенны для изменения высоты антенны, а в некоторых случаях и поляризации относительно пластины заземления и места установки антенны. Антенны с узкой диаграммой направленности при изменении их высоты должны сохранять направленность на ИО. Изменение высоты антенны можно использовать для корректировки суммарной напряженности прямого и отраженного от экрана заземления сигналов, чтобы при изменении частоты в объеме ИО сохранялось указанное однородное поле. Эти требования необходимо выполнять только для полосы частот, определенной в плане испытания. Чтобы выполнить требование к однородности поля, может потребоваться покрыть пластину заземления поглощающим материалом.
6.3.3 Помехи радиослужбам
Обычно вблизи открытых испытательных площадок для измерения помехоустойчивости или на таких площадках из-за величины испытательного сигнала, используемого для измерения помехоустойчивости, существует высокая вероятность создания помех лицензированным радиочастотным службам. Необходимо принять специальные меры, чтобы генерирование испытательного поля не оказывало вредного воздействия на такие радиочастотные службы, особенно в полосах частот, относящихся к службам безопасности. Должны генерироваться поля не выше тех, что необходимы для измерения относительно нормы, указанной в технических требованиях, или для регистрации ухудшения качества функционирования ИО ниже этой нормы. При генерации таких полей они должны создаваться на очень короткие промежутки времени.
Существуют определенные полосы частот, в которых потенциал помех значительно ниже. Например, вполне вероятно, что в полосах частот работы ПНМ-изделий такие измерения не будут оказывать нежелательного влияния. Некоторые администрации могут потребовать наличия лицензии на экспериментальные работы с радиоизлучениями, выданной национальным полномочным органом. В лицензии должна быть дана подробная информация о конкретных частотах, времени работы, продолжительности работы при создании напряженности ВЧ-поля для измерения помехоустойчивости. Обычно лицензии, выдаваемые для проведения экспериментальных работ, на частоты, используемые в аварийных радиослужбах, коммерческом вещании, в правительственных каналах, частотном вещании и для передачи эталонного времени, не выдаются. Наиболее вероятным представляется получение разрешения на использование частот, отведенных для ПНМ-установок, и других частот, используемых в промышленности. Однако заметим, что эти разрешенные частоты могут быть разнесены настолько, что невозможно будет получить полного описания реальной характеристики при измерении помехоустойчивости.
Напряженность электрического поля E в условиях дальнего поля задается формулой
где U - напряжение на входе настроенной излучающей антенны с сопротивлением R;
d - расстояние между антенной и местом, где может быть размещен чувствительный радиоприемник;
G - коэффициент усиления антенны относительно полуволнового диполя.
При точности расчета 1,5 дБ значение коэффициента калибровки 2 учитывает влияние полного отражения от пластины заземления, когда высота передающей антенны выбрана так, чтобы напряженность поля была максимальной. В случае передающей антенны с вертикальной поляризацией эффективное поле, являющееся результатом взаимодействия полей прямого и отраженного сигналов, может не иметь линейную вертикальную поляризацию.
6.3.4 Процедуры измерения
6.3.4.1 Общие положения
Процедуры измерения помехоустойчивости в основном представляют собой те же самые процедуры, которые предусмотрены для измерений, проводимых с использованием любой испытательной площадки закрытого типа, такой как TEM-камера или экранированное (облицованное поглощающим материалом или нет) помещение. При использовании TEM-камеры сигнал подается между центральным проводником и внешней оболочкой; на открытой испытательной площадке для измерения помехоустойчивости (OAITS) и в других обычных экранированных помещениях сигнал подается на передающую антенну.
6.3.5 Измерительная установка на открытой испытательной площадке
6.3.5.1 Общие положения
Для обеспечения напряженности поля при измерении помехоустойчивости требуется достаточно высокий уровень мощности. Чем ближе к антенне находится ИО, тем меньше должна быть требуемая мощность.

часть измерений на открытой испытательной площадке выполняют при разделительных расстояниях между ИО и антенной менее 3 метров. Для ИО больших размеров это расстояние должно быть увеличено, чтобы антенна могла облучить все ИО целиком. Стоимость усилителя мощности и его наличие для полосы частот вплоть до 1000 МГц обычно ограничивает испытание больших систем. В некоторых случаях заключение о помехоустойчивости ИО как всей совокупной системы допускается выносить на основании испытаний составных частей ИО.
(справочное)
СВЕДЕНИЯ О СООТВЕТСТВИИ ССЫЛОЧНЫХ МЕЖДУНАРОДНЫХ СТАНДАРТОВ
МЕЖГОСУДАРСТВЕННЫМ СТАНДАРТАМ
Таблица ДА.1
Обозначение международного стандарта | Степень соответствия | Обозначение и наименование межгосударственного стандарта |
IEC 60083:1997 | - | |
IEC 60364-4 | - | |
| | ИС МЕГАНОРМ: примечание. В официальном тексте документа, видимо, допущена опечатка: возможно, имеется в виду ГОСТ CISPR 16-1-2-2016. | |
|
CISPR 16-1-2:2003 | IDT | ГОСТ CISPR 16-1-2-2015 "Требования к аппаратуре для измерения радиопомех и помехоустойчивости и методы измерения. Часть 1-2. Аппаратура для измерения радиопомех и помехоустойчивости. Устройства связи для измерений кондуктивных помех" |
CISPR 16-1-4:2003 | IDT | ГОСТ CISPR 16-1-4-2013 "Совместимость технических средств электромагнитная. Требования к аппаратуре для измерения параметров индустриальных радиопомех и помехоустойчивости и методы измерений. Часть 1-4. Аппаратура для измерения радиопомех и помехоустойчивости. Антенны и испытательные площадки для измерения излучаемых радиопомех" |
ITU-R BS.468-4 | - | |
<*> Соответствующий межгосударственный стандарт отсутствует. До его утверждения рекомендуется использовать перевод на русский язык данного международного стандарта. Примечание - В настоящей таблице использовано следующее обозначение степени соответствия стандартов: - IDT - идентичные стандарты. |