Главная // Актуальные документы // ГОСТ (Государственный стандарт)СПРАВКА
Источник публикации
М.: Стандартинформ, 2018
Примечание к документу
Документ
введен в действие с 01.06.2018.
Взамен ГОСТ 17370-71.
Название документа
"ГОСТ 17370-2017 (ISO 1926:2009). Межгосударственный стандарт. Пластмассы ячеистые жесткие. Метод испытания на растяжение"
(введен в действие Приказом Росстандарта от 12.12.2017 N 1943-ст)
"ГОСТ 17370-2017 (ISO 1926:2009). Межгосударственный стандарт. Пластмассы ячеистые жесткие. Метод испытания на растяжение"
(введен в действие Приказом Росстандарта от 12.12.2017 N 1943-ст)
Приказом Федерального агентства
по техническому регулированию
и метрологии
от 12 декабря 2017 г. N 1943-ст
МЕЖГОСУДАРСТВЕННЫЙ СТАНДАРТ
ПЛАСТМАССЫ ЯЧЕИСТЫЕ ЖЕСТКИЕ
МЕТОД ИСПЫТАНИЯ НА РАСТЯЖЕНИЕ
Cellular rigid plastics. Tensile test method
(ISO 1926:2009,
Rigid cellular plastics - Determination of tensile
properties, MOD)
ГОСТ 17370-2017
(ISO 1926:2009)
Дата введения
1 июня 2018 года
Цели, основные принципы и основной порядок проведения работ по межгосударственной стандартизации установлены в
ГОСТ 1.0-2015 "Межгосударственная система стандартизации. Основные положения" и
ГОСТ 1.2-2015 "Межгосударственная система стандартизации. Стандарты межгосударственные, правила, рекомендации по межгосударственной стандартизации. Правила разработки, принятия, обновления и отмены"
1 ПОДГОТОВЛЕН Автономной некоммерческой организацией "Центр нормирования, стандартизации и классификации композитов" при участии Объединения юридических лиц "Союз производителей композитов" и Акционерного общества "Институт пластмасс имени Г.С. Петрова" на основе собственного перевода на русский язык англоязычной версии стандарта, указанного в
пункте 5
2 ВНЕСЕН Федеральным агентством по техническому регулированию и метрологии
3 ПРИНЯТ Межгосударственным советом по стандартизации, метрологии и сертификации (протокол от 30 ноября 2017 г. N 52-2017)
За принятие проголосовали:
Краткое наименование страны по МК (ИСО 3166) 004-97 | Код страны по МК (ИСО 3166) 004-97 | Сокращенное наименование национального органа по стандартизации |
Беларусь | BY | Госстандарт Республики Беларусь |
Россия | RU | Росстандарт |
Таджикистан | TJ | Таджикстандарт |
4 Приказом Федерального агентства по техническому регулированию и метрологии от 12 декабря 2017 г. N 1943-ст межгосударственный стандарт ГОСТ 17370-2017 (ISO 1926:2009) введен в действие в качестве национального стандарта Российской Федерации с 1 июня 2018 г.
5 Настоящий стандарт модифицирован по отношению к международному стандарту ISO 1926:2009 "Поропласты жесткие. Определение механических свойств при растяжении" ("Rigid cellular plastics - Determination of tensile properties", MOD).
Дополнительные фразы, слова, показатели и их значения, включенные в текст настоящего стандарта, выделены курсивом.
Ссылки на международные стандарты, которые не приняты в качестве межгосударственных стандартов, заменены ссылками на соответствующие межгосударственные стандарты, раздел "Прецизионность" исключен, так как его данные основаны на редакции международного стандарта 1993 г. и не несут полезной информации, разделы 6 и 8 международного стандарта объединены с целью удобства применения.
Наименование настоящего стандарта изменено относительно наименования указанного международного стандарта для приведения в соответствие с ГОСТ 1.5
(подраздел 3.6).
Сопоставление структуры настоящего стандарта со структурой примененного в нем международного стандарта приведено в
приложении ДА.
Сведения о соответствии ссылочного межгосударственного стандарта международному стандарту, использованному в качестве ссылочного в примененном международном стандарте, приведены в дополнительном
приложении ДБ
6 ВЗАМЕН ГОСТ 17370-71
Информация об изменениях к настоящему стандарту публикуется в ежегодном информационном указателе "Национальные стандарты", а текст изменений и поправок - в ежемесячном информационном указателе "Национальные стандарты". В случае пересмотра (замены) или отмены настоящего стандарта соответствующее уведомление будет опубликовано в ежемесячном информационном указателе "Национальные стандарты". Соответствующая информация, уведомление и тексты размещаются также в информационной системе общего пользования - на официальном сайте Федерального агентства по техническому регулированию и метрологии в сети Интернет (www.gost.ru)
Настоящий стандарт распространяется на жесткие ячеистые пластмассы и устанавливает метод испытания на растяжение.
Метод применим к ячеистым материалам, обладающим достаточной для закрепления образцов для испытания прочностью при сжатии. Если закрепить образец не представляется возможным, концы образца усиливают металлическими пластинами.
Соотношение размеров образца и пор должно быть таким, чтобы обеспечивалась достоверность результатов испытания.
В настоящем стандарте использованы нормативные ссылки на следующие межгосударственные стандарты:
ГОСТ 12423-2013 (ISO 291:2008) Пластмассы. Условия кондиционирования и испытания образцов (проб)
ГОСТ 25015-2017 Пластмассы ячеистые и пенорезины. Метод измерения линейных размеров
Примечание - При пользовании настоящим стандартом целесообразно проверить действие ссылочных стандартов в информационной системе общего пользования - на официальном сайте Федерального агентства по техническому регулированию и метрологии в сети Интернет или по ежегодному информационному указателю "Национальные стандарты", который опубликован по состоянию на 1 января текущего года, и по выпускам ежемесячного информационного указателя "Национальные стандарты" за текущий год. Если ссылочный стандарт заменен (изменен), то при пользовании настоящим стандартом следует руководствоваться заменяющим (измененным) стандартом. Если ссылочный стандарт отменен без замены, то положение, в котором дана ссылка на него, применяется в части, не затрагивающей эту ссылку.
Образец материала подвергают воздействию растягивающего напряжения, строят соответствующую кривую "напряжение - деформация" и определяют максимальное напряжение при растяжении образца, разрушающее напряжение в момент разрыва образца и относительное удлинение при максимальном напряжении и при разрыве образца.
4.1 Испытания проводят на испытательной машине, отвечающей следующим требованиям:
a) имеет захваты для закрепления образцов:
- обеспечивающие надежное крепление образца для исключения проскальзывания и совпадение продольной оси образца с направлением растяжения;
- не оказывающие давления на зажатые концы образца, которое может вызвать деформирование образца или его разрушение или разрушение ячеистой структуры пластмассы.
Если не удается избежать разрушения образца в зоне захватов, используют образец для испытаний типа 3 с усиливающими металлическими пластинами, который фиксируют в захватах, представляющих собой два цилиндра диаметром 30 мм, перпендикулярных плоскости образца, один из захватов неподвижный, второй - подвижный, нагрузка подается равномерно на каждый из четырех цилиндров;
b) обеспечивает постоянную скорость движения подвижного захвата с закрепленным образцом в направлении, параллельном продольной оси образца, (5 +/- 1) мм/мин;
c) обеспечивает измерение и регистрацию нагрузки, приложенной к образцу в пределах рабочего диапазона с погрешностью не более 1% измеряемой величины;
d) оснащена экстензометром для измерения изменения расчетной длины образца, обеспечивающим измерение с точностью до 0,1 мм.
Прибор может быть закреплен непосредственно на образце и выбран таким образом, чтобы масса прибора и способ его крепления не оказывали существенного влияния на определяемые показатели, или не закреплен на образце и позволять производить измерение изменения расчетной длины образца, ограниченной метками, при помощи оптических или других систем измерения. Расстояние между двумя параллельными поверхностями щупов экстензометра, определяющее его расчетную длину, не должно изменяться более чем на 1% (допуск на параллельность).
4.2 Средства измерения линейных размеров образцов по ГОСТ 25015.
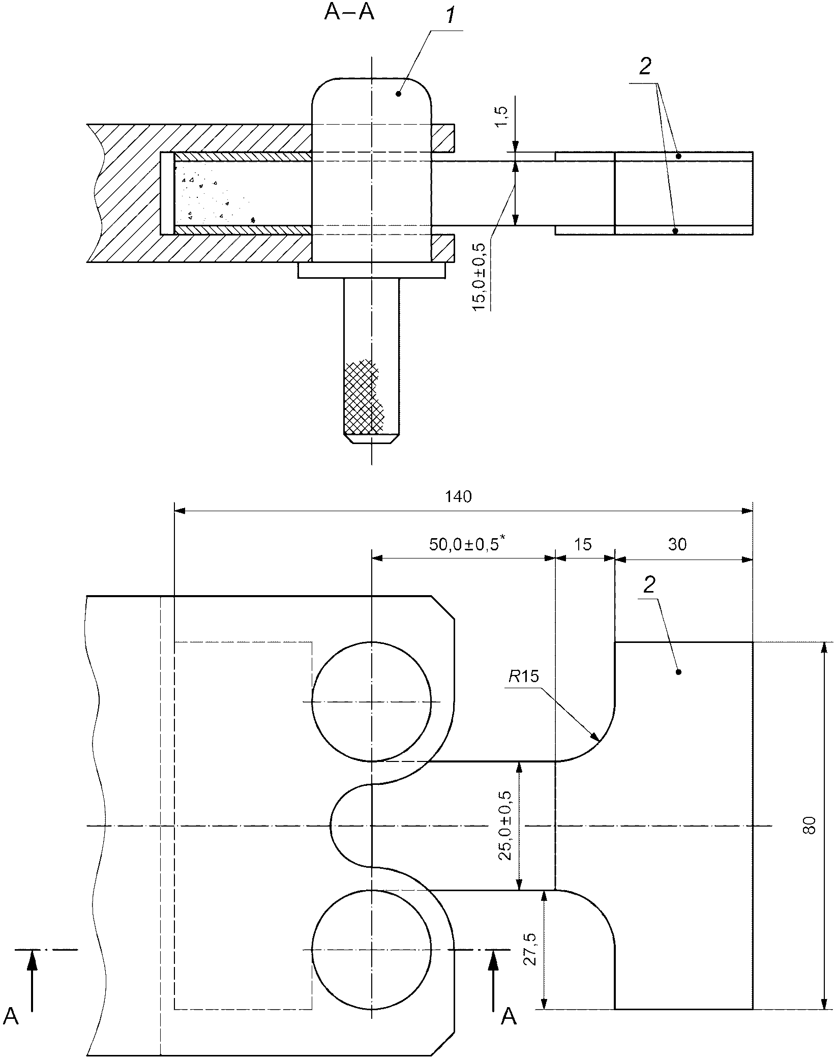
5.1 Размеры
Для испытания применяют образцы
типов 1 - 3. Форма и размеры образцов в соответствии с
рисунками 1,
2, 3.
--------------------------------
<*> Расстояние между захватами;
<**> Расчетная длина образца.
Рисунок 1 - Образец для испытания
типа 1
а - разъемный вкладыш; б - захват
Рисунок 2 - Образец для испытания типа 2
--------------------------------
<*> Расчетная длина образца.
1 - нижняя часть не показана; 2 - металлические пластины
Рисунок 3 - Образец
типа 3 с металлическими пластинами
Образец типа 2 допускается применять для испытания ячеистых пластмасс толщиной более 50 мм.
Образец типа 3 применяют, если при закреплении образцов типов 1 и 2 в захватах происходит разрушение ячеистой структуры пластмассы.
5.2 Подготовка и кондиционирование образцов
С заготовки ячеистой пластмассы удаляют поверхностную пленку, образовавшуюся в процессе формования, и вырезают образцы для испытания путем механической обработки, не изменяя ячеистую структуру.
Образцы для испытания типов 1 и 3 изготавливают путем механической обработки на фрезерном станке, образец типа 2 - на токарном станке так, чтобы продольная ось образца была перпендикулярна направлению вспенивания материала. Если требуется вырезать образец в другом направлении, это указывают в нормативном документе или технической документации на ячеистую пластмассу или согласовывают между заинтересованными сторонами.
При необходимости отмечают ориентацию образцов по отношению к направлению анизотропии.
Образцы должны иметь ровную поверхность без видимых дефектов ячеистой структуры и механической обработки.
Образцы типа 3 испытывают с применением усиливающих металлических пластин, формы и размеры которых указаны на
рисунке 3, к каждому образцу перед испытанием приклеивают четыре металлические пластины. Рекомендуется использовать металлические пластины из алюминиевых сплавов или алюминия.
Для исключения отрыва ячеистого материала от металлических пластин в процессе испытания клей, применяемый для приклеивания металлических пластин к образцу, должен быть таким, чтобы предел прочности при сдвиге клеевого шва был больше предела прочности при сдвиге ячеистого материала. Клей не должен влиять на свойства ячеистого материала. Рекомендуется использовать клей на основе эпоксидной смолы.
Чтобы убедиться в том, что удлинение клеевого слоя не будет вносить существенной погрешности в определение удлинения образца, предварительно проводят соответствующие испытания.
Для надежной фиксации металлических пластин до отверждения клея используют зажимы.
Образцы кондиционируют по
ГОСТ 12423 не менее 6 ч в одном из режимов:
температура, °C | относительная влажность, % |
23 +/-2 | 50 +/- 10 |
23 +/- 5 | |
27 +/- 5 | |
Допускается перед испытанием кондиционировать образцы по ГОСТ 12423 в течение 24 ч при температуре (23 +/- 2) °C и относительной влажности (50 +/- 5)%, если в нормативном документе или технической документации на конкретный материал нет других указаний.
5.3 Число образцов
Испытывают не менее пяти образцов. Образцы, разрушившиеся в процессе испытания за пределами расчетной длины, отбраковывают. При необходимости число образцов увеличивают для получения не менее пяти достоверных результатов испытания.
Если для получения пяти достоверных результатов испытания требуется не менее семи образцов для испытания, рекомендуется использовать образец типа 3 с применением усиливающих металлических пластин.
Испытания проводят в тех же условиях, в которых проводилось кондиционирование образцов (см.
5.2).
Перед испытанием:
- на образец симметрично наносят метки, ограничивающие его расчетную длину (базу для измерения деформации), равную (50,0 +/- 0,5) мм. Нанесение меток не должно приводить к изменению свойств материала и к его разрушению по меткам;
- измеряют линейные размеры каждого образца по ГОСТ 25015, толщину h и ширину b образца измеряют в трех местах по длине рабочей части: в середине и на расстоянии 5 мм от меток. Используя полученные данные, вычисляют среднеарифметическое значение толщины и ширины, а затем первоначальную площадь поперечного сечения рабочей части образца S.
Образец закрепляют в захватах. При необходимости используют металлические пластины.
На образце для испытания, закрепленном в захвате, устанавливают прибор для измерения деформации [см. 4 d)].
К образцу прилагают нагрузку путем равномерного движения подвижного захвата со скоростью (5 +/- 1) мм/мин.
Если не используют экстензометр, то удлинение образца регистрируют через заданные интервалы времени в зависимости от приложенной нагрузки.
В процессе растяжения вплоть до разрушения образца строят график зависимости "напряжение - деформация".
Так как при испытании образцов типа 3 используют металлические пластины, удлинение испытуемых образцов можно измерять по изменению расстояния между захватами, в этом случае это указывают в протоколе испытаний.
В расчет принимают результаты, полученные на образцах, разрушившихся в пределах расчетной длины образца.
7.1 Относительное удлинение
Относительное удлинение

, %, вычисляют по формуле

, (1)
где

- приращение расчетной длины образца, соответствующее определенной нагрузке, измеренное по изменению расстояния между метками, мм;
L0 - первоначальная расчетная длина образца.
После определения по кривой "напряжение - деформация" соответствующих удлинений вычисляют относительное удлинение при максимальном напряжении
и относительное удлинение при разрыве

,
%, по формулам соответственно

, (2)

, (3)
где
- приращение расчетной длины образца при максимальном напряжении при растяжении, мм;
L0 - первоначальная расчетная длина образца, мм;
- приращение расчетной длины образца при разрыве, мм.
Примечание - При испытании образца типа 3 вместо приращения расчетной длины и первоначальной расчетной длины используют приращение расстояния между захватами и первоначальное расстояние между захватами соответственно.
7.2 Максимальное напряжение при растяжении
Максимальное напряжение при растяжении

,
МПа, вычисляют по формуле

, (4)
где Pmax - максимальная нагрузка, приложенная к образцу в процессе испытания, Н;
S - первоначальная площадь поперечного сечения рабочей части образца, мм2.
7.3 Разрушающее напряжение при растяжении
Разрушающее напряжение при растяжении

, МПа, вычисляют по формуле

, (5)
где Pr - нагрузка, приложенная к образцу, в момент разрушения, Н;
S - первоначальная площадь поперечного сечения рабочей части образца, мм2.
7.4 За результат испытания принимают среднеарифметическое значение всех параллельных определений. Допускаемое расхождение между параллельными определениями указывают в нормативных документах или технической документации на материал.
Протокол испытания должен содержать:
a) ссылку на настоящий стандарт;
b) полную идентификацию материала для испытания;
c) использованный режим кондиционирования;
d) тип образца для испытания (при использовании образца типа 3 с металлическими пластинами указывается "использовались образцы с металлическими пластинами");
e) число испытанных образцов;
f) направление приложения растягивающей нагрузки относительно направления анизотропии образцов (при необходимости);
g) результаты испытания (индивидуальные и среднеарифметическое значения), вычисленные по формулам, приведенным в
разделе 7;
h) график "напряжение - деформация" (при необходимости);
i) любые отклонения от описанного метода;
j) дату проведения испытания.
(справочное)
СОПОСТАВЛЕНИЕ СТРУКТУРЫ НАСТОЯЩЕГО СТАНДАРТА СО СТРУКТУРОЙ
ПРИМЕНЕННОГО В НЕМ МЕЖДУНАРОДНОГО СТАНДАРТА
Таблица ДА.1
Структура межгосударственного стандарта | Структура международного стандарта ISO 1926:2009 |
| 1 Область применения |
| 2 Нормативные ссылки |
| 3 Сущность метода |
| 4 Аппаратура |
| 5 Образцы для испытания |
| 6 Проведения испытания (основной метод) |
| 7 Обработка результатов |
| 8 Вариант с использование металлических накладок |
- | |
Приложение ДА | - |
| - |
Примечание - Раздел 9 "Прецизионность" исключен, так как он не несет полезной информации. |
(справочное)
СВЕДЕНИЯ О СООТВЕТСТВИИ ССЫЛОЧНОГО МЕЖГОСУДАРСТВЕННОГО
СТАНДАРТА МЕЖДУНАРОДНОМУ СТАНДАРТУ, ИСПОЛЬЗОВАННОМУ
В КАЧЕСТВЕ ССЫЛОЧНОГО В ПРИМЕНЕННОМ МЕЖДУНАРОДНОМ СТАНДАРТЕ
Таблица ДБ.1
Обозначение ссылочного межгосударственного стандарта | Степень соответствия | Обозначение и наименование ссылочного международного стандарта |
| MOD | ISO 291:2008 "Пластмассы. Стандартные условия для кондиционирования образцов и проведения испытаний" |
Примечание - В настоящей таблице использовано следующее условное обозначение степени соответствия стандартов: - MOD - модифицированные стандарты. |
УДК 678.5.01:620.172:006.354 | | MOD |
Ключевые слова: пластмассы ячеистые жесткие, испытания, растяжение, деформация, образцы, удлинение |