Главная // Актуальные документы // ГОСТ (Государственный стандарт)
СПРАВКА
Источник публикации
М.: Стандартинформ, 2019
Примечание к документу
Документ введен в действие с 01.08.2020.
Название документа
"ГОСТ ISO 11001-2-2019. Межгосударственный стандарт. Тракторы сельскохозяйственные колесные. Трехточечные сцепные устройства. Часть 2. А-образное сцепное устройство"
(введен в действие Приказом Росстандарта от 23.10.2019 N 1052-ст)

"ГОСТ ISO 11001-2-2019. Межгосударственный стандарт. Тракторы сельскохозяйственные колесные. Трехточечные сцепные устройства. Часть 2. А-образное сцепное устройство"
(введен в действие Приказом Росстандарта от 23.10.2019 N 1052-ст)


Содержание


Введен в действие
Приказом Федерального
агентства по техническому
регулированию и метрологии
от 23 октября 2019 г. N 1052-ст
МЕЖГОСУДАРСТВЕННЫЙ СТАНДАРТ
ТРАКТОРЫ СЕЛЬСКОХОЗЯЙСТВЕННЫЕ КОЛЕСНЫЕ
ТРЕХТОЧЕЧНЫЕ СЦЕПНЫЕ УСТРОЙСТВА
ЧАСТЬ 2
А-ОБРАЗНОЕ СЦЕПНОЕ УСТРОЙСТВО
Agricultural wheeled tractors. Three-point hitch couplers.
Part 2. A-frame coupler
(ISO 11001-2:1993, Agricultural wheeled tractors
and implements - Three-point hitch couplers - Part 2:
A-frame coupler,
IDT)
ГОСТ ISO 11001-2-2019
МКС 65.060.01
Дата введения
1 августа 2020 года
Предисловие
Цели, основные принципы и общие правила проведения работ по межгосударственной стандартизации установлены ГОСТ 1.0 "Межгосударственная система стандартизации. Основные положения" и ГОСТ 1.2 "Межгосударственная система стандартизации. Стандарты межгосударственные, правила и рекомендации по межгосударственной стандартизации. Правила разработки, принятия, обновления и отмены"
Сведения о стандарте
1 ПОДГОТОВЛЕН Федеральным государственным унитарным предприятием "Российский научно-технический центр информации по стандартизации, метрологии и оценке соответствия" (ФГУП "Стандартинформ") на основе собственного перевода на русский язык англоязычной версии стандарта, указанного в пункте 5
2 ВНЕСЕН Межгосударственным техническим комитетом по стандартизации МТК 284 "Тракторы и машины сельскохозяйственные"
3 ПРИНЯТ Межгосударственным советом по стандартизации, метрологии и сертификации (протокол от 30 сентября 2019 г. N 122-П)
За принятие проголосовали:
Краткое наименование страны по МК (ИСО 3166) 004-97
Код страны по МК (ИСО 3166) 004-97
Сокращенное наименование национального органа по стандартизации
Беларусь
BY
Госстандарт Республики Беларусь
Киргизия
KG
Кыргызстандарт
Россия
RU
Росстандарт
Таджикистан
TJ
Таджикстандарт
Узбекистан
UZ
Узстандарт
4 Приказом Федерального агентства по техническому регулированию и метрологии от 23 октября 2019 г. N 1052-ст межгосударственный стандарт ГОСТ ISO 11001-2-2019 введен в действие в качестве национального стандарта Российской Федерации с 1 августа 2020 г.
5 Настоящий стандарт идентичен международному стандарту ISO 11001-2:1993 "Тракторы сельскохозяйственные колесные и орудия. Трехточечные сцепные устройства. Часть 2. А-образное сцепное устройство" ("Agricultural wheeled tractors and implements - Three-point hitch couplers - Part 2: A-frame coupler", IDT).
Международный стандарт разработан Техническим комитетом по стандартизации ISO/TC 23 "Тракторы и машины для сельского и лесного хозяйства".
Наименование настоящего стандарта изменено относительно наименования указанного международного стандарта для приведения в соответствие с ГОСТ 1.5 (подраздел 3.6).
При применении настоящего стандарта рекомендуется использовать вместо ссылочных международных стандартов соответствующие им межгосударственные стандарты, сведения о которых приведены в дополнительном приложении ДА
6 ВВЕДЕН ВПЕРВЫЕ
Информация о введении в действие (прекращении действия) настоящего стандарта и изменений к нему на территории указанных выше государств публикуется в указателях национальных стандартов, издаваемых в этих государствах, а также в сети Интернет на сайтах соответствующих национальных органов по стандартизации.
В случае пересмотра, изменения или отмены настоящего стандарта соответствующая информация будет опубликована на официальном интернет-сайте Межгосударственного совета по стандартизации, метрологии и сертификации в каталоге "Межгосударственные стандарты"
1 Область применения
Настоящий стандарт устанавливает основные размеры для присоединения навесных машин с трехточечным сцепным устройством к колесным и гусеничным сельскохозяйственным тракторам, оборудованным трехточечным сцепным устройством со свободной тягой по ISO 730 или ISO 8759-2 и А-образным сцепным устройством.
Примечание - Как правило, размеры, относящиеся к тракторам и навесным машинам для использования со сцепными устройствами, совпадают с размерами трехточечных устройств по ISO 730-1 или ISO 8759-2 и с размерами зон свободного пространства по ISO 2332 <1>.
--------------------------------
<1> ISO 2332:1983, Agricultural tractors and machinery - Connection of implements via three-point linkage - Clearance zone around implement (Тракторы и машины сельскохозяйственные. Присоединение орудий с помощью трехточечных устройств навески. Зона свободного пространства вокруг орудия). В Российской Федерации действует ГОСТ ISO 2332-2013.
Система трехточечных сцепных устройств устанавливает специальный метод агрегатирования навесных машин. Сцепные устройства являются дополнительным элементом, расположенным между трехточечным навесным устройством трактора и навесной машиной и позволяющим проводить агрегатирование и отсоединение навесной машины с рабочего места оператора трактора. В связи с особенностями конструкции и условий работы сцепных устройств может возникнуть необходимость изменять длину верхних и нижних тяг, указанную в ссылочных стандартах.
Настоящий стандарт применяется к сцепным устройствам категории 2 колесных сельскохозяйственных тракторов по ISO 730-1.
2 Нормативные ссылки
В настоящем стандарте использованы нормативные ссылки на следующие международные стандарты [для датированных ссылок применяют только указанное издание ссылочного стандарта, для недатированных - последнее издание (включая все изменения к нему)]:
ISO 730-1:1990, Agricultural wheeled tractors - Rear-mounted three-point linkage - Part 1: Categories 1, 2, and 3 (Тракторы колесные сельскохозяйственные. Трехточечное задненавесное устройство. Часть 1. Категории 1, 2 и 3) <2>
--------------------------------
<2> Заменен. Действует ISO 730-1:2009.
ISO 8759-2:1985, Agricultural wheeled tractors - Front-mounted linkage and power take-off - Part 2: Front linkage (Тракторы колесные сельскохозяйственные. Передние навесные устройства и валы отбора мощности. Часть 2. Передние навесные устройства) <3>
--------------------------------
<3> Заменен. Действует ISO 8759-2:1998.
3 Принцип работы системы с рамным сцепным устройством
Система с рамным сцепным устройством является однофазным сцепным устройством, в котором трехточечное навесное устройство трактора (см. ISO 730-1 или ISO 8759-2) оборудовано А-образной рамой, а навесная машина имеет элементы для присоединения к раме. Агрегатирование и отсоединение навесной машины может проводиться с рабочего места оператора трактора (см. рисунок 1).
Рисунок 1 - Принцип работы системы с А-образным
сцепным устройством
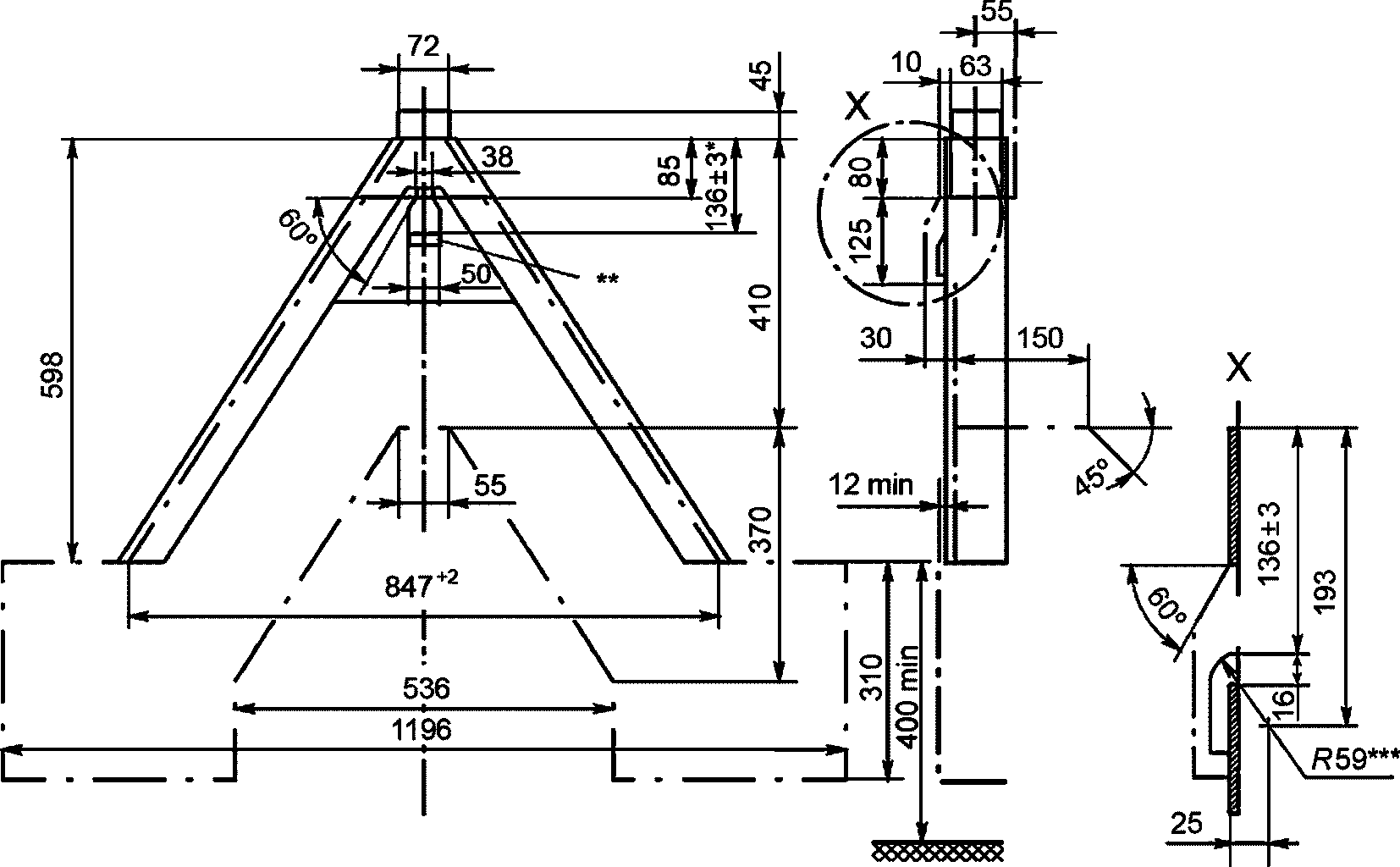
4 Размеры сцепного устройства
Размеры сцепного устройства должны соответствовать указанным на рисунках 2 и 3.
--------------------------------
<*> Размер для справок.
Рисунок 2 - Размеры сцепного устройства, относящиеся
к навесной машине
Неуказанные допуски - +/- 0,1
--------------------------------
<*> См. увеличение X.
<**> Регулируемая площадка для обеспечения размера 136 мм.
<***> Проем блокирующего устройства.
Рисунок 3 - Размеры сцепного устройства, относящиеся
к навесной машине
5 Требования, относящиеся к навесным машинам
5.1 Зоны свободного пространства
Зоны свободного пространства должны соответствовать рисунку 3.
5.2 Блокирующее устройство
Должно быть предусмотрено блокирующее устройство для предотвращения отсоединения навесной машины.
Приложение ДА
(справочное)
СВЕДЕНИЯ О СООТВЕТСТВИИ ССЫЛОЧНЫХ МЕЖДУНАРОДНЫХ СТАНДАРТОВ
МЕЖГОСУДАРСТВЕННЫМ СТАНДАРТАМ
Таблица ДА.1
Обозначение ссылочного международного стандарта
Степень соответствия
Обозначение и наименование соответствующего межгосударственного стандарта
ISO 730-1:1990
IDT
ГОСТ ISO 730-2019 "Тракторы колесные сельскохозяйственные. Трехточечное задненавесное устройство. Категории 1N, 1, 2N, 2, 3N, 3, 4N и 4"
ISO 8759-2:1985
-
<*> Соответствующий межгосударственный стандарт отсутствует. До его принятия рекомендуется использовать перевод на русский язык данного международного стандарта.
Примечание - В настоящей таблице использовано следующее условное обозначение степени соответствия стандартов:
- IDT - идентичные стандарты.
УДК 629.114.12:006.354
МКС 65.060.01
IDT
Ключевые слова: колесные сельскохозяйственные тракторы, трехточечное сцепное устройство, А-образное сцепное устройство