Главная // Актуальные документы // ГОСТ (Государственный стандарт)СПРАВКА
Источник публикации
М.: Стандартинформ, 2019
Примечание к документу
Документ
введен в действие с 01.08.2020.
Название документа
"ГОСТ ISO 11001-1-2019. Межгосударственный стандарт. Тракторы сельскохозяйственные колесные. Трехточечные сцепные устройства. Часть 1. U-образное сцепное устройство"
(введен в действие Приказом Росстандарта от 23.10.2019 N 1051-ст)
"ГОСТ ISO 11001-1-2019. Межгосударственный стандарт. Тракторы сельскохозяйственные колесные. Трехточечные сцепные устройства. Часть 1. U-образное сцепное устройство"
(введен в действие Приказом Росстандарта от 23.10.2019 N 1051-ст)
агентства по техническому
регулированию и метрологии
от 23 октября 2019 г. N 1051-ст
МЕЖГОСУДАРСТВЕННЫЙ СТАНДАРТ
ТРАКТОРЫ СЕЛЬСКОХОЗЯЙСТВЕННЫЕ КОЛЕСНЫЕ
ТРЕХТОЧЕЧНЫЕ СЦЕПНЫЕ УСТРОЙСТВА
ЧАСТЬ 1
U-ОБРАЗНОЕ СЦЕПНОЕ УСТРОЙСТВО
Agricultural wheeled tractors.
Three-point hitch couplers. Part 1. U-frame coupler
(ISO 11001-1:2016, IDT)
ГОСТ ISO 11001-1-2019
Дата введения
1 августа 2020 года
Цели, основные принципы и общие правила проведения работ по межгосударственной стандартизации установлены
ГОСТ 1.0 "Межгосударственная система стандартизации. Основные положения" и
ГОСТ 1.2 "Межгосударственная система стандартизации. Стандарты межгосударственные, правила и рекомендации по межгосударственной стандартизации. Правила разработки, принятия, обновления и отмены"
1 ПОДГОТОВЛЕН Федеральным государственным унитарным предприятием "Стандартинформ" на основе собственного перевода на русский язык англоязычной версии стандарта, указанного в
пункте 5
2 ВНЕСЕН Межгосударственным техническим комитетом по стандартизации МТК 284 "Тракторы и машины сельскохозяйственные"
3 ПРИНЯТ Межгосударственным советом по стандартизации, метрологии и сертификации (протокол от 30 сентября 2019 г. N 122-П)
За принятие проголосовали:
Краткое наименование страны по МК (ИСО 3166) 004-97 | Код страны по МК (ИСО 3166) 004-97 | Сокращенное наименование национального органа по стандартизации |
Беларусь | BY | Госстандарт Республики Беларусь |
Киргизия | KG | Кыргызстандарт |
Россия | RU | Росстандарт |
Таджикистан | TJ | Таджикстандарт |
Узбекистан | UZ | Узстандарт |
4
Приказом Федерального агентства по техническому регулированию и метрологии от 23 октября 2019 г. N 1051-ст межгосударственный стандарт ГОСТ ISO 11001-1-2019 введен в действие в качестве национального стандарта Российской Федерации с 1 августа 2020 г.
5 Настоящий стандарт идентичен международному стандарту ISO 11001-1:2016 "Тракторы сельскохозяйственные колесные. Трехточечные сцепные устройства. Часть 1. U-образное сцепное устройство" ("Agricultural wheeled tractors - Three-point hitch couplers - Part 1: U-frame coupler", IDT).
Международный стандарт ISO 11001-1 разработан Техническим комитетом по стандартизации ISO/TC 23 "Тракторы и машины для сельского и лесного хозяйства".
При применении настоящего стандарта рекомендуется использовать вместо ссылочных международных стандартов соответствующие им межгосударственные стандарты, сведения о которых приведены в дополнительном
приложении ДА
6 ВВЕДЕН ВПЕРВЫЕ
Информация о введении в действие (прекращении действия) настоящего стандарта и изменений к нему на территории указанных выше государств публикуется в указателях национальных стандартов, издаваемых в этих государствах, а также в сети Интернет на сайтах соответствующих национальных органов по стандартизации.
В случае пересмотра, изменения или отмены настоящего стандарта соответствующая информация будет опубликована на официальном интернет-сайте Межгосударственного совета по стандартизации, метрологии и сертификации в каталоге "Межгосударственные стандарты"
Настоящий стандарт устанавливает основные размеры для присоединения навесных машин с трехточечным сцепным устройством к колесным и гусеничным сельскохозяйственным тракторам, оборудованным трехточечным сцепным устройством со свободной тягой по ISO 730 или ISO 8759-1 и U-образным сцепным устройством.
Примечание - Как правило, размеры, относящиеся к тракторам и навесным машинам для использования со сцепными устройствами, совпадают с размерами трехточечных устройств по ISO 730 или ISO 8759-1 и с размерами зон свободного пространства по ISO 2332.
Система трехточечных сцепных устройств устанавливает специальный метод агрегатирования навесных машин. Сцепные устройства являются дополнительным элементом, расположенным между трехточечным навесным устройством трактора и навесной машиной и позволяющим производить агрегатирование и отсоединение навесной машины с рабочего места оператора трактора. В связи с особенностями конструкции и условий работы сцепных устройств может возникнуть необходимость изменять длину верхних и нижних тяг, указанную в ссылочных стандартах.
Настоящий стандарт применяется к сцепным устройствам категорий 1, 2N, 2, 3N, 3, 4N и 4 колесных и гусеничных сельскохозяйственных тракторов по ISO 730 или ISO 8759-1.
В настоящем стандарте использованы нормативные ссылки на следующие международные стандарты. Для датированных ссылок применяют только указанное издание ссылочного стандарта. Для недатированных - последнее издание (включая все изменения).
ISO 730, Agricultural wheeled tractors - Rear-mounted three-point linkage - Categories 1N, 1, 2N, 2, 3N, 3, 4N and 4 (Тракторы колесные сельскохозяйственные. Трехточечное задненавесное устройство. Категории 1N, 1, 2N, 2, 3N, 3, 4N и 4)
ISO 2332:2009, Agricultural tractors and machinery - Connection of implements via three-point linkage - Clearance zone around implement (Тракторы и машины сельскохозяйственные. Присоединение орудий с помощью трехточечных устройств навески. Зона свободного пространства вокруг орудия)
ISO 8759-1, Agricultural wheeled tractors - Front-mounted equipment - Part 1: Power take-off and three-point linkage (Тракторы колесные сельскохозяйственные. Орудия передней навески. Часть 1. Вал отбора мощности и трехточечное навесное устройство)
3 Принцип работы системы с рамным сцепным устройством
Система с рамным сцепным устройством является однофазным сцепным устройством, в котором трехточечное навесное устройство трактора (см. ISO 730 или ISO 8759-1) оборудовано U-образной рамой, а навесная машина имеет элементы для присоединения к раме. Агрегатирование и отсоединение навесной машины могут проводиться с рабочего места оператора трактора.
4 Размеры сцепного устройства
4.1 Выступ верхнего крюка (размер B5) должен быть не более чем на 15,75 мм больше или не более чем на 6,35 мм меньше выступа нижнего крюка (размер B1).
4.2 Навесная машина при присоединении к сцепному устройству должна обеспечивать минимальный зазор
h3 (см.
рисунок 2 и
таблицу 2) для обеспечения возможности опускания всех элементов сцепного устройства для подтверждения надежного агрегатирования и отсоединения навесной машины от сцепного устройства.
Примечание - Ранее выпущенные навесные машины могут иметь зазор 120,9 мм для категорий 1, 2N, 2, 3N и 3 и 146 мм для категорий 4N и 4.
4.3 Верхний крюк сцепного устройства должен находиться по центру между нижними крюками в пределах 3 мм.
4.4 Нижняя точка присоединения навесной машины на сцепном устройстве должна быть расположена по высоте таким образом, чтобы были выполнены требования к высоте подъема, мощности и регулировкам уровня по ISO 730 или ISO 8759-1.
4.5 Элементы навесной машины, кроме сцепных пальцев, находящиеся в пределах ширины между нижними крюками (размер
A1), не должны выступать вперед от центров нижних крюков на расстоянии
h5 (см.
рисунок 2 и
таблицу 2) над нижним крюком. Элементы, расположенные выше этого расстояния, выступающие вбок на расстояние свыше
l3 (см.
рисунок 2 и
таблицу 2) от оси симметрии сцепного устройства, не должны выступать вперед более чем на 25 мм от вертикальной оси, проходящей через проем верхнего крюка.
4.6 Ширина между нижними крюками (A1) должна быть в пределах, установленных размерами B2, H6, H7 и B9.
4.7 Нижние тяги могут быть смещены относительно сцепных пальцев для обеспечения жесткости рамы сцепного устройства, в результате чего размеры L3 и L6, L4 и L7 соответственно могут совпадать.
4.8 Размер L по таблице 2 ISO 730 должен иметь диапазон 75 мм для категорий 1, 2N и 2 и диапазон 100 мм для категорий 3N, 3, 4N и 4. Размер B1 в настоящем стандарте позволяет уменьшить выступ нижних крюков по сравнению с диапазоном по ISO 730. Для тракторов с U-образным сцепным устройством в качестве стандартного оборудования нижние тяги должны быть укорочены таким образом, чтобы расстояние до нижнего крюка U-образного сцепного устройства попадало в диапазон размера L по ISO 730. Для тракторов, оснащенных U-образным сцепным устройством в качестве дополнительного оборудования, длина нижних тяг должна быть как можно ближе к минимальному размеру L по ISO 730, для обеспечения минимального превышения суммарной длины нижней тяги и длины U-образного сцепного устройства (выступа нижней скобы) над верхним пределом размера L по ISO 730.
4.9 Сцепные устройства с U-образной рамой, конструкция которых позволяет трансформировать их в другие виды сцепных устройств, не обязательно должны соответствовать размерам H6, H7, H5, L4, L2, L5 и L3 во всех конфигурациях.
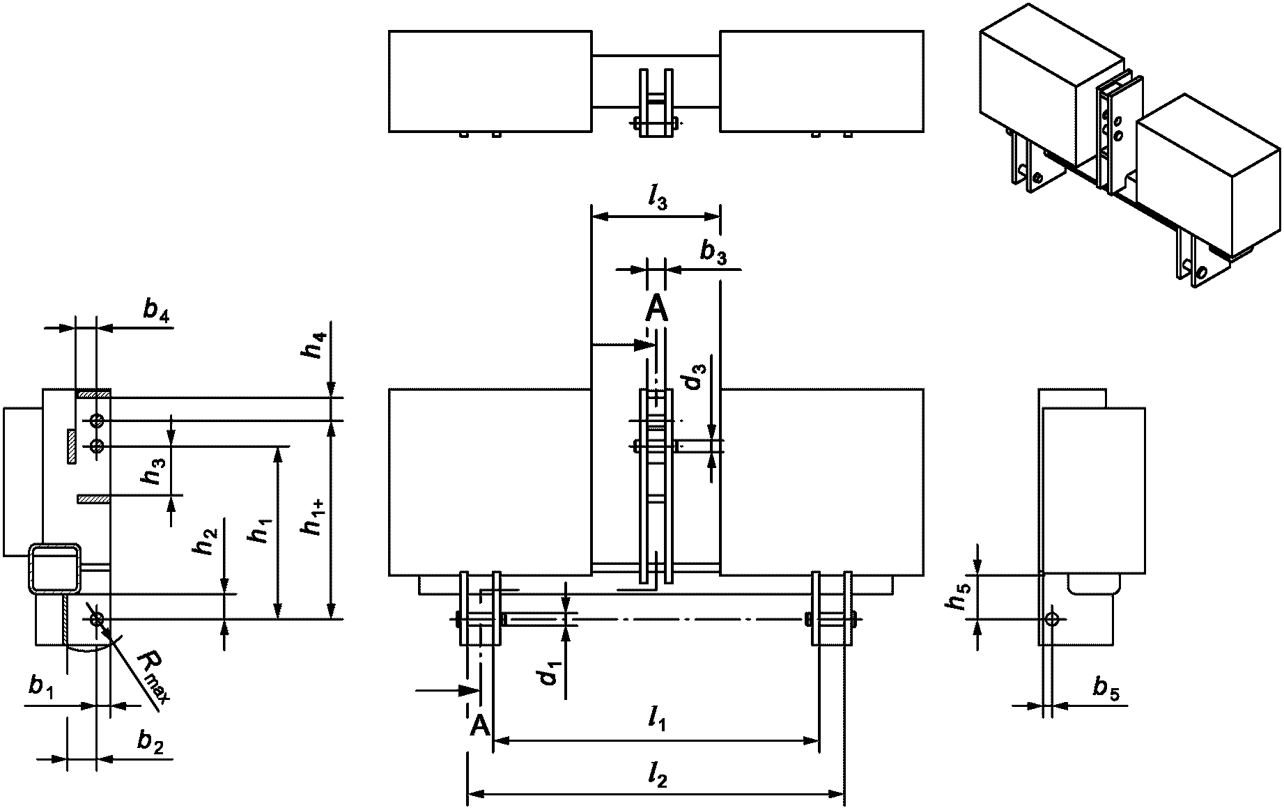
Рисунок 1 - Размеры сцепного устройства
Таблица 1
Размеры сцепного устройства
Размеры в миллиметрах
Размер | Описание | Категория |
1 | 2N | 2 | 3N | 3 | 4N | 4 |
min | max | min | max | min | max | min | max | min | max | min | max | min | max |
L1 | Внутренний проем нижних крюков | 686 | 690 | 686 | 690 | 828 | 834 | 828 | 834 | 970 | 975 | 925 | 930 | 1170 | 1175 |
A1 | Ширина нижних крюков | 28 | 30 | 63 | 67 | 63 | 67 | 63 | 67 | 63 | 67 | 86 | 89 | 86 | 89 |
B1 | Выступ нижних крюков | - | 104 | - | 130 | - | 130 | - | 130 | - | 130 | - | 165 | - | 165 |
D | Диаметр нижних крюков | 38,1 | 38,6 | 38,1 | 38,6 | 38,1 | 38,6 | 38,1 | 38,6 | 38,1 | 38,6 | 52 | 52,5 | 52 | 52,5 |
B2 | Вылет нижних крюков | - | 90 | - | 90 | - | 90 | - | 90 | - | 90 | - | 130 | - | 130 |
H1 | Глубина нижних крюков | - | 90 | - | 90 | - | 90 | - | 90 | - | 90 | - | 130 | - | 130 |
A2 | Ширина верхнего крюка | - | 36 | - | 44 | - | 44 | - | 44 | - | 44 | - | 57 | - | 57 |
B3 | Вылет верхнего крюка | - | 73 | - | 73 | - | 73 | - | 73 | - | 73 | - | 82 | - | 82 |
B4 | Проем верхнего крюка | 32,5 | 33,3 | 32,5 | 33,3 | 32,5 | 33,3 | 32,5 | 33,3 | 32,5 | 33,3 | 45,7 | 46,5 | 45,7 | 46,5 |
B5 | Выступ верхнего крюка | - | 108,5 | - | 130 | - | 130 | - | 130 | - | 130 | - | 165 | - | 165 |
H2 | Глубина верхнего крюка | - | 92 | - | 92 | - | 92 | - | 92 | - | 92 | - | 102 | - | 102 |
H3 | Высота верхнего крюка | - | 100 | - | 100 | - | 100 | - | 100 | - | 100 | - | 120 | - | 120 |
H4 | Высота расположения верхнего крюка | 375 | 378 | 375 | 378 | 375 | 378 | 477 | 480 | 477 | 480 | 680 | 683 | 680 | 683 |
H4+ | Альтернативная высота расположения верхнего крюка (опционально) | 455 | 458 | 478 | 481 | 478 | 481 | 554 | 557 | 554 | 557 | - | - | - | - |
B6 | Зазор до стоек прицепной машины | 42 | - | 42 | - | 42 | - | 42 | - | 42 | - | 54 | - | 54 | - |
H5 | Высота рамы сцепного устройства | 283 | - | 283 | - | 283 | - | 365 | - | 365 | - | 508 | - | 508 | - |
H6 | Высота стойки рамы сцепного устройства с внутренней стороны | 200 | - | 200 | - | 200 | - | 200 | - | 200 | - | 330 | - | 330 | - |
H7 | Высота стойки рамы сцепного устройства с внешней стороны | - | 830 | - | 830 | - | 1020 | - | 1020 | - | 1220 | - | 1220 | - | 1420 |
H8 | Высота нижнего крюка | - | 60 | - | 60 | - | 60 | - | 60 | - | 60 | - | 75 | - | 75 |
L2 | Ширина проема рамы сцепного устройства | 560 | - | 560 | - | 560 | - | 560 | - | 560 | - | 660 | - | 660 | - |
L3 | Внутренняя ширина рамы сцепного устройства | 657 | - | 657 | - | 796 | - | 796 | - | 858 | - | 858 | - | 1104 | - |
L4 | Внешняя ширина рамы сцепного устройства | - | 806 | - | 806 | - | 1005 | - | 1005 | - | 1175 | - | 1175 | - | 1420 |
L5 | Внешняя ширина верхней части рамы сцепного устройства | - | 880 | - | 880 | - | 1065 | - | 1065 | - | 1175 | - | 1420 | - | 1420 |
L6 | Внутреннее расстояние между нижними соединительными пальцами | 620 | - | 620 | - | 760 | - | 760 | - | 860 | - | 860 | - | 1104 | - |
L7 | Внешнее расстояние между нижними соединительными пальцами | - | 830 | - | 830 | - | 1020 | - | 1020 | - | 1220 | - | 1220 | - | 1420 |
B7 | Общий выступ рамы сцепного устройства | - | 225 | - | 225 | - | 225 | - | 225 | - | 305 | - | 305 | - | 305 |
B8 | Доступность верхнего крюка | 48 | - | 48 | - | 48 | - | 48 | - | 48 | - | 63 | - | 63 | - |
B9 | Зазор до нижней части рамы навесной машины | 42 | - | 42 | - | 42 | - | 42 | - | 42 | - | 54 | - | 54 | - |
R | Внутренний радиус нижнего крюка | - | 90 | - | 90 | - | 90 | - | 100 | - | 100 | - | 130 | - | 130 |
+ В качестве опции может быть предусмотрена альтернативная высота расположения верхнего крюка. Это положение соответствует североамериканской практике для высоты стоек для категорий 1, 2N, 2, 3N и 3 трехточечных навесных устройств. |
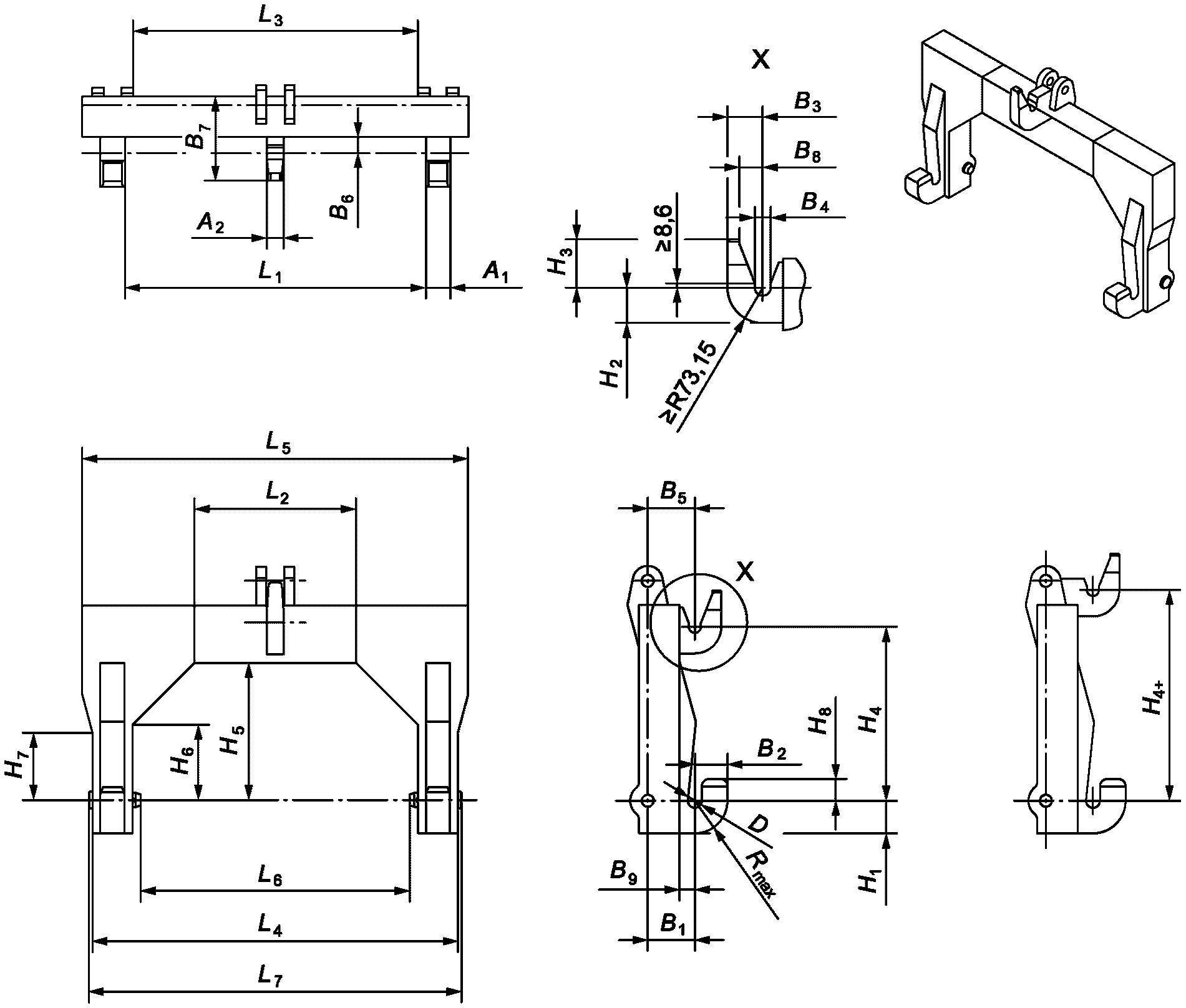
5 Размеры, относящиеся к навесным машинам
5.1 Для навесных машин с консольно установленными нижними сцепными пальцами должны быть предусмотрены специальные пальцы для быстрого соединения с размерами d1, l1, l2 и d2. Взамен специальных пальцев машины могут быть укомплектованы переходными втулками для обеспечения соответствия размеров d1, l1, l2 и d2.
Для навесных машин с нижними сцепными устройствами типа "скоба" не требуется дополнительных опорных поверхностей при условии соответствия диаметра пальца и размеров скобы размерам d1, l1, l2 305 и b1.
Необходимость и возможность использования переходных втулок устанавливается изготовителем навесной машины.
5.2 Нижняя точка присоединения навесной машины на U-образной раме должна быть расположена по высоте таким образом, чтобы были выполнены требования к высоте подъема, мощности и регулировкам уровня по ISO 730 или ISO 8759-1.
5.3 Элементы навесной машины, кроме сцепных пальцев и скоб, находящиеся в пределах ширины между нижними крюками [размер
A1 (см.
рисунок 1 и
таблицу 1)], не должны выступать вперед от центров нижних крюков на расстоянии
h5 (см.
рисунок 2 и
таблицу 2) над нижним крюком.
Элементы, расположенные выше этого расстояния, выступающие вбок на расстояние свыше
l3 (см.
рисунок 2 и
таблицу 2) от оси симметрии сцепного устройства, не должны выступать вперед более чем на 25 мм от вертикальной оси, проходящей через проем верхнего крюка.
5.4 Переходная втулка нижних пальцев должна иметь допуск длины не более 0,015 мм на 1 мм длины пальца.
5.5 Навесная машина при присоединении к сцепному устройству должна обеспечивать минимальный зазор
h3 (см.
рисунок 2 и
таблицу 2) для обеспечения возможности опускания всех элементов сцепного устройства для надежного агрегатирования и отсоединения навесной машины от сцепного устройства.
Примечание - Ранее выпущенные навесные машины могут иметь зазор 120,9 мм для категорий 1, 2N, 2, 3N и 3, и 146 мм для категорий 4N и 4.
5.6 Проем для верхнего крюка сцепного устройства на навесной машине должен находиться по центру между нижними сцепными пальцами в пределах 3 мм.
5.7 Должно быть предусмотрено обеспечение соответствующего продольного зазора верхнего крюка
b4 (см.
рисунок 2 и
таблицу 2) для навесных машин, опирающихся на землю или требующих регулировки уровня.
На обоих нижних крюках должно быть предусмотрено блокирующее устройство для предотвращения отсоединения навесной машины (см.
рисунок 1).
a) С консольно установленными пальцами
b) Тип "скоба"
Рисунок 2 - Размеры, относящиеся к навесной машине
Таблица 2
Размеры, относящиеся к навесной машине
Размеры в миллиметрах
Размер | Описание | Категория |
1 | 2N | 2 | 3N | 3 | 4N | 4 |
min | max | min | max | min | max | min | max | min | max | min | max | min | max |
d1 | Наружный диаметр нижнего пальца или переходной втулки | См. ISO 730 |
l1 | Расстояние между внутренними законцовками нижних пальцев | См. ISO 730 |
l2 | Расстояние между наружными законцовками нижних пальцев | 811 | 819 | 811 | 819 | 953 | 961 | 953 | 961 | 1108 | 1116 | 1108 | 1116 | 1358 | 1365 |
l3 | Боковой зазор навесной машины | 270 | - | 310 | - | 310 | - | 310 | - | 310 | - | 390 | - | 390 | - |
d2 | Диаметр внешних и внутренних законцовок нижних пальцев | 50 | 65 | 50 | 65 | 50 | 65 | 50 | 65 | 50 | 65 | 65 | - | 65 | - |
d3 | Диаметр верхнего пальца | См. ISO 730 |
h1 | Высота расположения верхнего пальца | 379 | 382 | 379 | 382 | 379 | 382 | 481 | 484 | 481 | 484 | 684 | 687 | 684 | 687 |
h1+ | Альтернативная высота расположения верхнего пальца (опционально) | 459 | 461 | 482 | 484 | 482 | 484 | 558 | 560 | 558 | 560 | - | - | - | - |
h2 | Проем для оголовка нижнего крюка | 85 | - | 85 | - | 85 | - | 85 | - | 85 | - | 100 | - | 100 | - |
h3 | Проем для опускания верхнего крюка | См. ISO 2332:2009, таблица 1, размер A |
h4 | Проем для оголовка верхнего крюка | 120 | - | 120 | - | 120 | - | 120 | - | 120 | - | 140 | - | 140 | - |
h5 | Вертикальный зазор навесной машины | 200 | - | 200 | - | 200 | - | 200 | - | 200 | - | 200 | - | 200 | - |
b1 | Горизонтальный выступ верхнего сцепного пальца | - | 38 | - | 38 | - | 38 | - | 38 | - | 38 | - | 51 | - | 51 |
b2 | Расстояние между нижними точками сцепки | 115 | - | 115 | - | 115 | - | 115 | - | 115 | - | 150 | - | 150 | - |
b3 | Ширина между внутренними поверхностями стоек | 52 | - | 52 | - | 52 | - | 52 | - | 52 | - | 65 | - | 65 | - |
b4 | Продольный зазор верхней точки сцепки | 80 | - | 80 | - | 80 | - | 90 | - | 90 | - | 120 | - | 120 | - |
b5 | Продольный зазор навесной машины | - | 25 | - | 25 | - | 25 | - | 25 | - | 25 | - | 25 | - | 25 |
R | Радиус присоединения нижней точки сцепки | - | 43 | - | 43 | - | 43 | - | 43 | - | 43 | - | 57 | - | 57 |
+ В качестве опции может быть предусмотрена альтернативная высота расположения верхнего крюка. Это положение соответствует североамериканской практике для высоты стоек для категорий 1, 2N, 2, 3N и 3 трехточечных навесных устройств. |
(справочное)
СВЕДЕНИЯ О СООТВЕТСТВИИ ССЫЛОЧНЫХ МЕЖДУНАРОДНЫХ СТАНДАРТОВ
МЕЖГОСУДАРСТВЕННЫМ СТАНДАРТАМ
Таблица ДА.1
Обозначение ссылочного международного стандарта | Степень соответствия | Обозначение и наименование соответствующего межгосударственного стандарта |
ISO 730 | IDT | ГОСТ ISO 730-2019 "Тракторы колесные сельскохозяйственные. Трехточечное задненавесное устройство. Категории 1N, 1, 2N, 2, 3N, 3, 4N и 4" |
ISO 2332:2009 | IDT | ГОСТ ISO 2332-2013 "Тракторы и машины сельскохозяйственные. Присоединение орудий с помощью трехточечных устройств навески. Зона свободного пространства вокруг орудия" |
ISO 8759-1 | - | |
<*> Соответствующий межгосударственный стандарт отсутствует До его принятия рекомендуется использовать перевод на русский язык данного международного стандарта. Оригинальный перевод данного международного стандарта находится в Федеральном информационном фонде стандартов. Примечание - В настоящей таблице использовано следующее условное обозначение степени соответствия стандартов: - IDT - идентичные стандарты. |
УДК 629.114.12:006.354 | | IDT |
Ключевые слова: колесные сельскохозяйственные тракторы, трехточечное сцепное устройство, U-образное сцепное устройство |