Главная // Актуальные документы // ГОСТ (Государственный стандарт)СПРАВКА
Источник публикации
М.: Стандартинформ, 2020
Примечание к документу
Документ
введен в действие с 01.01.2021.
Название документа
"ГОСТ IEC/TR 61000-3-7-2020. Межгосударственный стандарт. Электромагнитная совместимость (ЭМС). Часть 3-7. Нормы. Оценка норм электромагнитной эмиссии для подключения установок, создающих колебания напряжения, к системам электроснабжения среднего, высокого и сверхвысокого напряжения"
(введен в действие Приказом Росстандарта от 18.06.2020 N 276-ст)
"ГОСТ IEC/TR 61000-3-7-2020. Межгосударственный стандарт. Электромагнитная совместимость (ЭМС). Часть 3-7. Нормы. Оценка норм электромагнитной эмиссии для подключения установок, создающих колебания напряжения, к системам электроснабжения среднего, высокого и сверхвысокого напряжения"
(введен в действие Приказом Росстандарта от 18.06.2020 N 276-ст)
по техническому регулированию
и метрологии
от 18 июня 2020 г. N 276-ст
МЕЖГОСУДАРСТВЕННЫЙ СТАНДАРТ
ЭЛЕКТРОМАГНИТНАЯ СОВМЕСТИМОСТЬ (ЭМС)
ЧАСТЬ 3-7
НОРМЫ
ОЦЕНКА НОРМ ЭЛЕКТРОМАГНИТНОЙ ЭМИССИИ ДЛЯ ПОДКЛЮЧЕНИЯ
УСТАНОВОК, СОЗДАЮЩИХ КОЛЕБАНИЯ НАПРЯЖЕНИЯ, К СИСТЕМАМ
ЭЛЕКТРОСНАБЖЕНИЯ СРЕДНЕГО, ВЫСОКОГО
И СВЕРХВЫСОКОГО НАПРЯЖЕНИЯ
Electromagnetic compatibility (EMC). Part 3-7. Limits.
Assessment of emission limits for the connection
of fluctuating installations to MV, HV and EHV power systems
(IEC/TR 61000-3-7:2008, IDT)
ГОСТ IEC/TR 61000-3-7-2020
Дата введения
1 января 2021 года
Цели, основные принципы и общие правила проведения работ по межгосударственной стандартизации установлены
ГОСТ 1.0 "Межгосударственная система стандартизации. Основные положения" и
ГОСТ 1.2 "Межгосударственная система стандартизации. Стандарты межгосударственные, правила и рекомендации по межгосударственной стандартизации. Правила разработки, принятия, обновления и отмены"
1 ПОДГОТОВЛЕН Обществом с ограниченной ответственностью "Научно-методический центр "Электромагнитная совместимость" (ООО "НМЦ ЭМС") и Техническим комитетом по стандартизации ТК 030 "Электромагнитная совместимость технических средств" на основе собственного перевода на русский язык англоязычной версии документа, указанного в
пункте 5
2 ВНЕСЕН Федеральным агентством по техническому регулированию и метрологии
3 ПРИНЯТ Межгосударственным советом по стандартизации, метрологии и сертификации (протокол от 30 апреля 2020 г. N 129-П)
За принятие проголосовали:
Краткое наименование страны по МК (ИСО 3166) 004-97 | Код страны по МК (ИСО 3166) 004-97 | Сокращенное наименование национального органа по стандартизации |
Армения | AM | Минэкономики Республики Армения |
Беларусь | BY | Госстандарт Республики Беларусь |
Казахстан | KZ | Госстандарт Республики Казахстан |
Киргизия | KG | Кыргызстандарт |
Россия | RU | Росстандарт |
Таджикистан | TJ | Таджикстандарт |
Узбекистан | UZ | Узстандарт |
4
Приказом Федерального агентства по техническому регулированию и метрологии от 18 июня 2020 г. N 276-ст межгосударственный стандарт ГОСТ IEC/TR 61000-3-7-2020 введен в действие в качестве национального стандарта Российской Федерации с 1 января 2021 г.
5 Настоящий стандарт идентичен международному документу IEC/TR 61000-3-7:2008 "Электромагнитная совместимость (ЭМС). Часть 3-7. Нормы. Оценка норм электромагнитной эмиссии для подключения установок, создающих колебания напряжения, к системам электроснабжения среднего, высокого и сверхвысокого напряжения" ["Electromagnetic compatibility (EMC) - Part 3-7: Limits - Assessment of emission limits for the connection of fluctuating installations to MV, HV and EHV power systems", IDT].
Международный документ IEC/TR 61000-3-7:2008, представляющий собой технический отчет, подготовлен подкомитетом 77A "Низкочастотные явления" Технического комитета TC 77 IEC "Электромагнитная совместимость (ЭМС)".
При применении настоящего стандарта рекомендуется использовать вместо ссылочных международных стандартов соответствующие межгосударственные стандарты, сведения о которых приведены в дополнительном
приложении ДА.
Дополнительные сноски в тексте стандарта, выделенные курсивом, приведены для пояснения текста оригинала
6 ВВЕДЕН ВПЕРВЫЕ
Информация о введении в действие (прекращении действия) настоящего стандарта и изменений к нему на территории указанных выше государств публикуется в указателях национальных стандартов, издаваемых в этих государствах, а также в сети Интернет на сайтах соответствующих национальных органов по стандартизации.
В случае пересмотра, изменения или отмены настоящего стандарта соответствующая информация будет опубликована на официальном интернет-сайте Межгосударственного совета по стандартизации, метрологии и сертификации в каталоге "Межгосударственные стандарты"
Стандарты серии IEC 61000 публикуются отдельными частями в соответствии со следующей структурой:
- часть 1. Общие положения: общее рассмотрение (введение, фундаментальные принципы), определения, терминология;
- часть 2. Электромагнитная обстановка: описание электромагнитной обстановки, классификация электромагнитной обстановки, уровни электромагнитной совместимости;
- часть 3. Нормы: нормы электромагнитной эмиссии, нормы помехоустойчивости (в тех случаях, когда они не являются предметом рассмотрения техническими комитетами, разрабатывающими стандарты на продукцию);
- часть 4. Методы испытаний и измерений: методы измерений, методы испытаний;
- часть 5. Руководства по установке и помехоподавлению: руководства по установке, методы и устройства помехоподавления;
- часть 6. Общие стандарты;
- часть 9. Разное.
Каждая часть далее подразделяется на несколько частей, которые могут быть опубликованы в качестве международных стандартов или технических отчетов/требований, некоторые из которых были уже опубликованы как разделы. Другие будут опубликованы с указанием номера части, за которым следует дефис, а затем номер раздела (например, IEC 61000-6-1).
Настоящий стандарт представляет собой руководство в отношении принципов, которые могут быть применены в качестве основы для определения требований при подключении установок, создающих колебания напряжения, к системам электроснабжения среднего, высокого и сверхвысокого напряжения (на установки низкого напряжения распространяются другие документы IEC). Для целей настоящего стандарта установка, создающая колебания напряжения, означает установку (которая может представлять собой нагрузку или генератор), вызывающую фликер напряжения и/или быстрые изменения напряжения. Основная цель настоящего стандарта - обеспечить рекомендации сетевым организациям по инженерным применениям, которые будут способствовать надлежащему качеству обслуживания для всех подключенных пользователей. При рассмотрении установок настоящий стандарт не предназначен для замены стандартов, распространяющихся на оборудование, устанавливающих нормы эмиссии.
В настоящем стандарте рассматривается распределение возможностей системы по поглощению помех. Настоящий стандарт не применяется при решении задач помехоподавления или увеличения пропускной способности системы.
Поскольку руководящие принципы, изложенные в настоящем стандарте, обязательно включают некоторые упрощающие предположения, нет гарантии, что этот подход всегда обеспечит оптимальное решение для всех ситуаций, связанных с фликером. Рекомендуемый подход при применении к конкретной процедуре оценки или ее части следует применять с гибкостью и предусмотрительностью, учитывающей технические вопросы.
Сетевая организация несет ответственность за уточнение требований к подключению установок, создающих колебания напряжения, к системе. Установку, создающую колебания напряжения, рассматривают как полную установку пользователя (включая элементы, создающие колебания напряжения, и те, которые не вызывают колебаний напряжения).
Проблемы, связанные с колебаниями напряжения, относятся к двум основным категориям:
- эффекту фликера источников света в результате колебаний напряжения;
- быстрым изменениям напряжения, рассматриваемым как явления, вызывающие помехи даже в пределах нормальных допусков рабочего напряжения.
Настоящий стандарт содержит рекомендации по координации эмиссии фликера между различными уровнями напряжения, чтобы соответствовать уровням совместимости в точке поставки. Настоящий стандарт в основном сосредоточен на контроле и ограничении фликера, но содержит раздел, относящийся к ограничению быстрых изменений напряжения.
Примечание - Границы между различными уровнями напряжения могут быть различными для разных стран (см. IEV 601-01-28
[16])
<1>. В настоящем стандарте используются следующие термины для системных напряжений
Un:
- низкое напряжение (НН) относится к Un <= 1 кВ;
- среднее напряжение (СН) относится к 1 кВ < Un <= 35 кВ;
- высокое напряжение (ВН) относится к 35 кВ < Un <= 230 кВ;
- сверхвысокое напряжение (СВН) относится к 230 кВ < Un.
--------------------------------
В настоящем стандарте функция системы является более важной, чем ее номинальное напряжение. Например, системе ВН, используемой для распределения электрической энергии, может быть присвоен планируемый уровень, который расположен между планируемыми уровнями систем СН и ВН.
В настоящем стандарте использованы нормативные ссылки на следующие стандарты. Для датированных ссылок применяют только указанное издание ссылочного стандарта, для недатированных - последнее издание (включая все изменения).
IEC 60050-161:1990, International electrotechnical vocabulary - Chapter 161: Electromagnetic compatibility (Международный электротехнический словарь. Глава 161. Электромагнитная совместимость)
В настоящем стандарте применены термины по IEC 60050-161, а также следующие термины с соответствующими определениями:
3.1 согласованная мощность (agreed power): Значение полной мощности установки, создающей помехи, согласованное между пользователем <2> и сетевой организацией <2>. В случае нескольких точек подключения для каждой точки может быть определено отдельное значение.
--------------------------------
<2> В настоящем стандарте термин "заказчик" ("customer") (применительно к установке) заменен на "пользователь", термин "оператор системы, владелец" ("system operator, owner") (применительно к системе электроснабжения) заменен на "сетевая организация".
3.2 пользователь (user): Физическое лицо, компания или организация, которая управляет установкой, подключенной или имеющей право на подключение к системе электроснабжения сетевой организацией.
3.3 (электромагнитная) помеха [(electromagnetic) disturbance]: Любое электромагнитное явление, которое при его наличии в электромагнитной обстановке может привести к отклонению качества функционирования электрического оборудования от его предназначенного качества функционирования.
3.4 уровень помехи (disturbance level): Величина или значение электромагнитной помехи, измеренные или оцененные установленным способом.
3.5 электромагнитная совместимость; ЭМС (electromagnetic compatibility, EMC): Способность оборудования или системы удовлетворительно функционировать в их электромагнитной обстановке, не создавая недопустимых электромагнитных помех другому оборудованию или системам в этой обстановке.
Примечание 1 - Электромагнитная совместимость является условием электромагнитной обстановки, что для каждого (электромагнитного) явления уровень эмиссии помех является достаточно низким, а уровни устойчивости к помехам - достаточно высокими, так что все устройства, оборудование и системы функционируют по назначению.
Примечание 2 - Электромагнитная совместимость достигается только в том случае, если уровни эмиссии и помехоустойчивости контролируются таким образом, чтобы уровни помехоустойчивости устройств, оборудования и систем в любом месте не превышались уровнем помех в этом месте в результате кумулятивной эмиссии от всех источников и других факторов, таких как полные сопротивления цепи. Как правило, считается, что совместимость достигнута, если вероятность отклонения от качества функционирования по предназначению достаточно низка. См. IEC/TR 61000-2-1
[20], раздел 4.
Примечание 3 - В настоящем стандарте (электромагнитная) совместимость может относиться к одной помехе или классу помех.
Примечание 4 - Электромагнитная совместимость - это термин, используемый также для описания области деятельности, связанной с изучением неблагоприятных электромагнитных эффектов, которые устройства, оборудование и системы испытывают друг от друга или от электромагнитных явлений.
3.6 уровень (электромагнитной) совместимости [(electromagnetic) compatibility level]: Регламентированный уровень электромагнитной помехи, используемый в качестве опорного в конкретной электромагнитной обстановке в целях координации при установлении норм электромагнитной эмиссии и устойчивости к электромагнитной помехе.
Примечание - По соглашению уровень совместимости устанавливается таким образом, что существует лишь малая вероятность (например, 5%) того, что он будет превышен фактическим уровнем помех.
3.7 (электромагнитная) эмиссия (emission): Явление, при котором электромагнитная энергия исходит от источника электромагнитных помех.
[IEC 60050-161:1990, 161-01-08, модифицировано]
Примечание - В настоящем стандарте термин "эмиссия" относится к явлениям, представляющим собой кондуктивные электромагнитные помехи, которые могут вызывать фликер или колебания питающего напряжения.
3.8 уровень эмиссии (emission level): Уровень определенной электромагнитной помехи, эмитируемой конкретным устройством, оборудованием, системой или установкой, создающей помехи, в целом. Он оценивается и измеряется установленным методом.
3.9 норма эмиссии (emission limit): Максимальный уровень эмиссии, установленный для конкретного устройства, оборудования, системы или установки, создающей помехи, в целом.
3.10 фликер (flicker): Впечатление неустойчивости зрительного ощущения, вызванное источником света, яркость или спектральное распределение которого изменяются со временем.
Примечание - Фликер - это влияние на лампы накаливания; вызывающее его электромагнитное явление относится к колебаниям напряжения.
3.11 установка, создающая колебания напряжения (fluctuating installation): Электрическая установка в целом (включая элементы, создающие колебания напряжения, и те, которые не создают колебаний напряжения), характеризующаяся повторяющимися или внезапными колебаниями мощности или пусковыми токами, которые могут вызвать фликер или быстрые изменения напряжения в системе электроснабжения, к которой она подключена.
Примечание - Для целей настоящего стандарта все ссылки на установки, создающие колебания напряжения, относятся не только к нагрузкам, но и к генерирующим установкам.
3.12 основная частота (fundamental frequency): Частота в спектре, полученном путем преобразования Фурье функции времени, относительно которой рассматриваются все частоты спектра. В контексте требований настоящего стандарта основная частота такая же, как и частота источника питания.
Примечание - В случае периодической функции основная частота, как правило, равна частоте, соответствующей периоду самой функции.
3.13 генерирующая установка (generating plant): Любое оборудование, производящее электрическую энергию, совместно с любым непосредственно связанным или взаимодействующим с ним оборудованием, таким как единичный трансформатор или преобразователь.
3.14 помехоустойчивость, устойчивость к электромагнитной помехе [immunity (to a disturbance)]: Способность устройства, оборудования или системы функционировать без ухудшения качества при наличии электромагнитных помех.
3.15 уровень помехоустойчивости (immunity level): Максимальный уровень определенной электромагнитной помехи, воздействующей на конкретное устройство, оборудование или систему, при котором они сохраняют способность функционировать с заявленным качеством функционирования.
3.16 частота интергармоники (interharmonic frequency): Частота, которая не является целым числом, кратным основной частоте.
Примечание 1 - Аналогично понятию "порядок гармоники" под "порядком интергармоники" понимают отношение частоты интергармоники к основной частоте. Это отношение не выражается целым числом (рекомендуемое условное обозначение "m").
Примечание 2 - В случае, когда m < 1, допускается применение термина "субгармоническая частота".
3.17 интергармоническая составляющая (interharmonic component): Составляющая на частоте интергармоники. Для краткости допускается применение термина "интергармоника".
3.18 нормальные условия эксплуатации (normal operating conditions): Условия функционирования системы или установки, создающей помехи, которые, как правило, включают в себя все вариации генерации, изменения нагрузки и компенсации реактивной мощности или смены состояния фильтра (например, состояние батарей конденсаторов), запланированные отключения и меры по техническому обслуживанию и налаживанию, неидеальные условия эксплуатации и нормальные непредвиденные обстоятельства, при которых рассматриваемая система или установка, создающая помехи, способна работать, учитываемые при ее конструировании.
Примечание - Нормальные условия эксплуатации системы, как правило, исключают: условия, возникающие в результате неисправности или нескольких неисправностей, превышающих установленные по стандарту безопасности системы; непредусмотренные ситуации и неизбежные обстоятельства (например, форс-мажорные обстоятельства, исключительные погодные условия и другие стихийные бедствия, действия государственных органов, производственные происшествия); случаи, когда пользователи системы значительно превышают установленные для них нормы эмиссии или не соответствуют требованиям к подключению, а также временные механизмы производства или поставки, которые принимаются для поддержания снабжения клиентов во время технического обслуживания или строительных работ, если в противном случае электроснабжение может быть прервано.
3.19 планируемый уровень (planning level): Уровень конкретной помехи в определенной электромагнитной обстановке, принятый в качестве опорного значения для установления норм, подлежащих соблюдению при эмиссии от установок в конкретной системе, с целью согласования этих ограничений со всеми ограничениями, которые существуют для оборудования и установок, подключенных к системе электроснабжения.
Примечание - Планируемые уровни считаются внутренними составляющими качества, которые должны быть определены на местном уровне лицами, ответственными за планирование и эксплуатацию системы электроснабжения в соответствующем районе.
3.20 точка общего присоединения; PCC [point of common coupling (PCC)]: Точка системы общественного электроснабжения, электрически ближайшая к рассматриваемой установке, к которой присоединены или могут быть присоединены другие установки. PCC представляет собой точку, расположенную "выше по течению" от рассматриваемой установки.
Примечание - Система электроснабжения считается общественной по критерию ее использования, а не права собственности на нее.
3.21 точка присоединения; POC [point of connection (POC)]: Точка в системе общественного электроснабжения, в которой рассматриваемая установка подключена или может быть подключена.
Примечание - Система электроснабжения считается общественной по критерию ее использования, а не права собственности на нее.
3.22 точка оценки; POE [point of evaluation (POE)]: Точка системы общественного электроснабжения, в которой уровни эмиссии данной установки оцениваются в отношении норм эмиссии. Эта точка может быть точкой общего присоединения (PCC), или точкой присоединения, или любой другой точкой, указанной сетевой организацией или согласованной между сторонами.
Примечание - Система электроснабжения считается общественной по критерию ее использования, а не права собственности на нее.
3.23 быстрые изменения напряжения (rapid voltage changes): Изменения среднеквадратичного напряжения основной частоты в течение нескольких периодов; быстрые изменения напряжения также могут быть в форме циклических изменений.
Примечание - Быстрые изменения напряжения часто вызваны пуском, пусковыми токами или переключением оборудования.
3.24
мощность короткого замыкания (short cirquit power): Теоретическое значение начальной трехфазной мощности короткого замыкания, выраженное в МВ·А, в точке системы электроснабжения. Оно вычисляется как произведение начального симметричного тока короткого замыкания, номинального напряжения системы и коэффициента

, при этом непериодичной составляющей (постоянным током) пренебрегают.
3.25 ответвление (spur): Фидер, отходящий от основного фидера (как правило, применяется на фидерах СН и ВН).
3.26 система электроснабжения (supply system): Все линии, распределительные устройства и трансформаторы, работающие при различных напряжениях, которые составляют систему электроснабжения и систему распределения, к которым подключены установки пользователей.
3.27 сетевая организация (network organization): Организация, ответственная за заключение договора о техническом присоединении пользователей, для которых необходимо подключение нагрузки или генерации к системе распределения или передачи.
3.28 коэффициент передачи, коэффициент влияния [transfer coefficient (influence coefficient)]: Относительный уровень помехи, которая может быть передана между двумя шинами или двумя частями энергосистемы при различных условиях эксплуатации.
3.29 колебания напряжения (voltage fluctuations): Серия изменений напряжения или циклическое изменение огибающей напряжения.
4 Основные концепции ЭМС, относящиеся к колебаниям напряжения
Международный фликерметр (см. IEC 61000-4-15
[1]) предоставляет две величины для характеристики жесткости фликера:
Pst ("
st" относится к кратковременной дозе фликера: одно значение определяют для каждого 10-минутного периода) и
Plt ("
lt" относится к длительной дозе фликера: одно значение определяют за каждые 2 ч). Критерии качества напряжения, связанные с фликером, как правило, выражают через
Pst и/или
Plt, причем
Plt, как правило, получают из групп, состоящих из 12 последовательных значений
Pst

. (1)
В настоящем стандарте уровни эмиссии фликера оценивают при СН, ВН и СВН в точке оценки (POE) установки, создающей колебания напряжения (см.
раздел 6). Основой для установления норм фликера является впечатление неустойчивости зрительного ощущения, испытываемое потребителями при использовании световых приборов, подключенных к низкому напряжению; поэтому при оценке влияния эмиссии следует учитывать ослабление фликера между НН, СН, ВН и СВН.
В настоящем стандарте также предполагается, что фликерметр и связанные с ним дозы фликера адаптированы к типу используемых ламп накаливания (например, 120 или 230 В), так что нормы фликера остаются неизменными независимо от напряжения ламп. Это важно, потому что лампы 120 В менее восприимчивы к колебаниям напряжения, чем лампы 230 В (см.
приложение A), а лампы 100 В еще менее чувствительны.
Разработка норм эмиссии для отдельного оборудования или общей установки пользователя должна быть основана на влиянии указанной эмиссии на качество электрической энергии (качество напряжения). Для оценки качества напряжения используются некоторые основные концепции. Чтобы эти концепции использовать для оценки в определенных размещениях, они определяются с точки зрения того, где они применяются (места), как они измеряются (продолжительность измерения, время выборки, длительности усреднения, статистика) и как они рассчитываются. Эти концепции описаны ниже и приведены на
рисунках 1 и
2. Соответствующие определения приведены в IEC 60050-161.
Уровни совместимости представляют собой опорные значения (см.
таблицу 1), используемые для координации эмиссии и помехоустойчивости оборудования, являющегося частью системы электроснабжения или получающего от нее питание, с целью обеспечения ЭМС системы в целом (включая системное оборудование и подключенное оборудование). Уровни совместимости, как правило, основаны на 95% вероятностных уровнях системы в целом, используя статистические распределения, которые представляют собой как временные, так и пространственные вариации нарушений. При этом учитывается тот факт, что сетевая организация не может постоянно контролировать все точки системы. Поэтому оценку уровней совместимости следует проводить на общесистемной основе, и для оценки в конкретном расположении не следует применять отдельный метод оценки.
Таблица 1
Уровни совместимости для фликера в системах НН
(в соответствии с IEC 61000-2-2)
| Уровень совместимости |
Pst | 1,0 |
Plt | 0,8 |
Уровни совместимости фликера в системах НН приведены в IEC 61000-2-2
[2] и
таблице 1. В некоторых случаях были зарегистрированы более высокие значения без корреляции с жалобами. В этих случаях измерения, возможно, проводились на уровнях СВН/ВН, в светлое время суток или с учетом иных условий. Дополнительная информация приведена в
[3].
Уровни совместимости для систем СН, ВН и СВН в IEC не определены.
4.2.1 Индикативные значения планируемых уровней
Индикативные значения планируемых уровней представляют собой уровни фликера при разных напряжениях, которые могут быть использованы для установления норм эмиссии с учетом всех установок, вызывающих колебания напряжения. Планируемые уровни должны быть определены сетевой организацией для всех уровней напряжения системы, могут рассматриваться как внутренние цели качества системы и могут быть предоставлены отдельным пользователям по запросу.
Планируемые уровни должны обеспечивать координацию колебаний напряжения между различными уровнями напряжения. Стоит отметить, что при ВН и СВН координация уровней фликера все еще может быть достигнута при рассмотрении ослабления фликера из-за нагрузок двигателей и подключенных генераторов, расположенных "вниз по течению", которые оказывают постоянное влияние на напряжения и могут ослабить восприятие фликера.
Учитывая, что планируемые уровни будут отличаться от случая к случаю, в зависимости от структуры системы и обстоятельств, могут быть даны только индикативные значения планируемых уровней. Индикативные значения планируемых уровней для фликера приведены в
таблице 2.
Таблица 2
Индикативные значения планируемых уровней для фликера
в системах электроснабжения СН, ВН и СВН
| |
| СН | ВН - СВН |
Pst | 0,9 | 0,8 |
Plt | 0,7 | 0,6 |
Примечание 1 - Эти значения были выбраны, исходя из предположения, что коэффициент передачи между системами СН или ВН и системами НН равен единице.
Примечание 2 - На практике коэффициенты передачи между различными уровнями напряжения менее 1,0. Это может быть учтено при установлении новых планируемых уровней. Например, типичным значением для коэффициента передачи между ВН и НН является
TPstHL = 0,8. В таком случае индикативное значение планируемого уровня для ВН
LPstHV = 0,8/0,8 = 1,0.
Примечание 3 - В некоторых странах планируемые уровни определены в национальных стандартах или руководствах.
Примечание 4 - В некоторых странах для систем СН и ВН существуют характеристики напряжения, которые являются квазигарантированными уровнями. Указанные характеристики напряжения должны быть согласованы с планируемыми уровнями
[3].
Как указано в
примечании 2 рекомендуется при установлении норм эмиссии взвесить представленные уровни планирования при СН и при ВН - СВН с учетом коэффициентов передачи фликера от источника эмиссии в точку оценки (POE) при СВН, ВН, СН и НН. Кроме того, планируемые уровни должны обеспечивать координацию между различными уровнями напряжения. Чтобы выполнить это, сетевая организация должна оценить коэффициенты передачи фликера для различных условий работы системы. Дальнейшее обсуждение оценки коэффициентов передачи фликера приведено в
приложении B. Перераспределение планируемых уровней приведено в
приложении C.
В тех случаях, когда национальные условия делают это целесообразным в зависимости от характеристик системы, могут потребоваться промежуточные значения планируемых уровней между значениями СН и ВН - СВН из-за, возможно, широкого диапазона уровней напряжения, относящегося к ВН - СВН (> 35 кВ). Распределение уровней планирования между ВН и СВН также может быть необходимо для учета воздействия на системы ВН мешающих установок, подключенных к СВН.
Далее приведены процедуры использования указанных планируемых уровней для установления норм эмиссии для отдельных установок, создающих колебания напряжения.
4.2.2 Процедура оценки для сравнения с планируемыми уровнями
Для измерения фликера следует использовать метод класса A, установленный в IEC 61000-4-30
[4] и соответствующий IEC 61000-4-15
[1]. Маркированные данные, отмеченные в соответствии с IEC 61000-4-30, во время оценки во внимание не принимают. Соответственно, процентиль, применяемый при вычислении индексов, определенных ниже, вычисляют с использованием только действительных (немаркированных) данных.
Минимальный период измерения составляет одну неделю нормальной деловой активности. Период мониторинга должен включать некоторую часть периода ожидаемых максимальных уровней гармоник. Для сравнения фактических уровней гармоник с планируемыми уровнями могут быть применены один или несколько приведенных ниже индексов. Для сравнения с планируемыми уровнями при оценке воздействия более высоких уровней эмиссии, разрешенных на короткие периоды времени, например во время перенапряжений и запусков оборудования, может быть необходимым применение более чем одного индекса.
Для фликера индексы следующие:
- 95% - еженедельное значение Pst;
- 99% - еженедельное значение Pst;
- 95% - еженедельное значение Plt.
Примечание - Рекомендуется, чтобы каждое новое значение Pst было включено в пересмотренный расчет Plt с использованием скользящего окна, в котором самое раннее измерение Pst заменяется новым измеренным значением Pst через каждые 10 мин. Эта рекомендуемая процедура расчета Plt приводит к получению 144 значений Plt ежесуточно. В некоторых случаях для этого может потребоваться постобработка выходов Pst с помощью фликерметра.
95% еженедельное значение не должно превышать планируемый уровень.
Допускается превышение планируемого уровня 99% еженедельным значением с коэффициентом (например, от 1 до 1,5), который должен быть указан сетевой организацией в зависимости от системы и характеристик нагрузки.
Примечание - Может оказаться полезным сравнение процентилей 99% и 95%. Если соотношение между ними более 1,3 (значение 1,3 характерно для установки с одной дуговой печью), следует выяснить причину расхождения. Возможные аномальные результаты (например, из-за провалов напряжения или других переходных процессов) должны быть устранены.
4.3 Иллюстрация концепций ЭМС
Основные концепции электромагнитной совместимости и применения планируемых уровней приведены на
рисунках 1 и
2. Их цель - акцентировать внимание на наиболее важных соотношениях между основными переменными.
Внутри системы электроснабжения в целом неизбежно возникает определенный уровень помех в некоторых ситуациях и, следовательно, существует риск перекрытия распределений уровней помех и уровней устойчивости к помехам (см.
рисунок 1).
Рисунок 1 - Иллюстрация основных концепций качества
напряжения со статистикой "время/расположение"
применительно к системе в целом
Планируемые уровни для фликера, как правило, равны или будут ниже уровня совместимости; они указываются сетевой организацией. Характеристики передачи фликера между различными уровнями напряжения могут привести к тому, что планируемые уровни для ВН и СВН будут выше уровней совместимости, которые применяются для НН, при этом все еще достигая координации с уровнями совместимости для НН. Уровни испытаний на устойчивость определяются соответствующими стандартами или согласовываются между производителями и пользователями установок.
На
рисунке 2 показано, что распределение вероятности уровней помех и помехоустойчивости в отдельном расположении, как правило, является более узким, чем во всей системе, так что в большинстве отдельных расположений перекрытие распределений уровней помех и помехоустойчивости будет минимальным или может вообще отсутствовать. В этих условиях помехи не являются, как правило, серьезной проблемой, и ожидается, что оборудование будет функционировать удовлетворительно. Поэтому электромагнитная совместимость более вероятна, чем показано на
рисунке 1.
Рисунок 2 - Иллюстрация основных концепций качества
напряжения со статистикой по времени применительно
к одному расположению в системе
Подход к координации, установленный в настоящем стандарте, основан на индивидуальных уровнях эмиссии, определяемых на основе разработанных планируемых уровней. По этой причине одни и те же индексы используют при оценке соответствия фактических измерений как нормам эмиссии, так и планируемым уровням.
Для сравнения фактического уровня эмиссии с нормой эмиссии для пользователя могут быть применены один или несколько приведенных ниже индексов. Для сравнения с нормой эмиссии при оценке воздействия более высоких уровней эмиссии, разрешенных на короткие периоды времени, например во время перенапряжений и запусков оборудования, может быть необходимым применение более чем одного индекса.
Для фликера индексы следующие:
- 95% еженедельное значение Psti не должно превышать нормы эмиссии EPsti;
- 99% еженедельное значение Psti может превышать норму эмиссии EPsti на коэффициент (например, от 1 до 1,5), который должен быть указан сетевой организацией в зависимости от системы и характеристик нагрузки;
- 95% еженедельное значение Plti не должно превышать нормы эмиссии EPlti.
Чтобы сравнить уровень фликера от установки пользователя с нормой эмиссии, минимальный период измерения должен составлять одну неделю. Однако для оценки эмиссии при определенных условиях допускается применять более короткие периоды измерений. Такие более короткие периоды должны представлять ожидаемую операцию в течение более длительного периода оценки (т.е. недели). В любом случае период измерения должен иметь достаточную продолжительность, чтобы охватить ожидаемый самый высокий уровень эмиссии фликера. Если в отношении фликера доминирует один большой элемент оборудования, период должен быть достаточным для захвата как минимум двух полных рабочих циклов этого оборудования. Если уровень фликера вызван суммированием нескольких единиц оборудования, период должен составлять не менее одной рабочей смены.
При необходимости следует учитывать следующие факторы:
- эффект компенсирующего оборудования;
- конденсаторные батареи внутри установки с возможным усилением интергармоник низкого порядка, которые могут вызвать мерцание.
Используемые методы измерения: по IEC 61000-4-15
[1] и класса A по IEC 61000-4-30
[4] для фликера (относительно быстрых изменений напряжения см.
раздел 10). Маркированные данные, отмеченные в соответствии с IEC 61000-4-30, во время оценки во внимание не принимают. Соответственно, процентиль, применяемый при вычислении индексов, определенных ниже, вычисляют с использованием только действительных (немаркированных) данных.
Уровень эмиссии от установки, создающей колебания напряжения, - это уровень фликера, оцененный в соответствии с
разделом 6.
Предлагаемый подход к установлению норм эмиссии для установок, создающих колебания напряжения, зависит от согласованной мощности установки пользователя, мощности оборудования, вызывающего фликер, и характеристик системы. Задача состоит в том, чтобы ограничить инжекцию фликера от всех установок, создающих колебания напряжения в системе, до уровней, которые не будут превышать планируемые уровни. С этой целью установлены три этапа оценки, которые допускается использовать последовательно или независимо друг от друга.
5.1 Этап 1. Упрощенная оценка эмиссии помех
Как правило, для пользователей допускается устанавливать небольшие устройства без специальной оценки фликера сетевой организацией. Производители таких устройств несут ответственность за ограничение эмиссии. Например, IEC 61000-3-3
[5], IEC 61000-3-5
[6] и IEC 61000-3-11
[7] представляют собой стандарты, распространяющиеся на группу продукции, устанавливающие нормы эмиссии фликера для образцов оборудования, подключенного к системам НН. В настоящее время не существует стандартов эмиссии для оборудования СН по следующим причинам:
- среднее напряжение изменяется от 1 до 35 кВ;
- отсутствует установленное на международном уровне опорное полное сопротивление для систем СН.
Даже без опорного сопротивления возможно определить критерии квазиавтоматического принятия установок пользователей в системе СН (и даже в системе ВН). Если общая мощность установки, создающей колебания напряжения, или согласованная с пользователем мощность малы по сравнению с мощностью короткого замыкания в точке оценки, нет необходимости проводить детальную оценку уровней эмиссии фликера.
В
8.1 и
9.1 разработаны конкретные критерии для применения оценки этапа 1.
5.2 Этап 2. Нормы эмиссии по отношению к фактическим характеристикам системы
Если установка не соответствует критериям
этапа 1, то конкретные характеристики установки, создающей фликер, следует оценивать вместе с абсорбирующей способностью системы. Абсорбирующая способность системы определяется, исходя из планируемых уровней, и распределяется по индивидуальным пользователям в соответствии с их потребностью в отношении общей пропускной способности системы. Уровень помех, передаваемых от вышестоящих систем напряжения, также следует учитывать при распределении уровней планирования для отдельных пользователей.
Принцип такого подхода заключается в том, что если система используется на полной мощности и все установки пользователей подключены с их индивидуальными нормами, то общий уровень помех будет равен планируемым уровням с учетом коэффициентов передачи между различными частями системы и суммирования помех от различных источников. Процедура распределения планируемых уровней по отдельным пользователям приведена в
8.2 и
9.2.
Примечание - Если пропускная способность системы в будущем возрастет, уровни эмиссии отдельных потребителей должны стать ниже. Поэтому важно, где это возможно, учитывать будущие расширения системы.
5.3 Этап 3. Принятие более высоких уровней эмиссии при определенных условиях
При некоторых обстоятельствах пользователь может потребовать принятия эмиссии помех, превышающей базовые ограничения, разрешенные на
этапе 2. В такой ситуации пользователь и сетевая организация могут договориться об особых условиях, которые облегчают подключение установки, создающей колебания напряжения. Необходимо провести тщательное изучение фактических и будущих характеристик системы, чтобы определить эти особые условия.
Примечание - Нормы эмиссии, полученные при применении методов, рекомендованных в
разделах 8 и
9, предназначены для поддержания уровней фликера ниже планируемых уровней. Применение других методов, рекомендованных в
разделе 10, предназначено для ограничения величины быстрых изменений напряжения.
В настоящем стандарте установлена следующая ответственность сторон с точки зрения обеспечения ЭМС:
- пользователь несет ответственность за обеспечение эмиссии в указанной точке оценки ниже норм, которые были установлены сетевой организацией;
- сетевая организация несет ответственность за общую координацию уровней помех при нормальных условиях эксплуатации в соответствии с национальными требованиями. Для целей оценки сетевая организация должна при необходимости предоставить соответствующие системные данные, такие как гармоническое полное сопротивление, или необходимые данные для его расчета, уровни короткого замыкания и существующие уровни фликера. Процедура оценки разработана таким образом, что эмиссия фликера от всех установок, создающих колебания напряжения, не приводит к тому, что общие уровни помех в системе превышают планируемые уровни и уровни совместимости. Однако учитывая конкретные местные условия и предположения, на которых базируется эта процедура оценки, следует учитывать, что нет полной гарантии, что рекомендуемый подход позволит всегда избежать превышения уровней;
- в случае, когда установка превышает нормы эмиссии, сетевая организация и пользователь должны согласовать, когда это необходимо, оптимальные мероприятия с целью снижения эмиссии. Проектирование и выбор метода снижения эмиссии являются обязанностью пользователя.
6 Общие руководящие принципы для оценки уровней эмиссии
Точка оценки - это точка, в которой уровни эмиссии установки конкретного пользователя оценивают на соответствие нормам эмиссии. Это также точка в рассматриваемой системе электроснабжения, для которой определены планируемые уровни. Эта точка может быть точкой присоединения или точкой общего присоединения (PCC) установки, создающей помехи, или любой другой точкой, указанной сетевой организацией или согласованной между сторонами.
Для установки конкретного пользователя также может быть указано несколько точек оценки в зависимости от структуры системы и характеристик установки. В этом случае оценку следует проводить с учетом характеристик системы и значений согласованной мощности, применимых к различным точкам оценки.
Примечание 1 - Следует отметить, что для определения норм эмиссии и оценки уровней эмиссии часто необходимо учитывать параметры системы за пределами точки оценки.
Примечание 2 - В зависимости от расположения PCC относительно точки подключения установки, создающей колебания напряжения, в последней уровень фликера может быть выше.
Примечание 3 - Следует помнить, что характеристики напряжения или согласованные значения норм, как правило, применяют в точке присоединения. Это следует учитывать в ходе согласования между сторонами.
6.2 Определение уровня эмиссии фликера
Уровень эмиссии от установки в энергосистему представляет собой значение фликера, вызванное конкретной установкой в точке оценки (POE). Уровень эмиссии должен быть меньше, чем норма эмиссии, определяемая в соответствующих пунктах настоящего стандарта.
6.3 Оценка уровней эмиссии фликера
Рекомендуется оценивать уровни эмиссии при нормальных условиях эксплуатации, если не указано иное. Оценка уровней фликера от установок, создающих колебания напряжения, должна учитывать наихудшие нормальные условия эксплуатации, включая непредвиденные обстоятельства, для которых предназначена система или установка заказчика и которые могут иметь место в течение определенного времени, например более 5% времени (на основе среднего статистического). Кроме того, для

установок по сравнению с размером системы, например при
Ssc/
Si < 30 (следует обратить внимание на то, что соотношение 30 может быть скорректировано для удовлетворения конкретных условий), может быть необходимым также оценить уровни эмиссии при случайных условиях эксплуатации продолжительностью менее 5% времени. Вместе с тем при таких случайных условиях или во время запуска оборудования или импульсных помех могут быть допущены более высокие нормы фликера (например, увеличенные от 1 до 1,5 раза, по указанию сетевой организации, в зависимости от системы и характеристик установки).
Другие подробности об оценке уровней эмиссии при электроснабжении промышленных предприятий приведены в публикации IEC
[8].
Возможно также измерение уровня фликера. Для ситуаций, когда уровень фона фликера является относительно низким (Pst < 0,5), должны быть выполнены два набора измерений в следующих условиях:
- с установкой, создающей колебания напряжения, и любым подключенным компенсирующим оборудованием пользователя;
- с установкой, создающей колебания напряжения, и любым отключенным компенсирующим оборудованием пользователя.
Второе измеренное значение фликера следует вычесть из первого, используя рекомендуемый закон суммирования (см.
раздел 7).
Для ситуаций, когда существующий уровень
Pst в POE выше 0,5, следует использовать более усовершенствованный метод. Для определения уровня излучения конкретного оборудования или установки, создающих колебания напряжения, может быть использована корреляция между флуктуирующим током и наблюдаемыми колебаниями напряжения. Возможны другие методы и некоторые приложения, см.
приложение E.
На практике уровни эмиссии, как правило, прогнозируются путем исследования перед подключением на основе имеющихся данных, касающихся установки и системы. Упрощенные и усовершенствованные методы прогнозирования жесткости фликера приведены в
приложении E. Упрощенные методы, которые допускается использовать для легко определяемых форм колебаний (например, изменения шага, изменения наклона и т.д.), основаны на "кривой
Pst = 1" в
приложении A и кривых коэффициента формы, приведенных в
приложении E. Передовые методы, которые более подходят для дуговых и случайных колебаний, создаваемых установками, основаны на характеристиках оборудования системы и конечного пользователя (включая компенсирующее и уменьшающее помехи оборудование) и моделировании применения фликерметра.
Для оценок после подключения часто достаточно прямых измерений фликера, но они могут не полностью соответствовать прогнозам, сделанным во время оценки до подключения. Если измерения проводят в какой-то другой точке, необходимо транспонировать результаты измерения в точку оценки (POE), учитывая возможное влияние фактического полного сопротивления системы по сравнению с заявленным полным сопротивлением.
6.4 Заявленные мощность короткого замыкания или полное сопротивление системы
Информация о мощности короткого замыкания системы или заявленном полном сопротивлении является обязательным условием как для сетевой организации при оценке предельных значений эмиссии, так и для пользователя при оценке уровней эмиссии рассматриваемой установки. Заявленная мощность короткого замыкания или полное сопротивление используются двумя различными способами, как указано ниже.
6.4.1 Мощность короткого замыкания или полное сопротивление системы для оценки уровней эмиссии перед подключением
Для обеспечения возможности оценки уровней эмиссии фликера, в частности для

установок, создающих колебания напряжения, перед подключением мощность короткого замыкания или полное сопротивление в точке оценки возможно получить путем моделирования для различных условий работы системы (включая будущие условия). Необходимо, чтобы была представлена информация о фазовом угле, так как элемент установки, вызывающий колебания напряжения, может представлять собой различные комбинации реальной и реактивной мощности.
6.4.2 Мощность короткого замыкания или полное сопротивление для оценки фактических уровней эмиссии
Для оценки фактических уровней эмиссии от конкретной установки, создающей колебания напряжения, фактическое полное сопротивление может быть измерено или рассчитано для использования в сочетании с другими измеренными параметрами при оценке фактических уровней эмиссии.
6.5 Общие рекомендации по оценке заявленного полного сопротивления системы
Необходимо учитывать, что полное сопротивление системы может значительно изменяться со временем и зависеть от частоты. Что касается оценки уровней эмиссии (см.
6.3, первый абзац), то при определении полного сопротивления системы следует учитывать различные нормальные рабочие условия, включая ненормальные рабочие условия системы, где эти ситуации могут иметь место в течение определенной части времени, например более 5% времени на основе среднего статистического. Должны быть учтены известные или ожидаемые изменения системы в будущем. Для получения более подробной информации см. приложение E,
E.3.1.
7 Общий закон суммирования
Общее соотношение для комбинации кратковременных доз фликера, вызываемых различными установками, было определено в форме:

. (2)
Примечание - Такое же уравнение может быть использовано при суммировании длительных доз фликера Plt.
где Pst - значение результирующей кратковременной дозы фликера для рассматриваемой совокупности источников фликера (вероятностное значение);
Psti - значения кратковременных доз фликера различных источников или уровней эмиссии, которые должны быть объединены;

- показатель степени, зависящий от различных факторов, обсуждаемых ниже.
В целом для суммирования
Pst (или
Plt) рекомендуется значение

("закон кубического суммирования"), которое широко использовалось в течение многих лет (при условии, что дополнительная информация для обоснования другого значения недоступна) (см.
приложение D для обсуждения эквивалентного коэффициента жесткости, который может в некоторых случаях упростить вычисления), т.е.:

; (3)

. (4)
Ранние исследования, относящиеся к нескольким дуговым печам, использующие еженедельные значения
Pst, показали, что значение показателя

зависит от характеристик основного источника колебаний. Как правило, показатель степени уменьшается с увеличением вероятности одновременных колебаний, и при наличии дополнительной информации можно сделать следующие выводы:
- значение

- следует использовать для суммирования фликера, когда одновременные колебания маловероятны (например, установлены специальные средства управления оборудованием, чтобы предотвратить одновременные колебания);
- значение

- следует использовать для большинства типов источников фликера, где риск совпадения изменений напряжения невелик. Большинство исследований, сочетающих несвязанные нарушения, указывают на эту категорию, и данное значение рекомендуется для общего использования;
- значение

- следует использовать там, где вероятны совпадающие колебания (например, совпадающие расплавы на дуговых печах);
- значение

- следует использовать, когда происходит очень большое число совпадающих изменений напряжения (например, при одновременном запуске нескольких двигателей).
Недавние исследования показали, что закон суммирования, который наилучшим образом соответствует результатам измерения, зависит как от степени совпадения изменений напряжения, так и от процентиля
Pst, который используется для оценки, а также от технологий оборудования, вызывающего колебания напряжения. Для получения дополнительной информации см.
[15].
8 Нормы эмиссии для установок, создающих колебания напряжения, подключенных к системам СН
8.1 Этап 1. Упрощенная оценка эмиссии помех
На этапе 1 может быть принято подключение небольшой установки только с ограниченной мощностью создаваемых колебаний, без подробной оценки характеристик эмиссии или реакции системы питания.
Примечание - Для низковольтного оборудования см. IEC 61000-3-3 (входной ток оборудования <= 16 А/фаза) или IEC 61000-3-11 (входной ток оборудования <= 75 А/фаза).
Подключение установки, создающей колебания напряжения, может быть принято без дальнейшего анализа, если отношение изменений полной мощности

к мощности короткого замыкания системы
Ssc, выраженное в процентах, находится в точке оценки в пределах, указанных в
таблице 3. Эти пределы зависят от числа
r изменений напряжения в минуту (падение напряжения с последующим восстановлением означает два изменения напряжения).
Таблица 3
Нормы этапа 1 для относительных изменений мощности
в зависимости от числа изменений напряжения в минуту
r, мин-1 |  , % |
r > 200 | 0,1 |
10 <= r <= 200 | 0,2 |
r < 10 | 0,4 |
Примечание - Изменения полной мощности

могут быть ниже, равными или превышать номинальную мощность
SN рассматриваемого оборудования (например, для двигателя следует учитывать полную мощность при запуске, и она может быть

).
Ssc может быть рассчитана (или измерена) для конкретной точки оценки или может быть оценена для типичной системы СН с характеристиками, аналогичными рассматриваемой.
8.2 Этап 2. Нормы эмиссии по отношению к фактическим характеристикам системы
Учитывая фактическую поглощающую способность системы, в частности, принимая во внимание коэффициент передачи, могут быть допущены более высокие уровни эмиссии, чем те, которые соответствуют критериям
этапа 1.
На этом этапе допустимый общий вклад в суммарный уровень помех распределяется применительно к каждой отдельной установке в соответствии с ее долей от общей мощности St системы электроснабжения, к которой эта установка подключена. Это гарантирует, что уровень помех из-за эмиссии всех потребителей, подключенных к системе, не будет превышать планируемого уровня.
Примечание - Последующая процедура может быть выполнена с использованием реальной мощности P вместо полной мощности S.
Подход, представленный ниже, предполагает, что распространение в радиальной энергетической системе помех, вызывающих фликер, следует достаточно простым законам:
- подход основан на общем законе суммирования, представленном в
разделе 7;
- значения фликера, имеющие место при данном уровне напряжения, будут передаваться "ниже по потоку" с некоторым ослаблением (коэффициент передачи несколько ниже 1, например 0,8);
- из-за увеличения мощности короткого замыкания с повышением уровня напряжения и малой вероятности совпадений изменений напряжения вклады фликера от системы с более низким напряжением в систему с более высоким напряжением могут в большинстве ситуаций считаться практически незначительными.
8.2.1 Распределение общей эмиссии между пользователями
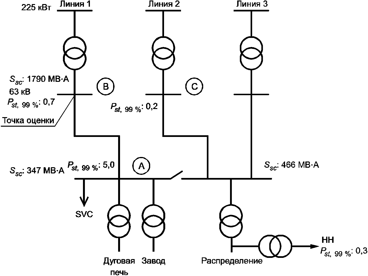
Рассмотрим типичную систему СН, как представлено на
рисунке 3. Цель - установить нормы эмиссии для среднего напряжения.
Рисунок 3 - Пример системы для разделения общих вкладов
при среднем напряжении
Прежде всего для определения общего вклада всех источников фликера, присутствующих в конкретной системе СН, необходимо применение общего закона суммирования
[формула (2)]. Фактический уровень фликера в системе СН является результатом суммирования уровня фликера, поступающего от "восходящей системы" (следует учесть, что "восходящая система" может быть системой ВН или другой системой СН, для которой ранее были установлены промежуточные уровни планирования), с уровнем фликера, созданным всеми установками, создающими колебания напряжения, подключенными к рассматриваемой системе СН, включая установки НН, создающие колебания напряжения. Однако можно предположить, что установки НН, создающие колебания напряжения, оказывают лишь незначительное влияние на уровни фликера систем СН (см. также
8.2). Таким образом, уровень фликера не должен превышать планируемого уровня системы СН, определяемого как:

, (5)
где GPstMV - максимальный общий вклад в уровень фликера всех установок СН, создающих колебания напряжения, которые могут быть подключены к рассматриваемой системе (выражается через Pst или Plt);
LPstMV - планируемый уровень фликера (индексы Pst или Plt) в системе СН;
LPstUS - планируемый уровень фликера в "восходящей системе" (по причинам, объясненным выше, для промежуточных уровней напряжения между СН и ВН - СВН могут потребоваться разные планируемые уровни; именно поэтому используется общий термин "планируемый уровень в восходящей системе");
TPstUM - коэффициент передачи фликера (
Pst или
Plt) из "восходящей системы" в систему СН (он может быть определен путем моделирования или измерений, см.
приложение B);

- показатель закона суммирования, как правило, равный 3 (см.
раздел 7).
С помощью алгебраических преобразований общий вклад для установок СН, создающих колебания напряжения, может быть определен для
Pst (или аналогично для
Plt) из
формулы (5), используя следующее выражение:

. (6)
Примеры перераспределения общих вкладов с учетом коэффициентов передачи приведены в
приложении C.
8.2.2 Индивидуальные нормы эмиссии
Для каждого пользователя может быть разрешена только часть общего уровня эмиссии GPstMV. Разумный подход заключается в том, чтобы использовать соотношение между согласованной мощностью Si и общей мощностью St системы электроснабжения СН, где в качестве St может быть взята мощность трансформатора ВН - СН или общая нагрузка на выходе, с учетом возможного будущего роста нагрузки. Такой критерий связан с тем, что согласованная мощность пользователя часто связана с его долей в инвестиционных затратах энергосистемы.
Используя рекомендуемые законы суммирования [
формулы (3) и
(4)], индивидуальные нормы эмиссии
EPsti и
EPlti затем задаются
формулами (7) и
(8), где, как правило, применяется значение

:

; (7)

, (8)
где EPsti, EPlti - нормы эмиссии фликера для установки пользователя i, непосредственно получающей питание при СН;
GPstMV,
GPltMV - максимальные общие вклады в уровни фликера всех установок СН, создающих колебания напряжения, которые могут быть подключены к рассматриваемой системе, по
формулам (5) и
(6) (выражены в единицах
Pst или
Plt);

- согласованная мощность установки пользователя
i или номинальная мощность, МВ·А, рассматриваемой установки, создающей колебания напряжения (либо нагрузка, либо генерация);
St - общая поставляемая мощность рассматриваемой системы, включая резерв для будущего роста нагрузки (St - сумма распределенных мощностей всех установок, включая установки "ниже по потоку", которые подключены или могут быть подключены к рассматриваемой системе, учитывая их разнообразие). St может также включать вклад рассеянной генерации; однако потребуется более детальное рассмотрение, чтобы определить твердый вклад рассеянной генерации в St и ее эффективный вклад в мощность короткого замыкания;
SLV - общая мощность установок, получающих питание в рассматриваемой системе непосредственно при низком напряжении, включая обеспечение будущего роста нагрузки;

- показатель закона суммирования (см.
раздел 7).
Примечание - В некоторых случаях рассеянная генерация может фактически являться источником колебаний напряжения и должна учитываться соответствующим образом.
В некоторых расположениях возможно, что существующий уровень фликера будет выше, чем нормальная доля для существующих установок. В этом случае нормы эмиссии для новых установок могут быть уменьшены, или может быть предложено перераспределение планируемых уровней между различными уровнями напряжения, или может быть увеличена способность поглощения фликера в системе.
Для пользователей, имеющих низкую согласованную мощность, такой подход может привести к невыполнимо низким ограничениям. Нормы эмиссии затем должны быть установлены на значения, приведенные в
таблице 4.
Таблица 4
Минимальные нормы эмиссии при СН
8.3 Этап 3. Принятие более высоких уровней эмиссии при определенных условиях
При некоторых обстоятельствах сетевая организация может подключить установку, создающую колебания напряжения, уровни которых превышают базовые нормы, разрешенные по результатам
этапа 2. Это особенно важно, когда нормы
этапа 2 являются общими ограничениями, полученными с использованием типичных, но консервативных характеристик системы. Приведенные ниже факторы могут обеспечить в системе определенный запас, позволяющий допустить более высокие нормы эмиссии, например:
- некоторые установки не создают значительного фликера, потому что в их составе нет искажающего оборудования с существенным энергопотреблением. Поэтому доступная способность системы поглощать фликер может не использоваться в течение определенного периода времени;
- общий закон суммирования может быть слишком консервативным: некоторые установки, создающие колебания напряжения, никогда не будут работать одновременно из-за ограничений системы или нагрузки;
- в некоторых случаях более высокие общие вклады могут быть определены после перераспределения планируемых уровней между системами СН и ВН - СВН (см.
приложение C), чтобы учесть местные явления, такие как особые эффекты затухания или отсутствие установок, создающих колебания напряжения в определенных уровнях напряжения;
- в некоторых случаях установка, создающая колебания напряжения, может соответствовать своим нормам эмиссии в нормальных конфигурациях системы, в то же время превышая нормы эмиссии
этапа 2 только изредка при ухудшенных конфигурациях (например, когда соседняя генерирующая установка не работает).
Во всех случаях, когда это уместно, сетевая организация может принять решение об установлении более высоких норм эмиссии на этапе 3. Всегда следует проводить тщательное изучение соединений, принимая во внимание ранее существовавший уровень фликера и ожидаемый вклад от рассматриваемой установки при различных возможных условиях эксплуатации. Возможность принятия более высоких норм эмиссии для пользователей может иметь место только на условной основе, с установлением сетевой организацией ограничений, например:
- установление временных ограничений этапа 3:
- до тех пор, пока в системе остаются свободные запасные мощности для
разрешения большей эмиссии;
- до тех пор, пока большинство других пользователей не в полной мере
используют свои нормы эмиссии, соответствующие
этапу 2;
- на время, необходимое для новой установки, чтобы реализовать
дополнительные корректирующие меры, когда это необходимо;
- снижение интенсивности или отсутствие работы установок, создающих колебания напряжения, для некоторых систем питания или конфигураций пользователя.
8.4 Сводная схема процедуры оценки
На
рисунке 4 приведена схема процедуры оценки.
Процедура оценки применима в равной степени к Pst и Plt.
Рисунок 4 - Схема процедуры оценки
9 Нормы эмиссии для установок, создающих колебания напряжения, подключенных к системам ВН - СВН
9.1 Этап 1. Упрощенная оценка эмиссии помех
При ВН и СВН допускается использовать критерии для подключения на этапе 1, приведенные в
8.1.
9.2 Этап 2. Нормы эмиссии по отношению к фактическим характеристикам системы
Подход в основном такой же, как для пользователей при СН (см.
8.2). Однако в конкретном случае установок ВН или СВН, создающих колебания напряжения, доля общего уровня помех для каждого пользователя должна быть основана на общей мощности, доступной для всех установок ВН или СВН, создающих колебания напряжения, а не на общей мощности системы. Ранее было указано, что вкладом установок СН и НН в уровень фликера на ВН или СВН допускается пренебречь; поэтому установки СН и НН не должны быть включены в определение общей мощности электроснабжения для разрешения эмиссии фликера на ВН - СВН.
9.2.1 Оценка общей доступной мощности
Обозначим через Si полную мощность установки i, а через StHV (StEHV) - общую мощность, доступную для пользователей при ВН (СВН) в точке оценки (POE). Тогда отношение Si/StHV (Si/StEHV) является основной величиной для определения норм эмиссии на этапе 2.
9.2.1.1 Первое приближение
Оценить St намного сложнее в системах ВН и СВН, чем в системе СН. Предложенный подход заключается в следующем: при рассмотрении случая установки, подключенной к данной подстанции ВН или СВН, основной информацией является прогноз потоков мощности с учетом эволюции системы в будущем:
Рисунок 5 - Определение St для простой системы ВН или СВН
Оценка имеет вид:

, (9)
где St - приближенное значение общей мощности, МВ·А, всех установок, для которых нормы эмиссии должны быть распределены в дальнейшем. В этом случае St оценивается как сумма потоков мощности, МВ·А, выходящих из рассматриваемой шины ВН - СВН (включая резерв для будущего роста нагрузки).
Это первое приближение St должно оставаться консервативным. Более подробное второе приближение рекомендуется, когда такие консервативные допущения приводят к нереалистичным нормам эмиссии.
Примечание - Данное первое приближение предполагает, что эмиссия фликера, вызванная каждой установкой, получающей питание от других подключенных шин, непосредственно влияет на рассматриваемую шину (то есть коэффициенты влияния, используемые во втором приближении, равны единице).
9.2.1.2 Второе приближение
Простой первый подход может быть неправильным, если имеются установки, создающие значительные колебания напряжения, или они могут быть подключены вблизи рассматриваемой подстанции. В случае сомнений рекомендуется действовать следующим образом (см.
рисунок 6).
Рисунок 6 - Определение
St для ячеистой системы ВН или СВН
Обозначают "1" как рассматриваемый узел и "2", "3" и т.д. - как другие узлы, расположенные в окрестности первого. Рассчитывают значения
StHV1,
StHV2,
StHV3 в соответствии с
формулой (9), игнорируя при этом все потоки мощности
Sout между двумя из этих узлов.
Необходимо рассчитать значения коэффициентов влияния K2-1, K3-1 на частоте сети [коэффициент влияния Kn-m - изменение напряжения, которое вызывается в узле m, когда единичное изменение напряжения 1 p.u. (в долях напряжения основной частоты) подается в узел n; расчет Kn-m, как правило, требует использования компьютерной программы].
Альтернативный подход основан на применении нагрузки (или трехфазного короткого замыкания через некоторое полное сопротивление) на шине
n и фиксировании напряжений на шинах
m и
n. Коэффициент влияния между шинами
m и
n может быть определен как

, где
Um и
Un - напряжения на шинах
m и
n с приложенной нагрузкой, присутствующей в
n и

и

- соответствующие напряжения без приложенной нагрузки.
Примечание - Коэффициенты влияния, полученные таким образом, могут быть чувствительны к коэффициенту мощности с учетом приложенной нагрузки или короткого замыкания, и нагрузка, подключенная при моделировании, должна близко представлять характеристики оцениваемой нагрузки. Следует также обратить внимание на то, что коэффициенты влияния зависят от частоты, и в некоторых случаях, особенно вблизи генерирующих станций, зависимости могут стать значимыми для частот ниже основной.
Более строгий метод, основанный на типичных данных и методах анализа короткого замыкания, приведен в
приложении F.
Для рассматриваемого второго приближения
формулу (9) следует заменить на
(9'), приведенную ниже (или аналогичную для
StEHV):

(9')
При этом члены вида

(как правило, используют

) следует добавлять, если они остаются значительными по сравнению с
StHV1.
9.2.2 Индивидуальные нормы эмиссии
Принимая во внимание рекомендуемый закон суммирования [
формулы (3) и
(4)], индивидуальные нормы эмиссии
EPsti и
EPlti затем вычисляют по
формулам (10) -
(13):

; (10)

; (11)

; (12)

, (13)
где EPsti, EPlti - нормы эмиссии фликера для установки i;
GPstHV(EHV) или
GPltHV(EHV) - максимальный общий вклад в уровень фликера (
Pst или
Plt) всех установок, создающих колебания напряжения, которые допускается подключить к рассматриваемой системе ВН (или СВН) [см.
формулу (14)];

- согласованная полная мощность установки
i;
StHV или
StEHV - часть общей пропускной способности рассматриваемой системы ВН или СВН, которая предназначена для установок ВН или СВН [см.
формулы (9) или
(9')];

- показатель закона суммирования, как правило, равный 3 (см.
раздел 7).
Определение общего вклада (
GPstHV или EHV) и доли планируемых уровней между различными частями системы ВН или СВН требует проведения анализа для оценки воздействия различных установок, создающих колебания напряжения, с учетом эволюции конфигурации системы СВН/ВН, распределения нагрузок и ожидаемой доли установок, создающих колебания напряжения. В любом случае комбинированные вклады фликера, выделенные для установок ВН и СВН, создающих колебания напряжения, должны быть такими, чтобы соответствовать планируемым уровням с учетом коэффициента передачи от СВН к ВН (
TPstEHV-HV). То есть используется
формула (14), где, как правило, применяют значение

.

. (14)
В некоторых расположениях возможно, что существующий уровень фликера будет выше, чем нормальная доля для существующих установок. В этом случае нормы эмиссии для новых установок могут быть уменьшены, или может быть предложено перераспределение планируемых уровней между различными уровнями напряжения, или может быть увеличена способность поглощения фликера в системе.
Для пользователей, имеющих низкую согласованную мощность, такой подход может привести к невыполнимо низким ограничениям. Нормы эмиссии затем должны быть установлены на значения, приведенные в
таблице 5.
Таблица 5
Минимальные нормы эмиссии при ВН - СВН
9.3 Этап 3. Принятие более высоких уровней эмиссии при определенных условиях
Требования, приведенные в
8.3, в равной степени относятся к этапу 3 при ВН - СВН.
10 Быстрые изменения напряжения
Визуальный дискомфорт из-за фликера источников света является наиболее частой причиной ограничения изменений напряжения, вызываемых установками. Тем не менее сетевые организации должны поддерживать значение напряжения в узких пределах, и отдельные пользователи не должны производить значительных изменений напряжения, даже если они терпимы с точки зрения фликера.
В настоящем стандарте быстрыми изменениями напряжения считают изменения среднеквадратичного значения напряжения основной частоты, длящиеся несколько периодов.
Простая оценка относительного изменения напряжения может быть выполнена следующим образом (см.
рисунки 7 -
9):
I = Ip - jIq; (15)
ZL = RL + jXL. (16)
a) Эквивалентная схема
b) Векторная схема
Рисунок 7 - Схема замещения и векторная диаграмма
для простых оценок
Рисунок 8 - Пример быстрого изменения напряжения, связанного
с запуском двигателя
Рисунок 9 - Пример быстрого изменения напряжения, связанного
с переключением конденсатора
Для однофазных и симметричных трехфазных установок

. (17)
10.2 Уровни совместимости
В системах электроснабжения СН в нормальных условиях значение быстрых изменений напряжения ограничено 3% номинального напряжения. Вместе с тем в системах СН нечасто могут иметь место быстрые изменения напряжения, превышающие 3%, см. IEC 61000-2-12
[9].
Примечание - Текущая практика во многих компаниях заключается в том, что значение 3% в целом соответствует быстрым изменениям напряжения, которые могут происходить два раза в час или чаще.
Практически совпадение возникновения нескольких быстрых изменений напряжения крайне маловероятно. По этой причине законы суммирования во внимание не принимают. Из-за низкой частоты возникновения статистические показатели не учитывают.
Это уровни помех, которые должны быть использованы для определения норм эмиссии с учетом всех установок, которые могут вызывать быстрые изменения напряжения. Планируемые уровни определяются сетевой организацией для всех уровней напряжения системы и могут рассматриваться как внутренние цели качества сетевой организации. Указанные уровни совместимости могут быть представлены отдельным пользователям по запросу. Так как планируемые уровни отличаются от случая к случаю, в зависимости от структуры системы и обстоятельств, то могут быть даны только индикативные значения.
Планируемые уровни для СН в отношении быстрых изменений напряжения предлагается устанавливать на основе уровней совместимости. Поскольку установленных уровней совместимости для ВН - СВН не существует, то предлагаются уровни, основанные:
a) на существующей в системе ВН - СВН практике в отношении быстрых изменений напряжения и
b) необходимости обеспечения разницы между планируемыми уровнями систем СН и ВН - СВН для целей общей координации ЭМС.
В
таблице 6 приведены индикативные планируемые уровни для быстрых изменений напряжения

для нечастых событий (выраженные в процентах номинального напряжения). Эти предельные значения зависят от числа таких изменений в заданный период времени. Менее частые изменения напряжения здесь не рассматриваются, однако они также могут быть необходимы в некоторых системах.
Таблица 6
Индикативные планируемые уровни для быстрых изменений
напряжения в зависимости от числа таких изменений
в заданный период времени
Число изменений n |  , % |
СВ | ВН/СВН |
n <= 4 в день | 5 - 6 | 3 - 5 |
n <= 2 в час и > 4 в день | 4 | 3 |
2 < n <= 10 в час | 3 | 2,5 |
Примечание 1 - При ВН/СВН допустимое изменение напряжения имеет широкий диапазон из-за значительного разброса охватываемых уровней напряжения (например, от 35 до 500 кВ).
Примечание 2 - При ненормальных условиях системы могут быть допустимы более высокие значения.
Примечание 3 - Допустимое изменение напряжения

, %, и число изменений в данном периоде времени следует применять таким образом, чтобы число изменений значения

не превышало числа, указанного для общего периода времени, соответствующего частоте повторения (например, в течение одного 24-часового периода времени допускается не более четырех изменений по 6%).
Примечание 4 - Следует обратить внимание на то, что в дополнение к вышеуказанным планируемым уровням в случае запуска двигателя требуется техническая оценка.
Координационный подход, применяемый в настоящем стандарте, основан на индивидуальных уровнях эмиссии, полученных на основе планируемых уровней, что обеспечивает соответствие требованиям ЭМС. Поскольку индикативные значения планируемых уровней определяются как число случаев быстрых изменений напряжения определенного уровня, допустимых в течение определенного интервала времени, нормы эмиссии для отдельных установок должны определяться сетевой организацией в каждом конкретном случае с учетом особенностей функционирования и воздействия каждой установки, которые могут вызвать быстрые изменения напряжения в интересующей системе. Совокупный эффект всех установок не должен приводить к быстрым изменениям напряжения, превышающим планируемые уровни, установленные сетевой организацией.
Примечание - Может возникнуть необходимость в координации уровней эмиссии от установок при СН и при ВН - СВН в зависимости от конкретной системы и расположения рассматриваемых установок.
10.5 Процедура оценки соответствия планируемым уровням и нормам эмиссии
Не существует стандартизированного метода измерения для быстрых изменений напряжения. По этой причине рекомендуется, чтобы используемая процедура оценки основывалась на измеренных изменениях среднеквадратичного значения напряжения, учитывающих только составляющую частоты сети с удаленными переходными процессами. На практике следует использовать самое короткое из возможных многопериодных окон, чтобы избежать искусственного сглаживания желаемого среднеквадратичного значения изменения напряжения основной частоты.
Минимальный период измерения составляет одну неделю нормальной деловой активности. Период мониторинга должен включать период ожидаемых максимальных уровней быстрых изменений напряжения.
В случае быстрых изменений напряжения, создаваемых установкой, вызывающей колебания напряжения, наихудший случай быстрых изменений напряжения рассматривается при оценке уровня эмиссии (то есть оценка уровня эмиссии не основывается на 95% времени).
(справочное)
КРИВЫЕ Pst = 1 И ЧИСЛОВЫЕ ДАННЫЕ ДЛЯ НАПРЯЖЕНИЙ 230 И 120 В
Рисунок A.1 - Кривые
Pst = 1 для регулярных прямоугольных
изменений напряжения
[13]
Таблица A.1
Относительные колебания входного напряжения

для
Pst = 1,0 на выходе
[13]
Частота колебаний r, изменений/мин | Колебания напряжения, % |
Лампа 120 В 60 Гц | Лампа 230 В 50 Гц |
0,1 | 8,202 | 7,4 |
0,2 | 5,232 | 4,58 |
0,4 | 4,062 | 3,54 |
0,6 | 3,645 | 3,2 |
1 | 3,166 | 2,724 |
2 | 2,568 | 2,211 |
3 | 2,25 | 1,95 |
5 | 1,899 | 1,64 |
7 | 1,695 | 1,459 |
10 | 1,499 | 1,29 |
22 | 1,186 | 1,02 |
39 | 1,044 | 0,906 |
48 | 1 | 0,87 |
68 | 0,939 | 0,81 |
110 | 0,841 | 0,725 |
176 | 0,739 | 0,64 |
273 | 0,65 | 0,56 |
375 | 0,594 | 0,5 |
480 | 0,559 | 0,48 |
585 | 0,501 | 0,42 |
682 | 0,445 | 0,37 |
796 | 0,393 | 0,32 |
1020 | 0,35 | 0,28 |
1055 | 0,351 | 0,28 |
1200 | 0,371 | 0,29 |
1390 | 0,438 | 0,34 |
1620 | 0,547 | 0,402 |
2400 | 1,051 | 0,77 |
2875 | 1,498 | 1,04 |
Примечание 1 - Два последовательных изменения напряжения (одно положительное и одно отрицательное) составляют один "период", т.е. два изменения напряжения в секунду соответствуют частоте колебаний 1 Гц.
Примечание 2 - Эти кривые основаны на освещении лампами накаливания мощностью 60 Вт. Следует учесть, что другие световые приборы могут давать иные результаты. Данные кривые приняты в качестве опорных для обеспечения согласованных оценок в разных ситуациях.
Примечание 3 - В литературе существуют разные версии
таблицы A.1 с некоторыми отличиями.
(справочное)
РУКОВОДСТВО ПО ОЦЕНКЕ КОЭФФИЦИЕНТА ПЕРЕДАЧИ ФЛИКЕРА
Коэффициент передачи фликера между двумя точками
A и
B, где доминирующий источник фликера расположен в точке
A, определяется как отношение значений
Pst, измеренных одновременно в обоих расположениях
[3]:
TPstAB = Pst(B)/Pst(A).
Результаты измерений, проведенных различными организациями, показали, что фликер, вызываемый установками, создающими колебания напряжения, подключенными к СВН или ВН, может быть значительно ослаблен при распространении в системах СН или НН. Эго уменьшение происходит главным образом из-за эффекта компенсации, вызываемого вращающимися машинами, подключенными к рабочим напряжениям.
Пример результатов измерений
С целью получения экспериментальных значений коэффициентов передачи между различными уровнями напряжения были проведены одновременные измерения фликера. Измерения проводились при напряжениях 220, 70 и 15 кВ, при этом подстанция 220/70 кВ и подстанция 70/15 кВ были соединены воздушной линией 70 кВ длиной 13 км.
Точка 220 кВ является точкой общего присоединения к нескольким большим дуговым печам. Установка, создающая постоянные колебания напряжения, не подключена к последующим системам "вниз по течению". Для оценки коэффициентов передачи рассматривались только случаи, когда существует хорошая корреляция между колебаниями напряжения при различных уровнях напряжения.
Таблица B.1
Пример коэффициентов передачи фликера
Уровень напряжения | TPst AB |
220 кВ в направлении к 70 кВ | 0,82 |
70 кВ в направлении к 15 кВ | 0,91 |
15 кВ в направлении к 230 В | 0,98 - 1,0 |
По результатам измерений были сделаны следующие выводы:
- значительное уменьшение фликера наблюдается между 220 и 70 кВ (около 0,8) и в меньшей степени между 70 и 15 кВ (около 0,9), давая общий коэффициент передачи от 220 до 15 кВ, равный примерно 0,72;
- аналогичные результаты отмечены и при измерении дозы фликера Plt;
- оценка коэффициента передачи по результатам статистической обработки (процентили 99% или 95%) действительна только при наличии хорошей корреляции между измеренными колебаниями напряжения при разных уровнях напряжения. Если значимые источники фликера также подключаются при более низких уровнях напряжения, то предпочтительно оценивать коэффициент передачи в периоды малого значения фликера при НН, чтобы эффекты источников фликера при более высоких уровнях напряжения можно было четко наблюдать при НН. В качестве альтернативы допускается использовать метод системного анализа;
- не отмечалось значительного снижения с 15 кВ до 230 В. Ряд других результатов измерений также показал, что коэффициенты передачи между СН и НН были близки к единице.
(справочное)
ПРИМЕР ПЕРЕРАСПРЕДЕЛЕНИЯ ОБЩИХ ВКЛАДОВ И ПЛАНИРУЕМЫХ
УРОВНЕЙ С УЧЕТОМ КОЭФФИЦИЕНТОВ ПЕРЕДАЧИ
Для решения задач координации ЭМС на НН, СН, ВН и СВН необходимо рассмотреть влияние колебаний напряжения в восходящем направлении на нисходящие системы с использованием коэффициентов передачи фликера. Как указано в
разделах 8 и
9, общий вклад может быть установлен на каждом уровне напряжения с использованием планируемого уровня на рассматриваемом уровне напряжения, планируемого уровня вышестоящей системы и коэффициента передачи между ними.
C.1 Включение коэффициентов передачи в процедуру распределения
Используя индикативные уровни планирования в
таблице 2 и принимая значение коэффициента передачи между ВН и СН, равным 0,9 (см.
таблицу B.1), глобальный вклад всех установок СН можно представить как:

.
Аналогично для НН, если предположить, что планируемый уровень при НН равен уровню совместимости (то есть Pst = 1), а коэффициент передачи между СН и НН равен единице, общий вклад всех установок НН может быть задан как:

.
C.2 Использование коэффициентов передачи для восстановления и перераспределения неиспользованных вкладов в эмиссию
Коэффициенты передачи, равные единице, используют для определения общего вклада для СН. Следуя тому же расчету, что и раньше, получим:

.
Сравнение вышеуказанного значения 0,60 с предыдущим результатом GPstMV, равным 0,71, показывает, что рассмотрение коэффициента передачи 0,9 позволяет получить дополнительный общий вклад 0,11 в СН, в то же время все еще выполняя общую задачу по координации ЭМС. Предполагая, что планируемый уровень при СН был удовлетворен на основе GPstMV = 0,60, неиспользованный вклад в СН допускается перераспределить в ВН, увеличив планируемый уровень в ВН следующим образом:

.
0,63 = 0,93 - 0,93·LPstHV3.
0,89 = LPstHV.
При необходимости такой повышенный уровень планирования может позволить увеличить эмиссию при ВН.
C.3 Перераспределение неиспользованных вкладов эмиссии между уровнями напряжения
Возможен случай, когда потенциально флюктуирующие установки, которые могут быть подключены к системе, не способны сформировать значение GPst при данном уровне напряжения. В этом случае возможно перераспределить неиспользованные вклады эмиссии и пересмотреть планируемые уровни при других напряжениях.
Например, рассмотрим случай, когда отсутствуют значительные установки, создающие колебания напряжения, подключенные к НН, так, что возможно не превышать значение
GPstLV = 0,5. Учитывая коэффициент передачи между СН и НН, равный 1 (см.
таблицу B.1), допустимый планируемый уровень СН в восходящем направлении может быть увеличен следующим образом:

.
0,53 - LPstLV3 = -TPstUL3·LPstMV3.
0,53 - 13 = -13·LPstMV3.
0,96 = LPstMV.
Если общий вклад всех установок СН не может превысить значение
GPstMV = 0,5, то планируемый уровень СН в восходящем направлении может быть увеличен (коэффициент передачи ВН в СН равен 0,9, см.
таблицу B.1) следующим образом:

.
0,53 = 0,963 - 0,93·LPstHV3.
1,01 = LPstHV.
Если этот процесс перераспределения будет продолжен (полагая, что общий вклад всех установок ВН не может превышать значение
GPstHV = 0,5, может быть найден повышенный планируемый уровень в СВН с использованием коэффициента передачи из СВН в ВН, равного 0,8 (см.
таблицу B.1):

.
0,53 = 1,013 - 0,83·LPstHV3.
1,21 = LPstEHV.
Полученный планируемый уровень в этом примере для СВН значительно превышает ориентировочное значение в
таблице 2. Это стало возможным благодаря перераспределению эмиссии на основе местоположения (и возможных воздействий) установок, создающих колебания напряжения, и с учетом влияния коэффициентов передачи между различными уровнями напряжений. Общие вклады в эмиссию могут быть уменьшены при некоторых уровнях напряжения, и эти сокращения могут быть перераспределены на другие уровни напряжения при сохранении координации ЭМС от СВН до НН. Этот подход требует регулярных проверок для учета возможных изменений.
(справочное)
ИСПОЛЬЗОВАНИЕ ПОКАЗАТЕЛЕЙ ЖЕСТКОСТИ ФЛИКЕРА Ast И Alt
ДЛЯ УПРОЩЕНИЯ ВЫЧИСЛЕНИЙ
Если используется закон суммирования, то часто может быть удобным заменить
Pst показателем эквивалентной жесткости фликера
Ast следующим образом:

. В результате упрощаются вычисления, в которых, как правило, применяется показатель степени

. В некоторых странах систематически используют
Ast вместо
Pst для упрощения вычислений. Эта замена дает линейную зависимость для оценки помехи
Astt, генерируемой несколькими источниками фликера:

.
Кроме того, принимая во внимание тот факт, что длительная доза фликера
Plt вычисляется как корень степени

среднего значения кубов
Pst, измеряемых в течение периода наблюдения, значение
Plt также может быть выражено эквивалентным показателем
Alt следующим образом:

.
Таким образом, использование показателей эквивалентной жесткости фликера также упрощает расчет длительной дозы фликера, которая становиться простым средним значением краткосрочных эквивалентных значений. Линейное суммирование также применяется для оценки длительной эквивалентной жесткости Altt, вызванной несколькими источниками:

.
Следует иметь в виду, что Ast в отличие от Pst не имеет линейной зависимости от относительного изменения напряжения, поэтому полезность двух показателей жесткости изменяется в соответствии с рассматриваемой проблемой.
Выражение уровней совместимости и планируемых уровней в значениях Ast и Alt приведено ниже.
Таблица D.1
Уровни совместимости для Ast и Alt в системах
электроснабжения НН и СН
| Уровень совместимости |
Ast | 1,0 |
Alt | 0,5 |
Таблица D.2
Индикативные значения планируемых уровней для Ast и Alt
в системах электроснабжения СН, ВН и СВН
| Планируемый уровень |
СН | ВН - СВН |
Ast | 0,73 | 0,5 |
Alt | 0,3 | 0,2 |
Примечание - Эти значения были установлены в предположении, что коэффициенты передачи между ВН и СН, а также между СН и НН равны единице.
При использовании показателей эквивалентной жесткости фликера Ast вместо Pst методы, представленные в основной части этого стандарта, рекомендуется аналогичным образом преобразовать для применения с показателями Ast.
(справочное)
ОЦЕНКА ЭМИССИИ ДЛЯ Pst ДО И ПОСЛЕ ПОДКЛЮЧЕНИЯ
Для базовых оценок Pst при периодических и неповторяющихся колебаниях допускается использовать коэффициенты формы. Колебания более случайного характера, например вызванные электрическими дугами, требуют более совершенных методов точного прогнозирования.
E.1 Упрощенные оценки перед подключением для общих периодических и апериодических колебаний
Во многих случаях колебания напряжения, вызываемые оборудованием, следуют известным и предсказуемым формам. В этих случаях рекомендуется заранее определить уровень фликера, создаваемый применительно к данной форме и общему изменению напряжения. Следует учесть, что для прогнозирования общего изменения напряжения допускается использовать упрощенные расчеты, компьютерные исследования или исторические данные, тогда как для оценки полной формы колебаний необходимы определенные знания о работе оборудования.
E.1.1 Упрощенная процедура оценки периодических изменений напряжения
Кривые
Pst = 1,0 в
приложении A основаны на повторяющихся и периодических шагах изменения формы прямоугольной волны. Из кривых
Pst = 1,0 возможно определить значение относительного изменения напряжения
d, которое дает значение кратковременной дозы фликера
Pst = 1,0 для данной частоты прямоугольной модуляции. Поскольку доза фликера является линейной, относительное изменение напряжения на 2
d при той же частоте дает значение
Pst = 2,0.
На практике большинство изменений напряжения не имеют ступенчатого характера. Для получения результатов для других (не прямоугольных) периодических форм модуляции использовалось моделирование фликерметра, и эти результаты допускается использовать в сочетании с кривыми
Pst = 1,0 для прогнозирования значений
Pst при изменениях волны, не имеющих формы меандра. Результаты доступны для синусоидальной, треугольной, наклонной, двухступенчатой и других распространенных форм, как показано на
рисунках E.1 -
E.3. Учитывая, что эти результаты являются функцией частоты изменений, кривые, называемые "кривыми коэффициента формы", используются для отображения результатов в диапазоне частот, представляющих интерес.
Используя кривые Pst = 1,0, кривые коэффициента формы и известное относительное изменение напряжения d, возможно прогнозировать значение Pst, используя выражение
Pst = (
d/
dPst = 1)·
F, (E.1)
где
dPst = 1 - требуемое значение относительного изменения напряжения для получения
Pst = 1 для данной частоты, как показано на
рисунке A.1;
F - значение коэффициента формы, как показано на соответствующей кривой на
рисунках E.1 -
E.3.
E.1.2 Упрощенный расчет относительного изменения напряжения d
Относительное изменение напряжения
d возможно оценить как отношение изменения мощности нагрузки

к мощности
Ssc короткого замыкания. Для симметричных трехфазных нагрузок относительные изменения напряжений "фаза - нейтраль" (
UY) и "фаза - фаза" соответственно равны:

. (E.2)
Примечание 1 - Например,

при запуске двигателя - это изменение от
Si = 0 до
Si =
Si,max (максимальная полная мощность при запуске), и следовательно,

.
Если отношение X/R системы является низким (например, менее 5), относительное изменение напряжения следует рассчитывать более точным способом, используя резистивную и индуктивную часть полного сопротивления системы:

. (E.3)
Изменения напряжения, вызванные двухфазной нагрузкой (например, сварочным аппаратом), оценивают по формуле

. (E.4)
Во многих случаях вместо упрощенных формул используются расширенные вычисления. Как правило, используют компьютерное моделирование для определения относительного изменения напряжения d, чтобы учесть все соответствующие аспекты оценки.
E.1.3 Кривые коэффициента формы
Соотношения между кривыми Pst = 1,0 для периодических прямоугольных и других периодических изменений напряжения приведены в графической форме в виде кривых коэффициента формы. На этих кривых, как правило, показаны повышения напряжения. Следует учитывать, что применительно к предсказанию фликера это эквивалентно падениям напряжения.
Рисунок E.1 - Кривая коэффициента формы для импульса
и линейных изменений
Рисунок E.2 - Кривые коэффициента формы для двухступенчатых
импульсов и двукратных линейных изменений
Рисунок E.3 - Кривые коэффициента формы для синусоидальных
и треугольных изменений
E.1.4 Упрощенная процедура оценки апериодических изменений напряжения
Во многих случаях изменения напряжения не происходят непрерывно или периодически в течение 10-минутного интервала, применительно к которому проводится оценка Pst. Распространенная ситуация будет включать в себя колебания нагрузки во время запуска, функционирование в течение определенного времени, отключение на некоторое время, затем повторный запуск. Операции этого типа не являются постоянно повторяющимися и могут не быть периодическими в течение любого конкретного 10-минутного интервала времени.
Дополнительный набор кривых коэффициента формы, показанный на
рисунке E.4, был разработан для указанных типов апериодических изменений напряжения.
Рисунок E.4 - Кривые коэффициента формы
для апериодических изменений
Следует учесть, что графики, приведенные на
рисунке E.4, основаны на предполагаемой неравномерной прямоугольной форме волны рабочего цикла и относительном изменении напряжения 2%. Для относительных изменений напряжения, которые возможно описать с помощью неравномерной прямоугольной формы волны рабочего цикла с моментами времени
t1 и
t2, как показано на
рисунке E.4,
Pst возможно оценить, используя выражение
Pst = (
d/2)·
Pst, 2%, (E.5)
где d - фактическое относительное изменение напряжения, %;
Pst, 2% - значение, считанное с
рисунка E.4 для конкретного изменения напряжения, в зависимости от значений
t1 и
t2.
Необходимо учесть, что подход на основе применения
уравнения (E.5) допускается комбинировать с подходом по
уравнению (E.1), чтобы учесть колебания различных форм, которые либо не являются непрерывно повторяющимися, либо не являются периодическими. Комбинированный подход основан на применении выражения
Pst = F·(d/2)·Pst, 2%, (E.6)
где все переменные такие, как определено ранее.
E.2 Предварительная оценка подключения в случае дуговых печей переменного или постоянного тока со статическим переменным компенсатором и без него
Предварительная оценка (определение) фликера, создаваемого дуговой печью переменного или постоянного тока (до ввода оборудования в эксплуатацию), является важной, но трудной задачей. Такая оценка необходима для оценки места подключения дуговой печи и необходимости установки компенсации.
Измерения фликера, проведенные в прошлом, позволили разработать эмпирическое уравнение для оценки кратковременной дозы фликера, создаваемого дуговой печью:

,
где Sscf - мощность короткого замыкания в печи (тест короткозамкнутых электродов);
Ssc - мощность короткого замыкания системы в точке оценки;
Kst - характерный коэффициент эмиссии фликера дуговой печи.
Отсюда следует, что если мощность короткого замыкания увеличивается, то кратковременная доза фликера уменьшается в той же пропорции. Однако в случае очень низкого уровня короткого замыкания значение фликера может быть выше, чем прогнозируется линейной зависимостью от уровня короткого замыкания. Это может быть объяснено тем фактом, что при работе печи от слабой системы нестабильность дуги увеличивается.
Коэффициент
Kst может быть определен путем измерения эмиссии фликера на дуговой печи аналогичного размера и технологии, которая уже используется. Коэффициент
Kst для дуговых печей переменного тока изменяется от 52 до 135 для систем, питающих световую нагрузку 230 В при НН. Значения
Kst в диапазоне от 64 до 75 рекомендуются для систем, питающих освещение 230 В, в то время как значения в диапазоне от 58 до 70 рекомендуются для систем с более низким напряжением (110 - 127 В) осветительной нагрузки
[15].
Если рассчитанное значение Pst, 95% превышает норму эмиссии, необходимо установить компенсацию.
Эффективность компенсации возможно оценить, определив коэффициент уменьшения фликера Rcomp. Это соотношение между уровнем фликера, измеренным без и с работающим компенсационным оборудованием. Указанный коэффициент уменьшения может быть определен измерением эмиссии фликера на существующих дуговых печах с такой же компенсацией. Коэффициент Rcomp составляет от 1,5 до 2,0 для статических компенсаторов надлежащего размера и от 3 до 6 для компенсации STATCOM.
E.3 Оценка после подключения установки, создающей колебания напряжения
E.3.1 Концепция мощности короткого замыкания
Концепция мощности короткого замыкания является основной для оценки подключения установок, создающих колебания напряжения. Мощность короткого замыкания системы может изменяться с учетом:
- периодов низкой и высокой генерации;
- изменений в работе системы из-за технического обслуживания или инцидентов в системе.
Это особенно верно в случае ячеистой системы, в которой мощность короткого замыкания может постоянно изменяться из-за изменений в распределенной генерации или непредвиденных обстоятельств, имеющих место в системе.
Ответственность за указание мощности короткого замыкания, которую следует использовать для оценки установки, создающей колебания напряжения, лежит на сетевой организации. "Заявленная мощность короткого замыкания" не представляет собой минимального значения, но является низким значением, учитывающим изменения рабочих условий, которые следует использовать для оценки эмиссии фликера. Значение заявленной мощности короткого замыкания возможно получить с помощью одного из приближений, указанных ниже. Следует учитывать, что мощность короткого замыкания будет изменяться со временем, поэтому даже во время ввода установки в эксплуатацию она, вероятно, будет отличаться от заявленного значения.
a) Мощность короткого замыкания для оценки оборудования
Основные определения условий короткого замыкания установлены в IEC 60909-0
[10]. Этот стандарт основан на расчете симметричного начального тока короткого замыкания

для ненагруженных сетей, т.е. при отсутствии пассивных нагрузок и любой шунтирующей емкости. Для расчета

применяется теорема Тевенина.
В IEC 60909-0
[10] определены два стандартных значения повышающего коэффициента, который следует использовать в зависимости от цепи вычислений мощности короткого замыкания. "Максимальное значение" следует использовать при оценке оборудования и устанавливать равным 1,1 для систем ВН. "Минимальное значение" следует использовать для других целей, таких как контроль условий запуска двигателя, которые, как правило, связаны с быстрыми изменениями напряжения, как указано в
разделе 10. "Минимальное значение" устанавливают равным 1,0 для систем ВН. Мощность короткого замыкания определяется в соответствии с указанным стандартом IEC при
c = 1, как:

.
Рассчитанная мощность короткого замыкания может быть использована для оценки оборудования либо при наличии некритических проблем, связанных с колебаниями напряжения.
b) Мощность короткого замыкания с учетом нагрузки системы и фактического уровня напряжения на питающей подстанции
Это приближение позволяет проводить дальнейшие вычисления в соответствии с теоретическим определением мощности короткого замыкания и основывается на учете фактического напряжения и шунтирующих элементов.
В нормальных условиях эксплуатации (см.
рисунок E.5) сеть загружена. Считается, что питающая подстанция для пользователя (
STo) обеспечивает напряжение, по меньшей мере равное номинальному значению. Чтобы получить напряжение
Un на подстанции, значение исходной ЭДС должно быть

(в большинстве случаев

). Из-за увеличения напряжения физический ток короткого замыкания также увеличивается на тот же коэффициент. Следовательно, физическая мощность короткого замыкания увеличивается на

в соответствии с теорией.
Рисунок E.5 - Учет нагрузки сети
c) Мощность короткого замыкания, включая нелинейные эффекты нагрузок в системе
В предыдущем анализе нагрузки учитывались как линейные элементы, т.е. предполагалось, что они представляют собой постоянные полные сопротивления. Однако было установлено, что нагрузки, как правило, во время искажений напряжения не ведут себя как постоянные полные сопротивления. Они могут демонстрировать зависящие от напряжения характеристики, приводящие к реактивной мощности в зависимости от функций напряжения, что отличается от классических отношений второй степени, связанных с постоянным полным сопротивлением. Общая форма выглядит следующим образом:

.
Значения показателя

от 0,5 до 12 приведены в литературе в зависимости от типа нагрузки.
Подобные эффекты с различными показателями были зарегистрированы и для фактической мощности
[12].
Указанное нелинейное поведение может значительно влиять на колебания напряжения. Как правило, измеряемый эффект - это уменьшение жесткости изменений напряжения. Что касается мощности короткого замыкания, этот эффект снижения допускается уловить как "кажущуюся" мощность короткого замыкания, которая фактически больше, чем мощность короткого замыкания, рассчитанная в приближениях 1 или 2.
E.3.2 Упрощенная оценка уровня эмиссии фликера: простое измерение напряжения в точке оценки
В некоторых случаях уровень эмиссии фликера установки, создающей колебания напряжения, допускается определить простым измерением напряжения в точке оценки. Условие состоит в том, что установка, создающая колебания напряжения, является единственным важным источником фликера в системе в течение периода измерения. Уровнем фона Pst ниже 0,35, как правило, можно пренебречь.
Если "заявленная мощность короткого замыкания" для оценки установки не совпадает с "фактической мощностью короткого замыкания" во время измерения, измеренный уровень эмиссии фликера установки может быть исправлен с учетом значения "заявленной мощности короткого замыкания" с использованием выражения:
Pst, опорный, 95% = Pst, измеренный, 95%·(Ssc, фактическая/
/Ssc, заявленная),
где Ssc, фактическая - фактическая мощность короткого замыкания в точке оценки во время измерений;
Ssc, заявленная - заявленная мощность короткого замыкания, указанная сетевой организацией для оценки эмиссии фликера установки, создающей колебания напряжения;
Pst, измеренный, 95% - измеренный уровень фликера в точке оценки;
Pst, опорный, 95% - уровень фликера в точке оценки, на который указывает заявленная мощность короткого замыкания.
Чтобы определить уровень эмиссии относительно заявленной мощности короткого замыкания, необходимо определить фактическую мощность короткого замыкания во время измерения; она не должна значительно изменяться в течение всего периода измерений.
E.3.3 Упрощенная оценка эмиссии фликера от дуговых печей
Как показано на
рисунке E.6, оцениваемая установка (дуговая печь и компенсатор) подключена в точке
A на вторичной стороне понижающего трансформатора (с полным сопротивлением
ZT). Трансформатор на стороне ВН подключен в точке
B системы ВН. Мощность короткого замыкания в точках
A и
B соответственно
SscA и
SscB.
Рисунок E.6 - Система для оценки эмиссии фликера
В случае дуговой печи SscA будет намного меньше, чем SscB; это приведет к значительному уровню фликера в точке A при работе дуговой печи. В большинстве случаев влияние других установок, создающих колебания напряжения, подключенных к системе, будет совершенно незначительным в точке A, даже если это не так в точке B.
Уровень фликера измеряется в точке A и может быть преобразован с учетом значения фактической мощности короткого замыкания в точке оценки (SscB) или с учетом заявленной мощности короткого замыкания (SscD) для определения уровня эмиссии дуговой печи в точке оценки (точка B):
PstB = (SscA/SscD) PstA.
Чтобы получить хорошие результаты, фазовые углы полных сопротивлений ZS и ZT должны быть одинаковыми (отношение X/R должно быть примерно одинаковым). В общем полное сопротивление трансформатора ZT является преимущественно индуктивным, а полное сопротивление короткого замыкания систем ВН или СВН также имеет почти индуктивный характер (угол ZS между 80° и 85°). Если это не так, влияние изменений активной мощности на уровень эмиссии фликера не будет оцениваться правильно.
E.3.4 Оценка уровня эмиссии фликера путем измерения падения напряжения в понижающем трансформаторе
Настоящий подход применим к любой установке, создающей колебания напряжения. Полное сопротивление трансформатора, полученное в результате испытаний, используется для оценки уровня эмиссии установки, создающей колебания напряжения.
Напряжения UA(t) и UB(t) измеряются в точках A и B. Измеренные напряжения на первичной и вторичной сторонах трансформатора должны быть синфазными (для трансформаторов DY или Yd напряжение между фазой и землей с одной стороны следует сравнить с соответствующим межфазным напряжением на другой стороне).
На следующем этапе напряжения UA(t) и UB(t) разделяют на 10-минутные значения напряжений основной частоты, так что их амплитуды могут быть выражены в виде нормированных значений uA(t) и uB(t).
Падение напряжения из-за сопротивления трансформатора может быть рассчитано по формуле

.
Сигнал

затем подают на фликерметр, чтобы получить уровень фликера [

- угол вектора напряжения
uB(
t) относительно вектора напряжения в точке
A]. Таким образом, мгновенное падение напряжения

вычитается из синусоидального напряжения источника, амплитуда которого равна 1 (в долях напряжения основной частоты), с тем же фазовым углом, что и вектор напряжения
uB(
t).
Полученное таким образом значение дозы фликера Pste является уровнем эмиссии установки на вторичной обмотке трансформатора ZT. Этот результат затем может быть преобразован в фактическую мощность короткого замыкания в точке B или в заявленную мощность короткого замыкания SscD, как показано ниже (SscT равно 1/ZT):

.
Обсуждение в конце
E.3.3 относительно фазовых углов также справедливо в этом случае.
E.3.5 Оценка уровня эмиссии фликера путем измерения напряжения и тока установки в точке оценки
Этот подход применим к любым установкам, создающим колебания напряжения. Чтобы применить метод, необходимо измерить форму волны напряжения UM(t) в точке оценки и форму волны тока IM(t), полученного от установки пользователя.
Рисунок E.7 - Оценка уровня эмиссии с использованием
текущих измерений
Для этого должна быть определена форма волны напряжения uE(t). Это напряжение, которое появилось бы в точке оценки, если бы установка пользователя была единственной искажающей установкой в системе. Для получения формы волны напряжения используется эквивалент Тевенина с синусоидальным источником напряжения UR(t).
Напряжение UR(t) представляет собой напряжение в точке оценки при условии, что система не нагружена. Фазовый угол волны напряжения UR(t) должен быть таким же, как фазовый угол напряжения u(t), где

,
при значении

, соответствующем заявленной мощности короткого замыкания.
Напряжение эмиссии uE(t) вычисляется и подается на фликерметр для получения уровня фликера в отношении Pst или Plt при заявленной мощности короткого замыкания.

.
Этот метод может учитывать как резистивный компонент полного сопротивления системы, так и влияние изменений активной мощности установки пользователя.
(справочное)
ДОБАВЛЕНИЕ Pst ОТ РАЗЛИЧНЫХ ШИН
В случаях, когда необходимо оценить влияние колебаний напряжения источника на другую точку системы электроснабжения, могут быть приняты во внимание следующие случаи:
- оцениваемая точка может быть расположена далеко от местоположения источника колебаний (с электрической точки зрения), так что ее возможно рассматривать как не оказывающую взаимного влияния;
- оцениваемая точка может быть расположена достаточно близко к местоположению источника колебаний напряжения, чтобы быть сгруппированными в один эквивалент;
- два местоположения могут быть на некотором расстоянии, не слишком далеко друг от друга (с электрической точки зрения), так что они могут рассматриваться как оказывающие взаимное влияние. Необходимо учитывать это влияние, прежде чем объединять значения Pst отдельных источников в любой конкретной точке оценки.
Ниже приведен пример для двух нагрузок, расположенных на разных шинах m и n в сетевой системе.
Рисунок F.1 - Пример двух нагрузок, питаемых от разных шин
Следующий упрощенный подход, основанный на моделировании короткого замыкания, является правильным, если отношения
X/
R всех компонентов системы приблизительно равны и если не учитывается частотная зависимость в полосе частот, представляющей интерес для колебаний напряжения. Для получения дополнительной информации см.
[11].
Системная модель полного сопротивления может быть построена с использованием стандартных методов моделирования короткого замыкания и использована для связи изменений нагрузки (тока) и шин m и n с соответствующими изменениями напряжения на тех же шинах.

. (F.1)
Из
уравнения (F.1) следует, что колебания напряжения на шине
m, вызванные колебаниями нагрузки (тока)

, равны
Zmm. Влияние колебаний нагрузки (тока)

на шину
n также равно
Zmn. С учетом линейности фликерметра измерение
Pst на шине
m допускается аналогично преобразовать в приблизительное измерение
Pst на шине
n по следующей формуле
Pst,n =
Pst,m (
Zmn/
Zmm). (F.2)
Применение
формулы F.2 распространено в тех случаях, когда измерения проводят в месте расположения конкретной установки, создающей колебания напряжения (возможно, в PCC), тогда как нормы эмиссии оцениваются в другом месте (в точке оценки). Также
формула (F.2), как правило, применяется в случаях, когда присутствуют несколько установок, создающих колебания напряжения. В этих случаях измерения или предварительные оценки допускается проводить в нескольких местах, переводить в одну интересующую точку и объединять в этой единственной точке с использованием закона суммирования с показателем степени, соответствующим характеру колебаний.
В тех случаях, когда упрощенные допущения
уравнения (F.1) не выполняются, допускается использовать изложенный подход, за исключением того, что вычисления следует выполнять с использованием комплексных значений системных сопротивлений и фазовых углов для изменений нагрузки (тока).
В этом случае для соотнесения изменений напряжения на одной шине с изменениями на другой шине используется только значение изменений напряжения, рассчитанное по
уравнению (F.1), поскольку явления фликера мало зависят от изменений фазового угла. В случае, когда необходимо учитывать частотную зависимость компонентов системы, особенно вблизи вращающихся генераторов, настоящий упрощенный подход допускается применять, как описано, за исключением того, что значения полного сопротивления в
уравнении (F.1) должны включать соответствующие значения полного сопротивления машины с учетом изменений частоты (или частот), представляющих интерес.
(справочное)
ПРИМЕРЫ ТЕМАТИЧЕСКИХ ИССЛЕДОВАНИЙ
G.1 Нагрузка прокатного стана
Предлагается подключить прокатный стан к точке питания СН, где ожидается указанное ниже изменение напряжения в точке общего присоединения других пользователей:
Рисунок G.1 - Пример эффекта от прокатного стана
Поскольку среднее число изменений напряжения (об/мин) составляет 6 (2/20 с) и

, нагрузка не будет соответствовать нормам
этапа 1, приведенным в
таблице 3. Следовательно, приемлемость следует оценивать с использованием процедур
этапа 2 раздела 8. Использование максимального общего вклада локальных нагрузок в уровень фликера системы СН
GPstMV = 0,78, пропускную способность системы 20 МВ·А и согласованную пользователем мощность 3 МВ·А, норму эмиссии пользователя
Pst = 0,41 определяют применением
формулы (7), если общая нагрузка
SLV, получающая питание непосредственно от НН, равна нулю. Отметим, что в этом общем случае используется показатель закона суммирования

. Расчеты следующие:

;

.
Для прямоугольных изменений напряжения с шестью изменениями в минуту значение изменения напряжения, необходимое для получения значения
Pst = 1,0 по
рисунку A.1, составляет приблизительно 1,6 (при напряжении 230 В). Для изменений формы наклона коэффициент формы для продолжительности 0,5 с составляет приблизительно 0,31 по
рисунку E.2.
Используя
формулу (E.1), значение
Pst, получаемое с помощью предлагаемой нагрузки прокатного стана, будет равно:
Pst = (d/dPst = 1)·F = (2/1,6)·0,31 = 0,39.
Это расчетное значение Pst менее нормы эмиссии фликера 0,41, и нагрузка может быть подключена.
G.2 Многоцелевая сварочная нагрузка
Производитель устанавливает нагрузку для точечной сварки. Эта нагрузка состоит из трех аппаратов точечной сварки, функционирующих с периодами повторения 0,2, 1 и 2,5 с и временем задержки 0,1, 0,2 и 0,3 с соответственно. Значения падения напряжения от аппаратов точечной сварки в PCC равны 0,5%, 0,4% и 0,25% соответственно.
Формы сигналов падения напряжения трех сварочных аппаратов показаны на
рисунке G.2.
Сварочный аппарат 1
Сварочный аппарат 2
Сварочный аппарат 3
Рисунок G.2 - Пример эффекта многоцелевой сварочной нагрузки
Один из подходов состоит в том, чтобы оценить значение фликера, вызываемого каждым сварочным аппаратом по отдельности, используя
рисунок E.4, а затем применить закон суммирования фликера (см.
раздел 7).
Для первого сварочного аппарата (см.
рисунок E.4)
t1 = 0,1 с и
t2 = 0,1 с и необходима интерполяция между кривыми "4 периода" и "7 периодов" по
рисунку E.4, что дает приблизительное значение
Pst, 2% = 4,43. Для первого сварочного аппарата вычисления проводят по
формуле (E.5):
Pst = (d/2)·Pst, 2% = (0,5/2)·4,43 = 1,10.
Для второго сварочного аппарата
t1 = 0,2 с и
t2 = 0,8 с. Для получения приблизительного значения
Pst, 2% = 2,58 из
рисунка E.4 интерполяция не требуется. Для второго сварочного аппарата вычисления проводят по
формуле (E.5):
Pst = (d/2)·Pst, 2% = (0,4/2)·2,58 = 0,52.
Аналогично для третьего сварочного аппарата
t1 = 0,3 с и
t2 = 2,2 с, и для получения приблизительного значения
Pst, 2% = 2,1 из
рисунка E.4 интерполяция не требуется. Для третьего сварочного аппарата вычисления проводят по
формуле (E.5):
Pst = (d/2)·Pst, 2% = (0,25/2)·2,1 = 0,26.
Поскольку изменения напряжения происходят с интервалами менее 0,1 с, риск совпадения изменений напряжения очень высок, и не ясно, какое значение

следует использовать в формуле закона суммирования. Предполагая максимальное совпадение изменений напряжения

, получаем наихудшее значение
Pst = 1,88. Независимо от используемого значения

общее значение
Pst будет превышать 1,0, и в установке сварочных аппаратов следует отказать, если не было предпринято конкретных действий для повышения планируемых уровней в районе, который может пострадать, или смягчения жесткости помех.
G.3 Нагрузка измельчителя автомобилей
Существующая точка питания 11 кВ питает большой асинхронный двигатель мощностью 900 кВт, обеспечивающий работу измельчителя автомобилей. Пользователь запросил подключение дополнительного асинхронного двигателя мощностью 1500 кВт для привода дополнительного измельчителя автомобилей.
a) Характеристика существующего питания в точке подключения.
Полное сопротивление в точке подключения: 37,5 + j·82% на основе 100 МВ·А.
b) Характеристики существующего двигателя
Запуск: прямой, 3,3 МВ·А при коэффициенте мощности 0,3, один раз в день.
Работа: без нагрузки с изменением до полной нагрузки, при коэффициенте мощности 0,9.
c) Характеристики предлагаемого двигателя, оцененные в точке подключения
Предлагаемый двигатель представляет собой соответственно масштабированную версию существующего двигателя мощностью 900 кВт. Во время работы происходят сложные изменения напряжения, вызванные установкой, включающей приводной двигатель, создающей колебания напряжения. Поэтому для оценки жесткости фликера необходимо использовать подход с применением фликерметра. Независимо от жесткости фликера необходимо проверить, что при нормальных подключениях к системе изменения напряжения при запуске находятся в пределах 6% (см.
таблицу 6), предполагая, что весь планируемый уровень при СН будет выделен для рассматриваемой установки. Эта первоначальная оценка в точке присоединения может быть выполнена путем масштабирования характеристик существующего двигателя. Поэтому необходимо рассчитать изменение начального напряжения для существующего двигателя:
Чтобы рассчитать изменение начального напряжения предлагаемого двигателя, значение масштабируется от расчетного значения существующего; следовательно:
Изменение напряжения = 2,94 (1500/900) = 4,90%.
Хотя данное значение 4,9% является приемлемым, принимая во внимание норму эмиссии 6% (основанную на полном распределении планируемых уровней в
таблице 6), которую следует применять в точке оценки, следует рассмотреть меры, которые могут минимизировать проблемы (например, возможные подключение в будущем дополнительной установки, создающей колебания напряжения в непосредственной близости).
С некоторыми незначительными перестройками системы точка оценки может быть перенесена на шину 11 кВ двухтрансформаторной подстанции 33/11 кВ. Нормальное полное сопротивление системы на этой шине:
1,3 + j48,8%, при 100 МВ·А.
При таком питании предлагаемое изменение пускового напряжения двигателя становится:
Изменение напряжения = (3,3/100)(1500/900) (1,3·0,3 +
+ 48,8·0,95) = 2,57%.
Это вполне приемлемо, и далее необходимо оценить эффект фликера при запуске и работе двигателей в этом альтернативном расположении.
Таблица G.1
Измерение фликера для примера G.3, эффекты
фликера, нормальная работа
| Последовательные значения кратковременной дозы фликера Pst, измеренные через 2 ч |
| (Pst1) | 0,54 | 0,78 | 0,81 | 0,84 | 0,87 | 0,84 | 0,81 | 0,75 | 0,75 | 0,81 | 0,81 | 0,66 |
| (Pst2) | 0,27 | 0,27 | 0,24 | 0,48 | 0,48 | 0,27 | 0,24 | 0,27 | 0,27 | 0,24 | 0,27 | 0,30 |
Двигатель 900 кВт,  | (Pst3) | 0,52 | 0,77 | 0,80 | 0,78 | 0,82 | 0,83 | 0,80 | 0,74 | 0,74 | 0,80 | 0,80 | 0,64 |
Двигатель 900 кВт, масштабированный для другого места, Pst3·0,32 | (Pst4) | 0,17 | 0,25 | 0,26 | 0,25 | 0,26 | 0,27 | 0,26 | 0,24 | 0,24 | 0,26 | 0,26 | 0,21 |
Двигатель 1500 кВт·Pst4·(1500/900) | (Pst5) | 0,28 | 0,41 | 0,43 | 0,42 | 0,44 | 0,45 | 0,43 | 0,40 | 0,40 | 0,43 | 0,43 | 0,34 |
| (Pst6) | 0,24 | 0,24 | 0,69 | 0,69 | 0,45 | 0,48 | 0,36 | 0,24 | 0,36 | 0,36 | 0,21 | 0,66 |
Двигатель 900 кВт, запуск | (Pst7) | 0,28 | 0 | 0 | 0 | 0 | 0 | 0 | 0 | 0 | 0 | 0 | 0 |
Двигатель 1500 кВт, запуск | (Pst8) | 0,47 | 0 | 0 | 0 | 0 | 0 | 0 | 0 | 0 | 0 | 0 | 0 |
Суммирование,  | (Pst9) | 0,55 | 0,44 | 0,74 | 0,74 | 0,56 | 0,59 | 0,50 | 0,42 | 0,48 | 0,50 | 0,45 | 0,69 |
| 0,58 |
Показания фликерметра были взяты для следующих условий:
- испытание i). Существующее местоположение с неработающим двигателем 900 кВт (фоновый режим) (
Pst2);
- испытание ii). Существующее местоположение с запуском двигателя 900 кВт;
- испытание iii). Существующее местоположение с нормально работающим двигателем 900 кВт (
Pst1);
- испытание iv). Подстанция 33/11 кВ, шина 11 кВ (фоновый режим) (
Pst6).
f) Выбор системного полного сопротивления для использования при проведении анализа
Сопротивление, приведенное в
d), составляет 1,3 +
j48,8% на 100 МВ·А с обоими трансформаторами 33/11 кВ в цепи. Отключение одного из этих трансформаторов увеличит полное сопротивление шины 11 кВ до 2,5 +
j85,6%, при 100 МВ·А, то есть почти в два раза больше, чем в обычном рабочем состоянии. Серьезные неисправности трансформатора могут потребовать ремонта в течение нескольких месяцев и, следовательно, могут привести к длительной работе с высоким сопротивлением системы. Однако в этом случае, поскольку эксплуатация автомобильных измельчителей происходит в основном в дневное время, когда нет значительного использования ламп накаливания для освещения, было решено игнорировать ситуацию отключения и использовать нормальное рабочее сопротивление системы. Однако следует отметить, что в условиях этого отключения изменение шага напряжения при запуске двигателя составит около 4,51%.
Как существующий, так и предложенный двигатели будут работать независимо друг от друга, поэтому для суммирования эффектов фликера используют общее значение

. Ожидается, что два двигателя не запустятся в одно и то же время, поэтому для указанного случая также используют значение

.
h) Эффекты фликера, запуск
Были получены следующие 10-минутные значения дозы фликера
Pst в точке подключения, указанной в
c), для запуска существующего двигателя 900 кВт от существующего источника питания (см.
таблицу G.1):
- начало (включая фоновый режим):
Pst = 0,56 [
испытание ii) - следует обратить внимание, что это значение не указано в
таблице G.1];
- типичные фоновые показания:
Pst = 0,3 [среднее значение,
испытание i)];
- пуск только для двигателя мощностью 900 кВт:

.
Для передачи этого значения на шину 11 кВ, как описано в
d), необходимо определить соотношение значений изменения напряжения между двумя точками.
В существующем местоположении начальные изменения напряжения для существующего двигателя составляют 2,94% [см.
c)]. На шине 11 кВ начальное изменение напряжения будет:
Изменение напряжения = (3,3/100)(1,3·0,3 + 48,8·0,95) =
= 1,54%.
Таким образом, на шине 11 кВ двигатель мощностью 900 кВт при запуске может вызывать фликер:
Предлагаемый двигатель мощностью 1500 кВт представляет собой масштабированную версию существующего двигателя мощностью 900 кВт, поэтому это приведет к значению фликера:
i) Эффекты фликера, нормальная работа (см.
таблицу G.1)
1) Двигатель 900 кВт
Чтобы определить эффекты фликера двигателя мощностью 900 кВт, необходимо вычесть влияние фоновых помех
[испытание i)] из комбинированного показания двигателя и фона
[испытание iii)].
Результат вычитания определяет эффекты фликера двигателя мощностью 900 кВт только в существующем местоположении. Чтобы перевести эффекты фликера на шину 11 кВ, предложенную в
d), необходимо масштабировать значения дозы фликера для отношения значений изменений напряжения в двух указанных местах. Поскольку колебания мощности во время работы происходят при коэффициенте мощности 0,9, то это отношение равно:

.
2) Предлагаемый двигатель 1500 кВт
Двигатель представляет собой масштабированную версию двигателя мощностью 900 кВт, поэтому вероятные значения жесткости фликера соответствуют значениям меньшего двигателя, умноженным на (1500/900).
3) Суммирование эффектов фликера на шине 11 кВ
Общая доза фликера получается путем суммирования фона фликера на шине 11 кВ
[испытание iv)] и фликера от двух двигателей. Кроме того, для учета запуска двигателей в начале дня первое значение дозы фликера следует также включать соответствующие значения при запуске двух двигателей.
Длительная доза фликера
Plt определяется из суммированных значений
Pst, используя
формулу (1).
j) Выводы
1) Допустимо изменение начального напряжения на 2,6% от предложенного двигателя 1500 кВт на шине 11 кВ подстанции 33/11 кВ.
2) Перенос существующего двигателя и подключение предлагаемого двигателя 1500 кВт к этой шине 11 кВ приведут к следующим значениям дозы фликера:
Pst (максимум) = 0,75;
Plt = 0,59.
На данном этапе 3 оценки предполагается, что рассматриваемой нагрузке назначается общий уровень эмиссии при СН. На основании коэффициента передачи 0,8 от ВН (восходящее направление) к системе СН и планируемых уровней кратковременной и длительной дозы фликера по
таблице 2 оба эти значения соответствуют норме (
GPstMV = 0,78 и
GPltMV = 0,61), и поэтому это предложение приемлемо.
G.4 Нагрузка шахтных подъемников
В этом примере рассматривается установка, включающая в себя три шахтных подъемника мощностью по 5 МВт, подключенные в PCC к источнику питания с мощностью короткого замыкания 400 МВ·А. Профиль уровней реактивной мощности шахтного подъемника приведен на
рисунке G.3. Вопрос заключается в том, как совместная работа трех подъемников, имеющих одинаковые, но не идентичные продолжительности цикла приблизительно 60 с, влияет на уровень фликера.
Рисунок G.3 - Пример профиля уровней
реактивной мощности подъемника
Изменения напряжения приблизительно пропорциональны профилю реактивной мощности, имеющему ступенчатые изменения 4 Мвар при изменении напряжения 1% и 2,5 Мвар при изменении напряжения 0,63%.
Из
рисунка E.1 можно сделать вывод, что продолжительность линейного изменения, превышающая примерно 1 с, дает небольшой эффект фликера по сравнению со ступенчатыми изменениями. Поэтому фликер от подъемных машин будет в основном вызван изменением реактивной мощности 4 Мвар через 10 с после включения и в меньшей степени меньшим ступенчатым изменением 2,5 Мвар при отключении.
Таким образом, если имеется только одна подъемная машина, то значение
Pst (при условии, что наибольший шаг вызывает изменение напряжения на 1% в точке общего присоединения) для частоты повторения 1 изменение/мин может быть определено по
рисунку A.1.
Из
рисунка A.1 (при напряжении 230 В) для частоты повторения 1 изменение/мин следует, что
Pst = 1,0 при максимальном изменении напряжения 2,7%.
Следовательно, для изменения напряжения на 1%

и при изменении напряжения на 0,63%
Pst = 0,37·0,63 = 0,23. При этом комбинированное значение
Pst для обоих изменений шага =

, где для данного применения общего закона суммирования выбрано значение

.
Если предполагается, что работа подъемных машин некоррелирована, то эффекты фликера от более чем одной подъемной машины также могут быть определены путем применения
формулы (2) закона суммирования. Вновь используя

, для трех подъемных машин можно получить

.
При этом не учитывается возможность повышения дозы фликера, которая может возникнуть в результате совпадения ступенчатых изменений реактивной мощности, потребляемой разными подъемными машинами. Исследования показали, что совпадение ступенчатых изменений должно быть ближе 0,1 с, чтобы иметь выраженное влияние на эффект фликера. Частота совпадения двух ступенчатых шагов, сближенных на 0,1 с, для трех действующих подъемных машин, имеющих время цикла 60 с для каждой машины, составляет около 1 ч, а совпадение трех ступенчатых шагов трех подъемных машин - примерно раз в две недели, поэтому вероятность совпадения достаточно мала, чтобы ее не учитывать.
G.5 Подключение 60-тонной дуговой печи переменного тока
Подстанция 63 кВ включает в себя две высоковольтные шины:
- первая питает систему распределения СН;
- вторая питает металлургический завод (согласованная мощность Si заказчика 47 МВ·А).
На эту подстанцию приходят три линии 63 кВ от подстанции 225/63 кВ, названных линиями 1, 2, 3.
a) Нормальная конфигурация системы
Нормальная конфигурация системы определяется следующими характеристиками (см.
рисунок G.4):
- выключатель шинного соединителя разомкнут;
- металлургический завод питается от линии 1;
- система распределения питается от линий 2 и 3 параллельно;
- статический компенсатор (SVC) работает.
Рисунок G.4 - Нормальная конфигурация системы
Точка оценки (POE) расположена на шине 63 кВ линии 1, как показано на
рисунке G.4. Мощность короткого замыкания равна 1790 МВ·А и

. Этап 1 не применяется из-за значения колебаний отношения мощности к мощности короткого замыкания.
Применяя этап 2, выбранный планируемый уровень LPstHV = 1. Потребитель является единственной нагрузкой, обслуживаемой с шины 63 кВ подстанции 1, поэтому StHV = 47 МВ·А по умолчанию. Как следствие:

.
Измеренные значения Pst, 95%:
- 5 - на сборной шине ВН металлургического завода (точка A);
- 0,7 - на линии 1, ВН (63 кВ) (точка B);
- 0,2 - на линии 2, ВН (63 кВ) (точка C);
- 0,3 - в распределительной системе НН.
Поэтому нормальная конфигурация системы является приемлемой на этапе 2. Изучается также возможность применения трех других конфигураций системы.
Коэффициенты ослабления Pst между ВН, СН и НН были измерены для линий 2 и 3 и составляют TPstHM = 0,97 от ВН до СН и TPstML = 0,95 от СН до НН. Эти значения высоки, потому что область вокруг металлургического завода является сельской и в ней имеется мало промышленных нагрузок, которые вносят вклад в мощность короткого замыкания на уровне СН. Значение ослабления не было измерено на линии 1. При аналогичной электромагнитной обстановке коэффициент ослабления для линии 1 будет приниматься равным TPstHL = 0,92 (= TFPstHM·TFPstML) между ВН и НН. Нормы для Pst затем применяются к значениям ВН.
b) Соединение двух шин
Конфигурация системы, показанная на
рисунке G.5, содержит результаты измерений:
Рисунок G.5 - Шины соединены
Такая конфигурация системы приводит к недопустимо высоким значениям Pst в новой точке оценки. Основная причина высоких значений Pst заключается в том, что смена точки оценки уменьшает электрическое расстояние между металлургическим заводом и распределительной системой.
c) Потеря линии 1
Если линия 1 между металлургическим заводом и подстанцией отключена, конфигурация системы "
n - 1" такая, как показано на
рисунке G.6:
Рисунок G.6 - Конфигурация системы "
n - 1"
Значение Pst на линии 2 слишком высокое, но эту конфигурацию системы нельзя рассматривать как нормальную конфигурацию. Из-за возможности того, что коэффициент передачи TPstHL будет менее 0,92, прогнозируемое значение Pst = 1,1 в системе НН, подключенной к линии 2, может быть приемлемым в течение коротких интервалов во время ненормальной конфигурации системы. Следовательно, вероятность этой ситуации должна быть принята во внимание.
Учитывая, что вероятность этой ситуации очень низкая, пользователь может быть принят на условиях этапа 2 без ограничений.
d) Отключение статического компенсатора
Если статический компенсатор не работает, значения
Pst умножаются на коэффициент от 1,5 до 2, в зависимости от конфигурации системы. Учитывая нормальную конфигурацию системы, измеренные значения
Pst приведены на
рисунке G.7.
Рисунок G.7 - Работа без статического компенсатора
Значение Pst на линии 1 слишком высокое. Однако, как и в предыдущем случае, эта конфигурация системы приемлема в качестве ненормальной конфигурации в течение коротких периодов времени. Параллельное соединение линий 2 или 3 от распределительной шины с шиной металлургического завода может увеличить мощность короткого замыкания в точке подключения завода. Тогда Pst на линии 1 станет приемлемым, но также увеличится уровень Pst в системе распределения. Таким образом, если рассматривается параллельная работа металлургического завода и шин распределительной системы, пользователь не может быть принят без статического компенсатора ни в условиях этапа 2, ни в условиях этапа 3.
(справочное)
СПИСОК УСЛОВНЫХ ОБОЗНАЧЕНИЙ И ИНДЕКСОВ
H.1 Общепринятые буквенные обозначения

- показатель закона суммирования.
B - существующий уровень помех в системе (фоновый уровень).
C - уровень (электромагнитной) совместимости.
E - норма (электромагнитной) эмиссии.
G - допустимый общий вклад эмиссии в определенной части системы.
i - одиночный пользователь или установка пользователя.
I - ток.
j - одиночное устройство, входящее в состав установки пользователя i.
K - коэффициент или соотношение между двумя значениями (общее значение).
L - планируемый уровень.
N - число нагрузок в рассматриваемой распределительной системе.
n - число изменений напряжения в данный период.
PCC - точка общего присоединения.
POC - точка присоединения установки пользователя.
POE - точка оценки.
P - активная мощность.
S - полная мощность.

- изменение полной мощности установки, создающей колебания напряжения.
T - коэффициент передачи.
U - напряжение.
Z - полное сопротивление.
H.2 Список индексов
i - пользователь или установка пользователя (i).
j - устройство (j).
LM - между системами НН и СН.
LV - система или установка НН.
ML - между системами СН и НН.
MV - система или установка СН.
H.3 Список основных условных обозначений
Примечание - Условные обозначения, не нуждающиеся в разъяснении, не указаны.
CPstLV - уровень совместимости по кратковременной дозе фликера для НН.
EPsti - допустимая норма эмиссии в отношении кратковременной дозы фликера для пользователя (i).
GPstMV (HV или EHV) - максимальный общий вклад в кратковременный уровень фликера всех установок, создающих колебания напряжения, которые могут быть подключены к рассматриваемой системе (СН, ВН или СВН) (в долях единицы).
GPltMV (HV или EHV) - максимальный общий вклад в длительный уровень фликера всех установок, создающих колебания напряжения, которые могут быть подключены к рассматриваемой системе (СН, ВН или СВН) (в долях единицы).
LPstHV-EHV - планируемый уровень кратковременной дозы фликера для ВН - СВН.
LPstMV - планируемый уровень кратковременной дозы фликера для СН (в долях единицы).
N - предполагаемое число нагрузок в рассматриваемой системе распределения СН (число нагрузок, получающих питание от одной шины).
Pi - активная согласованная мощность отдельного пользователя (i), кВт.
PstHV - кратковременная доза фликера (ВН).
PstiMV - уровень эмиссии кратковременной дозы фликера пользователя (i) (СН).
PstMV - кратковременная доза фликера (СН).
Qc - емкостная реактивная мощность.

- согласованная полная мощность установки пользователя
i или номинальная мощность, МВ·А, рассматриваемой установки (создающей помехи) (либо нагрузки, либо генерации).
SLV - общая мощность установок, которые получают питание от рассматриваемой системы непосредственно при НН (включая обеспечение роста нагрузки в будущем).
Ssc - мощность короткого замыкания.
St - общая мощность поставки рассматриваемой системы, включая обеспечение роста нагрузки в будущем (St - сумма мощностей всех установок, включая установки, подключенные "вниз по течению", которые получают или могут получать питание от рассматриваемой системы).
StHV или StEHV - часть общей пропускной способности рассматриваемой системы ВН или СВН, которая предназначена для пользователей ВН или СВН.
TPUM - коэффициент передачи фликера "вверх по течению" к среднему напряжению; значение в зависимости от характеристик системы и нагрузки.
TPML - коэффициент передачи фликера; значение в зависимости от характеристик системы и нагрузки.
UN - номинальное напряжение распределительной системы, кВ.
Zi - полное сопротивление установки пользователя (i) в точке оценки.
(справочное)
СВЕДЕНИЯ О СООТВЕТСТВИИ ССЫЛОЧНЫХ МЕЖДУНАРОДНЫХ СТАНДАРТОВ
МЕЖГОСУДАРСТВЕННЫМ СТАНДАРТАМ
Таблица ДА.1
Обозначение ссылочного международного стандарта | Степень соответствия | Обозначение и наименование соответствующего межгосударственного стандарта |
IEC 60050-161 | MOD | ГОСТ 30372-2017 (IEC 60050-161:1990) "Совместимость технических средств электромагнитная. Термины и определения" |
Примечание - В настоящей таблице использовано следующее условное обозначение степени соответствия стандартов: - MOD - модифицированный стандарт. |
| IEC 61000-4-15 | Electromagnetic compatibility (EMC) - Part 4-15: Testing and measurement techniques - Flickermeter - Functional and design specifications [Электромагнитная совместимость (ЭМС). Часть 4-15. Методы испытаний и измерений. Фликерметр. Функциональные и конструктивные характеристики] |
| IEC 61000-2-2 | Electromagnetic compatibility (EMC) - Part 2-2: Environment - Compatibility levels for low-frequency conducted disturbances and signalling in public low-voltage power supply systems [Электромагнитная совместимость (ЭМС). Часть 2-2. Электромагнитная обстановка. Уровни совместимости для низкочастотных кондуктивных помех и сигнализации в общественных низковольтных системах электроснабжения] |
| Power Quality Indices and Objectives, WG C4.07 report CIGRE Technical Brochure 261, Oct. 2004 (Показатели и цели качества электрической энергии) |
| IEC 61000-4-30 | Electromagnetic compatibility (EMC) - Part 4-30: Testing and measurement techniques - Power quality measurement methods [Электромагнитная совместимость (ЭМС). Часть 4-30. Методы испытаний и измерений. Методы измерения качества электрической энергии] |
| IEC 61000-3-3 | Electromagnetic compatibility (EMC) - Part 3-3: Limits - Limitation of voltage changes, voltage fluctuations and flicker in public low-voltage supply systems, for equipment with rated current <= 16 A per phase and not subject to conditional connection [Электромагнитная совместимость (ЭМС). Часть 3-3. Нормы. Ограничение изменений напряжения, колебаний напряжения и фликера мерцания в общественных низковольтных системах электроснабжения для оборудования с номинальным током <= 16 А на фазу, не подлежащего условному соединению] |
| IEC/TR 61000-3-5 | Electromagnetic compatibility (EMC) - Part 3-5: Limits - Limitation of voltage fluctuations and flicker in low-voltage power supply systems for equipment with rated current greater than 16 A [Электромагнитная совместимость (ЭМС). Часть 3-5. Нормы. Ограничение колебаний напряжения и фликера в низковольтных системах электроснабжения для оборудования с номинальным током более 16 А] |
| IEC 61000-3-11:2000 | Electromagnetic compatibility (EMC) - Part 3-11: Limits - Limitation of voltage changes, voltage fluctuations and flicker in public low-voltage supply systems - Equipment with rated current <= 75 A and subject to conditional connection [Электромагнитная совместимость (ЭМС). Часть 3-11. Нормы. Ограничение изменений напряжения, колебаний напряжения и фликера в общественных низковольтных системах электроснабжения. Оборудование с номинальным током <= 75 А, подлежащее условному соединению] |
| IEC/TR 61000-2-6:1995 | Electromagnetic compatibility (EMC) - Part 2-6: Environment - Assessment of the emission levels in the power supply of industrial plants as regards low-frequency conducted disturbances [Электромагнитная совместимость (ЭМС). Часть 2-6. Электромагнитная обстановка. Оценка уровней эмиссии в электроснабжении промышленных предприятий в отношении низкочастотных кондуктивных помех] |
| IEC 61000-2-12:2003 | Electromagnetic compatibility (EMC) - Part 2-12: Environment - Compatibility levels for low-frequency conducted disturbances and signalling in public medium-voltage power supply systems [Электромагнитная совместимость (ЭМС). Часть 2-12. Электромагнитная обстановка. Уровни совместимости для низкочастотных кондуктивных помех и сигнализации в системах электроснабжения среднего напряжения общего пользования] |
| IEC 60909-0:2001 | Short-circuit currents in three-phase a.c. systems - Part 0: Calculation of currents (Токи короткого замыкания в трехфазных системах переменного тока. Часть 0. Расчет токов) |
| H. Renner and M. Sakulin, "Flicker propagation in meshed high voltage networks", Proceedings of the Ninth International Conference on Harmonics and Quality of Power, Oct. 2000, pp. 475 - 480 (Распространение фликера в ячеистых сетях высокого напряжения) |
| P. Kundur, Power System Stability and Control, McGraw Hill, 1994 (Стабильность и контроль энергосистемы) |
| Guide to Quality of Electrical Supply for Industrial Installations: Part V - Flicker and Voltage Fluctuations, UIE (Руководство по качеству электроснабжения промышленных установок. Часть V. Фликер и колебания напряжения) |
[14] | P. Hessling, "Propagation and Summation of Flicker", Study Committee 36 Colloquium, Johannesburg, South Africa, October 1999 (Распространение и суммирование фликера) |
| A. Robert and M. Couvreur, "Arc Furnace Flicker Assessment and Mitigation", Proceedings of the 3rd International Conference on Power Quality - End-Use Applications and Perspectives (PQA'94), Amsterdam, The Netherlands, 1994 (Оценка фликера дуговой печи и смягчение его последствий) |
| IEC 60050-601 | International Electrotechnical Vocabulary (IEV) - Part 601: Generation, transmission and distribution of electricity - General [Международный электротехнический словарь (IEV). Часть 601. Генерация, передача и распределение электроэнергии. Общие положения] |
[17] | IEC Guide 107, Electromagnetic compatibility - Guide to the drafting of electromagnetic compatibility publications [Электромагнитная совместимость. Руководство по разработке публикаций по электромагнитной совместимости] |
[18] | IEC/TR 61000-3-6 | Electromagnetic compatibility (EMC) - Part 3-6: Limits - Assessment of emission limits for the connection of distorting installations to MV, HV and EHV power systems [Электромагнитная совместимость (ЭМС). Часть 3-6. Нормы. Оценка норм эмиссии при подключении установок, создающих помехи, к системам энергоснабжения среднего, высокого и сверхвысокого напряжения] |
[19] | IEC/TR 61000-3-13 | Electromagnetic compatibility (EMC) - Part 3-13: Limits - Assessment of emission limits for the connection of unbalanced installations to MV, HV and EHV power systems [Электромагнитная совместимость (ЭМС). Часть 3-13. Нормы. Оценка норм эмиссии при подключении установок, создающих колебания напряжения, к системам энергоснабжения среднего, высокого и сверхвысокого напряжения] |
| IEC 61000-2-1 | Electromagnetic compatibility (EMC) - Part 2-1: Environment - Description of the environment for low-frequency conducted disturbances and signalling in public power supply systems [Электромагнитная совместимость (ЭМС). Часть 2-1. Электромагнитная обстановка. Описание электромагнитной обстановки для низкочастотных кондуктивных помех и сигнализации в общественных системах электроснабжения общего назначения] |
УДК 621.396/.397.001.4:006.354 | | IDT |
Ключевые слова: электромагнитная совместимость; системы электроснабжения среднего, высокого и сверхвысокого напряжения; сетевая организация; электрическая установка, создающая колебания напряжения; электромагнитная эмиссия; качество электрической энергии; кратковременная и длительная дозы фликера; быстрые изменения напряжения; нормы; методы измерений; оценка соответствия |