Главная // Актуальные документы // ГОСТ (Государственный стандарт)СПРАВКА
Источник публикации
М.: Стандартинформ, 2019
Примечание к документу
Документ
введен в действие с 01.06.2020.
Название документа
"ГОСТ 34561-2019. Межгосударственный стандарт. Упаковка стеклянная. Бутылки. Венчик 28 мм с защитой от вскрытия для жидкостей под давлением. Размеры"
(введен в действие Приказом Росстандарта от 11.09.2019 N 656-ст)
"ГОСТ 34561-2019. Межгосударственный стандарт. Упаковка стеклянная. Бутылки. Венчик 28 мм с защитой от вскрытия для жидкостей под давлением. Размеры"
(введен в действие Приказом Росстандарта от 11.09.2019 N 656-ст)
Введен в действие
по техническому регулированию
и метрологии
от 11 сентября 2019 г. N 656-ст
МЕЖГОСУДАРСТВЕННЫЙ СТАНДАРТ
УПАКОВКА СТЕКЛЯННАЯ. БУТЫЛКИ
ВЕНЧИК 28 ММ С ЗАЩИТОЙ ОТ ВСКРЫТИЯ
ДЛЯ ЖИДКОСТЕЙ ПОД ДАВЛЕНИЕМ
РАЗМЕРЫ
Glass packing. Bottles. 28 mm tamper-evident finish
for pressurized liquids. Dimensions
(ISO 9057:1991, NEQ)
ГОСТ 34561-2019
Дата введения
1 июня 2020 года
Цели, основные принципы и общие правила проведения работ по межгосударственной стандартизации установлены
ГОСТ 1.0 "Межгосударственная система стандартизации. Основные положения" и
ГОСТ 1.2 "Межгосударственная система стандартизации. Стандарты межгосударственные, правила и рекомендации по межгосударственной стандартизации. Правила разработки, принятия, обновления и отмены"
1 РАЗРАБОТАН Обществом с ограниченной ответственностью "Эксперт-Стандарт" (ООО "Эксперт-Стандарт")
2 ВНЕСЕН Межгосударственным техническим комитетом по стандартизации МТК 074 "Стеклянная тара и посуда"
3 ПРИНЯТ Межгосударственным советом по стандартизации, метрологии и сертификации (протокол N 120-П от 30 июля 2019 г.)
За принятие проголосовали:
Краткое наименование страны по МК (ИСО 3166) 004-97 | Код страны по МК (ИСО 3166) 004-97 | Сокращенное наименование национального органа по стандартизации |
Беларусь | BY | Госстандарт Республики Беларусь |
Киргизия | KG | Кыргызстандарт |
Россия | RU | Росстандарт |
Таджикистан | TJ | Таджикстандарт |
Узбекистан | UZ | Узстандарт |
4
Приказом Федерального агентства по техническому регулированию и метрологии N 656-ст от 11 сентября 2019 г. межгосударственный стандарт ГОСТ 34561-2019 введен в действие в качестве национального стандарта Российской Федерации с 1 июня 2020 г.
5 Настоящий стандарт разработан с учетом основных нормативных положений международного стандарта ISO 9057:1991 "Тара стеклянная. Горловина диаметром 28 мм с защитой от вскрытия для жидкостей под давлением. Размеры" ("Glass containers. 28 mm tamper-evident finish for pressurized liquids. Dimensions", NEQ)
6 ВВЕДЕН ВПЕРВЫЕ
Информация о введении в действие (прекращении действия) настоящего стандарта и изменений к нему на территории указанных выше государств публикуется в указателях национальных стандартов, издаваемых в этих государствах, а также в сети Интернет на сайтах соответствующих национальных органов по стандартизации.
В случае пересмотра, изменения или отмены настоящего стандарта соответствующая информация будет опубликована на официальном интернет-сайте Межгосударственного совета по стандартизации, метрологии и сертификации в каталоге "Межгосударственные стандарты"
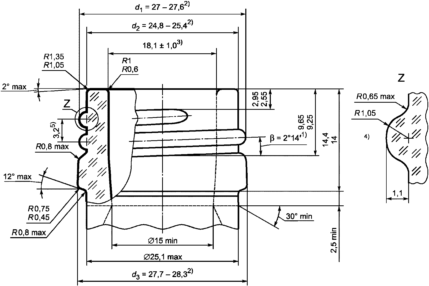
Настоящий стандарт устанавливает размеры венчика стеклянной бутылки, имеющей горловину диаметром 28 мм, с защитой от вскрытия для жидкостей под давлением.
В настоящем стандарте применен следующий термин с соответствующим определением:
2.1 горловина с защитой от вскрытия (перфорация, отрывное, опорное или выдвижное кольцо и т.п.): Горловина с устройством защиты от вскрытия, которое необходимо нажать перед открыванием.
Форма и все размеры венчика должны соответствовать
рисунку 1. Размеры, на которые не указаны допуски, являются номинальными. Допуски к номинальным размерам венчика допускается устанавливать в соответствии с применением стеклянной бутылки.
Толщина стекла по всей глубине горловины должна быть достаточной для того, чтобы выдерживать обычное усилие при укупоривании. Горловина не должна иметь трещин, которые могли бы привести к ухудшению герметичности при укупоривании.
--------------------------------
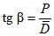
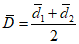
<1>

- угол наклона спирали или угол показателя выступа:

, (1)
где

;
P - шаг резьбы.
<2> Для получения более лучшего уплотнения горловина должна быть круглой и все диаметры должны быть как можно ближе к номинальным размерам. Значения d3 max и d3 min должны быть как можно ближе к d3 nom.
<3> Внутренний диаметр равен (18,1 +/- 1,0) мм на глубине от 1,5 до 3,0 мм от края торца.
<4> Номинальный диаметр фрезы для изготовления резьбы должен быть равен 12,5 мм.
<5> Для удобства перевода шаг резьбы, равный восьми виткам на 1 дюйм, соответствует 3,175 мм.
Рисунок 1 - Форма и размеры венчика
УДК 66.172.6:621.798.147:006.354 | | NEQ |
Ключевые слова: упаковка стеклянная, горловина диаметром 28 мм с защитой от вскрытия жидкости под давлением, размеры |