Главная // Актуальные документы // ГОСТ (Государственный стандарт)СПРАВКА
Источник публикации
М.: ФГБУ "Институт стандартизации", 2022
Примечание к документу
Документ
введен в действие с 01.11.2023.
Название документа
"ГОСТ ISO 11393-1-2022. Межгосударственный стандарт. Система стандартов безопасности труда. Средства индивидуальной защиты для работающих с ручными цепными пилами. Часть 1. Испытательная установка для определения сопротивления режущему воздействию ручной цепной пилой"
(введен в действие Приказом Росстандарта от 09.11.2022 N 1262-ст)
"ГОСТ ISO 11393-1-2022. Межгосударственный стандарт. Система стандартов безопасности труда. Средства индивидуальной защиты для работающих с ручными цепными пилами. Часть 1. Испытательная установка для определения сопротивления режущему воздействию ручной цепной пилой"
(введен в действие Приказом Росстандарта от 09.11.2022 N 1262-ст)
агентства по техническому
регулированию и метрологии
от 9 ноября 2022 г. N 1262-ст
МЕЖГОСУДАРСТВЕННЫЙ СТАНДАРТ
СИСТЕМА СТАНДАРТОВ БЕЗОПАСНОСТИ ТРУДА
СРЕДСТВА ИНДИВИДУАЛЬНОЙ ЗАЩИТЫ
ДЛЯ РАБОТАЮЩИХ С РУЧНЫМИ ЦЕПНЫМИ ПИЛАМИ
ЧАСТЬ 1
ИСПЫТАТЕЛЬНАЯ УСТАНОВКА ДЛЯ ОПРЕДЕЛЕНИЯ СОПРОТИВЛЕНИЯ
РЕЖУЩЕМУ ВОЗДЕЙСТВИЮ РУЧНОЙ ЦЕПНОЙ ПИЛОЙ
Occupational safety standards system. Personal protective
equipment for users of hand-held chainsaws. Part 1.
Test rig for testing resistance to cutting by a chainsaw
(ISO 11393-1:2018, Protective clothing for users
of hand-held chainsaws - Part 1: Test rig for testing
resistance to cutting by a chainsaw, IDT)
ГОСТ ISO 11393-1-2022
Дата введения
1 ноября 2023 года
Цели, основные принципы и общие правила проведения работ по межгосударственной стандартизации установлены
ГОСТ 1.0 "Межгосударственная система стандартизации. Основные положения" и
ГОСТ 1.2 "Межгосударственная система стандартизации. Стандарты межгосударственные, правила и рекомендации по межгосударственной стандартизации. Правила разработки, принятия, обновления и отмены"
1 ПОДГОТОВЛЕН Федеральным государственным бюджетным учреждением "Российский институт стандартизации" (ФГБУ "Институт стандартизации") на основе собственного перевода на русский язык англоязычной версии стандарта, указанного в
пункте 5
2 ВНЕСЕН Федеральным агентством по техническому регулированию и метрологии
3 ПРИНЯТ Межгосударственным советом по стандартизации, метрологии и сертификации (протокол от 31 августа 2022 г. N 153-П)
За принятие проголосовали:
Краткое наименование страны по МК (ИСО 3166) 004-97 | Код страны по МК (ИСО 3166) 004-97 | Сокращенное наименование национального органа по стандартизации |
Армения | AM | ЗАО "Национальный орган по стандартизации и метрологии" Республики Армения |
Беларусь | BY | Госстандарт Республики Беларусь |
Казахстан | KZ | Госстандарт Республики Казахстан |
Киргизия | KG | Кыргызстандарт |
Россия | RU | Росстандарт |
Узбекистан | UZ | Узстандарт |
4
Приказом Федерального агентства по техническому регулированию и метрологии от 9 ноября 2022 г. N 1262-ст межгосударственный стандарт ГОСТ ISO 11393-1-2022 введен в действие в качестве национального стандарта Российской Федерации с 1 ноября 2023 г.
5 Настоящий стандарт идентичен международному стандарту ISO 11393-1:2018 "Одежда защитная для работающих с ручными цепными пилами. Часть 1. Испытательная установка для определения сопротивления режущему воздействию ручной цепной пилой" ("Protective clothing for users of hand-held chainsaws - Part 1: Test rig for testing resistance to cutting by a chainsaw", IDT).
Международный стандарт разработан Техническим комитетом по стандартизации ISO/TC 94 "Средства индивидуальной защиты. Защитная одежда и оборудование", подкомитетом SC 13 Международной организации по стандартизации (ISO) и CEN/TC 162 "Защитная одежда, включающая защиту рук и кистей, и спасательные жилеты" Европейского комитета по стандартизации (CEN).
Наименование настоящего стандарта изменено относительно наименования указанного международного стандарта для приведения в соответствие с ГОСТ 1.5
(подраздел 3.6).
При применении настоящего стандарта рекомендуется использовать вместо ссылочных международных стандартов соответствующие им межгосударственные стандарты, сведения о которых приведены в дополнительном
приложении ДА
7 Некоторые элементы настоящего стандарта могут являться объектами патентных прав
Информация о введении в действие (прекращении действия) настоящего стандарта и изменений к нему на территории указанных выше государств публикуется в указателях национальных стандартов, издаваемых в этих государствах, а также в сети Интернет на сайтах соответствующих национальных органов по стандартизации.
В случае пересмотра, изменения или отмены настоящего стандарта соответствующая информация будет опубликована на официальном интернет-сайте Межгосударственного совета по стандартизации, метрологии и сертификации в каталоге "Межгосударственные стандарты"
Настоящий стандарт является частью серии стандартов на средства индивидуальной защиты (СИЗ) от рисков, возникающих при использовании ручных цепных пил, предназначенных главным образом для распила древесины.
Портативные ручные цепные пилы обычно работают от электрических двигателей или двигателей внутреннего сгорания. Опыт показал, что двигатель, работающий на топливе, обладает сложными техническими характеристиками. Чтобы иметь возможность контролировать параметры испытаний, эти проблемы были устранены путем выбора метода маховика, описанного в настоящем стандарте.
Никакие СИЗ не могут обеспечить стопроцентную защиту от режущего воздействия ручной цепной пилой. Тем не менее, как показывает опыт, можно разработать СИЗ, обеспечивающие определенную степень защиты.
Для обеспечения защиты могут применяться различные принципы функционирования инструмента. К ним относятся:
a) проскальзывание цепи: при контакте цепь не режет материал;
b) засорение: волокна втягиваются цепью в ведущую звездочку и блокируют движение цепи;
c) торможение цепи: волокна обладают высоким сопротивлением режущему воздействию ручной цепной пилой и поглощают энергию вращения, тем самым снижая скорость цепи.
Часто применяют более одного принципа.
В настоящем стандарте описана испытательная установка для оценки сопротивления режущему воздействию ручными цепными пилами специальной защитной одежды, обуви и перчаток. В стандарте также приведена процедура ее калибровки.
В настоящем стандарте использованы нормативные ссылки на следующие стандарты [для датированных ссылок применяют только указанное издание ссылочного стандарта, для недатированных ссылок - последнее издание (включая все изменения)]:
ISO 1302, Geometrical Product Specifications (GPS) - Indication of surface texture in technical product documentation (Геометрические характеристики изделий (GPS). Обозначение текстуры поверхности в технической документации на продукцию) <*>
--------------------------------
<*> Заменен на ISO 21920-2:2021 "Geometrical product specifications (GPS) Surface texture: Profile Part 2: Terms, definitions and surface texture parameters".
ISO 2060, Textiles - Yarn from packages - Determination of linear density (mass per unit length) by the skein method (Текстиль. Пряжа в паковках. Определение линейной плотности (массы на единицу длины) методом пасмы)
ISO 3386-1, Polymeric materials, cellular flexible - Determination of stress-strain characteristics in compression - Part 1: Low-density materials (Материалы полимерные ячеистые эластичные. Определение динамометрических характеристик при сжатии. Часть 1. Материалы с низкой плотностью)
ISO 3801, Textiles - Woven fabrics - Determination of mass per unit length and mass per unit area (Текстиль. Ткани. Определение массы на единицу длины массы на единицу площади)
ISO 4915, Textiles - Stitch types - Classification and terminology (Текстиль. Типы стежков. Классификация и терминология)
ISO 7211-2, Textiles - Woven fabrics - Construction - Methods of analysis - Part 2: Determination of number of threads per unit length (Материалы текстильные. Ткани. Структура. Методы анализа. Часть 2. Определение количества нитей на единицу длины)
ISO 11393-2, Protective clothing for users of hand-held chainsaws - Part 2: Performance requirements and test methods for leg protectors (Одежда защитная для работающих с ручными цепными пилами. Часть 2. Эксплуатационные требования и методы испытаний защитных приспособлений для ног)
ISO 11393-3, Protective clothing for users of hand-held chainsaws - Part 3: Test methods for footwear (Одежда защитная для работающих с ручными цепными пилами. Часть 3. Методы испытаний обуви)
ISO 11393-4, Protective clothing for users of hand-held chainsaws - Part 4: Performance requirements and test methods for protective gloves (Одежда защитная для работающих с ручными цепными пилами. Часть 4. Эксплуатационные требования и методы испытаний защитных перчаток)
ISO 11393-5, Protective clothing for users of hand-held chainsaws - Part 5: Performance requirements and test methods for protective gaiters (Одежда защитная для работающих с ручными цепными пилами. Часть 5. Эксплуатационные требования и методы испытаний защитных гетр)
ISO 11393-6, Protective clothing for users of hand-held chainsaws - Part 6: Performance requirements and test methods for upper body protectors (Одежда защитная для работающих с ручными цепными пилами. Часть 6. Эксплуатационные требования и методы испытаний защитных приспособлений для верхней части тела)
ISO 17249, Safety footwear with resistance to chain saw cutting (Безопасная обувь, устойчивая к разрезанию цепной пилой)
В настоящем стандарте применены следующие термины с соответствующими определениями:
ISO и IEC ведут терминологические базы данных для использования в стандартизации по следующим электронным адресам:
- платформа онлайн-просмотра ISO: доступна по адресу http://www.iso.org/obp;
- электропедия IEC: доступна по адресу http://www.electropedia.org/.
3.1 торможение цепи (chain braking): Эффект, при котором волокна или другие материалы средства индивидуальной защиты замедляют скорость цепи пилы.
3.2 проскальзывание цепи (chain slipping): Защитный эффект, при котором цепь пилы скользит по поверхности защитного материала, не разрезая его.
3.3 время остановки цепи (chain stopping time): Период времени, за который после отключения питания происходит замедление цепи пилы с заданной скорости до полной остановки.
3.4
цепная пила (chainsaw): Портативная пила с приводом от двигателя с зубьями на цепи пилы.
3.5 засорение (clogging): Эффект, при котором волокна, пряжа или другие материалы втягиваются цепью пилы в устройство цепной пилы, тем самым останавливая движение цепи.
3.6 сквозной разрез (cut-through): Любое видимое изменение на нижней стороне внутреннего слоя испытуемого образца, вызванное цепью пилы.
3.7 линия разрезания (cutting line): Касательная к кривой, образованной зубьями цепи пилы в точке контакта с испытуемой пробой.
3.8 время остановки на холостом ходу (free-running stopping time): Время для полной остановки маховика после отключения питания при отсутствии цепи на направляющей шине.
3.9
сопротивление режущему воздействию (resistance to cutting): Различные способы, которыми защитный материал предотвращает разрезание или замедляет цепь цепной пилы (см.
3.4).
Примечание 1 - Сопротивление режущему воздействию измеряют, применяя движущуюся цепь пилы с определенной скоростью и энергией и проверяя, произошел ли сквозной разрез.
Испытательная установка, описанная в настоящем стандарте, разработана для применения движущейся цепи пилы к испытуемому образцу таким образом, чтобы можно было контролировать как скорость цепи, так и количество кинетической энергии, необходимой для разрезания.
Этого достигают за счет того, что в момент испытания к цепи не подается питание. Оборудование сконструировано таким образом, что цепь движется исключительно под действием собственного импульса, вместе с маховиком и вращающимися частями с известной инерцией, с которыми она связана.
Затем регистрируют результат испытания на предмет того, произошел ли сквозной разрез испытуемого образца на испытательной скорости.
5 Испытательная установка
Испытательная установка состоит из следующих основных компонентов:
- силового привода и соединительного устройства, передающего энергию вращения на устройство цепной пилы;
- устройства цепной пилы с определенным моментом инерции, включая вал, маховик, звездочку, цепь и направляющую шину;
- крепления для устройства цепной пилы;
- крепления для образцов;
- контрольно-измерительных приборов.
Устанавливают защитные ограждения для защиты пользователей от разлетающихся обломков и зубьев цепи.
Общее устройство испытательной установки приведено на рисунке 1.
1 - крепление для звездочки; 2 - цепь; 3 - направляющая
шина; 4 - крепление для образца; 5 - звездочка;
6 - ось поворота; 7 - горизонтальная поверхность
Рисунок 1 - Общее устройство испытательной установки
5.2 Силовой привод и соединительное устройство
Силовой привод должен приводить в движение цепь пилы до скорости не менее 21 м/с. Для изделий класса 2 силовой привод должен приводить в движение цепь пилы со скоростью не менее 24 м/с. Для изделий класса 3 силовой привод должен приводить в движение цепь пилы со скоростью не менее 28 м/с.
Для целей испытаний удобно, чтобы испытательная установка также могла приводить в движение цепь со скоростью в соответствии с требованиями ISO 11393-2, ISO 11393-3, ISO 11393-4, ISO 11393-5, ISO 11393-6 и ISO 17249. В настоящее время максимальная скорость, указанная в стандартах серии ISO 11393, а также в ISO 17249, составляет 28 м/с (класс 3).
Должна быть предусмотрена возможность отключить питание устройства цепной пилы (см.
раздел 4). Отсоединение силового привода агрегата от устройства цепной пилы не должно влиять на момент инерции узла звездочки/маховика и движущейся цепи и не должно влиять на падение по оси поворота.
Для проведения испытания цепь пилы сначала доводят до требуемой скорости с помощью подходящего двигателя. В момент испытания двигатель физически отсоединяют от цепи и маховика или отключают питание от вращающихся частей устройства цепной пилы, за исключением звездочки. Момент инерции должен соответствовать требованиям
5.3.2.3. Одновременно цепь может опускаться с минимальной высоты на испытуемый образец. После этого цепь продолжает двигаться (и при нормальных обстоятельствах разрезать образец) до тех пор, пока вся ее кинетическая энергия не рассеется и цепь не остановится.
5.3 Устройство цепной пилы
Устройство цепной пилы должно иметь возможность свободно поворачиваться в вертикальной плоскости вокруг горизонтальной оси поворота, по крайней мере, в диапазоне 20 мм вверх и 100 мм вниз при измерении на 360 мм от оси поворота.
Могут быть предусмотрены определенные ограничители, чтобы цепь пилы не повредила крепление испытуемого образца.
Момент инерции устройства цепной пилы, который означает, что все части вращаются вокруг оси поворота, должен составлять (0,30 +/- 0,05) кг·м
2. Момент инерции рассчитывают по программе конструирования или измеряют. Метод измерения приведен в
приложении C. Необходимо убедиться, что никакие другие вращающиеся части вокруг выходного вала, кроме заданной инерции вращения, не будут влиять на падение по оси поворота.
5.3.2 Компоненты устройства цепной пилы
5.3.2.1 Направляющая шина
Направляющая шина представляет собой симметричную звездочку с 11 зубьями, с номинальной шириной впадины 1,50 мм и номинальной длиной 330 мм (13 дюймов) <*>.
--------------------------------
<*> Подходящая направляющая шина, доступная на рынке, - это арт. 138SLBK095 - Blount Oregon. Это пример доступного на рынке подходящего продукта. Данная информация приведена для удобства пользователей настоящего стандарта. Может быть использована аналогичная продукция, если установлено, что ее использование приводит к тем же результатам.
Боковую жесткость устройства цепной пилы и направляющей шины измеряют в центре переднего колеса шины, установленного в устройстве цепной пилы испытательной установки. Устанавливают датчик нагрузки в центре переднего колеса и настраивают оборудование для измерения движения. Тянут направляющую шину с тензодатчиком до достижения силы (50 +/- 2) Н. Прогиб направляющей шины должен быть менее 10,0 мм.
Натяжение цепи должно быть регулируемым. Натяжение цепи следует измерять у каждой новой цепи. Это измерение проводят после достижения времени остановки цепи (4,0 +/- 0,2) с.
Метод измерения натяжения цепи заключается в следующем.
a) помещают подходящий зажим на звено на самом верхнем крае направляющей шины непосредственно над точкой разрезания для калибровочной подложки (см.
5.3.5). Осторожно поднимают направляющую шину вертикально, пока ее собственная сила тяжести (15 Н) не будет полностью поддерживаться одним звеном. Измеряют вертикальное отклонение цепи от края направляющей шины и записывают отклонение с точностью до миллиметра;
b) ослабляют усилие и снимают зажим со звена. Перемещают цепь примерно на 14 звеньев и повторяют шаг
a);
c) повторяют шаг
b) еще два раза, пока не будут записаны четыре измерения прогиба в разных частях цепи;
d) диапазон между наибольшим и наименьшим измерениями прогиба не должен превышать 2 мм, чтобы гарантировать постоянство прогиба в различных частях цепи;
e) если это испытание не пройдено, повторяют обе процедуры до тех пор, пока не будут получены требуемые значения. Если это невозможно, проверяют устройство цепной пилы.
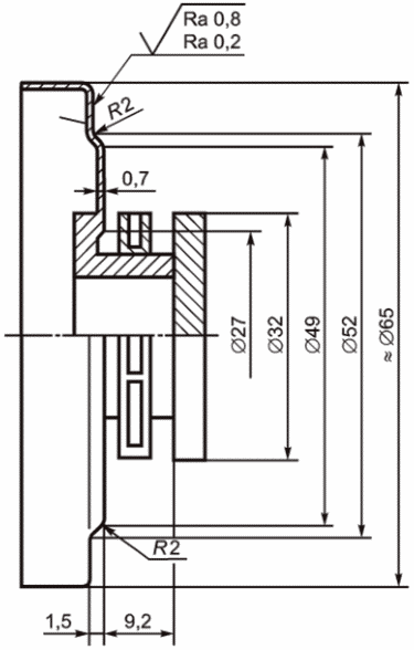
5.3.2.2 Звездочка цепного привода
Используют звездочку цепной передачи с семью зубьями <**>.
--------------------------------
<**> Подходящей звездочкой является ободная звездочка Oregon с семью зубьями. Это пример доступного на рынке подходящего продукта. Данная информация приведена для удобства пользователей настоящего стандарта. Может быть использована аналогичная продукция, если установлено, что ее использование приводит к тем же результатам.
Размеры окружности звездочки должны быть такими, как показано на
рисунке 2.
Механизм не должен быть оснащен крышкой звездочки цепного привода.
Данное требование не исключает наличия ограждения для защиты оператора. Такое ограждение не должно мешать проведению испытания.

- шероховатость поверхности согласно ISO 1302
Рисунок 2 - Размеры окружности звездочки
5.3.2.3 Момент инерции вращающихся частей
Момент инерции вращающихся частей вокруг выходного вала, включая вал, маховик и все вращающиеся устройства, за исключением цепи и звездочки, должен составлять [(0,47 +/- 0,015) x 10-3] кгм2. Момент инерции должен быть определен с помощью программы конструирования или расчета.
Время остановки на холостом ходу без цепи должно превышать 25 с при скорости вращения, соответствующей скорости цепи 20 м/с.
5.3.2.4 Цепь пилы
Цепи должны быть предварительно подготовлены согласно
7.5.1.
Используют цепь с шагом 8,255 мм (0,325 дюйма) с 56 звеньями, как это показано на
рисунке 3 <*>.
--------------------------------
<*> Пригодная цепь - Oregon, 21 LPX. Это пример доступного на рынке подходящего продукта. Данная информация приведена для удобства пользователей настоящего стандарта. Может быть использована аналогичная продукция, если установлено, что ее использование приводит к тем же результатам.
5.3.2.5 Система смазки
Система смазки представляет собой устройство, способное подавать непрерывный поток масла на направляющую шину и цепь пилы со скоростью от 1,5 до 3,0 см3/мин.
Тип масла: | пригодное для пищевой промышленности <*>; |
Вязкость при 40 °C: | (155 +/- 5) мм2/с; |
Вязкость при 100 °C: | (17 +/- 2) мм2/с; |
Плотность при 15 °C: | (860 +/- 20) кг/м3. |
--------------------------------
<*> Пригодным маслом является Cassida Chain Oil 150 или MOLYDUVAL Biolube 150. Данная информация приведена для удобства пользователей настоящего стандарта. Может быть использована аналогичная продукция, если установлено, что ее использование приводит к тем же результатам.
5.3.3 Система отсоединения привода
Эта система представляет собой устройство или систему, в которой силовой привод отсоединяют или удаляют от частей привода, то есть маховика, звездочки и цепи пилы. Некоторые современные системы используют электромеханические муфты, в то время как другие используют системы зубчатых передач, которые механически разделяются при получении сигнала от блока управления.
Для проведения испытания цепь сначала доводят до необходимой скорости с помощью любого подходящего двигателя. В момент испытания двигатель физически отсоединяют от цепи и маховика или отключают питание от устройства цепной пилы. Момент инерции должен соответствовать требованиям
5.3.2.3.
5.3.4 Контрольно-измерительные приборы
Они должны быть способны:
a) измерять скорость цепи с точностью до 0,2 м/с;
b) регистрировать скорость цепи на момент отсоединения привода;
c) измерять время остановки цепи с точностью до 0,1 с.
Примечание - Испытательные лаборатории могут использовать дополнительное оборудование (например, вольтметр или амперметр).
5.3.5 Крепление для устройства цепной пилы
Компоновка должна быть такой, чтобы центр тяжести устройства цепной пилы был смещен относительно оси поворота устройства цепной пилы таким образом, чтобы на расстоянии (360 +/- 2) мм от оси поворота нагружающее усилие составляло (15,0 +/- 0,5) Н. Это точка контакта. Линия разрезания должна лежать в той же горизонтальной плоскости, что и осевая линия поворота (см.
рисунок 4).
Горизонтальное расстояние от осевой линии поворота до центра звездочки должно быть (130 +/- 1) мм.
Размеры в миллиметрах
P - ось поворота
Рисунок 4 - Расположение испытательной установки
на момент разрезания
5.4 Крепление калибровочной подложки
Крепления для образца должны быть расположены горизонтально под углом 45° к направляющей шине.
Горизонтальное расстояние от осевой линии поворота до осевой линии креплений для образца должно составлять (360 +/- 2) мм.
Осевая линия поворота должна находиться на (2 +/- 1) мм выше верха образца.
Перед испытанием устройство цепной пилы или крепление для образца должны быть отрегулированы таким образом, чтобы расстояние по вертикали между самой нижней поверхностью зубьев цепи пилы и поверхностью образца в точке контакта составляло (2 +/- 1) мм, как это показано на
рисунке 5.
Крепление для калибровочной подложки должно состоять из жесткого основания, покрытого слоем гибкого пористого материала (см.
рисунок 6).
Форма верхней стороны должна быть цилиндрической, диаметром (100 +/- 2) мм плюс толщина материала покрытия.
В качестве основного материала используют древесину твердых пород, например бук, хотя допустимы и другие породы древесины.
Материал покрытия <*> должен состоять из слоя гибкого пористого материала из вспененного сополимера этилена и винилацетата толщиной (14 +/- 2) мм с удельной плотностью (47 +/- 7) кг/м3 и значением напряжения сжатия (80 +/- 10) кПа при испытании в соответствии с ISO 3386-1 при 40%-ном сжатии (CV 40).
--------------------------------
<*> Подходящий материал покрытия можно получить в Zotefoams plc, 675 Mitcham Road, Croydon, CR9 3AL, Великобритания, Телефон: +44 (0) 20 8664 1600, Телефон: +44 (0) 20 8664 1616, номер для ссылки

EV50. Данная информация приведена для удобства пользователей настоящего стандарта. Может быть использована аналогичная продукция, если установлено, что ее использование приводит к тем же результатам.
Размер в миллиметрах
Рисунок 5 - Расположение испытательной установки
непосредственно перед проведением испытания
5.5 Устройство крепления калибровочной подложки
Устройство крепят к жесткому основному материалу крепления калибровочной подложки на стороне, наиболее удаленной от оси поворота. Оно состоит из:
a) ряда шипов длиной не менее 800 мм с расстоянием между шипами 30 мм;
b) ряда отверстий длиной не менее 800 мм с расстоянием между соседними отверстиями 30 мм, причем каждое отверстие должно быть достаточно большим, чтобы в него входил шип.
Пример устройства крепления приведен на рисунке 6.
Размеры в миллиметрах
Рисунок 6 - Пример крепления калибровочной подложки
и устройства крепления
6 Калибровочные материалы
Для калибровки остроты цепи должны быть использованы калибровочные подложки с кодом изделия 027 от Engtex <*>. Необходимо использовать идентичный калибровочный материал во всех лабораториях, чтобы обеспечить сопоставимые результаты испытаний. Данная калибровочная подложка должна соответствовать спецификации, указанной в
приложении A.
--------------------------------
<*> Подходящие калибровочные подложки можно получить в Engtex AB, SE-565 22

, Швеция, info@engtex.se, www.engtex.se, ссылочный номер 027. Это пример пригодного продукта, доступного на рынке. Данная информация приведена для удобства пользователей настоящего стандарта. Может быть использована аналогичная продукция, если установлено, что ее использование приводит к тем же результатам.
7 Калибровка испытательной установки
Процедура калибровки состоит из следующих шагов:
a) перед каждым разрезом проверяют время остановки на холостом ходу;
b) перед каждым полным испытанием изделия (см. ISO 11393-2, ISO 11393-4, ISO 11393-5 и ISO 11393-6) проверяют остроту цепи с помощью испытательных разрезов калибровочных подложек (согласно
разделу 6).
7.2 Пуск испытательной установки
Перед пуском установки необходимо убедиться, что цепь направляющей шины и звездочка чистые и не содержат волокон или других посторонних материалов.
Пускают двигатель и увеличивают скорость цепи до 20 м/с на (4 +/- 2) мин. Затем цепь нагревают. Проверяют время остановки цепи при правильном натяжении цепи.
Процедура обкатки: при первом использовании совершенно новой цепи или новой направляющей шины увеличивают скорость цепи до 20 м/с и дают ей поработать (10 +/- 5) мин.
Проверяют и регулируют время остановки цепи перед каждым разрезом. Оно должно составлять (4,0 +/- 0,2) с при скорости цепи (20,0 +/- 0,2) м/с.
Как только время остановки цепи окажется в диапазоне (4,0 +/- 0,2) с, блокируют регулировку натяжения и приступают к выполнению испытательного разреза.
7.4 Измерение скорости цепи
Измеряют скорость цепи пилы при отсоединении привода.
7.5 Калибровка с помощью засоряющего материала (подложки)
7.5.1 Подготовка цепи пилы
Проверяют режущие кромки каждого режущего звена. На нем не должно быть заусенцев и внешних повреждений. Восстанавливают остроту режущих кромок перед использованием с помощью доступного на рынке шлифовального станка.
Восстанавливают остроту всех режущих кромок, слегка касаясь кромок
X,
Y и
Z (см.
рисунок 3) шлифовальным кругом шлифовального станка. Не шлифуют по высоте ограничители глубины каждого режущего звена.
Шлифовальный круг <*> должен соответствовать следующим характеристикам:
--------------------------------
<*> Подходит модель шлифовального круга Oregon Part No. 32660P. Его можно приобрести в компании Blount UK Ltd., 6 Station Drive, Bredon, Tewkesbury, Gloucestershire, GL20 7HQ, Великобритания. Это пример доступного на рынке подходящего продукта. Данная информация приведена для удобства пользователей настоящего стандарта. Может быть использована аналогичная продукция, если установлено, что ее использование приводит к тем же результатам.
- радиус профиля: (2,4 +/- 0,2) мм;
- номинальная толщина шлифовального круга: (4,7 +/- 0,2) мм.
Длина зубьев должна быть не менее 8 мм.
Следует отказаться от цепей, не отвечающих этим требованиям.
Высота ограничителей глубины режущего звена указана на рисунке 7.
Размеры в миллиметрах
Рисунок 7 - Высота ограничителей глубины режущего звена
7.5.2 Установка калибровочной подложки
Крепят калибровочную подложку так, чтобы длинный край был параллелен оси крепления, используя устройство крепления. Пропускают подложку поверх крепления и прикладывают распределенную нагрузку 25 Н/м (250 г через каждые 10 см, начиная с 5 см от края) на свободно свисающей стороне. Разглаживают калибровочную подложку вручную. При установке зажимная шина не должна сжимать калибровочную подложку.
Размещают крепление для образца так, чтобы неподвижная сторона калибровочной подложки находилась на стороне, наиболее удаленной от оси поворота.
7.5.3 Испытательный разрез
На каждой калибровочной подложке должен быть сделан только один разрез. Делают разрез (350 +/- 5) мм от конца подложки под углом 45° к креплению калибровочной подложки. Измеряют этот угол в горизонтальной плоскости.
Режут минимум две калибровочные подложки при испытательной скорости (19,0 +/- 0,2) м/с и минимум две калибровочные подложки при испытательной скорости (21,0 +/- 0,2) м/с в соответствии со следующими критериями:
- при 19 м/с сквозной разрез не допускается; остаются неразрезанными максимум два слоя (включая подкладку);
- при 21 м/с должен произойти сквозной разрез; длина разреза в нижнем слое (например, в подкладке) должна составлять от 10 мм до 50 мм.
Если данные результаты не достигнуты, испытательную установку и цепь необходимо проверить и отрегулировать.
(обязательное)
ДОПОЛНИТЕЛЬНАЯ ИНФОРМАЦИЯ ПО КАЛИБРОВОЧНЫМ ПОДЛОЖКАМ
Во всех лабораториях необходимо использовать идентичный калибровочный материал, чтобы гарантировать сопоставимые результаты испытаний. Калибровочные подложки должны иметь размеры (300 +/- 10) мм x (700 +/- 10) мм.
Швы должны быть следующие:
a) два прямых шва по 8 мм от края. Эти швы должны проходить по всем краям подложки. Нити полиэфирные/хлопковые HM 80/1. Три стежка на см (+/- 0,5 стежка/см) каждый. Тип стежка в соответствии с ISO 4915, N 301;
b) обметывают края пятью нитями. Нити полиэфирные/хлопковые HM 80/1. Три стежка на см (+/- 0,5 стежка/см). Тип стежка в соответствии с ISO 4915, N 504.
Калибровочные подложки должны представлять собой следующее:
a) однослойное трикотажное полотно, 100%-ный полиэфир, артикул Engtex N 402, плотностью (225 +/- 5) г/м2, измеренной в соответствии с ISO 3801;
b) десять слоев тканого защитного материала, расположенного по утку, артикул Engtex N 027, плотностью (105 +/- 3) г/м2:
1) уток: полиамид 940 дтекс, измерение в соответствии с ISO 2060,
2) основа 1: полиэфир 50 дтекс, измерение в соответствии с ISO 2060,
3) основа 2: полиэфир 167 дтекс, измерение в соответствии с ISO 2060,
4) число нитей/см в соответствии с ISO 7211-2: основа 8,6 нитей/см, уток 7,2 нитей/см;
c) однослойное трикотажное полотно, 100%-ный полиэфир, артикул Engtex N 325, (58 +/- 2) г/м2.
Защитный материал должен быть без заключительной отделки.
Уточные нити должны быть расположены в продольном направлении подложки.
(обязательное)
ИСПЫТАНИЯ КАЛИБРОВОЧНЫХ ПОДЛОЖЕК
ПРИ СКОРОСТИ 19 м/с И 21 м/с
B.1 Каждая новая партия калибровочных подложек, поставляемая в испытательную лабораторию, должна быть испытана с помощью откалиброванной цепи, чтобы убедиться, что ее характеристики сопоставимы с предыдущей партией. Лабораториям рекомендуется иметь не менее двух калибровочных подложек из текущей партии для контроля новой партии.
B.2 Используя текущую партию калибровочных подложек, цепь должна быть заточена и откалибрована, чтобы гарантировать, что она соответствует критериям
7.5.3. Калибровочные подложки, используемые для калибровки этой цепи, могут использоваться для следующей процедуры контроля от партии к партии.
B.3 Испытание проводят следующим образом:
a) испытывают две подложки из текущей партии, а также две подложки из новой партии. Допускается использовать подложки для калибровки цепи в соответствии с
B.2. Записывают результаты. Если в текущей партии нет подложек, то поставщику калибровочных подложек следует запросить два образца из предыдущего выпуска или попросить другую испытательную лабораторию выполнить контроль от партии к партии;
b) помещают подложку из текущей партии на испытательную установку и выполняют испытательный разрез со скоростью 21 м/с;
c) помещают подложку из новой партии и выполняют испытательный разрез со скоростью 21 м/с;
d) поочередно повторяют шаги
b) и
c) до тех пор, пока не будут разрезаны четыре подложки. Если разница в длине разреза подкладки каждой новой подложки по сравнению с каждой текущей подложкой меньше 20 мм, то этот контроль считают пройденным;
e) помещают подложку из новой партии и выполняют испытательный разрез со скоростью 19 м/с и сравнивают ее с текущей подложкой в соответствии с
B.2. Если на новой подложке нет сквозного разреза, контроль от партии к партии успешно пройден;
f) в калибровочной подложке, испытанной на скорости 19 м/с, сквозной разрез не допускается;
g) разрез в подкладке подложек, испытанных на скорости 21 м/с, должен быть длиннее 10 мм для всех четырех подложек, а разница в длине разреза должна быть менее 20 мм;
h) изучают результаты и, если есть различия между партиями, выясняют причину, прежде чем использовать новую партию для калибровки испытательной установки. Если разницы нет, контроль от партии к партии завершен.
(справочное)
МЕТОД ПРОВЕРКИ МОМЕНТА ИНЕРЦИИ ВОКРУГ ОСИ ПОВОРОТА
1 - потенциометр; 2 - неэластичная нить; A - начальная
точка; B - конечная точка измеряемого расстояния
Рисунок C.1 - Измерение момента инерции
a) Помещают направляющую шину в горизонтальное положение;
b) крепят неэластичную нить от направляющей шины к потенциометру, чтобы измерить разницу в длине нити, когда направляющая шина будет опущена вниз;
c) дают направляющей шине упасть из горизонтального положения от
A до
B (40 мм).
A - это начальная точка, когда направляющая шина находится в горизонтальном положении,
B - на 40 мм ниже
A, на расстоянии 360 мм от оси поворота. Записывают время и длину нити с помощью оборудования с погрешностью (+/- 1 мс) и (+/- 0,5 мм). Допускается использовать другие измерительные системы такой же точности (например, фотоэлектрические датчики, высокоскоростные камеры, датчики приближения). В этом случае
пункт b) не применяют;
d) рассчитывают инерцию вокруг оси поворота по полученной кривой, как показано ниже, и убеждаются, что она соответствует требуемому значению (0,30 +/- 0,05) кгм2:
1) записывают расстояние падения от A до B, d как функцию времени t. Данную кривую используют для расчета инерции вокруг оси поворота J,
2) для расчета используют энергетический баланс:

,
где J - инерция вокруг оси поворота;

- угловая скорость

, радиан/с;
M - момент вращения, Нм;

- угол вращения, радиан;
F - усилие, Н;
d - расстояние, м.

,

,
где r - расстояние от оси поворота до места измерений, м;
v - скорость, м/с;
t - время, с;
3) обеспечивают в начале измерений v = 0,
4) повторяют испытание для различных d, пока не будет получен допуск менее 0,05 кг/м2.
(справочное)
СВЕДЕНИЯ О СООТВЕТСТВИИ ССЫЛОЧНЫХ МЕЖДУНАРОДНЫХ СТАНДАРТОВ
МЕЖГОСУДАРСТВЕННЫМ СТАНДАРТАМ
Таблица ДА.1
Обозначение ссылочного международного стандарта | Степень соответствия | Обозначение и наименование соответствующего межгосударственного стандарта |
ISO 1302 | - | |
ISO 2060 | - | |
ISO 3386-1 | MOD | ГОСТ 26605-2017 (ISO 3386-1:1986) "Полимерные эластичные ячеистые материалы. Определение зависимости напряжение - деформация при сжатии и напряжения сжатия" |
ISO 3801 | MOD | ГОСТ 3811-72 (ИСО 3801-77, ИСО 3932-76, ИСО 3933-76) "Материалы текстильные. Ткани, нетканые полотна и штучные изделия. Методы определения линейных размеров, линейной и поверхностной плотностей" |
ISO 4915 | - | |
ISO 7211-2 | - | |
ISO 11393-2 | - | |
ISO 11393-3 | IDT | ГОСТ ISO 11393-3-2021 "Система стандартов безопасности труда. Средства индивидуальной защиты для работающих с ручными цепными пилами. Часть 3. Методы испытаний обуви" |
ISO 11393-4 | IDT | ГОСТ ISO 11393-4-2022 "Система стандартов безопасности труда. Средства индивидуальной защиты для работающих с ручными цепными пилами. Часть 4. Методы испытаний и эксплуатационные требования к защитным перчаткам" |
ISO 11393-5 | - | |
ISO 11393-6 | - | |
ISO 17249 | - | |
<*> Соответствующий межгосударственный стандарт отсутствует. До его принятия рекомендуется использовать перевод на русский язык данного международного стандарта. Примечание - В настоящей таблице использованы следующие условные обозначения степени соответствия стандартов: - IDT - идентичные стандарты; - MOD - модифицированные стандарты. |
УДК 687.174:006.354 | | IDT |
Ключевые слова: ручная цепная пила, проскальзывание цепи, засорение, торможение цепи, сопротивление режущему воздействию, разрез |