Главная // Актуальные документы // ГОСТ (Государственный стандарт)
СПРАВКА
Источник публикации
М.: ФГБУ "РСТ", 2022
Примечание к документу
Текст данного документа приведен с учетом поправки, опубликованной в "ИУС", N 2, 2024.

Документ введен в действие с 01.05.2023.

Взамен ГОСТ 28777-2016.
Название документа
"ГОСТ 28777-2022. Межгосударственный стандарт. Мебель. Кровати детские. Методы испытаний"
(введен в действие Приказом Росстандарта от 28.09.2022 N 1015-ст)

"ГОСТ 28777-2022. Межгосударственный стандарт. Мебель. Кровати детские. Методы испытаний"
(введен в действие Приказом Росстандарта от 28.09.2022 N 1015-ст)


Содержание


Введен в действие
Приказом Федерального агентства
по техническому регулированию
и метрологии
от 28 сентября 2022 г. N 1015-ст
МЕЖГОСУДАРСТВЕННЫЙ СТАНДАРТ
МЕБЕЛЬ.
КРОВАТИ ДЕТСКИЕ
МЕТОДЫ ИСПЫТАНИЙ
Furniture. Children's cots. Test methods
(ISO 7175-2:2019, NEQ)
ГОСТ 28777-2022
МКС 97.140
Дата введения
1 мая 2023 года
Предисловие
Цели, основные принципы и общие правила проведения работ по межгосударственной стандартизации установлены ГОСТ 1.0 "Межгосударственная система стандартизации. Основные положения" и ГОСТ 1.2 "Межгосударственная система стандартизации. Стандарты межгосударственные, правила и рекомендации по межгосударственной стандартизации. Правила разработки, принятия, обновления и отмены"
Сведения о стандарте
1 РАЗРАБОТАН Автономной некоммерческой организацией "Центр сертификации и исследований "Метроном" (АНО "ЦСИ "Метроном")
2 ВНЕСЕН Межгосударственным техническим комитетом по стандартизации МТК 135 "Мебель"
3 ПРИНЯТ Межгосударственным советом по стандартизации, метрологии и сертификации (протокол от 31.08.2022 N 153-П)
За принятие проголосовали:
Краткое наименование страны по МК (ИСО 3166) 004-97
Код страны по МК (ИСО 3166) 004-97
Сокращенное наименование национального органа по стандартизации
Армения
AM
ЗАО "Национальный орган по стандартизации и метрологии" Республики Армения
Беларусь
BY
Госстандарт Республики Беларусь
Казахстан
KZ
Госстандарт Республики Казахстан
Киргизия
KG
Кыргызстандарт
Россия
RU
Росстандарт
Таджикистан
TJ
Таджикстандарт
Узбекистан
UZ
Узстандарт
4 Приказом Федерального агентства по техническому регулированию и метрологии от 28 сентября 2022 г. N 1015-ст межгосударственный стандарт ГОСТ 28777-2022 введен в действие в качестве национального стандарта Российской Федерации с 1 мая 2023 г.
5 Настоящий стандарт разработан с учетом основных нормативных положений международного стандарта ISO 7175-2:2019 "Мебель. Кроватки детские и складные (разборные) для домашнего использования. Часть 2. Методы испытания" ("Furniture. Children's cots and folding cots for domestic use - Part 2: Test methods", NEQ)
6 ВЗАМЕН ГОСТ 28777-2016
Информация о введении в действие (прекращении действия) настоящего стандарта и изменений к нему на территории указанных выше государств публикуется в указателях национальных стандартов, издаваемых в этих государствах, а также в сети Интернет на сайтах соответствующих национальных органов по стандартизации.
В случае пересмотра, изменения или отмены настоящего стандарта соответствующая информация будет опубликована на официальном интернет-сайте Межгосударственного совета по стандартизации, метрологии и сертификации в каталоге "Межгосударственные стандарты"
1 Область применения
Настоящий стандарт распространяется на детские кровати с/без ограждения, раскладные кровати, кровати-манежи, раздвижные кровати, кровати-качалки (далее - кровати) и устанавливает методы испытаний и порядок (очередность) проведения испытаний (см. раздел 5):
- проверка качества сборки (изготовления);
- испытание на устойчивость;
- определение размеров отверстий, зазоров и проемов;
- испытание мелких деталей (частей) кроватей на скручивание и отрыв;
- испытание на ударную прочность основания кроватей;
- испытание стоек (планок) ограждения на деформируемость под нагрузкой;
- испытание стоек (планок) ограждения на изгиб;
- испытание на ударную прочность сплошных ограждений, стоек (планок) ограждений кроватей;
- испытание на ударную прочность угловых соединений ограждений кровати;
- испытание на прочность сетчатых и других гибких ограждений кроватей;
- испытание на прочность каркаса кроватей с ограждением;
- испытание на долговечность каркаса кроватей с ограждением;
- испытание на долговечность каркаса кроватей без ограждения;
- испытание на долговечность царг кроватей без ограждения;
- испытание механизмов блокировки раскладных кроватей;
- испытание блокирующих устройств опор качения и механизмов качания;
- испытания блокирующих устройств перемещаемого по высоте бокового ограждения кровати;
- испытания опор качения на долговечность.
Настоящий стандарт не распространяется на двухъярусные кровати, кровати-чердаки, откидные кровати, люльки, выдвижные кровати.
Испытания предназначены для оценки безопасности кроватей независимо от материалов, конструкции или технологии изготовления.
2 Нормативные ссылки
В настоящем стандарте использованы нормативные ссылки на следующие межгосударственные стандарты:
ГОСТ 19917 Мебель для сидения и лежания. Общие технические условия
ГОСТ 20400 Продукция мебельного производства. Термины и определения
Примечание - При пользовании настоящим стандартом целесообразно проверить действие ссылочных стандартов и классификаторов на официальном интернет-сайте Межгосударственного совета по стандартизации, метрологии и сертификации (www.easc.by) или по указателям национальных стандартов, издаваемым в государствах, указанных в предисловии, или на официальных сайтах соответствующих национальных органов по стандартизации. Если на документ дана недатированная ссылка, то следует использовать документ, действующий на текущий момент, с учетом всех внесенных в него изменений. Если заменен ссылочный документ, на который дана датированная ссылка, то следует использовать указанную версию этого документа. Если после принятия настоящего стандарта в ссылочный документ, на который дана датированная ссылка, внесено изменение, затрагивающее положение, на которое дана ссылка, то это положение применяется без учета данного изменения. Если ссылочный документ отменен без замены, то положение, в котором дана ссылка на него, применяется в части, не затрагивающей эту ссылку.
3 Термины и определения
В настоящем стандарте применены термины по [1], ГОСТ 20400, а также следующие термины с соответствующими определениями:
3.1 качество сборки [изготовления]: Совокупность свойств процесса сборки, обусловливающих его пригодность обеспечивать требуемое качество кроватей.
Примечание - Под качественной сборкой детских кроватей подразумевается следующее: отсутствие неплотных соединений элементов кровати (надежная фиксация и крепление элементов); отсутствие острых ребер элементов; отсутствие заусенцев на поверхностях элементов; наличие свободного хода без заеданий и перекосов трансформируемых, перемещаемых, выдвижных и раздвижных элементов; отсутствие неполного соприкосновения опор кровати с ровной горизонтальной поверхностью без приложения нагрузки на кровать; отсутствие повреждения углов (кромок); наличие на поверхностях мебельных деталей из древесных плитных материалов защитных или защитно-декоративных покрытий.
3.2 мелкие детали [части]: Части кровати, имеющие размер, позволяющий их разместить в цилиндре, предназначенном для оценки мелких деталей при их возможном откреплении от кровати без помощи инструмента.
3.3 кровать с ограждением: Детская кровать, имеющая ограждения по всему периметру, с перемещаемым или неперемещаемым по высоте основанием кровати.
Примечание - Кровать с ограждением может иметь перемещаемое по высоте боковое ограждение.
3.4 кровать без ограждения: Кровать, предназначенная для детей в возрасте старше трех лет и не имеющая барьера (ограждения) по всему периметру.
3.5 раскладная кровать: Кровать как с/без ограждения, которую можно без применения инструмента разобрать или сложить для транспортирования или хранения.
Примечание - К раскладным кроватям не относят такие кровати, как переносные детские кроватки, предназначенные для транспортирования младенцев.
3.6 кровать-манеж: Детская раскладная кровать, снабженная барьером (ограждением) по всему периметру в виде сетки или ткани.
3.7 механизм [элемент] качания: Механизм или элемент, позволяющий раскачивать кровать в двух противоположных направлениях.
3.8 кровать-качалка: Детская кровать с ограждением, имеющая механизмы или элементы качания.
Примечание - Кровати с механизмами качания или с элементами для качания, выполненными в виде двух изогнутых опор, не имеющих механизмов блокировки либо возможности установки на опоры качения, могут применяться только для младенцев до тех пор, пока они не смогут сидеть без посторонней помощи, или подтягиваться, или подниматься на четвереньках.
3.9 механизм блокировки: Механизм, состоящий из фиксатора и одного или более разблокирующих устройств, например кнопки, рычага или поворотной ручки, и предназначенный для фиксирования кровати или ее частей в соответствующем положении.
3.10 основание кровати: Опорная часть кровати, служащая опорой для матраса и укладываемая внутрь каркаса кровати.
3.11 комбинированное основание кровати: Основание кровати, объединенное с матрасом в один конструктивный элемент (единое целое).
3.12 каркас кровати: Опорная часть кровати, несущая на себе основание кровати, матрац или комбинированное основание кровати и навесные спинки кровати (при их наличии) в изголовье и изножье и воспринимающая в процессе эксплуатации все нагрузки.
3.13 перемещаемое по высоте боковое ограждение: Боковое ограждение кровати, которое можно устанавливать в различные положения.
Примечание - Примерами такого ограждения могут быть сдвижное боковое ограждение, откидное боковое ограждение, складное боковое ограждение.
4 Требования к проведению испытаний
4.1 Условия проведения контроля и испытаний кроватей должны соответствовать следующим климатическим условиям:
- температура окружающей среды - от 15 °C до 30 °C;
- относительная влажность воздуха - от 45% до 80%.
4.2 До проведения испытаний образцы кроватей необходимо кондиционировать не менее 3 сут внутри помещений в следующих условиях окружающей среды:
- температура воздуха - от 15 °C до 30 °C;
- относительная влажность воздуха - от 45% до 80%.
4.3 Испытание образцов, изготовленных с применением клеевых соединений, проводят не ранее чем через 14 сут после их изготовления.
4.4 Образец кровати должен быть представлен на испытание в полностью собранном виде и готовым к использованию в соответствии с руководством по эксплуатации.
В случае передачи кровати на испытание в разобранном упакованном виде допускается сборка кровати силами персонала испытательной лаборатории в полном соответствии с представленной изготовителем инструкцией по сборке.
Допускается проводить испытания кроватей, не имеющих лакокрасочных покрытий.
Если кровать относится к раскладному типу, то ее необходимо собрать в рабочее положение в соответствии с инструкцией по эксплуатации, входящей в комплект документов при поставке кровати.
4.5 Допустимые отклонения значений физических величин параметров испытаний, применяемых при проведении испытаний, если не указано иное:
а) силы - +/- 5%;
б) массы - +/- 1%;
в) геометрические размеры - +/- 1,0 мм;
г) углы - +/- 2°;
д) точки расположения нагрузочных элементов (площадок) - +/- 5 мм;
е) продолжительности воздействия нагрузки:
1) (2 +/- 1) с для испытаний на долговечность,
2) (10 +/- 2) с для испытания статической нагрузкой.
4.6 При статических испытаниях скорость возрастания нагрузки должна быть достаточно медленной для обеспечения минимального воздействия динамического усилия.
4.7 При испытаниях на долговечность нагрузки следует прикладывать со скоростью, исключающей возникновение нагрева образца.
4.8 Все испытания должны быть проведены на одном и том же образце в порядке, приведенном в разделе 1.
4.9 В настоящем стандарте испытательные нагрузки указаны в единицах силы Н (ньютон), однако можно использовать понятие массы. Для этого используется соотношение 10 Н = 1 кг.
5 Методы испытаний
5.1 Проверка качества сборки (изготовления)
Сборку кровати осуществляют в соответствии с инструкцией производителя.
Перед началом испытания для проверки качества сборки (изготовления) в соответствии с 5.1.1 - 5.1.8 проводят визуальный осмотр кровати.
5.1.1 Кровать должна обеспечивать способность выполнять заданные функции в соответствии с ее назначением. Например, кровать с ограждением должна иметь защитный барьер по всему периметру; кровать-качалка - механизмы или элементы качания.
5.1.2 Все соединения кровати должны быть плотными.
5.1.3 Вкладные и накладные элементы кроватей, включая декоративные (при их наличии), должны быть закреплены неподвижно.
5.1.4 В конструкции кроватей не должно быть острых ребер элементов изделия, ребра торцов погонажных деталей должны быть притуплены. Все доступные кромки, углы и поверхности кроватей должны быть скруглены или притуплены и не иметь заусенцев.
5.1.5 Трансформируемые, перемещаемые, выдвижные и раздвижные элементы изделия должны иметь свободный ход без заеданий и перекосов.
5.1.6 Кровать должна соприкасаться всеми опорами с ровной поверхностью, на которую она установлена, без приложения нагрузки на кровать.
5.1.7 Не должно быть повреждения углов (кромок) кровати.
5.1.8 Поверхности кровати должны иметь защитные или защитно-декоративные покрытия в соответствии с требованиями, указанным в [1] (статья 5, пункт 3).
5.2 Метод испытания на устойчивость
Данное испытание проводят только в отношении кроватей с ограждением, раскладных кроватей (если она является кроватью с ограждением), кроватей-манежей, кроватей-качалок.
Сущность метода заключается в однократном воздействии нагрузки на кровать, приводящей к ее опрокидыванию.
Началом опрокидывания кровати на ножках (опорах), в т.ч. на опорах качения, следует считать момент отрыва ножек (опор) от пола со стороны, противоположной приложению к кровати нагрузки.
Началом опрокидывания кровати с механизмами качания в виде маятника следует считать момент отрыва основания, опор (опорного основания) кровати от пола с любой стороны.
Опрокидыванием кровати с элементами для качания, выполненными в виде двух изогнутых опор, следует считать факт непосредственного опрокидывания кровати.
5.2.1 Испытательное оборудование
5.2.1.1 Упоры, предназначенные предотвращать скольжение кровати, но не ее наклон, высотой не выше 12 мм, за исключением тех случаев, когда конструкция кровати подразумевает применение более высоких упоров, - в этих случаях следует использовать наиболее низкий из имеющихся упоров, способный предотвратить скольжение.
5.2.1.2 Груз, представляющий собой предмет массой (10 +/- 0,05) кг, размерами поперечного сечения (100 +/- 1,0) x (30 +/- 1,0) мм.
5.2.1.3 Груз балластный, представляющий собой предмет размерами поперечного сечения (90 +/- 10) x (180 +/- 30) мм, массой (15 +/- 0,1) кг. Допускается наборный груз при условии соответствия общей массы (15 +/- 0,1) кг и размеров поперечного сечения (90 +/- 10) x (180 +/- 30) мм.
5.2.1.4 Любое устройство, обеспечивающее возможность приложения горизонтальной (тянущей или толкающей) нагрузки не более 40 Н с погрешностью +/- 1 Н.
Допускается проводить нагружение вручную с помощью динамометров сжатия или растяжения, позволяющих осуществлять измерение нагрузок не более 100 Н с погрешностью +/- 1 Н.
5.2.2 Подготовка к испытанию
5.2.2.1 Кровать испытывают без матраса, если только матрас не является неотъемлемой (неподвижной) частью кровати, т.е. входит в состав комбинированного основания кровати.
5.2.2.2 Кровать устанавливают на ровную, твердую, горизонтальную поверхность таким образом, чтобы ее опоры (ножки, опоры качения) упирались в упоры (5.2.1.1). Тенденции к опрокидыванию ограничивать не следует.
5.2.2.3 Кровати-качалки испытывают без дополнительных упоров.
5.2.2.4 Если кровать имеет опоры качения (ролики, колесики), то опоры качения разворачивают относительно кровати таким образом, чтобы кровать оказалась в наиболее неустойчивом положении.
5.2.2.5 Основание кровати, если имеется возможность перемещения, устанавливают в самое высокое положение.
5.2.3 Проведение испытаний
5.2.3.1 Испытания кроватей проводят по схемам, приведенным на рисунках 1, 2а, 2б, 3а, 3б:
- кровати с ограждением, в т.ч. на опорах качения, кровати-качалки с заблокированными элементами или механизмами качания испытывают по схеме, приведенной на рисунке 1.
Примечание - Кровати с элементами для качания, выполненными в виде двух изогнутых опор, считают заблокированными путем установки кровати на опоры качения, входящими в комплект кровати.
P - горизонтальная нагрузка
Рисунок 1
- кровати с разблокированными механизмами качания в виде маятника испытывают по схеме, приведенной на рисунках 2а, 2б.
а
б
P1, P2 - горизонтальная нагрузка; 1 - балластный груз
массой 15 кг; 2 - крайнее положение механизма качания
Рисунок 2
- кровати с элементами для качания, выполненными в виде двух изогнутых в продольном направлении полозьев, испытывают по схеме, приведенной на рисунках 3а, 3б.
а
б
P1, P2 - горизонтальная нагрузка; 1 - балластный груз
массой 15 кг; 2 - крайнее положение элемента качания
Рисунок 3
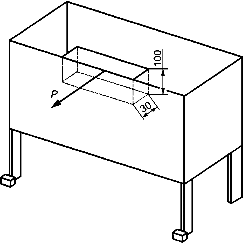
5.2.3.2 При испытаниях кровати с ограждением, в т.ч. на опорах качения, кровати-качалки с заблокированными элементами или механизмами качания испытательный груз (5.2.1.2) прикрепляют внутри по центру верхнего края любого бокового ограждения кровати таким образом, чтобы верхняя кромка испытательного груза была на уровне верхнего края ограждения кровати (см. рисунок 1). Испытательный груз может быть закреплен с помощью специальных удерживающих устройств (крючков), закрепленных на испытательном грузе. Вес элементов крепления испытательного груза должен быть учтен в весе испытательного груза (15 +/- 0,1) кг. На том же ограждении в середине верхнего края прикладывается горизонтальное усилие P 30+1 Н, направленное наружу.
Кровать считают устойчивой, если под нагрузкой P не произошло отрыва опор (ножек, опор качения) от пола со стороны, противоположной приложению к ней нагрузки.
5.2.3.3 При испытаниях кровати с разблокированными механизмами качания в виде маятника балластный груз (5.2.1.3) укладывают на основание кровати. Центр тяжести груза располагают по центру основания со смещением вплотную к одному из боковых ограждений кровати (см. рисунок 2а).
5.2.3.4 К боковому ограждению кровати, противоположному месторасположению балластного груза, рукой прикладывают нагрузку P1 в направлении качания "на себя", выводя ее из балансирующего положения и доводя до крайнего положения механизма маятника, и отпускают (см. рисунок 2а).
Повторяют испытание при тех же условиях, но с приложением нагрузки P2 в направлении качания "от себя" (см. рисунок 2б).
Кровать считают устойчивой, если под нагрузкой от действия "руки" и после снятия этой нагрузки по ходу возвращения в исходное положение не произошло отрыва основания, опор (опорного основания) кровати от пола с любой стороны.
5.2.3.5 Если кровать при приложении испытательных нагрузок в соответствии с 5.2.3.4 перемещается по поверхности, то такое перемещение не ограничивают и кровать считают несоответствующей заявленному назначению - кровать-качалка в соответствии с 5.1.1.
5.2.3.6 При испытаниях кровати с элементами для качания, выполненными в виде двух изогнутых в продольном направлении полозьев, балластный груз (5.2.1.3) укладывают на основание кровати. Центр тяжести груза располагают по центру основания со смещением вплотную к одному из боковых ограждений кровати (см. рисунок 3а).
5.2.3.7 К боковому ограждению кровати, противоположному месторасположению балластного груза, рукой прикладывают нагрузку в направлении качания "на себя", выводя ее из балансирующего положения и доводя до крайнего положения опор (элемента качания), и отпускают (см. рисунок 3а).
Повторяют испытание при тех же условиях, но с приложением нагрузки в направлении качания "от себя" (см. рисунок 3б).
Кровать считают устойчивой, если она не опрокинулась под нагрузкой от действия руки и после снятия этой нагрузки по ходу возвращения в исходное положение.
5.3 Определение размеров отверстий, зазоров и проемов
Испытание проводят только в отношении кроватей с ограждением, раскладных кроватей (если они являются кроватями с ограждениями), кроватей-манежей, кроватей-качалок.
Сущность метода заключается во вводе (приложении) без усилия и с усилием испытательных (измерительных) шаблонов и калибров в отверстия, зазоры и проемы кроватей с целью проверки их размеров.
5.3.1 Испытательное оборудование
5.3.1.1 Калибры испытательные (измерительные)
Испытательные (измерительные) калибры должны быть изготовлены из полимерного или другого твердого материала с гладкой поверхностью с возможностью установки на устройстве для измерения силы либо с возможностью совместного применения с данным устройством (см. рисунки 4а, 4б, 4в):
- калибр испытательный (измерительный) с конической поверхностью диаметром 7-0,1 мм с полусферическим окончанием (см. рисунок 4а).
Рисунок 4а
- калибры испытательные (измерительные) с конической поверхностью с углом (30 +/- 0,5)° и диаметром 25+0,1, 45+0,1, 60+0,1, 65+0,1 и 85+0,1 мм с полусферическими либо остроконусными окончаниями (см. рисунок 4б).
Рисунок 4б
- калибры испытательные (измерительные) цилиндрические диаметром 7-0,1 и 12+0,1 мм с полусферическими окончаниями (см. рисунок 4в).
Рисунок 4в
5.3.1.2 Шаблоны испытательные (измерительные)
а) Шаблон "малая голова"
Шаблон "малая голова" имитирует ребенка возрастом от 6 до 9 мес. Шаблон изготовляют из пластмасс или иных твердых материалов с гладкой поверхностью по размерам, приведенным на рисунке 5 и указанным в миллиметрах. Шаблон должен позволять применять его совместно с устройством, измеряющим прикладываемую нагрузку.
Рисунок 5 - Шаблон "малая голова"
б) Шаблон "большая голова"
Шаблон "большая голова" имитирует ребенка возрастом до 36 мес. Шаблон изготовляют из пластмасс или иных твердых материалов с гладкой поверхностью по размерам, приведенным на рисунке 6 и указанным в миллиметрах. Шаблон должен позволять применять его совместно с устройством, измеряющим прикладываемую нагрузку.
Рисунок 6 - Шаблон "большая голова"
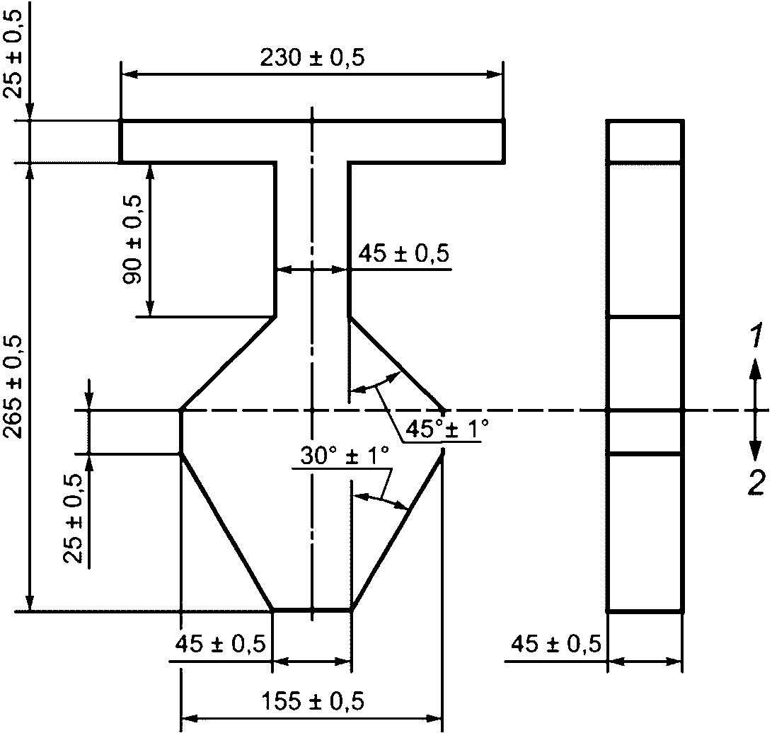
в) Шаблон для проемов V-образной и неправильной формы
Шаблон для проемов V-образной и неправильной формы изготовляют из пластмасс или иных твердых материалов с гладкой поверхностью по размерам, приведенным на рисунке 7 и указанным в миллиметрах. Допуск для углов составляет +/- 1°.
1 - часть B; 2 - часть A
Рисунок 7 - Шаблон для проемов
V-образной и неправильной формы
5.3.2 Подготовка к испытанию
5.3.2.1 Кровать должна быть испытана без матраса, если только матрас не является неотъемлемой неподвижной частью кровати.
5.3.2.2 Кровать устанавливают на ровную, твердую, горизонтальную поверхность.
5.3.2.3 Если кровать имеет перемещаемое основание, то испытание кровати проводят с каждым положением основания.
5.3.2.4 Испытания раздвижных кроватей проводят в каждой, исходя из их доступных размеров.
5.3.3 Проведение испытаний
5.3.3.1 Определение размеров отверстий и зазоров внутри кровати
Испытание проводят с помощью испытательных (измерительных) калибров путем их ввода (приложения) в (к) отверстия(м) и зазоры(ам) с/без усилия в соответствии с таблицей 1.
Таблица 1
Диаметры калибров и требуемое усилие
Отверстия, зазоры внутри кровати
Диаметр цилиндрического калибра, мм
Диаметр калибра с конической поверхностью, мм
Прикладываемое усилие, Н
Норма (калибр не проходит/проходит)
Отверстие в сетке ограждений
-
7
30
Не проходит
Зазор между основанием кровати и ограждениями
-
25
30
Не проходит
Зазор между планками основания кровати
-
60
30
Не проходит
Отверстие в сетке основания кровати
-
85
90
Не проходит
Доступные отверстия для сборки
7 <*>
-
30
Не проходит
12 <*>
-
Без усилия
Проходит
Все остальные отверстия, зазоры
-
30
Не проходит
-
Без усилия
Проходит
-
30
Не проходит
-
45 <*4>
Без усилия
Проходит
-
65 <*4>
30
Не проходит
<*> Диаметр доступных отверстий для сборки не должен быть в диапазоне от 7 до 12 мм, за исключением, если глубина отверстия составляет менее 10 мм.
<**> Размер всех доступных отверстий и зазоров должен быть менее 7 мм.
<***> Размер всех доступных отверстий и зазоров должен быть в диапазоне не менее 12 мм и не более 25 мм.
<*4> Размер отверстий и зазоров должен быть в диапазоне не менее 45 мм и не более 65 мм.
5.3.3.2 Испытания на возможность застревания головы в полностью замкнутых отверстиях, зазорах и проемах
Шаблон "малая голова" [см. 5.3.1.2, перечисление а)] вручную надавливают с максимально возможным усилием не более 30 Н в полностью замкнутые проемы, отверстия, зазоры.
Шаблон "малая голова" [см. 5.3.1.2, перечисление а)] не должен проходить через полностью замкнутые проемы, отверстия, зазоры.
Если шаблон "малая голова" полностью проходит через проем, отверстие, зазор, то через него должен полностью проходить и шаблон "большая голова" [см. 5.3.1.2, перечисление б)] с усилием не более 5 Н.
5.3.3.3 Испытания частично замкнутых, V-образных и имеющих неправильную форму проемов и зазоров
а) Часть B шаблона данной формы (см. рисунок 7) помещают между и перпендикулярно к границам проема, как показано на рисунке 8 и рисунке 9 соответственно.
Причем шаблон не следует вставлять на полную толщину (см. рисунок 8а, б и рисунок 9а).
Если шаблон (см. рисунок 7) может быть вставлен на глубину, превышающую толщину шаблона (45 мм) (см. рисунок 8в, г и рисунок 9б), то проем необходимо проверить по перечислению б).
а и б - опасность отсутствует; в и г - есть опасность
Рисунок 8 - Метод введения части B шаблона
Рисунок 9 - Метод введения части B шаблона
б) Необходимо разместить часть A шаблона (см. рисунок 7) таким образом, чтобы его центральная линия совместилась с центральной линией проема. Необходимо, чтобы плоскость шаблона была параллельна и входила в проем, как показано на рисунке 10. Шаблон вводят вдоль центральной линии проема до тех пор, пока он не достигнет края проема.
Если шаблон упирается в дно проема и боковые части шаблона не касаются краев проема, то это значит, что опасность отсутствует (см. рисунок 10а).
Если шаблон не упирается в дно проема, а боковые части шаблона касаются краев проема, опасность присутствует (см. рисунок 10б).
Рисунок 10 - Метод введения части A шаблона
5.4 Испытание мелких деталей (частей) кроватей на скручивание и отрыв
Испытание проводят только в отношении кроватей с ограждением, раскладных кроватей (если они являются кроватями с ограждениями), кроватей-манежей, кроватей-качалок.
Сущность метода заключается в приложении крутящего момента и линейных нагрузок к мелким доступным изнутри кровати деталям с целью контроля возможности их отсоединения и дальнейшей проверки размеров.
Деталь считается мелкой, если ее может схватить ребенок и если она целиком помещается в цилиндр для мелких деталей (см. рисунок 11).
Рисунок 11 - Цилиндр для оценки мелких деталей
Деталь считают пригодной для захвата ребенком, если он может зажать ее между большим и указательным пальцами или между зубами.
5.4.1 Испытательное оборудование
5.4.1.1 Цилиндр, предназначенный для оценки мелких деталей (см. рисунок 11).
5.4.1.2 Устройство, предназначенное для зажима мелкой детали с целью приложения к ней крутящего момента и тянущей нагрузки.
5.4.2 Подготовка к испытанию
5.4.2.1 Кровать должна быть испытана без матраса, если только матрас не является неотъемлемой, неподвижной частью кровати, т.е. входит в состав комбинированного основания кровати.
5.4.2.2 Кровать устанавливают на ровную, твердую, горизонтальную поверхность.
5.4.2.3 Если кровать имеет перемещаемое по высоте основание, то испытание кровати проводят с каждым положением основания.
5.4.3 Проведение испытаний
Испытание на отрыв (5.4.3.2) проводят после испытания на скручивание (5.4.3.1) на той же детали, которая была при испытании на скручивание. Если при испытании на скручивание произошло отсоединение детали, то испытания на отрыв не проводят.
5.4.3.1 Испытание на скручивание
Крутящий момент к мелкой детали с применением зажима (5.4.1.2) или иных подходящих средств вручную с помощью динамометрических устройств или испытательного механизма прикладывают постепенно в течение примерно 5 с по часовой стрелке:
а) до поворота на 180° от первоначального положения или
б) достижения крутящего момента 0,34 Нм.
Положение детали при максимальном повороте (180°) или требуемый крутящий момент 0,34 Нм необходимо зафиксировать в течение (10 +/- 2) с.
Затем деталь должна возвратиться в обычное состояние без приложения усилия, после чего следует повторить процедуру против часовой стрелки.
Если мелкие детали жестко закреплены на находящемся в пределах досягаемости пруте или валу, рассчитанном на вращение вместе с мелкими деталями, то такой прут или вал необходимо зафиксировать во избежание вращения при испытании.
В том случае если мелкая деталь закреплена с помощью винтового резьбового соединения, которое ослабляется при приложении крутящей нагрузки, то нагрузку следует прикладывать до того момента, когда требуемый крутящий момент будет превышен (более 0,34 Нм) или эта деталь отсоединится.
При использовании зажимов или иных подходящих средств необходимо следить за тем, чтобы не было повреждения мелких деталей.
Если мелкая деталь при проведении испытаний на скручивание отсоединилась, необходимо проверить, помещается ли она целиком в цилиндр для оценки мелких деталей (5.4.1.1). Если деталь не помещается целиком в цилиндр, то такую деталь не считают мелкой.
5.4.3.2 Испытание на отрыв
К мелкой детали прикладывают тянущую нагрузку при помощи зажима или иного подходящего средства.
Прикладываемая нагрузка:
- 50+5 Н, если самый большой в пределах досягаемости размер мелкой детали менее или равен 6 мм;
- 90+10 Н, если самый большой в пределах досягаемости размер мелкой детали более 6 мм.
Нагрузку прикладывают постепенно в течение примерно 5 с и удерживают (10 +/- 2) с.
Если мелкая деталь при проведении испытаний на отрыв отсоединилась, необходимо проверить, помещается ли она целиком в цилиндр для оценки мелких деталей (5.4.1.1). Если деталь не помещается целиком в цилиндр, то такую деталь не считают мелкой.
5.5 Испытание основания кровати, комбинированного основания кровати на ударную прочность
Испытание проводят в отношении всех кроватей, входящих в область распространения настоящего стандарта.
Сущность метода заключается в приложении ударной нагрузки к основанию кровати или к комбинированному основанию кровати и в оценке результатов испытаний.
5.5.1 Испытательное оборудование
5.5.1.1 Тело сбрасываемое ударное общей массой (10,0 +/- 0,1) кг, диаметром цилиндрической части (100 +/- 5) мм, радиусом нижней полусферической поверхности (125 +/- 1) мм (см. рисунок 12). Нижняя полусферическая ударная часть должна быть выполнена из древесины твердых пород плотностью не менее 560 кг/м3, например: лиственница, ясень, бук, дуб и т.д., или из эквивалентного материала с характеристиками не менее указанных, например: сталь, латунь, бронза, медь, текстолит.
Рисунок 12 - Сбрасываемое ударное тело
массой (10,0 +/- 0,1) кг
5.5.1.2 Матрас испытательный, представляющий собой лист вспененного полиуретана толщиной (60,0 +/- 10,0) мм, плотностью (30 +/- 5) кг/м3. Площадь испытательного матраса должна составлять не менее 400 x 800 мм, но не более площади спального места кровати. Допускается применение испытательного матраца в чехле из хлопчатобумажной ткани.
5.5.2 Подготовка к испытанию
5.5.2.1 Кровать устанавливают на ровную, твердую, горизонтальную поверхность.
5.5.2.2 Испытания кроватей-качалок следует проводить с заблокированными элементами и механизмами качания.
5.5.2.3 Раздвижные кровати испытывают в максимальном из доступных размеров кровати.
5.5.3 Проведение испытаний
5.5.3.1 Испытательный матрас (5.5.1.2) укладывают плоскостью на основание кровати. Испытание кровати, имеющей в своей конструкции комбинированное основание, проводят без применения испытательного матраса.
5.5.3.2 Ударное тело сбрасывают с высоты 150 мм над основанием кровати на испытательный матрас в каждой выбранной точке ударного воздействия (см. рисунок 13).
В случае испытания кровати с комбинированным основанием ударное тело сбрасывают с высоты 90 мм над комбинированным основанием кровати непосредственно на матрас, входящий в состав комбинированного основания, в каждой выбранной точке ударного воздействия (см. рисунок 13).
Рисунок 13 - Схема приложения нагрузок
при испытаниях на ударную прочность
Ударное тело должно падать свободно, без ограничения его отскока. В каждой точке воздействия удары наносят до нормативного количества циклов по ГОСТ 19917 либо по другим нормативным документам и технической документации с частотой не более 30 раз в 1 мин.
5.5.3.3 Ударную нагрузку прикладывают в точки, указанные на рисунке 13 и определенные следующим образом:
a - любой угол;
b - любое место основания кровати, кажущееся наиболее слабым, или если невозможно определить наиболее уязвимую точку, то удар наносят в угол, диагонально противоположный углу a;
c - середина продольной стороны основания;
d - середина поперечной стороны основания;
e - центр основания кровати или комбинированного основания;
f - если основание кровати или комбинированное основание может быть установлено на различной высоте и если его опорная конструкция неодинакова для различных положений, основание кровати либо комбинированное основание испытывают дополнительно при его установке на максимальной высоте, но наносят удар только в те диагонально противоположные углы, испытания в которых еще не проводили.
В точках a, c, d и f горизонтальное расстояние между внешним краем ударного тела и внешним краем основания кровати или комбинированного основания должно составлять (50 +/- 5) мм.
5.5.3.4 Ударную нагрузку не следует прикладывать в одни и те же точки испытательного матраса при изменении точек приложения ударов.
Испытательный матрас не может быть использован более чем для пяти полных циклов испытаний.
5.5.3.5 После испытаний снимают испытательный матрас и осматривают испытуемый образец с целью обнаружения возможных разрушений элементов основания или ослабления крепления основания кровати или комбинированного основания.
Кровать считают выдержавшей испытание на ударную прочность основания, если во время испытаний и при достижении нормативного количества циклов воздействия ударной нагрузки по ГОСТ 19917 либо по другим нормативным документам и технической документации не появились видимые дефекты (трещины, деформации, ослабление крепежных устройств или иные повреждения).
5.6 Испытание стоек (планок) ограждения на деформируемость под нагрузкой
Испытание проводят только в отношении кроватей с ограждением, раскладных кроватей (если они являются кроватями с ограждениями), кроватей-манежей, кроватей-качалок.
Сущность метода заключается в приложении горизонтальной статической нагрузки между стойками (планками) ограждения (бокового и торцевого) с помощью испытательного конуса и в определении деформации под нагрузкой.
5.6.1 Испытательное оборудование
5.6.1.1 Конус испытательный из полимерного или другого твердого материала с гладкой поверхностью с возможностью установки на устройстве для измерения силы либо совместного применения с данным устройством с углом (30 +/- 1)° и диаметром (120 +/- 1) мм с полусферическим либо остроконусным окончанием (см. рисунок 14) либо конус испытательный массой (3,0 +/- 0,1) кг (см. рисунок 15).
а - с остроконусным окончанием
б - с полусферическим окончанием
Рисунок 14 - Испытательный конус
Примечание - Необходимая масса набирается путем изменения L.
Рисунок 15 - Испытательный конус массой (3,0 +/- 0,1) кг
5.6.1.2 Инструмент измерительный, обеспечивающий измерение линейных размеров с погрешностью +/- 0,1 мм.
5.6.1.3 Упоры, предназначенные предотвращать скольжение и опрокидывание, кровати высотой не выше 12 мм, за исключением тех случаев, когда конструкция кровати подразумевает применение более высоких упоров, - в этих случаях следует использовать наиболее низкий из имеющихся упоров, способный предотвратить скольжение и опрокидывание.
5.6.2 Подготовка к испытанию
5.6.2.1 Кровать устанавливают на ровную, твердую, горизонтальную поверхность, при этом кровать должна быть зафиксирована в неподвижном положении с помощью упоров (5.6.1.3) либо другим способом. Необходимо принять меры против опрокидывания кровати.
5.6.2.2 Если применяют испытательный конус массой 3 кг (см. рисунок 15), то кровать устанавливают в таком положении, чтобы конус мог прикладываться вертикально, создавая испытательную нагрузку собственным весом.
5.6.2.3 Испытания кроватей-качалок следует проводить с заблокированными элементами и механизмами качания.
5.6.2.4 Основание кровати при возможности перемещения устанавливают в наиболее низком положении.
5.6.3 Проведение испытаний
5.6.3.1 Если стойки бокового и торцевого ограждений кровати имеют разную конструкцию, то испытывают стойки как бокового ограждения, так и торцевого.
5.6.3.2 В каждом ограждении (боковом или торцевом) выбирают пять пар стоек ограждения кровати для проведения испытаний. Если ограждение кровати имеет менее пяти пар стоек, то испытывают все пары стоек.
5.6.3.3 Измеряют расстояние a между двумя стойками каждой пары, как указано на рисунке 16.
Рисунок 16 - Испытание стоек на деформируемость
5.6.3.4 Последовательно между двумя стойками ограждения (каждая пара) в точке, соответствующей середине высоты стойки, вставляют конус (см. рисунок 14) с нагрузкой 30+1 Н или применяют конус массой (3,0 +/- 0,1) кг (см. рисунок 15) и измеряют расстояние a1. Время приложения нагрузки - не менее 10 с.
5.6.3.5 Через 30 с после снятия нагрузки измеряют расстояние a2 между стойками испытуемой пары.
5.6.3.6 Деформируемость стоек ограждения под нагрузкой C, мм, вычисляют по формуле
C = a1 - a, (1)
где a1 - расстояние между стойками ограждения под действием нагрузки, мм;
a - первоначальное расстояние между стойками ограждения, мм.
Результат округляют до 1 мм.
5.6.3.7 Остаточную деформацию стоек ограждения Eост, мм, вычисляют по формуле
Eост = a2 - a, (2)
где a2 - расстояние между стойками ограждения через 30 с после снятия нагрузки, мм.
Результат округляют до 0,1 мм.
5.6.3.8 Деформируемость и остаточную деформацию стоек ограждения кровати оценивают по наибольшему значению соответствующего показателя.
Кровать считают выдержавшей испытание на деформируемость стоек ограждения, если деформация под нагрузкой и остаточная деформация не превышают нормативных значений по ГОСТ 19917 либо по другим нормативным документам и технической документации и не появились видимые дефекты (трещины, деформации, ослабление крепежных устройств или иные повреждения).
5.7 Испытание стоек (планок) ограждения на изгиб
Испытание проводят только в отношении кроватей с ограждением, раскладных кроватей (если они являются кроватями с ограждениями), кроватей-манежей, кроватей-качалок.
Сущность метода заключается в проверке прочности стоек ограждения (боковых и торцевых) кроватей на изгиб путем приложения к стойке горизонтальной статической нагрузки.
5.7.1 Испытательное оборудование
5.7.1.1 Устройство испытательное, позволяющее создать горизонтальную статическую нагрузку не более 250 Н с точностью +/- 10 Н.
5.7.1.2 Упоры, предназначенные предотвращать скольжение и опрокидывание, кровати высотой не выше 12 мм, за исключением тех случаев, когда конструкция кровати подразумевает применение более высоких упоров, - в этих случаях следует использовать наиболее низкий из имеющихся упоров, способный предотвратить скольжение и опрокидывание.
5.7.1.3 Элемент нагрузочный (деталь-прокладка) диаметром (100 +/- 2) мм для приложения нагрузки к стойке ограждения. Рабочая (прикладываемая к стойке) сторона должна быть покрыта мягким материалом, например войлоком толщиной не менее 5 мм, исключающим повреждение защитного покрытия стойки.
5.7.2 Подготовка к испытанию
5.7.2.1 Кровать устанавливают на ровную, твердую, горизонтальную поверхность, при этом кровать должна быть зафиксирована в неподвижном положении с помощью упоров (5.7.1.2) либо иным способом. Необходимо принять меры против опрокидывания кровати.
5.7.2.2 Испытания кроватей-качалок следует проводить с заблокированными элементами и механизмами качания.
5.7.2.3 Основание кровати при наличии возможности перемещения устанавливают в наиболее низком положении.
5.7.3 Проведение испытаний
5.7.3.1 Нагрузку 250+10 Н последовательно прикладывают к стойке, находящейся:
- посередине первого бокового ограждения кровати;
- посередине второго бокового ограждения кровати;
- посередине первого торцевого ограждения кровати;
- посередине второго торцевого ограждения кровати,
либо к любой другой стойке любого ограждения, повреждение которой наиболее вероятно.
5.7.3.2 Нагрузку следует прикладывать по горизонтали в центральной части стойки ограждения.
5.7.3.3 Продолжительность воздействия нагрузки - 30+2 с.
5.7.3.4 Допускается проводить нагружение стоек кровати вручную с помощью динамометров сжатия, позволяющих осуществлять измерение нагрузок не более 300 Н с погрешностью +/- 10 Н.
5.7.3.5 Во время и после проведения испытаний регистрируют любое повреждение планок или ограждений.
Кровать считают выдержавшей испытание на изгиб стоек ограждения, если во время или после испытаний не появились видимые дефекты (трещины, деформации, ослабление крепежных устройств или любые иные повреждения).
5.8 Испытание на ударную прочность сплошных ограждений, стоек (планок) ограждений кроватей
Испытание проводят только в отношении кроватей с ограждением, раскладных кроватей (если они являются кроватями с ограждениями), кроватей-манежей, кроватей-качалок.
Испытание применимо только к тем кроватям, высота ограждения которых (от основания кровати до верхней кромки ограждения) составляет не менее чем 400 мм или от верхнего края комбинированного основания до верхней кромки ограждения не менее чем 300 мм.
Сущность метода заключается в приложении ударной нагрузки к сплошным ограждениям (боковым и торцевым) или к стойкам (планкам) ограждений (боковых и торцевых).
5.8.1 Испытательное оборудование
5.8.1.1 Тело ударное для бокового удара, состоящее из маятника с цилиндрической головкой, выполненной из стали (см. рисунок 17). Головка маятника должна быть покрыта слоем резины толщиной (10 +/- 1) мм.
1 - точка вращения; 2 - центр тяжести; 3 - резина
Рисунок 17 - Ударное тело для бокового удара
5.8.1.2 Упоры, предназначенные предотвращать скольжение и опрокидывание, кровати высотой не выше 12 мм, за исключением тех случаев, когда конструкция кровати подразумевает применение более высоких упоров, - в этих случаях следует использовать наиболее низкий из имеющихся упоров, способный предотвратить скольжение и опрокидывание.
5.8.2 Подготовка к испытанию
5.8.2.1 Кровать устанавливают на ровную, твердую, горизонтальную поверхность, при этом кровать должна быть зафиксирована в неподвижном положении с помощью упоров (5.8.1.2) либо иным способом. Необходимо принять меры против опрокидывания кровати.
5.8.2.2 Испытания кроватей-качалок следует проводить с заблокированными элементами и механизмами качания.
5.8.2.3 Основание кровати при наличии возможности перемещения устанавливают в наиболее низком положении.
5.8.3 Проведение испытаний
5.8.3.1 Располагают ударное тело (5.8.1.1) относительно кровати таким образом, чтобы удар воздействовал на сплошное ограждение или на планку ограждения кровати как снаружи, так и изнутри на расстоянии 200 мм от верхней кромки ограждения (см. рисунок 18).
Рисунок 18 - Удары по ограждениям
5.8.3.2 Необходимо обеспечить свободное качание ударника из горизонтальной позиции к сплошному ограждению или к планке ограждения.
5.8.3.3 Испытание стоек (планок) ограждения проводят следующим образом:
- по первой стойке (планке) удар следует наносить снаружи кровати, по следующей - изнутри и так далее;
- удар по стойке (планке) производят 10 раз, затем перемещают ударное устройство для нанесения удара по следующей планке;
- испытание продолжают до тех пор, пока не будут испытаны на ударную прочность все стойки (планки) всех ограждений (боковых и торцевых).
5.8.3.4 Испытание сплошного ограждения проводят следующим образом:
- удары следует наносить в 10 равномерно распределенных точек на длинных (боковых) ограждениях и четыре равномерно распределенные точки на коротких (торцевых) ограждениях;
- удары наносят с переменным изменением направления удара (первая точка приложения удара - с внутренней стороны кровати, следующая точка приложения удара - с внешней стороны кровати);
- удар в каждую точку производят 10 раз, затем перемещают ударное устройство для нанесения удара в следующую точку;
- испытание продолжают до тех пор, пока не будут произведены удары во все точки всех ограждений (боковых и торцевых).
5.8.3.5 Во время и после проведения испытаний регистрируют любое повреждение стоек (планок) ограждений или сплошных ограждений.
Кровать считают выдержавшей испытание на ударную прочность ограждений, если во время и после испытаний под воздействием ударной нагрузки не появились видимые дефекты (трещины, деформации, ослабление крепежных устройств или иные повреждения).
5.9 Испытание на ударную прочность угловых соединений ограждений кровати
Испытание проводят в отношении кроватей с ограждением, раскладных кроватей (если они являются кроватями с ограждениями), кроватей-манежей, кроватей-качалок.
Сущность метода заключается в приложении ударной нагрузки к угловым соединениям ограждений кровати.
5.9.1 Испытательное оборудование
5.9.1.1 Тело ударное для бокового удара (5.8.1.1) (см. рисунок 17).
5.9.1.2 Упоры, предназначенные предотвращать скольжение и опрокидывание, кровати высотой не выше 12 мм, за исключением тех случаев, когда конструкция кровати подразумевает применение более высоких упоров, - в этих случаях следует использовать наиболее низкий из имеющихся упоров, способный предотвратить скольжение и опрокидывание.
5.9.2 Подготовка к испытанию
5.9.2.1 Кровать устанавливают на ровную, твердую, горизонтальную поверхность, при этом кровать должна быть зафиксирована в неподвижном положении с помощью упоров (5.9.1.2) либо иным способом. Необходимо принять меры против опрокидывания кровати.
5.9.2.2 Испытания кроватей-качалок следует проводить с заблокированными элементами и механизмами качания.
5.9.3 Проведение испытаний
5.9.3.1 Располагают ударное тело (5.8.1.1) для нанесения удара по верхней части ограждения как можно выше и ближе к угловому соединению (см. рисунок 19).
Рисунок 19 - Удары на угловые соединения
5.9.3.2 Необходимо обеспечить свободное качание ударного тела с углом оттяжки 60° от вертикального положения.
5.9.3.3 Удары осуществляют со стороны каждого ограждения кровати в каждое угловое соединение.
5.9.3.4 В каждое угловое соединение наносят по пять ударов как изнутри, так и снаружи кровати.
5.9.3.5 Испытание продолжают до тех пор, пока не будут произведены удары во все угловые соединения всех ограждений кровати (боковых и торцевых).
5.9.3.6 Во время и после проведения испытаний регистрируют любое повреждение угловых соединений ограждений кровати.
Кровать считают выдержавшей испытание на ударную прочность угловых соединений ограждений кровати, если во время и после испытаний под воздействием ударной нагрузки не появились видимые дефекты (трещины, деформации, ослабление крепежных устройств или иные повреждения).
5.10 Испытание на прочность сетчатых и других гибких ограждений кровати
Испытание проводят только в отношении кроватей, имеющих сетчатое или другое гибкое ограждение по всему периметру, например кроватей-манежей.
Сущность метода заключается в приложении горизонтальной статической нагрузки к сетчатым или гибким ограждениям (боковым и торцевым) кровати.
5.10.1 Испытательное оборудование
5.10.1.1 Устройство испытательное, позволяющее создать горизонтальную статическую нагрузку 250 Н с точностью +/- 10 Н.
5.10.1.2 Упоры, предназначенные предотвращать скольжение и опрокидывание кровати, высотой не выше 12 мм, за исключением тех случаев, когда конструкция кровати подразумевает применение более высоких упоров, - в этих случаях следует использовать наиболее низкий из имеющихся упоров, способный предотвратить скольжение и опрокидывание.
5.10.1.3 Элемент нагрузочный (деталь-прокладка) из твердого материала для приложения нагрузки к сетчатому или гибкому ограждению, представляющее собой цилиндр диаметром 100 мм с твердой, гладкой поверхностью и закругленными краями радиусом 12 мм (см. рисунок 20).
Рисунок 20 - Нагрузочный элемент
5.10.1.4 Блоки ограничительные либо другие ограничивающие устройства шириной 50 мм, изготовленные из древесины твердых пород (лиственница, ясень, бук, дуб), из полимерного или другого твердого материала, таких как сталь, латунь, бронза, медь, текстолит.
5.10.2 Подготовка к испытанию
5.10.2.1 Кровать устанавливают на ровную, твердую, горизонтальную поверхность, при этом кровать должна быть зафиксирована в неподвижном положении с помощью упоров (5.10.1.2) либо иным способом.
5.10.2.2 Элементы и механизмы качания должны быть заблокированы.
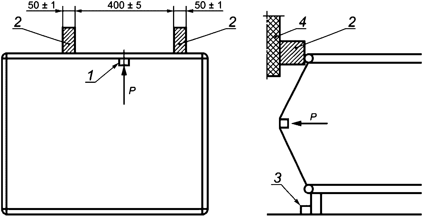
5.10.2.3 Верхнюю кромку испытуемого ограждения кровати упирают в установленные на неподвижной или жесткой конструкции ограничительные блоки (см. рисунок 21). Расстояние между блоками должно составлять (400 +/- 5) мм.
1 - нагрузочный элемент; 2 - ограничительный блок;
3 - упор; 4 - неподвижная конструкция;
P - горизонтальная нагрузка, равная 250 Н
Рисунок 21 - Пример приложения усилия
к сетчатым или гибким ограждениям
5.10.2.4 Основание кровати при наличии возможности перемещения устанавливают в наиболее низком положении.
5.10.3 Проведение испытаний
5.10.3.1 Нагрузку плавно прикладывают к каждому сетчатому либо гибкому ограждению при помощи нагрузочного элемента (5.10.1.3).
Допускается производить нагружение сетчатых либо гибких ограждений вручную с помощью динамометров сжатия, позволяющих проводить измерение нагрузок не более 300 Н с погрешностью +/- 10 Н.
5.10.3.2 Точка приложения нагрузки находится посередине высоты ограждения либо в самой потенциальной слабой точке на средней вертикальной линии между ограничительными блоками (5.10.1.4) (см. рисунок 21).
5.10.3.3 Испытательная нагрузка - 250+10 Н.
5.10.3.4 Продолжительность воздействия нагрузки - (30 +/- 2) с.
5.10.3.5 Нагрузку прикладывают изнутри кровати наружу, в горизонтальной плоскости, трижды в каждой выбранной точке (см. рисунок 21).
5.10.3.6 Во время и после проведения испытаний регистрируют любое повреждение сетчатых или гибких ограждений, в т.ч. наличие разорванных или ослабленных швов.
Кровать считают выдержавшей испытание на прочность сетчатых либо гибких оснований, если во время и после проведения испытаний не обнаружено любых повреждений сетчатых или гибких ограждений, в т.ч. наличие разорванных или ослабленных швов.
5.11 Испытание на прочность каркаса кроватей с ограждением
Испытание проводят в отношении кроватей с ограждением, раскладных кроватей (если они являются кроватями с ограждениями), кроватей-манежей, кроватей-качалок.
Сущность метода заключается в приложении вертикальной статической нагрузки к верхним кромкам ограждений (боковых и торцевых) кровати.
5.11.1 Испытательное оборудование
5.11.1.1 Устройство испытательное, позволяющее создавать вертикальную статическую нагрузку 300 Н с точностью +/- 10 Н.
5.11.1.2 Элемент нагрузочный (деталь-прокладка) из твердого материала диаметром (100 +/- 2) мм для приложения нагрузки к верхней кромке ограждения. Рабочая (прикладываемая) сторона должна быть покрыта мягким материалом, например войлоком толщиной 5 мм, исключающим повреждение защитного покрытия кровати.
5.11.2 Подготовка к испытанию
5.11.2.1 Кровать устанавливают на ровную, твердую, горизонтальную поверхность.
5.11.2.2 Элементы и механизмы качания должны быть заблокированы.
5.11.3 Проведение испытаний
5.11.3.1 Нагрузку прикладывают вертикально вниз к верхней кромке одного из боковых и торцевых ограждений либо ко всем ограждениям, если они имеют разную конструкцию.
5.11.3.2 Нагрузку P прикладывают в точке на расстоянии L 1/4 от длины ограждения (см. рисунок 22).
Рисунок 22 - Схема приложения нагрузки
5.11.3.3 Испытательная нагрузка - 300+10 Н.
5.11.3.4 Продолжительность воздействия нагрузки - не менее 10 с.
5.11.3.5 В каждой точке нагрузку прикладывают 10 раз.
5.11.3.6 Во время и после проведения испытаний регистрируют трещины, деформации или иные повреждения.
Кровать считают выдержавшей испытание на прочность каркаса, если во время испытаний и при достижении полного количества циклов испытательных нагрузок не появились видимые дефекты (трещины, деформации, ослабление крепежных устройств или иные повреждения).
5.12 Испытание на долговечность кроватей с ограждением
Испытание проводят только в отношении кроватей с ограждением, раскладных кроватей (если они являются кроватями с ограждениями), кроватей-манежей, кроватей-качалок.
Испытания кроватей-качалок, не имеющих устройств блокировки механизмов качания, по данному показателю не проводят.
Сущность метода заключается в приложении циклической горизонтальной нагрузки к каркасу кровати в четырех направлениях.
5.12.1 Испытательное оборудование
5.12.1.1 Устройство испытательное, позволяющее создавать циклическую горизонтальную нагрузку 100 Н с точностью +/- 10 Н. Время увеличения нагрузки от 0 до 100 Н и при ее уменьшении в обратную сторону от 100 до 0 Н должно быть в диапазоне от 1 до 5 с. Частота циклов нагружения в одной точке - от 14 до 20 циклов в 1 мин (от 14 до 20 мин-1).
5.12.1.2 Элемент нагрузочный (деталь-прокладка) из твердого материала (полимерный или другой твердый материал, такой как сталь, текстолит) диаметром (100 +/- 2) мм для приложения нагрузки. Рабочая (прикладываемая) сторона должна быть покрыта мягким материалом, например войлоком толщиной 5 мм, исключающим повреждение защитного покрытия кровати.
5.12.1.3 Груз балластный массой (20,0 +/- 0,2) кг, масса которого должна быть равномерно распределена на участке площадью (150 +/- 10) x (150 +/- 10) мм или диаметром (200 +/- 10) мм. Балластный груз может быть составным.
5.12.1.4 Упоры, предназначенные предотвращать скольжение и опрокидывание кровати высотой не выше 12 мм, за исключением тех случаев, когда конструкция кровати подразумевает применение более высоких упоров, - в этих случаях следует использовать наиболее низкий из имеющихся упоров, способный предотвратить скольжение и опрокидывание.
5.12.1.5 Инструмент измерительный, обеспечивающий измерение линейных размеров с погрешностью +/- 0,1 мм.
5.12.2 Подготовка к испытанию
5.12.2.1 Кровать устанавливают на ровную, твердую, горизонтальную поверхность, при этом кровать должна быть зафиксирована в неподвижном положении с помощью упоров (5.12.1.4) либо иным способом.
5.12.2.2 Элементы и механизмы качания должны быть заблокированы.
5.12.2.3 Основание кровати при наличии возможности перемещения устанавливают в наиболее низком положении.
5.12.3 Проведение испытаний
5.12.3.1 В геометрический центр основания кровати размещают балластный груз (5.12.1.3).
5.12.3.2 Нагрузку прикладывают горизонтально поочередно в четырех направлениях в соответствии с рисунком 23 до нормативного количества испытательных циклов по ГОСТ 19917 либо по другим нормативным документам и технической документации.
Рисунок 23 - Схема приложения испытательных нагрузок
к каркасу кровати с ограждением
В течение одного испытательного цикла две нагрузки прикладывают в противоположных продольных направлениях A - B, две - в противоположных поперечных направлениях C - D в следующем порядке: A, B, C, D.
Допускается приложение нагрузок разбить на два этапа:
- 1-й этап - приложения нагрузки в направлениях A - B до нормативного количества испытательных циклов;
- 2-й этап - приложения нагрузки в направлениях C - D до нормативного количества испытательных циклов.
5.12.3.3 Испытательная нагрузка - 100+10 Н.
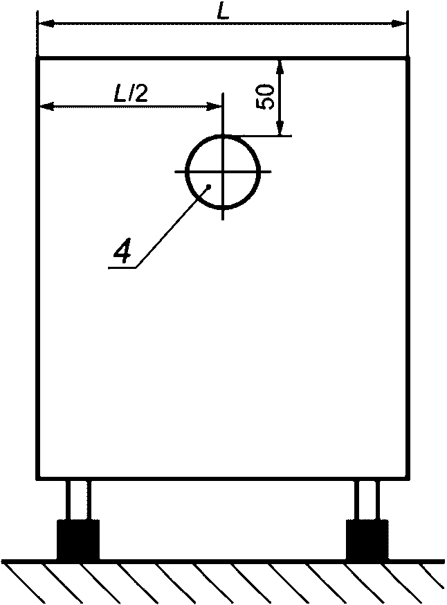
5.12.3.4 Точки приложения нагрузок (A, B, C, D) должны быть расположены на расстоянии 50 мм от точки пересечения средних линий боковых элементов в самой верхней точке для этой позиции (см. рисунок 24).
Рисунок 24 - Схема расположения точек приложения
испытательных нагрузок к каркасу кровати с ограждением
5.12.3.5 После достижения нормативного количества циклов приложения нагрузок по ГОСТ 19917 либо по другим нормативным документам и технической документации измеряют величину деформации E в каждой точке приложения нагрузки (A, B, C, D) под действием испытательной нагрузки 100+10 Н (см. рисунок 25).
E - деформация каркаса кровати под нагрузкой;
P - горизонтальная нагрузка, равная 100 Н
Рисунок 25 - Схема измерения деформации каркаса кровати
Измерение деформации допускается проводить как под воздействием циклической нагрузки, так и статической.
При измерении деформации у кроватей-качалок с заблокированными механизмами качания должен быть учтен свободный ход каркаса кровати при введенном в работу устройстве блокировки, при наличии свободного хода.
5.12.3.6 Долговечность оценивают наибольшей величиной деформации кровати после достижения нормативного числа циклов нагружения по ГОСТ 19917 либо по другим нормативным документам и технической документации.
Кровать считают выдержавшей испытание на долговечность, если при достижении нормативного количества циклов нагружения деформация не превышает нормативную величину по ГОСТ 19917 либо по другим нормативным документам и технической документации и отсутствуют видимые дефекты (трещины, деформации, ослабление крепежных устройств или иные повреждения).
Если во время испытания до достижения нормативного числа циклов нагружения по ГОСТ 19917 либо по другим нормативным документам и технической документации регистрируют видимые дефекты (трещины, деформации, ослабление крепежных устройств или иные повреждения), испытания прекращают и кровать считают не выдержавшей испытание.
5.13 Испытание на долговечность кроватей без ограждения
Испытание проводят только в отношении кроватей без ограждения, со спинкой(ами) высотой не менее 50 мм относительно наименьшей продольной царги.
Сущность метода испытания заключается в приложении горизонтальных циклических нагрузок к спинке кровати и последующего измерения деформации под нагрузкой.
5.13.1 Испытательное оборудование
5.13.1.1 Устройство испытательное, позволяющее создавать циклическую горизонтальную нагрузку 200 Н с точностью +/- 10 Н. Время увеличения нагрузки от 0 до 100 Н и при ее уменьшении в обратную сторону от 100 до 0 Н должно быть в диапазоне от 1 до 5 с. Частота циклов нагружения в одной точке - от 14 до 30 циклов в 1 мин (от 14 до 30 мин-1).
5.13.1.2 Элемент нагрузочный (деталь-прокладка) диаметром (100 +/- 2) мм из твердого материала (полимерный или другой твердый материал, такой как сталь, текстолит) для приложения нагрузки. Рабочая (прикладываемая) сторона должна быть покрыта мягким материалом, например войлоком толщиной 5 мм, исключающим повреждение защитного покрытия кровати.
5.13.1.3 Устройства для закрепления (фиксации) ножек кровати и опорной спинки в неподвижном состоянии, предназначенные предотвращать скольжение кровати.
5.13.1.4 Опоры подвижные либо скользящие, позволяющие разместить на них ножки либо опорные спинки кровати, предназначенные для свободного перемещения кровати.
5.13.1.5 Инструмент измерительный, обеспечивающий измерение линейных размеров с погрешностью +/- 0,1 мм.
5.13.1.6 Груз балластный массой (20,0 +/- 0,2) кг, масса должна быть равномерно распределена на участке площадью (150 +/- 10) x (150 +/- 10) мм или диаметром (200 +/- 10) мм. Балластный груз может быть составным.
5.13.2 Подготовка к испытанию
5.13.2.1 Кровать помещают на ровную, твердую, горизонтальную поверхность. Одну пару ножек или опорную спинку кровати устанавливают на подвижные опоры (5.13.1.4), а вторую пару ножек или опорную спинку закрепляют неподвижно с помощью необходимых устройств (5.13.1.3).
5.13.2.2 Испытания раздвижных кроватей проводят в раздвинутом положении, т.е. когда кровать имеет максимальные геометрические размеры.
5.13.3 Проведение испытаний
5.13.3.1 В центр геометрического основания кровати укладывают балластный груз (5.13.1.6).
5.13.3.2 Нагрузку 200+10 Н прикладывают горизонтально к одной из спинок кровати до нормативного количества циклов по ГОСТ 19917 либо по другим нормативным документам и технической документации или до появления величины деформации E, превышающей нормативную величину, установленную в ГОСТ 19917 либо в других нормативных документах и технической документации (см. рисунок 26а).
Линия действия нагрузки должна проходить вдоль продольной оси симметрии кровати (см. рисунок 26в).
Высота приложения нагрузки - 50 мм от верхнего края спинки кровати (см. рисунок 26г).
а
б
Вид сверху
в
г
1 - балластный груз массой 20 кг; 2 - продольная ось
симметрии; 3 - линия действия нагрузки; 4 - приложение
нагрузки; P - горизонтальная нагрузка, равная 200 Н;
L - ширина спинки (изголовье, изножье) кровати
Рисунок 26
5.13.3.3 Меняя положение кровати, вторую пару ножек или опорную спинку устанавливают на подвижные опоры, а первую пару ножек или опорную спинку закрепляют неподвижно (см. рисунок 26б) и проводят испытание в соответствии с 5.13.3.2.
5.13.3.4 Долговечность оценивают наибольшей величиной деформации кровати под нагрузкой E после достижения нормативного количества циклов нагружения по ГОСТ 19917 либо по другим нормативным документам и технической документации.
Измерение деформации допускается проводить как под воздействием циклической нагрузки, так и статической.
Кровать считают выдержавшей испытание на долговечность, если при достижении нормативного количества циклов нагружения деформация под нагрузкой не превышает нормативную величину, установленную по ГОСТ 19917 либо по другим нормативным документам и технической документации.
Если во время испытания до достижения нормативного числа циклов нагружения по ГОСТ 19917 либо по другим нормативным документам и технической документации регистрируют видимые дефекты (трещины, деформации, ослабление крепежных устройств или иные повреждения), испытания прекращают и кровать считают не выдержавшей испытание.
5.14 Испытание царг кроватей без ограждения на долговечность
Испытание проводят только в отношении кроватей без ограждения.
Сущность метода заключается в приложении циклической вертикальной нагрузки к царгам кровати.
5.14.1 Испытательное оборудование
5.14.1.1 Устройство испытательное, позволяющее создавать циклическую горизонтальную нагрузку 500 Н с точностью +/- 10 Н. Время увеличения нагрузки от 0 до 500 Н и при ее уменьшении в обратную сторону от 500 до 0 Н должно быть в диапазоне от 1 до 5 с. Частота циклов нагружения в одной точке - от 20 до 25 циклов в 1 мин (от 20 до 25 мин-1).
5.14.1.2 Элемент нагрузочный (деталь-прокладка) диаметром (100 +/- 2) мм из твердого материала (полимерный или другой твердый материал, такой как сталь, текстолит) для приложения нагрузки. Рабочая (прикладываемая) сторона должна быть покрыта мягким материалом, например войлоком толщиной 5 мм, исключающим повреждение защитного покрытия кровати.
5.14.2 Подготовка к испытанию
5.14.2.1 Кровать устанавливают на ровную, твердую, горизонтальную поверхность.
5.14.2.2 Испытания раздвижных кроватей проводят в раздвинутом положении, т.е. когда кровать имеет максимальные геометрические размеры.
5.14.3 Проведение испытаний
5.14.3.1 Нагрузку 500+10 Н прикладывают вертикально к одной из царг кровати таким образом, чтобы геометрический центр опорной поверхности детали, передающей нагрузку (5.14.1.2), находился на середине длины царги (см. рисунок 27).
P - вертикальная нагрузка, равная 500 Н;
L - длина царги кровати
Рисунок 27
5.14.3.2 Нагрузку прикладывают до нормативного количества циклов по ГОСТ 19917 либо по другим нормативным документам и технической документации или до появления видимых дефектов (изломы, трещины, смятие, разрушение соединений и т.п.).
5.14.3.3 Кровать считают выдержавшей испытания царг на долговечность, если во время и после достижения нормативного количества циклов нагружения по ГОСТ 19917 либо по другим нормативным документам и технической документации не появились видимые дефекты (изломы, трещины, смятие, разрушение соединений и т.п.).
5.15 Испытание механизмов блокировки раскладных кроватей
Испытание проводят в отношении раскладных кроватей, имеющих механизмы блокировки.
Сущность метода заключается в проверке долговечности механизма блокировки и прочности механизмов блокировки путем приложения нагрузок к каркасу кровати после проведения испытания на долговечность.
5.15.1 Испытательное оборудование
5.15.1.1 Устройство испытательное, позволяющее создавать статическую горизонтальную или вертикальную нагрузку 200 Н с точностью +/- 10 Н.
5.15.1.2 Элемент нагрузочный (деталь-прокладка) диаметром (100 +/- 2) мм из твердого материала (полимерный или другой твердый материал, такой как сталь, текстолит) для приложения нагрузки. Рабочая (прикладываемая) сторона должна быть покрыта мягким материалом, например войлоком толщиной 5 мм, исключающим повреждение защитного покрытия кровати.
5.15.1.3 Упоры, предназначенные предотвращать скольжение кровати, высотой не выше 12 мм, за исключением тех случаев, когда конструкция кровати подразумевает применение более высоких упоров, - в этих случаях следует использовать наиболее низкий из имеющихся упоров, способный предотвратить скольжение.
5.15.2 Подготовка к испытанию
5.15.2.1 Кровать раскладывают в рабочее положение и устанавливают на ровную, твердую, горизонтальную поверхность.
5.15.2.2 Для проведения испытаний на прочность механизмов блокировки все ножки кровати фиксируют упорами (5.15.1.3). Применение данных упоров не должно препятствовать складыванию кровати.
5.15.3 Проведение испытаний
5.15.3.1 Блокирующий механизм испытывают на долговечность путем привода его в действие (закрывают и открывают) 300 раз.
Испытание проводят вручную либо с применением автоматических устройств. Частота циклов закрывания/открывания механизма блокировки - не более пяти циклов в мин (5 мин-1). Один испытательный цикл - одно закрывание, одно открывание.
5.15.3.2 После испытаний по 5.15.3.1 нагрузку 200+10 Н прикладывают к каркасу в наиболее потенциально неблагоприятных(ом) направлениях(ии), стремясь сложить кровать.
5.15.3.3 Допускается проводить нагружение каркаса кровати вручную с помощью динамометров сжатия или растяжения, позволяющих проводить измерение нагрузок не более 300 Н с погрешностью +/- 10 Н.
5.15.3.4 В каждом выбранном направлении нагрузку прикладывают пять раз. Время приложения нагрузки - 2 мин +/- 5 с.
5.15.3.5 Если в комплект кровати включены механизмы блокировки разной конструкции, то испытаниям подлежат механизмы блокировки каждой конструкции.
5.15.3.6 Механизмы блокировки раскладной кровати считают выдержавшими испытания, если во время:
- проведения испытаний на долговечность отсутствуют деформации и повреждения, работоспособность механизма не потеряна;
- приложения нагрузки в любом из выбранных направлений не происходит складывания кровати.
5.16 Испытание блокирующих устройств опор качения и механизмов качания
Испытание проводят в отношении кроватей с ограждением, имеющих опоры качения с устройствами блокировки, и кроватей-качалок с механизмами качания с устройствами блокировки.
Сущность метода заключается в проверке долговечности и сохранении работоспособности блокирующих устройств путем визуальной оценки их состояния после многократного количества циклов закрытия/открытия и проведения прочностных испытаний.
5.16.1 Испытательное оборудование
5.16.1.1 Устройство испытательное, позволяющее создавать статическую горизонтальную или вертикальную нагрузку 200 Н с точностью +/- 10 Н.
5.16.1.2 Элемент нагрузочный (деталь-прокладка) диаметром (100 +/- 2) мм из твердого материала (полимерный или другой твердый материал, такой как сталь, текстолит) для приложения нагрузки. Рабочая (прикладываемая) сторона должна быть покрыта мягким материалом, например войлоком толщиной 5 мм, исключающим повреждение защитного покрытия кровати.
5.16.1.3 Упоры, предназначенные предотвращать скольжение и опрокидывание кровати, высотой не выше 12 мм, за исключением тех случаев, когда конструкция кровати подразумевает применение более высоких упоров, - в этих случаях следует использовать наиболее низкий из имеющихся упоров, способный предотвратить скольжение и опрокидывание.
5.16.2 Подготовка к испытанию
5.16.2.1 Кровать устанавливают на ровную, твердую, горизонтальную поверхность.
5.16.2.2 Для проведения испытаний блокирующих устройств механизмов качания все ножки кровати фиксируют упорами (5.16.1.3). Применение данных упоров не должно препятствовать раскачиванию кровати.
5.16.3 Проведение испытаний
5.16.3.1 Блокирующее устройство каждой опоры качения испытывают на долговечность путем его приведения в действие (закрывают и открывают) 300 раз.
Частота циклов закрывания/открывания блокирующего устройства - не более 5 циклов в 1 мин (5 мин-1). Один испытательный цикл - одно закрывание, одно открывание.
5.16.3.2 Блокирующие устройства механизмов качания испытывают на долговечность путем их приведения в действие (закрывают и открывают) 300 раз.
Частота циклов закрывания/открывания блокирующего устройства - не более 5 циклов в мин (5 мин-1). Один испытательный цикл - одно закрывание, одно открывание.
5.16.3.3 После испытаний по 5.16.3.1 опоры качения блокируют с помощью соответствующих блокирующих устройств.
5.16.3.4 Кровать, установленную на ровную поверхность и с заблокированными опорами качения, рукой пытаются передвинуть и проверяют отсутствие вращения опор качения.
Метод оценки - визуальный, без применения специальных инструментов.
5.16.3.5 После проведения испытаний по 5.16.3.2 нагрузку P 200+10 Н прикладывают к каркасу в любом из направлений качания, стремясь раскачать кровать, и проверяют отсутствие качания кровати. Точка приложения нагрузки P - середина верхней планки ограждения (см. рисунки 28а, 28б). В случае сплошного ограждения высота точки приложения нагрузки P - 50 мм от верхнего края ограждения кровати (см. рисунок 28в).
Вид сверху
а
Вид сбоку
б
Вид сбоку
в
Рисунок 28
Метод оценки - визуальный, без применения специальных инструментов.
Допускается производить нагружение каркаса кровати вручную с помощью динамометров сжатия или растяжения, позволяющих проводить измерение нагрузок не более 200 Н с погрешностью +/- 10 Н.
Нагрузка прикладывается пять раз. Время приложения нагрузки - 2 мин +/- 5 с.
5.16.3.6 Блокирующие устройства опор качения и механизмов качания считают выдержавшими испытания, если во время проведения испытаний:
- на долговечность по 5.16.3.1, 5.16.3.2 отсутствуют деформации и повреждения, работоспособность не потеряна;
- по 5.16.3.4 отсутствует вращение опор качения;
- по 5.16.3.5 отсутствует качание кровати.
5.17 Испытание блокирующих устройств перемещаемого по высоте бокового ограждения кровати
Испытание проводят в отношении кроватей с ограждением, имеющих перемещаемое по высоте боковое ограждение.
Сущность метода заключается в проверке долговечности и сохранении работоспособности блокирующих устройств перемещаемого по высоте бокового ограждения кровати путем визуальной оценки их состояния после многократного количества циклов закрытия/открытия и прочностных испытаний.
5.17.1 Испытательное оборудование
5.17.1.1 Устройство испытательное, позволяющее создавать статическую горизонтальную или вертикальную нагрузку 200 Н с точностью +/- 10 Н.
5.17.1.2 Элемент нагрузочный (деталь-прокладка) диаметром (100 +/- 2) мм из твердого материала (полимерный или другой твердый материал, такой как сталь, текстолит) для приложения нагрузки. Рабочая (прикладываемая) сторона должна быть покрыта мягким материалом, например войлоком толщиной 5 мм, исключающим повреждение защитного покрытия кровати.
5.17.2 Подготовка к испытанию
Кровать устанавливают на ровную, твердую, горизонтальную поверхность.
5.17.3 Проведение испытаний
5.17.3.1 Блокирующее устройство перемещаемого основания испытывают на долговечность путем его приведения в действие (закрывают и открывают) 300 раз.
Частота циклов закрывания/открывания блокирующего устройства - не более 5 циклов в 1 мин (5 мин-1). Один испытательный цикл - одно закрывание, одно открывание.
5.17.3.2 После испытаний по 5.17.3.1 нагрузку P 200+10 Н прикладывают к верхней части перемещаемого бокового ограждения в направлении движения перемещения в зависимости от конструкции кровати, стремясь его сдвинуть (см. рисунок 29а) или откинуть (см. рисунок 29б), и проверяют отсутствие движения перемещения ограждения. Точка приложения нагрузки P - середина верхней планки ограждения кровати.
Вид сбоку
а
Вид сверху
б
Рисунок 29
Метод оценки - визуальный, без применения специальных инструментов.
Допускается проводить нагружение каркаса кровати вручную с помощью динамометров сжатия или растяжения, позволяющих проводить измерение нагрузок не более 300 Н с погрешностью +/- 10 Н.
Нагрузку прикладывают 5 раз. Время приложения нагрузки - 2 мин +/- 5 с.
5.17.3.3 Блокирующие устройства перемещаемого по высоте ограждения считают выдержавшими испытания, если во время проведения испытаний:
- на долговечность по 5.17.3.1 отсутствуют деформации и повреждения, работоспособность не потеряна;
- по 5.17.3.2 отсутствует перемещение бокового ограждения кровати.
5.18 Испытание опор качения на долговечность
Испытание проводят в отношении кроватей с ограждением, имеющих опоры качения.
Сущность метода заключается в проверке долговечности опор качения кровати путем визуальной оценки состояния опор качения после многократного прокатывания кровати по ровной поверхности.
5.18.1 Испытательное оборудование
5.18.1.1 Устройство, обеспечивающее возвратно-поступательное перемещение стола на длину хода (250 +/- 25) мм с частотой циклов перемещений (10 +/- 1) мин-1.
5.18.1.2 Груз балластный массой (20,0 +/- 0,2) кг. Площадь балластного груза должна быть не менее 250 см2. Балластный груз может быть составным.
5.18.2 Подготовка к испытанию
5.18.2.1 Кровать устанавливают в испытательном устройстве таким образом, чтобы обеспечить возможность циклического прокатывания на длину хода L, равную (250 +/- 25) мм (см. рисунок 30).
Рисунок 30
Опоры качения ориентируют по ходу движения.
5.18.2.2 В центр основания кровати укладывают балластный груз (5.18.1.2).
5.18.2.3 Тягу испытательного устройства прикрепляют к кровати таким образом, чтобы линия действия силы проходила вдоль продольной оси симметрии кровати.
5.18.3 Проведение испытаний
5.18.3.1 Кровать прокатывают до нормативного количества циклов по нормативным документам и технической документации, после чего ее осматривают и фиксируют наличие разрушений в местах крепления опор качения и непосредственно в опорах качения.
5.18.3.2 Кровати считают выдержавшими испытание на долговечность опор качения, если в процессе испытаний не наблюдалось заеданий и рывков, а после испытаний не обнаружено дефектов: изломов, смятия и т.п. в местах крепления опор и непосредственно в опорах.
6 Обработка результатов испытаний
6.1 Кровати считают выдержавшими испытания по настоящему стандарту, если полученные при испытаниях результаты соответствуют требованиям по оценке результатов, указанным в каждом методе испытаний раздела 5.
6.2 Результаты сертификационных испытаний оформляют протоколом в соответствии с приложением А.
Приложение А
(рекомендуемое)
ПРОТОКОЛ ИСПЫТАНИЙ
Наименование и адрес испытательной лаборатории (центра),
данные об аккредитации
УТВЕРЖДАЮ
(должность руководителя ИЦ (ИЛ),
___________________________________
личная подпись и ее расшифровка)
___________________________________
(дата утверждения)
М.П.
ПРОТОКОЛ ИСПЫТАНИЙ N
1. Наименование и обозначение кровати.
2. Заявитель, фактический и юридический адрес.
3. Изготовитель, фактический и юридический адрес.
4. Основание для проведения испытаний.
5. Обозначение нормативных документов на требования безопасности продукции.
6. Обозначение нормативных документов на методы испытаний.
7. Определяемые показатели.
8. Перечень испытательного оборудования, сведения о его аттестации (поверке).
9. Краткая характеристика объекта испытаний.
10. Параметры окружающей среды (температура и относительная влажность воздуха) при проведении испытаний.
11. Результаты испытаний.
12. Заключение (при необходимости).
Личные подписи испытателей
Расшифровка подписей
БИБЛИОГРАФИЯ
[1]
Технический регламент Таможенного союза ТР ТС 025/2012
О безопасности мебельной продукции
УДК 645.42:006.354
МКС 97.140
NEQ
Ключевые слова: кровати детские, методы испытаний, устойчивость, прочность, долговечность, блокирующие механизмы