Главная // Актуальные документы // ГОСТ (Государственный стандарт)СПРАВКА
Источник публикации
М.: ФГБУ "Институт стандартизации", 2024
Примечание к документу
Документ утрачивает силу с 01.12.2025 в связи с изданием
Приказа Росстандарта от 18.06.2024 N 830-ст. Взамен вводится в действие
ГОСТ ISO 14119-2023.
Документ включен в
Перечень международных и региональных (межгосударственных) стандартов, а в случае их отсутствия - национальных (государственных) стандартов, в результате применения которых на добровольной основе обеспечивается соблюдение требований технического
регламента Таможенного союза "О безопасности машин и оборудования" (ТР ТС 010/2011) (
Решение Коллегии Евразийской экономической комиссии от 09.03.2021 N 28).
Документ был включен в
Перечень стандартов, в результате применения которых на добровольной основе обеспечивается соблюдение требований технического
регламента Таможенного союза "О безопасности машин и оборудования" (ТР ТС 010/2011) (
Решение Комиссии Таможенного союза от 18.10.2011 N 823).
Документ
вводится в действие с 01.12.2025.
Название документа
"ГОСТ ЕН 1088-2002. Межгосударственный стандарт. Безопасность машин. Блокировочные устройства, связанные с защитными устройствами. Принципы конструирования и выбора"
(введен в действие Приказом Росстандарта от 26.01.2024 N 120-ст)
"ГОСТ ЕН 1088-2002. Межгосударственный стандарт. Безопасность машин. Блокировочные устройства, связанные с защитными устройствами. Принципы конструирования и выбора"
(введен в действие Приказом Росстандарта от 26.01.2024 N 120-ст)
Приказом Федерального агентства
по техническому регулированию
и метрологии
от 26 января 2024 г. N 120-ст
МЕЖГОСУДАРСТВЕННЫЙ СТАНДАРТ
БЕЗОПАСНОСТЬ МАШИН
БЛОКИРОВОЧНЫЕ УСТРОЙСТВА,
СВЯЗАННЫЕ С ЗАЩИТНЫМИ УСТРОЙСТВАМИ
ПРИНЦИПЫ КОНСТРУИРОВАНИЯ И ВЫБОРА
Safety of machinery. Interlocking devices associated
with guards. Principles for design and selection
(EN 1088:1995, IDT)
ГОСТ ЕН 1088-2002
Дата введения
1 декабря 2025 года
Цели, основные принципы и общие правила проведения работ по межгосударственной стандартизации установлены
ГОСТ 1.0 "Межгосударственная система стандартизации. Основные положения" и
ГОСТ 1.2 "Межгосударственная система стандартизации. Стандарты межгосударственные, правила и рекомендации по межгосударственной стандартизации. Правила разработки, принятия, обновления и отмены"
1 ПОДГОТОВЛЕН Открытым акционерным обществом "Экспериментальный научно-исследовательский институт металлорежущих станков" (ОАО "ЭНИМС") и научно-производственным республиканским унитарным предприятием "Белорусский государственный институт стандартизации и сертификации (БелГИСС)" на основе собственного перевода на русский язык англоязычной версии стандарта, указанного в
пункте 5
2 ВНЕСЕН Госстандартом России
3 ПРИНЯТ Межгосударственным советом по стандартизации, метрологии и сертификации (протокол от 6 ноября 2002 г. N 22)
За принятие проголосовали:
Краткое наименование страны по МК (ИСО 3166) 004-97 | Код страны по МК (ИСО 3166) 004-97 | Сокращенное наименование национального органа по стандартизации |
Азербайджан | AZ | Азстандарт |
Армения | AM | ЗАО "Национальный орган по стандартизации и метрологии" Республики Армения |
Беларусь | BY | Госстандарт Республики Беларусь |
Казахстан | KZ | Госстандарт Республики Казахстан |
Киргизия | KG | Кыргызстандарт |
Молдова | MD | Молдова-стандарт |
Россия | RU | Росстандарт |
Таджикистан | TJ | Таджикстандарт |
Туркмения | TM | Главгосслужба "Туркменстандартлары" |
Украина | UA | Минэкономразвития Украины |
4 Приказом Федерального агентства по техническому регулированию и метрологии от 26 января 2024 г. N 120-ст межгосударственный стандарт ГОСТ ЕН 1088-2002 введен в действие в качестве национального стандарта Российской Федерации с 1 декабря 2025 г.
5 Настоящий стандарт идентичен европейскому стандарту EN 1088:1995 "Безопасность машин. Блокировочные устройства, связанные с защитными устройствами. Принципы конструирования и выбора" ("Safety of machinery - Interlocking devices associated with guards - Principles for design and selection", IDT).
При применении настоящего стандарта рекомендуется использовать вместо ссылочных европейских стандартов соответствующие им межгосударственные стандарты, сведения о которых приведены в дополнительном
приложении ДА
6 ВВЕДЕН ВПЕРВЫЕ
Информация о введении в действие (прекращении действия) настоящего стандарта и изменений к нему на территории указанных выше государств публикуется в указателях национальных стандартов, издаваемых в этих государствах, а также в сети Интернет на сайтах соответствующих национальных органов по стандартизации.
В случае пересмотра, изменения или отмены настоящего стандарта соответствующая информация будет опубликована на официальном интернет-сайте Межгосударственного совета по стандартизации, метрологии и сертификации в каталоге "Межгосударственные стандарты"
Настоящий стандарт определяет общие принципы конструирования и выбора блокировочных устройств, связанных с ограждениями независимо от природы источника энергии (как определено в EN 292-1:1991; 3.22.4, 3.22.5, 3.23.1).
Настоящий стандарт содержит технологические требования, предъявляемые к электрическим блокировочным устройствам.
Настоящий стандарт распространяется и на те элементы защитных устройств, которые обеспечивают срабатывание блокировочных устройств.
Требования к защитным устройствам приведены в EN 953. Обработка сигналов, поступающих от блокировочного устройства для остановки и фиксации машины в определенном положении, рассматривается в EN 954-1.
В настоящем стандарте использованы нормативные ссылки на следующие стандарты [для датированных ссылок применяют только указанное издание ссылочного стандарта, для недатированных ссылок применяют последнее издание ссылочного стандарта (включая все его изменения)]:
EN 292-1:1991 Safety of machinery - Basic concepts, general principles for design - Part 1: Basic terminology, methodology (Безопасность машин. Основные понятия, общие принципы конструирования. Часть 1. Основные термины, методика)
EN 292-2:1991 Safety of machinery - Basic concepts, general principles for design - Part 2: Technical principles and specifications (Безопасность машин. Основные понятия, общие принципы конструирования. Часть 2. Технические правила и технические требования)
EN 294:1992 Safety of machinery - Safety distance to prevent danger zones being reached by the upper limbs (Безопасность машин. Безопасные расстояния для предохранения верхних конечностей от попадания в опасную зону)
EN 953 Safety of machinery - Guards - General requirements for the design and construction of fixed and movable guard (Безопасность машин. Защитные ограждения. Общие требования к конструированию и производству стационарных и подвижных защитных ограждений)
EN 954-1 Safety of machinery - Safety-related parts of control systems - Part 1: General principles for design (Безопасность машин. Элементы безопасности систем управления. Часть 1. Общие принципы конструирования)
EN 999 Safety of machinery - The positioning of protective equipment in respect of approach speeds of parts of the human body (Безопасность машин. Позицирование защитных устройств с учетом скорости приближения частей тела человека)
EN 1037 Safety of machinery - Prevention of unexpected start-up (Безопасность машин. Предотвращение случайного пуска)
EN 1050 Safety of machinery - Principles for risk assessment (Безопасность машин. Принципы оценки риска)
EN 60204-1:1992 Safety of machinery - Electrical equipment of machines - Part 1: General requirements (Безопасность машин. Электрооборудование машин и механизмов. Часть 1. Общие требования. Электромеханические устройства схем управления (IEC 947-5-1:1990))
EN 60947-5-1:1991 Low-voltage switchgear and controlgear - Part 5: Control circuit devices and switching elements - Section 1: Electromechanical control circuit devices (Аппаратура распределения и управления низковольтная. Часть 5. Раздел 1. Устройства схем управления и элементы коммутации)
В настоящем стандарте применены следующие термины с соответствующими определениями:
3.1 блокировочное устройство; блокировка: Механическое, электрическое или прочее устройство, цель которого состоит в предотвращении функционирования элементов машины в заданных условиях (обычно до тех пор, пока не закрыто защитное устройство).
3.2 защитное устройство с блокировкой: Защитное устройство, объединенное с блокировочным устройством таким образом, чтобы:
- "перекрываемые" защитным устройством опасные функции машины не могли бы сработать до тех пор, пока не будет закрыто защитное устройство;
- если защитное устройство будет открыто в то время, когда осуществляются опасные функции машины, то подавалась бы команда на останов машины;
- когда защитное устройство будет закрыто, а опасные функции машины, "перекрываемые" этим устройством, могут быть осуществлены, закрытие самого защитного устройства не послужило бы причиной начала осуществления этих функций (EN 292-1:1991; 3.22.4).
3.3 защитное устройство с блокировкой и фиксацией закрывания: Защитное устройство объединено с блокировочным устройством и устройством фиксации закрывания таким образом, что:
- "перекрываемые" защитным устройством опасные функции машины не смогут осуществляться до тех пор, пока не будет закрыто и зафиксировано от открывания защитное устройство;
- защитное устройство остается закрытым и зафиксированным от открывания до тех пор, пока не будет устранен риск травмирования оператора от воздействия опасных функций машины;
- если защитное устройство закрыто и зафиксировано от открывания, опасные функции машины, "перекрываемые" защитным устройством, могут осуществляться, но закрытие и фиксация от открывания этого устройства сами по себе не вызовут начала осуществления этих функций (EN 292-1:1991; 3.22.5).
3.4
фиксатор защитного устройства: Устройство, предназначенное для фиксации защитного устройства в закрытом положении при определенных условиях:
- машина не может работать, пока защитное устройство закрыто и заблокировано; устройство остается заблокированным до тех пор, пока риск не устранен.
3.5
автоматический контроль: Автоматический контроль представляет собой резервную функцию безопасности, обеспечивающую срабатывание мер безопасности в том случае, если способность элемента или компонента осуществлять предназначенную для него функцию снизилась или если условия осуществления процесса изменились настолько, что возникают потенциальные опасности. Существуют две категории автоматического контроля - непрерывный и дискретный:
- непрерывный автоматический контроль, при котором меры безопасности принимаются сразу же после возникновения дефекта;
- дискретный автоматический контроль, при котором меры безопасности в случае возникновения сбоя или дефекта принимаются в течение следующего цикла работы машины (EN 292-1:1991; 3.14).
3.6
принудительное срабатывание: Если движущийся механический компонент неизбежно увлекает за собой второй компонент как путем непосредственного контакта, так и через промежуточные жесткие элементы, то считается, что второй компонент срабатывает в принудительном порядке (или принудительно) под воздействием первого (EN 292-1:1991; 3.5).
3.7
принудительное открывание контактного элемента: Достижение разделения контактов в качестве непосредственного результата заданного перемещения исполнительного органа переключателя посредством неупругих элементов (например, независимо от действия пружины) (2.2 из главы 3 EN 60947-5-1:1991).
Примечание - В гидропневмосистемах соответствующая концепция может быть названа как "принудительное прерывание".
3.8 время на останов (время для исключения опасности): Период между моментом, когда блокировочное устройство выдает команду на останов, и моментом, когда риск опасной функции машины прошел.
3.9 время доступа (время для доступа в опасную зону): Время, принимаемое для доступа к опасным частям машины после выдачи блокировочным устройством команды на останов. Рассчитывается на основе достигаемой скорости, значение которой может быть выбрано для каждого конкретного случая, принимая во внимание параметры, приведенные в EN 999.
4 Принципы функционирования и типовые виды блокировочных устройств, взаимодействующих с защитными ограждениями
4.1.1 Управляющая блокировка
Поступившая от блокировочного устройства команда на останов подается в систему управления таким образом, чтобы отключение подачи энергии к исполнительным органам или механическое разъединение подвижных частей от исполнительного органа осуществлялось системой управления (косвенное прерывание: уровни
A,
B на
рисунке 1).

- подача энергии к исполнительному органу;

- механическая связь;

- команда на останов, подаваемая блокировочным устройством
--------------------------------
<1> В соответствии с ГОСТ ЕН 1037.
Рисунок 1 - Размещение блокировочных устройств в машинах
(EN 292-1:1991, приложение A)
Поступившая от блокировочного устройства команда на останов машины непосредственно прерывает подачу энергии к ее исполнительным органам или разъединяет подвижные части и исполнительные органы (уровень C на
рисунке 1). "Непосредственно" означает, что в отличие от управляющей блокировки
(4.1.1) система управления не играет промежуточной роли в функции блокировки.
4.2 Типы блокировочных устройств
4.2.1 Блокировочное устройство без фиксации закрывания
Защитное устройство всегда можно открыть. Как только защитное устройство оказывается незакрытым, блокировочное устройство подает команду на останов, т.к. оказывается возможным открывание защитного устройства во время работы машины (или опасных элементов машины). Функция устройства сводится к блокировке, как определено в EN 292-1:1991; 3.22.4.
Примеры блокировочных устройств без фиксации закрывания приведены в
приложениях A,
B,
F,
G,
J,
K,
L к настоящему стандарту.
4.2.2 Блокировочное устройство с фиксацией закрывания
Защитное устройство удерживается в открытом состоянии фиксатором.
Существуют два типа блокировок:
- расфиксация защитного устройства может быть осуществлена в любое время оператором (расфиксация без условия: см.
таблицу 1 и
рисунок 3.b.1);
- расфиксация защитного устройства возможна, только если выполнено условие устранения опасности (расфиксация с условием: см.
таблицу 1 и
рисунок 3.b.2).
Таблица 1
Различные аспекты работы блокирующих устройств
с фиксацией закрывания и без нее (типовые примеры)
Фиксатор защитного устройства
(3.4) может быть частью блокировочного устройства или может представлять отдельный узел.
Узел, осуществляющий фиксацию/расфиксацию защитного устройства может быть:
- с запиранием пружиной и отпиранием при подаче энергии
(рисунок 2a);
- с запиранием при подаче энергии и освобождением пружиной
(рисунок 2b);
- с запиранием и освобождением при подаче энергии
(рисунок 2c).
Рисунок 2 - Варианты действия блокировочных
устройств, срабатывающих при подаче энергии
a) устройство без блокировки ограждений
--------------------------------
<1> Предполагается, что:
- команда на останов была подана одновременно с началом разблокировки;
- время, необходимое для разблокировки ограждения, больше, чем продолжается опасное состояние
b) Устройства с блокировкой ограждений
Рисунок 3 - Функциональная схема для различных типов
защитных устройств с взаимной блокировкой
4.3 Технологические признаки блокировочных устройств
Техника блокировки включает широкий спектр технологических аспектов. Блокировочные устройства могут быть классифицированы по разным критериям, например по связи между защитным устройством и токоподводящими элементами или технологическому типу (электромеханический, пневматический, электронный и т.д.) токоподводящих элементов.
В
таблице 2 представлены главные технологические признаки блокировочных устройств и относящиеся к ним номера пунктов настоящего стандарта.
Таблица 2
Технологические признаки блокировочных устройств
Технологические признаки | Описание в пунктах | Пример в приложениях |
Блокировочное устройство с механически управляемым датчиком: | | |
- с датчиком, действующим от кулачка; | | |
- с датчиком, действующим от язычка | | |
Блокировочное устройство с немеханически управляемым датчиком: | | |
- с электромагнитным выключателем; | | |
- с электронным бесконтактным датчиком | | |
Системы со встроенным ключом: | | |
- система с внутренним ключом; | - | |
- система с передаваемым ключом | - | |
Система штепсель/гнездо | | |
Механическая блокировка между защитным устройством и подвижными частями | - | |
5 Руководство по конструированию блокировочных устройств независимо от природы источника энергии
5.1 Режимы функционирования позиционных датчиков механического действия
Срабатывание датчика одинарного действия осуществляется в принудительном режиме (см.
таблицу 3 и
3.6).
Таблица 3
Принудительный и непринудительный режимы
позиционных датчиков
Режим позиционных датчиков | Ограждение закрыто | Ограждение открыто | Режим работы |
Принудительный режим | | | Стержень датчика (исполнительный орган) удерживается кулачком в сжатом состоянии до тех пор, пока защитное устройство остается открытым. Когда защитное устройство закрыто, датчик меняет свое положение в результате воздействия пружины возврата |
Непринудительный режим | | | Стержень датчика (исполнительный орган) удерживается кулачком в сжатом состоянии до тех пор, пока защитное устройство остается закрытым. Когда защитное устройство открыто, датчик меняет свое положение в результате воздействия пружины возврата |
Непринудительный вариант разрешается лишь при совместном функционировании с позиционным датчиком, работающим в принудительном режиме, преимущественно для того, чтобы избежать отказов по общим причинам (см.
5.4.1). Для предотвращения сбоев исполнительный механизм выполняют предельно простым.
5.2 Устройство и крепление позиционных датчиков
5.2.1 Позиционные датчики должны быть устроены таким образом, чтобы они были достаточно защищены от изменения позиции этих устройств. Для этого необходимо выполнять следующие требования:
- для закрепления датчиков должен применяться инструмент;
- использование пазов ограничивается первоначальной настройкой;
- должны быть предусмотрены средства принудительной установки после настройки (например, с помощью штифтов или шпонок).
Смещение позиционного датчика должно быть возможным без потребности в каком-либо регулировании.
5.2.2 Кроме того, должны быть выдержаны следующие требования:
- саморазжим или несложная разборка позиционного датчика или его исполнительного механизма должны быть исключены;
- опора для позиционных датчиков должна иметь достаточную жесткость, чтобы обеспечивать правильную эксплуатацию этих датчиков;
- перемещение, возникающее при механическом срабатывании исполнительного устройства, должно оставаться в пределах установленного рабочего диапазона позиционного датчика, чтобы обеспечить правильную эксплуатацию блокировочного устройства и предотвратить его перебег;
- смещение защитного устройства до того, как позиционный датчик изменит свое положение, не должно быть достаточным, чтобы снизить предохранительное действие этого устройства (для доступа в опасные зоны см. EN 294 и EN 953);
- позиционные датчики нельзя использовать в качестве механических упоров;
- позиционные датчики размещают и, если необходимо, защищают таким образом, чтобы избежать получения повреждений от предсказуемых внешних причин;
- должна быть обеспечена легкая доступность к позиционным датчикам для проведения их технического обслуживания и проверки правильности эксплуатации.
5.3 Устройство и крепление кулачков
Дисковые и плоские кулачки для привода в действие механических позиционных датчиков должны быть спроектированы таким образом, чтобы:
- они были установлены и закреплены с помощью крепежных деталей, требующих для своего раскрепления применения различных инструментов (гаечных ключей, отверток и т.д.);
- их самораскрепление было предотвращено;
- они могли быть установлены только в правильном положении;
- они не повреждали позиционный датчик и не сокращали срок его службы.
В это руководство не входит функциональная сборка.
5.4 Сокращение возможностей получения отказов общего типа
Отказов общего типа можно избежать при дублировании коммутирующих элементов, например, путем использования мер, описанных в
5.4.1 и/или
5.4.2.
5.4.1 Принудительный и непринудительный режимы механических позиционных датчиков
Основные случаи возникновения дефектов механических позиционных датчиков:
a) избыточный износ исполнительного механизма (плунжера или ролика) или кулачка, находящегося в контакте с защитным устройством; несносности кулачка и исполнительного механизма;
b) заклинивание исполнительного механизма (плунжера), делающее невозможным действие пружины.
В случае дефектов D1 или D2 прерывание цепи осуществляется обоими датчиками.
Рисунок 4 - Метод исключения сбоя двух механически
управляемых позиционных датчиков с использованием совместных
принудительных и непринудительных режимов функционирования
5.4.2 Варианты источников энергии
Чтобы свести к минимуму возможность отказов общего типа, два независимых блокировочных устройства, каждый из которых прерывает поток энергии различного типа, могут быть объединены с защитным устройством (см. пример на
рисунке L.3).
| | ИС МЕГАНОРМ: примечание. В официальном тексте документа, видимо, допущена опечатка: п. 4.2.3 отсутствует. | |
5.5 Фиксаторы защитного устройства (см. 3.4, 4.2.2 и 4.2.3)
Фиксатор защитного устройства срабатывает при вводе в контакт двух жестких деталей (принудительное размещение).
В этом случае фиксатор будет работать в режиме "фиксация пружиной, расфиксация подачей энергии"
(рисунок 2a).
Могут быть использованы и другие системы (например,
рисунки 2b,
2c), которые при конкретном применении обеспечивают повышенный уровень безопасности.
Для фиксаторов защитных устройств, работающих в режиме "фиксация пружиной, расфиксация подачей энергии", предусматривается ручное расфиксирующее устройство, требующее для своей эксплуатации использование инструмента.
Позиция фиксатора защитного устройства отслеживается (например, детектором), работающим в принудительном режиме таким образом, чтобы машина не могла быть запущена до тех пор, пока этот фиксатор не войдет полностью в соответствующий контакт (см.
приложение M).
Фиксатор должен иметь возможность противостоять усилиям, воздействия которых следует ожидать при нормальном режиме эксплуатации защитного устройства.
Усилие, которое сможет выдержать фиксатор без повреждения
(5.4.2), влияющего на его дальнейшую эксплуатацию, указывается либо на самом фиксаторе, либо в руководстве по эксплуатации, которое предоставляется изготовителем вместе с защитным устройством.
Примечание - Фиксаторы защитных устройств могут быть использованы для предотвращения открывания ограждения вокруг автоматического устройства до тех пор, пока машина/процесс не достигнет окончательной стадии, предотвращая тем самым потерю информации или повреждение материала.
5.6 Устройства временной задержки
Когда используется устройство временной задержки (см.
раздел 7), сбой в этом устройстве не должен снижать время задержки.
5.7 Конструкции блокировочных устройств, сводящие к минимуму возможность выведения их из строя
5.7.1 Общие положения
Блокировочные устройства конструируют таким образом, чтобы при остановке и эксплуатации их нельзя было вывести из строя простыми способами.
Примечание - Понятие "вывести из строя простыми способами" означает намеренную операцию, осуществляемую вручную или с помощью реально существующего предмета.
В качестве реально существующих предметов для осуществления этих целей могут рассматриваться:
- винты, иглы, куски листового металла;
- предметы ежедневного использования, например ключи, монеты;
- инструменты, применяемые при плановой эксплуатации машины.
Средства, с помощью которых выведение из строя блокировочных устройств можно осуществить с большим трудом, включают:
- средства, упомянутые в
5.2.2;
- блокировочные устройства или системы, закодированные, например, механическим, электрическим, магнитным или оптическим способом;
- физическое ограждение или экранирование блокировочного устройства на то время, пока открыто защитное устройство (примеры приведены на
рисунках 5,
6 и
F2).
Там, где использование систем блокировки основано на применении специальных исполнительных органов или ключей (кодированных или некодированных), в руководствах по эксплуатации должны быть приведены рекомендации относительно риска, связанного с наличием запасных исполнительных органов или ключей - обычных и эталонных.
5.7.2 Конструкции, предназначенные для сведения к минимуму возможности выведения из строя позиционных датчиков механического действия.
5.7.2.1 Позиционные датчики, приводимые в действие кулачками
При использовании одного датчика его работа будет осуществляться в принудительном режиме
(5.1), при этом среди других характеристик такой режим предотвращает выведение датчика из строя простым способом.
Примечание - Более высокий уровень защиты от выведения из строя может быть получен, например при закрывании кулачка и датчика соответствующим корпусом.
5.7.2.2 Устройства язычкового типа
Поскольку целостность переключателя в значительной мере определяется конструкцией язычка и исполнительного механизма, этот переключатель вводят в систему или системы для усложнения его выведения из строя такими простыми инструментами, как кусачки, отвертки, проволока и т.д.
Более высокий уровень защиты от выведения из строя может быть получен, например с помощью:
физического ограждения или крышки, предотвращающих ввод запасных исполнительных механизмов
(рисунок 5);
Рисунок 5 - Примеры защиты от выведения из строя
язычкового переключателя
- применения неразъемной сборки (получаемой, например, с помощью сварки, клепки и т.д.) язычка с защитным устройством с тем, чтобы затруднить разборку.
5.7.3 Конструкция, предназначенная для сведения к минимуму возможности выведения из строя электромагнитных и бесконтактных переключателей
Бесконтактные и электромагнитные переключатели, функционирующие исключительно на принципе присутствия или отсутствия отслеживаемого материала или магнита для их приведения в действие, могут быть легко выведены из строя. Следовательно, метод их установки должен обеспечить защиту от выведения из строя (см.
рисунок 6 и
6.3.1).
Выведение из строя датчика затруднительно из-за расположения
перед ним защитного устройства.
Рисунок 6 - Примеры защиты от выведения из строя
бесконтактного переключателя
Там, где существует риск замены исполнительного органа, который может вывести системы из строя, следует встроить ограждение с тем, чтобы воспрепятствовать замене исполнительного органа, используемого для приведения в действие переключателя.
5.7.4 Конструкция, предназначенная для сведения к минимуму возможности выведения из строя блокировочных устройств со штепсельными гнездами
Защиту таких устройств от выведения из строя можно обеспечить путем использования:
- многоштырьковой штепсельной розетки, скрытое расположение электрических проводов у которой затрудняет повторное восстановление непрерывности электрической цепи (пример приведен в приложении F,
рисунок F.1);
- штепсельной розетки, специально сконструированной для каждого случая или запасные части к которой труднодоступны;
- путем размещения розетки таким образом, чтобы доступ к ней был невозможен при открытом защитном устройстве (пример приведен в приложении F,
рисунок F.2).
Примечание - Расположение проводов, показанное на
рисунках F.1 и
F.2 и называемое "кольцевая электрическая цепь", делает необходимым использование дополнительного провода со штепселем и розеткой на их концах с тем, чтобы восстановить непрерывность электрической цепи после того, как открыто защитное устройство. Это способствует предотвращению выведения из строя блокировочных устройств, оснащенных такими системами.
5.8 Учет условий окружающей среды
При выборе блокировочного устройства и/или его компонентов принимают во внимание условия окружающей среды (например, температуру), в которой его намерены использовать (см. 3.7.3 EN 292-2:1991 и прEN 954-1).
6 Дополнительные технологические требования к электрическим блокировочным устройствам
6.1 Соответствие требованиям EN 60204-1
Электрические блокировочные устройства должны соответствовать ЕН 60204-1.
Примечание - В настоящем стандарте "позиционный датчик", "позиционный детектор" и "позиционный переключатель" рассматриваются как устройства одинакового типа.
6.2 Блокировочные устройства с позиционными переключателями механического действия
6.2.1 Блокировочные устройства с однопозиционным выключателем механического действия
6.2.1.1 Позиционный выключатель срабатывает в принудительном режиме (см. EN 292-2:1991;
3.5 и
5.1 настоящего стандарта).
6.2.1.2 Нормально закрытый контакт позиционного выключателя типа "принудительный режим открывания" выполнен в соответствии с EN 60947-5-1:1991,
разделом 3 настоящего стандарта.
6.2.2 Блокировочные устройства с двумя позиционными выключателями механического действия
Позиционные выключатели работают в противоположных режимах:
- один выключатель с нормально закрытым контактом, срабатывающим от действия защитного устройства в принудительном режиме (EN 292-2:1991,
3.5 и
5.1 настоящего стандарта);
- другой выключатель с нормально открытым контактом, срабатывающим от действия защитного устройства в непринудительном режиме
(5.1).
Примечание - Такой подход является общей практикой. Это не исключает в случае целесообразности использования двух выключателей, срабатывающих в принудительном режиме.
6.3 Блокировочные устройства с позиционными датчиками немеханического действия (электромагнитные и бесконтактные переключатели)
Блокировочное устройство с позиционными датчиками немеханического действия может быть использовано (как показано на
рисунке 6 и в
приложениях J и
K) для решения проблем, возникающих при использовании выключателей механического действия, когда защитное устройство может быть полностью снято с машины и/или когда по условиям окружающей среды требуется выключатель (выключатели) с уплотнением.
6.3.1 Соответствие позиционных переключателей механического и немеханического действия уровню безопасности
При использовании позиционных переключателей немеханического действия уровень безопасности достигается не меньший, чем тот, который получают при использовании переключателей механического действия.
Эквивалентной безопасности можно, например, добиться посредством:
- сведения к минимуму возможности выхода из строя
(5.7.3);
- использования средств, описанных в 3.7 EN 292-2:1991, особенно дублирования, с тем чтобы избежать выхода из строя по общим причинам (или избыточности) и автоматического управления, а также различных конструкций и/или устройств.
6.3.2 Защищенность от помех
Электромагнитные и бесконтактные переключатели для целей блокировки должны выбираться и использоваться таким образом, чтобы ожидаемое воздействие внешних полей не помешало выполнению их функций.
6.3.3 Взаимное влияние
Бесконтактные переключатели устанавливают таким образом, чтобы предотвратить нарушение режима их нормальной работы вследствие взаимного влияния.
6.3.4 Условия использования бесконтактных и электромагнитных переключателей
При использовании в блокировочных устройствах бесконтактных и электромагнитных переключателей нужно принимать все необходимые меры для предотвращения нарушения режима их нормальной работы, вызываемого колебаниями напряжения, периодическим перенапряжением и т.д.
6.3.5 Специальные технические средства для электромагнитных переключателей
Электромагнитные переключатели, используемые без применения дополнительных технических средств, например защиты от перегрузок и/или избыточности и автоматического контроля, для блокировки не применяются, потому что при выходе из строя они могут служить источником опасности. Их выход из строя в результате вибрации может быть предотвращен (
5.7.3 и
приложение J).
7 Выбор блокировочных устройств
Цель настоящего раздела - дать рекомендации конструкторам машин, как выбирать блокировочные устройства подходящими для определенных применений в соответствии с
7.2 -
7.6.
При выборе блокировочных устройств для машин необходимо учитывать все их "фазы жизненного цикла".
Наиболее важные критерии выбора:
- условия использования и предусмотренное использование машины (см. EN 292-1:1991; 3.12 и
7.2 настоящего стандарта);
- опасности, имеющиеся в машине (см. часть 4 EN 292-1:1991 и
7.3 настоящего стандарта);
- время на останов и время доступа
(7.4);
- длительность подверженности персонала опасности
(7.3);
- выполнение условий
(7.6).
7.2 Условия использования и предусмотренное использование блокировочных устройств
Все типы блокировочных устройств должны быть выбраны таким образом, чтобы была гарантия, что выбранный тип устройства соответствует условию применения (например, окружающая среда, гигиена) и предусмотренному использованию.
Для того, чтобы выбрать наиболее подходящее блокировочное устройство для данной машины в определенных условиях применения, конструктор должен провести оценки риска (как описано в прEN 1050), принимая во внимание разные типы блокировочных устройств, пока не будет достигнута безопасность.
Оцениваемый риск должен быть тем именно риском, который может иметь место, если функции безопасности блокировочных устройств не будут выполнены.
7.4 Время на останов и время доступа
Блокировочные устройства с фиксацией закрывания используют в тех случаях, когда время на останов больше так называемого времени доступа, затраченного человеком на то, чтобы достичь опасной зоны.
7.5 Частота доступа (частота открывания защитного устройства для доступа в опасную зону)
7.5.1 Для условий применения, требующих частый доступ, блокировочные устройства должны быть выбраны так, чтобы обеспечить наименьшее препятствие для работы устройств (принимая во внимание требования
7.2 -
7.4), исходя из следующих концепций, требующих четкого различия;
- концепции частого доступа, требуемого при нормальной работе машины, как например на цикл подачи заготовок на машину и удаление обработанного изделия;
- концепции случайного доступа, например для выполнения регулировки или технического обслуживания или для случайной корректировки в опасной зоне.
Каждая из этих концепций связана с разным порядком значений частоты проникновения человека в опасную зону (например, 100 раз в час в случае одного доступа за цикл и несколько раз в день в случае случайного доступа для регулировки и технического обслуживания при автоматизированном процессе производства).
7.5.2 Для условий применения, использующих блокировочные устройства с автоматизированным контролем, должен выполняться функциональный контроль (EN 60204-1:1991; 9.4.2.4) каждый раз, когда устройство изменяет свое положение, т.е. при каждом доступе.
Если в таком случае имеют место только редкие доступы, в блокировочных устройствах должны использоваться дополнительные меры, такие как устройства с условием расфиксации (см.
рисунок 3b.2), т.к. возможность не выявленного отказа между функциональными испытаниями увеличивается.
Контроль блокировочных устройств является относящейся к безопасности частью систем управления машиной (EN 954-1).
Естественно поэтому совмещение управления блокировочными устройствами с системой управления машиной, чтобы обеспечить соблюдение выполнения требований безопасности.
Если применяются силовые блокировки, то их компоненты должны иметь соответствующую нагрузочную способность, принимая во внимание все предвидимые ситуации (например, перегрузки).
(справочное)
БЛОКИРОВОЧНОЕ УСТРОЙСТВО, ВЗАИМОДЕЙСТВУЮЩЕЕ С ЗАЩИТНЫМ
И СНАБЖЕННОЕ КУЛАЧКОВЫМ ИСПОЛНИТЕЛЬНЫМ МЕХАНИЗМОМ
Рисунок A.1 - С поворотным ограждением
Рисунок A.2 - С поступательно перемещающимся ограждением
Принцип действия
Датчик одинарного действия, функционирующий в принудительном режиме, управляет положением
(5.1).
Преимущества
Принудительное механическое воздействие кулачка A на толкатель B позиционного датчика C. Невозможность выведения из строя при ручном приводе исполнительного органа без перемещения кулачка или датчика.
Недостатки
Возникает опасность в случае:
- износа, поломки и т.д. (кулачка, толкателя, датчика и др.), что приводит к сбоям в работе исполнительного органа;
- разрегулировки взаимного положения датчика и кулачка.
Примечание - Поскольку отсутствие защитного устройства не отслеживается, весьма важно, чтобы это устройство не могло быть разобрано без помощи инструментов. См. также
5.2,
5.3.
Пример
Электрическое блокировочное устройство с одним кулачковым переключателем

- принудительное открывание в соответствии
с ЕН 60617-7, приложение P
Рисунок A.3
Преимущества
Принудительное открывание защитного устройства переключателем.
Принудительное открывание разрывом цепи переключателя
(3.7).
Недостатки
Опасность в случае:
- неполадки в механическом звене между защитным устройством и выключателем;
- электрическое шунтирование выключателя.
(справочное)
БЛОКИРОВОЧНОЕ УСТРОЙСТВО, ВЗАИМОДЕЙСТВУЮЩЕЕ
С ЗАЩИТНЫМ И СНАБЖЕННОЕ ЯЗЫЧКОВЫМ МЕХАНИЗМОМ
Рисунок B.1
Принцип действия
Механизм содержит:
- датчик прерывания цепи;
- механизм открывания и закрывания элемента прерывания цепи (для электрических устройств: принудительное открывание см.
3.7).
Язычок специальной формы установлен на защитном устройстве (например, с помощью заклепок) таким образом, чтобы эта деталь не могла быть свободно снята с защитного устройства.
Элемент прерывания цепи может обеспечить непрерывность цепи только в том случае, когда язычок вставлен в язычковый механизм.
Когда язычок снят (защитное устройство открыто), он в принудительном режиме взаимодействует с указанным механизмом открывания и закрывания элемента прерывания, который открывает элемент прерывания цепи.
Преимущества
Необходимо незначительное смещение защитного устройства, чтобы датчик изменил свое положение.
Наиболее эффективно при использовании:
- при повороте ограждения (дверцы);
- защитных устройств, которые могут быть сняты без применения инструментов;
- защитных устройств, которые не имеют ни петли, ни направляющей для соединения с машиной.
Недостатки
Может быть выведен из строя при отсутствии контакта язычка с защитным устройством.
Примечание - О мерах против выхода из строя см.
5.7.2.2.
(справочное)
БЛОКИРОВОЧНОЕ УСТРОЙСТВО, ПРЕДОТВРАЩАЮЩЕЕ ОТКРЫВАНИЕ
ЗАЩИТНОГО УСТРОЙСТВА
Рисунок C.1 - Защитное устройство закрыто
Принцип действия
Пока орган ручного управления пуском/остановом (в этом случае рычаг) находится в верхнем положении, он предотвращает защитное устройство от открывания. Опускание рычага вызывает прерывание цепи тока (таким образом непосредственно прекращается питание энергией исполнительного органа), если устройство включено в цепь питания или создает команду на останов, если оно является управляемым устройством. Пока защитное устройство открыто, оно не дает рычагу подняться.
Рисунок C.2 - Защитное устройство открыто
Примечание - Рычаг пуска/останова предохраняет защитное устройство от открывания.
Преимущества
Надежность вследствие простоты, особенно при использовании в качестве силового блокировочного устройства
(4.1.2).
Примечания
1 Рычаг (или его эквивалент) должен быть сконструирован таким образом, чтобы он мог выдерживать воздействие ожидаемых усилий и его невозможно было легко разобрать. Механический останов предотвращает перемещение защитного устройства.
2 Защитное устройство не позволяет срабатывать рычагу пуска/останова, препятствуя тем самым возобновлению непрерывности цепи.
(справочное)
БЛОКИРОВОЧНОЕ УСТРОЙСТВО С ВНУТРЕННИМ КЛЮЧОМ
Определение
Комбинация выключателя с фиксатором, прикрепленным к неподвижной детали машины с помощью ручки-ключа, обеспечивает захват подвижной детали защитного устройства.
Принцип действия
Принцип действия блокировочных устройств с внутренним замком показан на
рисунке D.1. Чтобы ввести ключ в замок, защитное устройство должно быть полностью закрыто.
Последовательность действия для открывания защитного устройства:
- повернуть рукоятку в переключателе (дается команда на останов);
- дальнейшим поворотом отомкнуть защитное устройство;
- открыть защитное устройство (ключ вынимается из замка).
Преимущества
Обеспечивает открывание элемента прерывания цепи до того, как могло бы быть открыто защитное устройство.
Особенно подходит, когда защитное устройство на петлях или полностью съемное.
Примечание - Может быть скомбинировано с устройством временной задержки. Таким образом блокировочное устройство оказывается разблокированным с защитным устройством (как показано на
рисунке 3b.2).
Соосность ключа и замка может быть достигнута с помощью одного или нескольких установочных штифтов, которые входят в соответствующие втулки до того, как ключ войдет в замок. На
рисунке D.1 показан принцип действия блокировочного устройства с внутренним ключом.
(справочное)
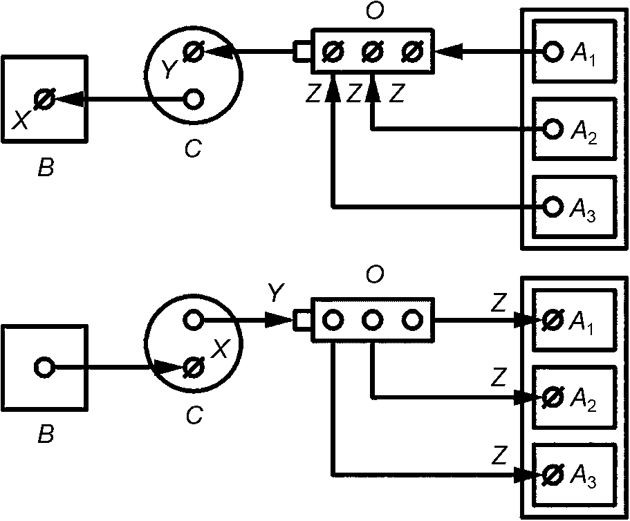
БЛОКИРОВОЧНОЕ УСТРОЙСТВО С ПЕРЕДАВАЕМЫМ КЛЮЧОМ
Рисунок E.1 - Базовая диаграмма блокировочного устройства
Принцип действия
Блокировочное устройство с передаваемым ключом представляет собой блокировочное устройство, в котором осуществляется передача ключей между управляющим элементом и фиксатором защитного устройства.
В блокировочном устройстве с передаваемым ключом фиксаторы защитного устройства и выключателя находятся раздельно в противоположность тому, как это происходит в блокировочном устройстве с внутренним ключом, в котором фиксатор и выключатель объединены в один блок. Основная отличительная особенность блокировочного устройства с передаваемым ключом состоит в том, что вынимаемый ключ вводят либо в фиксатор защитного устройства, либо в фиксатор выключателя. Фиксатор расположен на защитном устройстве таким образом, чтобы ключ можно было вынуть из него лишь в том случае, если защитное устройство закрыто и зафиксировано. Это позволяет передавать ключ из защитного устройства в фиксатор переключателя. При закрывании выключателя ключ блокируется и не может быть вынут до тех пор, пока выключатель находится в положении "включено".
Если имеется более одного элемента прерывания и, следовательно, требуется изоляция более одного блока управления, возникает необходимость в коробке D со сменными ключами, куда будут передаваться и где будут закрываться все контрольные ключи до тех пор, пока не сможет быть извлечен для передачи на замок защитного устройства ключ доступа, имеющий другую конфигурацию. При наличии более одного защитного устройства в ящике со сменными ключами будет находиться соответствующее количество ключей доступа.
Если в связи с технологической необходимостью или по условиям безопасности часть операций должна осуществляться в определенной последовательности, тогда передаваемый ключ на каждом этапе закрывается и обменивается на другой такой же. Ящик со сменными ключами может быть выполнен заодно с замком.
A (A1, A2, A3) замок (замки) на защитном устройстве
(устройствах); B - замок на элементе прерывания цепи;
X, Y, Z - ключи; O - замок без вставленного в него ключа;

- замок со вставленным в него ключом
Рисунок E.2 - Блокировочное устройство с устройством
задержки C и ящиком со сменными ключами D <1>
--------------------------------
<1> Ящик со сменными ключами требуется в том случае, если либо защитное устройство сблокировано с двумя или более системами управления машиной, либо два или более защитных устройств сблокированы с одной системой управления машиной.
Преимущества
На приведение в действие блокировочного устройства не влияет расстояние между защитным устройством и системой управления.
Нет необходимости в электропроводке к каждому защитному устройству. Использование этого устройства эффективно в неблагоприятной окружающей среде.
Может быть использовано, если защитное устройство целиком снято.
Наиболее эффективно при наличии в машине нескольких различных типов источников энергии.
Недостатки
Непригодно для применения в случае необходимости быстрого доступа к машине.
Дубликаты ключей могут послужить причиной выхода машины из строя.
Примечание - Временная задержка между открыванием элемента прерывания цепи и расфиксацией защитного устройства определяется только временем передачи ключа (увеличиваемым, при необходимости, устройством временной задержки).
(справочное)
БЛОКИРОВОЧНОЕ УСТРОЙСТВО СО ШТЕПСЕЛЬНЫМ ГНЕЗДОМ
(КОМБИНАЦИЯ ШТЕПСЕЛЬ/ГНЕЗДО)
Рисунок F.1 - Шарнирное (поворотное) защитное устройство
Принцип действия
Разъединение цепи путем извлечения штепселя из штепсельного гнезда.
Штепсель и гнездо используются в качестве блокировочного устройства. В этом случае одну часть устанавливают на машине, а другую подсоединяют к защитному устройству.
Преимущество
Надежность вследствие простоты.
Недостатки
В основном непригодно для применения, требующего очень частого доступа к машине.
Штырьки и штепсельные гнезда становятся доступными, когда штырьки извлекают из этих гнезд. В дальнейшем восстановление непрерывности цепи облегчается путем использования электрического провода (или проводов) при открытом защитном устройстве.
Рисунок F.2 - Поперечно перемещающееся защитное устройство
Возможное средство предотвращения таких сбоев состоит в использовании многоштырькового соединительного устройства, если схема монтажа проводов общая, то трудно восстанавливать непрерывность цепи, когда защитное устройство открыто.
Оба штырька штепсельного гнезда являются короткозамкнутыми, что обеспечивает непрерывность цепи, когда штепсель установлен на своем основании. Поскольку штепсель остается прикрепленным к защитному устройству, а это устройство при своем открывании закрывает гнездо, то поддержание непрерывности цепи путем шунтирования гнезда осуществить невозможно.
(справочное)
БЛОКИРОВОЧНОЕ УСТРОЙСТВО С ДВУМЯ ПОЗИЦИОННЫМИ
ДАТЧИКАМИ, УПРАВЛЯЕМЫМИ КУЛАЧКАМИ
Рисунок G.1

- принудительное открывание
в соответствии с МЭК 60617-7, приложение P
Рисунок G.2
Принцип действия
Один позиционный датчик работает в принудительном режиме, другой - в непринудительном
(5.1).
Преимущества
Удваивание датчиков позволяет избежать сбоев, приводящих к возникновению опасной ситуации.
Диверсификация дублируемых элементов снижает риск выхода из строя по причине ошибки.
Позиционный датчик, работающий в непринудительном режиме, определяет отсутствие защитного устройства.
Без использования контроля неисправность одного из двух датчиков нельзя определить до тех пор, пока дефект во втором датчике не приведет к сбою и возникновению опасной ситуации.
Пример
Электрическое блокировочное устройство с двумя кулачковыми выключателями
(6.2.2).
(справочное)
МЕХАНИЧЕСКАЯ БЛОКИРОВКА МЕЖДУ ЗАЩИТНЫМ УСТРОЙСТВОМ
И ПОДВИЖНЫМ ЭЛЕМЕНТОМ
Рисунок H.1 - Защитное устройство закрыто
Рисунок H.2 - Защитное устройство открыто
Принцип действия
Непосредственная механическая блокировка между защитным устройством и подвижным элементом. Функционирование обеспечивается тем, что блокировочное устройство связано с защитным.
Примечание - Применение ограничивается очень простыми механизмами. Для того, чтобы сделать возможным открывание защитного устройства, может потребоваться ручное управление подвижным элементом.
(справочное)
ЭЛЕКТРИЧЕСКОЕ БЛОКИРОВОЧНОЕ УСТРОЙСТВО
С ЭЛЕКТРОМАГНИТНЫМИ ПЕРЕКЛЮЧАТЕЛЯМИ
Рисунок J.1
Принцип действия
Кодированный магнит, прикрепленный к защитному устройству, воздействует на нормально открытый и нормально закрытый контакты.
Преимущества
Компактность, отсутствие внешних подвижных элементов.
Устойчивость против пыли и жидкостей.
Легкость поддержания в чистоте.
Недостатки
Чувствительность к электромагнитным помехам.
Невозможность принудительного открывания контактов.
Возможность приваривания контактов при электрической перегрузке.
Примечание - Вышеуказанные недостатки делают необходимым автоматический контроль во время каждого цикла переключения
(6.3.5).
Устройство проектируется таким образом, чтобы для функционирования требовался кодированный магнит. Это предохраняет его от выведения из строя простыми средствами.
(справочное)
ЭЛЕКТРИЧЕСКОЕ БЛОКИРОВОЧНОЕ УСТРОЙСТВО
С ДВУМЯ БЕСКОНТАКТНЫМИ ПЕРЕКЛЮЧАТЕЛЯМИ
Рисунок K.1
Принцип действия
D1 и D2 функционально эквивалентны датчикам механического действия.
Преимущества
Отсутствие подвижных деталей.
Высокая сопротивляемость воздействию пыли и жидкостей.
Несложность поддержания в чистоте.
Компактность.
Недостатки
Чувствительность к влиянию электрических цепей.
Отсутствие возможности принудительного открывания контактов.
Возможность приваривания контактов, которая может вызвать опасные ситуации в случае, если не была предусмотрена защита от электрической перегрузки.
Примечание - Пока защитное устройство остается открытым, оно закрывает D1, предотвращая тем самым выведение этого датчика из строя простыми средствами.
Преимуществом таких блокировочных устройств может быть и встраивание в них двух датчиков с настолько различными технологическими характеристиками, что станет в высшей степени невероятной возможность того, что один и тот же ложный феномен сможет повлиять на них одновременно (это явление известно как диверсификация или разнородное резервирование и предназначено для предотвращения так называемых дефектов общего плана).
(справочное)
ПНЕВМАТИЧЕСКОЕ/ГИДРАВЛИЧЕСКОЕ БЛОКИРОВОЧНОЕ УСТРОЙСТВО
Рисунок L.1 - Один элемент цепи (клапан), открывающийся
при нажатии на него защитным устройством
Рисунок L.2 - Два элемента прерывания цепи (клапана)
Рисунок L.3 - Комбинированное (электрическое
и гидравлическое) блокировочное устройство
В комбинированном блокировочном устройстве предусмотрены два независимых блокировочных устройства (
A и
B). Устройство
A действует на электрическую цепь управления (с автоматическим мониторингом). Устройство
B воздействует на гидравлическую цепь (блокировка энергии, когда такое прерывание возможно)
(4.1.2).
Примечание - Комбинированное блокировочное устройство представляет особенный интерес при очень суровых условиях окружающей среды, которые могут вызвать появление дефектов общего плана (т.е. одновременных дефектов, имеющих одинаковую причину) компонентов с одной и той же технологией, например расплавление слоя изоляции на обратной стороне проводников у машины, работающей при повышенной температуре, или одновременный сбой двух бесконтактных переключателей под воздействием электрических или электромагнитных помех.
(справочное)
БЛОКИРОВОЧНОЕ УСТРОЙСТВО С ФИКСАТОРОМ, РАБОТАЮЩИМ
ОТ ПРУЖИНЫ ИЛИ ПРИ ВЫКЛЮЧЕНИИ ЭНЕРГИИ
C1 и C2 могут быть датчиками любого технологического типа
Рисунок M.1 - Раздельные датчики
для определения позиции защитного устройства
Вариант A. Блокировка обеспечивается определенными положениями защитного устройства и фиксатора.
Принцип действия
C1 определяет положение защитного устройства, C2 определяет положение фиксатора. Отвод фиксатора, после того как исчезла угроза безопасности, может быть проконтролирован либо временным устройством (таймером), либо устройством определения останова.
C может быть датчиком любого технологического типа (см.
4.3)
Рисунок M.2 - Комбинированный датчик
для определения позиции защитного устройства
Вариант B. Блокировка обеспечивается только за счет определенного положения фиксатора
Принцип действия
При определении положения фиксатора один единственный переключатель C также управляет положением защитного устройства, обеспечивая условие "C не может быть закрыто, если защитное устройство не закрыто", которое должно быть строго и надежно осуществлено за счет конструкции и применения системы "защитное устройство - фиксатор - контакт C".
Отвод фиксатора, после того как исчезла угроза опасности, может быть проконтролирован либо временным устройством (таймером), либо устройством определения останова.
Примечание (относится к обоим вариантам) - Независимо от того, какое устройство (электромагнит, цилиндр и т.д.) использовано для приведения в действие фиксатора, удерживающего закрытым защитное устройство, важно, чтобы были установлены условия работоспособности, т.е. если источник питания отключен, то фиксатор должен оставаться в том положении, в котором он делает неподвижным защитное устройство.
(справочное)
БЛОКИРОВОЧНОЕ УСТРОЙСТВО С МЕХАНИЗМОМ ВРЕМЕННОЙ ЗАДЕРЖКИ
Рисунок N.1
Принцип действия
Резьбовой стержень поворачивается от руки (разблокировка без условия в соответствии с
рисунком 3b.1. Время, прошедшее между открытием выключателя и освобождением защитного устройства, должно быть больше времени, которое требуется для прекращения опасного функционирования.
Защитное устройство после открывания дает возможность снова ввернуть резьбовой стержень и замкнуть тем самым выключатель.
Преимущество
Надежность вследствие простоты.
(информационное)
УКАЗАТЕЛЬ ЛИТЕРАТУРЫ
В стадии подготовки находятся следующие стандарты:
EN 60617-7 | Графические символы для прокладки электрических цепей. Часть 7. Обозначения переключателей для коммутационных и защитных устройств |
EN 60647-5-3 | Коммутационные аппараты низкого напряжения. Часть 5. Управляющие аппараты и коммутационные элементы. Основной раздел 3. Бесконтактные переключатели с мерами по недопущению ошибочных состояний или с определенным поведением в случае ошибочного состояния |
(справочное)
СВЕДЕНИЯ О СООТВЕТСТВИИ ССЫЛОЧНЫХ ЕВРОПЕЙСКИХ СТАНДАРТОВ
МЕЖГОСУДАРСТВЕННЫМ СТАНДАРТАМ
Таблица ДА.1
Обозначение ссылочного европейского стандарта | Степень соответствия | Обозначение и наименование соответствующего межгосударственного стандарта |
EN 292-1:1991 | - | |
EN 292-2:1991 | - | |
EN 294:1992 | - | |
EN 953 | - | |
EN 954-1 | - | |
EN 999 | - | |
EN 1037 | - | |
EN 1050 | - | |
EN 60204-1:1992 | - | |
EN 60947-5-1:1991 | - | |
<*> Соответствующий межгосударственный стандарт отсутствует. До его принятия рекомендуется использовать перевод на русский язык данного европейского стандарта. |
УДК 621.002.6:658.382.3:006.354 | | IDT |
Ключевые слова: безопасность машин, блокировочное устройство; защитное устройство; управляемое защитное устройство; фиксатор защитного устройства; автоматический контроль; принудительное срабатывание |