Главная // Актуальные документы СПРАВКА
Источник публикации
М.: ФГБУ "Институт стандартизации", 2024
Примечание к документу
Документ
вводится в действие с 01.12.2025.
Название документа
"ГОСТ ISO 14119-2023. Межгосударственный стандарт. Безопасность машин. Блокировочные устройства для защитных ограждений. Принципы конструирования и выбора"
(введен в действие Приказом Росстандарта от 18.06.2024 N 830-ст)
"ГОСТ ISO 14119-2023. Межгосударственный стандарт. Безопасность машин. Блокировочные устройства для защитных ограждений. Принципы конструирования и выбора"
(введен в действие Приказом Росстандарта от 18.06.2024 N 830-ст)
по техническому регулированию
и метрологии
от 18 июня 2024 г. N 830-ст
МЕЖГОСУДАРСТВЕННЫЙ СТАНДАРТ
БЕЗОПАСНОСТЬ МАШИН
БЛОКИРОВОЧНЫЕ УСТРОЙСТВА ДЛЯ ЗАЩИТНЫХ ОГРАЖДЕНИЙ
ПРИНЦИПЫ КОНСТРУИРОВАНИЯ И ВЫБОРА
Safety of machinery. Interlocking devices associated
with guards. Principles for design and selection
(ISO 14119:2013, IDT)
ГОСТ ISO 14119-2023
Дата введения
1 декабря 2025 года
Цели, основные принципы и общие правила проведения работ по межгосударственной стандартизации установлены
ГОСТ 1.0 "Межгосударственная система стандартизации. Основные положения" и
ГОСТ 1.2 "Межгосударственная система стандартизации. Стандарты межгосударственные, правила и рекомендации по межгосударственной стандартизации. Правила разработки, принятия, обновления и отмены"
1 ПОДГОТОВЛЕН Республиканским государственным предприятием на праве хозяйственного ведения "Казахстанский институт стандартизации и метрологии" Комитета технического регулирования и метрологии Министерства торговли и интеграции Республики Казахстан на основе собственного перевода на русский язык англоязычной версии международного стандарта, указанного в
пункте 5
2 ВНЕСЕН Комитетом технического регулирования и метрологии Министерства торговли и интеграции Республики Казахстан
3 ПРИНЯТ Межгосударственным Советом по стандартизации, метрологии и сертификации (протокол от 25 сентября 2023 г. N 165-П)
За принятие проголосовали:
Краткое наименование страны по МК (ИСО 3166) 004-97 | Код страны по МК (ИСО 3166) 004-97 | Сокращенное наименование национального органа по стандартизации |
Армения | AM | ЗАО "Национальный орган по стандартизации и метрологии" Республики Армения |
Беларусь | BY | Госстандарт Республики Беларусь |
Казахстан | KZ | Госстандарт Республики Казахстан |
Киргизия | KG | Кыргызстандарт |
Россия | RU | Росстандарт |
Таджикистан | TJ | Таджикстандарт |
4
Приказом Федерального агентства по техническому регулированию и метрологии от 18 июня 2024 г. N 830-ст межгосударственный стандарт ГОСТ ISO 14119-2023 введен в действие в качестве национального стандарта Российской Федерации с 1 декабря 2025 г.
5 Настоящий стандарт идентичен международному стандарту ISO 14119:2013 "Безопасность машин. Блокировочные устройства для защитных ограждений. Принципы конструирования и выбора" ("Safety of machinery - Interlocking devices associated with guards - Principles for design and selection", IDT).
Международный стандарт разработан Техническим комитетом ISO/TC 199 "Безопасность машин".
При применении настоящего стандарта рекомендуется использовать вместо ссылочных международных стандартов соответствующие им межгосударственные стандарты, сведения о которых приведены в дополнительном
приложении ДА
Информация о введении в действие (прекращении действия) настоящего стандарта и изменений к нему на территории указанных выше государств публикуется в указателях национальных стандартов, издаваемых в этих государствах, а также в сети Интернет на сайтах соответствующих национальных органов по стандартизации.
В случае пересмотра, изменения или отмены настоящего стандарта соответствующая информация будет опубликована на официальном интернет-сайте Межгосударственного совета по стандартизации, метрологии и сертификации в каталоге "Межгосударственные стандарты"
Структура норм безопасности в области машиностроения выглядит следующим образом:
a) Стандарты типа A (основные стандарты безопасности), определяющие основные концепции, принципы проектирования и общие положения, которые могут применяться ко всем механизмам;
b) Стандарты типа B (общие стандарты безопасности), относящиеся к одному аспекту безопасности или одному типу защиты, которые могут использоваться в широком спектре машин:
- Стандарты типа B1 по конкретным аспектам безопасности (например, безопасные расстояния, температура поверхности, шум);
- Стандарты типа B2 (например, двуручное управление, блокировочные устройства, устройства, чувствительные к давлению, ограждения);
c) Стандарты типа C (стандарты безопасности машин), касающиеся подробных требований безопасности для конкретной машины или группы машин.
Настоящий стандарт является стандартом типа B2, как указано в стандарте ISO 12100.
Требования настоящего стандарта могут быть дополнены или изменены стандартом типа C.
Для машин, на которые распространяется действие стандарта типа C и которые были спроектированы и изготовлены в соответствии с требованиями настоящего стандарта, требования настоящего стандарта типа C имеют преимущественную силу.
Настоящий стандарт был подготовлен для того, чтобы дать рекомендации разработчикам оборудования и разработчикам стандартов безопасности продукции о том, как конструировать и выбирать блокировочные устройства, связанные с защитными ограждениями.
Соответствующие положения настоящего стандарта, используемые отдельно или в сочетании с положениями других стандартов, могут использоваться в качестве основы для процедур проверки пригодности устройства для выполнения функций блокировки.
Информационные
приложения A -
F описывают технологию и типичные характеристики определенных 4 типов блокировочных устройств. Могут быть приняты и другие решения при условии, что они соответствуют принципам настоящего стандарта. В информационных
приложениях G -
I содержится информация о конкретных аспектах, таких как устройства блокировки, используемые в рамках функций безопасности, оценка риска с учетом мотивации к поражению и силы статического действия. ISO/TR 24119 находится в стадии подготовки и предоставит информацию о маскировке неисправностей при последовательном подключении блокировочных устройств.
Настоящий стандарт устанавливает принципы конструирования и выбора - независимо от характера источника энергии - блокировочных устройств, связанных с ограждениями.
Настоящий стандарт распространяется на части ограждений, которые приводят в действие блокировочного устройства.
Примечание - ISO 14120 устанавливает общие требования к конструированию и конструкции ограждений, предназначенных в первую очередь для защиты людей от механических воздействий. Обработка сигнала от блокировочного устройства для остановки и обездвиживания машины рассматривается в ISO 13849-1 или IEC 62061.
Настоящий стандарт не применяется к системам (защитным ограждениям) с блокировкой ключами.
Настоящий стандарт содержит меры по снижению риска получения травм от блокировочных устройств.
В настоящем стандарте использованы нормативные ссылки на следующие стандарты [для датированных ссылок применяют только указанное издание ссылочного стандарта, для недатированных ссылок применяют последнее издание ссылочного стандарта (включая все его изменения)]:
ISO 12100:2010, Safety of machinery - General principles for design - Risk assessment и risk reduction (Безопасность машин. Общие принципы конструирования. Оценка рисков и снижение рисков)
ISO 13849-1:2006, Safety of machinery - Safety-related parts of control systems - Part 1: General principles for design (Требования безопасности к оборудованию для измерений, контроля и лабораторного применения. Часть 1: Основные требования)
ISO 13849-2:2012, Safety of machinery - Safety-related parts of control systems - Part 2: Validation (Детали систем управления, связанные с обеспечением безопасности. Часть 2. Валидация)
IEC 60204-1:2009, Safety of machinery - Electrical equipment of machines - Part 1: General requirements (Безопасность машин и механизмов. Электрооборудование промышленных машин. Часть 1. Общие требования)
IEC 60947-5-3, Low-voltage switchgear and controlgear - Part 5-3: Control circuit devices and switching elements - Requirements for proximity devices with defined behaviour under fault conditions (PDF) (Аппаратура распределения и управления низковольтная. Часть 5-3. Устройства и коммутационные элементы цепей управления. Требования к близко расположенным устройствам с определенным поведением в условиях отказа)
IEC 62061:2012, Safety of machinery - Functional safety of safety-related electrical, electronic and programmable electronic control systems (Безопасность машин и механизмов. Функциональная безопасность электрических, электронных и программируемых электронных систем контроля, связанных с безопасностью)
В настоящем стандарте применяются термины и определения, установленные в ISO 12100 и ISO 13849-1, а также следующие термины с соответствующими определениями:
3.1 блокировочное устройство (interlocking device): Блокировка механического, электрического или другого типа устройства, целью которого является предотвращение работы опасных функций машины в определенных условиях (как правило, до тех пор, пока защитное ограждение не закрыто).
Примечания
2 Взято из ISO 12100:2010, 3.28.1.
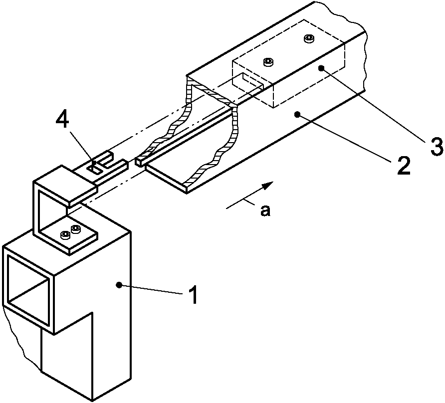
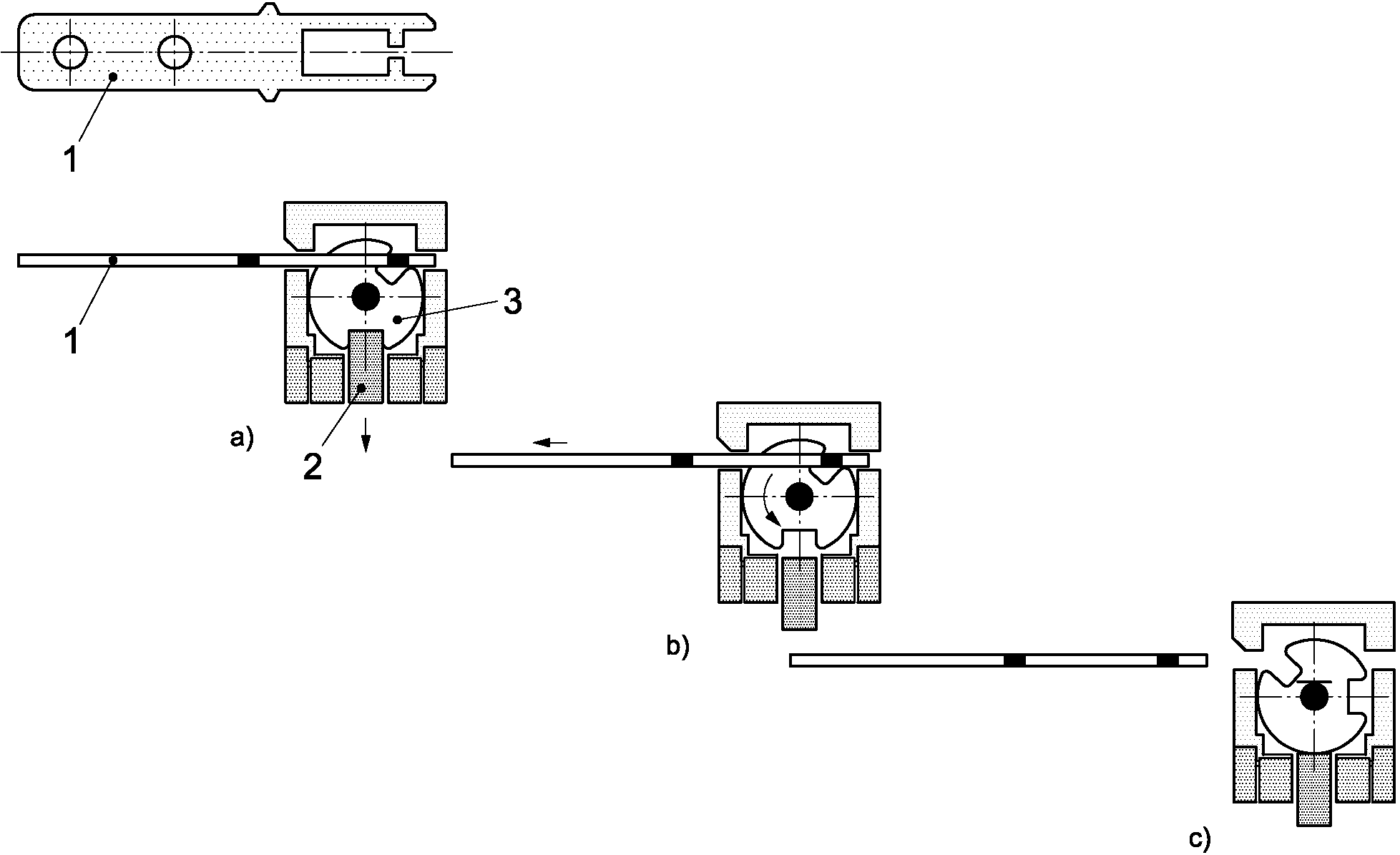
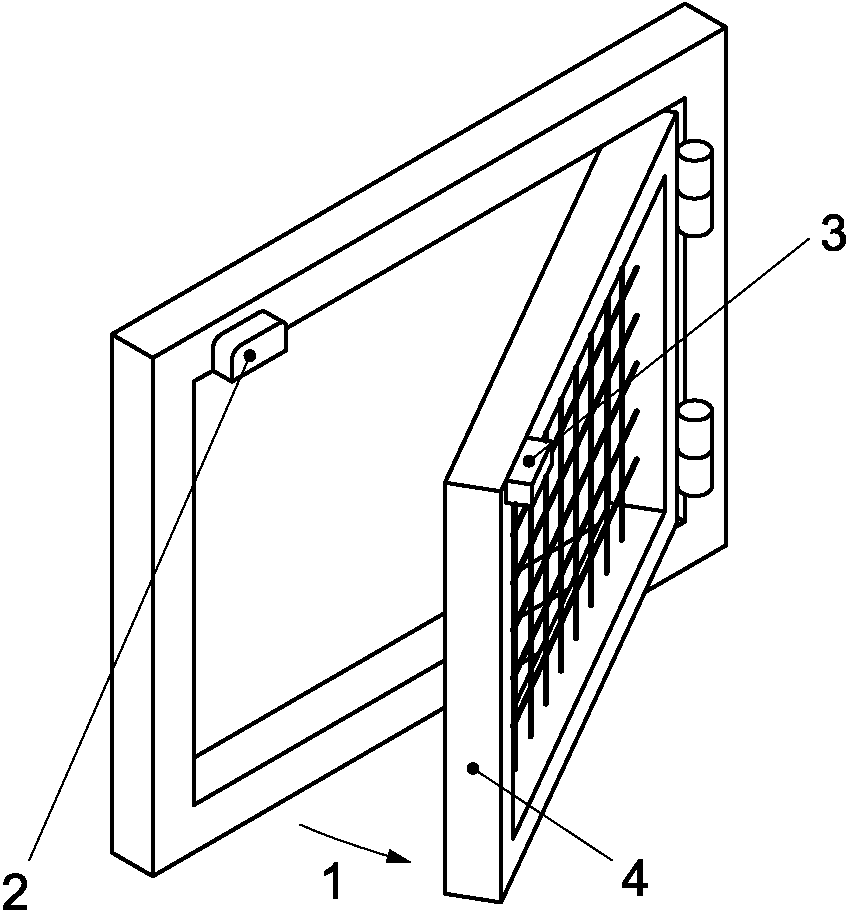
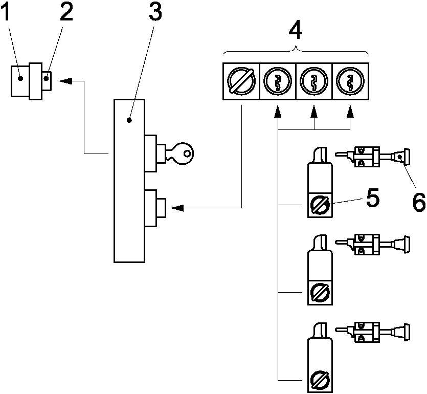
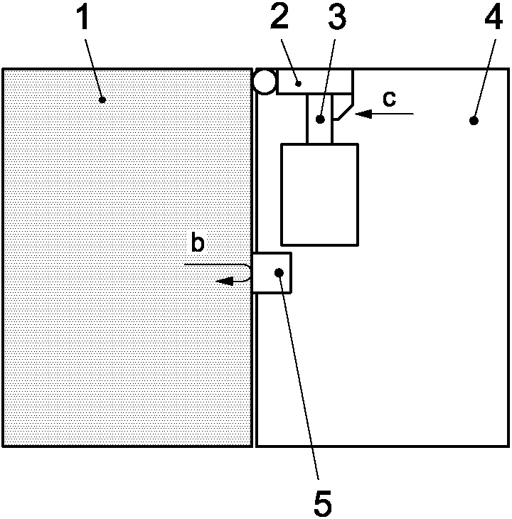
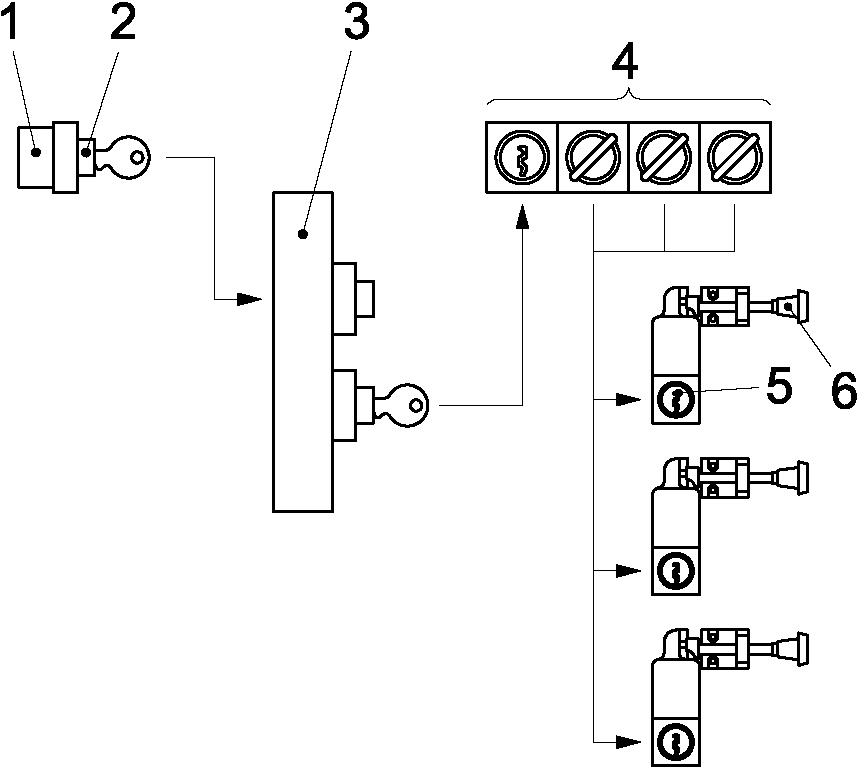
Условные обозначения
1 - ограждение 2 - блокировочное устройство 3 - привод a - направление открытия | 4 - переключатель положения 5 - система вывода 6 - приводная система |
Рисунок 1 - Пример блокировочного устройства
3.2 блокировочное защитное ограждение (interlocking guard): Ограждение, оснащенное блокировочным устройством, соединенным с системой управления машиной для обеспечения следующих защитных функций:
- исключения возможности выполнения защищенных им опасных функций машины при открытом ограждении;
- подачи команды "стоп", если открывание ограждения может привести к возникновению опасности;
- выполнения машиной опасных функций только при закрытом ограждении (закрытие ограждения не должно приводить к пуску опасных функций машины).
Примечание - Блокировочное защитное ограждение может содержать/быть оборудовано одним или несколькими блокировочными устройствами. Эти блокировочные устройства также могут быть разных типов.
3.3 блокировочное защитное ограждение с функцией пуска (interlocking guard with a start function); контрольное ограждение (control guard): Блокировочное защитное ограждение особого вида, подающее после закрытия команду пуска опасной(ых) функции(й) машины без использования отдельного органа управления пуском.
Примечания
1 ISO 12100:2010, 6.3.3.2.5 содержит подробные положения, касающиеся условий использования.
2 Взято из ISO 12100:2010, 3.27.6.
3.4
устройство с фиксацией закрытия (guard locking device): Устройство, предназначенное для блокировки ограждения в закрытом положении и связанное с системой управления.
Примечание - Взято из ISO 12100:2010, 3.27.4.
3.5 блокировочное защитное ограждение с фиксацией закрытия (interlocking guard with guard locking): Блокировочное защитное ограждение, снабженное устройством для механической фиксации ограждения и устройство с фиксацией закрытия, обеспечивающее с помощью системы управления машиной следующие функции безопасности:
- исключение возможности выполнения защищенных им опасных функций машины, если ограждение не закрыто и не зафиксировано;
- фиксацию ограждения в закрытом положении до тех пор, пока не будет устранен риск, связанный с опасными функциями машины;
- выполнение защищенных этим ограждением опасных функций машины только при закрытом и зафиксированном ограждении (закрытие и фиксация ограждения не должны приводить к автоматическому пуску опасных функций машины).
Примечание - Взято из ISO 12100:2010, 3.27.5.
3.6 часть системы управления, связанная с безопасностью (safety-related part of a control system); SRP/CS: Часть системы управления, которая реагирует на входные сигналы, связанные с безопасностью, и генерирует выходные сигналы, связанные с безопасностью.
Примечания
1 Комбинированные связанные с безопасностью части системы управления начинаются в точке, где инициируются входные сигналы, связанные с безопасностью (включая, например, приводной кулачок и ролик позиционного выключателя), и заканчиваются на выходе силового элемента управления (включая, например, главные контакты контактора).
2 Если системы мониторинга используются для диагностики, они также рассматриваются как SRP/CS.
Примечание - Взято из ISO 13849-1:2006, 3.1.1.
3.7 поражение (defeat): Действие, которое выводит блокировочные устройства из строя или обходит их, в результате чего машина используется не по назначению или без необходимых мер безопасности.
3.8 поражение в разумно предвидимом способе (defeat in a reasonably foreseeable manner): Поражение блокировочного устройства вручную или с помощью подручных средств.
Примечания
1 Это определение включает снятие переключателей или приводов с помощью инструментов, которые необходимы для предполагаемого использования машины или которые легкодоступны (отвертки, гаечные ключи, шестигранные ключи, плоскогубцы).
2 К легкодоступным объектам для замены приведения в действие относятся винты, иглы и куски листового металла, предметы повседневного использования, такие как ключи, монеты, клейкая лента, веревка и проволока, запасные ключи для блокировочных устройств с защелкой и запасные части приводов.
3.9 автоматическая регистрация (automatic monitoring): Диагностическая функция, которая инициирует функцию реакции на неисправность, если способность компонента или элемента выполнять свою функцию снижается или если условия процесса изменяются таким образом, что возникают опасности.
3.10
прямое механическое действие (direct mechanical action); положительное механическое действие (positive mechanical action): Движение механического компонента, которое неизбежно возникает из-за движения другого механического компонента либо путем прямого контакта, либо через жесткие элементы.
3.11
прямое открывающее действие (direct opening action); операция положительного открывания (positive opening operation): <контактный элемент> достижение разъединения контактов как прямого результата заданного перемещения привода выключателя через неупругие элементы (например, не зависящие от пружин).
Примечание - Взято из ИСТОЧНИКА: IEC 60947-5-1:2003, K 2.2.
3.12 привод (actuator): Отдельная часть блокировочного устройства, которое передает состояние ограждения (закрыто или не закрыто) в исполнительную систему.
Пример - Установленный на предохранителе кулачок, ключ, фасонный язычок, отражатель, магнит, RFID-метка.
Примечания
3.13 кодированный привод (coded actuator): Орган управления, специально разработанный (например, по форме) для приведения в действие определенного позиционного выключателя.
3.13.1 привод с кодировкой низкого уровня (low level coded actuator): Кодированный привод, для которого доступно от 1 до 9 вариантов кода.
3.13.2 привод с кодировкой среднего уровня (medium level coded actuator): кодированный привод, для которого доступно от 10 до 1000 вариантов кода.
3.13.3 привод с кодировкой высокого уровня (high level coded actuator): Кодированный привод, для которого доступно более 1000 вариантов.
3.14 исполнительная система (actuating system): Часть блокировочного устройства, передающего положение органа управления и изменяющего состояние выходной системы.
Пример - Роликовый поршень, кулачковый механизм, оптический, индуктивный или емкостный датчик.
Примечание - Примеры приводных систем показаны на
рисунке 2.
3.15 система вывода (output system): Часть блокировочного устройства, сообщающая системе управления о состоянии ограждения.
Пример - Контактный элемент (электромеханический), полупроводниковый выход, клапан.
3.16 блокировочное устройство Типа 1 (Type 1 interlocking device): Блокировочное устройство с механическим позиционным выключателем с некодируемым приводом.
Пример - Навесные блокировочные устройства.
3.17 блокировочное устройство Типа 2 (Type 2 interlocking device): Блокировочное устройство с механическим позиционным выключателем с кодовым приводом.
Пример - Позиционные выключатели с язычковым приводом.
3.18 блокировочное устройство Типа 3 (Type 3 interlocking device): Блокировочное устройство с бесконтактным позиционным выключателем с некодированным приводом.
Пример - Бесконтактные переключатели.
3.19 блокировочное устройство Типа 4 (Type 4 interlocking device): Блокировочное устройство с бесконтактным позиционным выключателем с кодовым приводом.
Пример - RFID-метки с позиционным выключателем.
3.20 команда остановки (stop command): Сигнал, генерируемый блокировочным устройством, который приводит к отключению опасной функции машины.
3.21 общая эффективность остановки системы (overall system stopping performance): Интервал времени между командой остановки, подаваемой при открытии ограждения, и прекращением работы опасной машины.
Примечание - Взято из ISO 13855:2010, 3.1.2, видоизмененный.
3.22 время доступа (access time): Время, затрачиваемое человеком на достижение опасной зоны после подачи блокировочным устройством команды на остановку, рассчитываемое на основе скорости приближения тела или части тела.
Примечание - Для выбора скорости приближения и расчетов см. ISO 13855.
3.23 удерживающая сила (holding force): Усилие, которое устройство с фиксацией закрытия может выдержать без повреждения, чтобы его дальнейшее использование не было затруднено, а ограждение не покидало закрытое положение.
3.24 предотвращение непреднамеренного положения блокировки (prevention of inadvertent locking position): Особенность устройство с фиксацией закрытия, которое гарантирует, что средство блокировки (например, запирающий болт) не может занять фиксирующее положение, когда ограждение не закрыто.
3.25 аварийное снятие защитного замка (emergency release of guard locking): Возможность вручную без посторонней помощи снять блокировку ограждения снаружи охраняемой зоны в случае чрезвычайной ситуации.
Примечание - Блокировка ограждения с аварийным разблокированием может потребоваться, например, для освобождения захваченных людей или тушения пожара.
3.26 вспомогательная разблокировка блокировки ограждения (auxiliary release of guard locking): Возможность вручную с помощью инструмента или ключа снять защитное ограждение, запирающийся снаружи охраняемой зоны, в случае его выхода из строя.
Примечание - Блокировка защитного ограждения со вспомогательным разблокированием не подходит для экстренного или аварийного разблокирования блокировки защитного ограждения.
3.27 аварийный сброс защитной блокировки (escape release of guard locking): Возможность вручную без посторонней помощи разблокировать блокировку ограждения изнутри охраняемой зоны для выхода из нее.
3.28 предохранительный замок для защиты человека (guard locking for protection of a person): Применение устройство с фиксацией закрытия для защиты человека от опасности.
3.29 защитная блокировка для защиты процесса (guard locking for protection of the process): Применение устройство с фиксацией закрытия для защиты рабочего процесса от прерывания.
3.30 инструмент (tool): Приспособление, такое как ключ или гаечный ключ, предназначенное для приведения в действие крепежной детали.
Примечания
1 Самодельное орудие, такое как монета или пилочка для ногтей, не может рассматриваться как инструмент.
2 Взято из ISO 14120:2002, 3.9.
3.31 блокировка питания (power interlocking): Блокировка, которая непосредственно прерывает подачу энергии на приводы машины или отсоединяет движущиеся части от приводов машины.
Примечание - Возобновление подачи энергии возможно только при закрытом и заблокированном предохранителе. "Непосредственно" означает, что, в отличие от блокировки управления, система управления не играет никакой промежуточной роли в функции блокировки.
3.32 функция безопасности (safety function): Функция машины, отказ которой может привести к немедленному увеличению риска (рисков).
Примечание - Взято из ISO 12100:2010, 3.30.
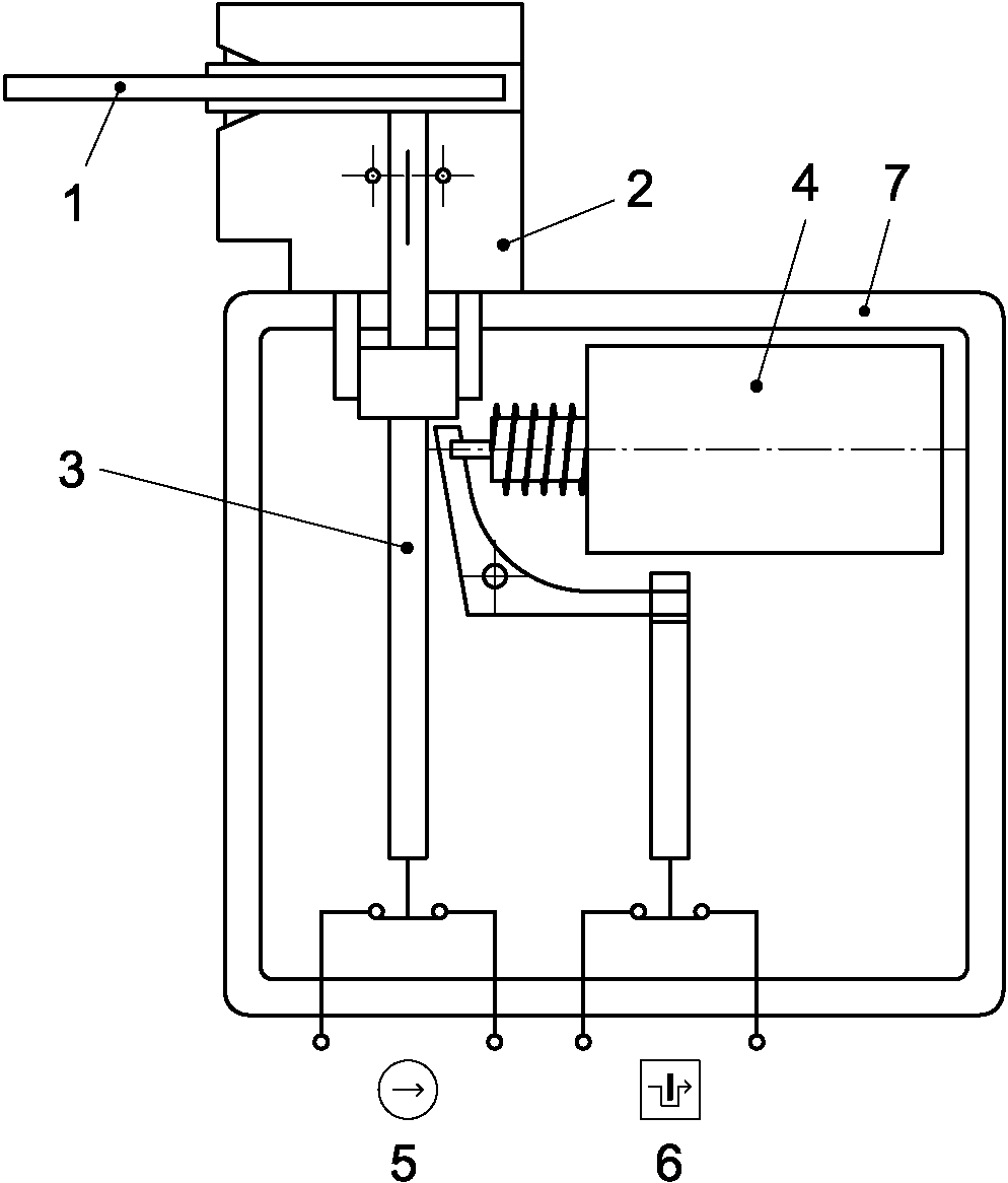
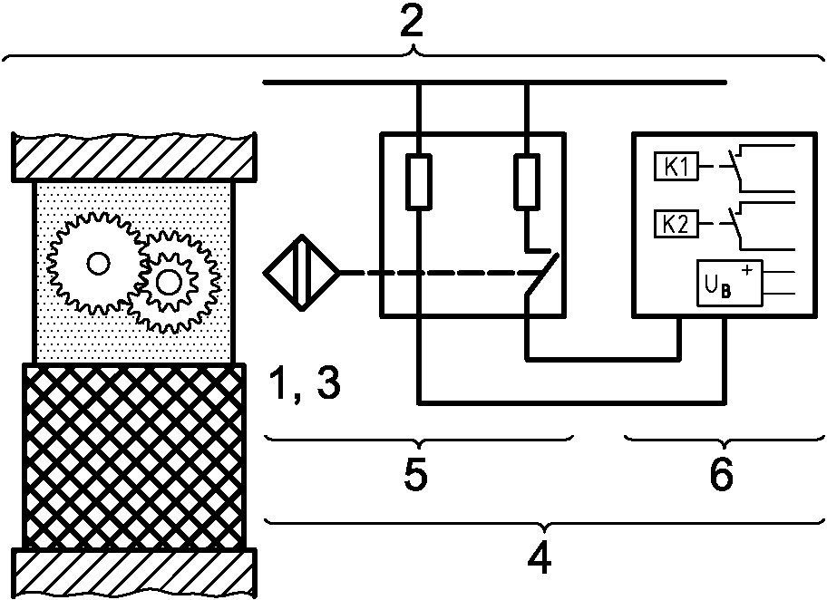
4 Принципы работы и типичные формы блокировочных устройств, связанных с ограждениями
Методы блокировки включают широкий спектр технологических аспектов. Устройства блокировки можно классифицировать по большому количеству критериев, например, характер связи предохранителя с системой вывода или технологический тип (электромеханический, пневматический, электронный и т.п.) системы вывода.
Блокировочные устройства имеют функцию контроля положения ограждения, которая определяет, закрыто ограждение или нет, и выдает команду остановки, когда ограждение не находится в закрытом положении. Блокировочное устройство также может использоваться для управления другими функциями, например, применение тормоза для остановки опасных функций машины до того, как станет возможным доступ. Некоторые блокировочные устройства также имеют защитную функцию блокировки, чтобы удерживать защитное ограждение заблокированным, когда присутствует опасная функция машины. Функция контроля состояния устройства с фиксацией закрытия отслеживает, включено или разблокировано устройство с фиксацией закрытия, и выдает соответствующий выходной сигнал (см.
4.3.1 a) и
b)).
Примечания
1 Устройство с фиксацией закрытия (см.
3.4) может быть составной частью блокировочного устройства или отдельным блоком.
2 См. также ISO 12100:2010, 6.3.3.1 для получения дополнительной информации об ограждениях. В
таблице 1 показаны принципы срабатывания и приводы для определенных типов блокировочных устройств.
3 Четыре типа блокировочных устройств представлены не в иерархическом порядке. Правильное применение каждого типа блокировочного устройства будет зависеть от оценки риска, которая должна быть сделана для конкретной машины.
Таблица 1
Обзор устройств блокировки
Примеры принципа действия | Примеры актуаторов | Тип | Примеры: см. приложение <a> |
Механический | Физический контакт/сила | Незакодированный | Поворотный кулачок | Тип 1 | |
Линейный кулачок | |
Петля | |
Закодированный | Язык (привод в форме) | Тип 2 | |
Ключ-ловушка | |
Бесконтактный | Индуктивный | Незакодированный | Подходящий железный металл | Тип 3 | |
Магнитный | Магнит, соленоид |
Емкостный | Любой подходящий объект |
Ультразвуковой | Любой подходящий объект |
Оптический | Любой подходящий объект |
Магнитный | Закодированный | Кодированный магнит | Тип 4 | |
RFID | Кодированная RFID-метка | |
Оптический | Метка с оптическим кодом | - |
<a> Примеры других блокировочных устройств приведены в приложении E. |
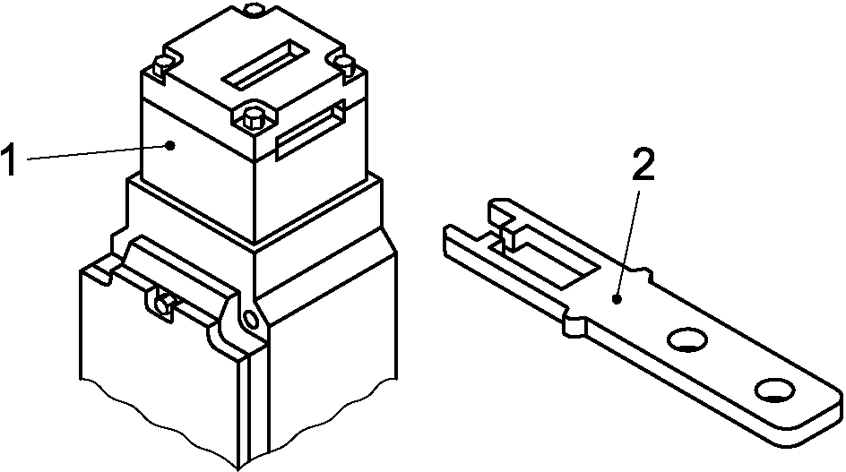
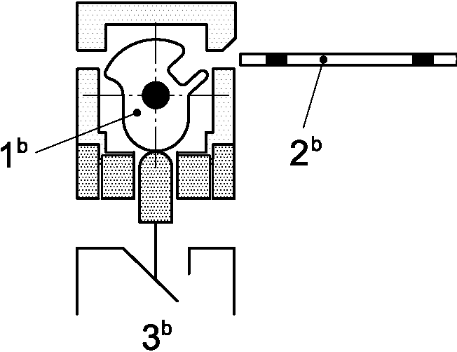
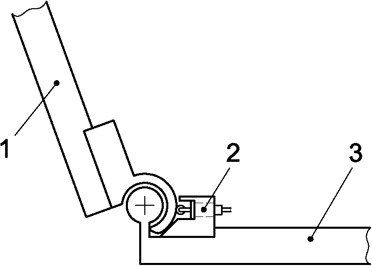
Условное обозначение
1 - подвижный предохранитель 2 - блокировочное устройство 3 - привод: a - кулачок. b - язычок. | 4 - переключатель положения 5 - приводная система 6 - система вывода c - например, RFID, отражатель, подходящая поверхность. d - направление движения. |
Примечание - В некоторых исключительных случаях переключатель положения может быть установлен на подвижном ограждении, а привод - на неподвижной части машины. В этих случаях "1" - это неподвижная часть машины.
Рисунок 2 - Принцип действия устройств блокировки
типов 1, 2, 3 и 4
4.2 Принципы блокировки ограждения без блокировки ограждения
Когда используется функция блокировки ограждения без блокировки ограждения, ограждение можно открыть в любое время, независимо от функции машины.
Если ограждение не закрыто, блокировочное устройство должно выдать команду остановки. Время доступа должно быть больше, чем общая производительность остановки системы.
Примечания
1 Для взаимоблокировки с системой управления машиной см.
пункт 8.
2 Примеры устройств блокировки без защитной блокировки показаны в
приложениях A,
B,
C и
D.
3 Функциональная схема устройств блокировки без защитной блокировки показана на
рисунке 3.
Рисунок 3 - Функциональная схема блокировочных устройств
без защитной блокировки
4.3 Принципы блокировки ограждения с помощью ограждения
4.3.1 Общие положения
Когда применяется блокировка с защитным ограждением, открытие ограждения должно предотвращаться устройством с фиксацией закрытия (см.
3.4) если только все опасные функции машины, охватываемые этим ограждением, не исчезли.
Существует два варианта для конструирования защитной функции блокировки (см.
рисунок 4).
a) Разблокировка ограждения может быть инициирована оператором в любое время. При запуске разблокировки устройство с фиксацией закрытия генерирует команду остановки. Это называется безусловной разблокировкой. Время, необходимое для разблокировки ограждения, должно быть больше, чем время, необходимое для отключения опасной функции машины.
b) Разблокировка ограждения возможна только после исчезновения опасных функций машины. Это называется условной разблокировкой.
Примечание - При условной блокировке переход из состояния 2 в состояние 3 или из состояния 3 в состояние 2 может произойти без временной задержки.
Рисунок 4 - Функциональные схемы блокировочных устройств
с защитной блокировкой
Примеры устройства с фиксацией закрытия приведены в
приложении F.
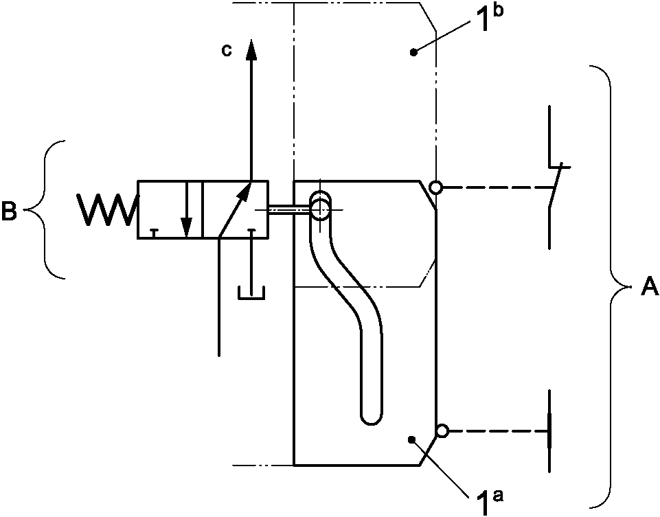
4.3.2 Блокировочное устройство с механическим защитным замком
Механическая часть (например, болт), которая блокирует блокировочное защитное ограждение, может быть
- пружина (или аналогичная) нажата и отключено питание (см.
a) на рисунке 5);
- включено питание и отпущена пружина (или аналогичная) (см.
b) на рисунке 5);
Механически управляемая защитная блокировка должна использовать принцип прямой механической блокировки за счет формы. Нельзя полагаться только на трение и силу.
4.3.3 Блокировочное устройство с защитным замком с электромагнитным приводом
Ограждение удерживается в закрытом положении (запирается) без каких-либо механических средств блокировки с помощью электромагнитной силы (см.
F.4). Блокировка электромагнитной защиты работает по принципу включения питания и отключения питания (см.
d) на рисунке 5).
| | Применяется пружина | Занятый |
| Выключить питание | Выпущенный |
| | Прилагается питание | Занятый |
| Применяется пружина | Выпущенный |
| | Прилагается питание | Занятый |
| Выключить питание | Выпущенный |
| | Прилагается питание | Занятый |
| Выключить питание | Выпущенный |
Рисунок 5 - Режимы работы устройства с фиксацией закрытия
в устройствах с фиксацией закрытия с механическим приводом
5 Требования к конструированию и установке блокировочных устройств с защитной блокировкой и без нее
5.1 Общие положения
Блокировочные устройства должны быть установлены надлежащим надежным способом и в соответствии с любыми инструкциями, предоставленными изготовителем (см.
пункт 9).
5.2 Расположение и крепление позиционных выключателей
Позиционные выключатели должны быть расположены так, чтобы они были достаточно защищены от изменения их положения. Для достижения этого должны выполняться следующие требования:
a) крепления позиционных выключателей должны быть надежными и для их ослабления необходим инструмент;
b) позиционные выключатели Типа 1 должны иметь приспособления для постоянной фиксации положения после регулировки (например, с помощью штифтов или дюбелей);
c) должны быть обеспечены необходимые средства доступа к позиционным выключателям для обслуживания и проверки правильности работы. Предотвращение поражения разумно предсказуемым образом также должно учитываться при проектировании средств доступа;
d) должно быть предотвращено саморазвинчивание;
e) должно быть предотвращено повреждение позиционного выключателя разумно предсказуемым образом (см.
пункт 7);
f) переключатель положения должен быть расположен и, при необходимости, защищен таким образом, чтобы избежать повреждения от предсказуемых внешних причин;
g) перемещение, создаваемое механическим приводом или зазором системы управления бесконтактным устройством, должно оставаться в пределах указанного рабочего диапазона переключателя положения или системы управления, указанного изготовителем переключателя, для обеспечения правильной работы и/или предотвращения перегрузки;
h) позиционный переключатель не должен использоваться в качестве механического упора, если только это не предназначено для использования позиционного переключателя, как указано изготовителем;
i) смещение ограждения, которое создает зазор до того, как переключатель положения изменит свое состояние, не должно быть достаточным для ослабления защитного действия ограждения (для доступа к опасным зонам см. ISO 13855 и ISO 13857);
j) опора и крепление позиционных переключателей должны быть достаточно жесткими для обеспечения правильной работы позиционного переключателя.
5.3 Расположение и крепление приводов
5.3.1 Общие положения
Приводы (см.
рисунок 2) должны быть закреплены таким образом, чтобы свести к минимуму вероятность того, что они ослабнут или изменят свое предполагаемое положение относительно системы привода в течение предполагаемого срока службы.
Примечание - Может потребоваться регулярная проверка (см.
9.3.2).
Должны быть выполнены следующие требования:
a) крепежные элементы приводов должны быть надежными, и для их ослабления требуется инструмент;
b) должно быть предотвращено саморазрывание;
c) привод должен быть расположен и, при необходимости, защищен таким образом, чтобы избежать повреждения от предсказуемых внешних причин;
d) привод не должен использоваться в качестве механического упора, если только привод не предназначен для этого, как указано изготовителем;
e) опора и крепление приводов должны быть достаточно жесткими для обеспечения правильной работы привода.
5.3.2 Кулачки
Поворотные и линейные кулачки для блокировочных устройств Типа 1 должны соответствовать следующим требованиям:
a) они закреплены крепежными элементами, требующими инструмента для их ослабления;
b) окончательная фиксация достигается с помощью формы (например, шлица или штифта) или других методов, обеспечивающих эквивалентную целостность фиксации;
c) они не повреждают позиционный переключатель и не ухудшают его долговечность.
5.4 Режимы срабатывания блокировочных устройств
Когда для генерации команды остановки используется одно блокировочное устройство Типа 1 или Типа 2, оно должно приводиться в действие прямым механическим воздействием между ограждением, приводом и системой привода, а контактный элемент должен иметь прямое размыкающее действие (см.
3.10,
3.11 и
таблицу 2).
Таблица 2
Прямое и непрямое механическое воздействие
блокировочных устройств Типа 1
Механическое воздействие | Ограждение закрыто | Ограждение не закрыто | Режим работы | Пример действия в случае сбоя (см. 8.3.2) |
Прямое | | | Плунжер удерживается кулачком в нажатом положении до тех пор, пока защитное ограждение не закрыто. Когда ограждение закрыто, выходная система изменяет свое состояние в результате действия возвратной пружины | Система вывода остается в безопасном состоянии, когда предохранитель не закрыт, даже если пружина сломается |
Непрямое | | | Поршень удерживается кулачком в нажатом состоянии до тех пор, пока защитное ограждение закрыто. Когда ограждение не закрыто, выходная система меняет состояние в результате действия возвратной пружины | Если пружина сломается, система вывода может перейти в небезопасное состояние, даже если защита не закрыта |
Непрямое механическое воздействие для блокировочного устройства Типа 1 должно использоваться только в сочетании с блокировочным устройством Типа 1 или Типа 2 с прямым механическим воздействием между ограждением, приводом и выходной системой. Объединение одного блокировочного устройства с прямым механическим воздействием со вторым блокировочным устройством с непрямым механическим воздействием позволяет избежать сбоев по общим причинам (см.
8.3).
Блокировочные устройства должны приводиться в действие в соответствии с принципом срабатывания применяемого позиционного переключателя.
Если блокировочное устройство Типа 3 или Типа 4 является единственным блокировочным устройством, оно должно соответствовать требованиям IEC 60947-5-3.
5.5 Интерфейс к системам управления
Система вывода устройств блокировки должна быть пригодна для включения в систему управления, разработанную в соответствии с ISO 13849-1 или IEC 62061.
5.6 Механический упор
Если блокировочное устройство заявлено изготовителем устройства как пригодное для использования в качестве механического упора, должно быть указано значение максимальной энергии удара, выдерживаемой (см. также
9.2.2 r)).
5.7 Дополнительные требования к устройствам с фиксацией закрытия
Если применение защитной функции блокировки создает опасность, следует рассмотреть дополнительные меры (см.
5.7.5 и ISO 12100:2010, 6.3.5.3).
Запирающий элемент (например, засов), предназначенный для блокировки ограждения, должен быть "нажата пружина - отпущено включение питания" (см.
рисунок 5 a)) или "нажата кнопка включения - отпущено включение питания" (см.
рисунок 5 c) если результаты оценки риска не показывают, что это не уместно. Если в конкретном приложении используются другие системы (например,
рисунок 5 b)) они должны обеспечивать эквивалентный уровень безопасности.
Примечание - Когда потеря мощности приводит к высвобождению запирающего элемента, время остановки машины часто значительно увеличивается, и может оказаться возможным получить доступ к опасному месту до того, как движение будет остановлено (или исчезнет другая опасность).
Требования пункта 5.7 применяются, когда защитная функция блокировки используется для защиты людей. Требования не применяются, когда защитная функция блокировки используется исключительно для защиты процесса. Тем не менее, если защитная функция блокировки и функция блокировки ограждения являются частью одного и того же устройства, на уровень безопасности функции блокировки ограждения не должна отрицательно влиять защитная функция блокировки, не связанная с безопасностью (т.е. защитная функция блокировки, используемая исключительно для защиты процесса).
Требования пункта 5.7 применяются как к устройствам с фиксацией закрытия, состоящим из отдельных компонентов, так и к устройствам с фиксацией закрытия, которые являются неотъемлемой частью блокировочного устройства с защитной блокировкой. Они применимы ко всем технологиям.
Устройство с фиксацией закрытия должно позволять контролировать положение включения, обеспечивая систему вывода, совместимую с системой управления, разработанной в соответствии с ISO 13849-1 или IEC 62061.
Устройство с фиксацией закрытия должно позволять выполнять опасные функции машины только в том случае, если защитное ограждение закрыто и заблокировано.
5.7.2 Механическое устройство с фиксацией закрытия
5.7.2.1 Общие положения
Механическая блокировка защитного ограждения должна быть результатом взаимодействия двух жестких частей (форма закрытия, см.
рисунок 5 a) -
c)).
Если предполагается, что доступ необходим в случае чрезвычайной ситуации, для систем "пружина нажата - питание отключено" или "питание включено - питание отключено" (см.
рисунок 5 a) и
c)), устройство с фиксацией закрытия с аварийным отключением (см.
5.7.5.3) должно быть предусмотрено.
На
рисунке 6 показана функциональность такого устройства.
5.7.2.2 Контроль блокировки
Зацепленное положение фиксирующего элемента должно контролироваться в соответствии с требованиями
5.5.
Опасная функция машины должна быть возможна только в том случае, если контроль обнаруживает закрытое положение ограждения и включенное положение запирающего элемента (см.
приложение F).
Для эффективного контроля устройства с фиксацией закрытия должен быть обеспечен один из следующих методов:
- запирающий элемент может находиться в зацепленном положении только в том случае, если подвижное защитное ограждение находится в закрытом положении (см.
рисунок 6). В этом случае закрытое положение и блокировку защитного ограждения можно проверить с помощью контроля запирающего элемента;
- в другом случае для блокировки должен использоваться контроль запирающего элемента и дополнительно контроль положения ограждения.
Условные обозначения
a) ограждение закрыто и заперто b) ограждение закрыто и не заперто c) ограждение не закрыто и не заперто | 1 - привод (язычок) 2 - запорный элемент (болт) 3 - приводная система (внутренний вращающийся кулачок) |
Примечание - В этом типе переключателя положения привод выполняет две функции: для управления контактами (не показаны на рисунке) и вместе с внутренним вращающимся кулачком и болтом для обеспечения функции блокировки предохранителя. Затвор может приводиться в действие внешними средствами, например, соленоидом или пневмоцилиндром.
Рисунок 6 - Пример блокировочного устройства Типа 2
с защитной блокировкой
5.7.3 Электромагнитное устройство с фиксацией закрытия
5.7.3.1 Общие положения
Усилие, необходимое для запирания ограждения, прикладывается за счет создания электромагнитного поля (см.
рисунок 5 d)).
5.7.3.2 Контроль блокировки
Удерживающее усилие должно контролироваться для определения того, было ли достигнуто и сохранено указанное удерживающее усилие (см.
6.2.2 и
приложение I).
Опасная функция машины должна быть возможна только в том случае, если контроль обнаруживает закрытое положение ограждения и достижение заданного удерживающего усилия.
5.7.3.3 Основные меры по минимизации возможности поражения
Если электромагнитное устройство с фиксацией закрытия открывается с применением силы, должно быть обеспечено прекращение продолжения процесса.
Примечание - В отличие от механической блокировки защитного ограждения, электромагнитная блокировка защитного ограждения не показывает повреждений после принудительного открывания.
Цель этой меры состоит в том, чтобы принудительное открывание приводило к затратам времени, аналогичным затратам на ремонтные работы (задержка по времени) и сопоставимым с устранением повреждения электромеханического защитного замка.
Это может быть реализовано с помощью:
a) мер в рамках блокировки защитного ограждения, таких как, например
1) сброс после прерывания работы опасной машины возможен только по истечении как минимум 10 минут, или
2) возникновение неисправности защитного замка, которая требует замены или ремонта, или
b) средства эквивалентных трудоемких мер в системе управления машиной, таких как, например, следующая последовательность:
1) предупреждающее сообщение на машине и
2) остановка цикла, и
3) отключение производственного режима и
4) тестирование функции блокировки ограждения и
5) включение производственного режима и
6) перезапуск следующего цикла работы машины (через определенный промежуток времени не менее 10 минут).
Изготовитель устройства с фиксацией закрытия должен обеспечить, чтобы в включенном положении устройство с фиксацией закрытия выдерживало по меньшей мере указанное удерживающее усилие F. Изготовитель должен указать удерживающее усилие, которое должно быть меньше или равно удерживающему усилию FZh, определяемому с помощью следующего испытания:
Испытание
Устройство с фиксацией закрытия крепится к основанию в соответствии с указаниями производителя. Затем устройство с фиксацией закрытия ограждения загружается до точки отказа функции блокировки защитного ограждения, при этом средство блокировки при максимальном рабочем угле перемещается с постоянной скоростью в направлении "открыть защитное ограждение". Во время этой нагрузки в процессе деформации измеряется максимальная сила F1max. Испытание должно проводиться на неиспользованном новом образце.
Оценка
На основании максимальной силы F1max, измеренной при испытании с учетом коэффициента безопасности S, определяют удерживающую силу FZh по следующей формуле:
FZh = F1max/S,
где S = 1,3.
Требования к испытательному устройству
Скорость тяги: постоянная (10 +/- 0,25) мм/мин
Требования к устройству для измерения силы
Частота дискретизации: >= 10 Гц.
Точность измерения максимального усилия: +/- 2,5%.
Примечание - Для получения подробной информации о тестировании см.
ссылку [20].
5.7.5 Дополнительное снятие защитного замка
5.7.5.1 Общие положения
В зависимости от области применения могут потребоваться дополнительные методы снятия защитной блокировки (см. ISO 12100:2010, 6.3.5.3). Для выбора см.
6.2.3. Эвакуационные и аварийные разблокировки защитной блокировки должны соответствовать требованиям категории B согласно ISO 13849-1.
Примечание - При использовании одного из описанных методов высвобождения время остановки может значительно увеличиться по сравнению с нормальным, что следует учитывать при оценке риска.
5.7.5.2 Выход из блокировки защитного ограждения
Когда устройство с фиксацией закрытия снабжено устройством аварийной разблокировки, должны выполняться следующие требования:
- преднамеренное отпирание защитного замка изнутри охраняемой зоны должно быть легко возможно без вспомогательных средств и независимо от условий эксплуатации;
- средства разблокировки должны приводиться в действие вручную и действовать непосредственно по принципу механизма блокировки;
- разблокировка должна генерировать команду остановки;
- средства отпирания аварийного выхода должны быть доступны только изнутри охраняемой зоны.
5.7.5.3 Аварийная разблокировка защитной блокировки
Когда устройство с фиксацией закрытия снабжено аварийным разблокировочным устройством, должны выполняться следующие требования:
- преднамеренная разблокировка защитного замка из-за пределов охраняемой зоны должна быть возможной и легко приводиться в действие без вспомогательных средств, независимо от условий эксплуатации;
- средства разблокировки должны приводиться в действие вручную и действовать непосредственно по принципу механизма блокировки;
- разблокировка должна генерировать команду остановки;
- разблокировка приводит к блокировке средства блокировки в разблокированном состоянии;
- устройство разблокировки аварийного защитного устройства должно быть четко обозначено для использования только в аварийных ситуациях и должно быть расположено и/или защищено от случайного открывания замка;
- сброс аварийного отключения должен быть возможен только с помощью инструмента или другими методами (например, заменой компонента). Это требование может быть выполнено на уровне системы управления. Если предполагается выполнение требований на уровне системы управления безопасностью (не в устройство с фиксацией закрытия), четкие указания о том, что это необходимо сделать, должны быть даны в инструкциях по использованию устройства с фиксацией закрытия (см.
9.2.2 m)).
Примечание - При условии, что аварийный выпуск соответствует условиям эвакуационного выпуска, аварийный выпуск может стать аварийным выпуском, если он установлен внутри охраняемой зоны.
5.7.5.4 Вспомогательная разблокировка защитного замка
Если устройство с фиксацией закрытия снабжено вспомогательным фиксатором, должны выполняться следующие требования.
- Преднамеренное отпирание защитного замка снаружи охраняемой зоны должно быть возможно только с помощью инструмента или ключа (ключей) и независимо от условий эксплуатации. Вспомогательный фиксатор должен быть защищен от непреднамеренного срабатывания (например, защищен уплотнением, защитным покрытием), поскольку вспомогательный фиксатор должен использоваться только в исключительных случаях, например, когда блокировка отключена и питание отключено, а защитный фиксатор не имеет функции аварийного разблокирования. В инструкциях по эксплуатации должно быть указано, что восстановление защиты необходимо до возобновления нормальной работы.
- Разблокировка вспомогательного замка должна генерировать команду остановки.
- Сброс вспомогательного выключателя должен быть возможен только с помощью инструмента или другими способами (например, замена компонента). Это требование может быть выполнено на уровне системы управления. Если предполагается, что требования должны выполняться на уровне системы контроля безопасности (не в защитном запирающем устройстве), в инструкциях по использованию устройство с фиксацией закрытия должны быть даны четкие инструкции о том, что этого необходимо достичь (см.
9.2.2 m)).
5.7.6 Требования к креплениям
Крепление устройств с фиксацией закрытия должно соответствовать требованиям
5.2 и должно быть рассчитано на выдерживание удерживающих усилий.
6 Выбор блокировочного устройства
6.1 Общие положения
При выборе блокировочного устройства для машины необходимо учитывать все этапы жизненного цикла машины.
Отбор должен учитывать, но не ограничиваться следующими критериями:
- условия эксплуатации и предполагаемое использование машины (см.
6.3, ISO 12100:2010, 3.23 и 5.3);
- опасности, присущие машине (см. ISO 12100:2010, 5.4);
- тяжесть возможной травмы (см. ISO 12100:2010, 5.5);
- вероятность выхода из строя блокировочного устройства (см.
пункт 8);
- общая производительность остановки системы и время доступа (см.
6.2.1);
- требуемый уровень производительности PL (см. ISO 13849-1:2006) или уровень целостности безопасности SIL (см. IEC 62061:2012) для функции безопасности (см.
8.1);
- информация для использования в соответствии с
9.2.2 предоставленная для блокировочного устройства (устройств);
- для устройств блокировки Типа 4 средства, позволяющие избежать того, чтобы оператор мог неограниченно обучать один привод без специальных знаний и специальных инструментов.
Примечание - Устройства блокировки Типа 3 или Типа 4 могут использоваться для решения проблем, возникающих при использовании устройств блокировки Типа 1 и Типа 2, когда защитное ограждение может быть полностью снято с машины и/или когда условия окружающей среды/процесса требуют высокого уровня защиты (например, IP69K).
6.2 Выбор устройств с фиксацией закрытия
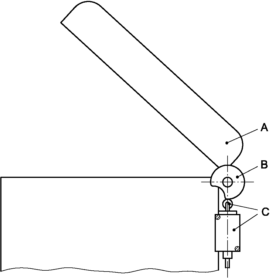
6.2.1 Общая производительность остановки системы и время доступа
Блокировочное устройство с защитной блокировкой должно использоваться тогда, когда общая скорость системы остановки больше или равно времени, затраченному человеком на то, чтобы добраться до опасной зоны (см.
рисунок 7).
Рисунок 7 - Определение потребности
в устройствах с фиксацией закрытия
Время доступа должно рассчитываться путем использования расстояния между опасной зоной и ограждением вместе со скоростью приближения (типичные значения см. в ISO 13855:2010).
6.2.2 Особые требования к выбору устройств с фиксацией закрытия
Устройство должно быть выбрано таким образом, чтобы оно могло выдерживать ожидаемые нагрузки. Динамические эффекты, такие как подпрыгивание или стук, также должны учитываться.
Если ожидаемые силы реакции на удар превышают силы, которые может выдержать выбранное устройство, то должны быть приняты меры по конструированию для уменьшения или исключения этих сил.
Примечание - Динамическая сила возникает, когда дверь закрывается, а запорный механизм уже активирован, см.
рисунок 8.
a) Дверь не закрыта
b) Дверь закрыта и заперта
Условные обозначения
| | ИС МЕГАНОРМ: примечание. В официальном тексте документа, видимо, допущена опечатка: имеются в виду условные обозначения a и b, а не 4 и 5 соответственно. | |
|
1 - подвижное ограждение 2 - привод 3 - Запорный механизм (замок). 4 - Направление закрытия. 5 - Отскок при остановке защиты. | 4 - неподвижная часть ограждения 5 - остановка ограждения c - Динамическое усилие, затрачиваемое на запирающий механизм. |
Рисунок 8 - Пример устройства с фиксацией закрытия,
на которое воздействуют динамические силы
Если устройство с фиксацией закрытия ограждения предназначено для автоматической активации при достижении защитным ограждением закрытого положения, выбранное устройство с фиксацией закрытия ограждения должно выдерживать возникающие механические усилия.
Прочность механических запирающих элементов или удерживающее усилие электромагнитного замка должны быть достаточными для предотвращения открывания ограждения из закрытого положения без помощи лома или аналогичных тяжелых инструментов.
Необходимое удерживающее усилие должно соответствовать предполагаемому применению и конструкции ограждения (дополнительную информацию см. в
приложении I и ISO 14120).
Примечание - Определение соответствующего удерживающего усилия является задачей стандарта Типа C или разработчика машины.
6.2.3 Выбор дополнительных защелкивающих устройств для защиты
В зависимости от применения могут потребоваться дополнительные методы выпуска. Эти меры могут включать, но не ограничиваться:
- эвакуационная разблокировка охранной блокировки в соответствии с
5.7.5.2;
- аварийная разблокировка защитной блокировки в соответствии с
5.7.5.3;
- специальное конструирование ограждения, позволяющее избежать разблокировки;
- вспомогательная разблокировка защитной блокировки может быть необходима, когда предполагается, что необходимо попасть в охраняемую зону в особых ситуациях, например, при пожаре, когда блокировка включена, и питание отключено, а защитная блокировка не имеет функции аварийной разблокировки.
Примечания
1 См.
5.7.5, ISO 12100:2010, 6.3.5.3 и ISO 11161:2007, 8.9.
2 Разблокировка для аварийного выхода может использоваться в сочетании с аварийной или вспомогательной разблокировкой.
6.3 Условия окружающей среды
6.3.1 Общие положения
Следует учитывать технологию и тип блокировочного устройства, чтобы гарантировать, что оно подходит для условий использования (например, окружающей среды, гигиены) и для предполагаемого использования машины.
Условия окружающей среды должны учитываться при выборе соответствующего блокировочного устройства. Критерии, например:
- температура,
- пыль,
- влага,
- вибрация и удары,
- гигиена,
- электромагнитные воздействия.
Блокировочное устройство должно выдерживать все предсказуемые воздействия в течение ожидаемого срока службы.
Примечания
1 Разрушение может быть вызвано коррозией под действием солей, кислот или щелочей (например, морской воды), и следует учитывать возможность таких эффектов, особенно с течением времени. Конкретная конструкция блокировки и тип используемой технологии могут сделать ее восприимчивой к проникновению химикатов или частиц. В районах со значительным загрязнением следует обращаться за рекомендациями к производителю.
2 При комбинировании блокировочных устройств Типа 3 или 4, использующих герконы, с логическими блоками контроля, пользователь должен убедиться, что возможные выбросы тока, вызванные логическим блоком контроля, не превышают допустимых пределов переключателей.
6.3.2 Влияние пыли на блокировочные устройства Типа 2
Если применяются блокировочные устройства Типа 2, необходимо учитывать возможное загрязнение места установки. Блокировочные устройства Типа 2 могут быть непригодны в тех случаях, когда проникновение частиц, стружки или пыли невозможно предотвратить, если не будут приняты соответствующие меры (например, пылезащитное ограждение).
Примечание - Привод вставлен в позиционный переключатель, поэтому позиционный переключатель имеет отверстие, через которое может попасть пыль. Указанная степень защиты IPXX согласно IEC 60529 относится исключительно к электрическому корпусу. Загрязнение механических частей может привести к износу механизма и опасному выходу из строя блокировочного устройства.
7 Конструкция, позволяющая свести к минимуму возможность выхода из строя блокировочных устройств
7.1 Общие положения
Машина должна быть спроектирована таким образом, чтобы свести к минимуму мотивацию для отключения блокировочных устройств (см. ISO 12100:2010, 5.5.3.6).
Блокировочное устройство должно обеспечивать минимально возможное вмешательство в действия во время работы и на других этапах срока службы машины, чтобы уменьшить любой стимул к его отключению:
- простота эксплуатации машины, в частности при ремонтных и сервисных работах;
- безотказная работа функциональных возможностей машины.
Во избежание выхода из строя блокировочных устройств разумно предсказуемым образом необходимо соблюдать следующую процедуру:
Блокировочные устройства Типа 3 не должны использоваться, если оценка риска не показывает, что при применении устройство не может быть отключено разумно предсказуемым образом.
b) Проверить, существует ли мотив для отключения блокировочных устройств разумно предсказуемым образом.
Примечания
1 Опыт использования полезен, см. ISO 12100:2010, 5.2 c).
2
Таблица H.1 в приложении H может использоваться в качестве руководства для оценки и/или устранения мотивации для отключения блокировочных устройств.
c) Проверить, можно ли устранить или свести к минимуму мотивацию посредством:
- меры конструирования и/или
- альтернативных режимов. Реализуются эти меры, если это возможно.
Примечание - Реализация альтернативных режимов работы позволяет избежать мотивации к поражению. Альтернативными режимами работы могут быть, например, специальные режимы настройки, смены инструмента, поиска неисправностей, технического обслуживания или наблюдения за процессом. Они сильно зависят от типа машины и ее применения и не могут быть подробно рассмотрены в настоящем стандарте.
d) Если предсказуемая мотивация поражения продолжает существовать, требуются дополнительные меры (см.
7.2).
Рисунок 9 дает схематическое представление методологии определения возможного стимула и необходимых мер, предпринимаемых производителем машин.
Рисунок 9 - Методика определения возможного стимула
и необходимых мер, предпринимаемых производителем машин
7.2 Дополнительные меры по минимизации возможности выхода из строя блокировочных устройств
Устройства блокировки должны быть выбраны и/или установлены таким образом, чтобы предотвратить их срабатывание разумно предсказуемым образом.
Далее упоминаются возможные меры против поражения разумно предсказуемым образом. Требования и применимость см.
таблицу 3.
a)
Предотвращение доступа к элементам запорного устройства
2) физическое препятствие или защита (см.
рисунок 10),
3) монтаж в скрытом положении;
b)
Предотвращение повторного приведения в действие блокировочного устройства легкодоступными предметами
1) низкоуровневое кодирование исполнительных механизмов;
2) кодирование приводов среднего уровня;
3) высокоуровневое кодирование исполнительных механизмов;
c)
Предотвращение демонтажа или смещения элементов блокировочного устройства с помощью неразъемного крепления (например, сварка, склеивание, односторонние винты, клепка).
Примечание - Использование неразъемного крепления может быть неподходящим решением в тех случаях, когда можно ожидать выхода из строя блокировочного устройства в течение срока службы оборудования и необходима быстрая замена. В этом случае для обеспечения требуемого уровня снижения риска следует использовать другие меры, например
a),
b) и
d).
d)
Предотвращение поражения
1) Интеграция мониторинга поражения в систему управления с помощью
ii) циклическое тестирование.
Примечания
1 В
разделе i) мониторинг состояния, проверка достоверности обнаруживает во время машинного цикла необычную последовательность состояний, приводящую к сбою. Например, система управления ожидает открытия двери в определенном машинном цикле. Отсутствие управляющего сигнала указывает на поражение.
2 При
ii) циклическом испытании система управления запрашивает оператора о приведении в действие защитного устройства. Отсутствие ожидаемого управляющего сигнала указывает на поражение.
2) Проверка достоверности с использованием дополнительного блокировочного устройства, где поражение возможно только с помощью дополнительного действия - например, отдельного монтажа и проводки, или различные принципы приведения в действие требуют дополнительного действия для поражения.
Примечание - В этом контексте проверка достоверности означает проверку того, что оба блокировочных устройства реагируют предопределенным образом.
Таблица 3
Дополнительные меры по устранению блокировочных
устройств в зависимости от типа
Принципы и меры | Блокировочное устройство Типа 1, кроме шарнирных и блокировочных устройств Типа 3 | Запирающее устройство Типа 1, только на петлях | Устройства блокировки Типов 2 и 4, низкого или среднего уровня, закодированные в соответствии с 7.2 b) 1) или 7.2 b) 2) с электромагнитной блокировкой или без нее | Устройства блокировки Типов 2 и 4, кодированные на высоком уровне, как указано в 7.2 b) 3) с электромагнитной блокировкой или без нее | Захваченные ключевые системы, закодированные на среднем или высоком уровне (см. примечание 2) |
| X | | X | | |
Физическое препятствие/экранирование, см. 7.2 a) 2) | | | |
| | | |
| | | |
Неразъемное крепление позиционного переключателя и привода, см. 7.2 c) | | | | |
Несъемное крепление позиционного переключателя, см. 7.2 c) | | M | | | M |
Несъемное крепление привода, см. 7.2 c) | | M | M | M | M |
Дополнительное блокировочное устройство и проверка на достоверность см. 7.2 d) 2) | R | | R | | |
X обязательно применять хотя бы одну из мер M обязательная мера R рекомендуемая мера (дополнительно). Примечания 1 - Таблица 3 предназначена для использования для выбора соответствующих мер по предотвращению повреждения блокировочных устройств. В соответствии с оценкой риска может потребоваться применение более чем одной из указанных мер. 2 - Если известно количество захваченных ключевых устройств, используемых на одном объекте, кодированные исполнительные механизмы могут использоваться в качестве достаточной меры против разумно предсказуемого поражения при следующих условиях: - если кодировка нанесена на устройство, каждое блокировочное устройство должно иметь различную кодировку и - привод должен быть закодирован на среднем или высоком уровне. 3 - Существует четкое различие между уровнем кодирования ключей привода и кодированием "запирающего засова или защелкивающихся механизмов" в системе с блокированным ключом. Эта таблица относится исключительно к уровню кодирования ключей привода. 4 - Меры в соответствии с таблицей 3 предусматривают минимальные требования. |

a) Блокировочное устройство Типа 2
b) Низкоуровневое кодированное блокировочное
устройство Типа 3 или 4
Условные обозначения
1 - скользящая защита (не закрытая) 2 - крышка (неподвижная часть) a - направление закрытия. | 3 - переключатель положения 4 - привод |
Примечание - Отключение блокировочного устройства затруднено из-за крышки (2) или из-за наличия перед ней ограждения.
Рисунок 10 - Примеры защиты от поражения с помощью
физического препятствия или экранирования
Условные обозначения
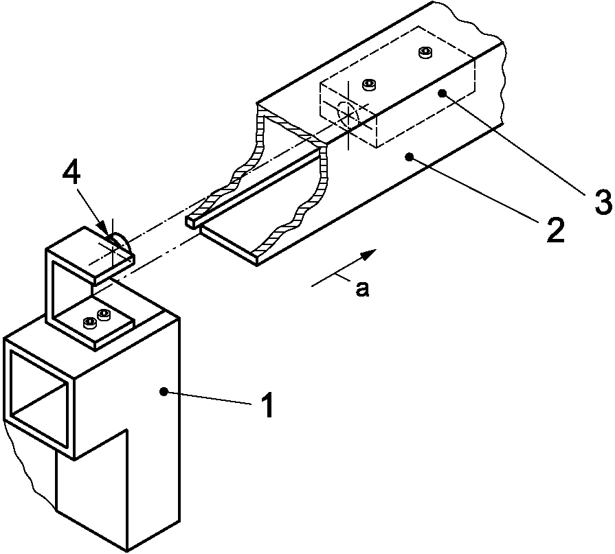
1 - переключатель положения шарнира 2 - ротор (опасный инструмент) 3 - ограждение 4 - подъемное устройство ограждения | 5 - направление движения ограждения 6 - зависящая от процесса высота над землей 7 - крышка, прикрепленная к раме 8 - приводная муфта |
Рисунок 11 - Пример защиты от повреждения устройства
блокировки, управляемого углом кручения, путем установки
вне досягаемости на машине для дорожного строительства
Блокировочные устройства с защитной блокировкой или без нее являются связанными с безопасностью частями системы управления (SRP/CS) машины (см. ISO 13849-1), или подсистемой, или элементом подсистемы электрической системы управления, связанной с безопасностью (SRECS) (см. IEC 62061), с целью предотвращения опасных ситуаций.
Примечание - Примеры устройств блокировки, реализованных в нескольких архитектурах, приведены в
приложении G.
8.2 Оценка неисправностей
Например: там, где система блокировки требует PLr e в соответствии с ISO 13849-1 или SIL 3 в соответствии с IEC 62061, требуется минимальная отказоустойчивость 1 (например, путем внедрения двух устройств блокировки Типа 1). Для достижения этой цели обычно нецелесообразно исключать неисправности, такие как неисправные приводы. Однако может оказаться приемлемым исключить некоторые неисправности, такие как короткое замыкание проводки внутри панели управления, разработанной в соответствии с соответствующими стандартами. То же самое требование применяется к PLr d и SIL 2, если не будет предоставлено полное обоснование в соответствии с ISO 13849-1 или IEC 62061.
Для приложений, использующих блокировочные устройства с автоматическим мониторингом для достижения необходимого диагностического охвата для требуемых показателей безопасности, функциональный тест (см. IEC 60204-1:2009, 9.4.2.4) может проводиться каждый раз, когда устройство изменяет свое состояние, например, при каждом доступе. В таком случае, блокировочное устройство должно использоваться с дополнительными мерами, поскольку между последовательными функциональными испытаниями увеличивается вероятность возникновения необнаруженной неисправности.
Если для выявления возможного накопления неисправностей необходимо провести функциональное испытание вручную, оно должно проводиться в течение следующих интервалов испытаний:
- по крайней мере, каждый месяц для PL e с категорией 3 или категорией 4 (в соответствии с ISO 13849-1) или SIL 3 с HFT (отказоустойчивость оборудования) = 1 (в соответствии с IEC 62061);
- не реже одного раза в 12 месяцев для PL d с категорией 3 (в соответствии с ISO 13849-1) или SIL 2 с HFT (отказоустойчивость оборудования) = 1 (в соответствии с IEC 62061).
Примечание - Рекомендуется, чтобы система управления машины требовала проведения этих испытаний через требуемые промежутки времени, например, с помощью визуального дисплея или сигнальной лампы. Система управления должна отслеживать тесты и останавливать машину, если тест пропущен или не пройден.
8.3 Предотвращение сбоев по общим причинам
8.3.1 Общие положения
Там, где предусмотрены резервные устройства блокировки, следует избегать сбоев по общим причинам (CCF).
Примечание - Используйте разнообразие вместо простого дублирования, например, с помощью мер, описанных в
8.3.2 и/или в
8.3.3.
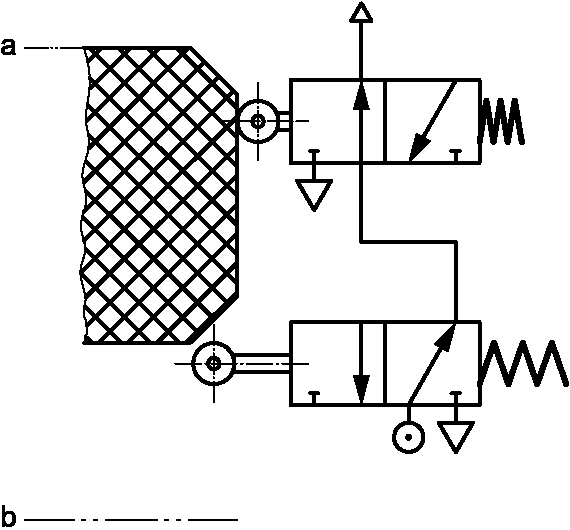
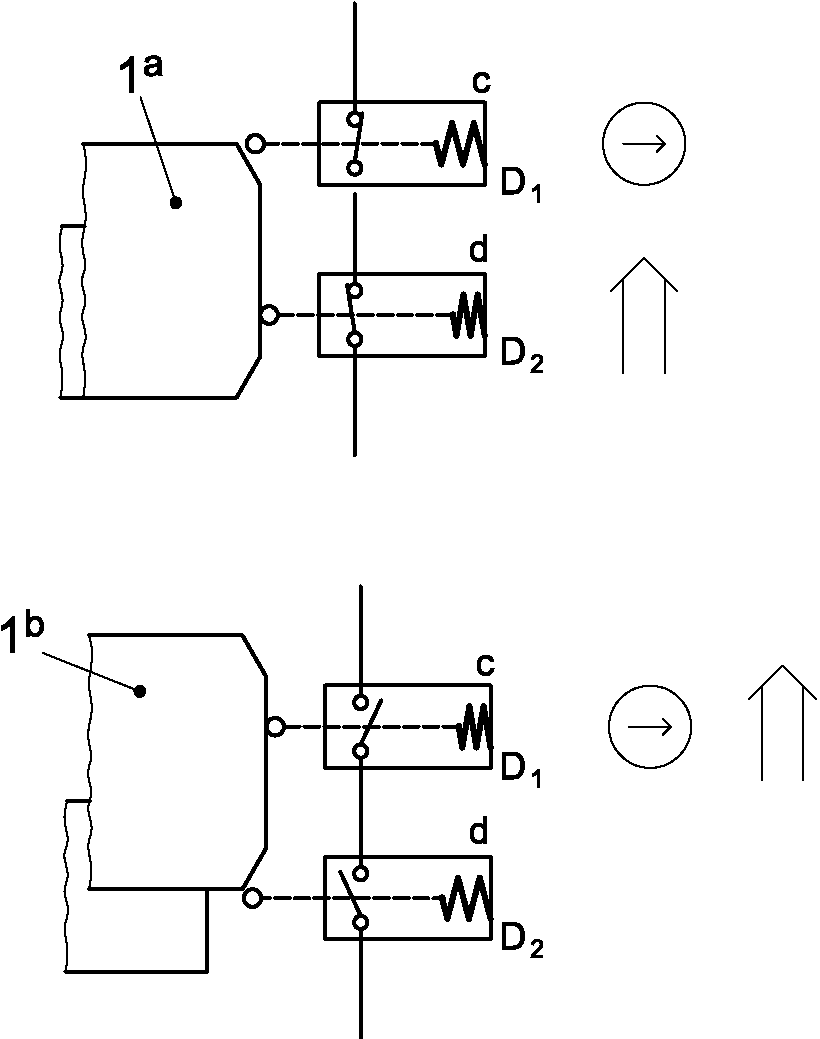
8.3.2 Прямое и непрямое механическое воздействие позиционных переключателей устройств блокировки Типа 1
Использование прямого и непрямого механического воздействия позиционных переключателей устройств блокировки Типа 1 обычно используется для предотвращения сбоев по общим причинам.
На
рисунке 12 показана комбинация прямого и непрямого механического воздействия позиционных переключателей устройств блокировки Типа 1.
Условные обозначения
1 - ограждение D1 - переключатель положения (NC) D2 - переключатель положения (NO) | a - Закрыт. b - Не закрыт. c - Прямое механическое воздействие. d - Непрямое механическое воздействие. |

переключатель приведен в действие

прямое открывающее действие
Рисунок 12 - Предотвращение выхода из строя по общей причине
двух переключателей положения с механическим приводом
за счет использования соответствующего прямого
и непрямого механического воздействия
Типичными причинами выхода из строя позиционных выключателей с механическим приводом являются:
a) чрезмерный износ исполнительной системы (например, плунжера или ролика) или исполнительного механизма, прикрепленного к защитному ограждению;
b) несовпадение между приводом и позиционным переключателем;
c) заклинивание исполнительной системы (плунжера), что делает невозможным срабатывание пружины.
В случае выхода из строя D1 или D2, разрыв цепи обеспечивается другим позиционным выключателем. Позиционные выключатели прямого механического действия, такие как D1 (см.
рисунок 12), не представляют опасности в
случае a), но не в
случае c). В
случае b) это может не представлять опасности в зависимости от смещения. Позиционные выключатели непрямого механического действия, такие как D2 (см.
рисунок 12), не представляют опасности в
случае c), но не в
случае a). В
случае b) это может не представлять опасности в зависимости от смещения.
Примечание - D2 может быть системой определения положения.
Если применяются два позиционных выключателя с механическим приводом, использующих связанное прямое и непрямое механическое воздействие, или один позиционный выключатель с механическим приводом и один позиционный выключатель немеханического действия, то для количественной оценки отказов по общей причине может быть заявлено 20 баллов за разнообразие (CCF) согласно ISO 13849-1 для этой подсистемы.
8.3.3 Разнообразие средней мощности
Чтобы свести к минимуму вероятность отказа по общей причине CCF, два независимых устройства блокировки, каждое из которых прерывает подачу питания от другого источника энергии, могут быть связаны с защитным устройством (см. пример на
рисунке A.6). В этом случае за количественную оценку CCF в соответствии с ISO 13849-1 можно претендовать на 20 баллов за разнообразие.
Пример - В машине используются гидравлические компоненты для приложения усилий, необходимых для запуска производственного процесса, в то время как управление машиной осуществляется электрически/электронно. Открытие заблокированного подвижного ограждения инициирует два независимых позиционных переключателя. Переключатель первого положения непосредственно управляет гидравлическим клапаном, который прерывает гидравлическое давление. Второй позиционный переключатель прерывает управляющее напряжение, которое приводит в действие другой клапан. Любой клапан приведет к исчезновению опасного движения. Из-за различных применяемых технологий невозможен отказ по общей причине, который мог бы привести к опасному отказу обоих позиционных переключателей.
8.4 Освобождение устройства с фиксацией закрытия
Для разблокировки устройства с фиксацией закрытия все применяемые устройства
- для определения включенного положения,
- для обнаружения условий срабатывания (например, контроль скорости или положения, временная задержка),
- для обработки логических сигналов, и
- разблокировать ограждение
являются частью SRP/CS, и соответствующая функция безопасности должна соответствовать требуемому PLr или SIL, определенному оценкой риска.
Примечания
1 Если оценка риска показывает, что в течение времени, прошедшего между обнаружением непреднамеренной разблокировки ограждения и достижением безопасного состояния машины, может возникнуть опасная ситуация, и поэтому необходимо снижение риска с помощью функции безопасности для блокировки ограждения, все устройства, подающие сигнал (раз)блокировки, являются частью SRP/CS.
2 Уровень PLr или SIL зависит от оценки риска конкретного приложения. В большинстве случаев PLr или SIL защитная функция блокировки ниже, чем PLr или SIL функции блокировки. Вероятность выхода из строя защитной функция блокировки при доступе человека обычно очень мала. Для защитной функции блокировки даже в случае отказа PLr e возможны исключения для механических частей (см. Приложение A к ISO 13849-2:2012), таблица D.8 ISO 13849-2:2012 не применяется к устройствам с фиксацией закрытия, так как D.8 относится только к устройствам блокировки.
8.5 Исключение неисправности
Если применяются исключения неисправностей, они должны соответствовать ISO 13849-1:2006, 7.3, ISO 13849-2 и IEC 62061.
Исключение возможных неисправностей должно быть рассмотрено отдельно для механики и электроники с учетом ожидаемых условий окружающей среды и внешних воздействий.
Примечания
1 Часто используемые исключения неисправностей относятся к электромеханическим переключателям. Неразмыкание нормально замкнутого контакта можно исключить, если контакт соответствует IEC 60947-5-1:2003, приложение K, см. ISO 13849-2:2012, таблица D.8.
2 В ряде случаев можно исключить неисправности механики, приводящей в действие электромеханический путевой выключатель. Обоснование см. в ISO 13849-2:2012, Приложение A. Наиболее важно учитывать ожидаемые условия окружающей среды.
3 Для получения дополнительной информации см.
6.3.2.
4 Например, конструкция системы управления может гарантировать, что подпружиненный запирающий элемент не переместится в зацепленное положение до того, как подвижное защитное ограждение будет закрыто и стационарно, т.е. задержкой по времени между закрытием двери и отключением напряжения на соленоиде.
5 Защитная функция блокировки отличается от функции контроля блокировки.
6 Для получения дополнительной информации см.
6.2.2.
Следует правильно подобрать устройство, обеспечивающее, чтобы удерживающая сила (
Fzh - см.
5.7.4) устройство с фиксацией закрытия было достаточным для того, чтобы выдерживать статические усилия на запирающем элементе (болте) и чтобы предотвращались усилия сдвига на запирающем элементе из-за отскока подвижного ограждения (см.
примечание 4: в этом случае использование исключения неисправностей при поломке запирающего элемента не обязательно ограничивает PL или SIL для функции блокировки защитного ограждения.
8.6 Логическое последовательное соединение устройств блокировки
Логическое последовательное соединение блокировочных устройств означает последовательное замыкание размыкающих контактов или параллельное замыкание замыкающих контактов. Когда устройства блокировки с резервными контактами соединены логически последовательно, обнаружение единичной неисправности может быть замаскировано срабатыванием любого устройства блокировки, логически подключенного последовательно с неисправным устройством блокировки к системе управления, связанной с безопасностью.
Предусмотрено, что при поиске неисправности (устранении неисправности) оператором сработает одно из ограждений, устройства блокировки которых логически последовательно соединены с неисправным устройством блокировки. В этом случае неисправность будет замаскирована, и должно быть рассмотрено влияние на значение охвата диагностикой.
Для последовательного соединения следует учитывать максимальный постоянный ток (см. ISO 13849-1 или IEC 62061).
Примечание - ISO/TR 24119, касающийся логического последовательного соединения устройств, находится в стадии подготовки.
8.7 Электрические условия и условия окружающей среды
8.7.1 Общие положения
Устройства электрической блокировки должны соответствовать IEC 60204-1.
Если предполагается использование устройств за пределами условий окружающей среды, установленных в IEC 60204-1, устройства блокировки должны выбираться таким образом, чтобы они соответствовали прогнозируемым условиям окружающей среды.
8.7.2 Рекомендации по производительности
Компоненты силовой блокировки должны иметь подходящую отключающую способность по току с учетом всех предвидимых ситуаций (например, перегрузки).
8.7.3 Невосприимчивость к помехам
Бесконтактные выключатели и магнитные выключатели для блокировок должны выбираться и использоваться так, чтобы предсказуемые внешние электрические, магнитные или электромагнитные поля не нарушали их работу.
8.7.4 Электрические условия эксплуатации
Когда в устройствах блокировки используются электронные компоненты, должны быть приняты необходимые меры предосторожности для предотвращения неисправности, вызванной колебаниями напряжения, переходными перенапряжениями и т.д.
9 Информация по использованию
9.1 Общие положения
Устройство блокировки может быть:
a) разработаны и изготовлены изготовителем машины с использованием доступных отдельных компонентов или
b) изготовлены и размещены на рынке как законченное устройство, готовое к использованию.
Поэтому существуют разные требования к информации для использования, которые применяются к изготовителю машины или изготовителю блокировочных устройств.
9.2 Информация по использованию, предоставленная производителем блокировочных устройств
9.2.1 Маркировка
Маркировка должна соответствовать ISO 12100:2010, 6.4.
Кроме того, устройства блокировки, спроектированные и изготовленные для использования в потенциально взрывоопасной среде, должны иметь соответствующую маркировку.
Если это невозможно из-за ограниченного пространства, в инструкции по эксплуатации должен быть указан полный адрес изготовителя и обозначение типа устройства, а устройство должно быть четко обозначено названием или логотипом изготовителя.
Маркировка должна быть достаточной для идентификации документа, содержащего информацию для использования в соответствии с
9.2.2 или
9.3, в зависимости от обстоятельств.
Примечание - Целью маркировки является идентификация изготовителя и указание предполагаемой функциональности компонента (например, тип или символ для прямого открывания).
Рисунок 13 - Символ контроля блокировки запорных элементов
[Примечание - Для государств - членов Евразийского экономического союза маркировка, характеризующая продукцию, должна соответствовать требованиям
[1]].
Изготовитель блокировочного устройства должен указать в инструкции следующее:
a) фирменное наименование и полный адрес производителя и, при необходимости, его уполномоченного представителя;
b) обозначение блокировочного устройства;
c) обозначение серии или типа;
d) общее описание устройства блокировки;
e) чертежи, схемы, описания и пояснения, необходимые для использования, технического обслуживания и ремонта блокировочного устройства и для проверки его правильного функционирования;
f) описание предполагаемого использования блокировочного устройства;
g) инструкции по сборке, установке и подключению, включая чертежи, схемы и способы крепления блокировочного устройства;
h) инструкции по вводу в эксплуатацию и использованию блокировочного устройства и, при необходимости, инструкции по обучению операторов;
i) описание операций по регулировке и техническому обслуживанию, которые должен выполнять пользователь, и мер профилактического обслуживания, которые следует соблюдать;
j) инструкции, предназначенные для безопасного выполнения регулировки и технического обслуживания, включая защитные меры, которые следует принимать во время этих операций;
k) любые данные, необходимые пользователю для определения PL или SIL для предполагаемой(ых) функции(й) безопасности.
Кроме того, в соответствующих случаях должно быть указано следующее:
l) предупреждения, касающиеся разумно предсказуемого неправильного использования;
m) предупреждение о том, что само устройство не содержит средства сброса для аварийного и вспомогательного снятия защитной блокировки и что для этого требуются дополнительные меры (см.
5.7.5.3 и
5.7.5.4);
n) обязательное декларирование;
o) удерживающая сила F
zh согласно
5.7.4;
p) диапазон рабочего хода;
q) спецификации запасных частей, которые будут использоваться, когда они влияют на здоровье и безопасность операторов;
r) максимальное значение выдерживаемой энергии удара, в Дж, если устройство можно использовать в качестве механического упора;
s) максимальный пиковый ток и напряжение системы вывода позиционного выключателя;
t) информацию о невозможности доступа к ручному приводу аварийного выхода из-за пределов охраняемой зоны или о необходимости принятия дополнительных мер для снижения риска неправильного приведения в действие;
u) там, где системы блокировки основаны на специальных приводах или ключах (кодированных или нет), в руководстве по эксплуатации должны быть даны рекомендации относительно рисков, связанных с наличием запасных приводов, ключей и мастер-ключей, и о том, что любые запасные приводы или ключи должны надежно контролироваться. Это также включает в себя ключи сброса для аварийного сброса и сброса;
v) уровень кодирования (низкий, средний, высокий) для кодированных устройств блокировки (Тип 2 или Тип 4).
9.3 Информация по применению, предоставленная производителем машины
9.3.1 Маркировка
Специальная маркировка не требуется.
Изготовитель машины должен включить соответствующую информацию из
9.2.2 относительно блокировочных устройств в инструкции по эксплуатации машины.
(справочное)
УСТРОЙСТВО БЛОКИРОВКИ ТИПА 1 - ПРИМЕРЫ
A.1.1 Описание
Одно блокировочное устройство Типа 1 с позиционным выключателем, приводимым в действие прямым механическим действием, контролирует положение подвижного ограждения (см.
5.4 и
рисунок A.1).
a) Подвижное ограждение закрыто
b) Подвижное ограждение не закрыто
Условные обозначения
A - подвижное ограждение B - привод (кулачок) | C - переключатель положения 1 - направление открытия |
Рисунок A.1 - Блокировочное устройство Типа 1 с позиционным
переключателем, приводимым в действие вращающимся кулачком
A.1.2 Типичные характеристики
- прямое механическое воздействие исполнительного механизма (вращающегося кулачка) (B) на исполнительную систему позиционного выключателя (C);
- возможность прямого размыкания размыкающего контакта позиционного выключателя за счет прямого механического воздействия (см.
3.11);
- невозможность отключения путем ручного управления исполнительной системой без снятия поворотного кулачка или позиционного выключателя;
- Не подвергается опасности в случае:
- выход из строя механической связи между ограждением и позиционным выключателем (износ или поломка привода),
- несовпадение позиционного переключателя и кулачка.
A.1.3 Примечания
- Поскольку отсутствие подвижного ограждения не обнаруживается, важно, чтобы ограждение нельзя было демонтировать без инструментов;
- см. также
Примечание - Для исключения неисправности см.
8.5.
A.2.1 Описание
Одно блокировочное устройство Типа 1 с позиционным выключателем, приводимым в действие прямым механическим действием, контролирует положение подвижного ограждения (см.
5.4 и
рисунок A.2).
a) Подвижное ограждение закрыто
b) Подвижное ограждение не закрыто
Условные обозначения
A - подвижное ограждение B - привод (кулачок) | C - переключатель положения 1 - направление открытия |
Рисунок A.2 - Блокировочное устройство Типа 1
с линейным кулачковым выключателем положения
A.2.2 Типичные характеристики
- прямое механическое воздействие исполнительного механизма (линейного кулачка) (B) на исполнительную систему позиционного выключателя (C);
- возможность прямого размыкания размыкающего контакта позиционного выключателя за счет прямого механического воздействия (см.
3.11);
- невозможность отключения путем ручного управления исполнительной системой без снятия линейного кулачка или позиционного выключателя.
Не подвергается опасности в случае:
- выход из строя механической связи между ограждением и позиционным выключателем (износ или поломка привода),
- несовпадение позиционного переключателя и кулачка.
A.2.3 Примечания
- поскольку отсутствие подвижного ограждения и/или привода не обнаруживается, важно, чтобы ограждение и/или привод нельзя было демонтировать без инструментов;
- см. также
Примечание - Для исключения неисправности см.
8.5.
A.3.1 Описание
Однопозиционный переключатель, установленный внутри шарнира (см.
рисунок A.3).
a) Подвижное ограждение закрыто
b) Подвижное ограждение не закрыто
Условные обозначения
1 - подвижное ограждение
2 - шарнирное запирающее устройство
3 - неподвижная часть ограждения
Рисунок A.3 - Шарнирное блокировочное устройство
A.3.2 Типичные характеристики
- прямое механическое действие встроенного позиционного выключателя;
- справиться с ним, не спешившись, невозможно;
- работает как шарнир для подвижной части ограждения;
- регулировка точки переключения должна быть точной и поэтому может не подходить для широких подвижных ограждений;
- можно использовать только для навесных подвижных ограждений.
A.3.3 Замечания
Поскольку отсутствие подвижного ограждения не обнаружено, по существу, подвижное ограждение невозможно демонтировать без инструментов.
A.4 Пневматические/гидравлические блокировочные устройства
A.4.1 Примеры
Примеры пневматических/гидравлических блокировочных устройств показаны на
рисунке A.4 -
A.6.
Условные обозначения
a - Закрыто.
b - Не закрыто.
Рисунок A.4 - Одиночный клапан (выходная система)
с прямым механическим действием одиночного клапана
подвижным ограждением
Условные обозначения
a - Закрыто.
b - Не закрыто.
Рисунок A.5 - Два клапана (выходная система)
Условные обозначения
1 - подвижное ограждение a - подвижное ограждение закрыто. | b - Подвижное ограждение не закрыто. c - Для машинных приводов. |
A - независимое блокировочное устройство, действующее на электрическую цепь управления (с автоматическим контролем) | B - независимое блокировочное устройство, действующее на гидравлический контур (силовая блокировка, см. 8.7.2), когда возможно прямое прерывание силового контура |
Рисунок A.6 - Гибридное (электрическое и гидравлическое)
блокировочное устройство
A.4.2 Примечания
Гибридное блокировочное устройство особенно важно в очень суровых условиях окружающей среды, которые могут вызвать "отказы по общей причине" (т.е. одновременные отказы по одной и той же причине) компонентов с одинаковой технологией, например, расплавление изоляционного слоя проводников на машине, работающей в жарких условиях, или одновременный выход из строя двух бесконтактных датчиков под действием электрических или электромагнитных помех.
(справочное)
| | ИС МЕГАНОРМ: примечание. Название Приложения дано в соответствии с официальным текстом документа. | |
УСТРОЙСТВО БЛОКИРОВКИ ТИПА 1 - ПРИМЕРЫ
B.1 Позиционный переключатель с язычковым приводом
B.1.1 Описание
Одно блокировочное устройство Типа 2 с позиционным выключателем, приводимым в действие прямым механическим действием, контролирует положение подвижного ограждения (см.
рисунки B.1 и
B.2).
Условные обозначения
1 - переключатель положения
2 - исполнительный механизм (образный язычок)
Рисунок B.1 - Позиционный переключатель
с кодовым рычажным приводом
| |
a) Подвижное ограждение закрыто | b) Подвижное ограждение не закрыто |
Условные обозначения |
1a - Положение внутреннего вращающегося кулачка, когда подвижная защита закрыта. 2a - Язычок вставлен. 3a - Переключающий элемент закрыт. | 1b - Положение внутреннего вращающегося кулачка, когда подвижная защита не закрыта. 2b - Язычок не вставлен. 3b - Переключающий элемент не закрыт. |
Рисунок B.2 - Принцип работы рычажного
позиционного выключателя
B.1.2 Типичные характеристики
- простой принцип для встроенных устройств с фиксацией закрытия;
- особенно подходит для использования на открывающемся краю подвижного ограждения;
- прямое механическое воздействие на привод позиционного выключателя;
- возможность прямого размыкания размыкающего контакта позиционного выключателя за счет прямого механического воздействия (см.
3.11);
- из-за низкоуровневого кодирования могут потребоваться дополнительные меры против взлома;
- могут быть повреждены из-за смещения во время жизненного цикла машины;
- может испортиться из-за загрязнения;
- удар от привода может причинить вред людям.
B.1.3 Примечания
О мерах по минимизации поражения см.
пункт 7.
B.2.1 Описание
Блокировочное устройство с заблокированным ключом представляет собой блокировочное устройство, основанное на передаче ключей между элементом управления и замком, закрепленным на защитном ограждении (защитный замок) (см.
рисунок B.4).
В блокировочном устройстве с защелкивающимся ключом защитный замок и переключающий элемент, который также включает в себя замок, являются отдельными, а не объединенными в единое целое.
Существенной особенностью системы является то, что вынимаемый ключ застревает либо в защитном замке, либо в замке выключателя. Замок на защитной решетке устроен так, что ключ можно высвободить только тогда, когда защитная решетка закрыта и заперта. Это позволяет передать ключ от ограждения к замку выключателя. Замыкание переключателя захватывает ключ, поэтому его нельзя извлечь, пока переключатель находится в положении ON (см.
рисунок B.3 и
B.5).
Если имеется более одного источника питания и, следовательно, более одного элемента в системе вывода, который должен быть приведен в действие, то необходим ящик для обмена ключами (D), в который все ключи должны быть переданы и заблокированы перед доступом. Ключ, который имеет другую кодировку ключа, может быть разблокирован для передачи в защитный замок. При наличии более одного ограждения обменный ящик может вместить эквивалентное количество ключей доступа (см.
рисунок B.6).
Если для целей процесса или безопасности необходимо выполнить ряд операций в определенной последовательности, то передаваемый ключ запирается и заменяется на другой на каждом этапе. Обменный ящик может быть заодно с замком.
a) Питание подключено, ключ застрял
b) Питание отключено, ключ можно вынуть
c) Питание отключено и заблокировано
болтовым замком, ключ отпущен
Условные обозначения
1 - выключатель
2 - болтовой замок
3 - привод (ключ)
Рисунок B.3 - Принцип блокировки
заблокированного ключа - Шаг 1
a) Подвижное ограждение закрыто и заблокировано
b) Подвижное ограждение закрыто, не заблокировано, ключ
привода вставлен, повернут и заблокирован
c) Подвижное ограждение не закрыто, болт
не выдвигается, поэтому застрял ключ привода
Условные обозначения
1 - подвижное ограждение
2 - болтовой замок
3 - привод (ключ)
Рисунок B.4 - Принцип блокировки защелкивающегося ключа
с помощью выдвижного болта. Этап 2
a) Под напряжением с отказом в доступе
b) Обесточено с включенным доступом
Условные обозначения
1 - система вывода
2 - блокировка системы вывода
3 - замок на ограждении(ях)
4 - стопорный болт/защелка, прикрепленная к подвижному ограждению
Рисунок B.5 - Простая базовая система
a) Временная задержка, обменный ящик и многократный
вход - включено при отказе в доступе
b) Задержка времени, обменный бокс и многократный
ввод - обесточены с включенным доступом
Условные обозначения
1 - система вывода
2 - блокировка системы вывода
3 - устройство задержки времени
4 - коробка для обмена ключами
5 - замок(и) на ограждении(ях)
6 - стопорный болт/защелка, прикрепленная к подвижному ограждению
Рисунок B.6 - Комплексная система
B.2.2 Типичные характеристики
- отсутствие снижения целостности из-за расстояния между подвижным ограждением и системой управления;
- нет необходимости в электропроводке к каждому подвижному ограждению;
- может быть удобен, когда подвижное ограждение находится в агрессивной среде;
- можно использовать, когда подвижное ограждение можно полностью снять;
- особенно подходит, когда на машине имеется несколько различных типов источников питания и для блокировки питания;
- не подходит для приложений, требующих очень быстрого времени доступа;
- дубликаты ключей могут стать доступными для взлома (см.
пункт 7);
- удар стопорного болта/защелки может причинить вред людям;
- ключи старого образца легко взломать.
B.2.3 Примечания
Задержка между открытием системы вывода и отпиранием охранника обеспечивается только временем передачи ключа (увеличиваемым, при необходимости, устройством задержки времени).
Индивидуальное кодирование систем ключевого доступа
Индивидуальное кодирование ключа предотвращает непреднамеренное использование одной и той же кодировки ключа двумя или более блокировками, что может привести к возникновению опасности. Например, на фабрике есть две машины A и B: ключ, который выключает и обеспечивает безопасный доступ к машине A, не может использоваться для доступа или управления машиной B.
Индивидуальное кодирование ключей может поддерживаться для каждого завода/объекта или организации либо путем индивидуального управления предприятием, либо с помощью производителей блокировок, которые предлагают уникальное кодирование ключей. Ключи и приводы должны быть однозначно и четко обозначены, чтобы избежать путаницы.
Примечание -
Индивидуальное кодирование - это когда одно и то же кодирование не является общим для всех устройств. Это может быть достигнуто кодированием среднего или высокого уровня, см.
таблицу 3.
(справочное)
| | ИС МЕГАНОРМ: примечание. Название Приложения дано в соответствии с официальным текстом документа. | |
УСТРОЙСТВО БЛОКИРОВКИ ТИПА 1 - ПРИМЕРЫ
C.1 Описание
Блокировочное устройство Типа 3, состоящее из одного или нескольких позиционных переключателей с немеханическим приводом (индуктивных, магнитных, емкостных, ультразвуковых или оптических бесконтактных переключателей), приводимых в действие некодируемым приводом, соединенным с подвижным ограждением (см.
рисунок C.1).
a) Подвижное ограждение закрыто
b) Подвижное ограждение не закрыто
Условные обозначения
1 - подвижное ограждение
2 - блокировочное устройство
3 - привод
4 - бесконтактный переключатель
5 - исполнительная система
6 - система вывода
Рисунок C.1 - Блокировочное устройство Типа 3
с бесконтактным выключателем, приводимым в действие
некодируемым приводом
Для выполнения требований по полноте безопасности в большинстве случаев потребуются два однопозиционных переключателя с контролем, если только однопозиционный переключатель не соответствует требованиям IEC 60947-5-3 (см. также
5.4).
C.2 Типичные характеристики
- отсутствие движущихся частей;
- высокая устойчивость к пыли, жидкостям;
- легко содержать в чистоте;
- в связи с отсутствием кодирования требуются дополнительные меры против поражения;
- ограниченные возможности применения.
C.3 Примечания
Меры по минимизации поражения см. в
пункте 7.
(справочное)
| | ИС МЕГАНОРМ: примечание. Название Приложения дано в соответствии с официальным текстом документа. | |
УСТРОЙСТВО БЛОКИРОВКИ ТИПА 1 - ПРИМЕРЫ
D.1 Блокировочное устройство с кодовым магнитным приводом
D.1.1 Описание
Блокировочное устройство Типа 4 с позиционным выключателем, приводимым в действие кодированным магнитным приводом, связанным с подвижным ограждением, размыкает свои контакты, когда ограждение не закрыто (см.
рисунок D.1).
a) Подвижное ограждение закрыто
b) Подвижное ограждение не закрыто
Условные обозначения
1 - направление открытия 2 - блокировочное устройство Типа 4 | 3 - закодированный магнитный привод 4 - подвижное ограждение |
Рисунок D.1 - Пример устройства блокировки Типа 4
с позиционным выключателем, приводимым в действие
кодовым магнитным приводом
D.1.2 Типичные характеристики
- компактный, без внешних движущихся частей;
- высокая устойчивость к пыли, жидкостям;
- легко содержать в чистоте;
- закодировано;
- устойчивость к смещению ограждения;
- чувствительны к электромагнитным помехам;
- если используются герконы, они чувствительны к вибрациям, ударам и кратковременным электрическим воздействиям;
- кодирование среднего или высокого уровня недоступно.
D.1.3 Примечания
Меры по минимизации поражения см. в
разделе 7.
D.2 Кодированное блокировочное устройство с RFID-управлением
D.2.1 Описание
Блокировочное устройство Типа 4 с переключателем положения, приводимым в действие приводом с кодированной RFID-меткой, связанным с подвижным ограждением, размыкает свои контакты, когда ограждение не закрыто (см.
рисунок D.2).
Условные обозначения
1 - направление открытия 2 - блокировочное устройство Типа 4 | 3 - закодированный активатор RFID-метки 4 - подвижное ограждение |
Рисунок D.2 - Пример устройства блокировки Типа 4
с позиционным выключателем, приводимым в действие
активатором кодированной RFID-метки
D.2.2 Типичные характеристики
- компактный, без внешних движущихся частей;
- высокая устойчивость к пыли, жидкостям;
- легко содержать в чистоте;
- возможно кодирование среднего и высокого уровня;
- устойчивость к смещению ограждения;
- возможная чувствительность к электромагнитным помехам.
D.2.3 Примечания
О мерах по минимизации поражения см.
пункт 7.
(справочное)
ПРИМЕРЫ ДРУГИХ БЛОКИРОВОЧНЫХ УСТРОЙСТВ
E.1 Механическая блокировка между подвижным ограждением и подвижным элементом
E.1.1 Описание
Прямая механическая блокировка между подвижным ограждением и опасным подвижным элементом (см.
рисунок E.1).
Обеспечивается функция блокировочного защитного ограждения с запирающим устройством.
| |
a) Подвижное ограждение закрыто | b) Подвижное ограждение не закрыто |
Условные обозначения |
1 - подвижное ограждение 2 - подвижный элемент - свободен: пока подвижный элемент не находится в состоянии покоя, подвижная защита заблокирована в закрытом положении | 1 - подвижное ограждение 2 - подвижный элемент - заблокирован: как только подвижное защитное ограждение больше не находится в закрытом положении, подвижный элемент заблокирован |
Рисунок E.1 - Пример механической блокировки
подвижного ограждения и подвижного элемента
E.1.2 Примечания
- Приложение ограничено очень простыми механизмами.
- Может потребоваться ручное позиционирование подвижной части, чтобы можно было открыть подвижное ограждение. Это должно быть возможно без попадания в опасную зону.
(справочное)
ПРИМЕР УСТРОЙСТВ С ФИКСАЦИЕЙ ЗАКРЫТИЯ
F.1 Пример устройства блокировки с раздельным определением положения защитного ограждения и положения средств блокировки
F.1.1 Описание
На
рисунке F.1 показано блокировочное устройство Типа 2 со встроенным защитным замком и контролем блокировки защитного ограждения. Привод показан в закрытом положении подвижного ограждения, соединенного с приводом. Соленоид блокировки защитного ограждения находится в положении блокировки, удерживаемом пружиной. Если на соленоид подается питание, поршень соленоида перемещается вправо, сжимая пружину. Контакт контроля двери открывается с помощью рычага, соединенного с плунжером соленоида. Теперь блокировочный плунжер может быть перемещен вниз путем открывания защитного ограждения и прикрепленного исполнительного механизма. В незакрытом положении защитного ограждения широкая часть блокировочного плунжера препятствует перемещению запорного механизма в запирающее положение (механизм предотвращения непреднамеренного запирания). При соединении блокировочного плунжера с контактом в одном устройстве можно контролировать как блокировку, так и положение блокировки защитного ограждения.

Условные обозначения
1 - привод 2 - приводная головка 3 - блокировочный плунжер 4 - соленоид блокировки защиты | 5 - контакт контроля блокировки 6 - контакт контроля запирания ограждения 7 - корпус |
Рисунок F.1 - Блокировочное устройство с фиксацией закрытия
с подпружиненным/отпускаемым усилием
F.1.2 Типичная характеристика
Предусмотрена отдельная индикация состояния подвижного ограждения.
F.2 Функция блокировки, обеспечиваемая раздельным определением положения защитного ограждения и положения устройства с фиксацией закрытия ограждения
F.2.1 Описание
C1 определяет положение подвижного ограждения. C 2 определяет положение запирающего устройства (см.
рисунок F.2).
Условные обозначения
C1 - определяет положение подвижного ограждения C2 - обнаруживает положение запорного устройства | a - Закрыто b - Не закрыто |
Примечание - C
1 и C
2 могут быть детекторами любого технологического типа (см.
4.1).
Рисунок F.2 - Раздельное определение положения подвижного
ограждения и устройства с фиксацией закрытия
F.2.2 Типичная характеристика
Предусмотрена отдельная индикация состояния подвижного ограждения.
F.3 Функция блокировки, обеспечиваемая определением положения замка только путем определения положения устройства блокировки
F.3.1 Описание
Определяя положение запирающего устройства, одиночный детектор (C) также может использоваться для контроля положения подвижного ограждения, при условии, что закрытое положение ограждения точно и надежно определяется за счет хорошему конструированию и конструкции контакта защитного устройства с запирающим устройством и подвижного защитного узла (см.
рисунок F.3).
Условные обозначения
C - обнаруживает положение запорного устройства | a - Закрыто. b - Не закрыто. |
Примечание - C может быть детектором любого технологического типа (см.
4.1).
Рисунок F.3 - Комбинированное определение положения
подвижного ограждения и запирающего устройства
F.3.2 Типичная характеристика
Отдельной индикации состояния подвижного ограждения не предусмотрено.
F.4 Блокировочное устройство с электромагнитным устройством с фиксацией закрытия
F.4.1 Описание
Запирание закрытого подвижного ограждения осуществляется электромагнитным способом (электромагнитный принцип действия, см.
рисунок F.4). Функция блокировки обеспечивается за счет определения положения защитного ограждения. Функция блокировки включает в себя контроль электромагнитной силы. Принудительное открытие приведет к срабатыванию функции реакции, т.е. 10-минутная задержка, пока не станет возможным сброс (см.
5.7.3.3).
Условные обозначения
1 - кодированный привод 2 - магнитная удерживающая пластина 3 - защитный электромагнит блокировки | 4 - бесконтактный позиционный переключатель 5 - подвижное ограждение |
Рисунок F.4 - Блокировочное устройство с электромагнитным
устройством с фиксацией закрытия
F.4.2 Типичные характеристики
- легко моется благодаря герметизации;
- высокая устойчивость к пыли и жидкости;
- компактный, без движущихся частей;
- разблокировка при отключении питания в зависимости от исполнения;
- очень высокая удерживающая сила недоступна.
F.5 Блокировочное устройство с защитным замком, с ручным устройством замедления
F.5.1 Описание
Резьбовой штифт проворачивают вручную (безусловная разблокировка, согласно
рисунку 4, см.
рисунок F.5). Время, прошедшее между размыканием выключателя и освобождением защитного ограждения, определяется таким образом, чтобы оно было больше, чем время, необходимое для остановки опасных функций.
В незакрытом состоянии подвижная защита предотвращает повторное завинчивание штифта, тем самым замыкая контакты переключателя.
Условные обозначения
1 - подвижное ограждение 2 - переключатель положения | a - Закрыто. b - Не закрыто. |
Рисунок F.5 - Блокировочное устройство с защитным
запиранием, с ручным устройством замедления
F.5.2 Типичные характеристики
- надежность через простоту;
- можно быстро разблокировать с помощью дополнительных средств, например, с помощью электрических отверток.
F.5.3 Примечания
Подходит только для приложений с низкочастотными операциями.
(справочное)
ПРИМЕРЫ ПРИМЕНЕНИЯ БЛОКИРОВОЧНЫХ УСТРОЙСТВ, ИСПОЛЬЗУЕМЫХ
В РАМКАХ ФУНКЦИИ БЕЗОПАСНОСТИ
G.1 Общие положения
Описания в данном приложении ограничены соответствующими категориями согласно ISO 13849-1 в отношении отказоустойчивости аппаратных средств (архитектуры). Для достижения требуемых характеристик, связанных с безопасностью, необходимо учитывать дополнительные требования (например, охват диагностикой).
G.2 Пример 1 - Категория 1
Условные обозначения
1 - не закрыто B1 - позиции с контролем положения ограждения  прямое открывающее действие | 2 - закрыто Q1 - контактор |
Рисунок G.1 - Контроль положения подвижных ограждений
для предотвращения опасных движений
G.2.1 Функция безопасности
- Функция остановки, связанная с безопасностью, инициируемая защитным устройством: открытие подвижного ограждения запускает функцию безопасности STO - безопасное отключение крутящего момента в соответствии с IEC 61800-5-2 или категория остановки 0 в соответствии с IEC 60204-1.
G.2.2 Функциональное описание
- Открытие подвижного ограждения определяется позиционным переключателем B1 с прямым действием на открывание. B1 обесточивает контактор Q1, который останавливает опасное движение (см.
рисунок G.1).
- Функция безопасности может быть потеряна при возникновении единичных неисправностей и зависит от надежности компонентов.
- Никаких мер по обнаружению неисправностей не предпринимается.
- Снятие защитного устройства не обнаружено.
G.2.3 Особенности конструкции
Для достижения категории 1 выполняются следующие требования:
- Внедрены основные и хорошо зарекомендовавшие себя принципы безопасности и соблюдены требования категории B. Реализованы защитные схемы (например, защита контактов). Принцип обесточивания используется в качестве основного принципа безопасности. Заземление цепи управления рассматривается как хорошо зарекомендовавший себя принцип безопасности.
- Позиционный переключатель B1 имеет прямое размыкание в соответствии с ISO 13849-2:2012, таблица D.2, и считается хорошо зарекомендовавшим себя компонентом. Размыкающий контакт прерывает цепь прямым механическим воздействием, когда подвижное защитное ограждение не замкнуто.
- Контактор Q1 является хорошо зарекомендовавшим себя компонентом при условии соблюдения дополнительных условий в соответствии с ISO 13849-2:2012, таблица D.3.
- Подвижное защитное ограждение имеет устойчивое расположение для приведения в действие позиционного переключателя B1. Исполнительные элементы позиционного переключателя B1 защищены от смещения. Используются только механические детали (без пружинных элементов), обладающие достаточной жесткостью.
- Ход срабатывания позиционного переключателя соответствует спецификации производителя.
Примечание - Подробное описание, включая оценку вероятности опасного отказа в час, доступно в разделе 8.2.5 справочной информации
[16].
G.3 Пример 2 - Категория 3
G.3.1 Функции безопасности
- Неоткрывание подвижного ограждения до тех пор, пока частота вращения приводного двигателя больше нуля;
- Предотвращение неожиданного запуска, когда подвижное ограждение разблокировано или не закрыто.
G.3.2 Функциональное описание
- Доступ к опасному движению предотвращается подвижным ограждением, которое закрывается и блокируется, когда двигатель включен или останавливается (см.
рисунок G.2). Подвижное защитное ограждение открывается и может быть открыто, когда запирающий элемент (засов) вынимается путем включения отпирающего соленоида. Открывающий соленоид может быть включен только тогда, когда двигатель остановлен. Это достигается с помощью монитора остановки K4.
Условные обозначения
a - подвижное ограждение не закрыто b - подвижное ограждение закрыто 2 - выемка для вставки болта 3 - запорный элемент (болт) 4a - болт в закрытом положении 4b - болт в выдвинутом положении 5 - устройство с фиксацией закрытия 6 - соленоид разблокировки 7 - подвижное ограждение  рабочее положение, дверь закрыта  прямое открывающее действие | 1 - стоп 2 - начало S3 - замок S4 - разблокировать K1 - логический блок мониторинга Q2 - контактор Q3 - контактор K4 - монитор безопасности Q5 - контактор F1 - пружина B1 - запирающий элемент контроля положения переключателя B2 - переключатель положения, контролирующий положение защитного ограждения |
Рисунок G.2 - Устройство с фиксацией закрытия с защитным
реле и монитором состояния покоя - Категория 3
- Запуск двигателя нажатием кнопки пуска S2 возможен только при закрытой подвижной решетке (закрыта B2) и заблокированной (закрыта B1); Q2, Q3 и Q5 обесточены, поэтому петля обратной связи K1 замкнута. Когда S2 на мгновение закрывается, на Q2 и Q3 подается питание, и они остаются закрытыми. Подача питания на двигатель включена.
- При нажатии кнопки остановки S1, Q2 и Q3 обесточиваются, и двигатель останавливается.
- Открытие подвижного ограждения во время движения двигателя предотвращается запирающим элементом (болтом). Открытие возможно только при отпущенном затворе. Для освобождения болта требуется следующая процедура:
- нажимной выключатель S1; Q2 и Q3 обесточиваются и их контакты меняют состояние;
- нажмите переключатель разблокировки S4, чтобы запросить разблокировку (Q5 получает питание и фиксируется);
- при остановке двигателя выход датчика состояния покоя K4 замыкается;
- на открывающий соленоид подается питание, запирающий элемент (ригель) перемещается в положение открывания.
Запрос на разблокировку отменяется нажатием переключателя блокировки S3; Q5 обесточивается.
- когда подвижная решетка закрыта, подпружиненный стопорный элемент (болт) входит в предусмотренный паз. Подвижная защита блокируется, а B1 и B2 закрываются.
- выходы K1 размыкаются, если разомкнута одна из входных цепей B1 (контролирующий запирающий элемент) или B2 (контрольное ограждение).
G.3.3 Особенности конструкции
Для достижения Категории 3 выполняются следующие требования:
- Соблюдаются основные и проверенные принципы безопасности и выполняются требования категории B. Реализованы защитные схемы (например, защита от прикосновения).
- Рассмотрены неисправности проводки (ISO 13849-2:2012, таблица D.4). Короткие замыкания обнаруживаются, и инициируется безопасное состояние, или кабели прокладываются так, чтобы можно было исключить неисправности.
- Контакторные реле Q2, Q3 и Q5 имеют механически связанные контактные элементы в соответствии с IEC 60947-5-1:2003, Приложение L.
- Для обеспечения безопасности при единичной неисправности, необходимой для системы категории 3, позиционный выключатель B2 является отдельным позиционным выключателем (механически независимым от срабатывания B1).
- Позиционный выключатель B1 имеет прямое размыкающее действие в соответствии с IEC 60947-5-1:2003, приложение K, поэтому допускается исключение неисправности из-за неразмыкания из-за приваривания контакта.
- Устройство с фиксацией закрытия с подпружиненным запирающим элементом (ригелем), соленоид отпирания и переключатель положения контроля запорного элемента B1 размещены в одном корпусе. Выемка для вставки болта является частью подвижной защиты.
- Пружина устройства с фиксацией закрытия ограждения представляет собой хорошо зарекомендовавшую себя пружину в соответствии с ISO 13849-2:2012, таблица A.3. Кроме того, пружина имеет постоянную отказоустойчивость в соответствии с EN 13906-1 (исключение неисправности из-за "разрыва пружины"). Отпирающий соленоид не срабатывает без электрического входа.
- Исключение неисправности "Обрыв запирающего элемента (ригеля)" по причине:
- правильный выбор устройств, обеспечивающих, чтобы удерживающая сила (Fzh) устройства с фиксацией закрытия была достаточной, чтобы выдерживать статические усилия на запирающем ригеле и
- предотвращены динамические нагрузки на стопорный болт из-за отскока или подпрыгивания подвижного защитного ограждения. Конструкция системы управления гарантирует, что подпружиненный запорный элемент (ригель) не переместится в закрытое положение до того, как подвижная защита будет закрыта и стационарна, т.е. по временной задержке между закрытием двери и обесточиванием соленоида (не показано на
рисунке G.2).
Использование исключения неисправностей для поломки стопорного болта не обязательно ограничивает PL или SIL для функции безопасности.
- Из-за конструктивного исполнения запирающий элемент (ригель) не может достичь закрытого положения (запирающего положения защитного ограждения), когда подвижное защитное ограждение не закрыто (предотвращение непреднамеренного запирающего положения).
- K1 - это контрольный логический блок, отвечающий как минимум требованиям категории 3 в соответствии с ISO 13849-1. Входные цепи контролируются на замыкания на землю и напряжение питания. Безопасное состояние инициируется при обнаружении неисправности. Релевантный для безопасности выход может быть активирован только при замкнутых входных цепях и контуре обратной связи. Ошибки, такие как приваривание контактов Q2, Q3 или Q5, обнаруживаются цепью обратной связи K1.
- Монитор состояния покоя K4 соответствует как минимум требованиям категории 3 в соответствии с ISO 13849-1. Он контролирует входные цепи на наличие коротких замыканий на контактах, обрывов проводов к двигателю и коротких замыканий на напряжение питания. Безопасное состояние инициируется при обнаружении неисправности.
- Выключатели B1 и B2 также проверяются в ходе процесса, поскольку релевантные для безопасности выходы K1 снова включаются только после срабатывания B1 и B2. Это делается путем открывания и закрывания ограждения.
G.4 Пример 3 - Категория 4
G.4.1 Функция безопасности
- Функция остановки, связанная с безопасностью, инициируемая защитным устройством: открытие подвижного ограждения инициирует функцию безопасности (STO, безопасное отключение крутящего момента в соответствии с IEC 61800-5-2 или категория остановки 0 в соответствии с IEC 60204-1).
G.4.2 Функциональное описание
- Опасное перемещение защищено подвижным ограждением (см.
рисунок G.3). Открытие подвижного ограждения обнаруживается двумя позиционными переключателями B1/B2, использующими комбинацию контактов NC/NO, и оценивается логическим блоком контроля K1. K1 обесточивает два контактора, Q1 и Q2, которые останавливают опасное движение.
Условные обозначения
1 - не закрыто 2 - закрыто 3 - схема обратной связи B1 - защитная позиция контроля положения переключателя B2 - защитная позиция контроля положения переключателя | S1 - запуск (сброс) Q1 - контактор Q2 - контактор K1 - блок логики контроля |
 показан во включенном положении |  прямое открывание |
Рисунок G.3 - Контроль положения подвижных защитных
ограждений с помощью модуля безопасности
- Позиционные выключатели контролируются на достоверность в K1 с целью обнаружения неисправности. Неисправности в Q1 и Q2 обнаруживаются внешним устройством контроля K1. Команда пуска успешна только в том случае, если главные контакты на Q1 и Q2 ранее были разомкнуты.
- Функция безопасности остается неизменной в случае неисправности компонента. Неисправности обнаруживаются во время работы или при срабатывании (открытии и закрытии) подвижного защитного устройства, что приводит к обесточиванию Q1 и Q2. Подача питания на Q1 и Q2 предотвращается до тех пор, пока неисправность не будет устранена.
G.4.3 Особенности конструкции
Для достижения Категории 4 выполняются следующие требования:
- Соблюдаются основные и проверенные принципы безопасности и выполняются требования категории B.
- Стабильное расположение защитных устройств обеспечивается при срабатывании позиционных выключателей.
- Выключатель B1 является позиционным выключателем прямого действия в соответствии с IEC 60947-5-1:2003, приложение K.
- Питающие провода к позиционным выключателям B1 и B2 прокладывают отдельно или с защитой.
- Логический блок контроля K1 удовлетворяет всем требованиям категории 4.
- Контакторы Q1 и Q2 оснащены механически соединенными контактными элементами в соответствии с IEC 60947-5-1:2003, Приложение L.
Примечания
1 Категория 4 соблюдается только в том случае, если несколько механических позиционных выключателей для различных защитных устройств не соединены последовательно (т.е. без каскадирования), так как в противном случае неисправности в выключателях не могут быть обнаружены.
2 Подробное описание, включая оценку вероятности опасного отказа в час, доступно в разделе 8.2.34 Справочника
[15].
(справочное)
МОТИВАЦИЯ ДЛЯ ОТКЛЮЧЕНИЯ БЛОКИРОВОЧНОГО УСТРОЙСТВА
Отключение блокировочных устройств может значительно увеличить риск причинения вреда, и, насколько это возможно, должны быть приняты защитные меры для сведения к минимуму последствий такого предсказуемого неправильного использования.
Примечание - Данное приложение является примером для автоматических станков. Когда принципы и таблицы, представленные в этом приложении, используются для других типов машин, рекомендуется изменить таблицу в соответствии с конкретными характеристиками машин и производства.
Мотивация для устранения блокировочных устройств защитных ограждений включает в себя несколько аспектов, один из которых заключается в том, насколько мешают защитные устройства, когда необходимо выполнить определенную задачу обработки, другой аспект заключается в том, что оператору может потребоваться тщательно контролировать и настраивать обработку, чтобы избежать брака заготовок.
Следующий метод помогает разработчику машины определить возможные стимулы для устранения блокировочных устройств. Использование этого метода требует, чтобы были учтены все предполагаемые режимы работы и защитные устройства. Каждое индивидуальное защитное устройство рассматривается отдельно, и для каждой соответствующей задачи человеку, знакомому с управлением машиной, задается следующий вопрос:
"Каковы были бы преимущества отключения защитного устройства для работы на машине?"
Таблица H.1 поддерживает выполнение процедуры. Перечислены наиболее распространенные задачи оператора в сравнении с соответствующими преимуществами при отключении блокировочных устройств. В
таблице представлены некоторые основные записи, но при необходимости могут быть добавлены дополнительные записи.
Чтобы следовать процедуре, выполняются следующие четыре шага:
a) Должны быть определены все режимы работы, предусмотренные машиной, например, режим 1 = автоматический, режим 2 = ручной и т.д.
b) Все отдельные задачи, выполняемые на машине, должны быть собраны в строках
таблицы и отмечены знаком "x" в столбце для соответствующего режима работы.
c) Следующие два столбца должны быть отмечены "Да" или "Нет", независимо от того, допустима ли предполагаемая задача в этом режиме и возможно ли это в этом режиме без поражения. Одно "Нет" в этих двух столбцах указывает на небезопасную машину. Совершенствование конструкции машины является обязательным.
d) Еще несколько столбцов заполнены потенциальными преимуществами работы без защитных устройств, такими как "Более высокая точность". Они должны быть проверены и отмечены "0" (нет), "+" (незначительный) и "++" (существенный). Записи "++" и "+" определяют условия эксплуатации, при которых меры предосторожности препятствуют рабочему процессу. Проектировщик должен проверить, возможны ли улучшенные меры предосторожности, ориентированные на практику.
Примечание - Режимы работы, ориентированные на практику, являются важным средством, позволяющим сделать отключение блокировочного устройства ненужным или непривлекательным. Ограниченные условия эксплуатации (например, пониженная скорость, управление удержанием для запуска в сочетании с разрешающим устройством, ограниченная функциональность) обеспечивают как снижение остаточного риска, так и своего рода "мотивацию к переключению" в автоматический режим (наименьший остаточный риск).
Таблица H.1
Оценка мотивации для поражения блокировочных устройств
Задача | | | | | | Задача допустима в этих режимах работы? | Задача возможна без поражения? | | Более быстрая и повышенная производительность <b> | Гибкость, например, для больших заготовок <b> | Более высокая точность <b> | | | Меньше физических усилий <b> | | Большая свобода передвижения <b> | Улучшенный поток движения <b> | | |
Начальная операция | | | | | | | | | | | | | | | | | | | |
Тестирование программы/Тестовый запуск | | | | | | | | | | | | | | | | | | | |
Преобразование настройки/регулировки/инструмента/ | | | | | | | | | | | | | | | | | | | |
Обработка | | | | | | | | | | | | | | | | | | | |
Ручное вмешательство для удаления стружки | | | | | | | | | | | | | | | | | | | |
Ручная замена заготовки | | | | | | | | | | | | | | | | | | | |
Ручное вмешательство для устранения неполадок | | | | | | | | | | | | | | | | | | | |
Проверка/случайная выборка | | | | | | | | | | | | | | | | | | | |
Ручное вмешательство для измерения/точной настройки | | | | | | | | | | | | | | | | | | | |
Ручная смена инструментов | | | | | | | | | | | | | | | | | | | |
Техническое обслуживание | | | | | | | | | | | | | | | | | | | |
Машина для устранения неисправностей | | | | | | | | | | | | | | | | | | | |
Очистка, например, удаление стружки | | | | | | | | | | | | | | | | | | | |
| | | | | | | | | | | | | | | | | | | |
| | | | | | | | | | | | | | | | | | | |
Операционный режим 1: ......................................... Операционный режим 2: ......................................... Операционный режим 3: ......................................... Операционный режим 4: ......................................... Операционный режим 5: ......................................... Режимы работы включают автоматический режим и ручной режим, как в примере, представленном в таблице H.2. <b> Преимущества без защитного устройства: 0 = Отсутствуют; + = Незначительные; ++ = Существенные. |
Если побеждающий стимул не может быть полностью устранен с помощью модифицированных или дополнительных режимов работы, тогда у дизайнера остается только один элемент. Это делается для того, чтобы затруднить или даже сделать невозможным уничтожение блокировочных устройств.
Таблица H.2
Пример оценки мотивации для устранения
блокировочных устройств на машине
Задача | Автоматический | | Задача, допустимая в этих режимах работы? | Задача возможна без поражения? | | Более быстрая и повышенная производительность <b> | Гибкость, например, для больших заготовок <b> | Более высокая точность <b> | | | Меньше физических усилий <b> | | Большая свобода передвижения <b> | Улучшенный поток движения <b> | | |
Начальная операция | | X | Да | Да | 0 | 0 | 0 | 0 | 0 | 0 | 0 | 0 | 0 | 0 | 0 | |
Тестирование программы/тестовый запуск | | X | Да | Да | 0 | 0 | 0 | 0 | 0 | 0 | 0 | 0 | 0 | 0 | 0 | |
Наладка/наладка преобразование/инструмент/ | X | | Нет | Нет | ++ | 0 | 0 | 0 | ++ | ++ | 0 | 0 | 0 | 0 | 0 | Соответствующий режим работы отсутствует |
Обработка | X | | Да | Да | 0 | 0 | 0 | 0 | 0 | 0 | 0 | 0 | 0 | 0 | 0 | |
Ручное вмешательство для удаления стружки | | | | | | | | | | | | | | | | |
Ручная смена заготовки | | | | | | | | | | | | | | | | |
Ручное вмешательство для устранения неполадок | | X | Да | Да | ++ | 0 | 0 | 0 | 0 | 0 | 0 | 0 | 0 | 0 | 0 | Необходимое улучшение |
Проверка/случайная выборка | | | | | | | | | | | | | | | | |
Ручное вмешательство для измерения | | | | | | | | | | | | | | | | |
Ручная смена инструментов | | X | Да | Да | 0 | 0 | 0 | 0 | 0 | 0 | 0 | 0 | 0 | 0 | 0 | |
Техническое обслуживание/обслуживание | | | | | | | | | | | | | | | | |
Устранение неисправностей | | | | | | | | | | | | | | | | |
Уборка, например удаление стружки | | | | | | | | | | | | | | | | |
... | | | | | | | | | | | | | | | | |
... | | | | | | | | | | | | | | | | |
<b> Преимущества без защитного устройства: 0 = нет; + = второстепенный; ++ = Существенный. |
(справочное)
ПРИМЕРЫ МАКСИМАЛЬНЫХ СТАТИЧЕСКИХ СИЛ ДЕЙСТВИЯ
Примеры в
таблице I.1 могут дать ориентацию для максимальных статических сил воздействия (см. также
[18]).
Примечание - В
таблице I.1 приведены примеры статических сил. Для некоторых применений также необходимо учитывать динамические силы.
Таблица I.1
Примеры максимальных статических сил воздействия
Направление силы | Положение | Применение силы | Силовое значение Н |
| Горизонтальное вытягивание (перетаскивание) | Сидя | Одноручный | 600 |
| Вертикально вверх | Стоя, туловище и ноги согнуты, стопы параллельны | Бимануальные горизонтальные захваты | 1 400 |
| Вертикально вверх | Стоя, свободно | Горизонтальные захваты одной рукой | 1 200 |
| Горизонтальная, параллельная плоскости симметрии тела тяга назад | Стоя прямо, ноги параллельны или в позе шага | Двуручные вертикальные захваты | 1 100 |
| Горизонтальный, параллельный плоскости симметрии тела толчок вперед | Стоя, ноги параллельны или в позе шага | Двуручные вертикальные захваты | 1 300 |
| Горизонтальный, перпендикулярный плоскости симметрии тела корпус выключен | Стоя, туловище согнуто в сторону | Надавливание плечом на металлическую пластину сбоку | 1 300 |
| Горизонтальная, перпендикулярная плоскости симметрии тела | Стоя, ноги параллельны | Вертикальный захват одной рукой | 700 |
(справочное)
СВЕДЕНИЯ О СООТВЕТСТВИИ ССЫЛОЧНЫХ МЕЖДУНАРОДНЫХ СТАНДАРТОВ
МЕЖГОСУДАРСТВЕННЫМ СТАНДАРТАМ
Таблица ДА.1
Обозначение ссылочного международного стандарта | Степень соответствия | Обозначение и наименование соответствующего межгосударственного стандарта |
ISO 12100:2010 | IDT | ГОСТ ISO 12100-2013 "Безопасность машин. Основные принципы конструирования. Оценки риска и снижения риска" |
ISO 13849-1:2006 | IDT | ГОСТ ISO 13849-1-2014 "Безопасность оборудования. Элементы систем управления, связанные с безопасностью. Часть 1. Общие принципы конструирования" |
ISO 13849-2:2012 | - | <*> |
IEC 60204-1:2009 | - | <*> |
IEC 60947-5-3 | IDT | ГОСТ IEC 60947-5-3-2017 "Аппаратура распределения и управления низковольтная. Часть 5-3. Устройства и коммутационные элементы цепей управления. Требования к близко расположенным устройствам с определенным поведением в условиях отказа" |
IEC 62061:2012 | - | <*> |
<*> Соответствующий межгосударственный стандарт отсутствует. До его принятия рекомендуется использовать перевод на русский язык данного международного стандарта. Примечание - В настоящей таблице использовано следующее условное обозначение степени соответствия стандартов: - IDT - идентичные стандарты. |
| |
[2] | ISO 13855 | Safety of machinery - Positioning of safeguards with respect to the approach speeds of parts of the human body (Безопасность машин. Расположение защитных устройств с учетом скоростей приближения частей тела человека) |
[3] | ISO 13857 | Safety of machinery - Safety distances to prevent hazard zones being reached by upper and lower limbs (Безопасность машин. Безопасные расстояния для предотвращения доступа верхних и нижних конечностей в опасные зоны) |
[4] | EN 13906-1 | Cylindrical helical springs made from round wire and bar - Calculation and design - Part 1: Compression springs (Цилиндрические перья винтов из круглых проволок и штабов. Расчет и конструкция. Часть 1: Нажимные пружины) |
[5] | ISO 14118 | Safety of machinery - Prevention of unexpected start-up (Безопасность машин. Предотвращение неожиданного пуска) |
[6] | ISO 14120 | Safety of machinery - Guards - General requirements for the design and construction of fixed and movable guards (Безопасность машин. Ограждения. Общие требования к проектированию и конструированию стационарных и подвижных ограждений) |
[7] | IEC 60529 | Degrees of protection provided by enclosures (IP code) (Степени защиты, обеспечиваемые оболочками. (Код IP)) |
[8] | IEC 60617-DB:2001 | Graphical symbols for diagrams (online database) (Графические символы для диаграмм (онлайн база данных)) |
[9] | IEC 60947-4-1 | Low-voltage switchgear and controlgear - Part 4-1: Contactors and motor-starters - Electromechanical contactors and motor-starters (Аппаратура коммутационная и механизмы управления низковольтные. Часть 4-1. Контакторы и пускатели электродвигателей) |
[10] | IEC 60947-5-1 | Low-voltage switchgear and controlgear - Part 5-1: Control circuit devices and switching elements - Electromechanical control circuit devices (Аппаратура коммутационная и механизмы управления низковольтные. Часть 5-1. Устройства коммутационные элементы цепей управления. Электромеханические устройства цепей управления) |
[11] | IEC 60947-5-2 | Low-voltage switchgear and controlgear - Part 5-2: Control circuit devices and switching elements - Proximity switches (Аппаратура распределения и управления низковольтная. Часть 5-2: Аппараты и коммутационные элементы цепей управления - Бесконтактные датчики) |
[12] | ISO/TR 23849 | Guidance on the application of ISO 13849-1 and IEC 62061 in the design of safety related control systems for machinery (Руководство по применению ISO 13849-1 и IEC 62061 при проектировании систем управления оборудованием, связанных с безопасностью) |
[13] | IEC/TR 62061-1 | Guidance on the application of ISO 13849-1 and IEC 62061 in the design of safetyrelated control systems for machinery (Руководство по применению ISO 13849-1 и IEC 62061 при проектировании систем управления оборудованием, связанных с безопасностью) |
[14] | ISO/TR 24119 | Safety of machinery - Evaluation of fault masking in serial connections of guard interlocking devices with potential-free contacts (Безопасность машин. Оценка блокирования неисправностей блокировочных устройств с беспотенциальными контактами последовательного подключения, связанных с защитными устройствами) |
| EN 953+A1 | Safety of machinery - Guards - General requirements for the design and construction of fixed and movable guards (Безопасность машин. Защитные устройства. Общие требования по конструированию и изготовлению неподвижных и перемещаемых устройств) |
| Assessment matrix of the incentive to bypass a protective device, BGIA: <www.dguv.de/ifa/ en/pra/manipulation/index.jsp > <1> (Матрица оценки побуждения к обходу защитного устройства, BGIA: <www.dguv.de/ifa/ en/pra/manipulation/index.jsp > <1> |
[17] | Report BGIA 2/2008e, Functional safety of machine controls and additional Software, BGIA: <http://www.dguv.de/bgia/en/pra/en13849/index.jsp> (Отчет BGIA 2/2008e, Функциональная безопасность органов управления машиной и дополнительное программное обеспечение, BGIA: <http://www.dguv.de/bgia/en/pra/en13849/index.jsp>) |
| Handbuch der Ergonomie. HdE; mit ergonomischen Konstruktionsrichtlinien und Methoden / hrsg. vom Bundesamt  Wehrtechnik und Beschaffung. [Wiss. Berab. Heinz Schmidtke] Koblenz : Bundesamt  Wehrtechnik und Beschaffung Losebl.-Ausg. 2.,  und erw. Aufl. 1989 ISBN3-927038-70-9 (Руководство ErgoHeтmie. HdE; с соответствующими руководящими принципами и методами проектирования/под редакцией Федерального управления военной техники и закупок. [научный руководитель Хайнц Шмидтке] Кобленц: Федеральное управление оборонных технологий и закупок Losebl.-Ausg. 2-й, переработанная и доп. версия 1989 ISBN3-927038-70-9) |
[19] | DIN 33411-5 |  des Menschen - Teil 5: Maximale statische  , Werte (Физическая сила человека. Часть 5. Значения максимальных изометрических сил воздействия) |
| GS-ET-19 | Principles of testing and certification for interlocking devices with solenoid guard-locking, 2011 02, Expert committee for electrical engineering, Testing and certification facility in DGUV Test (Принципы испытаний и сертификации блокировочных устройств с защитной блокировкой Soleid, 2011-02, Экспертный комитет по электротехнике, испытаниям и сертификации объекта в DGUV Test) |
[21] | GS-ET-31 | Principles of testing and certification for interlocking devices with key transfer systems, 2010 02, Expert committee for electrical engineering, Testing and certification facility in DGUV Test (Принципы тестирования и сертификации устройств блокировки с системами передачи ключей, 2010-02, Экспертный комитет по электротехнике, испытаниям и сертификации объекта в DGUV Test). |
--------------------------------
УДК 621 | | IDT |
Ключевые слова: безопасность машин; блокировочные устройства; ограждения |