Главная // Актуальные документы // ГОСТ (Государственный стандарт)СПРАВКА
Источник публикации
М.: ФГБУ "Институт стандартизации", 2023
Примечание к документу
Документ
введен в действие с 01.10.2024 с правом досрочного применения.
Название документа
"ГОСТ CISPR 25-2023. Межгосударственный стандарт. Совместимость технических средств электромагнитная. Транспортные средства, суда и встроенные двигатели внутреннего сгорания. Характеристики радиопомех. Нормы и методы измерений для защиты бортовых приемников"
(введен в действие Приказом Росстандарта от 25.09.2023 N 946-ст)
"ГОСТ CISPR 25-2023. Межгосударственный стандарт. Совместимость технических средств электромагнитная. Транспортные средства, суда и встроенные двигатели внутреннего сгорания. Характеристики радиопомех. Нормы и методы измерений для защиты бортовых приемников"
(введен в действие Приказом Росстандарта от 25.09.2023 N 946-ст)
по техническому регулированию
и метрологии
от 25 сентября 2023 г. N 946-ст
МЕЖГОСУДАРСТВЕННЫЙ СТАНДАРТ
СОВМЕСТИМОСТЬ ТЕХНИЧЕСКИХ СРЕДСТВ ЭЛЕКТРОМАГНИТНАЯ
ТРАНСПОРТНЫЕ СРЕДСТВА, СУДА И ВСТРОЕННЫЕ ДВИГАТЕЛИ
ВНУТРЕННЕГО СГОРАНИЯ. ХАРАКТЕРИСТИКИ РАДИОПОМЕХ
НОРМЫ И МЕТОДЫ ИЗМЕРЕНИЙ ДЛЯ ЗАЩИТЫ БОРТОВЫХ ПРИЕМНИКОВ
Electromagnetic compatibility of technical equipment.
Vehicles, boats and internal combustion engines. Radio
disturbance characteristics. Limits and methods
of measurement for protection of on-board receivers
(CISPR 25:2021, Vehicles, boats and internal combustion
engines - Radio disturbance characteristics - Limits
and methods of measurement for protection
of on-board receivers, IDT)
ГОСТ CISPR 25-2023
Дата введения
1 октября 2024 года
с правом досрочного применения
Цели, основные принципы и общие правила проведения работ по межгосударственной стандартизации установлены
ГОСТ 1.0 "Межгосударственная система стандартизации. Основные положения" и
ГОСТ 1.2 "Межгосударственная система стандартизации. Стандарты межгосударственные, правила и рекомендации по межгосударственной стандартизации. Правила разработки, принятия, обновления и отмены"
1 ПОДГОТОВЛЕН Федеральным государственным бюджетным учреждением "Ордена Трудового Красного Знамени Российский научно-исследовательский институт радио имени М.И. Кривошеева" - Санкт-Петербургским филиалом - "ЛОНИИР" и Техническим комитетом по стандартизации ТК 030 "Электромагнитная совместимость технических средств" на основе собственного перевода на русский язык англоязычной версии стандарта, указанного в
пункте 5
2 ВНЕСЕН Федеральным агентством по техническому регулированию и метрологии
3 ПРИНЯТ Межгосударственным советом по стандартизации, метрологии и сертификации (протокол от 31 августа 2023 г. N 164-П)
За принятие проголосовали:
Краткое наименование страны по МК (ИСО 3166) 004-97 | Код страны по МК (ИСО 3166) 004-97 | Сокращенное наименование национального органа по стандартизации |
Армения | AM | ЗАО "Национальный орган по стандартизации и метрологии" Республики Армения |
Беларусь | BY | Госстандарт Республики Беларусь |
Казахстан | KZ | Госстандарт Республики Казахстан |
Киргизия | KG | Кыргызстандарт |
Россия | RU | Росстандарт |
Таджикистан | TJ | Таджикстандарт |
Узбекистан | UZ | Узстандарт |
4
Приказом Федерального агентства по техническому регулированию и метрологии от 25 сентября 2023 г. N 946-ст межгосударственный стандарт ГОСТ CISPR 25-2023 введен в действие в качестве национального стандарта Российской Федерации с 1 октября 2024 г. с правом досрочного применения
5 Настоящий стандарт идентичен международному стандарту CISPR 25:2021 "Транспортные средства, суда и устройства с двигателями внутреннего сгорания. Характеристики радиопомех. Нормы и методы измерения для защиты бортовых приемников" ("Vehicles, boats and internal combustion engines - Radio disturbance characteristics - Limits and methods of measurement for protection of on-board receivers", IDT).
Международный стандарт CISPR 25:2021 подготовлен Международным специальным комитетом по радиопомехам (CISPR) Международной электротехнической комиссии (IEC), Подкомитетом D "Электромагнитные помехи, относящиеся к электрическому/электронному оборудованию, установленному на борту транспортных средств и в устройствах, работающих от двигателей внутреннего сгорания".
Наименование настоящего стандарта изменено относительно наименования указанного международного стандарта для приведения в соответствие с ГОСТ 1.5
(подраздел 3.6).
При применении настоящего стандарта рекомендуется использовать вместо ссылочных международных стандартов соответствующие им межгосударственные стандарты, сведения о которых приведены в дополнительном
приложении ДА.
Дополнительные сноски в тексте стандарта, выделенные курсивом, приведены для пояснения текста оригинала
6 ВВЕДЕН ВПЕРВЫЕ
Информация о введении в действие (прекращении действия) настоящего стандарта и изменений к нему на территории указанных выше государств публикуется в указателях национальных стандартов, издаваемых в этих государствах, а также в сети Интернет на сайтах соответствующих национальных органов по стандартизации.
В случае пересмотра, изменения или отмены настоящего стандарта соответствующая информация будет опубликована на официальном интернет-сайте Межгосударственного совета по стандартизации, метрологии и сертификации в каталоге "Межгосударственные стандарты"
Настоящий стандарт разработан для обеспечения защиты бортовых приемников от излучаемых и кондуктивных радиопомех, возникающих в транспортном средстве.
Процедуры испытания и приведенные значения норм предназначены для выполнения предварительного контроля уровня помех, излучаемых транспортным средством, а также для контроля уровня излучаемых и кондуктивных помех большой и малой длительности от компонентов/модулей.
Значения норм для испытания транспортных средств приведены в качестве руководства и основаны на использовании типового приемника с антенной, являющейся частью транспортного средства, или с испытательной антенной, если конкретная используемая антенна не указана. Указанные частотные полосы могут не подходить для всех регионов или стран мира. По экономическим причинам производитель транспортного средства свободен в определении частотных полос, используемых в конкретных странах, где будет продаваться транспортное средство, и какими радиослужбами, вероятно, будут пользоваться в данном транспортном средстве.
Например, во многих моделях транспортных средств не предполагается установка телевизионного (ТВ) приемника; тем не менее, полосы телевизионных частот занимают существенную часть радиоспектра. Проведение испытания и подавления источников шума в таких транспортных средствах экономически не оправдано.
Производитель транспортного средства должен определить страны, в которых оно должно продаваться, затем выбрать применимые полосы частот и нормы. После этого допускается выбрать параметры для испытания элементов из настоящего стандарта в целях поддержания выбранного маркетингового плана.
Всемирная административная конференция по радиосвязи (WARC) понизила границу нижней частоты в регионе 1 в 1979 г. до 148,5 кГц. Для транспортного средства корректными считаются испытания на частоте 150 кГц. В настоящем стандарте полосы частот были обобщены для охвата радиослужб в разных частях мира. В большинстве случаев можно ожидать защиту радиоприема и на соседних частотах.
Радиотехнологии, разработанные для использования правительственными агентствами, аварийными службами (силами полиции, пожарными, службами скорой помощи и т.п.), детально не указаны, и предусмотренные нормы по защите применять не обязательно. Для данных технологий нормы и/или параметры измерения, как правило, согласуются между производителем и провайдерами служб.
Настоящее издание стандарта распространяется на мобильные службы радиосвязи с технологиями до 4G. Технология 5G и/или все разрабатываемые мобильные технологии не рассматриваются из-за отсутствия доказательной информации относительно частотных полос и значений норм.
Для обеспечения защиты радиоприема данный стандарт:
- устанавливает метод испытания для измерения излучаемых помех от электрической системы транспортного средства;
- устанавливает нормы на излучаемые помехи от электрической системы транспортного средства;
- устанавливает методы для испытания бортовых компонентов и модулей, независимо от транспортного средства;
- устанавливает нормы на излучаемые и кондуктивные помехи от компонентов для предотвращения нежелательной помехи бортовым приемникам;
- классифицирует автомобильные компоненты по длительности помехи для создания диапазона норм.
Примечание - Испытания компонентов не призваны заменить испытания транспортных средств. Корреляция между испытательными характеристиками компонента и транспортного средства зависит от места установки компонента, длины кабелей и проводов, заземления и трассировки, а также местоположения антенны.
Однако испытание компонентов позволяет оценить их до установки в реальное транспортное средство.
Настоящий стандарт устанавливает нормы и процедуры измерения радиопомех в полосе частот от 150 кГц до 5925 МГц. Стандарт применяют к транспортным средствам, моторным лодкам, двигателям внутреннего сгорания, трейлерам, устройствам и любому электронному/электрическому компоненту, предназначенному для использования в транспортных средствах, лодках, трейлерах и устройствах. Относительно подробной информации о назначении и распределении частот следует обращаться к публикациям Международного Союза электросвязи (ITU). Нормы призваны обеспечить защиту приемников, установленных в транспортном средстве (по указанию производителя), от радиопомех, создаваемых компонентами/модулями в самом транспортном средстве.
Типами приемников, подлежащих защите, являются, например: вещательные приемники (звуковые и телевизионные), наземные мобильные радиосистемы, радиотелефон, любительские, гражданские радиосистемы, системы спутниковой навигации (GPS и т.п.), Wi-Fi, V2X и Bluetooth.
Данный стандарт не устанавливает требований в части защиты электронных систем управления от внешнего радиочастотного (РЧ) излучения или от помех переходного характера и от флюктуаций напряжения питания импульсного типа. Эти вопросы включены в публикации ISO.
Значения норм, приведенных в настоящем стандарте, носят рекомендательный характер и являются предметом модификации по согласованию между заказчиком (например, производителем транспортного средства) и поставщиком (например, изготовителем компонентов). Данный стандарт также предназначен для использования производителями транспортных средств и поставщиками компонентов и оборудования, которое может добавляться и подключаться к проводке транспортного средства или к бортовому разъему питания после поставки транспортного средства.
В настоящем стандарте приведены методы испытания для производителей транспортных средств и поставщиков для помощи в конструировании транспортных средств и компонентов и обеспечении контролируемых уровней радиочастотного излучения на подвижных средствах.
Требования к излучению, приведенные в настоящем стандарте, не предназначены для применения к намеренному излучению радиопередатчиков, как указано в ITU, включая их паразитные излучения.
Примечание 1 - Данное исключение относится к тем намеренным излучениям передатчика, которые исходят от EUT в виде излучаемой эмиссии, и наводятся на проводные линии в измерительной установке. К кондуктивной передаче на частотах, намеренно создаваемых радиочастью EUT, данное исключение не применяется.
Примечание 2 - Если нормы на паразитное излучение в плане испытания не согласованы, для контроля паразитного излучения от радиопередатчика заказчики и поставщики, как правило, используют стандарты по регламентированию радиосвязи.
В настоящем стандарте использованы нормативные ссылки на следующие стандарты [для датированных ссылок применяют только указанное издание ссылочного стандарта, для недатированных - последнее издание (включая все изменения)]:
IEC 61851-1:2017, Electric vehicle conductive charging system - Part 1: General requirements (Проводная система зарядки/система токопроводящей зарядки электрического транспортного средства. Часть 1. Общие требования)
CISPR 16-1-1:2019, Specification for radio disturbance and immunity measuring apparatus and methods - Part 1-1: Radio disturbances and immunity measuring apparatus - Measuring apparatus (Технические требования к аппаратуре для измерения радиопомех и помехоустойчивости и методы измерений. Часть 1-1. Аппаратура для измерения радиопомех и помехоустойчивости. Измерительная аппаратура)
CISPR 16-1-2:2014, Specification for radio disturbance and immunity measuring apparatus and methods - Part 1-2: Radio disturbances and immunity measuring apparatus - Coupling devices for conducted disturbance measurements (Технические требования к аппаратуре для измерения радиопомех и помехоустойчивости и методы измерений. Часть 1-2. Аппаратура для измерения радиопомех и помехоустойчивости. Устройства связи для измерений кондуктивных помех)
CISPR 16-1-2:2014/AMD1:2017
CISPR 16-1-6:2014, Specification for radio disturbance and immunity measuring apparatus and methods - Part 1-6: Radio disturbances and immunity measuring apparatus - EMC antenna calibration (Технические требования к аппаратуре для измерения радиопомех и помехоустойчивости и методы измерений. Часть 1-6. Аппаратура для измерения радиопомех и помехоустойчивости. Калибровка ЭМС антенн)
CISPR 16-1-6:2014/AMD1:2017
ISO 7637-3:2016, Road vehicles - Electrical disturbances from conduction and coupling - Part 3: Electrical transient transmission by capacitive and inductive coupling via lines other than supply lines (Дорожные транспортные средства. Помехи кондуктивные, емкостные и индуктивные. Часть 3. Передача электроэнергии в переходном режиме, посредством емкостной и индуктивной связи через линии, отличные от линий питания)
ISO 11452-4:2020, Road vehicles - Component test methods for electrical disturbances from narrowband radiated electromagnetic energy - Part 4: Harness excitation methods (Дорожные транспортные средства. Методы испытаний компонентов на электрические помехи, создаваемые излучаемой в узкополосном диапазоне электромагнитной энергией. Часть 4. Методы возбуждения пучков/жгутов электропроводки)
SAE ARP 958.1 Rev D: 2003-02, Electromagnetic Interference Measurement Antennas; Standard Calibration Method (Антенны для измерения электромагнитных помех. Стандартный метод калибровки)
В настоящем стандарте применены следующие термины с соответствующими определениями:
3.1 экранированная камера, покрытая поглощающим материалом; ALSE (absorber lined shielded enclosure, ALSE): Экранированное помещение, внутренняя поверхность стен и потолка которого покрыта радиопоглощающим материалом.
3.2 коэффициент калибровки антенны (antenna factor): Коэффициент, который прибавляют к напряжению, измеренному на входе измерительного прибора, чтобы получить напряженность поля, воздействующую на измерительную антенну.
3.3 устройство согласования антенны (antenna matching unit): Устройство для согласования полного сопротивления антенны с входным сопротивлением измерительного приемника 50 Ом в частотном диапазоне измерения антенны.
3.4 эквивалент сети питания; AMN (artificial mains network, AMN): Устройство, включаемое в цепь питания EUT, которое создает регламентированное полное сопротивление на радиочастотах при измерении напряжения помех и устраняет связь между испытуемым оборудованием и сетью питания.
Примечание 1 - Существует два основных типа эквивалентов: V-образный эквивалент сети питания (V-AMN), который предназначен для измерения несимметричного напряжения помех, и дельтаобразный эквивалент сети питания, который предназначен для измерения симметричного и асимметричного напряжения помех по отдельности. В качестве аналога термина "V-AMN" используют термин "схема стабилизации полного сопротивления линии (LISN)".
Примечание 2 - Устройство, включаемое в сеть питания транспортного средства в режиме зарядки или компонента (например, зарядного устройства), которое создает в заданной полосе частот регламентированное полное сопротивление нагрузки и которое изолирует транспортное средство/компонент от сети питания в этой полосе частот.
3.5 эквивалент сети; AN (artificial network, AN): Устройство, включаемое в провод питания или в провод сигнала/нагрузки испытуемой аппаратуры, которое обеспечивает в заданной полосе частот регламентированное полное сопротивление при измерении напряжений помех и изолирует аппаратуру от источников питания или источников сигнала и нагрузок в этой полосе частот.
Примечание - Устройство, включаемое в линии питания постоянного тока транспортного средства в режиме зарядки, которое создает в заданной полосе частот регламентированное полное сопротивление нагрузки и которое изолирует транспортное средство от источника питания постоянного тока в этой полосе частот.
3.6 асимметричный эквивалент сети; AAN (asymmetric artificial network, AAN): Устройство, используемое для измерения (или ввода) общих несимметричных напряжений (синфазного режима) в неэкранированные симметричные сигнальные линии (например, телекоммуникационные) и подавляет симметричные сигналы (сигналы дифференциального режима).
Примечание - Данное устройство устанавливают в сигнальные линии/линии связи транспортного средства в режиме зарядки или компонента (например, зарядного устройства) для создания регламентированного полного сопротивления нагрузки и/или развязки (например, между линиями сигнала/связи и электросетью). В настоящем стандарте AAN также используют для симметричных линий.
3.7 ширина полосы частот (bandwidth)
3.7.1 ширина полосы <оборудования> (bandwidth <equipment>): Ширина полосы частот, в которой заданный параметр оборудования или канала передачи не отклоняется от ее эталонного значения более чем на определенное значение или коэффициент.
Примечание - Заданным параметром может быть, например, амплитудно-частотная характеристика, фазо-частотная характеристика или частотная характеристика группового времени запаздывания.
[IEC 60050-161:2018, 161-06-09, модифицированное - в определении добавлено "оборудование или"]
[5].
3.7.2 ширина полосы <помехи или сигнала> (bandwidth <emission or signal>): Ширина полосы частот, вне которой уровень любой спектральной составляющей не превышает определенного количества процентов от эталонного/опорного уровня.
[IEC 60050-161:2018, 161-06-10]
[5].
3.8 моторная лодка (boat): Транспортное средство, длиной не более 15 м, предназначенное для использования на поверхности воды с целью перевозки людей или грузов и имеющее забортный или бортовой двигатель.
3.9 заземленный <подключенный к земле с регламентированным сопротивлением по постоянному току> (bonded <ground connection and DC resistance>): Заземляющее соединение с сопротивлением по постоянному току, не превышающим 2,5 мОм, которое обеспечивает соединение с наименее возможным полным сопротивлением (сопротивление и индуктивность) между двумя металлическими частями (см. 5.3 CISPR 16-2-1:2014/AMD1:2017).
Примечание - Для измерения сопротивления рекомендуется четырехпроводный миллиомметр с низким током (<= 100 мА).
3.10 широкополосная помеха (broadband emission): Помеха, ширина полосы частот которой больше ширины полосы частот конкретного измерительного устройства или приемника.
Примечание - Помеху, у которой частота повторения импульсов (в Гц) меньше ширины полосы конкретного измерительного прибора, также считают широкополосной.
3.11
режим заряда (charging mode): Режим, предназначенный для зарядки тяговой батареи одним из указанных ниже четырех способов, приведенных в определениях с
3.11.1 по
3.11.4.
3.11.1
режим заряда 1 (charging mode 1): Режим заряда, указанный в IEC 61851-1:2017, 6.2.1.
Примечание - В некоторых странах режим зарядки 1 запрещен или требуются специальные меры предосторожности.
3.11.2 режим заряда 2 (charging mode 2): Режим заряда, указанный в IEC 61851-1:2017, 6.2.2, при котором электрическое транспортное средство подключается к сети электропитания переменного тока с помощью зарядного кабеля с блоком EVSE (оборудование для питания электромобиля), обеспечивающим контрольное управление соединением электромобиля с EVSE и персональную защиту от поражения электрическим током.
Примечание 1 - В некоторых странах к режиму заряда 2 применяют специальные ограничения.
Примечание 2 - Функция связи транспортного средства по проводам сети переменного тока отсутствует.
3.11.3 режим заряда 3 (charging mode 3): Режим заряда, указанный в IEC 61851-1:2017, 6.2.3, при котором электрическое транспортное средство подключается к EVSE (например, к зарядной станции, настенному устройству), которое обеспечивает электромобиль мощностью переменного тока и связью для выполнения функции управления (через линии сигнала/управления и/или через линии проводной сети).
3.11.4
режим заряда 4 (charging mode 4): Режим заряда, указанный в IEC 61851-1:2017, 6.2.4, при котором электрическое транспортное средство подключается к EVSE, которое обеспечивает электромобиль (с небортовым зарядным устройством) мощностью постоянного тока и связью между электромобилем и зарядной станцией (через линии сигнала/управления и/или через линии проводной сети).
3.12 класс (class): Уровень качества функционирования, согласованный между покупателем и поставщиком и указанный в плане испытания.
3.13 точка компрессии (compression point): Уровень входного сигнала, при котором коэффициент усиления измерительной системы становится нелинейным, так, что указанный выходной сигнал отличается от выходного сигнала идеальной линейной приемной системы на определенное значение в дБ.
3.14 локальная сеть контроллеров; CAN (controller area network, CAN): Сеть контроллеров или последовательная коммуникационная шина, указанная в ISO 11898-1, для объединения устройств, датчиков и приводов в единую систему управления.
3.15 устройство (device): Механизм, приводимый в движение двигателем внутреннего сгорания, основной функцией которого не является перевозка людей или товаров.
Примечание - Устройства включают (но этим не ограничиваются) цепные пилы, ирригационные насосы, снегодувки, воздушные компрессоры и ландшафтное оборудование.
3.16 напряжение помех (disturbance voltage), (interference voltage): Напряжение, создаваемое источником помех между двумя точками двух отдельных проводников, измеряемое в регламентированных условиях.
[IEC 60050-161:1990, 161-04-01]
[5].
3.17 электрическое транспортное средство/электромобиль (electric vehicle): Транспортное средство, приводимое в движение исключительно электродвигателем(ями) с подачей питания от бортовой тяговой аккумуляторной батареи или батарей.
Примечание - Транспортные средства, имеющие дополнительный источник питания (например, дополнительный двигатель внутреннего сгорания, топливный элемент), используемый только для обеспечения электродвигателя/аккумуляторной тяговой батареи электрической мощностью без "содействия" механическому движению транспортного средства, рассматривают как электрическое транспортное средство.
3.18 испытуемое оборудование; EUT (equipment under test, EUT): В настоящем стандарте это: транспортное средство, моторная лодка, устройство, компонент, модуль или двигатель внутреннего сгорания.
3.19 гибридное электрическое транспортное средство (hybrid electric vehicle): Транспортное средство, приводимое в движение электродвигателем(ями) и двигателем внутреннего сгорания.
Примечание 1 - Две системы приведения в движение могут работать по отдельности или вместе в зависимости от типа гибридной системы.
Примечание 2 - Транспортное средство, в котором электродвигатель используется для запуска двигателя внутреннего сгорания, не считается гибридным транспортным средством.
3.20 высокое напряжение; HV (high voltage, HV): Рабочее напряжение постоянного тока от 60 до 1000 В.
Примечание - В других стандартах термин "высокое напряжение" может быть определен с другими значениями диапазона напряжений.
3.21 высоковольтный эквивалент сети; HV-AN (high voltage artificial network, HV-AN): Устройство, которое включается в провод высокого напряжения постоянного тока испытуемой аппаратуры и создает в заданной полосе частот регламентированное полное сопротивление нагрузки при измерении напряжений помех, а также изолирует аппаратуру от источника питания в этой полосе частот.
3.22 эквивалент сети для режима заряда по постоянному току; DC-charging-AN (direct current charging artificial network, DC-charging-AN): Устройство, которое включается в провод высокого постоянного напряжения транспортного средства в режиме зарядки и создает в заданной полосе частот регламентированное полное сопротивление, а также изолирует транспортное средство от высоковольтной зарядной станции постоянного тока в этой полосе частот.
3.23 низкое напряжение; LV (low voltage, LV): Рабочее постоянное напряжение ниже 60 В, например, номинальные напряжения 12 В, 24 В или 48 В.
Примечание - В других стандартах термин "низкое напряжение" может быть определен с другим диапазоном напряжений.
3.24 время измерения (measurement time): Эффективное, когерентное время для получения результата измерения на одной частоте:
- для пикового детектора - это эффективное время для обнаружения максимального значения огибающей сигнала;
- для квазипикового детектора - это эффективное время измерения максимального значения взвешенной огибающей сигнала;
- для детектора средних значений - это эффективное время для усреднения огибающей сигнала.
3.25 узкополосная помеха (narrowband emission): Помеха, ширина полосы частот которой меньше полосы частот конкретного измерительного устройства или приемника.
Примечание - Помеху, частота повторения импульсов которой (в Гц) больше ширины полосы конкретного измерительного прибора, также можно считать узкополосной помехой.
3.26 открытая испытательная площадка; OATS (open area test site, OATS): Площадка, имитирующая условия полусвободного пространства в заданной полосе частот и предназначенная для измерения электромагнитных полей радиопомех при испытании изделий на излучаемую эмиссию.
Примечание - OATS, как правило, находится вне помещения в открытой зоне и имеет электропроводящую пластину заземления. Это указано в CISPR 16-2-3.
3.27 связь по линиям электросети; PLC (powerline communications, PLC): Технология связи, основанная на использовании силовых линий или кабелей для информационного обмена, когда цифровой радиосигнал накладывается поверх стандартного переменного тока промышленной частоты электропитания.
3.28 опорная пластина заземления (reference ground plane): Плоская проводящая поверхность, потенциал которой используют в качестве общего опорного потенциала.
Примечание - В настоящем стандарте опорная пластина заземления определяется как металлическая поверхность на испытательном стенде/испытательном столе.
3.29 контур зоны по ВЧ (RF boundary): Параметр испытательной ЭМС установки, который определяет, какая часть проводки и/или периферийных устройств входят в ВЧ окружающую среду, а какая часть в нее не входит.
Примечание - Контур зоны по ВЧ может включать, например, эквиваленты сети (AN), штыревые разъемы питания фильтра, провод с ВЧ поглотителем и/или ВЧ экранирование.
3.30 экранированная камера (shielded enclosure): Камера из металлической сетки или металлических листов, специально предназначенная для отделения внутренней электромагнитной среды от внешней.
[IEC 60050-161:1990, 161-04-37, модифицированный - второй заявляемый термин "экранированная комната" был опущен]
[5]
3.31 порт сигнала/управления (signal/control port): Порт, предназначенный для соединения компонентов EUT или соединения EUT с локальным дополнительным оборудованием (AE) и используемый согласно соответствующим функциональным техническим требованиям (например, при максимальной длине подключаемого к нему кабеля).
Примечание 1 - Примерами являются: RS-232, универсальная последовательная шина (USB), мультимедийный интерфейс высокой четкости/высокого разрешения (HDMI), стандарт 1394 IEEE ("Fire-Wire").
Примечание 2 - Для транспортных средств в режиме зарядки включает выводы линии управления, линии управления с PLC связью, шины CAN.
3.32 тяговая аккумуляторная батарея (traction battery): Высоковольтная (HV) батарея, используемая для приведения в движение электрического или гибридного электрического транспортного средства.
3.33
опорная пластина заземления для валидации (validation reference ground plane): Приподнятая опорная пластина заземления с размерами 2,5 м x 1 м, которая используется в качестве стандарта при моделировании согласно
приложению I.
Примечание - Размер опорной пластины заземления для валидации и заземление, используемое во время моделирования, могут отличаться от тех, которые будут применяться в какой-либо лаборатории при измерениях EUT.
3.34 порт проводной сети (wired network port): Точка подключения для передачи речевых сигналов, данных и служебных сигналов, предназначенная для соединения широко разветвленных систем за счет прямого подключения к сети связи одного или нескольких пользователей.
Примечание 1 - Примерами таких систем являются: системы кабельного телевидения (CATV), коммутируемая телефонная сеть общего пользования (PSTN), цифровая сеть с интеграцией служб (ISDN), цифровая абонентская линия (xDSL), локальная сеть (LAN) и подобные сети.
Примечание 2 - Порты проводных сетей могут поддерживать подключение экранированных и неэкранированных кабелей, а также по ним можно передавать мощность переменного или постоянного тока, когда это является неотъемлемой частью технических требований к телекоммуникациям.
3.35 транспортное средство (vehicle): Машина, работающая на земле, которая предназначена для перевозки людей или грузов, или которой управляет человек.
Примечание - Транспортные средства включают, но этим не ограничиваются: легковые автомобили, грузовики, автобусы, мопеды, сельхозтехнику, землеройные машины, трейлеры, погрузо-разгрузочное оборудование, горное оборудование, машины для обработки пола (транспортные или передвигаемые оператором вручную) и снегоходы.
3.36 ввод для транспортных средств; ввод для электромобилей (vehicle inlet, electric vehicle inlet): Часть соединителя транспортного средства, входящая в состав электромобиля или гибридного транспортного средства или прикрепленная к ним (при наличии).
[IEC 62196-1:2014, 3.3.2, модифицированный - добавлено "или гибридное транспортное средство (при наличии)]
4 Общие требования к измерению радиопомех от транспортного средства и компонента/модуля
4.1 Общие требования к испытанию
4.1.1 Категории источников помех (согласно плану испытания)
Источники электромагнитных помех можно разделить на два основных типа:
- узкополосные источники (например, узкополосными источниками помех являются электронные компоненты транспортного средства, включающие часы, генераторы, цифровые логические устройства в микропроцессорах и дисплеях);
- широкополосные источники (например, широкополосными источниками помех являются электрические двигатели и система зажигания).
Примечание 1 - Большинство транспортных средств, а также электрических/электронных компонентов являются источником как узкополосных, так и широкополосных помех. Некоторые из них могут быть источником помех только одного типа.
Примечание 2 - Широкополосные источники можно классифицировать на широкополосные источники малой длительности (например, насос омывателя стекла, дверное зеркало, открывающиеся с помощью электрических устройств окна) и широкополосные источники большой длительности (например, двигатель переднего стеклоочистителя, вентилятор нагревателя, система охлаждения двигателя).
В настоящем стандарте разделение типов помех на категории используют только для упрощения требований к испытаниям за счет потенциального уменьшения количества необходимых детекторов (т.е. исключения детектора средних значений, если известно, что устройство относится к типу широкополосных источников, таких как коллекторный электродвигатель постоянного тока). В противном случае, требования настоящего стандарта применяют, чтобы источники соответствовали как нормам в средних, так и в квазипиковых значениях.
4.1.2 План испытаний
План испытаний следует составлять для каждого испытуемого изделия. В плане испытаний необходимо указать:
- полосу частот, в которой будут проводить испытания;
- нормы помех;
- типы антенн и их расположение;
- требования к протоколу испытаний;
- напряжение питания и другие соответствующие параметры, включая рабочие условия EUT, указанные в
4.1.4.
В плане испытаний для каждого диапазона частот должно быть указано, будет ли соответствие определяться по нормам в средних и пиковых значениях или по нормам в средних и квазипиковых значениях.
4.1.3 Определение соответствия испытуемого оборудования (EUT) нормам
Во всех случаях EUT должно соответствовать нормам в средних значениях.
EUT также должно соответствовать либо нормам в пиковых значениях, либо нормам в квазипиковых значениях, а именно:
- на частотах, где определены и пиковые, и квазипиковые нормы, EUT должно соответствовать либо нормам в пиковых значениях, либо нормам в квазипиковых значениях (как указано в плане испытаний);
- на частотах, где определены только пиковые нормы, EUT должно соответствовать нормам в пиковых значениях.
Общий метод определения соответствия норме для всех частот измерения представлен на
рисунке 1.
--------------------------------
<a> Как правило, соответствие требованиям определяют как для норм в средних значениях, так и для норм в пиковых значениях или для норм в средних и в квазипиковых значениях, если в плане испытаний не указано, что соответствие должно определяться по одной конкретной норме (в зависимости от обстоятельств - в пиковых значениях или в средних значениях, или в квазипиковых значениях).
<b> Так как результаты измерения пиковым детектором всегда выше или равны результатам измерения детектором средних значений и применимая норма в пиковых значениях всегда выше или равна применимой норме в средних значениях, то измерение только одним детектором может упростить и ускорить процесс определения соответствия.
<c> Данный алгоритм применим на каждой отдельной частоте, например, повторное измерение требуется только на частотах, результаты на которых были выше применимой нормы при использовании детектора средних или квазипиковых значений.
Рисунок 1 - Метод определения соответствия норме
для всех частот измерения
В нормах, приведенных в настоящем стандарте, учтены неопределенности измерений.
На результаты измерения помех могут влиять разные рабочие условия EUT. При испытаниях компонента/модуля испытуемое оборудование должно работать при нагрузочных и других условиях, типичных для применения в транспортном средстве так, чтобы был обеспечен максимальный уровень помех. Рабочие условия необходимо указать в плане испытания.
Для обеспечения корректной работы компонентов/модулей во время испытания следует использовать периферийный интерфейсный блок, который имитирует их установку в транспортном средстве. В зависимости от рабочих режимов все необходимые для работы проводники датчиков и привода EUT, подключают к периферийному интерфейсному блоку. Периферийный интерфейсный блок должен обеспечивать управление EUT в соответствии с планом испытания.
Периферийный интерфейсный блок может находиться внутри экранированной камеры или вне камеры. При размещении периферийного интерфейсного блока внутри экранированной камеры уровень помех, создаваемых этим блоком, должен быть по крайней мере на 6 дБ ниже норм, установленных в плане испытаний.
4.1.5 Протокол испытаний
Протокол должен содержать сведения, согласованные между заказчиком и поставщиком, например:
- идентификацию образца;
- дату и время испытаний;
- полосу частот измерений;
- шаг изменения частоты;
- применяемую норму помех в испытании;
- сведения об окружающей среде и данные испытаний.
4.2 Экранированная камера
Для всех видов испытаний уровень посторонних радиопомех должен быть по крайней мере на 6 дБ ниже норм, установленных в плане испытания. Эффективность экранирования экранированной камеры должна быть достаточной, чтобы гарантировать выполнение указанного требования к уровню посторонних помех.
Примечание - Существующие в экранированной камере отражения от внутренних поверхностей очень слабо влияют на результаты измерения кондуктивных помех, так как в этой процедуре измерительное устройство непосредственно подключено к проводникам испытуемого оборудования. Экранированная камера может быть совсем простой, такой как заземленная соответствующим образом экранированная настольная кабина.
4.3 Экранированная камера, покрытая поглощающим материалом (ALSE)
4.3.1 Общие положения
Необходимо отметить, что при измерении излучаемых помех отраженные радиоволны могут вызывать ошибки до 20 дБ. Поэтому стены и потолок экранированной камеры, используемой для измерений излучаемых помех, необходимо покрывать РЧ поглощающим материалом.
ALSE, используемая для измерения излучаемых РЧ-помех, должна соответствовать представленным ниже требованиям.
4.3.2 Размер
При измерениях излучаемых помех ALSE должна иметь размеры, достаточные для того, чтобы гарантировать, что ни транспортное средство/EUT, ни испытательная антенна (за исключением задней части рупорной антенны) не будут расположены на расстоянии ближе 1 м от стен или потолка или от ближайшей поверхности используемого поглощающего материала.
4.3.3 Объекты в ALSE
При измерении излучаемых помех ALSE должна быть освобождена от всех предметов, не имеющих отношения к испытаниям. Это необходимо для того, чтобы снизить любое воздействие, которое они могут оказать на измерения. В удаляемые объекты входят не являющееся необходимым оборудование, кабельные стойки, стойки для хранения, столы, стулья и т.п. Персонал, не участвующий в испытании, не должен находиться в ALSE.
4.3.4 Валидация характеристик ALSE
4.3.4.1 ALSE для транспортного средства
Коэффициент отражения поглощающего материала должен быть не менее 6 дБ по абсолютной величине в полосе частот от 70 до 5925 МГц.
При испытаниях транспортного средства поглощающий материал на полу не требуется.
Примечание - Метод испытания приведен в IEEE STD 1128-1998
[4] <1>.
--------------------------------
<1> Цифры в квадратных скобках указывают номер документа в
библиографии.
4.3.4.2 ALSE для компонента
Коэффициент отражения поглощающего материала должен быть не менее 6 дБ по абсолютной величине в полосе частот от 70 до 5925 МГц.
При испытании компонентов размещать поглощающий материал на полу не требуется, однако допускается использовать на полу плоские ферритовые пластины максимальной толщиной 25 мм, если характеристика камеры в этой конфигурации соответствует требованиям, приведенным в
приложении I.
Примечание - Метод испытания приведен в IEEE STD 1128-1998
[4].
Процедуру валидации характеристик ALSE, приведенную в
приложении I, необходимо использовать для оценки пригодности ALSE, предназначенной для измерений излучаемых помех от компонента в соответствии с
6.5. При этой процедуре проверки будет оцениваться влияние камеры, поглощающего материала, опорной пластины заземления, заземление опорной пластины заземления и другие возможные причины, оказывающие влияние на измерения.
4.4 Измерительные устройства
4.4.1 Общие положения
Средства измерений (включая устройства с обработкой сигнала на базе быстрого преобразования Фурье) должны отвечать требованиям, приведенным в CISPR 16-1-1. Сканирование частоты может выполняться автоматически или вручную. Для норм, указанных в настоящем стандарте, допускается использовать детектор средних значений, который представляет собой линейный детектор с постоянными времени измерительного прибора, указанными в CISPR 16-1-1.
Примечание 1 - Для измерений помех рекомендуется использовать анализаторы спектра и сканирующие приемники. Применение режима пикового детектирования в анализаторах спектра и сканирующих приемниках обеспечивает показание на дисплее прибора, которое всегда превышает показание при использовании квазипикового детектора при той же ширине полосы пропускания. Как правило, удобнее измерять помехи, используя пиковое детектирование, так как при пиковом детектировании возможно более быстрое сканирование, чем при квазипиковом.
Примечание 2 - Для обеспечения требований к допустимому уровню шума окружающей среды 6 дБ (см.
4.2) допускается использовать предварительный усилитель между антенной и измерительным устройством. Если для обеспечения требований к допустимому уровню шума окружающей среды 6 дБ используют предусилитель, то в лаборатории должны применяться методы, позволяющие избежать его перегрузки, например использование ступенчатого аттенюатора.
4.4.2 Параметры анализатора спектра
Скорость сканирования анализатора спектра следует выбирать исходя из частотного диапазона CISPR и используемого режима детектирования.
Для измерений на соответствие нормам настоящего стандарта допускается использовать анализаторы спектра, при соблюдении мер, указанных в CISPR 16-1-1 по использованию анализаторов спектра и с учетом того, что широкополосные помехи, излучаемые испытуемым изделием, имеют частоту повторения более 20 Гц.
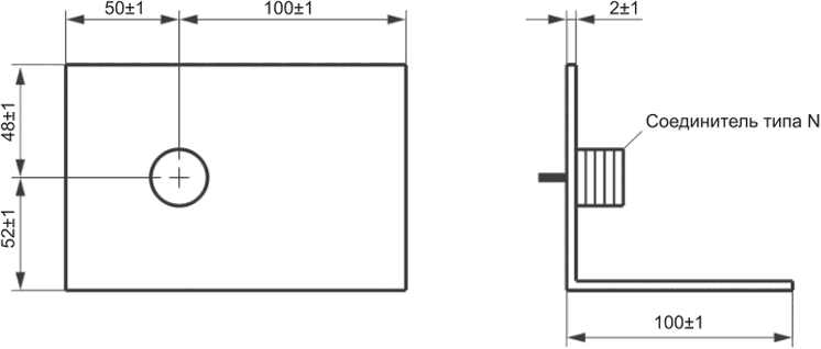
Минимальное время сканирования, указанное в
таблице 1, используют только для измерений импульсных помех с интервалом повторения менее минимального времени измерения на каждой частоте. Минимальное время измерения рассчитывается исходя из шага сканирования равного половине ширины полосы разрешения
Bres. При измерении импульсных помех с интервалом повторения более минимального времени измерения и при измерении случайных импульсных помех минимальное время сканирования необходимо увеличить.
Если интервал повторения импульсных помех известен, сканирование следует выполнять со временем, при котором обеспечивается измерение на каждой частоте, превышающим обратное значение частоты повторения импульсных помех.
В качестве альтернативы допускается использовать многократное более быстрое сканирование с применением функции удержания максимума, если полное время сканирования равно или больше времени, которое пришлось бы потратить при использовании минимального времени сканирования, указанного в
таблице 1. Минимальное время сканирования при многократном сканировании
Ts,min вычисляют по формуле

, (1)
где

- полоса частот обзора;
Bres - ширина полосы пропускания (RBW).
Дополнительные рекомендации по измерению длительности помех и определению минимального времени сканирования - см. CISPR 16-2-1 и CISPR 16-2-3
[7].
Таблица 1
Параметры анализатора спектра
Служба/диапазон | Частота, МГц | Пиковое детектирование | Квазипиковое детектирование | Детектирование средних значений |
RBW при -3 дБ | Минимальное время сканирования | RBW при -6 дБ | Минимальное время сканирования | RBW при -3 дБ | Минимальное время сканирования |
Службы аналогового вещания |
ДВ | 0,15 - 0,30 | 9/10 кГц | 10 с/МГц | 9/10 кГц | 200 с/МГц | 9/10 кГц | 10 с/МГц |
СВ | 0,53 - 1,8 |
КВ | 5,9 - 6,2 |
ЧМ | 76 - 108 | 100/120 кГц | 100 мс/МГц | 100/120 кГц | 20 с/МГц | 100/120 кГц | 100 мс/МГц |
ТВ-диапазон I | 41 - 88 |
ТВ-диапазон III | 174 - 230 |
ТВ-диапазон IV | 470 - 944 |
Службы цифрового вещания |
DAB III | 167 - 245 | 1 МГц | 100 мс/МГц | Не применяют | 1 МГц | 100 мс/МГц |
ТВ-полоса III | 174 - 230 |
DTTV | 470 - 770 |
DAB-диапазон L | 1447 - 1494 |
SDARS | 2320 - 2345 |
Мобильные службы |
СВ-связь | 26 - 28 | 9/10 кГц | 10 с/МГц | 9/10 кГц | 200 с/МГц | 9/10 кГц | 10 с/МГц |
ОВЧ | 30 - 54 | 100/120 кГц | 100 мс/МГц | 100/120 кГц | 20 с/МГц | 100/120 кГц | 100 мс/МГц |
ОВЧ | 68 - 87 |
ОВЧ | 142 - 175 |
Аналоговая УВЧ | 380 - 512 |
RKE & TPMS 1 | 300 - 330 | Не применяют |
RKE & TPMS 2 | 420 - 450 |
Аналоговая УВЧ | 820 - 960 | 100/120 кГц | 20 с/МГц |
GPS L5 | 1156,45 - 1196,45 | Не применяют | 9/10 кГц | 1 с/МГц |
BDS, B1I | 1553,098 - 1569,089 |
GPS L1 | 1567,42 - 1583,42 |
LONASS L1 | 1590,781 - 1616,594 |
Wi-Fi/Bluetooth | 2402 - 2494 | 1 МГц | 100 мс/МГц | Не применяют | 1 МГц | 100 мс/МГц |
Wi-Fi | 5150 - 5350 |
Wi-Fi | 5470 - 5725 |
V2X (Wi-Fi) | 5850 - 5925 |
Цифровые мобильные телефонные службы |
2G | | 100/120 кГц | 100 мс/МГц | Не применяют | 100/120 кГц | 100 мс/МГц |
3G | 1 МГц | 100 мс/МГц | Не применяют | 1 МГц | 100 мс/МГц |
4G |
5G |
<a> Частотные полосы, относящиеся к данным технологиям, более подробно приведены в таблицах норм. |
При использовании для измерений анализатора спектра ширина полосы частот видео должна быть по крайней мере в три раза больше ширины полосы пропускания (RBW).
4.4.3 Параметры сканирующего приемника
Время измерения сканирующего приемника следует выбирать исходя из частотного диапазона CISPR и используемого режима детектирования. Минимальное время измерения, максимальный шаг сканирования и рекомендуемая ширина полосы пропускания (RBW) указаны в
таблице 2.
Минимальное время измерения, указанное в
таблице 2, используют только для измерений импульсных помех, у которых интервал повторения менее минимального времени измерения, приведенного в
таблице 2. При измерении помех с интервалом повторения более минимального времени измерения, указанного в
таблице 2, и при измерении случайных импульсных помех минимальное время измерения необходимо увеличить.
Если интервал повторения импульсных помех известен, сканирование следует выполнять со временем при котором обеспечивается измерение на каждой частоте, превышающим обратное значение частоты повторения импульсных помех.
При использовании измерительных устройств с обработкой сигналов на базе быстрого преобразования Фурье минимальное время измерения должно составлять 1 сек.
Дополнительные рекомендации по измерению длительности помех и определению минимального времени измерения - см. CISPR 16-2-1 и CISPR 16-2-3
[7].
Таблица 2
Параметры сканирующего приемника
Служба/диапазон | Частота, МГц | Пиковое детектирование | Квазипиковое детектирование | Детектирование средних значений |
RBW при -6 дБ | Максимальный шаг | Минимальное время измерения | RBW при -6 дБ | Максимальный шаг | Минимальное время измерения | RBW при -6 дБ | Максимальный шаг | Минимальное время измерения |
Службы аналогового вещания |
ДВ | 0,15 - 0,30 | 9 кГц | 5 кГц | 50 мс | 9 кГц | 5 кГц | 1 с | 9 кГц | 5 кГц | 50 мс |
СВ | 0,53 - 1,8 |
КВ | 5,9 - 6,2 |
ЧМ | 76 - 108 | 120 кГц | 50 кГц | 5 мс | 120 кГц | 50 кГц | 1 с | 120 кГц | 50 кГц | 5 мс |
ТВ-диапазон I | 41 - 88 |
ТВ-диапазон III | 174 - 230 |
ТВ-диапазон IV | 470 - 944 |
Службы цифрового вещания |
DAB III | 167 - 245 | 1 МГц | 500 кГц | 50 мс | Не применяют | 1 МГц | 500 кГц | 50 мс |
ТВ-диапазон III | 174 - 230 |
DTTV | 470 - 770 |
DAB-диапазон L | 1447 - 1494 |
SDARS | 2320 - 2345 |
Мобильные службы |
СВ-связь | 26 - 28 | 9 кГц | 5 кГц | 50 мс | 9 кГц | 5 кГц | 1 с | 9 кГц | 5 кГц | 50 мс |
ОВЧ | 30 - 54 | 120 кГц | 50 кГц | 5 мс | 120 кГц | 50 кГц | 1 с | 120 кГц | 50 кГц | 5 мс |
ОВЧ | 68 - 87 |
ОВЧ | 142 - 175 |
Аналоговая УВЧ | 380 - 512 |
RKE & TPMS 1 | 300 - 330 | Не применяют |
RKE & TPMS 2 | 420 - 450 |
Аналоговая УВЧ | 820 - 960 | 120 кГц | 50 кГц | 1 с |
GPS L5 | 1156,45 - 1196,45 | Не применяют | 9 кГц | 5 кГц | 5 мс |
BDS, B1I | 1553,098 - 1569,089 |
GPS L1 | 1567,42 - 1583,42 |
GLONASS L1 | 1590,781 - 1616,594 |
Wi-Fi/Bluetooth | 2402 - 2494 | 1 МГц | 500 кГц | 50 мс | Не применяют | 1 МГц | 500 кГц | 50 мс |
Wi-Fi | 5150 - 5350 |
Wi-Fi | 5470 - 5725 |
V2X (Wi-Fi) | 5850 - 5925 |
Цифровые мобильные телефонные службы |
2G | | 120 кГц | 50 кГц | 5 мс | Не применяют | 120 кГц | 50 кГц | 5 мс |
3G | 1 МГц | 500 кГц | 50 мс | Не применяют | 1 МГц | 500 кГц | 50 мс |
4G |
5G |
<a> Частотные полосы, относящиеся к этим технологиям, более подробно приведены в таблицах норм. |
4.5.1 Общие положения
Источник питания должен, быть регулируемым для поддержания напряжения питания
Us в пределах диапазонов, указанных в
4.5.2 -
4.5.6.
4.5.2 Транспортное средство с двигателем внутреннего сгорания - зажигание включено, двигатель выключен
Напряжение аккумуляторной батареи транспортного средства необходимо контролировать до и после измерений помех при выключенном зажигании, когда аккумуляторная батарея отключена от электрической сети транспортного средства. Значения должны находиться в следующих пределах:

- для систем с номинальным напряжением питания 12 В;

- для систем с номинальным напряжением питания 24 В;

- для систем с номинальным напряжением питания 48 В.
4.5.3 Транспортное средство с двигателем внутреннего сгорания - двигатель работает
Напряжение аккумулятора транспортного средства необходимо контролировать до и после измерений помех при двигателе, работающем в холостом режиме, когда аккумулятор подключен к электрической сети транспортного средства. Значения должны находиться в следующих пределах:

- для систем с номинальным напряжением питания 12 В;

- для систем с номинальным напряжением питания 24 В;

- для систем с номинальным напряжением питания 48 В.
Примечание - Большинство испытаний транспортного средства будет проводиться без запуска двигателя, но при включенной системе зажигания, поэтому необходимо убедиться, что аккумуляторная батарея имеет достаточный уровень заряда. В качестве дополнительной информации можно установить постоянную регистрацию напряжения аккумулятора во время измерения.
4.5.4 Электромобиль или гибридное электрическое транспортное средство с модулем подключения в режиме заряда
При заряде переменным током во время испытания напряжение источника питания переменного тока должно иметь номинальное значение с допуском -15%/+10%. Номинальное значение частоты должно иметь допуски +/- 1%.
Уровень заряда (SOC) тяговой аккумуляторной батареи должен иметь значение от 20% до 80% от максимального SOC при измерении во всем диапазоне частот (это может привести к необходимости разряжать тяговую батарею транспортного средства перед проведением измерения в каждом поддиапазоне).
Если в случае кондуктивного заряда возможно отрегулировать потребление тока, тогда ток необходимо установить по крайней мере на 80% от его максимального номинального значения при заряде переменным током.
Если в случае кондуктивного заряда возможно отрегулировать потребление тока, тогда ток необходимо установить по крайней мере на 80% от его максимального номинального значения при заряде постоянным током, если в плане испытания не согласовано другое значение.
В случае использования нескольких батарей следует рассматривать среднее значение SOC.
Напряжение аккумуляторной батареи транспортного средства следует контролировать до и после измерения в режиме заряда при подключении аккумуляторной батареи к электросети транспортного средства. Значения должны находиться в следующих пределах:

- для систем с номинальным напряжением питания 12 В;

- для систем с номинальным напряжением питания 24 В.
4.5.5 Электромобиль или гибридное электрическое транспортное средство в режиме пробега
Напряжение аккумулятора транспортного средства следует контролировать до и после измерения в режиме заряда при аккумуляторной батареи, подключенной к электросети транспортного средства. Значения должны находиться в следующих пределах:

- для систем с номинальным напряжением питания 12 В;

- для систем с номинальным напряжением питания 24 В.
4.5.6 Испытания компонента/модуля
Во время испытания напряжение источника питания постоянного тока должно иметь номинальное значение с допуском +/- 10%.
Во время испытания напряжение источника питания переменного тока должно иметь номинальное значение с допуском -15%/+10%. Номинальное значение частоты должно иметь допуски +/- 1%.
Если в плане испытаний отсутствуют указания, то следует использовать следующие значения:

- для систем с номинальным напряжением питания 12 В;

- для систем с номинальным напряжением питания 24 В;

- для систем с номинальным напряжением питания 48 В.
Источник питания должен также иметь фильтрацию, чтобы РЧ-помехи, создаваемые источником питания, были, не менее чем на 6 дБ ниже норм, указанных в плане испытания.
Если в плане испытания указана необходимость подключения аккумуляторной батареи транспортного средства, она должна включаться параллельно источнику питания.
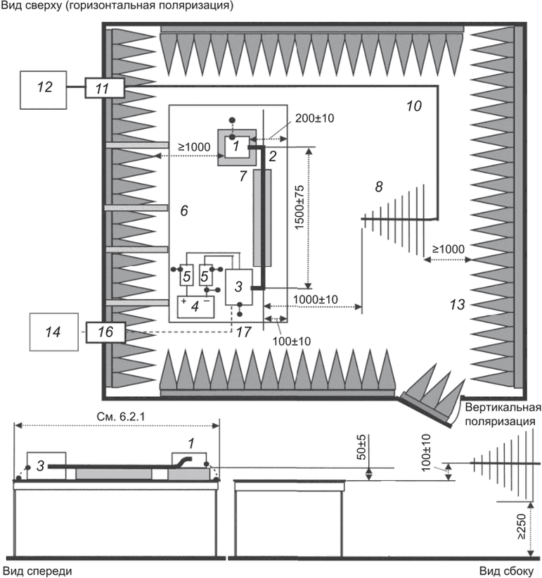
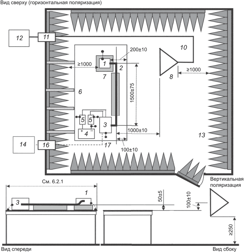
5 Измерение излучаемых помех, принимаемых антенной на том же транспортном средстве
Испытание необходимо проводить в ALSE.
5.2 Измерительная антенная система
5.2.1 Тип антенны
В качестве измерительной антенны следует использовать антенну с рабочей полосой частот в которой выполняются измерения и того же типа, что и антенна, поставляемая с транспортным средством.
Если транспортное средство не укомплектовано антенной, то для испытания следует использовать антенны тех типов, которые представлены в
таблице 3. Тип антенны и ее местоположение должны быть включены в план испытания.
Таблица 3
Частота, МГц | Тип антенны |
0,15 - 6,2 | Несимметричный вибратор 1 м |
26 - 54 | Нагруженный четвертьволновый несимметричный вибратор |
68 - 1000 | Четвертьволновый несимметричный вибратор |
1000 - 5925 | В соответствии с рекомендацией производителя транспортного средства |
При использовании активной антенны соотношение сигнал/шум на зажиме радиоантенны может ухудшаться (см. также
примечание в 5.5).
5.2.2 Требования к измерительной системе
5.2.2.1 Диапазоны вещания
5.2.2.1.1 Общие положения
Для каждого диапазона частот измерения проводят с помощью измерительного устройства, имеющего следующие указанные параметры.
5.2.2.1.2 Диапазоны АМ аналогового вещания:
Длинные волны (0,15 - 0,3 МГц);
Средние волны (0,53 - 1,8 МГц);
Короткие волны (5,9 - 6,2 МГц).
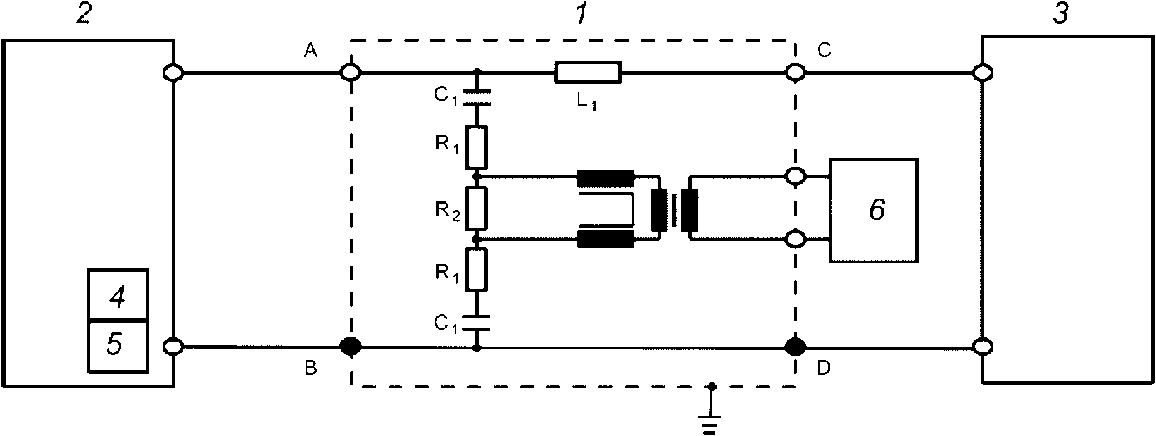
Измерительная система, состоящая из измерительной антенны, устройства согласования антенны, коаксиального(ых) кабеля(ей) и предварительного усилителя (если используется), должна иметь следующие параметры:
- минимальный уровень шума измерительной системы должен быть не менее чем на 6 дБ ниже применяемых норм.
Устройство согласования антенны:
- входное сопротивление устройства согласования должно быть не менее 100 кОм, а входная емкость не более 10 пФ;
- выходное сопротивление устройства согласования должно быть 50 Ом;
- коэффициент передачи устройства согласования должен быть известен с точностью до +/- 0,5 дБ. Коэффициент передачи должен оставаться в пределах зоны 6 дБ для каждого указанного в 5.2.2.1.2 диапазона, как показано на
рисунке 2. Проверку коэффициента передачи следует проводить в соответствии с
приложением B;
Рисунок 2 - Пример кривой коэффициента передачи
- точка компрессии по уровню 1 дБ должна достигаться при уровне синусоидального напряжения на входе согласующего устройства не менее 60 дБ (мкВ). Проверку параметра следует проводить в соответствии с
приложением B.
5.2.2.1.3 ЧМ и ТВ аналоговое вещание и цифровое вещание DAB
Измерения следует проводить с помощью измерительного устройства, имеющего полное входное сопротивление 50 Ом. Если коэффициент стоячей волны по напряжению (КСВ/VSWR) антенны больше чем 2:1, то необходимо использовать устройство согласования по входу. Для любых значений коэффициента передачи устройства согласования необходимо вводить соответствующую коррекцию в результаты измерений.
5.2.2.2 Мобильные службы (26 - 5925 МГц) и цифровые мобильные телефонные службы (2G, 3G, 4G, 5G)
Измерения должны выполняться измерительным устройством с полным входным сопротивлением 50 Ом. Если коэффициент стоячей волны по напряжению (VSWR) антенны больше чем 2:1, то необходимо использовать устройство согласования по входу. Для любых значений коэффициента передачи устройства согласования необходимо вводить соответствующую коррекцию в результаты измерений.
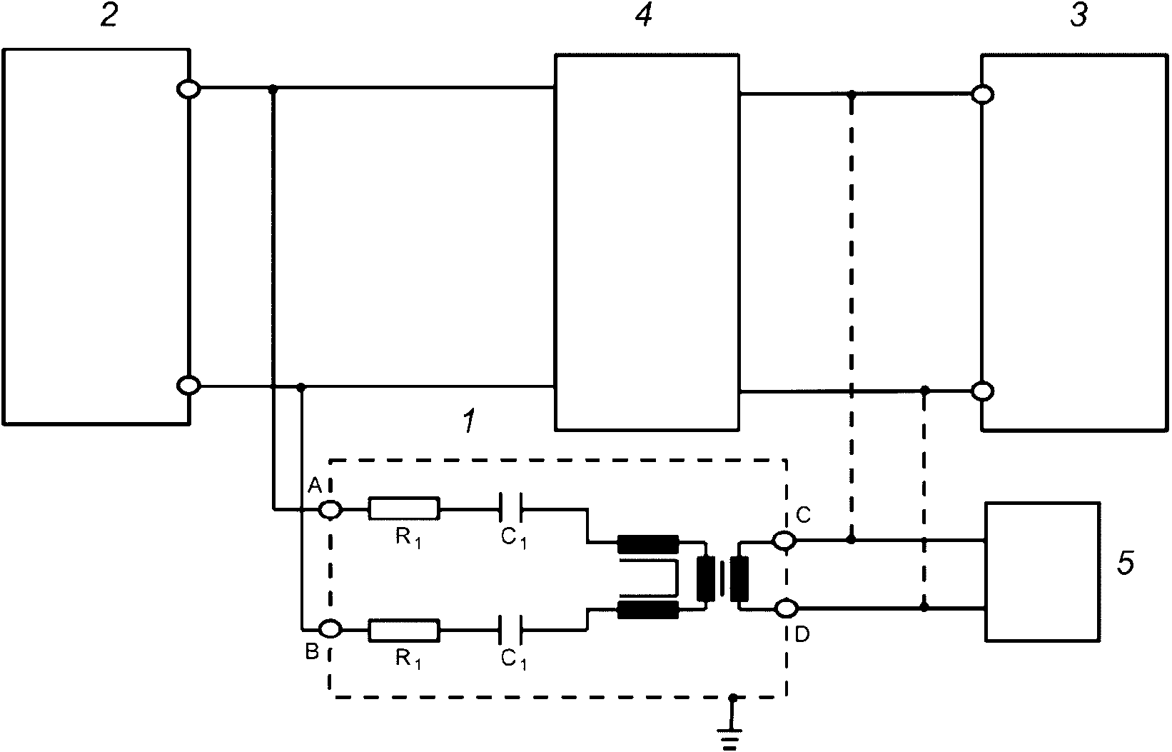
Напряжение помех измеряют на выходе коаксиального антенного кабеля (на стороне приемника) с использованием заземляющего контакта разъема антенного коаксиального кабеля в качестве опорной точки. Этот разъем должен заземляться на корпус бортовой радиосистемы. Корпус радиосистемы должен заземляться на корпус транспортного средства через систему проводки. Для подключения измерительного устройства, находящегося вне экранированной камеры, следует использовать проходной коаксиальный разъем. В случае, когда в транспортном средстве установлена активная антенна, питание которой происходит от радиосистемы через антенный кабель (фантомное питание), требуется для подачи на активную антенну напряжения питания от транспортного средства, у антенного зажима установить схему развязки, аналогичную той, которая используется в радиосистеме.
При выполнении измерений в диапазонах вещания АМ (ДВ, СВ, КВ) точки заземления транспортного средства/устройства согласования и ALSE должны быть электрически развязаны друг от друга с помощью таких средств как развязывающий трансформатор, подавитель поверхностного тока, устройство измерения с питанием от батареи, волоконно-оптические элементы и т.п. Для любой схемы развязки необходимо выполнить соответствующую коррекцию вносимых потерь (пример подавителя поверхностного тока см. в
приложении C).
Для подавления поверхностных токов при подключении к измерительному устройству рекомендуется использовать кабель высокого качества, например, кабель с двойным экранированием, а также надевать на кабель ферритовые кольца для подавления поверхностных токов.
В некоторых транспортных средствах допускается устанавливать приемник в разных местах (например, под приборной панелью, под сиденьем и т.п.). В этих случаях испытание следует проводить согласно плану испытания для каждого местоположения приемника.
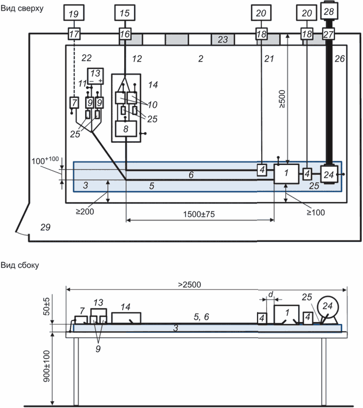
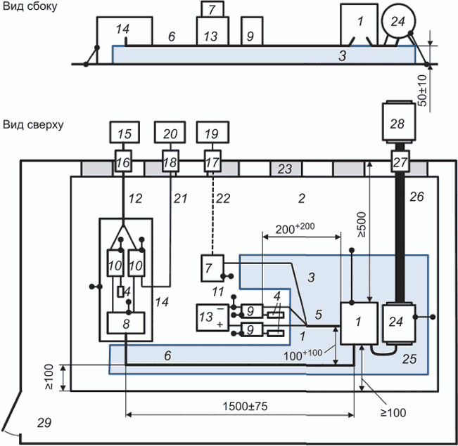
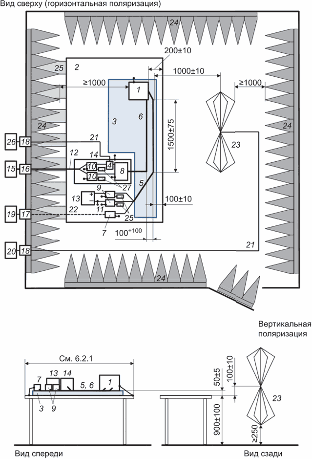
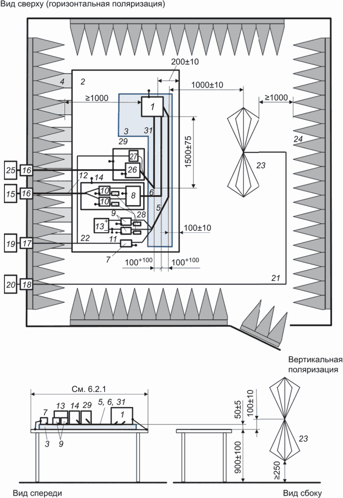
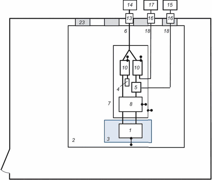
Испытательная установка приведена на
рисунке 3.
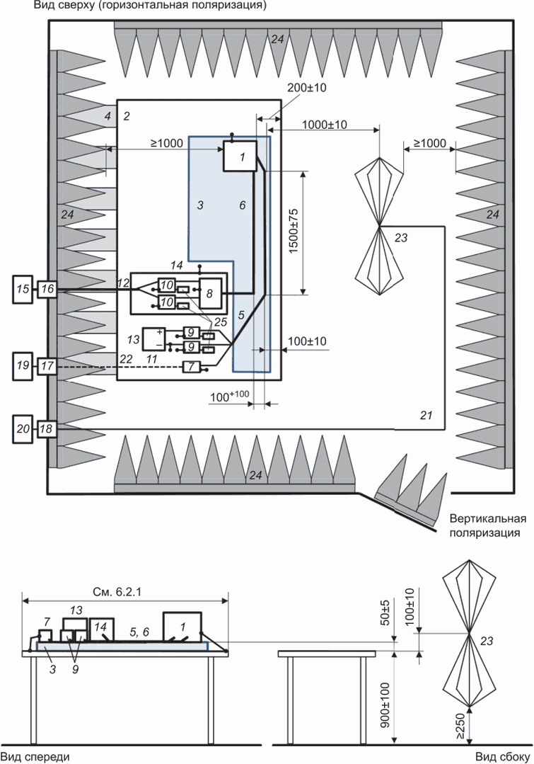
Размеры в миллиметрах,
рисунок не в масштабе
1 - измерительное устройство/прибор; 2 - ALSE; 3 - проходной
разъем;
4 - антенна (см.
5.2);
5 - транспортное средство;
6 - типовой поглощающий материал; 7 - антенный коаксиальный
кабель; 8 - коаксиальный кабель высокого качества с двойным
экранированием (50 Ом); 9 - корпус бортовой радиосистемы;
10 - устройство согласования (при необходимости);
11 - модифицированный коаксиальный разъем (Т-типа);
12 - схема изоляции от заземления в полосе АМ вещания
(если требуется); 13 - эквивалент сети питания (только
для конфигурации с режимом заряда); 14 - сеть питания
(только для конфигурации с режимом заряда); 15 - силовой
кабель зарядки (только для конфигурации с режимом
заряда); 16 - изолирующая подставка (только
для конфигурации с режимом заряда)
Рисунок 3 - Пример испытательной
установки. Помехи, излучаемые транспортным средством
(вид с торца при монопольной антенне)
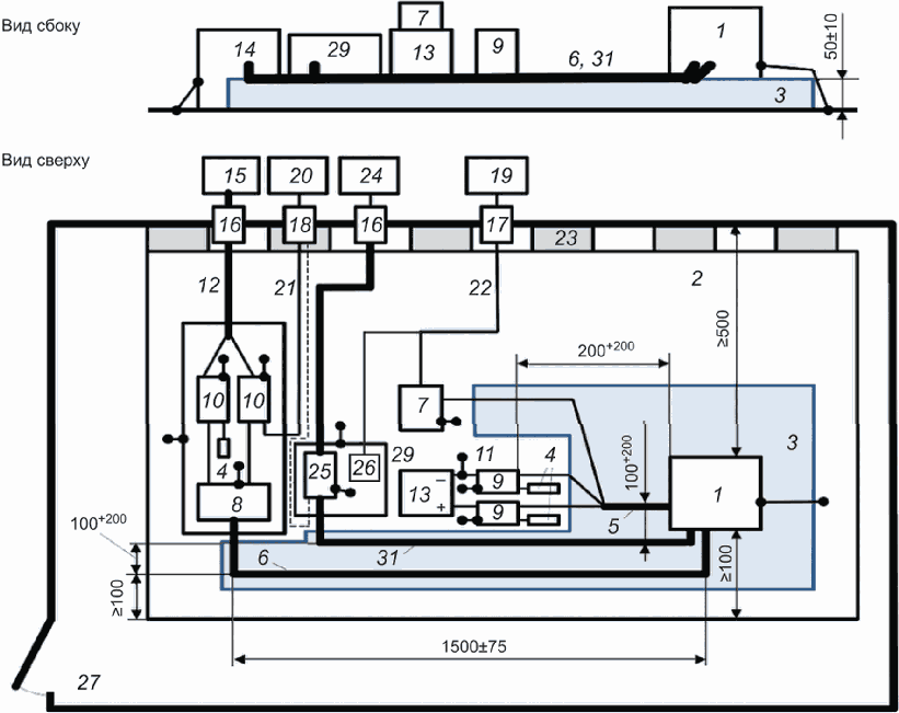
5.4 Испытательная установка для транспортного средства в режиме заряда
5.4.1 Общие положения
Параметры испытательной установки, приведенные в настоящем разделе, установлены для рабочих условий испытаний в режиме заряда.
5.4.2 Транспортное средство в режиме заряда 1 или 2 (заряд от сети переменного тока, кабель зарядки без линии связи)
5.4.2.1 Общие положения
Данная конфигурация относится только к режимам заряда 1 и 2.
Примеры испытательных установок приведены на
рисунках 4 и
5.
Сетевая розетка может находиться в любом месте испытательного помещения при этом должны выполняться следующие условия:
- сетевая розетка должна находиться на пластине заземления;
- длина кабеля между сетевой розеткой и эквивалентом(ами) сети питания должна быть как можно короче, но не обязательно выровнена по направлению с кабелем зарядки;
- кабель должен находиться как можно ближе к пластине заземления.
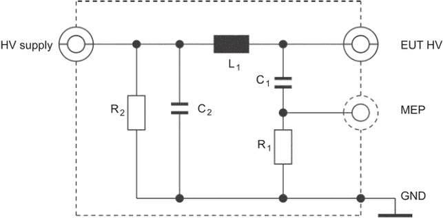
5.4.2.3 Эквивалент сети питания (AMN)
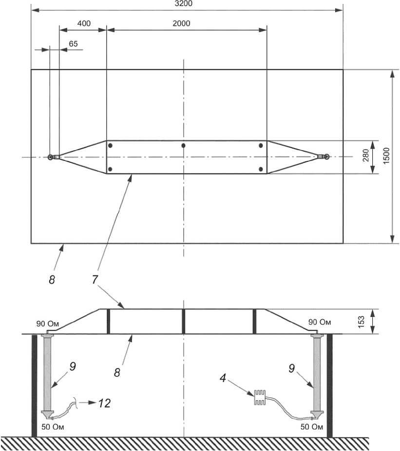
Питание от сети должно подаваться на транспортное средство через эквивалент(ы) сети питания 50 мкГн/50 Ом (см.
E.3 приложения E).
Эквивалент(ы) сети питания следует устанавливать непосредственно на пластине заземления. Корпус эквивалента(ов) сети питания должен соединяться с пластиной заземления. Сопротивление по постоянному току между точкой заземления измерительного порта AMN и пластиной заземления не должно превышать 2,5 мОм.
Измерительный порт каждого AMN должен нагружаться на сопротивление 50 Ом.
Для транспортных средств, у которых зарядный ввод находится спереди/сзади транспортного средства, AMN должен находиться с одной из сторон транспортного средства и располагаться перпендикулярно к зарядному вводу этого средства и должен быть выровнен по направлению с кабелем зарядки транспортного средства. Для транспортных средств, у которых ввод находится на боку транспортного средства, AMN следует устанавливать на одной стороне транспортного средства и выравниваться с зарядным вводом транспортного средства, а также выравниваться с зарядным кабелем транспортного средства.
5.4.2.4 Зарядный кабель
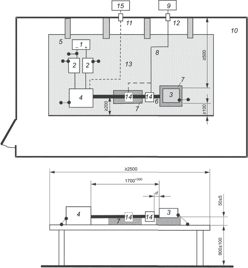
Зарядный кабель должен быть вытянут в прямую линию между эквивалентом(ами) сети питания и зарядным вводом транспортного средства и идти перпендикулярно к продольной оси транспортного средства, как показано на
рисунках 4 и
5. Длина проекции кабеля от эквивалента(ов) сети питания до транспортного средства должна составлять 800
+200 мм.
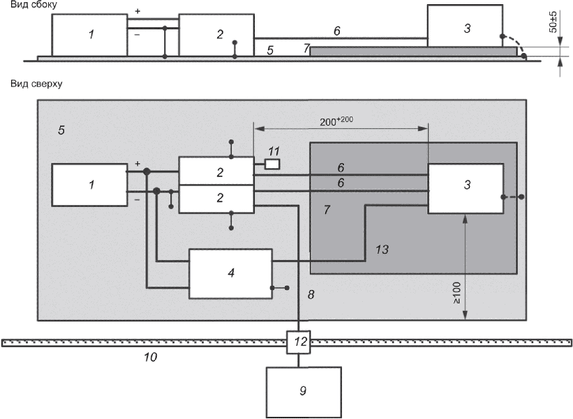
Размеры в миллиметрах
1 - испытуемое транспортное средство; 2 - изолирующая
подставка; 3 - зарядный кабель; 4 - эквивалент(ы)
AMN, заземленный(ые);
5 - сетевая розетка (см.
5.4.2.2)
Рисунок 4 - Пример испытательной установки для транспортного
средства с зарядным вводом на боковой стороне (режим
заряда 1 или 2, питание переменным током, кабель
зарядки без линии связи)
Размеры в миллиметрах
1 - испытуемое транспортное средство; 2 - изолирующая
подставка; 3 - кабель зарядки; 4 - эквивалент(ы)
AMN, заземленный(ые);
5 - сетевая розетка (см.
5.4.2.2)
Рисунок 5 - Пример испытательной установки для транспортного
средства с зарядным вводом спереди/сзади транспортного
средства (режим заряда 1 или 2, питание переменным
током, кабель зарядки без линии связи)
Для длинных кабелей избыточную длину необходимо уложить зигзагообразно с шириной зигзагообразной зоны менее 0,5 м приблизительно в середине расстояния между AMN и транспортным средством. Если из-за жесткости или неподатливости кабеля выполнить такую укладку невозможно или когда испытания проводят на установке пользователя, схему размещения излишней длины кабеля необходимо точно указать в протоколе испытания.
Кабель зарядки на стороне транспортного средства должен свисать вертикально на расстоянии 100+200 мм от корпуса транспортного средства.
Весь кабель должен находиться на непроводящем материале с низкой относительной диэлектрической проницаемостью (диэлектрической постоянной)

на высоте (100 +/- 25) мм относительно пластины заземления.
5.4.2.5 Измерительная система
Измерительная система (приемник, устройство согласования полных сопротивлений, кабель и т.д.) должна размещаться, как показано на
рисунке 3.
5.4.3 Транспортное средство в режиме заряда 3 (зарядка мощностью переменного тока, кабель зарядки с линией связи) или в режиме заряда 4 (зарядка мощностью постоянного тока, кабель зарядки с линией связи)
5.4.3.1 Общие положения
Данная конфигурация относится к режиму заряда 3 и 4.
Примеры испытательных установок приведены на
рисунках 6 и
7.
5.4.3.2 Станция зарядки/сеть питания
Станция зарядки может находиться либо на месте испытания, либо вне места испытания.
Если можно имитировать местную/частную связь между транспортным средством и станцией зарядки, то вместо станции зарядки допускается использовать сеть питания переменного тока.
В обоих случаях сетевая розетка сети питания и разъем(ы) линий связи или линий управления должны размещаться в месте испытания таким образом, чтобы выполнялись следующие условия:
- розетка и разъем(ы) должны находиться на пластине заземления;
- длина жгута проводов между розеткой сети питания, разъемом местной/частной линии связи и эквивалентом(ами) сети питания (AMN)/эквивалентом(ами) сети с зарядкой по постоянному току (DC-charging-AN, эквивалентом(ами) сети (AAN) должна быть как можно короче, но необязательно выровнена по направлению с кабелем зарядки;
- жгут проводов между розеткой сети питания, разъемом местной/частной линии связи и эквивалентом(ами) сети питания (AMN)/эквивалентом(ами) сети с зарядкой по постоянному току (DC-charging-AN), эквивалентом(ами) сети (AAN) должен находиться на пластине заземления.
Если станция зарядки находится на месте испытания, то жгут проводов между ней и розеткой сети питания/разъемом местной/частной линии связи должен отвечать следующим условиям:
- провода на стороне станции зарядки должны спускаться вертикально к пластине заземления;
- избыточная длина жгута проводов должна находиться как можно ближе к пластине заземления, и, при необходимости, должна быть уложена зигзагообразно. Если из-за жесткости или неподатливости жгута проводов выполнить такую укладку невозможно или когда испытания проводят на установке пользователя, схему расположения излишней длины жгута необходимо точно указать в протоколе испытания.
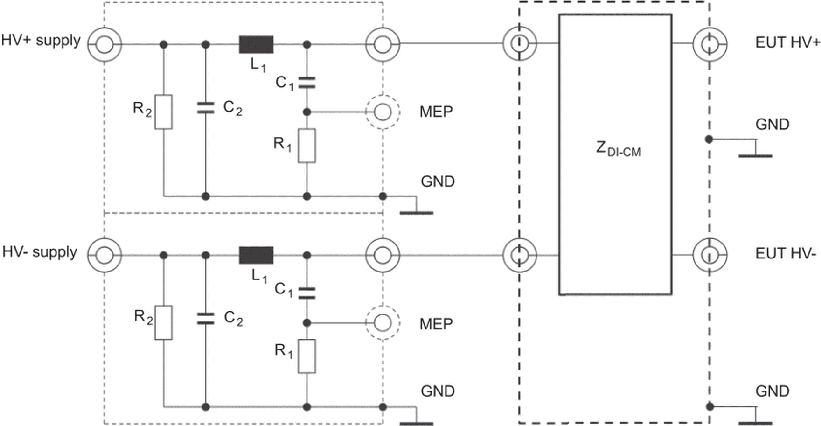
5.4.3.3 Эквиваленты сети питания (AMN)/эквиваленты сети (AN)
Транспортное средство должно подключаться к сети питания переменного тока через один или несколько AMN 50 мкГн/50 Ом (см.
E.3 приложения E).
Транспортное средство должно подключаться к сети питания постоянного тока через один или несколько эквивалентов сети с зарядкой по постоянному току (DC-charging-AN) 5 мкГн/50 Ом (см.
E.2.3 приложения E).
Один или несколько AMN/DC-charging-AN должен(ы) устанавливаться непосредственно на пластине заземления. Корпусы AMN/DC-charging-AN должны быть соединены с пластиной заземления. Сопротивление постоянного тока между землей измерительного порта AMN/DC-charging-AN и пластиной заземления не должно превышать 2,5 мОм.
Измерительный порт каждого AMN/DC-charging-AN должен нагружаться на 50 Ом.
AMN/AN должен находиться спереди на той же стороне, что и зарядный ввод транспортного средства и выровнен с ним по направлению. Для транспортных средств, ввод которых находится на боку транспортного средства, AMN/AN должен устанавливаться на одной стороне транспортного средства и выравниваться с зарядным вводом транспортного средства, а также выравниваться с зарядным кабелем транспортного средства.
5.4.3.4 Асимметричный эквивалент сети (AAN)
Местные/частные линии, подключенные к портам сигнала/управления, и линии, подключенные к портам проводной сети, должны подключаться к транспортному средству через один или несколько AAN.
-
E.4.2 - для порта сигнала/управления с симметричными линиями;
-
E.4.3 - для порта проводной сети с передачей сигналов по линиям питания (PLC);
-
E.4.4 - для порта сигнала/управления с PLC по линии управления;
-
E.4.5 - для порта сигнала/управления с линией управления.
Один или несколько AAN должны устанавливаться непосредственно на пластине заземления. Корпус AAN должен быть соединен с пластиной заземления.
Порт измерения каждого AAN должен нагружаться на 50 Ом.
Для транспортных средств, ввод которых находится спереди/сзади транспортного средства, AAN должен находиться на одной из сторон транспортного средства и располагаться перпендикулярно к зарядному вводу этого средства и должен быть выровнен по направлению с зарядным кабелем транспортного средства. Для транспортных средств, ввод которых находится на боку транспортного средства, AAN должен устанавливаться на одной стороне транспортного средства и выравниваться по направлению с зарядным вводом и зарядным кабелем транспортного средства.
При использовании зарядной станции применять один или несколько AAN для портов сигнала/управления и/или для портов проводной сети не требуется. Для нормальной работы местные/частные линии связи между транспортным средством и зарядной станцией должны подключаться к соответствующему оборудованию на стороне зарядной станции.
5.4.3.5 Зарядка мощностью переменного или постоянного тока с линией связи в кабеле зарядки
При испытании транспортного средства в режиме зарядки с линией связи в кабеле зарядки, зарядный кабель должен быть вытянут в прямую линию между одним или несколькими AMN/DC-charging-AN/AAN и зарядным вводом транспортного средства и должен идти перпендикулярно к продольной оси транспортного средства, как показано на
рисунках 6 и
7. Длина проекции кабеля от стороны эквивалента(ов) сети питания до стороны транспортного средства должна составлять 800
+200 мм.
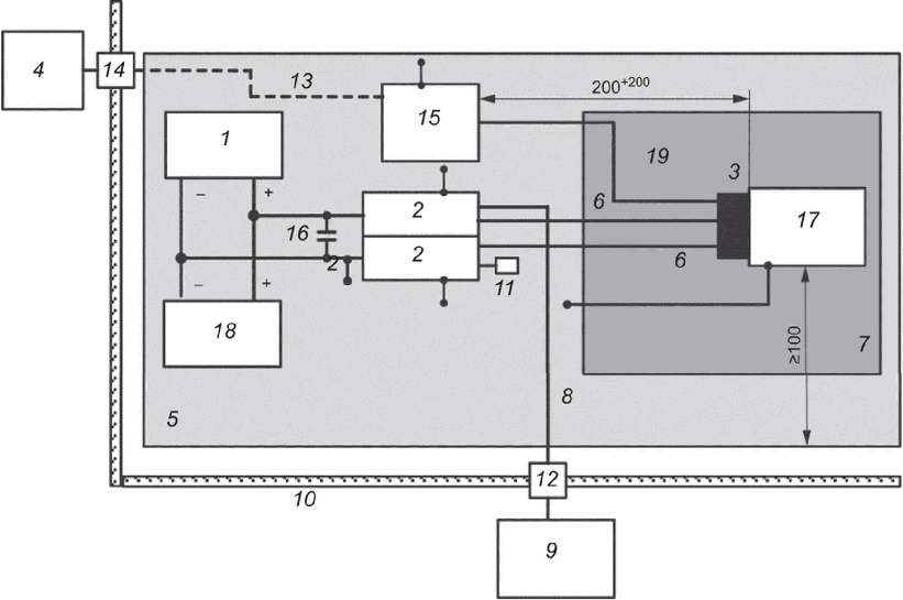
Размеры в миллиметрах
1 - испытуемое транспортное средство; 2 - изолирующая
подставка; 3 - кабель зарядки с локальными линиями связи;
4 - эквивалент(ы) AMN или DC-charging-AN, заземленный(ые);
5 - сетевой разъем; 6 - эквивалент(ы) AAN, заземленный(ые);
7 - станция зарядки
Рисунок 6 - Пример испытательной установки для транспортного
средства с зарядным вводом на боку транспортного средства
(режим заряда 3 или 4, кабель зарядки с линией связи)
Размеры в миллиметрах
1 - испытуемое транспортное средство;
2 - изолирующая подставка; 3 - кабель зарядки
с местной/частной линией связи; 4 - эквивалент(ы) AMN
или DC-charging-AN, заземленный(ые); 5 - сетевой разъем;
6 - эквивалент(ы) AAN, заземленный(ые); 7 - станция зарядки
Рисунок 7 - Пример испытательной установки для транспортного
средства с зарядным вводом спереди/сзади транспортного
средства (режим заряда 3 или 4, кабель
зарядки с линией связи)
При большей длине кабеля избыточную длину необходимо уложить зигзагообразно с шириной зигзагообразной зоны менее 0,5 м. Если из-за жесткости или неподатливости кабеля выполнить такую укладку невозможно или когда испытания проводят на установке пользователя, схему укладки излишней длины кабеля необходимо точно указать в протоколе испытания.
Зарядный кабель с линией связи и управления на стороне транспортного средства следует располагать вертикально на расстоянии 100+200 мм от корпуса транспортного средства.
Весь кабель должен находиться на непроводящем материале с низкой относительной диэлектрической проницаемостью (диэлектрической постоянной)

на высоте (100 +/- 25) мм относительно пластины заземления.
5.4.3.6 Измерительная система
Измерительная система (приемник, устройство согласования полных сопротивлений, кабель и т.п.) должна размещаться, как показано на
рисунке 3.
5.5 Примеры норм на помехи, излучаемые транспортным средством
Для надежного радиоприема в транспортном средстве при использовании типовых радиоприемников рекомендуется, чтобы напряжение помех на выходе антенного кабеля не превышало значений, указанных в
таблицах 4 и
5. При использовании других приемников или в случае, когда при распространении помех справедливы другие модели связи, нормы могут меняться и уточняться в технических условиях производителя транспортного средства.
Таблица 4
Пример норм на помехи. Комплектное транспортное
средство. Основные службы
| Частота, МГц | Напряжение помех на антенном разъеме приемника, дБ (мкВ) | RBW |
Пиковое значение | Квазипиковое значение | Среднее значение |
Службы аналогового вещания |
| 0,15 - 0,30 | 26 | 13 | 6 | 9 кГц |
| 0,53 - 1,80 | 20 | 7 | 0 |
| 5,9 - 6,2 | 20 | 7 | 0 |
| 76 - 108 | 26 | 13 | 0 | 120 кГц |
| 41 - 88 | 16 | - | 6 |
| 174 - 230 | 16 | - | 6 |
| 470 - 944 | 16 | - | 6 |
Службы цифрового вещания |
DAB III | 171 - 245 | 26 | - | 16 | 1 МГц |
| 174 - 230 | 26 | - | 16 |
DTTV | 470 - 770 | | - | |
DAB-диапазон L | 1447 - 1494 | 32 | - | 22 |
SDARS | 2320 - 2345 | 32 | - | 22 |
Мобильные службы |
| 26 - 28 | 20 | 7 | 0 | 9 кГц |
| 30 - 54 | 20 | 7 | 0 | 120 кГц |
| 68 - 87 | 20 | 7 | 0 |
| 142 - 175 | 20 | 7 | 0 |
| 380 - 512 | 20 | 7 | 0 |
| 300 - 330 | 20 | - | 6 |
| 420 - 450 | 20 | - | 6 |
| 820 - 960 | 20 | 7 | 0 |
| 1156,45 - 1196,45 | - | - | 10 | 9 кГц |
| 1553,098 - 1569,098 | - | - | -4,5 |
| 1567,42 - 1583,42 | - | - | 0 |
| 1590,781 - 1616,594 | - | - | 0 |
Wi-Fi/Bluetooth | 2402 - 2494 | 26 | - | 6 | 1 МГц |
Wi-Fi | 5150 - 5350 | 26 | - | 6 |
Wi-Fi | 5470 - 5725 | 26 | - | 6 |
V2X (Wi-Fi) | 5850 - 5925 | 50 | - | 30 |
<a> ДВ - длинные волны, СВ - средние волны, КВ - короткие волны (амплитудная модуляция, АМ); ОВЧ - очень высокая частота, УВЧ - ультравысокая частота (частотная модуляция, ЧМ); DAB - цифровое радиовещание, ТВ - телевидение, DTTV - цифровое наземное телевидение; RKE - дистанционный ввод без ключа, GPS - глобальная система определения местоположения объекта, GSM - глобальная система подвижной связи, BDS - навигационная спутниковая система BeiDou, GLONASS - глобальная спутниковая система определения местоположения, V2X - технология совместной работы автомобиля с другими транспортными средствами, придорожной инфраструктурой, людьми и сетями. <b> В данной аналоговой службе при помехах небольшой длительности, значение нормы в пиковых и квазипиковых значениях допускается ослабить на 6 дБ [например, пиковая (или квазипиковая) норма при короткой помехе = пиковая (или квазипиковая) норма + 6 дБ]. <c> Только аналоговое телевидение. <d> Данная норма менее строгая по сравнению с аналоговой нормой и применяется, только если аналоговое ТВ больше не используют. <e> Нормы для RKE определены в широком частотном диапазоне. Любая модификация нормы в средних значениях около рабочей частоты из-за чувствительности систем RKE должна быть отражена в плане испытаний. <f> Значения, приведенные в настоящей таблице, применимы в полосе частот от 1156,45 до 1196,45 МГц. Нормы во всем частотном диапазоне GPS L5 приведены на рисунке 8a. <g> Значения, приведенные в настоящей таблице, применимы в полосе частот от 1553,098 до 1569,098 МГц. Нормы во всем частотном диапазоне BDS, B1I приведены на рисунке 8b. <h> Значения, приведенные в настоящей таблице, применимы в полосе частот от 1567,42 до 1616,42 МГц. Нормы во всем частотном диапазоне GPS L1 приведены на рисунке 8c. <i> Значения, приведенные в настоящей таблице, применимы в полосе частот от 1590,781 до 1616,594 МГц. Нормы во всем частотном диапазоне GLONASS L1 приведены на рисунке 8d. |
Примечание 1 - В полосе ЧМ-вещания стереосигналы могут быть более восприимчивы к помехе, чем монофонические сигналы. Это явление отражено в нормах для ЧМ-вещания (от 76 до 108 МГц). Примечание 2 - Все значения, приведенные в настоящей таблице, применимы для значений ширины полосы частот, приведенных в таблицах 1 и 2. Если измерения проводят при значениях ширины полосы частот, отличных от тех, что указаны в таблицах 1 и 2 из-за требований к шуму окружающей среды, тогда применимые нормы должны быть указаны в плане испытаний, а применяемые нормы и значения ширины полосы частот - в протоколе испытания. |
Таблица 5
Пример норм на помехи. Комплектное транспортное
средство. Цифровая мобильная телефонная связь
| | Напряжение помех на антенном разъеме приемника, дБ (мкВ) | RBW |
Пиковое значение | Среднее значение |
Цифровые мобильные телефонные службы <c>, <d> |
4G | 460,0 - 467,5 | 32 | 12 | 1 МГц |
5G n71 (617 - 652 МГц) 4G (617 - 652 МГц) | 617 - 652 | 32 | 12 |
5G n12 (729 - 746 МГц) 5G n14 (758 - 768 МГц) 5G n28 (758 - 803 МГц) 5G n29 (717 - 728 МГц) 4G (703 - 803 МГц) | 703 - 803 | 32 | 12 |
3G (729 - 756 МГц) 3G (758 - 768 МГц) | | |
5G n20 (791 - 821 МГц) | 791 - 821 | 32 | 12 | 1 МГц |
3G (791 - 821 МГц) | 26 | 6 |
5G n5 (869 - 894 МГц) 5G n18 (860 - 875 МГц) 5G n26 (859 - 894 МГц) 4G (852 - 894 МГц) | 852 - 894 | 32 | 12 | 1 МГц |
3G (859 - 894 МГц) | | |
2G (869 - 894 МГц) | | | 120 кГц |
5G n8 (925 - 960 МГц) 4G (925 - 960 МГц) | 925 - 960 | 32 | 12 | 1 МГц |
3G (925 - 960 МГц) | | |
2G (925 - 960 МГц) | | | 120 кГц |
5G n50 (1432 - 1517 МГц) 5G n51 (1427 - 1432 МГц) 5G n74 (1475 - 1518 МГц) 5G n75 (1432 - 1517 МГц) 5G n76 (1427 - 1432 МГц) 5G n91 (1427 - 1432 МГц) 5G n92 (1432 - 1517 МГц) 5G n93 (1427 - 1432 МГц) 5G n94 (1432 - 1517 МГц) 4G (1427 - 1518 МГц) | 1427 - 1518 | 32 | 12 | 1 МГц |
3G (1452 - 1496 МГц) | | |
4G | 1525 - 1559 | 32 | 12 | 1 МГц |
5G n3 (1805 - 1880 МГц) 4G (1805 - 1880 МГц) | 1805 - 1880 | 32 | 12 | 1 МГц |
3G (1805 - 1880 МГц) | | |
2G (1805 - 1880 МГц) | | | 120 кГц |
5G n2 (1930 - 1990 МГц) 5G n25 (1930 - 1995 МГц) 5G n34 (2010 - 2025 МГц) 5G n39 (1880 - 1920 МГц) 5G n70 (1995 - 2020 МГц) 4G (1850 - 2025 МГц) | 1850 - 2025 | 32 | 12 | 1 МГц |
3G (1850 - 1995 МГц) 3G (2010 - 2025 МГц) | | |
2G (1930 - 1990 МГц) | | | 120 кГц |
5G n1 (2110 - 2170 МГц) 5G n65 (2110 - 2200 МГц) 5G n66 (2110 - 2200 МГц) 4G (2110 - 2200 МГц) | 2110 - 2200 | 32 | 12 | 1 МГц |
3G (2110 - 2170 МГц) | | |
5G n30 (2350 - 2360 МГц) 5G n40 (2300 - 2400 МГц) 4G (2300 - 2400 МГц) | 2300 - 2400 | 32 | 12 | 1 МГц |
3G (2300 - 2400 МГц) | | |
5G n53 (2483,5 - 2495,0 МГц) | 2483,5 - 2495,0 | 32 | 12 | 1 МГц |
5G n7 (2620 - 2690 МГц) 5G n38 (2570 - 2620 МГц) V2X 5G n41 (2496 - 2690 МГц) 5G n90 (2496 - 2690 МГц) 4G (2496 - 2690 МГц) | 2496 - 2690 | 32 | 12 | 1 МГц |
3G (2570 - 2690 МГц) | | |
5G n48 (3550 - 3700 МГц) 5G n77 (3300 - 4200 МГц) 5G n78 (3300 - 3800 МГц) 4G (3300 - 3800 МГц) | 3300 - 4200 | 32 | 12 | 1 МГц |
3G (3510 - 3590 МГц) | | |
5G n79 (4400 - 5000 МГц) | 4400 - 5000 | 32 | 12 | 1 МГц |
4G | 5150 - 5925 | 32 | 12 | 1 МГц |
5G n47 (5855 - 5925 МГц) V2X V2X(4G) | 5855 - 5925 | 32 | 12 | 1 МГц |
<a> Значения, если в устройствах транспортного средства используется протокол 3G. <b> Значения, если в устройствах транспортного средства используется протокол 2G. <c> Более подробная информация относительно частотных полос для 2G, 3G и 4G приведена в технических требованиях ETSI TS 136 101 [14]. <d> Более подробная информация относительно частотных полос для 5G приведена в технических требованиях ETSI TS 138 101-1 V16.4 [20]. Примечание 1 - Все значения, приведенные в настоящей таблице, применимы для значений ширины полосы частот, приведенных в таблицах 1 и 2. Если измерения проводят при значениях ширины полосы, отличных от тех, что указаны в таблицах 1 и 2 из-за требований к шуму окружающей среды, тогда применимые нормы должны быть указаны в плане испытаний, а применяемые нормы и значения ширины полосы - в протоколе испытания. Примечание 2 - Диапазоны частот, указанные в графе "Частота", объединяют диапазоны частот различных мобильных телефонных служб (например, частотный диапазон от 2300 до 2400 МГц объединяет диапазоны "Band 40 - TD 2300" и "Band 30 - 2300 WCS", "5G n30" и "5G n40". |

a - диапазон GPS L5 от 1156,45 до 1196,45 МГц
b - диапазон BDS, B1I от 1553,098 до 1569,098 МГц
c - диапазон GPS от 1567,42 до 1583,42 МГц
d - диапазон GLONASS от 1590,781 до 1616,594 МГц
Рисунок 8 - Подробная информация о нормах в средних
значениях для диапазонов GPS, BDS, B1I
и GLONASS. Комплектное транспортное средство
Примечание - При использовании на транспортном средстве активной антенны уровень шума на выходе антенного кабеля может иметь более высокое значение из-за собственных шумов антенного усилителя. Уровень шума зависит от типа антенны, и для определения реального значения помех его следует вычесть из измеренного значения, используя следующую
формулу (все значения в мкВ)

. (2)
Такое снижение требований к уровню помех из-за шума активной антенны не может надежно гарантировать соответствия норме, т.к. последующие изменения в конструкции активной антенны могут привести к несоответствию норме. Данный вопрос остается на изучении. В
приложении D представлен метод определения минимального шума активной антенны.
6 Измерение помех от компонентов и модулей
Поскольку место установки компонентов, конструкция корпуса транспортного средства и кабельного жгута могут влиять на степень воздействия радиопомех на бортовые радиосистемы, в настоящем разделе приведены несколько уровней норм. Класс уровня (в зависимости от диапазона частот), применяемый для испытуемого компонента согласуется между заказчиком и поставщиком.
В данном разделе приведены требования и методы испытания для низковольтных компонентов.
В
приложении H приведены дополнительные методы испытания и нормы для низковольтных/высоковольтных компонентов.
Для низковольтных/высоковольтных компонентов:
- измерения кондуктивных помех (метод напряжения) на низковольтных линиях следует проводить с использованием установки, указанной в
H.3.2 приложения H, и в соответствии с требованиями, приведенными в
6.3.4;
- измерения кондуктивных помех (метод напряжения) на высоковольтных линиях следует проводить с использованием установки, указанной в
H.3.2 приложения H, и в соответствии с требованиями, приведенными в
H.3 приложения H;
- измерения кондуктивных помех (метод тока) на низковольтных/высоковольтных линиях следует проводить с использованием установки, указанной в
H.4.2 приложения H, и в соответствии с требованиями, приведенными в
6.4.
6.2 Испытательное оборудование
6.2.1 Опорная пластина заземления
В качестве опорной пластины заземления применяют металлическую поверхность испытательного стенда/стола.
Опорная пластина заземления должна быть изготовлена из меди, латуни, бронзы или гальванизированной стали толщиной 0,5 мм (минимум).
Минимальные размеры опорной пластины заземления при измерении кондуктивных помех методом напряжения должны составлять 1000 x 400 мм.
Минимальные размеры опорной пластины заземления при измерении кондуктивных помех методом пробника тока должны составлять 2500 x 400 мм.
Минимальные размеры опорной пластины заземления при измерении излучаемых помех должны составлять 1000 мм (ширина) x 2000 мм (длина) или размер всей нижней части испытательной установки [EUT и оборудование, связанное с основным (например, жгут проводов, включая линии питания, имитатор нагрузки, размещенный на испытательном стенде, и эквивалент(ы) сети (AN), исключая аккумуляторную батарею и/или источник питания)] плюс 200 мм, в зависимости от того какие размеры больше.
Высота опорной пластины заземления (высота стенда) должна равняться (900 +/- 100) мм относительно пола.
Опорная пластина заземления должна быть соединена с экранированной камерой.
Расстояние от края перемычки заземления до края следующей перемычки должна быть не более 300 мм.
При измерении помех, чтобы снизить резонансы в полосе частот от 10 до 30 МГц, могут быть установлены дополнительные перемычки заземления по переднему краю опорной пластины заземления и по задней стороне, если это согласовано между заказчиком и поставщиком, как указано в
приложении I.
Максимальное отношение длины перемычек заземления к их ширине по задней стороне опорной пластины заземления должно составлять 7:1.
Примечание - Из-за резонансных явлений в опорной пластине заземления местоположение, ширина и длина перемычек заземления могут повлиять на результаты измерения. Для обеспечения низкоомного соединения с экранированной камерой/ALSE требуется использовать достаточное количество низкоиндуктивных перемычек.
6.2.2 Источник питания и эквивалент сети (AN)
При испытаниях, указанных в
6.3 -
6.6 каждый провод положительного контакта источника питания испытуемого оборудования должен подключаться к источнику питания через эквивалент сети (AN). AN должен иметь номинальную индуктивность 5 мкГн. Характеристика полного сопротивления AN и предлагаемые схемы исполнения приведены в
приложении E.
Как правило, отрицательный полюс источника питания является землей, однако если в EUT используется положительная земля, тогда необходимо соответственно адаптировать состав оборудования и схемы подключения в представленных на рисунках испытательных установках. В зависимости от особенностей установки и подключения EUT в транспортном средстве возможны ситуации:
- EUT с выносным заземлением (линия обратного тока питания транспортного средства более 200 мм). В этом случае необходимо использовать два эквивалента сети: один для положительной линии питания и один для обратной линии питания;
- EUT с местным заземлением (линия обратного тока питания транспортного средства составляет в длину не более 200 мм). В этом случае требуется один эквивалент сети, для положительной линии питания.
Эквивалент(ы) сети (AN) следует устанавливать непосредственно на опорной пластине заземления. Корпус(ы) эквивалента(ов) сети следует соединять с опорной пластиной заземления. Сопротивление по постоянному току между точкой заземления порта измерения AN и опорной пластиной заземления не должно превышать 2,5 мОм.
Обратную линию источника питания следует соединить с опорной пластиной заземления в точке между источником питания и эквивалентом сети.
Измерительный порт AN, не подключенный к измерительному устройству, должен нагружаться на сопротивление 50 Ом.
6.2.3 Имитатор нагрузки
В имитатор нагрузки входят датчики и приводы, и он является нагрузкой для испытуемых проводов, подключаемых к EUT.
Для обеспечения повторяемости результатов измерений необходимо использовать одинаковую нагрузку при всех измерениях, либо применением специальных нагрузочных устройств (например, эквиваленты сети, фильтры), расположенные на контуре зоны по ВЧ, либо применять имитаторы нагрузки.
6.3 Кондуктивные помехи от компонентов/модулей. Метод напряжения
6.3.1 Общие положения
Испытания необходимо проводить в ALSE или в экранированной камере.
При измерениях напряжения определяют только уровень помех в отдельных проводах. Данный метод не подходит для измерения параметров излучаемых помех, которые создаются различными антенными структурами (например, электронными элементами на печатной плате), и для измерения значений эффективности экранирования. Следовательно, при измерениях напряжения невозможно получить все параметры помех создаваемых EUT. Метод измерения напряжения полезен, главным образом в области низких частот (например, в диапазонах АМ-вещания).
6.3.2 Испытательная установка
6.3.2.1 Размещение EUT
EUT следует размещать на непроводящем материале с низкой относительной диэлектрической проницаемостью

на высоте (50 +/- 5) мм относительно опорной пластины заземления.
Корпус EUT не должен иметь соединения с опорной пластиной заземления, если этого не требуется для имитации реальной конфигурации транспортного средства.
Опорная пластина заземления должна выступать со всех сторон EUT не менее чем на 100 мм. В случае заземленного EUT точка соединения с землей также должна находиться на расстоянии не менее 100 мм от края опорной пластины заземления.
EUT должно находиться на расстоянии не менее 500 мм от стены камеры.
6.3.2.2 Расположение испытуемых проводов
Провода источника питания должны вытягиваться в прямую линию на непроводящем материале с низкой относительной диэлектрической проницаемостью

на высоте (50 +/- 5) мм над опорной пластиной заземления.
Стандартная длина линии(й) проводов источника питания между разъемом эквивалента(ов) сети и разъемом(ами) EUT Ip = 200 + 200 мм.
Для системы зажигания стандартная длина линии(й) проводов источника питания между разъемом эквивалента(ов) сети и катушкой зажигания Ip = 200 + 200 мм.
Чтобы уменьшить связь между проводами линии питания и сигнальными проводами входа/выхода (которые также включают любые входные/выходные обратные провода), расстояние между этими видами проводов необходимо максимизировать (>= 200 мм от проводов линии источника питания, соединяющих эквивалент(ы) сети и EUT, или размещать испытуемые сигнальные провода перпендикулярно к ним). Если другие указания отсутствуют в плане испытания, испытуемые провода должны находиться на материале с низкой относительной диэлектрической проницаемостью

на высоте (50 +/- 5) мм над опорной пластиной заземления.
Максимальная длина испытуемых сигнальных проводов (исключая провода линии питания) не должна превышать 2 м. Тип проводов зависит от применения EUT и требований к нему.
Все провода и кабели должны находиться на расстоянии не менее 100 мм от края опорной пластины заземления.
6.3.2.3 Размещение имитатора нагрузки
Рекомендуется размещать имитатор нагрузки непосредственно на опорной пластине заземления. Если корпус имитатора нагрузки выполнен из металла, то он должен соединяться с опорной пластиной заземления.
Примечание - Допускается имитатор нагрузки размещать рядом с опорной пластиной заземления (при этом корпус имитатора нагрузки соединяют с опорной пластиной заземления) или он должен находиться вне испытательной камеры при условии, что испытуемые провода от EUT проходят через контур зоны по ВЧ на опорной пластине заземления.
Когда имитатор нагрузки расположен на опорной пластине заземления, его линии питания по постоянному току должны подключаться непосредственно к источнику питания, а не через эквивалент(ы) сети.
6.3.3 Процедура испытания
Общая схема размещения источника помех (EUT), соединительных проводов и т.п. должна соответствовать стандартизированным условиям испытания. Любые отступления от стандартизированной испытательной установки (например, другие длины испытуемых проводов) должны быть согласованы до испытания и указаны в протоколе испытаний.
Напряжение кондуктивных помех на линиях питания измеряют последовательно на положительной линии питания и на обратном проводе с помощью измерительного устройства, которое подключается к измерительному порту соответствующего эквивалента сети (AN), при этом измерительные порты AN в других линиях питания должны быть нагружены на сопротивление 50 Ом.
При измерениях напряжения следует выполнять следующие условия:
- для EUT с выносным заземлением (обратный провод линии питания транспортного средства длиннее 200 мм) измерения напряжения выполняются на каждом проводе (прямом и обратном) относительно опорной пластины заземления (см.
рисунок 9);
- для EUT с местным заземлением (обратный провод линии питания транспортного средства 200 мм или короче) измерения напряжения на проводах питания следует проводить на прямом проводе относительно опорной пластины заземления (см.
рисунок 10);
- генераторы/синхронные генераторы должны нагружаться на комбинацию аккумуляторной батареи и параллельного резистора и подключаться к эквиваленту сети, как показано на
рисунке 11. В плане испытания должен быть указан ток нагрузки, рабочая скорость, длина проводов и другие условия;
- условия испытаний систем зажигания - см.
рисунок 12.
Примечание - Для EUT с многоштыревыми разъемами от положительного полюса источника питания и/или многоштыревыми разъемами обратного провода, измерения допускается проводить (на источнике и на обратном проводе) при соединении всех разъемов питания на стороне AN и всех разъемов линии обратного провода на стороне второго AN. Более подробная информация по подключению AN приведена в плане испытания.
Размеры в миллиметрах, рисунок не в масштабе
1 - источник питания (местоположение по выбору);
2 - эквивалент сети (AN); 3 - EUT (корпус подключен
к опорной пластине заземления, если это требуется в плане
испытания); 4 - имитатор нагрузки (металлический корпус
заземлен, если это требуется в плане испытания); 5 - опорная
пластина заземления; 6 - провода питания; 7 - подставка
из материала с низкой относительной диэлектрической
проницаемостью

;
8 - коаксиальный кабель
высокого качества, например, с двойным экранированием
(50 Ом); 9 - измерительное устройство; 10 - экранированное
помещение; 11 - нагрузка 50 Ом; 12 - проходной разъем;
13 - жгут испытательных проводов (без линий питания)
Земляной провод корпуса EUT, если он требуется в плане испытания, не должен быть длиннее 150 мм.
Рисунок 9 - Кондуктивные помехи. Пример испытательной
установки для EUT с обратным проводом и выносным заземлением
Размеры в миллиметрах, рисунок не в масштабе
1 - источник питания (местоположение по выбору);
2 - эквивалент сети (AN); 3 - EUT (корпус подключен
к опорной пластине заземления, если это требуется в плане
испытания); 4 - имитатор нагрузки (металлический корпус
заземлен, если это требуется в плане испытания); 5 - опорная
пластина заземления; 6 - провода питания; 7 - подставка
из материала с низкой относительной диэлектрической
проницаемостью

;
8 - коаксиальный кабель
высокого качества, например, с двойным экранированием
(50 Ом); 9 - измерительное устройство; 10 - экранированное
помещение; 12 <*> - проходной разъем; 13 - жгут
испытательных проводов (без линий питания)
--------------------------------
<*> Нумерация приведена согласно оригиналу.
Земляной провод корпуса EUT, если он требуется в плане испытания, не должен быть длиннее 150 мм.
Рисунок 10 - Кондуктивные помехи. Пример испытательной
установки для EUT с обратным проводом и местным заземлением
Размеры в миллиметрах, рисунок не в масштабе
1 - источник питания (местоположение по выбору);
2 - эквивалент сети (AN); 3 - EUT (корпус подключен
к опорной пластине заземления, если это требуется в плане
испытания); 4 - имитатор нагрузки (металлический корпус
заземлен, если это требуется в плане испытания); 5 - опорная
пластина заземления; 6 - провода питания; 7 - подставка
из материала с низкой относительной диэлектрической
проницаемостью

;
8 - коаксиальный кабель
высокого качества, например, с двойным экранированием
(50 Ом); 9 - измерительное устройство; 10 - экранированное
помещение; 12 <*> - проходной разъем; 13 - жгут
испытательных проводов (без линий питания); 14 - двигатель
(воздушный/низкие помехи); 15 - непроводящий ремень/сцепка;
16 - нагрузочный резистор; 17 - индикаторная лампа/резистор
управления (если используется)
--------------------------------
<*> Нумерация приведена согласно оригиналу.
Земляной провод корпуса EUT, если он требуется в плане испытания, не должен быть длиннее 150 мм.
Рисунок 11 - Кондуктивные помехи. Пример испытательной
установки для генераторов и синхронных генераторов
Размеры в миллиметрах, рисунок не в масштабе
1 - источник питания (местоположение по выбору);
2 - эквивалент сети (AN); 3 - индивидуальная катушка
зажигания; 4 - имитатор электронного управляющего устройства
(ECU); 5 - опорная пластина заземления; 6 - провода питания;
7 - подставка из материала с низкой относительной
диэлектрической проницаемостью

;
8 - коаксиальный
кабель высокого качества, например, с двойным экранированием
(50 Ом); 9 - измерительное устройство; 10 - экранированное
помещение; 11 - нагрузка 50 Ом; 12 - проходной разъем;
13 - оптоволоконный кабель; 14 - волоконно-оптический
сквозной соединитель; 15 - волоконно-оптический
преобразователь; 16 - конденсатор 1000 мкФ; 17 - имитатор
двигателя (металлический корпус соединен с опорной землей
проводом, длина которого указана в плане испытания);
18 - батарея/аккумулятор; 19 - сигнальная линия
Земляной провод корпуса индивидуальной катушки зажигания, если он требуется в плане испытания, не должен быть длиннее 150 мм.
Рисунок 12 - Кондуктивные помехи. Пример испытательной
установки для элементов системы зажигания
6.3.4 Нормы на кондуктивные помехи от компонентов/модулей. Метод напряжения
Класс используемого уровня норм (в зависимости от диапазона частот) должен согласовываться между заказчиком транспортного средства и поставщиком.
Примечание - Метод, используемый для определения коэффициента калибровки напряжения, который также называют вносимыми потерями AN, приведен в A.8 CISPR 16-1-2:2014.
В
таблице 6 приведен пример норм на кондуктивные помехи от компонентов/модулей - метод напряжения. Так как степень воздействия радиопомех на бортовую радиосистему зависит от места установки компонентов, конструкции корпуса транспортного средства и проводки, то указано несколько уровней норм.
Таблица 6
Примеры норм на кондуктивные помехи. Метод напряжения
Служба/диапазон | Частота, МГц | Уровни, дБ (мкВ) | RBW |
Класс 5 | Класс 4 | Класс 3 | Класс 2 | Класс 1 |
Пиковые | Квазипиковые | Средние значения | Пиковые | Квазипиковые | Средние значения | Пиковые | Квазипиковые | Средние значения | Пиковые | Квазипиковые | Средние значения | Пиковые | Квазипиковые | Средние значения |
Службы аналогового вещания |
ДВ | 0,15 - 0,30 | 70 | 57 | 50 | 80 | 67 | 60 | 90 | 77 | 70 | 100 | 87 | 80 | 110 | 97 | 90 | 9 кГц |
СВ | 0,53 - 1,80 | 54 | 41 | 34 | 62 | 49 | 42 | 70 | 57 | 50 | 78 | 65 | 58 | 86 | 73 | 66 |
КВ | 5,9 - 6,2 | 53 | 40 | 33 | 59 | 46 | 39 | 65 | 52 | 45 | 71 | 58 | 51 | 77 | 64 | 57 |
ЧМ | 76 - 108 | 38 | 25 | 18 | 44 | 31 | 24 | 50 | 37 | 30 | 56 | 43 | 36 | 62 | 49 | 42 | 120 кГц |
ТВ-диапазон I | 41 - 88 | 34 | - | 24 | 40 | - | 30 | 46 | - | 36 | 52 | - | 42 | 58 | - | 48 |
Мобильные службы |
СВ-связь | 26 - 28 | 44 | 31 | 24 | 50 | 37 | 30 | 56 | 43 | 36 | 62 | 49 | 42 | 68 | 55 | 48 | 9 кГц |
ОВЧ | 30 - 54 | 44 | 31 | 24 | 50 | 37 | 30 | 56 | 43 | 36 | 62 | 49 | 42 | 68 | 55 | 48 | 120 кГц |
ОВЧ | 68 - 87 | 38 | 25 | 18 | 44 | 31 | 24 | 50 | 37 | 30 | 56 | 43 | 36 | 62 | 49 | 42 |
Примечание 1 - Все значения норм, приведенные в настоящей таблице, применимы для значений ширины полосы частот, указанных в таблицах 1 и 2. Если измерения проводят при значениях ширины полосы, отличных от тех, что указаны в таблицах 1 и 2 из-за требований в части допустимого уровня шума, то применяемые нормы должны быть указаны в плане испытаний. Примечание 2 - Когда в нескольких диапазонах используют одни и те же нормы, пользователь должен выбрать соответствующие диапазоны, в которых будет проводить испытания. Если в плане испытаний есть перекрывающиеся полосы, то в нем необходимо указать применимую норму. Примечание 3 - Несмотря на то, что в настоящей таблице приведены нормы в пиковых, квазипиковых и средних значениях, не требуется проводить измерения всеми тремя детекторами. См. рисунок 1. |
6.4 Кондуктивные помехи от компонентов/модулей. Метод пробника тока
6.4.1 Общие положения
Испытания необходимо проводить в ALSE или в экранированном помещении.
6.4.2 Испытательная установка
6.4.2.1 Размещение EUT
EUT следует размещать на непроводящем материале с низкой относительной диэлектрической проницаемостью

на высоте (50 +/- 5) мм над опорной пластиной заземления.
Корпус EUT не должен соединяться с опорной пластиной заземления, если это не требуется для имитации реальной конфигурации транспортного средства.
Все стороны EUT должны находиться на расстоянии не менее 100 мм от края опорной пластины заземления и не менее 500 мм от стены камеры. Испытательная установка должна моделировать реальную конфигурацию транспортного средства. Должно быть указано:
- используемый вид заземления (выносное или местное);
- использование изоляционной прокладки;
- электрическое соединение корпуса EUT с опорной пластиной заземления.
Конфигурация испытаний представлена на
рисунке 13.
Размеры в миллиметрах, рисунок не в масштабе
1 - источник питания (местоположение по выбору);
2 - эквивалент сети (AN); 3 - EUT (корпус подключен
к опорной пластине заземления, если это требуется в плане
испытания); 4 - имитатор нагрузки (металлический корпус
заземлен, если это требуется в плане испытания); 5 - опорная
пластина заземления; 6 - жгут проводов; 7 - подставка
из материала с низкой относительной диэлектрической
проницаемостью

;
8 - коаксиальный кабель
высокого качества, например, с двойным экранированием
(50 Ом); 9 - измерительное устройство; 10 - экранированное
помещение; 11 - волоконно-оптический сквозной соединитель;
12 - проходной разъем; 13 - оптоволоконный кабель;
14 - пробник тока (представлен в двух позициях);
15 - система мониторинга и моделирования; d - расстояние
от EUT до ближайшей позиции пробника
Рисунок 13 - Кондуктивные помехи. Пример испытательной
установки при измерениях пробником тока
6.4.2.2 Размещение испытуемых проводов
Испытуемый жгут проводов между EUT и имитатором нагрузки (или границей по ВЧ) должны иметь длину 1700
+300 мм (или оговоренную в плане испытания) и размещаться на непроводящем материале с низкой относительной диэлектрической проницаемостью

на высоте (50 +/- 5) мм над опорной пластиной заземления. Если в плане испытания нет других указаний, то испытуемые провода должны идти параллельно, рядом друг с другом.
6.4.3 Процедура испытания
Используемый пробник тока должен отвечать требованиям, приведенным в CISPR 16-1-2 на частотах ниже 200 МГц.
Пробник тока следует устанавливать на жгут проводов (включая все провода). Если EUT имеет несколько разъемов на устройстве, что ведет к связкам из нескольких проводов, то в плане испытания необходимо указать, на какие провода должен быть установлен пробник для измерения. При отсутствии какого-либо указания измерения следует проводить на каждой связке (разъеме) по отдельности и вместе на всех проводах.
Жгут из экранированных проводов, используемых в данном испытании, должен быть типичным для транспортного средства в части конструкции кабелей и оконечной нагрузки разъема, как указано в плане испытаний.
Если жгут проводов EUT состоит из слишком большого количества проводов, которые не могут уместиться в измерительном пробнике, в плане испытания допускается определить подлежащие измерению провода, и это должно быть отражено в протоколе испытания.
При измерении помех пробник тока следует устанавливать на расстоянии 50 и 750 мм от EUT.
Если EUT имеет разъем с металлическим корпусом, то пробник необходимо устанавливать на кабель непосредственно рядом с корпусом разъема, а не на сам корпус разъема.
Примечание - В плане испытаний могут быть определены дополнительные измерения: только на проводе от положительного полюса источника питания и/или только от отрицательного полюса источника питания. Нормы для таких конфигураций испытаний должны быть указаны в плане испытаний.
6.4.4 Нормы на кондуктивные помехи от компонентов/модулей. Метод пробника тока
Класс применяемого уровня норм (в зависимости от диапазона частот) должен согласовываться между заказчиком и поставщиком.
В
таблице 7 приведен пример норм на кондуктивные помехи от компонентов/модулей - метод пробника тока. Так как степень воздействия радиопомех на бортовую радиосистему зависит от места установки компонентов, конструкции корпуса транспортного средства и проводки, то указано несколько уровней норм.
Таблица 7
Примеры норм на кондуктивные помехи. Метод пробника тока
Служба/диапазон | Частота, МГц | Уровни, дБ (мкА) | RBW |
Класс 5 | Класс 4 | Класс 3 | Класс 2 | Класс 1 |
Пиковые | Квазипиковые | Средние значения | Пиковые | Квазипиковые | Средние значения | Пиковые | Квазипиковые | Средние значения | Пиковые | Квазипиковые | Средние значения | Пиковые | Квазипиковые | Средние значения |
Службы аналогового вещания |
ДВ | 0,15 - 0,30 | 50 | 37 | 30 | 60 | 47 | 40 | 70 | 57 | 50 | 80 | 67 | 60 | 90 | 77 | 70 | 9 кГц |
СВ | 0,53 - 1,80 | 26 | 13 | 6 | 34 | 21 | 14 | 42 | 29 | 22 | 50 | 37 | 30 | 58 | 45 | 38 |
КВ | 5,9 - 6,2 | 19 | 6 | -1 | 25 | 12 | 5 | 31 | 18 | 11 | 37 | 24 | 17 | 43 | 30 | 23 |
ЧМ | 76 - 108 | 4 | -9 | -16 | 10 | -3 | -10 | 16 | 3 | -4 | 22 | 9 | 2 | 28 | 15 | 8 | 120 кГц |
ТВ-полоса I | 41 - 88 | 0 | - | -10 | 6 | - | -4 | 12 | - | 2 | 18 | - | 8 | 24 | - | 14 |
Службы цифрового вещания |
DAB III | 171 - 245 | 4 | - | -6 | 10 | - | 0 | 16 | - | 6 | 22 | - | 12 | 28 | - | 18 | 1 МГц |
ТВ-диапазон III | 174 - 230 | 4 | - | -6 | 10 | - | 0 | 16 | - | 6 | 22 | - | 12 | 28 | - | 18 |
Мобильные службы |
СВ-связь | 26 - 28 | 10 | -3 | -10 | 16 | 3 | -4 | 22 | 9 | 2 | 28 | 15 | 8 | 34 | 21 | 14 | 9 кГц |
ОВЧ | 30 - 54 | 10 | -3 | -10 | 16 | 3 | -4 | 22 | 9 | 2 | 28 | 15 | 8 | 34 | 21 | 14 | 120 кГц |
ОВЧ | 68 - 87 | 4 | -9 | -16 | 10 | -3 | -10 | 16 | 3 | -4 | 22 | 9 | 2 | 28 | 15 | 8 |
ОВЧ | 142 - 175 | 4 | -9 | -16 | 10 | -3 | -10 | 16 | 3 | -4 | 22 | 9 | 2 | 28 | 15 | 8 |
Примечание 1 - Все значения норм, приведенные в настоящей таблице, применимы для значений ширины полосы, указанных в таблицах 1 и 2. Если измерения проводят при значениях ширины полосы, отличных от тех, что указаны в таблицах 1 и 2 из-за требований в части допустимого уровня шума, тогда применяемые нормы должны быть указаны в плане испытаний. Примечание 2 - Если в нескольких диапазонах используют одни и те же нормы, пользователь должен выбрать соответствующие диапазоны, в которых будет проводить испытания. Если в плане испытаний есть перекрывающиеся диапазоны, то в нем необходимо указать применимую норму. Примечание 3 - Несмотря на то, что в настоящей таблице приведены нормы в пиковых, квазипиковых и средних значениях, не требуется проводить измерения всеми тремя детекторами. См. рисунок 1. |
6.5 Излучаемые помехи от компонентов/модулей. Метод ALSE
6.5.1 Общие положения
Измерения напряженности излучаемого поля проводят в экранированной камере, облицованной поглощающим материалом (ALSE) для подавления посторонних радиопомех, создаваемых электрическим оборудованием и вещательными станциями.
Примечание 1 - Кондуктивные помехи могут вносить дополнительную погрешность в измерения излучаемых помех из-за излучения от проводов испытательной установки. Поэтому до проведения испытания на излучаемые помехи целесообразно обеспечить соответствие требованиям на кондуктивные помехи.
Примечание 2 - Помехи при работе приемника на борту транспортного средства могут быть вызваны непосредственным излучением от одного или нескольких проводов в монтажной системе транспортного средства. Данный фактор влияет как на выбор вида испытаний, так и на средства подавления помех на источнике.
Примечание 3 - Компоненты транспортного средства, которые не имеют качественного заземления на корпус транспортного средства посредством коротких проводников, или которые имеют несколько проводов, по которым протекают токи помех, создают излучаемые помехи, уровни которых плохо коррелируются с кондуктивными помехами. Данный метод измерения излучаемых помех имеет лучшую корреляцию с испытаниями комплектного транспортного средства при наличии в транспортном средстве таких компонентов.
6.5.2 Испытательная установка
6.5.2.1 Общие положения
При измерении излучаемых помех расположение EUT, испытуемых проводов, имитатора нагрузки и измерительного устройства должно соответствовать
рисункам, 15 -
18. Любые отклонения от стандартизованной длины испытуемых проводов и т.п. должны быть согласованы до испытания и зафиксированы в протоколе испытания.
Измерения следует проводить с использованием линейно-поляризованных электрических антенн, имеющих номинальное выходное полное сопротивление 50 Ом.
Для улучшения повторяемости результатов, получаемых в разных лабораториях, рекомендуется использовать следующие антенны:
a) от 0,15 до 30 МГц - вертикальная монопольная антенна 1 м (если полное выходное сопротивление не равно 50 Ом, необходимо использовать соответствующее устройство согласования с антенной);
b) от 30 до 300 МГц - биконическая антенна;
c) от 200 до 1000 МГц - логопериодическая антенна;
d) от 1000 до 5925 МГц - рупорная или логопериодическая антенна.
Метод, калибровки вертикальной монопольной (штыревой) антенны, приведен в CISPR 16-1-4:2014/AMD1:2017, раздел 5.
Для определения коэффициентов калибровки биконических, логопериодических и рупорных антенн используют метод антенны 1 м, представленный в SAE ARP 958.1 Rev D (февраль 2003)
[8].
Примечание - Биконические антенны в диапазоне частот от 30 до 80 МГц, как правило, имеют высокий КСВН до 10:1. Поэтому, если полное входное сопротивление приемника отличается от 50 Ом, может появиться дополнительная погрешность измерения. Эту дополнительную погрешность можно уменьшить, если на входе приемника или дополнительного предусилителя (если возможно) установить аттенюатор (не менее 3 дБ).
6.5.2.3 Устройство согласования для монопольной антенны
На всех частотах измерений должно обеспечиваться корректное согласование полного выходного сопротивления антенны и полного входного сопротивления измерительного устройства равного 50 Ом. КСВН на выходном порте устройства согласования должен быть не более 2:1. Для любого значения коэффициента передачи устройства согласования следует производить соответствующую коррекцию результата измерения.
Примечание - Необходимо обеспечить, чтобы входные напряжения не превышали максимального паспортного значения импульса на входе устройства согласования, в противном случае может произойти перегрузка. Это особенно важно при использовании активных устройств согласования.
6.5.2.4 Размещение EUT
EUT следует размещать на подставке из непроводящего материала с низкой относительной диэлектрической проницаемостью

на высоте (50 +/- 5) мм над опорной пластиной заземления.
Корпус EUT не должен соединяться с опорной пластиной заземления, если это не требуется для имитации реальной конфигурации транспортного средства.
Сторона EUT, ближайшая к переднему краю опорной пластины заземления, должна находиться на расстоянии (200 +/- 10) мм от переднего края опорной пластины заземления.
6.5.2.5 Размещение испытуемого жгута проводов
Общая длина испытуемых проводов между EUT и имитатором нагрузки (или контуром по ВЧ) не должна превышать 2000 мм (или соответствовать длине, указанной в плане испытаний). Тип проводов определяется реально применяемой системой и требованиями к ней.
Необходимо обеспечить, чтобы длина линий питания также не превышала 2000 мм. Если питание поступает отдельно от имитатора нагрузки, AN должен устанавливаться таким образом, чтобы линии питания были менее 2000 мм. Если питание проходит через имитатор нагрузки, линия между ним и AN должна быть как можно короче, насколько это возможно практически, чтобы не увеличивать длину к линиям питания.
Испытуемый жгут проводов размещают на подставке из непроводящего материала с низкой относительной диэлектрической проницаемостью

на высоте (50 +/- 5) мм над опорной пластиной заземления.
Испытуемые провода, параллельные переднему краю опорной пластины заземления, должны иметь длину (1500 +/- 75) мм.
Длинный участок испытуемого жгута проводов должен проходить параллельно краю опорной пластины заземления, обращенному к антенне, на расстоянии (100 +/- 10) мм от этого края. Расположение EUT и имитатора нагрузки требует, чтобы угол сгиба проводов составлял 90
+45 градусов, как показано на
рисунке 14.
1 - EUT; 2 - испытуемые провода; 3 - имитатор нагрузки;
4 - угол 90+45 градусов
Рисунок 14 - Требования к сгибу испытуемых проводов
Жгут из экранированных проводов, используемый в данном испытании, должен быть типичным для транспортного средства в части конструкции кабелей и оконечной нагрузки разъема, как указано в плане испытаний.
6.5.2.6 Размещение имитатора нагрузки
Рекомендуется размещать имитатор нагрузки непосредственно на опорной пластине заземления. Если корпус имитатора нагрузки выполнен из металла, то он должен соединяться с опорной пластиной заземления.
Примечание - Допускается размещать имитатор нагрузки рядом с опорной пластиной заземления (корпус имитатора нагрузки соединен с опорной пластиной заземления) или вне испытательной камеры при условии, что испытуемые провода от EUT проходят через "контур по ВЧ", на опорной пластине заземления.
Схему разводки испытуемых проводов, подсоединенных к имитатору нагрузки, необходимо указать в плане испытания и внести в протокол испытаний.
Когда имитатор нагрузки расположен на опорной пластине заземления, линии питания по постоянному току имитатора нагрузки должны подключаться через эквивалент(ы) сети (AN).
6.5.2.7 Размещение измерительной антенны
Высота фазового центра измерительной антенны должна составлять (100 +/- 10) мм относительно опорной пластины заземления для биконических, логопериодических и рупорных антенн.
Противовес штыревой антенны устанавливают на той же высоте, что и опорную пластину заземления с допустимым отклонением +10/-20 мм. Противовес штыревой антенны должен иметь соединение с опорной пластиной заземления.
При испытаниях на излучаемые помехи ALSE должна иметь достаточные размеры, чтобы гарантировать, что ни EUT, ни испытательная антенна не находятся на расстоянии менее 1 м от стен или потолка или от ближайшей поверхности используемого поглощающего материала. Никакая часть излучающего элемента антенны не должна находиться ближе, чем 250 мм от пола.
Расстояние между продольным участком длиной 1500 мм жгута проводов и точкой отсчета антенны должно быть (1000 +/- 10) мм. Для биконической антенны или другой антенны никакая ее часть не должна быть ближе к проводам или EUT, чем 700 мм.
Точка отсчета антенны определяется как:
- вертикальный монополь для штыревых антенн;
- фазовый центр (средняя точка) для биконических антенн;
- высокочастотный конец для антенн с логопериодическими элементами;
- передний раскрыв (апертура) для рупорных антенн.
Каждая антенна (за исключением штыревой) должна калиброваться для данной точки отсчета на измерительном расстоянии 1000 мм (см.
6.5.2.2).
Примечание - Исключение штыревой антенны объясняется тем, что ее калибровку проводят по методу, указанному в CISPR 16-1-6.
Фазовый центр антенны должен располагаться по центру продольной части испытуемых проводов для частот до 1000 МГц включительно.
Для частот выше 1000 МГц фазовый центр антенны должен располагаться на той же высоте, что и центр с EUT.
Примечание - Пользователи данного стандарта должны быть уверены, что производители могут предоставить:
- отдельные коэффициенты калибровки антенн для вертикальной и горизонтальной поляризации: в этом случае при измерении с каждой поляризацией следует использовать соответствующий коэффициент калибровки антенны;
- один коэффициент калибровки антенны: в таком случае этот коэффициент калибровки антенны следует использовать при измерении с обеими поляризациями.
6.5.3 Процедура испытания
Ориентация(и) EUT при измерениях излучаемых помех должна(ны) быть указана(ы) в плане испытания.
На частотах от 150 кГц до 30 МГц измерения следует проводить только при вертикальной поляризации.
На частотах от 30 до 5925 МГц измерения следует проводить при вертикальной и горизонтальной поляризации.
Размеры в миллиметрах, рисунок не в масштабе
1 - EUT (имеет местное заземление на опорную пластину
заземления, если это требуется в плане испытаний); 2 - жгут
испытуемых проводов; 3 - имитатор нагрузки (размещение
и подключение к земле согласно
6.5.2.6);
4 - источник
питания (размещение по выбору); 5 - эквивалент сети (AN);
6 - опорная пластина заземления (соединена с экранированным
помещением); 7 - подставка из материала с низкой
относительной диэлектрической проницаемостью

;
8 - штыревая антенна с противовесом (типовые размеры:
600 x 600 мм); h = (900 +/- 100) мм; hср = h + (+10/-20) мм;
9 - заземляющее соединение (крепление по всей длине
между противовесом и опорной пластиной заземления);
10 - коаксиальный кабель высокого качества, например
с двойным экранированием (50 Ом) или волоконно-оптический
кабель; 11 - проходной разъем; 12 - измерительное
устройство; 13 - ВЧ поглощающий материал; 14 - устройство
согласования антенны (рекомендуемое размещение ниже
противовеса; если выше противовеса, тогда база штыря антенны
должна быть на высоте опорной пластины заземления);
15 - система мониторинга и моделирования; 16 - оптический
сквозной соединитель; 17 - оптоволоконный кабель
Рисунок 15 - Пример испытательной
установки - штыревая антенна
Размеры в миллиметрах, рисунок не в масштабе
1 - EUT (имеет местное заземление на опорную пластину
заземления, если это требуется в плане испытаний); 2 - жгут
испытуемых проводов; 3 - имитатор нагрузки (размещение
и подключение к земле согласно
6.5.2.6);
4 - источник
питания (размещение по выбору); 5 - эквивалент сети (AN);
6 - опорная пластина заземления (соединена с экранированным
помещением); 7 - подставка из материала с низкой
относительной диэлектрической проницаемостью

;
8 - биконическая антенна (никакая часть антенны не должна
быть ближе к проводам или EUT, чем 700 мм);
10 <*> - коаксиальный кабель высокого качества, например
с двойным экранированием (50 Ом); 11 - проходной разъем;
12 - измерительное устройство; 13 - ВЧ поглощающий материал;
14 - система мониторинга и моделирования;
16 <*> - оптический сквозной соединитель;
17 - оптоволоконный кабель
--------------------------------
<*> Нумерация приведена согласно оригиналу.
Рисунок 16 - Пример испытательной
установки - биконическая антенна
Размеры в миллиметрах, рисунок не в масштабе
1 - EUT (имеет местное заземление на опорную пластину
заземления, если это требуется в плане испытаний); 2 - жгут
испытуемых проводов; 3 - имитатор нагрузки (размещение
и подключение к земле согласно
6.5.2.6);
4 - источник
питания (размещение по выбору); 5 - эквивалент сети (AN);
6 - опорная пластина заземления (соединена с экранированным
помещением); 7 - подставка из материала с низкой
относительной диэлектрической проницаемостью

;
8 - логопериодическая антенна; 10 <*> - коаксиальный кабель
высокого качества, например, с двойным экранированием
(50 Ом); 11 - проходной разъем; 12 - измерительное
устройство; 13 - ВЧ поглощающий материал; 14 - система
мониторинга и моделирования; 16 <*> - оптический
сквозной соединитель; 17 - оптоволоконный кабель
--------------------------------
<*> Нумерация приведена согласно оригиналу.
Рисунок 17 - Пример испытательной
установки - логопериодическая антенна
Размеры в миллиметрах, рисунок не в масштабе
1 - EUT (имеет местное заземление на опорную пластину
заземления, если это требуется в плане испытаний); 2 - жгут
испытуемых проводов; 3 - имитатор нагрузки (размещение
и подключение к земле согласно
6.5.2.6);
4 - источник
питания (размещение по выбору); 5 - эквивалент сети (AN);
6 - опорная пластина заземления (соединена с экранированным
помещением); 7 - подставка из материала с низкой
относительной диэлектрической проницаемостью

;
8 - рупорная антенна; 10 <*> - коаксиальный кабель высокого
качества, например с двойным экранированием (50 Ом);
11 - проходной разъем; 12 - измерительное устройство;
13 - ВЧ поглощающий материал; 14 - система мониторинга
и моделирования; 16 <*> - оптический сквозной соединитель;
17 - оптоволоконный кабель
--------------------------------
<*> Нумерация приведена согласно оригиналу.
Рисунок 18 - Пример испытательной установки выше
1 ГГц - рупорная антенна
6.5.4 Нормы на помехи, излучаемые компонентами/модулями. Метод ALSE
Класс используемого уровня норм (в зависимости от диапазона частот) должен согласовываться между заказчиком и поставщиком.
В
таблицах 8 и
9 приведен пример норм на излучаемые помехи от компонентов/модулей - метод ALSE. Так как степень воздействия радиопомех на бортовую радиосистему зависит от места установки компонентов, конструкции корпуса транспортного средства и проводки, то приведено несколько уровней норм. Для диапазона GNSS рекомендуется особая характеристика норм. Подробная информация о норме приведена на
рисунке 19.
Таблица 8
Примеры норм на излучаемые помехи. Метод
ALSE. Основные службы
Служба/диапазон | Частота, МГц | Уровни, дБ (мкВ/м) | RBW |
Класс 5 | Класс 4 | Класс 3 | Класс 2 | Класс 1 |
Пиковые | Квазипиковые | Средние значения | Пиковые | Квазипиковые | Средние значения | Пиковые | Квазипиковые | Средние значения | Пиковые | Квазипиковые | Средние значения | Пиковые | Квазипиковые | Средние значения |
Службы аналогового вещания |
ДВ | 0,15 - 0,30 | 46 | 33 | 26 | 56 | 43 | 36 | 66 | 53 | 46 | 76 | 63 | 56 | 86 | 73 | 66 | 9 кГц |
СВ | 0,53 - 1,80 | 40 | 27 | 20 | 48 | 35 | 28 | 56 | 43 | 36 | 64 | 51 | 44 | 72 | 59 | 52 |
КВ | 5,9 - 6,2 | 40 | 27 | 20 | 46 | 33 | 26 | 52 | 39 | 32 | 58 | 45 | 38 | 64 | 51 | 44 |
ЧМ | 76 - 108 | 38 | 25 | 18 | 44 | 31 | 24 | 50 | 37 | 30 | 56 | 43 | 36 | 62 | 49 | 42 | 120 кГц |
ТВ-диапазон I | 41 - 88 | 28 | - | 18 | 34 | - | 24 | 40 | - | 30 | 46 | - | 36 | 52 | - | 42 |
ТВ-диапазон III | 174 - 230 | 20 | - | 10 | 26 | - | 16 | 32 | - | 22 | 38 | - | 28 | 44 | - | 34 |
ТВ-диапазон IV | 470 - 944 | 41 | - | 31 | 47 | - | 37 | 53 | - | 43 | 59 | - | 49 | 65 | - | 55 |
Службы цифрового вещания |
DAB III | 171 - 245 | 30 | - | 20 | 36 | - | 26 | 42 | - | 32 | 48 | - | 38 | 54 | - | 44 | 1 МГц |
TV-полоса III | 174 - 230 | 30 | - | 20 | 36 | - | 26 | 42 | - | 32 | 48 | - | 38 | 54 | - | 44 |
DTTV | 470 - 770 | 46 | - | 36 | 52 | - | 42 | 58 | - | 48 | 64 | - | 54 | 70 | - | 60 |
DAB-диапазон L | 1447 - 1494 | 54 | - | 44 | 60 | - | 50 | 66 | - | 56 | 72 | - | 62 | 78 | - | 68 |
SDARS | 2320 - 2345 | 58 | - | 48 | 64 | - | 54 | 70 | - | 60 | 76 | - | 66 | 82 | - | 72 |
Мобильные службы |
СВ-связь | 26 - 28 | 40 | 27 | 20 | 46 | 33 | 26 | 52 | 39 | 32 | 58 | 45 | 38 | 64 | 51 | 44 | 9 кГц |
ОВЧ | 30 - 54 | 40 | 27 | 20 | 46 | 33 | 26 | 52 | 39 | 32 | 58 | 45 | 38 | 64 | 51 | 44 | 120 кГц |
ОВЧ | 68 - 87 | 35 | 22 | 15 | 41 | 28 | 21 | 47 | 34 | 27 | 53 | 40 | 33 | 59 | 46 | 39 |
ОВЧ | 142 - 175 | 35 | 22 | 15 | 41 | 28 | 21 | 47 | 34 | 27 | 53 | 40 | 33 | 59 | 46 | 39 |
Аналоговая УВЧ | 380 - 512 | 38 | 25 | 18 | 44 | 31 | 24 | 50 | 37 | 30 | 56 | 43 | 36 | 62 | 49 | 42 |
RKE & TPMS 1 | 300 - 330 | 32 | - | 18 | 38 | - | 24 | 44 | - | 30 | 50 | - | 36 | 56 | - | 42 |
RKE & TPMS 2 | 420 - 450 | 32 | - | 18 | 38 | - | 24 | 44 | - | 30 | 50 | - | 36 | 56 | - | 42 |
Аналоговая УВЧ | 820 - 960 | 44 | 31 | 24 | 50 | 37 | 30 | 56 | 43 | 36 | 62 | 49 | 42 | 68 | 55 | 48 |
GPS L5 | 1156,45 - 1196,45 | - | - | 20 | - | - | 26 | - | - | 32 | - | - | 38 | - | - | 44 | 9 кГц |
BDS, B1I | 1553,098 - 1569,098 | - | - | 5,5 | - | - | 11,5 | - | - | 17,5 | - | - | 23,5 | - | - | 29,5 |
GPS L1 | 1567,42 - 1583,42 | - | - | 10 | - | - | 16 | - | - | 22 | - | - | 28 | - | - | 34 |
GLONASS L1 | 1590,781 - 1616,594 | - | - | 10 | - | - | 16 | - | - | 22 | - | - | 28 | - | - | 34 |
Wi-Fi/Bluetooth | 2402 - 2494 | 52 | - | 32 | 58 | - | 38 | 64 | - | 44 | 70 | - | 50 | 76 | - | 56 | 1 МГц |
Wi-Fi | 5150 - 5350 | 59 | - | 39 | 65 | - | 45 | 71 | - | 51 | 77 | - | 57 | 83 | - | 63 |
Wi-Fi | 5470 - 5725 | 59 | - | 39 | 65 | - | 45 | 71 | - | 51 | 77 | - | 57 | 83 | - | 63 |
V2X (Wi-Fi) | 5850 - 5925 | 84 | - | 64 | 90 | - | 70 | 96 | - | 76 | 102 | - | 82 | 108 | - | 88 |
Примечание 1 - Все значения, указанные в данной таблице, применимы для значений ширины полосы, приведенных в таблицах 1 и 2. Если измерения проводят при значениях ширины полосы отличных от тех, что указаны в таблицах 1 и 2, из-за требований к допустимому уровню шума, то применимые нормы должны быть указаны в плане испытаний, а применяемые нормы и значения ширины полосы - в протоколе испытания. Примечание 2 - Если в нескольких диапазонах используют одни и те же нормы, пользователь должен выбрать соответствующие полосы, в которых будет проводить испытания. Если в плане испытаний есть перекрывающиеся полосы, то в нем необходимо указать применимую норму. Примечание 3 - Значения, приведенные в настоящей таблице, применимы в диапазоне от 1156,45 до 1196,45 МГц. Нормы во всем частотном диапазоне GPS L5 представлены на рисунке 19a. Примечание 4 - Значения, приведенные в настоящей таблице, применимы в полосе частот от 1553,098 до 1569,098 МГц. Нормы во всем частотном диапазоне BDS, B1I приведены на рисунке 19b. Примечание 5 - Значения, приведенные в настоящей таблице, применимы в диапазоне от 1567,42 до 1616,42 МГц. Нормы во всем частотном диапазоне GPS приведены на рисунке 19c. Примечание 6 - Значения, приведенные в настоящей таблице, применимы в диапазоне от 1590,781 до 1616,594 МГц. Нормы во всем частотном диапазоне GLONASS приведены на рисунке 19d. Примечание 7 - Несмотря на то, что в настоящей таблице приведены нормы в пиковых, квазипиковых и средних значениях, не требуется проводить измерения всеми тремя детекторами. См. рисунок 1. |
Таблица 9
Примеры норм на излучаемые помехи. Метод ALSE. Цифровые
мобильные телефоны
Служба/диапазон | | Уровни, дБ (мкВ/м) | RBW |
Класс 5 | Класс 4 | Класс 3 | Класс 2 | Класс 1 |
Пиковые | Квазипиковые | Средние значения | Пиковые | Квазипиковые | Средние значения | Пиковые | Квазипиковые | Средние значения | Пиковые | Квазипиковые | Средние значения | Пиковые | Квазипиковые | Средние значения |
Цифровые мобильные телефонные службы <c>, <d> |
4G | 460,0 - 467,5 | 44 | - | 24 | 50 | - | 30 | 56 | - | 36 | 62 | - | 42 | 68 | - | 48 | 1 МГц |
5G n71 (617 - 652 МГц) 4G (617 - 652 МГц) | 617 - 652 | 46 | - | 26 | 52 | - | 32 | 58 | - | 38 | 64 | - | 44 | 70 | - | 50 | 1 МГц |
5G n12 (729 - 746 МГц) 5G n14 (758 - 768 МГц) 5G n28 (758 - 803 МГц) 5G n29 (717 - 728 МГц) 4G (703 - 803 МГц) | 703 - 803 | 47 | - | 27 | 53 | - | 33 | 59 | - | 39 | 65 | - | 45 | 71 | - | 51 | 1 МГц |
3G (729 - 756 МГц) 3G (758 - 768 МГц) | | - | | | - | | | - | | | - | | | - | |
5G n20 (791 - 821 МГц) | 791 - 821 | 48 | - | 28 | 54 | - | 34 | 60 | - | 40 | 66 | - | 46 | 72 | - | 52 | 1 МГц |
3G (791 - 821 МГц) | 42 | - | 22 | 48 | - | 28 | 54 | - | 34 | 60 | - | 40 | 66 | - | 46 |
5G n5 (869 - 894 МГц) 5G n18 (860 - 875 МГц) 5G n26 (859 - 894 МГц) 4G (852 - 894 МГц) | 852 - 894 | 49 | - | 29 | 55 | - | 35 | 61 | - | 41 | 67 | - | 47 | 73 | - | 53 | 1 МГц |
3G (859 - 894 МГц) | | - | | | - | | | - | | | - | | | - | |
2G (869 - 894 МГц) | | - | | | - | | | - | | | - | | | - | | 120 кГц |
5G n8 (925 - 960 МГц) 4G (925 - 960 МГц) | 925 - 960 | 50 | - | 30 | 56 | - | 36 | 62 | - | 42 | 68 | - | 48 | 74 | - | 54 | 1 МГц |
3G (925 - 960 МГц) | | - | | | - | | | - | | | - | | | - | |
2G (925 - 960 МГц) | | - | | | - | | | - | | | - | | | - | | 120 кГц |
5G n50 (1432 - 1517 МГц) 5G n51 (1427 - 1432 МГц) 5G n74 (1475 - 1518 МГц) 5G n75 (1432 - 1517 МГц) 5G n76 (1427 - 1432 МГц) 5G n91 (1427 - 1432 МГц) 5G n92 (1432 - 1517 МГц) 5G n93 (1427 - 1432 МГц) 5G n94 (1432 - 1517 МГц) 4G (1427 - 1518 МГц) | 1427 - 1518 | 53 | - | 33 | 59 | - | 39 | 65 | - | 45 | 71 | - | 51 | 77 | - | 57 | 1 МГц |
3G (1452 - 1496 МГц) | | - | | | - | | 59 | - | | | - | | | - | |
4G | 1525 - 1559 | 54 | - | 34 | 60 | - | 40 | 66 | - | 46 | 72 | - | 52 | 78 | - | 58 | 1 МГц |
5G n3 (1805 - 1880 МГц) 4G (1805 - 1880 МГц) | 1805 - 1880 | 55 | - | 35 | 61 | - | 41 | 67 | - | 47 | 73 | - | 53 | 79 | - | 59 | 1 МГц |
3G (1805 - 1880 МГц) | | - | | | - | | | - | | | - | | | - | |
2G (1805 - 1880 МГц) | | - | | | - | | | - | | | - | | | - | | 120 кГц |
5G n39 (1880 - 1920 МГц) 5G n2 (1930 - 1990 МГц) 5G n25 (1930 - 1995 МГц) 5G n70 (1995 - 2020 МГц) 5G n34 (2010 - 2025 МГц) 4G (1850 - 2025 МГц) | 1850 - 2025 | 56 | - | 36 | 62 | - | 42 | 68 | - | 48 | 74 | - | 54 | 80 | - | 60 | 1 МГц |
3G (1850 - 1995 МГц) 3G (2010 - 2025 МГц) | | - | | | - | | | - | | | - | | | - | |
2G (1930 - 1990 МГц) | | - | | | - | | | - | | | - | | | - | | 120 кГц |
5G n1 (2110 - 2170 МГц) 5G n65 (2110 - 2200 МГц) 5G n66 (2110 - 2200 МГц) 4G (2110 - 2200 МГц) | 2110 - 2200 | 57 | - | 37 | 63 | - | 43 | 69 | - | 49 | 75 | - | 55 | 81 | - | 61 | 1 МГц |
3G (2110 - 2170 МГц) | | - | | | - | | | - | | | - | | | - | |
5G n30 (2350 - 2360 МГц) 5G n40 (2300 - 2400 МГц) 4G (2300 - 2400 МГц) | 2300 - 2400 | 58 | - | 38 | 64 | - | 44 | 70 | - | 50 | 76 | - | 56 | 82 | - | 62 | 1 МГц |
3G (2300 - 2400 МГц) | | - | | | - | | | - | | | - | | | - | |
5G n53 (2483,5 - 2495 МГц) | 2483,5 - 2495,0 | 58 | - | 38 | 64 | - | 44 | 70 | - | 50 | 76 | - | 56 | 82 | - | 62 | 1 МГц |
5G n7 (2620 - 2690 МГц) 5G n38 (2570 - 2620 МГц) V2X 5G n41 (2496 - 2690 МГц) 5G n90 (2496 - 2690 МГц) 4G (2496 - 2690 МГц) | 2496 - 2690 | 58 | - | 38 | 64 | - | 44 | 70 | - | 50 | 76 | - | 56 | 82 | - | 62 | 1 МГц |
3G (2570 - 2690 МГц) | | - | | | - | | | - | | | - | | | - | |
4G | 5150 - 5925 | 65 | - | 45 | 71 | - | 51 | 77 | - | 57 | 83 | - | 63 | 89 | - | 69 | 1 МГц |
5G n48 (3550 - 3700 МГц) 5G n77 (3300 - 4200 МГц) 5G n78 (3300 - 3800 МГц) 4G (3300 - 3800 МГц) | 3300 - 4200 | 61 | - | 41 | 67 | - | 47 | 73 | - | 53 | 79 | - | 59 | 85 | - | 65 | 1 МГц |
3G (3510 - 3590 МГц) | | - | | | - | | | - | | | - | | | - | |
5G n79 (4400 - 5000 МГц) | 4400 - 5000 | 63 | - | 43 | 69 | - | 49 | 75 | - | 55 | 81 | - | 61 | 87 | - | 67 | 1 МГц |
5G n47 (5855 - 5925 МГц) V2X V2X (4G) | 5855 - 5925 | 66 | - | 46 | 72 | - | 52 | 78 | - | 58 | 84 | - | 64 | 90 | - | 70 | 1 МГц |
<a> Значения, если в устройствах транспортного средства используется протокол 3G. <b> Значения, если в устройствах транспортного средства используется протокол 2G. <c> Более подробная информация относительно частотных полос для 2G, 3G и 4G приведена в технических требованиях ETSI TS 136 101 [14]. <d> Более подробная информация относительно частотных полос для 5G приведена в технических требованиях ETSI TS 138 101-1 V16.4 [20]. Примечание 1 - Все значения, указанные в данной таблице, применимы для значений ширины полосы, приведенных в таблицах 1 и 2. Если измерения проводят при значениях ширины полосы отличных от тех, что указаны в таблицах 1 и 2 из-за требований к допустимому уровню шума, тогда применимые нормы должны быть указаны в плане испытаний, а применяемые нормы и значения ширины полосы - в протоколе испытания. Примечание 2 - Когда в нескольких диапазонах используют одни и те же нормы, пользователь должен выбрать соответствующие полосы, в которых будет проводить испытания. Если в плане испытаний есть перекрывающиеся диапазоны, то в нем необходимо указать применимую норму. Примечание 3 - Диапазоны частот, указанные в графе "Частота", объединяют диапазоны частот различных мобильных телефонных служб (например, частотный диапазон от 2300 до 2400 МГц объединяет диапазоны "Band 40 - TD 2300", "Band 30 - 2300 WCS" и "5G n30" и "5G n40"). Примечание 4 - Несмотря на то, что в настоящей таблице приведены нормы в пиковых, квазипиковых и средних значениях, не требуется проводить измерения всеми тремя детекторами. См. рисунок 1. Примечание 5 - Уровни норм для метода ALSE получены из уровней норм для транспортного средства с использованием следующего уравнения: LIMITALSE = LIMITVEHICLE + AF1/4Wave Whip, где AF1/4Wave Whip = 20·lg(fМГц) - 29,7 дБ |


- класс 5;

- класс 4;

- класс 3;

- класс 2;

- класс 1
a - полоса GPS L5 от 1156,45 до 1196,45 МГц

- класс 5;

- класс 4;

- класс 3;

- класс 2;

- класс 1
b - полоса BDS, B1I от 1553,098 до 1569,098 МГц

- класс 5;

- класс 4;

- класс 3;

- класс 2;

- класс 1
c - полоса GPS от 1567,42 до 1583,42 МГц

- класс 5;

- класс 4;

- класс 3;

- класс 2;

- класс 1
d - полоса GLONASS от 1590,781 до 1616,594 МГц
Рисунок 19 - Подробная информация о норме в средних
значениях для диапазонов GPS, BDS, B1I и GLONASS. Компоненты
6.6 Излучаемые помехи от компонентов/модулей. Метод полосковой линии
(справочное)
АЛГОРИТМ ПРОВЕРКИ ПРИМЕНИМОСТИ НАСТОЯЩЕГО СТАНДАРТА
К ТРАНСПОРТНЫМ СРЕДСТВАМ И ЛОДКАМ
--------------------------------
<a> Для троллейбусов с комбинированным питанием (например, работающих от сети постоянного/переменного тока, либо двигателя внутреннего сгорания), сетевая часть постоянного/переменного тока приводной системы транспортного средства должна быть исключена из области применения настоящего стандарта.
<b> Подключение к электрической сети относится к области деятельности другого подкомитета CISPR.
Рисунок A.1 - Алгоритм проверки применимости
настоящего стандарта
Рисунок A.1 является руководством по отнесению конкретного изделия к области применения настоящего стандарта. В случае разногласий между данным алгоритмом и областью применения настоящего стандарта область применения имеет преимущество.
(обязательное)
УСТРОЙСТВО СОГЛАСОВАНИЯ АНТЕННЫ.
ИСПЫТАНИЕ ТРАНСПОРТНОГО СРЕДСТВА
B.1 Параметры устройства согласования антенны (150 кГц - 6,2 МГц)
Требования к измерительному оборудованию приведены в
5.2.2.
B.2 Калибровка устройства согласования антенны
B.2.1 Общие положения
Для калибровки устройства согласования антенны используют эквивалент антенны, схема которого представлена на
рисунке B.1. Конденсаторами емкостью 10 и 60 пФ соответственно, моделируют емкость штыревой антенны 1 м и емкость коаксиального кабеля 2 м между антенной транспортного средства и входом радиосистемы транспортного средства.
Примечание - Реальные значения при использовании on-glass антенн (антенн, устанавливаемых на окне) и разнесенных антенных систем могут значительно различаться.
--------------------------------
<*> Включает емкость разъема и емкость кабеля, если он используется.
1 - генератор сигналов; 2 - адаптер эквивалента
антенны (AAA); 3 - устройство согласования антенны;
4 - измерительное устройство
Рисунок B.1 - Установка для калибровки
устройства согласования
B.2.2 Измерение коэффициента передачи
Чтобы определить соответствие коэффициента передачи устройства согласования антенны требованиям, приведенным в
5.2.2.1, необходимо выполнить измерения в соответствии со схемой, приведенной на
рисунке B.1.
B.2.3 Процедура испытания
Используя схему калибровки, приведенную на
рисунке B.1, следует:
1) установить выходной уровень генератора сигналов 40 дБ (мкВ);
2) зарегистрировать кривую коэффициента передачи для каждого частотного сегмента.
Примечание - Для более точной калибровки рекомендуется измерить реальные значения элементов, используемых в схеме эквивалента антенны (AAA), и входные параметры устройства согласования. Допускается вычислить реальное затухание конкретного измерительного оборудования и использовать его для получения более точного значения коэффициента передачи устройства согласования.
Необходимо оценить коэффициент передачи устройства согласования антенны. Это можно выполнить путем расчета (с реальными значениями элементов, используемых в AAA, и входных параметров устройства согласования антенны) или путем дополнительного измерения (с использованием двух абсолютно идентичных AAA).
B.3 Измерение полного выходного сопротивления
Измерение полного выходного сопротивления устройства согласования антенны следует проводить с помощью векторного измерителя полного сопротивления (или аналогичного измерительного оборудования). Значения полного выходного сопротивления должны находиться в пределах окружности на диаграмме Смита с пересечением (100 + j0) Ом, при этом ее центр находится на значении (50 + j0) Ом (например, КСВН менее 2:1).
(справочное)
УСТРОЙСТВО ПОДАВЛЕНИЯ ПОВЕРХНОСТНОГО ТОКА
C.1 Общая информация
В настоящем приложении приведены сведения о параметрах и проверке устройства подавления поверхностного тока, которое рекомендуется использовать при измерении напряжения на антенном разъеме транспортного средства в диапазонах АМ-вещания (ДВ, СВ, КВ). Данное устройство подавления обеспечивает электрическую развязку ALSE с заземлением транспортного средства.
C.2 Конструкция устройства подавления поверхностного тока
Приведенная ниже кривая затухания вносимого устройством подавления поверхностного тока для конструкции в виде 20 витков коаксиального кабеля вокруг ферритового тороидального сердечника представлена на
рисунке C.1:
Материал: | N30; Al = 5400 нГн |
Размер: | Тороидальный сердечник 58,3 x 40,8 x 17,6 мм |
Производитель: | TDK EPCOS, N заказа: B64290L0040X830 |
Количество витков: | 20 (коаксиальный кабель) |
Примечание - Для увеличения затухания рекомендуется последовательно установить два устройства подавления поверхностных токов или увеличить количество витков на одном сердечнике.
Рисунок C.1 - Характеристика
S21 устройства подавления
поверхностных токов
(справочное)
РУКОВОДСТВО ПО ОПРЕДЕЛЕНИЮ УРОВНЯ ШУМА
АКТИВНЫХ АНТЕНН ТРАНСПОРТНЫХ СРЕДСТВ
Определение уровня собственных шумов активной антенны, установленной в транспортном средстве, проводят в три этапа:
1) в диапазоне частот работы активной антенны измеряют уровень шума испытательного оборудования (измерительный приемник с подключенным согласующим устройством) с ВЧ-нагрузкой в соответствии с волновым сопротивлением коаксиального кабеля на входе устройства согласования (
Uшум оборудования) (испытательная установка представлена на
рисунке D.1);
2) измеряют суммарный уровень шумов активной антенны транспортного средства и испытательного оборудования (
Uшум оборудования плюс шум антенны) (испытательная установка представлена на
рисунке D.2);
3) рассчитывают уровень собственных шумов активной антенны по
формуле (D.1) (все члены уравнения представлены в мкВ).

. (D.1)
1 - измерительное устройство; 2 - ALSE; 3 - проходной
разъем; 4 - резистор в соответствии с волновым
сопротивлением коаксиального кабеля; 5 - усилитель антенны
транспортного средства; 7 <*> - коаксиальный кабель антенны;
8 - коаксиальный кабель высокого качества с двойным
экранированием (50 Ом); 10 <*> - устройство согласования
импеданса; 11 - короткое соединение с корпусом бортовой
радиосистемы; 12 - корпус бортовой радиосистемы
--------------------------------
<*> Нумерация приведена согласно оригиналу.
Рисунок D.1 - Пример испытательной установки транспортного
средства для измерения уровня шума оборудования
1 - измерительное устройство; 2 - ALSE; 3 - проходной
разъем; 5 <*> - усилитель антенны транспортного средства;
6 - вилка питания усилителя антенны; 7 - коаксиальный кабель
антенны; 8 - коаксиальный кабель высокого качества с двойным
экранированием (50 Ом); 9 - внешний аккумулятор 12 В;
10 - устройство согласования импеданса;
11 - модифицированный коаксиальный "Т" разъем или короткое
соединение с корпусом бортовой радиосистемы;
12 - корпус бортовой радиосистемы
--------------------------------
<*> Нумерация приведена согласно оригиналу.
Рисунок D.2 - Пример испытательной установки транспортного
средства для измерения уровня суммарного шума
оборудования и антенны
(обязательное)
ЭКВИВАЛЕНТ СЕТИ (AN), ВЫСОКОВОЛЬТНЫЙ ЭКВИВАЛЕНТ СЕТИ
(HV-AN), ЭКВИВАЛЕНТ СЕТИ ДЛЯ ЗАРЯДА ПОСТОЯННЫМ ТОКОМ
(DC-charging-AN), ЭКВИВАЛЕНТ СЕТИ ПИТАНИЯ (AMN)
И АСИММЕТРИЧНЫЙ ЭКВИВАЛЕНТ СЕТИ (AAN)
E.1 Общие положения
В настоящее время для компонента с питанием от низковольтного (LV) и/или высоковольтного (HV) источника и/или от единой энергосистемы (сеть переменного тока, источник постоянного тока), а также для транспортного средства в режиме заряда с подключением к единой энергосистеме (сеть переменного тока, источник постоянного тока) используют разные типы источников питания и монтажа кабельной проводки. Поэтому необходимо использовать схемы, обеспечивающие определенное полное нагрузочное сопротивление, изолирующие компонент или транспортное средство от источника питания:
- эквивалент сети (AN): используется для низковольтных источников питания;
- высоковольтный эквивалент сети (HV-AN): используется для высоковольтных источников питания постоянного тока;
- эквивалент сети для заряда постоянным током (DC-charging-AN): используется для источников постоянного тока;
- эквивалент сети питания (AMN): используется для сети питания переменного тока;
- асимметричный эквивалент сети (AAN): используется для линий с портами сигнала/управления и/или линий с портами проводной сети.
E.2 Эквиваленты сети (AN)
E.2.1 Компонент с низковольтным питанием
Для компонента с низковольтным питанием необходимо использовать эквивалент сети 5 мкГн/50 Ом (AN), представленный на
рисунке E.1.
При использовании порты измерения эквивалента(ов) сети должны нагружаться на 50 Ом.
A - порт к источнику питания; P - порт к EUT; B - земля;
MEP - порт измерения; L1 - 5 мкГн; C1 - 0,1 мкФ;
C2 - 1 мкФ; R1 - 1 кОм
Рисунок E.1 - Пример схемы эквивалента сети (AN) 5 мкГн
На
рисунке E.2 показана характеристика, а в
таблице E.1 приведены номинальные значения полного сопротивления эквивалента сети
ZPB и значения с учетом допустимых отклонений +/- 20% в полосе частот измерения от 0,1 до 100 МГц. Полное сопротивление измеряется между выводами P и B (см.
рисунок E.1) при нагрузке 50 Ом на порте измерения и при закороченных выводах A и B (см.
рисунок E.1).
Рисунок E.2 - Характеристики полного сопротивления
эквивалента сети (AN) ZPB
Таблица E.1
Значения полного сопротивления эквивалента сети (AN)
ZPB
Частота, МГц | Значения полного сопротивления |
Номинальное значение, Ом | Значение с нижним отклонением, Ом | Значение с верхним отклонением, Ом |
0,10 | 3,20 | 2,56 | 3,84 |
0,15 | 4,79 | 3,83 | 5,75 |
0,20 | 6,37 | 5,09 | 7,64 |
0,30 | 9,45 | 7,56 | 11,34 |
0,40 | 12,41 | 9,93 | 14,89 |
0,50 | 15,23 | 12,18 | 18,27 |
0,70 | 20,34 | 16,27 | 24,41 |
1,00 | 26,64 | 21,31 | 31,97 |
1,50 | 33,88 | 27,10 | 40,65 |
2,00 | 38,26 | 30,61 | 45,92 |
2,50 | 40,97 | 32,77 | 49,16 |
3,00 | 42,70 | 34,16 | 51,24 |
4,00 | 44,65 | 35,72 | 53,59 |
5,00 | 45,66 | 36,53 | 54,79 |
7,00 | 46,59 | 37,27 | 55,90 |
10,00 | 47,10 | 37,68 | 56,53 |
15,00 | 47,39 | 37,91 | 56,87 |
20,00 | 47,49 | 37,99 | 56,99 |
30,00 | 47,56 | 38,05 | 57,07 |
50,00 | 47,60 | 38,08 | 57,12 |
100,00 | 47,61 | 38,09 | 57,14 |
E.2.2 Компонент с высоковольтным питанием
Для компонента с высоковольтным питанием необходимо использовать высоковольтный эквивалент сети (HV-AN) 5 мкГн/50 Ом, представленный на
рисунке E.3.
При использовании порты измерения высоковольтного(ых) эквивалента(ов) сети должны нагружаться на 50 Ом.
HV supply - высоковольтный источник питания;
EUT HV - высоковольтный порт EUT; MEP - порт измерения;
GND - земля; L1 - 5 мкГн; C1 - 0,1 мкФ; C2 - 0,1 мкФ
(значение по умолчанию); R1 - 1 кОм; R2 - 1 МОм (разрядка
C2 до напряжения менее 50 В постоянного тока в течение 20 с)
Рисунок E.3 - Пример высоковольтного эквивалента
сети (HV-AN) 5 мкГн
На
рисунке E.2 представлена характеристика полного сопротивления высоковольтного эквивалента сети
ZPB в полосе частот измерения от 0,1 до 100 МГц. Номинальные значения и значения с учетом допустимых отклонений +/- 20% приведены в
таблице E.1. Полное сопротивление измеряется между высоковольтным выводом EUT и точкой заземления (см.
рисунок E.3) при нагрузке 50 Ом на порте измерения и при закороченных выводах высоковольтной линии питания и точкой заземления.
Если в одном экранированном боксе используются неэкранированные высоковольтные эквиваленты сети, тогда требуется внутренний экран между высоковольтными эквивалентами сети, как показано на
рисунке E.4.
HV supply - высоковольтный источник питания (положительный
или отрицательный полюс); EUT HV - высоковольтный порт EUT
(положительный или отрицательный полюс); MEP - порт
измерения; GND - земля; L1 - 5 мкГн; C1 - 0,1 мкФ;
C2 - 0,1 мкФ (значение по умолчанию); R1 - 1 кОм; R2 - 1 МОм
(разрядка C2 до напряжения менее 50 В постоянного
тока в течение 20 с)
Рисунок E.4 - Пример размещения высоковольтных эквивалентов
сети 5 мкГн в одном экранированном боксе
Для моделирования полного сопротивления синфазного/дифференциального режима со стороны EUT, подключенного к высоковольтному источнику питания, требуется использовать дополнительную схему согласования полных сопротивлений, приведенную на
рисунке E.5.
HV supply - высоковольтный источник питания (положительный
или отрицательный полюс); EUT HV - высоковольтный порт EUT
(положительный или отрицательный полюс); MEP - порт
измерения; GND - земля; ZDI-CM - импеданс дифференциального
и синфазного режима; L1 - 5 мкГн; C1 - 0,1 мкФ; C2 - 0,1 мкФ
(значение по умолчанию); R1 - 1 кОм; R2 - 1 МОм (разрядка
C2 до напряжения менее 50 В постоянного тока в течение 20 с)
Рисунок E.5 - Схема согласования полного сопротивления,
включаемая между высоковольтными эквивалентами сети и EUT
E.2.3 Эквивалент сети для заряда постоянным током (DC-charging-AN)
Для транспортного средства/компонента, которые в режиме заряда подключают к источнику питания постоянного тока, необходимо использовать эквивалент сети для заряда постоянным током (DC-charging-AN) 5 мкГн/50 Ом, приведенный на
рисунке E.6.
HV supply - высоковольтный источник питания; Vehicle
inlet - ввод транспортного средства; MEP - порт измерения;
GND - земля; L1 - 5 мкГн; C1 - 0,1 мкФ; C2 - 1 мкФ (значение
по умолчанию, при использовании другого значения
его необходимо обосновать); R1 - 1 кОм; R2 - 1 МОм (разрядка
C2 до напряжения менее 50 В постоянного тока в течение 20 с)
Примечание - Экранирование эквивалента сети для заряда постоянным током (DC-charging-AN) осуществляют по выбору.
Рисунок E.6 - Пример схемы эквивалента сети
DC-charging-AN 5 мкГн
При использовании порты измерения эквивалента(ов) сети для заряда постоянным током должны быть нагружены на 50 Ом.
Характеристика полного сопротивления эквивалента сети для заряда постоянным током
ZPB в полосе частот измерения от 0,1 до 100 МГц приведена на
рисунке E.2. Номинальные значения и значения с учетом допустимых отклонений полного сопротивления +/- 20% приведены в
таблице E.1.
Полное сопротивление измеряют между высоковольтным вводом для подключения EUT и точкой заземления (см.
рисунок E.6) при нагрузке 50 Ом на порте измерения и короткозамкнутом выводе линии питания BB и точке заземления.
E.3 Эквиваленты сети питания (AMN)
Для транспортного средства в режиме заряда или компонента (например, зарядного устройства/инвертора), подключаемого к сети питания переменного тока, необходимо использовать эквивалент сети питания 50 мкГн/50 Ом, указанный в CISPR 16-1-2:2014, 4.4.
Порты измерения эквивалента(ов) сети питания должны нагружаться на 50 Ом.
E.4 Асимметричный эквивалент сети (AAN)
E.4.1 Общие положения
В настоящее время для связи между зарядной станцией и транспортным средством или компонентом (например, зарядным устройством) используют разные технологии для линий портов сигнала/управления и/или линий портов проводных сетей. Поэтому необходимо различать особенности линий портов сигнала/управления (например, линия контроля и управления с пилот-сигналом, линии CAN и т.д.) и/или линий портов проводных сетей.
Порты измерения асимметричного(ых) эквивалента(ов) сети должны нагружаться на 50 Ом.
Для экранированных линий портов сигнала/управления и/или линий портов проводных сетей используют AAN, указанные в
E.4.2 -
E.4.5.
При использовании экранированных линий с портами сигнала/управления также применяют экранированные AAN, указанные в CISPR 32:2015, приложение G, рисунки G.10 и G.11.
E.4.2 Порт сигнала/управления с симметричными линиями
В режиме зарядки автомобиля постоянным током допускается использовать симметричные линии.
Асимметричный эквивалент сети (AAN), подключаемый между транспортным средством и зарядной станцией или каким-либо дополнительным оборудованием (AE) и используемый для моделирования связи, приведен в CISPR 16-1-2:2014, подраздел E.2 (T-эквивалент сети) (см. пример на
рисунке E.7).
1 - AAN; 2 - транспортное средство; 3 - зарядная станция;
Zcat - полное сопротивление коррекции симметрии;
A - симметричная линия 1 (в транспортном средстве);
B - симметричная линия 2 (в транспортном средстве);
C - симметричная линия 1 (на стороне зарядной станции);
D - симметричная линия 2 (на стороне зарядной станции);
E - порт измерения с нагрузкой 50 Ом; L1 - 2·38 мГн;
L2 - 2·38 мГн; R - 200 Ом; C - 4,7 мкФ
Рисунок E.7 - Пример асимметричного эквивалента сети (AAN)
для порта сигнала/управления с симметричными
линиями (например, CAN)
AAN имеет полное сопротивление синфазного режима 150 Ом. Полное сопротивление Zcat корректирует симметрию кабельной скрутки, подключаемой периферии и, как правило, выражается как потери преобразования в продольном направлении (LCL). Значение LCL должно быть предварительно определено путем измерений или указано производителем зарядной станции/кабеля зарядки. Выбранное значение LCL и его происхождение должны быть указаны в протоколе испытания.
Примером симметричных линий, используемых в режиме заряда транспортного средства по постоянному току, являются линии связи с CAN.
Если для испытания можно использовать оригинальную зарядную станцию, то AAN можно не применять для связи с CAN.
Если при моделировании связи с CAN наличие AAN мешает созданию линии связи с CAN, AAN не используют.
E.4.3 Порт проводной сети с передачей голосовой информации или данных по линиям электропередачи (PLC)/связь по линиям электросети
В режиме зарядки транспортного средства переменным или постоянным током допускается использовать технологию PLC по линиям электропередачи.
Если при испытании возможно использовать оригинальную станцию зарядки, то для связи по линиям электросети (PLC) не требуется использование какого-либо AAN и/или AMN/DC-charging-AN.
Если наличие AMN/DC-charging-AN препятствует организации требуемой линии связи PLC с оригинальной станцией зарядки или, если линию связи PLC моделируют с помощью блока дополнительного оборудования (AE) (например, модема PLC) вместо станции зарядки, то между AE (например, модемом PLC) и выводом AMN/DC-charging-AN (на стороне транспортного средства) необходимо добавить AAN, как показано на
рисунке E.8.
На
рисунке E.8 приведена схема, использующая в качестве нагрузки синфазного режима эквивалент сети AMN/DC-charging-AN/HV-AN. Для уменьшения помех от модема PLC в инфраструктуре зарядки при измерении помех между линией питания и модемом PLC на стороне AE размещают аттенюатор. Аттенюатор состоит из двух резисторов, а также включает входное/выходное полное сопротивление модема PLC. Значение резисторов зависит от расчетного полного сопротивления модемов PLC и допустимого затухания системы PLC.
1 - AAN; 2 - транспортное средство; 3 - зарядная
станция/источник питания; 4 - HV-AN или AMN или
DC-charging-AN; 5 - AE; A - PLC по линии питания переменного
или постоянного тока (на стороне транспортного средства);
B - PLC по линии питания переменного или постоянного тока
(на стороне транспортного средства); C - линия PLC (на
стороне зарядной станции или AE); D - линия PLC (на стороне
зарядной станции или AE); R1 - 2,5 кОм; C1 - 4,7 мкФ
Значения резисторов зависят от разрешенного затухания и расчетного полного сопротивления PLC модема (в приведенной схеме затухание 40 дБ, расчетный импеданс PLC 100 Ом).
Рисунок E.8 - Пример схемы асимметричного эквивалента сети
(AAN) с портом проводной сети для PLC по линиям
электропередачи переменного или постоянного тока
E.4.4 Порт сигнала/управления с PLC на линии управления
В режиме заряда транспортного средства от переменного или постоянного тока допускается использовать PLC на линии управления.
В некоторых системах связи используется линия контроля/управления (образована проводом контроля/управления и проводом защитного заземления) с наложенной (высокочастотной) связью. Для этой цели применяют технологию, разработанную для связи по линиям электропередачи (PLC). С одного конца линии связи применяется подключение по несимметричной схеме, а с другого конца к линии подключаются две разные системы связи. Поэтому при испытаниях необходимо использовать специальный AAN, приведенный на
рисунке E.9.
1 - AAN; 2 - транспортное средство; 3 - зарядная станция;
4 - блок сигналов управления (в транспортном средстве);
5 - PLC (в транспортном средстве); 6 - AE; A - контрольная
линия управления (со стороны транспортного средства);
B/D - защитное заземление; C - контрольная линия управления
(со стороны зарядной станции); R1 - 39 Ом; R2 - 270 Ом;
C1 - 2,2 нФ; L1 - 100 мкГн
Значения трех резисторов зависят от расчетного значения полного сопротивления PLC модема, подключенного со стороны дополнительного оборудования (AE). Значения, приведенные на схеме, справедливы для расчетного полного сопротивления PLC модема 100 Ом.
Рисунок E.9 - Пример схемы AAN для порта сигнала/управления
с PLC на линии управления
AAN обеспечивает полное сопротивление синфазного режима (150 +/- 20) Ом (от 2 до 30 МГц) на линии управления (при условии, что расчетное значение полного сопротивления модема PLC равно 100 Ом). Эта схема также развязывает оба типа связи (линия управления, PLC).
Поэтому для имитации связи, как правило, применяют нижеприведенную схему. Аттенюатор, состоящий из резисторов и полного сопротивления модема PLC, гарантирует, что в сигнале на зарядном кабеле преобладают сигналы связи транспортного средства, а не сигналы от модема PLC и дополнительного оборудования (AE).
Значения индуктивности и емкости на схеме, приведенной на
рисунке E.9, не должны приводить к ухудшению связи между транспортным средством и AE или станцией зарядки. Поэтому может потребоваться адаптировать их значения для обеспечения устойчивой связи.
Если имитируется связь PLC и наличие AAN мешает созданию связи, то AAN не используют.
E.4.5 Порт сигнала/управления с линией управления
В режиме заряда транспортного средства переменным или постоянным током для связи допускается использовать линию управления.
В некоторых системах связи используют линию управления, которая образована проводом контроля/управления и проводом защитного заземления. С одного конца линии связи применяют подключение по несимметричной схеме, с другого конца к линии подключаются две разные системы связи. Поэтому при испытаниях необходимо использовать специальный AAN, приведенный на
рисунке E.10.
1 - AAN; 2 - транспортное средство; 3 - зарядная станция;
4 - блок сигналов управления (в транспортном средстве);
A - линия управления (со стороны транспортного средства);
B/D - защитное заземление; C - контрольная линия управления
(со стороны зарядной станции); R1 - 150 Ом;
C1 - 1,1 нФ; L1 - 100 мкГн
Рисунок E.10 - Пример схемы AAN для линии управления
AAN обеспечивает импеданс (150 +/- 20) Ом (от 2 до 30 МГц) на линии управления. Поэтому для имитации связи, как правило, применяют указанную схему.
Значения индуктивности и емкости в схеме, приведенной на
рисунке E.10, не должны приводить к ухудшению связи между транспортным средством и зарядной станцией. Следовательно, может потребоваться скорректировать эти значения, чтобы гарантировать устойчивую связь.
Если для имитации связи наличие AAN мешает созданию связи, то AAN не используют.
(справочное)
ИЗЛУЧАЕМЫЕ ПОМЕХИ ОТ КОМПОНЕНТОВ/МОДУЛЕЙ.
МЕТОД ПОЛОСКОВОЙ ЛИНИИ
F.1 Общие положения
Полосковая линия - это открытый волновод, состоящий из опорной пластины заземления и активного проводника (верхняя пластина) одним из основных параметров которого является волновое сопротивление. Как правило, используют полосковые линии с волновым сопротивлением 50 и 90 Ом. Сведения о размерах и конструкции полосковых линий приведены на
рисунках F.2 и
F.3.
Пользователям рекомендуется изучить данный метод испытания и поэкспериментировать с ним, чтобы собрать дополнительную информацию и приобрести дополнительные знания с целью достижения согласия относительно включения данного метода в основной текст настоящего стандарта в будущем.
Полосковую линию допускается использовать в полосе частот от 150 кГц до 400 МГц, где основным элементом излучения/связи является верхняя пластина.
Нормы этого частотного диапазона можно распространить до 1000 МГц, если:
- можно продемонстрировать преобладание моды TEM <2>;
--------------------------------
<2> Для конструкции, показанной на
рисунке F.2, предполагается, что TEM-волна является основной до 400 МГц включительно. Для конструкции, представленной на
рисунке F.3, предполагается, что TEM-волна является основной до 1000 МГц включительно.
- EUT находится под перегородкой;
- высота EUT ограничена 1/3 высоты верхней пластины.
Измерения следует проводить в экранированном помещении для устранения высоких уровней внешних помех. Более подробная информация приведена на
рисунке F.1.
Изменение полного входного сопротивления (т.е. коэффициента отражения, измеренного измерителем полных сопротивлений) полосковой линии из-за влияния экранированного помещения не должно отличаться более чем на 6 дБ по сравнению с открытой испытательной площадкой.
Для этого может потребоваться частично оснастить экранированное помещение поглотителями. Пример приведен на
рисунке F.1.
F.2 Испытательная установка
F.2.1 Общие положения
При измерениях излучаемых помех схема расположения EUT, испытуемых проводов, имитатора нагрузки и измерительного устройства должна соответствовать схеме, приведенной на
рисунке F.1.
Размеры в миллиметрах
1 - EUT; 2 - жгут испытуемых проводов; 3 - имитатор
нагрузки; 4 - нагрузка 50 Ом (размещение по выбору);
5 - подставка из материала с низкой относительной
диэлектрической проницаемостью

;
6 - эквивалент
сети (AN); 7 - верхняя пластина; 8 - опорная пластина
заземления; 9 - согласующее устройство (при необходимости);
10 - стенка экранированной камеры; 11 - проходной разъем;
12 - измерительное устройство; 13 - поглотители (при
необходимости); 14 - источник питания (размещение по выбору)
Рисунок F.1 - Пример базовой испытательной установки
с полосковой линией в экранированном помещении
Отклонения в местоположении и длине испытуемых проводов (например, оригинальной проводки транспортного средства) и местоположении EUT должны согласовываться между заказчиком и поставщиком.
Для обеспечения повторяемости результатов испытаний испытуемое оборудование и объекты схемы испытаний должны находиться при каждом повторном измерении в тех же местах относительно полосковой линии.
F.2.2 Согласование полного сопротивления полосковой линии
На всех частотах измерений необходимо поддерживать согласование полных сопротивлений между полосковой линией и измерительным устройством 50 Ом. Это можно обеспечить при использовании согласующих трансформаторов в линии передачи (нелинейная форма сужений плавных волноводных переходов верхней пластины или дополнительный внешний волновод) или пассивной схемы на сосредоточенных параметрах.
Если согласующим устройством является пассивная схема, то с учетом вносимых потерь необходимо должным образом корректировать результаты измерений.
F.2.3 Местоположение EUT
EUT должно находиться на высоте (50 +/- 5) мм относительно опорной пластины заземления на непроводящем материале с низкой относительной диэлектрической проницаемостью

и на той же стороне полосковой линии, что и нагрузка 50 Ом, как показано на
рисунке F.1. Корпус EUT не заземляют на опорную пластину заземления, если это не требуется для моделирования реальной конфигурации транспортного средства. Если EUT не находится под верхней пластиной, оно должно размещаться на расстоянии 200
+50 мм от края верхней пластины.
F.2.4 Размещение и длина испытуемых проводов
Длина жгута испытуемых проводов, параллельных верхней пластине, должна составлять (1000 +/- 50) мм.
Полная длина испытуемых проводов между EUT и имитатором нагрузки (или контуром по ВЧ), как правило, равна 1700 мм и не должна превышать 2000 мм. Испытуемые провода должны быть такими же, что и в методе ALSE (см.
6.5).
Длинный участок испытуемых проводов должен находиться в пределах одной трети ширины верхней пластины. В наиболее предпочтительном случае он должен находиться под центральной линией верхней пластины.
Тип проводки определяется ее назначением и требованием к ней. Испытуемые провода должны находиться на непроводящем материале с низкой относительной диэлектрической проницаемостью

на высоте (50 +/- 5) мм относительно опорной пластины заземления. Местоположение EUT и имитатора нагрузки требует, чтобы угол сгиба проводов составлял 90° +/- 15°.
F.2.5 Размещение имитатора нагрузки
Имитатор нагрузки должен находиться на расстоянии 200+50 мм от края верхней пластины. Если выполнить это не представляется возможным, то фактическое местоположение имитатора нагрузки должно быть указано в протоколе испытаний.
Имитатор нагрузки должен находиться непосредственно на опорной пластине заземления. Если имитатор нагрузки имеет металлический корпус, то он должен быть соединен с опорной пластиной заземления. Допускается расположение имитатора нагрузки рядом с опорной пластиной заземления (при этом его корпус соединен с этой пластиной) или снаружи испытательной камеры при условии, что испытуемые провода, идущие от EUT, проходят через контур по ВЧ на опорной пластине заземления. Когда имитатор нагрузки находится на опорной пластине заземления, линии питания по постоянному току имитатора нагрузки должны подключаться через эквивалент(ы) сети (AN) (см.
6.2.2).
F.3 Процедура испытания
Общая схема размещения EUT, проводов и периферийных устройств представляет собой стандартизованные условия испытаний. Любые отклонения от стандартной конфигурации испытаний должны быть согласованы между заказчиком и поставщиком до начала испытаний и внесены в протокол испытаний.
EUT следует устанавливать таким образом, чтобы оно работало при типичной нагрузке и рабочих условиях, существующих в транспортном средстве, обеспечивая при этом режим максимального излучения. Такие рабочие условия должны быть указаны в плане испытаний, чтобы гарантировать, что заказчик и поставщик проводили идентичные испытания.
Схема размещения EUT и измерительного оборудования должна функционально соответствовать примеру, приведенному на
рисунке F.1, и должна быть указана в плане испытаний.
F.4 Нормы на излучаемые помехи от компонентов/модулей. Метод полосковой линии
Некоторые источники помех создают непрерывное излучение, и для них устанавливается более низкая норма по сравнению с источниками помех, которые работают только периодически или в течение коротких интервалов времени.
Нормы на излучаемые помехи могут быть разными для каждого источника помех и схемы размещения (из-за различия в связях между антенной и электронным оборудованием, установленным в транспортном средстве).
Для оценки излучаемых помех от компонентов/модулей необходимо измерить ВЧ-напряжение на выходе полосковой линии.
Таблица F.1
Примеры норм на излучаемые помехи. Метод полосковой линии
Служба/диапазон | Частота, МГц | Уровни, дБ (мкВ) | RBW |
Класс 5 | Класс 4 | Класс 3 | Класс 2 | Класс 1 |
Пиковые | Квазипиковые | Средние значения | Пиковые | Квазипиковые | Средние значения | Пиковые | Квазипиковые | Средние значения | Пиковые | Квазипиковые | Средние значения | Пиковые | Квазипиковые | Средние значения |
Службы аналогового вещания |
ДВ | 0,15 - 0,30 | 47 | 34 | 27 | 57 | 44 | 37 | 67 | 54 | 47 | 77 | 64 | 57 | 87 | 74 | 67 | 9 кГц |
СВ | 0,53 - 1,80 | 41 | 28 | 21 | 49 | 36 | 29 | 57 | 44 | 37 | 65 | 52 | 45 | 73 | 60 | 53 |
КВ | 5,9 - 6,2 | 41 | 28 | 21 | 47 | 34 | 27 | 53 | 40 | 33 | 59 | 46 | 39 | 65 | 52 | 45 |
ЧМ | 76 - 108 | 32 | 19 | 12 | 38 | 25 | 18 | 44 | 31 | 24 | 50 | 37 | 30 | 56 | 43 | 36 | 120 кГц |
ТВ-диапазон I | 41 - 88 | 22 | - | 12 | 28 | - | 18 | 34 | - | 24 | 40 | - | 30 | 46 | - | 36 |
ТВ-диапазон III | 174 - 230 | 22 | - | 12 | 28 | - | 18 | 34 | - | 24 | 40 | - | 30 | 46 | - | 36 |
ТВ-диапазон IV | 470 - 944 | 22 | - | 12 | 28 | - | 18 | 34 | - | 24 | 40 | - | 30 | 46 | - | 36 |
Службы цифрового вещания |
DAB III | 167 - 245 | 16 | - | 6 | 22 | - | 12 | 28 | - | 18 | 34 | - | 24 | 40 | - | 30 | 1 МГц |
ТВ-диапазон III | 174 - 230 | 32 | - | 22 | 38 | - | 28 | 44 | - | 34 | 50 | - | 40 | 56 | - | 46 |
DTTV | 470 - 770 | 26 | - | 16 | 32 | - | 22 | 38 | - | 28 | 44 | - | 34 | 50 | - | 40 |
Мобильные службы и цифровые мобильные телефонные службы <c>, <d> |
СВ-связь | 26 - 28 | 40 | 28 | 21 | 46 | 34 | 27 | 52 | 40 | 33 | 58 | 46 | 39 | 64 | 52 | 45 | 9 кГц |
ОВЧ | 30 - 54 | 32 | 19 | 12 | 38 | 25 | 18 | 44 | 31 | 24 | 50 | 37 | 30 | 56 | 43 | 36 | 120 кГц |
ОВЧ | 68 - 87 | 26 | 13 | 6 | 32 | 19 | 12 | 38 | 25 | 18 | 44 | 31 | 24 | 50 | 37 | 30 |
ОВЧ | 142 - 175 | 26 | 13 | 6 | 32 | 19 | 12 | 38 | 25 | 18 | 44 | 31 | 24 | 50 | 37 | 30 |
Аналоговая УВЧ | 380 - 512 | 26 | 13 | 6 | 32 | 19 | 12 | 38 | 25 | 18 | 44 | 31 | 24 | 50 | 37 | 30 |
RKE & TPMS 1 | 300 - 330 | 20 | - | 6 | 26 | - | 12 | 32 | - | 18 | 38 | - | 24 | 44 | - | 30 |
RKE & TPMS 2 | 420 - 450 | 20 | - | 6 | 26 | - | 12 | 32 | - | 18 | 38 | - | 24 | 44 | - | 30 |
4G | 460,0 - 467,5 | 36 | - | 16 | 42 | - | 22 | 48 | - | 28 | 54 | - | 34 | 60 | - | 40 | 1 МГц |
5G n71 (617 - 652 МГц) 4G (617 - 652 МГц) | 617 - 652 | 36 | - | 16 | 42 | - | 22 | 48 | - | 28 | 54 | - | 34 | 60 | - | 40 |
5G n12 (729 - 746 МГц) 5G n14 (758 - 768 МГц) 5G n28 (758 - 803 МГц) 5G n29 (717 - 728 МГц) 4G (703 - 803 МГц) | 703 - 803 | 36 | - | 16 | 42 | - | 22 | 48 | - | 28 | 54 | - | 34 | 60 | - | 40 | 1 МГц |
3G (729 - 756 МГц) 3G (758 - 768 МГц) | 26 | - | 6 | 32 | - | 12 | 38 | - | 18 | 44 | - | 24 | 50 | - | 30 |
5G n20 (791 - 821 МГц) | 791 - 821 | 36 | - | 16 | 42 | - | 22 | 48 | - | 28 | 54 | - | 34 | 60 | - | 40 | 1 МГц |
3G (79 - 821 МГц) | 26 | - | 6 | 32 | - | 12 | 38 | - | 18 | 44 | - | 24 | 50 | - | 30 |
Аналоговая УВЧ | 820 - 960 | 26 | 13 | 6 | 32 | 19 | 12 | 38 | 25 | 18 | 44 | 31 | 24 | 50 | 37 | 30 | 120 кГц |
5G n5 (869 - 894 МГц) 5G n18 (860 - 875 МГц) 5G n26 (859 - 894 МГц) 4G (852 - 894 МГц) | 852 - 894 | 36 | - | 16 | 42 | - | 22 | 48 | - | 28 | 54 | - | 34 | 60 | - | 40 | 1 МГц |
3G (859 - 894 МГц) | | - | | | - | | | - | | | - | | | - | |
2G (869 - 894 МГц) | | - | | | - | | | - | | | - | | | - | | 120 кГц |
5G n8 (925 - 960 МГц) 4G (925 - 960 МГц) | 925 - 960 | 36 | - | 16 | 42 | - | 22 | 48 | - | 28 | 54 | - | 34 | 60 | - | 40 | 1 МГц |
3G (925 - 960 МГц) | | - | | | - | | | - | | | - | | | - | |
2G (925 - 960 МГц) | | - | | | - | | | - | | | - | | | - | | 120 кГц |
<a> Значения, если в устройствах транспортного средства используется протокол 3G. <b> Значения, если в устройствах транспортного средства используется протокол 2G. <c> Более подробная информация относительно частотных полос для 2G, 3G и 4G приведена в технических требованиях ETSI TS 136 101 [14]. <d> Более подробная информация относительно частотных полос для 5G приведена в технических требованиях ETSI TS 138 101-1 V16.4 [20]. Примечание 1 - Все значения, указанные в данной таблице, применены для значений ширины полосы, приведенных в таблицах 1 и 2. Если измерения проводят при значениях ширины полосы, отличных от тех, что указаны в таблицах 1 и 2 из-за требований к допустимому уровню шума, то применяемые нормы должны быть указаны в плане испытаний, а применяемые нормы и значения ширины полосы - в протоколе испытания. Примечание 2 - Когда в нескольких полосах используют одни и те же нормы, пользователь должен выбрать соответствующие полосы, в которых будет проводить испытания. Если в плане испытаний есть перекрывающиеся полосы, то в нем необходимо указать применимую норму. Примечание 3 - Несмотря на то, что в настоящей таблице приведены нормы в пиковых, квазипиковых и средних значениях, не требуется проводить измерения всеми тремя детекторами. См. рисунок 1. |
Эти нормы были установлены для полосковой линии 90 Ом, показанной на
рисунке F.3. При использовании полосковой линии с волновым сопротивлением, отличным от 90 Ом, нормы требуется адаптировать в соответствии с формулой

. (F.1)
Пример для полосковой линии с волновым сопротивлением 50 Ом:

. (F.2)
Нормы Z50 Ом = Нормы Z90 Ом - K90 Ом/50 Ом = Нормы Z90 Ом - 2,54 дБ,
где K - коэффициент коррекции для норм, дБ;
Z - характеристический импеданс полосковой линии, Ом.
F.5 Конструкция полосковой линии
Пример конструкции полосковой линии 50 Ом приведен на
рисунке F.2, а для полосковой линии 90 Ом - на
рисунке F.3. Отношение
b/
h определяет волновое сопротивление. Если размер
b больше размера
h, используют следующее уравнение:

(F.3)
где Z - волновое сопротивление полосковой линии, Ом;
b - ширина верхней пластины полосковой линии, мм;
h - высота верхней пластины полосковой линии относительно опорной пластины заземления, мм;

- 3,14159.
Примечание - Типовые полосковые линии сконструированы так, что их волновое сопротивление составляет 50 или 90 Ом при отношении b/h, равном 5 и 1,83 соответственно. Нагрузкой может быть резистивная нагрузка или плавный волноводный согласующий переход, нагруженный на коаксиальную резистивную нагрузку 50 Ом. Резистивная нагрузка может быть выполнена из угольных резисторов, кондуктивных перемычек, толстых пленок на керамической подложке и т.п. таким образом, чтобы она соответствовала волновому сопротивлению полосковой линии и минимизировала коэффициент стоячей волны.
Размеры в миллиметрах
7 <*> - верхняя пластина; 8 - опорная пластина заземления
--------------------------------
<*> Нумерация приведена согласно оригиналу.
Рисунок F.2 - Пример полосковой линии 50 Ом
Размеры в миллиметрах
4 <*> - нагрузка 50 Ом; 7 - верхняя пластина; 8 - опорная
пластина заземления; 9 - согласующее устройство;
12 - измерительное устройство
--------------------------------
<*> Нумерация приведена согласно оригиналу.
Рисунок F.3 - Пример полосковой линии 90 Ом
(справочное)
ПОМЕХИ ПОДВИЖНОЙ РАДИОСВЯЗИ В ПРИСУТСТВИИ ИМПУЛЬСНОГО
ШУМА. МЕТОД ОЦЕНКИ УХУДШЕНИЯ КАЧЕСТВА РАДИОПРИЕМА
G.1 Общие положения
В настоящем приложении представлен метод оценки ухудшения радиосвязи в присутствии импульсного шума.
G.2 Обзор методов оценки ухудшения качества радиоприема
G.2.1 Общие положения
В США Федеральной Комиссией Связи (FCC) и Ассоциацией Производителей Автомобилей (MVMA, позднее Американской Ассоциацией Производителей Автомобилей AAMA, в настоящее время расформированной) были выполнены исследовательские программы, направленные на получение данных для лучшего понимания влияния транспортных средств на радиоприем в системах подвижной связи.
При испытаниях объективным и субъективным методами измеряли ухудшение качества связи на большом количестве частот радиоприема с использованием нескольких классов источников шума автомобильных систем зажигания, например, в транспортном потоке и в контролируемой группе транспортных средств. Корреляция между различными объективными и субъективными оценками ухудшения качества связи была изучена с использованием рейтинговых шкал, используемых FCC и MVMA для градации качества связи.
G.2.2 Субъективные испытания
G.2.2.1 Испытания на субъективное восприятие раздражающего воздействия
Испытания на субъективное определение ухудшения качества связи проводились Федеральной Комиссией Связи (FCC) с использованием одного транспортного средства и группы транспортных средств, имитирующих напряженность трафиков дорожного движения. FCC использовала рейтинговую шкалу субъективной оценки на основе раздражения, которую, как правило, используют для определения воздействий шума окружающей среды на качество работы, уровня аварийности и усталости персонала.
Степень | Мешающее воздействие |
5 | почти нулевое |
4 | заметное |
3 | раздражающее |
2 | сильно раздражающее |
1 | настолько сильное, что наличие речи едва различимо. |
Эта система ранжирования схожа с той, что приведена в Рекомендации BS.1284-2 ITU-R
[3], которую следует использовать для будущей работы при проведении испытания на раздражающее воздействие.
Качество | Ухудшение |
5 | отличное | незаметное |
4 | хорошее | заметное, но не раздражающее |
3 | посредственное | слегка раздражающее |
2 | низкое | раздражающее |
1 | плохое | сильно раздражающее. |
Раздражение - субъективная психологическая реакция. Было установлено, что степень раздражения, вызываемого шумом звуковой частоты, зависит от большого числа разных физических и психологических факторов (включая болезнь, недомогание, состояние личных взаимоотношений и семейные проблемы).
G.2.2.2 Испытания на субъективное восприятие разборчивости речевого сигнала
G.2.2.2.1 Общие положения
Так как наземные подвижные системы связи главным образом используются для передачи речевых сообщений, качество функционирования таких систем должно основываться в основном на разборчивости принимаемого сигнала в присутствии шума системы зажигания.
Наиболее общим методом определения разборчивости речевого канала является субъективный метод, включающий обученных экспертов и группы оценивающих слушателей, которые непосредственно подсчитывают процент неразборчивого речевого сигнала. Достоинство таких схем заключается в обеспечении повторяемых результатов. К сожалению, субъективные методы подсчета

и затратны по времени. Поэтому они не нашли широкого применения.
Субъективная шкала для оценки разборчивости сигнала, предложенная MVMA:
Степень | Описание |
5 | сообщение абсолютно разборчиво |
4 | сообщение достаточно разборчиво |
3 | считается, что сообщение понятно, но приходится догадываться относительно некоторых слов |
2 | сообщение едва угадывается |
1 | совсем невозможно обнаружить речевой сигнал. |
G.2.2.2.2 Метод испытания на разборчивость речевого сигнала
При отключенном источнике шума системы зажигания транспортного средства уменьшали уровень входного ВЧ-сигнала на 1 дБ, начиная с отношения сигнал/шум 20 дБ, и при каждом уменьшении жюри экспертов проводило подсчет до тех пор, пока не давала оценку - степень 1 (наихудшая разборчивость). После этого ВЧ входной уровень повышали с приращением 1 дБ до достижения отношения сигнал/шум 20 дБ.
Затем уровень входного ВЧ-сигнала увеличивали с приращением 3 дБ, пока жюри не давало оценку - степень 5 (отличная разборчивость). Далее уровень входного ВЧ-сигнала пошагово уменьшали на 3 дБ до достижения отношения сигнал/шум 20 дБ.
Затем вся процедура повторялась при работающем источнике шума транспортного средства.
После этого было проведено сравнение результатов двух испытаний (источник шума включен/источник шума выключен) и представлена разница уровней входного ВЧ-сигнала при конкретной степени качества (в децибелах) как субъективное ухудшение.
G.2.3 Объективные испытания
G.2.3.1 Общие положения
Неоднозначность определения оценочной шкалы и изменчивость оценок экспертов, в значительной степени вызванная психологическими факторами, ведут к неопределенности субъективных измерений. Неопределенности объективных измерений должны быть меньше неопределенностей, которые имеют субъективные испытания.
В результате исследований, проведенных в Институте Телекоммуникационных Наук
[1], появился метод получения объективной меры разборчивости, дающий хорошие результаты для речевого сигнала, проходящего как через аналоговые, так и цифровые каналы связи, пораженные шумом. Меру искажения получают с помощью линейного кодирования с предсказанием (LPC), широко известного математического метода, используемого для анализа и синтеза речевого сигнала.
G.2.3.2 Объективный метод испытания
Для разработки объективной меры оценки разборчивости при пораженном речевом сигнале необходимо провести сравнение между искаженным речевым сигналом и исходным, свободным от шумов, речевым сигналом. Чтобы оценить качество используемой объективной меры, также следует иметь субъективную меру оценки разборчивости искаженного речевого сигнала. Оба требования выполняются, когда сначала делают свободную от шума запись прошедшего преселекцию речевого сигнала (фонограмму), затем пропускают ее через испытуемые каналы связи и делают запись речевого сигнала на выходах каналов. Последнюю запись можно субъективно оценить на разборчивость, а также, используя математический метод, сравнить с оригинальной записью речевого сигнала (фонограммой) для получения объективной оценки.
Прошедший предварительную селекцию речевой сигнал, подлежащий передаче по речевому каналу, для вычисления его разборчивости состоит из фонетически сбалансированных групп изолированных слов, в противоположность полным предложениям или бессмысленным слогам. Использовались фонетически сбалансированные слова потому, что субъективные оценки были продемонстрированы как повторяемые, что является необходимым критерием данного исследования (при проведении испытаний с использованием транспортных средств в качестве источника шума выполнялся субъективный подсчет с использованием групп слушателей и сравнивали результаты с объективными оценками, при этом была выявлена хорошая корреляция).
G.2.4 Заключения по методам оценки ухудшения качества радиоприема
В течение ряда лет были проведены многочисленные исследования с целью разработки простого, недорогого объективного метода измерения ухудшения приема сигнала приемниками подвижных средств в присутствии шума систем зажигания. Метод линейного кодирования с предсказанием (LPC) не является ни простым, ни дешевым (по сравнению с оборудованием, используемым для измерений по CISPR 12
[6] и настоящему стандарту), но технически это хороший объективный метод измерения ухудшения радиоприема.
Субъективные испытания доказали свою эффективность при оценке ухудшения качества приема сигнала приемниками подвижных средств. При определении характеристик воздействия радиопомех на линию связи было установлено, что из двух используемых методов субъективной оценки преимуществом обладает метод разборчивости, а не раздражения. Однако большинство объективных измерений, производимых во время субъективных испытаний, продемонстрировали слабую корреляцию. Метод линейного кодирования с предсказанием (LPC) показал хорошую корреляцию с субъективным методом испытания на разборчивость. Тем не менее, преимуществом обладают субъективные испытания, т.к. они имеют меньшую сложность и требуют меньше финансовых затрат.
Рассматривая только субъективные методы испытания и исходя из результатов проведения множества испытаний, рекомендуется в качестве показателя качества функционирования системы связи использовать разборчивость, а не раздражение.
(обязательное)
МЕТОДЫ ИСПЫТАНИЯ СИСТЕМ ЭЛЕКТРОПИТАНИЯ ВЫСОКОГО НАПРЯЖЕНИЯ
В ЭЛЕКТРИЧЕСКИХ И ГИБРИДНЫХ ТРАНСПОРТНЫХ СРЕДСТВАХ
H.1 Общие положения
Компоненты/модули, используемые в электрических транспортных средствах, - это электронные компоненты, подключаемые к низковольтной (НВ) сети и/или высоковольтным (ВВ) системам питания.
Современная технология электрических транспортных средств предусматривает две категории систем электропитания. Первая категория включает общие низковольтные системы (как правило, неэкранированные), а вторая - высоковольтные системы (как правило, экранированные).
В настоящем приложении приведены дополнительные методы испытания и нормы для измерения помехоэмиссии в соответствии с
разделом 6 при рассмотрении элементов высоковольтных систем питания.
Для ВВ-систем с НВ-линиями (как правило, неэкранированными), и ВВ-линиями (как правило, экранированными) измерения на НВ-линиях (как правило, неэкранированных) должны выполняться с использованием методов испытаний и испытательных установок, указанных в настоящем приложении и нормами, приведенными в
разделе 6.
Примерами элементов ВВ-систем питания являются:
- инверторы с электродвигателем;
- бортовое зарядное устройство;
- преобразователь DC-DC;
- электронагреватель;
- ВВ-аккумулятор;
- все устройства, имеющие подключение к ВВ-источнику, помимо НВ-источника питания.
Нормы, указанные в настоящем приложении для кондуктивных помех, справедливы только для экранированных ВВ-систем. Они основаны на нормах, указанных в
разделе 6 для неэкранированных систем (т.е. либо для НВ-систем, либо для неэкранированных ВВ-систем) с учетом коэффициента развязки между обеими системами.
В настоящем приложении определены следующие испытания:
- измерения наведенного ВЧ-напряжения на экранированных линиях питания с экранированными эквивалентами сети (AN);
- измерения наведенного ВЧ-тока на экранированных кабелях систем питания;
- измерения излучаемых ВЧ-помех компонентов/модулей;
- взаимодействие между НВ- и ВВ-портами системы, обусловленное паразитной связью.
H.2 Испытательное оборудование
H.2.1 Опорная пластина заземления
В качестве опорной пластины заземления используется металлическая поверхность испытательного стенда/стола.
Опорная пластина заземления должна быть изготовлена из меди, латуни, бронзы или гальванизированной стали толщиной 0,5 мм (минимум).
Минимальные размеры опорной пластины заземления при измерении кондуктивных помех (метод напряжения) должны быть 1000 x 400 мм.
Минимальные размеры опорной пластины заземления при измерении кондуктивных помех (метод пробника тока) должны быть 2500 x 400 мм.
Минимальная ширина опорной пластины заземления при измерении излучаемых помех должна составлять 1000 мм или ширину всей нижней части испытательной установки [EUT и оборудование, связанное с основным (например, проводка, включая линии питания, имитатор нагрузки, размещенный на испытательном стенде, и эквивалент(ы) сети (ANs)/HV-AN(s)/AMN(s)/AAN(s)], исключая аккумуляторную батарею и/или источник питания) плюс 200 мм, в зависимости от того, что будет больше.
Минимальная длина опорной пластины заземления при измерении излучаемых помех должна составлять 2000 мм или длину всей нижней части испытательной установки [EUT и оборудование, связанное с основным (например, провода, включая линии питания, имитатор нагрузки, размещенный на испытательном стенде, и эквивалент(ы) сети (ANs)/HV-AN(s)/AMN(s)/AAN(s)), исключая аккумуляторную батарею и/или источник питания] плюс 200 мм, в зависимости от того, что будет больше.
Высота опорной пластины заземления (испытательного стенда) относительно пола должна равняться (900 +/- 100) мм.
Расстояние от края перемычки заземления до края следующей перемычки не должно быть более 300 мм. Максимальное отношение длины перемычек заземления к их ширине должно составлять 7:1.
Примечание - Из-за резонансных явлений в опорной пластине заземления местоположение, ширина и длина перемычек заземления могут влиять на результаты измерения. Для обеспечения низкоомного соединения с экранированной камерой требуется достаточное количество низкоиндуктивных перемычек.
H.2.2 Источник питания, AN, HV-AN, AMN и AAN
При испытаниях, указанных в
H.3 -
H.6 провода испытуемого оборудования, предназначенные для соединения с положительным полюсом источника питания, должны подключаться к нему через эквивалент сети (AN). Характеристики полного сопротивления эквивалента и предлагаемые схемные решения приведены в
приложении E.
Эквивалент(ы) сети AN(s)/HV-AN(s)/AMN(s)/AAN(s) следует устанавливать непосредственно на опорной пластине заземления. Корпус(ы) AN(s)/HV-AN(s)/AMN(s)/AAN(s) следует соединять с опорной пластиной заземления. Сопротивление по постоянному току между землей порта измерения AN(s)/HV-AN(s)/AMN(s)/AAN(s) и опорной пластиной заземления не должно превышать 2,5 мОм.
Измерительный порт AN/HV-AN, не подключенный к измерительному устройству, должен нагружаться на 50 Ом.
H.2.3 Имитатор нагрузки
В имитатор нагрузки входят датчики и приводы, и он является нагрузкой для испытуемых проводов, подключаемых к EUT.
Для обеспечения повторяемости необходимо использовать одинаковую нагрузку при каждом измерении либо за счет использования специального нагрузочного устройства (например, эквивалентов сети, фильтров), расположенного на контуре зоны по ВЧ, либо за счет использования того же имитатора нагрузки.
H.3 Кондуктивные помехи от компонентов/модулей на высоковольтных линиях питания. Метод напряжения
H.3.1 Общие положения
Испытания следует проводить в ALSE или в экранированной камере.
Местоположение EUT, испытуемых проводов и имитатора нагрузки на опорной пластине заземления приведено на
рисунках H.1 -
H.4. Применяют требования к опорной пластине заземления, указанные в
H.2.1 (при измерении кондуктивных помех - метод напряжения).
H.3.2 Испытательная установка
Используется адаптированная испытательная установка, приведенная в
6.3.2, которая представлена на
рисунке H.1. Конфигурация экранирования и любые защитные соединения с землей должны быть типичными для применения в транспортном средстве и должны быть указаны в плане испытания. Также в плане испытания должно быть указано подсоединение к земле зарядного устройства аккумуляторной батареи. Испытуемое оборудование и нагрузки должны быть соединены с опорной пластиной заземления через определенное полное сопротивление, указанное в плане испытания. Следует использовать ВВ аккумуляторную батарею транспортного средства. Если применяется внешний ВВ-источник питания, он должен подключаться через проходной фильтр.
Размеры в миллиметрах, рисунок не в масштабе
1 - EUT; 2 - опорная пластина заземления; 3 - подставка
из материала с низкой относительной диэлектрической
проницаемостью

толщиной 50 мм;
4 - нагрузка
50 Ом; 5 - жгут низковольтных проводов; 6 - высоковольтные
линии (HV+, HV-); 7 - низковольтный имитатор нагрузки;
8 - схема согласования полного сопротивления (по выбору);
9 - низковольтный эквивалент сети (LV-AN);
10 - высоковольтный эквивалент сети (HV-AN);
11 - низковольтные линии питания; 12 - высоковольтные линии
питания; 13 - низковольтный источник питания 12 В/24 В/48 В
(должен устанавливаться на опорной пластине заземления);
14 - дополнительный экранированный отсек;
15 - высоковольтный источник питания (экранированный, если
размещен внутри экранированной камеры); 16 - фильтр линии
питания; 17 - сквозное оптоволоконное соединение;
18 - проходной разъем; 19 - система управления и контроля;
20 - измерительный прибор; 21 - высококачественный
коаксиальный кабель, например, с двойным экранированием
(50 Ом); 22 - оптоволоконный кабель; 23 - шины/перемычки
заземления (см.
6.2.1);
24 - экранированная камера
Рисунок H.1 - Кондуктивные помехи. Пример испытательной
установки для EUT с экранированными системами электропитания
Если другие указания отсутствуют, EUT следует размещать на непроводящем материале с низкой относительной диэлектрической проницаемостью

над опорной пластиной заземления на высоте (50 +/- 5) мм.
Если в плане испытания не определено другое (например, использование оригинальных проводов транспортного средства), длина проводов должна быть следующей:
- 200+200 мм - для НВ-линий;
- 1700+300 мм - для ВВ-линий, а длина ВВ испытательных проводов, параллельных переднему краю опорной пластины заземления, должна быть (1500 +/- 75) мм;
- менее 1000 мм - для трехфазных линий между EUT и электродвигателем(ями).
Если физически это выполнить невозможно, все провода должны размещаться на непроводящей поверхности с низкой относительной диэлектрической проницаемостью

над опорной пластиной заземления на высоте (50 +/- 5) мм.
ВВ-провода следует размещать на минимальном расстоянии 100 мм от края опорной пластины заземления.
Экранированные линии питания постоянного тока для подключения к положительной клемме ВВ (HV+), для подключения к отрицательной клемме ВВ (HV-) и провода трехфазных линий переменного тока могут быть отдельными коаксиальными кабелями или в общем экране в зависимости от используемой системы соединения. По выбору допускается использовать оригинальный ВВ-жгут проводов от транспортного средства.
Если в плане испытания не определено другое, корпус EUT следует подключать к опорной пластине заземления либо непосредственно, либо через определенное полное сопротивление.
На
рисунке H.2 приведен пример наиболее полной конфигурации с добавлением к испытательной установке электродвигателя или эмулятора нагрузки, например, в случае, когда EUT является блоком электропитания. Если возможно, корпус электродвигателя должен быть соединен с опорной пластиной заземления.
Размеры в миллиметрах, рисунок не в масштабе
1 - EUT; 2 - опорная пластина заземления; 3 - подставка
из материала с низкой относительной диэлектрической
проницаемостью

толщиной 50 мм
(для электродвигателя допускается использовать непроводящую
подставку); 4 - нагрузка 50 Ом; 5 - жгут низковольтных
проводов; 6 - высоковольтные линии (HV+, HV-);
7 - низковольтный имитатор нагрузки; 8 - схема согласования
полного сопротивления (по выбору); 9 - низковольтный
эквивалент сети (LV-AN); 10 - высоковольтный эквивалент сети
(HV-AN); 11 - низковольтные линии питания;
12 - высоковольтные линии питания; 13 - низковольтный
источник питания 12 В/24 В/48 В (должен устанавливаться
на опорной пластине заземления); 14 - дополнительный
экранированный отсек; 15 - высоковольтный источник питания
(экранируют при размещении внутри экранированной камеры);
16 - фильтр линии питания; 17 - сквозное оптоволоконное
соединение; 18 - проходной разъем; 19 - система управления
и контроля; 20 - измерительный прибор;
21 - высококачественный коаксиальный кабель, например,
с двойным экранированием (50 Ом); 22 - оптоволоконный
кабель;
23 - шины/перемычки заземления (см.
6.2.1);
24 - электродвигатель; 25 - линии питания трехфазного
электродвигателя; 26 - механическое соединение
(например, непроводящее); 27 - ввод в камеру (например,
распределительный механический подшипник); 28 - тормозной
или приводной двигатель; 29 - экранированная камера
Примечание 1 - Электродвигатель, механическое соединение, механический подшипник с фильтрацией и тормозной или приводной двигатель допускается заменить эмулятором нагрузки.
Примечание 2 - При механической передаче мощности снаружи камеры может потребоваться более одного интерфейса и выполнение разных топологических решений (например, использование электрифицированных осей с двумя механическими валами или изменения в физической конфигурации камеры).
Примечание 3 - Следует отметить, что геометрия вала(ов), подсоединяемых к EUT, существенно влияет на корреляцию с результатами измерения уровня помех от EUT, установленного в транспортное средство. Любое механическое решение для испытания компонента должно по возможности отражать его применение и геометрию в транспортном средстве, например, длину карданных валов, их ВЧ-нагрузку, включая их возможное гальваническое соединение с оболочкой камеры.
Рисунок H.2 - Кондуктивные помехи. Пример испытательной
установки для EUT с экранированными системами электропитания
с электродвигателем, подключенным к испытательному стенду
В случае эмуляции нагрузки:
- в плане испытания должны быть определены условия соединения между EUT и эмулятором нагрузки, а также необходимые условия заземления;
- эмулятор нагрузки заменяет "электродвигатель", "механическое соединение", "механический подшипник с фильтрацией" и "тормозной или приводной двигатель";
- линии переменного тока могут быть пропущены через фильтр источника питания.
Электродвигатель может размещаться на отдельной пластине заземления. В этом случае в плане испытания должна быть определена конфигурация соединения между отдельной пластиной заземления двигателя и опорной пластиной заземления EUT (отображающая конфигурацию заземления транспортного средства).
На
рисунках H.3 и
H.4 приведен пример установки для систем с инвертором/зарядным устройством.
Примечание 1 - При использовании фильтра линии питания (позиция 16 в обозначениях) на ВВ-линиях питания необходимо соблюдать осторожность. Этот фильтр увеличивает емкость между HV+ и опорной пластиной заземления или HV- и опорной пластиной заземления и может привести к появлению дополнительных резонансов.
Примечание 2 - В зависимости от местоположения компонента в транспортном средстве и материала, из которого изготовлено шасси (например, металл или другой материал) полное сопротивление соединения экранирующих элементов с шасси транспортного средства может сильно меняться.
Размеры в миллиметрах, рисунок не в масштабе
1 - EUT; 2 - опорная пластина заземления; 3 - подставка
из материала с низкой относительной диэлектрической
проницаемостью

толщиной 50 мм;
4 - нагрузка 50 Ом; 5 - жгут низковольтных проводов;
6 - высоковольтные линии (HV+, HV-); 7 - низковольтный
имитатор нагрузки; 8 - схема согласования полного
сопротивления (по выбору); 9 - низковольтный эквивалент сети
(LV-AN); 10 - высоковольтный эквивалент сети (HV-AN);
11 - низковольтные линии питания; 12 - высоковольтные линии
питания; 13 - низковольтный источник питания 12 В/24 В/48 В
(устанавливают на опорной пластине заземления);
14 - дополнительный экранированный отсек;
15 - высоковольтный источник питания (экранируют
при размещении внутри экранированной камеры); 16 - фильтр
линии питания; 17 - сквозное оптоволоконное соединение;
18 - проходной разъем; 19 - система управления и контроля;
20 - измерительный прибор; 21 - высококачественный
коаксиальный кабель, например, с двойным экранированием
(50 Ом); 22 - оптоволоконный кабель; 23 - шины/перемычки
заземления (см.
6.2.1);
24 - имитатор нагрузки
по переменному току (имитатор нерезистивной нагрузки
экранируется, если размещен внутри экранированной камеры);
25 - эквивалент сети питания (AMN) для сети переменного тока
(по выбору); 27 <*> - экранированная камера;
29 <*> - дополнительный экранированный отсек (по выбору);
31 <*> - провода зарядного устройства переменного тока
--------------------------------
<*> Нумерация приведена согласно оригиналу.
Рисунок H.3 - Кондуктивные помехи. Пример испытательной
установки для EUT с экранированными системами
электропитания и инвертором
Размеры в миллиметрах, рисунок не в масштабе
1 - EUT; 2 - опорная пластина заземления; 3 - подставка
из материала с низкой относительной диэлектрической
проницаемостью

толщиной 50 мм;
4 - нагрузка 50 Ом; 5 - жгут низковольтных проводов;
6 - высоковольтные линии (HV+, HV-); 7 - низковольтный
имитатор нагрузки; 8 - схема согласования полного
сопротивления (по выбору); 9 - низковольтный эквивалент сети
(LV-AN); 10 - высоковольтный эквивалент сети (HV-AN);
11 - низковольтные линии питания; 12 - высоковольтные линии
питания; 13 - низковольтный источник питания 12 В/24 В/48 В
(устанавливают на опорной пластине заземления);
14 - дополнительный экранированный отсек;
15 - высоковольтный источник питания (экранируют
при размещении внутри экранированной камеры); 16 - фильтр
линии питания; 17 - сквозное оптоволоконное соединение;
18 - проходной разъем; 19 - система контроля и управления;
20 - измерительный прибор; 21 - высококачественный
коаксиальный кабель, например, с двойным экранированием
(50 Ом); 22 - оптоволоконный кабель; 23 - шины/перемычки
заземления (см.
6.2.1);
24 - сеть питания переменного тока;
25 - эквивалент сети питания (AMN) для сети переменного
тока; 26 - имитатор нагрузки при зарядке переменным током;
27 - экранированная камера; 29 <*> - дополнительный
экранированный отсек (по выбору); 31 <*> - линии
питания переменного тока
--------------------------------
<*> Нумерация приведена согласно оригиналу.
Рисунок H.4 - Кондуктивные помехи. Пример испытательной
установки для EUT с экранированными системами электропитания
и зарядным устройством
Измерения напряжения необходимо выполнять последовательно на линиях источника питания HV+ и HV- путем подключения измерительного устройства к порту измерения соответствующего эквивалента HV-AN, при этом измерительный порт HV-AN другой линии источника питания должен быть подключен к нагрузке 50 Ом.
Если в EUT имеются низковольтные (НВ) линии, то измерения напряжения следует проводить последовательно на линиях источника питания LV+ и/или LV- путем подключения измерительного устройства к порту измерения соответствующего(их) эквивалента(ов) AN(s), при этом к портам измерения обоих эквивалентов HV-AN(s) должны быть подключены нагрузки 50 Ом.
На линиях переменного тока измерения не проводят.
H.3.3 Нормы на кондуктивные помехи. Метод напряжения
Измерения следует проводить на ВЧ выходных портах эквивалентов сети (AN) и ВЧ выходных портах эквивалентов HV-AN. К ВЧ выходным портам, не используемым при измерениях, должны быть подключены нагрузки 50 Ом. При измерениях на ВЧ-выходе эквивалентов AN применяют нормы, указанные в
6.3.
Применимые нормы для измерений на ВЧ-выходе эквивалентов HV-AN установлены с учетом экранирования ВВ-системы целиком. Причиной является паразитная связь между ВВ- и НВ-сетями. Эта связь может быть внутренней в компоненте или внешней через его корпус. Чем ниже эффективность экранирования ВВ, тем жестче класс ВВ-норм. Классы ВВ-норм из
таблицы H.1 определяются заказчиком на основе знания всей ВВ-системы. Уменьшение связи ВВ-НВ можно протестировать в соответствии с
H.6.
Для неэкранированных систем следует применять нормы напряжения, приведенные в
6.3.
Базой для норм, приведенных в
таблице H.1, являются нормы из
6.3.4, таблицы 6, модифицированные за счет добавления необходимого коэффициента затухания (класс затухания A.1) между ВВ и НВ-частями, т.е.
где

- значение коэффициента затухания, приведенное в
таблице H.4 для выбранного класса затухания
Ax.
Таблица H.1
Примеры ВВ-норм для измерений кондуктивных напряжений
на устройствах с экранированным источником питания
(коэффициент затухания ВВ-НВ класс затухания A1)
Служба/диапазон | Частота, МГц | Уровни, дБ (мкВ) | RBW |
Класс 5 | Класс 4 | Класс 3 | Класс 2 | Класс 1 |
Пиковые | Квазипиковые | Средние значения | Пиковые | Квазипиковые | Средние значения | Пиковые | Квазипиковые | Средние значения | Пиковые | Квазипиковые | Средние значения | Пиковые | Квазипиковые | Средние значения |
Службы аналогового вещания |
ДВ | 0,15 - 0,30 | 107 | 94 | 87 | 117 | 104 | 97 | 127 | 114 | 107 | 137 | 124 | 117 | 147 | 134 | 127 | 9 кГц |
СВ | 0,53 - 1,80 | 84 | 71 | 64 | 92 | 79 | 72 | 100 | 87 | 80 | 108 | 95 | 88 | 116 | 103 | 96 |
КВ | 5,9 - 6,2 | 77 | 64 | 57 | 83 | 70 | 63 | 89 | 76 | 69 | 95 | 82 | 75 | 101 | 88 | 81 |
ЧМ | 76 - 108 | 50 | 37 | 30 | 56 | 43 | 36 | 62 | 49 | 42 | 68 | 55 | 48 | 74 | 61 | 54 | 120 кГц |
ТВ-диапазон I | 41 - 88 | 47 | - | 37 | 53 | - | 43 | 59 | - | 49 | 65 | - | 55 | 71 | - | 61 |
Мобильные службы |
СВ-связь | 26 - 28 | 61 | 48 | 41 | 67 | 54 | 47 | 73 | 60 | 53 | 79 | 66 | 59 | 85 | 72 | 65 | 9 кГц |
ОВЧ | 30 - 54 | 59 | 46 | 39 | 65 | 52 | 45 | 71 | 58 | 51 | 77 | 64 | 57 | 83 | 70 | 63 | 120 кГц |
ОВЧ | 68 - 87 | 51 | 38 | 31 | 57 | 44 | 37 | 63 | 50 | 43 | 69 | 56 | 49 | 75 | 62 | 55 |
Примечание 1 - Все значения, приведенные в данной таблице, справедливы для значений ширины полосы, указанных в таблицах 1 и 2. Если измерения проводят при значениях ширины полосы, отличных от тех, что указаны в таблицах 1 и 2 из-за требований к допустимому уровню шума, тогда применимые нормы должны быть указаны в плане испытаний. Примечание 2 - Когда в нескольких полосах используют одни и те же нормы, пользователь должен выбрать соответствующие полосы, в которых будет проводить испытания. Если в плане испытаний есть перекрывающиеся полосы, то в нем необходимо указать применимую норму. Примечание 3 - Несмотря на то, что в настоящей таблице приведены нормы в пиковых, квазипиковых и средних значениях, не требуется проводить измерения всеми тремя детекторами. См. рисунок 1. |
H.4 Кондуктивные помехи от компонентов/модулей на ВВ-линиях питания. Метод пробника тока
H.4.1 Общие положения
Испытание следует проводить в ALSE или в экранированном помещении.
Местоположение EUT, испытуемых проводов и имитатора нагрузки на опорной пластине заземления показано на
рисунках H.5 -
H.8. Используют параметры опорной пластины заземления, указанные в
H.2.1 (кондуктивная помехоэмиссия - метод пробника тока).
H.4.2 Испытательная установка
Для испытания компонентов/модулей используется адаптированный вариант испытательной установки, приведенной в
6.4.2, который представлен на
рисунке H.5. Конфигурация экранирования и любые защитные соединения с землей должны быть типичными для применения в транспортном средстве и должны быть указаны в плане испытания. Также в плане испытания должно быть указано соединение с землей зарядного устройства аккумуляторной батареи. Испытуемое оборудование и нагрузки должны подключаться к земле через определенное полное сопротивление, указанное в плане испытания. Следует использовать ВВ аккумуляторную батарею транспортного средства; в противном случае внешний ВВ-источник питания должен подключаться через проходной фильтр.
Размеры в миллиметрах, рисунок не в масштабе
1 - EUT; 2 - опорная пластина заземления; 3 - подставка
из материала с низкой относительной диэлектрической
проницаемостью

толщиной 50 мм;
4 - пробник тока ("
d" см.
H.4.2);
5 - жгут низковольтных
проводов; 6 - высоковольтные линии (HV+, HV-);
7 - низковольтный имитатор нагрузки; 8 - схема согласования
полного сопротивления (по выбору); 9 - низковольтный
эквивалент сети (LV-AN); 10 - высоковольтный эквивалент сети
(HV-AN); 11 - низковольтные линии питания;
12 - высоковольтные линии питания; 13 - низковольтный
источник питания 12 В/24 В/48 В (должен устанавливаться
на опорной пластине заземления); 14 - дополнительный
экранированный отсек; 15 - высоковольтный источник питания
(экранированный, если размещен внутри экранированной
камеры); 16 - фильтр линии питания; 17 - сквозное
оптоволоконное соединение; 18 - проходной разъем;
19 - система управления и контроля; 20 - измерительный
прибор; 21 - высококачественный коаксиальный кабель,
например, с двойным экранированием (50 Ом);
22 - оптоволоконный кабель; 23 - шины/перемычки заземления
(см.
6.2.1);
24 - экранированная камера;
25 - нагрузка 50 Ом
Рисунок H.5 - Кондуктивные помехи. Пример испытательной
установки при измерении пробником тока на ВВ-линиях для EUT
с экранированными системами электропитания
Если не указано иное, то EUT следует устанавливать на непроводящем материале с низкой относительной диэлектрической проницаемостью

над опорной пластиной заземления на высоте (50 +/- 5) мм.
Если в плане испытания не определено другое (например, использование оригинального жгута проводов транспортного средства), длина проводов должна быть следующей:
- 1700+300 мм - для НВ-линий, а длина НВ испытуемых проводов, параллельных переднему краю опорной пластины заземления, должна быть (1500 +/- 75) мм;
- 1700+300 мм - для ВВ-линий, а длина ВВ испытуемых проводов, параллельных переднему краю опорной пластины заземления, должна быть (1500 +/- 75) мм;
- менее 1000 мм - для трехфазных линий между EUT и электродвигателем(ями).
Если физически это выполнить невозможно, все провода должны размещаться на непроводящей поверхности с низкой относительной диэлектрической проницаемостью

над опорной пластиной заземления на высоте (50 +/- 5) мм. НВ-линии должны размещаться на минимальном расстоянии 200 мм от края опорной пластины заземления. Расстояние между НВ- и ВВ-линиями должно составлять 100
+100 мм.
Линии питания постоянного тока (как правило, экранированные) для подключения к положительной клемме ВВ (HV+), для подключения к отрицательной клемме ВВ (HV-) и провода трехфазных линий переменного тока могут быть отдельными коаксиальными кабелями или в общем экране в зависимости от используемой системы соединения. По выбору допускается использовать оригинальный ВВ-жгут проводов от транспортного средства.
Жгут проводов, используемый для этого испытания, должен быть типичным для данного транспортного средства в части конструкции кабеля и оконечной нагрузки разъемов, указанных в плане испытания.
Если в плане испытания не определено другое, корпус EUT должен подключаться к опорной пластине заземления либо непосредственно, либо через определенное полное сопротивление.
На
рисунке H.6 представлена наиболее полная конфигурация с добавлением к испытательной установке электродвигателя или эмулятора нагрузки, например, когда EUT является блоком электропитания.
Размеры в миллиметрах, рисунок не в масштабе
1 - EUT; 2 - опорная пластина заземления; 3 - подставка
из материала с низкой относительной диэлектрической
проницаемостью

толщиной 50 мм
(для электродвигателя использовать непроводящую опору);
4 - пробник тока ("
d" см.
H.4.2);
5 - жгут низковольтных
проводов; 6 - высоковольтные линии (HV+, HV-);
7 - низковольтный имитатор нагрузки; 8 - схема согласования
полного сопротивления (по выбору); 9 - низковольтный
эквивалент сети (LV-AN); 10 - высоковольтный эквивалент сети
(HV-AN); 11 - низковольтные линии питания;
12 - высоковольтные линии питания; 13 - НВ-источник питания
12 В/24 В/48 В (должен устанавливаться на опорной пластине
заземления); 14 - дополнительный экранированный отсек;
15 - ВВ-источник питания (экранированный, если размещен
внутри экранированной камеры); 16 - фильтр линии питания;
17 - сквозное оптоволоконное соединение; 18 - проходной
разъем; 19 - система управления и контроля;
20 - измерительный прибор; 21 - высококачественный
коаксиальный кабель, например, с двойным экранированием
(50 Ом); 22 - оптоволоконный кабель; 23 - шины-перемычки
заземления (см.
6.2.1);
24 - электродвигатель;
25 - трехфазные линии питания двигателя; 26 - механическое
соединение (непроводящее); 27 - ввод в камеру
(например, механический подшипник с фильтрацией);
28 - тормозной или приводной двигатель;
29 - экранированная камера; 30 - нагрузка 50 Ом
Примечание 1 - Электродвигатель, механическое соединение, механический подшипник с фильтрацией и тормозной или приводной двигатель можно заменить эмулятором нагрузки.
Примечание 2 - При механической передаче мощности снаружи камеры может потребоваться более одного интерфейса и применение различных топологических решений (например, использование электрифицированных осей с двумя механическими валами или изменения в физической конфигурации камеры).
Примечание 3 - Следует отметить, что геометрия вала(ов), подсоединяемых к DUT, существенно влияет на корреляцию с результатами измерения уровня помех от EUT установленного в транспортное средство. Любое механическое решение для испытания компонента должно по возможности отражать его применение и геометрию в транспортном средстве и геометрию, например, длину карданных валов, их ВЧ-нагрузку, включая их возможное гальваническое соединение с оболочкой камеры.
Рисунок H.6 - Кондуктивные помехи. Пример испытательной
установки при измерении пробником тока на ВВ-линиях для EUT
с экранированными системами электропитания
с электродвигателем, подключенным к испытательному стенду
Электродвигатель может размещаться на отдельной пластине заземления. В этом случае в плане испытания должна быть определена конфигурация соединения между этой отдельной пластиной заземления двигателя и опорной пластиной заземления EUT (отображающая конфигурацию заземления транспортного средства). При необходимости корпус электродвигателя должен соединяться с пластиной заземления.
В случае использования эмулятора нагрузки:
- в плане испытания должны быть определены условия соединения между EUT и эмулятором нагрузки, а также необходимые условия заземления;
- эмулятор нагрузки заменяет "электродвигатель", "механическое соединение", "механический подшипник с фильтрацией" и "тормозной или приводной двигатель";
- линии переменного тока могут быть пропущены через фильтр источника питания.
Примечание 1 - При использовании фильтра линии питания (позиция 16 в обозначениях) на ВВ-линиях питания необходимо соблюдать осторожность. Этот фильтр увеличивает емкость между HV+ и опорной пластиной заземления или HV- и опорной пластиной заземления и может привести к появлению дополнительных резонансов.
Примечание 2 - В зависимости от местоположения компонента в транспортном средстве и материала, из которого изготовлено шасси (например, металл или другой материал) полное сопротивление соединения экранирующих элементов с шасси транспортного средства может сильно меняться.
Измерения с помощью пробника тока необходимо выполнять на линиях источника питания HV+ и HV- и на трехфазных линиях электродвигателя по отдельности (если возможно) и вместе. Необходимо измерять помехи пробником, находящимся на расстоянии d = 50 мм и d = 750 мм от EUT (в зависимости от длины жгута проводов).
Если EUT имеет линии питания переменного тока (например, бортовое зарядное устройство) измерения методом пробника тока следует проводить на всем жгуте проводов переменного тока. Необходимо измерять помехи пробником, находящимся на расстоянии d = 50 мм и d = 750 мм от EUT (в зависимости от длины жгута проводов).
Отклонение от основной испытательной установки необходимо указать в плане испытания и/или протоколе испытания. Если электродвигатель и силовой блок являются одним устройством, измерения в соответствии с
рисунком H.5 не применяются.
Примечание - Следует соблюдать осторожность при использовании провода защитного заземления, так как он может влиять на результат измерения.
На
рисунках H.7 и
H.8 приведен пример установки для систем с инвертором/зарядным устройством.
Размеры в миллиметрах, рисунок не в масштабе
1 - EUT; 2 - опорная пластина заземления; 3 - подставка
из материала с низкой относительной диэлектрической
проницаемостью

толщиной 50 мм;
4 - пробник тока ("
d" см.
H.4.2);
5 - жгут низковольтных
проводов; 6 - высоковольтные линии (HV+, HV-);
7 - низковольтный имитатор нагрузки; 8 - схема согласования
полного сопротивления (по выбору); 9 - низковольтный
эквивалент сети (LV-AN); 10 - высоковольтный эквивалент сети
(HV-AN); 11 - низковольтные линии питания;
12 - высоковольтные линии питания; 13 - НВ-источник питания
12 В/24 В/48 В (устанавливают на опорной пластине
заземления); 14 - дополнительный экранированный отсек;
15 - ВВ-источник питания (экранируют, если размещают внутри
экранированной камеры); 16 - фильтр линии питания;
17 - сквозное оптоволоконное соединение; 18 - проходной
разъем; 19 - система управления и контроля;
20 - измерительный прибор; 21 - высококачественный
коаксиальный кабель, например, с двойным экранированием
(50 Ом); 22 - оптоволоконный кабель; 23 - шины/перемычки
заземления (см.
6.2.1);
24 - имитатор нагрузки
по переменному току (имитатор нерезистивной нагрузки должен
экранироваться, если установлен внутри); 25 - эквивалент AMN
для сети переменного тока (по выбору); трехфазные линии
питания двигателя; 27 <*> - экранированная камера;
28 - нагрузка 50 Ом; 29 - дополнительный экранированный
отсек (по выбору); 31 <*> - линии переменного тока
--------------------------------
<*> Нумерация приведена согласно оригиналу
Рисунок H.7 - Кондуктивные помехи. Пример испытательной
установки при измерении пробником тока на ВВ-линиях для EUT
с экранированными системами электропитания и инвертором
Размеры в миллиметрах, рисунок не в масштабе
1 - EUT; 2 - опорная пластина заземления; 3 - подставка
из материала с низкой относительной диэлектрической
проницаемостью

толщиной 50 мм;
4 - пробник тока ("
d" см.
H.4.2);
5 - жгут низковольтных
проводов; 6 - высоковольтные линии (HV+, HV-);
7 - низковольтный имитатор нагрузки; 8 - схема согласования
импеданса (по выбору); 9 - низковольтный эквивалент сети
(LV-AN); 10 - высоковольтный эквивалент сети (HV-AN);
11 - низковольтные линии питания; 12 - высоковольтные линии
питания; 13 - НВ-источник питания 12 В/24 В/48 В
(устанавливают на опорной пластине заземления);
14 - дополнительный экранированный отсек; 15 - имитатор
нагрузки по постоянному току (имитатор нерезистивной
нагрузки должен экранироваться, если установлен внутри
экранированного помещения); 16 - фильтр линии питания;
17 - сквозное оптоволоконное соединение; 18 - проходной
разъем; 19 - система управления контроля; 20 - измерительный
прибор; 21 - высококачественный коаксиальный кабель,
например, с двойным экранированием (50 Ом);
22 - оптоволоконный кабель; 23 - шины/перемычки заземления
(см.
6.2.1);
24 - сеть питания переменного тока;
25 - эквивалент AMN для сети переменного тока; 26 - имитатор
нагрузки с зарядкой по переменному току; 27 - экранированная
камера; 28 - нагрузка 50 Ом; 29 - дополнительный
экранированный отсек (по выбору); 31 <*> - линии
переменного тока
--------------------------------
<*> Нумерация приведена согласно оригиналу.
Рисунок H.8 - Кондуктивные помехи. Пример испытательной
установки при измерении пробником тока на ВВ-линиях для EUT
с экранированными системами электропитания
и зарядным устройством
H.4.3 Нормы на кондуктивные помехи. Метод пробника тока
H.5 Излучаемые помехи от компонентов/модулей. Метод экранированной камеры, покрытой поглощающим материалом (ALSE)
H.5.1 Общие положения
Испытания следует проводить в ALSE.
Местоположение EUT, испытуемых проводов и имитатора нагрузки на опорной пластине заземления показано на
рисунках H.9 -
H.12. Используют условия применения опорной пластины заземления, приведенные в
H.2.1 (излучаемые помехи).
H.5.2 Испытательная установка
Для испытания компонентов/модулей используется адаптированный вариант испытательной установки, приведенной в
6.5.2, который представлен на
рисунке H.9. Конфигурация экранирования и любые соединения с землей должны быть типичными для применения в транспортном средстве и должны быть указаны в плане испытания. Также в плане испытания должно быть указано соединение с землей зарядного устройства аккумуляторной батареи.
Размеры в миллиметрах, рисунок не в масштабе
1 - EUT; 2 - опорная пластина заземления; 3 - подставка
из материала с низкой относительной диэлектрической
проницаемостью

толщиной 50 мм;
4 - шины/перемычки заземления (см.
6.2.1);
5 - жгут
низковольтных проводов; 6 - высоковольтные линии (HV+, HV-);
7 - низковольтный имитатор нагрузки; 8 - схема согласования
полного сопротивления (по выбору); 9 - низковольтный
эквивалент сети (LV-AN); 10 - высоковольтный эквивалент сети
(HV-AN); 11 - низковольтные линии питания;
12 - высоковольтные линии питания; 13 - НВ-источник питания
12 В/24 В/48 В (должен устанавливаться на опорной пластине
заземления); 14 - дополнительный экранированный отсек;
15 - ВВ-источник питания (должен экранироваться
при размещении внутри ALSE); 16 - фильтр линии питания;
17 - сквозное оптоволоконное соединение; 18 - проходной
разъем; 19 - система управления и контроля;
20 - измерительный прибор; 21 - высококачественный
коаксиальный кабель, например, с двойным экранированием
(50 Ом); 22 - оптоволоконный кабель; 23 - биконическая
антенна; 24 - ВЧ поглощающий материал; 25 - нагрузка 50 Ом
Рисунок H.9 - Излучаемые помехи. Пример измерения
на испытательной установке с биконической антенной для EUT
с экранированными системами источников питания
и с НВ-линиями напротив антенны
Если не указано иное, то EUT следует устанавливать на непроводящем материале с низкой относительной диэлектрической проницаемостью

над пластиной заземления на высоте (50 +/- 5) мм.
Если в плане испытания не определено другое (например, использование оригинального жгута проводов транспортного средства), длина проводов должна быть следующей:
- 1700+300 мм - для НВ-линий, а длина НВ испытуемого жгута проводов, параллельных переднему краю опорной пластины заземления, должна быть (1500 +/- 75) мм;
- 1700+300 мм - мм для ВВ-линий, а длина ВВ испытуемого жгута проводов, параллельных переднему краю опорной пластины заземления, должна быть (1500 +/- 75) мм;
- менее 1000 мм - для трехфазных линий между EUT и электродвигателем(ями).
Если приведенное выше выполнить невозможно, все провода должны размещаться на непроводящей поверхности с низкой относительной диэлектрической проницаемостью

над опорной пластиной заземления на высоте (50 +/- 5) мм. Длинный сегмент испытуемого жгута НВ-линий должен идти параллельно краю опорной пластины заземления в направлении антенны на расстоянии (100 +/- 10) мм от края опорной пластины заземления. Длинный сегмент испытуемого жгута ВВ-линий должен находиться на расстоянии 100
+100 мм от испытуемого жгута НВ-линий (как показано на
рисунках H.9 -
H.12).
Линии питания постоянного тока (как правило, экранированные) для подключения к положительной клемме ВВ (HV+), для подключения к отрицательной клемме ВВ (HV-) и провода трехфазных линий переменного тока могут быть отдельными коаксиальными кабелями или в общем экране в зависимости от используемой системы соединения. По выбору допускается использовать оригинальный ВВ-жгут проводов от транспортного средства.
Если в плане испытания отсутствуют другие указания, то также необходимо провести испытания в конфигурации с длинным сегментом испытуемого жгута ВВ-линий на расстоянии (100 +/- 10) мм от края опорной пластины заземления и испытуемого жгута НВ-линий на расстоянии 100+100 мм от ВВ-линий.
Жгуты проводов, используемые для данного испытания, должны быть типовыми для транспортного средства в части конструкции кабеля и оконечной нагрузки разъемов, указанных в плане испытания.
Если в плане испытания не указано иное, корпус EUT должен подключаться к опорной пластине заземления либо непосредственно, либо через определенное полное сопротивление.
На
рисунке H.10 приведен пример наиболее полной конфигурации с добавлением к испытательной установке электродвигателя или эмулятора нагрузки, например, в случае, когда EUT является блоком электропитания.
Размеры в миллиметрах, рисунок не в масштабе
1 - EUT; 2 - опорная пластина заземления; 3 - подставка
из материала с низкой относительной диэлектрической
проницаемостью

толщиной 50 мм
(для электродвигателя допускается использовать непроводящую
опору);
4 - шины/перемычки заземления (см.
6.2.1);
5 - жгут
низковольтных проводов; 6 - высоковольтные линии (HV+, HV-);
7 - низковольтный имитатор нагрузки; 8 - схема согласования
полных сопротивлений (по выбору); 9 - низковольтный
эквивалент сети (LV-AN); 10 - высоковольтный эквивалент сети
(HV-AN); 11 - низковольтные линии питания;
12 - высоковольтные линии питания; 13 - НВ-источник питания
12 В/24 В/48 В (устанавливают на опорной пластине
заземления); 14 - дополнительный экранированный отсек;
15 - ВВ-источник питания (экранируют, если размещают внутри
ALSE); 16 - фильтр линии питания; 17 - сквозное
оптоволоконное соединение; 18 - проходной разъем;
19 - система управления и контроля; 20 - измерительный
прибор; 21 - высококачественный коаксиальный кабель,
например, с двойным экранированием (50 Ом);
22 - оптоволоконный кабель; 23 - биконическая антенна;
24 - ВЧ поглощающий материал; 25 - электродвигатель;
26 - трехфазные линии питания двигателя; 27 - механическое
соединение (например, непроводящее); 28 - ввод в камеру
(например, механический подшипник с фильтрацией);
29 - тормозной или приводной двигатель; 30 - нагрузка 50 Ом
Примечание 1 - Электродвигатель, механическое соединение, механический подшипник с фильтрацией и тормозной или приводной двигатель можно заменить имитатором нагрузки.
Примечание 2 - При механической передаче мощности снаружи камеры может потребоваться больше одного интерфейса и применение различных топологических решений (например, использование электрифицированных осей с двумя механическими валами или изменения в физической конфигурации камеры).
Примечание 3 - Следует отметить, что геометрия вала(ов), подсоединяемых к DUT, существенно влияет на корреляцию с результатами измерения уровня помех от EUT, установленного в транспортное средство. Любое механическое решение для испытания компонента должно по возможности отражать его применение и геометрию в транспортном средстве, например длину карданных валов, их ВЧ-нагрузку, включая их возможное гальваническое соединение с оболочкой камеры.
Рисунок H.10 - Излучаемые помехи. Пример измерения
на испытательной установке с биконической антенной
при испытании EUT с экранированными системами электропитания
с электродвигателем, подключенным к испытательному стенду
и с НВ-линиями напротив антенны
В случае использования эмулятора нагрузки:
- в плане испытания должны быть определены условия соединения между EUT и эмулятором нагрузки и также необходимые условия заземления;
- эмулятор нагрузки заменит "электродвигатель", "механическое соединение", "механический подшипник с фильтрацией" и "тормозной или приводной двигатель";
- линии переменного тока могут подключаться к сети питания через сетевой фильтр.
Электродвигатель может размещаться на отдельной пластине заземления. В этом случае в плане испытания должна быть определена конфигурация соединения между этой отдельной пластиной заземления двигателя и пластиной заземления EUT (отображающей конфигурацию заземления транспортного средства). При необходимости корпус электродвигателя должен соединяться с пластиной заземления.
Примечание - В зависимости от механического подшипника электродвигателя ось двигателя может действовать как вторичный излучатель ВЧ-шума.
Установки на
рисунках H.11 и
H.12 приведены как пример конфигурации с дополнительными ВВ- и НВ-имитаторами нагрузки и источниками питания, подключенными к EUT, например при испытании бортового зарядного устройства и его линий связи. Расстояние между линиями питания переменного тока и ближайшими проводами (НВ или ВВ) должно составлять 100
+100 мм. Возможны разные комбинации представленных установок на основе реального применения испытуемого ВВ-компонента (EUT).
Размеры в миллиметрах, рисунок не в масштабе
1 - EUT; 2 - опорная пластина заземления; 3 - подставка
из материала с низкой относительной диэлектрической
проницаемостью

толщиной 50 мм
(для электродвигателя допускается использовать подставку
из непроводящего материала); 4 - шины/перемычки заземления
(см.
6.2.1);
5 - жгут низковольтных проводов;
6 - высоковольтные линии (HV+, HV-); 7 - низковольтный
имитатор нагрузки; 8 - схема согласования полного
сопротивления (по выбору); 9 - низковольтный эквивалент
сети (LV-AN); 10 - высоковольтный эквивалент сети (HV-AN);
11 - низковольтные линии питания; 12 - высоковольтные линии
питания; 13 - НВ-источник питания 12 В/24 В/48 В
(устанавливают на опорной пластине заземления);
14 - дополнительный экранированный отсек; 15 - ВВ-источник
питания (экранируют при размещении внутри ALSE); 16 - фильтр
линии питания; 17 - сквозное оптоволоконное соединение;
18 - проходной разъем; 19 - система управления и контроля;
20 - измерительный прибор; 21 - высококачественный
коаксиальный кабель, например, с двойным экранированием
(50 Ом); 22 - оптоволоконный кабель; 23 - биконическая
антенна; 24 - ВЧ поглощающий материал; 25 - имитатор
нагрузки по переменному току; 26 - эквивалент AMN для сети
переменного тока (по выбору); 28 <*> - нагрузка 50 Ом;
29 - дополнительный экранированный отсек (по выбору);
31 <*> - линии переменного тока
--------------------------------
<*> Нумерация приведена согласно оригиналу.
Рисунок H.11 - Излучаемые помехи. Пример измерения
на испытательной установке с биконической антенной
при измерении EUT с экранированными системами электропитания
и инвертором и с НВ-линиями напротив антенны
Размеры в миллиметрах, рисунок не в масштабе
1 - EUT; 2 - опорная пластина заземления; 3 - подставка
из материала с низкой относительной диэлектрической
проницаемостью

толщиной 50 мм
(для электродвигателя допускается использовать подставку
из непроводящего материала); 4 - шины/перемычки заземления
(см.
6.2.1);
5 - жгут низковольтных проводов;
6 - высоковольтные линии (HV+, HV-); 7 - низковольтный
имитатор нагрузки; 8 - схема согласования полного
сопротивления (по выбору); 9 - низковольтный эквивалент
сети (LV-AN); 10 - высоковольтный эквивалент сети (HV-AN);
11 - низковольтные линии питания; 12 - высоковольтные линии
питания; 13 - НВ-источник питания 12 В/24 В/48 В
(устанавливают на опорной пластине заземления);
14 - дополнительный экранированный отсек; 15 - имитатор
нагрузки по постоянному току (имитатор нерезистивной
нагрузки экранируют, если размещают внутри экранированного
помещения); 16 - фильтр линии питания; 17 - сквозное
оптоволоконное соединение; 18 - проходной разъем;
19 - система управления и контроля; 20 - измерительный
прибор; 21 - высококачественный коаксиальный кабель,
например, с двойным экранированием (50 Ом);
22 - оптоволоконный кабель; 23 - биконическая антенна;
24 - ВЧ поглощающий материал; 25 - сеть питания переменного
тока; 26 - эквивалент AMN для сети переменного тока
(по выбору); 27 - имитатор нагрузки с зарядкой
по переменному току; 28 - нагрузка 50 Ом;
29 - дополнительный экранированный отсек (по выбору);
31 <*> - линии переменного тока
--------------------------------
<*> Нумерация приведена согласно оригиналу.
Рисунок H.12 - Излучаемые помехи. Пример измерения
на испытательной установке с биконической антенной
при измерении EUT с экранированными системами электропитания
и зарядным устройством и с НВ-линиями напротив антенны
Если в плане испытания отсутствуют другие указания, то линии питания переменного тока бортовых зарядных устройств (см.
рисунок H.11) должны находиться как можно дальше от антенны (позади НВ- и ВВ-жгута проводов).
Примечание 1 - При использовании фильтра линии питания (позиция 16 в обозначениях) на ВВ-линиях питания необходимо соблюдать осторожность. Этот фильтр увеличивает емкость между HV+ и опорной пластиной заземления или HV- и опорной пластиной заземления и может привести к появлению дополнительных резонансов.
Примечание 2 - В зависимости от местоположения компонента в транспортном средстве и материала, из которого изготовлено шасси (например, металл или другой материал) полное сопротивление соединения экранирующих элементов с шасси транспортного средства может сильно меняться.
Примечание 3 - Следует соблюдать осторожность при использовании провода защитного заземления, так как он может влиять на результат измерения.
В настоящем приложении приведена испытательная установка с биконической антенной. Допускается использовать другие типы антенн, указанные в настоящем стандарте для соответствующих диапазонов частот (например, штыревую, логопериодическую, рупорную и т.п.).
H.5.3 Нормы на излучаемые помехи. Метод ALSE
H.6 Паразитная связь между НВ- и ВВ-системами
H.6.1 Общие положения
В предыдущих подразделах были приведены нормы на ВВ-компоненты и соответствующие методы испытаний. В данном подразделе представлены методы испытаний для определения влияния помех со стороны ВВ-систем на НВ-системы.
Можно оценить связь между ВВ- и НВ-системами следующими методами:
- измерениями (напряжения, тока, электрического поля) с применением испытательной установки, указанной в
H.5.2;
- прямыми измерениями параметров рассеяния, как указано в
H.6.3.
Используемый метод испытания должен быть согласован между заказчиком и поставщиком и внесен в план испытания.
H.6.2 Измерения с использованием испытательных установок, указанных в разделе 6
H.6.2.1 Общие положения
Используемые для измерения переходного затухания испытательные установки являются модифицированными вариантами испытательных установок, указанных в
разделе 6. При измерениях EUT должно находиться в рабочем режиме с питанием или без него, указанном в плане испытаний.
Примечание - В некоторых случаях уровень шума, генерируемого EUT, может быть выше инжектируемого сигнала и оказывать влияние на результаты испытаний. Если EUT во время измерений переходного затухания находится в рабочем режиме, необходимо принять меры для уменьшения этого влияния на результаты измерения переходного затухания.
В общем случае испытательный сигнал последовательно подается в порты HV+ и HV-. Испытательный уровень устанавливается в соответствии с ВВ-нормами, указанными в
таблице H.1 (средние значения) по согласованию между заказчиком и поставщиком, и вносится в план испытания. Необходимо проводить калибровку сигнала и мониторинг.
Испытательный сигнал должен подаваться либо с помощью инжектора тока, либо обеспечиваться за счет емкостной связи. Помехоэмиссия определяется с использованием как методов измерения кондуктивных помех (метода напряжения и метода пробника тока), так и метода ALSE.
В
H.6.2.2 приведена процедура калибровки, чтобы можно было обеспечить соответствие испытательных уровней на стороне ВВ классу ВВ норм, указанных в
таблице H.1 (средние значения). Испытательные установки для кондуктивных и излучаемых помех приведены в
H.6.2.3 -
H.6.2.5. Измерения связи должны выполняться на всех трех испытательных установках при соответствующих требованиях.
H.6.2.2 Ввод и калибровка испытательных сигналов
Установка для калибровки испытательного сигнала приведена на
рисунке H.13. ВЧ-мощность испытательного сигнала подается на элемент связи между ВВ эквивалентом сети (HV-AN) и дополнительной схемой согласования полного сопротивления (см.
E.2 и
рисунок E.5), либо с помощью инжектора тока (как указано в ISO 11452-4), либо за счет емкостной связи (как указано в методе DCC, приведенном в ISO 7637-3). При калибровке с использованием инжектора тока EUT подключают без подачи питания. При калибровке с использованием конденсатора EUT отключают.
1 - EUT; 2 - опорная пластина заземления; 3 - подставка
из материала с низкой относительной диэлектрической
проницаемостью

толщиной 50 мм;
4 - нагрузка 50 Ом; 5 - устройство ввода испытательного
сигнала (могут быть токовые клещи или конденсатор);
6 - высоковольтные линии (HV+, HV-); 7 - дополнительный
экранированный отсек; 8 - схема согласования полного
сопротивления (по выбору); 10 - высоковольтный эквивалент
сети (HV-AN); 13 <*> - фильтр линии питания;
14 - экранированный ВВ-источник питания (может размещаться
внутри экранированной камеры); 15 - перемещаемый генератор
ВЧ испытательного сигнала (может размещаться
в экранированном отсеке); 16 - проходной разъем;
17 - измерительный прибор; 18 - высококачественный
коаксиальный кабель, например, с двойным экранированием
(50 Ом); 23 <*> - шины/перемычки заземления
--------------------------------
<*> Нумерация приведена согласно оригиналу.
Рисунок H.13 - Испытательная установка для калибровки
испытательного сигнала
Измеряют выходной уровень на порте измерения HV-AN. К порту измерения другого HV-AN должна быть подключена нагрузка 50 Ом. Измерение необходимо проводить в полосе частот от 150 кГц до 108 МГц при ширине полосы пропускания 9 кГц с помощью детектора средних значений или пикового детектора. Значение испытательного сигнала устанавливают равным норме, указанной в
таблице H.1 (средние значения).
Калибровку испытательного сигнала необходимо выполнять последовательно на портах HV+ и HV-.
Примечание - Калибровку допускается выполнять с использованием установки, приведенной на
рисунке H.14.
H.6.2.3 Кондуктивная помехоэмиссия. Метод напряжения
Испытание следует проводить в ALSE или в экранированной камере.
Данный метод включает измерение напряжений помех на НВ-стороне источника питания. Уровень помехоэмиссии следует измерять на LV+ и LV- для каждой конфигурации ввода испытательного сигнала. Измеренный уровень не должен превышать соответствующих норм на НВ-помехоэмиссию (тот же класс, что определен для ВВ-уровня в
H.6.2.2), приведенных в
таблице 6 (средние значения). Установка представлена на
рисунке H.14. Используют условия применения опорной пластины заземления, указанные в
H.2.1 (кондуктивная помехоэмиссия - метод напряжения).
Размеры в миллиметрах, рисунок не в масштабе
1 - EUT; 2 - опорная пластина заземления; 3 - подставка
из материала с низкой относительной диэлектрической
проницаемостью

толщиной 50 мм
(для электродвигателя допускается использовать подставку
из непроводящего материала); 4 - устройство ввода
испытательного сигнала (могут быть токовые клещи
или конденсатор); 5 - жгут низковольтных проводов;
6 - высоковольтные линии (HV+, HV-); 7 - низковольтный
имитатор нагрузки; 8 - схема согласования полного
сопротивления (по выбору); 9 - низковольтный эквивалент сети
(LV-AN); 10 - высоковольтный эквивалент сети (HV-AN);
11 - низковольтные линии питания; 12 - высоковольтные линии
питания; 13 - НВ-источник питания 12 В/24 В/48 В
(устанавливают на опорной пластине заземления);
14 - дополнительный экранированный отсек; 15 - ВВ-источник
питания (должен экранироваться при размещении внутри
экранированной камеры); 16 - фильтр линии питания;
17 - сквозное оптоволоконное соединение; 18 - проходной
разъем; 19 - система управления и контроля;
20 - измерительный прибор; 21 - высококачественный
коаксиальный кабель, например, с двойным экранированием
(50 Ом); 22 - оптоволоконный кабель; 23 - шины/перемычки
заземления (см.
6.2.1);
24 - ВЧ-генератор (может размещаться
внутри экранированного отсека); 25 - нагрузка 50 Ом;
26 - экранированная камера
Рисунок H.14 - Пример испытательной установки
для кондуктивных помех. Метод напряжения. Измерение
на НВ-портах с вводом на ВВ-порты питания
H.6.2.4 Кондуктивные помехи. Метод пробника тока
Испытание следует проводить в ALSE или в экранированной камере.
Данный метод включает измерение токов помех на стороне НВ-жгута проводов. Уровень помехоэмиссии следует измерять при каждой конфигурации ввода испытательного сигнала. Измеряемый уровень не должен превышать соответствующих норм на НВ-помехоэмиссию (тот же класс, который определен для ВВ-уровня в
H.6.2.2), указанных в
таблице 7 (средние значения) для полосы частот от 150 кГц до 108 МГц. Установка приведена на
рисунке H.15. Используют условия применения опорной пластины заземления, указанные в
H.2.1 (кондуктивная помехоэмиссия - метод пробника тока).
Размеры в миллиметрах, рисунок не в масштабе
1 - EUT; 2 - опорная пластина заземления; 3 - подставка
из материала с низкой относительной диэлектрической
проницаемостью

толщиной 50 мм;
4 - устройство ввода испытательного сигнала (могут быть
токовые клещи или конденсатор); 5 - жгут низковольтных
проводов; 6 - высоковольтные линии (HV+, HV-);
7 - низковольтный имитатор нагрузки; 8 - схема согласования
полного сопротивления (по выбору); 9 - низковольтный
эквивалент сети (LV-AN); 10 - высоковольтный эквивалент сети
(HV-AN); 11 - низковольтные линии питания;
12 - высоковольтные линии питания; 13 - НВ-источник питания
12 В/24 В/48 В (устанавливают на опорной пластине
заземления); 14 - дополнительный экранированный отсек;
15 - ВВ-источник питания (должен экранироваться
при размещении внутри экранированной камеры); 16 - фильтр
линии питания; 17 - сквозное оптоволоконное соединение;
18 - проходной разъем; 19 - система управления и контроля;
20 - измерительный прибор; 21 - высококачественный
коаксиальный кабель (50 Ом); 22 - оптоволоконный кабель;
23 - шины/перемычки заземления (см.
6.2.1);
24 - экранированная камера; 25 - ВЧ-генератор
[может размещаться внутри экранированного отсека (14)];
26 - нагрузка 50 Ом; 27 - пробник тока
Рисунок H.15 - Пример испытательной установки
для кондуктивных помех. Метод пробника тока. Измерение
на НВ-портах с инжекцией на ВВ-порты питания
Пробник тока следует устанавливать вокруг всего НВ-жгута проводов (включая все провода). Если на НВ-портах EUT есть несколько соединителей на устройстве, что подразумевает появление связки из нескольких проводов, то в плане испытания необходимо указать, какие провода должен обхватывать пробник при измерении. При отсутствии какого-либо указания измерения необходимо проводить на каждой связке (соединителе) по отдельности и на всех проводах вместе. Необходимо измерять помехоэмиссию пробником, находящимся на расстоянии d = 50 мм и d = 750 мм от EUT (в зависимости от длины проводки).
Экранированные жгуты проводов, используемые в настоящем испытании, должны быть типовыми для данного транспортного средства в части конструкции кабеля и нагрузки соединителя, как указано в плане испытания.
Если в НВ-жгуте EUT слишком много проводов и измерительный пробник тока не может их всех обхватить, то в плане испытаний допускается указать провода, которые следует измерить, и это необходимо включить в протокол испытаний.
H.6.2.5 Испытание на излучаемые помехи, относящиеся к ВВ-части
Испытание необходимо проводить в ALSE.
Данный метод включает измерение излучаемых помех от всей установки. Уровень помехоэмиссии следует измерять при каждой конфигурации ввода испытательного сигнала. Измеряемый уровень не должен превышать соответствующих норм на НВ помехоэмиссию (тот же класс, который определен для ВВ уровня в
H.6.2.2), указанных в
таблице 7 (средние значения) для полосы частот от 150 кГц до 108 МГц. Установка приведена на
рисунке H.16. Применяют условия использования опорной пластины заземления, указанные в
H.2.1 (излучаемая помехоэмиссия).
Размеры в миллиметрах, рисунок не в масштабе
1 - EUT; 2 - опорная пластина заземления; 3 - подставка
из материала с низкой относительной диэлектрической
проницаемостью

толщиной 50 мм;
4 - устройство ввода испытательного сигнала (могут быть
токовые клещи или конденсатор); 5 - жгут низковольтных
проводов; 6 - высоковольтные линии (HV+, HV-);
7 - низковольтный имитатор нагрузки; 8 - схема согласования
полного сопротивления (по выбору); 9 - низковольтный
эквивалент сети (LV-AN); 10 - высоковольтный эквивалент сети
(HV-AN); 11 - низковольтные линии питания;
12 - высоковольтные линии питания; 13 - НВ-источник питания
12 В/24 В/48 В (устанавливают на опорной пластине
заземления); 14 - дополнительный экранированный отсек;
15 - ВВ-источник питания (должен экранироваться
при размещении внутри ALSE); 16 - фильтр линии питания;
17 - сквозное оптоволоконное соединение; 18 - проходной
разъем; 19 - система управления и контроля;
20 - измерительный прибор; 21 - высококачественный
коаксиальный кабель (50 Ом); 22 - оптоволоконный кабель;
23 - биконическая антенна; 24 - ВЧ поглощающий материал;
25 - шины/перемычки заземления (см.
6.2.1);
26 - ВЧ-генератор [может размещаться внутри экранированного
отсека 14)]; 27 - нагрузка 50 Ом
Рисунок H.16 - Пример испытательной установки для излучаемых
помех. Метод ALSE. Измерение с биконической антенной
с инжекцией на ВВ-порты питания
Используемая для измерений антенна должна быть такой, как указано в
6.5.2.2. В настоящем разделе в качестве примера представлена установка с биконической антенной.
Рекомендуется размещать на кабеле, идущем от ВЧ-генератора к элементу связи с испытательным сигналом, ферриты с минимальным полным сопротивлением 50 Ом на частоте 25 МГц и 110 Ом - на частоте 100 МГц через каждые 20 см вдоль всей длины в пределах ALSE.
H.6.3 Измерение коэффициента затухания ВВ-НВ (HV-LV)
H.6.3.1 Общие положения
В H.6.3 приведено описание измерения коэффициента затухания (ac) между ВВ-линиями постоянного тока и НВ-линиями электрических/электронных компонентов.
В настоящем подразделе приведена информация о способе прямого измерения коэффициента затухания ac.
Измерения следует выполнять с использованием анализатора цепей в два этапа:
- калибровка всех портов;
- измерение с не подключенным к источнику питания EUT.
H.6.3.2 Параметры анализатора цепей
Анализатор цепей должен иметь следующие параметры:
- уровень мощности: 0 дБм (рекомендованное значение; в зависимости от требуемого динамического диапазона могут потребоваться более высокие значения);
- минимальный коэффициент усреднения: 8;
- минимальное количество точек (при логарифмической развертке): 401;
- максимальная ширина полосы пропускания по ПЧ: 1 кГц.
H.6.3.3 Калибровка
Необходимо выполнять калибровку TOSM (применяя режимы: проходной, нагрузка XX, нагрузка K3 и согласованная нагрузка), включая только коаксиальные измерительные кабели анализатора цепей (позиции
5 и
6 на
рисунке H.17).
H.6.3.4 Измерение EUT
Измерение EUT следует выполнять в соответствии с
рисунком H.17 без подачи питания на EUT (только с коаксиальными измерительными кабелями схемного анализатора и без линий НВ/ВВ). Коэффициент затухания
ac получают из коэффициента передачи анализатора цепей
S21, используя соотношение:
ac = -
S21.
1 - EUT; 2 - опорная пластина заземления; 3 - подставка
из материала с низкой относительной диэлектрической
проницаемостью

толщиной 50 мм;
4 - анализатор цепей; 5 - высококачественный коаксиальный
кабель, например, с двойным экранированием (50 Ом);
6 - разъем коаксиального измерительного кабеля
для анализатора цепей; 7a - ВВ-адаптер; 7b - НВ-адаптер;
8 - крепежное соединение EUT; 9 - эталонная плоскость
для калибровки анализатора цепей
Рисунок H.17 - Испытательная установка для измерений
параметра S21 испытуемого оборудования
EUT размещают на подставке из непроводящего материала на высоте (50 +/- 5) мм относительно опорной пластины заземления.
Если в плане испытаний отсутствуют другие указания, то корпус EUT должен соединяться с опорной пластиной заземления медной, бронзовой, латунной или гальванизированной стальной перемычкой (максимальное отношение длины к ширине 4:1). Сопротивление по постоянному току между корпусом EUT и опорной пластиной заземления не должно быть более 2,5 мОм.
Следует обратить внимание на адаптеры, используемые между зажимами EUT и коаксиальными измерительными кабелями анализатора цепей, в частности для обеспечения наименьшего возможного полного сопротивления между экраном коаксиального измерительного кабеля и корпусом EUT.
Измерения
S21 следует выполнять при конфигурациях, указанных в
таблице H.2 (для оборудования без отрицательной НВ-линии) или в
таблице H.3 (для оборудования с отрицательной НВ-линией) для каждой комбинации ВВ-линии/НВ-линии.
Таблица H.2
Пример конфигураций для оборудования
без отрицательной НВ-линии
Измеряемая конфигурация |
| Порт 1 | Порт 2 |
Конфигурация 1 | Положительная ВВ-линия постоянного тока | Положительная НВ-линия |
Конфигурация 2 | Отрицательная ВВ-линия постоянного тока | Положительная НВ-линия |
Таблица H.3
Пример конфигураций для оборудования
с отрицательной НВ-линией
Измеряемая конфигурация |
| Порт 1 | Порт 2 |
Конфигурация 1 | Положительная ВВ-линия постоянного тока | Положительная НВ-линия |
Конфигурация 2 | Отрицательная ВВ-линия постоянного тока | Положительная НВ-линия |
Конфигурация 3 | Положительная ВВ-линия постоянного тока | Отрицательная НВ-линия |
Конфигурация 4 | Отрицательная ВВ-линия постоянного тока | Отрицательная НВ-линия |
В плане испытания должна(ны) быть указана(ы) подлежащая(ие) испытанию внутренняя(ие) конфигурация(ии) EUT, чтобы гарантировать, что измеряется наихудший случай S21 (например, состояние механических или электронных переключателей).
H.6.3.5 Требования
Таблица H.4
Примеры требований относительно минимального
коэффициента затухания ac
Частота, МГц | Класс | Минимальный коэффициент затухания ac, дБ |
0,15 - 1000 | A5 | 80 - 10·lg(fМГц/0,15) |
A4 | 70 - 10·lg(fМГц/0,15) |
A3 | 60 - 10·lg(fМГц/0,15) |
A2 | 50 - 10·lg(fМГц/0,15) |
A1 | 40 - 10·lg(fМГц/0,15) |
Значения затухания связи на частоте выше 108 МГц являются
информативными.
Рисунок H.18 - Примеры требований к коэффициенту
затухания ac
(справочное)
ВАЛИДАЦИЯ ALSE ДЛЯ ИЗМЕРЕНИЯ КОМПОНЕНТОВ
В ПОЛОСЕ ЧАСТОТ ОТ 150 кГц ДО 1 ГГц
I.1 Общие положения
Во время испытания компонентов измеряемое электрическое поле должно характеризовать только EUT, а влияние ALSE на результаты измерений требуется минимизировать. Если измерения выполняются в разных ALSE и/или при разных размещениях оборудования, то результаты измерений должны отличаться как можно меньше. Цель настоящего приложения состоит в том, чтобы ввести контроль влияния ALSE. Это позволит в камерах ALSE, отвечающих требованиям настоящего приложения, добиться уменьшения отклонения результатов измерения помех, создаваемых EUT.
Настоящее приложение содержит требования для валидации ALSE, используемой при испытаниях компонентов, указанных в
6.5. Для визуального представления процесса валидации ALSE приведен алгоритм, показанный на
рисунке I.2. Процедуру валидации проводят следующим образом.
Выполняется численное моделирование, в котором в качестве передающей антенны используют антенну типа "длинный провод" длиной 50 см. На частотах ниже 30 МГц антенну типа "длинный провод" моделировали в конфигурации с напольной (не приподнятой) пластиной заземления. На частотах 30 МГц и выше такая антенна моделировалась с приподнятой опорной пластиной заземления со стандартными размерами 2,5 x 1 м. Затем выполняют измерения излучаемого поля в ALSE с излучающей антенной типа "длинный провод". Результаты измерений поля в ALSE сравнивают с результатами, полученными при моделировании, и определяют, находятся ли результаты измерений в ALSE в пределах установленного допуска (см.
I.2.4).
При эталонных измерениях и моделировании в методе валидации используют опорную пластину заземления для валидации стандартного размера. На частотах ниже 30 МГц стандартной является напольная (не приподнятая) пластина заземления (например, пол ALSE или OATS). Решение использовать такую опорную пластину заземления основано на исследовательской работе, приведенной в
[8], где исследовалась стандартная окружающая среда с использованием TEM-камеры, и было установлено, что результаты получаются такими же, как и при измерениях с использованием метода напольной пластины заземления. На частотах выше 30 МГц стандартной является приподнятая опорная пластина заземления для валидации размером 2,5 x 1 м. Размеры опорной пластины заземления для валидации и заземление пластины, используемые при моделировании, могут отличаться от тех, что существуют в лаборатории при измерениях EUT в ALSE. Не все ALSE сконструированы и оборудованы одинаковым образом и поэтому также могут отличаться от стандартизованной эталонной установки для валидации. Цель процедуры валидации заключается в сравнении результатов, полученных в стандартизованной эталонной установке для валидации (результаты модели), с результатами измерений, полученными в ALSE, применяемой для измерения излучаемых помех от EUT согласно настоящему стандарту, чтобы гарантировать, что отклонения, обусловленные использованием ALSE, находятся в границах приемлемого допуска.
ALSE, сконфигурированная так, как она обычно используется при испытаниях EUT, может изначально и не соответствовать требованиям, приведенным в настоящем приложении.
На результаты, получаемые при валидации камеры, могут существенно влиять следующие параметры испытательной установки ALSE (влияющие параметры):
- размер опорной пластины заземления;
- крепежные перемычки опорной пластины заземления (количество, размер, горизонтальное или вертикальное расположение);
- характеристики поглощающего материала.
Если требования к валидации камеры не выполнены, то улучшить характеристики ALSE для соответствия указанному в данном приложении допуску можно с помощью модификации одного или нескольких указанных выше параметров влияния.
Известно, что некоторые параметры, их характеристики и допуски, указанные в настоящем стандарте, влияют на испытательную установку, что может вызвать существенные отклонения результатов измерений. В полосе частот от 10 до 100 МГц наиболее важными параметрами являются: размер опорной пластины заземления, ее соединения и характеристики поглощающих материалов. На
рисунке I.1 приведены примеры типичных уровней влияния этих параметров в полосе частот от 10 до 100 МГц.

- соединение пластины заземления;

- характеристики
поглотителя;

- размер пластины заземления
Рисунок I.1 - Примеры типичных параметров влияния ALSE
в полосе частот от 10 до 100 МГц
В некоторых случаях на частотах ниже 30 МГц может наблюдаться резонанс. Тогда для уменьшения влияния резонанса рекомендуется использовать специальные средства, такие как применение поглощающего материала (поглотитель в виде пенного блока) между нижней частью приемной антенны и полом, или подсоединение противовеса приемной антенны дополнительными крепежными перемычками к полу на стороне, противоположной месту подключения к опорной пластине заземления. Максимальное отношение длины к ширине для крепежных перемычек должно быть 7:1. В случае любой модификации стандартизованной установки она должна использоваться при фактических измерениях при валидации.
Процедуры валидации в данном приложении были намеренно ограничены полосой частот от 150 кГц до 1 ГГц. Исследования, проведенные во время подготовки данного приложения, показали, что используемые поглощающие материалы и заземление с использованием опорной пластины заземления в ALSE будут в общем случае вызывать наибольшие отклонения при измерении на частотах ниже 200 МГц. Поэтому было решено ограничить верхнюю частоту валидации камеры до 1 ГГц. Методы валидации выше 1 ГГц будут рассмотрены позднее.
I.2 Метод валидации
I.2.1 Общие представления
Метод валидации имеет следующие особенности:
- используется излучатель в виде стержня между двумя металлическими уголками в месте расположения кабельной проводки;
- эталонные значения поля определяются посредством численного моделирования;
- измерения в ALSE выполняют с использованием измерительной установки, указанной в
6.5;
- эталонные значения поля и результаты измерения в ALSE должны находиться в пределах указанного допуска.
I.2.2 Оборудование
I.2.2.1 Средства измерений
Измерения следует выполнять ВЧ измерительными устройствами с номинальным выходным или входным полным сопротивлением 50 Ом. Примерами являются:
- анализатор цепей;
- анализатор спектра или измерительный приемник с трекинг-генератором;
- генератор сигналов и анализатор спектра или измерительный приемник.
I.2.2.2 Излучающая антенна
На результаты проверки ALSE может влиять кабель, соединяющий излучающую антенну с источником сигнала. Для уменьшения этого влияния на него необходимо устанавливать ферриты. Кабель должен быть проложен в направлении к задней части опорной пластины заземления, как можно дальше от приемной антенны и размещен непосредственно на опорной пластине заземления. Настоятельно рекомендуется использовать ферриты, которые создают полное сопротивление не менее 50 Ом на частоте 25 МГц и 110 Ом на частоте 100 МГц и размещать их на кабелях излучающей и приемной антенн через каждые 20 см по всей длине в пределах проверяемой ALSE.
Рисунок I.2 - Визуальное представление процесса
валидации ALSE
Излучатель состоит из латунного стержня диаметром (4,0 +/- 0,2) мм, расположенного на высоте (50 +/- 2) мм (между опорной пластиной заземления и ближайшей точкой стержня) над опорной пластиной заземления и идущего параллельно переднему краю. Расстояние между краем опорной пластины заземления и стержнем составляет (100 +/- 2) мм. Стержень поддерживается двумя металлическими уголками (см.
рисунок I.3), которые находятся на расстоянии (500 +/- 5) мм. Для сохранения жесткости конфигурации антенны рекомендуется зафиксировать ее на металлической пластине, выполненной из такого же материала, что и опорная пластина заземления. Размеры металлической пластины должны составлять

при толщине (5 +/- 3) мм. В качестве опоры для стержня в уголки вмонтированы разъемы типа N. Центр стержня находится в том же месте, что и центр кабельной проводки, используемой при испытании EUT.
Размеры в миллиметрах
Примечание - Два металлических уголка направлены друг на друга.
Рисунок I.3 - Металлические уголки, используемые
для поддержки стержня
Металлические уголки должны крепиться к опорной пластине заземления для обеспечения низкоиндуктивного, низкоомного соединения между уголком и землей с максимальным сопротивлением по постоянному току 2,5 мОм (см.
рисунок I.5).
Рекомендуется использовать монтажные перемычки, выполненные из пластика, или прикрутить уголки непосредственно к опорной пластине заземления.
На конце нагрузки излучателя стержень нагружается на ВЧ-сопротивление (50 +/- 7,5) Ом (в полосе частот от 150 кГц до 1000 МГц максимальный КСВН 1,2:1) через соединитель типа N, вмонтированный в металлический уголок. На ВЧ-конце излучателя, который подключается к источнику ВЧ-сигнала, стержень подсоединяется к аттенюатору 10 дБ, 50 Ом (в полосе частот от 150 кГц до 1000 МГц максимальный КСВН 1,2:1) через соединитель типа N, вмонтированный в другой металлический уголок. Вид сбоку излучателя и ВЧ-нагрузки приведен на
рисунке I.4.
Источник сигнала с помощью ВЧ-кабеля подключается к аттенюатору 10 дБ, 50 Ом на конце излучателя через угловой разъем, как показано на
рисунке I.4.
Размеры в миллиметрах
Рисунок I.4 - Излучатель с нагрузкой 50 Ом, вид сбоку
Рисунок I.5 - Фотография излучателя, смонтированного
на опорной пластине заземления
Конструкция излучателя позволяет выполнять надежное моделирование для цифровых расчетов, устанавливающих эталонные данные. Важно четко придерживаться данной конструкции излучателя. На
рисунке I.6 приведены типичные кривые КСВН (без аттенюатора 10 дБ) для правильно сконструированного излучателя.
Рисунок I.6 - КСВН, измеренный у четырех излучателей
(без аттенюатора 10 дБ)
I.2.2.3 Приемная антенна
Используются приемные антенны, аналогичные тем, что указаны в
6.5. Необходимо знать коэффициент(ы) калибровки антенн и учитывать их в расчетах, которые приведены ниже.
Излучаемая мощность при измерениях должна выбираться такой, чтобы измерительная система не входила в режим перегрузки. Это можно проверить путем уменьшения излучаемой мощности на 10 дБ и проверки того, что принимаемая мощность также уменьшается на 10 дБ.
I.2.2.4 Конфигурация ALSE
Измерения следует выполнять при такой же конфигурации ALSE (физическое расположение, размер опорной пластины заземления, заземление опорной пластины заземления, ВЧ-поглотитель и т.п.), которая будет использоваться при измерениях DUT. Это также включает соединение между противовесом штыревой антенны и столом для измерений.
Примечание - Батарея питания и эквивалент(ы) сети не будут являться частью измерительной установки и поэтому при валидации ALSE не размещаются на приподнятой опорной пластине заземления.
I.2.3 Процедура
I.2.3.1 Размер шага частоты
Используемые для измерения частоты приведены в
таблице I.1. При измерениях общее количество используемых частот должно быть 481; 150 частот в полосе от 150 кГц до 29,95 МГц (шаг 200 кГц), 170 частот в полосе от 30 до 199 МГц (шаг 1 МГц) и 161 частота в полосе от 200 до 1000 МГц (шаг 5 МГц).
I.2.3.2 Измерения напряженности эквивалентного поля ALSE
Первоначально выполняют "прямое" измерение с соединенными между собой кабелями излучателя и приемной антенны. Амплитуда сигнала на выходе генерирующего устройства устанавливается 1 В в среднеквадратических значениях [120 дБ (мкВ)]. Показание приемного устройства регистрируется как величина M0 в дБ (мкВ).
Поскольку разница между первоначальным измерением
M0 и измерением
MA рассчитывается с использованием
уравнения (I.1), абсолютное значение сигнала на выходе генератора не будет влиять на результат. Тем не менее для получения достаточного динамического диапазона измерения рекомендуется использовать уровень 1 В. При измерении коэффициента передачи кабель излучателя соединяют с входом аттенюатора 10 дБ, а антенный кабель подключают к приемной антенне (см.
рисунок I.7). Амплитуду устройства, генерирующего сигнал, устанавливают такой, чтобы обеспечить 1 В в среднеквадратичных значениях [120 дБ (мкВ)] на входе аттенюатора 10 дБ. Показание приемного устройства регистрируется как величина
MA в дБ (мкВ).
Размеры в миллиметрах, рисунок не в масштабе
1 - излучатель; 2 - нагрузка 50 Ом; 3 - аттенюатор 10 дБ;
4 - опорная пластина заземления; 5 - заземляющее соединение;
6 - штыревая антенна; 7 - кабель от приемной антенны
к устройству измерения (например, к анализатору цепей)
или оптоволоконный кабель; 8 - кабель от устройства
измерения (например, анализатора цепей) к излучателю;
9 - устройство измерения (например, анализатор цепей);
10 - проходной разъем
Рисунок I.7 - Пример установки для измерения напряженности
эквивалентного поля в ALSE (штыревая антенна применена
для полосы частот от 150 кГц до 30 МГц)
При использовании анализатора цепей "прямое" измерение заменяют полной двухпортовой калибровкой, когда конец ВЧ-кабеля излучателя и конец антенного кабеля определяют плоскость калибровки. При использовании анализатора цепей для обеспечения требования к минимальному уровню шума амплитуду на выходе устройства, генерирующего сигнал, допускается установить менее 1 В в среднеквадратических значениях [120 дБ (мкВ)].
Используя два измеренных значения и коэффициент калибровки приемной антенны [kAF, дБ (1/м)], можно получить напряженность эквивалентного поля [Eeq, дБ (мкВ/м)] для каждой частоты:
Eeq = 120 дБ (мкВ) + (
MA -
M0) +
kAF. (I.1)
Примечание - Напряженность эквивалентного поля - это напряженность поля, которая будет получена при подаче на вход аттенюатора 10 дБ сигнала 1 В в среднеквадратичных значениях.
В случае анализатора цепей, измеряющего параметр рассеяния S21, дБ, напряженность эквивалентного поля [Eeq, дБ (мкВ/м)] можно рассчитать как:
Eeq = 120 дБ (мкВ) + S21 + kAF. (I.2)
В полосе частот от 30 МГц до 1 ГГц измерения необходимо проводить как при горизонтальной, так и при вертикальной поляризации. Результаты обозначают как Eeq,horiz и Eeq,vert.
На каждой частоте фиксируют максимальную напряженность эквивалентного поля Eeq,max, за которую принимается максимальное значение из Eeq,horiz и Eeq,vert.
Для получения надежных результатов минимальный уровень шума должен быть по крайней мере на 10 дБ ниже уровней измеряемого сигнала. Это можно проверить путем подключения приемной антенны к приемному устройству при отключении источника сигнала от излучателя.
I.2.3.3 Методы, используемые для создания эталонных данных
В модели для полосы частот от 150 кГц до 30 МГц используется неприподнятая пластина заземления (например, пол ALSE или OATS). В модели для полосы частот от 30 МГц до 1 ГГц опорную пластину заземления стандартного размера 2,5 x 1 м поднимают и размещают в свободном пространстве над идеально проводящей поверхностью. Заземление приподнятой опорной пластины заземления на пол обеспечивается за счет использования одной перемычки шириной 100 мм, установленной в центральной точке на "задней стороне" опорной пластины заземления. Расчеты проводились методом моментов (MoM). В качестве примера на
рисунке I.8 приведена компьютерная модель, в которой используется метод MoM в полосе частот от 30 до 200 МГц.
Примечание - Сравнительное моделирование в прошлом выполнялось с использованием FDTD (метод конечных разностей во временной области).
Рисунок I.8 - MoM модель для полосы частот от 30 до 200 МГц
На частотах от 150 кГц до 30 МГц частью модели была монопольная антенна, поскольку соединение между такой антенной и пластиной заземления влияет на коэффициент калибровки антенны. На частотах от 30 МГц до 1 ГГц рассчитывали напряженность электрического поля в точке, где находится фазовый центр приемных антенн, и определяется максимальное значение для вертикальной и горизонтальной поляризации.
I.2.3.4 Эталонные значения поля
В
таблице I.1 приведены эталонные значения поля. В приведенных значениях уже учтено затухание аттенюатора 10 дБ.
Таблица I.1
Эталонные значения электрического поля, используемые
при валидации камеры
Полоса частот "a" от 150 кГц до 30 МГц | Полоса частот "b" от 30 до 200 МГц | Полоса частот "c" от 200 до 1000 МГц |
Частота, МГц | Eeq,max,ref, дБ (мкВ/м) | Частота, МГц | Eeq,max,ref, дБ (мкВ/м) | Частота, МГц | Eeq,max,ref, дБ (мкВ/м) |
0,15 | 61,14 | 30 | 71,24 | 200 | 87,90 |
0,35 | 61,14 | 31 | 71,39 | 205 | 88,58 |
0,55 | 61,14 | 32 | 71,51 | 210 | 89,59 |
0,75 | 61,14 | 33 | 71,62 | 215 | 90,61 |
0,95 | 61,14 | 34 | 71,71 | 220 | 91,47 |
1,15 | 61,14 | 35 | 71,81 | 225 | 92,24 |
1,35 | 61,14 | 36 | 71,92 | 230 | 93,05 |
1,55 | 61,14 | 37 | 72,09 | 235 | 93,96 |
1,75 | 61,13 | 38 | 72,36 | 240 | 94,94 |
1,95 | 61,13 | 39 | 72,84 | 245 | 95,90 |
2,15 | 61,13 | 40 | 73,61 | 250 | 96,81 |
2,35 | 61,13 | 41 | 74,76 | 255 | 97,66 |
2,55 | 61,12 | 42 | 76,28 | 260 | 98,46 |
2,75 | 61,12 | 43 | 78,03 | 265 | 99,22 |
2,95 | 61,12 | 44 | 79,76 | 270 | 99,92 |
3,15 | 61,11 | 45 | 81,16 | 275 | 100,53 |
3,35 | 61,11 | 46 | 82,04 | 280 | 101,03 |
3,55 | 61,11 | 47 | 82,43 | 285 | 101,40 |
3,75 | 61,10 | 48 | 82,48 | 290 | 101,65 |
3,95 | 61,10 | 49 | 82,37 | 295 | 101,76 |
4,15 | 61,09 | 50 | 82,20 | 300 | 101,74 |
4,35 | 61,09 | 51 | 82,03 | 305 | 101,59 |
4,55 | 61,08 | 52 | 81,87 | 310 | 101,34 |
4,75 | 61,08 | 53 | 81,75 | 315 | 100,99 |
4,95 | 61,07 | 54 | 81,65 | 320 | 100,55 |
5,15 | 61,07 | 55 | 81,57 | 325 | 100,05 |
5,35 | 61,06 | 56 | 81,52 | 330 | 99,62 |
5,55 | 61,05 | 57 | 81,48 | 335 | 99,38 |
5,75 | 61,05 | 58 | 81,47 | 340 | 99,17 |
5,95 | 61,04 | 59 | 81,46 | 345 | 98,93 |
6,15 | 61,03 | 60 | 81,47 | 350 | 98,61 |
6,35 | 61,02 | 61 | 81,49 | 355 | 98,14 |
6,55 | 61,02 | 62 | 81,52 | 360 | 97,67 |
6,75 | 61,01 | 63 | 81,55 | 365 | 97,48 |
6,95 | 61,00 | 64 | 81,59 | 370 | 97,49 |
7,15 | 60,99 | 65 | 81,63 | 375 | 97,58 |
7,35 | 60,98 | 66 | 81,68 | 380 | 97,68 |
7,55 | 60,98 | 67 | 81,73 | 385 | 97,73 |
7,75 | 60,97 | 68 | 81,79 | 390 | 97,74 |
7,95 | 60,96 | 69 | 81,85 | 395 | 97,74 |
8,15 | 60,95 | 70 | 81,91 | 400 | 97,78 |
8,35 | 60,94 | 71 | 81,97 | 405 | 97,86 |
8,55 | 60,93 | 72 | 82,03 | 410 | 97,96 |
8,75 | 60,92 | 73 | 82,10 | 415 | 98,07 |
8,95 | 60,91 | 74 | 82,17 | 420 | 98,19 |
9,15 | 60,90 | 75 | 82,24 | 425 | 98,33 |
9,35 | 60,89 | 76 | 82,31 | 430 | 98,48 |
9,55 | 60,88 | 77 | 82,38 | 435 | 98,64 |
9,75 | 60,86 | 78 | 82,45 | 440 | 98,80 |
9,95 | 60,85 | 79 | 82,53 | 445 | 98,95 |
10,15 | 60,84 | 80 | 82,61 | 450 | 99,06 |
10,35 | 60,83 | 81 | 82,69 | 455 | 99,11 |
10,55 | 60,82 | 82 | 82,77 | 460 | 99,09 |
10,75 | 60,81 | 83 | 82,85 | 465 | 98,99 |
10,95 | 60,79 | 84 | 82,94 | 470 | 98,86 |
11,15 | 60,78 | 85 | 83,03 | 475 | 98,72 |
11,35 | 60,77 | 86 | 83,12 | 480 | 98,59 |
11,55 | 60,76 | 87 | 83,22 | 485 | 98,49 |
11,75 | 60,74 | 88 | 83,32 | 490 | 98,38 |
11,95 | 60,73 | 89 | 83,42 | 495 | 98,25 |
12,15 | 60,72 | 90 | 83,53 | 500 | 98,12 |
12,35 | 60,70 | 91 | 83,64 | 505 | 97,97 |
12,55 | 60,69 | 92 | 83,75 | 510 | 97,74 |
12,75 | 60,67 | 93 | 83,87 | 515 | 97,54 |
12,95 | 60,66 | 94 | 83,99 | 520 | 97,55 |
13,15 | 60,65 | 95 | 84,11 | 525 | 97,43 |
13,35 | 60,63 | 96 | 84,23 | 530 | 97,24 |
13,55 | 60,62 | 97 | 84,35 | 535 | 97,15 |
13,75 | 60,60 | 98 | 84,47 | 540 | 97,22 |
13,95 | 60,59 | 99 | 84,59 | 545 | 97,36 |
14,15 | 60,57 | 100 | 84,71 | 550 | 97,33 |
14,35 | 60,56 | 101 | 84,83 | 555 | 96,96 |
14,55 | 60,54 | 102 | 84,94 | 560 | 96,30 |
14,75 | 60,52 | 103 | 85,05 | 565 | 95,59 |
14,95 | 60,51 | 104 | 85,15 | 570 | 94,92 |
15,15 | 60,49 | 105 | 85,25 | 575 | 94,26 |
15,35 | 60,48 | 106 | 85,35 | 580 | 93,60 |
15,55 | 60,46 | 107 | 85,43 | 585 | 92,94 |
15,75 | 60,44 | 108 | 85,52 | 590 | 92,33 |
15,95 | 60,43 | 109 | 85,59 | 595 | 91,80 |
16,15 | 60,41 | 110 | 85,67 | 600 | 91,34 |
16,35 | 60,39 | 111 | 85,73 | 605 | 90,95 |
16,55 | 60,38 | 112 | 85,79 | 610 | 91,06 |
16,75 | 60,36 | 113 | 85,85 | 615 | 91,81 |
16,95 | 60,34 | 114 | 85,90 | 620 | 92,51 |
17,15 | 60,33 | 115 | 85,95 | 625 | 93,15 |
17,35 | 60,31 | 116 | 85,99 | 630 | 93,70 |
17,55 | 60,29 | 117 | 86,03 | 635 | 94,15 |
17,75 | 60,28 | 118 | 86,06 | 640 | 94,50 |
17,95 | 60,26 | 119 | 86,09 | 645 | 94,74 |
18,15 | 60,24 | 120 | 86,12 | 650 | 94,88 |
18,35 | 60,22 | 121 | 86,15 | 655 | 94,92 |
18,55 | 60,21 | 122 | 86,17 | 660 | 94,88 |
18,75 | 60,19 | 123 | 86,18 | 665 | 94,76 |
18,95 | 60,17 | 124 | 86,20 | 670 | 94,51 |
19,15 | 60,15 | 125 | 86,21 | 675 | 94,08 |
19,35 | 60,14 | 126 | 86,22 | 680 | 94,55 |
19,55 | 60,12 | 127 | 86,22 | 685 | 95,18 |
19,75 | 60,10 | 128 | 86,22 | 690 | 95,80 |
19,95 | 60,08 | 129 | 86,22 | 695 | 96,14 |
20,15 | 60,07 | 130 | 86,22 | 700 | 95,98 |
20,35 | 60,05 | 131 | 86,21 | 705 | 95,85 |
20,55 | 60,03 | 132 | 86,20 | 710 | 95,83 |
20,75 | 60,02 | 133 | 86,18 | 715 | 95,69 |
20,95 | 60,00 | 134 | 86,16 | 720 | 95,28 |
21,15 | 59,98 | 135 | 86,14 | 725 | 94,80 |
21,35 | 59,96 | 136 | 86,12 | 730 | 94,65 |
21,55 | 59,95 | 137 | 86,09 | 735 | 94,71 |
21,75 | 59,93 | 138 | 86,06 | 740 | 94,86 |
21,95 | 59,91 | 139 | 86,03 | 745 | 95,23 |
22,15 | 59,90 | 140 | 85,99 | 750 | 95,80 |
22,35 | 59,88 | 141 | 85,95 | 755 | 96,40 |
22,55 | 59,87 | 142 | 85,90 | 760 | 96,89 |
22,75 | 59,85 | 143 | 85,85 | 765 | 97,24 |
22,95 | 59,83 | 144 | 85,80 | 770 | 97,47 |
23,15 | 59,82 | 145 | 85,75 | 775 | 97,61 |
23,35 | 59,80 | 146 | 85,69 | 780 | 97,70 |
23,55 | 59,79 | 147 | 85,63 | 785 | 97,73 |
23,75 | 59,77 | 148 | 85,56 | 790 | 97,71 |
23,95 | 59,76 | 149 | 85,49 | 795 | 97,63 |
24,15 | 59,74 | 150 | 85,41 | 800 | 97,49 |
24,35 | 59,73 | 151 | 85,33 | 805 | 97,30 |
24,55 | 59,72 | 152 | 85,24 | 810 | 97,08 |
24,75 | 59,70 | 153 | 85,14 | 815 | 96,84 |
24,95 | 59,69 | 154 | 85,04 | 820 | 96,61 |
25,15 | 59,68 | 155 | 84,93 | 825 | 96,39 |
25,35 | 59,67 | 156 | 84,82 | 830 | 96,19 |
25,55 | 59,66 | 157 | 84,69 | 835 | 96,00 |
25,75 | 59,65 | 158 | 84,55 | 840 | 95,86 |
25,95 | 59,63 | 159 | 84,41 | 845 | 95,56 |
26,15 | 59,62 | 160 | 84,25 | 850 | 96,51 |
26,35 | 59,62 | 161 | 84,07 | 855 | 97,50 |
26,55 | 59,61 | 162 | 83,88 | 860 | 98,42 |
26,75 | 59,60 | 163 | 83,68 | 865 | 99,23 |
26,95 | 59,59 | 164 | 83,45 | 870 | 99,90 |
27,15 | 59,58 | 165 | 83,21 | 875 | 100,51 |
27,35 | 59,58 | 166 | 83,02 | 880 | 101,09 |
27,55 | 59,57 | 167 | 83,28 | 885 | 101,61 |
27,75 | 59,56 | 168 | 83,54 | 890 | 102,09 |
27,95 | 59,56 | 169 | 83,80 | 895 | 102,54 |
28,15 | 59,56 | 170 | 84,05 | 900 | 102,95 |
28,35 | 59,55 | 171 | 84,29 | 905 | 103,31 |
28,55 | 59,55 | 172 | 84,53 | 910 | 103,60 |
28,75 | 59,55 | 173 | 84,77 | 915 | 103,84 |
28,95 | 59,55 | 174 | 85,00 | 920 | 104,03 |
29,15 | 59,55 | 175 | 85,22 | 925 | 104,18 |
29,35 | 59,55 | 176 | 85,44 | 930 | 104,26 |
29,55 | 59,55 | 177 | 85,65 | 935 | 104,28 |
29,75 | 59,55 | 178 | 85,86 | 940 | 104,24 |
29,95 | 59,55 | 179 | 86,06 | 945 | 104,14 |
- | - | 180 | 86,26 | 950 | 104,00 |
- | - | 181 | 86,44 | 955 | 103,84 |
- | - | 182 | 86,62 | 960 | 103,68 |
- | - | 183 | 86,78 | 965 | 103,53 |
- | - | 184 | 86,94 | 970 | 103,39 |
- | - | 185 | 87,07 | 975 | 103,27 |
- | - | 186 | 87,20 | 980 | 103,17 |
- | - | 187 | 87,31 | 985 | 103,08 |
- | - | 188 | 87,40 | 990 | 102,98 |
- | - | 189 | 87,48 | 995 | 102,86 |
- | - | 190 | 87,54 | 1000 | 102,69 |
- | - | 191 | 87,60 | - | - |
- | - | 192 | 87,64 | - | - |
- | - | 193 | 87,67 | - | - |
- | - | 194 | 87,69 | - | - |
- | - | 195 | 87,72 | - | - |
- | - | 196 | 87,74 | - | - |
- | - | 197 | 87,77 | - | - |
- | - | 198 | 87,81 | - | - |
- | - | 199 | 87,87 | - | - |
Общее количество частот n = 481 |
I.2.3.5 Отклонение результатов измерения, дБ, в ALSE и эталонных значений поля
Отклонение результатов измерения, полученных в
I.2.3.2, и эталонных данных, приведенных в
таблице I.1, рассчитывают на каждой частоте.

, (I.3)
где
Eeq,max - максимальное поле, измеренное на конкретной частоте (максимум при обеих поляризациях: горизонтальной и вертикальной, при необходимости см.
I.2.3.2);
Eeq,max,ref - смоделированное эталонное поле, приведенное в
таблице I.1, на той же частоте, что и
Eeq,max.
Зная число частот
k, на которых отклонение

(см.
I.2.3.5) находится в интервале [-6 дБ; +6 дБ], можно рассчитать их процентное количество относительно общего количества частот:

, (I.4)
где
k - количество частот, для которых отклонение

находится в интервале [-6 дБ; +6 дБ];
n - общее количество частот (для всего набора: n = 481).
ALSE и установка в ней (физическое размещение оборудования, размер опорной пластины заземления, заземление опорной пластины заземления, ВЧ-поглотитель и т.п.) отвечают требованиям данного метода аттестации, если:

. (I.5)
Это соответствие требованиям может быть указано в протоколе испытания.
Необходимо рассматривать только те полосы частот (см.
таблицу I.1), в которых применяют ALSE, и в этом случае
n в
уравнении (I.4) заменяют количеством частот для усеченной полосы частот.
Значения отклонения между эталонными данными и результатами измерения в ALSE не используют:
- в качестве коэффициента коррекции при измерениях помехоэмиссии EUT;
- или для определения коэффициента калибровки приемной антенны.
(справочное)
ИНСТРУМЕНТАЛЬНАЯ НЕОПРЕДЕЛЕННОСТЬ ИЗМЕРЕНИЯ.
ИЗМЕРЕНИЕ ПОМЕХ, ПРИНИМАЕМЫХ АНТЕННОЙ
НА ТОМ ЖЕ ТРАНСПОРТНОМ СРЕДСТВЕ
J.1 Общие положения
Цель данного приложения состоит в том, чтобы предоставить руководство по оценке инструментальной неопределенности измерения помех, принимаемых антенной на том же транспортном средстве, как указано в
разделе 5.
Перечислены соответствующие входные величины и выполнены их оценки для расчета бюджета неопределенности.
При расчете суммарной неопределенности измерений согласно настоящему стандарту необходимо учитывать источники неопределенности, обусловленные методом измерения, измерительной аппаратурой, операторами, EUT и окружающей средой.
В настоящем приложении при расчете неопределенности рассматривается только измерительная аппаратура. Некоторые входные величины не учитывают, например несовершенство площадки, поскольку валидация площадки находится на стадии изучения.
J.2 Источники неопределенности
На
рисунке J.1 приведены различные источники инструментальной неопределенности, как правило, основанные на данных CISPR 16-4-2.
Рисунок J.1 - Источники инструментальной
неопределенности измерений
J.3 Измеряемая величина
V - Максимальное напряжение в дБ (мкВ), измеренное на антенном разъеме транспортного средства.
J.4 Рассматриваемые входные величины
J.4.1 Общие положения
Входные величины, подлежащие рассмотрению при измерении излучаемых помех, приведены в
таблице J.1 с описанием:
- используемого обозначения;
- функции распределения вероятностей;
- обоснования оценки входной величины.
Таблица J.1
Входные величины, которые следует учитывать при измерениях
напряжения на антенном разъеме
Наименование величины | Обозначение | Функция распределения вероятностей | Пояснение оценок |
Величины, общие для всех частотных полос |
Показание приемника | VR | Нормальная (k = 1) | Показания приемника могут меняться из-за нестабильности измерительной системы и ошибок интерполяции шкалы измерительного прибора. Оценкой является среднее значение нескольких показаний (размер выборки более 10) установившегося сигнала и связанная с ней стандартная неопределенность, заданная экспериментальным стандартным отклонением среднего значения ( k = 1) <1> |
Поправка приемника. Синусоидальное напряжение | | Нормальная (k = 2) | Считается, что оценка поправки на точность измерения приемником синусоидального напряжения доступна из протокола о калибровке, наряду с расширенной неопределенностью и коэффициентом охвата <1> |
Поправка приемника. Амплитудное соотношение | | Прямоугольная | Если в протоколе о калибровке указано, что амплитудное соотношение приемника отвечает допуску +/- 1,5 дБ, установленному в CISPR 16-1-1 для измерения пиковых, квазипиковых или средних значений, то поправка  оценивается как равная нулю при прямоугольном распределении вероятностей с половиной ширины 1,5 дБ <1> |
Поправка приемника. Импульсная характеристика | | Прямоугольная | Допуск, указанный в CISPR 16-1-1 для импульсной характеристики приемника, меняется в зависимости от частоты повторения импульсов и типа детектора. Предполагается, что в протоколе калибровки указано, что импульсная характеристика приемника отвечает допуску, установленному в CISPR 16-1-1. Поправку  оценивают как равную нулю при прямоугольном распределении вероятностей, половина ширины которого 1,5 дБ, что считается характерным значением из разных допусков, приведенных в CISPR 16-1-1 <1> |
Поправка приемника. Минимальный уровень шума | | Прямоугольная | При измерении излучаемых помех на частоте ниже 1 ГГц оценка отклонения находится в интервале от 0 до +1,1 дБ. Поправку оценивают как равную нулю, если отклонение симметрично относительно измеряемого значения при прямоугольном распределении вероятностей с половиной ширины 1,1 дБ. Любая поправка на влияние уровня минимального шума зависит от типа сигнала (например, импульсный или немодулированный) и отношения сигнал/шум, при этом будет меняться показание уровня шума <1> |
Поправка приемника. Шаг частоты | | Прямоугольная | Данная поправка касается ошибки, которая зависит от размера шага частоты, измерительного приемника в зависимости от используемой ширины полосы пропускания приемника. Данная поправка может быть оценена экспериментально с помощью генератора сигналов и приемника, используемого для фактических измерений, путем перестройки частоты приемника с изменением + половина и - половина размера шага и отмечая изменения амплитуды на приемнике (см. K.3) |
Затухание в кабеле(ях) предусилителя | LprC | Нормальная (k = 2) | Значения затухания в кабеле(ях), расширенную неопределенность и коэффициент охвата, как правило, получают из отчетов о калибровке. Значения затухания в кабеле(ях), как правило, используются измерительным программным обеспечением для выполнения коррекции при измерении, поэтому для оценки неопределенности системы измерения необходимо иметь только значение неопределенности |
Частотная интерполяция затухания в кабеле(ях) предусилителя | | Прямоугольная | Данная поправка используется измерительным программным обеспечением для оценки затухания в кабеле(ях) между частотами, для которых определены значения затухания в кабеле(ях). Если затухание в кабеле измеряют для большого количества частот и если данные не имеют сильного изменения между двумя последовательными частотами, неопределенность можно считать равной максимальному отклонению половины амплитуды между двумя последовательными данными измерения затухания в кабеле |
Рассогласование предусилитель/приемник | MprRE | U-образная | Используется для учета рассогласования полных сопротивлений между выходом предусилителя и входом измерительного приемника. Неопределенность рассогласования можно оценить по теоретической формуле и данным измерения (См. CISPR 16-4-2:2011, CISPR 16-4-2:2011/AMD1:2014 и CISPR 16-4-2:2011/AMD2:2018, подраздел A.2, примечание A7) на основе упрощенной формулы |
Усиление предусилителя | GApr | Нормальная (k = 2) | Значения коэффициента усиления предусилителя, расширенную неопределенность и коэффициент охвата, как правило, получают из отчетов о калибровке. Значения коэффициента усиления предусилителя, как правило, включаются в измерительное программное обеспечение для выполнения коррекции при измерении, поэтому для оценки неопределенности системы измерения необходимо иметь только значение неопределенности |
Частотная интерполяция усиления предусилителя | | Прямоугольная | Данная поправка используется измерительным программным обеспечением для оценки значений коэффициента усиления предусилителя между частотами, для которых значения коэффициента усиления определены. Если коэффициент усиления предусилителя измеряют для большого количества частот и если данные не показывают какого-либо существенного изменения между двумя последовательными частотами, неопределенность можно считать равной максимальному отклонению половины амплитуды между двумя последовательными данными измерения коэффициента усиления предусилителя |
Рассогласование вход/выход предусилителя | Mpr | U-образная | Данная величина характеризует рассогласование полного сопротивления входа/выхода предусилителя. Неопределенность рассогласования можно оценить по теоретической формуле и данным измерения (См. CISPR 16-4-2:2011, CISPR 16-4-2:2011/AMD1:2014 и CISPR 16-4-2:2011/AMD2:2018, подраздел A.2, примечание A7) на основе полной формулы [уравнения (A.3) и (A.4)] |
Затухание внешнего(их) кабеля(ей) | LEXC | Нормальная (k = 2) | Значения затухания в кабеле(ях), расширенную неопределенность и коэффициент охвата, как правило, получают из отчетов о калибровке. Значения затухания в кабеле(ях), как правило, включаются в измерительное программное обеспечение для выполнения поправки при измерении, поэтому для оценки неопределенности системы измерения необходимо иметь только значение неопределенности |
Частотная интерполяция затухания внешнего(их) кабеля(ей) | | Прямоугольная | Данная поправка, используется измерительным программным обеспечением для оценки затухания в кабеле(ях) между частотами, для которых определены значения затухания в кабеле(ях). Если затухание в кабеле измеряют для большого количества частот и если данные не имеют сильного изменения между двумя последовательными частотами, неопределенность можно считать равной максимальному отклонению половины амплитуды между двумя последовательными данными измерения затухания в кабеле |
Рассогласование проходной разъем/вход предусилителя | MBKpr | U-образная | Данный параметр относится к рассогласованию полных сопротивлений проходного разъема и входа предусилителя. Неопределенность рассогласования можно оценить по теоретической формуле и данным измерения (См. CISPR 16-4-2:2011, CISPR 16-4-2:2011/AMD1:2014 и CISPR 16-4-2:2011/AMD2:2018, подраздел A.2, примечание A7) на основе упрощенной формулы |
Затухание внутреннего(их) кабеля(ей) | LINC | Нормальная (k = 2) | Значения затухания в кабеле(ях), расширенная неопределенность и коэффициент охвата, как правило, получают из отчетов о калибровке. Значения затухания в кабеле(ях), как правило, используются измерительным программным обеспечением для выполнения коррекции при измерении, поэтому для оценки неопределенности системы измерения необходимо иметь только значение неопределенности |
Частотная интерполяция затухания внутреннего(их) кабеля(ей) | | Прямоугольная | Данная поправка используется измерительным программным обеспечением для оценки затухания в кабеле(ях) между частотами, для которых определены значения затухания в кабеле(ях). Если затухание в кабеле измеряют для большого количества частот и если данные не имеют сильного изменения между двумя последовательными частотами, неопределенность можно считать равной максимальному отклонению половины амплитуды между двумя последовательными данными измерения затухания в кабеле |
Величины, относящиеся к диапазону АМ, конфигурация с пассивной OEM-антенной транспортного средства (большое полное сопротивление) |
Рассогласование проходной разъем/устройство защиты | MBKsup | U-образная | Неопределенность рассогласования можно оценить по теоретической формуле и данным измерения (См. CISPR 16-4-2:2011, CISPR 16-4-2:2011/AMD1:2014 и CISPR 16-4-2:2011/AMD2:2018, подраздел A.2, примечание A7) на основе упрощенной формулы |
Затухание устройства защиты | Lsup | Нормальная (k = 2) | Значения затухания устройства защиты, расширенную неопределенность и коэффициент охвата, как правило, получают из отчетов о калибровке. Значения затухания устройства защиты, как правило, включены в измерительное программное обеспечение для выполнения коррекции при измерении, поэтому для оценки неопределенности системы измерения необходимо иметь только значение неопределенности |
Частотная интерполяция затухания устройства защиты | | Прямоугольная | Данная поправка используется измерительным программным обеспечением для оценки затухания в устройстве защиты между частотами, для которых определены значения затухания. Если затухание в устройстве защиты измеряют для большого количества частот и если данные не имеют сильного изменения между двумя последовательными частотами, неопределенность можно считать равной максимальному отклонению половины амплитуды между двумя последовательными данными измерения затухания устройства защиты |
Рассогласование защитное устройство/АМ-преобразователь полного сопротивления | MsupAD | U-образная | Неопределенность рассогласования можно оценить по теоретической формуле и данным измерения (См. CISPR 16-4-2:2011, CISPR 16-4-2:2011/AMD1:2014 и CISPR 16-4-2:2011/AMD2:2018, подраздел A.2, примечание A7) на основе упрощенной формулы |
Усиление АМ-преобразователя полного сопротивления | GAAD | Нормальная (k = 2) | Значения усиления преобразователя полного сопротивления, расширенную неопределенность и коэффициент охвата, как правило, получают из отчетов о калибровке. Значения усиления преобразователя полного сопротивления, как правило, включены в измерительное программное обеспечение для выполнения коррекции при измерении, поэтому для оценки неопределенности системы измерения необходимо иметь только значение неопределенности |
Частотная интерполяция усиления АМ-преобразователя полного сопротивления | | Прямоугольная | Данная поправка используется измерительным программным обеспечением для оценки усиления АМ-преобразователя полного сопротивления между частотами, на которых определены значения коэффициента усиления. Если коэффициент усиления АМ-преобразователя полного сопротивления измеряют для большого количества частот и если данные не имеют сильного изменения между двумя последовательными частотами, неопределенность можно считать равной максимальному отклонению половины амплитуды между двумя последовательными данными измерения коэффициента усиления АМ-преобразователя полного сопротивления |
Рассогласование вход/выход АМ-преобразователя полного сопротивления | MAD | U-образная | Неопределенность рассогласования можно оценить по теоретической формуле и данным измерения (См. CISPR 16-4-2:2011, CISPR 16-4-2:2011/AMD1:2014 и CISPR 16-4-2:2011/AMD2:2018, подраздел A.2, примечание A7) на основе полной формулы [уравнения (A.3) и (A.4)] |
Величины, относящиеся к диапазону АМ, конфигурация с активной OEM-антенной транспортного средства (полное сопротивление "согласование с нагрузкой 50 Ом") |
Рассогласование проходной разъем/устройство защиты | MBKsup | U-образная | Неопределенность рассогласования можно оценить по теоретической формуле и данным измерения (См. CISPR 16-4-2:2011, CISPR 16-4-2:2011/AMD1:2014 и CISPR 16-4-2:2011/AMD2:2018, подраздел A.2, примечание A7) на основе упрощенной формулы |
Затухание устройства защиты | Lsup | Нормальная (k = 2) | Значения затухания устройства защиты, расширенную неопределенность и коэффициент охвата, как правило, получают из отчетов о калибровке. Значения затухания устройства защиты, как правило, включены в измерительное программное обеспечение для выполнения коррекции при измерении, поэтому для оценки неопределенности системы измерения необходимо иметь только значение неопределенности |
Частотная интерполяция затухания устройства защиты | | Прямоугольная | Данная величина используется измерительным программным обеспечением для оценки затухания в устройстве защиты между частотами, для которых определены значения затухания. Если затухание в устройстве защиты измеряют для большого количества частот и если данные не имеют сильного изменения между двумя последовательными частотами, неопределенность можно считать равной максимальному отклонению половины амплитуды между двумя последовательными данными измерения затухания устройства защиты |
Величины, относящиеся к другим диапазонам (например, ЧМ, DAB III и др.), конфигурация с активной OEM-антенной транспортного средства (полное сопротивление, "согласование с нагрузкой 50 Ом") |
Дополнительные конкретные параметры отсутствуют |
Величины, относящиеся к другим диапазонам, конфигурация с эталонной антенной |
Рассогласование проходной разъем/эталонная антенна | MBKpefA | U-образная | Неопределенность рассогласования можно оценить по теоретической формуле и данным измерения (См. CISPR 16-4-2:2011, CISPR 16-4-2:2011/AMD1:2014 и CISPR 16-4-2:2011/AMD2:2018, подраздел A.2, примечание A) на основе упрощенной формулы |
Местоположение эталонной антенны | POSrefA | Прямоугольная | Данная величина основана на оценке максимальной ошибки местоположения антенны при предположении, что уровень напряжения обратно-пропорционален расстоянию от точки с нулевой поправкой: и  , где d - минимальное расстояние между оборудованием транспортного средства и эталонной антенной, а  - максимальная ошибка определения местоположения |
<1> Согласно CISPR 16-4-2. |
J.4.2 Диапазон АМ, конфигурация с пассивной OEM-антенной транспортного средства (большое полное сопротивление)
Измеряемую величину V рассчитывают по формуле

(J.1)
J.4.3 Диапазон АМ, конфигурация с активной OEM-антенной транспортного средства (полное сопротивление, "согласование с нагрузкой 50 Ом")
Измеряемую величину V рассчитывают по формуле

(J.2)
J.4.4 Другие диапазоны (например, ЧМ-вещание, DAB III и др.), конфигурация с активной OEM-антенной транспортного средства (полное сопротивление, "согласование с нагрузкой 50 Ом")
Измеряемую величину V рассчитывают по формуле

(J.3)
J.4.5 Другие диапазоны частот, конфигурация с эталонной антенной
Измеряемую величину V рассчитывают по формуле

(J.4)
(справочное)
БЮДЖЕТЫ НЕОПРЕДЕЛЕННОСТИ ИЗМЕРЕНИЯ ПОМЕХ,
ПРИНИМАЕМЫХ АНТЕННОЙ НА ТОМ ЖЕ ТРАНСПОРТНОМ СРЕДСТВЕ
K.1 Общие положения
В настоящем приложении приведены типовые бюджеты инструментальной неопределенности измерения при измерении помех, принимаемых антенной на том же транспортном средстве, как указано в
разделе 5.
K.2 Типовые бюджеты неопределенности, приведенные в настоящем стандарте
Бюджеты представлены:
- в
таблице K.1 для напряжения на антенном разъеме - диапазон АМ, конфигурация с пассивной OEM-антенной транспортного средства (большое полное сопротивление) или активной OEM антенной транспортного средства (полное сопротивление "согласование с нагрузкой 50 Ом");
- в
таблице K.2 для напряжения на антенном разъеме - другие диапазоны частот, конфигурация с активной OEM-антенной транспортного средства (полное сопротивление "согласование с нагрузкой 50 Ом");
- в
таблице K.3 для напряжения на антенном разъеме - другие диапазоны частот, конфигурация с использованием эталонной антенной.
В этих бюджетах не рассматривают неопределенность, относящуюся к несовершенству площадки (ALSE).
Таблица K.1
Типовой бюджет неопределенностей. Напряжение на антенном
разъеме. Диапазон АМ, конфигурация с пассивной OEM-антенной
транспортного средства (большое полное сопротивление)
Напряжение на антенном разъеме. Диапазон АМ, конфигурация с пассивной OEM-антенной транспортного средства (большое полное сопротивление) или с активной OEM-антенной транспортного средства (полное сопротивление "согласование с нагрузкой 50 Ом") |
Входная величина xi | Обозначение | Неопределенность xi | ciu(xi) | Примечания |
дБ | Функция распределения вероятностей |
Неопределенность для диапазона АМ, конфигурация с пассивной OEM-антенной транспортного средства (большое полное сопротивление) или активной OEM-антенны транспортного средства (полное сопротивление "согласование с нагрузкой 50 Ом") |
Показание приемника | VR | | k = 1 | 0,1 | - |
Поправка приемника. Синусоидальное напряжение | | | k = 2 | 0,5 | - |
Поправка приемника. Амплитудное соотношение | | | Прямоугольная | 0,87 | - |
Поправка приемника. Импульсная характеристика | | | Прямоугольная | 0,87 | - |
Поправка приемника. Приближение к уровню минимального шума | | +/- 0,0 | Прямоугольная | 0,00 | |
Поправка приемника. Шаг частоты | | +0/-1,9 | Прямоугольная | 0,55 | См. K.3 (для ширины полосы пропускания 9 кГц) |
Затухание в кабеле(ях) предусилителя | LprC | +/- 0,5 | k = 2 | 0,25 | |
Частотная интерполяция затухания в кабеле(ях) предусилителя | | +/- 0,25 | Прямоугольная | 0,14 | |
Рассогласование предусилитель/приемник | MprRE | +0,92/-0,83 | U-образная | 0,62 | |
Усиление предусилителя | GApr | +/- 0,5 | k = 2 | 0,25 | |
Частотная интерполяция усиления предусилителя | | +/- 0,25 | Прямоугольная | 0,14 | |
Рассогласование по входу/выходу предусилителя | Mpr | +1,48/-1,78 | U-образная | 1,15 | |
Затухание внешнего(их) кабеля(ей) | LEXC | +/- 0,5 | k = 2 | 0,25 | |
Частотная интерполяция затухания внешнего(их) кабеля(ей) | | +/- 0,25 | Прямоугольная | 0,14 | |
Рассогласование проходной разъем/вход предусилителя | MBKpr | +0,54/-0,57 | U-образная | 0,39 | |
Затухание внутреннего(их) кабеля(ей) | LINC | +/- 0,5 | k = 2 | 0,25 | |
Частотная интерполяция затухания внутреннего(их) кабеля(ей) | | +/- 0,25 | Прямоугольная | 0,14 | |
Рассогласование проходной разъем/устройство защиты | MBKsup | +0,23/-0,22 | U-образная | 0,16 | |
Затухание устройства защиты | Lsup | +/- 0,5 | k = 2 | 0,25 | |
Частотная интерполяция затухания устройства защиты | | +/- 0,25 | Прямоугольная | 0,14 | |
Неопределенность, характерная для диапазона АМ, конфигурация с пассивной OEM-антенной транспортного средства (большое полное сопротивление) |
Рассогласование защитное устройство/АМ-преобразователь полного сопротивления | MsupAD | +0,17/-0,17 | U-образная | 0,12 | |
Усиление АМ-преобразователя полного сопротивления | GAAD | +/- 0,5 | k = 2 | 0,25 | |
Частотная интерполяция усиления АМ-преобразователя полного сопротивления | | +/- 0,25 | Прямоугольная | 0,14 | |
Рассогласование вход/выход АМ-преобразователя полного сопротивления | MAD | +0,51/-0,54 | U-образная | 0,37 | |
Расширенная неопределенность [U(E) = 2uc(E)] (в дБ) для диапазона АМ, конфигурация с пассивной OEM-антенной транспортного средства (большое полное сопротивление) | - | - | 4,29 | - |
Расширенная неопределенность [U(E) = 2uc(E)] (в дБ) для диапазона АМ, конфигурация с активной OEM-антенной транспортного средства (полное сопротивление "согласование с нагрузкой 50 Ом") | - | - | 4,18 | - |
<1> Согласно CISPR 16-4-2. <2> Согласно CISPR 16-4-2 (используются значения, предлагаемые для полосы частот ниже 30 МГц). <3> Значение +/- 0,5 дБ применяют, если затухание кабеля(ей) измерительной системы, предусилителя, преобразователя полного сопротивления и проходного разъема измеряются одновременно. Если затухание кабеля(ей) и проходного разъема измеряют отдельно, значение +/- 0,5 дБ необходимо удвоить. <4> Значение +/- 0,25 дБ применяют, если частотная интерполяция кабеля(ей) измерительной системы, предусилителя, преобразователя полного сопротивления и проходного разъема измеряется одновременно. Если частотную интерполяцию кабеля(ей) и проходного разъема измеряют отдельно, значение +/- 0,25 дБ необходимо удвоить. - максимальный коэффициент отражения предусилителя равен 0,5; - максимальный коэффициент отражения на входе приемника равен 0,2; - кабель не имеет затухания (|S21| = 1) и оптимально согласован (|S11| = |S22| = 0). - максимальный коэффициент отражения на входе предусилителя равен 0,32; - максимальный коэффициент отражения на выходе предусилителя равен 0,5; - максимальный коэффициент передачи от входа к выходу предусилителя |S21| = 32 дБ; - максимальный коэффициент передачи от выхода к входу предусилителя |S12| = -40 дБ. - максимальный коэффициент отражения проходного разъема равен 0,2; - максимальный коэффициент отражения на входе предусилителя равен 0,32; - кабель не имеет потерь (|S21| = 1) и оптимально согласован (|S11| = |S22| = 0). - максимальный коэффициент отражения проходного разъема равен 0,2; - максимальный коэффициент отражения на выходе устройства защиты равен 0,13; - кабель не имеет потерь (|S21| = 1) и оптимально согласован (|S11| = |S22| = 0). |
- максимальный коэффициент отражения на выходе преобразователя полного сопротивления равен 0,15; - максимальный коэффициент отражения на входе устройства защиты равен 0,13; - кабель не имеет потерь (|S21| = 1) и оптимально согласован (|S11| = |S22| = 0). <10> Применяют следующее: - максимальный коэффициент отражения на входе преобразователя полного сопротивления равен 0,15; - максимальный коэффициент отражения на выходе преобразователя полного сопротивления равен 0,15; - максимальный коэффициент передачи от входа к выходу преобразователя полного сопротивления |S21| = 13,5 дБ; - максимальный коэффициент передачи от выхода к входу преобразователя полного сопротивления |S12| = -70 дБ. |
Таблица K.2
Типовой бюджет неопределенностей. Напряжение на антенном
разъеме. Другие диапазоны частот, конфигурация с активной
OEM-антенной транспортного средства (полное сопротивление
"согласование с нагрузкой 50 Ом")
Напряжение на антенном разъеме. Другие диапазоны частот, конфигурация с активной OEM-антенной транспортного средства (полное сопротивление "согласование с нагрузкой 50 Ом") |
Входная величина xi | Обозначение | Неопределенность xi | ciu(xi) | Примечания |
дБ | Функция распределения вероятностей |
Неопределенность измерений в других диапазонах частот с шириной полосы пропускания 9 кГц (например, СВ, GNSS и др.), 120 кГц (например, ЧМ-вещание) или 1 МГц (например, DAB III и др.) |
Показание приемника | VR | | k = 1 | 0,1 | - |
Поправки приемника. Синусоидальное напряжение | | | k = 2 | 0,5 | - |
Поправки приемника. Амплитудное соотношение | | | Прямоугольная | 0,87 | - |
Поправки приемника. Импульсная характеристика | | | Прямоугольная | 0,87 | - |
Затухание в кабеле(ях) предусилителя | LprC | +/- 0,5 | k = 2 | 0,25 | |
Частотная интерполяция затухания в кабеле(ях) предусилителя | | +/- 0,25 | Прямоугольная | 0,14 | |
Рассогласование предусилитель/приемник | MprRE | +0,92/-0,83 | U-образная | 0,62 | |
Усиление предусилителя | GApr | +/- 0,5 | k = 2 | 0,25 | |
Частотная интерполяция усиления предусилителя | | +/- 0,25 | Прямоугольная | 0,14 | |
Рассогласование вход/выход предусилителя | Mpr | +1,48/-1,78 | U-образная | 1,15 | |
Затухание внешнего(их) кабеля(ей) | LEXC | +/- 0,5 | k = 2 | 0,25 | |
Частотная интерполяция затухания внешнего(их) кабеля(ей) | | +/- 0,25 | Прямоугольная | 0,14 | |
Рассогласование проходной разъем/вход предусилителя | MBKpr | +0,54/-0,57 | U-образная | 0,39 | |
Затухания внутреннего(их) кабеля(ей) | LINC | +/- 0,5 | k = 2 | 0,25 | |
Частотная интерполяция затухания внутреннего(их) кабеля(ей) | | +/- 0,25 | Прямоугольная | 0,14 | |
Неопределенность измерений в диапазонах частот с шириной полосы пропускания 9 кГц (например, СВ, GNSS и т.д.) |
Поправки приемника. Приближение к уровню минимального шума | | +/- 0,0 | Прямоугольная | 0,00 | |
Поправки приемника. Шаг частоты | | +0/-1,9 | Прямоугольная | 0,55 | См. K.3 (для ширины полосы пропускания 9 кГц) |
Неопределенность измерений в других диапазонах частот с шириной полосы пропускания 120 кГц (например, ЧМ-вещание и т.д.) |
Поправки приемника. Приближение к уровню минимального шума | | +0,5/0 | Прямоугольная | 0,14 | |
Поправки приемника. Шаг частоты | | +0/-1,3 | Прямоугольная | 0,38 | См. K.3 (для ширины полосы пропускания 120 кГц) |
Неопределенность измерений в других диапазон частот с шириной полосы пропускания 1 МГц (например, DAB III и т.д.) |
Поправки приемника. Приближение к уровню минимального шума | | +1,1/0 | Прямоугольная | 0,32 | |
Поправки приемника. Шаг частоты | | +0/-1,53 | Прямоугольная | 0,44 | См. K.3 (для ширины полосы пропускания 1 МГц) |
Расширенная неопределенность [U(E) = 2uc(E)] (в дБ) в других диапазонах с шириной полосы пропускания 9 кГц (СВ, GNSS и т.д.) | - | - | 4,13 | - |
Расширенная неопределенность [U(E) = 2uc(E)] (в дБ) в других диапазонах частот с шириной полосы пропускания 120 кГц (например, ЧМ-вещание и т.д.) | - | - | 4,06 | - |
Расширенная неопределенность [U(E) = 2uc(E)] (в дБ) в других диапазонах частот с шириной полосы пропускания 1 МГц (например, DAB III и др. | - | - | 4,13 | - |
<1> Согласно CISPR 16-4-2. <2> Согласно CISPR 16-4-2 (используются значения, предлагаемые для разных частотных полос от 150 кГц до 6 ГГц). <3> Значение +/- 0,5 дБ применяют, если затухание кабеля(ей) измерительной системы, предусилителя, преобразователя полного сопротивления и проходного разъема измеряются одновременно. Если потери кабеля(ей) и проходного разъема измеряют отдельно, значение +/- 0,5 дБ необходимо удвоить. <4> Значение +/- 0,25 дБ применяют, если частотная интерполяция кабеля(ей) измерительной системы, предусилителя, преобразователя полного сопротивления и проходного разъема измеряются одновременно. Если частотная интерполяция кабеля(ей) и проходного разъема измеряется отдельно, значение +/- 0,25 дБ необходимо удвоить. - максимальный коэффициент отражения предусилителя равен 0,5; - максимальный коэффициент отражения на входе приемника равен 0,2; - кабель не имеет потерь (|S21| = 1) и оптимально согласован (|S11| = |S22| = 0). - максимальный коэффициент отражения на входе предусилителя равен 0,32; - максимальный коэффициент отражения на выходе предусилителя равен 0,5; - максимальный коэффициент передачи от входа к выходу предусилителя |S21| = 32 дБ; - максимальный коэффициент передачи от выхода к входу предусилителя |S12| = -40 дБ. - максимальный коэффициент отражения проходного разъема равен 0,2; - максимальный коэффициент отражения на входе предусилителя равен 0,32; - кабель не имеет потерь (|S21| = 1) и оптимально согласован (|S11| = |S22| = 0). |
Таблица K.3
Типовой бюджет неопределенностей. Напряжение на антенном
разъеме. Другие диапазоны частот, конфигурация
с эталонной антенной
Напряжение на антенном разъеме. Другие диапазоны частот, конфигурация с эталонной антенной |
Входная величина xi | Обозначение | Неопределенность xi | ciu(xi) | Примечания |
дБ | Функция распределения вероятностей |
Неопределенность измерений для других диапазонов, конфигурация с эталонной антенной с шириной полосы пропускания 9 кГц, 120 кГц или 1 МГц |
Показание приемника | VR | | k = 1 | 0,1 | - |
Поправки приемника. Синусоидальное напряжение | | | k = 2 | 0,5 | - |
Поправки приемника. Амплитудное соотношение | | | Прямоугольная | 0,87 | - |
Поправки приемника. Импульсная характеристика | | | Прямоугольная | 0,87 | - |
Затухание в кабеле(ях) предусилителя | LprC | +/- 0,5 | k = 2 | 0,25 | |
Частотная интерполяция затухания в кабеле(ях) предусилителя | | +/- 0,25 | Прямоугольная | 0,14 | |
Рассогласование предусилитель/приемник | MprRE | +0,92/-0,83 | U-образная | 0,62 | |
Усиление предусилителя | GApr | +/- 0,5 | k = 2 | 0,25 | |
Частотная интерполяция усиления предусилителя | | +/- 0,25 | Прямоугольная | 0,14 | |
Рассогласование по входу/выходу предусилителя | Mpr | +1,48/-1,78 | U-образное | 1,15 | |
Затухание внешнего(их) кабеля(ей) | LEXC | +/- 0,5 | k = 2 | 0,25 | |
Частотная интерполяция затухания внешнего(их) кабеля(ей) | | +/- 0,25 | Прямоугольная | 0,14 | |
Рассогласование проходной разъем/вход предусилителя | MBKpr | +0,54/-0,57 | U-образная | 0,39 | |
Затухание внутреннего(их) кабеля(ей) | LINC | +/- 0,5 | k = 2 | 0,25 | |
Частотная интерполяция затухания внутреннего(их) кабеля(ей) | | +/- 0,25 | Прямоугольная | 0,14 | |
Рассогласование проходной разъем/эталонная антенна | MBKpefA | +0,83/-0,92 | U-образная | 0,62 | |
Позиция эталонной антенны | POSrefA | +1,94/-2,5 | Прямоугольная | 1,28 | |
Неопределенность измерений, другие диапазоны частот, конфигурация с эталонной антенной, ширина полосы частот 9 кГц |
Поправки приемника. Приближение к уровню минимального шума | | +/- 0,0 | Прямоугольная | 0,00 | |
Поправки приемника. Шаг частоты | | +0/-1,9 | Прямоугольная | 0,55 | См. K.3 (для ширины полосы разрешения 9 кГц) |
Неопределенность измерений, другие диапазоны частот, конфигурация с эталонной антенной, ширина полосы 120 кГц |
Поправки приемника. Приближение к уровню минимального шума | | +0,5/0 | Прямоугольная | 0,14 | |
Поправки приемника. Шаг частоты | | +0/-1,3 | Прямоугольная | 0,38 | См. K.3 (для ширины полосы разрешения 120 кГц) |
Неопределенность измерений, другие диапазоны частот, конфигурация с эталонной антенной, ширина полосы 1 МГц |
Поправка приемника. Приближение к уровню минимального шума | | +1,1/0 | Прямоугольная | 0,32 | |
Поправка приемника. Шаг частоты | | +0/-1,53 | Прямоугольная | 0,44 | См. K.3 (для ширины полосы разрешения 1 МГц) |
Расширенная неопределенность [U(E) = 2uc(E)] (в дБ) в других диапазонах частот, конфигурация с эталонной антенной, при ширине полосы частот приемника 9 кГц | - | - | 5,01 | - |
Расширенная неопределенность [U(E) = 2uc(E)] (в дБ) в других диапазонах частот, конфигурация с эталонной антенной, при ширине полосы частот приемника 120 кГц | - | - | 4,96 | - |
Расширенная неопределенность [U(E) = 2uc(E)] (в дБ) в других диапазонах частот, конфигурация с эталонной антенной, при ширине полосы частот приемника 1 МГц | - | - | 5,01 | - |
<1> Согласно CISPR 16-4-2. <2> Согласно CISPR 16-4-2 (используются значения, предлагаемые для разных частотных полос от 150 кГц до 6 ГГц). <3> Значение +/- 0,5 дБ применяют, если затухание кабеля(ей) измерительной системы, предусилителя, преобразователя полного сопротивления и проходного разъема измеряются одновременно. Если потери кабеля(ей) и проходного разъема измеряют отдельно, значение +/- 0,5 дБ необходимо удвоить. <4> Значение +/- 0,25 дБ применяют, если частотная интерполяция кабеля(ей) измерительной системы, предусилителя, преобразователя полного сопротивления и проходного разъема измеряются одновременно. Если частотная интерполяция кабеля(ей) и проходного разъема измеряется отдельно, значение +/- 0,25 дБ необходимо удвоить. - максимальный коэффициент отражения предусилителя равен 0,5; - максимальный коэффициент отражения на входе приемника равен 0,2; - кабель не имеет потерь (|S21| = 1) и оптимально согласован (|S11| = |S22| = 0). - максимальный коэффициент отражения на входе предусилителя равен 0,32; - максимальный коэффициент отражения на выходе предусилителя равен 0,5; - максимальный коэффициент передачи от входа к выходу предусилителя |S21| = 32 дБ; - максимальный коэффициент передачи от выхода к входу предусилителя |S12| = -40 дБ. - максимальный коэффициент отражения проходного разъема равен 0,2; - максимальный коэффициент отражения на входе предусилителя равен 0,32; - кабель не имеет потерь (|S21| = 1) и оптимально согласован (|S11| = |S22| = 0). - максимальный коэффициент отражения проходного разъема равен 0,2; - максимальный коэффициент отражения на входе эталонной антенны равен 0,5; - кабель не имеет потерь (|S21| = 1) и оптимально согласован (|S11| = |S22| = 0). <9> Основано на допущениях, что минимальное расстояние между эталонной антенной и ближайшим оборудованием транспортного средства равно 0,2 м, максимальная погрешность расстояния - +/- 0,05 м и значение напряженности поля обратно пропорционально расстоянию. |
K.3 Частотный шаг приемника
Неопределенность, обусловленная частотным шагом приемника, должна оцениваться, как указано в настоящем подразделе.
Генератор сигналов подключается к входу приемника и должен иметь настройки: для генерации гармонического сигнала на некоторой частоте f0 в полосе частот от 30 кГц до 1000 МГц, например, на частоте f0 = 10 МГц для измерений с шириной полосы 9 кГц, f0 = 100 МГц для измерений с шириной полосы 120 кГц, f0 = 200 МГц для измерений с шириной полосы 1 МГц. Выходной уровень генератора сигналов должен быть по крайней мере на 10 дБ выше минимального уровня шума приемника, но находиться в пределах диапазона уровней, в котором приемник работает линейно (его входной смеситель не находится в режиме перегрузки).
Необходимо настроить приемник на частоту генератора сигналов и зарегистрировать измеренный уровень
V0. Затем следует по очереди перенастроить приемник на частоты

и зарегистрировать измеренные уровни
V- и
V+ без какого-либо изменения выходного уровня на генераторе сигналов (см.
рисунок K.1); где

- наибольшее значение шага частоты, используемое при измерениях в транспортных средствах, например,

составляет 5 кГц для измерений с шириной полосы 9 кГц, 50 кГц для измерений с шириной полосы 120 кГц и 500 кГц для измерений с шириной полосы 1 МГц, что является максимально допустимым шагом частоты (см.
таблицу 2).
Необходимо рассчитать

и

в дБ для всех измеренных уровней, выраженных в логарифмических единицах [например, дБ (мкВ)]; результат с наибольшим абсолютным значением применяют в качестве отрицательного значения неопределенности, обусловленного частотным шагом приемника, а положительное значение принимается равным 0 дБ. Считается, что распределение вероятностей имеет прямоугольную форму.
Рисунок K.1 - Пример измерения при оценке неопределенности
частотного шага
(справочное)
ИНСТРУМЕНТАЛЬНАЯ НЕОПРЕДЕЛЕННОСТЬ ИЗМЕРЕНИЯ.
ПОМЕХИ ОТ КОМПОНЕНТОВ/МОДУЛЕЙ. МЕТОДЫ ИСПЫТАНИЙ
L.1 Общие положения
В настоящем приложении приведены рекомендации для расчета инструментальной неопределенности измерений:
- для кондуктивных помех от компонентов/модулей. Метод напряжения;
- кондуктивных помех от компонентов/модулей. Метод пробника тока;
- излучаемых помех от компонентов/модулей. Метод ALSE.
Для каждого метода приведены соответствующие входные величины и выполнены оценки для расчета бюджета неопределенностей.
При расчете суммарной неопределенности измерений согласно настоящему стандарту необходимо учитывать источники неопределенности, обусловленные методом измерения, измерительной аппаратурой, оператором EUT и окружающей средой.
В настоящем приложении при расчете неопределенности рассматривают только измерительную аппаратуру. Некоторые входные величины не учитывают, например несовершенство площадки, поскольку валидация площадки находится на стадии изучения.
L.2 Источники неопределенности
На
рисунках L.1 -
L.3 приведены различные источники инструментальной неопределенности, в основном основанные на данных CISPR 16-4-2:
- на
рисунке L.1 - для кондуктивных помех от компонентов/модулей. Метод напряжения;
- на
рисунке L.2 - для кондуктивных помех от компонентов/модулей. Метод пробника тока;
- на
рисунке L.3 - для излучаемых помех от компонентов/модулей. Метод ALSE.
Рисунок L.1 - Источники инструментальной
неопределенности измерения. Кондуктивные помехи
от компонентов/модулей. Метод напряжения
Рисунок L.2 - Источники инструментальной
неопределенности измерения. Кондуктивные помехи
от компонентов/модулей. Метод пробника тока
Рисунок L.3 - Источники инструментальной
неопределенности измерения. Излучаемые помехи
от компонентов/модулей. Метод ALSE
L.3 Измеряемая величина
Измеряемой величиной для кондуктивных помех от компонентов/модулей (метод напряжения) является:
V - напряжение в дБ (мкВ), измеряемое на порте EUT эквивалента сети относительно опорной пластины заземления.
Измеряемой величиной для кондуктивных помех от компонентов/модулей (метод пробника тока) является:
I - ток в дБ (мкА), измеряемый в кабельной проводке.
Измеряемой величиной для излучаемых помех от компонентов/модулей (метод ALSE) является:
E - максимальная напряженность электрического поля в дБ (мкВ/м), выбранная из горизонтальной и вертикальной поляризаций, измеренная на определенном расстоянии от EUT по горизонтали и на определенной высоте относительно земли/пола с указанных сторон EUT.
L.4 Рассматриваемые входные величины
Различные рассматриваемые входные величины приведены в
таблице L.1 с описанием:
- используемого обозначения;
- функции распределения вероятностей;
- обоснования оценки входной величины.
Таблица L.1
Входные величины, которые следует учитывать при измерениях
помех от компонентов/модулей
Наименование величины | Обозначение | Функция распределения вероятностей | Пояснение оценок |
Входные величины, общие для метода напряжения и метода пробника тока при измерении кондуктивных помех и метода ALSE при измерении излучаемых помех |
Показание приемника | VR | Нормальная (k = 1) | Показания приемника могут меняться из-за нестабильности измерительной системы и ошибок интерполяции шкалы измерительного прибора. Оценкой является среднее значение нескольких показаний (размер выборки более 10) установившегося сигнала и связанная с ней стандартная неопределенность, заданная экспериментальным стандартным отклонением среднего значения ( k = 1) <1> |
Поправка приемника. Синусоидальное напряжение | | Нормальная (k = 2) | Считается, что оценка поправки на точность измерения приемником синусоидального напряжения доступна из протокола о калибровке, наряду с расширенной неопределенностью и коэффициентом охвата <1> |
Поправка приемника. Амплитудное соотношение | | Прямоугольная | Если в протоколе о калибровке указано, что амплитудное соотношение приемника отвечает допуску +/- 1,5 дБ, установленному в CISPR 16-1-1 для измерения пиковых, квазипиковых или средних значений, то поправка  оценивается как равная нулю при прямоугольном распределении вероятностей с половиной ширины 1,5 дБ <1> |
Поправка приемника. Импульсная характеристика | | Прямоугольная | Допуск, указанный в CISPR 16-1-1 для импульсной характеристики приемника, меняется в зависимости от частоты повторения импульсов и типа детектора. Предполагается, что в протоколе калибровки указано, что импульсная характеристика приемника отвечает допуску, установленному в CISPR 16-1-1. Поправку  оценивают как равную нулю при прямоугольном распределении вероятностей с половиной ширины 1,5 дБ, что считается характерным значением из разных допусков, приведенных в CISPR 16-1-1 <1> |
Поправка приемника. Минимальный уровень шума | | Прямоугольная | При измерении кондуктивных помех уровень минимального шума приемника CISPR, как правило, намного меньше норм на напряжение или ток помех, поэтому его влияние на результаты измерения вблизи этих норм пренебрежимо мало <1>. При измерении излучаемых помех на частоте ниже 1 ГГц оценка отклонения находится в интервале от 0 до +1,1 дБ. Поправку оценивают как равную нулю, если отклонение симметрично относительно измеряемого значения при прямоугольном распределении вероятностей с половиной ширины 1,1 дБ. Любая поправка на влияние уровня минимального шума зависит от типа сигнала (например, импульсный или немодулированный) и отношения сигнал/шум, при этом будет меняться показание уровня шума <1> |
Поправка приемника. Шаг частоты | | Прямоугольная | Данная поправка позволяет учитывать ошибку, которая зависит от размера шага частоты, измерительного приемника в зависимости от используемой ширины полосы пропускания приемника. Данная поправка может быть оценена экспериментально с помощью генератора сигналов и приемника, используемого для фактических измерений, путем перестройки частоты приемника с изменением + половина и - половина размера шага и отмечая изменения амплитуды на приемнике (См. K.3) |
Затухание внешнего(их) кабеля(ей) | LEXC | Нормальная (k = 2) | Значения затухания в кабеле(ях), расширенную неопределенность и коэффициент охвата, как правило, получают из отчетов о калибровке. Значения затухания в кабеле(ях), как правило, включаются в измерительное программное обеспечение для выполнения поправки при измерении, поэтому для оценки неопределенности системы измерения необходимо иметь только значение неопределенности |
Частотная интерполяция затухания внешнего(их) кабеля(ей) | | Прямоугольная | Данная поправка используется измерительным программным обеспечением для оценки затухания в кабеле(ях) между частотами, для которых определены значения затухания в кабеле(ях). Если затухание в кабеле измеряют для большого количества частот и если данные не имеют сильного изменения между двумя последовательными частотами, неопределенность можно считать равной максимальному отклонению половины амплитуды между двумя последовательными данными измерения затухания в кабеле |
Затухание внутреннего(их) кабеля(ей) | LINC | Нормальная (k = 2) | Значения затухания в кабеле(ях), расширенную неопределенность и коэффициент охвата, как правило, получают из отчетов о калибровке. Значения затухания в кабеле(ях), как правило, включаются в измерительное программное обеспечение для выполнения поправки при измерении, поэтому для оценки неопределенности системы измерения необходимо иметь только значение неопределенности |
Частотная интерполяция затухания внутреннего(их) кабеля(ей) | | Прямоугольная | Данная величина используется измерительным программным обеспечением для оценки затухания в кабеле(ях) между частотами, для которых определены значения затухания в кабеле(ях). Если затухание в кабеле измеряют для большого количества частот и если данные не имеют сильного изменения между двумя последовательными частотами, неопределенность можно считать равной максимальному отклонению половины амплитуды между двумя последовательными данными измерения затухания в кабеле |
Входные величины, типичные для метода напряжения при измерении кондуктивных помех |
Рассогласование проходной разъем/приемник | MBKre | U-образная | Данная величина характеризует рассогласование полных сопротивлений проходного разъема и входа приемника. Неопределенность рассогласования можно оценить по теоретической формуле и данным измерения (См. CISPR 16-4-2:2011, CISPR 16-4-2:2011/AMD1:2014 и CISPR 16-4-2:2011/AMD2:2018, раздел A.2, примечание A7) на основе упрощенной формулы |
Рассогласование эквивалент сети/проходной разъем | MANBK | U-образная | Данная величина характеризует рассогласование полных сопротивлений эквивалента сети и проходного разъема. Неопределенность рассогласования можно оценить по теоретической формуле и данным измерения (См. CISPR 16-4-2:2011, CISPR 16-4-2:2011/AMD1:2014 и CISPR 16-4-2:2011/AMD2:2018, раздел A.2, примечание A7) на основе упрощенной формулы |
Коэффициент калибровки по напряжению эквивалента сети (AN) | FAN | k = 2 | Значения коэффициента калибровки по напряжению AN, расширенную неопределенность и коэффициент охвата, как правило, получают из отчетов о калибровке. Значения коэффициента калибровки по напряжению, как правило, включаются в измерительное программное обеспечение для выполнения поправки при измерении; поэтому для оценки неопределенности системы измерения необходимо иметь только значение неопределенности |
Частотная интерполяция коэффициента калибровки по напряжению AN | | Прямоугольная | Данная поправка используется измерительным программным обеспечением для оценки коэффициента калибровки по напряжению AN между частотами, для которых определены значения коэффициента калибровки. Если коэффициент калибровки измеряют для большого количества частот и если данные не имеют сильного изменения между двумя последовательными частотами, неопределенность можно считать равной максимальному отклонению половины амплитуды между двумя последовательными данными измерения коэффициента калибровки по напряжению |
Полное сопротивление эквивалента сети (AN) | | Треугольная | В CISPR 16-1-2 для AN 50 Ом/5 мкГн требуется, чтобы значение отклонения полного сопротивления находилось в пределах +/- 20% номинального значения, а фазовый угол в пределах +/- 11,5° номинального значения, когда к порту измерений AN подключена нагрузка 50 Ом. Считается, что полное сопротивление порта EUT AN при нагрузке порта измерений AN на 50 Ом, находится в пределах круга с центром в номинальном полном сопротивлении комплексной плоскости полных сопротивлений, при этом радиус окружности составляет 20% значения номинального полного сопротивления. При этом значение допуска по фазе соизмеримо с величиной допуска полного сопротивления. Оценка поправки  равна нулю с распределением вероятности, ограниченной крайними значениями всех комбинаций "ограниченного" полного сопротивления AN и "неограниченного" полного сопротивления EUT в указанном диапазоне частот. Считается, что распределение вероятности имеет форму треугольника, так как имеется лишь небольшая вероятность совпадения частот на которых полное сопротивление AN и полное сопротивление EUT примут крайние значения <1> |
Входные величины, типичные для метода пробника тока при измерении кондуктивных помех |
Рассогласование проходной разъем/приемник | MBKre | U-образная | Данная величина характеризует рассогласование полных сопротивлений проходного разъема и входа приемника. Неопределенность рассогласования можно оценить по теоретической формуле и данным измерения (См. CISPR 16-4-2:2011, CISPR 16-4-2:2011/AMD1:2014 и CISPR 16-4-2:2011/AMD2:2018, раздел A.2, примечание A7) на основе упрощенной формулы |
Рассогласование пробник тока/проходной разъем | MCPBK | U-образная | Данная величина характеризует рассогласование полных сопротивлений пробника тока и проходного разъема. Неопределенность рассогласования можно оценить по теоретической формуле и данным измерения (См. CISPR 16-4-2:2011, CISPR 16-4-2:2011/AMD1:2014 и CISPR 16-4-2:2011/AMD2:2018, раздел A.2, примечание A7) на основе упрощенной формулы |
Коэффициент калибровки по току пробника тока | FCP | k = 2 | Значение коэффициента калибровки по току пробника тока, расширенную неопределенность и коэффициент охвата, как правило, получают из отчетов о калибровке. Значение коэффициента калибровки по току, как правило, включаются в измерительное программное обеспечение для выполнения поправки при измерении; поэтому для оценки неопределенности системы измерения необходимо иметь только значение неопределенности |
Частотная интерполяция коэффициента калибровки по току пробника тока | | Прямоугольная | Данная поправка используется измерительным программным обеспечением для оценки коэффициента калибровки по току пробника тока между частотами, для которых определены значения коэффициента калибровки по току. Если коэффициент калибровки измеряют для большого количества частот и если данные не имеют значительного изменения между двумя последовательными частотами, неопределенность можно считать равной максимальному отклонению половины амплитуды между двумя последовательными данными измерения коэффициента калибровки по току |
Входные величины, типичные для метода ALSE при измерении излучаемых помех |
Затухание в кабеле(ях) предусилителя | LprC | Нормальная (k = 2) | Значения затухания в кабеле(ях), расширенную неопределенность и коэффициент охвата обычно получают из отчетов о калибровке. Значения затухания в кабеле(ях) как правило, включаются в измерительное программное обеспечение для выполнения поправки при измерении; поэтому для оценки неопределенности системы измерения необходимо иметь только значение неопределенности. |
Частотная интерполяция затухания в кабеле(ях) предусилителя | | Прямоугольная | Данная величина используется измерительным программным обеспечением для оценки затухания в кабеле(ях) между частотами, для которых определены значения затухания в кабеле(ях). Если затухание в кабеле измеряют для большого количества частот и если данные не имеют значительного изменения между двумя последовательными частотами, неопределенность можно считать равной максимальному отклонению половины амплитуды между двумя последовательными данными измерения затухания в кабеле |
Рассогласование предусилитель/приемник | MprRE | U-образная | Данная величина характеризует рассогласование полных сопротивлений предусилителя и входа приемника. Неопределенность рассогласования можно оценить по теоретической формуле и данным измерения (См. CISPR 16-4-2:2011, CISPR 16-4-2:2011/AMD1:2014 и CISPR 16-4-2:2011/AMD2:2018, раздел A.2, примечание A7) на основе упрощенной формулы |
Усиление предусилителя | GApr | Нормальная (k = 2) | Значения коэффициента усиления предусилителя, расширенную неопределенность и коэффициент охвата, как правило, получают из отчетов о калибровке. Значения коэффициента усиления предусилителя, как правило, включаются в измерительное программное обеспечение для выполнения коррекции при измерении; поэтому для оценки неопределенности системы измерения необходимо иметь только значение неопределенности |
Частотная интерполяция усиления предусилителя | | Прямоугольная | Данная поправка используется измерительным программным обеспечением для оценки значений коэффициента усиления предусилителя между частотами, для которых значения коэффициента усиления определены. Если коэффициент усиления предусилителя измерен на большом количестве частот и если данные не показывают какого-либо существенного изменения между двумя последовательными частотами, неопределенность можно считать равной максимальному отклонению половины амплитуды между двумя последовательными данными измерения коэффициента усиления предусилителя |
Рассогласование вход/выход предусилителя | Mpr | U-образная | Данная величина относится к рассогласованию полных сопротивлений между входом и выходом предусилителя. Неопределенность рассогласования можно оценить по теоретической формуле и данным измерения (см. CISPR 16-4-2:2011, CISPR 16-4-2:2011/AMD1:2014 и CISPR 16-4-2:2011/AMD2:2018, раздел A.2, примечание A7) на основе полной формулы [см. формулы (A.3) и (A.4)] |
Рассогласование проходной разъем/вход предусилителя | MBKpr | U-образная | Данный параметр характеризует рассогласование полных сопротивлений проходного разъема и входа предусилителя. Неопределенность рассогласования можно оценить по теоретической формуле и данным измерения (см. CISPR 16-4-2:2011, CISPR 16-4-2:2011/AMD1:2014 и CISPR 16-4-2:2011/AMD2:2018, раздел A.2, примечание A7) на основе упрощенной формулы |
Рассогласование проходной разъем/антенна | MBKANT | U-образная | Неопределенность рассогласования можно оценить по теоретической формуле и данным измерения (см. CISPR 16-4-2:2011, CISPR 16-4-2:2011/AMD1:2014 и CISPR 16-4-2:2011/AMD2:2018, раздел A.2, примечание A7) на основе упрощенной формулы |
Коэффициент калибровки антенны | FANT | Нормальная (k = 2) | Значения коэффициента калибровки антенны, расширенную неопределенность и коэффициент охвата, как правило, получают из отчетов о калибровке. Значения коэффициента калибровки антенны, как правило, включаются в измерительное программное обеспечение для выполнения поправки при измерении; поэтому для оценки неопределенности системы измерения необходимо иметь только значение неопределенности |
Частотная интерполяция коэффициента калибровки антенны | | Прямоугольная | Данная поправка используется измерительным программным обеспечением для оценки значений коэффициента калибровки антенны между частотами, для которых значения коэффициента калибровки не определены. Если коэффициент калибровки антенны измерен на большом количестве частот и если данные не показывают какого-либо существенного изменения между двумя последовательными частотами, неопределенность можно считать равной максимальному отклонению половины амплитуды между двумя последовательными данными измерения коэффициента калибровки антенны |
Изменение коэффициента калибровки антенны в зависимости от высоты | | Прямоугольная | Коэффициент калибровки измерительной антенны меняется из-за влияния пластины заземления. Данная поправка учитывает изменения коэффициента калибровки антенны в зависимости от высоты ее установки относительно высоты установки антенны при ее калибровке (оценка коэффициента калибровки антенны). Типичные значения неопределенности можно получить для основных измерительных антенн (штыревой, биконической, логопериодической и т.д.) из теоретических данных и практического эксперимента (например, в CISPR 16-4-2) |
Отклонение направленности | | Прямоугольная | Данная поправка характеризует влияние диаграммы направленности антенны на отклик антенны для прямых и отраженных от земли лучей в зависимости от высоты антенны и положения испытуемого устройства. Типичные значения неопределенности можно получить для основных измерительных антенн (штыревой, биконической, логопериодической и т.д.) из теоретических данных и практического эксперимента (например, в CISPR 16-4-2) |
Кросс-поляризация | | Прямоугольная | Данная поправка учитывает возможные дефекты антенны, связанные с ее кросс-поляризационной характеристикой (отношение полей при горизонтальной и вертикальной поляризации). Типичные значения неопределенности для основных измерительных антенн можно получить из теоретических данных и практического эксперимента (например, в CISPR 16-4-2) или из отчетов о калибровке, в которых может быть приведена конкретная формула для этой позиции неопределенности |
Симметрия | | Прямоугольная | Данная поправка учитывает возможные влияния несимметричности антенны и может меняться в зависимости от позиционирования кабеля относительно геометрии антенны (связь между кабелем и антенной) |
<1> Согласно CISPR 16-4-2:2011. |
Измеряемую величину "V" при измерении кондуктивных помех методом напряжения рассчитывают по формуле

(L.1)
Измеряемую величину "I" при измерении кондуктивных помех методом пробника тока рассчитывают по формуле

(L.2)
Измеряемую величину "E" при измерении излучаемых помех методом ALSE рассчитывают по формуле

(L.3)
(справочное)
БЮДЖЕТЫ НЕОПРЕДЕЛЕННОСТИ ИЗМЕРЕНИЯ ПОМЕХ
ОТ КОМПОНЕНТОВ/МОДУЛЕЙ
M.1 Общие положения
В настоящем приложении приведены типовые бюджеты инструментальной неопределенности измерений:
- кондуктивных помех от компонентов/модулей. Метод напряжения;
- кондуктивных помех от компонентов/модулей. Метод пробника тока;
- излучаемых помех от компонентов/модулей. Метод ALSE.
M.2 Типовые бюджеты неопределенностей
Бюджеты представлены:
- в
таблице M.1 для кондуктивных помех от компонентов/модулей. Метод напряжения. Метод пробника тока;
- в
таблице M.2 для излучаемых помех от компонентов/модулей. Метод ALSE.
Таблица M.1
Типовой бюджет неопределенностей. Кондуктивные помехи
от компонентов/модулей. Метод напряжения и метод
пробника тока
Кондуктивные помехи от компонентов/модулей. Метод напряжения и метод пробника тока |
Входная величина xi | Обозначение | Неопределенность xi | ciu(xi) | Примечания |
дБ | Функция распределения вероятностей |
Неопределенности, общие для метода напряжения и метода пробника тока |
Показание приемника | VR | | k = 1 | 0,1 | - |
Поправка приемника. Синусоидальное напряжение | | | k = 2 | 0,5 | - |
Поправка приемника. Амплитудное соотношение | | | Прямоугольная | 0,87 | - |
Поправка приемника. Импульсная характеристика | | | Прямоугольная | 0,87 | - |
Поправка приемника. Приближение к уровню минимального шума | | +/- 0,0 | Прямоугольная | 0,00 | |
Затухание внешнего(их) кабеля(ей) | LEXC | +/- 0,5 | k = 2 | 0,25 | |
Частотная интерполяция затухания внешнего(их) кабеля(ей) | | +/- 0,25 | Прямоугольная | 0,14 | |
Рассогласование проходной разъем/вход приемника | MBKre | +0,34/-0,35 | U-образная | 0,24 | |
Затухание внутреннего(их) кабеля(ей) | LINC | +/- 0,5 | k = 2 | 0,25 | |
Частотная интерполяция затухания внутреннего(их) кабеля(ей) | | +/- 0,25 | Прямоугольная | 0,14 | |
Неопределенности, типичные для метода напряжения |
Поправка приемника. Шаг частоты | | +0/-1,9 | Прямоугольная | 0,55 | См. K.3 (наихудший случай при рассматриваемых значениях ширины полосы разрешения 9 и 120 кГц) |
Рассогласование эквивалент сети/проходной разъем | MANBK | +0,34/-0,35 | U-образная | 0,24 | |
Коэффициент калибровки по напряжению эквивалента сети (AN) | FAN | +/- 0,20 | k = 2 | 0,10 | |
Частотная интерполяция коэффициента калибровки по напряжению AN | | +/- 0,25 | Прямоугольная | 0,14 | - |
Полное сопротивление AN | | +2,6/-2,7 | Треугольная | 1,08 | |
Неопределенности, типичные для метода пробника тока |
Поправка приемника. Шаг частоты | | +0/-1,9 | Прямоугольная | 0,55 | См. K.3 (наихудший случай при значениях ширины полосы разрешения 9 кГц, 120 кГц и 1 МГц) |
Рассогласование пробник тока/проходной разъем | MCPBK | +1,14/-1,31 | U-образная | 0,87 | |
Коэффициент калибровки по току | FCP | +/- 0,30 | k = 2 | 0,15 | |
Частотная интерполяция коэффициента калибровки по току | | +/- 0,25 | Прямоугольная | 0,14 | - |
Расширенная неопределенность [U(E) = 2uc(E)] (в дБ) для кондуктивных помех при методе напряжения | - | - | 3,77 | - |
Расширенная неопределенность [U(E) = 2uc(E)] (в дБ) для кондуктивных помех при методе пробника тока | - | - | 3,51 | - |
<1> Согласно CISPR 16-4-2. <2> Согласно CISPR 16-4-2 (при рассмотрении кондуктивных помех на сетевом порте с использованием эквивалента сети питания). <3> Значение +/- 0,5 дБ применяют, если затухание кабеля(ей) измерительной системы и проходного разъема измеряются одновременно. Если затухание кабеля(ей) и проходного разъема измеряют отдельно, значение +/- 0,5 дБ необходимо удвоить. <4> Значение +/- 0,25 дБ применяют, если частотная интерполяция кабеля(ей) измерительной системы и проходного разъема измеряется одновременно. Если частотную интерполяцию кабеля(ей) и проходного разъема измеряют отдельно, значение +/- 0,25 дБ необходимо удвоить. - максимальный коэффициент отражения проходного разъема равен 0,2; - максимальный коэффициент отражения на входе приемника равен 0,2; - кабель не имеет потерь (|S21| = 1) и оптимально согласован (|S11| = |S22| = 0). - максимальный коэффициент отражения проходного разъема равен 0,2; - максимальный коэффициент отражения эквивалента сети (AN) равен 0,2; - кабель не имеет потерь (|S21| = 1) и оптимально согласован (|S11| = |S22| = 0). - максимальный коэффициент отражения проходного разъема равен 0,2; - максимальный коэффициент отражения пробника тока равен 0,7; - кабель не имеет потерь (|S21| = 1) и оптимально согласован (|S11| = |S22| = 0). <8> Согласно CISPR 16-4-2 (при рассмотрении кондуктивных помех с использованием пробника тока). |
Таблица M.2
Типовой бюджет неопределенностей. Излучаемые помехи
от компонентов/модулей. Метод ALSE
Излучаемые помехи от компонентов/модулей. Метод ALSE |
Входная величина xi | Обозначение | Неопределенность xi | ciu(xi) | Примечания |
дБ | Функция распределения вероятностей |
Неопределенности, общие для штыревой, биконической, логопериодической и рупорной антенны |
Показание приемника | VR | | k = 1 | 0,1 | - |
Поправка приемника. Синусоидальное напряжение | | | k = 2 | 0,5 | - |
Поправка приемника. Амплитудное соотношение | | | Прямоугольная | 0,87 | - |
Поправка приемника. Импульсная характеристика | | | Прямоугольная | 0,87 | - |
Затухание в кабеле(ях) предусилителя | LprC | +/- 0,5 | k = 2 | 0,25 | |
Частотная интерполяция затухания в кабеле(ях) предусилителя | | +/- 0,25 | Прямоугольная | 0,14 | |
Рассогласование предусилитель/приемник | MprRE | +0,92/-0,83 | U-образная | 0,62 | |
Усиление предусилителя | GApr | +/- 0,5 | k = 2 | 0,25 | |
Частотная интерполяция усиления предусилителя | | +/- 0,25 | Прямоугольная | 0,14 | |
Рассогласование вход/выход предусилителя | Mpr | +1,48/-1,78 | U-образная | 1,15 | |
Затухание внешнего(их) кабеля(ей) | LEXC | +/- 0,5 | k = 2 | 0,25 | |
Частотная интерполяция затухания внешнего(их) кабеля(ей) | | +/- 0,25 | Прямоугольная | 0,14 | |
Рассогласование проходной разъем/вход предусилителя | MBKpr | +0,54/-0,57 | U-образная | 0,39 | |
Затухание внутреннего(их) кабеля(ей) | LINC | +/- 0,5 | k = 2 | 0,25 | |
Частотная интерполяция затухания внутреннего(их) кабеля(ей) | | +/- 0,25 | Прямоугольная | 0,14 | |
Неопределенности, типичные для штыревой антенны |
Поправка приемника. Приближение к уровню минимального шума | | +/- 0 | Прямоугольная | 0,00 | |
Поправка приемника. Шаг частоты | | +0/-1,9 | Прямоугольная | 0,55 | См. K.3 (для ширины полосы разрешения 9 кГц) |
Рассогласование проходной разъем/антенна | MBKANT | +0,56/-0,60 | U-образная | 0,41 | |
Коэффициент калибровки антенны | FANT | +/- 1,5 | k = 2 | 0,75 | - |
Частотная интерполяция коэффициента калибровки антенны | | +/- 1 | Прямоугольная | 0,58 | - |
Изменение коэффициента калибровки антенны в зависимости от высоты | | +/- 0 | Прямоугольная | 0,00 | |
Отклонение направленности | | +/- 0 | Прямоугольная | 0,00 | Штыревая антенна является всенаправленной и не имеет преимущественного направления |
Кросс-поляризация | | +/- 0 | Прямоугольная | 0,00 | Для вибраторной антенны влияние кросс-поляризации, как правило, незначительно |
Симметрия | | +/- 0 | Прямоугольная | 0,00 | Отсутствует влияние симметрии на вибраторную антенну |
Неопределенности, типичные для биконической антенны |
Поправка приемника. Приближение к уровню минимального шума | | | Прямоугольная | 0,14 | |
Поправка приемника. Шаг частоты | | +0/-1,53 | Прямоугольная | 0,44 | См. K.3 (наихудший случай при значениях ширины полосы разрешения 120 кГц и 1 МГц) |
Рассогласование проходной разъем/антенна | MBKANT | +1,54/-1,87 | U-образная | 1,21 | |
Коэффициент калибровки антенны | FANT | +/- 1,5 | k = 2 | 0,75 | - |
Частотная интерполяция коэффициента калибровки антенны | | +/- 1 | Прямоугольная | 0,58 | - |
Изменение коэффициента калибровки антенны в зависимости от высоты | | +/- 1 | Прямоугольная | 0,58 | |
Отклонение направленности | | +/- 1 | Прямоугольная | 0,58 | |
Кросс-поляризация | | 0 | Прямоугольная | 0 | |
Симметрия | | +/- 0,9 | Прямоугольная | 0,52 | |
Неопределенности, типичные для логопериодической антенны |
Поправка приемника. Приближение к уровню минимального шума | | | Прямоугольная | 0,32 | |
Поправка приемника. Шаг частоты | | +0/-1,53 | Прямоугольная | 0,44 | См. K.3 (наихудший случай при значениях ширины полосы разрешения 120 кГц и 1 МГц) |
Рассогласование проходной разъем/антенна | MBKANT | +0,56/-0,60 | U-образная | 0,41 | |
Коэффициент калибровки антенны | FANT | +/- 1,5 | k = 2 | 0,75 | - |
Частотная интерполяция коэффициента калибровки антенны | | +/- 1 | Прямоугольная | 0,58 | - |
Изменение коэффициента калибровки антенны в зависимости от высоты | | +/- 0,3 | Прямоугольная | 0,17 | |
Отклонение направленности | | +/- 3,2 | Прямоугольная | 1,85 | |
Кросс-поляризация | | +/- 0,9 | Прямоугольная | 0,52 | |
Симметрия | | +/- 0,0 | Прямоугольная | 0,00 | |
Поправка приемника. Приближение к уровню минимального шума | | | Прямоугольная | 0,20 | |
Поправка приемника. Шаг частоты | | +0/-1,53 | Прямоугольная | 0,44 | См. K.3 (наихудший случай при значениях ширины полосы разрешения 120 кГц и 1 МГц) |
Рассогласование проходной разъем/антенна | MBKANT | +0,56/-0,60 | U-образная | 0,41 | |
Коэффициент калибровки антенны | FANT | +/- 1,5 | k = 2 | 0,75 | - |
Частотная интерполяция коэффициента калибровки антенны | | +/- 1 | Прямоугольная | 0,58 | - |
Изменение коэффициента калибровки антенны в зависимости от высоты | | +/- 0,0 | Прямоугольная | 0,00 | |
Отклонение направленности | | +3,00/-0,00 | Прямоугольная | 0,87 | |
Кросс-поляризация | | +/- 0,0 | Прямоугольная | 0,00 | |
Симметрия | | +/- 0,0 | Прямоугольная | 0,00 | |
Расширенная неопределенность [U(E) = 2uc(E)] (в дБ) для излучаемых помех при штыревой антенне | - | - | 4,61 | - |
Расширенная неопределенность [U(E) = 2uc(E)] (в дБ) для излучаемых помех при биконической антенне | - | - | 5,46 | - |
Расширенная неопределенность [U(E) = 2uc(E)] (в дБ) для излучаемых помех при логопериодической антенне | - | - | 6,01 | - |
Расширенная неопределенность [U(E) = 2uc(E)] (в дБ) для излучаемых помех при рупорной антенне | - | - | 4,90 | - |
<1> Согласно CISPR 16-4-2. <2> Согласно CISPR 16-4-2 (используются значения, предлагаемые для разных частотных полос от 150 кГц до 6 ГГц). <3> Значение +/- 0,5 дБ применяют, если затухание кабеля(ей) измерительной системы, предусилителя, адаптера полного сопротивления и проходного разъема измеряются одновременно. Если затухание кабеля(ей) и проходного разъема измеряют отдельно, значение +/- 0,5 дБ необходимо удвоить. <4> Значение +/- 0,25 дБ применяют, если частотная интерполяция кабеля(ей) измерительной системы, предусилителя, адаптера полного сопротивления и проходного разъема измеряется одновременно. Если частотную интерполяцию кабеля(ей) и проходного разъема измеряют отдельно, значение +/- 0,25 дБ необходимо удвоить. - максимальный коэффициент отражения предусилителя равен 0,5; - максимальный коэффициент отражения входа приемника равен 0,2; - кабель не имеет потерь (|S21| = 1) и оптимально согласован (|S11| = |S22| = 0). - максимальный коэффициент отражения на входе предусилителя равен 0,32; - максимальный коэффициент отражения на выходе предусилителя равен 0,5; - максимальный коэффициент передачи от входа к выходу предусилителя |S21| = 32 дБ; - максимальный коэффициент передачи от выхода ко входу предусилителя |S12| = -40 дБ. - максимальный коэффициент отражения проходного разъема равен 0,2; - максимальный коэффициент отражения на входе предусилителя равен 0,32; - кабель не имеет потерь (|S21| = 1) и оптимально согласован (|S11| = |S22| = 0). - максимальный коэффициент отражения проходного разъема равен 0,2; - максимальный коэффициент отражения штыревой антенны равен 0,33; - кабель не имеет потерь (|S21| = 1) и оптимально согласован (|S11| = |S22| = 0). <9> Основано на том, что коэффициент калибровки антенны не зависит от высоты при калибровке в соответствии с SAE ARP 958.1. |
<10> Применяют следующее: - максимальный коэффициент отражения проходного разъема равен 0,2; - максимальный коэффициент отражения биконической антенны равен 0,97; - кабель не имеет потерь (|S21| = 1) и хорошо согласован (|S11| = |S22| = 0). <11> Согласно CISPR 16-4-2 (значение для биконической антенны без наклона, используемой на OATS или в ALSE для расстояния 3 м, максимальное значение для горизонтальной и вертикальной поляризации). <12> Применяют следующее: - максимальный коэффициент отражения проходного разъема равен 0,2; - максимальный коэффициент отражения логопериодической антенны равен 0,33; - кабель не имеет потерь (|S21| = 1) и оптимально согласован (|S11| = |S22| = 0). <13> Согласно CISPR 16-4-2 (значение для логопериодической антенны без наклона на OATS или в ALSE при расстоянии 3 м и максимальное значение при горизонтальной и вертикальной поляризации). <14> Применяют следующее: - максимальный коэффициент отражения проходного разъема равен 0,2; - максимальный коэффициент отражения рупорной антенны равен 0,33; - кабель не имеет потерь (|S21| = 1) и оптимально согласован (|S11| = |S22| = 0). <15> Согласно CISPR 16-4-2 (значение для рупорной антенны без наклона, используемой на OATS или в ALSE для расстояния 3 м и рупорной антенны, используемой в диапазоне от 1 до 6 ГГц). |
(справочное)
ВОПРОСЫ, НАХОДЯЩИЕСЯ НА РАССМОТРЕНИИ
N.1 Общие положения
В настоящем приложении приведены пункты предстоящей работы, которые находятся на рассмотрении.
N.2 Методы измерения и нормы
Так как будет проводиться работа в подкомитетах A и H CISPR и TC 69, то настоящий стандарт будет пересмотрен и обновлен.
N.3 Метод валидации ALSE на частотах выше 1 ГГц
Вопрос будет рассмотрен в последующих пересмотрах настоящего стандарта.
N.4 Пересмотр области применения настоящего стандарта
Вопрос будет рассмотрен в последующих пересмотрах настоящего стандарта.
N.5 Реорганизация документа в отдельные части, аналогичные серии стандартов CISPR 16
Вопрос будет рассмотрен в последующих пересмотрах настоящего стандарта.
N.6 Включение испытательных установок для зарядки систем беспроводной передачи энергии (WPT)
Вопрос будет рассмотрен в последующих пересмотрах настоящего стандарта.
(справочное)
СВЕДЕНИЯ О СООТВЕТСТВИИ ССЫЛОЧНЫХ МЕЖДУНАРОДНЫХ СТАНДАРТОВ
МЕЖГОСУДАРСТВЕННЫМ СТАНДАРТАМ
Таблица ДА.1
Обозначение ссылочного международного стандарта | Степень соответствия | Обозначение и наименование межгосударственного стандарта |
IEC 61851-1:2017 | - | |
CISPR 16-1-1:2019 | - | |
CISPR 16-1-2:2014 | IDT | "Требования к аппаратуре для измерения радиопомех и помехоустойчивости и методы измерений. Часть 1-2. Аппаратура для измерения радиопомех и помехоустойчивости. Устройства связи для измерений кондуктивных помех" |
CISPR 16-1-6:2014 | - | |
ISO 7637-3:2016 | - | |
ISO 11452-4:2020 | - | |
Стандарт ARP 958.1 SAE Rev D:2003-02 | - | |
<*> Соответствующий межгосударственный стандарт отсутствует. До его принятия рекомендуется использовать перевод на русский язык данного международного стандарта. Примечание - В настоящей таблице использовано следующее условное обозначение степени соответствия стандарта: - IDT - идентичный стандарт. |
--------------------------------
<1> Действует ГОСТ IEC 61851-1-2017 "Система зарядки электрических транспортных средств проводная. Часть 1. Общие требования", идентичный IEC 61851-1:2010.
<2> Действует
ГОСТ CISPR 16-1-1-2016 "Требования к аппаратуре для измерения радиопомех и помехоустойчивости и методы измерений. Часть 1-1. Аппаратура для измерения и помехоустойчивости. Измерительная аппаратура", идентичный CISPR 16-1-1:2015.
| Gamauf K.J., Hartman W.J. Objective Measurement of Voice Channel Intelligibility, October 1977, available from the National Technical Information Service, Virginia 22151, USA, reference number FAA-RD-77-153 (Объективное измерение разборчивости в канале речевого сигнала, октябрь 1977; имеется в Национальной Технической Информационной Службе, Спрингфилд, Вирджиния 22151, США, ссылочный номер FAA-RD-77-153) |
[2] | CISPR 22 | Information technology equipment - Radio disturbance characteristics Limits and methods of measurement (Оборудование информационных технологий. Характеристики радиопомех. Нормы и методы измерения) |
| ITU-R BS. 1284-2 (01/2019) | General methods for the subjective assessment of sound quality (Общие методы субъективной оценки качества звука) |
| IEEE 1128-1998 | Recommended Practice for Radio Frequency (RF) Absorber - Evaluation in the Range of 30 MHz to 5 GHz [Рекомендуемое IEEE применение РЧ (RF) поглотителя. Оценка в диапазоне частот от 30 МГц до 5 ГГц] |
| IEC 60050-161:1990 | International Electrotechnical Vocabulary (IEV) - Part 161: Electromagnetic Compatibility (Международный электротехнический словарь. Часть 161. Электромагнитная совместимость) |
| CISPR 12:2007 Изменение 1:2009 | Vehicles, boats and internal combustion engine-driven devices - Radio disturbance characteristics - Limits and methods of measurements for the protection of off-board receivers (Транспортные средства, моторные лодки и устройства с двигателем внутреннего сгорания. Нормы и методы измерения для защиты небортовых приемников) |
| CISPR 16-2-3:2016 Изменение 1:2019 | Specification for radio disturbance and immunity measuring apparatus and methods - Part 2-3: Methods of measurement of disturbances and immunity - Radiated disturbance measurements (Технические требования к аппаратуре для измерения радиопомех и помехоустойчивости и методы измерения. Часть 2-3. Методы измерения радиопомех и помехоустойчивости. Измерения излучаемых помех) |
| Dr Luke Turnbull. The Groundplane Resonance - Problems With Radiated Emissions Measurements below 30 MHz, Automotive EMC Conference 2007, Newbury, UK, 16 October, pp 1 - 13 (Резонанс пластины заземления. Проблемы с измерением излучаемой эмиссии на частоте ниже 30 МГц. Конференция по ЭМС в автомобилях, Ньюберри. Великобритания. 2007. 16 октября. Стр. 1 - 13) |
[9] | Alexander Kriz, Wolfgang  , Friedrich-Wilhelm Trautnitz, Jochen Riedelsheimer, Herbert Seitl. Messtechnische Untersuchung des Einflusses der Erdung von  , Test Kompendium, 2004,  , publish-industry Verlag GmbH,  , 2003, pp 2 - 5 (Метрологические исследования влияния заземления измерительных площадок в CISPR 25. Сборник испытаний 2004. Измерение. Испытание/проверка. Верификация, издательство publish-industry Verlag GmbH, Мюнхен, 2003, стр. 2 - 5) |
[10] | Alexander Kriz, Wolfgang  . An accurate Validation Procedure For Component Testing Chambers, Compliance Engineering, 2002 November/December 2002, Page 40 - 43 (Процедура достоверной аттестации для камер, предназначенных для испытания компонентов, журнал Compliance Engineering. Ноябрь/декабрь 2002. Стр. 40 - 43) |
[11] | Alexander Kriz, Wolfgang  . Analysis of the CISPR 25 Component Test Setup, 2003. International Symposium on Electromagnetic Compatibility (EMC), Istanbul, Turkey, May, 11 - 16, 2003, pp. 229 - 232 (Анализ установки для испытания компонентов в СИСПР 25, 2003. Международный симпозиум по ЭМС, Стамбул. Турция, 2003. Май 11 - 16. Стр. 229 - 232) |
[12] | Bongartz, Deckers, Heina, Mooser, Nickel, Seiger. Proposal for the Validation of Absorber Lined Shielded Enclosures for CISPR 25 Emission Tests, IEEE Symposium on EMC, Austin, USA August 17 - 21, 2009 (Предложение по аттестации камер, облицованных поглощающим материалом для испытаний на эмиссию по CISPR 25. Симпозиум IEEE по ЭМС, Остин. США. 17 - 21 августа. 2009) |
[13] | Frederic Lafon, Renaud Dupendant, Josselin Davalan. Investigation on dispersion between CISPR 25 chambers for radiated emissions below 100 MHz, EMC Europe 2014, Gothenburg, Sweden, September, 1 - 4 2014 (Исследование разбросов между камерами для излучаемой эмиссии по CISPR 25 на частоте ниже 100 МГц. Конференция по ЭМС 2014. Готенбург. Швеция. 1 - 14 сентября 2014) |
| ETSI TS 136 101: LTE (Долгосрочная эволюция) | Evolved Universal Terrestrial Radio Access (E-UTRA); User Equipment (UE) radio transmission and reception (3GPP TS 36.101) [Расширенный универсальный наземный радиодоступ (E-UTRA); прием и передача (3GPP TS 36.101) на оборудовании пользователя (UE)] |
[15] | ISO 11898-1 | Road vehicles - Controller area network (CAN) - Part 1: Data link layer and physical signaling (Дорожные транспортные средства. Асинхронная последовательная коммуникационная шина (шина CAN). Часть 1. Уровень линии данных и физическая передача сигналов) |
[16] | IEC 62196-1:2014 | Plugs, socket-outlets, vehicle connectors and vehicle inlets - Conductive charging of electric vehicles - Part 1: General requirements) (Вилки, штепсельные розетки, соединители и выводы для транспортных средств. Проводная система зарядки для электромобилей. Часть 1. Общие требования) |
[17] | CISPR 16-2-1:2014 Изменение 1:2017 | Specification for radio disturbance and immunity measuring apparatus and methods - Part 2-1: Methods of measurements of disturbances and immunity - Conducted disturbance measurements (Технические требования к аппаратуре для измерения радиопомех и помехоустойчивости и методы измерения. Часть 2-1. Методы измерения радиопомех и помехоустойчивости. Измерение кондуктивных помех) |
[18] | CISPR 32:2015 | Electromagnetic compatibility of multimedia equipment - Emission requirements (Электромагнитная совместимость оборудования мультимедиа. Требования к излучению/эмиссии) |
[19] | CISPR 16-4-2:2011 Изменение 1:2014 Изменение 2:2018 | Specification of radio disturbance and immunity measuring apparatus and methods - Part 4-2: Uncertainties, statistics and limit modeling - Measurement instrumentation uncertainty (Технические требования к аппаратуре для измерения радиопомех и помехоустойчивости и методы измерения. Часть 4-2. Неопределенности, статистика и моделирование норм. Инструментальная погрешность измерения) |
| ETSI TS 138 101-1 V16.4.0 (2020-07) | Technical Specification 5G; NR; User Equipment (UE) radio transmission and reception - Part 1: Range 1 Standalone (3GPP TS 38.101-1 version 16.4.0 Release 16) [Технические требования к 5G; NR; прием и передача (3GPP TS 36.101) на оборудовании пользователя (UE). Часть 1. Автономная установка диапазона 1 (3GPP TS 38.101-1. Версия 16.4.0 Релиз 16)] |
[21] | IEEE 1394-2008 | IEEE Standard for a High-Performance Serial Bus (Стандарт IEEE для высокоскоростной последовательной шины) |
УДК 621.396.397.001.4:006.354 | | IDT |
Ключевые слова: электромагнитная совместимость, транспортные средства, излучаемые помехи, кондуктивные помехи, нормы на помехи для защиты приемников на подвижных средствах и методы испытаний, неопределенность измерений |