Главная // Актуальные документы // ГОСТ (Государственный стандарт)СПРАВКА
Источник публикации
М.: Стандартинформ, 2014
Примечание к документу
Документ утратил силу с 01.11.2023 в связи с изданием
Приказа Росстандарта от 27.10.2023 N 1270-ст. Взамен введен в действие
ГОСТ 32498-2020.
Документ включен в
Перечень документов в области стандартизации, в результате применения которых на добровольной основе обеспечивается соблюдение требований Федерального
закона от 30.12.2009 N 384-ФЗ "Технический регламент о безопасности зданий и сооружений" (
Приказ Росстандарта от 02.04.2020 N 687).
Документ включен в
Перечень документов в области стандартизации, в результате применения которых на добровольной основе обеспечивается соблюдение требований Федерального
закона от 30.12.2009 N 384-ФЗ "Технический регламент о безопасности зданий и сооружений" (
Приказ Росстандарта от 17.04.2019 N 831).
Документ включен в
Перечень документов в области стандартизации, в результате применения которых на добровольной основе обеспечивается соблюдение требований Федерального
закона от 30.12.2009 N 384-ФЗ "Технический регламент о безопасности зданий и сооружений" (
Приказ Росстандарта от 30.03.2015 N 365).
Текст данного документа приведен с учетом
поправки, опубликованной в "ИУС", N 4, 2016.
Документ
введен в действие с 01.01.2015.
Название документа
"ГОСТ 32498-2013. Межгосударственный стандарт. Здания и сооружения. Методы определения показателей энергетической эффективности искусственного освещения"
(введен в действие Приказом Росстандарта от 30.12.2013 N 2394-ст)
"ГОСТ 32498-2013. Межгосударственный стандарт. Здания и сооружения. Методы определения показателей энергетической эффективности искусственного освещения"
(введен в действие Приказом Росстандарта от 30.12.2013 N 2394-ст)
агентства по техническому
регулированию и метрологии
от 30 декабря 2013 г. N 2394-ст
МЕЖГОСУДАРСТВЕННЫЙ СТАНДАРТ
ЗДАНИЯ И СООРУЖЕНИЯ
МЕТОДЫ ОПРЕДЕЛЕНИЯ ПОКАЗАТЕЛЕЙ ЭНЕРГЕТИЧЕСКОЙ
ЭФФЕКТИВНОСТИ ИСКУССТВЕННОГО ОСВЕЩЕНИЯ
Buildings and structures. Method for determining
energy efficiency of interior lighting
(EN 15193:2007, NEQ)
ГОСТ 32498-2013
Дата введения
1 января 2015 года
Цели, основные принципы и основной порядок проведения работ по межгосударственной стандартизации установлены
ГОСТ 1.0-92 "Межгосударственная система стандартизации. Основные положения" и
ГОСТ 1.2-2009 "Межгосударственная система стандартизации. Стандарты межгосударственные, правила и рекомендации по межгосударственной стандартизации. Правила разработки, принятия, применения, обновления и отмены".
1. Разработан Федеральным государственным бюджетным учреждением "Научно-исследовательский институт строительной физики Российской Академии архитектуры и строительных наук" (НИИСФ РААСН) при участии Общества с ограниченной ответственностью "ЦЕРЕРА-ЭКСПЕРТ" (ООО "ЦЕРЕРА-ЭКСПЕРТ").
2. Внесен Техническим комитетом по стандартизации ТК 465 "Строительство".
3. Принят Межгосударственным советом по стандартизации, метрологии и сертификации (Протокол от 14 ноября 2013 г. N 44-П).
За принятие стандарта проголосовали:
Краткое наименование страны по МК (ИСО 3166) 004-97 | Код страны по МК (ИСО 3166) 004-97 | Сокращенное наименование национального органа по стандартизации |
Армения | AM | Минэкономики Республики Армения |
Киргизия | KG | Кыргызстандарт |
Россия | RU | Росстандарт |
Таджикистан | TJ | Таджикстандарт |
Украина | UA | Минэкономразвития Украины |
Узбекистан | UZ | Узстандарт |
4.
Приказом Федерального агентства по техническому регулированию и метрологии от 30 декабря 2013 г. N 2394-ст межгосударственный стандарт ГОСТ 32498-2013 введен в действие в качестве национального стандарта Российской Федерации с 1 января 2015 г.
5. Настоящий стандарт соответствует основным нормативным положениям международного стандарта: EN 15193:2007 Energy performance of buildings - Energy requirements for lighting (Энергетические характеристики зданий. Энергетические требования к освещению) в части терминов и определений, схем измерений потребления электроэнергии искусственным освещением, методов определения полной и паразитной мощности светильников.
Степень соответствия - неэквивалентная (NEQ).
6. Введен впервые.
Информация об изменениях к настоящему стандарту публикуется в ежегодном информационном указателе "Национальные стандарты", а текст изменений и поправок - в ежемесячном информационном указателе "Национальные стандарты". В случае пересмотра (замены) или отмены настоящего стандарта соответствующее уведомление будет опубликовано в ежемесячном информационном указателе "Национальные стандарты". Соответствующая информация, уведомление и тексты размещаются также в информационной системе общего пользования - на официальном сайте Федерального агентства по техническому регулированию и метрологии в сети Интернет.
Настоящий стандарт устанавливает методы расчета и измерения расхода электрической энергии, потребляемой искусственным освещением помещений и зданий, а также методы расчета удельной установленной мощности искусственного освещения помещений.
Настоящий стандарт распространяется на искусственное освещение общественных, жилых и производственных зданий.
Нормируемые показатели и нормативные значения показателей энергетической эффективности искусственного освещения для конкретных видов помещений и зданий определены
ГОСТ 31427 и межгосударственными сводами правил по проектированию и строительству.
В настоящем стандарте использованы нормативные ссылки на следующие стандарты:
ГОСТ 8.417-2002 Государственная система обеспечения единства измерений. Единицы величин
ГОСТ 8711-93 (МЭК 51-2-84) Приборы аналоговые, показывающие электроизмерительные прямого действия и вспомогательные части к ним. Часть 2. Особые требования к амперметрам и вольтметрам
ГОСТ 31427-2010 Здания жилые и общественные. Состав показателей энергетической эффективности.
Примечание. При пользовании настоящим стандартом целесообразно проверить действие ссылочных стандартов в информационной системе общего пользования - на официальном сайте Федерального агентства по техническому регулированию и метрологии в сети Интернет или по ежегодному информационному указателю "Национальные стандарты", который опубликован по состоянию на 1 января текущего года, и по выпускам ежемесячного информационного указателя "Национальные стандарты" за текущий год. Если ссылочный стандарт заменен (изменен), то при пользовании настоящим стандартом следует руководствоваться заменяющим (измененным) стандартом. Если ссылочный стандарт отменен без замены, то положение, в котором дана ссылка на него, применяется в части, не затрагивающей эту ссылку.
В настоящем стандарте применены следующие термины с соответствующими определениями по EN 15193:2007:
3.1. Стационарные светильники (built-in luminaries): светильники, устанавливаемые стационарно для обеспечения рабочего и аварийного искусственного освещения помещений.
3.2. Аппаратура управления светильником (control gear): компоненты рабочего и аварийного искусственного освещения помещений, необходимые для управления освещением.
3.3. Мощность (power):
3.3.1. Мощность светильника (luminaire power) Pi: электрическая мощность, потребляемая источниками света, пускорегулирующими устройствами и системами управления освещением, включая паразитную мощность при включенном светильнике.
3.3.2. Установленная мощность искусственного освещения в помещении (total installed lighting power in the room) Pn, Вт: мощность всех светильников в помещении или зоне, определяемая по формуле

(1)
3.3.3. Паразитная мощность (parasitic power):
3.3.3.1. Паразитная мощность светильника (luminaire parasitic power) Ppi, Вт: сумма электрической мощности, потребляемой зарядной цепью светильников аварийного освещения, и мощности, потребляемой системами автоматического управления светильниками при выключенных источниках света, определяемая по формуле
Ppi = Pci + Pei. (2)
3.3.3.2. Паразитная мощность средств управления при выключенных лампах (parasitic power of the controls only during the time with the lamps off) Pci, Вт: мощность средств управления и/или зарядная мощность для аккумуляторов, потребляемая системой аварийного освещения при выключенных светильниках.
3.3.3.3. Зарядная мощность аварийного освещения (emergency lighting charging power) Pei, Вт: входная мощность зарядной цепи аварийных светильников при выключенных источниках света.
3.3.4. Полная установленная паразитная мощность средств управления в помещении или зоне (total installed parasitic power of the controls in the room or zone) Ppc, Вт: входная мощность всех систем управления в помещении при выключенных источниках света, определяемая по формуле

(3)
3.3.5. Полная установленная зарядная мощность светильников аварийного освещения в помещении или зоне (total installed charging power of the emergency lighting luminaries in the room or zone) Pem, Вт: зарядная мощность светильников аварийного освещения в помещении или зоне, определяемая по формуле

(4)
3.4. Энергия (energy):
3.4.1. Полная энергия, используемая для освещения (total energy used for lighting), W
t, кВт·ч
<1>: энергия, израсходованная светильниками в течение времени t при включенных источниках света и паразитными нагрузками при выключенных источниках света в помещениях.
3.4.2. Расход энергии, используемой для освещения (energy consumption used for illumination), WL,t, кВт·ч <1>: энергия, израсходованная светильником за промежуток времени t при включенных лампах, выполняющих функцию и назначение освещения в здании.
3.4.3. Расход светильником паразитной энергии (luminaire parasitic energy consumption) WP,t, кВт·ч <1>: паразитная энергия, израсходованная за промежуток времени t зарядной цепью светильника аварийного освещения системой управления светильниками при выключенных лампах.
--------------------------------
3.5. Промежуток времени (time):
3.5.1. Рабочее время (operating time) t, ч: промежуток времени потребления энергии.
3.5.2. Рабочее время искусственного освещения за год (annual operating time) t0, ч: количество рабочих часов за год источников света и светильников, определяемое по формуле
t0 = tD + tN. (5)
Примечание. Количество рабочих часов определяется в зависимости от использования помещения по
таблице В.1 Приложения В.
3.5.3. Стандартная продолжительность года (standard year time) ty: промежуток времени, учитываемый по окончании одного стандартного года, определяемый как 8760 ч.
3.5.4. Продолжительность работы искусственного освещения в светлое время суток, ч (daylight time usage) tD, ч: время работы искусственного освещения при естественном освещении.
3.5.5. Продолжительность работы в темное время суток, ч (non-daylight time usage) в темное время tN, ч: время работы искусственного освещения в отсутствие естественного освещения.
3.5.6. Время зарядки аварийного освещения (emergency lighting charge time) tem, ч: время, в течение которого заряжаются аккумуляторы аварийного освещения.
3.6. Полезная площадь (useful area) A, м2: площадь пола внутри наружных стен, исключая неосвещаемые пространства.
3.7. Удельная установленная мощность

, Вт/м
2: установленная мощность искусственного освещения в помещении, приходящаяся на единицу освещаемой площади (отнесенная к полезной площади).
3.8. Количественный показатель энергетической эффективности искусственного освещения здания (Lighting Energy Numeric Indicator) LENI, кВт·ч/(м2·год): удельный расход энергии, используемой для освещения помещений в здании в течение года.
Примечание. LENI может быть использован для прямых сравнений электроэнергии, расходуемой на освещение зданий, имеющих одинаковое функциональное назначение, но отличающихся размерами и конфигурацией.
4. Расчет расхода электрической энергии
на искусственное освещение помещений
4.1. Полная энергия, используемая для освещения
4.1.1. Полная расчетная энергия
Полная расчетная энергия, расходуемая на искусственное освещение помещения (помещений) в течение времени t, кВт·ч, рассчитывается по формуле
Wt = WL,t + WP,t, (6)
где энергия, расходуемая на искусственное освещение помещения (помещений) WL,t, кВт·ч, определяется по формуле

(7)
Паразитная энергия WP,t, кВт·ч, необходимая для зарядки аккумуляторов в светильниках аварийного освещения, а также расходуемая средствами управления освещением в помещении (помещениях) определяется по формуле

(8)
Примечание 1. Полная энергия на искусственное освещение может быть рассчитана для любого установленного промежутка времени (час, сутки, неделя, месяц или год).
Примечание 2. Для существующих зданий значения величин WP,t и WL,t могут определяться более точно путем измерения энергии, используемой на освещение.
Примечание 3. WP,t в формуле (8) не включает в себя мощность, потребляемую системой аварийного освещения, работающей от аккумулятора.
4.1.2. Полная годовая энергия, используемая для освещения помещения (помещений), кВт·ч/год, определяется по формуле
W = WL + WP, (9)
где годовая энергия для освещения, необходимая для выполнения функции и назначения освещения в здании W
L, и годовая паразитная энергия W
P, требуемая для обеспечения зарядной энергии для аварийного освещения и энергии для управления освещением в здании, должны определяться по
формулам (7) и
(8) соответственно.
4.2. Удельная установленная мощность в помещении, Вт/м2, рассчитывается по формуле

(10)
где An - площадь освещаемого помещения или зоны.
Количественный показатель энергетической эффективности искусственного освещения здания LENI, кВт·ч/(год·м2), определяют по формуле
LENI = W/A, (11)
где W - полная годовая энергия, используемая для освещения здания, кВт·ч/год;
A - полная полезная площадь пола здания, м2.
5. Измерение расхода электрической энергии
на искусственное освещение помещений
5.1. Потребление энергии для освещения может по отдельности измеряться любым из методов с использованием следующих измерительных приборов и систем:
а) счетчики электроэнергии в киловатт-часах, устанавливаемые в специализированных цепях в электрической распределительной системе;
б) локальные измерители мощности, связанные с контроллерами освещения системы управления освещением или интегрированные в эту систему;
в) система управления освещением, которая может рассчитать локальную потребляемую энергию и предоставить информацию для системы управления зданием;
г) система управления освещением, которая может рассчитать энергию, потребляемую на одну секцию здания;
д) система управления освещением, которая регистрирует часы работы, пропорциональность (уровень ослабления светового потока) и связывает это с внутренней базой данных по установленной нагрузке.
5.2. Для измерения расхода электроэнергии следует применять счетчики электроэнергии и локальные измерители мощности класса точности не ниже 1,5 по
ГОСТ 8711.
5.3. Разделение нагрузок
Сеть системы управления освещением должна обеспечивать такую же функцию разделения нагрузок, как и система распределения мощности.
5.4. Дистанционные измерения
а) Дистанционные измерения рекомендуются для зданий, оснащенных полностью разделенными системами распределения мощности;
б) Дистанционные измерения в зданиях допускается также использовать в целях получения информации для дополнительных интеллектуальных систем управления освещением.
Примечание 1. В Приложении А приведены примеры схем измерения.
Примечание 2. В
Приложении Б приведен метод определения полной и паразитной мощности светильников.
(рекомендуемое)
СХЕМЫ
ИЗМЕРЕНИЙ ПОТРЕБЛЕНИЯ ЭЛЕКТРОЭНЕРГИИ
ИСКУССТВЕННЫМ ОСВЕЩЕНИЕМ ПО EN 15193:2007
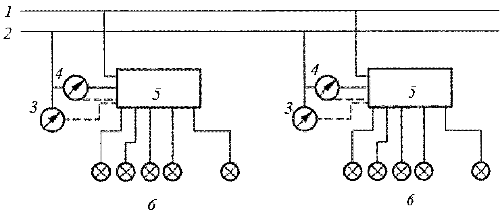
А.1. Для учета расхода электроэнергии на освещение необходимо устанавливать электросчетчики отдельно, как показано на рис. А.1 и
рис. А.2.
1 - основной источник электропитания; 2 - другие
цепи счетчика электроэнергии в киловатт-часах;
3 - цепь питания электрооборудования; 4 - счетчик
расхода энергии на освещение в киловатт-часах;
5 - цепь электропитания освещения
Рисунок А.1. Счетчики электроэнергии на выделенных цепях
освещения в электрической распределительной сети
| | ИС МЕГАНОРМ: примечание. Текст дан в соответствии с официальным текстом документа. | |
1 - основной источник электропитания; 2 - счетчик
электроэнергии в киловатт-часах - полная энергия;
3 - цепь питания электрооборудования 1; 4 - цепь питания
электрооборудования 2; 5 - счетчик электроэнергии
в киловатт-часах - цепь электропитания освещения 1;
6 - счетчик электроэнергии в киловатт-часах - цепь
электропитания освещения 2я
Рисунок А.2. Счетчики электроэнергии на выделенных цепях
освещения в здании с разделением цепей электропитания
освещения по этажам
В примере, приведенном на
рисунке А.1, счетчик электроэнергии для освещения подключен параллельно счетчику электроэнергии для остальных электрических устройств. В этом случае потребление электроэнергии на освещение для всего здания определяется непосредственно по показанию счетчика 4.
Сумма показаний двух счетчиков определяет полный расход электроэнергии в здании.
В примере, приведенном на рисунке А.2, счетчики электроэнергии для освещения, распределенные по разным этажам, подключаются последовательно к центральному счетчику электроэнергии в здании. В этом случае показатели счетчиков электроэнергии по этажам суммируются.
Локальные показания счетчиков электроэнергии в киловатт-часах могут быть считаны и суммированы системой управления зданием.
А.2. Измерение расхода электроэнергии на освещение может осуществляться с помощью измерителей мощности (ваттметров), подключенных к контроллерам освещения системы управления освещением или встроенных в контроллеры.
На приведенном рисунке А.3 вольтметры и амперметры (или ваттметры) устанавливаются на силовом входе каждого контроллера освещения. Отдельные контроллеры освещения вычисляют полную потребляемую энергию путем интегрирования этих значений по времени.
1 - шина электропитания освещения; 2 - источник
питания 220 В; 3 - вольтметр; 4 - амперметр;
5 - контроллер освещения; 6 - светильники
Рисунок А.3. Подключение вольтметров и амперметров
к входам контроллеров освещения
Соответствующие значения поступают либо на центральный компьютер системы освещения, либо на центральный компьютер системы управления зданием. Центральный компьютер может обрабатывать эту информацию и представлять численные данные по израсходованной энергии, в частности, в расчете на площадь за месяц и/или для полного освещения здания в течение 12 мес в требуемом формате.
Система управления освещением должна регистрировать часы работы, пропорциональность (уровень ослабления светового потока) и связывать эти данные с внутренней базой данных по установленной нагрузке. Система управления освещением направляет эту информацию в систему управления зданием или может предоставить информацию в экспортируемом формате.
Контроллер освещения суммирует промежутки времени в расчете на осветительную нагрузку и обеспечивает доступность получаемых значений через соответствующий компьютер.
(рекомендуемое)
МЕТОД ОПРЕДЕЛЕНИЯ ПОЛНОЙ И ПАРАЗИТНОЙ МОЩНОСТИ
СВЕТИЛЬНИКОВ ПО EN 15193:2007
Б.1. Значения полной и паразитной мощности светильников используются при расчете энергоэффективности зданий исходя из требований к освещению. Значения мощности должны округляться до ближайшего целого числа для мощности 10 Вт и выше и до двух значащих цифр, если мощность меньше 10 Вт. Эти значения должны находиться в пределах 5% заявленного значения.
Б.2. Измерение полной мощности светильников и паразитной мощности (резервной входной мощности для средств управления, датчиков и зарядной мощности для цепей аварийного освещения) проводятся в условиях, которые близки к условиям эксплуатации этих светильников.
Б.3. Вольтметры, амперметры и ваттметры должны соответствовать требованиям для приборов с классом точности 0,5 или выше.
Б.4. Светильники для проведения измерений берутся из выпущенной изготовителем партии светильников. Светильник должен устанавливаться в положении, в котором он будет использоваться.
Б.5. Испытательное напряжение на зажимах подключения источника питания светильника должно быть его номинальным напряжением.
Б.6. Значение мощности светильника должно включать в себя потери во всех источниках света, в пускорегулирующей аппаратуре и в других компонентах в нормальном полном рабочем режиме вывода или при максимальном световом выходе, если светильник оснащен аппаратурой управления, уменьшающей силу света.
Б.7. Паразитная мощность светильника Ppi при выключенных источниках света должна быть заявленной номинальной мощностью светильника, работающего только в резервном режиме. В случае управляемых светильников эта мощность является мощностью датчиков, а в случае аварийных светильников - мощностью для зарядки аккумуляторов в установившемся режиме.
Б.8. Паразитная мощность светильника аварийного освещения Pei для зарядки аккумуляторов в аварийных светильниках должна соответствовать заявленной номинальной мощности встроенного светильника, работающего только в режиме зарядки аккумулятора.
Б.9. Резервная паразитная мощность светильника Pci для резервного режима средств управления освещением и датчиков без включенных ламп должна соответствовать объявленной производителем паразитной мощности светильников.
Б.10. В существующих зданиях, в которых мощность светильников Pi неизвестна, она может быть рассчитана как произведение мощности источника света на:
а) число источников света в светильнике - для источников света, работающих непосредственно от напряжения питающей сети, например лампы накаливания, люминесцентные лампы и т.д.;
б) число источников света в светильнике и на коэффициент 1,2 - для источников света, подключенных к питающей сети через пускорегулирующую аппаратуру или трансформатор в светильнике.
Б.11. В существующих зданиях, в которых потребление паразитной энергии неизвестно, годовой расход энергии может быть оценен как 1 кВт·ч/(м2·год) для аварийного освещения и 5 кВт·ч/(м2·год) для автоматических средств управления освещением, если они используются (полный расход энергии WP = 6 кВт·ч/(м2·год).
(рекомендуемое)
ГОДОВОЕ ВРЕМЯ ИСПОЛЬЗОВАНИЯ ИСКУССТВЕННОГО ОСВЕЩЕНИЯ
ПОМЕЩЕНИЙ ОБЩЕСТВЕННЫХ И ПРОИЗВОДСТВЕННЫХ ЗДАНИЙ
Вид осветительной установки | Вид освещения | Режим работы | Географическая широта | Годовое время использования искусственного освещения t0, ч |
Внутреннее освещение помещений общественных и промышленных зданий: | | | | |
с естественным освещением | рабочее и аварийное | 1 смена | Южнее 50° с.ш. | 700 |
От 50° до 60° с.ш. | 750 |
Севернее 60° с.ш. | 850 |
то же | 2 смены | Любая | 2250 |
то же | 3 смены | " | 4150 |
то же | непрерывная работа | " | 4800 |
эвакуационное | вне зависимости от режима работы | " | 4800 |
без естественного освещения | рабочее и аварийное | 1 смена | " | 2150 |
то же | 2 смены | " | 4300 |
то же | 3 смены | " | 6500 |
эвакуационное | вне зависимости от режима работы | " | ty = 8760 |