Главная // Актуальные документы // ГОСТ (Государственный стандарт)СПРАВКА
Источник публикации
М.: Стандартинформ, 2017
Примечание к документу
Документ
введен в действие с 1 января 2019 года.
Название документа
"ГОСТ ISO 7044-2016. Межгосударственный стандарт. Гайки шестигранные самостопорящиеся цельнометаллические с фланцем, тип 2. Классы точности A и B"
(введен в действие Приказом Росстандарта от 02.06.2017 N 484-ст)
"ГОСТ ISO 7044-2016. Межгосударственный стандарт. Гайки шестигранные самостопорящиеся цельнометаллические с фланцем, тип 2. Классы точности A и B"
(введен в действие Приказом Росстандарта от 02.06.2017 N 484-ст)
агентства по техническому
регулированию и метрологии
от 2 июня 2017 г. N 484-ст
МЕЖГОСУДАРСТВЕННЫЙ СТАНДАРТ
ГАЙКИ ШЕСТИГРАННЫЕ САМОСТОПОРЯЩИЕСЯ
ЦЕЛЬНОМЕТАЛЛИЧЕСКИЕ С ФЛАНЦЕМ, ТИП 2
КЛАССЫ ТОЧНОСТИ A И B
Prevailing torque type all-metall hexagon nuts
with flange, style 2. Product grades A and B
(ISO 7044:2012, IDT)
ГОСТ ISO 7044-2016
Дата введения
1 января 2019 года
Цели, основные принципы и основной порядок проведения работ по межгосударственной стандартизации установлены в
ГОСТ 1.0-2015 "Межгосударственная система стандартизации. Основные положения" и
ГОСТ 1.2-2015 "Межгосударственная система стандартизации. Стандарты межгосударственные, правила и рекомендации по межгосударственной стандартизации. Правила разработки, принятия, обновления и отмены"
1 ПОДГОТОВЛЕН Федеральным государственным унитарным предприятием "Центральный ордена Трудового Красного Знамени научно-исследовательский автомобильный и автомоторный институт "НАМИ" (ФГУП "НАМИ") на основе собственного перевода на русский язык стандарта, указанного в
пункте 5
2 ВНЕСЕН Федеральным агентством по техническому регулированию и метрологии
3 ПРИНЯТ Межгосударственным советом по стандартизации, метрологии и сертификации (протокол от 25 октября 2016 г. N 92-П).
За принятие проголосовали:
Краткое наименование страны по МК (ИСО 3166) 004-97 | Код страны по МК (ИСО 3166) 004-97 | Сокращенное наименование национального органа по стандартизации |
Армения | AM | Минэкономики Республики Армения |
Беларусь | BY | Госстандарт Республики Беларусь |
Грузия | GE | Грузстандарт |
Киргизия | KG | Кыргызстандарт |
Россия | RU | Росстандарт |
Таджикистан | TJ | Таджикстандарт |
Узбекистан | UZ | Узстандарт |
Украина | UA | Минэкономразвития Украины |
4
Приказом Федерального агентства по техническому регулированию и метрологии от 2 июня 2017 г. N 484-ст межгосударственный стандарт ГОСТ ISO 7044-2016 введен в действие в качестве национального стандарта Российской Федерации с 1 января 2019 г.
5 Настоящий стандарт идентичен международному стандарту ISO 7044:2012 "Гайки шестигранные самостопорящиеся цельнометаллические с фланцем, тип 2. Классы точности A и B" ("Prevailing torque type all-metall hexagon nuts with flange, style 2 - Product grades A and B", IDT").
Международный стандарт разработан Техническим комитетом ISO/TC 2 "Изделия крепежные", подкомитетом SC 12 "Изделия крепежные с внутренней метрической резьбой".
Официальные экземпляры международного стандарта, на основе которого подготовлен настоящий межгосударственный стандарт, и международных стандартов, на которые даны ссылки, имеются в Федеральном агентстве по техническому регулированию и метрологии.
При применении настоящего стандарта рекомендуется использовать вместо ссылочных международных стандартов соответствующие им межгосударственные стандарты, сведения о которых приведены в дополнительном
приложении ДА
6 ВВЕДЕН ВПЕРВЫЕ
Информация об изменениях к настоящему стандарту публикуется в ежегодном информационном указателе "Национальные стандарты", а текст изменений и поправок - в ежемесячном информационном указателе "Национальные стандарты".
В случае пересмотра (замены) или отмены настоящего стандарта соответствующее уведомление будет опубликовано в ежемесячном информационном указателе "Национальные стандарты". Соответствующая информация, уведомление и тексты размещаются также в информационной системе общего пользования - на официальном сайте Федерального агентства по техническому регулированию и метрологии в сети Интернет (www.gost.ru)
Настоящий стандарт устанавливает характеристики шестигранных самостопорящихся цельнометаллических гаек с фланцем, тип 2, с резьбой от М5 до М20 включительно, класса точности A для резьбы до М16 включительно и класса точности B для резьбы свыше М16, классов прочности 8, 9, 10 и 12.
Примечание - Размеры гаек соответствуют размерам, указанным в ISO 4161, плюс обжатой части.
Если необходимы другие характеристики, они должны быть выбраны из существующих международных стандартов, например, ISO 261, ISO 965-2, ISO 2320 и ISO 4759-1.
Для применения настоящего стандарта необходимы следующие ссылочные документы. Для датированных ссылок применяют только указанное издание ссылочного документа, для недатированных ссылок применяют последнее издание ссылочного документа (включая все изменения).
ISO 225, Fasteners - Bolts, screws, studs and nuts - Symbols and descriptions of dimensions (Крепежные изделия. Болты, винты, шпильки и гайки. Символы и обозначения размеров)
ISO 261, ISO general purpose metric screw threads - General plan (Резьбы метрические ISO общего назначения. Общий план)
ISO 724, ISO general-purpose metric screw threads - Basic dimensions (Резьбы метрические ISO общего назначения. Основные размеры)
ISO 898-2, Mechanical properties of fasteners made of carbon steel and alloy steel - Part 2, Nuts with specified property classes - Coarse thread and fine pitch thread (Механические свойства крепежных изделий из углеродистой стали и легированной стали. Часть 2. Гайки установленного класса прочности. Крупная и мелкая резьба)
ISO 965-2, ISO general purpose metric screw threads - Tolerances - Part 2: Limits of sizes for general purpose external and internal screw threads - Medium quality (Резьбы метрические ИСО общего назначения. Допуски. Часть 2. Предельные размеры для наружной и внутренней резьб общего назначения. Средний класс точности)
ISO 2320, Prevailing torque type steel nuts - Mechanical and performance properties (Гайки стальные самостопорящиеся. Механические и эксплуатационные свойства)
ISO 3269, Fasteners - Acceptance inspection (Изделия крепежные. Приемочный контроль)
ISO 4042, Fasteners - Electroplated coatings (Изделия крепежные. Электролитические покрытия)
ISO 4759-1, Tolerances for fasteners - Part 1: Bolts, screws, studs and nuts - Product grades A, B and C (Изделия крепежные. Допуски. Часть 1. Болты, винты, шпильки и гайки. Классы точности A, B и C)
ISO 6157-2, Fasteners - Surface discontinuities - Part 2: Nuts (Изделия крепежные - Дефекты поверхности - Часть 2. Гайки)
ISO 8992, Fasteners - General requirements for bolts, screws, studs and nuts (Изделия крепежные. Общие требования для болтов, винтов, шпилек, гаек)
ISO 10683, Fasteners - Non-electrolytically applied zinc flake coatings (Детали крепежные. Покрытия, полученные при нанесении дисперсии чешуек цинка неэлектролитическим методом)
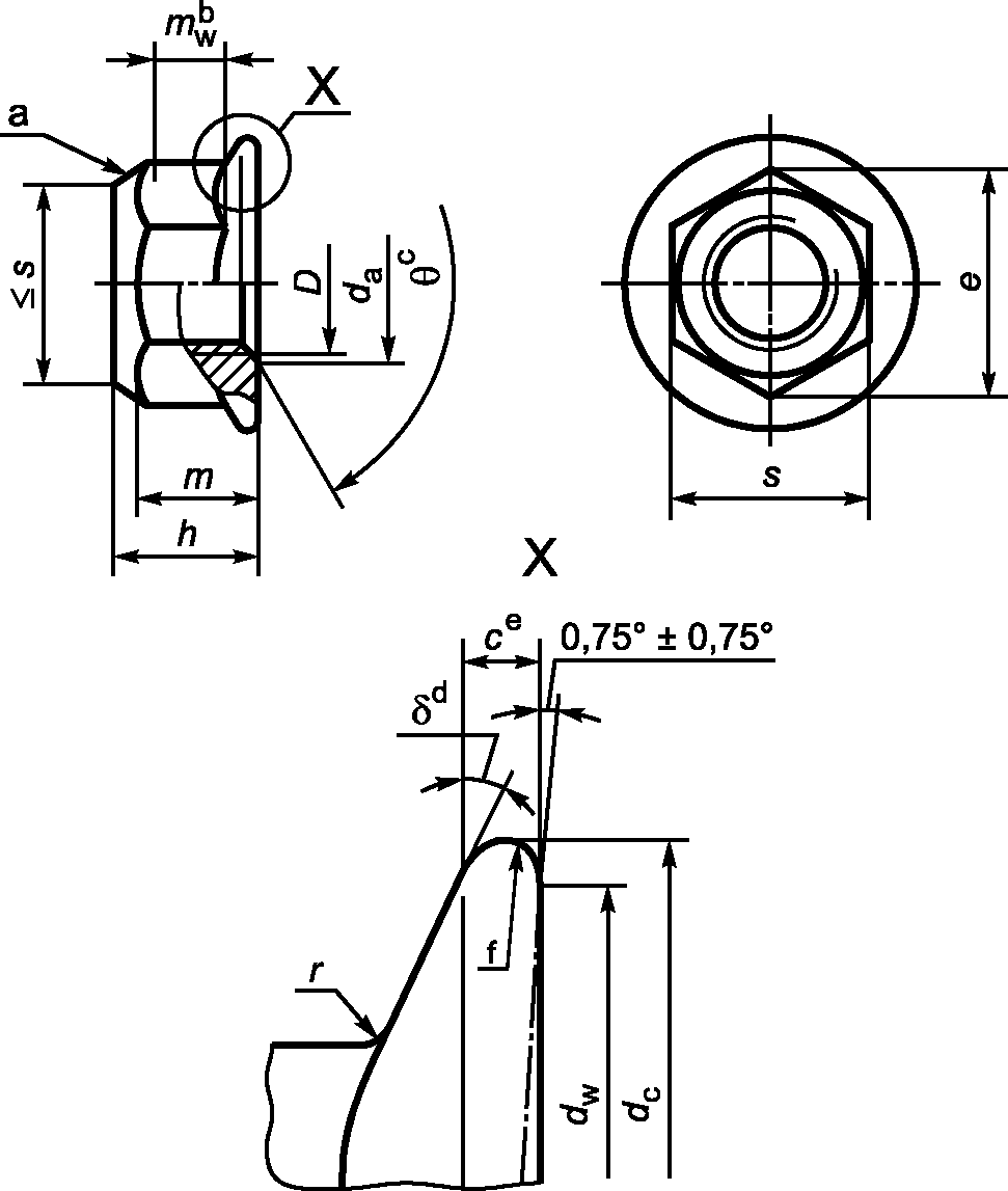
Символы и обозначения размеров - по ISO 225.
--------------------------------
<a> Форма обжатого участка - по выбору изготовителя.
<c>

.
<d>

.
<e> c измеряют от dw,мин.
<f> Пресс-контур - по выбору изготовителя.
Рисунок 1 - Гайка шестигранная самостопорящаяся с фланцем
В миллиметрах
Резьба D | М5 | М6 | М8 | М10 | М12 | | М16 | М20 |
| 0,8 | 1 | 1,25 | 1,5 | 1,75 | 2 | 2 | 2,5 |
c | не менее | 1 | 1,1 | 1,2 | 1,5 | 1,8 | 2,1 | 2,4 | 3 |
| не более | 5,75 | 6,75 | 8,75 | 10,80 | 13,00 | 15,10 | 17,30 | 21,60 |
не менее | 5,00 | 6,00 | 8,00 | 10,00 | 12,00 | 14,00 | 16,00 | 20,00 |
| не более | 11,8 | 14,2 | 17,9 | 21,8 | 26,0 | 29,9 | 34,5 | 42,8 |
dw | не менее | 9,8 | 12,2 | 15,8 | 19,6 | 23,8 | 27,6 | 31,9 | 39,9 |
e | не менее | 8,79 | 11,05 | 14,38 | 16,64 | 20,03 | 23,36 | 26,75 | 32,95 |
h | не более | 6,20 | 7,30 | 9,40 | 11,40 | 13,80 | 15,90 | 18,30 | 22,40 |
не менее | 5,70 | 6,80 | 8,74 | 10,34 | 12,57 | 14,80 | 17,20 | 20,30 |
| не менее | 4,70 | 5,70 | 7,64 | 9,64 | 11,57 | 13,30 | 15,30 | 18,70 |
mw | не менее | 2,5 | 3,1 | 4,6 | 5,6 | 6,8 | 7,7 | 8,9 | 10,7 |
s | не более | 8,00 | 10,00 | 13,00 | 15,00 | 18,00 | 21,00 | 24,00 | 30,00 |
не менее | 7,78 | 9,78 | 12,73 | 14,73 | 17,73 | 20,67 | 23,67 | 29,16 |
| не более | 0,3 | 0,4 | 0,5 | 0,6 | 0,7 | 0,9 | 1,0 | 1,2 |
<a> Размеры гаек, заключенные в скобки, применять не рекомендуется. <c> m - высота резьбы не менее величины m. <d> r - радиусы сопряжений ребер и граней шестигранника с фланцем. Примечание - Если изделие выдерживает контроль, приведенный в приложении А, требования для e, c и mw удовлетворены. |
4. Технические требования
Технические требования - в соответствии с таблицей 2.
Таблица 2
Материал | Сталь |
Общие требования | Обозначение стандарта | ISO 8992 |
Резьба | Поле допуска | 6H |
Обозначение стандарта | ISO 261, ISO 724, ISO 965-2 |
Механические и эксплуатационные свойства | Класс прочности | 8, 9, 10, 12 |
Обозначение стандарта | ISO 898-2, ISO 2320 |
Допуски | Класс точности | Для D <= М16: A Для D > М16: B |
Обозначение стандарта | ISO 4759-1 |
Отделка - покрытие | Без покрытия Требования к электролитическим покрытиям по ISO 4042 Требования к неэлектролитическим цинк-ламельным покрытиям по ISO 10683. Дополнительные требования или другая отделка или покрытие должны быть согласованы между поставщиком и заказчиком |
Допустимые дефекты поверхности | ISO 6157-2 |
Приемочный контроль | ISO 3269 |
Пример - Гайка шестигранная самостопорящаяся цельнометаллическая с фланцем с резьбой М12 и класса прочности 8 обозначается следующим образом:
Гайка шестигранная самостопорящаяся с фланцем - М12-8 ГОСТ ISO 7044
(справочное)
КОНТРОЛЬ ГАЕК ШЕСТИГРАННЫХ С ФЛАНЦЕМ
А.1 Рекомендуемый метод контроля шестигранника
Для контроля шестигранника используют два плоских кольцевых калибра A и B, чтобы показать соответствие заданным значениям высоты шестигранника, высоты под ключ, заполнения углов и диаметра описанной окружности. Калибр A устанавливают на шестигранник до упора на фланец. Калибр B устанавливают на верхнюю часть гайки по нормали к ее оси. Калибры A и B не должны соприкасаться.
А.2 Рекомендуемый метод контроля фланца
Гайку устанавливают на плоскую поверхность. Калибр C - плоская пластина или кольцевой калибр применяют для доказательства, что толщина фланца не менее заданного значения. Приемочный критерий - отсутствие контакта между калибром C и калибром A, когда гайка расположена на плоской поверхности.
A - калибр A; B - калибр B; C - калибр C
Примечание - Wa,min = eтеоретич.; Wb,max = emin - 0,01 мм; Ta,max = mw,min.
Рисунок А.1 - Схема контроля шестигранника и фланца
В миллиметрах
Резьба D | Калибр A | Калибр B | Калибр C |
Wa | Ta | Wb | Tb | Wc | Tc |
не более | не менее | не более | не менее | не более | не менее | не менее | не менее | не более | не менее |
М5 | 9,25 | 9,24 | 2,50 | 2,49 | 8,78 | 8,77 | 3 | 14,0 | 1,08 | 1,07 |
М6 | 11,56 | 11,55 | 3,10 | 3,09 | 11,04 | 11,03 | 4 | 16,0 | 1,19 | 1,18 |
М8 | 15,02 | 15,01 | 4,60 | 4,59 | 14,37 | 14,36 | 4 | 20,0 | 1,31 | 1,30 |
М10 | 17,33 | 17,32 | 5,60 | 5,59 | 16,63 | 16,62 | 5 | 24,0 | 1,81 | 1,80 |
М12 | 20,79 | 20,78 | 6,80 | 6,79 | 20,02 | 20,01 | 5 | 29,0 | 2,20 | 2,19 |
М14 | 24,26 | 24,25 | 7,70 | 7,69 | 23,35 | 23,34 | 6 | 32,5 | 2,55 | 2,54 |
М16 | 27,72 | 27,71 | 8,90 | 8,89 | 26,74 | 26,73 | 6 | 37,0 | 2,96 | 2,95 |
М20 | 34,65 | 34,64 | 10,70 | 10,69 | 32,94 | 32,93 | 6 | 45,0 | 3,70 | 3,69 |
(справочное)
СВЕДЕНИЯ О СООТВЕТСТВИИ ССЫЛОЧНЫХ МЕЖДУНАРОДНЫХ СТАНДАРТОВ
МЕЖГОСУДАРСТВЕННЫМ СТАНДАРТАМ
Таблица ДА.1
Обозначение ссылочного международного стандарта | Степень соответствия | Обозначение и наименование межгосударственного стандарта |
ISO 225 | - | |
ISO 261 | MOD | ГОСТ 8724-2002 (ИСО 261-98) "Основные нормы взаимозаменяемости. Резьба метрическая. Диаметры и шаги" |
ISO 724 | MOD | ГОСТ 24705-2004 (ИСО 724-1993) "Основные нормы взаимозаменяемости. Резьба метрическая. Основные размеры" |
ISO 898-2 | IDT | ГОСТ ISO 898-2-2015 "Механические свойства крепежных изделий из углеродистых и легированных сталей. Часть 2. Гайки установленных классов прочности с крупным и мелким шагом резьбы" |
ISO 965-2 | - | |
ISO 2320 | IDT | ГОСТ ISO 2320-2015 "Гайки стальные самостопорящиеся. Механические и эксплуатационные свойства" |
ISO 3269 | IDT | |
ISO 4042 | IDT | |
ISO 4759-1 | IDT | ГОСТ ISO 4759-1-2015 "Изделия крепежные. Допуски. Часть 1. Болты, винты, шпильки и гайки. Классы точности A, B и C" |
ISO 6157-2 | - | |
ISO 8992 | IDT | ГОСТ ISO 8992-2015 "Изделия крепежные. Общие требования для болтов, винтов, шпилек и гаек" |
ISO 10683 | - | |
<*> Соответствующий межгосударственный стандарт отсутствует. До его принятия рекомендуется использовать перевод на русский язык данного международного стандарта. Примечание - В настоящей таблице использованы следующие условные обозначения степени соответствия стандартов: - IDT - идентичные стандарты; - MOD - модифицированные стандарты. |
--------------------------------
<1> На территории Российской Федерации действует
ГОСТ Р ИСО 10683-2013 "Изделия крепежные. Неэлектролитические цинк-ламельные покрытия".
[1] ISO 4161, Hexagon nuts with flange, style 2 - Coarse thread