Главная // Актуальные документы // ГОСТ (Государственный стандарт)СПРАВКА
Источник публикации
М.: Стандартинформ, 2017
Примечание к документу
Документ
введен в действие с 1 января 2019 года.
Название документа
"ГОСТ ISO 7042-2016. Межгосударственный стандарт. Гайки шестигранные высокие самостопорящиеся цельнометаллические. Классы прочности 5, 8, 10 и 12"
(введен в действие Приказом Росстандарта от 02.06.2017 N 483-ст)
"ГОСТ ISO 7042-2016. Межгосударственный стандарт. Гайки шестигранные высокие самостопорящиеся цельнометаллические. Классы прочности 5, 8, 10 и 12"
(введен в действие Приказом Росстандарта от 02.06.2017 N 483-ст)
агентства по техническому
регулированию и метрологии
от 2 июня 2017 г. N 483-ст
МЕЖГОСУДАРСТВЕННЫЙ СТАНДАРТ
ГАЙКИ ШЕСТИГРАННЫЕ ВЫСОКИЕ САМОСТОПОРЯЩИЕСЯ
ЦЕЛЬНОМЕТАЛЛИЧЕСКИЕ. КЛАССЫ ПРОЧНОСТИ 5, 8, 10 И 12
Prevailing torque type all-metal hexagon high nuts.
Property classes 5, 8, 10 and 12
(ISO 7042:2012, IDT)
ГОСТ ISO 7042-2016
Дата введения
1 января 2019 года
Цели, основные принципы и основной порядок проведения работ по межгосударственной стандартизации установлены в
ГОСТ 1.0-2015 "Межгосударственная система стандартизации. Основные положения" и
ГОСТ 1.2-2015 "Межгосударственная система стандартизации. Стандарты межгосударственные, правила и рекомендации по межгосударственной стандартизации. Правила разработки, принятия, применения, обновления и отмены"
1 ПОДГОТОВЛЕН Федеральным государственным унитарным предприятием "Всероссийский научно-исследовательский институт стандартизации и сертификации в машиностроении" (ВНИИНМАШ) на основе собственного перевода на русский язык англоязычной версии стандарта, указанного в
пункте 5
2 ВНЕСЕН Федеральным агентством по техническому регулированию и метрологии (Росстандарт)
3 ПРИНЯТ Межгосударственным советом по стандартизации, метрологии и сертификации (протокол от 25 октября 2016 г. N 92-П)
За принятие проголосовали:
Краткое наименование страны по МК (ИСО 3166) 004-97 | Код страны по МК (ИСО 3166) 004-97 | Сокращенное наименование национального органа по стандартизации |
Армения | AM | Минэкономики Республики Армения |
Беларусь | BY | Госстандарт Республики Беларусь |
Грузия | GE | Грузстандарт |
Киргизия | KG | Кыргызстандарт |
Россия | RU | Росстандарт |
Таджикистан | TJ | Таджикстандарт |
Узбекистан | UZ | Узстандарт |
Украина | UA | Минэкономразвития Украины |
4
Приказом Федерального агентства по техническому регулированию и метрологии от 2 июня 2017 г. N 483-ст межгосударственный стандарт ГОСТ ISO 7042-2016 введен в действие в качестве национального стандарта Российской Федерации с 1 января 2019 г.
5 Настоящий стандарт идентичен международному стандарту ISO 7042:2012 "Гайки шестигранные высокие самостопорящиеся цельнометаллические. Классы прочности 5, 8, 10 и 12" ("Prevailing torque type all-metal hexagon high nuts - Property classes 5, 8, 10 and 12", IDT).
Международный стандарт разработан подкомитетом ISO/TC 2/SC 12 "Крепежные изделия с внутренней метрической резьбой" технического комитета по стандартизации ISO/TC 2 "Крепежные изделия" Международной организации по стандартизации (ISO).
Официальные экземпляры международного стандарта, на основе которого подготовлен настоящий межгосударственный стандарт, и международных стандартов, на которые даны ссылки, имеются в Федеральном агентстве по техническому регулированию и метрологии.
При применении настоящего стандарта рекомендуется использовать вместо ссылочных международных стандартов соответствующие им межгосударственные стандарты, сведения о которых приведены в дополнительном
приложении ДА
6 ВВЕДЕН ВПЕРВЫЕ
Информация об изменениях к настоящему стандарту публикуется в ежегодном информационном указателе "Национальные стандарты" (по состоянию на 1 января текущего года), а текст изменений и поправок - в ежемесячном информационном указателе "Национальные стандарты". В случае пересмотра (замены) или отмены настоящего стандарта соответствующее уведомление будет опубликовано в ежемесячном информационном указателе "Национальные стандарты". Соответствующая информация, уведомление и тексты размещаются также в информационной системе общего пользования - на официальном сайте Федерального агентства по техническому регулированию и метрологии в сети Интернет (www.gost.ru)
Настоящий стандарт устанавливает требования к характеристикам шестигранных высоких самостопорящихся цельнометаллических гаек с номинальными диаметрами резьбы от М5 до М36 мм, класса точности A для резьбы до М16 и класса точности B для резьбы свыше М16, классов прочности 5, 8, 10 и 12.
Примечание 1 - Размеры гаек соответствуют размерам, указанным в ISO 4033, за исключением размеров mw и hmax.
Примечание 2 - Гайки класса прочности 9 согласно ISO 7720.
В случаях, когда необходимы характеристики, отличающиеся от установленных в настоящем стандарте, они могут быть выбраны из действующих международных стандартов, например, ISO 261, ISO 724, ISO 898-2, ISO 965-2, ISO 2320 и ISO 4759-1.
Для применения настоящего стандарта необходимы следующие ссылочные документы. Для датированных ссылок применяют только указанное издание ссылочного документа, для недатированных ссылок применяют последнее издание ссылочного документа (включая все изменения).
ISO 225, Fasteners - Bolts, screws, studs and nuts - Symbols and descriptions of dimensions (Изделия крепежные. Болты, винты, шпильки и гайки. Символы и обозначения размеров)
ISO 261, ISO general purpose metric screw threads - General plan (Резьбы метрические ISO общего назначения. Общий план)
ISO 724, ISO general purpose metric screw threads - Basic dimensions (Резьбы метрические ISO общего назначения. Основные размеры)
ISO 898-2, Mechanical properties of fasteners made of carbon steel and alloy steel - Part 2: Nuts with specified property classes - Coarse thread and fine pitch thread (Механические свойства крепежных изделий из углеродистых и легированных сталей. Часть 2. Гайки установленных классов прочности с крупным и мелким шагом резьбы)
ISO 965-2, ISO general purpose metric screw threads - Tolerances - Part 2: Limits of sizes for general purpose external and internal screw threads - Medium quality (Резьбы метрические ISO общего применения. Допуски. Часть 2. Предельные размеры для наружной и внутренней резьб общего применения. Средний класс точности)
ISO 2320, Prevailing torque type steel nuts - Mechanical and performance properties (Гайки стальные самостопорящиеся. Механические и эксплуатационные свойства)
ISO 3269, Fasteners - Acceptance inspection (Изделия крепежные. Приемочный контроль)
ISO 4042, Fasteners - Electroplated coatings (Изделия крепежные. Электролитические покрытия)
ISO 4759-1, Tolerances for fasteners - Part 1: Bolts, screws, studs and nuts - Product grades A, B and C (Изделия крепежные. Допуски. Часть 1. Болты, винты, шпильки и гайки. Классы точности A, B и C)
ISO 6157-2, Fasteners - Surface discontinuities - Part 2: Nuts (Изделия крепежные. Дефекты поверхности. Часть 2. Гайки)
ISO 8992, Fasteners - General requirements for bolts, screws, studs and nuts (Изделия крепежные. Общие требования для болтов, винтов, шпилек и гаек)
ISO 10683, Fasteners - Non-electrolytically applied zinc flake coatings (Изделия крепежные. Неэлектролитические цинк-ламельные покрытия)
ISO 10684, Fasteners - Hot dip galvanized coatings (Изделия крепежные. Покрытия, нанесенные методом горячего цинкования)
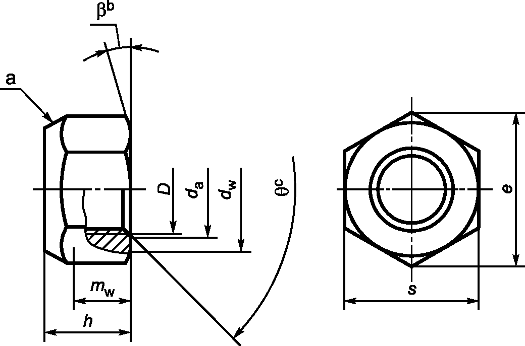
Размеры гаек указаны на рисунке 1 и в
таблице 1.
Символы и обозначения размеров по ISO 225.
--------------------------------
<a> Форма обжатого участка - по выбору изготовителя.
<b>

.
<c>

.
Рисунок 1 - Гайка шестигранная
Таблица 1
В миллиметрах
Резьба D | М5 | М6 | М8 | М10 | М12 | | М16 | М20 | М24 | М30 | М36 |
| 0,8 | 1 | 1,25 | 1,5 | 1,75 | 2 | 2 | 2,5 | 3 | 3,5 | 4 |
da | не более | 5,75 | 6,75 | 8,75 | 10,80 | 13,00 | 15,10 | 17,30 | 21,60 | 25,90 | 32,40 | 38,90 |
не менее | 5,00 | 6,00 | 8,00 | 10,00 | 12,00 | 14,00 | 16,00 | 20,00 | 24,00 | 30,00 | 36,00 |
dw, | не менее | 6,88 | 8,88 | 11,63 | 14,63 | 16,63 | 19,64 | 22,49 | 27,70 | 33,25 | 42,75 | 51,11 |
e, | не менее | 8,79 | 11,05 | 14,38 | 17,77 | 20,03 | 23,36 | 26,75 | 32,95 | 39,55 | 50,85 | 60,79 |
h | не более | 5,10 | 6,00 | 8,00 | 10,00 | 13,30 | 14,10 | 16,40 | 20,30 | 23,90 | 30,00 | 36,00 |
не менее | 4,80 | 5,40 | 7,14 | 8,94 | 11,57 | 13,40 | 15,70 | 19,00 | 22,60 | 27,30 | 33,10 |
mw, | не менее | 3,52 | 3,92 | 5,15 | 6,43 | 8,30 | 9,68 | 11,28 | 13,52 | 16,16 | 19,44 | 23,52 |
s | не более | 8,00 | 10,00 | 13,00 | 16,00 | 18,00 | 21,00 | 24,00 | 30,00 | 36,00 | 46,00 | 55,00 |
не менее | 7,78 | 9,78 | 12,73 | 15,73 | 17,73 | 20,67 | 23,67 | 29,16 | 35,00 | 45,00 | 53,80 |
<a> Размеры в скобках, по возможности, не применять. |
4. Технические требования и ссылочные стандарты
Технические требования в соответствии с таблицей 2.
Таблица 2
Технические требования и ссылочные стандарты
Материал | Сталь |
Общие требования | Обозначение стандарта | ISO 8992 |
Резьба | Допуск | 6H |
Обозначение стандарта | ISO 261, ISO 724, ISO 965-2 |
Механические и функциональные свойства | Класс прочности | 5, 8, 10, 12 |
Обозначение стандарта | ISO 898-2, ISO 2320 |
Допуски | Класс точности | D <= 16 мм: A D > 16 мм: B |
Обозначение стандарта | ISO 4759-1 |
Отделка/покрытие | После изготовления Требования к электролитическим покрытиям по ISO 4042 Требования к неэлектрическим цинк-ламельным покрытиям по ISO 10683 Требования к покрытиям, нанесенным методом горячего цинкования по ISO 10684 Дополнительные требования или другая отделка или покрытие должны быть согласованы между поставщиком и заказчиком |
Дефекты поверхности | Допустимые дефекты поверхности по ISO 6157-2 |
Приемка | Приемочный контроль по ISO 3269 |
Пример - Гайка шестигранная высокая самостопорящаяся цельнометаллическая с резьбой М12 и классом прочности 8 обозначается следующим образом:
Гайка шестигранная высокая самостопорящаяся - М12-8 ГОСТ ISO 7042
(справочное)
СВЕДЕНИЯ О СООТВЕТСТВИИ ССЫЛОЧНЫХ МЕЖДУНАРОДНЫХ СТАНДАРТОВ
ССЫЛОЧНЫМ МЕЖГОСУДАРСТВЕННЫМ СТАНДАРТАМ
Таблица ДА.1
Обозначение ссылочного международного стандарта | Степень соответствия | Обозначение и наименование соответствующего межгосударственного стандарта |
| - | |
ISO 261 | MOD | ГОСТ 8724-2002 (ИСО 261-98) "Основные нормы взаимозаменяемости. Резьба метрическая. Диаметры и шаги" |
ISO 724 | MOD | ГОСТ 24705-2004 (ИСО 724:1993) "Основные нормы взаимозаменяемости. Резьба метрическая. Основные размеры" |
ISO 898-2 | IDT | ГОСТ ISO 898-2-2015 "Механические свойства крепежных изделий из углеродистых и легированных сталей. Часть 2. Гайки установленных классов прочности с крупным и мелким шагом резьбы" |
ISO 965-2 | - | |
ISO 2320 | IDT | ГОСТ ISO 2320-2015 "Гайки стальные самостопорящиеся. Механические и эксплуатационные свойства" |
ISO 3269 | IDT | |
ISO 4042 | IDT | |
ISO 4759-1 | IDT | ГОСТ ISO 4759-1-2015 "Изделия крепежные. Допуски. Часть 1. Болты, винты, шпильки и гайки. Классы точности A, B и C" |
ISO 6157-2 | IDT | |
ISO 8992 | IDT | ГОСТ ISO 8992-2015 "Изделия крепежные. Общие требования для болтов, винтов, шпилек и гаек" |
ISO 10683 | IDT | |
ISO 10684 | IDT | |
<*> Соответствующий межгосударственный стандарт отсутствует. До его принятия рекомендуется использовать перевод на русский язык данного международного стандарта. Примечание - В настоящей таблице использованы следующие условные обозначения степени соответствия стандартов: - IDT - идентичные стандарты; - MOD - модифицированные стандарты. |
--------------------------------
<1> Международный стандарт на трех официальных языках ИСО: английском, французском и русском.
[1] ISO 4033, Hexagon high nuts (style 2) - Product grades A and B
[2] ISO 7720, Prevailing torque type all-metal hexagon nuts, style 2 - Property class 9