Главная // Актуальные документы // ГОСТ (Государственный стандарт)СПРАВКА
Источник публикации
М.: Стандартинформ, 2018
Примечание к документу
Отдельные положения данного документа включены в
Перечень документов в области стандартизации, в результате применения которых на добровольной основе обеспечивается соблюдение требований Федерального
закона от 22.07.2008 N 123-ФЗ "Технический регламент о требованиях пожарной безопасности" (
Приказ Росстандарта от 13.02.2023 N 318).
Отдельные положения данного документа включены в
Перечень документов в области стандартизации, в результате применения которых на добровольной основе обеспечивается соблюдение требований Федерального
закона от 22.07.2008 N 123-ФЗ "Технический регламент о требованиях пожарной безопасности" (
Приказ Росстандарта от 14.07.2020 N 1190).
Документ включен в
Перечень национальных стандартов, содержащих правила и методы исследований (испытаний) и измерений, в том числе правила отбора образцов, необходимых для применения и исполнения Федерального
закона от 22.07.2008 N 123-ФЗ "Технический регламент о требованиях пожарной безопасности" и осуществления оценки соответствия (
Распоряжение Правительства РФ от 10.03.2009 N 304-р).
Текст данного документа приведен с учетом
поправки, опубликованной в "ИУС", N 12, 2021.
Документ
введен в действие с 01.02.2019.
Название документа
"ГОСТ 28157-2018. Межгосударственный стандарт. Пластмассы. Методы определения стойкости к горению"
(введен в действие Приказом Росстандарта от 13.06.2018 N 333-ст)
"ГОСТ 28157-2018. Межгосударственный стандарт. Пластмассы. Методы определения стойкости к горению"
(введен в действие Приказом Росстандарта от 13.06.2018 N 333-ст)
агентства по техническому
регулированию и метрологии
от 13 июня 2018 г. N 333-ст
МЕЖГОСУДАРСТВЕННЫЙ СТАНДАРТ
ПЛАСТМАССЫ
МЕТОДЫ ОПРЕДЕЛЕНИЯ СТОЙКОСТИ К ГОРЕНИЮ
Plastics. Methods for determining the resistance to burning
ГОСТ 28157-2018
Дата введения
1 февраля 2019 года
Цели, основные принципы и основной порядок проведения работ по межгосударственной стандартизации установлены в
ГОСТ 1.0-2015 "Межгосударственная система стандартизации. Основные положения" и
ГОСТ 1.2-2015 "Межгосударственная система стандартизации. Стандарты межгосударственные, правила и рекомендации по межгосударственной стандартизации. Правила разработки, принятия, обновления и отмены".
1 ПОДГОТОВЛЕН Акционерным обществом "Институт пластмасс имени Г.С. Петрова" (АО "Институт пластмасс")
2 ВНЕСЕН Федеральным агентством по техническому регулированию и метрологии
3 ПРИНЯТ Межгосударственным советом по стандартизации, метрологии и сертификации (протокол от 30 мая 2018 г. N 109-П)
За принятие проголосовали:
Краткое наименование страны по МК (ИСО 3166) 004-97 | Код страны по МК (ИСО 3166) 004-97 | Сокращенное наименование национального органа по стандартизации |
Армения | AM | Минэкономики Республики Армения |
Беларусь | BY | Госстандарт Республики Беларусь |
Киргизия | KG | Кыргызстандарт |
Россия | RU | Росстандарт |
Туркмения | TM | Главгосслужба "Туркменстандартлары" |
Узбекистан | UZ | Узстандарт |
4
Приказом Федерального агентства по техническому регулированию и метрологии от 13 июня 2018 г. N 333-ст межгосударственный стандарт ГОСТ 28157-2018 введен в действие в качестве национального стандарта Российской Федерации с 1 февраля 2019 г.
Информация об изменениях к настоящему стандарту публикуется в ежегодном информационном указателе "Национальные стандарты", а текст изменений и поправок - в ежемесячном информационном указателе "Национальные стандарты". В случае пересмотра (замены) или отмены настоящего стандарта соответствующее уведомление будет опубликовано в ежемесячном информационном указателе "Национальные стандарты". Соответствующая информация, уведомление и тексты размещаются также в информационной системе общего пользования - на официальном сайте Федерального агентства по техническому регулированию и метрологии в сети Интернет (www.gost.ru).
Настоящий стандарт распространяется на пластмассы и устанавливает методы А и Б определения стойкости к горению при воздействии пламени газовой горелки и категории стойкости пластмасс к горению.
Настоящий стандарт не распространяется на пластмассы, которые коробятся или подвергаются усадке при воздействии пламени газовой горелки и используются в строительстве, а также для оценки пожарной опасности пластмасс.
В настоящем стандарте использованы нормативные ссылки на следующие межгосударственные стандарты:
ГОСТ 427-75 Линейки измерительные металлические. Технические условия
ГОСТ 3826-82 Сетки проволочные тканые с квадратными ячейками. Технические условия
ГОСТ 5556-81 Вата медицинская гигроскопическая. Технические условия
ГОСТ 12423-2013 (ISO 291:2008) Пластмассы. Условия кондиционирования и испытания образцов (проб)
Примечание - При пользовании настоящим стандартом целесообразно проверить действие ссылочных стандартов в информационной системе общего пользования - на официальном сайте Федерального агентства по техническому регулированию и метрологии в сети Интернет или по ежегодному информационному указателю "Национальные стандарты", который опубликован по состоянию на 1 января текущего года, и по выпускам ежемесячного информационного указателя "Национальные стандарты" за текущий год. Если ссылочный стандарт заменен (изменен), то при пользовании настоящим стандартом следует руководствоваться заменяющим (измененным) стандартом. Если ссылочный стандарт отменен без замены, то положение, в котором дана ссылка на него, применяется в части, не затрагивающей эту ссылку.
В настоящем стандарте применены следующие термины с соответствующими определениями:
3.1 пламя: Зона горения в газовой фазе с видимым излучением.
3.2 тление: Беспламенное горение материала.
3.3 горение: Экзотермическая реакция окисления вещества, сопровождающаяся по меньшей мере одним из трех факторов: пламенем, свечением, выделением газа.
3.4 возгорание: Начало горения под действием источника зажигания.
3.5 воспламенение: Начало пламенного горения под действием источника зажигания.
3.6 пожарная опасность материала: Свойство материала, способствующее возникновению опасных факторов пожара и развитию пожара.
3.7 скорость распространения пламени: Расстояние, пройденное фронтом пламени в единицу времени.
3.8 стойкость к горению: Способность материала противодействовать пламени.
Сущность метода А заключается в определении скорости распространения пламени по горизонтально закрепленному образцу.
Горизонтально закрепленные образцы по стойкости к горению относят к категории ПГ (пламя горелки является источником воспламенения горизонтально закрепленного образца).
Сущность метода Б заключается в определении времени горения и тления вертикально закрепленного образца. По стойкости к горению вертикально закрепленные образцы относят к категориям ПВ-0, ПВ-1, ПВ-2 (пламя горелки является источником воспламенения вертикально закрепленного образца) в соответствии с
приложением А.
5 Средства измерения, аппаратура и материалы
5.1 Секундомер по нормативным документам или технической документации.
5.3 Шкаф лабораторный вытяжной или камера испытательная вместимостью приблизительно 1 м3, снабженная вытяжным устройством. После проведения каждого испытания вытяжной шкаф или испытательную камеру следует тщательно провентилировать.
5.4 Горелка универсальная Бунзена длиной патрубка от 80 до 100 мм и внутренним диаметром (9,5 +/- 0,5) мм. Допускается использование горелки Бунзена с внутренним диаметром от 9,4 до 11,0 мм. Внутренний диаметр горелки указывают в протоколе испытания.
5.5 Штатив лабораторный с зажимами для крепления образцов в горизонтальном или вертикальном положениях.
5.6 Экран длиной и шириной 125 мм, изготовленный из металлической сетки по
ГОСТ 3826 номинальным размером стороны ячейки в свету 1,20 мм из проволоки номинальным диаметром 0,40 мм.
5.7 Вата медицинская гигроскопическая по
ГОСТ 5556.
5.8 Метан технический по нормативному документу или технической документации.
6.1 Образцы для испытаний изготавливают в соответствии с нормативным документом или технической документацией на материал.
6.2 Испытания проводят на пяти образцах в форме брусков длиной (125 +/- 5) мм, шириной от 10 до 13 мм и толщиной от 1 до 13 мм.
Примечания
1 При толщине образцов не более 3 мм рекомендуется следующий ряд значений толщины 1,0; 1,5; 2,0; 3,0 мм.
2 Размеры образца для испытаний должны быть указаны в нормативном документе или технической документации на материал.
6.3 Испытаниям подвергают образцы, изготовленные одним методом, не имеющие вздутий, трещин, сколов, раковин, зазубрин, заусенцев и отверстий.
Края образцов должны быть гладкими, радиус закругления углов должен быть не более 1,3 мм.
6.4 Испытания проводят для каждой марки материала, если она отличается от базовой марки показателем текучести расплава или содержанием и типом наполнителей, красителей или других модифицирующих добавок.
6.5 Перед испытанием образцы кондиционируют:
- при температуре (23 +/- 2) °C и относительной влажности (50 +/- 5)% в течение 48 ч по
ГОСТ 12423;
- при температуре (70 +/- 1) °C в течение 168 ч, после чего их охлаждают в эксикаторе с безводным хлористым кальцием в течение 4 ч при температуре (23 +/- 2) °C.
Условия кондиционирования образцов для испытания должны быть указаны в нормативном документе или технической документации на материал.
В случае разногласий кондиционирование проводят при температуре 23 °C и относительной влажности (50 +/- 5)%.
7.1.1 На образцы наносят метки перпендикулярно к оси образца на расстоянии 25 и 100 мм от того конца образца, который будет подвергнут воздействию пламени.
7.1.2 Штатив с зажимом для крепления образцов и горелку помещают в испытательную камеру или лабораторный вытяжной шкаф.
7.1.3 Образец закрепляют в зажиме за конец, наиболее удаленный от метки 25 мм, и располагают таким образом, чтобы его продольная ось находилась в горизонтальном положении, а поперечная ось - под углом 45° к горизонтали.
7.1.4 Под образцом на расстоянии (9,5 +/- 0,5) мм от его нижней кромки в зажиме горизонтально закрепляют проволочную сетку таким образом, чтобы положение свободного конца образца совпало с краем сетки.
Схема установки для испытания приведена на рисунке 1.
1 - металлическая сетка; 2 - образец; 3 - горелка
Рисунок 1 - Схема установки для испытания
горизонтально закрепленного образца (метод А)
7.1.5 Горелку, находящуюся в вертикальном положении на расстоянии не менее 150 мм от образца, зажигают и регулируют таким образом, чтобы высота голубого пламени с желтым кончиком составляла (25 +/- 1) мм. Подачу воздуха регулируют до тех пор, пока не исчезнет желтый кончик пламени. Высоту пламени измеряют еще раз и при необходимости корректируют.
7.1.6 Пламя горелки подносят к нижней кромке свободного конца образца. Центральная ось патрубка горелки должна находиться в той же вертикальной плоскости, что и продольная ось образца, и под углом 45° к горизонтали. Пламя подносят на 30 с без изменения положения горелки так, чтобы торец образца был погружен в пламя на глубину около 6,5 мм, и затем удаляют горелку от образца.
7.1.7 Если образец сгорает до метки 25 мм менее чем за 30 с, то горелку удаляют от образца, как только пламя достигает метки 25 мм.
7.1.8 Если образец продолжает гореть после удаления горелки, то фиксируют время t, с, горения образца между метками (от 25 мм до 100 мм) и вычисляют скорость горения v, мм/мин.
7.1.9 Если пламя распространяется от метки 25 мм далее, но не достигает метки 100 мм, фиксируют время горения и длину L, мм, поврежденной части образца между меткой 25 мм и местом на образце, до которого распространился фронт пламени (скорость горения не вычисляют).
7.1.10 Материал соответствует категории ПГ, если при его горении выполнены следующие условия:
- для образцов толщиной от 3 до 13 мм скорость горения не превышает 40 мм/мин на участке между метками;
- для образцов толщиной менее 3 мм скорость горения не превышает 75 мм/мин на участке между метками;
- горение прекращается до того, как пламя достигнет метки 100 мм.
7.1.11 Если как минимум один образец из пяти не удовлетворяет условиям
7.1.10, то испытание проводят еще на пяти образцах. Если хотя бы один образец второй серии не удовлетворяет требованиям
7.1.10, то материал не может быть отнесен к категории ПГ.
7.1.12 Если отсутствует возможность определения скорости горения (образец гаснет после удаления пламени горелки), испытание следует проводить по методу Б, чтобы определить более высокую категорию стойкости к горению, к которой может быть отнесен данный материал.
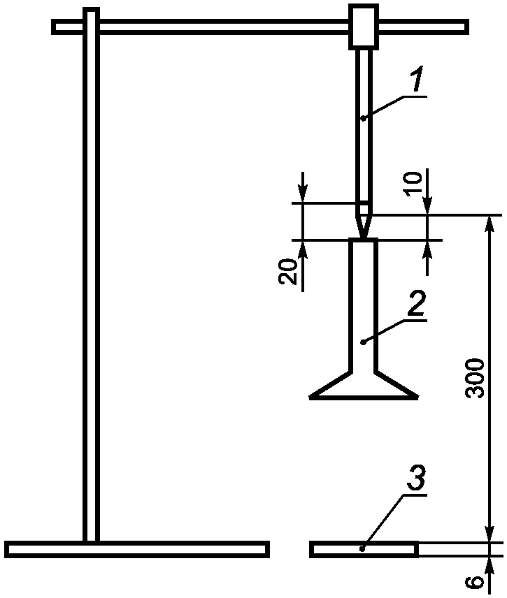
7.2.1 Штатив с зажимом для крепления образцов и горелку помещают в испытательную камеру или лабораторный вытяжной шкаф.
7.2.2 Образец закрепляют в зажиме таким образом, чтобы его продольная ось располагалась вертикально и нижний конец находился на расстоянии 300 мм от слоя ваты размером около 50 x 50 мм и толщиной 6 мм. Схема установки для испытания приведена на рисунке 2.
1 - образец; 2 - горелка; 3 - вата
Рисунок 2 - Схема установки для испытания
вертикально закрепленного образца (метод Б)
7.2.3 Газовую горелку, находящуюся в вертикальном положении на расстоянии не менее 150 мм от образца, зажигают и регулируют таким образом, чтобы высота голубого пламени с желтым кончиком составляла (20 +/- 1) мм. Подачу воздуха регулируют до тех пор, пока не исчезнет желтый кончик пламени. Высоту пламени измеряют еще раз и при необходимости корректируют.
7.2.4 Пламя горелки подносят к центру свободного конца образца на 10 с.
Затем горелку удаляют от образца не менее чем на 150 мм и регистрируют время горения образца. Когда горение образца прекратится, пламя подносят к образцу повторно.
Через 10 с горелку снова удаляют от образца и регистрируют время горения и тления.
7.2.5 Если при горении образца наблюдается падение расплавленных или горящих капель или частиц пластмасс, то горелку следует установить под углом 45° и сместить ее от центра влево или вправо по ширине образца, чтобы исключить попадание капель или частиц в горелку. Расстояние между нижним концом образца и концом патрубка горелки во время испытания следует поддерживать равным около 10 мм.
7.2.6 В процессе испытания фиксируют следующие данные:
- время горения t1 после первого приложения пламени к образцу, с;
- время горения t2 после второго приложения пламени к образцу, с;
- время тления t3 после второго приложения пламени, с;
- число образцов, горевших или тлевших до зажима;
- наличие падающих расплавленных или горящих капель или частиц, которые зажигают вату под образцом.
7.2.7 Материалы, отнесенные к категории ПВ-0, должны удовлетворять следующим требованиям:
- время горения образца не превышает 10 с после каждого приложения пламени;
- суммарное время горения серии из пяти образцов после двукратного приложения пламени не превышает 50 с;
- ни один из образцов не горит или не тлеет до зажима;
- вата, находящаяся под образцом на расстоянии 300 мм, не воспламеняется падающими каплями или частицами;
- суммарное время горения и тления каждого образца не превышает 30 с после второго приложения пламени.
7.2.8 Материалы, отнесенные к категории ПВ-1, должны удовлетворять следующим требованиям:
- время горения образца не превышает 30 с после каждого приложения пламени;
- суммарное время горения серии из пяти образцов после двукратного приложения пламени не превышает 250 с;
- ни один из образцов не горит или не тлеет до зажима;
- вата, находящаяся под образцом на расстоянии 300 мм, не воспламеняется падающими каплями или частицами;
- суммарное время горения и тления каждого образца не превышает 60 с после второго приложения пламени.
7.2.9 Материалы, отнесенные к категории ПВ-2, должны удовлетворять следующим требованиям:
- время горения образца не превышает 30 с после каждого приложения пламени;
- суммарное время горения серии из пяти образцов после двукратного приложения пламени не превышает 250 с;
- ни один из образцов не горит или не тлеет до зажима;
- допускается воспламенение ваты, находящейся под образцом на расстоянии 300 мм, падающими каплями или частицами;
- суммарное время горения и тления каждого образца не превышает 60 с после второго приложения пламени.
7.2.10 Если как минимум один образец из пяти не удовлетворяет требованиям
7.2.7 -
7.2.9, испытания повторяют еще на пяти образцах.
Если хотя бы один образец из последних пяти не удовлетворяет требованиям
7.2.7 -
7.2.9, то испытания проводят по методу А.
8.1 Скорость горения v, мм/мин, каждого образца, испытанного по методу А, вычисляют по формуле

, (1)
где L - длина сгоревшей части, мм;
t - время горения, с.
8.2 Суммарное время горения tГ, с, для каждого образца, испытанного по методу Б, вычисляют по формуле
tГ = t1 + t2, (2)
где t1 - время горения после первого приложения пламени, с;
t2 - время горения после второго приложения пламени, с.
8.3 Суммарное время горения tС.Г, с, серии из пяти образцов после двукратного приложения пламени вычисляют по формуле

, (3)
где tГ - время горения одного образца после двукратного приложения пламени, с.
8.4 Суммарное время горения и тления tГ.Т, с, каждого образца после второго приложения пламени вычисляют по формуле
tГ.Т = t2 + t3, (4)
где t3 - время тления после второго приложения пламени, с.
Протокол испытания должен содержать:
а) ссылку на настоящий стандарт и метод испытания;
б) описание испытуемого материала, включая его обозначение, наименование изготовителя, номер партии;
в) метод и режим изготовления образцов;
г) размеры образцов;
д) условия кондиционирования образцов;
е) номер серии испытуемых образцов;
ж) время горения образца после первого приложения пламени t1;
и) время горения образца после второго приложения пламени t2;
к) время тления образца после второго приложения пламени t3;
л) длину сгоревшей части одного образца L (для метода А);
м) суммарное время горения серии из пяти образцов tС.Г;
н) скорость горения v (для метода А);
п) наличие образцов, горевших или тлевших до зажима;
р) наличие падающих горящих капель или частиц, зажигающих вату;
с) внутренний диаметр горелки Бунзена;
т) газ, используемый при испытании;
у) дату проведения испытания.
(обязательное)
КАТЕГОРИИ СТОЙКОСТИ К ГОРЕНИЮ
ВЕРТИКАЛЬНО ЗАКРЕПЛЕННЫХ ОБРАЗЦОВ
Категории стойкости к горению представлены в таблице А.1
Таблица А.1
Категории стойкости к горению
вертикально закрепленных образцов
Критерий оценки | Категория стойкости к горению |
ПВ-0 | ПВ-1 | ПВ-2 |
Время горения каждого образца t1 или t2, с |  10 |  30 |  30 |
Суммарное время горения серии из пяти образцов tС.Г, с |  50 |  250 |  250 |
Суммарное время горения и тления каждого образца после второго приложения пламени tГ.Т, с |  30 |  60 |  60 |
Наличие образцов, горевших или тлевших до зажима | Не допускается |
Наличие падающих горящих капель или частиц, зажигающих вату | Не допускается | Допускается |