Главная // Актуальные документы // ГОСТ (Государственный стандарт)СПРАВКА
Источник публикации
М.: ФГБУ "РСТ", 2021
Примечание к документу
Документ
введен в действие с 01.01.2022.
Название документа
"ГОСТ IEC 62841-2-3-2021. Межгосударственный стандарт. Машины ручные, переносные и садово-огородные электрические. Безопасность и методы испытаний. Часть 2-3. Частные требования к ручным шлифовальным, дисковым шлифовальным и полировальным машинам с вращательным движением рабочего инструмента"
(введен в действие Приказом Росстандарта от 06.08.2021 N 694-ст)
"ГОСТ IEC 62841-2-3-2021. Межгосударственный стандарт. Машины ручные, переносные и садово-огородные электрические. Безопасность и методы испытаний. Часть 2-3. Частные требования к ручным шлифовальным, дисковым шлифовальным и полировальным машинам с вращательным движением рабочего инструмента"
(введен в действие Приказом Росстандарта от 06.08.2021 N 694-ст)
агентства по техническому
регулированию и метрологии
от 6 августа 2021 г. N 694-ст
МЕЖГОСУДАРСТВЕННЫЙ СТАНДАРТ
МАШИНЫ РУЧНЫЕ, ПЕРЕНОСНЫЕ И САДОВО-ОГОРОДНЫЕ ЭЛЕКТРИЧЕСКИЕ
БЕЗОПАСНОСТЬ И МЕТОДЫ ИСПЫТАНИЙ
ЧАСТЬ 2-3
ЧАСТНЫЕ ТРЕБОВАНИЯ К РУЧНЫМ ШЛИФОВАЛЬНЫМ,
ДИСКОВЫМ ШЛИФОВАЛЬНЫМ И ПОЛИРОВАЛЬНЫМ МАШИНАМ
С ВРАЩАТЕЛЬНЫМ ДВИЖЕНИЕМ РАБОЧЕГО ИНСТРУМЕНТА
Electric motor-operated hand-held tools, transportable tools
and lawn and garden machinery. Safety and test methods.
Part 2-3. Particular requirements for hand-held grinders,
disc-type polishers and disc-type sanders
(IEC 62841-2-3:2020, Electric motor-operated hand-held
tools, transportable tools and lawn and garden
machinery - Safety - Part 2-3: Particular requirements
for hand-held grinders, disc-type polishers and disc-type
sanders, IDT)
ГОСТ IEC 62841-2-3-2021
Дата введения
1 января 2022 года
Цели, основные принципы и общие правила проведения работ по межгосударственной стандартизации установлены
ГОСТ 1.0 "Межгосударственная система стандартизации. Основные положения" и
ГОСТ 1.2 "Межгосударственная система стандартизации. Стандарты межгосударственные, правила и рекомендации по межгосударственной стандартизации. Правила разработки, принятия, обновления и отмены"
1 ПОДГОТОВЛЕН Федеральным государственным бюджетным учреждением "Российский институт стандартизации" (ФГБУ "РСТ") и Ассоциацией торговых компаний и производителей электроинструмента и средств малой механизации (РАТПЭ) на основе собственного перевода на русский язык англоязычной версии стандарта, указанного в
пункте 5
2 ВНЕСЕН Межгосударственным техническим комитетом по стандартизации МТК 262 "Инструмент механизированный и ручной"
3 ПРИНЯТ Межгосударственным советом по стандартизации, метрологии и сертификации (протокол от 14 июля 2021 г. N 59)
За принятие проголосовали:
Краткое наименование страны по МК (ИСО 3166) 004-97 | Код страны по МК (ИСО 3166) 004-97 | Сокращенное наименование национального органа по стандартизации |
Армения | AM | ЗАО "Национальный орган по стандартизации и метрологии" Республики Армения |
Беларусь | BY | Госстандарт Республики Беларусь |
Казахстан | KZ | Госстандарт Республики Казахстан |
Киргизия | KG | Кыргызстандарт |
Россия | RU | Росстандарт |
Узбекистан | UZ | Узстандарт |
4
Приказом Федерального агентства по техническому регулированию и метрологии от 6 августа 2021 г. N 694-ст межгосударственный стандарт ГОСТ IEC 62841-2-3-2021 введен в действие в качестве национального стандарта Российской Федерации с 1 января 2022 г.
5 Настоящий стандарт идентичен международному стандарту IEC 62841-2-3:2020 "Частные требования к шлифовальным, дисковым шлифовальным и полировальным машинам с вращательным движением рабочего инструмента. Безопасность. Часть 2-3. Частные требования к ручным шлифовальным и дисковым полировальным машинам и шлифовальным кругам" ("Electric motor-operated hand-held tools, transportable tools and lawn and garden machinery - Safety - Part 2-3: Particular requirements for hand-held grinders, disc-type polishers and disc-type sanders", IDT).
Международный стандарт разработан Техническим комитетом Международной электротехнической комиссии IEC/TC 116 "Safety of motor-operated electric tools" ("Безопасность ручного электрического механизированного инструмента").
Официальные экземпляры международного стандарта, на основе которого подготовлен настоящий стандарт, и международного стандарта, на который дана ссылка, находятся в Федеральном информационном фонде стандартов.
Наименование настоящего стандарта изменено относительно наименования указанного международного стандарта для приведения в соответствие с ГОСТ 1.5
(подраздел 3.6).
При применении настоящего стандарта рекомендуется использовать вместо ссылочных международных стандартов соответствующие им межгосударственные стандарты, сведения о которых приведены в дополнительном
приложении ДА
6 ВВЕДЕН ВПЕРВЫЕ
7 Настоящий стандарт взаимосвязан с техническими регламентами Таможенного союза
ТР ТС 010/2011 "О безопасности машин и оборудования",
ТР ТС 004/2011 "О безопасности низковольтного оборудования" и реализует их требования безопасности
Информация о введении в действие (прекращении действия) настоящего стандарта и изменений к нему на территории указанных выше государств публикуется в указателях национальных стандартов, издаваемых в этих государствах, а также в сети Интернет на сайтах соответствующих национальных органов по стандартизации.
В случае пересмотра, изменения или отмены настоящего стандарта соответствующая информация будет опубликована на официальном интернет-сайте Межгосударственного совета по стандартизации, метрологии и сертификации в каталоге "Межгосударственные стандарты"
Настоящий стандарт входит в серию стандартов, устанавливающих требования безопасности и методы испытаний ручных, переносных и садово-огородных электрических машин.
Настоящий стандарт применяют совместно с IEC 62841-1:2014.
Настоящий стандарт устанавливает частные требования безопасности и методы испытаний ручных шлифовальных, дисковых шлифовальных и полировальных машин с вращательным движением рабочего инструмента, которые дополняют, изменяют или заменяют соответствующие разделы, подразделы, пункты, таблицы и рисунки IEC 62841-1:2014. Пункты, дополняющие IEC 62841-1:2014, имеют нумерацию начиная со 101.
Номера разделов, пунктов, таблиц и рисунков настоящего стандарта соответствуют приведенным в IEC 62841-2-3.
В настоящем стандарте методы испытаний шлифовальных, дисковых шлифовальных и полировальных машин с вращательным движением рабочего инструмента выделены курсивом.
Примечание - По рекомендации МЭК внимание национальных комитетов обращается на тот факт, что производителям машин и испытательным лабораториям потребуется переходный период после принятия настоящего стандарта для изготовления продукции в соответствии с новыми требованиями и для переоснащения оборудованием (приборами) для проведения новых или пересмотренных испытаний, поэтому настоящий стандарт рекомендуется ввести в действие в качестве национального стандарта не ранее чем через 36 мес с даты его публикации.
Применяют соответствующий раздел IEC 62841-1 со следующим дополнением.
Дополнение:
Настоящий стандарт распространяется на ручные шлифовальные, дисковые шлифовальные и полировальные машины (угловые, прямые и торцевые), предназначенные для обработки различных материалов, за исключением магния, абразивным инструментом с номинальным диаметром не более 230 мм. Номинальная частота вращения на холостом ходу шлифовальных машин при номинальном диаметре шлифовального круга не должна превышать значения, соответствующего окружной скорости шлифовального круга, равной 80 м/с.
Настоящий стандарт не распространяется на специализированные отрезные машины.
Примечание 101 - На отрезные машины разрабатывается отдельный документ.
Настоящий стандарт не распространяется на эксцентриковые полировальные и шлифовальные машины.
Примечание 102 - На орбитально-полировальные и орбитально-шлифовальные машины разрабатывается отдельный документ.
Настоящий стандарт не распространяется на инструментальные шлифовальные машины.
Примечание 103 - Шлифовальные машины с цанговым зажимом подпадают под действие IEC 62841-2-23.
Применяют соответствующий раздел IEC 62841-1 со следующим дополнением.
Дополнение:
ISO 525:2013, Bonded abrasive products - General requirements (Абразивная продукция на связке. Общие требования)
Применяют соответствующий раздел IEC 62841-1 со следующими дополнениями.
Дополнение:
3.101 прокладка (blotter): Деталь из тонкого легкосжимаемого материала между абразивным инструментом и фланцем.
3.102 алмазный круг (diamond wheel): Металлический круг с непрерывной или сегментальной абразивной кромкой.
3.102.1 алмазный отрезной круг (diamond cutting wheel): Металлический круг с абразивной кромкой, расположенной на радийной части.
3.102.2 алмазный шлифовальный круг (diamond grinding wheel): Металлический круг с абразивными элементами, расположенными на торцевой части.
3.103 полировальный круг (disc-type polisher): Круг, оснащенный вращающимся гибким диском или подушкой, предназначенный для полировки.
Примечание 101 - Полировка - это механическая операция, предназначенная для получения гладкой или блестящей поверхности.
3.104 шлифовальный круг (disc-type sander): Круг, предназначенный для различного способа шлифования.
Примечание 101 - Шлифование - это механическая операция, предназначенная для удаления материала с использованием гибкого абразивного материала, такого как наждачная бумага.
3.105 фланец (flange): Кольцо, диск или планка, между которыми или на которых крепят шлифовальные круги.
3.105.1 фланец без кольцевой канавки (unrecessed flange): Фланец, устанавливаемый на шпинделе машины, имеющий плоскую поверхность без кольцевой канавки, который закрепляет посредством резьбового соединения абразивный инструмент, например: чашечный круг, конический круг или цилиндрический круг.
3.105.2 внутренний фланец (inner flange): Фланец, прилегающий к тыльной стороне круга, образуя его опору, и расположенный на шпинделе между кругом и машиной.
3.105.3 внешний фланец (outer flange): Фланец, прилегающий к передней стороне круга и зажимающий круг на шпинделе совместно с внутренним фланцем.
Примечание 101 - В Канаде и США применяется следующее дополнительное определение.
3.105.UC1 опорный фланец адаптера (adaptor backing flange): Внутренний фланец, который опирается, удерживается в области ступицы и увеличивает выступающую часть, чтобы уменьшить изгиб периферии круга.
3.106 шлифовальная машина (grinder): Машина с приводимым в действие вращающимся шпинделем, на котором установлен и закреплен абразивный инструмент или алмазный круг.
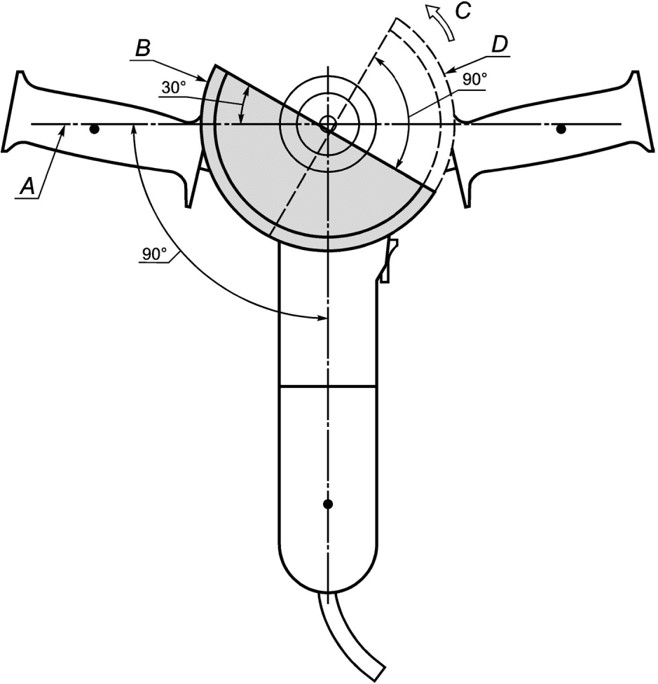
3.106.1 угловая шлифовальная машина (angle grinder): Машина с вращающимся шпинделем, расположенным под прямым углом относительно оси вала электродвигателя, которая предназначена для радиального и торцевого шлифования.
Рисунок 101 - Угловая шлифовальная машина
3.106.2 прямая шлифовальная машина (straight grinder): Машина с вращающимся шпинделем, соосным с валом электродвигателя, которая предназначена для радиального шлифования и не оборудована цангой или патроном.
Рисунок 102 - Прямая шлифовальная машина
3.106.3 торцевая шлифовальная машина (vertical grinder): Машина с вращающимся шпинделем, соосным с валом электродвигателя, которая предназначена для торцевого шлифования.
Рисунок 103 - Торцевая шлифовальная машина
3.107 направляющее основание (guide plate): Плоское основание на машине, которое опирается на объект обработки.
3.108 направляющий ролик (guide roller): Ролик на машине, которая опирается на объект обработки.
3.109 второстепенный фрагмент (minor fragment): Частицы массой менее 1/16 массы абразивного круга.
3.110 номинальный диаметр (rated capacity): Максимальный диаметр вращающегося абразивного инструмента, который можно устанавливать на машину в соответствии с инструкцией изготовителя.
3.111 защитный кожух (wheel guard): Устройство, частично охватывающее шлифовальный круг и обеспечивающее защиту оператора.
3.112 типы кругов (wheel types): Обозначение диска в зависимости от области применения и формы.
Примечание 101 - Формы для типов дисков приведены в
приложении CC.
Применяют соответствующий раздел IEC 62841-1.
5 Общие условия испытаний
Применяют соответствующий раздел IEC 62841-1 со следующим дополнением.
Массу шлифовальной машины определяют с учетом защитного кожуха, фланцев и рукояток.
Массу полировальной или торцевой шлифовальной машины определяют с учетом фланцев и рукояток.
6 Опасность излучения, токсичность и прочие опасности
Применяют соответствующий раздел IEC 62841-1.
Применяют соответствующий раздел IEC 62841-1.
8 Маркировка и инструкция
Применяют соответствующий раздел IEC 62841-1 со следующими дополнениями.
8.1 Дополнение
Машины должны иметь дополнительную маркировку:
- номинальную частоту вращения на холостом ходу;
- номинальный диаметр абразивного инструмента.
Примечание 101 - В соответствии с требованием к маркировке номинального диаметра абразивного инструмента допускается наносить дополнительную маркировку диаметров вращающегося диска (например, 115/125 мм, где 125 мм - номинальный диаметр).
8.2 Дополнение
Машина должна иметь дополнительную маркировку предупреждений по безопасности:
"

ВНИМАНИЕ - Всегда пользуйтесь средствами защиты органов зрения", или знак M004 по ISO 7010, или следующий знак:
Знак защиты органов зрения может видоизменяться путем добавления графического обозначения других средств индивидуальной защиты, таких как защита органов слуха, пылезащитные маски и т.д.
Машины, для которых в соответствии с
19.4 требуются не менее двух рукояток, должны иметь маркировку:
- "

ВНИМАНИЕ! Всегда работайте двумя руками"; или
- следующий знак безопасности:
Примечание - В Канаде и Соединенных Штатах Америки применяются следующие дополнительные требования.
Машины должны иметь следующие дополнительные предупреждения по технике безопасности:
- "ВНИМАНИЕ - Чтобы снизить риск получения травмы, используйте только аксессуары, номинальная частота вращения которых не более максимальной частоты вращений указанной на рабочем инструменте".
Все шлифовальные машины, требующие наличия защитного кожуха по
19.101.2, должны иметь следующую маркировку:
- "ВНИМАНИЕ - Чтобы снизить риск травмы, всегда используйте подходящие защитные устройства при шлифовании".
Если вышеуказанные предупреждающие знаки включены как часть списка предупреждающих знаков, слова "ПРЕДУПРЕЖДЕНИЕ - Чтобы снизить риск травмы" повторять не требуется.
8.2.101 Защитный кожух типа B в соответствии с
приложением AA должен иметь маркировку:
- "

ВНИМАНИЕ Не предназначен для отрезных операций"; или
- следующий знак безопасности:
8.3 Дополнение
Маркировка машин, оснащенных резьбовым шпинделем, предназначенным для приема резьбовых принадлежностей в соответствии с 8.14.2, должна содержать размер резьбы шпинделя.
Направление вращения шпинделя должно быть указано на машине в виде выпуклой или утопленной стрелки или иными, не менее видимыми и нестираемыми способами.
8.6 Дополнение

Всегда работай двумя руками

Не предназначен для отрезных операций
8.12 Дополнение
Знак безопасности, требуемый по
8.2.101, допускается изобразить цветом, отличным от красного, который установлен в ISO 3864-2.
8.14.1.101 Дополнительные указания мер безопасности при работе с дисковыми шлифовальными и полировальными машинами с вращательным движением рабочего инструмента
8.14.1.101.1 Общие указания мер безопасности
Приведены дополнительные указания по технике безопасности согласно
8.14.1.101.2 -
8.14.1.101.8. Эта часть может быть напечатана отдельно от раздела "Общие правила безопасности".
В отношении следующих указаний по безопасности необходимо отметить, что выбор терминов, таких как "шлифование - шлифовальная машина", "шлифование шкуркой - дисковая шлифовальная машина", "зачистка проволочной щеткой - зачистная машина", "полирование - полировальная машина", "резка - отрезная машина", определен назначением машины, установленным изготовителем. Эти термины в предупреждениях и заголовках следует соответственно применять или удалять с учетом выбранных видов работ. Союзы "и", "или" используют сообразно контексту.
Если ручная машина рекомендована только для выполнения одной из перечисленных работ, заголовок этого раздела следует относить ко всем предупреждениям.
8.14.1.101.2 Указания мер безопасности для всех видов работ
Предупреждения по безопасности, общие для шлифования, шлифования шкуркой, зачистки, полирования и абразивной резки:
Примечание 101 - В данном заголовке не приведены те работы, которые не применяют;
a) данная ручная машина предназначена для применения в качестве шлифовальной, дисковой шлифовальной, зачистной, полировальной и отрезной машины. Необходимо ознакомиться со всеми предупреждениями по безопасности, инструкциями, иллюстрациями и техническими характеристиками, предоставленными с данной ручной машиной. Невыполнение всех приведенных ниже указаний может привести к поражению электрическим током, пожару и (или) к нанесению тяжелого телесного повреждения.
Примечание 102 - Перечисляют только применимые операции;
b) не следует производить данной ручной машиной такие работы, как шлифование, шлифование шкуркой, зачистку, полирование или резку. Производство работ, для которых эта машина не предназначена, может быть опасным, создавая угрозу нанесения телесных повреждений.
Примечание 103 - Перечисляют только те работы, которые не включены в первое предупреждение. Если рекомендуется производить все перечисленные работы, это предупреждение допускается не указывать, однако необходимо привести все без исключения последующие предупреждения;
c) не допускается изменять конструкцию машины для ее применения в не предназначенных и не указанных производителем режимах. Подобное изменение конструкции может привести к потере управления над машиной, создавая угрозу нанесения телесных повреждений;
d) не пользуйтесь рабочим инструментом и другими вспомогательными устройствами, которые не предназначены специально для этой машины и не рекомендованы изготовителем машины. Одна только возможность их крепления к данной ручной машине не обеспечивает ее безопасную работу;
e) номинальная частота рабочего инструмента, указанная на нем, должна быть не менее максимальной частоты вращения, нанесенной на маркировку машины. При работе рабочим инструментом, вращающимся со скоростью большей, чем его номинальная частота вращения, может произойти его разрыв и, как следствие, разлет обломков;
f) наружный диаметр и толщина рабочего инструмента должны соответствовать номинальному диаметру. Несоразмерные рабочие инструменты не могут быть в достаточной мере ограждены и при работе могут приводить к потере управления машиной;
g) размеры крепления принадлежностей должны соответствовать размерам крепления на машине. Принадлежности, которые не соответствуют монтажному креплению машины, будут несбалансированными, вызывать повышенную вибрацию и приводить к потере управления машиной при работе;
h) не допускается применять поврежденный рабочий инструмент. Перед каждым использованием осматривают рабочий инструмент, например: шлифовальные круги, на предмет наличия сколов и трещин; тарельчатые шлифовальные диски - на наличие трещин, разрывов или чрезмерного износа; проволочную щетку - на предмет незакрепленных или надломанных проволок. После падения ручной машины или рабочего инструмента необходимо проводить осмотр на предмет наличия повреждений или установить новый рабочий инструмент. После осмотра и монтажа рабочего инструмента оператор и все находящиеся вблизи лица должны занять положение за пределами плоскости вращения рабочего инструмента, после чего включают ручную машину для работы на максимальной частоте вращения на холостом ходу в течение 1 мин. В большинстве случаев за время проверки происходит разрыв поврежденного рабочего инструмента;
i) следует применять средства индивидуальной защиты. В зависимости от выполняемой работы пользуйтесь защитным лицевым щитком, закрытыми или открытыми защитными очками. По мере необходимости пользуйтесь пылезащитной маской, средствами защиты органов слуха, перчатками и защитным фартуком, способным задерживать мелкие абразивные частицы и частицы обрабатываемого материала. Средства защиты органов зрения должны быть способны задерживать разлетающиеся частицы, образующиеся при производстве различных работ. Пылезащитная маска или респиратор должны отфильтровывать частицы, образующиеся при производстве работ. Длительное воздействие шума высокого уровня может вызвать потерю слуха;
j) не допускается нахождение посторонних лиц в непосредственной близости к рабочей зоне. Лица, входящие в рабочую зону, должны носить средства индивидуальной защиты. Фрагменты объекта обработки или поломанного рабочего инструмента могут разлетаться и наносить телесные повреждения в непосредственной близости от места производства работы;
k) необходимо удерживать ручную машину только за изолированные поверхности рукояток при производстве работ, при которых рабочий инструмент может прикоснуться к скрытой проводке или к собственному кабелю машины. При прикосновении рабочего инструмента к находящемуся под напряжением проводу открытые металлические части ручной машины могут попасть под напряжение и вызвать поражение оператора электрическим током.
Примечание 104 - Приведенное выше предупреждение допускается не учитывать, если рекомендуемыми видами работ являются только полирование или шлифование шкуркой;
l) следует располагать кабель как можно дальше от вращающегося рабочего инструмента. При потере контроля над машиной кабель может быть разрезан или захвачен вращающимися частями, при этом руки или кисти рук оператора могут быть притянуты в зону вращающегося инструмента;
m) не допускается класть ручную машину до полной остановки рабочего инструмента. Вращающийся рабочий инструмент может зацепиться за поверхность и вырвать машину из рук;
n) не допускается включать ручную машину во время ее переноски. При случайном прикосновении к вращающемуся рабочему инструменту может быть захвачена одежда, что может быть причиной нанесения телесных повреждений;
o) следует регулярно проводить очистку вентиляционных отверстий ручной машины. Вентилятор электродвигателя затягивает пыль внутрь корпуса, чрезмерное скопление металлизированной пыли может привести к опасности поражения электрическим током;
p) не допускается работать ручной машиной в непосредственной близости с воспламеняемыми материалами. Данные материалы могут воспламениться от искр, возникающих при работе абразивного инструмента;
q) не допускается пользоваться рабочими инструментами, требующими применения охлаждающих жидкостей. Использование воды или иных охлаждающих жидкостей может привести к поражению электрическим током.
Примечание 105 - Приведенное выше предупреждение не относится к ручным машинам, конструкция которых обеспечивает подачу охлаждающих жидкостей на рабочий инструмент.
8.14.1.101.3 Дополнительные указания мер безопасности для всех видов работ
Отскок и соответствующие предупреждения
Отскок - это реакция машины на внезапное заедание или заклинивание вращающегося шлифовального круга, шлифовального тарельчатого диска, щетки или иного рабочего инструмента. Заклинивание вызывает резкое торможение вращающегося рабочего инструмента, что приводит к возникновению силы отдачи, воздействующей на ручную машину, направленной противоположно направлению вращения рабочего инструмента и приложенной в точке заклинивания.
Если, например, шлифовальный круг заклинен в объекте обработки, а кромка круга заглублена в поверхность материала, круг будет выжиматься из материала или отбрасываться. Круг может отскочить в сторону оператора или от него в зависимости от направления движения круга в месте заклинивания. При этом может происходить разрыв шлифовальных кругов.
Отскок является результатом неправильного обращения с ручной машиной и/или неправильного порядка или условий работы; отскока можно избежать, принимая приведенные ниже меры предосторожности:
a) следует надежно удерживать ручную машину, тело и обе руки должны находиться в состоянии готовности в любой момент погасить силу отдачи, возникающую при отскоке. Обязательно пользуйтесь дополнительной рукояткой, если она предусмотрена, это обеспечит готовность быстро скомпенсировать силу отдачи или реактивного момента при пуске. При соблюдении мер предосторожности оператор может контролировать реактивный момент или силу отдачи при отскоке;
b) не допускается приближать руку к вращающемуся рабочему инструменту. При отскоке рабочего инструмента ее можно повредить;
c) не допускается располагаться в зоне предполагаемого движения рабочего инструмента в случае отскока. При отскоке рабочий инструмент отбрасывается в направлении, противоположном направлению вращения круга в месте заклинивания;
d) необходимо быть предельно осторожным при работе в углах, на острых кромках и т.п. Следует избегать вибрации и заедания рабочего инструмента. Углы, острые кромки и вибрация рабочего инструмента могут приводить к заклиниванию и вызывать потерю управления или отскок;
e) не допускается прикреплять пильные цепи для резки древесины или пильные диски. Такой инструмент способен вызывать частые отскоки и потерю управления машиной.
8.14.1.101.4 Дополнительные указания мер безопасности для шлифовальных и отрезных работ
Примечание 101 - Если шлифовальные и отрезные работы не рекомендованы изготовителем, требования данного пункта можно не применять.
Особые предупреждения по безопасности для шлифовальных и отрезных работ:
a) следует пользоваться только теми типами кругов, которые рекомендованы для данной ручной машины, и специальным защитным кожухом, предназначенным для выбранного типа круга. Круги, для которых ручная машина не предназначена, не могут в достаточной степени ограждаться и являются небезопасными;
b) шлифовальные круги с центральной канавкой должны быть установлены ниже плоскости кромки защитного кожуха. Неправильно установленный диск, который выступает через плоскость защитной кромки, не может быть защищен надлежащим образом;
c) защитный кожух должен быть надежно прикреплен к ручной машине и обеспечивать максимальную безопасность таким образом, чтобы со стороны оператора была открыта как можно меньшая часть круга. Защитный кожух обеспечивает защиту оператора от фрагментов круга при его разрыве, случайного прикосновения к кругу и искр, от которых может загореться одежда.
Примечание 102 - Данное требование не относится к шлифовальным и отрезным шлифовальным машинам с номинальным диаметром шлифовального круга менее 55 мм;
d) шлифовальные и отрезные круги следует применять только для рекомендуемых работ. Например, не производят шлифование боковой стороной отрезного круга. Отрезные круги не предназначены для шлифования, прикладываемые к этим кругам поперечные силы могут разрушить круг;
e) необходимо пользоваться неповрежденными, имеющими соответствующие размер и форму для выбранного круга фланцами. Фланцы, соответствующие шлифовальному или отрезному кругу, служат надежной опорой для него, снижая вероятность разрушения круга. Фланцы для отрезных кругов могут отличаться от фланцев для шлифовальных кругов;
f) не допускается использование изношенных кругов от ручных машин, рассчитанных на больший диаметр круга. Круг, предназначенный для ручной машины с диаметром рабочего инструмента большего размера, не годится для ручной машины, рассчитанной на более высокие частоты вращения и меньшие диаметры кругов, вследствие чего может произойти его разрушение.
Примечание 103 - Приведенное предупреждение не распространяется на машины, предназначенные только для использования с алмазными кругами;
g) при использовании дисков двойного назначения необходимо использовать защитный кожух, соответствующий выполняемой операции. Применение защитного кожуха, не предназначенного для выбранного вида работ, не обеспечивает необходимый уровень защиты, что может привести к телесным повреждениям.
8.14.1.101.5 Дополнительные указания мер безопасности для отрезных работ
Примечание 101 - Если отрезные работы не рекомендованы изготовителем, требования данного пункта можно не применять.
Дополнительные предупреждения по безопасности для отрезных работ:
a) не следует задавливать отрезной круг и прикладывать чрезмерное усилие подачи, а также делать недопустимо глубокие резы. При прикладывании чрезмерного усилия подачи возрастают нагрузка и вероятность скручивания или заклинивания круга в прорези, а также увеличивается возможность отскока или разрыва круга;
b) запрещается стоять непосредственно перед или за вращающимся кругом. Если круг во время работы вращается в направлении от оператора, то при отскоке ручная машина вместе с вращающимся кругом может быть отброшена на него;
c) при заклинивании круга или прекращении работы по другой причине следует выключать ручную машину и удерживать ее неподвижно до тех пор, пока рабочий инструмент полностью не остановится. Во избежание возможного отскока не допускается пытаться извлекать круг из разреза в обрабатываемом материале до полной остановки. Далее устанавливают причину заклинивания круга и принимают меры по ее устранению;
d) не разрешается возобновлять работу до тех пор, пока отрезной круг находится в объекте обработки. Только после набора отрезным кругом полной частоты вращения допускается осторожно вводить его в полученный ранее разрез. При повторном пуске ручной машины с кругом, находящимся в разрезе, возможны заклинивание и выход круга из зоны реза или отскок;
e) для плит или любых длинномерных объектов обработки необходимо обеспечить надежную опору для сведения к минимуму опасности заклинивания круга и отскока машины. Длинномерные объекты обработки могут прогибаться под действием собственной массы. Необходимо устанавливать опоры под заготовку рядом с линией реза с обеих сторон круга и по краям объекта обработки;
f) необходимо быть предельно осторожным при работе в нишах, имеющихся в стенах и других затененных зонах. Выступающий вперед круг может перерезать газовые или водопроводные трубы, электропроводку или иные предметы, что может привести к отскоку машины;
g) не допускается производить резку по криволинейной траектории. При чрезмерном напряжении возрастают нагрузка и вероятность скручивания или заклинивания круга в прорези, а также увеличивается вероятность отскока или разрыва круга.
8.14.1.101.6 Дополнительные указания мер безопасности для работ со шлифовальной шкуркой
Примечание 101 - Если работа со шлифовальной шкуркой не рекомендована изготовителем, требования данного пункта можно не применять.
Особые предупреждения по безопасности для работ со шлифовальной шкуркой:
a) не следует применять шлифовальную шкурку размером больше шлифовального тарельчатого диска. При выборе шлифовальной шкурки необходимо следовать рекомендациям изготовителя. Шлифовальная шкурка, выступающая за тарельчатый диск, может стать причиной травмы, привести к заклиниванию, разрыву шкурки и отскоку машины.
8.14.1.101.7 Дополнительные указания мер безопасности для полировальных работ
Примечание 101 - Если полировальные работы не рекомендованы изготовителем, требования данного пункта можно не применять.
Особые предупреждения по безопасности для полировальных работ:
a) не следует допускать свободного вращения любой незакрепленной части полировального круга или аксессуара его крепления. Устраняют любые незакрепленные аксессуары крепления. В незакрепленные вращающиеся аксессуары крепления могут попасть пальцы оператора или застрять в объекте обработки.
8.14.1.101.8 Дополнительные указания мер безопасности для зачистных работ
Примечание 101 - Если зачистные работы не рекомендованы изготовителем, требования данного пункта можно не применять.
Особые предупреждения по безопасности для зачистных работ:
a) необходимо учитывать, что проволоки щетки выпадают из нее даже при нормальной эксплуатации. Не следует прижимать проволоки приложением чрезмерной нагрузки к щетке. Отлетающие куски проволоки легко проникают через легкую одежду и/или кожу;
b) если для зачистных работ рекомендуется применение защитного кожуха, не допускается задевания защитного кожуха дисковой или чашечной щеткой. Дисковая или чашечная щетка может увеличиваться в диаметре под действием усилия прижатия ее к обрабатываемой поверхности и центробежных сил.
8.14.2 a) Дополнение:
101) Инструкция по применению принадлежностей и защитных кожухов для предполагаемого применения машины согласно
a) 8.14.1.101.2, которые соответствуют содержанию
таблицы 101, если применимо.
102) При использовании дисков двойного назначения (комбинированный шлифовальный и отрезной абразивный) следует использовать только защитный кожух колеса типа A (отрезной) или типа C (комбинированный).
103) Информация о рисках, связанных с неправильным использованием защитного кожуха, в том числе при применении:
- защитного кожуха типа A (для отрезных работ) он может касаться объекта обработки, что приводит к ненадлежащему контролю;
- защитного кожуха типа B (шлифовальный) для обрезных работ с помощью абразивных кругов повышается риск воздействия искр и частиц, а также осколков круга в случае его разрыва;
- защитного кожуха типа A (для отрезных работ), типа B (шлифовальный) или типа C (комбинированный) для резки и шлифовки бетона или каменной кладке повышается риск воздействия пыли и потери контроля в результате отскока;
- защитных кожухов типа A (для отрезных работ), типа B (шлифовка) или типа C (комбинированный) с проволочной щеткой толщиной, превышающей максимальную толщину, указанную в
перечислении a) 105) 8.14.2, провода могут зацепиться за кожухи, что приведет к обрыву проводов.
104) Информация о допустимой толщине и диаметре шлифовальных кругов.
105) Информация о максимальной толщине и диаметре проволочных щеток.
106) Информация о допустимой конструкции отрезных кругов [алмазная или усиленная, если алмазная сегментация сегментирована, максимальный размер паза между сегментами не должен превышать 10 мм, а угол наклона должен быть отрицательным (см.
рисунок 104)], а также о допустимом диаметре и толщине круга.
1 - направление вращения; 2 - зазор; 3 - передний край
сегмента; 4 - отрицательный угол наклона; 5 - положительный
угол наклона
Рисунок 104 - Пример зазоров и передних углов
алмазного диска с сегментами
8.14.2 b) Дополнение:
101) информация о применении прокладок, если они предусмотрены для работы с абразивным инструментом;
102) информация о конкретных фланцах, которые будут использованы со всеми типами кругов в соответствии с
перечислением a) 101) 8.14.2. Инструкция по монтажу принадлежностей и применению правильных фланцев. Указание о способе установки двусторонних фланцев;
103) для всех принадлежностей, указанных в соответствии с
перечислением a) 101) 8.14.2, инструкция по их правильному использованию. Для шлифовальных и отрезных кругов инструкция по их применению для торцевого и радиального шлифования, а для кругов типа 27 и 28 - рекомендуемый угол наклона к рабочей поверхности;
104) инструкция по установке и креплению защитного кожуха с указанием допустимой регулировки с целью обеспечения максимальной степени защиты оператора;
105) инструкция по надлежащему закреплению объекта обработки;
106) при применении чашечных кругов, конических или цилиндрических шлифовальных головок с глухим резьбовым отверстием для крепления на шпинделе машины необходимо предоставлять привязочные размеры и другие данные для предотвращения касания дна абразивного инструмента торцом шпинделя;
107) для дисковых шлифовальных машин, предназначенных исключительно для шлифования деревянных полов, инструкция с указанием по присоединению внешнего пылесборного оборудования, если оно предусмотрено;
108) инструкция по подключению внешнего пылеулавливающего оборудования для шлифовальных машин, предназначенных для использования с защитным кожухом типа E или типа F, если применимо.
8.14.2 c) Дополнение:
101) инструкция по хранению и обращению с указанными принадлежностями.
9 Защита от контакта с токоведущими частями
Применяют соответствующий раздел IEC 62841-1.
Применяют соответствующий раздел IEC 62841-1.
11 Потребляемая мощность и ток
Применяют соответствующий раздел IEC 62841-1.
Применяют соответствующий раздел IEC 62841-1.
13 Теплостойкость и огнестойкость
Применяют соответствующий раздел IEC 62841-1.
Применяют соответствующий раздел IEC 62841-1.
Применяют соответствующий раздел IEC 62841-1.
16 Защита от перегрузки трансформаторов и соединенных с ними цепей
Применяют соответствующий раздел IEC 62841-1.
Применяют соответствующий раздел IEC 62841-1.
18 Ненормальный режим работы
Применяют соответствующий раздел IEC 62841-1 со следующими изменениями.
18.8 Замена таблицы 4.
Таблица 4
Требуемые уровни эффективности
Тип и назначение важной для безопасности функции | Требуемый уровень эффективности |
Выключатель питания, предотвращающий нежелательное включение шлифовальной машины с номинальным диаметром более 55 мм | Оценивается с использованием условий отказа по 18.6.1, без потери важной для безопасности функции |
Выключатель питания, предотвращающий нежелательное включение шлифовальной машины с номинальным диаметром не более 55 мм | c |
Выключатель питания, предотвращающий нежелательное выключение машины с шлифовальным и полировальным кругами | b |
Выключатель питания, предотвращающий нежелательное выключение шлифовальной машины с номинальным диаметром более 55 мм | c |
Выключатель питания, предотвращающий нежелательное выключение шлифовальной машины с номинальным диаметром более 55 мм и машины с шлифовальным и полировальным кругами | b |
Обеспечение рабочего направления вращения | c |
Обеспечение рабочего направления вращения машины с шлифовальным и полировальным кругами | Не является важной для безопасности функцией |
Любой электронный регулятор должен пройти испытание по 18.3 | c |
Предотвращение превышения частоты вращения на шпинделе выше 120% номинальной частоты вращения (холостого хода) для шлифовальной машины | c |
Предотвращение превышения частоты вращения на шпинделе выше 130% для машины с полировальным диском | b |
Предотвращение превышения тепловых пределов по разделу 18 | a |
Предотвращение нежелательной функции блокировки выключателя питания | b |
Защита от повторного пуска в соответствии с требованиями 21.18.1.1 | b |
Функция блокировки в соответствии с требованиями 21.18.1.2 | c |
Предотвращение самовозврата в соответствии с 23.3 | c |
19 Механическая безопасность
Применяют соответствующий раздел IEC 62841-1 со следующими изменениями.
19.1 Замена первого и второго абзаца:
Движущиеся и другие опасные части машины, кроме шпинделя, принадлежностей и фланцев, должны быть расположены или закрыты таким образом, чтобы обеспечить достаточную защиту от телесных повреждений. Требования к защитным ограждениям шпинделя, принадлежностей и фланцев рассмотрены в
19.101.
Защитные ограждения, крышки, защитные кожухи и другие подобные средства должны иметь достаточную механическую прочность для применения по назначению. За исключением защитных кожухов, рассматриваемых в
19.101.2, не допускается возможность демонтажа без помощи инструмента.
19.3 Дополнение
Требования подпункта не применимы к отверстиям для сбора пыли на защитном кожухе, при его наличии.
Машины с номинальным диаметром более 100 мм должны иметь не менее двух рукояток. Одной из рукояток может быть корпус ручной машины при условии придания ему соответствующей формы.
Соответствие проверяют путем осмотра.
Примечание 101 - В Японии применяются следующие требования:
Машины с номинальным диаметром рабочего инструмента более 105 мм должны иметь не менее двух рукояток. Одна из рукояток может быть корпусом машины, при условии придания ему соответствующей формы.
Соответствие проверяют путем осмотра.
19.6 Замена
Для шлифовальных машин частота вращения шпинделя на холостом ходу при номинальном напряжении не должна превышать номинальной частоты вращения на холостом ходу.
Соответствие проверяют путем измерения частоты вращения шпинделя после того, как машина работала в течение 5 мин на холостом ходу. Во время испытания должен быть установлен рабочий инструмент в соответствии с перечислением a) 101) 8.14.2, с которым машина развивает максимальную частоту вращения.
Для полировальных машин частота вращения шпинделя на холостом ходу при номинальном напряжении не должна превышать 110% от номинальной частоты вращения на холостом ходу.
Соответствие проверяют путем измерения частоты вращения шпинделя после того, как машина работала в течение 5 мин на холостом ходу. Во время испытания съемные принадлежности не устанавливают.
19.101.1 Общие требования
Защитный кожух должен предохранять пользователя во время работы машиной:
- от случайного прикосновения к абразивному инструменту;
- фрагментов разлета абразивного инструмента;
- искр и отходов, образующихся при шлифовании.
Защитный кожух может быть демонтирован с помощью либо инструмента, либо двух отдельных и разнородных действий, необходимых для удаления всего защитного кожуха с машины, например перемещение рычага и перемещение защитного кожуха.
Защитный кожух должен:
- иметь конструкцию, облегчающую смену абразивного круга без необходимости снятия защитного кожуха, за исключением защитного кожуха типа F;
- быть спроектирован таким образом, чтобы минимизировать риск случайного прикосновения оператора к абразивному инструменту, например обладать возможностью регулировки.
Для предотвращения монтажа круга, превышающего номинальный диаметр по крайней мере в одной точке, зазор между внутренней частью защитного кожуха и периферией нового абразивного круга с неноминальным диаметром, соответствующим
перечислению a) 101) 8.14.2, должен составлять:
- не более 8 мм для машин с номинальным диаметром более 130 мм и не более 10 мм для машин с номинальным диаметром более 130 мм, для защитных кожухов типа A, B, C или G;
- не более 11 мм для защитных кожухов типа D.
Соответствие проверяют путем осмотра и измерения.
19.101.2 Крепление защитного кожуха
Шлифовальные машины с номинальным диаметром не более 55 мм включительно, дисковые шлифовальные и полировальные машины допускается не снабжать защитным кожухом.
Угловые шлифовальные машины с номинальным диаметром более 55 мм должны быть снабжены:
- защитным кожухом типа A (для отрезных работ) и типа B (для шлифовальных работ); или
Примечание 101 - В Японии вышеприведенное перечисление заменено следующим:
- защитным кожухом типа B (шлифовальный); или
- защитным кожухом типа B (для шлифовальных работ) и дополнительными элементами, которые должны быть смонтированы на защитном кожухе типа B (для шлифовальных работ), для его превращения в защитный кожух типа A (для отрезных работ); или
- защитным кожухом типа C (комбинированный).
Прямые шлифовальные машины с номинальным диаметром более 55 мм должны быть снабжены защитным кожухом типа G.
Для машины с номинальным диаметром более 55 мм защитные кожухи, указанные в
таблице 101 для предполагаемого применения и вспомогательных типов принадлежностей в соответствии с
перечислением a) 101) 8.14.2, должны быть:
- снабжены инструментом для любого типа принадлежностей, поставляемых с машиной;
- доступными от производителя и перечисленными в инструкциях в соответствии с перечислением 3) 8.14.2 c),
Соответствие проверяют путем осмотра, измерения и проведения соответствующих испытаний.
Таблица 101
Аксессуары и устройства защиты для различного применения
Применение | Тип принадлежностей | Тип защиты |
Торцевое шлифование | Круг типа 27, 28, 29 | Тип B или тип C (защитный кожух для шлифовального или комбинированного круга) |
Круг типа 6, 11 | Тип D (защитный кожух для чашечного круга) |
Алмазные шлифовальные круги для кладки/бетона | Тип E (защитный кожух для алмазного шлифовального круга) |
Периферийное шлифование | Круг типа 1, 4 | (Прямая защита шлифовального круга) |
Конусы, заглушки | Отсутствует |
Отрезные работы | Круг типа 41 (1A), 42 (27A) для металла | Тип A или тип C (защитный кожух для отрезного или комбинированного круга) |
Круг типа 41 (1A), 42 (27A) для кладки/бетона | Тип A или тип F |
Алмазный отрезной круг по металлу | Тип A или тип C (защитный кожух для отрезного или комбинированного круга) |
Алмазный отрезной круг для кладки/бетона | Тип A или тип F (защитный кожух для отрезного круга или круга для резки кладки/бетона) |
Абразивные круги для материалов, отличных от металла, для каменной кладки/бетона | Тип A или тип F (защитный кожух для отрезного круга или круга для резки кладки/бетона) |
Двойное назначение (сочетание отрезных и шлифовальных работ) | Абразивный круг двойного назначения | Тип A или тип F (защитный кожух для отрезного круга или круга для резки кладки/бетона) |
Резка отверстий | Алмазные фрезы | Отсутствует |
Проволочная щетка | Колесная проволочная щетка | Тип A, или тип B, или тип C (защитный кожух для отрезного, шлифовального или комбинированного круга) |
Чашечная проволочная щетка | Отсутствует |
Шлифование | Откидной диск | Тип B или тип C (защитный кожух для шлифовального или комбинированного круга) |
Гибкий абразив (например, шлифовальная бумага), поддерживаемый гибкой подложкой | Отсутствует |
Диск из твердого металла (для материалов, отличных от металла, для каменной кладки/бетона) | Отсутствует |
Полировка | Полировочные принадлежности | Отсутствует |
Все операции | Принадлежности диаметром не более 55 мм | Отсутствует |
19.102 Шпиндели
Шпиндель должен иметь конструкцию, которая обеспечивает крепление абразивного инструмента, предназначенного для данной машины, а также передает крутящий момент инструменту.
Направление резьбы шпинделя или конструкция аналогичного средства крепления должны быть такими, чтобы любое зажимное устройство, круг с резьбовым отверстием самозатягивались во время работы или внешний фланец должен быть надежно зафиксирован на шпинделе.
Соответствие требованиям проверяют путем проведения осмотра.
Для ограничения дисбаланса любой вращающейся части эксцентриситет шпинделя должен быть не более 0,1 мм.
В тех машинах, в которых инструмент крепят посредством фланца или подобного зажимного и центрирующего устройства, суммарный эксцентриситет шпинделя, отверстия фланца и посадочной шейки фланца, которая центрирует и служит опорной поверхностью для инструмента, должен быть, мм, не более:
- 0,30 - при номинальной частоте вращения не более 15 000 об/мин;
- 0,15 - при номинальной частоте вращения не менее 15 000 об/мин, но не более 25 000 об/мин;
- 0,10 - при номинальной частоте вращения не менее 25 000 об/мин.
Соответствие проверяют путем измерения. Эксцентриситет измеряют как разницу между минимальным и максимальным показаниями индикатора.
Для машин с фланцами измеряют эксцентриситет фланца в наихудшем смещенном положении, допускаемом процедурой монтажа.
Машины должны быть сконструированы таким образом, чтобы не допустить ослабления абразивного инструмента при нормальном применении.
Шлифовальные машины должны быть снабжены, по крайней мере, внутренним(и) и внешним(и) фланцем(ами) для установки шлифовальных кругов того типа, который предназначен для использования с защитным кожухом, поставляемым вместе с шлифовальной машиной. Фланцы должны соответствовать требованиям
19.104 и
19.105.
Наличие фланцев не требуется, если машина предназначена для установки на нее только кругов с одноразовым креплением на пластину или другим безрезьбовым креплением диска.
Соответствие проверяют путем осмотра.
19.104.1 Конструкция фланцев по
19.103 должна обеспечивать крепление и центрирование абразивного инструмента на шпинделе шлифовальной машины. По меньшей мере один из фланцев должен быть установлен на шпонке, навинчен, запрессован или иным способом закреплен для предотвращения его вращения относительно шпинделя.
Фланцы должны быть плоскими и не иметь острых кромок.
Фланцы должны иметь размеры, указанные в
19.104.1 и
19.104.2, как показано на
рисунке 105, или размеры, указанные в
19.104.3, как показано на
рисунке 106, где
D - внешний диаметр абразивного круга,
G и
W - размеры канавки и
Df - наружный диаметр зажимной поверхности фланца.
C - поверхность перекрытия опорного и зажимного фланцев;
Df - наружный диаметр поверхности зажима фланца; G - глубина
канавки; W - ширина канавки
Рисунок 105 - Основные размеры фланцев для кругов,
кроме типа 4
C - поверхность перекрытия опорного и зажимного фланцев;
Df - наружный диаметр поверхности зажима фланца;
G - глубина канавки
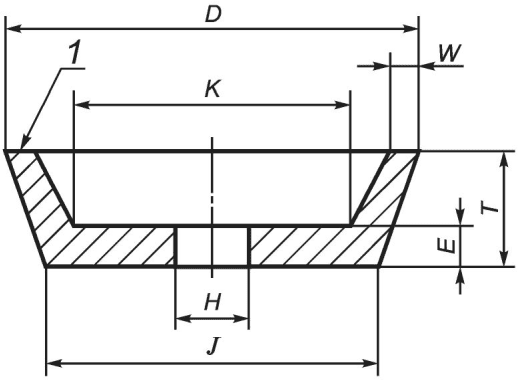
Рисунок 106 - Основные размеры фланцев для кругов типа 4
Фланцы для кругов диаметром не более 55 мм допускается изготавливать без канавки.
При применении кругов с резьбовыми вставками или выступающими резьбовыми шпильками фланцы не должны иметь кольцевой канавки (G = 0).
Внутренний и внешний фланцы должны иметь одинаковый диаметр Df, или перекрытие их опорных поверхностей должно быть не менее C.
Во избежание задевания внешний фланец и/или гайка не должны выступать за образованную выступом кожуха плоскость при установке самого широкого из рекомендованных в соответствии с
перечислением a) 104) 8.14.2 кругов типа 27, 28 или 29.
19.104.2 Диаметр фланца для кругов типа 1, толщина которого более 5 мм, должен составлять:
Df >= 0,33D.
Диаметр фланца для кругов типа 1, толщина которого не более 5 мм, для кругов типа 6, 11, 27, 28, 29, 41 и 42 должен составлять:
Df = (20 +/- 1) мм для 55 мм <= D < 80 мм;
Df = (20 +/- 1) мм для 80 мм <= D <= 105 мм для кругов с отверстием диаметром 10 мм (3/8 дюйма UNC);
Df = (29 +/- 1) мм для 80 мм <= D <= 105 мм для кругов с отверстием диаметром 16 мм (5/8 дюйма UNC);
Df = (41 +/- 1) мм для 105 мм < D <= 230 мм.
Для кругов типа 41 и алмазных кругов размер Df может превышать вышеуказанные значения для внутренних и внешних фланцев. Для всех других типов кругов диаметр Df может превышать вышеуказанные значения только для внутренних фланцев.
Если прижимная поверхность внешнего фланца имеет скос, то угол скоса, измеренный от прижимной поверхности, должен составлять не менее 45°, а внешний диаметр неприжимающей поверхности фланца допускается увеличить на величину не более 4 мм.
Примечание 101 - В Европе (EN 62841-2-3) предыдущий параграф заменяется следующим:
Для кругов типов 27, 28 и 42 внешние размеры внешнего фланца должны быть ограничены таким образом, чтобы не было конфликта с углубленным центром кругов в соответствии с ISO 603-14:1999 и ISO 603-16:1999, как показано на
рисунке Z101 с размерами

,
R и
F, как указано в
таблице Z101.
Таблица Z101
Размеры центральных углублений кругов
Внешний диаметр абразивного круга D, мм |  , мм | Радиус R, мм | F, мм |
До 80 | 23 | 6 | 4 |
От 80 и до 100 | 35,5 | 6 | 4 |
От 100 и до 230 | 45 | 8 | 4,6 |
1 - ровная поверхность;

- диаметр низа углубленного
центра; R - радиус; F - высота углубления центра
Рисунок Z101 - Углубление центра абразивных кругов
C >= 3 мм;
W >= 1 мм, G >= 0,5 мм - для Df < 50 мм;
W >= 1,5 мм, G >= 1,0 мм - для Df >= 50 мм.
Поперечное сечение канавки необязательно должно быть прямоугольным.
19.104.4 Минимальные размеры фланцев для кругов типа 4 должны соответствовать значениям, указанным в
таблице 102 и на
рисунке 106.
Примечание 101 - В Канаде и Соединенных Штатах Америки этот подпункт не применяется.
Таблица 102
Минимальные размеры фланца для круга типа 4
Наружный диаметр абразивного круга D, мм | Наружный диаметр поверхности зажима фланца Df, мм | Поверхность перекрытия опорного и зажимного фланцев C, мм | Глубина канавки G, мм |
Не более 100 | 50 | 8 | 1,0 |
От 100 до 125 | 63 | 10 | 1,0 |
От 125 до 150 | 75 | 13 | 1,0 |
От 150 до 175 | 88 | 14 | 1,0 |
От 175 до 200 | 100 | 16 | 2,0 |
Примечание 102 - В Канаде и Соединенных Штатах Америки применяется следующий дополнительный подпункт.
19.104.UC1 Переходный опорный фланец может использоваться вместо внутреннего фланца для крепления кругов типов 27, 28 и 29 диаметром более 155 мм. Опорный адаптер должен выходить за пределы центральной ступицы или выступа круга. Адаптеры не должны подвергаться испытаниям в соответствии с
19.105.
Конструкцией фланцев по
19.103 должно быть предусмотрено обеспечение их достаточной прочности.
Соответствие требованию проверяют путем проведения следующего испытания.
На шлифовальную машину устанавливают стальной диск, толщина и форма которого соответствуют толщине и форме абразивного инструмента.
Зажимную гайку (зажимной фланец) необходимо затянуть первым испытательным моментом затяжки в соответствии с таблицей 103. Для проверки наличия контакта между фланцами и диском по всей окружности необходимо пользоваться щупом толщиной 0,05 мм. Результат испытания считают положительным, если щуп невозможно протолкнуть под фланцами ни в одном месте.
Зажимную гайку необходимо дополнительно затянуть вторым испытательным моментом затяжки в соответствии с таблицей 103. Для проверки прогиба фланцев следует пользоваться щупом толщиной 0,05 мм. Результат испытания считают положительным, если щуп невозможно протолкнуть под фланцами более чем на 1 мм.
Таблица 103
Крутящие моменты для испытаний фланцев
Резьба | Первый момент затяжки, Нм | Второй момент затяжки, Нм |
Метрическая | Дюймовая |
5 | | 0,5 | 2 |
6 | | 1 | 4 |
8 | 2 | 2 | 8 |
10 | 3/8 | 4 | 15 |
12 | 1/2 | 7,5 | 30 |
14 | | 11 | 45 |
16 | 5/8 | 17,5 | 70 |
> 16 | > 3/4 | 35 | 140 |
20 Механическая прочность
Применяют соответствующий раздел IEC 62841-1 со следующим дополнением.
20.1 Замена пятого абзаца
Допускается деформация защитного кожуха. При наличии механических повреждений других частей машины, способных вызвать несоответствие требованиям
раздела 19, соответствие должно быть проверено повторно.
Примечание 1 - Механическую прочность защитного кожуха оценивают по
20.101,
20.102 или
20.103.
Примечание 2 - Рекомендуемая минимальная толщина защитных кожухов приведена в
приложении BB.
20.5 Модификация
Настоящий пункт не применяют к полировальным и дисковым шлифовальным машинам при условии, что эти инструменты не предназначены для использования в качестве шлифовальной машины, как указано в инструкциях в соответствии с
перечислением a) 8.14.1.101.2.
20.101 Прочность защитных кожухов типов A, B, C и D
20.101.1 Защитные кожуха типов A, B, C и D, указанных в соответствии с
перечислением a) 101) 8.14.2, должны иметь достаточную механическую прочность для предотвращения попадания фрагментов круга на оператора в случае его разрыва.
Соответствие требованию проверяют путем проведения испытания трех образцов защитного кожуха по 20.101.2 - 20.101.5. По усмотрению изготовителя это испытание проводят на трех защитных кожухах для каждого типа защитного кожуха, но менее чем на трех шлифовальных машинах.
Испытание проводят с усиленным кругом наибольшей толщины, который допускается использовать с защитным кожухом в соответствии с перечислением a) 101) 8.14.2.
После испытания машина должна соответствовать требованиям
20.101.6.
Для защитных кожухов, предназначенных исключительно для алмазных кругов или кругов с сегментами, соответствие проверяют либо:
- предоставлением трех образцов защитного кожуха для испытаний по
20.102.2 -
20.102.5, с использованием армированных кругов минимальной толщиной 2,5 мм и диаметром, приблизительно равным диаметру алмазных круга или дисков с лепестками в соответствии с
перечислением a) 101) 8.14.2. После испытания машина должна соответствовать требованиям по
20.101.6; или
20.101.2 Защитный кожух установлен и надежно закреплен на шлифовальной машине в соответствии с инструкциями с
перечислением a) 104) 8.14.2. Если защитный кожух является регулируемым, то его следует повернуть в направлении или против вращения круга под углом 30° относительно линии нейтрального положения кожуха [см.
рисунки 107, a) и b)]. Для защитного кожуха типа D осевая регулировка должна быть такой, чтобы нижний край защитного кожуха выходил за пределы поверхности шлифования круга на расстояние не более 1,0 мм.
A - нейтральное положение защитного кожуха; B - исходное
положение защитного кожуха (кожух повернут на 30°
из нейтрального положения против направления вращения
круга); C - направление вращения круга; D - максимально
допустимое положение защитного кожуха после испытания
(поворот на 90° относительно исходного положения
в направлении вращения круга)
a) Испытание кожуха на прочность: положения кожуха для круга
типов 1, 27, 28, 29, 41 и 42
A - нейтральное положение защитного кожуха; B - исходное
положение защитного кожуха (кожух повернут на 30°
из нейтрального положения против направления вращения
круга); C - направление вращения круга; D - максимально
допустимое положение защитного кожуха после испытания
(поворот на 90° относительно исходного положения
в направлении вращения круга)
b) Испытание кожуха на прочность: положения кожуха для круга
типов 6 и 11
Рисунок 107 - Испытание кожуха на прочность: варианты
положения кожуха
Шлифовальный круг максимальной толщиной в соответствии с
перечислением a) 104) 8.14.2 и диаметром, равным номинальному диаметру шлифовальной машины, должен быть надрезан на четыре равных сегмента (квадранта). Ширина каждой прорези должна быть не более 2,5 мм. Для кругов типов 1, 27, 28, 29, 41, 42 и кругов двойного назначения прорезь имеет направление от внешнего края в радиальном направлении к центру (см.
рисунок 108). Для кругов типов 6 и 11 разрез начинается через рабочую поверхность в направлении монтажного конца (см.
рисунок 109).
A - средние точки зоны захвата; B - квадрант
шлифовального круга
Рисунок 108 - Испытание кожуха на прочность: подготовка
шлифовальной машины
1 - прорезь
Рисунок 109 - Испытание кожуха на прочность: подготовка
чашечного круга типов 6 и 11
Шлифовальный круг крепят к шпинделю с помощью любых монтажных средств, которые позволят центробежным силам вызвать разрушение круга со скоростью, равной или превышающей 90% от номинальной частоты вращения шлифовальной машины. Монтажные средства должны располагать круг в том же месте относительно защитного кожуха, как и в случае с фиксацией фланцами, рекомендованными в соответствии с инструкциями в
перечислении b) 102) 8.14.2.
20.101.3 В
таблице 104 приведены типичные диапазоны предварительно нарезанных прорезей для кругов стандартных размеров.
Таблица 104
Типичные диапазоны предварительно нарезанных прорезей
для кругов стандартных размеров
Тип круга | Размер круга (диаметр x толщина x диаметр отверстия), мм | Средняя частота вращения при разрушении, об/мин | Длина предварительно нарезанных прорезей, мм |
Тип 27 | 115 x 6 x 22,23 | 10 200 | 37,6 - 39,6 |
125 x 6 x 22,23 | 9800 | 42,7 - 45,7 |
180 x 6 x 22,23 | 5900 | 67,3 - 72,1 |
230 x 6 x 22,23 | 5700 | 83,3 - 93,5 |
Тип 11 | 125 x 50 x 22,23 | 6150 | 28 |
150 x 50 x 22,23 | 540 | 30 |
Тип 1 | 125 x 25 x 16 | 6950 | 46 |
155 x 25 x 16 | 5800 | 57 - 60 |
20.101.4 В угловых и вертикальных шлифовальных машинах с боковыми рукоятками в середине каждой боковой рукоятки с обеих сторон машины закрепляют груз массой 0,5 кг, а в середине основной рукоятки, содержащей выключатель, закрепляют груз массой 1 кг (см.
рисунок 108). Шлифовальную машину подвешивают на гибких плетеных нейлоновых шнурах, закрепленных в средней точке зоны захвата каждой боковой рукоятки и в середине основной рукоятки, имеющей выключатель питания.
Примечание 101 - Для описанного выше испытания необходимо иметь вторую боковую рукоятку или переходник.
В угловых и вертикальных шлифовальных машинах без боковых рукояток груз массой 1 кг закрепляют в средней части рукоятки, имеющей выключатель питания. Для испытания должен быть предусмотрен переходник со средствами для подвеса и крепления груза массой по 0,5 кг с каждой стороны (см.
рисунок 110). Переходник для имитации боковых рукояток должен иметь наименьшую массу и должен быть расположен по середине передней зоны захвата для прямых и торцевых шлифовальных машин и за шпинделем на расстоянии, меньшем половины номинального диаметра, - для угловых и вертикальных шлифовальных машин. Точки подвеса и крепления груза должны быть расположены по обе стороны машины на расстоянии от центра шпинделя до каждой точки, равном номинальному диаметру, а прямая, проходящая через эти точки, должна быть перпендикулярна к продольной оси машины.
1 - переходник
Рисунок 110 - Испытание кожуха на прочность: угловая
и вертикальная шлифовальная машина без боковых рукояток
Три шнура подвески закрепляют в одной точке, затем машину помещают в испытательную камеру (см.
рисунок 111). Для защитного кожуха типа
D, который охватывает 360° периферии круга, не требуется размещать машину внутри испытательной камеры, показанной на
рисунке 111. В этом случае машина должна быть расположена внутри соответствующей испытательной камеры.
Размеры в миллиметрах
1 - наружная стенка; 2 - пробка; 3 - пластилин;
4 - направление вращения круга; 5 - зона фрагментов,
образованная средними точками рукояток
Рисунок 111 - Испытательная камера для определения прочности
защитного кожуха
Испытательная камера, предпочтительно с шестиугольной, восьмиугольной или круглой формой, внутренним диаметром и глубиной, приблизительно равными 1 м, должна иметь внешнюю оболочку, способную удерживать сегменты разрушившегося круга и внутренние поверхности, покрытые материалом, способным поглощать удар и задерживать сегменты круга или сохранять следы от попадания в них сегментов (см.
рисунок 111).
Примечание 102 - Примером материала для облицовки является слой глины для лепки толщиной от 25 до 35 мм, подкрепленный дополнительным слоем пробки толщиной от 25 до 35 мм.
Угловую или вертикальную шлифовальную машину с установленным защитным кожухом и надрезанным кругом, обращенным вниз в горизонтальной плоскости, размещают таким образом, чтобы круг находился примерно в центре камеры и на расстоянии 300 мм от ее дна (см.
рисунок 111). Для выравнивания машины внутри камеры и во избежание ее закручивания во время разгона круга обе боковые рукоятки прикрепляют к камере с усилием менее 5 Н.
Примечание 103 - Одним из возможных способов достижения необходимого усилия является использование постоянных магнитов.
Альтернативным методом является применение камеры высокоскоростной съемки, позволяющей зафиксировать положение машины непосредственно перед разрывом круга.
20.101.5 Контролируя частоту вращения круга с помощью тахометра, плавно увеличивают напряжение питания машины до тех пор, пока не будет достигнута 90% от номинальной частоты вращения шлифовальной машины.
Если круг не разрушается на указанной скорости, то:
- останавливают шлифовальную машину, увеличивают длину прорезей и повторяют испытание, описанное выше; или
- по выбору изготовителя допускается продолжать увеличивать частоту вращения круга сверх указанной до момента его разрушения.
Пыль, мелкие осколки и сегменты, оставшиеся в защитном кожухе, во внимание не принимают. Большинство из четырех основных сегментов будет задержано материалом внутренней поверхности. Если какой-либо из основных сегментов отскочит от стенки, то должен быть найден отпечаток этого сегмента на стенке. После испытаний сегменты круга удаляют из материала внутренней поверхности.
Примечание 101 - Как правило, круг разрушается в течение 5 мин.
20.101.6 Защитный кожух соответствует требованиям 20.101 при выполнении следующих условий:
a) частота вращения круга непосредственно перед разрушением равна указанной в
20.101.5;
b) защитный кожух и крепежные элементы или крепежные приспособления защитного кожуха должны оставаться на месте. Допускаются деформация, волосяные трещины или царапины и выбоины на защитном кожухе и крепежных приспособлениях;
c) отпечаток от удара основных сегментов в покрытой пластилином стенке должен быть в пределах зоны фрагментов. Зона фрагментов ограничена прямой, проведенной через средние точки двух боковых рукояток к покрытой пластилином стенке, и расположена напротив незакрытого сектора защитного кожуха круга в том положении, которое занимала машина непосредственно перед разрывом круга (см.
рисунок 111). Для защитного кожуха типа
D, которые охватывают 360° периферии колеса, это требование не применимо;
d) защитный кожух не должен повернуться в направлении вращения круга более чем на 90° [см.
рисунки 107, a) и b)]. Если кожух охватывает периферию круга на дуге 360°, ограничение поворота кожуха углом 90° не применяют.
Примечание 101 - Примером метода измерения вращения защитного кожуха является использование высокоскоростной камеры.
Если при применении защитного кожуха не выполнено какое-либо из требований, изложенных в
перечислениях b) -
d), при частоте разрушения круга, превышающей указанную в
20.101.6, то испытание проводят повторно с увеличением длины прорези.
20.102 Прочность защитного кожуха типа F
20.102.1 Защитный кожух типа F должен иметь достаточную механическую прочность, способную выдерживать разрушение круга.
Для защитных кожухов, предназначенных для армированных кругов или кругов, используемых в качестве алмазных отрезных и армированных кругов, соответствие требованию проверяют проведением испытания трех образцов защитного кожуха по
20.101.2 -
20.101.5. По усмотрению изготовителя это испытание проводят на трех защитных кожухах для каждого типа защитного кожуха, но менее чем на трех шлифовальных машинах. После испытания машина должна соответствовать требованиям
20.102.6.
Для защитных кожухов, предназначенных только для алмазных кругов, соответствие проверяют либо:
- представлением трех образцов защитного кожуха для испытаний по
20.102.2 -
20.102.5, с использованием армированных кругов минимальной толщиной 2,5 мм и диаметром, приблизительно равным диаметру алмазных кругов в соответствии с
перечислением a) 101) 8.14.2. После испытания машина должна соответствовать требованиям по
20.101.6; или
Таблица 105
Толщина кожуха для алмазных отрезных кругов
Материал защитного кожуха | Предел прочности на растяжение, Н/мм | Минимальное удлинение при разрушении | Минимальная толщина |
Периферийная часть | Боковая часть |
Металл | >= 380 | - | 1,25 | 0,75 |
Металл | >= 350 и < 380 | - | 1,5 | 1,0 |
Металл | >= 200 и < 350 | - | 2,0 | 1,5 |
Металл | >= 160 и < 200 | - | 2,0 | 1,75 |
Поликарбонат | 60 | 80% | 3,0 | 2,0 |
20.102.2 Защитный кожух устанавливают и надежно закрепляют на шлифовальной машине в соответствии с инструкциями по
b) 104) 8.14.2.
Независимо от предполагаемой конструкции круга, на шпиндель в соответствии с инструкциями крепят армированный круг максимальной толщиной, приведенной в
перечислении a) 104) 8.14.2 и диаметром, равным номинальному диаметру шлифовальной машины.
Машина должна отработать при номинальном напряжении на холостом ходу в течение не менее 5 мин. Во время испытаний измеряют и регистрируют частоту вращения круга.
20.102.3 Круг, указанный в
20.102.2, должен быть надрезан на четыре равных сегмента (квадранта). Прорезь имеет направление от внешнего края в радиальном направлении к центру (см.
рисунок 108). Ширина каждой прорези должна быть не более 2,5 мм. Наличие прорези позволяет центробежным силам вызывать разрушение круга при частоте вращения не менее установленной в
20.102.2, или 90% от номинальной скорости вращения шлифовальной машины, в зависимости от того, что выше.
Шлифовальный круг крепят к шпинделю с помощью любых монтажных средств, которые позволят центробежным силам вызвать разрушение круга. Монтажные средства должны располагать круг в том же месте относительно защитного кожуха, как и в случае с фиксацией фланцами, рекомендованными в соответствии с инструкциями, приведенными в
перечислении b) 102) 8.14.2.
20.102.4 Для шлифовальных машин с боковыми рукоятками в середине каждой боковой рукоятки с обеих сторон машины закрепляют груз массой 0,5 кг, а в середине основной рукоятки, содержащей выключатель, закрепляют груз массой 1 кг. Шлифовальную машину подвешивают на гибких плетеных нейлоновых шнурах, закрепленных в средней точке зоны захвата каждой боковой рукоятки и в середине основной рукоятки, имеющей выключатель питания.
Примечание 101 - Для описанного выше испытания необходимо иметь вторую боковую рукоятку или переходник.
Машину подвешивают с установленным защитным кожухом и надрезанным кругом, обращенным вниз в горизонтальной плоскости. Испытание проводят для проверки защиты оператора, поэтому все отскочившие фрагменты не влияют на результат.
20.102.5 Контролируя частоту вращения круга с помощью тахометра, плавно увеличивают напряжение питания машины до тех пор, пока не будет достигнута частота вращения, указанная в
20.102.3.
Если круг не разрушается на указанной скорости, то:
- останавливают шлифовальную машину, увеличивают длину прорезей и повторяют испытание, описанное выше; или
- по выбору изготовителя продолжают увеличивать частоту вращения круга сверх указанной до его разрушения.
Примечание 101 - Как правило, круг разрушается в течение 5 мин.
20.102.6 Защитный кожух и крепежные элементы или крепежные приспособления защитного кожуха должны оставаться на месте. Допускаются деформация, волосяные трещины или царапины и выбоины на защитном кожухе и крепежных приспособлениях.
20.103 Прочность защитного кожуха типа G
20.103.1 Все защитные кожухи для прямых шлифовальных машин, указанных в соответствии с
перечислением a) 101) 8.14.2, должны иметь достаточную механическую прочность для предотвращения попадания фрагментов круга в случае его разрыва на оператора.
Соответствие требованию проверяют проведением испытания трех образцов защитного кожуха по
20.103.2 -
20.103.4. По усмотрению изготовителя это испытание проводят на трех защитных кожухах для каждого типа защитного кожуха, но менее чем на трех шлифовальных машинах. После испытания машина должна соответствовать требованиям
20.103.5.
20.103.2 Защитный кожух установлен и надежно закреплен на шлифовальной машине в соответствии с инструкциями по
b) 104) 8.14.2. Если защитный кожух является регулируемым, его устанавливают горизонтально относительно пола.
Шлифовальный круг максимальной толщиной в соответствии с
перечислением a) 104) 8.14.2 и диаметром, равным номинальному диаметру шлифовальной машины, должен быть надрезан на четыре равных сегмента (квадранта). Ширина каждой прорези должна быть не более 2,5 мм. Для кругов типа 1 прорезь имеет направление от внешнего края в радиальном направлении к центру (см.
рисунок 108). Для прямых шлифовальных машин, предназначенных для использования исключительно с кругами типа 4, испытание проводят на круге типа 1, толщина которого, по крайней мере, равна максимальной толщине круга типа 4, указанного в
перечислении a) 104) 8.14.2.
Шлифовальный круг крепят к шпинделю с помощью любых монтажных средств, которые позволят центробежным силам вызвать разрушение круга со скоростью, равной или превышающей 90% от номинальной частоты вращения шлифовальной машины. Монтажные средства должны располагать круг в том же месте относительно защитного кожуха, как и в случае с фиксацией фланцами, рекомендованными в соответствии с инструкциями в
перечислении b) 102) 8.14.2.
В
таблице 106 приведены типичные диапазоны предварительно нарезанных прорезей для кругов стандартных размеров.
Таблица 106
Типичные диапазоны предварительно нарезанных прорезей
для кругов стандартных размеров
Тип круга | Размер круга (диаметр x толщина x диаметр отверстия), мм | Средняя частота вращения при разрушении, об/мин | Длина предварительно нарезанных прорезей, мм |
Тип 1 | 125 x 25 x 16 | 6950 | 46 |
155 x 25 x 16 | 5800 | 57 - 60 |
20.103.3 В машинах без боковых рукояток груз массой 1 кг закрепляют в средней части рукоятки, имеющей выключатель питания. Для испытания должен быть предусмотрен переходник со средствами для подвеса и крепления груза массой по 0,5 кг с каждой стороны (см.
рисунок 112). Переходник для имитации боковых рукояток должен иметь наименьшую массу и должен быть расположен по середине передней зоны захвата за шпинделем на расстоянии, меньшем половины номинального диаметра. Точки подвеса и крепления груза должны быть расположены по обе стороны машины на расстоянии от центра шпинделя, равном номинальному диаметру, а прямая, проходящая через эти точки, должна быть перпендикулярна к продольной оси машины.
1 - переходник
Рисунок 112 - Испытание кожуха на прочность: прямая
шлифовальная машина с дополнительными массами
Три шнура подвески закрепляют в одной точке.
20.103.4 Контролируя частоту вращения круга с помощью тахометра, плавно увеличивают напряжение питания машины до тех пор, пока не будет достигнуто 90% от номинальной частоты вращения шлифовальной машины. Если круг не разрушается на указанной частоте вращения, останавливают шлифовальную машину, увеличивают длину прорезей и повторяют испытание, описанное выше. По выбору изготовителя допускается увеличивать частоту вращения круга сверх указанной до его разрушения.
Примечание 101 - Как правило, круг разрушается в течение 5 мин.
20.103.5 Защитный кожух соответствует требованиям 20.103 при выполнении следующих условий:
a) частота вращения круга непосредственно перед разрушением равна указанной в
20.103.2;
b) защитный кожух и крепежные элементы или крепежные приспособления защитного кожуха должны оставаться на месте. Допускаются деформация, волосяные трещины или царапины и выбоины на защитном кожухе и крепежных приспособлениях.
Если защитный кожух не соответствует требованию по
перечислению b) при частоте разрушения круга, превышающей указанную в
20.103.2, то испытание проводят повторно с увеличением длины прорези.
Применяют соответствующий раздел IEC 62841-1 со следующим дополнением.
21.18.1 Дополнение
Для угловых и вертикальных шлифовальных машин с номинальным диаметром не более 100 мм и для прямых шлифовальных машин с номинальным диаметром не более 55 мм помимо выключателей питания с самовозвратом допускается использовать другие выключатели питания.
Примечание 101 - В Японии применяются следующие требования:
21.18.1 Дополнение:
Для угловых и вертикальных шлифовальных машин с номинальным диаметром рабочего органа не более 105 мм и прямых шлифовальных машин с номинальным диаметром рабочего органа не более 55 мм помимо выключателей питания с самовозвратом допускается использовать другие выключатели питания.
Для машины с выключателем питания с самовозвратом допускается применять блокирующее устройство, если для фиксации выключателя в положении "Включено" необходимо выполнение двух разнородных действий. При этом для автоматического возврата выключателя в положение "Выключено" должно требоваться только одно действие.
Для машин с функцией блокировки в положениях "Включено" и "Выключено" не допускается возможность одновременного включения движением в одном направлении, если для включения блокировки в положение "Включено" не требуется четкого изменения направления движения:
- после активации блокировки в положение "Выключено" и
- перед блокировкой в положение "Включено".
Примечание - Примером конструкции, которая удовлетворяет этому требованию, является выключатель питания скользящего типа с функциями блокировки в положении "Включено" и "Выключено", так что снятие блокировки положения "Выключено" достигается с помощью начального нажатия или перемещения, за которым следует движение вперед скольжением, которое включает машину и разрешает функции блокировки положения "Включено" посредством нажатия или перемещения вблизи конца скользящего действия.
Для однофазных шлифовальных машин с питанием от сети:
- либо выключатель питания должен автоматически отключить двигатель, как только исполнительный элемент выключателя будет отпущен, и не должен иметь устройства фиксации в положении "Включено";
- или включать в себя устройство, не допускающее повторного пуска машины после прекращения подачи питания, до снятия с блокировки в положении "Включено" и повторного включения выключателя питания.
Соответствие проверяют путем осмотра, испытания вручную однофазных шлифовальных машин с питанием от сети, включающих устройство блокировки в положение "Включено", а также проведением следующего испытания.
Шлифовальная машина работает с выключателем питания, заблокированным в положении "Включено". Шлифовальную машину отключают от сети не менее чем на 2 с и затем повторно подключают. Машина не должна повторно запускаться до снятия с блокировки в положении "Включено" и повторного включения выключателя питания.
Выключатели шлифовальных машин и дисковых шлифовальных машин с номинальным диаметром более 55 мм должны быть расположены или сконструированы таким образом, чтобы было маловероятным непреднамеренное включение при подъеме, переносе и нахождении на плоской поверхности.
Для машин без блокировки выключателя питания в положении "Выключено":
- не допускается возможности пуска машины при приложении к выключателю питания шара диаметром (100 +/- 1) мм перпендикулярно к поверхности машины в месте расположения выключателя;
| | ИС МЕГАНОРМ: примечание. В официальном тексте документа, видимо, допущена опечатка: имеется в виду перечисление 106, а не 6. | |
- длина поверхности захвата
L, обозначенной в соответствии с
перечислением 6) b) 8.14.2, непосредственно перед или за выключателем должна быть не менее 70 мм и включает в себя расстояние:
- по прямой линии любой части поверхности захвата, которая является прямой или изогнутой на радиусе более 100 мм; плюс
- по прямой линии от расстояния
A, где радиус поверхности захвата составляет от 10 до 100 мм, но расстояние каждой
A не должно превышать 10 мм (см.
рисунки 113 и
114).
L - длина поверхности захвата; A - расстояние по прямой
линии, где радиус поверхности захвата составляет
от 10 до 100 мм
Рисунок 113 - Измерение длины поверхности захвата рукоятки
L - длина поверхности захвата; A - расстояние по прямой
линии, где радиус поверхности захвата составляет
от 10 до 100 мм
Рисунок 114 - Измерение длины поверхности захвата рукоятки
При наличии захватов для пальцев или аналогичной формы профиля радиус поверхности захвата не следует измерять вдоль поверхности, а должно быть принято во внимание только расстояние по дуге или прямой линии поверхности захвата, если применимо (см.
рисунок 115).
L - длина поверхности захвата; A - расстояние по прямой
линии, где радиус поверхности захвата составляет
от 10 до 100 мм; P - захваты для пальцев или аналогичная
форма профиля
Рисунок 115 - Измерение длины поверхности захвата рукоятки
с захватами для пальцев или аналогичной формой профиля
Для машин с блокировкой выключателя питания в положении "Выключено":
- перед включением двигателя необходимо выполнение двух отдельных и разнородных действий (например, выключатель должен быть нажат, прежде чем его можно будет переместить в сторону для замыкания контактов с целью пуска электродвигателя); и
- не допускается возможности выполнить эти два действия одним хватательным движением или движением по прямой линии; и
- не допускается отпирания устройства блокировки в положении "Выключено" при нахождении машины на плоской поверхности, когда привод выключателя питания направлен вверх.
Соответствие проверяют путем осмотра и проведения испытания вручную.
21.30 Модификация
Этот пункт не применяют к дисковым полировальным и дисковым шлифовальным машинам при условии, что эти машины не предназначены для использования в качестве шлифовальной машины, как указано в инструкциях в соответствии с
a) 8.14.1.101.2.
21.35 Модификация
Этот пункт применим только:
- для дисковых шлифовальных машин, используемых исключительно для шлифования деревянных полов в соответствии с
перечислением b) 107) 8.14.2; и
- шлифовальных машин, предназначенных для использования с защитными кожухами типа E или типа F в соответствии с
перечислением a) 101) 8.14.2.
Применяют соответствующий раздел IEC 62841-1.
Применяют соответствующий раздел IEC 62841-1 со следующим дополнением:
23.3 Замена первого абзаца:
Защитные устройства или цепи должны быть несамовозвратными, если машина не оснащена выключателем питания с самовозвратом, без устройства блокировки в положении "Включено".
24 Присоединение к источнику питания и внешние гибкие шнуры
Применяют соответствующий раздел IEC 62841-1 со следующим дополнением:
24.4 Замена первого абзаца:
Для угловых и вертикальных шлифовальных машин с номинальным диаметром более 155 мм и прямых шлифовальных машин с номинальным диаметром более 130 мм должен быть использован гибкий кабель (шнур) питания, предназначенный для тяжелых условий эксплуатации, - кабель в усиленной полихлоропреновой оболочке (кодовое обозначение 60245 IEC 66 по IEC 60245-1) или аналогичный ему.
25 Зажимы для внешних проводов
Применяют соответствующий раздел IEC 62841-1.
Применяют соответствующий раздел IEC 62841-1.
Применяют соответствующий раздел IEC 62841-1.
28 Пути утечки тока, воздушные зазоры и расстояние по изоляции
Применяют соответствующий раздел IEC 62841-1.
Применяют соответствующий раздел IEC 62841-1 со следующими изменениями.
(справочное)
ИЗМЕРЕНИЕ ШУМА И ВИБРАЦИИ
Примечание - В Европе (EN 62841-2-3) приложение I является обязательным.
I.2 Определение шумовых характеристик (тест-код, класс 2)
Применяют соответствующий раздел IEC 62841-1 со следующими изменениями:
I.2.4 Условия установки и монтажа электрических машин при испытании на шум
Дополнение:
Шлифовальные, дисковые полировальные и дисковые шлифовальные машины оснащают рабочим органом, как указано в
I.3.5.3.101 и
I.3.5.3.102, и подвешивают. Рабочий орган угловых и вертикальных машин должен быть расположен горизонтально; прямых машин - вертикально.
I.2.5 Условия работы
Дополнение:
Испытания шлифовальных, дисковых полировальных и дисковых шлифовальных машин проводят на холостом ходу.
I.3 Вибрация
Применяют соответствующий раздел IEC 62841-1 со следующими изменениями:
I.3.3.2 Место измерения
Дополнение:
На
рисунках I.101 и
I.103 указаны места установки измерительных преобразователей для различных типов машин.
Рисунок I.101 - Расположение измерительных преобразователей
для прямых шлифовальных машин
Рисунок I.102 - Расположение измерительных преобразователей
для угловых шлифовальных машин
Рисунок I.103 - Расположение измерительных преобразователей
для дисковых полировальных и шлифовальных машин
Для виброизолированных дополнительных рукояток допускается установить измерительный преобразователь по середине длины рукоятки. В таком случае, для предотвращения нарушения нормального хвата оператора, измерительный преобразователь должен быть размещен внутри рукоятки без внесения изменений в конструкцию.
I.3.5.3 Условия работы
Дополнение:
Масса машины, приведенная в этом пункте, считается силой, вызванной массой машины в соответствии с
5.17, но с установленным испытательным кругом.
I.3.5.3.101 Шлифование и отрезные операции
Для машин, предназначенных для углового шлифования, которые также можно использовать для других применений, таких как шлифование бетона или отрезные операции, считается, что применение углового шлифования обеспечивает наибольшую вибрацию. Следовательно, испытание машины должно проводиться, по крайней мере, под нагрузкой с использованием испытательного круга для углового шлифования в условиях, перечисленных в
таблице I.101.
Таблица I.101
Условия испытаний для углового и бетонного шлифования
Ориентация | Машина удерживается как при обычном шлифовании горизонтальной пластины |
Рабочий инструмент | Испытательный круг, как указано на рисунке I.104, имеет диаметр, эквивалентный номинальному диаметру и размерам в соответствии с таблицей I.102. При использовании испытательного круга начальный диаметр - e - 1 мм, и затем увеличивают размер отверстия с шагом 1/10 мм, пока не будет получен необходимый дисбаланс |
Усилие подачи | Удерживают машину как при нормальном применении. Сила подачи указана в таблице I.103 и получена путем приложения усилия, направленного вверх, равного сумме предполагаемого усилия подачи и массы машины. Направленное вверх усилие, как правило, применяют с использованием резьбовых отверстий для дополнительной рукоятки. Для тех машин, в которых дополнительная рукоятка может быть установлена с любой стороны, необходимо вкрутить дополнительный болт в пустое отверстие. Между болтом и внутренней частью дополнительной рукоятки необходимо привязать веревку и использовать ее для приложения направленного вверх усилия. На машинах с антивибрационными рукоятками веревка должна быть прикреплена между корпусом машины и рукояткой, не блокируя антивибрационную функцию. Направленное вверх усилие может быть приложено с помощью груза (см. рисунок I.105) или динамометра, прикрепленных к тросу. Приложение усилия должно быть достигнуто с минимальными изменениями машины. Примечание - Любой вес, добавленный к машине, например фиксирующие устройства для направленного вверх усилия, изменяет инерцию машины и тем самым уменьшает величину вибрации. |
Цикл испытания | Один цикл испытания состоит из проведения измерения не менее 10 с. После каждого испытания диск должен быть перемещен на угол 360°/5 = 72° от его предыдущего положения на шпинделе. Проводят три серии из пяти последовательных испытаний с использованием разных операторов для каждой серии |
Размеры в миллиметрах
Материал: алюминиевый сплав
Рисунок I.104 - Испытательный круг
для углового и бетонного шлифования
Таблица I.102
и шлифования бетона
 , мм |  , мм | c, мм |  , мм |  для шлифования, мм |  для шлифования бетона и отрезных работ, мм | Несбалансированность для шлифования, г·мм | Несбалансированность для шлифования бетона и отрезных работ, г·мм |
100 +/- 0,2 | 16,0 | 6 +/- 0,05 | 70 +/- 0,02 | 11,4 | 10,4 | 58 | 49 |
115 +/- 0,2 | 22,23 | 6 +/- 0,05 | 80 +/- 0,02 | 12,2 | 11,2 | 76 | 64 |
125 +/- 0,2 | 22,23 | 6 +/- 0,05 | 90 +/- 0,02 | 12,5 | 11,4 | 90 | 75 |
150 +/- 0,2 | 22,23 | 6 +/- 0,05 | 120 +/- 0,02 | 13,0 | 11,9 | 130 | 109 |
180 +/- 0,2 | 22,23 | 6 +/- 0,05 | 150 +/- 0,02 | 14,1 | 12,9 | 190 | 159 |
230 +/- 0,2 | 22,23 | 6 +/- 0,05 | 200 +/- 0,02 | 15,5 | 14,2 | 305 | 255 |
Таблица I.103
 , мм | 100 | 115 | 125 | 150 | 180 | 230 |
Усилие подачи, Н | 40 +/- 5 | 40 +/- 5 | 40 +/- 5 | 40 +/- 5 | 60 +/- 5 | 60 +/- 5 |
1 - груз для компенсации массы машины; 2 - груз
для компенсации силы подачи; 3 - приложение силы подачи
с помощью шнура; 4 - шлифовальная машина подвешена под углом
(20 +/- 5)° к горизонтали
Рисунок I.105 - Рабочие положения оператора
и приложение силы
Испытание машин, предназначенных для прямого шлифования, должны проводить под нагрузкой с использованием испытательного круга для прямого шлифования в условиях, перечисленных в
таблице I.104.
Таблица I.104
Условия испытаний для прямого шлифования
Ориентация | Машина удерживается как при обычном шлифовании горизонтальной пластины |
Рабочий инструмент | Испытательный круг, как указано на рисунке I.106, имеет диаметр, эквивалентный номинальному диаметру и размерам, приведенным в таблице I.105. При использовании испытательного круга начальный диаметр - e - 1 мм, затем увеличивают размер отверстия с шагом 1/10 мм до тех пор, пока не будет получен необходимый дисбаланс |
Усилие подачи | Удерживают машину как при нормальном применении. Для машин с номинальным диаметром не более 55 мм усилие подачи составляет 20 Н и для машин с номинальным диаметром более 55 мм - усилие 50 Н. Усилие подачи получается путем приложения направленной вверх силы, равной сумме предполагаемого усилия подачи и массе машины. Усилие, направленное вверх, прикладывают к передней части рукоятки или ближайшей к кругу поверхности захвата. На машинах с антивибрационными рукоятками усилие, направленное вверх, не должно вызывать блокировку антивибрационной функции. Направленное вверх усилие допускается прикладывать с помощью груза (см. рисунок I.105) или динамометра, прикрепленных к тросу. Приложение усилия должно быть достигнуто с минимальными изменениями машины. Примечание - Любой вес, добавленный к машине, например фиксирующие устройства для направленного вверх усилия, изменяет инерцию машины и тем самым уменьшает величину вибрации. |
Цикл испытания | Один цикл испытания состоит из проведения измерения в течение не менее 10 с |
Размеры в миллиметрах
Материал: алюминиевый сплав
Рисунок I.106 - Испытательный круг для прямого шлифования
Таблица I.105
Размеры испытательного круга для прямого шлифования
 , мм |  , мм | c, мм |  , мм | | Несбалансированность для шлифования, г·мм |
25 +/- 0,2 | 4 | 10 +/- 0,05 | 18 +/- 0,02 | 4,3 | 3,6 |
50 +/- 0,2 | 4 | 10 +/- 0,05 | 35 +/- 0,02 | 6,2 | 14,5 |
80 +/- 0,2 | 4 | 10 +/- 0,05 | 65 +/- 0,02 | 7,1 | 37 |
100 +/- 0,2 | 19 | 25 +/- 0,05 | 70 +/- 0,02 | 5,6 | 58 |
125 +/- 0,2 | 19 | 10 +/- 0,05 | 90 +/- 0,02 | 6,1 | 90 |
150 +/- 0,2 | 19 | 10 +/- 0,05 | 120 +/- 0,02 | 6,4 | 130 |
200 +/- 0,2 | 19 | 10 +/- 0,05 | 170 +/- 0,02 | 7,1 | 230 |
I.3.5.3.102 Полировальные машины
Испытания полировальных машин проводят при нагрузке и в условиях, описанных в
таблице I.106.
Таблица I.106
Условия испытаний полировальных машин
Ориентация | Полировка горизонтальной стальной пластины размерами не менее 400 x 400 x 20 мм, установленной на верстаке |
Рабочий инструмент | Полировальный круг |
Усилие подачи | К машине прикладывают вертикальное усилие, равное: - (30 +/- 5) Н, если масса машины менее 1,5 кг; - (50 +/- 5) Н, если масса машины не менее 1,5 кг; или усилие, необходимое для получения номинального тока, в зависимости от того, что меньше |
Цикл испытания | Один цикл испытания состоит из проведения измерения в течение не менее 10 с |
I.3.5.3.103 Шлифовка диском
Испытания машины с шлифовальным кругом проводят под нагрузкой и в условиях, описанных в
таблице I.107.
Таблица I.107
Условия испытаний машин с шлифовальным кругом
Ориентация | Шлифовка горизонтальной стальной пластины размерами не менее 400 x 400 x 20 мм, установленной на верстаке |
Рабочий инструмент | Рекомендуемый шлифовальный диск для стали с размером зерна 120 |
Усилие подачи | К машине прикладывают вертикальное усилие, равное: - (30 +/- 5) Н, если масса машины менее 1,5 кг; - (50 +/- 5) Н, если масса машины не менее 1,5 кг; или усилие, необходимое для получения номинального тока, в зависимости от того, что меньше |
Требования к предварительным испытаниям | Перед началом измерений выполняют шлифование в течение 1 мин новым шлифовальным диском |
Цикл испытания | Один цикл испытания состоит из проведения измерения в течение не менее 10 с |
I.3.5.4 Оператор
Замена
Вибрация машины зависит от операторов. Поэтому операторы должны быть достаточно опытными, чтобы иметь возможность удерживать машину способом, приближенным к реальной эксплуатации. Также угол между кругом и объектом обработки должен быть равен углу, используемому при реальном шлифовании на горизонтальной поверхности [например, для угловых шлифовальных машин (20 +/- 5)°].
Усилия и моменты, приложенные к рукояткам, оказывают влияние на вибрацию. Поэтому важно, чтобы распределение усилий и крутящего момента между рукоятками было приближено к реальной эксплуатации.
I.3.6.1 Отчетные величины вибрации
Замена третьего абзаца
Если коэффициент вариации CV пяти величин полной вибрации ahv, зарегистрированных в каждой серии, менее 0,15 или если стандартное отклонение SN-1 менее 0,3 м/с2, результаты принимают (в примечании I.3.1 приведена информация о возможных источниках погрешностей измерения). Это требование не применяют для ah,SG, ah,AG, ah,CO и ah,CG.
Дополнение
Если измерения проводились для более чем одного режима работы, фиксируют все результаты ah:
-
ah,SG и
ah,AG средняя вибрация для прямого или углового шлифования в соответствии с
I.3.5.3.101;
-
ah,CO - средняя вибрация для отрезных работ в соответствии с
I.3.5.3.101;
-
ah,CG - средняя вибрация при шлифовании бетона в соответствии с
I.3.5.3.101;
-
ah,P - средняя вибрация для полировки в соответствии с
I.3.5.3.102;
-
ah,DS - средняя вибрация для шлифования диском в соответствии с
I.3.5.3.103.
Недооценку вибрации для машин, оснащенных техническими средствами для автоматического уменьшения дисбаланса, следует вычислять путем умножения значений вибрации таких машин на поправочный коэффициент 1,3.
В тех случаях, когда измерение проводилось при практическом использовании с конкретными кругами, необходимо сообщить информацию об условиях эксплуатации (таких как спецификация используемого диска, материал заготовки, усилие подачи).
I.3.6.2 Декларирование величины полной вибрации
Дополнение
Для угловых шлифовальных машин заявляют величину полной вибрации на рукоятке с наивысшим уровнем вибрации и неопределенностью K:
- значение ah,SG и ah,AG с описанием режима работы "шлифование поверхности".
Кроме того, в случае измерения могут быть представлены следующие данные:
- для отрезных работ - значение ah,CO с описанием режима работы "отрезные работы";
- шлифования бетона - значение ah,CG с описанием режима работы "шлифование бетона";
- полировки - значение ah,P с описанием режима работы "полировка";
- шлифовальных работ диском - значение ah,DS с описанием режима работы "шлифование диском".
Для машин, предназначенных только для одного или нескольких из следующих способов применения в соответствии с
перечислением a) 8.14.1.101.2, заявляется величина полной вибрации на рукоятке с наивысшим уровнем вибрации и неопределенностью
K:
- для шлифования бетона - значение ah,CG с описанием режима работы "шлифование бетона";
- полировки - значение ah,P с описанием режима работы "полировка";
- шлифовальных работ диском - значение ah,DS с описанием режима работы "шлифование диском".
Кроме того, в инструкции по эксплуатации должна быть указана информация о других способах применения, таких как проволочная щетка, которые могут иметь различные значения вибрации.
(обязательное)
АККУМУЛЯТОРНЫЕ МАШИНЫ И АККУМУЛЯТОРНЫЕ БАТАРЕИ
При отсутствии иных указаний в данном приложении применимы все пункты настоящего стандарта. Если не указано иное, то требования, указанные в приложении, заменяют требования основной части настоящего стандарта.
K.8.14.1.101.2 Указания мер безопасности для всех видов работ
Замена перечисления k):
k) следует удерживать ручную машину только за изолированные поверхности рукояток при производстве работ, при которых рабочий инструмент может прикоснуться к скрытой проводке. При прикосновении рабочего инструмента к находящемуся под напряжением проводу открытые металлические части ручной машины могут попасть под напряжение и вызвать поражение оператора электрическим током.
Примечание 101 - Приведенное выше предупреждение допускается не учитывать, если рекомендуемыми видами работ являются только полирование или шлифование шкуркой.
Пункт i) не применяют.
K.18.8 Замена таблицы 4 следующим текстом:
Таблица 4
Требуемые уровни эффективности
Тип и назначение важной для безопасности функции | Требуемый уровень эффективности |
Выключатель питания, предотвращающий нежелательное включение шлифовальной машины с номинальным диаметром более 55 мм | Оценивают с использованием условий отказа по 18.6.1, без потери важной для безопасности функции |
Выключатель питания, предотвращающий нежелательное включение шлифовальной машины с номинальным диаметром не более 55 мм | c |
Выключатель питания, предотвращающий нежелательное выключение машины с шлифовальным и полировальным кругами | b |
Выключатель питания, предотвращающий нежелательное выключение шлифовальной машины с номинальным диаметром более 55 мм | c |
Выключатель питания, предотвращающий нежелательное выключение шлифовальной машины с номинальным диаметром более 55 мм и машины с шлифовальным и полировальным кругами | b |
Обеспечение рабочего направления вращения шлифовальной машины | c |
Обеспечение рабочего направления вращения машины с шлифовальным и полировальным кругами | Не является важной для безопасности функцией |
Предотвращение превышения частоты вращения на шпинделе более 120% номинальной частоты вращения (холостого хода) для шлифовальной машины | c |
Предотвращение превышения частоты вращения на шпинделе более 130% для машины с полировальным диском | b |
Предотвращение превышения тепловых пределов по разделу 18 | a |
Предотвращение нежелательной блокировки выключателя питания в положение "Включено" | b |
Защита от повторного пуска в соответствии с требованиями K.21.18.1.1 | a |
Функция блокировки в соответствии с требованиями 21.18.1.2 | c |
Предотвращение самовозврата в соответствии с 23.3 | c |
K.21.18.1.1 Для машины с выключателем питания с самовозвратом допускается применять блокирующее устройство, если для фиксации выключателя в положении "Включено" необходимо выполнение двух разнородных действий. При этом для автоматического возврата выключателя в положение "Выключено" должно быть принято только одно действие.
Для машин с функцией блокировки в положениях "Включено" и "Выключено" не допускается возможность одновременного включения движением в одном направлении, если для включения блокировки в положение "Включено" не требуется четкого изменения направления движения:
- после активации блокировки в положение "Выключено" и
- перед блокировкой в положение "Включено".
Примечание 1 - Примером конструкции, которая удовлетворяет этому требованию, является выключатель питания скользящего типа с функциями блокировки в положениях "Включено" и "Выключено", так как снятие блокировки в положении "Выключено" достигается с помощью начального нажатия или перемещения, за которым следует движение вперед скольжением, которое включает машину и разрешает функции блокировки в положении "Включено" посредством нажатия или перемещения вблизи конца скользящего действия.
Для шлифовальных машин с питанием отдельной или съемной аккумуляторной батареи:
- либо выключатель питания должен автоматически отключить двигатель, как только исполнительный элемент выключателя будет отпущен, и не должен иметь устройства фиксации в положении "Включено";
- либо машина включает в себя устройство, не допускающее повторного пуска машины после повторного подключения аккумуляторной батареи, до снятия с блокировки в положении "Включено" и повторного включения выключателя питания.
Соответствие проверяют путем осмотра, проведением испытания вручную шлифовальных машин с отдельной или съемной аккумуляторной батареей, включающих устройство блокировки в положение "Включено", а также выполнением следующего испытания.
Шлифовальная машина работает с выключателем питания, заблокированным в положении "Включено". Шлифовальную машину отключают от аккумуляторной батареи не менее чем на 2 с, а затем повторно подключают. Не допускается повторный пуск машины до снятия с блокировки в положении "Включено" и повторного включения выключателя питания.
Примечание 2 - В Европе (EN 62841-2-3) применяется следующий дополнительный подпункт:
K.21.18.Z101 Изолирующие и отключающие устройства
Машины со встроенной аккумуляторной батареей должны иметь:
- изолирующее устройство для предотвращения риска получения телесного повреждения от механических опасностей, возникающих во время сервисного обслуживания или технического обслуживания пользователем; или
- отключающее устройство, которое предотвращает непреднамеренный запуск машины.
Изолирующее устройство должно:
- обеспечить отсоединение от всех полюсов аккумуляторной батареи исправной зоны машины;
- иметь однозначную индикацию состояния устройства отключения, которое соответствует каждому положению его ручного управления (исполнительного механизма);
- обеспечить защиту от случайного повторного подключения.
Примечание 101 - Примером достижения отключения являются съемные перемычки встроенного аккумулятора, который может быть отсоединен для сервисного обслуживания или технического обслуживания пользователем, или электромеханический выключатель питания с прямой механической связью между приводом и контактом.
Примечание 102 - Риск случайного повторного подключения к выключателю питания регулируется требованием
21.18.1.2. Другие примеры, приведенные в
примечании 101, достигают этого необходимыми действиями для повторного подключения.
Отключающее устройство может быть достигнуто любым из следующих способов:
- использованием устройства блокировки с/без самовозврата, где перед включением двигателя необходимо выполнение двух отдельных и разнородных действий (например, выключатель питания, который необходимо вставить, прежде чем он может быть перемещен сбоку, чтобы закрыть контакты для запуска двигателя). Не допускается достижения этих двух действий с помощью одного захватного движения или прямого движения;
- применением съемного отключающего устройства, снабженного инструментом, блокирующим его срабатывание при применении или удалении.
Соответствие проверяют путем осмотра и вручную.
K.24.4 Этот подпункт настоящего стандарта не применяют.
(обязательное)
АККУМУЛЯТОРНЫЕ МАШИНЫ И АККУМУЛЯТОРНЫЕ БАТАРЕИ, ИМЕЮЩИЕ
СОЕДИНЕНИЕ С СЕТЬЮ ИЛИ НЕИЗОЛИРОВАННЫМИ ИСТОЧНИКАМИ ПИТАНИЯ
При отсутствии иных указаний в данном приложении применимы все пункты настоящего стандарта.
Примечание - В Европе (EN 62841-2-3) применяют следующий дополнительный подпункт:
L.21.18.Z101 Изолирующее устройство
Машины со встроенным аккумулятором должны иметь:
- изолирующее устройство для предотвращения риска получения телесного повреждения от механических опасностей, возникающих во время сервисного обслуживания или технического обслуживания пользователем; или
- отключающее устройство, которое предотвращает непреднамеренный запуск машины.
Изолирующее устройство должно:
- обеспечить отсоединение от всех полюсов аккумуляторной батареи исправной зоны машины;
- иметь однозначную индикацию состояния устройства отключения, которое соответствует каждому положению его ручного управления (исполнительного механизма);
- обеспечить защиту от случайного повторного подключения.
Примечание 101 - Примером достижения отключения являются съемные перемычки встроенного аккумулятора, который может быть отсоединен для сервисного обслуживания или технического обслуживания пользователем, или электромеханический выключатель питания с прямой механической связью между приводом и контактом.
Примечание 102 - Риск случайного повторного подключения к выключателю питания регулируется требованием
21.18.1.2. Другие примеры, приведенные в
примечании 101, достигаются необходимыми действиями для повторного подключения.
Отключающее устройство может быть достигнуто любым из следующих способов:
- использованием устройства блокировки с/без самовозврата, где перед включением двигателя необходимо выполнение двух отдельных и разнородных действий (например, выключатель питания, который необходимо вставить, прежде чем он может быть перемещен сбоку, чтобы закрыть контакты для запуска двигателя). Не допускается достижения данных действий с помощью одного захватного движения или прямого движения;
- применением съемного отключающего устройства, снабженное инструментом, блокирующим его срабатывание при применении или удалении.
Соответствие проверяют путем осмотра и проведением ручного испытания.
(обязательное)
Защитный кожух типа A (см.
рисунок AA.1) должен закрывать периферию и обе стороны абразивного диска на дуге не менее 175°. Ограждение конца шпинделя, гайки и внешнего фланца не требуется. Переднее ограждение кожуха должно иметь конструкцию, обеспечивающую легкую замену круга. Переднее ограждение допускается выполнять съемным, так что его снятие превращает защитный кожух типа A в защитный кожух типа B при условии, что инструмент или ограждение надежно закреплены в соответствии с требованиями 21.22. Если предусмотрен защитный кожух со съемным передним ограждением, то его поставка должна быть осуществлена вместе с передним ограждением, смонтированным на защитном кожухе.
Рисунок AA.1 - Пример конструкции защитного кожуха
типа A (защитный кожух для отрезных работ)
Соответствие проверяют путем осмотра и измерения.
Защитный кожух типа B должен закрывать заднюю боковую сторону и периферию шлифовального круга на дуге не менее 175°. Периферия защитного кожуха должна иметь выступ на передней кромке, который изгибается внутрь на расстояние не менее 3 мм от линии пересечения внешней боковой поверхности круга с наибольшей шириной и диаметром в соответствии с
перечислением a) 104) 8.14.2, с внутренней поверхности защитного кожуха до внутреннего края выступа, измеренного радиально. Расстояние, измеренное в осевом направлении от внешней боковой поверхности самого широкого в соответствии с
перечислением a) 104) 8.14.2 круга до поверхности, образованной внутренним краем выступа, должно быть не менее 2 мм. Концы выступа при установке самого широкого из рекомендованных кругов могут иметь фаски под углом не более 45° (см.
рисунок AA.2).
Рисунок AA.2 - Защитный кожух типа B (защитный кожух
для шлифовального круга)
Соответствие проверяют путем осмотра и измерения.
Защитный кожух типа C должен соответствовать требованиям, предъявляемым к защитному кожуху типа B, но при этом со стороны внешнего фланца должна быть обеспечена защита, как минимум, передним ограждением, высота которого составляет не менее 0,25 номинального диаметра. Переднее ограждение допускается выполнять съемным при условии, что для его снятия требуется использование инструмента, или в том случае, если ограждение надежно закреплено в соответствии с 21.22. Если предусмотрен защитный кожух со съемным передним ограждением, то его поставка должна быть осуществлена вместе с передним ограждением, смонтированным на защитном кожухе (см.
рисунок AA.3).
c - высота переднего ограждения
Рисунок AA.3 - Защитный кожух типа C
(комбинированный защитный кожух)
Соответствие проверяют путем осмотра и измерения.
Защитный кожух типа D должен закрывать периферию и заднюю сторону абразивного круга на дуге не менее 240°. Защитный кожух должен быть регулируемым в осевом направлении для того, чтобы компенсировать износ максимально допустимого круга и ограничения открытой зоны круга в осевом направлении расстоянием не более 3 мм (см.
рисунок AA.4).
1 - защитный кожух; 2 - боковой кожух; 3 - выступ
(необязательный)
Рисунок AA.4 - Регулируемый защитный кожух типа D
Соответствие проверяют путем осмотра и измерения.
Защитный кожух типа E должен закрывать периферию и заднюю сторону абразивного круга на дуге 360°. Периферийная часть защитного кожуха может быть гибкой (например, резиной или с щетками), чтобы поддерживать контакт с поверхностью и обеспечивать удаление пыли. Для выполнения шлифования допускается выполнить часть защитного кожуха открывающимся на величину дуги не более 120°. Периферийная часть:
- должна быть установлена на защитном кожухе или на машине;
- может быть выполнена съемной при условии, что для ее снятия требуется использование инструмента, или в том случае, если ограждение надежно закреплено в соответствии с 21.22. Если предусмотрен защитный кожух со съемным передним ограждением, то его поставка должна быть осуществлена вместе с передним ограждением, смонтированным на защитном кожухе.
Конструкция защитного кожуха должна обеспечивать возможность удаления пыли (см.
рисунок AA.5).
1 - защитный кожух; 2 - съемная часть защитного кожуха
для обеспечения шлифовки; 3 - средства для удаления пыли;
4 - гибкая периферийная часть защитного кожуха
Рисунок AA.5 - Защитный кожух типа E
(алмазного шлифовального круга)
Соответствие проверяют путем осмотра и измерения.
- периферию и заднюю сторону абразивного круга на дуге не менее 175°; и
- по крайней мере 20% радиуса круга номинального диаметра с передней стороны на дуге не менее 175°.
Защитный кожух типа F также должен быть снабжен направляющей пластиной или направляющими роликами для обеспечения нормальной работы. Направляющая пластина или направляющие ролики могут быть съемными или регулируемыми.
1 - защитный кожух; 2 - направляющие ролики;
3 - направляющая пластина; 4 - средства для удаления пыли
Рисунок AA.6 - Защитный кожух типа F (защитный кожух
для отрезных операций в каменной кладке)
Конструкция защитного кожуха типа F должна обеспечивать возможность удаления пыли.
Соответствие проверяют путем осмотра и измерения.
Защитный кожух типа G должен закрывать периферию и заднюю сторону абразивного круга на дуге не менее 175°. Периферия защитного кожуха должна иметь выступ на передней кромке, который изгибается внутрь на расстояние не менее 3 мм от линии пересечения внешней боковой поверхности круга с наибольшей шириной и диаметром в соответствии с
перечислением a) 104) 8.14.2, с внутренней поверхности защитного кожуха до внутреннего края выступа, измеренного радиально. Это требование также может быть выполнено с помощью переднего ограждения или комбинации переднего ограждения и кромки при условии, что переднее ограждение предназначено для облегчения замены круга без снятия защитного кожуха, например откидной передней шторки (см.
рисунок AA.7).
Размер в миллиметрах
a) Защитный кожух типа G без переднего ограждения
b) Защитный кожух типа G с передним ограждением
Рисунок AA.7 - Защитный кожух типа G (защитный кожух
прямошлифовальной машины)
Соответствие проверяют путем осмотра и измерения.
(справочное)
МАТЕРИАЛ И ТОЛЩИНА ЗАЩИТНЫХ КОЖУХОВ
В качестве ориентира в
таблице BB.101 приведена рекомендуемая минимальная толщина защитного кожуха, если он изготовлен из стальной пластины с пределом прочности на растяжение от 270 до 410 Н/мм
2 и с минимальным удлинением 28% (длина колеи 50 мм) или из другого материала с сопоставимыми характеристиками.
Таблица BB.101
Диаметр круга D, мм | Минимальная толщина, мм |
Круги типа 1, 4, 27, 28, 29, 41, 42 |
55 < D <= 150 | 1,5 |
D > 150 | 2,0 |
Круги типа 6, 11 |
55 < D <= 150 | 2,0 |
D > 150 | 2,5 |
(обязательное)
ХАРАКТЕРИСТИКИ ТИПОВ КРУГОВ
CC.1 Общая информация
Настоящее приложение содержит:
- номер типа и формы в соответствии с ISO 525:2013; и
- информацию о применении,
для типов кругов, представленных в настоящем стандарте.
CC.2 Круг типа 1
Круг типа 1 представляет собой прямой шлифовальный круг, используемый для периферийного шлифования (см.
рисунок CC.1).
1 - шлифовальная поверхность; D - наружный диаметр;
H - диаметр отверстия; T - толщина
Рисунок CC.1 - Круг типа 1
CC.3 Круг типа 4
Круг типа 4 представляет собой шлифовальный круг с конусом с обеих сторон, используемый для периферийного шлифования (см.
рисунок CC.2).
1 - шлифовальная поверхность; D - наружный диаметр;
H - диаметр отверстия; T - толщина; J - наименьший диаметр
конического круга; U - наименьшая толщина конического круга
Рисунок CC.2 - Круг типа 4
CC.4 Круг типа 6
Круг типа 6 представляет собой круг с прямой чашей, используемый для шлифования лицевой поверхностью (см.
рисунок CC.3).
1 - шлифовальная поверхность; D - наружный диаметр;
H - диаметр отверстия; T - толщина; E - толщина у отверстия
круга; W - ширина края
Рисунок CC.3 - Круг типа 6
CC.5 Круг типа 11
Круг типа 11 представляет собой круг с конической чашей, используемый для шлифования лицевой поверхностью (см.
рисунок CC.4).
Примечание - Круг типа 11 также известен как круг с расширяющейся чашей.
1 - шлифовальная поверхность; D - наружный диаметр;
H - диаметр отверстия; T - толщина; E - толщина у отверстия
круга; W - ширина края; J - наименьший диаметр конического
круга; K - внутренний диаметр углубления конического круга
Рисунок CC.4 - Круг типа 11
CC.6 Круг типа 27
Круг типа 27 - это круг с центральным углублением, используемый для шлифования лицевой поверхностью. Центральное углубление позволяет шлифовать плоской поверхностью круга без помехи со стороны фланца или монтажного оборудования (см.
рисунок CC.5).
1 - шлифовальная поверхность; D - наружный диаметр;
H - диаметр отверстия; T - толщина; F - глубина выемки;
K - внутренний диаметр углубления круга; U - наименьшая
толщина круга с центральным углублением
Рисунок CC.5 - Круг типа 27
CC.7 Круг типа 28
Круг типа 28 - это круг с центральным углублением, используемый для шлифования лицевой поверхностью, которое имеет шлифовальную кромку в форме чаши. Центральное углубление позволяет шлифовать плоской поверхностью круга без помехи со стороны фланца или монтажного оборудования (см.
рисунок CC.6).
1 - шлифовальная поверхность; D - наружный диаметр;
H - диаметр отверстия; U - наименьшая толщина круга
с центральным углублением
Рисунок CC.6 - Круг типа 28
CC.8 Круг типа 29
Круг типа 29 - это гибкий круг с центральным углублением, используемый для шлифования лицевой поверхностью, которое имеет шлифовальную кромку в форме перевернутой чаши. Центральное углубление позволяет шлифовать плоской поверхностью круга без помехи со стороны фланца или монтажного оборудования (см.
рисунок CC.7).
1 - шлифовальная поверхность; D - наружный диаметр;
H - диаметр отверстия; U - наименьшая толщина круга
с центральным углублением
Рисунок CC.7 - Круг типа 29
CC.9 Круг типа 41
Круг типа 41 - это плоский круг, используемый для отрезных операций (см.
рисунок CC.8).
Примечание - Круг типа 41 также известен как круг типа 1A.
1 - шлифовальная поверхность; D - наружный диаметр;
H - диаметр отверстия; T - толщина круга
Рисунок CC.8 - Круг типа 41
CC.10 Круг типа 42
Круг типа 42 - это круг с центральным углублением, используемый для отрезных операций. Центральное углубление позволяет шлифовать плоской поверхностью круга без помехи со стороны фланца или монтажного оборудования (см.
рисунок CC.9).
Примечание - Круг типа 42 также известен как круг типа 27A.
1 - шлифовальная поверхность; D - наружный диаметр;
H - диаметр отверстия; F - глубина центрального углубления;
K - внутренний диаметр углубления круга; U - наименьшая
толщина круга с центральным углублением
Рисунок CC.9 - Круг типа 42
(справочное)
СВЕДЕНИЯ О СООТВЕТСТВИИ ССЫЛОЧНЫХ МЕЖДУНАРОДНЫХ СТАНДАРТОВ
МЕЖГОСУДАРСТВЕННЫМ СТАНДАРТАМ
Таблица ДА.1
Обозначение ссылочного международного стандарта | Степень соответствия | Обозначение и наименование соответствующего межгосударственного стандарта |
ISO 525:2013 | - | |
IEC 62841-1:2014 | IDT | ГОСТ IEC 62841-1-2014 "Машины ручные, переносные и садово-огородные электрические. Безопасность и методы испытаний. Часть 1. Общие требования" |
<*> Соответствующий международный стандарт отсутствует. Примечание - В настоящей таблице использовано следующее условное обозначение степени соответствия стандарта: - IDT - идентичный стандарт. |
Применяют соответствующий раздел IEC 62841-1 со следующим дополнением.
IEC 62841-2-4 | Electric hand-held tools, transportable tools and lawn and garden machinery. Safety and test methods. Part 2-4. Particular requirements for orbital sanders and belt senders (Машины ручные, переносные и садово-огородные электрические. Безопасность. Часть 2-4. Частные требования к плоскошлифовальным и ленточно-шлифовальным машинам) |
УДК 621.869:669.01:006.354 | | IDT |
Ключевые слова: машины ручные, переносные и садово-огородные электрические, шлифовальные, дисковые шлифовальные, полировальные, машина с вращательным движением рабочего инструмента |