Главная // Актуальные документы // ГОСТ (Государственный стандарт)СПРАВКА
Источник публикации
М.: ФГБУ "РСТ", 2021
Примечание к документу
Документ включен в
Перечень международных и региональных (межгосударственных) стандартов, а в случае их отсутствия - национальных (государственных) стандартов, в результате применения которых на добровольной основе обеспечивается соблюдение требований технического
регламента Таможенного союза "О безопасности аппаратов, работающих на газообразном топливе" (ТР ТС 016/2011) и в
Перечень международных и региональных (межгосударственных) стандартов, а в случае их отсутствия - национальных (государственных) стандартов, содержащих правила и методы исследований (испытаний) и измерений, в том числе правила отбора образцов, необходимые для применения и исполнения требований технического
регламента Таможенного союза "О безопасности аппаратов, работающих на газообразном топливе" (ТР ТС 016/2011) и осуществления оценки соответствия объектов технического регулирования (
Решение Коллегии Евразийской экономической комиссии от 13.07.2021 N 86).
Документ включен в
Перечень международных и региональных (межгосударственных) стандартов, а в случае их отсутствия - национальных (государственных) стандартов, в результате применения которых на добровольной основе обеспечивается соблюдение требований технического
регламента Таможенного союза "О безопасности машин и оборудования" (ТР ТС 010/2011) и в
Перечень международных и региональных (межгосударственных) стандартов, а в случае их отсутствия - национальных (государственных) стандартов, содержащих правила и методы исследований (испытаний) и измерений, в том числе правила отбора образцов, необходимые для применения и исполнения требований технического
регламента Таможенного союза "О безопасности машин и оборудования" (ТР ТС 010/2011) и осуществления оценки соответствия объектов технического регулирования (
Решение Коллегии Евразийской экономической комиссии от 09.03.2021 N 28).
Документ включен в
Перечень стандартов, в результате применения которых на добровольной основе обеспечивается соблюдение требований технического
регламента Таможенного союза "О безопасности машин и оборудования" (ТР ТС 010/2011) и в
Перечень стандартов, содержащих правила и методы исследований (испытаний) и измерений, в том числе правила отбора образцов, необходимые для применения и исполнения требований технического
регламента Таможенного союза "О безопасности машин и оборудования" (ТР ТС 010/2011) и осуществления оценки (подтверждения) соответствия продукции (
Решение комиссии Таможенного союза от 18.10.2011 N 823).
Документ
введен в действие с 01.07.2022.
Название документа
"ГОСТ EN 14394-2013. Межгосударственный стандарт. Котлы отопительные. Котлы отопительные с горелками с принудительной подачей воздуха для горения номинальной теплопроизводительностью не более 10 МВт и максимальной рабочей температурой 110 °C"
(введен в действие Приказом Росстандарта от 31.08.2021 N 877-ст)
"ГОСТ EN 14394-2013. Межгосударственный стандарт. Котлы отопительные. Котлы отопительные с горелками с принудительной подачей воздуха для горения номинальной теплопроизводительностью не более 10 МВт и максимальной рабочей температурой 110 °C"
(введен в действие Приказом Росстандарта от 31.08.2021 N 877-ст)
агентства по техническому
регулированию и метрологии
от 31 августа 2021 г. N 877-ст
МЕЖГОСУДАРСТВЕННЫЙ СТАНДАРТ
КОТЛЫ ОТОПИТЕЛЬНЫЕ
КОТЛЫ ОТОПИТЕЛЬНЫЕ С ГОРЕЛКАМИ С ПРИНУДИТЕЛЬНОЙ ПОДАЧЕЙ
ВОЗДУХА ДЛЯ ГОРЕНИЯ НОМИНАЛЬНОЙ ТЕПЛОПРОИЗВОДИТЕЛЬНОСТЬЮ
НЕ БОЛЕЕ 10 МВт И МАКСИМАЛЬНОЙ РАБОЧЕЙ ТЕМПЕРАТУРОЙ 110 °C
Heating boilers. Heating boilers with forced draught
burners nominal heat output not exceeding 10 MW
and maximum operating temperature of 110 °C
(EN 14394:2005, IDT)
ГОСТ EN 14394-2013
Дата введения
1 июля 2022 года
Цели, основные принципы и общие правила проведения работ по межгосударственной стандартизации установлены
ГОСТ 1.0 "Межгосударственная система стандартизации. Основные положения" и
ГОСТ 1.2 "Межгосударственная система стандартизации. Стандарты межгосударственные, правила и рекомендации по межгосударственной стандартизации. Правила разработки, принятия, обновления и отмены"
1 ПОДГОТОВЛЕН Открытым акционерным обществом "Испытания и сертификация бытовой и промышленной продукции "БЕЛЛИС" (ОАО "БЕЛЛИС") на основе собственного перевода на русский язык англоязычной версии стандарта, указанного в
пункте 5
2 ВНЕСЕН Государственным комитетом по стандартизации Республики Беларусь
3 ПРИНЯТ Межгосударственным советом по стандартизации, метрологии и сертификации (протокол от 5 ноября 2013 г. N 61-П)
За принятие проголосовали:
Краткое наименование страны по МК (ИСО 3166) 004-97 | Код страны по МК (ИСО 3166) 004-97 | Сокращенное наименование национального органа по стандартизации |
Армения | AM | ЗАО "Национальный орган по стандартизации и метрологии" Республики Армения |
Беларусь | BY | Госстандарт Республики Беларусь |
Казахстан | KZ | Госстандарт Республики Казахстан |
Киргизия | KG | Кыргызстандарт |
Россия | RU | Росстандарт |
Таджикистан | TJ | Таджикстандарт |
Узбекистан | UZ | Узстандарт |
Украина | UA | Минэкономразвития Украины |
4
Приказом Федерального агентства по техническому регулированию и метрологии от 31 августа 2021 г. N 877-ст межгосударственный стандарт ГОСТ EN 14394-2013 введен в действие в качестве национального стандарта Российской Федерации с 1 июля 2022 г.
5 Настоящий стандарт идентичен европейскому стандарту EN 14394:2005 "Котлы отопительные. Котлы отопительные с горелками с принудительной подачей воздуха для горения номинальной теплопроизводительностью не более 10 МВт и максимальной рабочей температурой 110 °C" ("Heating boilers - Heating boilers with forced draught burners - Nominal heat output not exceeding 10 MW and maximum operating temperature of 110 °C", IDT), включая изменение A1:2008.
Настоящий стандарт реализует существенные требования
Директивы ЕС 92/42/EEC от 21 мая 1992 г., касающиеся требований к КПД для новых водогрейных котлов, работающих на жидком или газообразном топливе, приведенные в
приложении ZA.
Европейский стандарт разработан Техническим комитетом CEN/TC 57 "Котлы для центрального отопления" Европейского комитета по стандартизации (CEN).
Изменения к европейскому стандарту, принятые после его официальной публикации, внесены в текст стандарта и выделены вертикальной линией на полях напротив соответствующего текста. Обозначение и год принятия изменения приведены в скобках после измененного текста.
При применении настоящего стандарта рекомендуется использовать вместо ссылочных международных стандартов соответствующие им межгосударственные стандарты, сведения о которых приведены в дополнительном
приложении ДА
6 ВВЕДЕН ВПЕРВЫЕ
Информация о введении в действие (прекращении действия) настоящего стандарта и изменений к нему на территории указанных выше государств публикуется в указателях национальных стандартов, издаваемых в этих государствах, а также в сети Интернет на сайтах соответствующих национальных органов по стандартизации.
В случае пересмотра, изменения или отмены настоящего стандарта соответствующая информация будет опубликована на официальном интернет-сайте Межгосударственного совета по стандартизации, метрологии и сертификации в каталоге "Межгосударственные стандарты"
Настоящий стандарт устанавливает требования к конструкции, касающиеся безопасности и рационального использования энергии, и методы испытаний для стандартных и низкотемпературных котлов ("котел" в смысле "корпус котла"), изготовленных из стали и чугуна, оборудованных горелками с принудительной подачей воздуха. Горелки поставляются как отдельные изделия и соответствуют стандартам на горелки (для автоматических горелок с принудительной подачей воздуха, работающих на газообразном топливе см. EN 676 и для мазутных распылительных горелок см. EN 267) и номинальной теплопроизводительностью до 10 МВт. Они функционируют либо с разрежением (котлы с естественной тягой) или избыточным давлением (котлы с принудительной тягой) в камере сгорания, в соответствии с технической документацией изготовителя котла. |
(A1:2008)
Настоящий стандарт устанавливает требования к котлам при нормальных рабочих температурах между 100 °C и 110 °C, имеющим "двойную конструкцию":
- для котлов с защитным ограничителем температуры, срабатывающим при температуре не выше 110 °C, Директива оборудования, работающего под давлением (PED), требует акустических испытаний;
- для котлов с защитным ограничителем температуры, срабатывающим при температуре свыше 110 °C, настоящий стандарт устанавливает требования PED, указанные в
приложении ZB.
Котлы, на которые распространяется настоящий стандарт, предназначены для работы в системах центрального отопления с водным теплоносителем с максимальной допустимой рабочей температурой 110 °C и верхним безопасным пределом температуры 120 °C. Максимальное допустимое рабочее давление составляет 10 бар.
Настоящий стандарт не распространяется на газовые котлы с атмосферными горелками, твердотопливные котлы, конденсационные котлы, работающие на жидком или газообразном топливе, котлы с испарительными горелками. К таким котлам применяют дополнительные требования.
Для котлов центрального отопления, работающих на газообразном топливе и оснащенных горелками с принудительной подачей воздуха для горения, номинальной теплопроизводительностью не более 1000 кВт, см. EN 303-7.
Для паровых котлов номинальной теплопроизводительностью свыше 10 МВт и верхним безопасным пределом температуры свыше 120 °C см. стандарты серии EN 12953.
Примечания
1 "Максимально допустимая температура TS" определяется в PED и руководствах.
2 Определения отопительного и низкотемпературного котлов приведены в
Директиве 92/42/EEC.
В настоящем стандарте использованы нормативные ссылки на следующие стандарты. Для датированных ссылок применяют только указанное издание ссылочного стандарта, для недатированных ссылок - последнее издание (включая все изменения).
EN 267:2009 Automatic forced draught burners for liquid fuels (Автоматические принудительные горелки наброска для жидких видов топлива)
EN 287-1:2004, Qualification test of welders - Fusion welding - Part 1: Steels (Квалификационные испытания сварщиков. Сварка плавлением. Часть 1. Сталь)
Поправка AC:2004
Изменение A2:2006
EN 303-1:1999, Heating boilers - Part 1: Heating boilers with forced draught burners - Terminology, general requirements, testing and marking (Котлы отопительные. Часть 1. Котлы отопительные с горелками с принудительной подачей воздуха для горения. Определения, общие требования, испытания и маркировка)
Изменение A1:2003
EN 303-2:1998, Heating boilers - Part 2: Heating boilers with forced draught burners. Special requirements for boilers with atomizing oil burners (Котлы отопительные. Часть 2. Котлы отопительные с горелками с принудительной подачей воздуха для горения. Особые требования к котлам с топливораспылительными горелками)
Изменение A1:2003
EN 303-3:1998, Heating boilers - Part 3: Gas-fired central heating boilers; assembly comprising a boiler body and a forced draught burner (Котлы отопительные. Часть 3. Котлы газовые для центрального отопления. Котел в сборе с горелкой с принудительной подачей воздуха для горения)
Изменение A2:2004
Поправка AC:2006
EN 304:1992
<1>, Heating boilers. Test code for heating boilers for atomizing oil burners (Котлы отопительные. Правила испытания отопительных котлов с топливораспылительными горелками)
Изменение A1:1998
Изменение A2:2003
--------------------------------
<1> В Российской Федерации действует
ГОСТ Р 54820-2011 (ЕН 304:1992) "Котлы отопительные. Правила испытаний котлов с дутьевыми горелками на жидком топливе".
EN 1561:1997, Founding - Grey cast irons (Литье. Чугун с пластинчатым графитом)
EN 1563:1997, Founding - Spheroidal graphite cast irons (Литье. Чугун с шаровидным графитом)
Изменение A1:2002
Изменение A2:2005
EN 10025-1:2004, Hot rolled products of structural steels - Part 1: General technical delivery conditions (Изделия горячекатаные из конструкционных сталей. Часть 1. Общие технические условия поставки)
EN 10025-2:2004, Hot rolled products of structural steels - Part 2: Technical delivery conditions for non-alloy structural steels (Изделия горячекатаные из конструкционных сталей. Часть 2. Технические условия поставки нелегированных конструкционных сталей)
Поправка AC:2005
EN 10025-3:2004, Hot rolled products of structural steels - Part 3: Technical delivery conditions for normalized/normalized rolled weldable fine grain structural steels (Изделия горячекатаные из конструкционных сталей. Часть 3. Технические условия поставки нормализованных/нормализованных прокатанных свариваемых мелкозернистых конструкционных сталей)
EN 10088-1:2005, Stainless steels - Part 1: List of stainless steels (Стали нержавеющие. Часть 1. Перечень нержавеющих сталей)
EN 10088-2:2005, Stainless steels - Part 2: Technical delivery conditions for sheet/plate and strip of corrosion resisting steels for general purposes (Стали нержавеющие. Часть 2. Технические условия поставки тонколистовой/толстолистовой и полосовой коррозионно-стойкой стали общего назначения)
EN 10204:2004, Metallic products - Types of inspection (Изделия металлические. Типы документов для контроля)
EN 10216-1:2002, Seamless steel tubes for pressure purposes - Technical delivery conditions - Part 1: Non-alloy steel tubes with specified room temperature properties (Трубы стальные бесшовные для работы под давлением. Технические условия поставки. Часть 1. Трубы из нелегированной стали со специальными свойствами для температуры окружающей среды)
Изменение A1:2004
EN 10216-2:2002, Seamless steel tubes for pressure purposes - Technical delivery conditions - Part 2: Non-alloy and alloy steel tubes with specified elevated temperature properties (Трубы стальные бесшовные для работы под давлением. Технические условия поставки. Часть 2. Трубы из нелегированной и легированной стали со специальными свойствами для повышенной температуры)
Изменение A2:2007
EN 10216-3:2002, Seamless steel tubes for pressure purposes - Technical delivery conditions - Part 3: Alloy fine grain steel tubes (Трубы стальные бесшовные для работы под давлением. Технические условия поставки. Часть 3. Трубы из легированной мелкозернистой стали)
Изменение A1:2004
EN 10216-4:2002, Seamless steel tubes for pressure purposes - Technical delivery conditions - Part 4: Non-alloy and alloy steel tubes with specified low temperature properties (Трубы стальные бесшовные для работы под давлением. Технические условия поставки. Часть 4. Трубы из нелегированной и легированной стали со специальными свойствами для пониженной температуры)
Изменение A1:2004
EN 10216-5:2004, Seamless steel tubes for pressure purposes - Technical delivery conditions - Part 5: Stainless steel tubes (Трубы стальные бесшовные для работы под давлением. Технические условия поставки. Часть 5. Трубы из нержавеющей стали)
Поправка AC:2008
EN 10217-1:2002, Welded steel tubes for pressure purposes - Technical delivery conditions - Part 1: Non-alloy steel tubes with specified room temperature properties (Трубы стальные сварные для работы под давлением. Технические условия поставки. Часть 1. Трубы из нелегированной стали со специальными свойствами для температуры окружающей среды)
Изменение A1:2005
EN 10217-2:2002, Welded steel tubes for pressure purposes - Technical delivery conditions - Part 2: Electric welded non-alloy and alloy steel tubes with specified elevated temperature properties (Трубы стальные сварные для работы под давлением. Технические условия поставки. Часть 2. Трубы электросварные из нелегированной и легированной стали со специальными свойствами для повышенной температуры)
Изменение A1:2005
EN 10217-3:2002, Welded steel tubes for pressure purposes - Technical delivery conditions - Part 3: Alloy fine grain steel tubes (Трубы стальные сварные для работы под давлением. Технические условия поставки. Часть 3. Трубы из легированной мелкозернистой стали)
Изменение A1:2005
EN 10217-4:2002, Welded steel tubes for pressure purposes - Technical delivery conditions - Part 4: Electric welded non-alloy steel tubes with specified low temperature properties (Трубы стальные сварные для работы под давлением. Технические условия поставки. Часть 4. Трубы электросварные из нелегированной стали со специальными свойствами для пониженной температуры)
Изменение A1:2005
EN 10217-5:2002, Welded steel tubes for pressure purposes - Technical delivery conditions - Part 5: Submerged arc welded non-alloy and alloy steel tubes with specified elevated temperature properties (Трубы стальные сварные для работы под давлением. Технические условия поставки. Часть 5. Трубы сварные под флюсом из нелегированной и легированной стали со специальными свойствами для повышенной температуры)
Изменение A1:2005
EN 10217-6:2002, Welded steel tubes for pressure purposes - Technical delivery conditions - Part 6: Submerged arc welded non-alloy steel tubes with specified low temperature properties (Трубы стальные сварные для работы под давлением. Технические условия поставки. Часть 6. Трубы сварные под флюсом из нелегированной стали со специальными свойствами для пониженной температуры)
Изменение A1:2005
EN 10217-7:2005, Welded steel tubes for pressure purposes - Technical delivery conditions - Part 7: Stainless steel tubes (Трубы стальные сварные для работы под давлением. Технические условия поставки. Часть 7. Трубы из нержавеющей стали)
EN 10226-1:2004, Pipe threads where pressure tight joints are made on the threads - Part 1: Taper external threads and parallel internal threads - Dimensions, tolerances and designation (Резьбы трубные с герметизацией соединений по резьбе. Часть 1. Конические наружные резьбы и цилиндрические внутренние резьбы. Размеры, допуски и обозначение)
EN 10226-3:2005, Pipes threads where pressure tight joint are made on the threads - Part 3: Verification by means of limit gauges (Резьбы трубные с герметизацией соединений по резьбе. Часть 3. Проверка предельными калибрами)
EN 12828:2003, Heating systems in buildings - Design of water-based heating systems (Системы отопления в зданиях. Проектирование систем водяного отопления)
EN 12953-8:2001, Shell boilers - Part 8: Requirements for safeguards against excessive pressure (Котлы паровые. Часть 8. Требования к устройствам, предохраняющим от избыточного давления)
Поправка AC:2002
EN 22553:1994, Welded, brazed and soldered joints - Symbolic representation on drawings (Соединения сварные и паяные. Условные обозначения на чертежах)
EN 60335-1:2002, Household and similar electrical appliances - Safety - Part 1: General requirements (Бытовые и аналогичные электрические приборы. Безопасность. Часть 1. Общие требования)
Изменение A1:2004
Изменение A11:2004
Изменение A12:2006
Изменение A2:2006
Изменение A13:2008
EN 60529:1991, Degrees of protection provided by enclosures (IP Code) [Степени защиты, обеспечиваемые оболочками (IP-код)]
Изменение A1:2000
EN 60730-2-9:2002, Automatic electrical controls for household and similar use - Part 2-9: particular requirements for temperature sensing controls (Устройства автоматические электрические управляющие бытового и аналогичного назначения. Часть 2-9. Дополнительные требования к термочувствительным устройствам управления)
Изменение A1:2003
Изменение A11:2003
Изменение A12:2004
Изменение A13:2004
Изменение A2:2005
EN ISO 228-1:2003, Pipe threads where pressure-tight joints are not made on the threads - Part 1: Dimensions, tolerances and designation (Резьба трубная с герметизацией соединений вне резьбы. Часть 1. Размеры, допуски и обозначения)
EN ISO 228-2:2003, Pipe threads where pressure-tight joints are not made on the threads - Part 2: Verification by means of limit gauges (Резьба трубная с герметизацией соединений вне резьбы. Часть 2. Контроль с помощью предельных калибров)
EN ISO 4063:2000, Welding and allied processes - Nomenclature of processes and reference numbers (Сварка и родственные процессы. Номенклатура процессов и ссылочных номеров)
EN ISO 6506-1:2005, Metallic materials - Brinell hardness test - Part 1: Test method (Материалы металлические. Определение твердости вдавливанием шарика (по Бринеллю). Часть 1. Метод испытания)
EN ISO 9606-2:2004, Qualification test of welders - Fusion welding - Part 2: Aluminium and aluminium alloys (Квалификационные испытания сварщиков. Сварка плавлением. Часть 2. Алюминий и алюминиевые сплавы)
EN ISO 15607:2003, Specification and qualification of welding procedures for metallic materials - General rules (Технические требования и квалификация технологии сварки металлических материалов. Общие правила)
EN ISO 15609-1:2004, Specification and qualification of welding procedures for metallic materials - Welding procedure specification - Part 1: Arc welding (Технические требования и квалификация технологии сварки металлических материалов. Технические требования к процессу сварки. Часть 1. Дуговая сварка)
EN ISO 15610:2003, Specification and qualification of welding procedures for metallic materials - Qualification based on tested welding consumables (Технические требования и квалификация технологии сварки металлических материалов. Оценка на основе проверенных присадочных материалов)
EN ISO 15611:2003, Specification and qualification of welding procedures for metallic materials - Qualification based on previous welding experience (Спецификация и квалификация процедур сварки металлических материалов. Квалификация на основе предыдущего опыта сварки)
EN ISO 15612:2004, Specification and qualification of welding procedures for metallic materials - Qualification by adoption of a standard welding procedure (Технические требования и оценка процедур сварки металлических материалов. Оценка путем принятия стандартной процедуры сварки)
EN ISO 15613:2004, Specification and qualification of welding procedures for metallic materials - Qualification based on pre-production welding test (Технические требования и аттестация процедур сварки металлических материалов. Аттестация, основанная на предпроизводственных сварочных испытаниях)
EN ISO 15614-1:2004, Specification and qualification of welding procedures for metallic materials - Welding procedure test - Part 1: Arc and gas welding of steels and arc welding of nickel and nickel alloys (Технические требования и аттестация процедур сварки металлических материалов. Испытание процедур сварки. Часть 1. Дуговая и газовая сварка сталей, дуговая сварка никеля и никелевых сплавов)
Изменение A1:2008
EN ISO 15614-2:2005, Specification and qualification of welding procedures for metallic materials - Welding procedure test - Part 2: Arc welding of aluminium and its alloys (Технические требования и аттестация процедур сварки металлических материалов. Испытание процедур сварки. Часть 2. Дуговая сварка алюминия и алюминиевых сплавов)
ISO 185:2005, Grey cast irons - Classification (Чугун серый литейный. Классификация)
ISO 857-1:1998, Welding and allied processes - Vocabulary - Part 1: Metal welding processes (Сварка и связанные с ней процессы. Словарь. Часть 1. Процессы сварки металла)
ISO 7005-1:1992, Metallic flanges - Part 1: Steel flanges (Фланцы металлические. Часть 1. Стальные фланцы)
ISO 7005-2:1988 Metallic flanges - Part 2: Cast iron flanges (Фланцы металлические. Часть 2. Фланцы из литейного чугуна)
ISO 7005-3:1988, Metallic flanges - Part 3: Copper alloy and composite flanges (Фланцы металлические. Часть 3. Фланцы из медных сплавов и композиционных материалов)
В настоящем стандарте применены следующие термины с соответствующими определениями:
3.1 максимальное допустимое давление (maximum allowable pressure): Максимальное давление, на которое спроектировано оборудование, указанное изготовителем.
3.2 пробное давление (test pressure): Давление, которому все котлы и их части подвергаются в процессе производства или наладки.
3.3 давление при испытаниях типа (type test pressure): Давление, при котором изготовитель испытывает опытную партию отопительных котлов и их частей до начала серийного производства.
3.4 Температура
3.4.1 максимальная/минимальная допустимая температура (maximum/minimum allowable temperature): Максимальное/минимальное значение температуры, на которое спроектировано оборудование, указанное изготовителем.
3.4.2 рабочая температура (operating temperature): Максимальная допустимая температура, при которой котел может работать в нормальных условиях работы при установке регулятора температуры воды котла на максимальное значение.
3.5 теплопроизводительность P (диапазон теплопроизводительности) [heat output, P (heat output range)]: Количество теплоты, передаваемое воде в единицу времени.
Диапазон теплопроизводительности - это совокупность значений теплопроизводительности ниже номинального значения, указанного изготовителем, при которых котел соответствует требованиям настоящего стандарта и в пределах которого может использоваться.
3.6 номинальная теплопроизводительность Pn (nominal heat output, Pn): Теплопроизводительность, установленная изготовителем в соответствии с требованиями настоящего стандарта и представляющая собой максимальное полезное количество теплоты, переданное теплоносителю за 1 ч при длительной эксплуатации котла. |
(A1:2008)
3.7 тепловая мощность QB (heat input, QB): Количество теплоты в единицу времени, образующееся в результате сгорания топлива, подводимого к топке отопительного котла, исходя из его низшей теплоты сгорания Hi.
3.8 коэффициент полезного действия котла  (boiler efficiency,  ): Отношение номинальной теплопроизводительности Pn к тепловой мощности QB: |
(A1:2008)
3.9 требуемая тяга (required draught): Разность между статическим атмосферным давлением в месте установки и статическим давлением продуктов сгорания, измеряемая в газоходе и требуемая для правильной работы котла при номинальной теплопроизводительности.
3.10 сопротивление тракта сгорания (gas side resistance): Разность давлений в камере сгорания и на выходе котла.
3.11 герметичность тракта сгорания (soundness of combustion system): Герметичность тракта, через который проходят продукты сгорания.
3.12 температура продуктов сгорания tA (exit flue temperature, tA): Температура, измеренная в выпускном патрубке котла.
3.13 потери тепла в газоходе (flue gas loss): Количество неиспользуемой теплоты, выходящей с продуктами сгорания из выпускного патрубка котла в единицу времени.
3.14 тракт сгорания (combustion circuit): Камера сгорания, теплообменник и канал, обеспечивающий отвод продуктов сгорания в газоход, включая выпускной патрубок.
3.15 потери в горячем резерве qB (standby loss, qB): Количество теплоты, необходимое для поддержания температуры в котле на заданном уровне при неиспользовании теплопроизводительности. Обозначение qB установлено с учетом обозначения тепловой мощности QB.
3.16 гидравлическое сопротивление (water side resistance): Потери давления в котле, измеренные в прямом и обратном контурах котла при объемном расходе воды, соответствующем номинальной теплопроизводительности котла.
3.17 термостат управления (control thermostat): Устройство, обеспечивающее автоматическое поддержание температуры воды на заданном значении в пределах установленного диапазона.
3.18 защитный ограничитель температуры (safety temperature limiter): Устройство, обеспечивающее защитное отключение и энергонезависимую блокировку котла для предотвращения превышения заранее установленного значения температуры воды.
4.1 Требования к конструкции
4.1.1 Общие требования
Котлы должны быть жаропрочными и безопасными в эксплуатации. Они должны быть стойкими к деформации, изготовлены из негорючих материалов и удовлетворять следующим условиям:
- выдерживать нагрузки, возникающие при нормальной эксплуатации и гидравлических испытаниях;
- температура и давление в горелке и котле не должны достигать опасных значений;
- предотвращать создание опасных концентраций горючих газов (топливно-воздушных смесей) в камере сгорания и выпускной трубе;
- предотвращать утечку газов из котла в опасных количествах;
- для теплоизоляции не должны использоваться материалы, содержащие асбест.
Использование горючих материалов допускается для:
- деталей приспособлений (например, колпачки горелки), если эти части устанавливаются вне котла;
- внутренних деталей управляющих и защитных устройств;
- рукояток управления;
- электрического оборудования.
Компоненты крышек управляющих, защитных и электрических вспомогательных устройств должны быть установлены так, чтобы температура их поверхностей в установившихся условиях эксплуатации не превышала значений, установленных либо документацией изготовителя, либо стандартом на данный компонент.
Материалы частей, подвергаемых давлению, должны соответствовать допускаемым общим техническим требованиям, подходить для установленных назначения и обслуживания. Механические и физические свойства, а также химический состав материалов должны быть подтверждены изготовителем/поставщиком этого материала.
4.1.2 Производственная документация
4.1.2.1 Чертежи
Чертежи котла или иная соответствующая документация должны содержать следующее:
- заданные материалы;
- способ сварки, тип сварного соединения (обычно достаточным считается указание условного обозначения типа сварного соединения) и присадочный материал;
- максимальную допустимую рабочую температуру в градусах Цельсия;
- максимальное допустимое рабочее давление в барах;
- пробное давление в барах;
- номинальную теплопроизводительность или диапазон теплопроизводительности для каждого размера котла в киловаттах.
4.1.2.2 Производственный контроль
Должен проводиться производственный контроль.
4.1.3 Отопительные котлы из стали и цветных металлов
4.1.3.1 Выполнение сварочных работ
Персонал, выполняющий сварочные работы при производстве котлов, должен соответствовать требованиям EN 287-1 и EN ISO 9606-2, при этом:
- к работам должны привлекаться только сварщики, аттестованные на выполнение сварки обрабатываемых материалов;
- изготовитель должен иметь оборудование, обеспечивающее выполнение бездефектной сварки;
- проведение контроля сварочных работ должно проводиться аттестованным персоналом (необходимо наличие не менее одного аттестованного контролера).
4.1.3.2 Сварные соединения и присадочные материалы
Используемые материалы должны подходить для сварки. Материалы, указанные в
разделе 5, подходят для сварки и не требуют дополнительной термической обработки после сварки.
Технология сварки должна соответствовать требованиям, установленным в EN ISO 15607, EN ISO 15609-1, EN ISO 15614-1, EN ISO 15614-2, EN ISO 15610, EN ISO 15611, EN ISO 15612, EN ISO 15613. |
(A1:2008)
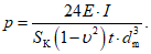
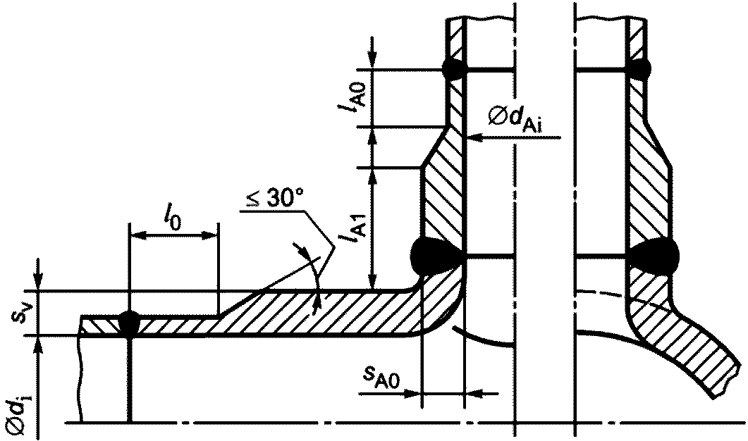
В сварных соединениях должны отсутствовать трещины и дефекты сварки, стыковые соединения не должны иметь дефекты по всему поперечному сечению. Односторонние угловые швы и полу-Y-образные сварные швы со сквозной сваркой не должны подвергаться напряжению на изгиб. Дымогарные трубы, вставные опоры и аналогичные компоненты не требуют двусторонней сварки. Сварные соединения с двумя угловыми швами допускаются только при достаточном охлаждении. Выступы в сторону газового тракта в областях высоких термических нагрузок не допускаются.
Угловые, торцевые и аналогичные сварные соединения, подвергаемые в процессе производства и эксплуатации высоким напряжениям на изгиб, не допускаются.
Для сварных продольных опорных брусов или труб площадь поперечного сечения разреза для угловой сварки должна составлять не менее 1,25 требуемого значения площади поперечного сечения этого бруса или трубы.
Подробная информация по указанным сварным соединениям приведена в
таблице 1. Сварочные присадки должны подходить для используемых материалов.
Таблица 1
Сварные соединения и технологии сварки
N | Термин | Толщина материала t, мм | | Примечание |
1.1 | Стыковой сварной шов без скоса кромок Односторонний Двусторонний | <= 6 (8) | 135 12 131 (111) | Допускаются значения до t = 8 мм при использовании электродов глубокого проплавления или сварке с двух сторон |
1.2 | Стыковой сварной шов без скоса кромок | >= 6 до 12 | 12 | Зазор между свариваемыми кромками b = (2 - 4) мм с загустителем, необходим резервуар для флюса |
1.3 | Стыковой сварной шов без скоса кромок (двусторонний) | > 8 | 135 | Зазор между свариваемыми кромками b = (2 - 4) мм |
до 12 | 12 (111) | Для ручной электродуговой сварки используются электроды глубокого проплавления |
1.4 | V-образный стыковой сварной шов с одним скосом двух кромок | до 12 | (111) | Подготовка под сварку - V-образный стык с углом 60° |
1.5 | V-образный стыковой сварной шов с одним скосом двух кромок а) от 30° до 50° | до 12 | 135 12 | Подготовка под сварку - V-образный стык с углом (30° - 50°) в зависимости от толщины материала |
1.6 | X-образный стыковой сварной шов с двумя симметричными скосами двух кромок а) от 30° до 50° | св. 12 | 135 12 | Подготовка под сварку - X-образный стык с углом (30° - 50°) в зависимости от толщины материала |
1.7 | Стыковой сварной шов между листами с отбортованными кромками | <= 6 | 135 141 131 (111) | Допускается только в исключительных случаях для ввариваемых частей. Напряжения на изгиб для таких швов не допускаются. Не используется для стеновых частей, непосредственно подвергаемых воздействию огня s = 0,8t |
2 | Угловой сварной шов | <= 6 | 135 12 (111) | Напряжения на изгиб для швов такого типа не допускаются a = t |
2.1 | Сварное соединение с двумя угловыми швами | <= 12 | 135 12 (111) | a = t |
> 12 | 135 12 (111) | a = 2/3t |
2.2 | К-образный стыковой сварной шов с двумя скосами одной кромки | <= 12 | 135 12 (111) | a = t |
> 12 | 135 12 (111) | a = 2/3t |
2.3 | V-образный стыковой шов со скосом одной кромки | <= 12 | 135 12 (111) | Для (111)  |
> 12 | 135 12 | Для 135, 12  |
2.4 | V-образный стыковой шов со скосом одной кромки | <= 12 | 135 12 (111) | Для (111)  Для 135, 12  |
2.5 | | <= 12 (111) | 135 | Конец трубы, подвергаемой воздействию теплового излучения, не должен выступать за границу углового сварного шва |
2.6 | | <= 6 | 135 (111) | Вваривание трубы при высоких термических напряжениях a >= t |
2.7 | | | 135 (111) | Вваривание трубы при высоких термических напряжениях Для (111)  Для 135  |
<a> Коды технологии сварки указаны в соответствии с ISO 857-1 или EN ISO 4063. |
Код технологии | Технология |
12 | Дуговая сварка под флюсом |
111 | Дуговая сварка плавящимся электродом с покрытием |
131 | Дуговая сварка плавящимся электродом в среде инертного газа; сварка МИГ (MIG) |
135 | Дуговая сварка плавящимся электродом в среде активного газа; сварка МАГ (MAG) |
141 | Дуговая сварка вольфрамовым электродом в среде инертного газа; сварка ВИГ (TIG) |
Термины, применяемые в
таблице 1, соответствуют EN 22553. Коды технологии сварки соответствуют ISO 857-1 и EN ISO 4063.
4.2.1 Подбор жидкотопливной горелки с принудительной подачей воздуха для горения в соответствии с EN 267 - Должны быть выполнены требования EN 303-2 или при превышении диапазона номинальной тепловой мощности - в соответствии с EN 303-2, - испытания должны быть проведены в соответствии с EN 303-2. 4.2.2 Подбор автоматизированной горелки для газообразного топлива с принудительной подачей воздуха для горения в соответствии с EN 676 - Должны быть выполнены требования EN 303-3 или при превышении диапазона номинальной тепловой мощности - в соответствии с EN 303-3, - испытания должны быть проведены в соответствии с EN 303-3. |
(A1:2008)
Материалы для отопительных котлов должны быть изготовлены и испытаны в соответствии с общепринятыми правилами. В документации на применяемые материалы необходимо наличие сертификата по EN 10204:2004 (пункт 3.1). Для котлов с максимальной допустимой температурой не более 110 °C достаточным считают наличие протокола испытаний по EN 10204 (пункт 2.2). Это не требуется для мелких компонентов, таких как муфты типоразмеров до DN 50, болты и гайки.
Применение других материалов возможно только при подтверждении равнозначности эксплуатационных характеристик. При оценке конкретного материала должны быть проведены все соответствующие испытания, например испытания на удар.
Должна быть обеспечена прослеживаемость используемых материалов, должны быть установлены и выполняться необходимые процедуры для идентификации материалов, из которых изготовлены компоненты отопительного котла, способствующие его стойкости к давлению, от момента их получения, включая этапы производства, до заключительных испытаний изготовленного отопительного котла.
5.2.1 Применяют следующие листы и штампованные изделия из углеродистой стали по EN 10025-1, EN 10025-2 и EN 10025-3 при соблюдении указанных пределов:
- сталь марки S 235 JRG 2 для толщин стенок до 20 мм.
Для подтверждения того, что материал обладает пластичностью, достаточной для его применения, должны быть представлены результаты оценки свойств данного материала.
Применение указанных марок стали допускается только для максимального значения температуры 300 °C, определяемого нормальным значением температуры и температурным допуском по
таблице 5.
Применение указанных марок стали не допускается для жаровых труб и других аналогичных компонентов, соприкасающихся с огнем, паровых котлов с допустимым рабочим давлением свыше 6 бар.
5.2.2 Применяют следующие листы из углеродистой стали по EN 10028-2 при соблюдении указанных пределов:
- сталь P 235 GH, P 265 GH и P 295 GH.
Указанные марки стали применяют для нагреваемых цилиндрических обечаек под внешним давлением (жаровые трубы) при толщине стенок до 22 мм и нагреваемых прямолинейных стенок толщиной до 25 мм.
5.2.3 Для труб см. EN 10216-1 - EN 10216-5 (бесшовные стальные трубы для работы под давлением) и EN 10217-1 - EN 10217-7 (сварные стальные трубы для работы под давлением).
5.2.4 Листы и полосы из нержавеющей стали
Допускается использование любых материалов по EN 10088-1 и EN 10088-2.
Для подтверждения того, что материал обладает пластичностью, достаточной для его применения, должны быть представлены результаты оценки свойств данного материала.
5.3 Котлы из литых материалов
5.3.1 Общие положения
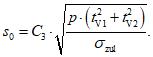
Изготовитель должен иметь персонал и оборудование для проведения необходимых испытаний материала. В процессе производства котла и других частей из чугуна, подвергаемых давлению, должны проводиться следующие испытания с использованием отдельных отлитых испытательных образцов для каждой партии:
a) испытание на растяжение по ISO 185, тип A; значения, указанные в
таблице 2, должны быть подтверждены результатами испытаний на растяжение;
b) химический анализ (C, Si, Mn, P, S);
c) испытание на твердость по Бринеллю по EN ISO 6506-1;
d) испытание на удар (только для графитсодержащего чугуна).
Результаты испытаний должны либо регистрироваться в журналах изготовителя с подписью лица, ответственного за проведение испытаний на предприятии изготовителя, либо оформляться в виде свидетельства о заводских испытаниях по EN 10204. Свидетельства и журналы регистрации подлежат хранению изготовителем не менее 5 лет и должны быть доступны для проверки.
Ремонт сваркой частей, подвергаемых давлению, не допускается.
Для подтверждения того, что материал обладает пластичностью, достаточной для его применения, должны быть представлены результаты оценки свойств данного материала.
5.3.2 Части из литейного чугуна, подвергаемые давлению
Механические свойства литейного чугуна, применяемого для частей, подвергаемых давлению, должны как минимум соответствовать значениям, указанным в
таблице 2.
Таблица 2
Минимальные требования для литейного чугуна
Литейный чугун с пластинчатым графитом <a> (EN 1561) |
- сопротивление растяжению Rm | >= | 200 Н/мм2 |
- твердость по Бринеллю в соответствии с EN 1561 EN-GJL 200 | | 160 - 220 HB 2,5/187,5 |
Чугун с шаровидным графитом (отожженный на ферритную структуру, EN 1563) |
- сопротивление растяжению Rm | >= | 400 Н/мм2 |
- сила удара по EN 1561 EN-GJL 400 | >= | 23 Дж/см2 |
<a> По согласованию с компетентным лицом допускается использование пластинчатого графита со значением наименьшего сопротивления растяжению (определенным на соответствующем испытательном образце) на 10% ниже указанного минимального сопротивления. |
5.3.3 Литые части из цветных металлов под давлением в соответствии с таблицами 3 и 4
Таблица 3
Примеры алюминия и алюминиевых сплавов
Алюминий или алюминиевый сплав | Толщина, мм | Сопротивление растяжению Rm, Н/мм2 | Диапазон температур, °C |
Al 99,5 | До 50 | Не менее 75 | До 300 |
Al Mg2 Mn 0,8 | До 50 | Не менее 275 | До 250 |
Таблица 4
Примеры меди и медных сплавов
Медь или медный сплав | Толщина, мм | Сопротивление растяжению Rm, Н/мм2 | Диапазон температур, °C |
SF - Cu | До 5 | 200 | До 250 |
Cu Ni 30 Fe | До 10 | 310 | До 350 |
5.3.4 Трубные соединения для чугунных отопительных котлов и клапанов из медных сплавов
Трубные соединения из чугуна с резьбой до G11/2 применяют только для максимального допустимого рабочего давления не более 6 бар.
Клапаны с номинальным диаметром не более DN 200 - из чугуна с пластинчатым графитом.
Клапаны из медных сплавов - G-CuSn5ZnPb, G-CuSn10Zn, G-CuSn10, G-Cu5SZnMn, G-CuAl9, G-CuPb5Sn, GK-CuZn37Pb и CuZn40.
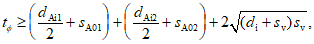
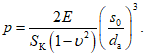
6.1.1 При проектировании котлов применяют нижеприведенные расчеты.
Для материалов по
5.1 допускается применение расчетных значений, указанных в
таблице 5. Для испытания на расчетный предел прочности имеет значение расчет преобладающих нагрузок от внутреннего или внешнего давления.
Таблица 5
Расчетные значения предела текучести при комнатной
температуре и 0,2% условного предела текучести при более
высокой температуре для листов стали S 235 JRG 2
(по EN 10025-1 - EN 10025-3)
Толщина стенок, мм | Предел текучести при комнатной температуре, Н/мм2 | 0,2%-ный условный предел текучести <a>, Н/мм 2 |
100 °C | 200 °C | 250 °C | 300 °C |
<= 16 | 205 | 187 | 161 | 143 | 122 |
> 16 | 195 | 180 | 155 | 136 | 117 |
<a> Значения предела текучести для 100 °C также применяют для 120 °C. Для других диапазонов может применяться линейная интерполяция; округление в большую сторону не допускается. |
Допускается применять метод экспериментального проектирования. Толщина стенок не должна быть менее значений, указанных в таблице 6. |
(A1:2008)
Таблица 6
Минимальная толщина стенок для отопительных котлов
из стали и иных материалов, кроме чугуна
Тип стенки | Допустимая теплопроизводительность, кВт | Минимальная толщина стенки <a>, мм |
Ферритные стали | Аустенитные стали по EN 10088-1 и EN 10088-2 и другие нержавеющие стали |
Для стенок камеры сгорания, соприкасающихся с огнем и водой, и плоских поверхностей конвекционного отопления | До 100 включ. | 4 | 2 |
Св. 100 до 300 включ. | 5 | 3 |
Св. 300 до 4000 включ. | 6 | 4 |
Св. 4000 | 8 | 4 |
Для стенок, соприкасающихся только с водой и жестко закрепленных | До 100 включ. | 3 | 1 |
Св. 100 до 300 включ. | 4 | 2 |
Св. 300 | 5 | 2 |
Другие трубы | | 2,9; 2 мм - для наружного диаметра менее 17,2 мм для ненагреваемых труб | 1 |
<a> Отклонения от указанных значений допускаются, если расчет проводился согласно приложениям A - E и значения не выходят за установленные границы (A.7) или при невозможности произвести расчет, если котел прошел испытание. |
6.1.2 Для котлов с номинальной теплопроизводительностью не более 350 кВт и максимальным допустимым рабочим давлением до 6 бар расчет прочности по
6.1.1 допускается заменять гидравлическим испытанием пробным давлением, равным двукратному максимальному допустимому рабочему давлению 2 x
p1 (
p1 - максимальное допустимое рабочее давление). Во время испытаний не должно произойти видимой деформации котла и утечки.
6.1.3 Для котлов с номинальной теплопроизводительностью свыше 350 кВт и не более 2000 кВт и максимальным допустимым рабочим давлением не более 6 бар расчет прочности по
6.1.1 допускается проводить только для компонентов, удобных для расчета, при условии, что гидравлические испытания проводятся пробным давлением, равным двукратному максимальному допустимому рабочему давлению 2 x
p1.
6.1.4 Основания для расчета
6.1.4.1 Расчеты применяют для статических нагрузок.
6.1.4.2 Отклонения от расчетных формул допускаются, если иные средства, например результаты испытаний материалов, экспериментальные данные, результаты анализа напряжений и т.п., подтверждают соответствие требованиям безопасности.
6.1.4.3 Некоторые важные величины, используемые в расчетах, и их условные обозначения/единицы измерения приведены в
таблице 7. Значения надстрочных и подстрочных знаков указаны в
таблице 8.
Таблица 7
Расчетные величины, условные обозначения
и единицы измерений
Условное обозначение | Расчетная величина | Единица измерения |
B | Ширина | мм |
c | Поправка на толщину стенки | мм |
d | Диаметр | мм |
h | Высота | мм |
L | Длина | мм |
p | Расчетное давление (манометрическое) | Н/мм2 |
P0 | Абсолютное давление (термодинамический или гидродинамический параметр) | Н/мм2 |
PS | Максимальное допустимое давление | Н/мм2 |
P2 | Общее допустимое (манометрическое) давление (например, для генераторов горячей воды) | Н/мм2 |
P3 | Барометрическое давление (давление атмосферного воздуха) | Н/мм2 |
P4 | (Применяемое) рабочее манометрическое давление | Н/мм2 |
P5 | Гидростатический напор | Н/мм2 |
P6 | Перепад динамического давления (перепады давления вследствие трения, ускорения, прогиба от динамической нагрузки и т.д.) | Н/мм2 |
P' | Пробное давление | Н/мм2 |
r | Радиус | мм |
s | Требуемая толщина стенки основного корпуса, ослабленного отверстиями, с учетом поправки | мм |
se | Фактическая толщина стенки | мм |
s0 | Толщина стенки без отверстий основной оболочки без учета поправки | мм |
v | Эффективность связки, коэффициент прочности сварного шва | - |
A | Площадь | мм2 |
E | Модуль упругости | Н/мм2 |
F | Сила | Н |
G | Модуль сдвига | Н/мм2 |
I | Момент инерции | мм2 |
K | Расчетная прочность | Н/мм2 |
M | Момент | Н/мм2 |
S | Коэффициент запаса прочности | - |
S' | Коэффициент запаса прочности при испытании давлением | - |
U | Отклонение от круглости | % |
| Относительное удлинение при разрыве (отношение к базовой длине - 5) | % |
| Расчетная температура | °C |
u | Коэффициент поперечной деформации (0,3 - для стали) | - |
| Угол | градус |
| Механическое напряжение | Н/мм2 |
| Среднее механическое напряжение | Н/мм2 |
| Осевое механическое напряжение | Н/мм2 |
| Тангенциальное напряжение | Н/мм2 |
| Интенсивность напряжений | Н/мм2 |
| Допустимое напряжение при статической нагрузке | Н/мм2 |
| Допустимое напряжение при циклической нагрузке | Н/мм2 |
| Минимальное сопротивление напряжению при 20 °C | Н/мм2 |
| Допустимое напряжение при пробном давлении p' | Н/мм2 |
(A1:2008)
Таблица 8
Надстрочные и подстрочные знаки
Надстрочный/подстрочный знак | Значение |
Надстрочный знак  | Максимальное значение величины, например  |
Надстрочный знак  | Минимальное значение величины, например  |
Надстрочный знак - | Среднее значение величины, например  |
Надстрочный знак ~ | Пульсация величины, например  |
Надстрочный знак ' | Значение по отношению к пробному давлению, например p' |
Подстрочный знак | Числовой индекс, например ni |
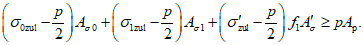
6.1.4.4 Расчетное давление p1 должно быть больше или равно максимальному допустимому давлению PS. |
(A1:2008)
6.1.4.5 Для котлов с надежной регулировкой температуры среды (надежным признается защитный ограничитель температуры, прошедший испытания типа) расчетное значение температуры принимают равным нормальной температуре с допуском по
таблице 9. В качестве допуска принимают минимальное обоснованное значение.
Таблица 9
Значения нормальных температур и допуски
Физическое состояние | Нормальная температура | Допуск температуры |
Ненагреваемые компоненты | Нагреваемые компоненты |
нагреваемые преимущественно посредством | Экранированные от излучения |
излучения | конвекции |
Вода или пароводяная смесь | Температура насыщения при допустимом рабочем манометрическом давлении p1 или допустимое общее давление p2 соответственно | 0 °C | 50 °C - для коллекторов (30 + 3 x se) °C, не менее 50 °C | (15 + 2 x se) °C, не более 50 °C | 20 °C |
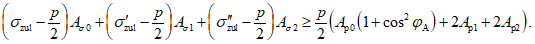
6.1.4.6 При определении размеров на основе преобладающей статической нагрузки допустимое напряжение

рассчитывают по формуле

(1)
при этом принимают наименьшее значение, полученное при отношении расчетной прочности
K к коэффициенту запаса прочности
S, значения которых приведены в
таблице 10.
Таблица 10
Значения расчетной прочности
K и соответствующие значения
коэффициента запаса прочности S для прокатной и кованой
стали с актом приемочных испытаний по EN 10204
для материалов

Расчетная прочность K материалов покрытий | Коэффициент запаса прочности S |
для внутреннего давления | для внешнего давления |
 при 20 °C | 2,4 | 2,4 |
 или  | 1,5 | 1,8 |
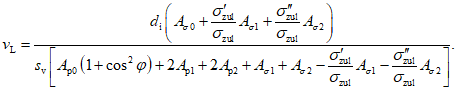
6.1.4.7 При пробном давлении
p' допустимое напряжение рассчитывают по формуле (см.
формулу 1)

(2)
где K' - расчетная прочность;
S' - коэффициент запаса прочности.
Таблица 11
Значения расчетной прочности
K и соответствующие значения
коэффициента запаса прочности S при пробном давлении p'
Материал | Расчетные значения прочности K <a> | Коэффициент запаса прочности S <a> |
Прокатная сталь и кованая сталь |  при 20 °C | 1,05 |
Литая сталь |  при 20 °C | 1,33 |
Чугун литейный с шаровидным графитом |  при 20 °C | 2,2 |
Чугун литейный с пластинчатым графитом |  при 20 °C | 5,0 |
<a> Только для компонентов без отверстий или ответвлений. |
6.1.4.8 При определении толщины стенки в рамках допуска по соответствующему стандарту применяют поправку c1 к рассчитанному значению толщины стенки s0 и аналогичным.
6.1.4.9 Для ферритных сталей поправка на коррозию для учета коррозийного износа должна составлять
c2 = 1 мм. При фактической толщине стенки
se не менее 30 мм поправку не применяют. Поправку также не применяют при наличии достаточной противокоррозийной защиты стенок.
6.1.4.10 Для аустенитных сталей и неметаллических материалов поправку на коррозию не применяют.
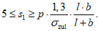
6.1.4.11 Оценка качества сварных швов
Для котлов с максимальной допустимой температурой не более 110 °C оценка сварных швов компонентов, подвергаемых деформациям растяжения, производится при VN = 0,8. Неразрушающие методы контроля не применяют.
Оценка при VN = 1,0 допускается при дополнительной оценке сварных швов.
Для котлов с максимальной допустимой температурой более 110 °C может применяться следующий коэффициент прочности сварного шва:
- для оборудования, подвергаемого разрушающему и неразрушающему контролю, подтверждающему, что во всей группе соединений отсутствуют значимые дефекты - 1;
- для оборудования, подвергаемого выборочному неразрушающему контролю, - 0,85;
- для оборудования, подвергаемого только визуальному осмотру, - 0,7.
При необходимости учитывают также тип напряжения и механические и технологические свойства соединения.
Неразрушающий контроль постоянных соединений должен проводиться соответствующим квалифицированным персоналом.
6.1.5 Цилиндрические обечайки, подвергающиеся внутреннему давлению
6.1.6 Сферические оболочки и выпуклые днища, подвергающиеся внутреннему и внешнему давлению
6.1.7 Выпуклые днища жаровых труб
6.1.8 Плоские стенки, опоры и опорные балки
6.1.9 Цилиндрические обечайки под внешним давлением
6.2 Котлы отопительные из литых материалов
Значения толщины стенок, приведенные в рабочем чертеже, не должны быть меньше минимальных значений толщины, перечисленных в
таблице 12. Фактические минимальные значения толщины стенок при производстве секций котла и иных частей, подвергаемых давлению, должны быть больше значения толщины, указанного в чертеже, умноженного на 0,8.
Таблица 12
Минимальные значения толщины стенок секций котла
из литых материалов
Номинальная теплопроизводительность Pn, кВт | Минимальная толщина стенок из чугуна с |
пластинчатым графитом, алюминием, мм | шаровидным графитом - отожженной медью, мм |
До 30 включ. | 3,5 | 3,0 |
Св. 30 до 70 включ. | 4,0 | 3,5 |
Св. 70 до 300 включ. | 4,5 | 4,0 |
Св. 300 до 1000 включ. | 5,5 | 5,0 |
Св. 1000 включ. | 6,5 | 6,0 |
(A1:2008)
Для расширения номенклатуры выпускаемых котлов изготовитель может добавлять аналогичные секции при условии, что добавляемая теплопроизводительность не превышает 25% наибольшего значения теплопроизводительности Pn в соответствующей строке таблицы 12. |
(A1:2008)
6.3 Дополнительные требования
6.3.1 Вентилирование водного пространства и отводов продуктов сгорания
Котел и его части должны быть сконструированы так, чтобы обеспечивалась достаточная вентиляция водного пространства. Конструкция котла должна предотвращать появление шумов вследствие чрезмерного кипения воды при нормальной его эксплуатации в соответствии с инструкциями изготовителя.
Конструкция камеры сгорания и отводов продуктов сгорания должны предотвращать возможность опасного скопления горючих газов.
6.3.2 Очистка поверхностей нагрева
Доступность поверхностей нагрева со стороны газового тракта для их осмотра и очистки химическими средствами и щетками должна обеспечиваться наличием и соответствующим расположением достаточного количества специальных отверстий. Если для очистки и технического обслуживания котла требуются специальные инструменты (например, специальные щетки), они должны поставляться вместе с котлом.
6.3.3 Контроль пламени
Котлы должны быть оснащены устройствами контроля пламени, которые должны позволять проведение контроля наличия пламени и быть расположены или сконструированы таким образом, чтобы на работу автоматического устройства защитного отключения пламени горелки не влияло, например, наличие других источников света. Если горелка присоединена к навесной дверце котла, открываемой оператором без использования инструментов, работа горелки при открытой дверце должна быть невозможна.
6.3.4 Водонепроницаемость
Отверстия для винтов и аналогичных деталей, используемых для присоединения съемных частей, не должны выходить в пространства, где протекает вода. Данное требование не применяют к гнездам для размещения измерительного, контрольного оборудования и оборудования, обеспечивающего безопасность работ.
6.3.5 Сменные детали
Сменные детали и запасные части (например, прокладки, фасонные огнеупорные кирпичи, турбулизаторы и т.д.) должны быть сконструированы, изготовлены или маркированы таким образом, чтобы при соблюдении инструкций изготовителя обеспечивалась их правильная установка.
6.3.6 Подключение воды
Резьбовые соединения должны соответствовать EN 10226-1, EN 10226-3, EN ISO 228-1 и EN ISO 228-2, а фланцевые соединения - ISO 7005-1, ISO 7005-2 и ISO 7005-3. Расположение соединений должно обеспечивать их доступность и выбираться таким образом, чтобы должным образом выполнялась функция каждого из соединений. Вокруг соединения должно быть достаточно пространства для установки соединительных труб с помощью необходимых инструментов.
Использование соединений с трубной резьбой и условным проходом свыше DN 50 не рекомендуется. Использование соединений с трубной резьбой номинальным диаметром свыше DN 80 не допускается. Для фланцевых соединений контрфланцы и уплотнительные прокладки должны входить в поставку. В каждом котле должно быть по крайней мере одно соединение для наполнения водой и дренажа. Такое соединение может быть общим. На передней или задней стороне каждого котла в его наиболее глубокой точке должно быть по крайней мере одно сливное отверстие. Размер соединения должен быть не менее:
- для наполнительных соединений:

G 1/2 - при номинальной теплопроизводительности до 70 кВт;

G 3/4 - при номинальной теплопроизводительности свыше 70 кВт;
- для сливных соединений стальных паровых котлов:

DN 25 - при номинальной теплопроизводительности до 1 МВт;

DN 35 - при номинальной теплопроизводительности от 1 до 6 МВт;

DN 50 - при номинальной теплопроизводительности свыше 6 МВт;
- для сливных соединений чугунных котлов:

DN 25 - при номинальной теплопроизводительности до 150 кВт;

DN 32 - при номинальной теплопроизводительности от 150 до 350 кВт;

DN 50 - при номинальной теплопроизводительности свыше 350 кВт.
Допускается расположение этих соединений вне котла при условии обеспечения удовлетворительного наполнения водой и дренажа.
6.3.7 Соединения для контрольного оборудования и сигнальных устройств, а также защитного ограничителя температуры
Каждый котел должен иметь соединительные гнезда для подключения регулятора температуры, защитного ограничителя температуры и термометра с номинальным диаметром соединительной резьбы G 1/2. При поставке контрольного оборудования вместе с котлом, указанные требования не применяют. В этом случае поставляемое контрольное оборудование не допускается заменять другим оборудованием.
Расположение соединений должно обеспечивать получение объективного значения при измерении температуры котла. Если для подключения защитных устройств, таких как реле давления, манометр, водомерный автоматический выключатель или предохранительный клапан, предусмотрены другие соединения, то назначенное соединение, особенно для предохранительных клапанов, должно быть предназначено для различных значений пропускной способности и различного вида обслуживания.
Требования к отопительным системам, например к предохранительным клапанам, указаны в EN 12828. Для котлов с максимальной допустимой температурой свыше 110 °C должны соблюдаться требования EN 12953-8. |
(A1:2008)
6.3.8 Отверстия для контроля и очистки
Для контроля и очистки внутренних частей котла в нем должны быть предусмотрены соответствующие отверстия. Должно обеспечиваться достаточное пространство для необходимого доступа.
6.3.9 Присоединительные размеры котла
Присоединительные размеры должны быть согласованы между изготовителями котла и горелки.
Для котлов номинальной теплопроизводительностью до 1000 кВт применяют требования EN 303-1.
6.3.10 Теплоизоляция
При использовании теплоизоляции ее свойства не должны значительно изменяться в каком-либо месте вследствие воздействия тепла и износа. Используемая теплоизоляция должна выдерживать нормальные термические и механические напряжения. В нормальных условиях эксплуатации выделение материалом теплоизоляции каких-либо вредных веществ не допускается. Для теплоизоляции должны использоваться негорючие материалы.
Минимальное расстояние от горючих материалов до поверхностей газоотводящих частей должно быть таким, чтобы максимальная температура горючего материала составляла 85 °C.
6.3.11 Гидравлическое сопротивление котла
Гидравлическое сопротивление определяют для объемных расходов, соответствующих номинальной теплопроизводительности с двумя перепадами температур, равными 10 К и 20 К, между прямым и обратным контурами котла. Результаты выражаются в миллибарах для каждого размера котла.
6.3.12 Герметичность тракта сгорания
6.3.12.1 Общие положения
Тракт сгорания котла должен быть герметичным.
6.3.12.2 Котлы с разрежением в камере сгорания
При разрежении в камере сгорания, равном 0,05 мбар, массовая доля попадающего воздуха должна составлять 1% массового расхода продуктов сгорания при номинальной теплопроизводительности.
6.3.12.3 Котлы с избыточным давлением
При избыточном давлении в камере сгорания, равном 1,2 рабочего давления, указанного изготовителем, массовая доля утечки не должна превышать 2% массового расхода продуктов сгорания при номинальной теплопроизводительности.
6.3.13 Защитный ограничитель температуры и термостат управления
Каждый котел должен быть оборудован защитным ограничителем температуры, как указано ниже, и термостатом управления с максимальным значением температуры 110 °C. - Для котлов, у которых максимальное значение защитного ограничителя температуры не превышает 110 °C, защитный ограничитель температуры должен соответствовать требованиям EN 60730-2-9 для устройств типа 2 с максимальной рабочей температурой, указываемой изготовителем, которая должна быть менее 110 °C или с более низким значением температуры, указанным изготовителем, и термостат управления должен соответствовать требованиям EN 60730-2-9 для устройств типа 1 с максимальной рабочей температурой 110 °C. - Для котлов, у которых максимальное значение защитного ограничителя температуры превышает 110 °C, защитный ограничитель температуры должен соответствовать требованиям EN 60730-2-9 для устройств типа 2 с максимальной рабочей температурой, указываемой изготовителем, которая должна быть менее 120 °C или с более низким значением температуры, указанным изготовителем, и термостат управления должен соответствовать требованиям EN 60730-2-9 для устройств типа 1 с максимальной рабочей температурой 110 °C. |
(A1:2008)
6.3.14 Вспомогательное оборудование котла
Если изготовитель прилагает к котлу дополнительное вспомогательное оборудование, поддержание которого в рабочем состоянии необходимо для безопасной и правильной работы, проведение такого обслуживания должно быть возможным без существенного демонтажа котла.
6.3.15 Электробезопасность
6.3.15.1 Общие положения
Испытания на электробезопасность проводят в соответствии с EN 60335-1.
6.3.15.2 Общие технические требования
- тип электрической защиты котла (в соответствии с EN 60529);
- элементы электрического оборудования (например, переключатели, реле).
6.3.15.3 Испытания
Следующие характеристики проверяют визуальным осмотром, функциональными испытаниями или измерениями:
- защита от доступа к частям, находящимся под напряжением;
- ток утечки и электрическая прочность;
- внутренняя проводка;
- подсоединения к источнику питания и внешние гибкие шнуры;
- зажимы для внешних проводников;
- пути утечки, зазоры и расстояния через изоляцию;
- требования безопасности схемы соединений;
- невзаимозаменяемые вилки.
6.3.15.4 Подтверждение соответствия
Если необходима подробная декларация о соответствии, изготовитель оборудования может привести следующую информацию:
- продолжительность нагрева;
- работу в условиях перегрузки приборов с нагревательными элементами;
- подавление радиопомех (только для узлов);
- теплостойкость, огнестойкость и трекингостойкость.
| | Применение на добровольной основе разд. 7 обеспечивает соблюдение требований технического регламента Таможенного союза "О безопасности машин и оборудования" (ТР ТС 010/2011) (Решение Коллегии Евразийской экономической комиссии от 09.03.2021 N 28). | |
| | Применение на добровольной основе разд. 7 обеспечивает соблюдение требований технического регламента Таможенного союза "О безопасности машин и оборудования" (ТР ТС 010/2011) (Решение комиссии Таможенного союза от 18.10.2011 N 823). | |
До начала производства должны проводиться испытания котлов для определения их номинальных характеристик и проверка технологии сжигания топлива. В процессе производства должны проводиться испытания конструкции и гидравлические испытания.
Изготовитель должен предоставить гарантии того, что конструкционные материалы и сварные швы, а также результаты всех необходимых испытаний соответствуют требованиям системы управления производством изготовителя.
Обязанности для изготовителя:
- управление производством;
- дополнительные испытания образцов, отобранных изготовителем в соответствии с установленным планом проведения испытаний.
Все котлы и их части подвергают гидравлическим испытаниям холодной водой на предприятии изготовителя. Утечка и устойчивая деформация не допускаются.
Все котлы должны пройти окончательную проверку визуально и путем исследования сопроводительных документов. Испытания, проведенные во время производства, должны быть приняты во внимание. Насколько это необходимо по соображениям безопасности, контроль готовой продукции проводится как изнутри, так и снаружи на каждой детали оборудования, если это необходимо в процессе производства (например, когда невозможно испытать во время окончательного контроля). |
(A1:2008)
7.2 Котлы из низкоуглеродистой стали
7.2.1 Исследовательские испытания
Испытание должно выявить соответствие конструкции согласно приложениям A - E. Если данные испытания проводятся с использованием гидравлического давления, период испытаний должен составлять не менее 10 мин. В ходе испытаний не допускается появление утечек или заметных устойчивых деформаций. |
(A1:2008)
Должен составляться протокол испытаний, содержащий следующие сведения:
- точное описание испытуемого котла с указанием номера чертежа;
- пробное давление в барах и длительность испытаний;
- результаты испытаний и
- место и дату проведения испытаний с указанием лиц, проводящих испытания.
Протокол испытаний должен быть заверен подписью ответственного за проведение испытаний на предприятии изготовителя и как минимум одного независимого лица.
7.2.2 Испытания в процессе производства
Пробное давление должно составлять:
- для максимальной допустимой температуры не более 110 °C
<1>: 1,3 x
p1;
(A1:2008)
- для максимальной допустимой температуры свыше 110 °C
<1>:
a) давление, соответствующее максимальной нагрузке, которой может подвергаться оборудование под давлением в ходе эксплуатации, с учетом его максимального допустимого давления и максимальной допустимой температуры, умноженное на 1,25; или
b) максимальное допустимое давление, умноженное на 1,43, в зависимости от того, что больше.
--------------------------------
В ходе испытаний не допускается появление утечек или заметных устойчивых деформаций. |
(A1:2008)
7.3 Котлы чугунные или из цветных металлов
7.3.1 Исследовательские испытания (метод экспериментального проектирования)
Для оценки соответствия секций котла конструктивным требованиям по три передних, средних и задних секций каждого котла подвергают испытаниям на разрыв. Давление разрыва должно быть больше (4 x p1 + 2) бар - для котлов с максимальным допустимым рабочим давлением 4 бар и (5,25 x p1) бар для котлов с максимальным допустимым рабочим давлением более 4 бар. Чугунные котлы подвергают гидравлическим испытаниям на разрыв давлением, равным 4 x p1, но не менее 12 бар. В ходе испытаний не допускается появление утечек. Проведения гидравлических испытаний давлением 2 x p1 (но не менее 6 бар) достаточно, если при расчете прочности стяжки максимальное допустимое рабочее давление принимается равным 4 x p1, но не менее 12 бар. |
(A1:2008)
7.3.2 Испытания в процессе производства
Каждую секцию котла подвергают гидравлическим испытаниям холодной водой давлением 2 x PS, но не менее 10 бар.
Толщину стенок секций каждого котла подвергают обследованию в процессе производства. Предельным значением толщины стенки в каждой точке измерения считают номинальное значение толщины стенки за вычетом допустимых отклонений.
На секции и части котла, подвергаемые давлению, должна быть нанесена следующая информация:
- наименование и товарный знак изготовителя;
- сведения о материале;
- дата отливки;
- номер модели;
- знак соответствия, при наличии.
Каждый котел подвергают гидравлическим испытаниям давлением, как указано в
7.2.2 (но не менее 4 бар), до установки теплоизоляции на предприятии изготовителя. Для котлов, монтаж которых производится установщиком в месте эксплуатации, изготовитель котла должен предоставить инструкции по проведению гидравлических испытаний. В ходе гидравлических испытаний не допускается появление утечек.
7.4 Испытания на герметичность тракта сгорания
Установленные предельные значения утечки определяют при массовом расходе газов, соответствующем номинальной теплопроизводительности.
Фактическую утечку в котле определяют с использованием воздуха при температуре окружающей среды с помощью испытательного стенда, пример которого показан на
рисунке 1.
1 - газоотвод; 2 - испытуемый котел; 3 - точки измерения
давления/тяги; 4 - вентилятор; 5 - клапан 3 (перепускной);
6 - клапан 2; 7 - расходомер; 8 - клапан 1 (регулирующий);
9 - решетка горелки
Рисунок 1 - Точки измерения для определения
герметичности тракта сгорания
Газоотвод герметично закрывают, дверцы и воздушные заслонки оставляют в их нормальных положениях. Испытательный стенд подключают к камере сгорания испытуемого котла либо на входе горелки, либо на специальном входе.
Значения утечки должны быть скорректированы на нормальные условия (температура 0 °C и давление 1013 мбар).
7.5.1 Маркировочная табличка котла
7.5.1.1 Общие положения
На каждом котле в доступном месте должна быть установлена маркировочная табличка на языке страны назначения.
7.5.1.2 Информация, указываемая на маркировочной табличке
Минимальная информация должна включать следующие сведения:
a) наименование и адрес изготовителя, товарный знак изготовителя, если применимо;
b) торговую марку, тип котла;
c) серийный номер и год производства (допускается кодовое обозначение, принятое изготовителем);
d) номинальную теплопроизводительность или диапазон теплопроизводительности в киловаттах;
e) допустимое рабочее давление в барах;
f) допустимую рабочую температуру в градусах Цельсия;
g) объем V в литрах;
h) пробное давление в барах;
i) напряжение питания в вольтах;
j) CE-маркировку в соответствии с применяемой директивой
<1>.
--------------------------------
<1> При поставке на внешний рынок в страны дальнего зарубежья.
7.5.1.3 Требования к маркировочной табличке
Табличка (материал и надписи) должна быть износостойкой. Надпись должна быть устойчива к истиранию. При нормальных условиях табличка не должна обесцветиться настолько, чтобы это повлияло на разборчивость информации.
7.5.1.4 Самоклеящиеся таблички не должны отклеиваться под воздействием влажности или температуры.
8 Требования к функционированию
Эти требования применяют к испытаниям теплопроизводительности мазутных отопительных котлов с использованием специально предназначенной испытательной установки в соответствии с инструкциями по проведению испытаний по EN 304. Испытания могут проводиться на месте эксплуатации по EN 304.
8.2 Коэффициент полезного действия (КПД) котла
КПД котла должен быть не ниже соответствующих значений, приведенных на
рисунке 2, в зависимости от номинальной теплопроизводительности и/или диапазона теплопроизводительности.
Y1 - КПД котла, %; Y2 - коэффициент избытка воздуха; X - теплопроизводительность Pn, кВт; a -  , отопительный котел, 30% Pn; b -  , отопительный котел, Pn; c -  , низкотемпературный котел, Pn и 30% Pn (только для котлов теплопроизводительностью до 1 000 кВт) |
(A1:2008)
Рисунок 2 - Требования для отопительных котлов с горелками
с принудительной подачей воздуха для горения
При сравнении результатов испытаний со значениями, приведенными на
рисунке 2, применяют следующие допустимые отклонения коэффициента избытка воздуха

при теплопроизводительности:
менее 300 кВт: | +/- 10% |
300 кВт и более: | |
При условиях, приведенных в
8.1, КПД котлов должен соответствовать следующим требованиям.
Таблица 13
Температура котла
Тип котла | КПД при PN | КПД при 0,3PN | |
Минимальные значения | Средняя температура воды, °C | Минимальные значения | Средняя температура воды, °C |
Обычный | | | | |
Pn <= 400 кВт | >= 84 + 2lgPn | 70 | >= 80 + 3lgPn | 50 |
Pn > 400 кВт | | 70 | | 50 |
Низкотемпературный | | | | |
Pn <= 400 кВт | >= 87,5 + 1,5lgPn | 70 | >= 87,5 + 1,5lgPn | 40 |
Pn > 400 кВт | | 70 | | 40 |
<a> 84 + 2lg400 = 84 + 2·2,60 = 89,2. <b> 80 + 3lg400 = 80 + 3·2,60 = 87,8. <c> 87,5 + 1,5lg400 = 87,5 + 1,5·2,60 = 91,4. <d> Только для котлов мощностью до 1 000 кВт. |
(A1:2008)
Примечание - Низкотемпературные котлы могут испытываться при частичной нагрузке с температурой воды более 40 °C для подтверждения требуемого КПД при 40 °C в соответствии с
Директивой ЕС 92/42/EEC.
Для отопительных котлов с диапазоном теплопроизводительности не более 400 кВт КПД котла рассчитывают следующим образом:
a) КПД при полной нагрузке (номинальная теплопроизводительность) (Pn): >= 84 + 2lgPn; b) КПД при частичной нагрузке (0,3Pn): >= 80 + 3lgPn. |
(A1:2008)
Для низкотемпературных котлов с диапазоном теплопроизводительности не более 400 кВт КПД котла при полной и частичной нагрузках рассчитывают следующим образом:
- при Pn и 0,3Pn: >= 87,5 + 1,5lgPn. |
(A1:2008)
8.3 Требования к тяге и сопротивление тракта сгорания
| | ИС МЕГАНОРМ: примечание. В официальном тексте документа, видимо, допущена опечатка: имеются в виду рисунки 3 и 4, а не рисунки 2 и 3 соответственно. | |
Y - коэффициент избытка воздуха; X - теплопроизводительность Pn, кВт |
(A1:2008)
Рисунок 3 - Требования к тяге для котлов
с разрежением в камере сгорания
Y - перепад давления, мбар; X - теплопроизводительность Pn, кВт |
(A1:2008)
Рисунок 4 - Максимальное сопротивление тракта сгорания
для котлов с избыточным давлением
8.4 Температура продуктов сгорания
См. EN 303-2.
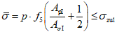
См. EN 267.
8.6 Потери в горячем резерве
где  ; qB - потери в горячем резерве; qR - расчетное количество теплоты, переданное отопительному котлу, кВт;  - КПД котла; Pn - номинальная теплопроизводительность, кВт; QB - тепловая мощность, кВт. |
(A1:2008)
Применяют следующие средние значения теплопередачи:
a) для наружных поверхностей - условия при
qR1 = 50 Вт/м
2: минимальная толщина изоляции - 80 мм, коэффициент теплопроводности материала изоляции

, закрытая крышка;
b) для дверец с большой площадью поверхности - условия при qR2 = 200 Вт/м2: среднее значение температуры должно превышать значения комнатной температуры не более чем на 20 - 25 К;
c) для внутренней передачи тепла циркулирующему воздуху (для навесных горелок) - условия при gR3 = 100 Вт/м2: отсутствуют при подключении устройства отвода продуктов сгорания.
qR = qR1·F1 + qR2·F2 + qR3·F3.
При невыполнении указанных условий определение потерь в горячем резерве проводится в соответствии с EN 304.
8.7 Температура поверхностей
См. EN 303-1.
См. EN 303-1.
9 Техническая документация
Каждый котел должен иметь нижеперечисленные документы на языке страны назначения. Документы по
9.2 и
9.3 должны поставляться вместе с каждым котлом.
9.2 Техническая информация и инструкции по установке
Данные документы должны включать по крайней мере сведения, необходимые для планирования:
- требуемая тяга в миллибарах;
- сопротивление тракта сгорания и давление в камере сгорания в миллибарах - для котлов, работающих при избыточном давлении;
- температура продуктов сгорания в градусах Цельсия;
- температура продуктов сгорания для диапазона теплопроизводительности в градусах Цельсия;
- массовый расход топлива в килограммах в секунду;
- диаметр соединения газоотвода в миллиметрах;
- гидравлическое сопротивление в миллибарах;
- максимальная тепловая мощность в киловаттах;
- номинальная теплопроизводительность или диапазон теплопроизводительности в киловаттах;
- потери в горячем резерве;
- объем газа в котле в кубических метрах;
- диапазон регулирования температуры в градусах Цельсия;
- тип топлива;
- тип камеры сгорания;
- размеры и объем камеры сгорания;
- работа при открытом пламени или реверсирование пламени;
- тип котла (одноступенчатый, модуляционный, многоступенчатый);
- присоединительные размеры горелки.
Инструкции по установке должны содержать следующую информацию:
- монтаж котла и гидравлические испытания, при необходимости (см.
5.2.2 или
5.3.2);
- необходимость в дополнительной изоляции, если температура под котлом может превышать 50 °C и пол изготовлен из горючего материала;
- установка и расположение датчиков для контроля, индикации и безопасности;
- пусконаладочные работы, включая информацию о тепловой мощности, необходимой для обеспечения требуемой теплопроизводительности.
Кроме того, должны быть приведены ссылки на стандарты и правила, соблюдение которых необходимо при установке защитного оборудования.
Для отопительных котлов с максимальной допустимой температурой более 110 °C изготовитель должен предоставить свидетельства соответствия материалов требованиям PED в одной из следующих форм: |
(A1:2008)
- использованием материалов, соответствующих гармонизированным стандартам;
- использованием материалов, имеющих Европейское одобрение для материалов, используемых в оборудовании, работающем под давлением;
- аттестацией конкретного материала.
9.3 Инструкции (руководства) по эксплуатации
Инструкции (руководства) по эксплуатации должны содержать следующую информацию по:
- эксплуатации котла;
- чистке и интервалам между чистками;
- действиям в случае неисправности;
- основаниям для технического обслуживания компетентным лицом и интервалам между процедурами технического обслуживания;
- виду топлива;
- предупреждениям (в случае, когда возможное неправильное использование котла известно или может быть предвидено, конструкция котла должна предотвращать опасность, возникающую при таком неправильном использовании, или, если это невозможно, должно быть приведено соответствующее предупреждение о недопустимости подобного использования отопительного котла).
Другие печатные материалы (брошюры и т.п.) не должны содержать информацию, противоречащую инструкциям (руководствам) по эксплуатации.
Для отопительных котлов с максимальной допустимой температурой свыше 110 °C к инструкциям (руководствам) по эксплуатации изготовитель должен прилагать декларацию о соответствии.
(обязательное)
ЦИЛИНДРИЧЕСКИЕ ОБЕЧАЙКИ, ПОДВЕРГАЮЩИЕСЯ ВНУТРЕННЕМУ ДАВЛЕНИЮ
A.1 Область применения
A.1.1 Правила проектирования, изложенные в настоящем приложении, применяют к цилиндрическим обечайкам с отверстиями и без них (трубы, баки, разделительные сосуды, коллекторы, оболочки, секции и т.д.), подвергающимся внутреннему давлению, для которых отношение da/di <= 1,7. Кроме того, при толщине стенок sv <= 80 мм применяют соотношение диаметров da/di до 2,0.
A.1.2 Правила проектирования применяют главным образом к пластичным материалам

. Для конструкций, показанных на
рисунках A.1 -
A.6, эти правила могут применяться также к менее пластичным материалам, если меньшая пластичность обусловлена более высоким запасом прочности и толщина стенок основного корпуса
sv <= 50 мм.
Рисунок A.1 - Усиление посредством увеличения толщины
стенки основной обечайки с отверстием
Рисунок A.2 - Усиление посредством
полного проплавления патрубка
a) конструкция типа a; b) конструкция типа b
Рисунок A.3 - Усиление приварным патрубком
Рисунок A.4 - Усиление патрубком, приваренным
к основной обечайке, выполненной выдавливанием
Рисунок A.5 - Патрубок, выполненный объемной штамповкой
Рисунок A.6 - Штампованный патрубок из монолитного материала
с последующим сверлением отверстий и доводкой
A.1.3 Настоящие правила проектирования касаются только нагрузок, вызываемых внутренним давлением. Дополнительные силы и моменты значительной величины следует рассматривать отдельно. В этом случае изготовитель котла должен указать значения сил и моментов и подтвердить их принятие в расчет.
В приведенных расчетах вибрации системы не учитывались. При принятии их во внимание потребуется, например, корректировка параметров конструкции.
A.1.4 В цилиндрических обечайках без отверстий, спроектированных в соответствии с настоящими правилами с применением заданных значений коэффициента запаса прочности, будут возникать лишь незначительные деформации в пределах установившихся значений расчетной прочности конструкции. В цилиндрических обечайках с отверстиями поверхности, подверженные максимальным нагрузкам, особенно начальным нагрузкам, могут испытывать пластические деформации, величина которых при соблюдении настоящих правил проектирования не будет превышать допустимые границы.
A.1.5 Для цилиндрических обечаек под внешним давлением применяют
приложение E.
A.2 Конструктивные параметры и единицы измерения
Таблица A.1
Конструктивные параметры, условные обозначения
и единицы измерения
Условное обозначение | Конструктивный параметр | Единица измерения |
Ap | Площадь, нагружаемая давлением без учета поправок | мм2 |
| Полезная площадь поперечного сечения, рассчитанная без учета поправок | мм2 |
| Угол между осью основного корпуса и линией, соединяющей 2 отверстия | градус |
| Угол наклона патрубка относительно образующей основного корпуса | градус |
| Угол наклона патрубка относительно касательной к окружности | градус |
bs | Ширина упрочняющего слоя | мм |
c1 | Поправка на толщину стенки для допустимых значений толщины | мм |
c2 | Поправка на коррозию и износ | мм |
da | Наружный диаметр цилиндрической обечайки | мм |
di | Внутренний диаметр цилиндрической обечайки | мм |
dAa | Наружный диаметр патрубка | мм |
dAi | Диаметр отверстий или внутренний диаметр патрубка; для эллипсоидных отверстий - ось в направлении продольной оси обечайки | мм |
eA | Максимальная длина патрубка, необходимая для компенсации | мм |
f1 | Коэффициент оценки эффективности упрочняющего слоя или ребра жесткости под преобладающей статической нагрузкой | мм |
l0 | Длина ослабления по основному корпусу | мм |
lA0 | Длина ослабления по патрубку | мм |
lA1 | Фактическая длина элемента жесткости | мм |
lA2 | Длина проекции элемента жесткости внутрь по патрубку | мм |
sv | Толщина стенки основного корпуса с отверстиями без учета поправок | мм |
sA0 | Толщина стенок патрубков без учета поправок | мм |
sAe | Фактическая толщина стенок патрубков | мм |
sN | Минимальная толщина углового сварного шва | мм |
sS | Толщина упрочняющего слоя | мм |
t1 | Расстояние между центрами рядом расположенных отверстий в осевом направлении (продольный шаг) | мм |
| Расстояние между центрами рядом расположенных отверстий с угловым смещением по отношению к центру стенки без учета поправок | мм |
u0 | Соотношение диаметров da/di | - |
va | Коэффициент эффективности одного отверстия | - |
vL | Коэффициент эффективности связи для отверстий, расположенных в ряд или в виде решетки | - |
vN | Коэффициент прочности сварного соединения | - |
A.3 Общие положения
A.3.1 Там, где это применимо, эффективность соединений определяют для цилиндрических обечаек без отверстий.
A.3.2 Для цилиндрических обечаек с отверстиями эффективность основного корпуса обеспечивают следующими способами:
a) путем выбора большей толщины стенки основного корпуса, чем требуется для цилиндрической обечайки без отверстий. Такая толщина стенки должна быть обеспечена на участке корпуса длиной не менее
eG, измеренной от края отверстия, как показано на
рисунке A.1;
b) путем применения патрубков, толщина стенки в которых на участке длиной lA1, измеренной от внешней поверхности основной обечайки, превышает требуемое значение толщины при нагружении внутренним давлением без увеличения толщины стенки основной обечайки или одновременно с ним, как показано на рисунках A.2 - A.4. Сварное соединение между основным корпусом и патрубком должно быть равнопрочным с основным металлом. При этом для патрубков, как показано на рисунке A.3, допускается наличие зазора отлипания <= 1,5 мм с корневой стороны сварного шва. Соотношение толщин стенок sA0/ sv <= 2 допускается при dAi <= 50 мм, а также для патрубков с dAi > 50 мм при условии, что соотношение диаметров dAi/ di <= 0,2. Для патрубков с dAi > 50 мм и соотношением диаметров dAi/ di > 0,2 соотношение sA0/ sv не должно превышать 1. Данные требования не применяют к отверстиям для осмотра и обслуживания. Патрубки, присоединенные к основному корпусу методом развальцовки или врезки и герметизированные угловыми швами с зазором отлипания более 1,5 мм с корневой стороны шва, не считают способствующими жесткости. Длина ослабления по патрубку до сварного шва должна составлять l0 >= sv или lA0 >= sAe соответственно (см. рисунки A.2 - A.4). Для патрубков с dAi/ di >= 0,7, рассчитанных с учетом условного предела текучести при повышенных температурах, см. A.5.3.7. Для патрубков, с учетом предела ползучести применяют требование dAi/ di <= 0,8 и lA1 >= eA. При dAi/ di >= 0,5 дополнительно требуется выполнение условия sA0 >= sv· dAi/ di. Как правило, особое внимание уделяют плавным переходам. Переходы толщин стенок должны выполняться под углом не более 30°, как показано на рисунках A.2 - A.4. Усиление отверстий с помощью колец или пластин с внутренним сварным швом, соответственно, не допускается; |
(A1:2008)
c) путем увеличения толщины зон с высокой нагрузкой в границах площади отверстия, как показано на
рисунках A.5 и
A.6, горячей штамповкой с последующей обработкой либо без нее;
d) путем применения упрочняющих слоев, показанных на
рисунках A.7 и
A.8. Использование конструкций такого типа допускается только для расчетных температур не более 250 °C. Упрочняющие слои должны плотно прилегать к основной обечайке. Максимальное значение их полезной ширины (см.
рисунки A.7 и
A.8) должно рассчитываться по
формуле A.10, при этом
bs =
eG. Если толщина упрочняющего слоя
ss превышает толщину стенки основной обечайки
se, то эту толщину при расчетах не учитывают, а упрочняющую способность такого слоя считают слабой для изгибающих моментов, воздействующих на патрубок, насаженный на отверстие.
Рисунок A.7 - Отверстие с упрочняющим слоем
Рисунок A.8 - Отверстие с упрочняющим слоем и патрубком
с полным проплавлением (сварные швы, применяемые
для цилиндрических обечаек с доступом внутрь)
A.3.3 При расчетах следует учитывать колебание эффективности усиления путем использования коэффициента оценки
f1, приведенного в
таблице A.1.
A.3.4 При эллипсоидной форме отверстий для осмотра и обслуживания отношение между большой и малой осями эллипса считают не превышающим 1,5. Для эллипсоидных отверстий за расчетный диаметр принимают ось, направление которой совпадает с направлением общего вида (для наклонных патрубков см.
A.5.2 -
A.5.5).
A.3.5 Процедура расчета предполагает наличие переходов с преимущественно гладкими поверхностями
<1>.
--------------------------------
<1> Сварные швы считают преимущественно гладкими при отсутствии в них канавок и бороздок в корне шва. Области неглубокого наплавления не считают соответствующими термину "канавка".
Края должны быть скруглены.
A.3.6 Отверстия должны быть расположены на достаточном расстоянии от сварных швов (продольных или круговых) основной обечайки. Расстояние считают достаточным, если внешний край патрубка или сварного элемента жесткости находится на расстоянии 2 x sv от края сварного шва при толщине стенки основной обечайки sv <= 25 мм. Однако если sv < 25 мм, то это расстояние не должно быть менее 50 мм.
Если при проектировании возникает необходимость уменьшения указанного расстояния, это допускается только для сварных швов, которые по результатам неразрушающего контроля в области влияния отверстия имеют коэффициент прочности vN = 1. Проведение испытаний в процессе производства не требуется. Кроме того, перекрывающий проход сварного шва в области отверстия должен быть отшлифован для устранения бороздок. Обработка продольных и круговых швов в отношении коэффициента прочности vN проводится аналогичным образом.
| | ИС МЕГАНОРМ: примечание. В официальном тексте документа, видимо, допущена опечатка: пункт A.9 отсутствует. | |
A.3.7 Использование профилей, полученных выдавливанием, допускается только при соотношении
dAi/
di <= 0,8. Однако если при расчете учитывают сопротивление ползучести, то использование таких профилей возможно только при соотношении
dAi/
di <= 0,7. При использовании профилей, полученных выдавливанием, необходимо обеспечить соответствие фактической толщины стенки значению, указанному в чертеже, и расчетному значению толщины стенки. Расчет с учетом коэффициента эффективности
vA проводят по
A.5.3.3. Для развальцованных патрубков, расчет которых производился с учетом значений сопротивления ползучести, см. A.9.
A.3.8 Ограничения для патрубков, полученных выдавливанием, не применяют к развальцованным патрубкам, показанным на
рисунках A.5 и
A.6, при условии, что обеспечивается скопление материала (бороздки) в допустимых пределах.
A.4 Требуемая толщина стенки
Требуемая толщина стенки должна составлять
s = sv + c1 + c2 (A.1)
или
sA = sA0 + c1 + c2 (A.2)
соответственно, где s или sv применяют для основных обечаек, а sA и sA0 - для соединяемых патрубков.
Для проверки расчета готовых компонентов с толщиной стенки se или sAe применяют следующие формулы:
sv = se - c1 - c2 (A.3)
или
| | ИС МЕГАНОРМ: примечание. Формула дана в соответствии с официальным текстом документа. | |
sAO = sAe - c1 - c2 (A.4)
соответственно.
A.5 Расчет для преобладающей статической нагрузки внутренним давлением <1>
--------------------------------
<1> Во всех случаях расчеты следует проводить в соответствии с теорией наибольших касательных напряжений. Для расчета методом площади давления следует применять только основные геометрические фигуры, показанные на
рисунках A.9 и
A.11.
1 - зона 1; 2 - зона 2
Рисунок A.9 - Схема нагружения для цилиндрической
обечайки с наклонным патрубком
A.5.1 Цилиндрические обечайки без отверстий
Толщина стенки без учета поправок должна составлять

(A.5)
или

(A.6)
di = da - 2sv. (A.7)
A.5.2 Цилиндрические обечайки с одним наклонным патрубком
A.5.2.1 Применение нижеприведенной процедуры расчета допускается при угле

, как показано на
рисунке A.9. В общем случае при наличии наклонного патрубка с дополнительным элементом жесткости или без такового прямой расчет толщины стенки основной обечайки не представляется возможным из-за большого количества параметров. Условное значение толщины стенки
sv определяют экспериментально с последующей проверкой правильности принятого значения.
A.5.2.2 Для площади, нагружаемой давлением,
Ap (на
рисунке A.9 заштрихована) и полезной площади поперечного сечения

(на
рисунке A.9 перекрестно заштрихована) критерий прочности для зоны 1
рисунка A.9 рассчитывают следующим образом:

(A.8)

(A.9)
Значения полезной длины вводят только для основных обечаек с максимальным значением eG, равным

(A.10)
а для патрубков  (A.11) |
(A1:2008)
При проецировании части патрубка внутрь корпуса эту часть считают усиливающей и учитывают при расчете только при lA2 <= 0,5eA.
Коэффициент оценки
f1 взят из
таблицы A.1. Значение толщины стенки
sv, рассчитанное по
формуле (A.8) или
(A.9), не должно быть менее значения толщины стенки
s0, требуемого для цилиндрических обечаек без отверстий без учета поправок.
A.5.2.3 Если основная обечайка, патрубок и элементы жесткости состоят из материалов с различными допустимыми напряжениями, при этом материал основной обечайки имеет наименьшее значение допустимого напряжения

, то в расчет всей конструкции включают это значение напряжения при условии, что вязкость материала основной обечайки незначительно превышает
<1> вязкость материалов патрубка и элемента жесткости.
--------------------------------
<1> Если удлинение при разрыве материалов основной обечайки, патрубка и элемента жесткости не превышает 4%, то различие вязкости материалов считают незначительным при условии, что не превышается значение

(см.
A.1.2).
A.5.2.4 Если допустимое напряжение

для материала патрубка или

для материала дополнительного элемента жесткости меньше

для материала основной обечайки, определение размеров может осуществляться на основе критерия прочности для зоны 1

(A.12)
и для зоны 2 соответственно.
A.5.3 Цилиндрические обечайки с одним отверстием и одним вертикальным патрубком
A.5.3.1 При наличии одного отверстия с вертикальным патрубком и одним дополнительным элементом жесткости зоны 1 и 2, показанные на
рисунке A.9, становятся симметричными. Для материалов с одинаковыми значениями допустимого напряжения расчет выполняют по
формуле (A.8). При использовании материалов с различными значениями допустимого напряжения применяют
A.5.2.3 и
A.5.2.4.
A.5.3.2 При наличии одного отверстия с вертикальным патрубком без дополнительного элемента жесткости критерий прочности рассчитывают по формуле

(A.13)
При использовании материалов с различными значениями допустимого напряжения применяют
A.5.2.3 и
A.5.2.4.
Длину, способствующую повышению жесткости конструкции (полезную длину), определяют по
формулам (A.10) и
(A.11).
Если для штампованных патрубков площадь, нагружаемую давлением,
Ap и площадь поперечного сечения

способствующую повышению жесткости, определяют как для приваренных или вварных патрубков, т.е. без учета площади выдавливания, то значение полезной площади поперечного сечения

умножают на 0,9, чтобы принять в расчет потери площади поперечного сечения в ходе стандартных операций формовки. Однако, если применяется точное определение площадей
Ap и

(например, с использованием метода планиметрии), коэффициент 0,9 не применяют.
A.5.3.3 Значение толщины стенок основной обечайки, удовлетворяющее
условиям (A.13), можно также определить следующим образом:

(A.14)
где коэффициент эффективности нештампованных патрубков
vA для соотношения
sv/
di <= 0,05 указан на
рисунке A.19.
Промежуточные значения следует интерполировать. Для подтверждения расчетов готовых конструкций применяют
рисунки A.20 и
A.25 (необходимо принять во внимание различия в
рисунках A.19 и
A.20 -
A.25, касающиеся различных контрольных значений
sv и
s0). Во всех случаях указанные рисунки применяют при использовании идентичных материалов основной обечайки и патрубка. Для штампованных патрубков значение
vA следует умножать на 0,9 для принятия в расчет потерь площади поперечного сечения в ходе стандартных операций формовки.
A.5.3.4 Для одинаковых значений допустимых напряжений материалов основной обечайки и патрубка, коэффициент эффективности также можно рассчитывать по формуле

(A.15)
Для соотношения
sv/
di = 0,05, как показано на
рисунке A.21, коэффициент эффективности, рассчитываемый по
формуле (A.15), и коэффициенты эффективности, показанные на
рисунках A.19 и
A.20, полностью идентичны. При соотношении
sv/
di < 0,05 значения, полученные при вычислениях, могут несколько превышать значения, показанные на
рисунках A.19 и
A.20. В случае сомнения применяют расчетное значение по
формуле (A.15).
Если для основной обечайки и патрубка используются материалы с различными значениями допустимого напряжения, применяют
A.5.2.3 и
A.5.2.4. Исходя из
формулы (A.12), коэффициент эффективности рассчитывают по формуле

(A.15a)
Метод определения толщины стенок указывается в документах для подтверждения проекта.
A.5.3.5 Коэффициенты эффективности применяют для патрубков, не имеющих выступов при соединении с внутренней поверхностью основной обечайки, при условии обеспечения полезной длины, т.е.
eG для основной обечайки - по
формуле (A.10) и
eA для патрубка - по
формуле (A.11). В ином случае
рисунки A.19 -
A.25 не применяют, а расчет выполняют по
формуле (A.13). Значение
dAi используют для расчетов даже в том случае, когда диаметр отверстия в основной обечайке меньше
dAi.
A.5.3.6 Для конструкций патрубков, показанных на
рисунках A.5 и
A.6, и аналогичных конструкций расчет выполняется согласно
формуле (A.13). При этом необходимо выполнение чертежей, пригодных для планиметрирования.
При проведении сравнительных расчетов площадей поперечного сечения (метод площади давления) конусные переходы и угловые швы следует заменять сходными поперечными сечениями, как показано на
рисунке A.10.
Рисунок A.10 - Диаграмма напряжений для патрубка
с конусными переходами и сопряжениями
A.5.3.7 Для патрубков, в которых
dAi/
di >
= 0,7 и при этом
sA0/
sv <
dAi/
di, рассчитываемых с учетом значения условного предела текучести при повышенных температурах, в поперечном сечении, перпендикулярном оси основной обечайки, в зоне перехода "основная обечайка - патрубок" должно выполняться следующее дополнительное условие:

(A.15b)
При проверке расчетов готовых компонентов в
формулу (A.15b) вместо
sv подставляют фактическое значение толщины стенки в зоне перехода.
При использовании для основных обечаек и патрубков материалов с различными значениями допустимого напряжения в
формуле (A.15b) для

, используют наименьшее значение.
A.5.4 Цилиндрические обечайки с несколькими отверстиями и патрубками
A.5.4.1 Расположенные рядом отверстия или патрубки считают едиными отверстиями или патрубками, если выполняется следующее условие:

(A.16)
Рисунок A.11 - Расположенные рядом отверстия
с различными диаметрами патрубков (для

)
1 - направление вдоль окружности;
2 - продольное направление
Рисунок A.12 - Расположенные рядом отверстия
с различными диаметрами патрубков (осевая длина)
A.5.4.2 В иных случаях и в дополнение к условию
A.5.3 расчет прочности должен производиться для сечений, проходящих через расположенные рядом отверстия или патрубки под углом

к образующей обечайки, как показано на
рисунках A.11 и
A.12, при условии прочности:
 (A.17) |
(A1:2008)
Угловые или окружные шаги рассчитывают как продольный шаг с поправкой на площадь, нагружаемую давлением, 2
Ap0 при условии прочности по
формуле (A.17):
Если для основной обечайки, патрубка и элемента жесткости используются материалы с различными значениями допустимого напряжения и при этом значение допустимого напряжения материала основной обечайки является наименьшим, применяют
A.5.2.3. Если значение допустимого напряжения материала патрубков меньше, чем у материала основной обечайки, применяют
формулу (A.18):

(A.18)
В соответствии с формулой (A.18) коэффициент эффективности может определяться следующим образом:  (A.18a) |
(A1:2008)
A.5.4.3 Для расположенных рядом отверстий или патрубков одинакового диаметра с одинаковыми значениями допустимых напряжений материалов и расстоянием между центрами

меньше рассчитанного по
формуле (A.16) среднее значение напряжения

в сечении, расположенном под углом

к осевому направлению, с

и A
p1 = A
p2, как показано на
рисунке A.11, должно составлять

(A.19)
При использовании материалов с разными значениями допустимого напряжения применяют соответствующие положения
A.5.4.2.
A.5.4.4 Если расстояния между центрами  и  не равны между собой, как показано на рисунке A.13, при определении толщины стенок используют наибольшее значение напряжения на участке, соединяющем отверстия. Должна быть обеспечена толщина стенки основной обечайки с обеих сторон отверстия на участке длиной не менее eG согласно формуле (A.10), измеренной от края отверстия. |
(A1:2008)
1 - направление вдоль окружности;
2 - продольное направление
Рисунок A.13 - Расположенные рядом отверстия
с различными расстояниями между центрами (осевая длина)
A.5.4.5 При наличии решеток с отверстиями напряжение следует определять для участка, соединяющего отверстия в продольном, окружном и угловом направлениях, при этом для определения толщины стенки sv используют наибольшее значение напряжения.
A.5.4.6 В случае присоединения к отверстиям патрубков с наружным диаметром dAa, толщина стенок которых sA0 позволяет им выдерживать только внутреннее давление, результирующее среднее значение напряжения должно составлять:

(A.20)
При использовании коэффициента эффективности связи

, рассчитываемого по формуле

(A.21)
который при продольном шаге

становится равным
 (A.22) |
(A1:2008)
а для окружного шага


(A.23)
результирующее значение толщины стенки должно составлять:

(A.24)
Для решеток с симметричным шахматным расположением отверстий в качестве

принимают наименьшее значение коэффициента эффективности связи для окружного, продольного или углового направления, как показано на
рисунке A.14.
1 - продольное направление; 2 - направление вдоль окружности
Рисунок A.14 - Коэффициент эффективности связи для решеток
с симметричным шахматным расположением отверстий
A.5.4.7 Метод определения толщины стенки указывается в документах для подтверждения проекта.
A.5.5 Цилиндрические обечайки с нерадиальным расположением патрубка <1>
A.5.5.1 При использовании цилиндрических обечаек, как показано на
рисунке A.15, a) и b), в которых патрубок расположен не радиально, а под углом

по отношению к касательной к основной обечайке, наибольшее напряжение может возникать в поперечном сечении [см.
рисунок A.15, a)] или в продольном сечении [см.
рисунок A.15, b)]. В обоих случаях применяют условие прочности по
формуле (A.13) с использованием в расчетах значений площадей
Ap и

, как показано на
рисунке A.15.
a) изображение с частным разрезом a);
b) изображение с частным разрезом b)
Рисунок A.15 - Схема нагружения для цилиндрической
обечайки с нерадиальным расположением патрубка
Значения полезной длины вводят только для основной обечайки в соответствии с
формулой (A.10) и патрубка согласно
формуле (A.11), при этом принимают

.
A.5.5.2 Толщина стенки патрубка
sA0 не должна превышать толщину стенки основной обечайки
sv. Сварной шов между основной обечайкой и патрубком должен быть равнопрочным, как показано на
рисунке A.15.
A.5.6 Цилиндрические обечайки с Y-образным патрубком <1>
--------------------------------
<1> Получение новых знаний влечет за собой внесение дополнений в приведенные правила проектирования.
A.5.6.1 Цилиндрические обечайки с Y-образным патрубком могут быть изготовлены методом штамповки, как показано на
рисунке A.16, либо представлять собой сварную конструкцию, как показано на
рисунке A.17, например с

. Условия прочности для зон высокого нагружения 1 и 2 (см.
рисунки A.16 -
A.18) должны составлять:
для зоны 1

(A.25)
или

(A.26)
для зоны 2

(A.27)
Рисунок A.16 - Схема нагружения для штампованного
Y-образного патрубка с конусными переходами и сопряжениями
Рисунок A.17 - Схема нагружения для цилиндрической обечайки
с Y-образным патрубком и реберным элементом жесткости
Рисунок A.18 - Схема нагружения для цилиндрической обечайки
с Y-образным патрубком при

Рисунок A.19 - Коэффициент эффективности для цилиндрических
обечаек с вертикальным патрубком, используемый
для определения толщины стенок
Примечание - Значения
vA совпадают со значениями по
рисунку A.21 для
sv/
di = 0,05.
Рисунок A.20 - Коэффициент эффективности
vA
для цилиндрических обечаек с вертикальным патрубком,
используемый для проверки правильности расчета
готовых конструкций (sv/di <= 0,05)
Рисунок A.21 - Коэффициент эффективности для цилиндрических
обечаек с вертикальным патрубком, используемый для проверки
правильности расчета готовых конструкций (sv/di = 0,05)
Рисунок A.22 - Коэффициент эффективности для цилиндрических
обечаек с вертикальным патрубком, используемый для проверки
правильности расчета готовых конструкций (sv/di = 0,1)
Рисунок A.23 - Коэффициент эффективности для цилиндрических
обечаек с вертикальным патрубком, используемый для проверки
правильности расчета готовых конструкций (sv/di = 0,2)
Рисунок A.24 - Коэффициент эффективности для цилиндрических
обечаек с вертикальным патрубком, используемый для проверки
правильности расчета готовых конструкций (sv/di = 0,35)
Рисунок A.25 - Коэффициент эффективности для цилиндрических
обечаек с вертикальным патрубком, используемый для проверки
правильности расчета готовых конструкций (sv/di = 0,5)
-
f5 = 1 - для патрубков с

;
-

- для патрубков с наружным диаметром
da <= 102 мм и

.
A.5.6.2 Реберный элемент жесткости должен быть соединен с основным корпусом и патрубками равнопрочным сварным швом. Значение ширины ребра жесткости bs должно удовлетворять условию sv < bs < 2sv.
A.5.6.3 Коэффициент оценки эффективности такого усиления
f1 зависит от соотношения
ss/
bs и характеристик сварного шва и используется в расчетах в соответствии с
таблицей A.2, пункт 3. Допускается интерполяция промежуточных значений.
Таблица A.2
Коэффициенты оценки f1 для цилиндрических обечаек
и патрубков с упрочняющими слоями или ребрами жесткости
Конструкция (схематичное изображение) | Требования | Коэффициент оценки f1 |
1 Отверстие с усилением | 1  2 Упрочняющий слой плотно прилегает к основной обечайке | 0,7 |
2 Отверстие с упрочняющим слоем и сквозным соединением патрубка сварным швом с полным проплавлением a) конструкция a; b) конструкция b | 1  2 Упрочняющий слой плотно прилегает к основной обечайке 3 Сварной шов с полным проплавлением 4 Выступающая часть патрубка lA2: 4.1 для конструкции a не менее sA0; или | 0,8 |
4.2 для конструкции b менее sA0 | 0,7 |
3.1 Реберный элемент жесткости, двусторонняя сварка | 1 Сварной шов с полным проплавлением | |
2 sv < bs < 2sv | 1,0 |
| 0,9 |
4 ss/bs = 4 5 ss/bs = 5 | 0,8 |
3.2 Реберный элемент жесткости, односторонняя сварка | | 0,9 |
2 ss/bs = 4 | 0,8 |
3 ss/bs = 5 | 0,7 |
A.6 Поправки для толщины стенки
Для нагреваемых цилиндрических обечаек с da <= 44,5 мм поправку c1 допускается не использовать, за исключением случаев, когда на определение размеров цилиндрической обечайки влияет осевая растягивающая нагрузка. Кроме того, для цилиндрических обечаек без продольных швов учитывают только отклонения, допустимые для длины, превышающей 2da <= 300 мм.
A.7 Минимальная допустимая толщина стенки
Минимальная допустимая толщина стенки se или sAe соответственно должна составлять:
a) для ферритных сталей - 3 мм;
b) для цветных металлов - 2 мм;
c) для нержавеющих (аустенитных и ферритных) сталей - 1 мм.
Указанные минимальные допустимые значения толщины стенки могут быть уменьшены при фактических значениях толщины стенки se или sAe не менее 2 x sv или 2 x sA0 соответственно.
(обязательное)
СФЕРИЧЕСКИЕ ОБОЛОЧКИ И ВЫПУКЛЫЕ ДНИЩА,
ПОДВЕРГАЮЩИЕСЯ ВНУТРЕННЕМУ И ВНЕШНЕМУ ДАВЛЕНИЮ
B.1 Область применения
B.1.1 Настоящие правила проектирования применяют к сферическим оболочкам, в которых соотношение между наружным и внутренним радиусами составляет
rWa/
rWi <= 1,5, с отверстиями и без них, а также к неупрочненным выпуклым днищам с отверстиями или без них, состоящим из сферической части, зоны отбортовки и цилиндрической части отбортовки, как показано на
рисунке B.1, подвергаемым преобладающему воздействию статического внутреннего или внешнего давления.
Рисунок B.1 - Выпуклое днище
B.1.2 Настоящие правила проектирования главным образом применяют к пластичным материалам
<1>. Их применение допускается также для менее пластичных материалов, если меньшая пластичность обусловлена более высоким запасом прочности и при этом толщина стенки основной оболочки составляет
sv <= 50 мм.
--------------------------------
<1> Рассматривается более полное понятие термина "пластичность".
B.1.3 Настоящие правила проектирования касаются только нагрузок, вызываемых внутренним или внешним давлением. Дополнительные силы и моменты значительной величины следует рассматривать отдельно
<2>. В этом случае изготовитель котла должен указать значения сил и моментов и подтвердить их принятие в расчет.
--------------------------------
<2> Правила проектирования находятся в стадии подготовки.
В приведенных расчетах вибрации системы не учитывались. При принятии их во внимание потребуется, например, корректировка параметров конструкции.
B.1.4 В сферических оболочках без отверстий, спроектированных в соответствии с настоящими правилами с применением заданных значений коэффициента запаса прочности, будут возникать лишь незначительные деформации в пределах установившихся значений расчетной прочности конструкции. В сферических оболочках и выпуклых днищах с отверстиями поверхности, подверженные максимальным нагрузкам, особенно начальным нагрузкам, могут испытывать пластические деформации, величина которых при соблюдении настоящих правил проектирования не будет превышать допустимые пределы
<3>.
--------------------------------
<3> Конструкция сферических оболочек и выпуклых днищ, для которых необходимо ограничение деформации, например из-за хрупкости обшивки, должна при необходимости предусматривать большее значение толщины стенок.
B.2 Конструктивные параметры и единицы измерения
Таблица B.1
Конструктивные параметры, условные обозначения
и единицы измерения
Условное обозначение | Конструктивный параметр | Единицы измерения |
bs | Ширина упрочняющего слоя | мм |
c1 | Поправка на толщину стенки для допустимых значений толщины | мм |
c2 | Поправка на износ | мм |
da | Наружный диаметр сферической оболочки или выпуклого днища | мм |
dAa | Наружный диаметр патрубка | мм |
dAi | Диаметр отверстий или внутренний диаметр патрубка | мм |
eA | Максимальная длина патрубка, способствующая усилению (полезная длина) | мм |
eG | Максимальная длина основной оболочки, способствующая усилению (полезная длина) | мм |
f1 | Коэффициент оценки эффективности упрочняющего слоя под преобладающей статической нагрузкой | мм |
hB | Длина цилиндрической части отбортовки выпуклого или сферического днища | мм |
hW | Высота выпуклой части днища | мм |
lA0 | Длина ослабления по патрубку | мм |
lA1 | Фактическая длина трубчатого элемента жесткости отверстия, выступающая наружу | мм |
lA2 | Фактическая длина трубчатого элемента жесткости отверстия, выступающая внутрь | мм |
p7 | Давление продольного изгиба в зоне отбортовки (внутреннее давление) | Н/мм2 |
p8 | Давление продольного изгиба на сферическую часть днища (внешнее давление) | Н/мм2 |
rKi | Внутренний радиус зоны отбортовки выпуклого днища | мм |
rWa | Внешний радиус сферической оболочки или выпуклой части днища соответственно | мм |
rWi | Внутренний радиус сферической оболочки или выпуклой части днища соответственно | мм |
sv | Толщина стенки основной оболочки с отверстиями, без учета поправок | мм |
sA0 | Толщина стенок патрубков, без учета поправок | мм |
sA1, sA2 | Требуемая толщина стенок патрубков, без учета поправок | мм |
sAe | Фактическая толщина стенок патрубков | мм |
sK | Требуемая толщина стенки в зоне отбортовки выпуклого днища, без учета поправок | мм |
sN | Минимальная толщина углового сварного шва | мм |
t | Расстояние между центрами рядом расположенных отверстий по отношению к центру стенки | мм |
va | Коэффициент эффективности одного отверстия | - |
vN | Коэффициент прочности сварного соединения | - |
Ap | Площадь, нагружаемая давлением (без учета поправок c1 и c2) | мм2 |
| Полезная площадь поперечного сечения (без учета поправок c1 и c2) | мм2 |
E | Модуль упругости при расчетной температуре | Н/мм2 |
sB | Коэффициент запаса прочности при продольном изгибе в пределах упругости сферической оболочки или ее секции под внешним давлением | - |
| Коэффициент запаса прочности при продольном изгибе в пределах упругости сферической оболочки или ее секции под внешним давлением - при гидравлических испытаниях | - |
| Коэффициент формы при нагружении зоны отбортовки днища | - |
| Коэффициент формы при нагружении зоны отбортовки днища, с предотвращением местной потери устойчивости | - |
B.3 Общие положения
B.3.1 В общем случае для выпуклых днищ с диаметром днища
da, как показано на
рисунке B.1, должны выполняться следующие условия:
- внутренний радиус кривизны сферической оболочки (выпуклой части днища) rWi <= da;
- радиус кривизны в зоне отбортовки rKi >= 0,1da;
- опорное значение толщины стенки 0,001 <= sv/da <= 0,10.
Особенно должны выполняться следующие условия:
- для торосферического днища rWi = da; rKi = 0,1da;
- для эллиптического днища rWi = 0,8da; rKi = 0,154da.
B.3.2 Длина цилиндрической части отбортовки должна быть не менее 3,5
sK для торосферических днищ и не менее 3,0
sK для эллиптических днищ, но при этом не должна превышать значения, приведенные в
таблице B.2.
Таблица B.2
Длина цилиндрической части отбортовки
hB
в зависимости от толщины стенки sK
Толщина стенки sK, мм | Длина цилиндрической части отбортовки hB, мм |
100 < sK <= 150 | 150 |
150 < sK <= 180 | 120 |
180 < sK <= 100 | 100 |
100 < sK <= 120 | 75 |
120 < sK <= 120 | 50 |
Значения длины цилиндрической части отбортовки, меньшие, чем указаны в
таблице B.2, допускается применять при преобладающих статических нагрузках, создаваемых внутренним давлением, если сварное соединение отшлифовано до гладкости
<1> и по результатам неразрушающего контроля имеет коэффициент прочности

.
--------------------------------
<1> Сварные швы считают преимущественно гладкими при отсутствии в них канавок и бороздок в корне шва. Области неглубокого наплавления не считают соответствующими термину "канавка".
Проведение испытаний сварных соединений в процессе производства не требуется.
Для полусферических днищ использование цилиндрической части отбортовки не требуется.
B.3.3 Для сферических оболочек и выпуклых днищ без отверстий следует учитывать коэффициент прочности сварного шва (при его наличии).
B.3.4 Для сферических оболочек и выпуклых днищ с отверстиями, показанных на
рисунках B.2 -
B.4, снижение прочности основной оболочки должно учитываться применением следующих мер:
a) путем увеличения толщины стенки по сравнению со сферической оболочкой или выпуклым днищем без отверстий соответственно. Такое значение толщины стенки должно сохраняться на всем участке длиной eG, измеренной от края отверстия;
b) путем увеличения толщины стенок патрубков по сравнению с требуемой толщиной при воздействии внутреннего давления и увеличения толщины стенок основной оболочки или без него.
Рисунок B.2 - Выпуклое днище с отверстиями
Рисунок B.3 - Выпуклое днище с отбортованным внутрь
смотровым отверстием
a) отверстие без усиления; b) отверстие с кольцом
жесткости; c) отверстие с отбортовкой наружу; d) отверстие
с упрочняющим слоем; e) отверстие с вставным трубчатым
элементом жесткости; f) отверстие с приварным
трубчатым элементом жесткости
Рисунок B.4 - Отверстия в сферических оболочках
Части патрубка с выступом внутрь включают в расчет как способствующие повышению жесткости, только на участке длины
lA2 <= 0,5
eA в соответствии с
формулой (B.12).
Для приварных патрубков или патрубков с полным проплавлением соотношение sA0/sv < 2 допускается для dAi <= 50 мм, а также для патрубков с dAi > 50 мм, если соотношение dAi/rWi <= 0,4. Для патрубков с dAi > 50 мм и dAi/rWi > 0,4 соотношение sA0/sv не должно превышать 1. Данные условия не применяют к отверстиям для осмотра и обслуживания.
Как правило, особое внимание уделяют плавным переходам. Переходы толщины стенок должны выполняться под углом не более 30°. Для патрубков длина ослабления до сварного шва должна составлять
lA0/
sAe, как показано на
рисунках B.4 f и
B.9;
c) путем применения упрочняющих слоев. Использование конструкций такого типа допускается только для расчетных температур не более 250 °C. Упрочняющие слои должны плотно прилегать к основной оболочке. Максимальное значение их полезной ширины должно рассчитываться по
формуле (B.11), при этом
bs =
eG. Толщина
ss такого слоя не должна превышать фактическое значение толщины стенки основной оболочки
se. Упрочняющую способность такого слоя считают слабой для изгибающих моментов, воздействующих на патрубок, насаженный на отверстие.
Усиление отверстий с помощью пластин, приваренных к внутренней поверхности, не допускается.
B.3.5 Различия в эффективности элементов жесткости учитывают в расчетах путем применения коэффициента оценки
f1 в соответствии с
таблицей B.3.
Таблица B.3
Коэффициенты оценки
f1 для сферических оболочек
с отверстиями и упрочняющим слоем
Конструкция (схематичное изображение) | Требования | Коэффициент оценки f1 |
1 Отверстие с упрочняющим слоем | 1  | 0,7 |
2 Упрочняющий слой плотно прилегает к основной оболочке | |
2 Отверстие с упрочняющим слоем и сквозным соединением патрубка сварным швом с полным проплавлением | 1  | 0,8 |
2 Упрочняющий слой плотно прилегает к основной оболочке | |
| |
3 Сварной шов с полным проплавлением | 0,7 |
4 Выступающая часть патрубка lA2: | |
4.1 для конструкции a не менее sA0 или | |
4.2 для конструкции b менее sA0 | |
a) | b) |
a) конструкция a; b) конструкция b |
B.3.6 Соотношение большой и малой осей эллипсоидных отверстий для осмотра и обслуживания не должно превышать 1,5. Большую ось эллипсоидного отверстия считают расчетным диаметром.
B.3.7 При расчетах переходов их поверхность считают преимущественно гладкой
<1>. Края должны быть закруглены.
--------------------------------
<1> Сварные швы считают преимущественно гладкими при отсутствии в них канавок и бороздок в корне шва. Области неглубокого наплавления не считают соответствующими термину "канавка".
B.3.8 Отверстия должны быть расположены на достаточном расстоянии от сварных швов основной оболочки, т.е. от обоих продольных и кольцевых швов. Расстояние считают достаточным, если при толщине стенок основной оболочки sv < 25 мм внешний край патрубка или приварного элемента жесткости находится на расстоянии 2sv от края сварного шва или на расстоянии не менее 50 мм при sv > 25 мм.
Если при проектировании возникает необходимость уменьшения указанного расстояния, это допускается только для сварных швов, которые по результатам неразрушающего контроля в области влияния отверстия имеют коэффициент прочности

. Проведение испытаний сварного соединения в процессе производства не требуется. Кроме того, перекрывающий проход сварного шва в области отверстия должен быть отшлифован для устранения бороздок. Обработка продольных и кольцевых сварных швов в отношении коэффициента прочности

проводится аналогичным образом.
B.4 Требуемая толщина стенки
Требуемая толщина стенки сферической оболочки или выпуклого днища должна составлять
s = sv + c1 + c2. (B.1)
Требуемая толщина стенки патрубка должна составлять
sA = sA0 + c1 + c2. (B.2)
Для проверки правильности расчета фактических сферических оболочек и днищ с толщиной стенки se используют следующую формулу
sv = se - c1 - c2. (B.3)
Для патрубков применяют формулу
sA0 = sAe - c1 - c2. (B.4)
B.5 Конструкция
B.5.1 Сферические оболочки
B.5.1.1 Сферические оболочки без отверстий
Толщина стенок без учета поправок должна составлять:
 (B.5) |
(A1:2008)
или  (B.6) |
(A1:2008)
rWi = rWa - sv. (B.7)
Для тонкостенных оболочек с примерным соотношением sv/rWi <= 0,1 приблизительное значение толщины стенки может быть рассчитано по формуле

(B.8)
или

(B.9)
B.5.1.2 Сферические оболочки с отверстиями
B.5.1.2.1 Сферические оболочки с вертикальным патрубком и дополнительным элементом жесткости
(рисунок B.5)
Рисунок B.5 - Схема нагружения для сферической оболочки
с одним отверстием, усиленным с помощью трубчатого элемента
жесткости и упрочняющего слоя
B.5.1.2.1.1 Прямой расчет толщины стенки сферической оболочки невозможен из-за большого количества различных параметров. Вначале предположительное значение толщины стенки
sv определяют экспериментально, затем правильность предположения проверяют с помощью
формулы (B.10) или уточняют с последующей повторной проверкой соответственно.
Условие прочности при площади, нагружаемой давлением,
Ap (на рисунке заштрихована) и поперечных сечениях

,

и

(перекрестно заштрихована), повышающих жесткость, определяют следующим образом:

(B.10)
Максимальное значение полезной длины патрубков, используемое в расчетах, должно составлять

(B.11)
или

(B.12)
Значения коэффициента оценки
f1 указаны в
таблице B.3. Толщина стенки
sv, рассчитанная по
формуле (B.10), должна быть не менее значения толщины стенки
s0, требуемого для сферических оболочек без отверстий.
B.5.1.2.1.2 Если основная оболочка, патрубок и элементы жесткости состоят из материалов с различными допустимыми напряжениями, при этом материал основной оболочки имеет наименьшее значение допустимого напряжения

, то в расчет всей конструкции включают это значение напряжения при условии, что вязкость материала основной оболочки незначительно превышает
<1> вязкость материалов патрубка и элемента жесткости.
--------------------------------
<1> Если удлинение при разрыве материалов основной оболочки, патрубка и элемента жесткости не превышает 4%, то различие вязкости материалов считают незначительным при условии, что не превышается значение удлинения при разрыве

(см.
B.1.2).
B.5.1.2.1.3 Если допустимое напряжение материала патрубка

или материала дополнительного элемента жесткости

меньше допустимого напряжения материала основной оболочки

, то для определения размеров может применяться условие прочности:

(B.13)
B.5.1.2.2 Сферические оболочки с одним вертикальным патрубком без дополнительного элемента жесткости
В соответствии с
рисунком B.6 для одного отверстия с вертикальным патрубком и без дополнительного элемента жесткости применяют следующее условие прочности:

(B.14)
Рисунок B.6 - Схема нагружения для сферической оболочки
с вертикальным патрубком
При использовании материалов с различными значениями допустимого напряжения применяют
B.5.1.2.1.2 и
B.5.1.2.1.3 соответственно.
Толщина стенки, соответствующая условию по
формуле (B.14), рассчитывается следующим образом:
 (B.15) |
(A1:2008)
Формулу (B.15) применяют как для проверки правильности расчета фактических конструкций, так и для повторяющегося определения
sv. Значения коэффициента эффективности
vA получают из
формул B.12 -
B.16. Промежуточные значения получают линейной интерполяцией.
Для штампованных патрубков значение vA умножают на 0,9, чтобы принять в расчет потери площади поперечного сечения в ходе стандартных операций формовки.
Коэффициент эффективности также может рассчитываться как функция
sv/
rWi,
sA0/
sv,
dAi/
rWi для отверстий, полезная длина которых согласно
формуле (B.11) включена в сферическую оболочку как
 (B.16) |
(A1:2008)
где

(B.17)

(B.18)

(B.19)

(B.20)

(B.21)
B.5.1.2.3 Сферические оболочки с одним наклонным патрубком без дополнительного элемента жесткости
Расчет сферических оболочек с одним наклонным патрубком без дополнительного элемента жесткости, как показано на
рисунке B.7, проводится по
B.5.1.2.2.
Рисунок B.7 - Схема нагружения для сферической оболочки
с наклонным патрубком
B.5.1.2.4 Сферические оболочки с несколькими патрубками
Расположенные рядом патрубки считают едиными отверстиями, если при расстоянии между центрами
t, как показано на
рисунке B.8, выполняется следующее условие:
--------------------------------
<1> Следует отметить, что результат обратной функции arcsin представляет собой значение угла в радианах, измеренное по единичной окружности. Все значения угла в градусах следует переводить в радианную меру путем умножения на коэффициент

.
Рисунок B.8 - Схема нагружения для сферической оболочки
с рядом расположенными патрубками
В иных случаях расчет прочности выполняют в соответствии с
рисунком B.8, при этом условие прочности выглядит следующим образом:

(B.23)
Если основная оболочка, патрубок и элемент жесткости состоят из материалов с различными допустимыми напряжениями, при этом материал основной оболочки имеет наименьшее значение допустимого напряжения, то расчет выполняют по
B.5.1.2.1.2. Если значение допустимого напряжения патрубков меньше, чем у основной оболочки, то применяют следующее условие:

(B.24)
B.5.1.2.5 Сферические оболочки с Y-образным патрубком
Условие прочности с учетом
рисунка B.9 рассчитывают следующим образом:
для зоны I

(B.25)
для зоны II

(B.26)
1 - зона I; 2 - зона II
Рисунок B.9 - Схема нагружения для сферической оболочки
с Y-образным патрубком

(B.27)

(B.28)
B.5.2 Полусферические днища
B.5.2.1 Для полусферических днищ значение толщины стенки в пределах области сварного соединения, рассчитанное по
формулам (B.5) и
(B.6) или
(B.8) и
(B.9) соответственно, следует умножать на 1,1, кроме случаев, когда при расчете отверстия по
B.5.1.2 получается большее значение толщины стенки.
B.5.2.2 В случаях, когда фактическое значение толщины стенки полусферического днища без учета поправок меньше значения толщины стенки без учета поправок для неослабленного цилиндра, должны выполняться требования, как показано на
рисунке B.10. Как правило, требуется двустороннее сварное соединение.
a)
b)
a) конструкция a; b) конструкция b
Рисунок B.10 - Сварное соединение полусферического днища
и цилиндрической части с большей толщиной стенки
B.5.3 Выпуклые днища
B.5.3.1 Общие положения
В выпуклых днищах максимальное значение напряжения может возникать в зоне отбортовки или в пределах области отверстия, в зависимости от обстоятельств, поэтому расчет проводят для обеих зон. Кроме того, для тонкостенных днищ следует учитывать опасность местной потери устойчивости в зоне отбортовки.
B.5.3.2 Выпуклая часть днища
При расположении отверстий в области выпуклой части днища размером 0,6 x
da <1> расчет выполняют по
B.5.1. Если отверстия расположены за пределами области выпуклой части днища размером 0,6 x
da, проверку прочности проводят иным способом.
--------------------------------
<1> При наличии любого элемента жесткости он не должен выступать за пределы области выпуклой части днища размером 0,8 x
da.
B.5.3.3 Зона отбортовки
В пределах зоны отбортовки требуемая толщина стенки без учета поправок рассчитывается следующим образом:

(B.29)
Значение

для сварных днищ определяют оценкой по
6.1.4. В иных случаях

применяют в расчетах, если сварной шов попадает на область размером 0,6 x
da выпуклой части днища.
Коэффициент формы

как функцию
sv/
da определяют для торосферических днищ, как показано на
рисунке B.17, и для эллиптических днищ, как показано на
рисунке B.18.
Фактическое значение толщины стенки цилиндрической части отбортовки без учета поправок должно быть не менее требуемого значения толщины стенки без учета поправок для цилиндрической обечайки без отверстий.
Соединение цилиндрической части отбортовки с толщиной стенки большей, чем у цилиндрической обечайки, выполняют, как показано на
рисунке B.11.
a) конструкция a; b) конструкция b; c) конструкция c
Рисунок B.11 - Соединение выпуклого днища и цилиндрической
части с меньшей толщиной стенки
Рисунок B.12 - Значения коэффициента эффективности
для сферических оболочек с вертикальным патрубком
как функция dAi/rWi и sA0/sv при постоянном значении sv/rWi
Рисунок B.13 - Значения коэффициента эффективности
для сферических оболочек с вертикальным патрубком
как функция dAi/rWi и sA0/sv при постоянном значении sv/rWi
Рисунок B.14 - Значения коэффициента эффективности
для сферических оболочек с вертикальным патрубком
как функция dAi/rWi и sA0/sv при постоянном значении sv/rWi
Рисунок B.15 - Значения коэффициента эффективности
для сферических оболочек с вертикальным патрубком
как функция dAi/rWi и sA0/sv при постоянном значении sv/rWi
Рисунок B.16 - Значения коэффициента эффективности
для сферических оболочек с вертикальным патрубком
как функция dAi/rWi и sA0/sv при постоянном значении sv/rWi
Рисунок B.17 - Значения коэффициентов формы

и

для торосферических днищ
Рисунок B.18 - Значения коэффициентов формы

и

для эллиптических днищ
B.5.3.4 Местная потеря устойчивости в зоне отбортовки (коробление в зоне отбортовки)
Для тонкостенных днищ (
sk/
da <= 0,005) следует проводить проверку правильности определения размеров в зоне отбортовки для предотвращения потери устойчивости. Потери устойчивости не возникает, если давление продольного изгиба, определяемое по
рисунку B.19 как функция
sk/
da, составляет:
1 - эллиптические днища; 2 - торосферические днища
Рисунок B.19 - Определение давления продольного изгиба
p7
Расчет потери устойчивости в зоне отбортовки может быть включен в расчет прочности посредством коэффициента формы

, касающегося коробления. В соответствии с
формулами (B.20) и
(B.30)

(B.31)
Давление продольного изгиба
p7 может определяться в соответствии с
рисунком B.19.
(A1:2008)
B.5.3.5 Полусферические и выпуклые днища, подвергаемые внешнему давлению
Для днищ, подвергаемых внешнему давлению, применяют все требования по
B.5.1 -
B.5.3.4, касающиеся воздействия внутреннего давления, с увеличением запаса прочности на 20%.
Дополнительно следует проводить проверку потери устойчивости при упругих деформациях в выпуклой части днища. Потери устойчивости не возникает, если давление продольного изгиба, определяемое по
формуле (B.32), удовлетворяет
условию (B.33).
 (B.32) |
|
(A1:2008)
Коэффициент запаса прочности
SB определяют по
таблице B.4 и включают в расчет.
B.6 Допустимое напряжение/запас прочности
B.6.1 Для допустимых напряжений

и коэффициентов запаса прочности
S и
S' применяют
раздел 6.
B.6.2 Значения коэффициента запаса прочности при потере устойчивости при упругих деформациях сферической оболочки или выпуклой части днища, например
SB для условий эксплуатации и

для условий испытаний, определяют по
таблице B.4. Промежуточные значения получают линейной интерполяцией.
Таблица B.4
Значения коэффициентов запаса прочности S
B и

при потере
устойчивости при упругих деформациях (короблении)
сферической оболочки
sv/rWi | SB | |
0,001 | 5,5 | 4,0 |
0,003 | 4,0 | 2,9 |
0,005 | 3,7 | 2,7 |
0,01 | 3,5 | 2,6 |
>= 0,10 | 3,0 | 2,2 |
(A1:2008)
B.7 Поправки для толщины стенки
При определении значения поправки c1 следует учитывать уменьшение толщины стенки вследствие погрешностей изготовителя (например, для литых или глубокотянутых днищ).
B.8 Минимальная допустимая толщина стенки
B.8.1 Минимальная допустимая толщина стенки se должна составлять:
a) 5 мм - для ферритных сталей;
b) 3 мм - для цветных металлов;
c) 2 мм - для нержавеющих (аустенитных и ферритных) сталей.
B.8.2 Для литых днищ минимальное значение толщины стенки зависит также от процесса производства.
(обязательное)
ВЫПУКЛЫЕ КРЫШКИ ДЛЯ ЖАРОВЫХ ТРУБ
C.1 Область применения
Требования настоящего приложения применяют к конструкции выпуклых крышек для жаровых труб с отверстиями с отбортовкой внутрь или наружу или для сварных жаровых труб (см.
рисунки C.1 и
C.2)
<1>. При этом предполагается, что значения радиуса кривизны в зоне отбортовки крышек и расстояния от зоны отбортовки до жаровой трубы достаточно велики. Для связей плоских стенок следует учитывать требования
приложения D.
--------------------------------
Рисунок C.1 - Торосферическая крышка жаровой трубы
с отверстием с отбортовкой внутрь
Рисунок C.2 - Выпуклая крышка жаровой трубы
с кольцом жесткости
C.2 Общие положения
Крышки жаровых труб подвержены нагрузкам вследствие внутреннего давления и деформации сдвига жаровых труб. Нагрузка внутренним давлением требует соответствующей толщины стенки, а воздействие поперечной силы при деформациях сдвига жаровой трубы следует учитывать при проектировании нежестких конструкций крышки и жаровой трубы. Крышки жаровых труб могут быть торосферическими или эллиптическими. Наименьшую жесткость имеют торосферические крышки, и далее жесткость возрастает по мере увеличения кривизны выпуклой части крышки. Поэтому соединение торосферических или эллиптических крышек с гладкими жаровыми трубами и торосферических крышек с трубами глубокого гофрирования не допускается.
C.3 Условные обозначения
Таблица C.1
Конструктивные параметры, условные обозначения
Условное обозначение | Конструктивный параметр | Единица измерения |
p | Максимальное допустимое рабочее давление | Н/мм2 |
s | Толщина стенки крышки | мм |
s0 | Требуемая расчетная толщина стенки сферического участка | мм |
| Коэффициент формы при нагружении зоны отбортовки при наличии вварных колец жесткости <2> | - |
| Коэффициент формы при нагружении сферического участка зоны отбортовки при наличии вварных колец жесткости <1> | - |
D | Наружный диаметр крышки | мм |
R | Внутренний радиус изгиба | мм |
dR | | мм |
h | | мм |
b | | мм |
K | Расчетный предел прочности материала при расчетной температуре | Н/мм2 |
s | Коэффициент запаса прочности | - |
c | Прибавка к расчетной толщине стенки с учетом коррозии и износа | мм |
--------------------------------
<2> Для выпуклых крышек, подвергающихся внутреннему и внешнему давлению, см.
приложение B.
C.4 Конструкция
Требуемая толщина стенки s составляет

(C.1)
Максимальное допустимое рабочее давление p составляет

(C.2)
C.4.2 Крышки жаровых труб с R <= D и вварным кольцом жесткости (рисунок C.2)
Требуемая толщина стенки s составляет

(C.3)
Максимальное допустимое рабочее давление p составляет

(C.4)
Предполагается, что вварное кольцо жесткости соответствует следующему требованию:

(C.5)
где

(C.6)
и значение
h принимают равным фактическому значению, но не более чем

. Глубину кольца жесткости вблизи зоны отбортовки допускается уменьшить приблизительно до 2/3 от требуемого расчетного значения глубины. Только вблизи центра крышки значение глубины должно быть равно рассчитанному по
формуле (C.5).
C.5 Расчетное давление p
В общем случае расчетное давление равно максимальному допустимому рабочему давлению. При расчете стенок котла следует дополнительно учитывать гидростатический напор, превышающий давление водяного столба высотой 5 м.
C.6 Расчетная температура t
В качестве расчетной температуры следует использовать следующие величины:
- для стенки, не контактирующей с пламенем, - температура пара;
- для стенки с защитой от контакта с продуктами сгорания - температура пара +20 °C;
- для стенки, контактирующей с продуктами сгорания, - температура пара +50 °C.
C.7 Расчетный предел прочности K
В качестве расчетного предела прочности
K при расчетной температуре
t до 350 °C применяют условный предел текучести или 0,2%-ный условный предел текучести (минимальное значение) при расчетной температуре (см. также
C.6).
C.8 Коэффициент запаса прочности S
C.8.1 Для коэффициента запаса прочности
S применяют следующие значения:
C.8.2 Для листовых изделий по EN 10025-1, EN 10025-2, EN 10025-3 коэффициент запаса прочности должен превышать значение, приведенное в
C.8.1, более чем на 20%.
C.9 Дополнительная толщина стенки с учетом коррозии и износа
Поправка для толщины стенки составляет c = 1 мм. При толщине стенки 30 мм и более поправкой можно пренебречь.
C.10 Уменьшение толщины стенки
Расчетную толщину стенки считают минимальной для толщины стенки готовой крышки. Следует учитывать уменьшение толщины стенки из-за производственного процесса. Использование крышек с отбортовкой внутрь допускается только при толщине стенок до 50 мм.
C.11 Расстояние между корпусом котла и жаровой трубой
Зазор между жаровой трубой и корпусом в самой узкой точке должен быть не менее 100 мм. Зазор между двумя жаровыми трубами должен составлять не менее 120 мм.
(обязательное)
ПЛОСКИЕ СТЕНКИ, АНКЕРНЫЕ ШТАНГИ И ОПОРНЫЕ БАЛКИ
D.1 Область применения
Настоящие правила проектирования применяют к плоским стенкам с опорой и без, со сварным соединением по всей длине окружности с отбортовкой или без нее либо с простой поддержкой или креплением болтами без отбортовки, а также к конструкции продольных опор, анкерных штанг, анкерных болтов и опорных балок.
D.2 Конструктивные параметры и единицы измерения
Таблица D.1
Конструктивные параметры, условные обозначения
и единицы измерения
Условное обозначение | Конструктивный параметр | Единица измерения |
b | Длина короткой стороны прямоугольной решетки, или малой оси эллипсоидной решетки (рисунок D.7), или короткой стороны прямоугольника, который может быть вписан в участок свободной неподдерживаемой поверхности плоской стенки с опорой [ рисунок D.8, a) и b)] | мм |
bT | | мм |
c1 | Поправка толщины стенки для принятия в расчет значения толщины стенки без допустимых отклонений | мм |
c2 | Поправка на коррозию и износ | мм |
da | | мм |
de | Максимальный диаметр окружности, которую можно вписать в плоскую решетку в границах не менее трех точек опоры [ рисунок D.8, a) и b)] | мм |
di | | мм |
dAi | | мм |
dB | Внутренний диаметр плоской стенки с отбортовкой или расчетный диаметр плоской крышки ( рисунки D.1 - D.5) | мм |
dL | Диаметр отверстия для болта в решетке с дополнительным изгибающим моментом (рисунок D.4) | мм |
d1, d2 | | мм |
h | | мм |
hB | | мм |
l | Длина большей стороны прямоугольной решетки, или главной оси эллипсоидной решетки (рисунок D.7), или большей стороны прямоугольника, который может быть вписан в участок свободной неподдерживаемой поверхности плоской стенки с опорой [ рисунок D.8, a) и b)] | мм |
lT | | мм |
lW | Длина развальцовки для развальцованных опор | мм |
rK | Радиус зоны отбортовки или выходной канавки для плоских крышек | мм |
sNB | | мм |
s1 | | мм |
s2 | Фактическая толщина стенки цилиндрического участка круглой плоской крышки в месте соединения с цилиндрической обечайкой или переходного участка прямоугольной плоской крышки в месте соединения с прямоугольной оболочкой | мм |
s | Требуемая толщина плоских стенок, крышек и решеток с учетом поправок | мм |
Ss | Фактическая толщина плоских стенок, крышек и решеток | мм |
tV1, tV2 | Расстояние (шаг) между равномерно расположенными опорами (рисунок D.9) | мм |
tVu1, tVu2 | Расстояние (шаг) между неравномерно расположенными опорами (рисунок D.10) | мм |
tT | | мм |
z | Коэффициент для момента сопротивления сечения | мм |
ApR | Площадь нагружения, воздействующая на опорную балку, анкерный болт или анкерную штангу (рисунок D.15) | мм2 |
As | Поддерживаемая площадь для развальцованных опор | мм2 |
| Требуемая площадь поперечного сечения опорных балок, анкерных штанг или анкерных болтов ( рисунки D.12 и D.13) | мм2 |
C1 | Расчетный коэффициент (константа) для плоских стенок, крышек и решеток без опоры (таблица D.2) | - |
C2 | Расчетный коэффициент (константа) для прямоугольных и эллипсоидных решеток (таблица D.3) | - |
C3 | Расчетный коэффициент (константа) для плоских стенок, крышек и решеток с опорой (таблица D.4) | - |
C4 | Расчетный коэффициент (константа) для гладких решеток с отверстием (рисунок D.14) | - |
FR | Нагрузка на опорную балку, анкерный болт или анкерную штангу | Н |
FT | Нагрузка на опорную балку | Н |
Mb | Изгибающий момент опорной балки при соответствующей нагрузке | Н·мм |
W | Момент сопротивления сечения опорной балки | мм3 |
a) без выходной канавки; b) с выходной канавкой
Рисунок D.1 - Сварные крышки
Рисунок D.2 - Плоская крышка без отверстий с отбортовкой
b)
c)
Рисунок D.3 - Плоские решетки с простой поддержкой
и креплением болтами
Рисунок D.4 - Решетка с креплением болтами
и дополнительным изгибающим моментом
Рисунок D.5 - Вварные решетки
Рисунок D.6 - Плоская круглая решетка
с центральной продольной опорой
Рисунок D.7 - Внутренняя поверхность прямоугольной
или эллипсоидной решетки
a) плоская крышка с опорой
Рисунок D.8 - Плоская крышка. Лист 1
b) жесткая плоская крышка
Рисунок D.8, лист 2
Рисунок D.9 - Равномерно распределенная опора
Рисунок D.10 - Неравномерно распределенная опора
Рисунок D.11 - Опора с приваренным упрочняющим слоем
Рисунок D.12 - Вварной анкерный болт
Рисунок D.13 - Вварная анкерная штанга
Рисунок D.14 - Расчетный коэффициент
C4
Рисунок D.15 - Площадь нагружения
ApR, воздействующая
на опору
Рисунок D.16 - Сварные продольные опоры
Рисунок D.17 - Сварная опорная балка
D.3.1 Плоские стенки и крышки
D.3.1.1 Для газотрубных котлов с плоскими трубными решетками различного диаметра нагрузки, действующие на решетки вследствие давления пара, компенсируются лишь частично с сохранением осевого давления. В таких случаях осевое давление должно быть специальным образом учтено при проектировании или размер плоских крышек должен приниматься таким, чтобы выдерживать осевое давление и давление пара
<1>.
--------------------------------
<1> Методика расчета для таких плоских круглых крышек и осевое давление для расчета стоек приведены в статье L. Winn "The calculation of annular plates, Construction 16" (1964), N 1.
D.3.1.2 Настоящие правила проектирования для крышек с отбортовкой, как показано на
рисунках D.2,
D.6,
D.8, a) и
b), допускается применять только при значениях радиуса зоны отбортовки не менее следующих, в зависимости от значения наружного диаметра крышки:
Наружный диаметр крышки, мм | Радиус зоны отбортовки, мм |
До 600 | 30 |
Св. 500 до 1400 включ. | 35 |
Св. 1400 до 1600 включ. | 40 |
Св. 1600 до 1900 включ. | 45 |
Св. 1900 | 50 |
Кроме того, радиус зоны отбортовки должен быть равен не менее чем 1,3 толщины стенки.
Для плоских крышек, штампованных или механически обработанных, как показано на
рисунке D.1, a), должны выполняться следующие условия:
(A1:2008)
и
hB >= s,
где
s - толщина участка крышки без отверстий для крышек с отверстиями. Кроме того, значение толщины стенки
s2, как показано на
рисунке D.1, a), должно быть не менее требуемого значения толщины стенки
s0 присоединенной оболочки.
D.3.1.3 Для крышек с выходной канавкой должен быть обеспечен эффективный рельеф сварных швов. Для этого толщина стенки в области выходной канавки
s1 должна удовлетворять условию
s1 <= 0,77 x
s2 для круглых крышек и
s1 <= 0,55 x
s2 для прямоугольных крышек.
Радиус rK выходной канавки должен удовлетворять условию 0,2se <= rK >= 5 мм.
Кроме того, толщина стенки
s2, как показано на
рисунке D.1, b), должна быть не менее требуемой толщины стенки s
0 присоединенной оболочки. Для снятия напряжений может быть более предпочтительной некруглая форма сечения выходной канавки (например, параболическая форма с аппроксимацией двумя различными радиусами), применение которой допускается при наличии соответствующих обоснований.
D.3.1.4 При производстве сварных плоских крышек из пластин, как показано на
рисунке D.1, нагрузку, воздействующую перпендикулярно к направлению прокатки, учитывают путем выбора соответствующего материала и его испытания, например посредством неразрушающего контроля, по всей окружности.
D.3.1.5 Для развальцованных опор минимальная ширина связок зависит от процесса развальцовки. Площадь поперечного сечения связки между отверстиями двух развальцованных опор должна составлять:
- для стали - 15 + 3,4 x da, мм2;
- для меди - 25 + 9,5 x da, мм2.
D.3.1.6 Между корпусом котла и установленными опорами должен быть предусмотрен зазор для очистки и контроля стенок. Расстояние между двумя топками должно составлять не менее 120 мм.
D.3.2 Опорные балки, анкерные штанги и болты
D.3.2.1 При ввинчивании в передние стенки или трубные решетки сплошных продольных опорных балок с резьбой использование шайб и гаек требуется как с внутренней, так и с наружной стороны.
D.3.2.2 При анкерном креплении криволинейной плоской поверхности расстояние между центрами анкерных болтов должно составлять не более 200 мм.
D.3.2.3 Размеры поперечного сечения диагональных опор с учетом их угла наклона к оси котла выбирают больше, чем для продольных опор. Насколько это возможно, угол наклона диагональных опор по отношению к продольной оси котла не должен превышать 30°.
D.3.2.4 Размеры сварных швов, присоединяющих опоры, определяют в соответствии с действующими силами. Для газотрубных котлов диагональные опоры должны быть расположены на расстоянии не менее 200 мм от топки.
D.3.2.5 Для вварных продольных опор, анкерных штанг и болтов площадь среза углового шва должна быть не менее 1,25 требуемого значения площади поперечного сечения болта или трубы (например, как показано на
рисунках D.11 -
D.13):
D.3.2.6 Продольные опоры без упрочняющих слоев должны иметь сварное соединение по обеим сторонам поддерживаемой стенки.
D.3.2.7 Для сварных опор при определении профиля и местоположения сварного шва следует учитывать все вибрационные нагрузки. Данное требование в особенности касается судовых котлов.
D.3.2.8 Анкерное крепление для отопительных котлов с допустимым давлением более 6 бар должно быть выполнено так, чтобы болты с обеих сторон выступали в водное пространство не менее чем на 25 мм.
D.3.3 Опорные балки
Опорные балки должны быть прочно приварены по всей длине подбалки. Они должны быть расположены так, чтобы обеспечить надлежащее выполнение сварочных работ без прерывания циркуляции воды.
D.4 Требуемая толщина стенок
Требуемая толщина стенки при c = c1 + c2 должна составлять
s = s0 + c. (D.1)
Для готовых компонентов с толщиной стенки se проверку правильности расчета проводят по формуле
s0 = se - c. (D.2)
D.5.1 Плоские стенки и крышки без отверстий
D.5.1.1 Плоские стенки и крышки без опоры
Толщина стенки без учета любых поправок должна составлять

(D.3)
Толщина стенки без учета любых поправок должна составлять

(D.4)
Таблица D.2
Расчетный коэффициент
C1 для плоских крышек и решеток
без опоры в зависимости от типа поддержки
и закрепления краев
Форма решетки, тип поддержки и закрепления краев | Расчетный коэффициент C1 |
| 0,35 |
Зажатые решетки, зафиксированные и закрепленные болтами по всей окружности [ рисунок D.3, a) - d)] | |
| |
| 0,40 |
Решетки с простой поддержкой (например, крышки люков) | 0,45 |
Кроме рабочего давления, следует учитывать силу, воздействующую на болты при закрытии крышки (допустимое напряжение на болт) | |
| |
Решетки, закрепленные болтами по всей окружности и одновременно с этим подвергаемые дополнительному изгибающему моменту (рисунок D.4) в соответствии с соотношением | |
dL/dB <a> = | 1,0 | 0,45 |
| 1,1 | 0,50 |
| 1,2 | 0,55 |
| 1,3 | 0,60 |
<a> Промежуточные значения получают линейной интерполяцией. |
Толщина стенки без учета любых поправок должна составлять

(D.5)
Расчетный коэффициент
C2 учитывает увеличившуюся по сравнению с круглыми решетками нагрузку как функцию соотношения размеров
b/
l для прямоугольных и эллипсоидных решеток без опоры и прямоугольников, вписанных в участок свободной неподдерживаемой плоской поверхности с опорой. Этот коэффициент определяют по
таблице D.3 как функцию соотношения
b/
l с линейной интерполяцией промежуточных значений.
Таблица D.3
Расчетный коэффициент
C2 для прямоугольных
и эллипсоидных решеток
Соотношение b/l | C2 |
Прямоугольные решетки | Эллипсоидные решетки |
1,0 | 1,10 | 1,0 |
0,75 | 1,26 | 1,15 |
0,5 | 1,40 | 1,30 |
0,25 | 1,52 | - |
<= 0,1 | 1,56 | - |
Кроме требований по
D.3.1.3, касающихся толщины стенки
s1 в области выходной канавки, для безопасного выдерживания действия поперечных сил, возникающих в поперечном сечении выходной канавки, должны выполняться следующие условия:
для круглых крышек

(D.6)
и для прямоугольных крышек

(D.7)
Если выполнение этого условия приводит к значению
s1 больше получаемого в соответствии с требованиями
D.3.1.3, рельеф сварного шва путем канавки не допускается.
D.5.1.2 Плоские стенки и крышки с опорой
D.5.1.2.1 Круглые решетки с равномерной опорой на анкерные болты, опорные балки или анкерные штанги
(рисунок D.9)
Толщина стенки без учета любых поправок в пределах участков опоры должна составлять

(D.8)
Расчетный коэффициент
C3 определяют по
таблице D.4, а длины шагов
tV1 и
tV2 должны соответствовать
рисунку D.9.
Таблица D.4
Расчетный коэффициент
C3 для плоских стенок, крышек
и решеток с опорой в зависимости от типа опоры
Тип опоры | Расчетный коэффициент C3 <a> |
Корпус котла, коллектор или стенка топки, угловые опоры области трубы, где проводится расчет наибольшей окружности диаметром de или наибольшего прямоугольника с длиной стороны b, которые могут быть вписаны, как показано на рисунке D.8, a) и b) | 0,35 |
Анкерные болты на участке поверхности с максимальным расстоянием между центрами болтов не более 200 мм | 0,4 |
Опорные балки и штанги за пределами областей трубы независимо от типа соединения (сварное, резьбовое или развальцованное) | 0,45 |
<a> Если для разных частей стенки применяют разные значения C3, в расчет включают пропорциональное среднее значение:  . |
D.5.1.2.2 Плоские решетки с неравномерной опорой на опорные балки, анкерные штанги и болты
(рисунок D.10)
Толщина стенки без учета любых поправок в пределах участков опоры должна составлять

(D.9)
D.5.1.2.3 Плоские решетки, усиленные диагональными опорами, и участки плоских решеток между рядами опор и труб [
рисунок D.8, a) и
b)]
Толщина стенки без учета любых поправок должна составлять

(D.10)
или рассчитываться по
формуле (D.5), при этом вместо расчетного коэффициента
C1 применяют
C3. В качестве
s0 принимают наибольшее из значений, полученное по
формулам (D.5) и
(D.10). Расчетный коэффициент
C3 определяют по
таблице D.4. В качестве значения
de формулы (D.10) и
b формулы (D.5) применяют значения диаметров окружностей или длин коротких сторон прямоугольников, которые могут быть вписаны в участок свободной неподдерживаемой поверхности, как показано на
рисунке D.8, a) и
b). В каждом конкретном случае применяют наиболее неблагоприятные условия напряжения.
При расчете толщины крышки следует учитывать диаметр основных окружностей
b, определяемый по трем точкам опоры, и диаметр вспомогательных окружностей
dN <= 0,75
b, каждая из которых проходит через две точки опоры, как показано на
рисунках D.18 и
D.19.
1 - вспомогательная окружность; 2 - основная окружность;
3 - вспомогательная окружность; + - точки опоры, которыми
могут считаться не менее двух труб в граничном ряду
совокупности труб при прохождении окружности через центры
этих труб
Рисунок D.18 - Пример использования вспомогательных
окружностей (двухкамерная топка)
1 - вспомогательная окружность; 2 - основная окружность;
+ - точки опоры, которыми могут считаться не менее двух труб
в граничном ряду совокупности труб при прохождении
окружности через центры этих труб
Рисунок D.19 - Пример использования вспомогательных
окружностей (однокамерная топка)
D.5.1.2.4 Плоские круглые решетки с центральной продольной опорой
(рисунок D.6)
Толщина стенки без учета любых поправок должна составлять

(D.11)
где
C3 = 0,25. Применяют диаметры и радиусы, показанные на
рисунке D.6.
D.5.2 Плоские стенки и крышки с отверстиями
D.5.2.1 Для типов конструкций, показанных на
рисунках D.1 -
D.3 или
D.5, центральные отверстия с диаметром
dAi учитывают путем использования коэффициента согласно
рисунку D.14.
D.5.2.2 Значение толщины стенки без учета любых поправок для решетки или крышки с отверстием рассчитывают по
формулам (D.3),
(D.4) или
(D.5), при этом расчетный коэффициент
C1, определяемый по
таблице D.2, умножают на расчетный коэффициент
C4, показанный на
рисунке D.14.
D.5.2.3 Расчетный коэффициент
C4 для плоских крышек и решеток (
рисунок D.14, тип A)
Для круглых решеток
(A1:2008)
Для прямоугольных или эллипсоидных решеток
(A1:2008)
где dAi - диаметр отверстия или внутренний диаметр патрубка;
dB - расчетный диаметр;
b - длина короткой стороны прямоугольной решетки или малой оси эллипсоидной решетки;
значения Ai:
A1 = +0,999 034 20; | A4 = +18,632 830 0; |
A2 = +1,980 626 00; | A5 = -19,497 590 0; |
A3 = -9,018 554 00; | A6 = +7,612 568 00. |
D.5.2.4 Расчетный коэффициент
C4 для плоских крышек и решеток (
рисунок D.14, тип B)
Для круглых решеток
Для прямоугольных или эллипсоидных решеток
где dAi - диаметр отверстия или внутренний диаметр решетки;
dB - расчетный диаметр;
b - длина короткой стороны прямоугольной решетки или малой оси эллипсоидной решетки;
значения Ai:
A1 = +1,001 003 44; | A4 = +8,389 435 00; |
A2 = +0,944 284 68; | A5 = -9,206 283 84; |
A3 = -4,312 102 00; | A6 = +3,694 941 96. |
(A1:2008)
D.5.2.5 В зависимости от того, присоединяется ли к отверстию патрубок (
рисунок D.14, тип B) или нет (
рисунок D.14, тип A), значение коэффициента
C4 определяют по кривой A или B. При соотношении диаметров
dAi/
dB >= 0,8 расчет решетки проводят, как для отбортовки.
D.5.2.6 Расчет отверстий, не находящихся в центральном положении, допускается проводить, как для центральных отверстий.
D.5.3 Опорные балки, анкерные штанги и анкерные болты
D.5.3.1 При определении размеров опорных балок, анкерных штанг и болтов следует учитывать пропорциональные нагрузки вследствие воздействия на них избыточного рабочего давления и температуры. Также может учитываться поддерживающий эффект других частей котла.
D.5.3.2 Нагрузка, воздействующая на опорную балку, анкерную штангу или анкерный болт в соответствии с
рисунком D.15, должна составлять
D.5.3.3 Для участков вблизи кромки следует учитывать площадь плоской поверхности до начала зоны отбортовки крышки. При расчете участков кромки предполагают, что до половины величины нагрузки приходится на примыкающую стенку котла. В этом случае другая половина должна поглощаться граничащими опорами или болтами.
D.5.3.4 Требуемая площадь поперечного сечения опорных балок, анкерных штанг или анкерных болтов должна составлять

(D.13)
D.5.3.5 Для развальцованных опор должна быть предусмотрена соответствующая защита против выталкивания из трубной решетки. Это обеспечивается при условии, что допустимая нагрузка на поддерживаемую поверхность не превышает значений, приведенных в
таблице D.5. Сила
FR рассчитывается по
формуле (D.12). Проверку значения
FR следует особенно тщательно проводить на граничных участках расположения труб. Для неодинаковых площадей примыкающих трубных решеток среднее значение напряжений каждой из них не должно превышать значения, приведенные в
таблице D.5. Площадь поддерживаемой поверхности рассчитывают по формуле
As = (da - di)·lw. (D.14)
Таблица D.5
Допустимая нагрузка на поддерживаемую поверхность
Тип развальцованного соединения | Допустимая нагрузка на поддерживаемую поверхность, Н/мм2 |
Гладкое | |
Пазовое | |
Фланцевое | |
Эта площадь не должна превышать
As = 0,1da·lw. (D.15)
Если увеличение диаметра опоры для уменьшения напряжения, действующего на поддерживаемую поверхность, невозможно, выбирают увеличение длины или толщины трубной решетки соответственно (см.
D.5.1). Однако для расчета площади поддерживаемой поверхности допускается увеличение длины только до значения
lw = 40 мм.
D.5.4 Опорные балки
D.5.4.1 Расчет опорной балки без поддержки, показанной на
рисунках D.16 и
D.17, проводят, как для балки с простой поддержкой, в пределах расстояния
lT. В этом случае может также учитываться несущая способность подбалки.
D.5.4.2 Размеры опорной балки определяют, исходя из максимального выдерживаемого изгибающего момента Mb и момента сопротивления сечения W опорной балки:

(D.16)
Коэффициент z учитывает увеличение сопротивления конструкции за счет подбалки. Обычно применяют значение z = 5/3.
D.5.4.3 Максимальный выдерживаемый изгибающий момент Mb должен составлять:

(D.17)
где
FT = p·lT·tT. (D.18)
D.5.4.4 Момент сопротивления сечения W опорной балки должен составлять:

(D.19)
где значение h, используемое в расчетах, не должно превышать 8bT.
D.6 Расчетное давление
D.7 Расчетная температура
D.8 Допустимое напряжение
D.8.1 Общие положения
См.
6.1.4.6 со следующими дополнениями.
D.8.2 Для опорных балок и анкерных болтов, выполненных из меди, не имеющей сертификата качества, при расчетах прочности применяют значение K не более 87 Н/мм2.
D.8.3 Для плоских стенок из литой стали применяют значение коэффициента запаса прочности
S, отличающееся от приведенных в
таблице 11 и равное 1,8.
D.8.4 Для расчета опорных балок, анкерных штанг и болтов применяют следующие значения коэффициента запаса прочности:
- для площади поперечного сечения нетто опорных балок, анкерных болтов и штанг - S = 1,5;
- для ввинчиваемых опорных балок, анкерных штанг и болтов в канавке профиля резьбы - S = 2,0;
- для вварных труб, анкерных штанг и опорных балок при наличии акта приемочных испытаний по EN 10204 (пункты 3.1.A или 3.1.B) в пределах области сварного соединения - S = 1,65;
- для вварных труб и анкерных штанг при отсутствии акта приемочных испытаний по EN 10204 (пункты 3.1.A или 3.1.B) в пределах области сварного соединения - S = 2,0.
D.9 Поправка для толщины стенки
D.9.1 Поправку c1 для толщины стенки за вычетом допустимых отклонений применяют только для плоских стенок, изготовленных из листов, не подверженных механической обработке с обеих сторон.
D.9.2 В отличие от
6.1.4.9 поправку
c2 для толщины стенки, рассчитываемой по
D.5, не применяют.
(обязательное)
ЦИЛИНДРИЧЕСКИЕ ОБЕЧАЙКИ, ПОДВЕРГАЮЩИЕСЯ ВНЕШНЕМУ ДАВЛЕНИЮ
E.1 Область применения
Настоящие правила проектирования применяют к цилиндрическим обечайкам с прямо- или криволинейной образующей (трубы, пароохладители, камеры сгорания, топки и т.п.), находящимся под воздействием внешнего избыточного давления с предельным соотношением se/da <= 0,1 (для волнистых топок se/dm <= 0,1) и da > 200 мм. Давление должно оказывать воздействие по всей периферии.
В случае, когда опасность упругой потери устойчивости отсутствует, расчет цилиндрических обечаек с наружным диаметром не более 200 мм проводят в соответствии с
приложением A, при этом в качестве внутреннего избыточного давления применяют значение
p. При наличии вероятности упругой потери устойчивости, например для очень тонкостенных труб, допустимое внешнее избыточное давление дополнительно проверяют по
E.5.3.
Цилиндрические обечайки могут быть выполнены с элементами жесткости или без них. Топки представляют собой цилиндрические обечайки, подверженные воздействию пламени или преобладающему нагреву излучением.
E.2 Конструктивные параметры и единицы измерения
Таблица E.1
Конструктивные параметры, условные обозначения
и единицы измерения
Условное обозначение | Конструктивный параметр | Единица измерения |
b | Ширина кольца жесткости | мм |
c1 | Поправка для допустимых значений толщины стенки | мм |
c2 | Поправка на коррозию и износ | мм |
da | Наружный диаметр цилиндрической обечайки | мм |
di | Внутренний диаметр цилиндрической обечайки | мм |
dm | Средний диаметр | мм |
h | Высота кольца жесткости | мм |
l | Максимальная длина участка без элемента жесткости | мм |
n | Количество волн | - |
q | Максимальное отклонение от круглости | мм |
t | Расстояние между волнами | мм |
w | Глубина волны | мм |
SK | Коэффициент запаса прочности в отношении упругих деформаций | - |
E.3 Общие положения
E.3.1 Для расчета внешнего давления эффективность сварного шва во внимание не принимают.
E.3.2 Проверку отверстий осуществляют при использовании значения p в качестве внешнего избыточного давления. При необходимости должно быть обеспечено усиление краев отверстий. При расчете толщины стенок отверстия для пересекающихся труб камеры сгорания не учитывают.
E.4 Требуемая толщина стенки
Требуемая толщина стенки должна составлять:
s = s0 + c1 + c2. (E.1)
Проверку толщины стенок se готовых компонентов проводят следующим образом:
s0 = se - c1 - c2. (E.2)
E.5 Расчет преобладающей статической нагрузки под внешним давлением
E.5.1 Общие положения
Расчет цилиндрических обечаек для предотвращения пластических деформаций проводят по
E.5.2, для предотвращения упругой потери устойчивости - по
E.5.3. В расчет включают наименьшее значение
p или наибольшее значение
s0, полученное соответственно по каждому пункту.
E.5.2 Расчет для предотвращения пластических деформаций
E.5.2.1 Допустимое внешнее избыточное давление должно составлять
 (E.3) |
(A1:2008)
E.5.2.2 Допустимое внешнее избыточное давление должно составлять
 (E.4) |
(A1:2008)
Для волнистых топок, показанных на
рисунке E.1, значения площади поперечного сечения
A и момента инерции
I одной волны могут определяться по
таблицам E.2 -
E.4.
a) топка типа Фокса; b) топка типа Морисона
Рисунок E.1 - Волнистые топки
Таблица E.2
Момент инерции
I и площадь поперечного сечения
A для одной
волны топки типа Фокса с расстоянием между волнами 151 мм
и глубиной волны 50 или 75 мм
s0, мм | I x 104, мм4 | A x 102, мм2 |
w = 50 мм | w = 75 мм | w = 50 мм | w = 75 мм |
9 | 30,0 | 100,0 | 15,5 | 19,4 |
10 | 32,3 | 109,8 | 17,8 | 21,8 |
11 | 33,7 | 115,0 | 19,0 | 23,6 |
12 | 34,7 | 120,7 | 20,7 | 25,6 |
13 | 35,7 | 125,7 | 22,5 | 27,5 |
14 | 36,6 | 130,0 | 24,0 | 29,3 |
15 | 37,6 | 134,2 | 25,6 | 31,1 |
16 | 38,5 | 138,0 | 27,2 | 32,9 |
17 | 39,5 | 141,5 | 28,7 | 34,7 |
18 | 40,4 | 145,0 | 30,2 | 36,5 |
19 | 41,3 | 147,9 | 31,6 | 38,1 |
Таблица E.3
Момент инерции I и площадь поперечного сечения A для одной
волны топки типа Фокса с расстоянием между волнами 200 мм
и глубиной волны 75 мм
s0, мм | I x 104, мм4 | A x 102, мм2 |
11 | 143,8 | 27,6 |
12 | 156,0 | 30,0 |
13 | 167,3 | 32,1 |
14 | 174,4 | 34,4 |
15 | 180,2 | 36,7 |
16 | 185,2 | 38,9 |
17 | 189,4 | 41,2 |
18 | 193,0 | 43,3 |
19 | 196,2 | 45,6 |
Таблица E.4
Момент инерции
I и площадь поперечного сечения
A для одной
волны топки типа Морисона с расстоянием между волнами 202 мм
и глубиной волны 50 мм
s0, мм | I x 104, мм4 | A x 102, мм2 |
9 | 40,6 | 20,2 |
10 | 43,3 | 22,2 |
11 | 45,6 | 24,3 |
12 | 47,5 | 26,5 |
13 | 49,2 | 28,5 |
14 | 50,7 | 30,6 |
15 | 52,0 | 32,6 |
16 | 53,2 | 34,6 |
17 | 54,3 | 36,6 |
18 | 55,1 | 38,6 |
19 | 55,7 | 40,7 |
E.5.3 Расчет для предотвращения упругой потери устойчивости
E.5.3.1 Цилиндрические обечайки с прямолинейной образующей E.5.3.1.1 Допустимое внешнее избыточное давление упрочненных цилиндрических обечаек должно составлять  (E.5) |
(A1:2008)
где

,
n - количество волн деформации, появляющихся на окружности в случае отказа. Показатель n может быть:
1) n - целое число;
2) n >= 2;
3) n > X
и должен выбираться так, чтобы получить наименьшее значение p.
Для определения значения
n применяют следующую формулу (применимо до

):
 (E.6) |
(A1:2008)
Требуемое значение толщины стенки для основных размеров и

может определяться в соответствии с
рисунком E.2.
Рисунок E.2 - Требуемая толщина стенки
s при расчете
для предотвращения упругой потери устойчивости
E.5.3.1.2 Для труб допустимое внешнее избыточное давление также рассчитывают по
формуле (E.7):

(E.7)
E.5.3.2 Допустимое внешнее избыточное давление составляет

(E.8)
Для волнистых топок с параметрами в соответствии с
таблицами E.2 -
E.4 проверку на упругую потерю устойчивости не проводят.
E.5.4 Отклонение от круглости
При овальности обечайки отклонение от круглости U, %, рассчитывают следующим образом:

(E.9)

(E.10)
Рисунок E.3 - Уплощение цилиндрических обечаек
При расчете для предотвращения пластических деформаций в новых цилиндрических обечайках с прямолинейной образующей значение U принимают равным 1,5%, с криволинейной образующей - 1,0%. Для топок, бывших в употреблении, отклонение от круглости определяют, основываясь на измерениях диаметра.
При расчете для предотвращения упругой потери устойчивости отклонение от круглости учитывают в пределах запаса прочности по
E.9.
E.5.5 Элементы жесткости
E.5.5.1 Максимальная длина участка без элемента жесткости l для расчета должна составлять:
a) для цилиндрических обечаек без колец жесткости - длина цилиндрической части обечайки, как показано на
рисунках E.4 и
E.5.
Рисунок E.4 - Обечайка с плоскими днищами
Рисунок E.5 - Обечайка с выпуклыми днищами
b) для камер сгорания l = 1,5 l4 или l = 2 l5 (см. рисунок E.6), в зависимости от того, что больше (учитывают только поперечные трубки с наружным диаметром 108 мм и более, при этом должно выполняться дополнительное условие . Количество волн деформации определяют по E.5.3, при этом принимают l = 1,5 l6). |
(A1:2008)

- угол максимального неподдерживаемого сегмента
Рисунок E.6 - Камера сгорания
c) для цилиндрических обечаек с кольцами жесткости - расстояние между центрами двух эффективных элементов жесткости, как показано на
рисунке E.7.
Рисунок E.7 - Кольца жесткости
E.5.5.2 Если прямая топка приварена к секции волнистой топки, для расчета прямого участка топки используют 1,5 длины прямого цилиндра. Поскольку при производстве волнистых топок толщина прямой части должна быть больше толщины волнистой части (как правило, приблизительно на 1,5 мм), формулы для расчета прямых топок для этих прямых частей не применяют, если длина нагружения прямой части на участке от центра присоединения к днищу до начала первой волны не превышает 250 мм.
E.5.5.3 Плоские и выпуклые днища считают эффективными элементами жесткости.
E.5.5.4 Сварные кольца, обеспечивающие жесткость конструкции на длине l, должны иметь такие размеры, чтобы предотвращать деформацию и изгиб. Требуемое значение второго момента инерции сечения кольца рассчитывают следующим образом:

(E.11)
где значение площади поперечного сечения кольца должно соответствовать дополнительному условию:

(E.12)
При расчете прямоугольных сечений применяют максимальное значение высоты
h = 6
b. Момент инерции сечения
I рассчитывают относительно оси, проходящей через центр тяжести усиливающего сечения параллельно оси цилиндра, см.
рисунок E.7, ось
x-x.
Кольца жесткости для топок при необходимости изготавливают с h >= 5s0 и b >= 2s0.
E.5.5.5 Модуль упругости и коэффициент линейного теплового расширения материала кольца жесткости должны быть такими же, как у материала цилиндрической обечайки. Кроме того, эффективность усиления должна обеспечиваться равнопрочным сварным соединением с цилиндрической обечайкой.
E.6 Расчетное давление
E.7 Расчетная температура
Допустимые значения температуры (в градусах Цельсия) составляют 30 + 4se для топок с прямолинейной образующей и 30 + 3se - для топок с криволинейной образующей. Указанные минимальные значения применяют только при малых величинах нагара.
E.8 Допустимое напряжение
E.8.1 Для расчета топок применяют значения расчетной прочности не выше, чем для стали P 295 GH.
E.8.2 Коэффициент запаса прочности для предела текучести прокатных и кованых сталей должен составлять:
- S = 2,0 - для горизонтальных топок с L/d <= 4 и p <= 6 бар, а также для вертикальных топок с p <= 6 бар;
- S = 2,5 - для горизонтальных топок с L/d > 4 и p > 6 бар.
Коэффициент запаса прочности на растяжение для цветных металлов должен составлять:
- S = 4,0 - для цилиндрических обечаек, не подвергаемых нагреву;
- S = 2,5 - в условиях испытаний.
E.8.3 Вне зависимости от используемого материала при расчете упругой потери устойчивости применяют значение коэффициента запаса прочности
SK = 3,0, при этом в условиях испытаний применяют значение

. Указанные значения применяют при отклонениях от круглости не более
U = 1,5%. При отклонениях от круглости 1,5% <
U <= 2% применяют значения
SK = 4,0 и

.
E.9 Поправки для толщины стенки
Применяют следующие поправки для толщины стенки:
- C1 - поправка для расчета толщины стенки в пределах допуска в соответствии с требованиями применяемых норм;
- C2 - поправка на коррозию и износ.
Для ферритных сталей C2 = 1 мм. Поправку допускается не использовать при толщине стенки >= 30 мм. При наличии соответствующей защиты стенок поправку не применяют.
E.9.1 Максимальная толщина стенки
Минимальные допустимые значения толщины стенки (номинальная толщина стенки) для прямых и волнистых топок приведены в
таблице 6.
Максимальное допустимое значение толщины стенки (номинальная толщина стенки) должно быть не более 22 мм для топок и не более 30 мм для других цилиндрических обечаек, подвергаемых нагреву.
(справочное)
ДИРЕКТИВА 97/23/EC, КАСАЮЩАЯСЯ ОБОРУДОВАНИЯ ПОД ДАВЛЕНИЕМ
F.1 Рабочая группа "Давление" Комиссии
F.1.1 Руководство по применению статьи 1, пункт 2.4, приложение II, таблица 5 (Руководство 2/5)
Вопрос: Некоторые генераторы теплой воды объемом свыше 2 л предназначены для производства воды с температурой менее 110 °C, но при этом оснащены защитным ограничителем температуры с установочной температурой 120 °C.
Какое значение максимальной допустимой температуры TS должен указывать изготовитель?
Ответ: В приведенном примере значение TS согласно статье 1, пункт 2.4, составляет 120 °C.
Если оборудование предназначено для работы при температурах не более 110 °C, то изготовитель должен указывать значение TS, равное 110 °C. В этом случае уставка защитного ограничителя температуры должна составлять 110 °C.
(Руководство 2/5 WGP от 24.03.2000). |
(A1:2008)
F.1.2 Руководство по применению статьи 1, пункт 2.4 (Руководство 2/12)
Вопрос: Для водогрейных котлов, в которых управление осуществляется с помощью термореле, а защита обеспечивается защитным ограничителем температуры, в качестве максимальной допустимой температуры (TS) принимают:
a) максимальное планируемое рабочее значение температуры в нормальных условиях эксплуатации, устанавливаемое с помощью термореле; или
b) уставку защитного ограничителя температуры, соответствующую предельному значению перегрева?
Ответ: Правильный ответ - b).
Примечание - Изготовитель должен обеспечить надежность оборудования, достаточную для того, чтобы выдерживать остаточное тепловыделение после включения ограничителя нагрева.
(Руководство 2/12 WGP от 24.03.2000). |
(A1:2008)
(справочное)
СООТВЕТСТВИЕ РАЗДЕЛОВ ЕВРОПЕЙСКОГО СТАНДАРТА ДИРЕКТИВЕ EC
Европейский стандарт, на основе которого подготовлен настоящий государственный стандарт, разработан Европейским комитетом по стандартизации (CEN) по поручению Комиссии Европейского сообщества и Европейской ассоциации свободной торговли (EFTA) и реализует основополагающие требования
Директивы 92/42/EEC, касающейся требований к КПД для новых водогрейных котлов, работающих на жидком или газообразном топливе.
ВНИМАНИЕ! К продукции, на которую распространяется европейский стандарт, могут применяться требования других документов и директив EC.
Разделы европейского стандарта, приведенные в
таблице ZA.1, соответствуют требованиям директивы EC в части котлов, на которые распространяется европейский стандарт.
Таблица ZA.1
Сведения о взаимосвязи между Директивой 92/42/EEC,
касающейся требований к КПД для новых водогрейных котлов,
работающих на жидком или газообразном топливе,
и европейским стандартом
Раздел европейского стандарта | Содержание | Статья Директивы 92/42/EEC |
8.2 | Производительность котла | |
(справочное)
СООТВЕТСТВИЕ ЕВРОПЕЙСКОГО СТАНДАРТА И ОСНОВОПОЛАГАЮЩИХ ТРЕБОВАНИЙ ДИРЕКТИВЫ EC 97/23/EC, КАСАЮЩЕЙСЯ ОБОРУДОВАНИЯ, РАБОТАЮЩЕГО ПОД ДАВЛЕНИЕМ (PED) Европейский стандарт, на основе которого подготовлен настоящий государственный стандарт, разработан Европейским комитетом по стандартизации (CEN) по поручению Комиссии Европейского сообщества и Европейской ассоциации свободной торговли (EFTA) и реализует основополагающие требования Директивы 97/23/EC. Разделы европейского стандарта, приведенные в таблице ZB.1, соответствуют требованиям директивы EC в части котлов, на которые распространяется европейский стандарт. |
Таблица ZB.1
Сведения о взаимосвязи между Директивой 97/23/EC
и европейским стандартом
Раздел европейского стандарта | Содержание | Статья Директивы 97/23/EC |
4.1.1 | Безопасность конструкции и изготовления | 1.1 |
4.1 | - исключение или уменьшение опасности - соответствующее измерение защиты - остаточная опасность | 1.2 |
6 | Конструкция | 2.1 |
6.1 | расчетный метод | 2.2.3 |
7.3.1 | метод экспериментального проектирования | 2.2.4 |
6.3 | оборудование для обеспечения безопасного обслуживания и управления | 2.3 |
6.3.8 | доступные отверстия для осмотра | 2.4 |
6.3.1; 6.3.6; 6.3.7 | способы дренажа и вентиляции | 2.5 |
6.1.4.9; 6.3.1 | коррозия или другое химическое воздействие | 2.6 |
6.3.6 | оборудование для заполнения и слива | 2.9 |
6.3.7 | защита оборудования от превышения допустимых пределов давления | 2.10 |
6.3.7, 6.3.13 | защитные устройства | 2.11.1 |
6.3.7 | ограничители давления | 2.11.2 |
6.3.13 | устройства контроля температуры | 2.11.3 |
4.1.3 | подготовка составных частей | 3.1.1 |
4.1.3.1, 4.1.3.2 | постоянное соединение | 3.1.2 |
5.1 | единство измерений | 3.1.5 |
7.1 | окончательная проверка | 3.2.1 |
7.1; 7.2.2; 7.3.2 | контрольные испытания | 3.2.2 |
7.5 | маркировка | 3.3 |
9.2, 9.3 | инструкции по эксплуатации | 3.4 |
5.2, 5.3 | материалы | 4.1 a); b); d) |
5.1, 9.2 | документация | 4.2 b) |
5.1 | документация | 4.3 |
4.1.1 | дополнительные требования для взрывоопасного оборудования, находящегося под давлением | 5 |
6.3.13 | соответствующие способы защиты, обеспечивающие ограничительные параметры функционирования, такие как тепловая мощность | 5 a) |
6.3.8; 9.3 | изготовление соответствующего оборудования, исключающего повреждения из-за накипи | 5 c) |
4.2 | способы безопасного удаления остаточного тепловыделения после отключения | 5d) |
6.1.4.11 | коэффициент прочности | 7.2 |
6.3.7 | ограничители давления | 7.3 |
7.2.2; 7.3.2 | гидростатическое испытательное давление | 7.4 |
(A1:2008)
(справочное)
СВЕДЕНИЯ О СООТВЕТСТВИИ ССЫЛОЧНЫХ МЕЖДУНАРОДНЫХ СТАНДАРТОВ
МЕЖГОСУДАРСТВЕННЫМ СТАНДАРТАМ
Таблица ДА.1
Обозначение ссылочного международного стандарта | Степень соответствия | Обозначение и наименование соответствующего межгосударственного стандарта |
EN 267:2009 | - | |
EN 287-1:2004 | - | |
EN 303-1:1999 | IDT | ГОСТ EN 303-1-2013 "Котлы отопительные. Часть 1. Котлы отопительные с горелками с принудительной подачей воздуха для горения. Определения, общие требования, испытания и маркировка" |
EN 303-2:1998 | IDT | ГОСТ EN 303-2-2013 "Котлы отопительные. Часть 2. Котлы отопительные с горелками с принудительной подачей воздуха для горения. Особые требования к котлам с топливораспылительными горелками" |
EN 303-3:1998 | IDT | ГОСТ EN 303-3-2013 "Котлы отопительные. Часть 3. Котлы газовые для центрального отопления. Котел в сборе с горелкой с принудительной подачей воздуха для горения" |
EN 304:1992 | - | |
EN 1561:1997 | - | |
EN 1563:1997 | - | |
EN 10025-1:2004 | - | |
EN 10025-2:2004 | - | |
EN 10025-3:2004 | - | |
EN 10088-1:2005 | - | |
EN 10088-2:2005 | - | |
EN 10204:2004 | - | |
EN 10216-1:2002 | - | |
EN 10216-2:2002 | - | |
EN 10216-3:2002 | - | |
EN 10216-4:2002 | - | |
EN 10216-5:2004 | - | |
EN 10217-1:2002 | - | |
EN 10217-2:2002 | - | |
EN 10217-3:2002 | - | |
EN 10217-4:2002 | - | |
EN 10217-5:2002 | - | |
EN 10217-6:2002 | - | |
EN 10217-7:2005 | - | |
EN 10226-1:2004 | - | |
EN 10226-3:2005 | - | |
EN 12828:2003 | - | |
EN 12953-8:2001 | - | |
--------------------------------
<1>
ГОСТ EN 267-2016 "Горелки жидкотопливные автоматические с принудительной подачей воздуха для горения" идентичен EN 267:2009+A1:2011.
Окончание таблицы ДА.1
Обозначение ссылочного международного стандарта | Степень соответствия | Обозначение и наименование соответствующего межгосударственного стандарта |
EN 22553:1994 | - | |
EN 60335-1:2002 | - | |
EN 60529:1991 | - | |
EN 60730-2-9:2002 | - | |
EN ISO 228-1:2003 | - | |
EN ISO 228-2:2003 | - | |
EN ISO 4063:2000 | - | |
EN ISO 6506-1:2005 | - | |
EN ISO 9606-2:2004 | - | |
EN ISO 15607:2003 | - | |
EN ISO 15609-1:2004 | - | |
EN ISO 15610:2003 | - | |
EN ISO 15611:2003 | - | |
EN ISO 15612:2004 | - | |
EN ISO 15613:2004 | - | |
EN ISO 15614-1:2004 | - | |
EN ISO 15614-2:2005 | - | |
ISO 185:2005 | - | |
ISO 857-1:1998 | - | |
ISO 7005-1:1992 | - | |
ISO 7005-2:1988 | NEQ | ГОСТ 33259-2015 "Фланцы арматуры, соединительных частей и трубопроводов на номинальное давление до PN 250. Конструкция, размеры и общие технические требования" |
ISO 7005-3:1988 | - | |
<*> Соответствующий межгосударственный стандарт отсутствует. Примечание - В настоящей таблице использованы следующие условные обозначения степени соответствия стандартов: - IDT - идентичные стандарты; - NEQ - неэквивалентные стандарты. |
--------------------------------
<1>
ГОСТ МЭК 60335-1-2008 "Бытовые и аналогичные электрические приборы. Безопасность. Часть 1. Общие требования" идентичен IEC 60335-1:2006.
<2>
ГОСТ 14254-2015 (IEC 60529:2013) "Степени защиты, обеспечиваемые оболочками (код IP)" модифицирован по отношению к IEC 60529:2013.
<3>
ГОСТ IEC 60730-2-9-2011 "Устройства автоматические электрические управляющие бытового и аналогичного назначения. Часть 2-9. Дополнительные требования к термочувствительным устройствам управления" идентичен IEC 60730-2-9:2008.
<4>
ГОСТ 33259-2015 "Фланцы арматуры, соединительных частей и трубопроводов на номинальное давление до PN 250. Конструкция, размеры и общие технические требования" не эквивалентен ISO 7005-1:2011.
[1] | EN 303-7 | Heating boilers - Part 7: Gas-fired central heating boilers equipped with a forced draught burner of nominal heat output not exceeding 1 000 kW (Котлы отопительные. Часть 7. Котлы отопительные с газовыми горелками с поддувом воздуха для центрального отопления с номинальной мощностью не более 1 000 кВт) |
[2] | EN 676 | Automatic forced draught burners for gaseous fuels (Автоматические горелки с принудительным наддувом для газообразного топлива) |
[3] | EN 10021 | General technical delivery requirements for steel products (Общие технические условия поставки изделий из стали) |
[4] | EN 12953-1 | Shell boilers - Part 1: General (Котлы газотрубные. Часть 1. Общие положения) |
[5] | EN 12953-2 | Shell boilers - Part 2: Materials for pressure parts of boilers and accessories (Котлы газотрубные. Часть 2. Материалы для работающих под давлением элементов котлов и вспомогательного оборудования) |
[6] | EN 12953-3 | Shell boilers - Part 3: Design and calculation for pressure parts (Котлы газотрубные. Часть 3. Материалы для работающих под давлением элементов котлов и вспомогательного оборудования) |
[7] | EN 12953-4 | Shell boilers - Part 4: Workmanship and construction of pressure parts of the boiler (Котлы газотрубные. Часть 4. Качество изготовления и конструкция работающих под давлением элементов котла) |
[8] | EN 12953-5 | Shell boilers - Part 5: Inspection during construction, documentation and marking of pressure parts of the boiler (Котлы газотрубные. Часть 5. Проверка во время монтажа, документация и маркировка работающих под давлением элементов котла) |
[9] | EN 12953-6 | Shell boilers - Part 6: Requirements for equipment for the boiler (Котлы газотрубные. Часть 6. Требования к оборудованию котлов) |
[10] | EN 12953-7 | Shell boilers - Part 7: Requirements for firing systems for liquid and gaseous fuels for the boiler (Котлы газотрубные. Часть 7. Требования к системам розжига жидких и газообразных топлив, применяемых для котлов) |
[11] | EN 12953-9 | Shell boilers - Part 9: Requirements for limiting devices of the boiler and accessories (Котлы газотрубные. Часть 9. Требования к ограничительным устройствам котлов и вспомогательного оборудования) |
[12] | EN 12953-10 | Shell boilers - Part 10: Requirements for feedwater and boiler water quality (Котлы газотрубные. Часть 10. Требования к качеству питательной и котловой воды) |
[13] | EN 12953-11 | Shell boilers - Part 11: Acceptance tests (Котлы газотрубные. Часть 11. Приемочные испытания) |
[14] | EN 12953-12 | Shell boilers - Part 12: Requirements for grate firing systems for solid fuels for the boiler (Котлы газотрубные. Часть 12. Инструкции по эксплуатации) |
УДК 662.951.23(083.74)(476) | | IDT |
Ключевые слова: котел, давление, температура, теплопроизводительность, КПД, требования |