Список изменяющих документов Приказом Ростехрегулирования от 13.04.2007 N 63-ст, Изменения N 2, введенного в действие Приказом Росстандарта от 20.05.2021 N 405-ст) |
Наименование государства | Наименование национального органа по стандартизации |
Азербайджанская Республика | Азгосстандарт |
Республика Армения | Армгосстандарт |
Республика Беларусь | Госстандарт Республики Беларусь |
Грузия | Грузстандарт |
Республика Казахстан | Госстандарт Республики Казахстан |
Кыргызская Республика | Кыргызстандарт |
Республика Молдова | Молдовастандарт |
Российская Федерация | Госстандарт России |
Республика Таджикистан | Таджикстандарт |
Туркменистан | Главгосслужба "Туркменстандартлары" |
Республика Узбекистан | Узгосстандарт |
Украина | Госстандарт Украины |

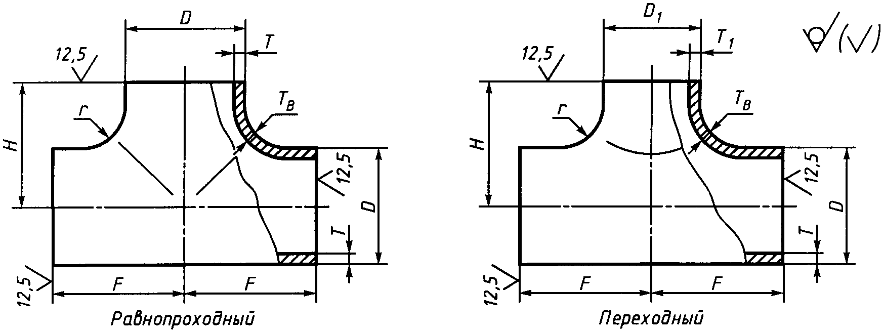
DN | D | T | D1 | T1 | F | H | Масса, кг |
15 | 21,3 | 2,0 3,2 4,0 | 21,3 | 2,0 3,2 4,0 | 25 | 25 | 0,19 0,30 0,38 |
20 | 26,9 | 2,0 3,2 4,0 | 2,0 3,2 4,0 | 29 | 29 | 0,26 0,42 0,52 | |
2,0 3,2 4,0 | 26,9 | 2,0 3,2 4,0 | 0,23 0,37 0,46 | ||||
25 | 33,7 | 2,3 3,2 4,5 | 21,3 | 2,0 3,2 4,0 | 38 | 38 | 0,25 0,35 0,40 |
2,3 3,2 4,5 | 26,9 | 2,0 3,2 4,0 | 0,25 0,35 0,40 | ||||
2,3 3,2 4,5 | 33,7 | 2,3 3,2 4,5 | 0,40 0,64 0,80 | ||||
32 | 42,4 | 2,6 3,6 5,0 | 21,3 | 2,0 3,2 4,0 | 48 | 48 | 0,79 1,10 1,50 |
2,6 3,6 5,0 | 26,9 | 2,0 3,2 4,0 | 0,79 1,10 1,50 | ||||
2,6 3,6 5,0 | 33,7 | 2,3 3,2 4,0 | 0,79 1,10 1,50 | ||||
2,6 3,6 5,0 | 42,4 | 2,6 3,6 5,0 | 0,79 1,10 1,50 | ||||
40 | 48,3 | 2,6 3,6 5,0 | 26,9 | 2,0 3,2 4,0 | 57 | 57 | 1,00 1,40 2,00 |
2,6 3,6 5,0 | 33,7 | 2,3 3,2 4,5 | 1,00 1,40 2,00 | ||||
2,6 3,6 5,0 | 42,4 | 2,6 3,6 5,0 | 1,00 1,40 2,00 | ||||
2,6 3,6 5,0 | 48,3 | 2,6 3,6 5,0 | 1,00 1,40 2,00 | ||||
50 | 60,3 | 2,9 4,0 5,6 | 33,7 | 2,9 4,0 5,6 | 64 | 51 | 1,60 2,20 3,00 |
2,9 4,0 5,6 | 42,4 | 2,6 3,6 5,0 | 57 | 1,60 2,20 3,00 | |||
2,9 4,0 5,6 | 48,3 | 2,6 3,6 5,0 | 60 | 1,60 2,20 3,00 | |||
2,9 4,0 5,6 | 60,3 | 2,3 3,2 4,5 | 64 | 1,60 2,20 3,00 | |||
65 | 76,1 | 2,9 5,0 7,1 | 42,4 | 2,6 3,6 5,0 | 76 | 64 | 3,20 5,50 7,90 |
2,9 5,0 7,1 | 48,3 | 2,9 4,0 5,6 | 67 | 3,20 5,50 7,90 | |||
2,9 5,0 7,1 | 60,3 | 2,6 3,6 5,0 | 70 | 3,20 5,50 7,90 | |||
2,9 5,0 7,1 | 76,1 | 2,9 5,0 7,1 | 76 | 3,20 5,50 7,90 | |||
80 | 88,9 | 3,2 5,6 8,0 | 48,3 | 2,9 4,0 5,6 | 86 | 73 | 2,20 4,00 5,50 |
3,2 5,6 8,0 | 60,3 | 2,9 4,0 5,6 | 76 | 2,20 4,00 5,50 | |||
3,2 5,6 8,0 | 76,1 | 2,9 5,0 7,1 | 83 | 2,50 4,50 6,20 | |||
3,2 5,6 8,0 | 88,9 | 3,2 5,6 8,0 | 86 | 2,50 4,50 6,20 | |||
100 | 114,3 | 3,6 6,3 8,8 | 60,3 | 2,7 4,0 5,6 | 105 | 89 | 3,80 6,70 10,00 |
3,6 6,3 8,8 | 76,1 | 2,9 5,0 7,1 | 95 | 4,50 7,80 10,0 | |||
3,6 6,3 8,8 | 88,9 | 3,2 5,6 8,0 | 98 | 4,50 7,80 10,00 | |||
3,6 6,3 8,8 | 114,3 | 3,6 6,3 8,8 | 105 | 4,50 7,80 10,00 | |||
125 | 139,7 | 4,0 6,3 10,0 | 76,1 | 2,9 5,0 7,1 | 124 | 108 | 3,40 5,30 16,00 |
4,0 6,3 10,0 | 88,9 | 3,2 5,6 8,0 | 111 | 3,40 5,30 16,00 | |||
4,0 6,3 10,0 | 114,3 | 3,6 6,3 8,8 | 117 | 3,40 5,30 16,00 | |||
4,0 6,3 10,0 | 139,7 | 4,0 6,3 10,0 | 124 | 3,40 5,30 16,00 | |||
150 | 168,3 | 4,5 7,1 11,0 | 88,9 | 3,2 5,6 8,0 | 143 | 124 | 9,40 16,00 24,00 |
4,5 7,1 11,0 | 114,3 | 3,6 6,3 8,8 | 130 | 9,40 16,00 24,00 | |||
4,5 7,1 11,0 | 139,7 | 4,0 6,3 10,0 | 137 | 9,40 16,00 24,00 | |||
4,5 7,1 11,0 | 168,3 | 4,5 7,1 11,0 | 143 | 9,40 16,00 24,00 | |||
200 | 219,1 | 6,3 8,0 12,5 | 114,3 | 3,6 6,3 8,8 | 178 | 156 | 16,00 20,00 43,00 |
6,3 8,0 12,5 | 139,7 | 4,0 6,3 10,0 | 162 | 16,00 20,00 43,00 | |||
6,3 8,0 12,5 | 168,3 | 4,5 7,1 11,0 | 168 | 16,00 20,00 43,00 | |||
6,3 8,0 12,5 | 219,1 | 6,3 8,0 12,5 | 178 | 23,00 29,00 44,00 | |||
250 | 273,0 | 6,3 10,0 | 139,7 | 4,0 6,3 | 216 | 191 | 33,0 52,0 |
6,3 10,0 | 168,3 | 4,5 7,1 | 194 | 33,0 52,0 | |||
6,3 10,0 | 219,1 | 6,3 7,1 | 203 | 33,0 52,0 | |||
6,3 10,0 | 273,0 | 6,3 10,0 | 216 | 33,0 52,0 | |||
300 | 323,9 | 7,1 10,0 | 168,3 | 4,5 7,1 | 254 | 219 | 47,00 66,00 |
7,1 10,0 | 219,0 | 6,3 8,0 | 229 | 47,00 66,00 | |||
7,1 10,0 | 273,0 | 6,3 8,0 | 241 | 47,00 66,00 | |||
7,1 10,0 | 323,9 | 7,1 10,0 | 254 | 54,00 77,00 | |||
350 | 355,6 | 8,0 11,0 | 219,1 | 6,3 8,0 | 279 | 248 | - |
8,0 11,0 | 273,0 | 6,3 10,0 | 257 | ||||
8,0 11,0 | 323,9 | 7,1 10,0 | 270 | ||||
8,0 11,0 | 355,6 | 8,0 11,0 | 279 | 68,00 94,00 | |||
400 | 406,4 | 8,8 12,5 | 273,0 | 6,3 10,0 | 305 | 283 | - |
8,8 12,5 | 323,9 | 7,1 10,0 | 295 | ||||
8,8 12,5 | 355,6 | 8,0 10,0 | 305 | - | |||
8,8 12,5 | 406,4 | 8,8 12,5 | 88,00 131,00 | ||||
450 | 457,0 | 10,0 | 323,9 | 7,1 | 343 | 321 | - |
355,6 | 8,0 | 330 | |||||
355,6 | 11,0 | ||||||
406,4 | 8,8 | ||||||
457,0 | 10,0 | 343 | |||||
500 | 508,0 | 11,0 | 355,6 | 8,0 | 381 | 356 | - |
406,4 | 8,8 | ||||||
457,0 | 10,0 | 368 | |||||
508,0 | 11,0 | 381 | |||||
600 | 610,0 | 12,5 | 406,4 | 8,8 | 432 | 406 | |
457,0 | 10,0 | 419 | |||||
508,0 | 11,0 | 432 | |||||
610,0 | 12,5 | ||||||
700 | 711,0 | - | 711,0 | - | 521 | 521 | |
800 | 813,0 | 813,0 | 597 | 597 | |||
900 | 914,0 | 914,0 | 673 | 673 | |||
1000 | 1016,0 | 1016,0 | 749 | 749 | |||
Примечание - Масса приведена для справок. | |||||||
DN | D | T | D1 | T1 | F | H | r, не менее | Масса, кг |
40 | 45 | 2,5 4,0 5,0 | - | - | 40 | 40 | 5 | 0,3 0,4 0,4 |
50 | 57 | 3,0 4,0 5,0 | 45 | 2,5 3,0 4,0 | 50 | 45 | 0,4 0,6 0,7 | |
3,0 4,0 5,0 | - | - | 0,4 0,6 0,7 | |||||
65 | 76 | 3,5 6,0 7,0 | 45 | 2,5 4,0 5,0 | 65 | 60 | 0,8 1,4 1,6 | |
3,5 6,0 7,0 | 57 | 3,0 5,0 5,5 | 0,8 1,4 1,6 | |||||
3,5 6,0 7,0 | - | - | 0,8 1,4 1,6 | |||||
80 | 89 | 3,5 6,0 8,0 | 57 | 3,0 4,0 5,5 | 80 | 70 | 1,5 2,0 2,7 | |
3,5 6,0 8,0 | 76 | 3,5 6,0 7,0 | 1,5 2,0 2,7 | |||||
3,5 6,0 8,0 | - | - | 1,5 2,0 2,7 | |||||
100 | 108 | 4,0 6,0 8,0 9,0 | 76 | 3,5 5,0 6,0 7,0 | 100 | 80 | 2,2 3,3 4,5 4,9 | |
4,0 6,0 8,0 9,0 | 89 | 4,0 6,0 8,0 8,0 | 2,2 3,3 4,5 4,9 | |||||
4,0 6,0 8,0 9,0 | - | - | 2,2 3,3 4,5 4,9 | |||||
125 | 133 | 4,0 6,0 8,0 10,0 12,0 | 89 | 3,5 5,0 6,0 8,0 9,0 | 110 | 95 | 6 | 2,9 4,1 5,9 6,8 8,0 |
4,0 6,0 8,0 10,0 12,0 | 108 | 4,0 5,0 6,0 9,0 10,0 | 2,9 4,1 5,9 6,8 8,0 | |||||
4,0 6,0 8,0 10,0 12,0 | - | - | 2,9 4,1 5,9 6,8 8,0 | |||||
150 | 159 | 4,5 6,0 8,0 10,0 12,0 | 108 | 4,0 5,0 6,0 9,0 10,0 | 130 | 110 | 8 | 4,8 6,6 9,0 10,1 12,2 |
4,5 6,0 8,0 10,0 12,0 | 133 | 4,0 5,0 6,0 10,0 12,0 | 4,8 6,6 9,0 10,1 12,2 | |||||
4,5 6,0 8,0 10,0 12,0 | - | - | 4,8 6,6 9,0 10,1 12,2 | |||||
200 | 219 | 6,0 8,0 10,0 12,0 16,0 | 133 | 5,0 6,0 8,0 10,0 16,0 | 160 | 140 | 10 | 10,2 13,8 16,8 19,9 26,6 |
6,0 8,0 10,0 12,0 16,0 | 159 | 6,0 6,0 8,0 11,0 12,0 | 10,2 13,8 16,8 19,9 26,6 | |||||
6,0 8,0 10,0 12,0 16,0 | - | - | 10,2 13,8 16,8 19,9 26,6 | |||||
250 | 273 | 7,0 10,0 12,0 16,0 18,0 | 159 | 4,5 6,0 8,0 11,0 12,0 | 190 | 175 | 12 | 18,4 26,0 31,2 41,6 46,8 |
7,0 10,0 12,0 16,0 18,0 | 219 | 6,0 8,0 10,0 12,0 16,0 | 18,4 26,0 31,2 41,6 46,8 | |||||
7,0 10,0 12,0 16,0 18,0 | - | - | 18,4 26,0 31,2 41,6 46,8 | |||||
300 | 325 | 8,0 10,0 12,0 16,0 22,0 | 219 | 6,0 8,0 10,0 12,0 16,0 | 220 | 200 | 15 | 27,4 34,2 41,1 54,8 75,3 |
8,0 10,0 12,0 16,0 22,0 | 273 | 7,0 10,0 12,0 16,0 18,0 | 27,4 34,2 41,1 54,8 75,3 | |||||
8,0 10,0 12,0 16,0 22,0 | - | - | 27,4 34,2 41,1 54,8 75,3 | |||||
350 | 377 | 10,0 12,0 16,0 20,0 | 273 | 7,0 10,0 12,0 16,0 | 240 | 225 | 15 | 46,0 55,2 73,6 92,0 |
10,0 12,0 16,0 20,0 | 325 | 8,0 10,0 16,0 18,0 | 46,0 55,2 73,6 92,0 | |||||
10,0 12,0 16,0 20,0 | - | - | 46,0 55,2 73,6 92,0 | |||||
400 | 426 | 10,0 12,0 16,0 18,0 | 325 | 8,0 10,0 12,0 16,0 | 270 | 250 | 18 | 55,5 66,6 88,8 100,0 |
10,0 12,0 16,0 18,0 | 377 | 10,0 12,0 16,0 18,0 | 55,5 66,6 88,8 100,0 | |||||
10,0 12,0 16,0 18,0 | - | - | 55,5 66,6 88,8 100,0 | |||||
15 | 20 | 2,0 3,0 4,0 | - | - | 25 | 15 | 0,2 0,2 0,3 | |
(позиция введена Изменением N 1, введенным в действие Приказом Ростехрегулирования от 13.04.2007 N 63-ст) | ||||||||
20 | 25 | 2,0 3,0 4,0 | 20 | 2,0 3,0 4,0 | 29 | 20 | 0,3 0,3 0,4 | |
2,0 3,0 4,0 | - | - | 0,3 0,3 0,4 | |||||
(позиция введена Изменением N 1, введенным в действие Приказом Ростехрегулирования от 13.04.2007 N 63-ст) | ||||||||
25 | 32 | 2,0 3,0 4,0 | 20 | 2,0 3,0 4,0 | 38 | 25 | 3 | 0,3 0,4 0,4 |
2,0 3,0 4,0 | 25 | 2,0 3,0 4,0 | 0,3 0,4 0,4 | |||||
2,0 3,0 4,0 | - | - | 0,3 0,4 0,4 | |||||
(позиция введена Изменением N 1, введенным в действие Приказом Ростехрегулирования от 13.04.2007 N 63-ст) | ||||||||
32 | 38 | 2,0 3,0 4,0 | 20 | 2,0 3,0 4,0 | 32 | 32 | 4 | 0,3 0,4 0,4 |
2,0 3,0 4,0 | 25 | 2,0 3,0 4,0 | 0,3 0,4 0,4 | |||||
2,0 3,0 4,0 | 32 | 2,0 3,0 4,0 | 0,3 0,4 0,4 | |||||
2,0 3,0 4,0 | - | - | 0,3 0,4 0,4 | |||||
(позиция введена Изменением N 1, введенным в действие Приказом Ростехрегулирования от 13.04.2007 N 63-ст) | ||||||||
100 | 114 | 4,0 5,0 6,0 9,0 | 76 | 3,5 5,0 6,0 7,0 | 100 | 90 | 5 | 3,0 3,7 4,4 6,5 |
4,0 5,0 6,0 9,0 | 89 | 4,0 5,0 6,0 8,0 | 3,0 3,7 4,4 6,5 | |||||
4,0 5,0 6,0 9,0 | - | 4,0 5,0 6,0 9,0 | 3,0 3,7 4,4 6,5 | |||||
(позиция введена Изменением N 1, введенным в действие Приказом Ростехрегулирования от 13.04.2007 N 63-ст) | ||||||||
Примечания 1 Масса приведена для справок. 2 Масса соответствует тройникам, изготовляемым из труб с размерами D и T гидроштамповкой. При изготовлении другими способами и (или) из других заготовок массу устанавливает изготовитель. | ||||||||
УДК 621.643.4:006.354 | МКС 23.040.40 | ОКП 14 6800 | |
Ключевые слова: трубопроводы, детали трубопроводов, трубопроводные тройники, конструкция, размеры | |||