Главная // Актуальные документы // ГОСТ Р (Государственный стандарт)
СПРАВКА
Источник публикации
М.: ФГБУ "РСТ", 2022
Примечание к документу
Документ введен в действие с 01.03.2023.
Название документа
"ГОСТ Р ИСО 8362-6-2022. Национальный стандарт Российской Федерации. Первичная упаковка и укупорочные средства для инъекционных лекарственных форм. Часть 6. Колпачки комбинированные из алюминия и пластмассы для флаконов для инъекционных лекарственных форм"
(утв. и введен в действие Приказом Росстандарта от 12.09.2022 N 913-ст)

"ГОСТ Р ИСО 8362-6-2022. Национальный стандарт Российской Федерации. Первичная упаковка и укупорочные средства для инъекционных лекарственных форм. Часть 6. Колпачки комбинированные из алюминия и пластмассы для флаконов для инъекционных лекарственных форм"
(утв. и введен в действие Приказом Росстандарта от 12.09.2022 N 913-ст)


Содержание


Утвержден и введен в действие
Приказом Федерального агентства
по техническому регулированию
и метрологии
от 12 сентября 2022 г. N 913-ст
НАЦИОНАЛЬНЫЙ СТАНДАРТ РОССИЙСКОЙ ФЕДЕРАЦИИ
ПЕРВИЧНАЯ УПАКОВКА И УКУПОРОЧНЫЕ СРЕДСТВА
ДЛЯ ИНЪЕКЦИОННЫХ ЛЕКАРСТВЕННЫХ ФОРМ
ЧАСТЬ 6
КОЛПАЧКИ КОМБИНИРОВАННЫЕ ИЗ АЛЮМИНИЯ И ПЛАСТМАССЫ
ДЛЯ ФЛАКОНОВ ДЛЯ ИНЪЕКЦИОННЫХ ЛЕКАРСТВЕННЫХ ФОРМ
Primary packaging and container-closure system
for injectables. Part 6. Caps made of aluminium-plastics
combinations for injection vials
(ISO 8362-6:2010, Injections containers
and accessories - Part 6: Caps made of aluminium-plastics
combinations for injection vials, IDT)
ГОСТ Р ИСО 8362-6-2022
ОКС 11.040.20
Дата введения
1 марта 2023 года
Предисловие
1 ПОДГОТОВЛЕН Федеральным государственным автономным образовательным учреждением высшего образования "Первый Московский государственный медицинский университет имени И.М. Сеченова" Министерства здравоохранения Российской Федерации (Сеченовский Университет) на основе собственного перевода на русский язык англоязычной версии стандарта, указанного в пункте 4
2 ВНЕСЕН Техническим комитетом по стандартизации ТК 458 "Разработка, производство и контроль качества лекарственных средств"
3 УТВЕРЖДЕН И ВВЕДЕН В ДЕЙСТВИЕ Приказом Федерального агентства по техническому регулированию и метрологии от 12 сентября 2022 г. N 913-ст
4 Настоящий стандарт идентичен международному стандарту ИСО 8362-6:2010 "Контейнеры и укупорочные средства для инъекционных лекарственных форм. Часть 6. Колпачки комбинированные из алюминия и пластмассы для флаконов для инъекционных лекарственных форм" (ISO 8362-6:2010 "Injections containers and accessories - Part 6: Caps made of aluminium-plastics combinations for injection vials", IDT).
Наименование настоящего стандарта изменено относительно наименования указанного международного стандарта для приведения в соответствие с ГОСТ Р 1.5-2012 (пункт 3.5).
При применении настоящего стандарта рекомендуется использовать вместо ссылочных международных стандартов соответствующие им национальные и межгосударственные стандарты, сведения о которых приведены в дополнительном приложении ДА
5 ВВЕДЕН ВПЕРВЫЕ
Правила применения настоящего стандарта установлены в статье 26 Федерального закона от 29 июня 2015 г. N 162-ФЗ "О стандартизации в Российской Федерации". Информация об изменениях к настоящему стандарту публикуется в ежегодном (по состоянию на 1 января текущего года) информационном указателе "Национальные стандарты", а официальный текст изменений и поправок - в ежемесячном информационном указателе "Национальные стандарты". В случае пересмотра (замены) или отмены настоящего стандарта соответствующее уведомление будет опубликовано в ближайшем выпуске ежемесячного информационного указателя "Национальные стандарты". Соответствующая информация, уведомление и тексты размещаются также в информационной системе общего пользования - на официальном сайте Федерального агентства по техническому регулированию и метрологии в сети Интернет (www.rst.gov.ru)
Введение
Материалы, из которых производят первичную упаковку для инъекционных лекарственных форм (включая эластомерные материалы для пробок), представляют собой первичные упаковочные материалы, пригодные для хранения инъекционных лекарственных препаратов до момента их введения пациенту. Однако рассматриваемые в настоящем стандарте алюминиевые колпачки не относят к первичной упаковке, которая находится в непосредственном контакте с лекарственными препаратами.
1 Область применения
Настоящий стандарт устанавливает требования к комбинированным колпачкам из алюминия и пластмассы для флаконов для инъекционных лекарственных форм, произведенных по ИСО 8362-1 и ИСО 8362-4.
2 Нормативные ссылки
В настоящем стандарте использованы нормативные ссылки на следующие стандарты [для датированных ссылок применяют только указанное издание ссылочного стандарта, для недатированных - последнее издание (включая все изменения)]:
ISO 2768-1, General tolerances - Part 1: Tolerances for linear and angular dimensions without individual tolerance indications (Допуски общие. Часть 1. Допуски на линейные и угловые размеры без специального указания допусков)
ISO 2768-2 <1>, General tolerances - Part 2: Geometrical tolerances for features without individual tolerance indications (Допуски общие. Часть 2. Геометрические допуски на элементы без специального указания допусков)
--------------------------------
<1> Заменен на ISO 22081:2021.
ISO 8362-3, Injection containers and accessories - Part 3: Aluminium caps for injection vials (Контейнеры и укупорочные средства для инъекционных лекарственных форм. Часть 3. Колпачки алюминиевые для флаконов для инъекционных лекарственных форм)
ISO 8872:2003, Aluminium caps for transfusion, infusion and injection bottles - General requirements and test methods (Колпачки алюминиевые для бутылок для переливания крови, инфузионных и инъекционных лекарственных форм. Общие требования и методики испытаний)
ISO 10985, Caps made of aluminium-plastics combinations for infusion bottles and injection vials - Requirements and test methods (Колпачки комбинированные из алюминия и пластмассы для бутылок для инфузионных лекарственных форм и флаконов для инъекционных лекарственных форм. Требования и методики испытаний)
3 Типы колпачков
Выпускают колпачки следующих типов:
- тип ZB - колпачок алюминиевый с отверстием в центре и пластмассовым элементом;
- тип ZD - колпачок алюминиевый с полностью отрывным лепестком и пластмассовым элементом.
4 Размеры и допуски
4.1 Размеры
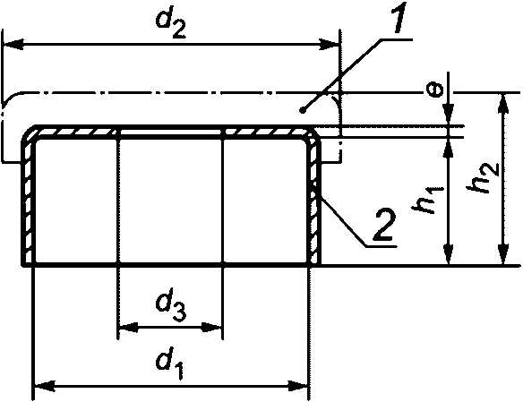
Колпачки с любым вариантом исполнения верхней части (плоские, кольцеобразные или другие) должны соответствовать размерам, приведенным на рисунке 1 и в таблице 1.
Примечание - Формы колпачков, указанные на рисунке 1, приведены в справочных целях.
Тип ZB
Тип ZD
1 - пластмассовый элемент; 2 - алюминиевый колпачок
по ИСО 8362-3; 3 - линия отметки
Рисунок 1 - Форма колпачка
Таблица 1
Размеры колпачка
В миллиметрах
Номинальный размер
d1
+0,1
0
d2 <a>
d3 <b>
e <c>
h1
+/- 0,2
h2 <d>
мин.
макс.
мин.
макс.
мин.
макс.
мин.
макс.
13
13,3
15
16
3
8
0,168
0,242
6,3
7,3
8,4
20
20,3
22,2
23,2
6
10
7,3
8,7
9,8
<a> Диаметр d2 должен быть согласован между производителем и потребителем. Он не должен отличаться от номинального значения более чем на +/- 0,25 мм. Пределы указаны без допусков.
<b> После удаления пластмассового элемента.
<c> Толщина e должна быть согласована между производителем и потребителем. Она не должна отличаться от номинального значения более чем на +/- 0,022 мм. Пределы указаны без допусков.
<d> Высота h2 должна быть согласована между производителем и потребителем. Она не должна отличаться от номинального значения более чем на +/- 0,3 мм. Пределы указаны без допусков.
4.2 Допуски
Допуски должны соответствовать ИСО 2768-1 и ИСО 2768-2.
5 Обозначение
Колпачки из алюминия и пластмассы обозначают согласно типу; условное обозначение должно содержать слово "колпачок", обозначение настоящего стандарта, за которым следуют буквы обозначения типа и номинальный размер колпачка.
Например, комбинированный колпачок из алюминия и пластмассы типа ZD, номинального размера 13, соответствующий настоящему стандарту, обозначают следующим образом:
Колпачок ГОСТ Р ИСО 8362-6-ZD - 13
6 Требования
6.1 Общие требования
6.1.1 Алюминиевые колпачки должны соответствовать ИСО 8362-3.
6.1.2 Пластмассовые элементы и комбинация пластмассового элемента и алюминиевого колпачка должны соответствовать ИСО 10985.
6.1.3 Конструктивные элементы во внутреннем пространстве алюминиевого колпачка не должны препятствовать обжиму флакона (герметизации).
6.2 Усилия, необходимые для удаления лепестка
6.2.1 Максимальное усилие, прилагаемое для отрывных элементов, не должно превышать значения, указанные в таблице 2.
Таблица 2
Усилие, необходимое для полного удаления
пластмассового элемента и отрывного лепестка
Усилие указано в ньютонах
Номинальный размер
Усилие для удаления пластмассового элемента (в соответствии с ИСО 10985), макс.
Усилие для полного удаления отрывного лепестка (в соответствии с ИСО 8872), макс.
13
25
30
20
35
40
6.2.2 Проверяемое при входном контроле минимальное значение усилия, необходимое для удаления лепестка, должно быть согласовано между производителем и потребителем. Колпачки также должны выдерживать процесс стерилизации согласно ИСО 8872:2003, 5.1.
7 Упаковка
Упаковка должна соответствовать требованиям, приведенным в ИСО 8872.
8 Маркировка
Маркировка должна соответствовать требованиям, приведенным в ИСО 8872 и разделе 5 настоящего стандарта в отношении обозначения.
Приложение ДА
(справочное)
СВЕДЕНИЯ О СООТВЕТСТВИИ ССЫЛОЧНЫХ МЕЖДУНАРОДНЫХ СТАНДАРТОВ
НАЦИОНАЛЬНЫМ И МЕЖГОСУДАРСТВЕННЫМ СТАНДАРТАМ
Таблица ДА.1
Обозначение ссылочного международного стандарта
Степень соответствия
Обозначение и наименование соответствующего национального, межгосударственного стандарта
ISO 2768-1
IDT
ГОСТ 30893.1-2002 (ИСО 2768-1-89) "Основные нормы взаимозаменяемости. Общие допуски. Предельные отклонения линейных и угловых размеров с неуказанными допусками"
ISO 2768-2
MOD
ГОСТ 30893.2-2002 (ИСО 2768-2-89) "Основные нормы взаимозаменяемости. Общие допуски. Допуски формы и расположения поверхностей, не указанные индивидуально"
ISO 8362-3
IDT
ГОСТ Р ИСО 8362-3-2019 "Емкости для инъекционных лекарственных средств и принадлежности к ним. Часть 3. Алюминиевые колпачки для инъекционных флаконов. Общие технические требования"
ISO 8872:2003
IDT
ГОСТ Р ИСО 8872-2021 "Колпачки алюминиевые для флаконов для трансфузий, инфузий и инъекций. Общие требования и методы испытаний"
ISO 10985
-
<*>
<*> Соответствующий национальный стандарт отсутствует. До его принятия рекомендуется использовать перевод на русский язык данного международного стандарта. Официальный перевод данного международного стандарта находится в Федеральном информационном фонде стандартов.
Примечание - В настоящей таблице использованы следующие условные обозначения степени соответствия стандартов:
- IDT - идентичные стандарты;
- MOD - модифицированный стандарт.
УДК 615.014.83:006.354
ОКС 11.040.20
Ключевые слова: первичная упаковка, лекарственные препараты, колпачки комбинированные из алюминия и пластмассы