Главная // Актуальные документы // ГОСТ Р (Государственный стандарт)СПРАВКА
Источник публикации
М.: ФГБУ "РСТ", 2022
Примечание к документу
Документ
введен в действие с 01.03.2023.
Название документа
"ГОСТ Р ИСО 8362-5-2022. Национальный стандарт Российской Федерации. Первичная упаковка и укупорочные средства для инъекционных лекарственных форм. Часть 5. Пробки для флаконов для лиофилизированных инъекционных лекарственных форм"
(утв. и введен в действие Приказом Росстандарта от 12.09.2022 N 912-ст)
"ГОСТ Р ИСО 8362-5-2022. Национальный стандарт Российской Федерации. Первичная упаковка и укупорочные средства для инъекционных лекарственных форм. Часть 5. Пробки для флаконов для лиофилизированных инъекционных лекарственных форм"
(утв. и введен в действие Приказом Росстандарта от 12.09.2022 N 912-ст)
Утвержден и введен в действие
по техническому регулированию
и метрологии
от 12 сентября 2022 г. N 912-ст
НАЦИОНАЛЬНЫЙ СТАНДАРТ РОССИЙСКОЙ ФЕДЕРАЦИИ
ПЕРВИЧНАЯ УПАКОВКА И УКУПОРОЧНЫЕ СРЕДСТВА
ДЛЯ ИНЪЕКЦИОННЫХ ЛЕКАРСТВЕННЫХ ФОРМ
ЧАСТЬ 5
ПРОБКИ ДЛЯ ФЛАКОНОВ ДЛЯ ЛИОФИЛИЗИРОВАННЫХ
ИНЪЕКЦИОННЫХ ЛЕКАРСТВЕННЫХ ФОРМ
Primary packaging and container-closure system
for injectables. Part 5. Freeze drying closures
for injection vials
(ISO 8362-5:2016, Injections containers and accessories -
Part 5: Freeze drying closures for injection vials, IDT)
ГОСТ Р ИСО 8362-5-2022
Дата введения
1 марта 2023 года
1 ПОДГОТОВЛЕН Федеральным государственным автономным образовательным учреждением высшего образования "Первый Московский государственный медицинский университет имени И.М. Сеченова" Министерства здравоохранения Российской Федерации (Сеченовский Университет) на основе собственного перевода на русский язык англоязычной версии стандарта, указанного в
пункте 4
2 ВНЕСЕН Техническим комитетом по стандартизации ТК 458 "Разработка, производство и контроль качества лекарственных средств"
3 УТВЕРЖДЕН И ВВЕДЕН В ДЕЙСТВИЕ
Приказом Федерального агентства по техническому регулированию и метрологии от 12 сентября 2022 г. N 912-ст
4 Настоящий стандарт идентичен международному стандарту ИСО 8362-5:2016 "Контейнеры и укупорочные средства для инъекционных лекарственных форм. Часть 5. Пробки для флаконов для лиофилизированных инъекционных лекарственных форм" (ISO 8362-5:2016 "Injections containers and accessories - Part 5: Freeze drying closures for injection vials", IDT).
Наименование настоящего стандарта изменено относительно наименования указанного международного стандарта для приведения в соответствие с ГОСТ Р 1.5-2012
(пункт 3.5).
При применении настоящего стандарта рекомендуется использовать вместо ссылочных международных стандартов соответствующие им национальные стандарты, сведения о которых приведены в дополнительном
приложении ДА
5 ВВЕДЕН ВПЕРВЫЕ
Правила применения настоящего стандарта установлены в статье 26 Федерального закона от 29 июня 2015 г. N 162-ФЗ "О стандартизации в Российской Федерации". Информация об изменениях к настоящему стандарту публикуется в ежегодном (по состоянию на 1 января текущего года) информационном указателе "Национальные стандарты", а официальный текст изменений и поправок - в ежемесячном информационном указателе "Национальные стандарты". В случае пересмотра (замены) или отмены настоящего стандарта соответствующее уведомление будет опубликовано в ближайшем выпуске ежемесячного информационного указателя "Национальные стандарты". Соответствующая информация, уведомление и тексты размещаются также в информационной системе общего пользования - на официальном сайте Федерального агентства по техническому регулированию и метрологии в сети Интернет (www.rst.gov.ru)
Пробки для лиофилизации устанавливают в стеклянной первичной упаковке (флаконах) после наполнения ее лекарственным препаратом, оставляя достаточное пространство для прохождения воздуха в процессе лиофилизации и вакуумирования. По окончании процесса сушки флаконы в вакуумной камере полностью укупоривают с помощью гидравлических или механических средств.
Во время транспортирования, хранения, циклов мойки и автоклавирования (стерилизации паром) пробки для лиофилизации могут поглощать воду, которую трудно удалить в последующем цикле сушки. Как следствие, используемые в технологическом процессе пробки для лиофилизации обычно содержат остаточную влагу. В зависимости от массы лиофилизированного продукта и степени его чувствительности к воде остаточная влага в резиновом материале пробки может привести к ненадлежащему качеству лиофилизированного препарата при хранении.
Эти особенности технологического процесса были учтены в настоящем стандарте путем установления соответствующих требований к пробкам для лиофилизации, включая оценку остаточной влаги (определение воды).
Компоненты первичной упаковки из эластомерных материалов являются неотъемлемой частью лекарственных препаратов и, таким образом, современные принципы надлежащей производственной практики (cGMP) применяются при производстве этих компонентов.
Принципы cGMP описаны, например, в ИСО 15378, Правилах GMP Европейского союза, США, Евразийского союза и др.
Настоящий стандарт устанавливает требования к форме, размерам, материалам, эксплуатационным характеристикам и обозначению типов пробок для флаконов для инъекционных лекарственных форм по ИСО 8362-1 и ИСО 8362-4, которые используются при лиофилизации лекарственных препаратов и биологических материалов.
Требования настоящего стандарта к размерам не распространяются на пробки с барьерным покрытием.
Пробки, описанные в настоящем стандарте, предназначены только для одноразового использования.
Примечание - На содержание действующего вещества, наличие примесей, стабильность и безопасность лекарственного препарата при его производстве и хранении существенное влияние могут оказывать свойства и характеристики первичной упаковки.
В настоящем стандарте использованы нормативные ссылки на следующие стандарты [для датированных ссылок применяют только указанное издание ссылочного стандарта, для недатированных - последнее издание (включая все изменения)]:
ISO 48 <1>, Rubber, vulcanized or thermoplastic - Determination of hardness (hardness between 10 IRHD and 100 IRHD) [Резина вулканизованная или термопластичная. Определение твердости (твердость от 10 IRHD до 100 IRHD)]
--------------------------------
<1> Заменен на ИСО 48-2:2018.
ISO 3302-1, Rubber - Tolerances for products - Part 1: Dimensional tolerances (Резина. Допуски на изделия. Часть 1. Допуски на размеры)
ISO 3302-2, Rubber - Tolerances for products - Part 2: Geometrical tolerances (Резина. Допуски на изделия. Часть 2. Геометрические допуски)
ISO 7619-1 <2>, Rubber, vulcanized or thermoplastic - Determination of indentation hardness - Part 1: Durometer method (Shore hardness) [Резина вулканизованная или термопластичная. Определение твердости при вдавливании. Часть 1. Метод с применением дюрометра (твердость по Шору)]
--------------------------------
<2> Заменен на ИСО 48-4:2018.
ISO 8871-1, Elastomeric parts for parenterals and for devices for pharmaceutical use - Part 1: Extractables in aqueous autoclavates (Эластомерные составляющие для парентеральных систем и изделий для фармацевтических целей. Часть 1. Вещества, экстрагируемые при автоклавировании)
ISO 8871-4, Elastomeric parts for parenterals and for devices for pharmaceutical use - Part 4: Biological requirements and test methods (Эластомерные составляющие для парентеральных систем и изделий для фармацевтических целей. Часть 4. Биологические требования и методы исследований)
ISO 8871-5:2005, Elastomeric parts for parenterals and for devices for pharmaceutical use - Part 5: Functional requirements and testing (Эластомерные составляющие для парентеральных систем и изделий для фармацевтических целей. Часть 5. Функциональные требования и методы исследований)
В настоящем стандарте применены следующие термины с соответствующими определениями:
3.1 лиофилизация (freeze drying, lyophilization): Процесс сушки, предназначенный для удаления растворителей из водных и неводных систем путем сублимации и десорбции.
3.2 пробки для лиофилизации (freeze drying closure): Укупорочные средства (пробки), позволяющие осуществлять сушку лекарственных препаратов в вакуумной камере (под вакуумом).
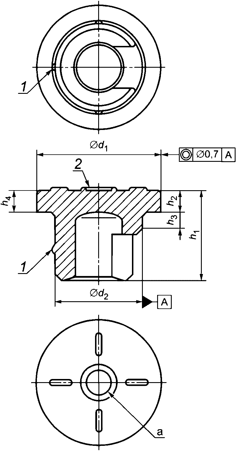
4.1 Размеры пробок для лиофилизации приведены в
таблице 1, общая конструкция пробки для лиофилизации приведена на
рисунке 1.
Таблица 1
Размеры пробок для лиофилизации
Номинальный размер | d1 +/- 0,2 | d2 <a> мин. | h2 +/- 0,25 | h3 мин. | h4 мин. |
13 | 12,5 | 7,5 | 2,0 | 2,0 | 1,8 |
20 | 18,8 | 13,0 | 3,3 | 2,0 | 2,0 |
<a> Значение диаметра d2 применяется в той области, которая определяется высотой h3. |
1 - позиционирующий элемент; 2 - прокладка
--------------------------------
<a> Внутренний диаметр пробки не должен превышать размер внутреннего просвета горловины флакона.
Примечание - Общая высота пробки для лиофилизации h1, может быть различной и подлежит согласованию между производителем и пользователем.
Рисунок 1 - Пример пробки для лиофилизации
4.2 Если не указано иное, общие допуски на размеры соответствуют ИСО 3302-1 и ИСО 3302-2.
4.3 Прокладки, расположенные на верхней части фланца пробки, не должны накладываться на метки, обозначающие область прокола (см.
рисунок 1). Высота прокладок не должна превышать 0,3 мм.
Примечание - Прокладки на
рисунке 1 приведены только в справочных целях и не входят в требования настоящего стандарта.
На верхней поверхности фланца пробки могут быть размещены маркировочные знаки или гравировка (выдавленные символы).
4.4 Если фланец имеет конусообразную форму, скос может превышать общий диаметр не более чем на 0,3 мм, чтобы не усложнять производство. Допуски на обрезные края фланца должны соответствовать допускам, установленным в
таблице 1 для диаметра
d1.
4.5 Ножка пробки должна иметь прорези, каналы или другие соответствующие элементы и выступающие или позиционирующие элементы на внешней стороне, которые позволяют устанавливать пробку во флаконе в положении для сушки (наполовину) во время процесса лиофилизации.
4.6 Конструкция позиционирующего элемента для надежного удержания пробки для лиофилизации в положении для сушки не должна препятствовать полной укупорке флакона.
4.7 Конструкция фланца в сочетании с конструкцией ножки пробки должны обеспечивать как растворение лиофилизированного продукта соответствующим растворителем, так и извлечение растворенного продукта из флакона с помощью прокалывающего устройства.
4.8 Пробка для лиофилизации должна быть сконструирована и произведена таким образом, чтобы можно было визуально контролировать набор в шприц приготовленного лекарственного препарата с помощью иглы для подкожных инъекций и свести к минимуму количество, остающееся во флаконе.
4.9 Если пробки для лиофилизации устанавливаются во флаконы перед процессом лиофилизации и такие флаконы транспортируются до места проведения лиофилизации, то пробки должны обладать достаточной устойчивостью к ударам и вибрации, чтобы в обычных производственных условиях они оставались во флаконах и не деформировались.
Пробку для флаконов для лиофилизируемых инъекционных лекарственных форм обозначают "пробка для лиофилизации" с указанием номера настоящего стандарта и номинального размера.
Пример:
Пробку для лиофилизации номинального размера 13, соответствующую настоящему стандарту, обозначают следующим образом:
Пробка для лиофилизации по ГОСТ Р ИСО 8362.5 - 13.
6 Требования к материалу пробки
Используемый эластомерный материал должен соответствовать требованиям, указанным в
разделе 7.
Эластомерный материал должен выдерживать два стерилизационных цикла методом автоклавирования насыщенным паром при температуре (121 +/- 2) °C в течение 30 мин с сохранением соответствия всем установленным требованиям и эксплуатационных характеристик при обычном использовании. В случае применения других методов стерилизации, например радиационной стерилизации, необходимо оценивать пригодность материала для укупорки лекарственных препаратов.
Процесс сушки следует оценивать в рамках проверки эксплуатационных характеристик материала (см.
7.2.7) для обеспечения требований в отношении остаточной влаги (содержание воды).
Пробки должны быть произведены из эластомерного состава, предварительно испытанного и утвержденного производителем лекарственных препаратов. Производитель пробок должен обеспечить соответствие каждой поставки типовому образцу, а также соответствие предварительно согласованным функциональным и фармакопейным требованиям.
Примечание - В настоящее время предпочтение отдают эластомерным материалам, в которых в качестве базового полимера используются прямые или галогенированные бутилкаучуки, поскольку этот класс материалов обладает отличной барьерной функцией против проникновения водяного пара и газа.
7 Требования к характеристикам
7.1 Общие требования
Требования, указанные в
7.2 -
7.4 представляют собой минимальный объем требований, которым должны соответствовать полимерные пробки при входном контроле пользователем.
7.2 Физические требования
7.2.1 Твердость
Допускается отклонение согласованной между производителем и потребителем твердости по Шору типа A не более чем на +/- 5 единиц от номинального значения при испытании по ИСО 7619-1 специального испытуемого образца. Альтернативно, твердость пробок может быть определена по ИСО 48. При испытании по ИСО 48 микротвердость не должна отличаться более чем на +/- 5 международных единиц твердости резины IRHD от типового образца.
7.2.2 Пенетрация иглой
Применяют требования ИСО 8871-5:2005, 4.1.
7.2.3 Фрагментация
Применяют требования ИСО 8871-5:2005, 4.2.
7.2.4 Испытания на самогерметизацию и герметичность водным раствором
Применяют требования ИСО 8871-5:2005, 4.3.
7.2.5 Испытание на герметичность водным раствором
Применяют требования ИСО 8871-5:2005, 4.4. Если испытуемый образец соответствует
7.2.4, то он будет соответствовать и требованиям данного пункта, и проведение отдельного испытания не требуется.
7.2.6 Устойчивость к старению
Максимальное допустимое время между датой производства пробок и их использованием в фармацевтическом производстве следует согласовывать между производителем и потребителем.
Пробки должны сохранять свои эксплуатационные характеристики в течение всего срока годности лекарственного препарата. Срок годности определяется по результатам исследования стабильности препарата, проводимого пользователем.
Примечание - Старение зависит от условий хранения и обращения. Руководство по хранению вулканизованной резины приведено в ИСО 2230.
Поскольку воздействие сухого тепла может повредить эластомерный материал, по запросу производитель пробок должен предоставить рекомендации относительно времени и температуры (температурно-временной профиль) обработки, с помощью которых потребитель может уменьшить остаточную влагу пробок для лиофилизации и добиться соответствия заранее установленного требования в отношении остаточной влаги (содержания воды) в них.
Содержание воды (остаточную влагу) определяют в соответствии с
приложением A.
7.3 Химические требования
Применяют требования ИСО 8871-1.
7.4 Биологические требования
Применяют требования ИСО 8871-4.
7.5 Требования к содержанию механических включений
Пробки должны быть изготовлены таким образом, чтобы свести к минимуму наличие механических включений. Технические условия и метод следует согласовать между производителем пробок и пользователем. Рекомендуется проводить испытание пробок согласно ИСО 8871-3.
На упаковку с пробками, соответствующими требованиям настоящего стандарта, может быть нанесена этикетка с обозначением (см.
раздел 5).
(справочное)
ОПРЕДЕЛЕНИЕ ВОДЫ (ОСТАТОЧНОЙ ВЛАГИ)
A.1 Принцип
Испытуемый эластомерный материал нагревают в потоке азота в сушильном пистолете. Выпаренную воду пропускают в ячейку титрования, где количество воды определяют кулонометрически.
A.2 Оборудование
A.2.1 Титратор кулонометрический по Карлу Фишеру.
A.2.2 Пистолет сушильный с системой регулирования температуры нагрева от 110 °C до 150 °C.
A.2.3 Баллон с азотом, с картриджем, содержащим молекулярное сито.
A.2.4 Лодочка для взвешивания из нержавеющей стали.
A.2.5 Весы аналитические с точностью измерения до 0,1 мг.
A.3 Реактивы
Реактивы должны соответствовать требованиям, указанным в руководстве по эксплуатации титратора.
A.3.1 Тартрат натрия или его эквивалент с известным содержанием воды (стандартный образец).
A.3.2 Контрольный раствор, 1% (по массе) водный в органическом растворителе.
A.4 Методика
A.4.1 Подготовка оборудования
Оборудование настраивают в соответствии с руководством по эксплуатации. Нагрев сушильного пистолета доводят до температуры (140 +/- 2) °C и продувают его азотом при подходящей скорости потока.
Проводят проверку работы прибора, в частности, проверяют:
- низкий дрейф холостой пробы;
- правильное определение содержания воды в контрольном растворе;
- плато кумулятивной кривой вода/время при прогоне холостой пробы;
- правильное определение содержания воды в тартрате натрия.
Прибор рекомендуется проверять ежедневно.
A.4.2 Подготовка образца
A.4.2.1 Общие требования
При работе с пробками используют пинцеты или одноразовые перчатки.
Необработанные пробки хранят в оригинальной упаковке, а обработанные - в герметичных сосудах с как можно меньшим свободным пространством.
Работу с пробками проводят при температуре (23 +/- 2) °C и относительной влажности (50 +/- 5)% (см. ИСО 554).
A.4.2.2 Подготовка эластомерного материала к определению
Отбирают не менее 10 пробок и от фланца каждой пробки отрезают вдоль перпендикулярной плоскости не менее одного сегмента таким образом, чтобы длина сегмента составляла приблизительно от 4 до 7 мм (см.
рисунок A.1).
Рисунок A.1 - Отрезание сегментов от пробок
Полученные ото всех пробок сегменты помещают в лодочку для взвешивания. Полученные образцы взвешивают с точностью до 0,1 мг. Подходящее для испытания количество эластомерного материала зависит от содержания воды и испытуемых образцов (см.
A.6).
A.4.3 Проведение испытания
Непосредственно после взвешивания сегменты помещают в сушильный пистолет и начинают испытание.
Получаемые значения содержания воды регистрируют в виде кумулятивной кривой зависимости содержания воды от времени до достижения плато кривой. Рекомендуется проводить испытание дважды.
A.5 Обработка и оформление результатов
A.5.1 Экстраполяция
На
рисунке A.2 схематически показана кумулятивная кривая, регистрируемая в ходе испытания.
Для экстраполяции используют линию, проведенную через значения, например, 90 мин, 85 мин, 80 мин, 75 мин и 70 мин.
По графику находят содержание воды в микрограммах путем экстраполяции кривой, как показано на
рисунке A.2.
X - время, в минутах; Y - содержание воды, в микрограммах
--------------------------------
<a> Содержание воды в образце в микрограммах, полученное экстраполяцией кривой.
<b> Линия, полученная экстраполяцией.
Рисунок A.2 - Кумулятивная кривая вода/время
A.5.2 Выражение результатов
Содержание воды
W, указывают в процентах от массы сегментов пробок в сушильном пистолете, как указано в
формуле (A.1):

, (A.1)
где m1 - масса воды в микрограммах, определенная экстраполяцией кривой;
m2 - масса сегментов пробки в сушильном пистолете, в миллиграммах.
A.6 Комментарии и ограничения
A.6.1 Постоянное уменьшение наклона в конечной части кривой может быть результатом следующих факторов:
- дрейф прибора, включая остаточную влагу в газе-носителе;
- побочные реакции с летучими веществами или продуктами разложения испытуемого материала;
- медленная диффузия из внутренней области испытуемых частей пробки.
Обратная экстраполяция компенсирует эффекты дрейфа и других воздействий.
Медленную диффузию предупреждают путем минимизации толщины испытуемого материала.
A.6.2 Для ожидаемого содержания воды (остаточная влага) в диапазоне от 0,1% до 1,5% подходящая масса образца составляет от 200 до 400 мг, что соответствует диапазону от 500 до 3000 мкг воды.
(справочное)
СВЕДЕНИЯ О СООТВЕТСТВИИ ССЫЛОЧНЫХ МЕЖДУНАРОДНЫХ
СТАНДАРТОВ НАЦИОНАЛЬНЫМ СТАНДАРТАМ
Таблица ДА.1
Обозначение ссылочного международного стандарта | Степень соответствия | Обозначение и наименование соответствующего национального стандарта |
ISO 48 | - | |
ISO 3302-1 | - | |
ISO 3302-2 | - | |
ISO 7619-1 | - | ГОСТ Р ИСО 7619-1-2009 "Резина вулканизованная или термопластичная. Определение твердости при вдавливании. Часть 1. Метод с применением дюрометра (твердость по Шору)" |
ISO 8871-1 | IDT | ГОСТ Р ИСО 8871-1-2010 "Эластомерные составляющие для парентеральных систем и изделий для фармацевтических целей. Часть 1. Вещества, экстрагируемые при автоклавировании" |
ISO 8871-4 | IDT | ГОСТ Р ИСО 8871-4-2010 "Эластомерные составляющие для парентеральных систем и изделий для фармацевтических целей. Часть 4. Биологические требования и методы исследований" |
ISO 8871-5:2005 | IDT | ГОСТ Р ИСО 8871-5-2010 "Эластомерные составляющие для парентеральных систем и изделий для фармацевтических целей. Часть 5. Функциональные требования и методы исследований" |
<*> Соответствующий национальный стандарт отсутствует. До его принятия рекомендуется использовать перевод на русский язык данного международного стандарта. Официальный перевод данного международного стандарта находится в Федеральном информационном фонде стандартов. Примечание - В настоящей таблице использовано следующее условное обозначение степени соответствия стандартов: - IDT - идентичные стандарты. |
[1] | | Standard atmospheres for conditioning and/or testing - Specifications [Атмосферы стандартные для кондиционирования и (или) испытаний. Технические требования] |
[2] | ISO 2230 | Rubber products - Guidelines for storage (Изделия резиновые. Руководство по хранению) |
[3] | ISO 15378 | Primary packaging materials for medicinal products - Particular requirements for the application of ISO 9001:2000, with reference to Good Manufacturing Practice (GMP). [Первичные упаковочные материалы для лекарственных средств - Частные требования по применению ИСО 9001:2000 с учетом надлежащей производственной практики (GMP)] |
--------------------------------
УДК 615.014.83:006.354 | |
Ключевые слова: укупорочные средства, лекарственные препараты, пробки для лиофилизированных инъекционных лекарственных форм |