Главная // Актуальные документы // ГОСТ Р (Государственный стандарт)
СПРАВКА
Источник публикации
М.: ФГБУ "РСТ", 2022
Примечание к документу
Документ введен в действие с 01.07.2022.
Название документа
"ГОСТ Р 70012-2022. Национальный стандарт Российской Федерации. Инвентарь для мас-рестлинга. Требования и методы испытаний"
(утв. и введен в действие Приказом Росстандарта от 15.02.2022 N 69-ст)


"ГОСТ Р 70012-2022. Национальный стандарт Российской Федерации. Инвентарь для мас-рестлинга. Требования и методы испытаний"
(утв. и введен в действие Приказом Росстандарта от 15.02.2022 N 69-ст)


Содержание


Утвержден и введен в действие
Приказом Федерального
агентства по техническому
регулированию и метрологии
от 15 февраля 2022 г. N 69-ст
НАЦИОНАЛЬНЫЙ СТАНДАРТ РОССИЙСКОЙ ФЕДЕРАЦИИ
ИНВЕНТАРЬ ДЛЯ МАС-РЕСТЛИНГА
ТРЕБОВАНИЯ И МЕТОДЫ ИСПЫТАНИЙ
Mas-wrestling equipment. Requirements and test methods
ГОСТ Р 70012-2022
ОКС 97.220.30
Дата введения
1 июля 2022 года
Предисловие
1 РАЗРАБОТАН Ассоциацией Саморегулируемой организацией "Отраслевое объединение национальных производителей в сфере физической культуры и спорта "Промспорт" (СРО "Промспорт")
2 ВНЕСЕН Техническим комитетом по стандартизации ТК 444 "Спортивные и туристские изделия, оборудование, инвентарь, физкультурные и спортивные услуги"
3 УТВЕРЖДЕН И ВВЕДЕН В ДЕЙСТВИЕ Приказом Федерального агентства по техническому регулированию и метрологии от 15 февраля 2022 г. N 69-ст
4 ВВЕДЕН ВПЕРВЫЕ
Правила применения настоящего стандарта установлены в статье 26 Федерального закона от 29 июня 2015 г. N 162-ФЗ "О стандартизации в Российской Федерации". Информация об изменениях к настоящему стандарту публикуется в ежегодном (по состоянию на 1 января текущего года) информационном указателе "Национальные стандарты", а официальный текст изменений и поправок - в ежемесячном информационном указателе "Национальные стандарты". В случае пересмотра (замены) или отмены настоящего стандарта соответствующее уведомление будет опубликовано в ближайшем выпуске ежемесячного информационного указателя "Национальные стандарты". Соответствующая информация, уведомление и тексты размещаются также в информационной системе общего пользования - на официальном сайте Федерального агентства по техническому регулированию и метрологии в сети Интернет (www.rst.gov.ru)
1 Область применения
Настоящий стандарт устанавливает требования и методы испытаний инвентаря для мас-рестлинга (далее - инвентарь), применяемых при проведении соревнований.
2 Нормативные ссылки
В настоящем стандарте использованы нормативные ссылки на следующие стандарты:
ГОСТ 166 (ИСО 3599-76) Штангенциркули. Технические условия
ГОСТ 427 Линейки измерительные металлические. Технические условия
ГОСТ 7502 Рулетки измерительные металлические. Технические условия
ГОСТ 10354 Пленка полиэтиленовая. Технические условия
Примечание - При пользовании настоящим стандартом целесообразно проверить действие ссылочных стандартов в информационной системе общего пользования - на официальном сайте Федерального агентства по техническому регулированию и метрологии в сети Интернет или по ежегодному информационному указателю "Национальные стандарты", который опубликован по состоянию на 1 января текущего года, и по выпускам ежемесячного информационного указателя "Национальные стандарты" за текущий год. Если заменен ссылочный стандарт, на который дана недатированная ссылка, то рекомендуется использовать действующую версию этого стандарта с учетом всех внесенных в данную версию изменений. Если заменен ссылочный стандарт, на который дана датированная ссылка, то рекомендуется использовать версию этого стандарта с указанным выше годом утверждения (принятия). Если после утверждения настоящего стандарта в ссылочный стандарт, на который дана датированная ссылка, внесено изменение, затрагивающее положение, на которое дана ссылка, то это положение рекомендуется применять без учета данного изменения. Если ссылочный стандарт отменен без замены, то положение, в котором дана ссылка на него, рекомендуется применять в части, не затрагивающей эту ссылку.
3 Термины и определения
В настоящем стандарте применены следующие термины с соответствующими определениями:
3.1 мас: Спортивный снаряд в виде вытянутого цилиндра.
3.2 тэбилик: Устройство, состоящее из доски упора и боковых опор.
3.3 дабаан: Площадка для проведения соревнований, состоящая из зоны борьбы и зоны безопасности оборудованная разметкой и тэбилик в соответствии с правилами мас-рестлинга.
4 Требования
4.1 Требования к конструкции и основные размеры
4.1.1 Требования к конструкции и основные размеры мас
Мас изготовляют цельным изделием, допускается сборное, состоящее из штыря и втулок.
Мас должен иметь форму цилиндра, торцы должны быть закруглены, радиус закругления - не менее 3 мм. Мас может иметь внутренний стержень или полость, в этом случае на торцах должен быть надежно зафиксированный защитный колпачок.
Мас изготовляют длиной не менее 400 и не более 550 мм, диаметром не менее 32 и не более 38 мм.
Мас должен иметь отметку центра в виде кольца шириной (10,0 +/- 0,5) мм.
Схема мас показана на рисунке 1.
1 - отметка центра мас
Рисунок 1 - Мас
Мас должен выдерживать нагрузку не менее 800 Н.
4.1.2 Требования к конструкции и основные размеры тэбилик
Тэбилик состоит из доски упора и двух боковых опор.
Доска упора должна быть прямой. Боковые торцы доски должны иметь узлы для соединения с боковыми опорами. Нижняя часть доски должна быть ровной, без закруглений. На доске упора с двух боковых сторон должна быть нанесена разметка центральной зоны шириной (1000 +/- 2) мм. Верхняя часть кромки доски должна иметь радиус закругления не менее 5 мм. Доски упора изготовляют длиной (2000 +/- 3) мм, высотой (240 +/- 2) мм, толщиной (60 +/- 1) мм. Схема доски упора показана на рисунке 2.
1 - центральная зона доски упора
Рисунок 2 - Доска упора
Боковые опоры не должны иметь острых выступов, края должны быть закруглены, радиус закругления не менее 5 мм. Боковые опоры должны иметь жесткую фиксацию к доске упора под углом 90°. Боковые опоры соединяют с дабаан с помощью крепежных деталей. Размеры боковых опор длиной (480 +/- 2) мм, высотой (240 +/- 2) мм и толщиной (200 +/- 2) мм.
Схема боковых опор показана на рисунке 3.
Рисунок 3 - Боковая опора
Тэбилик должен, выдерживать нагрузку не менее 1500 Н.
4.1.3 Требования к конструкции и основные размеры дабаан
Дабаан представляет собой ровную поверхность, состоящую из зоны борьбы, разделенную тэбилик на две части, имеющие красный и синий цвет, и зону безопасности, имеющую цвет, отличный от цветов зоны борьбы.
Размеры зоны борьбы:
- размер дабаан - (6000 x 6000 +/- 3) мм;
- длина зоны борьбы - (4000 +/- 3) мм;
- ширина зоны борьбы (2400 +/- 3) мм.
Поверхность дабаан должна быть ровной и горизонтальной, допустимый уклон поверхности не более 1%.
Плоскость зоны борьбы может быть расположена выше плоскости зоны безопасности не более 20 мм.
Схема дабаан показана на рисунке 4.
1 - зона борьбы; 2 - зона безопасности
Рисунок 4 - Дабаан
4.2 Технические требования
4.2.1 Мас, тэбилик, дабаан должны соответствовать требованиям настоящего стандарта, технических документов (паспортов на изделия).
4.2.2 На поверхности мас, тэбилик, дабаан не должно быть неровностей или дефектов в виде вмятин, трещин, царапин, сколов, шероховатостей и заусенцев.
4.2.3 Для изготовления мас, тэбилик, дабаан разрешено использование дерева, металла, композитных материалов или их комбинаций.
4.2.4 Доску упора изготавливают с узлом, который прочно прикрепляют к боковым опорам. Соединение боковых опор и настила без перекосов и смещений и должно выдерживать механические нагрузки на вырывание и смещение.
5 Методы испытаний
5.1 Линейные измерения осуществляют средствами измерений второго класса точности по ГОСТ 166, ГОСТ 427, ГОСТ 7502.
5.2 Мас располагают на двух шаровых опорах, расстояние между которыми составляет (320 +/- 2) мм. По центру мас устанавливают шток разрывной машины, через который прикладывают нагрузку со скоростью (60 +/- 5) мм/мин в течение 60 с. Схема испытания мас показана на рисунке 5.
1 - опора шаровая; 2 - шток; 3 - проставка резиновая;
4 - мас; P - прикладываемая нагрузка
Рисунок 5 - Схема определения прочности мас
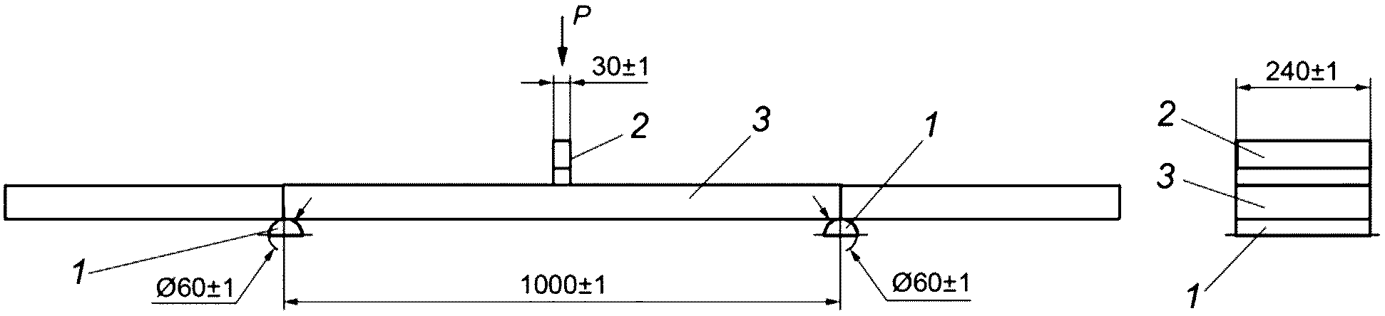
5.3 Доску упора располагают на двух опорах, расстояние между которыми (1000 +/- 1) мм. По центру изделия устанавливают шток разрывной машины, через который прикладывают нагрузку со скоростью (100 +/- 5) мм/мин в течение 60 с. Схема испытания доски упора показана на рисунке 6.
1 - опора; 2 - шток; 3 - доска упора;
P - прикладываемая нагрузка
Рисунок 6 - Схема определения прочности доски упора
6 Маркировка, упаковка, транспортирование и хранение
6.1 На каждое изделие наносят маркировку предприятия-изготовителя. Маркировка должна быть четкой, легко читаемой и содержать логотип изготовителя, изделие также может содержать сведения о размерах и технических характеристиках.
6.2 Инвентарь должен быть упакован в пленку по ГОСТ 10354 или другие материалы, обеспечивающие защиту при транспортировке и хранении.
6.3 Упакованный инвентарь следует транспортировать при температуре не ниже минус 30 °C в крытых транспортных средствах всеми видами транспорта в соответствии с правилами перевозки грузов, действующими на каждом виде транспорта.
6.4 Упакованный инвентарь следует хранить в складских условиях грузоотправителя и грузополучателя, обеспечивающих сохранность от механических воздействий, загрязнений, действия агрессивных сред и прямых солнечных лучей, на расстоянии не менее 1 м от нагревательных приборов при температуре не ниже 5 °C и не выше 30 °C и нормальной влажности воздуха.
7 Информация, предоставляемая изготовителем
Мас, тэбилик, дабаан поставляют с руководством по эксплуатации, содержащим:
- наименование изделия;
- название изготовителя и его почтовый адрес;
- месяц и год выпуска;
- краткую инструкцию по применению;
- инструкции по сборке и установке тэбилик;
- рекомендованные ограничения по транспортировке, хранению и применению, в том числе условия использования на открытом воздухе, температуре, влажности, эксплуатационный ресурс;
- описание запасных частей и правила их замены, инструкции для обслуживания, эксплуатации и хранению изделий;
- обозначение настоящего стандарта.
УДК 796.85:006.354
ОКС 97.220.30
Ключевые слова: мас-рестлинг, мас, тэбилик, дабаан, зона борьбы, зона безопасности