Главная // Актуальные документы // ГОСТ Р (Государственный стандарт)
СПРАВКА
Источник публикации
М.: ФГБУ "РСТ", 2022
Примечание к документу
Документ введен в действие с 01.07.2022.

Взамен ГОСТ Р 55670-2013.
Название документа
"ГОСТ Р 55670-2021. Национальный стандарт Российской Федерации. Маты спортивные. Методы определения демпфирующих свойств"
(утв. и введен в действие Приказом Росстандарта от 29.12.2021 N 1883-ст)


"ГОСТ Р 55670-2021. Национальный стандарт Российской Федерации. Маты спортивные. Методы определения демпфирующих свойств"
(утв. и введен в действие Приказом Росстандарта от 29.12.2021 N 1883-ст)


Содержание


Утвержден и введен в действие
Приказом Федерального агентства
по техническому регулированию
и метрологии
от 29 декабря 2021 г. N 1883-ст
НАЦИОНАЛЬНЫЙ СТАНДАРТ РОССИЙСКОЙ ФЕДЕРАЦИИ
МАТЫ СПОРТИВНЫЕ
МЕТОДЫ ОПРЕДЕЛЕНИЯ ДЕМПФИРУЮЩИХ СВОЙСТВ
Sports mats. Methods for determination of shock absorption
(EN 12503-4:2016, NEQ)
ГОСТ Р 55670-2021
ОКС 97.220.30
Дата введения
1 июля 2022 года
Предисловие
1 РАЗРАБОТАН Ассоциацией Саморегулируемой организацией "Отраслевое объединение национальных производителей в сфере физической культуры и спорта "Промспорт" (СРО "Промспорт") при участии Федерального государственного бюджетного учреждения "Федеральный научный центр физической культуры и спорта" (ФГБУ ФНЦ ВНИИФК)
2 ВНЕСЕН Техническим комитетом по стандартизации ТК 444 "Спортивные и туристские изделия, оборудование, инвентарь, физкультурные и спортивные услуги"
3 УТВЕРЖДЕН И ВВЕДЕН В ДЕЙСТВИЕ Приказом Федерального агентства по техническому регулированию и метрологии от 29 декабря 2021 г. N 1883-ст
4 Настоящий стандарт разработан с учетом основных нормативных положений европейского стандарта ЕН 12503-4:2016 "Маты спортивные. Часть 4. Определение демпфирующих свойств" (EN 12503-4:2016 "Sports mats - Part 4: Determination of shock absorption", NEQ)
5 ВЗАМЕН ГОСТ Р 55670-2013
Правила применения настоящего стандарта установлены в статье 26 Федерального закона от 29 июня 2015 г. N 162-ФЗ "О стандартизации в Российской Федерации". Информация об изменениях к настоящему стандарту публикуется в ежегодном (по состоянию на 1 января текущего года) информационном указателе "Национальные стандарты", а официальный текст изменений и поправок - в ежемесячном информационном указателе "Национальные стандарты". В случае пересмотра (замены) или отмены настоящего стандарта соответствующее уведомление будет опубликовано в ближайшем выпуске ежемесячного информационного указателя "Национальные стандарты". Соответствующая информация, уведомление и тексты размещаются также в информационной системе общего пользования - на официальном сайте Федерального агентства по техническому регулированию и метрологии в сети Интернет (www.rst.gov.ru)
1 Область применения
Настоящий стандарт содержит метод испытаний для определения демпфирующих свойств спортивных матов типов с 1-го по 12-й по классификации, приведенной в ГОСТ Р 55667, ГОСТ Р 55668, ГОСТ Р 55669.
2 Нормативные ссылки
В настоящем стандарте использованы нормативные ссылки на следующие стандарты:
ГОСТ 10180 Бетоны. Методы определения прочности по контрольным образцам
ГОСТ Р 55667 Маты спортивные. Маты гимнастические. Требования безопасности
ГОСТ Р 55668 Маты спортивные. Маты для приземления при прыжках с шестом и прыжках в высоту. Требования безопасности
ГОСТ Р 55669 Маты спортивные. Часть 3. Маты для борьбы дзюдо. Требования безопасности
ГОСТ Р ЕН 1177 Покрытия игровых площадок ударопоглощающие. Определение критической высоты падения
Примечание - При пользовании настоящим стандартом целесообразно проверить действие ссылочных стандартов в информационной системе общего пользования - на официальном сайте Федерального агентства по техническому регулированию и метрологии в сети Интернет или по ежегодному информационному указателю "Национальные стандарты", который опубликован по состоянию на 1 января текущего года, и по выпускам ежемесячного информационного указателя "Национальные стандарты" за текущий год. Если заменен ссылочный стандарт, на который дана недатированная ссылка, то рекомендуется использовать действующую версию этого стандарта с учетом всех внесенных в данную версию изменений. Если заменен ссылочный стандарт, на который дана датированная ссылка, то рекомендуется использовать версию этого стандарта с указанным выше годом утверждения (принятия). Если после утверждения настоящего стандарта в ссылочный стандарт, на который дана датированная ссылка, внесено изменение, затрагивающее положение, на которое дана ссылка, то это положение рекомендуется применять без учета данного изменения. Если ссылочный стандарт отменен без замены, то положение, в котором дана ссылка на него, рекомендуется применять в части, не затрагивающей эту ссылку.
3 Описание метода испытания
Индентор падает на верхнюю сторону испытуемого мата, во время удара регистрируется отрицательное ускорение. Сигнал ускорения обрабатывают, рассчитывая параметры силы удара.
4 Испытующее оборудование
4.1 Инденторы
Следует применять металлические инденторы с основными размерами и массой (с учетом массы акселерометра), приведенными в таблице 1 и показанными на рисунках 1 и 2.
Таблица 1
Характеристики индентора
Тип мата
Диаметр d, мм
Масса, кг
1
150 +/- 0,5
10 +/- 0,1
2
3
4
20 +/- 0,2
5
6
7
30 +/- 0,3
8
9
10
11
12
43 +/- 0,2
78 +/- 0,2
116 +/- 0,2
8 +/- 0,05
1 - дополнительная масса (10 +/- 0,1) кг;
2 - канал для кабеля; 3 - масса (10 +/- 0,1) кг;
4 - место для акселерометра; R - радиус закругления
Рисунок 1 - Индентор для матов типов с 1-го по 11-й
1 - акселерометр; d - диаметр; R - радиус закругления
Рисунок 2 - Индентор для матов типа 12
4.2 Сбрасывающее устройство
Устройство, сбрасывающее индентор с заданной высоты и обеспечивающее его падение вертикально вниз.
4.3 Акселерометр
Акселерометр размещают на инденторе, как показано на рисунках 1 и 2.
4.4 Сбор и обработка данных
Применяют устройство для приема, измерения и обработки сигналов ускорения для получения параметров демпфирования. Система измерения ускорения должна измерять частоты в диапазоне до 1000 Гц. Регистрирующее устройство должно регистрировать и записывать сигналы ускорения и времени, которые образуются при ударе с частотой не менее 10 кГц в соответствии с ГОСТ Р ЕН 1177.
4.5 Абсолютная погрешность устройства для измерения толщины матов типов с 9-го по 11-й должна составлять +/- 5 мм.
5 Испытуемые образцы
5.1 В качестве испытуемого образца используют целый мат, который укладывают на ровное твердое бетонное основание размером не менее 1 x 1 м.
5.2 Для испытаний матов типов с 1-го по 8-й и 12-й пол должен быть сплошным бетонным толщиной не менее 100 мм. Прочность бетона на сжатие должна быть не менее 40 МПа по ГОСТ 10180.
6 Кондиционирование образцов и температура проведения испытания
Непосредственно перед испытанием образец выдерживают не менее 12 ч при температуре (21 +/- 3) °C и относительной влажности воздуха (50 +/- 5)%. Испытание проводят при тех же условиях. Допускается проведение испытаний по месту эксплуатации испытуемых образцов.
7 Проведение испытаний
7.1 Метод испытаний A (матов типов с 1-го по 11-й)
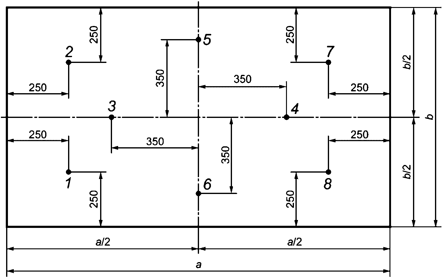
Для типов с 1-го по 8-й испытания проводят в восьми контрольных точках измерения (далее - точки), показанных на рисунке 3.
a - длина мата; b - ширина мата
Рисунок 3 - Метод испытаний A (типы с 1-го по 8-й) -
точки измерения и очередность испытаний
Для матов типов 9 и 10 испытания проводят в восьми точках, показанных на рисунке 4.
a - длина мата; b - ширина мата
Рисунок 4 - Метод испытаний A (типы 9 и 10) -
точки измерения
Для матов типа 11 испытания проводят в восьми точках, показанных на рисунке 5.
a - длина мата; b - ширина мата; 1 - 8 - точки измерения
Рисунок 5 - Метод испытаний A (тип 11) - точки
и очередность испытаний
Высота падения должна соответствовать указанной в таблице 2.
Таблица 2
Высота падения индентора для матов типов 1 - 11
Тип мата
Высота падения, мм
1
150 +/- 1,0
2
300 +/- 1,0
3
400 +/- 1,0
4
800 +/- 1,0
5
6
7
8
9
1 200 +/- 1,0
10
11 (точки 1 - 6 согласно рисунку 5)
11 (точки 7 и 8 согласно рисунку 5)
800 +/- 1,0
Для испытаний матов типов 1 и 2 применяют металлическую раму размерами 450 x 350 мм и массой не менее 5,0 кг. Рама служит для подтверждения того, что мат ровно лежит на полу и точка, в которой проводят измерения, расположена в ее центре.
Для испытаний матов типов 9, 10, 11 толщину мата определяют в четырех произвольных точках, расположенных на воображаемых линиях, делящих мат пополам по длине и ширине, на основании полученных значений рассчитывают среднюю толщину мата.
Индентор поднимают на заданную высоту и фиксируют в этом положении.
Индентор сбрасывают вертикально на испытуемый образец.
Регистрируют сигнал акселерометра при ударе, контролируя помехи, влияющие на достоверность измерения сигнала.
По сигналу рассчитывают следующие параметры:
а) максимальное отрицательное ускорение при ударе (g);
б) глубину проникновения для матов типов с 1-го по 8-й в миллиметрах, для матов типов с 9-го по 12-й - в процентах;
в) коэффициент восстановления в процентах.
Примечания
1 Скорость и глубину проникновения во время удара получают путем последовательного интегрирования по времени.
2 Коэффициент восстановления рассчитывают как отношение квадратов скоростей после и до удара, выраженное в процентах.
В каждой точке проводят 10 испытаний на удар с интервалом между испытаниями от 1 до 2 мин.
7.2 Метод испытаний B (маты типа 12)
7.2.1 Испытание на однородность
Испытания проводят в восьми точках, показанных на рисунке 6.
a - длина мата; b - ширина мата
Рисунок 6 - Метод испытаний B (тип 12) - точки
и очередность испытаний
Испытания проводят индентором диаметром 78 мм с высоты (400 +/- 1,0) мм. Индентор поднимают на необходимую высоту и фиксируют в этом положении. Индентор вертикально падает на испытуемый образец.
Регистрируют сигнал акселерометра при ударе, контролируя помехи, влияющие на достоверность измерения сигнала.
В качестве расчетного принимают значение максимального отрицательного ускорения (g), измеренного в точке.
В каждой точке проводят пять испытаний на удар с интервалом между испытаниями от 1 до 2 мин.
7.2.2 Испытание на демпфирование
Испытание проводят в восьми точках, показанных на рисунке 6. Высоту падения и диаметр индентора применяют по таблице 3.
Таблица 3
Высота падения и диаметр индентора
Точка
Диаметр индентора, мм
Высота падения, мм
1
43
200 +/- 1,0
2
600 +/- 1,0
3
116
200 +/- 1,0
4
600 +/- 1,0
5
43
200 +/- 1,0
6
600 +/- 1,0
7
116
200 +/- 1,0
8
600 +/- 1,0
Индентор поднимают на необходимую высоту, фиксируют в этом положении, затем сбрасывают вертикально на испытуемый образец.
Регистрируют сигнал акселерометра при ударе, контролируя помехи, влияющие на достоверность измерения сигнала.
Показатели рассчитывают по следующим параметрам:
а) максимальное отрицательное ускорение при ударе (g);
б) глубина проникновения, %;
в) коэффициент восстановления, %.
Примечания
1 Скорость и глубину проникновения при ударе вычисляют последовательным интегрированием по времени.
2 Коэффициент восстановления рассчитывают как частное квадрата скорости после удара и до удара, выраженное в процентах.
В каждой точке проводят пять испытаний на удар с интервалом от 1 до 2 мин.
8 Представление результатов
8.1 Метод испытаний A
Каждую точку проверяют 10 раз, среднее из восьми последних значений является значением, используемым для дальнейших расчетов.
Затем рассчитывают общее среднее значение из средних значений, которые были определены для каждой из восьми точек измерения. Для матов типов с 9-го по 10-й и для точек измерения с 1-ой по 6-ю матов типа 11 глубину проникновения указывают в процентах от толщины мата.
8.2 Метод испытаний B
8.2.1 Проверка однородности
Испытания в каждой контрольной точке выполняют пять раз, среднее значение по трем последним результатам берут как значение для каждой точки.
Затем определяют отклонение между значениями восьми отдельных точек и общим средним значением.
8.2.2 Испытание на затухание
В каждой точке проводят пять измерений. Значение каждой точки определяют как среднее значение трех последних измерений.
Для расчета общего среднего значения проводят серию испытаний при одинаковых условиях, во время которой определяют средние значения пар точек (B1 - B5, B2 - B6, B3 - B7, B4 - B8).
9 Протокол испытаний
Протокол испытаний должен содержать следующую информацию:
а) ссылку на настоящий стандарт;
б) описание испытанных матов, включая информацию о типе, наименовании производителя, дату изготовления;
в) температуру и влажность окружающей среды при проведении испытаний;
г) типоразмер индентора;
д) высоту падения;
е) толщину матов типов 9, 10, 11;
ж) средние значения измеряемых параметров;
и) отдельные средние значения для каждой точки измерения;
к) дополнительные значения, при необходимости;
л) информацию об отклонениях при проведении испытания.
УДК 796.022:006.354
ОКС 97.220.30
Ключевые слова: спортивные маты, демпфирующее свойство, деформация, индентор, однородность