Главная // Актуальные документы // ГОСТ Р (Государственный стандарт)СПРАВКА
Источник публикации
М.: ФГБУ "РСТ", 2022
Примечание к документу
Документ
введен в действие с 01.12.2022.
Название документа
"ГОСТ Р ИСО 20816-2-2022. Национальный стандарт Российской Федерации. Вибрация. Измерения вибрации и оценка вибрационного состояния машин. Часть 2. Стационарные газовые турбины, паровые турбины и генераторы с гидравлическими подшипниками мощностью свыше 40 МВт и частотами вращения 1500, 1800, 3000 и 3600 мин-1"
(утв. и введен в действие Приказом Росстандарта от 25.10.2022 N 1177-ст)
"ГОСТ Р ИСО 20816-2-2022. Национальный стандарт Российской Федерации. Вибрация. Измерения вибрации и оценка вибрационного состояния машин. Часть 2. Стационарные газовые турбины, паровые турбины и генераторы с гидравлическими подшипниками мощностью свыше 40 МВт и частотами вращения 1500, 1800, 3000 и 3600 мин-1"
(утв. и введен в действие Приказом Росстандарта от 25.10.2022 N 1177-ст)
Утвержден и введен в действие
Приказом Федерального агентства
по техническому регулированию
и метрологии
от 25 октября 2022 г. N 1177-ст
НАЦИОНАЛЬНЫЙ СТАНДАРТ РОССИЙСКОЙ ФЕДЕРАЦИИ
ВИБРАЦИЯ
ИЗМЕРЕНИЯ ВИБРАЦИИ И ОЦЕНКА ВИБРАЦИОННОГО СОСТОЯНИЯ МАШИН
ЧАСТЬ 2
СТАЦИОНАРНЫЕ ГАЗОВЫЕ ТУРБИНЫ, ПАРОВЫЕ ТУРБИНЫ И ГЕНЕРАТОРЫ
С ГИДРАВЛИЧЕСКИМИ ПОДШИПНИКАМИ МОЩНОСТЬЮ СВЫШЕ 40 МВт
И ЧАСТОТАМИ ВРАЩЕНИЯ 1500, 1800, 3000 И 3600 МИН-1
Mechanical vibration. Measurement and evaluation of machine
vibration. Part 2. Land-based gas turbines, steam turbines
and generators in excess of 40 MW, with fluid-film
bearings and rated speeds of 1500 r/min,
1800 r/min, 3000 r/min and 3600 r/min
(ISO 20816-2:2017, IDT)
ГОСТ Р ИСО 20816-2-2022
Дата введения
1 декабря 2022 года
1 ПОДГОТОВЛЕН Обществом с ограниченной ответственностью "Электронные технологии и метрологические системы" (ООО "ЭТМС") и Закрытым акционерным обществом "Научно-исследовательский центр контроля и диагностики технических систем" (ЗАО "НИЦ КД") на основе собственного перевода на русский язык англоязычной версии стандарта, указанного в
пункте 4
2 ВНЕСЕН Техническим комитетом по стандартизации ТК 183 "Вибрация, удар и контроль технического состояния"
3 УТВЕРЖДЕН И ВВЕДЕН В ДЕЙСТВИЕ Приказом Федерального агентства по техническому регулированию и метрологии от 25 октября 2022 г. N 1177-ст
4 Настоящий стандарт идентичен международному стандарту ИСО 20816-2:2017 "Вибрация. Измерения вибрации и оценка вибрационного состояния машин. Часть 2. Стационарные газовые турбины, паровые турбины и генераторы с гидравлическими подшипниками мощностью свыше 40 МВт и частотами вращения 1500, 1800, 3000 и 3600 мин
-1" (ISO 20816-2:2017 "Mechanical vibration - Measurement and evaluation of machine vibration - Part 2: Land-based gas turbines, steam turbines and generators in excess of 40 MW, with fluid-film bearings and rated speeds of 1500 r/min, 1800 r/min, 3000 r/min and 3600 r/min", IDT).
Международный стандарт разработан Техническим комитетом ISO/TC 108 "Вибрация, удар и контроль состояния", подкомитетом SC 2 "Измерения и оценка вибрации и ударов применительно к машинам, транспортным средствам и сооружениям".
При применении настоящего стандарта рекомендуется использовать вместо ссылочных международных стандартов соответствующие им национальные стандарты, сведения о которых приведены в дополнительном
приложении ДА.
Дополнительные сноски в тексте стандарта, выделенные курсивом, приведены для пояснения текста оригинала
Правила применения настоящего стандарта установлены в статье 26 Федерального закона от 29 июня 2015 г. N 162-ФЗ "О стандартизации в Российской Федерации". Информация об изменениях к настоящему стандарту публикуется в ежегодном (по состоянию на 1 января текущего года) информационном указателе "Национальные стандарты", а официальный текст изменений и поправок - в ежемесячном информационном указателе "Национальные стандарты". В случае пересмотра (замены) или отмены настоящего стандарта соответствующее уведомление будет опубликовано в ближайшем выпуске ежемесячного информационного указателя "Национальные стандарты". Соответствующая информация, уведомление и тексты размещаются также в информационной системе общего пользования - на официальном сайте Федерального агентства по техническому регулированию и метрологии в сети Интернет (www.rst.gov.ru)
Оценка вибрационного состояния машин разных видов по результатам измерений вибрации на невращающихся частях и вращающихся валах рассматривается в стандартах серии ИСО 20816. Общее руководство по проведению оценки приведено в ИСО 20816-1. В настоящем стандарте рассматривается применение данного руководства в отношении вибрации на корпусах или опорах подшипников и на вращающихся валах для крупных стационарных газовых турбин, паровых турбин и генераторов. Измерений в указанных местах обычно достаточно, чтобы характеризовать вибрационное состояние машины. Установлены критерии оценки вибрационного состояния на основе опыта эксплуатации машин данного вида. Если для рассматриваемых машин характерно высокое отношение массы подшипниковых опор к массе ротора, то значения критериев по измерениям на корпусах/опорах подшипников могут быть уменьшены.
В настоящем стандарте рассматриваются два вида критериев вибрационного состояния для работы машины в установившемся режиме - по абсолютному значению контролируемого параметра и по изменению этого значения. Кроме того, рассматриваются дополнительные критерии оценки для работы машины в переходных режимах.
Критерии оценки основаны на измерениях вибрации в широкой полосе частот. Однако по мере совершенствования технологий все чаще в качестве контролируемых параметров для оценки вибрационного состояния, контроля технического состояния и диагностирования машин используют характеристики узкополосной вибрации и спектры частот. Анализ таких параметров не входит в область применения настоящего стандарта. Более подробную информацию о применении разных контролируемых параметров в целях контроля состояния и диагностирования машин и их узлов можно найти в соответствующих частях ИСО 13373.
Настоящий стандарт устанавливает критерии оценки вибрационного состояния стационарных газовых турбин, паровых турбин и генераторов (включая муфты сцепления валопроводов) с гидравлическими подшипниками мощностью свыше 40 МВт и номинальными частотами вращения 1500, 1800, 3000 и 3600 мин-1 <*>. Вибрационное состояние оценивают для машин на месте их установки и применения по измерениям широкополосной вибрации:
--------------------------------
<*> Критерии оценки вибрационного состояния газовых и паровых турбин на объектах электроэнергетики устанавливаются в соответствии с законодательством об электроэнергетике и требованиями к обеспечению надежности электроэнергетических систем, надежности и безопасности объектов электроэнергетики.
a) на корпусах/опорах всех опорных подшипников в радиальном направлении;
b) на корпусах упорных подшипников в осевом направлении;
c) на валу внутри или вблизи от опорных подшипников в радиальном направлении.
Вибрационное состояние определяют через:
- абсолютные значения контролируемых параметров вибрации при работе машины в установившемся режиме;
- абсолютные значения контролируемых параметров вибрации при работе машины в переходном режиме (включая разгон и выбег ротора, приложение и изменение нагрузки);
- изменения значений контролируемых параметров вибрации при работе машины в установившемся режиме.
Настоящий стандарт не распространяется на:
i) вибрацию электромагнитного происхождения на удвоенной сетевой частоте на обмотках, сердечнике и корпусе электрогенератора;
ii) авиационные газовые турбины (включая турбины, конструкция и динамические характеристики которых аналогичны авиационным газовым турбинам).
Примечание - В
[3] авиационная газовая турбина определена как силовая установка самолета (вертолета), адаптированная для привода механических, электрических и судовых силовых установок. Авиационная газовая турбина значительно отличается от стационарной газотурбинной установки по своей конструкции (жесткости корпуса, применяемым подшипникам, отношению масс ротора и статора, способа крепления и пр.), что обуславливает необходимость применения к этим машинам разных критериев оценки;
iii) паровые турбины и генераторы мощностью не более 40 МВт или с номинальными частотами вращения, отличающимися от 1500, 1800, 3000 или 3600 мин
-1 (см.
[5] и
[7]);
iv) газовые турбины мощностью не более 40 МВт или с номинальными частотами вращения, отличающимися от 1500, 1800, 3000 или 3600 мин
-1 (см.
[5] или
[6] и
[7] или
[8]);
v) оценку режима вибрационного горения в газотурбинных двигателях (но он может быть использован в целях контроля для данного режима).
В настоящем стандарте использована нормативная ссылка на следующий стандарт [для датированной ссылки применяют только указанное издание ссылочного стандарта, для недатированной - последнее издание (включая все изменения)]:
ISO 20816-1:2016, Mechanical vibration - Measurement and evaluation of machine vibration - Part 1: General guidelines (Вибрация. Измерения вибрации и оценка вибрационного состояния машин. Часть 1. Общее руководство)
В настоящем стандарте не приведены термины с соответствующими определениями.
ИСО и МЭК ведут терминологические базы данных для использования в стандартизации по следующим адресам:
- платформа онлайн-просмотра ИСО: доступна на https://www.iso.org/obp;
- Электропедия МЭК: доступна на http://www.electropedia.org/.
Методы и средства измерений должны удовлетворять общим требованиям по ИСО 20816-1.
ИСО 20816-1 вместе с настоящим стандартом распространяются на измерения вибрации на невращающихся частях и валах машин. Из этого, однако, не следует, что измерения этих двух видов следует выполнять для каждой машины. Выбор, выполнять ли измерения только одного из указанных видов или обоих видов вместе, зависит от конкретной задачи и всегда является предметом соглашения между поставщиком и заказчиком машины перед ее установкой. В качестве общего руководства можно принять, что для массивных роторов на податливой опоре более информативной будет вибрация на крышке подшипника, а для относительно легких и гибких роторов на массивной и жесткой опоре - вибрация вала.
Характеристики измерительной системы, в том числе ее чувствительность к условиям окружающей среды, должны быть известны. Следует убедиться, что в ходе измерений на измерительное оборудование не будут оказывать существенное влияние такие факторы, как:
a) изменения температуры;
b) электромагнитные поля;
c) акустический шум и посторонняя вибрация, например от соседних машин;
d) изменения питания преобразователей;
e) вибрационное горение топлива;
f) импеданс соединительных кабелей;
g) длина соединительных кабелей;
h) ориентация преобразователя;
i) крепление преобразователя.
В отдельных случаях, когда на обследуемую машину передается значительная низкочастотная вибрация, например в районах с высокой сейсмоактивностью, следует предусмотреть использование соответствующих фильтров нижних частот.
При сравнении результатов измерений, выполненных в разное время или на разных машинах, следует убедиться, что эти измерения были выполнены в одном и том же диапазоне частот при стабильных условиях работы машины с заданными частотой вращения и нагрузкой.
4.2 Измерения вибрации на невращающихся частях
В целях контроля вибрационного состояния средство измерений должно обеспечивать измерения широкополосной вибрации в диапазоне частот от 10 до, по крайней мере, 500 Гц (рекомендуется до 1000 Гц). Если то же средство измерений предполагают использовать в целях контроля технического состояния и диагностирования, то от него может потребоваться анализ вибрации в более широком диапазоне частот, включая анализ спектральных составляющих. Например, при критической частоте вращения валопровода ниже 10 Гц соответствующим образом должна быть снижена нижняя граница диапазона частот измерений.
При необходимости измерений на частотах ниже 10 Гц с применением велосиметра следует обеспечить линеаризацию отклика преобразователя. Это особенно важно при измерениях скорости вибрации на низких частотах вращения (см.
[2]).
Преобразователи вибрации следует устанавливать в точках, где вибрация чувствительна к вызывающим ее силам. Измерения проводят с помощью пары преобразователей в двух взаимно перпендикулярных радиальных направлениях на крышках или корпусах опорных подшипников, как показано на
рисунках 1 и
2. Как правило, одно из направлений выбирают вертикальным, хотя при необходимости могут быть использованы два других взаимно ортогональных направления.
--------------------------------
<a> Направление измерений.
Примечание - Критерии вибрации настоящего стандарта применимы к радиальной вибрации опорных подшипников и осевой вибрации упорных подшипников.
Рисунок 1 - Типичные направления и точки измерений
на крышках/опорах подшипников
--------------------------------
<a> Направление измерений.
Примечание - Критерии вибрации настоящего стандарта применимы к радиальной вибрации опорных подшипников и осевой вибрации упорных подшипников.
Рисунок 2 - Типичные направления и точки измерений
на корпусе подшипника газовой турбины
Вместо пары преобразователей на каждый опорный подшипник может быть использован только один, если известно, что он с необходимой полнотой обеспечивает описание вибрационного состояния машины. Однако следует иметь в виду, что при неудачном выборе направления измерений для этого единственного преобразователя полученный результат может отличаться от максимального значения контролируемого параметра в данной плоскости измерений.
Обычно осевую вибрацию радиальных опорных подшипников при непрерывном контроле вибрационного состояния не измеряют. Такие измерения, как правило, выполняют при периодическом контроле или в целях диагностирования. В настоящем стандарте приведены критерии для осевой вибрации упорных подшипников, совпадающие с критериями для радиальной вибрации (см.
таблицу A.1). Для других подшипников, не ограничивающих перемещения ротора в осевом направлении, допускаются более высокие значения осевой вибрации при условии, что она не окажет негативного влияния на присоединенные элементы конструкции (например, части трубопровода).
Следует уделять внимание правильной установке преобразователей вибрации, не ухудшающей точность измерений (см., например,
[2] и
[4]).
4.3 Измерения вибрации на вращающихся валах
Ранее обычным было измерение абсолютной вибрации вала с помощью контактных преобразователей. Однако в связи с существенными недостатками таких преобразователей их применение более не рекомендуется и ограничивается действующими системами контроля для машин с давним сроком ввода в эксплуатацию или задачей поиска неисправности, когда применение других методов измерений нецелесообразно с практической точки зрения.
С началом массового применения бесконтактных преобразователей перемещения более предпочтительными для оценки вибрационного состояния стали измерения относительной вибрации. Однако в настоящее время в эксплуатации продолжают оставаться достаточное количество паровых турбин и генераторов, вибрационное состояние которых оценивают по абсолютной вибрации. Сигнал абсолютной вибрации может быть получен суммированием сигналов с бесконтактного преобразователя относительной вибрации вала и преобразователя инерционного типа на подшипниковой опоре. В настоящем стандарте критерии вибрации установлены как для относительной, так и для абсолютной вибрации вала. Схемы их измерений показаны на
рисунках 3 и
4 соответственно.
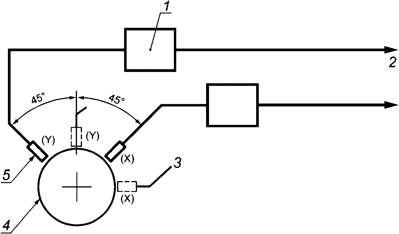
1 - устройство формирования сигнала; 2 - к устройствам
обработки сигнала; 3 - альтернативная схема размещения
преобразователей; 4 - вал; 5 - бесконтактный преобразователь
Рисунок 3 - Схема измерений относительной вибрации вала
бесконтактными преобразователями
1 - к устройствам обработки сигнала; 2 - устройство
формирования сигнала; 3 - вал; 4 - бесконтактный
преобразователь; 5 - преобразователь инерционного типа
Рисунок 4 - Схема измерений абсолютной вибрации вала
с использованием бесконтактных преобразователей
и преобразователей инерционного типа
Средство измерений должно обеспечивать измерения широкополосной вибрации в диапазоне частот от 1 Гц до, по крайней мере, большей из двух частот: утроенной максимальной частоты вращения ротора в нормальных условиях работы машины или 125 Гц (рекомендуется до 500 Гц). Если то же средство измерений предполагают использовать в целях контроля технического состояния и диагностирования, то от него может потребоваться анализ вибрации в более широком диапазоне частот (например, вплоть до шестой гармоники частоты вращения), включая анализ спектральных составляющих.
Измерения проводят в тех местах, в которых контроль поперечных перемещений вала наиболее важен. Обычно их выполняют с помощью пары преобразователей в двух взаимно перпендикулярных радиальных направлениях внутри каждого опорного подшипника. Если измерения внутри подшипника невозможны, то их выполняют максимально близко от подшипника, а в случае протяженных подшипников (например, на машинах мощностью свыше 500 МВт) - по обеим сторонам от подшипника. Угловое положение преобразователей в радиальной плоскости может быть произвольным, но обычно выбирают измерения в вертикальном и горизонтальном направлениях или под углом 45° к горизонтали и вертикали.
Вместо пары преобразователей в плоскости измерений может быть использован только один, если известно, что он с необходимой полнотой обеспечивает описание вибрационного состояния машины. Однако при этом всегда следует иметь в виду, что при неудачном выборе направления измерений для этого единственного преобразователя полученный результат может отличаться от максимального значения контролируемого параметра в данной плоскости измерений.
Обычно вибрацию вала в осевом направлении для крупных паровых и газовых турбин, а также генераторов не измеряют. Такие измерения могут потребоваться для решения конкретной задачи контроля, однако оценка такой вибрации в настоящем стандарте не рассматривается.
Следует уделять внимание правильной установке преобразователей вибрации, не ухудшающей точность измерений (см., например,
[9]).
По возможности поверхность вала в месте измерения должна быть гладкой, не иметь нарушений геометрической формы, неоднородности материала и остаточного намагничивания, способных привести к искажениям сигнала (так называемым электрическим биениям вала). Электрические и механические биения вала, измеренные с помощью преобразователя при медленном проворачивании вала, не должны в совокупности превышать 25% значения границы между зонами A и B на номинальной частоте вращения (см.
таблицы B.1 и
B.2).
Перед пуском газовой турбины, паровой турбины или генератора на номинальной частоте вращения могут быть проведены измерения перемещения вала при его медленном проворачивании с целью оценки точности измерений в области низких частот. Такие измерения обычно не позволяют оценить биения вала на частоте вращения в нормальных рабочих условиях, поскольку на их результаты могут повлиять, например, наличие временного прогиба вала, нерегулярные движения цапф вала в зазоре подшипника или движения вала в осевом направлении. Поэтому не рекомендуется компенсировать биение вала векторным вычитанием из результата измерений вибрации в рабочем режиме машины результата измерений при проворачивании ротора. Если влияющие факторы не учтены должным образом, то такая математическая операция может привести к ухудшению точности измерений и неправильной оценке вибрационного состояния машины (см. ИСО 20816-1).
5 Критерии оценки вибрационного состояния
В ИСО 20816-1 дано общее описание двух критериев оценки вибрационного состояния машин разных классов. Один критерий применяют для абсолютного значения контролируемого параметра вибрации в широкой полосе частот, другой - для изменений этого значения (безотносительно к направлению этих изменений - в большую или меньшую сторону).
Численные значения критериев основаны на опыте эксплуатации газовых турбин, паровых турбин и генераторов. Можно ожидать, что следование рекомендациям настоящего стандарта обеспечит долговременную безопасную работу этих машин.
Примечание - Численные значения критериев установлены посредством обработки большого объема данных о вибрации машин, полученных как в ходе специально организованных исследований, так и от эксплуатирующих организаций.
Критерии настоящего стандарта применяют для машины, работающей в установившемся режиме в заданном диапазоне нагрузок на заданной номинальной частоте вращения, при котором допускаются обычные плавные изменения выходной мощности. Кроме того, установлены дополнительные критерии для работы машины в переходных режимах. Использование указанных критериев позволит избежать неоправданных затрат на снижение вибрации, создаваемой машиной, а также предъявления чрезмерно завышенных требований к ее вибрационному состоянию. На практике работу машины обычно считают безопасной, если в ней отсутствуют контакты между вращающимися и невращающимися металлическими частями. Данные критерии могут служить также основой требований приемочных испытаний (см.
5.2.2.3).
Критерии установлены для вибрации, создаваемой самой газовой турбиной, паровой турбиной или генератором, а не передаваемой на нее извне. Если есть основания ожидать существенного вклада сторонней вибрации (длительной или кратковременной), то рекомендуется провести измерения на остановленной машине. Если результаты измерений окажутся неприемлемо высокими, то необходимо принять меры для устранения влияния сторонней вибрации.
5.2 Критерий по абсолютному значению параметра (критерий I)
5.2.1 Общие положения
Данный критерий устанавливает значения контролируемого параметра вибрации, которые можно считать приемлемыми с точки зрения динамических нагрузок на подшипники, радиальных зазоров в подшипниках и вибрации, передаваемой машиной на опорную конструкцию и фундамент.
5.2.2 Оценка вибрации при работе машины в установившемся режиме на номинальной частоте вращения
5.2.2.1 Общие положения
Оценка вибрации заключается в сопоставлении максимального из абсолютных значений контролируемого параметра по всем точкам и направлениям измерений с границами четырех зон вибрационного состояния.
5.2.2.2 Зоны вибрационного состояния
Установленные зоны вибрационного состояния предназначены для качественной оценки вибрации машины в установившемся режиме работы на номинальной частоте вращения и принятия решения о необходимых мерах.
Зона A - в эту зону попадают, как правило, новые машины, только что введенные в эксплуатацию.
Примечание 1 - Для некоторых новых машин можно считать нормальным, если их вибрация не попадает в зону A. Стремление снизить вибрацию ниже границы между зонами A и B может привести к неоправданным затратам при минимальном положительном эффекте.
Зона B - машины, попадающие в эту зону, обычно считают пригодными для дальнейшей работы без ограничения сроков.
Зона C - машины, попадающие в эту зону, обычно рассматривают как непригодные для длительной непрерывной работы. Обычно данные машины могут функционировать ограниченный период времени, пока не появится подходящая возможность для проведения ремонтных работ.
Зона D - уровни вибрации в данной зоне обычно рассматривают как достаточно серьезные, для того чтобы вызвать повреждение машины.
Примечание 2 - В отношении оценки вибрации, наблюдаемой в переходных режимах работы машины, - см.
5.2.4.
Поставщику и заказчику машины следует заблаговременно согласовать критерии оценки вибрации при приемке.
Зоны вибрационного состояния могут служить основой такого соглашения при приемке новых или восстановленных машин, но численные значения границ этих зон не предназначены для использования в качестве критериев приемки.
Исходя из исторического опыта, обычно критерий приемки для новых машин устанавливают в пределах зоны A или B, но, как правило, не выше значения границы между этими зонами, умноженного на 1,25.
Машинам разной конструкции с учетом опыта их применения могут быть назначены разные критерии.
Приемочные испытания проводят в течение заранее согласованного времени при условиях работы с заданными характеристиками, такими как нагрузка, температура, давление.
Для машин, поступивших после технического обслуживания или ремонта, учитывают характер выполненных сервисных услуг и предшествующее вибрационное поведение машины.
5.2.2.4 Границы зон вибрационного состояния
Границы зон приведены:
- для радиальной вибрации на всех подшипниках и осевой вибрации на корпусах упорных подшипников в
приложении A;
- для относительной и абсолютной вибрации вала в
приложении B.
Границы зон применяют для результатов измерений вибрации в установившемся режиме при номинальной частоте вращения. Их численные значения были установлены после обработки большого объема данных, представленных как изготовителями, так и пользователями машин. Для данных подобного рода всегда характерен высокий разброс значений; тем не менее следует ожидать, что применение установленных границ позволит избежать ненужных затрат на снижение вибрации машины и предъявления к ней чрезмерно завышенных требований.
В других точках конструкции машины, а также в переходных режимах ее работы (см.
5.2.4) вибрация может быть выше.
В большинстве случаев значения, приведенные в
приложениях A и
B, позволяют судить о приемлемости динамических нагрузок на подшипниковые опоры и фундамент машины, а также о поддержании требуемых зазоров в подшипниках. Однако иногда особенности конструкции машины или опыт ее эксплуатации могут потребовать установления других граничных значений (более высоких или более низких). В частности, другие значения границ зон могут потребоваться в следующих случаях:
a) значительное влияние на вибрацию машины условий ее установки. Так, для жестких подшипниковых опор можно ожидать более высокую относительную вибрацию вала, и, наоборот, для податливых опор она будет ниже. Основываясь на опыте нормальной работы машины, границы зон можно соответствующим образом изменить;
b) высокое отношение (например, 10 к 1) массы подшипника (опоры, корпуса) к массе ротора. В этом случае вибрация подшипников может быть ниже. Основываясь на опыте нормальной работы машины, границы зон можно соответствующим образом изменить;
c) малый конструктивный зазор в подшипнике. При этом следует убедиться, что высокая относительная вибрация вала не связана с превышением зазора. В общем случае допустимая вибрация зависит от диаметра подшипника, поскольку обычно для подшипников большого диаметра рабочий зазор больше. Для подшипников с малым зазором может потребоваться уменьшение значений границ зон, приведенных в
приложении B. Степень необходимого уменьшения зависит от типа подшипника (круглоцилиндрический, эллиптический, самоустанавливающийся сегментный и пр.), а также угла между направлением измерений и направлением минимального зазора. В связи с этим дать какие-либо общие рекомендации не представляется возможным. Случай цилиндрического подшипника скольжения рассмотрен в
приложении E;
d) малонагруженные подшипники (например, подшипники ротора возбудителя генератора или синхронной муфты) или другие податливые подшипники, чья статическая нагрузка чувствительна к несоосности ротора;
e) измерение вибрации вала в плоскости вне подшипника.
Примечание 1 - Для некоторых крупных паровых турбин с частотой вращения 1500 или 1800 мин-1, особенно в случае соединения роторов через единственный подшипник, могут быть установлены разные критерии для разных подшипниковых опор, чтобы не допустить чрезмерно больших вибраций на критических скоростях вращения при разгоне и выбеге ротора.
Примечание 2 - Установленные настоящим стандартом зоны вибрационного состояния не зависят от типа фундамента машины - жесткого или податливого. Однако в последующем, если дополнительные данные и их анализ покажут в этом необходимость, для разных типов фундамента могут быть установлены разные критерии.
Возможно задание разных значений границ зон для измерений в разных точках вдоль валопровода.
В общем случае при увеличении граничных значений следует приводить техническое обоснование, подтверждающее, что повышенная вибрация не приведет к уменьшению надежности машины. Такое обоснование может быть сделано, например, исходя из конструктивных особенностей машины или по опыту эксплуатации машин схожей конструкции, установленной на аналогичном фундаменте.
В качестве контролируемого параметра, для которого устанавливают границы зон вибрации на невращающихся частях, обычно выбирают среднеквадратичное значение скорости вибрации в широкой полосе частот (см.
приложение A). Однако в ряде случаев встречалось применение средств измерений с калибровкой по пиковому значению скорости. Если в вибрации доминирует одна частотная составляющая (для газовых турбин такой обычно является составляющая на рабочей частоте), среднеквадратичное значение легко преобразовать в пиковое умножением на

, что позволяет соответствующим образом скорректировать границы зон
приложения A. И, наоборот, результаты измерений пикового значения могут быть преобразованы в среднеквадратичное значение для сравнения с границами зон, установленных в
приложении A, делением на

. Однако такое простое преобразование невозможно в случае сложного вибрационного сигнала, в котором доминирующая составляющая отсутствует.
Примечание 3 - В общем случае нет коэффициента, который связывал бы среднеквадратичное и пиковое значения.
5.2.3 Предельные уровни вибрации в установившемся режиме работы
5.2.3.1 Общие положения
Как правило, для машин, предназначенных для длительной эксплуатации, устанавливают предельные уровни вибрации, превышение которых в установившемся режиме работы машины приводит к появлению сигналов оповещения вида ПРЕДУПРЕЖДЕНИЕ или ОСТАНОВ.
ПРЕДУПРЕЖДЕНИЕ - оповещение для привлечения внимания к тому, что значение контролируемого параметра вибрации или его изменение достигло уровня, после которого может потребоваться проведение восстановительных мероприятий. Как правило, при появлении оповещения ПРЕДУПРЕЖДЕНИЕ машину можно эксплуатировать в течение некоторого времени пока исследуют причины изменения вибрации (например, определяют влияние нагрузки, частоты вращения или других рабочих параметров) и определяют, для какого узла и какие восстановительные мероприятия следует провести.
ОСТАНОВ - оповещение, указывающее на достижение параметром вибрации уровня, при превышении которого дальнейшая работа машины может привести к ее повреждениям. При достижении уровня ОСТАНОВ следует принять немедленные меры к снижению вибрации.
Вследствие разницы в динамических нагрузках и жесткостях опор машины для различных точек и направлений измерений могут быть установлены разные предельные уровни вибрации.
5.2.3.2 Задание уровня ПРЕДУПРЕЖДЕНИЕ
Уровень ПРЕДУПРЕЖДЕНИЕ может существенно изменяться в сторону возрастания или уменьшения от машины к машине. Обычно данный уровень определяют относительно некоторого базового уровня (базовой линии), полученного для каждого конкретного экземпляра машины для заданной точки и заданного направления измерений на основе опыта эксплуатации.
Рекомендуется устанавливать уровень ПРЕДУПРЕЖДЕНИЕ выше базовой линии на значение, равное 25% значения границы между зонами B и C. Обычно уровень ПРЕДУПРЕЖДЕНИЕ не превышает границу между зонами B и C более чем на 25%. Если базовое значение мало (менее 75% границы между зонами B и C), то уровень ПРЕДУПРЕЖДЕНИЕ может находиться ниже зоны C (см. пример в
приложении C).
Если базовый уровень не определен (например, для новой машины), то уровень ПРЕДУПРЕЖДЕНИЕ определяют либо из опыта эксплуатации аналогичных машин, либо относительно согласованных приемлемых значений контролируемого параметра вибрации. При отсутствии соответствующих данных рекомендуется уровень ПРЕДУПРЕЖДЕНИЯ устанавливать не выше границы между зонами B и C. Спустя некоторое время по наблюдениям вибрации машины устанавливают базовую линию и соответствующим образом корректируют уровень ПРЕДУПРЕЖДЕНИЕ.
По причинам, указанным в
5.2.2.4, следует отдельно рассмотреть возможные значения уровня ПРЕДУПРЕЖДЕНИЯ для вибрации вала в случае подшипников малых размеров или с малым конструктивным зазором между валом и уплотнением (см.
приложение E).
Если вибрация в установившемся режиме работы машины носит нестационарный характер или не обладает повторяемостью, то для определения контролируемого параметра используют соответствующие методы усреднения. При этом настоятельно рекомендуется выяснить причины такого характера вибрации.
Если произошло изменение базового уровня (например, вследствие ремонта машины), то уровень ПРЕДУПРЕЖДЕНИЕ также должен быть скорректирован соответствующим образом. Вследствие разницы в динамических нагрузках и коэффициентах жесткости различных опор машины для них могут быть установлены разные уровни ПРЕДУПРЕЖДЕНИЯ.
Пример установления уровня ПРЕДУПРЕЖДЕНИЯ приведен в
приложении C.
5.2.3.3 Задание уровня ОСТАНОВ
Уровень ОСТАНОВ обычно связывают с сохранением механической целости машины, которая, в свою очередь, определяется конструктивными особенностями машины, отражающими ее способность противостоять действию аномальных динамических сил. Поэтому уровень ОСТАНОВ, как правило, одинаков для машин аналогичных конструкций и не связан с базовой линией.
Вследствие многообразия конструкций машин не представляется возможным дать универсальное руководство по заданию уровня ОСТАНОВ. Обычно уровень ОСТАНОВ устанавливают в пределах зон C или D, но не выше границы между этими зонами более чем на 25%. Однако опыт эксплуатации конкретной машины может послужить основанием для задания иного уровня ОСТАНОВ.
По причинам, указанным в
5.2.2.4, следует отдельно рассмотреть возможные значения уровня ОСТАНОВ для вибрации вала в случае подшипников малых размеров или с малым конструктивным зазором между валом и уплотнением (см.
приложение E).
Работа газовых турбин, паровых турбин и генераторов часто контролируется автоматическими системами управления, останавливающими машину при превышении вибрацией уровня ОСТАНОВ. Чтобы избежать необоснованных остановов машины из-за паразитных сигналов (помех), на практике часто используют логические схемы управления с несколькими датчиками вибрации и установленными временами задержки для сигнала останова. В этом случае превышение уровня ОСТАНОВ приведет к соответствующей реакции системы управления только при условии поступления такого оповещения по крайней мере от двух независимых [т.е. соответствующих разным точкам и (или) направлениям измерений] датчиков вибрации в течение всего заданного времени задержки. Обычно время задержки выбирают от 1 до 3 с, что, с одной стороны, достаточно для устранения влияния паразитных шумов и в то же время достаточно мало, чтобы не позволить развиться серьезным повреждениям под действием повышенной вибрации. Иногда может оказаться целесообразным задание дополнительного уровня предупреждения между имеющимися уровнями ПРЕДУПРЕЖДЕНИЕ и ОСТАНОВ, превышение которого подготавливало бы оператора к необходимости выполнить соответствующие корректирующие действия (например, снизить нагрузку), чтобы избежать останова машины.
Если в месте установки преобразователей наблюдается низкочастотная вибрация от сторонних источников (какая может иметь место, например, в зонах повышенной сейсмоактивности), то это может потребовать применение соответствующей фильтрации сигнала или установления времени задержки, чтобы избежать необоснованных остановов машины.
5.2.4 Вибрация в неустановившихся (переходных) режимах работы
5.2.4.1 Общие положения
Значения границ зон состояния, приведенные в
приложениях A и
B, предназначены для использования при долговременной работе газовой турбины, паровой турбины или генератора в заданном установившемся режиме. При разгоне и выбеге ротора, а также в режиме работы на рабочей частоте вращения, но в условиях, когда тепловое равновесие в механической системе еще не достигнуто, допустима более высокая вибрация. Такая вибрация может превышать заданные для установившегося режима работы уровни ПРЕДУПРЕЖДЕНИЯ и ОСТАНОВА (см.
5.2.3). В этом случае возможно применение повышающего коэффициента (см.
5.2.4.4), автоматически увеличивающего уровни ПРЕДУПРЕЖДЕНИЯ и ОСТАНОВА на то время, пока установившийся режим работы не будет достигнут.
При неустановившемся режиме работы газовой турбины, паровой турбины или генератора, который обычно бывает связан с температурными изменениями (например, вследствие изменений температуры или тока в обмотке ротора при начальном нагружении и изменениях нагрузки), влиянием глубины вакуума в конденсаторе или частоты вращения (например, при разгоне и выбеге), вибрация имеет вид переходного процесса, который всегда связан со значительными вариациями контролируемого параметра.
Для машин с синхронными муфтами могут наблюдаться скачкообразные изменения вибрации при обычных осевых расширениях ротора и изменениях угла включения муфты.
Как и в случае вибрации в установившемся режиме работы машины, любые критерии приемки по результатам измерений в неустановившихся режимах должны быть предметом соглашения между поставщиком и заказчиком. Однако следование рекомендациям настоящего пункта позволит избежать необоснованных затрат на снижение вибрации, создаваемой машиной, а также предъявления чрезмерно завышенных требований к ее вибрационному состоянию.
5.2.4.2 Вибрация в переходных режимах на рабочей частоте вращения
Переходные режимы работы включают в себя работу без нагрузки, начальное нагружение или быстрое изменение нагрузки, изменение коэффициента мощности, а также другие кратковременные рабочие процессы в машине. Для них обычно полагают, что создаваемая машиной вибрация может считаться приемлемой, если не превышена граница между зонами C и D. Соответствующим образом корректируют уровни ОСТАНОВА и ПРЕДУПРЕЖДЕНИЯ.
5.2.4.3 Вибрация в процессе разгона, выбега и при работе на повышенных частотах вращения
Перед пуском газовой турбины, паровой турбины или генератора следует устранить временный прогиб вала, способный вызвать повышенную вибрацию. В частности, рекомендуется по возможности перед пуском машины осуществлять медленное проворачивание ротора валоповоротным устройством или вращать его на низкой скорости. Если при этом машина оснащена датчиками вибрации вала, то во время указанного движения измеряют перемещение вала на низкой частоте вращения, когда на результат измерений не оказывают влияние такие факторы, как низкочастотный резонанс механической системы, нестабильность масляного клина или центробежные эффекты. Наряду с другими контролируемыми параметрами, перемещение вала на низкой частоте вращения также должно поддерживаться в пределах, установленных на основе предшествующего опыта эксплуатации машины. Такой контроль позволяет убедиться, насколько удовлетворительным может быть признано состояние валопровода (например, имеет ли место временный прогиб ротора или несоосность валов). Кроме того, рекомендуется, чтобы во время разгона машины проводились измерения вибрации подшипников до достижения критической частоты вращения ротора, чтобы иметь возможность сравнить их результаты с результатами аналогичных измерений во время предшествующих успешных пусков. При наличии существенных расхождений целесообразно принять соответствующие меры (например, прекратить рост частоты вращения или даже снизить ее до стабилизации вибрации или возвращения ее параметров к прежним значениям; провести более детальные исследования, в том числе, проверить значения рабочих характеристик машины).
Если измерения при медленном проворачивании или вращении вала невозможны, то поставщиком машины может быть предложен другой способ контроля, которым следует руководствоваться.
В процессе разгона машины может оказаться необходимой задержка на определенной частоте вращения (например, в целях температурной стабилизации ротора). В этом случае необходимо убедиться, что эта частота вращения находится достаточно далеко от какой-либо критической частоты вращения, на которой наблюдается значительный рост вибрации. Задание пороговых уровней вибрации для разгона, выбега и для работы на повышенных (выше рабочей) частотах вращения зависит от конструктивных особенностей машины и рабочих условий. Например, для машины, длительное время работающей с нагрузкой, близкой к номинальной, без частых пусков, может быть допустима более высокая вибрация, в то время как для машин, у которых регулярно чередуются режимы работы и ожидания и для которых могут быть заданы определенные временные ограничения на достижение требуемой выходной мощности, уровни допустимой вибрации могут быть снижены. Кроме того, вибрация, наблюдаемая при прохождении ротором машины критических частот вращения во время разгона и выбега, существенно зависит от демпфирования в механической системе и, в меньшей степени, от скорости изменения частоты вращения ротора (см.
[13]).
Уровни ПРЕДУПРЕЖДЕНИЯ, задаваемые для разгона, выбега и для работы на повышенных частотах вращения, отличаются от аналогичного уровня, заданного для работы в установившемся режиме. Обычно эти уровни устанавливают относительно некоторых значений, определенных из наблюдений за работой машины в указанных переходных режимах. Рекомендуется, чтобы уровни ПРЕДУПРЕЖДЕНИЯ превышали эти значения на величину, равную 25% значения границы между зонами B и C для установившегося режима работы машины.
При отсутствии данных, основанных на наблюдениях, рекомендуется, чтобы уровни ПРЕДУПРЕЖДЕНИЯ для разгона, выбега и для работы на повышенной частоте вращения не превышали значений, указанных в
таблице 1.
Таблица 1
Уровни ПРЕДУПРЕЖДЕНИЯ для разгона, выбега и работы
на повышенной частоте вращения
Отношение частоты вращения к номинальной частоте, % | Вибрация на невращающихся частях в единицах границы между зонами C и D (см. таблицу A.1) | Относительная и абсолютная вибрация вала в единицах границы между зонами C и D (см. таблицы B.1 и B.2) |
Менее 20 | | 1,5 |
От 20 до 90 | 1,0 | 1,5 |
Более 90 | 1,0 | 1,0 |
Примечание - Отношение перемещения к скорости вибрации обратно пропорционально частоте. Поэтому при измерениях вибрации на невращающихся частях на частотах ниже 20% нецелесообразно использовать критерий постоянной скорости (см. приложение D). |
По причинам, указанным в
5.2.2.4, следует отдельно рассмотреть возможные предельные значения для вибрации вала в случае подшипников с малым зазором (см.
приложение E).
При установлении для разгона и выбега уровня ОСТАНОВ исходят из иных соображений. При нарастании вибрации во время разгона выше допустимого значения предпочтительнее может оказаться не останов, а снижение частоты вращения ротора. При нарастании вибрации во время выбега ротора останов машины имеет мало смысла, поскольку данный режим сам по себе приводит к ее останову. Однако при наличии автоматической системы управления работой машины может оказаться необходимым установить уровень ОСТАНОВ для разгона и выбега. В этом случае данный уровень задают с тем же повышающим коэффициентом относительно предельного значения в установившемся режиме работы, что и для уровня ПРЕДУПРЕЖДЕНИЕ.
Примечание - При разгоне и выбеге максимальная вибрация обычно наблюдается при прохождении критических частот вращения.
5.2.4.4 Использование повышающего коэффициента
Если работа газовой турбины, паровой турбины или генератора контролируется автоматической системой управления, то эта система остановит машину при превышении вибрацией уровня ОСТАНОВ. Чтобы избежать необоснованных остановов машины при ее работе в неустановившихся (переходных) режимах, допускающих более высокую вибрацию, часто используют повышающий коэффициент, автоматически увеличивающий уровни ПРЕДУПРЕЖДЕНИЯ и ОСТАНОВА при работе машины в неустановившемся (переходном) режиме согласно рекомендациям
5.2.4.2 и
5.2.4.3.
Обычно повышающий коэффициент применяют при возрастании/уменьшении частоты вращения ротора относительно рабочей частоты вращения (но не при поддержании какой-либо постоянной частоты вращения), а также, при необходимости, на рабочей частоте вращения в начальный период нагружения и в ограниченный промежуток времени, необходимый для достижения температурной стабилизации после скачкообразных существенных изменений нагрузки. Значение повышающего коэффициента может варьироваться для разных неустановившихся режимов работы, а также от машины к машине и должно задаваться на основе опыта ее безопасной эксплуатации.
5.3 Критерий по изменению значения параметра (критерий II)
Данный критерий основан на сравнении изменения контролируемого параметра вибрации относительно предварительно установленного опорного значения для конкретного установившегося режима работы машины. Значительное увеличение или уменьшение контролируемого параметра может потребовать принятия соответствующих мер даже в случае, когда граница зоны C по критерию I еще не достигнута. Такие изменения могут быть быстрыми или постепенно нарастающими во времени и указывают на наличие повреждения, приближающийся отказ или другие отклонения в работе машины. Установившийся режим работы, для которого применяют критерий II, включает в себя возможные небольшие колебания рабочих параметров, таких как выходная мощность машины, но не включает в себя режим с существенными быстрыми изменениями этих параметров. В последнем случае следует руководствоваться рекомендациями
5.2.4.2.
Критерий II следует с осторожностью применять для машин с синхронными муфтами, на которых могут наблюдаться скачкообразные изменения вибрации при обычных осевых расширениях ротора и изменениях угла включения муфты.
Опорным значением для данного критерия является типичное, воспроизводимое значение контролируемого параметра, определенное по предшествующим измерениям для конкретного режима работы. Если изменение параметра существенно (обычно таковым считают изменение более чем на 25% значения границы между зонами B и C, но для отдельных машин могут быть использованы другие значения исходя из опыта их применения), то необходимо принять меры по выявлению его причин. Эти меры следует принять вне зависимости от того, повысилась вибрация или уменьшилась. Решение по дальнейшим действиям зависит от того, насколько велико изменившееся значение контролируемого параметра и стабилизировалось ли поведение машины после такого изменения. В частности, если вибрация изменяется быстро и необратимым образом, то соответствующие меры следует принять незамедлительно, пусть даже эти изменения не достигли вышеуказанного предельного значения.
При использовании критерия II сравнению подлежат результаты измерений, полученные в одной и той же точке, в одном и том же направлении измерений и приблизительно в одних и тех же условиях работы машины.
Возможности применения критерия II несколько ограничены тем, что значительные изменения отдельных составляющих вибрации могут слабо проявлять себя в широкополосном сигнале (см. ИСО 20816-1). Например, развитие трещины в роторе может сопровождаться последовательным ростом составляющей частоты вращения и ее высших гармоник, но при этом остаться незамеченным на фоне доминирующей вибрации от других источников, например на частоте вращения из-за дисбаланса. Вследствие этого выявление вышеуказанного повреждения по наблюдениям только широкополосной вибрации затруднено. Поэтому, хотя контроль изменения широкополосной вибрации дает некоторую полезную информацию о возможном ухудшении технического состояния машины, во многих случаях он должен быть дополнен оценкой изменений отдельных частотных составляющих с использованием соответствующей измерительной аппаратуры. Такая аппаратура может быть более сложной по сравнению с применяемой для контроля широкополосной вибрации, а ее использование требовать специальных знаний. Критерии для изменений составляющих вибрации в настоящем стандарте не рассматриваются (см.
5.5).
5.4 Дополнительные процедуры и критерии
Не существует простого способа рассчитать вибрацию подшипниковой опоры по вибрации вала (и, наоборот, вибрацию вала по вибрации опоры). Разность между абсолютной и относительной вибрацией вала связана с вибрацией подшипниковой опоры, но, как правило, не равна ей. Это неравенство обусловлено наличием относительной динамической жесткости масляного клина и опорной конструкции на частоте вращения, разными точками измерений вибрации вала и подшипника и влиянием фазовых сдвигов между сигналами вибрации. В случае, когда применение критериев для вибрации на невращающихся частях и вибрации вала приводит к разным оценкам вибрационного состояния, из них обычно выбирают ту, что устанавливает более жесткие ограничения на возможности применения машины, если только из опыта использования данной машины не следует иное решение.
5.5 Оценка на основе векторного представления информации
Оценки, рассматриваемые в настоящем стандарте, ограничены использованием широкополосной вибрации без учета частотных составляющих или фазовых соотношений. В большинстве случаев это отвечает задачам испытаний при приемке продукции и контроля состояния машины на месте ее применения. Однако для долговременного контроля или диагностирования желательно использовать информацию о составляющих вибрации в векторной форме для обнаружения и идентификации изменений в динамическом состоянии машины. Такие изменения могут остаться необнаруженными при использовании только измерений широкополосной вибрации [см. ИСО 20816-1:2016 (приложение D)].
Анализ соотношений между отдельными частотными составляющими и их фазами находит все большее применение в системах контроля состояния и диагностики. Однако критерии оценки вибрационного состояния на основе изменения векторных составляющих в настоящем стандарте не рассматриваются. Более подробные сведения по данному вопросу приведены в
[10].
(обязательное)
ГРАНИЦЫ ЗОН СОСТОЯНИЯ ДЛЯ ВИБРАЦИИ НА НЕВРАЩАЮЩИХСЯ ЧАСТЯХ
Значения, приведенные в
таблице A.1, применяют для сопоставления с ними результатов измерений радиальной вибрации в диапазоне частот, указанном в
4.2, всех подшипников и осевой вибрации упорных подшипников, полученных при работе машины в установившемся режиме с номинальной частотой вращения. Типичные точки измерений вибрации показаны на
рисунках 1 и
2. Применение значений из
таблицы A.1 позволяет как предотвратить применение машины в заведомо плохом состоянии, так и избежать предъявления чрезмерно завышенных требований к ее вибрации. В ряде случаев особенности конструкции конкретных машин могут потребовать применения других границ зон состояния (см.
5.2.2.4). При измерениях вибрации в других точках машины, а также во время переходных режимов допустимы значения, превышающие указанные в
таблице A.1 (см.
5.2.4).
Примечание - Обычно в качестве приемочных критериев используют значения в пределах зоны A или B, но не превышающие значение границы между этими зонами более чем на 25% (см.
5.2.2.3).
Таблица A.1
Границы зон вибрационного состояния, выраженные
через среднеквадратичные значения скорости вибрации
на корпусах и опорах подшипников
Вид машины | Номинальная частота вращения вала, мин-1 | Среднеквадратичное значение скорости вибрации корпусов и стоек подшипника на границах зон вибрационного состояния, мм/с |
A/B | B/C | C/D |
Паровая турбина или генератор | 1500 или 1800 | 2,8 | 5,3 | 8,5 |
3000 или 3600 | 3,8 | 7,5 | |
Газовая турбина | 3000 или 3600 | 4,5 | 9,3 | 14,7 |
Примечание - В настоящей таблице не приведены значения границ зон вибрационного состояния для газовых турбин с частотами вращения 1500 и 1800 мин-1, поскольку они не характерны для машин данного вида. |
--------------------------------
<*>
Согласно "Правилам технической эксплуатации электрических станций и сетей Российской Федерации", утвержденным приказом министерства энергетики Российской Федерации" от 19 июня 2003 г. N 229, турбина должна быть остановлена при превышении значения 11,2 мм/с.
Для машин, поступивших после технического обслуживания или ремонта, учитывают характер выполненных сервисных услуг и предшествующее вибрационное поведение машины.
(обязательное)
ГРАНИЦЫ ЗОН СОСТОЯНИЯ ДЛЯ ВИБРАЦИИ ВРАЩАЮЩИХСЯ ВАЛОВ
Значения, приведенные в
таблицах B.1 и
B.2 для относительной и абсолютной вибрации вала соответственно, применяют для сопоставления с ними результатов измерений радиальной вибрации вала в диапазоне частот, указанном в
4.3, внутри или вблизи подшипников при работе машины в установившемся режиме на номинальной частоте вращения. Применение значений из
таблиц B.1 и
B.2 позволяет как предотвратить применение машины в заведомо плохом состоянии, так и избежать предъявления чрезмерно завышенных требований к ее вибрации. В ряде случаев особенности конструкции конкретных машин могут потребовать применения других границ зон состояния (см.
5.2.2.4). Например, особое внимание следует уделять тому, чтобы относительная вибрация вала не превышала допустимого зазора в подшипнике (см.
приложение E). При измерениях вибрации в других точках машины, а также во время переходных режимов допустимы значения, превышающие указанные в
таблицах B.1 и
B.2 (см.
5.2.4).
Таблица B.1
Границы зон вибрационного состояния, выраженные через размах
перемещения относительной вибрации вала
Вид машины | Номинальная частота вращения вала, мин-1 | Размах перемещения относительной вибрации вала, на границах зон вибрационного состояния, мкм |
A/B | B/C | C/D |
Паровая турбина или генератор | 1500 | 100 | 200 | 320 |
1800 | 95 | 185 | 290 |
3000 | 90 | 165 | 240 |
3600 | 80 | 150 | 220 |
Газовая турбина | 3000 | 90 | 165 | 240 |
3600 | 80 | 150 | 220 |
Примечание - В настоящей таблице не приведены значения границ зон вибрационного состояния для газовых турбин с частотами вращения 1500 и 1800 мин-1, поскольку они не характерны для машин данного вида. |
Таблица B.2
Границы зон вибрационного состояния, выраженные через размах
перемещения абсолютной вибрации вала
Вид машины | Номинальная частота вращения вала, мин-1 | Размах перемещения абсолютной вибрации вала, на границах зон вибрационного состояния, мкм |
A/B | B/C | C/D |
Паровая турбина или генератор | 1500 | 120 | 240 | 385 |
1800 | 110 | 220 | 350 |
3000 | 100 | 200 | 300 |
3600 | 90 | 180 | 270 |
С граничными значениями, приведенными в
таблицах B.1 и
B.2, сравнивают результаты измерений размаха перемещения вала в заданной плоскости измерений [см. метод B по ИСО 20816-1 (приложение A)]. Если сигналы с пары датчиков, установленных ортогонально друг другу в одной плоскости измерений, используют для получения максимального перемещения вала
Smax [см. метод C по ИСО 20816-1 (приложение A)], то значения границ зон должны быть снижены, причем коэффициент уменьшения зависит от формы орбиты движения вала. В качестве общей рекомендации для корректировки значений
таблиц B.1 и
B.2 допускается использовать коэффициент 1,85.
Примечание 1 - Обычно в качестве приемочных критериев используют значения в пределах зоны A или B, но не превышающие значение границы между этими зонами более чем на 25% (см.
5.2.2.3).
Для машин, поступивших после технического обслуживания или ремонта, учитывают характер выполненных сервисных услуг и предшествующее вибрационное поведение машины.
Примечание 2 - Для газовых турбин контроль абсолютной вибрации вала обычно не проводят.
(справочное)
ПРИМЕРЫ ЗАДАНИЯ УРОВНЕЙ ПРЕДУПРЕЖДЕНИЕ И ОСТАНОВ
В примере рассматривается вибрация крупного паротурбинного электроагрегата с частотой вращения 3000 мин
-1. Для новой машины при отсутствии исходных данных о вибрации подшипников уровень ПРЕДУПРЕЖДЕНИЕ, как правило, устанавливают в пределах зоны B. Конкретное значение обычно является предметом соглашения между поставщиком и заказчиком. В данном примере предполагается, что первоначально для каждой подшипниковой опоры этот уровень был установлен на границе между зонами B и C, что соответствует среднеквадратичному значению скорости 7,5 мм/с (см.
таблицу A.1).
Спустя некоторое время после ввода в эксплуатацию были получены типичные значения контролируемого параметра во время работы машины (базовая линия), уровень ПРЕДУПРЕЖДЕНИЯ для каждого подшипника может быть пересмотрен. На основе рекомендаций
5.2.3.2 этот уровень для каждой подшипниковой опоры может быть выбран в виде суммы значения базовой линии и 25% значения границы между зонами B и C. Так, если для конкретного подшипника базовая линия принята 4,0 мм/с, то измененный уровень ПРЕДУПРЕЖДЕНИЯ будет равен 5,9 мм/с (т.е. 4,0 мм/с + 0,25·7,5 мм/с) и находиться в пределах зоны B. Если для другого подшипника базовый уровень был равен 5,8 мм/с, то аналогичный расчет даст для нового уровня ПРЕДУПРЕЖДЕНИЕ значение 7,7 мм/с. Однако ввиду малого различия с первоначально установленным уровнем ПРЕДУПРЕЖДЕНИЯ тот может быть оставлен без изменения.
Уровень ОСТАНОВ следует оставить равным 11,8 мм/с согласно критерию I. Основой для такого решения будет то, что уровень останов имеет фиксированное значение, соответствующее максимальной вибрации, которую способна выдерживать машина.
Для переходных режимов полученные значения могут быть увеличены согласно
5.2.4.
(справочное)
ПРИМЕНИМОСТЬ КРИТЕРИЯ В ВИДЕ ПОСТОЯННОГО ЗНАЧЕНИЯ СКОРОСТИ
ВИБРАЦИИ ДЛЯ МАШИН С НИЗКИМИ ЧАСТОТАМИ ВРАЩЕНИЯ
В настоящем приложении дано обоснование нежелательности применения критериев, основанных на измерении скорости вибрации, в случае машин с низкочастотной вибрацией. Для низкоскоростных машин более подходящими могут оказаться критерии, основанные на измерении перемещения, с использованием соответствующих средств измерений. Такие критерии, однако, не рассматриваются в настоящем стандарте.
Предложение использовать скорость вибрации, измеренной на невращающихся частях машины, в качестве основы для описания ее вибрационного состояния было сформулировано на основе обобщения результатов многочисленных испытаний (см., например, пионерскую работу
[14]) с учетом некоторых физических соображений. В связи с этим в течение многих лет считалось, что машины эквивалентны с точки зрения состояния и воздействия на них вибрации, если для них совпадают результаты измерения среднеквадратичного значения скорости вибрации в диапазоне частот от 10 до 1000 Гц. Преимущество такого подхода заключалось в возможности использовать одни и те же критерии вибрационного состояния вне зависимости от частотного состава вибрации или частоты вращения машины. И, наоборот, использование в качестве основы для оценки вибрационного состояния перемещения или ускорения привело бы к необходимости строить частотно-зависимые критерии, поскольку отношение перемещения к скорости обратно пропорционально частоте вибрации, а отношение ускорения к скорости ей прямо пропорционально.
В областях низких и высоких частот использование критерия в виде постоянного значения скорости становится нежелательным, поскольку на этих частотах в большей степени проявляют себя величины перемещения и ускорения соответственно.
Отношение ускорения вибрации к скорости прямо пропорционально частоте, следовательно, при использовании критерия постоянной скорости для вибрации, в которой преобладают высокие частоты, допустимые значения ускорения становились бы чрезмерно большими. Однако для крупных газовых турбин, паровых турбин и генераторов появление в спектре значимых высокочастотных составляющих обычно нехарактерно, что позволяет не принимать во внимание ускорение вибрации. Вместе с тем высокочастотная вибрация характерна для дефектов подшипников качения и зубчатых колес, поэтому при контроле состояния таких узлов необходимо рассматривать ускорение вибрации и задавать для него соответствующие критерии.
В свою очередь, отношение перемещения вибрации к скорости обратно пропорционально частоте, поэтому при использовании критерия постоянной скорости в случае низкочастотной вибрации неприемлемо высокими могут оказаться значения перемещения. На
рисунке D.1 показано, как при постоянном среднеквадратичном значении скорости 4,5 мм/с возрастает размах перемещения составляющей вибрации на частоте вращения (например, вызванной дисбалансом ротора) при изменении частоты вращения от 3600 мин
-1 до более низких значений.
n - частота вращения, мин-1; s - размах перемещения, мкм
Рисунок D.1 - Изменение составляющей перемещения на частоте
вращения ротора при ее уменьшении с сохранением постоянного
среднеквадратичного значения скорости вибрации 4,5 мм/с
Рисунок D.1 отражает простое математическое соотношение между постоянной скоростью и переменным перемещением на разных частотах вращения. Но вместе с тем он показывает, как использование критерия в виде постоянного значения скорости способно привести к росту перемещения подшипниковой опоры с уменьшением частоты вращения. Хотя динамические силы, действующие на подшипник, остаются при этом в допустимых пределах, значительные перемещения корпуса подшипника могут оказать негативное влияние на соединенные с ним элементы машины, например маслопровод.
Кривую, изображенную на
рисунке D.1, не следует путать с кривой отклика во время разгона и выбега, для которой, за исключением областей вблизи резонансов (критических частот вращения), скорость вибрации обычно уменьшается с уменьшением частоты вращения. На практике если скорость вибрации на рабочей частоте вращения находится в допустимых пределах, то на более низких частотах вращения она будет снижаться и соответствующее ей перемещение на низких частотах также будет оставаться на допустимом уровне. Поэтому если при низкой частоте вращения во время разгона зафиксировано большое значение скорости, то даже в случае, когда она остается ниже пороговых значений, установленных настоящим стандартом, и особенно если скорость вибрации существенно выше той, что наблюдалась во время предшествующих пусков машины, следует принять меры, чтобы понять причины возросших перемещений, и определить, можно ли безопасно продолжать увеличивать частоту вращения (см.
5.2.4.3).
Примечание - Если требуется провести измерения с применением преобразователя скорости для вибрации со значительными частотными составляющими ниже 10 Гц, то важно, чтобы на этих частотах характеристика преобразователя была линейной (см.
[2]).
(справочное)
ГРАНИЦЫ ЗОН СОСТОЯНИЯ И ЗАЗОРЫ В ПОДШИПНИКАХ
Для машин с гидродинамическими подшипниками скольжения основным условием безопасной работы является требование, чтобы перемещения вала на масляном клине не допускали его контакта с корпусом подшипника. Поэтому границы зон состояния для относительных перемещений вала, приведенные в
приложении B, должны быть согласованы с этим требованием. В частности, для подшипников с малым зазором может оказаться необходимым уменьшить значения границ зон. Степень уменьшения зависит от типа подшипника и угла между направлением измерений и направлением минимального зазора. В настоящем приложении приведен типичный пример коррекции границ зон вибрационного состояния.
Предположим, что опорой ротора турбины высокого давления паротурбинного агрегата с частотой вращения 3000 мин-1 служит цилиндрический подшипник диаметром 180 мм с номинальным зазором 0,1%. В этом случае зазор в подшипнике равен 180 мкм.
Из
таблицы B.1 можно получить следующие значения границ зон вибрационного состояния:
A/B - 90 мкм;
B/C - 165 мкм;
C/D - 240 мкм.
Видно, что значение границы между зонами B и C будет меньше указанного зазора, а значение границы между зонами C и D его превысит. В таком случае рекомендуется, например, следующая коррекция границ зон вибрационного состояния в долях зазора:
A/B - 0,4 зазора, т.е. 72 мкм (округленно 75 мкм);
B/C - 0,6 зазора, т.е. 108 мкм (округленно 110 мкм);
C/D - 0,7 зазора, т.е. 126 мкм (округленно 130 мкм).
Коэффициенты 0,4; 0,6 и 0,7 взяты только с целью иллюстрации принципа коррекции. Для подшипников разных типов могут быть использованы разные коэффициенты, значения которых должны быть согласованы между поставщиком и заказчиком.
В настоящем примере рассматривается случай, когда относительную вибрацию вала измеряют в подшипнике или в непосредственной близости от него. В других точках, где радиальные зазоры больше, могут быть использованы более высокие значения границ зон состояния.
(справочное)
СВЕДЕНИЯ О СООТВЕТСТВИИ ССЫЛОЧНЫХ МЕЖДУНАРОДНЫХ СТАНДАРТОВ
НАЦИОНАЛЬНЫМ СТАНДАРТАМ
Таблица ДА.1
Обозначение ссылочного международного стандарта | Степень соответствия | Обозначение и наименование соответствующего национального стандарта |
ISO 20816-1:2016 | IDT | ГОСТ Р ИСО 20816-1-2021 "Вибрация. Измерения вибрации и оценка вибрационного состояния машин. Часть 1. Общее руководство" |
Примечание - В настоящей таблице использовано следующее условное обозначение степени соответствия стандартов: - IDT - идентичный стандарт. |
[1] | ISO 2041 | Mechanical vibration, shock and condition monitoring - Vocabulary (Вибрация, удар и контроль состояния. Словарь) |
| ISO 2954 | Mechanical vibration of rotating and reciprocating machinery - Requirements for instruments for measuring vibration severity (Вибрация машин с вращательным и возвратно-поступательным движением. Требования к средствам измерений параметров вибрационного состояния) |
| ISO 3977-3 | Gas turbines - Procurement - Part 3: Design requirements (Турбины газовые. Технические условия на закупку. Часть 3. Требования к разработке) |
| ISO 5348 | Mechanical vibration and shock - Mechanical mounting of accelerometers (Вибрация и удар. Механическое крепление акселерометров) |
| ISO 7919-3 | Mechanical vibration - Evaluation of machine vibration by measurements on rotating shafts - Part 3: Coupled industrial machines (Вибрация. Оценка вибрации машин по измерениям на вращающихся валах. Часть 3. Промышленные машинные агрегаты) |
| ISO 7919-4 | Mechanical vibration - Evaluation of machine vibration by measurements on rotating shafts - Part 4: Gas turbine sets with fluid-film bearings (Вибрация. Оценка вибрации машин по измерениям на вращающихся валах. Часть 4. Газотурбинные установки с гидравлическими подшипниками) |
| ISO 10816-3 | Mechanical vibration - Evaluation of machine vibration by measurements on non-rotating parts - Part 3: Industrial machines with nominal power above 15 kW and nominal speeds between 120 r/min and 15 000 r/min when measured in situ (Вибрация. Оценка вибрации машин по измерениям на невращающихся частях. Часть 3. Промышленные машины номинальной мощностью свыше 15 кВт с номинальными частотами вращения от 120 до 15 000 мин-1 по измерениям на месте применения) |
| ISO 10816-4 | Mechanical vibration - Evaluation of machine vibration by measurements on non-rotating parts - Part 4: Gas turbine sets with fluid-film bearings (Вибрация. Оценка вибрации машин по измерениям на невращающихся частях. Часть 4. Газотурбинные установки с гидравлическими подшипниками) |
| ISO 10817-1 | Rotating shaft vibration measuring systems - Part 1: Relative and absolute sensing of radial vibration (Системы измерений вибрации вращающихся валов. Часть 1. Устройства для снятия сигналов относительной и абсолютной вибрации в радиальном направлении) |
| ISO 13373 (all parts) | Condition monitoring and diagnostics of machines - Vibration condition monitoring (Контроль состояния и диагностика машин. Вибрационный контроль состояния) |
[11] | ISO 20816-5 | Mechanical vibration - Measurement and evaluation of machine vibration - Part 5: Machine sets in hydraulic power generating and pump-storage plants (Вибрация. Измерения вибрации и оценка вибрационного состояния машин. Часть 5. Машинные агрегаты на гидроэлектростанциях и насосных станциях) |
[12] | ISO 21940-12 | Mechanical vibration - Rotor balancing - Part 12: Procedures and tolerances for rotors with flexible behaviour (Вибрация. Балансировка роторов. Часть 12. Методы и допуски для гибких роторов) |
| ISO 21940-31 | Mechanical vibration - Rotor balancing - Part 31: Susceptibility and sensitivity of machines to unbalance (Вибрация. Балансировка роторов. Часть 31. Чувствительность и подверженность машин к дисбалансу) |
| Rathbone T.C. Vibration tolerances. Power Plant Engineering, 1939 |
УДК 621.9:534.1.08:006.354 | |
Ключевые слова: газовая турбина, паровая турбина, генератор, вибрация, измерения, вибрационное состояние, критерии оценки, контроль |