Главная // Актуальные документы // ГОСТ Р (Государственный стандарт)СПРАВКА
Источник публикации
М.: ФГБУ "РСТ", 2022
Примечание к документу
Документ
введен в действие с 01.01.2023.
Название документа
"ГОСТ Р ИСО 17179-2022. Национальный стандарт Российской Федерации. Выбросы стационарных источников. Определение массовой концентрации аммиака в дымовых газах. Эксплуатационные характеристики автоматизированных измерительных систем"
(утв. и введен в действие Приказом Росстандарта от 03.10.2022 N 1042-ст)
"ГОСТ Р ИСО 17179-2022. Национальный стандарт Российской Федерации. Выбросы стационарных источников. Определение массовой концентрации аммиака в дымовых газах. Эксплуатационные характеристики автоматизированных измерительных систем"
(утв. и введен в действие Приказом Росстандарта от 03.10.2022 N 1042-ст)
Утвержден и введен в действие
агентства по техническому
регулированию и метрологии
от 3 октября 2022 г. N 1042-ст
НАЦИОНАЛЬНЫЙ СТАНДАРТ РОССИЙСКОЙ ФЕДЕРАЦИИ
ВЫБРОСЫ СТАЦИОНАРНЫХ ИСТОЧНИКОВ
ОПРЕДЕЛЕНИЕ МАССОВОЙ КОНЦЕНТРАЦИИ АММИАКА В ДЫМОВЫХ ГАЗАХ.
ЭКСПЛУАТАЦИОННЫЕ ХАРАКТЕРИСТИКИ АВТОМАТИЗИРОВАННЫХ
ИЗМЕРИТЕЛЬНЫХ СИСТЕМ
Stationary source emissions. Determination of the mass
concentration of ammonia in flue gas. Performance
characteristics of automated measuring systems
(ISO 17179:2016, IDT)
ГОСТ Р ИСО 17179-2022
Дата введения
1 января 2023 года
1 ПОДГОТОВЛЕН Акционерным обществом "Научно-исследовательский институт охраны атмосферного воздуха" (АО "НИИ Атмосфера") на основе собственного перевода на русский язык англоязычной версии стандарта, указанного в
пункте 4
2 ВНЕСЕН Техническим комитетом по стандартизации ТК 457 "Качество воздуха"
3 УТВЕРЖДЕН И ВВЕДЕН В ДЕЙСТВИЕ
Приказом Федерального агентства по техническому регулированию и метрологии от 3 октября 2022 г. N 1042-ст
4 Настоящий стандарт идентичен международному стандарту ИСО 17179:2016 "Выбросы стационарных источников. Определение массовой концентрации аммиака в дымовых газах. Эксплуатационные характеристики автоматизированных измерительных систем" (ISO 17179:2016 "Stationary source emissions - Determination of the mass concentration of ammonia in flue gas - Performance characteristics of automated measuring systems", IDT).
При применении настоящего стандарта рекомендуется использовать вместо ссылочных международных стандартов соответствующие им национальные стандарты, сведения о которых приведены в дополнительном
приложении ДА
5 ВВЕДЕН ВПЕРВЫЕ
Правила применения настоящего стандарта установлены в статье 26 Федерального закона от 29 июня 2015 г. N 162-ФЗ "О стандартизации в Российской Федерации". Информация об изменениях к настоящему стандарту публикуется в ежегодном (по состоянию на 1 января текущего года) информационном указателе "Национальные стандарты", а официальный текст изменений и поправок - в ежемесячном информационном указателе "Национальные стандарты". В случае пересмотра (замены) или отмены настоящего стандарта соответствующее уведомление будет опубликовано в ближайшем выпуске ежемесячного информационного указателя "Национальные стандарты". Соответствующая информация, уведомление и тексты размещаются также в информационной системе общего пользования - на официальном сайте Федерального агентства по техническому регулированию и метрологии в сети Интернет (www.rst.gov.ru)
Для контроля выбросов NOx в дымовых газах электростанций, мусоросжигательных заводов используют системы контроля NOx селективного каталитического восстановления (СКВ) и селективного некаталитического восстановления (СНКВ). Технологии снижения выбросов NOx требуют подачи аммиака (NH3) и/или мочевины в дымовой газ. Система СКВ предназначена для работы при минимально возможном количестве непрореагировавшего NH3 в дымовых газах (или оставшегося NH3 в дымовых газах) (обычно от 2 до 4 мг/м3 NH3) с эффективностью снижения NOx более 90%. Таким образом, для эффективной работы и технического обслуживания систем контроля NOx и для минимизации воздействия на окружающую среду из-за аммиака и NOx необходимо установить требования к эксплуатационным характеристикам метода измерения NH3.
Настоящий стандарт устанавливает основные эксплуатационные характеристики автоматизированных систем измерения аммиака (NH3) в выбросах стационарных источников, например установок сжигания, где применяются системы контроля NOx СНКВ/СКВ (системы deNOx). Настоящий стандарт также содержит процедуры определения эксплуатационных характеристик. Кроме того, в нем описаны методы и оборудование для определения NH3 в дымовых газах, включая систему отбора и подготовки проб газа.
Настоящий стандарт определяет экстракционные системы, основанные на прямых и косвенных методах измерения, и системы in situ, основанные на методах прямого измерения, в сочетании с рядом анализаторов, которые работают с использованием, например, следующих принципов:
- превращение аммиака в NO или реакция с ним с последующим измерением разности хемилюминесценции (ХЛ) NOx для аммиака (дифференциальный NOx);
- превращение аммиака в NO или реакция с ним с последующим измерением разности NOx для аммиака с помощью недисперсионной УФ-спектроскопии (НДУФ) (дифференциальный NOx);
- ИК-спектроскопия с Фурье-преобразованием (ИКФП);
- недисперсионная инфракрасная спектроскопия (НДИК) с корреляцией газовых фильтров (КГФ);
- настраиваемая лазерная спектроскопия (ДЛС).
Метод позволяет осуществлять непрерывный мониторинг с помощью постоянно установленных систем измерения выбросов NH3 и применим к измерениям NH3 в сухих или влажных дымовых газах, для мониторинга процессов, долгосрочного контроля производительности систем deNOx и/или мониторинга выбросов.
Допускается использование эквивалентных инструментальных методов при условии, что они соответствуют минимальным требованиям, установленным в настоящем стандарте. Измерительная система может быть откалибрована сертифицированными газами в соответствии с настоящим стандартом или сопоставимыми методами.
Метод дифференциального NOx с использованием ХЛ был успешно протестирован на некоторых электростанциях, где концентрация NOx и концентрация NH3 в дымовых газах после систем deNOx составляют до 50 мг(NO)/м3 и 10 мг(NH3)/м3, соответственно АИС на основе ИКФП, НДИК с КГФ и ЛС успешно использовался в этом приложении для диапазонов измерения до 10 мг(NH3)/м3.
В настоящем стандарте использованы нормативные ссылки на следующие стандарты [для датированных ссылок применяют только указанное издание ссылочного стандарта, для недатированных - последнее издание (включая все изменения)]:
ISO 9169, Air quality - Definition and determination of performance characteristics of an automatic measuring system (Качество воздуха. Определение и определение рабочих характеристик автоматической измерительной системы)
ISO 14956, Air quality - Evaluation of the suitability of a measurement procedure by comparison with a required measurement uncertainty (Качество воздуха. Оценка пригодности методики измерения путем сравнения с требуемой неопределенностью измерения)
ISO 20988, Air quality - Guidelines for estimating measurement uncertainty (Качество воздуха. Рекомендации по оценке неопределенности измерений)
В настоящем стандарте применены следующие термины с соответствующими определениями.
3.1
газоанализатор (analyser): Аналитический блок в экстракционной или
in situ АИС (3.3) для измерений без отбора проб.
[ИСО 12039:2001, 3.3]
3.2
автоматическая измерительная система; АИС (automated measuring system, AMS): Измерительная система, взаимодействующая с исследуемым дымовым газом, возвращающая выходной сигнал, пропорциональный физической единице
измеряемой величины (3.11) в автономном режиме.
Примечание - В настоящем стандарта АИС - это система, которая может быть прикреплена к газоходу или дымовой трубе для непрерывного или периодического измерения массовой концентрации NH3.
[ИСО 9169:2006, 2.1.2, модифицировано]
3.3
in situ АИС (
in situ AMS): Неэкстракционные системы, которые измеряют концентрацию непосредственно в воздуховоде или дымовой трубе.
Примечание - Системы измерения без отбора проб измеряют либо в поперечном сечении трубы или воздуховода, либо в точке внутри воздуховода или трубы.
3.4
калибровка автоматизированной измерительной системы (calibration of an automated measuring system): Процедура для установления статистической взаимосвязи между значениями
измеряемой величины (3.11), показанными
автоматизированной измерительной системой (3.2) и соответствующими значениями, полученными с помощью независимого метода измерения, реализованного одновременно в одной и той же точке измерения.
3.5 эффективность NH3/NO (efficiency of NH3/NO): Эффективность конвектора, который окисляет NH3 до NO.
3.6 эффективность NH3/N2 (efficiency of NH3/N2): Эффективность конвектора, который окисляет NH3 до N2.
3.7
влияющая величина (influence quantity): Величина, которая не является
измеряемой величиной (3.11), но влияет на результат измерения измеряемой величины.
[Руководство ИСО/МЭК 98-3:2008, B.2.10]
3.8
мешающее влияние, перекрестная чувствительность (interference cross-sensitivity): Отрицательное или положительное влияние на отклик измерительной системы из-за того, что компонент пробы не является
измеряемой величиной (3.11).
3.9
мешающее влияние, мешающее вещество (interferent, interfering substance): Вещество, присутствующее в исследуемой воздушной массе, кроме
измеряемой величины (3.11), которое влияет на реакцию.
[ИСО 9169:2006, 2.1.12]
3.10
отсутствие соответствия (lack-of-fit): Систематическое отклонение в пределах диапазона применения между результатами измерения, полученными путем применения функции калибровки к наблюдаемому отклику измерительной системы,
измерительным стандартным материалам (3.16), и соответствующим принятым значением таких стандартных образцов.
Примечание 1 - Отсутствие соответствия может зависеть от результата измерения.
Примечание 2 - Выражение "несоответствие" часто заменяется в повседневном языке для линейных отношений на "линейность" или "отклонение от линейности".
[ИСО 9169:2006, 2.2.9, модифицировано]
3.11
измеряемая величина (measurand): Конкретное количество, подлежащее измерению.
[Руководство ИСО/МЭК 98-3:2008, B.2.9, модифицировано]
3.12 эффективность конвертера NO2/NO (NO2/NO converter efficiency): Эффективность, с которой преобразовательный блок анализатора NOx восстанавливает NO2 до NO.
3.13
эксплуатационные характеристики (performance characteristic): Характеристика оборудования для определения его производительности.
Примечание - Эксплуатационные характеристики могут быть описаны значениями, допусками или диапазонами.
3.14
период автономной работы (period of unattended operation): Максимальный интервал времени, в течение которого
эксплуатационные характеристики (3.13) остаются в заданном диапазоне без внешнего обслуживания, например заправка, регулировка.
Примечание - Период автономной работы часто называют интервалом технического обслуживания.
[ИСО 9169:2006, 2.2.11]
3.15 эталонный газ (reference gas): Эталонная газовая смесь стабильного состава, используемая для калибровки измерительной системы и соответствующая национальным или международным стандартам.
3.16
стандартные материалы; СМ (reference material, RM): Вещество или смесь веществ с известной концентрацией в указанных пределах, или устройство с известными характеристиками.
Примечание - Обычно используются калибровочные газы, газовые баллоны, решетки или фильтры.
[ИСО 14385-1:2014, 3.20]
3.17
стандартный метод (reference method): Метод измерения, принятый в качестве эталона, который дает определенное принятое значение
измеряемой величины (3.11).
3.18 время транспортировки в измерительной системе (transport time in the measuring system): Период времени для транспортировки отбираемого газа от входа зонда до входа измерительного прибора.
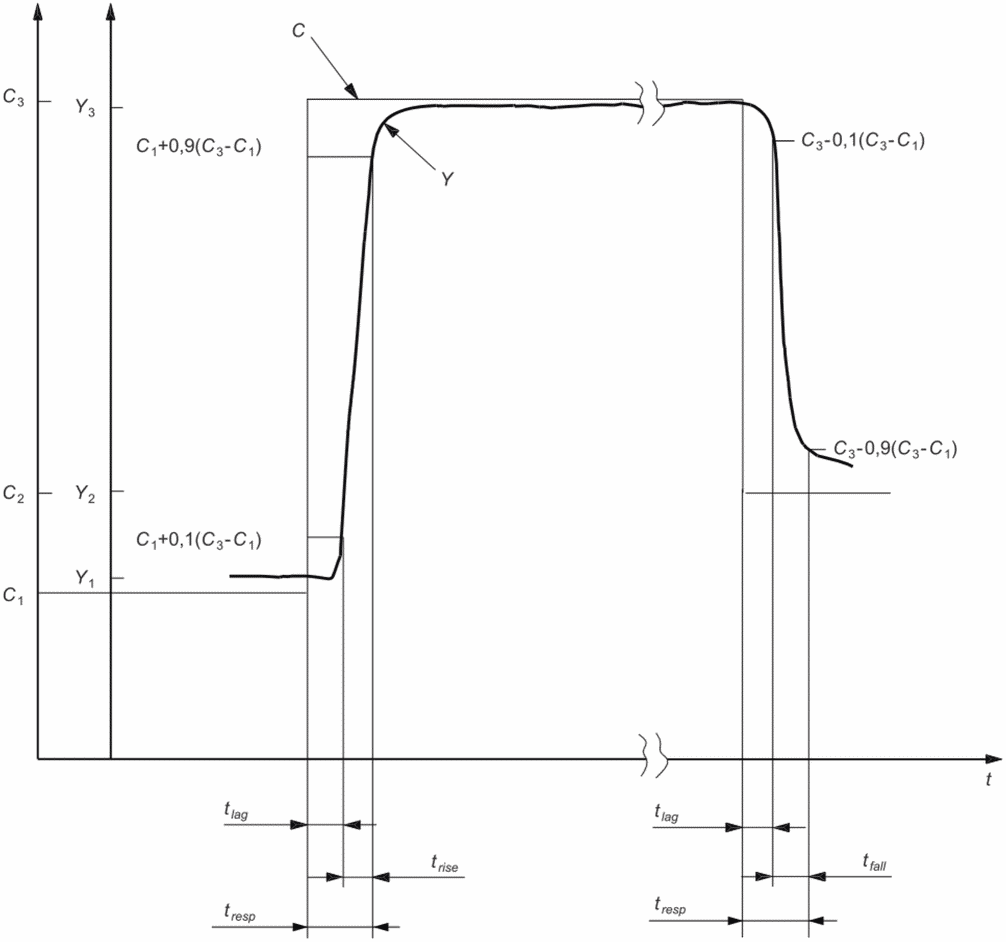
3.19 время отклика (response time): Интервал времени между моментом, когда стимул подвергается заданному резкому изменению, и моментом, когда реакция достигает и остается в определенных пределах вокруг своего окончательного стабильного значения, определяемого как сумма времени задержки и времени нарастания в режиме нарастания, и сумма времени запаздывания и времени спада в падающем режиме.
Примечание - Время задержки, время нарастания и время спада определены в ИСО 9169:2006.
[ИСО 9169:2006, 2.2.4]
3.20 газ для контрольной точки (span gas): Газ или газовая смесь, используемые для настройки и проверки отклика измерительной.
Примечание - Контрольную точку выбирают в диапазоне от 70% до 80% от полной шкалы.
3.21
точка диапазона (span point): Значение выходной величины (измеренного сигнала)
автоматизированной измерительной системы (3.2) с целью калибровки, настройки и т.д., которое представляет собой правильное измеренное значение, полученное с помощью
стандартного материала (3.16).
3.22 стандартная неопределенность (standard uncertainty): Неопределенность результата измерения, выраженная в виде стандартного отклонения.
[Руководство ИСО/МЭК 98-3:2008, 2.3.1]
3.23 неопределенность (измерения) [uncertainty (of measurement)]: Параметр, относящийся к результату измерения и характеризующий разброс значений, которые могли бы быть обоснованно приписаны измеряемой величине.
[Руководство ИСО/МЭК 98-3:2008, 2.2.3]
3.24
валидация автоматизированной измерительной системы (validation of an automated measuring system): Процедура проверки статистической взаимосвязи между значениями
измеряемой величины (3.11), показанными
автоматизированной измерительной системой (3.2), и соответствующими значениями, полученными с помощью независимого метода измерения, реализованного одновременно в той же точке измерения.
3.25 нулевой газ (zero gas): Газ или смесь газов, используемые для настройки точки нуля на градуировочном графике в пределах заданного диапазона массовой концентрации.
[ИСО 9169:2006, 3.4.2]
3.26
нулевая точка (zero point): Заданное значение выходной величины (измеренного сигнала)
АИС (3.2), которое в отсутствие измеряемой составляющей представляет собой пересечение нуля калибровочной линии.
[ИСО 9169:2006, 2.1.12]
4 Обозначения и сокращения
В настоящем стандарте применены следующие обозначения и сокращения:
ei | - | остаточный (отсутствие соответствия) на уровне i; |
k | - | коэффициент охвата; |
n | - | количество измерений; |
sr | - | стандартное отклонение повторяемости; |
| - | комбинированная неопределенность массовой концентрации NH3; |
| - | расширенная неопределенность массовой концентрации NH3; |
Mc | - | молярная масса NH3 (17 031 г/моль); |
VM | - | молярный объем (22,4 дм3/моль); |
| - | объемная доля NH3; |
| - | массовая концентрация NH3 в мг/м3; |
| - | массовая концентрация NH3 при стандартных условиях в мг/м3 (273,15 К; 101,325 кПа); |
| - | массовая концентрация NH3 при стандартных условиях в мг/м3 (273,15 К; 101,325 кПа; с поправкой на O2 и H2O); |
| - | среднее значение измеренных значений xi; |
xi | - | измеренное значение i; |
| - | среднее значение измеренного значения на уровне i; |
| - | значение, оцениваемое линией регрессии на уровне i; |
АИС | - | автоматизированная измерительная система; |
ХЛ | - | хемилюминесценция; |
ИКФП | - | ИК-спектроскопия с Фурье-преобразованием; |
КГФ | - | корреляция газового фильтра; |
НДИК | - | недисперсионная инфракрасная спектроскопия; |
НДУФ | - | недисперсионная ультрафиолетовая спектроскопия; |
ОК | - | оценка качества; |
КК | - | контроль качества; |
СКВ | - | селективное каталитическое восстановление; |
СНКВ | - | селективное некаталитическое восстановление; |
ЛС | - | лазерная спектроскопия. |
Настоящий стандарт устанавливает требования к автоматизированным измерительным системам отбора проб, кондиционирования и определения содержания NH3 в дымовых газах с использованием инструментальных методов (анализаторов).
Существует два типа автоматизированных измерительных систем:
- экстракционные системы;
- системы in situ.
В экстракционных системах представительная проба газа отбирается из дымовой трубы с помощью пробоотборного зонда и передается в анализатор через линию отбора проб и систему подготовки проб газа.
Системы in situ не требуют обработки проб. Для установки этих систем необходимо выбрать определенное место с представительной пробой.
Системы, описанные в настоящем стандарте, измеряют концентрацию NH3 с помощью инструментальных методов, которые должны соответствовать указанным минимальным эксплуатационным характеристикам.
6 Описание автоматизированных измерительных систем
6.1 Системы отбора и подготовки проб газа
Поскольку аммиак (NH3) является хорошо растворимым в воде, существует возможность его потери из пробы из-за растворимости последнего в сконденсировавшейся из дымовых газов воде.
Подробные сведения о системах отбора и подготовки проб газа для каждой из автоматизированных измерительных систем приведены в
приложениях A,
B и
C.
6.2 Оснащение газоанализатора
Оборудование, в котором реализуются эти методы, должно соответствовать эксплуатационным характеристикам, описанным в разделе 7.
7 Эксплуатационные характеристики
7.1 Критерии производительности
В таблице 1 приведены эксплуатационные характеристики и критерии производительности газоанализатора и измерительной системы, которые оценивают во время общего теста производительности посредством постоянного контроля качества в лаборатории и во время измерений. Процедуры оценки производительности приведены в
приложении E.
Таблица 1
Основные рабочие характеристики и критерии АИС
для измерения аммиака
Характеристики производительности | Критерии производительности | Процедура оценки |
Время отклика | | |
Стандартное отклонение повторяемости в лаборатории в нулевой точке | <= 2% от верхнего предела самого нижнего используемого диапазона измерения | |
Стандартное отклонение воспроизводимости (NH3) в лаборатории в точке диапазона | <= 2% от верхнего предела самого нижнего используемого диапазона измерения | |
Отсутствие соответствия | <= +/- 2% от верхнего предела самого нижнего используемого диапазона измерения | |
Нулевой дрейф в течение 24 ч | <= +/- 2% от верхнего предела самого нижнего используемого диапазона измерения | |
Дрейф диапазона в течение 24 ч | <= +/- 2% от верхнего предела самого нижнего используемого диапазона измерения | |
Чувствительность к давлению измеряемого газа, при изменении давления на 2 кПа | <= +/- 3% от верхнего предела самого нижнего используемого диапазона измерения | |
Нулевой дрейф | <= +/- 3% от верхнего предела самого нижнего используемого диапазона измерения | |
Дрейф диапазона | <= +/- 3% от верхнего предела самого нижнего используемого диапазона измерения | |
Чувствительность к температуре окружающей среды, к изменению на 10 К в диапазоне температур, указанном производителем | <= +/- 3% от верхнего предела самого нижнего используемого диапазона измерения | |
Чувствительность к электрическому напряжению в диапазоне напряжений, указанном производителем | <= +/- 2% верхнего предела самого низкого используемого диапазона измерения на 10 В <c> | |
Перекрестная чувствительность | <= 4% верхнего предела самого нижнего используемого диапазона измерения | |
Эффективность конвектора NO2/NO | >= 95% | |
КПД конвектора NH3/NO | >= 90% | |
КПД конвектора NH3/N2 | >= 95% | |
Потери и утечки в пробоотборной линии и системе кондиционирования | <= 2% от измеренного значения | |
Отклонение измерительного потока поперечного сечения in situ установки АИС | <= 2% от измеренного значения самого низкого используемого диапазона измерения | |
<a> Для мониторинга выбросов от систем deNO x. <b> Для долгосрочного мониторинга изменений в системах deNO x, особенно снижения активности катализатора. <c> При номинальном напряжении питания 200 В. |
Диапазон измерения определяют двумя значениями измеряемой величины или величины, для которой указаны пределы неопределенности измерительного прибора. Верхний предел самого нижнего используемого диапазона измерения устанавливают таким образом, чтобы значения измерения находились в пределах от 20% до 80% диапазона измерения.
7.2 Определение эксплуатационных характеристик
7.2.1 Оценка производительности
Эксплуатационные характеристики АИС определяют во время оценки производительности. Определенные значения эксплуатационных характеристик должны соответствовать критериям, указанным в
таблице 1. Процедуры определения характеристик приведены в
приложении E.
При определении эксплуатационных характеристик документируют условия окружающей среды.
Неопределенность измерения измеренных значений АИС рассчитывают в соответствии с ИСО 14956 на основе эксплуатационных характеристик, определенных при оценке производительности, и она должна соответствовать значению неопределенности, в рамках предполагаемого использования.
7.2.2 Постоянный контроль качества
Пользователь должен проверять конкретные эксплуатационные характеристики во время непрерывной работы измерительной системы с периодичностью, указанной в
таблице 2.
Неопределенность измерения при применении в полевых условиях должна определяться пользователем измерительной системы в соответствии с применимыми национальными стандартами. Для мониторинга процесса (нерегулируемое применение) значение неопределенности должно соответствовать предполагаемому использованию. Его определяют прямым или косвенным подходом к оценке неопределенности, в соответствии с ИСО 20988. Неопределенность измеренных значений при эксплуатации в полевых условиях зависит не только от эксплуатационных характеристик самого анализатора, но и от факторов неопределенности, связанных:
- с линией отбора проб и системы кондиционирования;
- специфическими условиями места отбора;
- используемыми калибровочными газами.
8.1 Общие положения
АИС следует применять в соответствии с инструкциями производителя.
Необходимо строго соблюдать процедуры ОК/КК, указанные в
разделе 9.
Во время измерения окружающие условия должны находиться в диапазонах, соответствующих общей оценки производительности.
8.2 Выбор измерительной системы
Для выбора подходящего анализатора, пробоотборной линии и блока кондиционирования необходимо до начала измерения учитывать следующие характеристики дымовых газов:
- диапазон температуры окружающей среды;
- температура дымовых газов;
- содержание водяного пара в дымовых газах;
- запыленность дымовых газов;
- ожидаемый диапазон концентраций NH3;
- ожидаемая концентрация потенциально мешающих веществ.
Чтобы избежать длительного времени отклика и эффектов памяти, линия отбора проб должна быть как можно короче. При необходимости следует использовать байпасный насос. Если в анализируемом газе содержится большое количество пыли, следует использовать соответствующий подогреваемый фильтр.
Перед мониторингом выбросов пользователь должен убедиться, что были выполнены необходимые процедуры ОК/КК.
Примечание - Информация о процедурах ОК/КК представлена в ИСО 14385-1
[3] и ИСО 14385-2
[4].
8.3 Отбор проб
8.3.1 Место отбора проб
Место отбора проб должно быть доступным пространством для размещения оборудования для отбора проб и анализатора. Конструкции платформы для отбора проб должны обеспечивать представительное измерение выбросов и полное соответствие задачам мониторинга. Кроме того, место отбора проб следует выбирать с учетом безопасности персонала, доступности и наличия электроэнергии.
8.3.2 Точка(и) отбора проб
Необходимо убедиться, что измеренные концентрации газа являются представительными для средних условий внутри дымохода. Следовательно, точки отбора проб должны быть выбраны так, чтобы обеспечить представительный отбор проб.
Примечание - Выбор точек для представительного отбора приведен, например, в ИСО 10396, с учетом стратификации газа, колебания скорости газа, температуры и других факторов.
8.4 Сбор данных
Значения, измеренные с помощью откалиброванного АИС в эксплуатационных условиях дымового газа, следует документировать внутренней или внешней системой регистрации данных и усреднять в соответствии с измерительной задачей.
Объемное содержание водяного пара в дымовых газах (при необходимости) также следует измерять параллельно и усреднять за период отбора проб при измерении NH3, чтобы выразить концентрации NH3 для условий сухих дымовых газов.
8.5 Расчет
Результаты измерения выражают в единицах массовой концентрации при стандартных условиях.
Если концентрация NH
3 представлена как объемная концентрация, следует использовать формулу (1) для преобразования объемной доли NH
3 (10
-6),

, в массовые концентрации NH
3,

.

, (1)
где

- массовая концентрация NH
3 в мг/м
3;

- объемная доля NH
3 (по объему, 10
-6);
Mc - молярная масса NH3 (17,031 г/моль);
VM - молярный объем (22,4 дм3/моль).
Концентрация NH3, измеренная во влажном газе, должна быть скорректирована до концентрации NH3 при стандартных условиях с использованием формулы (2):

, (2)
где

- массовая концентрация NH
3, измеренная во влажном газе (мг/м
3);

- массовая концентрация NH
3 при стандартных условиях в мг/м
3 (273,15 К; 101,325 кПа);
t - температура (К);
p - разница между статическим давлением измеряемого газа и стандартным давлением (кПа).
При необходимости концентрацию NH3, измеренную во влажном газе, следует скорректировать до концентрации NH3 при нормальных условиях (3):

, (3)
где

- массовая концентрация NH
3, измеренная во влажном газе (мг/м
3);

- массовая концентрация NH
3 при стандартных условиях в мг/м
3 (273,15 К; 101,325 кПа; O
2 и H
2O с поправками);
t - температура (К);
p - разница между статическим давлением измеряемого газа и стандартным давлением (кПа);
h - абсолютное содержание водяного пара (по объему) (%).
9 Обеспечение качества и процедуры контроля качества
9.1 Общие положения
Обеспечение качества и контроль качества (ОК/КК) важны для того, чтобы гарантировать, что неопределенность измеренных значений NH3 сохраняется в пределах, установленных для задачи измерения.
АИС следует регулировать и проверять после установки, а затем во время непрерывной эксплуатации. В таблице 2 показаны минимально необходимые процедуры испытаний и частота проверок. Пользователь должен реализовать соответствующие процедуры для определения рабочих характеристик или процедур. Результаты процедур ОК/КК должны быть задокументированы.
Таблица 2
Минимальная частота проверок ОК/КК во время работы
Параметр | Минимальная частота | Процедура оценки |
Время отклика | Раз в год | |
Стандартное отклонение повторяемости в нулевой точке | Раз в год | |
Стандартное отклонение повторяемости (NH3) в точке диапазона | Раз в год | |
Отсутствие соответствия | Раз в год | |
Система отбора проб и проверка герметичности | Раз в год | |
Выравнивание потока (только для in situ АИС) | Раз в год | |
Ослабление интенсивности света за счет чистоты и запыленности (только для in situ АИС) | В основном непрерывный | Согласно требованиям производителя |
Очистка или замена фильтров | Фильтры твердых частиц необходимо периодически менять в зависимости от запыленности в месте отбора проб. Во время этой замены фильтра необходимо очищать корпус фильтра | Согласно требованиям производителя |
КПД конвертера NO2/NO | Согласно рекомендациям производителя | |
КПД конвектора NH3/N2 | Согласно рекомендациям производителя | |
КПД конвектора NH3/NO | Согласно рекомендациям производителей | |
Нулевой дрейф | Один раз в период автономной работы или в период, указанный в национальном стандарте | |
Дрейф сигнала | Один раз в период автономной работы или в период, указанный в национальном стандарте | |
Регулярное обслуживание анализатора | Согласно рекомендациям производителя | Согласно рекомендациям производителя |
Калибровка и проверка анализатора | В соответствии с национальными стандартами | |
Пользователь должен реализовать процедуру, гарантирующую, что используемые стандартные образцы соответствуют требованиям неопределенности, указанным в
приложении D, например по сравнению с эталонным газом более высокого качества.
9.3 Калибровка, валидация и неопределенность измерений
Стационарно установленный АИС для непрерывного мониторинга должен быть откалиброван и утвержден путем сравнения с независимым методом измерения. Валидация должна включать определение неопределенности измеренных значений, полученных калиброванным АИС.
АИС должен подвергаться регулировкам и функциональным испытаниям в соответствии с
9.2 перед каждой калибровкой и валидацией.
Калибровку и проверку АИС следует выполнять через регулярные промежутки времени и после ремонта анализатора в соответствии с применимыми национальными стандартами.
Неопределенность измеренных значений, полученных стационарно установленным АИС для непрерывного мониторинга, определяют путем сравнения с независимым методом измерения в рамках калибровки и валидации АИС. Это гарантирует, что неопределенность измерения является представительной для применения на конкретном предприятии.
Примечание - Определение неопределенности измеренных значений, полученных стационарно установленной АИС для непрерывного мониторинга на основе сравнения с независимым методом измерения, приведено в ИСО 20988.
Неопределенность измеренных значений должна соответствовать критерию неопределенности, установленному для цели измерения.
Протокол испытаний должен соответствовать национальным стандартам. Если не указано иное, он должен включать, по крайней мере, следующую информацию:
a) ссылку на настоящий стандарт;
b) описание цели измерения;
c) принцип отбора проб газа;
d) информацию об АИС, линии отбора проб и кондиционирования;
e) идентификационные данные используемой АИС и ее эксплуатационные характеристики, перечисленные в
таблице 1;
f) рабочий диапазон;
g) температуру и давление измеряемого газа, а также длину пути через оптическую ячейку (требуется только для измерения in situ);
h) подробные сведения о качестве и концентрации используемых поверочных газов;
i) описание установки и процесса;
j) идентификацию плоскости отбора проб;
k) действия, предпринятые для получения представительных проб;
l) описание расположения точки (точек) отбора проб в плоскости;
m) описание рабочих условий производственного процесса;
n) изменения в работе предприятия во время отбора проб;
o) дату, время и продолжительность отбора проб;
p) временное усреднение по соответствующим периодам;
q) измеренные значения;
r) неопределенность измерения;
s) результаты любых проверок;
t) любые отклонения от настоящего стандарта.
(обязательное)
МЕТОД ЭКСТРАКТИВНОГО ДИФФЕРЕНЦИАЛЬНОГО ИЗМЕРЕНИЯ NOx
A.1 Принцип измерения, основанный на методе дифференциального измерения NOx
Принцип анализа основан на методе дифференциального измерения NOx; NH3 в дымовых газах преобразуется в NO или N2 до того, как газ поступает в анализатор NO/NOx, и сигнал NH3 получают по разнице от отдельного и общего измерения NOx.
Возможны следующие преобразования:
a) преобразование NH3 в N2: измерение разницы между NOx и (NOx - NH3);
b) преобразование NH3 в NO: измерение разницы между NOx и (NOx + NH3).
В качестве анализатора NO можно использовать анализатор хемилюминесценции (ХЛ), недисперсионный ультрафиолетовый анализатор (НДУФ) или любой другой подходящий анализатор NO.
Концентрацию аммиака определяют путем сравнения измерения NH3 + NOx с измерением NOx без преобразования NH3, проводимым параллельно.
A.2 Описание автоматизированной измерительной системы
A.2.1 Общие положения
Представительный объем дымовых газов отбирают из источника выбросов в течение фиксированного периода времени с регулируемым расходом. Пыль, присутствующая в отбираемом объеме, удаляется фильтрацией до того, как проба газа кондиционируется и поступает в аналитический прибор. На рисунке A.1 приведено типичное расположение полной измерительной системы для NH3.
1 - пробоотборник с подогревом (при необходимости);
2 - фильтр (внутри или вне сечения); 3, 3' - впуск нулевого
и калибровочного газа; 4 - преобразователь NH3
(NH3/N2 или NH3/NO; внутри или вне трубы);
5, 5' - преобразователь NO2/NO; 6, 6' - система
отвода влаги; 7, 7' - насос; 8 - анализатор NO/NOx
(один анализатор или два отдельных анализатора)
Рисунок A.1 - Схема измерительной системы (пример)
A.2.2 Компоненты системы отбора и подготовки проб газа
A.2.2.1 Пробоотборный зонд
Пробоотборный зонд должен быть изготовлен из подходящего, устойчивого к коррозии материала (например, из нержавеющей стали без молибдена, боросиликатного стекла, керамики; ПТФЭ подходит только для температуры дымовых газов ниже 200 °C). При температурах свыше 250 °C нержавеющая сталь, содержащая молибден, может превращать NH3 в NO. Запрещается использовать какие-либо материалы из меди или сплавов на ее основе.
A.2.2.2 Фильтр
Фильтр необходим для удаления твердых частиц, чтобы защитить систему отбора проб и анализатор. Фильтр должен быть изготовлен из керамики, ПТФЭ, боросиликатного стекла или металлокерамики. Он должен нагреваться выше точки росы по воде или кислоте. Рекомендуется фильтр, задерживающий частицы размером более 2 мкм. Размер фильтра должен определяться на основе требуемого расхода пробы и данных производителя о расходе на единицу площади.
Температура пробоотборного зонда и фильтра должна быть выше температуры точки росы воды или кислоты, поскольку точка отбора проб обычно расположена после выхода из систем deNOx.
A.2.2.3 Преобразователь NH3
В зависимости от используемого процесса существует два варианта конверсии NH3.
A.2.2.3.1 Преобразователь NH3 в NO
Каталитический нейтрализатор (например, состоящий из драгоценных металлов, таких как платина) работает при температуре около 700 °C и преобразует NH3 в NO в соответствии со следующей реакцией:

.
A.2.2.3.2 Преобразователь NH3 в N2
Преобразователь содержит катализатор, аналогичный таковому для процессов deNOx. Он работает при температуре от 250 °C до 350 °C и преобразует NH3 в N2 в соответствии со следующей реакцией:

.
При использовании преобразователя NH3 в N2 концентрация NO в дымовых газах должна быть выше, чем концентрация NH3.
A.2.2.4 Линия отбора проб
Линия отбора проб должна быть изготовлена из ПТФЭ, ПФА или нержавеющей стали без молибдена. Трубопроводы должны работать при температуре на 15 °C выше точки росы конденсируемых веществ (обычно точки росы воды или кислоты). Диаметр трубки должен быть соответствующего размера, чтобы обеспечить скорость потока, требуемую анализатору, при выбранной длине линии и степени падения давления в линии, а также производительности используемого насоса для отбора проб.
A.2.2.5 Преобразователь NOx
Преобразователь NO2/NO состоит из обогреваемой печи, в которой поддерживается постоянная температура, и изготовлен из таких материалов, как нержавеющая сталь, вольфрам, спектроскопически чистый углерод или кварц. Он должен быть способен преобразовывать не менее 95% NO2 в NO.
A.2.2.6 Система удаления влаги
Система удаления влаги должна использоваться для отделения водяного пара от дымового газа. Точка росы должна быть значительно ниже температуры окружающей среды. Рекомендуется относительная влажность, эквивалентная температуре охлаждения от 2 °C до 5 °C. Достаточное охлаждение требуется для объема отбираемого газа и количества содержащегося в нем водяного пара.
A.2.2.7 Насос для отбора проб
Насос для отбора проб используется для забора непрерывной пробы из канала через систему отбора проб. Это может быть мембранный насос, насос с металлическим сильфоном, эжекторный насос или другие типы. Насос должен быть изготовлен из коррозионно-стойкого материала. Характеристики насоса должны быть такими, чтобы он мог снабжать анализатор требуемым потоком газа. Чтобы сократить время транспортировки в пробоотборной линии и риск физико-химического преобразования пробы, поток газа может быть больше, чем требуется для анализатора.
A.2.2.8 Регулятор расхода и расходомер
Регулятор расхода и расходомер используются для установки необходимого расхода. Они должны быть изготовлены из коррозионно-стойкого материала. В качестве альтернативы следует использовать контроль расхода отрицательного давления без контакта с измеряемым газом.
A.2.3 Анализатор NOx
A.2.3.1 Общие положения
Для измерения NO, ХЛ, НДУФ можно использовать один анализатор или два разных анализатора, а также можно использовать любой другой подходящий анализатор NO.
Примечание - Неопределенность измерения с использованием двух разных анализаторов может быть больше, чем с использованием одного анализатора.
A.2.3.2 Хемилюминесцентный анализатор
Анализатор ХЛ обычно состоит из следующих основных компонентов:
- генератор озона;
- реакционная камера;
- оптический фильтр;
- фотоприемник или фотодиодный детектор;
- устройство удаления озона.
A.2.3.3 Анализатор НДУФ
Анализатор НДУФ обычно состоит из следующих основных компонентов:
- источник света;
- оптические и/или газовые фильтры;
- измерительная ячейка;
- фотоприемник;
- калибровочная ячейка, которая будет использоваться для проверки дрейфа.
(справочное)
МЕТОД ПРЯМОГО ЭКСТРАКЦИОННОГО ИЗМЕРЕНИЯ NH3
B.1 Принцип измерения основан на прямом экстракционном измерении NH3
Принцип анализа основан на прямом экстракционном измерении NH3 с помощью оптических спектрометров. Обычно используется спектральный диапазон около 1000 см-1. Для этой цели можно использовать инфракрасные спектрометры с Фурье-преобразованием (ИКФП) или НДИК-фотометры с корреляцией газового фильтра (КГФ). Для корректировки стандартных сухих условий рекомендуется измерять водяной пар вместе с концентрацией NH3 в одном приборе.
B.2 Описание автоматизированной измерительной системы
B.2.1 Общие положения
Представительный объем дымового газа отбирают из источника выбросов с контролируемой скоростью потока. Твердые частицы, присутствующие в отобранном объеме, удаляются фильтрацией перед тем, как проба попадает в аналитический прибор. На рисунке B.1 показана типовая схема полной системы измерения NH3, основанной на прямом экстракционном измерении NH3.
1 - пробоотборник с подогревом (при необходимости);
2 - фильтр (внутри или вне сечения); 3 - вход нулевого
и калибровочного газа; 4 - линия отбора проб с подогревом;
5 - насос с подогревом; 6 - анализатор с подогреваемой
ячейкой для проб
Рисунок B.1 - Схема горячей оптической измерительной
системы (пример)
B.2.2 Компоненты систем отбора проб и подготовки проб газа
B.2.2.1 Пробоотборный зонд
Пробоотборный зонд должен быть изготовлен из подходящего, устойчивого к коррозии материала (например, из нержавеющей стали без молибдена, боросиликатного стекла, керамики; ПТФЭ подходит только для температуры дымовых газов ниже 200 °C). При температурах свыше 250 °C нержавеющая сталь, содержащая молибден, может превращать NH3 в NO. Запрещается использовать какие-либо материалы из меди или сплавов на ее основе.
B.2.2.2 Фильтр
Фильтр необходим для удаления твердых частиц, чтобы защитить систему отбора проб и анализатор. Фильтр должен быть изготовлен из керамики, ПТФЭ, боросиликатного стекла или металлокерамики. Фильтр должен нагреваться выше точки росы воды или кислоты. Рекомендуется фильтр, задерживающий частицы размером более 2 мкм. Размер фильтра следует определять на основе требуемого расхода пробы и данных производителя о расходе на единицу площади.
Температура пробоотборного зонда и фильтра должна быть выше, чем точка росы воды или кислоты, поскольку точка отбора проб обычно расположена после выхода системы deNOx.
B.2.2.3 Линия отбора проб
Линия отбора проб должна быть изготовлена из ПТФЭ, ПФА или нержавеющей стали без молибдена. Линии должны работать при температуре не менее 180 °C. Диаметр трубки должен быть соответствующего размера, чтобы обеспечить расход, соответствующий требованиям анализаторов, при выбранной длине линии и степени падения давления в линии, а также производительности используемого насоса для отбора проб.
B.2.2.4 Насос для отбора проб
Насос для отбора проб используется для забора непрерывной пробы из канала через систему отбора проб. Насос может располагаться перед анализатором горячего аммиака или после него. Насос может быть диафрагменным, с металлическим сильфоном, эжекторным насосом или другим. Насос должен быть изготовлен из коррозионно-стойкого материала и работать при температуре не менее 180 °C. Характеристики насоса должны быть такими, чтобы он мог снабжать анализатор требуемым потоком газа. Чтобы сократить время транспортировки в пробоотборной линии и риск физико-химического преобразования пробы, поток газа может быть больше, чем требуется для аналитических единиц.
B.2.2.5 Регулятор расхода и расходомер
Регулятор расхода и расходомер используются для установки необходимого расхода. Они должны быть изготовлены из коррозионно-стойкого материала. В качестве альтернативы следует использовать контроль расхода отрицательного давления без контакта с измеряемым газом.
B.2.2.6 Анализатор NH3
B.2.2.6.1 Общие положения
В качестве анализатора, используемого для прямого экстракционного измерения NH3, можно использовать анализатор ИКФП, НДИК с анализатором КГФ или все другие подходящие анализаторы NH3.
B.2.2.6.2 ИКФП-анализатор NH3
Анализатор ИКФП обычно состоит из следующих основных компонентов:
- источник света;
- интерферометр;
- измерительная ячейка с нагревом минимум до 180 °C;
- детектор.
B.2.2.6.3 НДИК с анализатором КГФ
НДИК с анализатором КГФ обычно состоит из следующих основных компонентов:
- источник света;
- газовые фильтры;
- колесо измельчителя;
- измерительная ячейка с нагревом минимум до 180 °C;
- детектор.
(справочное)
ИЗМЕРЕНИЕ IN SITU И ПРЯМОЕ ИЗМЕРЕНИЕ NH3
С ПОМОЩЬЮ АНАЛИЗАТОРА ЛС
C.1 Принцип измерения основан на прямом измерении NH3 in situ с помощью анализатора ЛС
Принцип анализа основан на измерении in situ NH3 в потоке. Концентрации аммиака определяются прямым измерением с помощью настраиваемого лазерного анализатора или любого другого подходящего анализатора NH3. Для корректировки стандартных сухих условий рекомендуется измерять водяной пар вместе с концентрацией NH3.
C.2 Системы измерения in situ в поперечном сечении каналов
C.2.1 Общие положения
Система измерения ЛС in situ состоит из передатчика и приемника. Два блока устанавливаются друг напротив друга непосредственно на трубе или канале. На рисунке C.1 показана типовая схема системы измерения in situ, основанной на настраиваемом лазере для NH3.
1 - передатчик; 2 - приемник; 3 - продувочный фланец;
4 - ячейка проверки; 5 - трехходовой клапан; 6 - датчик
давления (при постоянных условиях в воздуховоде
не требуется); 7 - датчик температуры (при постоянных
условиях в воздуховоде не требуется); 8 - продувочный газ;
9 - продувочный газ, поверочный газ или нулевой газ;
10 - область дымовых газов
Рисунок C.1 - Схема системы измерения ЛС in situ (пример)
C.2.2 Компоненты системы измерения ЛС in situ (поперечный трубопровод)
C.2.2.1 Передатчик и приемник
Блок передатчика содержит лазерный источник света, а блок приемника содержит фотодетектор. Луч света испускается лазерным диодом, расположенным в блоке передатчика. Лазерный луч проходит через газ и попадает на фотодетектор в приемном блоке.
C.2.2.2 Очистка оптической ячейки
Фланцы для продувки выполняют две функции. Во-первых, фланцы используются для крепления передатчика или приемника на трубе. Во-вторых, продувочный фланец имеет штуцер для продувки.
Если этого требует применение, подается продувочный газ, чтобы ячейка оставалась чистой, чтобы предотвратить загрязнение оптических компонентов дымовым газом. Промывочная среда поступает на продувочный фланец и течет в направлении воздуховода, где смешивается с дымовыми газами. В качестве продувочной среды обычно используется инструментальный воздух. Расход продувки зависит от условий и обычно составляет от 20 до 50 дм3/мин.
C.2.2.3 Ячейка валидации
Для проверки работоспособности измерительной системы ЛС можно регулярно проводить процедуру валидации.
Одним из методов проверки является применение внешней ячейки проверки, которая постоянно устанавливается на оптическом пути между трубой и блоком передатчика/приемника. Альтернативный метод - использование газонаполненной ячейки со стабильной концентрацией.
Во время процедуры валидации ячейка валидации промывается сертифицированным тестовым газом или ячейка валидации, заполненная газом, временно перемещается на оптический путь соответственно.
Концентрация газа, необходимая для обоих методов, зависит от длины оптического пути и ячейки проверки, а также диапазона измерения. Обычно используется испытательный газ с концентрацией, эквивалентной от 70% до 80% от полного диапазона.
C.2.2.4 Датчик давления и температуры
Из-за установки in situ изменение давления и температуры газа в дымовых газах может повлиять на сигнал измерения. Если параметры превышают максимально допустимые отклонения, можно использовать датчики давления и/или температуры, чтобы обеспечить соответствующее давление или температуру газа в измерительной системе ЛС, чтобы скорректировать влияние изменений температуры и давления.
C.3 Точечные измерительные системы in situ
C.3.1 Общие положения
Система точечных измерений in situ состоит из приемника, передатчика и зонда. Луч обычно проходит через поток измеряемого газа и отражается угловым кубом (зеркалом) на кончике зонда. На рисунке C.2 показана типовая схема точечной системы измерения in situ.
a) Тип фильтра
b) Тип без фильтра
1 - приемопередатчик; 2 - зонд; 3 - фильтр; 4 - фланец
зонда; 5 - угловой куб (зеркало); 6 - датчик давления
(при постоянных условиях в воздуховоде не требуется);
7 - датчик температуры (при постоянных условиях
в воздуховоде не требуется); 8 - ячейка проверки;
9 - калибровочный газ или нулевой газ; 10 - трехходовой
клапан; 11 - продувочный газ, поверочный газ
или нулевой газ; 12 - область дымовых газов
Рисунок C.2 - Пример системы измерения ЛС
in situ
(точечный монитор)
C.3.2 Компоненты системы измерения ЛС in situ (точечный монитор)
C.3.2.1 Общие положения
Точечный мониторинг
in situ пробы газового потока в канале на конце зонда. Газ обычно контролируется на коротком пути, в зависимости от принципа измерения (см.
рисунок C.2).
C.3.2.2 Инструментальный приемопередатчик
Компонент определяет реакцию измерительной ячейки и генерирует электрический сигнал, соответствующий концентрации измеряемого газа.
C.3.2.3 Измерительная ячейка
Ячейка или полость подвергаются воздействию потока газа с целью создания электрооптического отклика на концентрацию газа на конце зонда.
C.3.2.4 Фильтр зонда
Пористая керамическая или спеченная металлическая трубка или экран сводят к минимуму влияние твердых частиц на измерение газа. Если ожидается небольшое влияние твердых частиц на измерение, можно использовать зонд без фильтра.
(справочное)
D.1 Общие положения
При использовании настоящего стандарта требуется применение рабочих газов.
D.2 Рабочие газы для измерительной системы с использованием дифференциального метода NOx
D.2.1 Нулевой газ для анализатора NO/NOx
Нулевой газ должен состоять из синтетического воздуха или азота. Содержание NH3 не должно превышать 1,0% от верхнего предела используемого диапазона измерений.
D.2.2 Нулевой газ для анализатора NH3
Нулевой газ должен состоять из определенного количества NO в азоте для использования преобразователя NH3 в N2. Для использования преобразователя NH3 в NO в качестве нулевого газа можно использовать азот без NO. Содержание NH3 не должно превышать 1,0% от верхнего предела используемого диапазона измерений.
D.2.3 Поверочный газ для анализатора NO/NOx
Поверочный газ должен состоять из NO в азоте. Концентрация NO в измерительном газе должна составлять от 70% до 80% от выбранного диапазона измерений для анализатора NO/NOx.
D.2.4 Поверочный газ для анализатора NH3
Поверочный газ должен состоять из NH3, NO и O2 в азоте для использования преобразователя NH3 в N2 или NH3. O2 в азоте в качестве поверочного газа можно использовать для использования преобразователя NH3 в NO. Каждый из баллонных газов для NH3 и NO смешивается в соответствующем объемном соотношении для приготовления поверочного газа. Концентрации NO и NH3 в поверочном газе должны составлять примерно от 50% до 60% и от 20% до 30% от выбранного диапазона измерения для анализатора NO/NOx, соответственно. Концентрация O2 составляет примерно от 1 до 20 об.% в поверочном газе. При использовании преобразователя NH3/N2 концентрация NO должна быть выше, чем концентрация NH3.
D.2.5 Контрольный газ
Контрольные газы NH3 и NO должны иметь известную концентрацию с максимально допустимой расширенной неопределенностью 1,0% от ее номинального значения, прослеживаемой в соответствии с национальными стандартами.
Концентрация эталонного газа в виде общего количества NOx должна составлять от 70% до 80% от выбранного диапазона измерения для анализатора NO/NOx.
D.2.6 Контрольный газ для проверки эффективности конвертера NO2/NO
Контрольный газ для проверки эффективности преобразователя должен состоять из NO2 в синтетическом воздухе. Концентрация должна находиться в диапазоне ожидаемых концентраций NO/NOx.
D.2.7 Контрольный газ для проверки эффективности конвектора NH3/NO или NH3/N2
Контрольный газ для проверки эффективности преобразователя должен состоять из NH3, NO и O2 в азоте. Концентрация должна быть примерно в два раза выше ожидаемой концентрации NH3. При использовании преобразователя NH3/N2 концентрация NO должна быть выше, чем концентрация NH3.
D.3 Рабочие газы для измерительной системы, основанной как на методе измерения in situ, так и на прямом экстракционном измерении NH3
D.3.1 Нулевой газ для анализатора NH3
Нулевой газ должен состоять из азота или окружающего воздуха. Содержание NH3 не должно превышать 1,0% верхнего предела используемого диапазона измерения. Можно использовать сухой или влажный нулевой газ.
D.3.2 Поверочный газ для анализатора NH3
Поверочный газ должен состоять из NH3 в азоте. Концентрация NH3 в поверочном газе должна составлять от 70% до 80% от выбранного диапазона измерения для анализатора NH3. Может использоваться сухой или влажный промежуток.
D.3.3 Контрольный газ
Контрольные газы NH3 должны иметь известную концентрацию с максимально допустимой расширенной неопределенностью 1,0% от его номинального значения, прослеживаемой в соответствии с национальными стандартами. Можно использовать сухой или влажный эталонный газ.
(справочное)
ПРОЦЕДУРЫ ОПРЕДЕЛЕНИЯ РАБОЧИХ ХАРАКТЕРИСТИК
ВО ВРЕМЯ ОБЩИХ ИСПЫТАНИЙ ЭКСПЛУАТАЦИОННЫХ ХАРАКТЕРИСТИК
E.1 Общие положения
Перед проведением любых испытаний необходимо учесть время прогрева, указанное производителем. Если время прогрева не указано, следует планировать минимум 2 часа.
Перед определением эксплуатационных характеристик АИС прибор должен быть настроен в соответствии с требованиями производителя и в соответствии с процедурой, описанной в
9.2.
В условиях испытаний для каждой отдельной характеристики производительности значения следующих параметров должны быть постоянными в пределах указанного ниже диапазона:
- окружающая температура +/- 2 °C;
- давление отбора проб +/- 0,2 кПа;
- напряжение питания +/- 1% от номинального напряжения сети (кроме испытания зависимости от напряжения).
Для определения различных эксплуатационных характеристик следует использовать эталонные газы с известной неопределенностью значения концентрации.
Время отклика, повторяемость при нуле и на уровне диапазона, проверка линейности, перекрестная чувствительность, дрейф нуля и дрейфа диапазона, чувствительность к температуре окружающей среды, чувствительность к электрическому напряжению систем in situ могут быть измерены с помощью внешней испытательной ячейки. Необходимо соблюдать особую осторожность, например, ячейка должна быть нагрета, а поверхность должна быть обработана, чтобы избежать потерь аммиака.
Чтобы установить время отклика, время запаздывания, время нарастания и время спада, ступенчатая функция измеряемой величины должна быть введена в непрерывную автоматическую измерительную систему. Если иное не указано в техническом задании, ступень, создаваемая испытательной установкой, должна иметь время нарастания (от 10% до 90% изменения ступени) менее 10% от времени усреднения, применяемого во время испытаний. Ступенчатое изменение испытательной установки должно соответствовать не менее 60% диапазона измерения (см.
рисунок E.1). Если время нарастания и время спада различаются, для вычисления времени отклика необходимо использовать большее время.
Для приборов, в которых переходные колебания возникают по мере приближения к окончательному выходному сигналу, конечный выходной сигнал считается достигнутым, когда колебания попадают в пределы 10% входного шага.
Примечание - Существенное различие между временем нарастания и временем спада показывает эффекты памяти, то есть зависимость результата измерений от значений измеряемой величины во время предыдущего измерения.
E.3 Воспроизводимость при нуле и на уровне диапазона
E.3.1 Общие положения
Чтобы определить воспроизводимость на нуле и на уровне диапазона, несколько измерений проводят при нуле и концентрации диапазона в соответствии с процедурами, описанными в E.3.2 и
E.3.3. Стандартное отклонение и воспроизводимость рассчитывают для обеих серий измерений (нулевое значение и значение диапазона) в соответствии с ИСО 9169.
E.3.2 Стандартное отклонение воспроизводимости в лаборатории в нулевой точке
Стандартное отклонение воспроизводимости в нулевой точке должно быть определено путем нанесения эталонного материала в нулевую точку (нулевой газ). Сначала настраивают нулевую точку анализатора. Затем подают нулевой газ на впуске нулевого и поверочного газа.
Если стандартное отклонение воспроизводимости в нулевой точке определяют во время испытания на отсутствие соответствия, используют стандартный образец с нулевой концентрацией, применяемый во время испытания.
Измеренные значения АИС в нулевой точке должны быть определены после нанесения эталонного материала путем ожидания времени, эквивалентного одному независимому показанию, а затем ввести нулевой газ или вернуться к дымовым газам, а затем измерить поверочный газ, по крайней мере, от 10 до 20 раз.
Ci - значение измеряемой величины в стандартном материале i;
Yi - выходной сигнал, полученный путем измерения измеряемой
величины в стандартном материале i; tlag - время задержки,
trise - время нарастания; tfall - время падения;
tresp - время отклика сигнала
Примечание - Изменение выходного сигнала Y (выход) после изменения опорного значения C (вход) как функция времени t.
Рисунок E.1 - Иллюстрация временных характеристик
автоматизированной измерительной системы
Полученные измеренные значения используют для определения стандартного отклонения воспроизводимости в нулевой точке по формуле (E.1):

, (E.1)
где sr - стандартное отклонение воспроизводимости;
xi - i-е измеренное значение;

- среднее из измеренных значений
xi;
n - количество измерений.
Стандартное отклонение воспроизводимости в нулевой точке должно соответствовать критерию качества, указанному в
таблице 1.
E.3.3 Стандартное отклонение воспроизводимости в лаборатории в точке диапазона
Стандартное отклонение воспроизводимости в точке калибровки должно определяться путем применения эталонного материала в точке калибровки (поверочный газ). Калибровочный газ должен подаваться на входе нулевого и калибровочного газа. Если стандартное отклонение воспроизводимости в точке диапазона определяют во время испытания на отсутствие соответствия, должно использоваться наивысшее значение стандартного материала, примененного во время испытания.
Измеренные значения АИС в точке диапазона должны быть определены после нанесения эталонного материала путем ожидания времени, эквивалентного одному независимому показанию, а затем ввести нулевой газ или вернуться к дымовым газам, а затем измерить поверочный газ, по крайней мере, более чем в три раза. Полученные измеренные сигналы следует использовать для определения стандартного отклонения воспроизводимости на пролете по
формуле (E.1).
Стандартное отклонение воспроизводимости в точке пролета должно соответствовать критерию качества, указанному в
таблице 1.
E.4 Несоответствие (линейность)
Несоответствие (линейность) необходимо проверить в лаборатории путем подачи нулевого газа и не менее четырех испытательных газов с концентрациями, равномерно распределенными по выбранному диапазону измерения. Различные концентрации газа могут быть получены с использованием системы разбавления.
Испытательные газы следует подавать в таком порядке, чтобы избежать эффектов гистерезиса.
Выполняют для каждого тестового газа с принятым значением
ci не менее трех последовательных измерений, каждое из которых усредняется по меньшей мере за одно время отклика. Остатки,
ei (несоответствие), должны определяться на основе линейной регрессии, как описано в ИСО 9169. В этой процедуре испытания устанавливается линия регрессии между показаниями прибора АИС (значения
x) и значения тестового газа (значения
c). На следующем этапе вычисляется среднее значение

показаний АИС для каждого уровня тестового газа. Затем по формуле (E.2) рассчитывается отклонение (несоответствие) среднего к соответствующему значению

, оцененное линией регрессии:

. (E.2)
Отклонения
ei при каждой концентрации испытательного газа должны соответствовать критерию эффективности, указанному в
таблице 1.
Если критерий рабочих характеристик не соблюдается, отклик прибора должен корректироваться до тех пор, пока критерий рабочих характеристик не будет соблюден.
E.5 Перекрестная чувствительность
Влияние потенциально мешающих веществ, также присутствующих в дымовом газе, должно определяться путем подачи смесей испытательного газа на вход полного АИС (перед охладителем испытательного газа, если он имеется). Газовые смеси должны производиться с помощью системы смешения, в которой к газам добавляется мешающее вещество для нулевой точки и точки диапазона. Система смешивания должна соответствовать национальным стандартам и иметь максимальную расширенную неопределенность 1%. Стандартные образцы (например, газы) должны быть сертифицированы (прослеживаться до национальных стандартов) и иметь расширенную неопределенность не более 2%.
Мешающие вещества и их концентрации определяются в зависимости от принципа измерения и предполагаемой цели измерения. Исследуют мешающие вещества, перечисленные в
таблице E.1.
Испытательный газ должен подаваться без мешающих веществ, а затем с ними. Измеренные сигналы АИС должны быть определены для каждого испытательного газа путем ожидания времени, эквивалентного одному независимому показанию, а затем записи трех последовательных индивидуальных показаний. Три отдельных показания должны быть усреднены.
Отклонения между средним показанием с учетом и средним показанием без мешающих веществ, присутствующих в нулевой точке и точке диапазона, следует определять для каждого источника мешающих веществ.
Все положительные отклонения свыше 0,5% от концентрации поверочного газа должны быть суммированы, а все отрицательные отклонения ниже -0,5% от концентрации поверочного газа должны быть суммированы как в нулевой точке, так и в точке диапазона. Максимальное из абсолютных значений четырех сумм должно соответствовать критериям качества, указанным в
таблице 1.
Должны быть указаны отдельные показания, средние значения и отклонения в нулевой точке и точке диапазона и для всех источников мешающих веществ, а также максимальное отклонение.)
Таблица E.1
Концентрации мешающих веществ, используемых
во время испытаний на перекрестную чувствительность
Мешающее вещество | Массовая или объемная концентрация |
Значение | Ед. изм. |
O2 | | % |
H2O | 30 | % |
CO | 300 | мг/м3 |
CO2 | 15 | % |
CH4 | 50 | мг/м3 |
N2O | 20 | мг/м3 |
N2O (сжигание) | 100 | мг/м3 |
NO | 300 | мг/м3 |
NO2 | 30 | мг/м3 |
NH3 | 20 | мг/м3 |
SO2 | 200 | мг/м3 |
SO2 (угольные электростанции без сероочистки) | 1000 | мг/м3 |
HCl | 50 | мг/м3 |
HCl (угольные электростанции) | 200 | мг/м3 |
<a> Вместо испытания без мешающих веществ проводят испытание с концентрацией кислорода 3%. |
E.6 Проверка эффективности преобразователя NO2/NO
Для анализаторов с двумя реакционными камерами регулируют анализатор NOx на канале NO и NOx с концентрацией NO вокруг предельного значения выбросов. Необходимо убедится, что оба канала дают одно и то же значение, и записывают значения.
Вносят в анализатор газ, содержащий NO
2, с известной концентрацией (как указано в
D.2.6).
Записывают концентрацию NOx и NO. Ожидают не менее шести раз между показаниями концентраций NOx и NO. Измерение должно приниматься как среднее значение периода времени, составляющего не менее трех раз отклика.
Рассчитывают КПД преобразователя по формуле (E.3):

, (E.3)
где Conv.Eff.(%) - коэффициент полезного действия конвектора в процентах;
(NOx)u - значение NOx для газа, содержащего NO2;
(NO)u - значение NO для газа, содержащего NO2;
(NO2)i - концентрация содержащегося NO2 в газе, подаваемом на анализатор.
Выполняют определение КПД преобразователя три раза и записывают среднее значение трех определений. Значение КПД должно соответствовать критерию производительности, указанному в
таблице 1.
E.7 Проверка эффективности конвектора NH3/NO или NH3/N2
Испытательный газ, описанный в
D.2.7, должен подаваться на впуске нулевого и поверочного газа. Записывают концентрацию NH
3. Рассчитывают КПД конвектора по формуле (E.4):

. (E.4)
E.8 Проверка потерь в пробоотборной линии и системе кондиционирования
Потери в пробоотборной линии и системе кондиционирования должны быть проверены путем подачи нулевого газа и поверочного газа в анализатор через систему отбора проб как можно ближе к соплу (перед фильтром, если возможно), и, во-вторых, непосредственно к анализатору. Контрольный газ должен иметь концентрацию NH
3 от 70% до 80% диапазона измерения. Для АИС метода экстракционного дифференциального NO
x необходимо использовать нулевой газ (см.
D.2.1) и поверочный газ (см.
D.2.3), поскольку NH
3 в дымовых газах преобразуется в NO или N
2 преобразователя NH
3, а газ, содержащий только NO, проходит через линию отбора проб к анализатору NO
x. Возможные примеси во всей системе могут привести к эффектам памяти из-за адсорбции или десорбции на поверхности или с поверхностей. Разница не должна превышать 2%.
E.9 Проверка утечки в линии отбора проб и системе кондиционирования
Система отбора проб должна быть проверена на герметичность. Процедура проверки на герметичность следующая:
- собирают всю систему отбора проб, включая заправку корпуса фильтра и поглотителей;
- прогревают пробоотборник до рабочей температуры;
- закрывают входное отверстие форсунки;
- закрывают форсунку и включают насос(ы).
- после достижения минимального давления отсчитывают расход.
E.10 Дрейф нуля и диапазона для проверки производительности
Дрейф нуля и диапазона оценивается путем применения не менее 10 последовательностей уровней нуля и диапазона, равномерно распределенных в течение 24 ч, и расчета для каждой концентрации наклона линейной регрессии в соответствии с ИСО 9169.
Положение нулевой точки и точки шкалы должно определяться вручную путем подачи нулевого и поверочного газа. Отклонения между измеренными значениями в нулевой точке и в точке диапазона и номинальными значениями должны соответствовать критерию эксплуатационных характеристик, указанному в
таблице 1.
E.11 Дрейф нуля и диапазона для периодических испытаний
Регулировку прибора с помощью нулевого и поверочного газа или других стандартных образцов следует проводить не реже одного раза в период автономной работы. Испытания приборов для периодических измерений следует проводить в начале каждой серии измерений.
Нулевой и поверочный газ или другие стандартные образцы должны использоваться при тех же условиях потока и давления, что и для условий измерения. Для нулевого и поверочного газа следует использовать порт отбора пробы прибора или процедуру в соответствии с инструкциями производителя. Отклонения между измеренными значениями в нулевой точке и в точке диапазона и номинальными значениями должны соответствовать критерию рабочих характеристик, указанному в
таблице 1.
E.12 Отклонение по измерительной балке поперечного сечения in situ АИС
Испытательная лаборатория должна постепенно и точно отклонять узлы передатчика и приемника АИС в горизонтальной и вертикальной плоскостях, а затем записывать измеренные сигналы с использованием стандартных образцов.
Примечание - Этот тест обычно применяется к оптическим методам кросс-суммирования in situ. Испытание также применимо к экстрактивному АИС с отдельными узлами передатчика и приемника.
Для этого испытания требуются калибровочные стандарты (например, эталонные фильтры) и оптический стенд.
Как правило, экспериментальная длина пути для этого испытания может составлять от 1 до 5 м по крайней мере, хотя испытание следует проводить при максимальной практической длине пути.
Отклонения должны выполняться как для положения нулевой точки, так и для положения точки диапазона приблизительно от 70% до 90% выходного диапазона на двух типичных длинах пути измерения. Отклонение должно выполняться с шагом приблизительно 0,05° в требуемом диапазоне углов.
Диапазон отклонения должен быть как минимум едва раза больше угла, указанного изготовителем. Он также должен быть проверен до предела прогиба, допускаемого узлами, - при необходимости, с большим шагом.
Эффективность любых средств ручной оптической настройки должна быть исследована хотя бы в качественном отношении. Процессы автоматической настройки должны быть активированы и включены в испытание.
Измеренные сигналы, полученные на различных этапах испытаний, должны быть включены в отчет об испытаниях в табличной форме. Эти измеренные сигналы должны быть связаны с углами отклонения.
Должны быть указаны максимально допустимые углы отклонения, в пределах которых АИС удовлетворяет критерию эффективности. В случае автоматической юстировки АИС необходимо описать и подтвердить порядок работы с помощью результатов испытаний.
E.13 Чувствительность к давлению измеряемого газа при изменении давления на 2 кПа
Испытательная лаборатория должна определить влияние колебаний давления газа пробы на реакцию АИС. Образец должен представлять собой азот, содержащий измеряемый компонент в концентрации от 70% до 80% верхнего предела диапазона сертификации.
Испытательная лаборатория должна измерить выходной сигнал АИС, когда давление газа пробы составляет:
- атмосферное давление окружающей среды;
- примерно на 2 кПа выше атмосферного давления в пределах +/- 0,2 кПа, и
- примерно на 2 кПа ниже атмосферного давления в пределах +/- 0,2 кПа.
В течение периода измерения температура должна поддерживаться стабильной с точностью +/- 1 К.
Измеренные сигналы АИС должны определять при каждом давлении путем ожидания времени, эквивалентного одному независимому показанию, а затем записи трех последовательных индивидуальных показаний. Три отдельных показания должны быть усреднены.
Должны быть определены отклонения между средним показанием при каждом давлении и средним показанием при атмосферном давлении окружающей среды. Отклонения должны соответствовать применимым критериям эффективности, указанным в
таблице 1. Отдельные показания, средние значения и отклонения при каждом давлении, а также указывается как максимальное отклонение.
E.14 Чувствительность к температуре окружающей среды при изменении на 10 К в диапазоне температур, указанном изготовителем
Испытательная лаборатория должна определить, как на значения нуля и диапазона АИС влияют изменения температуры окружающей среды, используя климатическую камеру, которая может контролировать температуру окружающей среды от минус 20 °C до плюс 50 °C в пределах +/- 1,0 К.
В случае установки АИС на открытом воздухе в климатической камере должны быть установлены следующие температуры в заданном порядке последовательности:

.
В случае установки АИС в местах с регулируемой температурой следующие температуры должны быть установлены в заданном порядке последовательности:

.
После достаточного периода уравновешивания измеренные сигналы АИС в нулевой точке и в точках диапазона должны быть обнаружены при каждой температуре путем ожидания времени, эквивалентного одному независимому показанию, а затем записи трех последовательных индивидуальных показаний. Три отдельных показания должны быть усреднены.
Испытательная лаборатория должна выждать не менее 6 ч между каждым изменением температуры в климатической камере, чтобы позволить АИС уравновеситься, прежде чем снимать дальнейшие показания.
В качестве альтернативы испытательная лаборатория может контролировать показания АИС после каждого изменения температуры. Если прибор стабилизируется менее чем за 6 ч, испытательная лаборатория может сократить период уравновешивания. Однако испытательная лаборатория должна регистрировать объективные и поддающиеся проверке свидетельства, подтверждающие это.
АИС должен оставаться включенным при изменении температуры окружающей среды в климатической камере.
Должны быть определены отклонения между средним показанием при каждой температуре и средним показанием при 20 °C. Отклонения должны соответствовать применимым критериям эффективности, указанным в
таблице 1 для всех температур. Испытание следует повторить три раза в нулевой точке и три раза в точке диапазона. Если АИС соответствует критерию производительности в два или более раз для первого теста, то любое последующее тестирование может быть пропущено.
Должны быть указаны отдельные показания, средние значения и отклонения при каждой температуре, а также максимальное отклонение в нулевой точке и в точке диапазона.
E.15 Чувствительность к электрическому напряжению
Напряжение питания АИС должно изменяться с помощью изолирующего трансформатора с шагом 5% от номинального напряжения питания до как минимум верхнего и нижнего пределов, указанных изготовителем. Измеренные сигналы АИС в нулевой точке и в точке диапазона должны определяться при каждом напряжении путем ожидания времени, эквивалентного одному независимому показанию, а затем записи трех последовательных индивидуальных показаний. Три отдельных показания должны быть усреднены.
После изменений напряжения АИС может потребоваться время для стабилизации. Должны быть определены отклонения между средним показанием при каждом напряжении и средним показанием при номинальном напряжении питания.
Отклонения должны соответствовать применимым критериям эффективности, указанным в
таблице 1 для всех напряжений. Это испытание следует повторить три раза в нулевой точке и три раза в точке диапазона. Если АИС соответствует критерию производительности в два или более раз для первого теста, то любое последующее тестирование может быть пропущено.
Должны быть указаны отдельные показания, средние значения и отклонения при каждом напряжении, а также максимальное отклонение в нулевой точке и в точке диапазона.
(справочное)
ПРИМЕРЫ РЕЗУЛЬТАТОВ ОЦЕНКИ АММИАКА АИС
Результаты испытаний в соответствии с эксплуатационными характеристиками
приложения E для дифференциального метода NO
x приведены в
таблице F.1.
Результаты испытаний в соответствии с эксплуатационными характеристиками
приложения E для методов прямого измерения аммиака приведены в
таблице F.2.
Таблица F.1
Эксплуатационные характеристики для косвенного измерения NH
3
дифференциальными методами NOx
Эксплуатационные характеристики | Критерий эффективности | Результаты лабораторного исследования |
Преобразователь NH 3/NO <a> | Преобразователь NH3/N2 |
Типичный низкий диапазон | | 15 мг/м3 | 15 мг/м3 |
Время отклика | <= 900 с | 180 с | 900 с |
Стандартное отклонение воспроизводимости в лаборатории в нулевой точке | <= 2% верхнего предела самого нижнего используемого диапазона измерения | 1,0% | 1,0% |
Стандартное отклонение воспроизводимости (NH3) в лаборатории в точке диапазона | <= 2% верхнего предела самого нижнего используемого диапазона измерения | 0,7% | 0,6% |
Отсутствие соответствия | <= +/- 2% от верхнего предела самого нижнего используемого диапазона измерения | 1,0% | 2,0% |
Нулевой дрейф в течение 24 ч | <= +/- 2% от верхнего предела самого нижнего используемого диапазона измерения | 0% | 1,0% |
Дрейф диапазона в течение 24 ч | <= +/- 2% от верхнего предела самого нижнего используемого диапазона измерения | 1,0% | 0% |
Чувствительность к давлению измеряемого газа при изменении давления на 2 кПа | <= +/- 3% от верхнего предела самого нижнего используемого диапазона измерения | 0,1% | 0,1% |
Чувствительность к температуре окружающей среды, на изменение 10 К | <= +/- 3% от верхнего предела самого нижнего используемого диапазона измерения | -1,0% | -1,0% |
Чувствительность к электрическому напряжению | <= +/- 2% диапазона на 10 В | -0,3% | -0,3% |
Перекрестная чувствительность <b> | <= 4% верхнего предела используемого диапазона | -2,4% | -2,4% |
КПД преобразователя NO2/NO | >= 95% | 95% | 95% |
КПД преобразователя NH3/NO | >= 90% | 90% | - |
КПД преобразователя NH3/N2 | >= 95% | - | 95% |
<a> Поверочный газ, содержащий 70 мг/м 3 NO, должен использоваться для продолжающихся испытаний ОК/КК в лаборатории. |
Таблица F.2
Эксплуатационные характеристики
для прямых методов измерения аммиака
Эксплуатационные характеристики | Критерий эффективности | Результаты полевых и лабораторных испытаний |
ИКФП | НДИК с КГФ | ЛС |
Прямая экстракция | Прямой in situ |
Типичный самый низкий диапазон | | 15 мг/м3 | 20 мг/м3 | 10 мг/м3 |
Время отклика | <= 400 с | 140 с | 167 с | 2 с |
Стандартное отклонение воспроизводимости в лаборатории в нулевой точке | <= 2% верхнего предела самого нижнего используемого диапазона измерения | 1,1% | 0,3% | 0,1% |
Стандартное отклонение воспроизводимости (NH3) в лаборатории в нулевой точке | <= 2% верхнего предела самого нижнего используемого диапазона измерения | 0,9% | 0,8% | 0,0% |
Отсутствие соответствия | <= +/- 2% от верхнего предела самого нижнего используемого диапазона измерения | 1,2% | -0,9% | 1,0% |
Нулевой дрейф в течение 24 ч | <= +/- 2% от верхнего предела самого нижнего используемого диапазона измерения | 1,2% (6 месяцев) | 0% (3 месяца) | 0,5% (6 месяцев) |
Дрейф диапазона в течение 24 ч | <= +/- 2% от верхнего предела самого нижнего используемого диапазона измерения | | 1,2% (3 мес) | -1,3% (6 мес) |
Чувствительность к давлению измеряемого газа при изменении давления на 2 кПа | <= +/- 3% от верхнего предела самого нижнего используемого диапазона измерения | Нет влияния | Нет влияния | Нет влияния |
Чувствительность к температуре окружающей среды, на изменение 10 К | <= +/- 3% от верхнего предела самого нижнего используемого диапазона измерения | 2,5% | 0,9% | 1,0% |
Чувствительность к электрическому напряжению | <= +/- 2% диапазона на 10 В | -0,5% | Нет влияния | 1,7% |
Перекрестная чувствительность | <= 4% верхнего предела используемого диапазона измерения | 2,4% | 0,7% | 1,8% |
<a> Расчет неопределенности в схеме сертификации ЕН 15267 основан на отклонении в течение периода обслуживания, который в приведенном выше примере составляет 6 мес. 24-часовой дрейф для экстрактивного метода ИКФП намного ниже и обычно <= +/- 0,1%. |
(справочное)
РАСЧЕТ НЕОПРЕДЕЛЕННОСТИ ИЗМЕРЕНИЯ NH3
G.1 Общие положения
Уравнения модели в этом разделе, а также расчеты составляющих неопределенностей связаны со значениями, измеренными анализатором и выраженными в мг/м3. Объяснение и процедуры расчета стандартной неопределенности, связанной с измерением, приведены в ИСО 20988.
G.2 Результаты расчета неопределенности
Количественная оценка влияния выбранных эксплуатационных характеристик как стандартная составляющая неопределенности рассчитывается в соответствии с ИСО 14956.
Таблица G.1
Результаты расчета неопределенности для дифференциального
метода NO
x на основе результатов лабораторных испытаний
<a>
Эксплуатационные характеристики | Составляющая неопределенности | Значение стандартной неопределенности на верхнем пределе самого нижнего используемого диапазона измерения (мг/м3) |
Конвертер NH3/NO | Конвертер NH3/N2 |
Стандартное отклонение повторяемости в лаборатории на нуле | ur,0 | 0,15 | 0,15 |
Стандартное отклонение воспроизводимости в лаборатории на уровне диапазона | ur,s | 0,11 | 0,09 |
Отсутствие соответствия | ulof | 0,15 | 0,30 |
Нулевой дрейф в течение 24 ч | ud,0 | 0,00 | 0,15 |
Дрейф диапазона в течение 24 ч | ud,s | 0,15 | 0,00 |
Чувствительность к давлению измеряемого газа при изменении давления на 2 кПа | uinf,p | 0,01 | 0,01 |
Чувствительность к температуре окружающей среды при изменении на 10 К | uinf,T | 0,00 | 0,00 |
Чувствительность к электрическому напряжению | uinf,V | -0,01 | -0,01 |
Перекрестная чувствительность | | -0,27 | -0,27 |
Неопределенность эталонного газа | uadj | 0,09 | 0,09 |
<a> Ниже приведены условия лабораторных испытаний: - температура при регулировке 298 К; - колебание температуры окружающей среды при измерении от 296 до 300 К; - изменение напряжения, +/- 2 В при 100 В; - изменение атмосферного давления < 0,5 кПа; - влияние CO2 (1000 мг/м3), < 4%. |
Общую стандартную неопределенность,

, и расширенную неопределенность,

, рассчитывают следующим образом:

, (G.1)

, (G.2)
где k - коэффициент охвата (k = 1,96).
Значения стандартной неопределенности на верхнем пределе самого низкого диапазона измерения, используемого как для конвектора NH3/NO, так и для конвектора NH3/N2, составляют 0,40 мг/м3 и 0,47 мг/м3 соответственно. Для расширенной неопределенности значения обоих преобразователей составляют 0,78 мг/м3 (5% диапазона) и 0,92 мг/м3 (6% диапазона) соответственно.
Таблица G.2
Результаты расчета неопределенности для типичного прямого
экстракционного измерения NH3 методом ИКФП на основе
результатов полевых и лабораторных испытаний
Эксплуатационные характеристики | Составляющая неопределенности | Значение стандартной неопределенности на верхнем пределе самого нижнего используемого диапазона измерения (мг/м3) |
Отсутствие соответствия | ulof | 0,18 |
Дрейф нуля от полевых испытаний | ud0 | 0,18 |
Отклонение диапазона от полевых испытаний | ud,s | 0,45 |
Влияние температуры окружающей среды на интервал | uinf,T | 0,56 |
Влияние давления | uinf,p | 0,00 |
Влияние расхода измеряемого газа | uinf,f | 0,00 |
Влияние напряжения питания | uinf,V | -0,08 |
Перекрестная чувствительность | ui | -0,74 |
Стандартное отклонение повторяемости при размахе | ur,s | 0,13 |
Погрешность стандартного образца | uadj | 0,21 |
Отклонение измерительного потока | uE | Непригодный |
Эффективность конвектора АИС для измерения NOx | uconv | Непригодный |
Вариация факторов отклика | uvar | Непригодный |
Результаты испытаний были взяты из лабораторных и полевых испытаний в соответствии с ЕН 15267.
Общая стандартная неопределенность и расширенная неопределенность рассчитываются для самого низкого диапазона измерения 15 мг/м3 NH3 следующим образом.
Общая стандартная неопределенность:

.
Расширенная неопределенность:

.
Таблица G.3
Результаты расчета неопределенности для типичного прямого
измерения NH3 in situ с помощью ЛС на основе результатов
полевых и лабораторных испытаний
Эксплуатационные характеристики | Составляющая неопределенности | Значение стандартной неопределенности на верхнем пределе самого нижнего используемого диапазона измерения (мг/м3) |
Отсутствие соответствия | ulof | -0,20 |
Дрейф нуля от полевых испытаний | ud,0 | 0,00 |
Отклонение диапазона от полевых испытаний | ud,s | 0,00 |
Влияние температуры окружающей среды на интервал | uinf,T | 0,20 |
Влияние давления | uinf,p | 0,00 |
Влияние расхода измеряемого газа | uinf,f | 0,00 |
Влияние напряжения питания | uinf,V | -0,10 |
Перекрестная чувствительность | ui | 0,15 |
Стандартное отклонение повторяемости при размахе | ur,s | 0,20 |
Погрешность стандартного | uadj | 0,14 |
Отклонение измерительного потока | uE | 0,12 |
Эффективность конвектора АИС для измерения NOx | uconv | Непригодный |
Вариация факторов отклика | uvar | Непригодный |
Результаты испытаний были взяты из лабораторных и полевых испытаний в соответствии с ЕН 15267.
Общая стандартная неопределенность и расширенная неопределенность рассчитываются для самого низкого диапазона измерения 10 мг/м3 NH3 следующим образом.
Общая стандартная неопределенность:
Расширенная неопределенность:

.
Таблица G.4
Результаты расчета неопределенности для типичного прямого
измерения экстрактивного NH3 с помощью НДИК с КГФ АИС
на основе результатов полевых и лабораторных испытаний
Эксплуатационные характеристики | Составляющая неопределенности | Значение стандартной неопределенности на верхнем пределе нижнего используемого диапазона измерения (мг/м3) |
Отсутствие соответствия | ulof | -0,20 |
Дрейф нуля от полевых испытаний | ud,0 | 0,00 |
Отклонение диапазона от полевых испытаний | ud,s | 0,00 |
Влияние температуры окружающей среды на интервал | uinf,T | 0,20 |
Влияние давления | uinf,p | 0,00 |
Влияние расхода измеряемого газа | uinf,f | 0,00 |
Влияние напряжения питания | uinf,V | -0,10 |
Перекрестная чувствительность | ui | 0,15 |
Стандартное отклонение повторяемости при размахе | ur,s | 0,20 |
Погрешность стандартного образца | uadj | 0,14 |
Отклонение измерительного потока | uE | 0,12 |
Эффективность конвектора АИС для измерения NOx | uconv | Непригодный |
Вариация факторов отклика | uvar | Непригодный |
Результаты испытаний были взяты из лабораторных и полевых испытаний в соответствии с EN 15267.
Общая стандартная неопределенность и расширенная неопределенность рассчитываются для самого низкого диапазона измерения 10 мг/м3 NH3 следующим образом.
Общая стандартная неопределенность:
Расширенная неопределенность:

.
(справочное)
СВЕДЕНИЯ О СООТВЕТСТВИИ ССЫЛОЧНЫХ МЕЖДУНАРОДНЫХ СТАНДАРТОВ
НАЦИОНАЛЬНЫМ СТАНДАРТАМ
Таблица ДА.1
Обозначение ссылочного международного стандарта | Степень соответствия | Обозначение и наименование соответствующего национального стандарта |
ISO 9169 | IDT | |
ISO 14956 | IDT | ГОСТ Р ИСО 14956-2007 "Качество воздуха. Оценка применимости методики выполнения измерений на основе степени ее соответствия требованиям к неопределенности измерения" |
ISO 20988 | - | |
<*> Соответствующий национальный стандарт отсутствует. До его принятия рекомендуется использовать перевод на русский язык данного международного стандарта. Примечание - В настоящей таблице использовано следующее условное обозначение степени соответствия стандартов: - IDT - идентичные стандарты. |
[1] | ISO 10396, Stationary source emissions - Sampling for the automated determination of gas emission concentrations for permanently-installed monitoring systems |
[2] | ISO 12039, Stationary source emissions - Determination of carbon monoxide, carbon dioxide and oxygen - Performance characteristics and calibration of automated measuring systems |
| ISO 14385-1, Stationary source emissions - Greenhouse gases - Part 1: Calibration of automated measuring systems |
| ISO 14385-2, Stationary source emissions - Greenhouse gases - Part 2: Ongoing quality control of automated measuring systems |
[5] | ISO/IEC Guide 98-3:2008, Uncertainty of measurement - Part 3: Guide to the expression of uncertainty in measurement (GUM:1995) |
УДК 504.3:006.354 | |
Ключевые слова: выбросы стационарных источников, дымовые газы, аммиак, конвектор, автоматизированная измерительная система |