Главная // Актуальные документы // ГОСТ Р (Государственный стандарт)СПРАВКА
Источник публикации
М.: ФГБУ "Институт стандартизации", 2023
Примечание к документу
Документ
введен в действие с 01.08.2023.
Название документа
"ГОСТ Р 8.1027-2023. Национальный стандарт Российской Федерации. Государственная система обеспечения единства измерений. Установки трубопоршневые. Методика поверки"
(утв. и введен в действие Приказом Росстандарта от 27.04.2023 N 278-ст)
"ГОСТ Р 8.1027-2023. Национальный стандарт Российской Федерации. Государственная система обеспечения единства измерений. Установки трубопоршневые. Методика поверки"
(утв. и введен в действие Приказом Росстандарта от 27.04.2023 N 278-ст)
Утвержден и введен в действие
по техническому регулированию
и метрологии
от 27 апреля 2023 г. N 278-ст
НАЦИОНАЛЬНЫЙ СТАНДАРТ РОССИЙСКОЙ ФЕДЕРАЦИИ
ГОСУДАРСТВЕННАЯ СИСТЕМА ОБЕСПЕЧЕНИЯ ЕДИНСТВА ИЗМЕРЕНИЙ
УСТАНОВКИ ТРУБОПОРШНЕВЫЕ
МЕТОДИКА ПОВЕРКИ
State system for ensuring the uniformity of measurements.
Pipe piston installations. Verification procedure
ГОСТ Р 8.1027-2023
Дата введения
1 августа 2023 года
1 РАЗРАБОТАН Федеральным государственным унитарным предприятием "Всероссийский научно-исследовательский институт метрологии им. Д.И. Менделеева" (ФГУП "ВНИИМ им. Д.И. Менделеева") в лице обособленного подразделения Всероссийского научно-исследовательского института расходометрии - филиала Федерального государственного унитарного предприятия "Всероссийский научно-исследовательский институт метрологии им. Д.И. Менделеева" (ВНИИР - филиал ФГУП "ВНИИМ им. Д.И. Менделеева")
2 ВНЕСЕН Техническим комитетом по стандартизации ТК 024 "Метрологическое обеспечение добычи и учета энергоресурсов (жидкостей и газов)"
3 УТВЕРЖДЕН И ВВЕДЕН В ДЕЙСТВИЕ
Приказом Федерального агентства по техническому регулированию и метрологии от 27 апреля 2023 г. N 278-ст
4 ВВЕДЕН ВПЕРВЫЕ
Правила применения настоящего стандарта установлены в статье 26 Федерального закона от 29 июня 2015 г. N 162-ФЗ "О стандартизации в Российской Федерации". Информация об изменениях к настоящему стандарту публикуется в ежегодном (по состоянию на 1 января текущего года) информационном указателе "Национальные стандарты", а официальный текст изменений и поправок - в ежемесячном информационном указателе "Национальные стандарты". В случае пересмотра (замены) или отмены настоящего стандарта соответствующее уведомление будет опубликовано в ближайшем выпуске ежемесячного информационного указателя "Национальные стандарты". Соответствующая информация, уведомление и тексты размещаются также в информационной системе общего пользования - на официальном сайте Федерального агентства по техническому регулированию и метрологии в сети Интернет (www.rst.gov.ru)
Настоящий стандарт распространяется на трубопоршневые установки всех типов, стационарного и передвижного исполнений, 1-го и 2-го разрядов в соответствии с
[1] и устанавливает методику первичной и периодической поверок.
В настоящем стандарте использованы нормативные ссылки на следующие стандарты:
ГОСТ 1770 Посуда мерная лабораторная стеклянная. Цилиндры, мензурки, колбы, пробирки. Общие технические условия
ГОСТ 8.558 Государственная система обеспечения единства измерений. Государственная поверочная схема для средств измерений температуры
ГОСТ Р 8.1008 Государственная система обеспечения единства измерений. Плотность нефти и нефтепродуктов. Метод расчета. Порядок и таблицы приведения
Примечание - При пользовании настоящим стандартом целесообразно проверить действие ссылочных стандартов в информационной системе общего пользования - на официальном сайте Федерального агентства по техническому регулированию и метрологии в сети Интернет или по ежегодному информационному указателю "Национальные стандарты", который опубликован по состоянию на 1 января текущего года, и по выпускам ежемесячного издаваемого информационного указателя "Национальные стандарты" за текущий год. Если заменен ссылочный стандарт, на который дана недатированная ссылка, то рекомендуется использовать действующую версию этого стандарта с учетом всех внесенных в данную версию изменений. Если заменен ссылочный стандарт, на который дана датированная ссылка, то рекомендуется использовать версию этого стандарта с указанным выше годом утверждения (принятия). Если после утверждения настоящего стандарта в ссылочный стандарт, на который дана датированная ссылка, внесено изменение, затрагивающее положение, на которое дана ссылка, то это положение рекомендуется применять без учета данного изменения. Если ссылочный стандарт отменен без замены, то положение, в котором дана ссылка на него, рекомендуется применять в части, не затрагивающей эту ссылку.
3 Термины, определения и сокращения
3.1 В настоящем стандарте применены следующие термины с соответствующими определениями:
3.1.1 поверочная [измерительная] установка: Совокупность функционально объединенных и расположенных в одном месте измерительных приборов, измерительных преобразователей и других устройств, предназначенная для поверки.
3.1.2 трубопоршневая установка: Средство измерений объема жидкости, состоящее из трубопровода с калиброванным(и) участком(ами), на котором расположены детекторы прохождения поршня, перемещающегося в трубе под действием потока или принудительно и вытесняющего объем жидкости, эквивалентный вместимости калиброванного участка средства измерений (трубопоршневой установки), за интервалы времени между срабатываниями детекторов.
Примечание - По конструктивным признакам в трубопоршневых установках применяют поршень, имеющий форму шара или плоского диска с тарельчатым клапаном.
3.1.3 поверочная жидкость: Жидкость, при помощи которой осуществляют поверку средства измерений.
3.1.4 компакт-прувер: Трубопоршневая установка, состоящая из цилиндрического калиброванного участка, внутри которого установлен поршень с тарельчатым клапаном, оптических детекторов положения поршня.
3.1.5 компаратор: Средство измерений, предназначенное для сличения мер однородных величин, измерительных преобразователей и измерительных приборов.
3.1.6 метрологические требования: Требования к влияющим на результат и показатели точности измерений характеристикам (параметрам) измерений, эталонов единиц величин, средств измерений, а также к условиям, при которых эти характеристики (параметры) должны быть обеспечены.
3.1.7 рабочая жидкость: Жидкость, значения расхода и объема которой измеряются в рабочих условиях.
3.1.8 расходомер: Измерительный прибор или совокупность приборов, предназначенных для измерения расхода жидкости.
3.1.9
эксплуатационный документ: Конструкторский документ, который в отдельности или в совокупности с другими документами определяет правила эксплуатации изделия и/или отражает сведения, удостоверяющие гарантированные изготовителем значения основных параметров и характеристик (свойств) изделия, гарантии и сведения по его эксплуатации в течение установленного срока службы. |
3.1.10 стандартные условия: Условия, соответствующие температуре жидкости 15 °C или 20 °C и избыточному давлению 0 МПа.
3.1.11 время одного измерения: Время движения поршня по калиброванному участку от одного детектора до другого.
Примечание - Для двунаправленных ТПУ за время одного измерения принимается сумма времени движения поршня от одного детектора до другого и обратно.
3.1.12 измерительная система: Совокупность средств измерений и других средств измерительной техники, размещенных в разных точках объекта измерения, функционально объединенных с целью измерений одной или нескольких величин, свойственных этому объекту.
3.2 В настоящем стандарте использованы следующие сокращения:
ВУ - весовое устройство (весы, устройство весоизмерительное);
ПП - поточный преобразователь плотности (плотномер автоматический поточный);
ПУ - поверочная установка;
СИ - средство измерений;
СКО - среднее квадратическое отклонение;
СОИ - средство обработки информации и управления;
ТПУ - трубопоршневая установка;
ФИФ ОЕИ - федеральный информационный фонд по обеспечению единства измерений.
4.1 Методы поверки ТПУ
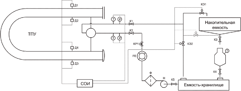
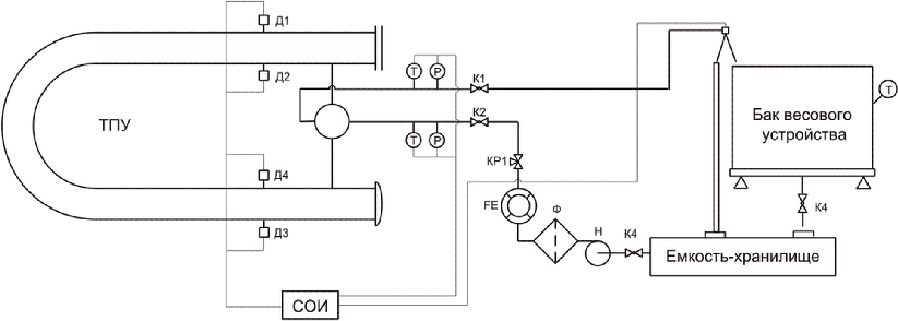
4.1.1 Метод N 1 - с применением ПУ с ВУ или ВУ, накопительной емкости и переключателя потока
Метод определения вместимости калиброванного участка ТПУ основан на методе косвенных измерений объема поверочной жидкости на основании прямых измерений массы и плотности с применением ПУ с ВУ или ВУ и СИ плотности. Поверочную жидкость, вытесненную из ТПУ при движении поршня по калиброванному участку от одного детектора до другого, направляют в накопительную емкость. Объем поверочной жидкости определяют методом косвенных измерений, сливая ее порциями из накопительной емкости в бак ПУ с ВУ или ВУ и взвешивая ее массу и измеряя плотность.
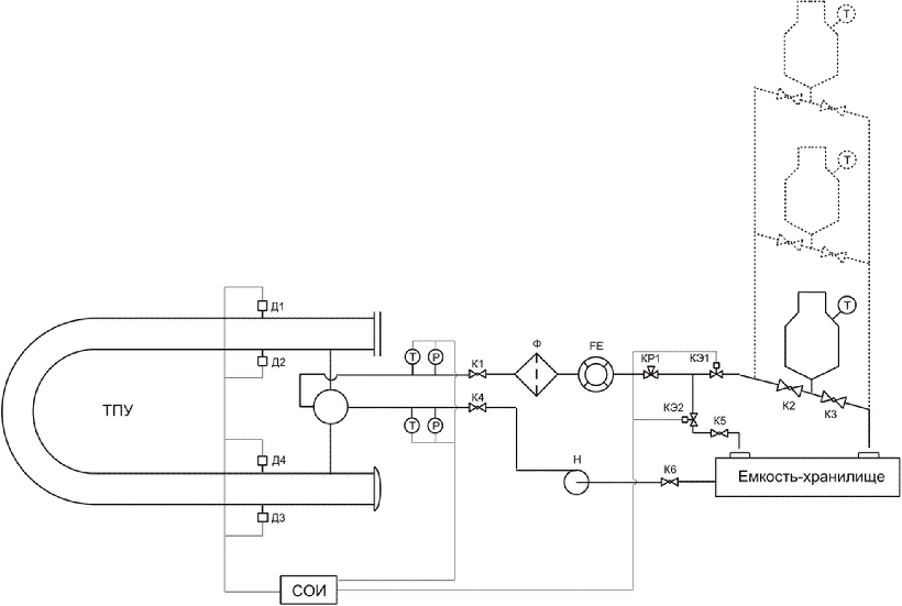
4.1.2 Метод N 2 - с применением ПУ с ВУ или ВУ, переключателя потока без накопительной емкости
Метод определения вместимости калиброванного участка ТПУ основан на методе косвенных измерений объема поверочной жидкости на основании прямых измерений массы и плотности с применением ПУ с ВУ или ВУ и СИ плотности. Поверочную жидкость, вытесненную из ТПУ при движении поршня по калиброванному участку от одного детектора до другого, направляют в бак ПУ с ВУ или ВУ. Объем поверочной жидкости определяют методом косвенных измерений, взвешивая ее массу и измеряя плотность.
4.1.3 Метод N 3 - с применением ПУ с мерником или мерника, накопительной емкости и переключателя потока
Метод определения вместимости калиброванного участка ТПУ основан на методе прямых измерений объема поверочной жидкости с применением ПУ с мерником или мерника. Поверочную жидкость, вытесненную из ТПУ при движении поршня по калиброванному участку от одного детектора до другого, направляют в накопительную емкость. Объем поверочной жидкости измеряют, сливая ее порциями из накопительной емкости в ПУ с мерником или мерник.
4.1.4 Метод N 4 - с применением ПУ с мерником или мерника, переключателя потока без накопительной емкости (без остановки или с остановкой поршня)
Метод определения вместимости калиброванного участка ТПУ (компакт-прувера) основан на методе прямых измерений объема поверочной жидкости с применением ПУ с мерником или мерника. Поверочную жидкость, вытесненную из ТПУ при движении поршня по калиброванному участку от одного детектора до другого, направляют в ПУ с мерником или мерник и измеряют ее объем.
4.1.5 Метод N 5 - с применением ПУ с мерниками или мерников, переключателя потока без накопительной емкости (без остановки или с остановкой поршня)
Метод определения вместимости калиброванного участка ТПУ основан на методе прямых измерений объема поверочной жидкости с применением ПУ с мерниками или мерников. Поверочную жидкость, вытесненную из ТПУ при движении поршня по калиброванному участку от одного детектора до другого, направляют в ПУ с мерниками или мерники и измеряют ее объем.
4.1.6 Метод N 6 - с применением ПУ с мерником и компаратором или мерника и компаратора
Метод определения вместимости калиброванного участка ТПУ основан на измерении объема поверочной жидкости с применением ПУ с мерником или мерника и компаратора. Поверочную жидкость, вытесненную из ТПУ при движении поршня по калиброванному участку от одного детектора до другого, направляют в ПУ с мерником или мерник и компаратор и измеряют ее объем.
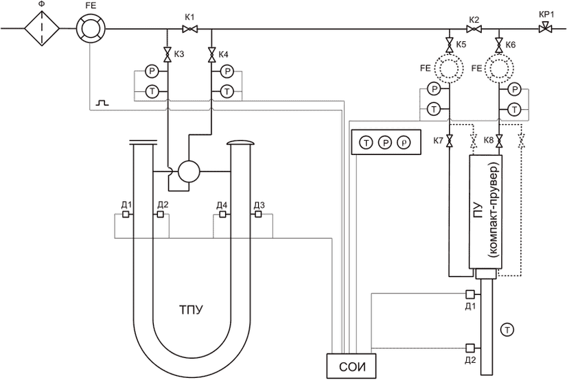
4.1.7 Метод N 7 - с применением ПУ с ТПУ/компакт-прувером или ТПУ 1-го разряда/компакт-прувера с компаратором для поверки ТПУ 2-го разряда
Метод определения вместимости калиброванного участка ТПУ основан на сличении неизвестной вместимости калиброванного участка поверяемой ТПУ с известной вместимостью калиброванного участка ПУ с ТПУ/компакт-прувером или ТПУ 1-го разряда/компакт-прувера.
4.2 Поверка ТПУ осуществляется методом непосредственного сличения (
методы N 1 -
7), сличением при помощи компаратора
(метод N 7) или методом косвенных измерений (
методы N 1 -
6) в соответствии с Государственной поверочной
схемой [1], обеспечивающим передачу единицы объема жидкости в потоке от вторичного эталона (ПУ с ВУ, ПУ с мерником(ами), ПУ с ТПУ/компакт-прувером), рабочего эталона 1-го разряда (ТПУ, компакт-прувера) или рабочих эталонов (мерник(и), ВУ), заимствованных из других государственных поверочных схем, и прослеживаемость к Государственному первичному эталону единицы объема жидкости от 1,0·10
-9 м
3 до 1,0 м
3 ГЭТ 216-2018, Государственному первичному эталону единицы массы (килограмма) ГЭТ 3-2020, Государственному первичному эталону единицы плотности ГЭТ 18-2014.
5.1 При проведении поверки выполняют операции, приведенные в
таблице 1.
Таблица 1
Перечень операций поверки
Наименование операции | Номер структурного элемента стандарта на методику поверки | Проведение операции при |
первичной поверке | периодической поверке |
Внешний осмотр СИ | | Да | Да |
Подготовка к поверке и опробование СИ | | Да | Да |
Определение метрологических характеристик СИ | | Да | Да |
Подтверждение соответствия СИ метрологическим требованиям: | | Да | Да |
- определение вместимости калиброванного участка ТПУ | | Да | Да |
- определение СКО случайной составляющей погрешности ТПУ | | Да | Да |
- определение доверительных границ суммарной систематической составляющей погрешности | | Да | Да |
- определение случайной составляющей погрешности определения среднего значения вместимости ТПУ | | Да | Да |
- определение относительной погрешности (доверительных границ суммарной погрешности) ТПУ | | Да | Да |
- проверка отсутствия протечек | | Да | Да |
Определение относительного отклонения вместимости калиброванного участка ТПУ от значения, полученного при предыдущей поверке | | Нет | Да |
5.2 Если при проведении какой-либо операции поверки получен отрицательный результат, до устранения причин дальнейшую поверку не проводят.
6 Требования к условиям проведения поверки
Условия поверки зависят от применяемого метода.
- температура окружающего воздуха, °C ........................... | 20 +/- 10; |
- поверочная жидкость ....................................................... | вода питьевая, дистиллированная; |
- температура поверочной жидкости, °C ......................... | 20 +/- 10; |
- избыточное давление поверочной жидкости на выходе ТПУ, МПа, не менее ..................................................................... | 0,1; |
- содержание свободного газа в поверочной жидкости ... | не допускается. |
Примечание - Допускается применять воду подземных и поверхностных источников, имеющих мутность не более 1500 мг/дм3, определяемую в химической лаборатории;
- наличие вблизи ПУ, мерника(ов), бака ВУ, накопительной емкости или поверяемой ТПУ нагревательных приборов или отопительных систем, способствующих одностороннему нагреванию мерника (бака ВУ, накопительной емкости) или поверяемой ТПУ, не допускается;
- при проведении поверки необходимо исключить воздействие внешних вибраций и тряски, потоков воздуха, сквозняков;
- изменение температуры поверочной жидкости в компараторе по абсолютной величине не должно превышать 0,2 °C за время наполнения мерника.
6.2.1 При проведении поверки ТПУ на месте ее эксплуатации с применением в качестве поверочной жидкости рабочей жидкости (нефть, нефтепродукты, жидкости в однофазном состоянии) соблюдают условия, соответствующие условиям эксплуатации ТПУ и средств поверки, указанным в их эксплуатационных документах.
6.2.2 Допускаемое отклонение расхода поверочной жидкости от установленного значения по абсолютной величине за время одного измерения не должно превышать 2,0%.
6.2.3 Изменение температуры поверочной жидкости в ТПУ, ПУ с ТПУ/компакт-прувером или ТПУ 1-го разряда/компакт-прувере по абсолютной величине не должно превышать 0,2 °C за время прохождения поршня в одном направлении от одного детектора до другого.
6.2.4 При применении в качестве средства поверки компаратора в конце технологической схемы поверки создают избыточное давление, обеспечивающее его бескавитационную работу.
6.3 Значение расхода Q1, при котором определяют метрологические характеристики ТПУ, и значение расхода Q2, при котором выполняют контроль отсутствия протечек, устанавливают исходя из следующих условий:
- значения расхода Q1 и Q2 должны обеспечивать равномерное движение поршня ТПУ;
- значение расхода Q1 должно не менее чем в два раза превышать значение Q2;
- значения расхода выбирают в пределах диапазона, в котором нормируются метрологические характеристики ТПУ согласно описанию их типа.
Рекомендуется выбирать значение расхода Q2 максимально приближенным к значению минимального расхода, указанного в эксплуатационном документе и описании типа на ТПУ.
Примечания
1 Должно обеспечиваться полное заполнение поверочной жидкостью трубопровода до переключателя потока.
2 Значение расхода Q1 и Q2 должно находиться в пределах диапазона расхода, в котором определены метрологические характеристики средства поверки.
6.4 Изменение температуры поверочной жидкости в ТПУ по абсолютной величине не должно превышать 0,2 °C за время прохождения поршня в одном направлении от одного детектора до другого.
6.5 СИ температуры и давления, установленные на поверяемой ТПУ, должны быть утвержденного типа и поверены.
7 Метрологические и технические требования к средствам поверки
7.1 При проведении поверки ТПУ в зависимости от используемого метода определения вместимости применяют различные средства поверки. Применяемые при различных методах поверки средства поверки приведены в
таблице 2.
Таблица 2
Средство поверки | Документ или технические характеристики | Номер применяемого метода | Примечание |
ПУ с ВУ [мерником(ами), ТПУ] | Доверительные границы суммарной погрешности (пределы допускаемой относительной погрешности) определения вместимости +/- (0,040 - 0,055)% | | - |
ВУ | Пределы допускаемой относительной погрешности измерения массы в точке взвешивания +/- 0,01% в соответствии с [2] | | - |
Мерник(и) (вторичный эталон либо эталон 1-го разряда согласно [1]) | Номинальной вместимостью до 2 м 3, доверительные границы суммарной погрешности (пределы допускаемой относительной погрешности) определения вместимости +/- 0,02% в соответствии с [1] | | Вместимость и количество мерников подбирают в зависимости от вместимости калиброванного участка ТПУ |
ТПУ 1-го разряда (компакт-прувер) | Доверительные границы суммарной погрешности (пределы допускаемой относительной погрешности) определения вместимости +/- 0,05% в соответствии с [1] | | Для поверки ТПУ с верхним пределом измерений от 100 до 550 м3/ч включительно применяют ПУ с ТПУ/компакт-прувером или ТПУ 1-го разряда/компакт-прувер с верхним пределом измерений 100 м3/ч. Для поверки ТПУ с верхним пределом измерений, равным 500 м3/ч, допускается применять ПУ с ТПУ/компакт-прувером или ТПУ 1-го разряда/компакт-прувер с верхним пределом измерений 500 м3/ч или 550 м3/ч. Для поверки ТПУ с верхним пределом измерений более 500 м3/ч применяют ПУ с ТПУ/компакт-прувером или ТПУ 1-го разряда/компакт-прувер с верхним пределом измерений 550 м3/ч или 500 м3/ч |
Переключатель потока (перекидное устройство, электромагнитный клапан) | - | | Пропускная способность клапана должна обеспечивать равномерное движение поршня ТПУ |
СИ плотности (лабораторный плотномер) | Пределы допускаемой абсолютной погрешности измерений плотности +/- 0,1 кг/м 3 в соответствии с [3] | | - |
ПП | Пределы допускаемой абсолютной погрешности измерений плотности не более +/- 0,3 кг/м 3 в соответствии с [3] | | - |
СИ температуры [датчик температуры, термометр (жидкостные, электронные)] | Пределы допускаемой абсолютной погрешности измерений температуры +/- 0,2 °C в соответствии с ГОСТ 8.558 | | Допускается применять СИ температуры, установленные на входном и выходном коллекторах ТПУ, мернике(ах) |
СИ избыточного давления (датчик давления, манометр) | Приведенная погрешность измерений давления, находящаяся в пределах +/- 0,5% (класс точности 0,6) в соответствии с [4] | | Допускается применять СИ давления, установленные на входном и выходном коллекторах ТПУ |
Расходомер | Применяют любой тип расходомера с индикацией объемного расхода, обеспечивающий определение метрологических характеристик ТПУ | | Допускается определять расход жидкости по вместимости ТПУ и времени прохождения поршня расчетным путем |
Компаратор | Диапазон измерений, обеспечивающий определение метрологических характеристик ТПУ | | Компаратор должен обеспечивать получение не менее 10 000 импульсов за время прохода поршня по калиброванному участку ТПУ в одном направлении. В качестве компаратора применяют преобразователи объемного или массового расхода с импульсным выходом, входящие в состав ПУ, измерительной системы либо отдельно монтируемые. При применении преобразователя массового расхода он должен быть сконфигурирован на выдачу выходных сигналов, пропорциональных объемному расходу/объему жидкости |
СИ температуры воздуха | Абсолютная погрешность измерений температуры, находящаяся в пределах +/- 1 °C | | - |
Емкость-хранилище | Вместимость емкости-хранилища должна не менее чем в 2,2 - 2,5 раза превышать максимальную вместимость калиброванного участка поверяемой ТПУ | | Конструкция и вместимость емкости-хранилища должны исключать возможность захвата воздуха насосом при проведении поверки ТПУ |
Накопительная емкость | Вместимость емкости должна не менее чем в 1,2 раза превышать вместимость калиброванного участка поверяемой ТПУ | | - |
Колбы, цилиндры 1-го класса точности | | | Вместимость и количество подбирают в процессе поверки |
СИ времени (секундомер) | Пределы допускаемой абсолютной погрешности измерений времени +/- 1,0 с в соответствии с [5] | | - |
СОИ | Относительная погрешность измерений количества импульсов, находящаяся в пределах +/- 0,01% | | В качестве СОИ применяют вычислители расхода, комплексы измерительно-вычислительные, контроллеры измерительные отечественного и импортного производства, установленные стационарно (входящие в состав ПУ, измерительной системы) или монтируемые и применяемые только во время поверки ТПУ. При применении в качестве ПУ (компакт-прувер) СОИ должно обеспечивать возможность измерения количества импульсов с учетом периода их следования |
7.2 При поверке определяют значение вместимости калиброванного участка ТПУ, используемого при эксплуатации.
7.3 Средства поверки должны быть поверены или аттестованы в качестве эталонов в соответствии с действующим законодательством.
8 Требования (условия) по обеспечению безопасности проведения поверки
8.1 При проведении поверки соблюдают требования, определяемые документами:
- в области охраны труда;
- в области промышленной безопасности;
- в области пожарной безопасности;
- в области соблюдения правильной и безопасной эксплуатации электроустановок;
- в области охраны окружающей среды.
8.2 Оборудование и СИ, используемые при поверке, должны иметь эксплуатационные документы.
8.3 Наибольшее давление при поверке не должно превышать значения, указанного в эксплуатационных документах на вспомогательное оборудование и СИ. Использование элементов монтажа или шлангов, не прошедших гидравлические испытания, запрещается.
8.4 На ТПУ и трубопроводах, заполненных взрывопожароопасной поверочной жидкостью, должны применяться только СИ и вспомогательное оборудование взрывозащищенного исполнения.
8.5 Надписи и условные знаки, выполненные для обеспечения безопасной эксплуатации СИ и оборудования, должны быть читаемыми и доступными для осмотра и идентификации.
8.6 К СИ и используемому при поверке оборудованию обеспечивают свободный доступ. При необходимости предусматривают лестницы и площадки, соответствующие требованиям безопасности.
8.7 Освещенность должна обеспечивать отчетливую видимость применяемых СИ, снятие показаний СИ и соответствовать санитарным нормам.
8.8 При появлении течи, загазованности и других ситуаций, нарушающих нормальный ход поверочных работ, поверку прекращают до устранения нарушений.
9 Внешний осмотр средства измерений
9.1 При внешнем осмотре устанавливают соответствие поверяемой ТПУ следующим требованиям:
- комплектность ТПУ соответствует указанной в эксплуатационном документе (формуляре, паспорте);
- на ТПУ отсутствуют механические повреждения и дефекты, препятствующие проведению поверки;
- надписи и обозначения на элементах ТПУ нанесены четко и соответствуют требованиям эксплуатационного документа;
- отсутствие нарушений герметичности кабельных вводов, видимых механических повреждений кабелей.
9.2 Результат считают положительным, если выполняются установленные требования.
10 Подготовка к поверке и опробование средства измерений
10.1 Подготовка к поверке
10.1.1 Подготовку средств поверки и ТПУ к поверке осуществляют в соответствии с их эксплуатационными документами.
10.1.2 Проверяют у средств поверки наличие действующих свидетельств об аттестации эталонов и/или наличие сведений о результатах поверки СИ, включенных в ФИФ ОЕИ, и/или знаков поверки, нанесенных на СИ, и (или) свидетельств о поверке, и (или) записей о проведенной поверке в паспортах (формулярах) СИ, заверенных подписью поверителя и знаком поверки с указанием даты поверки.
10.1.3 Выполняют монтаж технологической схемы поверки в зависимости от применяемого метода поверки. Монтаж проводят в соответствии с требованиями эксплуатационных документов на ТПУ, средства поверки и вспомогательное оборудование. Рекомендуемые
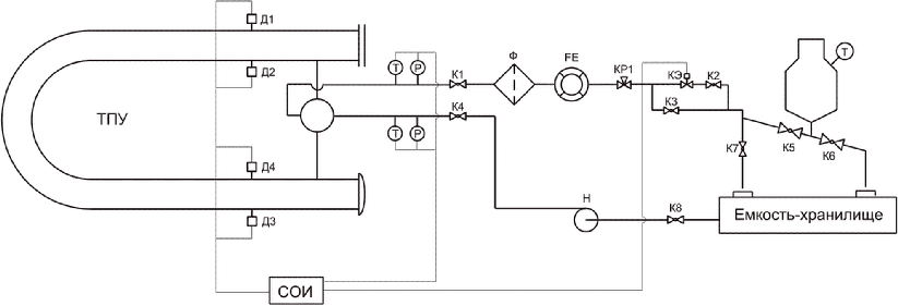
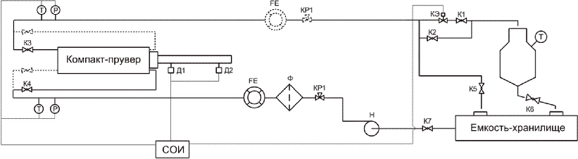
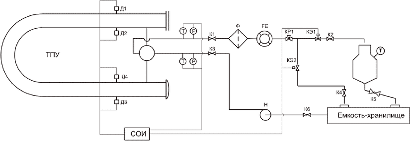
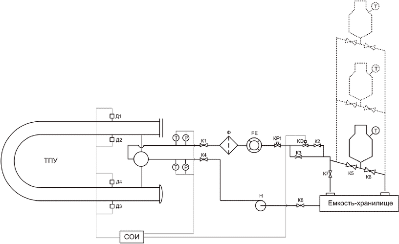
схемы монтажа приведены в приложении А.
Примечание - Для поверяемой ТПУ с шаровым поршнем в соответствии с эксплуатационным документом на ТПУ проводят выемку шарового поршня. Проверяют состояние поверхности шарового поршня на отсутствие повреждений. Согласно рекомендациям изготовителя проводят измерение размера (диаметра) шарового поршня. При несоответствии диаметра шарового поршня требованиям, установленным изготовителями шарового поршня и ТПУ, доводят его до нужного размера.
10.1.4 Заполняют технологическую схему поверки поверочной жидкостью. Проверяют герметичность технологической схемы поверки. Проверку проводят внешним осмотром. Схему считают герметичной, если спустя 10 мин после установления расхода и давления не наблюдается течи и капель через фланцевые, резьбовые, сварные соединения и сальники.
10.1.5 При применении в качестве поверочной жидкости воды проверяют степень очистки внутренней поверхности ТПУ. Чистоту внутренней поверхности ТПУ после промывки считают удовлетворительной, если в пробе поверочной жидкости (вода), отобранной из ТПУ в стеклянный сосуд, отсутствуют следы нефти, нефтепродуктов, химикатов, промышленных жидкостей.
10.1.6 При использовании метода поверки, предусматривающего применение емкости-хранилища, должны быть предусмотрены меры, исключающие всасывание воздуха в насос при наименьшем уровне поверочной жидкости в емкости-хранилище.
10.1.7 Проверяют герметичность ТПУ, соединительных трубопроводов и задвижек. Проверку производят внешним осмотром при выбранном значении поверочного расхода и давлении на выходе ТПУ не менее 0,1 МПа. Систему считают герметичной, если через 10 мин после установления расхода и давления не наблюдается течи и капель поверочной жидкости через фланцевые, резьбовые и сварные соединения и сальники.
10.1.8 Проверяют герметичность задвижек, находящихся при поверке в закрытом положении, утечки поверочной жидкости, которые могут повлиять на результаты измерений. В случае отсутствия контроля или невозможности обеспечения герметичности указанных задвижек они должны быть заглушены путем установки заглушек во фланцевые соединения.
10.1.9 При применении для поверки накопительной емкости проверяют ее на герметичность и смачивают следующим образом: заполняют ее поверочной жидкостью и выдерживают 5 мин. Не допускаются течи поверочной жидкости и запотевания швов, течи или падение капель через кран сливной трубы.
10.1.10 При применении для поверки бака ВУ [мерник(и)] проверяют герметичность сливного крана и смачивают бак ВУ [мерник(и)] следующим образом: бак ВУ [мерник(и)] заполняют поверочной жидкостью и выдерживают в течение 5 мин, визуально проверяют отсутствие течи или падения капель через сливной кран.
10.1.11 Для ТПУ проверяют герметичность четырехходового крана, пуско-приемного механизма в соответствии с эксплуатационным документом. Проверку четырехходового крана производят в двух положениях.
10.1.12 Проверяют отсутствие воздуха (газа) в ТПУ следующим образом. Устанавливают через ТПУ расход поверочной жидкости и проверяют отсутствие воздуха, открывая краны, расположенные в верхних точках. Производят несколько раз пуск поршня, проверяя после каждого пуска отсутствие воздуха (газа). Считают, что воздух (газ) удален полностью, если из кранов поступает струя поверочной жидкости без воздушных пузырьков.
Примечание - Операции по проверке отсутствия воздуха (газа) в ТПУ проводят после каждого перерыва в работе с остановкой насоса.
10.1.13 Контролируют стабилизацию температуры поверочной жидкости в поверяемой ТПУ и средствах поверки (ПУ, компаратор, мерник(и), ТПУ 1-го разряда/компакт-прувер). Устанавливают расход через ТПУ (компаратор в случае применения) и технологическую схему поверки, соответствующий расходу, необходимому для определения метрологических характеристик ТПУ, и выполняют пуск поршня ТПУ.
Применяя в качестве средства поверки ПУ с мерником(ами) или мерник(и), обеспечивают циркуляцию поверочной жидкости через мерник(и), поддерживая уровень поверочной жидкости в районе номинальной отметки на горловине мерника(ов), приоткрывая или прикрывая сливной кран.
Стабилизацию температуры контролируют по показаниям СИ температуры, установленных на входе и выходе ТПУ (возле компаратора), на выходе мерника(ов) и на мернике(ах).
Температуру считают стабильной, если ее изменение за время, необходимое для одного измерения (один проход поршня от одного детектора до другого или от одного детектора до другого и обратно или за одно заполнение мерника), по абсолютной величине не превышает 0,2 °C.
Примечание - Операции по стабилизации температуры поверочной жидкости в ТПУ проводят после каждого перерыва в работе с остановкой насоса.
10.1.14 При применении СОИ, имеющего соответствующее программное обеспечение (алгоритмы) для автоматической обработки результатов измерений, выполняют операцию подтверждения соответствия ПО заявленным идентификационным данным в соответствии с описанием типа СИ. В память СОИ вводят исходные данные согласно
протоколу поверки (приложение Б) или проверяют достоверность и правильность ранее введенных исходных данных.
10.2 Опробование
Опробование ТПУ проводят в комплекте со средствами поверки при определении метрологических характеристик
Q1 согласно
7.3.
С помощью регулятора расхода устанавливают через технологическую схему поверки расход поверочной жидкости
Q1. Установленное значение расхода контролируют по показаниям расходомера (
методы N 1 -
5) или компаратора
(метод N 6). Допускается значение расхода определять по формуле

, (1)
где

- вместимость калиброванного участка поверяемой ТПУ, определенная по результатам предыдущей поверки (из протокола предыдущей поверки), м
3;
TПУ - время прохождения поршнем ТПУ калиброванного участка, с.
Примечание - При первичной поверке ТПУ в
формуле (1) вместо

используют значение номинальной вместимости калиброванного участка ТПУ из эксплуатационного документа на ТПУ.
Проверяют действие и взаимодействие компонентов технологической схемы поверки.
Выполняют пуск поршня ТПУ.
При прохождении поршнем первого по ходу детектора в СОИ должен начаться отсчет времени движения поршня Ti, переключатель потока (перекидное устройство) должен переключиться из положения "пролет" в положение "измерение". При прохождении поршнем ТПУ второго детектора отсчет времени Ti должен остановиться. Переключатель потока должен переключиться в положение "пролет".
Если для переключения потока поверочной жидкости используют электромагнитные клапаны, то по сигналу первого детектора одновременно должен закрыться электромагнитный клапан трубопровода "пролет" и открыться электромагнитный клапан трубопровода "измерение". По сигналу второго детектора одновременно должен закрыться электромагнитный клапан на трубопроводе "измерение" и открыться электромагнитный клапан на трубопроводе "пролет".
В случае применения для переключения потока поверочной жидкости одного электромагнитного клапана (
методы N 4,
5 без остановки поршня) закрывают кран на трубопроводе "пролет". При срабатывании первого детектора открывается электромагнитный клапан на трубопроводе "измерение". При срабатывании второго детектора электромагнитный клапан на трубопроводе "измерение" закрывается и открывается кран на трубопроводе "пролет".
В случае применения для переключения потока поверочной жидкости одного электромагнитного клапана (
методы N 4,
5 с остановкой поршня) закрывают краны на трубопроводе "измерение" и на трубопроводе "пролет". При срабатывании первого детектора закрывается электромагнитный клапан на трубопроводе "измерение" и поршень должен остановиться. На трубопроводе "измерение" открывают кран(ы) и электромагнитный клапан и прогоняют поршень по калиброванному участку. Заблаговременно закрывают кран на трубопроводе "измерение". При срабатывании второго детектора электромагнитный клапан на трубопроводе "измерение" закрывается и поршень должен остановиться. Открывается кран на трубопроводе "пролет".
Для двунаправленной ТПУ производят описанные операции и при движении поршня в обратном направлении.
Результат считают положительным, если при визуальном контроле наблюдается переключение направления движения поверочной жидкости, а на дисплее СОИ наблюдается изменение счета времени.
10.2.2 Опробование при проведении поверки по методу N 7
Установленное значение расхода контролируют по показаниям компаратора. Допускается значение расхода определять по
формуле (1).
Проверяют действие и взаимодействие компонентов технологической схемы поверки.
Выполняют поочередно пуск поршня поверяемой ТПУ и ПУ (ТПУ 1-го разряда/компакт-прувер).
При прохождении поршнем первого детектора в СОИ должен начаться, а при прохождении второго детектора закончиться счет импульсов, поступающих с компаратора.
Если ТПУ двунаправленная, то выполняют пуск поршня в обратном направлении.
Результат считают положительным, если на дисплее СОИ наблюдается изменение количества импульсов, поступающих от компаратора, времени измерения, температуры и давления на входе и на выходе (при наличии) ТПУ [ПУ (ТПУ 1-го разряда/компакт-прувер)], возле ПП, плотности поверочной жидкости.
11 Определение метрологических характеристик средства измерений
11.1 Определение вместимости калиброванного участка ТПУ
Определение вместимости калиброванного участка ТПУ, V0, м3, выполняют для стандартных условий.
Для двунаправленных ТПУ определяют вместимость калиброванного участка отдельно для каждого направления движения поршня "вперед" и "назад".
Для ТПУ, снабженных двумя парами детекторов, вместимость калиброванного участка может быть определена для каждой пары детекторов (Д1-Д3, Д2-Д4) и (Д3-Д1, Д4-Д2) с учетом направления движения поршня. При использовании в эксплуатации только отдельных пар детекторов (например, Д1-Д3 или Д2-Д4) или только одной пары (например, Д1-Д3) вместимость калиброванного участка определяют только для используемых пар детекторов.
Примечание - Допускается для двунаправленных ТПУ определять суммарную вместимость калиброванного участка, соответствующую движениям поршня "вперед" и "назад" (Д1-Д3-Д1 или Д2-Д4-Д2).
11.1.1 Определение вместимости калиброванного участка ТПУ методом N 1
Вместимость калиброванного участка ТПУ определяют в следующей последовательности:
- с помощью регулятора расхода устанавливают через технологическую схему поверки расход поверочной жидкости Q1;
- устанавливают нулевое показание ВУ.
В соответствии с эксплуатационным документом производят пуск поршня ТПУ. При прохождении поршня через первый детектор поверочная жидкость посредством переключателя потока направляется в накопительную емкость. При прохождении поршня через второй детектор поток поверочной жидкости посредством переключателя потока направляется в емкость-хранилище.
Примечание - Если измерения производят после длительного перерыва (не менее 1 ч), то перед взвешиванием бака ВУ и пуском поршня накопительную емкость предварительно смачивают. Для этого наливают в емкость поверочную жидкость в количестве, равном или превышающем вместимость калиброванного участка ТПУ, сливают поверочную жидкость и выдерживают емкость в течение 2 мин.
Фиксируют значения температуры и давления поверочной жидкости на входе и выходе ТПУ (в начале и конце движения поршня по калиброванному участку), время прохождения поршня между детекторами (Д1-ДЗ, Д2-Д4) и интервал времени между импульсами выходного сигнала датчика положения переключателя потока (перекидное устройство) при переключении его в положения "измерение" и "пролет".
Температуру поверочной жидкости и давление в ТПУ принимают равными среднему значению двух измерений, произведенных при переключении перекидного устройства на "измерение" и "пролет". Разность температур поверочной жидкости в начале и конце измерения не должна превышать 0,2 °C.
Заполняют бак ВУ поверочной жидкостью из накопительной емкости. В бак ВУ наливают порцию поверочной жидкости массой, не превышающей наибольший предел взвешивания ВУ.
После полного слива поверочной жидкости из сливной трубы накопительной емкости проверяют герметичность сливного крана бака ВУ и взвешивают бак ВУ с поверочной жидкостью.
Измеряют плотность и температуру поверочной жидкости в баке ВУ. Для этого после взвешивания из бака ВУ отбирают пробу стеклянным цилиндром. Для этого цилиндр погружают в поверочную жидкость до заполнения, выдерживают в поверочной жидкости в течение 3 мин и вынимают. Погружают (вертикально) в цилиндр с поверочной жидкостью термометр.
После применения термометр необходимо насухо протереть чистой ветошью. Таким же образом протирают цилиндр. Допускается измерять температуру поверочной жидкости термометром непосредственно в баке ВУ.
Отобранную пробу поверочной жидкости передают в лабораторию, где определяют ее плотность. Полученное значение плотности поверочной жидкости приводят к условиям в баке ВУ.
Допускается определять плотность поверочной жидкости по таблице, содержащей информацию о плотности поверочной жидкости в зависимости от температуры, предоставленной лабораторией. Для дистиллированной воды допускается вычислять по
формуле (4). Значения температуры и плотности поверочной жидкости фиксируют в
протоколе поверки (приложение Б).
Открыв сливной кран, сливают поверочную жидкость из бака ВУ. После полного прекращения истечения поверочной жидкости из бака ВУ через сливной патрубок закрывают сливной кран и устанавливают ВУ на ноль.
Производят операции по заполнению бака ВУ поверочной жидкостью, измерению плотности и температуры, наливая в бак ВУ последующие порции поверочной жидкости до полного опорожнения накопительной емкости. После слива последней порции поверочной жидкости делают выдержку не менее 3 мин (до прекращения падения капель поверочной жидкости в бак ВУ) и закрывают сливной кран накопительной емкости.
Для сокращения времени измерений допускается первую порцию поверочной жидкости наливать в бак ВУ в процессе наполнения накопительной емкости через открытый кран.
При взвешивании бака ВУ осуществляют контроль герметичности крана на сливной трубе накопительной емкости.
Для двунаправленной ТПУ операции в указанной выше последовательности производят также при обратном направлении движения поршня. Если вместимости накопительной емкости достаточно, допускается определять сразу суммарную вместимость калиброванного участка ТПУ (1-3-1 или 2-4-2) следующим образом:
- после прохождения поршня в "прямом" направлении (1-3 или 2-4), не сливая поверочную жидкость из накопительной емкости, переключить четырехходовой кран ТПУ в положение "назад";
- после прохождения поршня в обратном направлении (3-1 или 4-2) определяют объем поверочной жидкости в накопительной емкости в указанной выше последовательности.
Измерения выполняют не менее семи раз (n = 7).
11.1.2 Определение вместимости калиброванного участка ТПУ методом N 2
Вместимость калиброванного участка ТПУ определяют в следующей последовательности.
При помощи регулятора устанавливают значение расхода поверочной жидкости Q1. При этом переключатель потока должен быть переведен в положение "пролет".
Устанавливают нулевое показание ВУ.
В соответствии с эксплуатационным документом производят пуск поршня ТПУ. При прохождении поршня через первый детектор поверочная жидкость посредством переключателя потока направляется в бак ВУ. При прохождении поршня через второй детектор поток поверочной жидкости посредством переключателя потока направляется в емкость-хранилище.
Примечание - Если измерения производят после длительного перерыва (не менее 1 ч), то перед взвешиванием и пуском поршня ТПУ бак ВУ предварительно смачивают. Для этого наливают в бак ВУ поверочную жидкость в количестве, не превышающем предел взвешивания ВУ, но превышающем вместимость калиброванного участка ТПУ. После чего сливают поверочную жидкость и выдерживают сливной кран бака ВУ открытым в течение 2 мин.
Фиксируют значения температуры поверочной жидкости и давления на входе и выходе ТПУ (в начале и конце движения поршня по калиброванному участку), время прохождения поршня между детекторами (Д1-Д2, Д3-Д4) и интервал времени между импульсами выходного сигнала датчика положения переключателя потока при переключении его в положения "измерение" и "пролет".
Температуру поверочной жидкости и давление в ТПУ принимают равными среднему значению двух измерений, произведенных при переключении переключателя потока на "измерение" и "пролет". Разность температур поверочной жидкости в начале и конце измерения не должна превышать 0,2 °C.
Заполняют бак ВУ поверочной жидкостью. В бак ВУ наливают поверочную жидкость массой, не превышающей наибольший предел взвешивания ВУ.
После полного слива поверочной жидкости из переключателя потока проверяют герметичность сливного крана бака ВУ и взвешивают бак ВУ с поверочной жидкостью.
Измеряют плотность и температуру поверочной жидкости в баке ВУ. Для этого после взвешивания из бака ВУ отбирают пробу стеклянным цилиндром. Для этого цилиндр погружают в поверочную жидкость до заполнения, выдерживают в поверочной жидкости в течение 3 мин и вынимают. Погружают (вертикально) в цилиндр с поверочной жидкостью термометр.
Температуру поверочной жидкости измеряют термометром. После применения термометр необходимо насухо протереть чистой ветошью. Таким же образом протирают цилиндр. Допускается измерять температуру поверочной жидкости термометром непосредственно в баке ВУ.
Отобранную пробу поверочной жидкости передают в лабораторию где определяют ее плотность. Полученное значение плотности поверочной жидкости приводят к условиям в баке ВУ.
Допускается определять плотность поверочной жидкости по таблице, содержащей информацию о плотности поверочной жидкости в зависимости от температуры, предоставленной лабораторией. Для дистиллированной воды допускается вычислять по
формуле (4). Значения температуры и плотности поверочной жидкости фиксируют в
протоколе поверки.
Открыв сливной кран, сливают поверочную жидкость из ВУ. После полного прекращения истечения поверочной жидкости из бака ВУ через сливной патрубок закрывают сливной кран.
Для двунаправленной ТПУ операции в указанной выше последовательности производят также при обратном направлении движения поршня.
Измерения выполняют не менее семи раз (n = 7).
11.1.3 Определение вместимости калиброванного участка ТПУ методом N 3
Вместимость калиброванного участка ТПУ определяют в следующей последовательности.
Выбирают вместимость мерника исходя из вместимости поверяемой ТПУ. Если мерник имеет шкалу на горловине, то предварительно определяют объем поверочной жидкости (порция), который нужно наливать, чтобы при всех измерениях уровень поверочной жидкости находился в пределах шкалы.
При помощи регулятора расхода устанавливают значение расхода поверочной жидкости Q1. При этом переключатель потока должен быть переведен в положение "пролет".
Производят пуск поршня ТПУ. При прохождении поршня через первый детектор поверочная жидкость посредством переключателя потока направляется в накопительную емкость. При прохождении поршня через второй детектор поток поверочной жидкости посредством переключателя потока направляется в емкость-хранилище.
Примечание - Если измерения выполняют после длительного перерыва (не менее 1 ч), то перед пуском поршня накопительную емкость предварительно смачивают. Для этого наливают в емкость поверочную жидкость в количестве, равном или превышающем вместимость калиброванного участка ТПУ, сливают поверочную жидкость и выдерживают емкость в течение 2 мин.
Фиксируют значения температуры поверочной жидкости и давления на входе и выходе ТПУ (в начале и конце движения поршня по калиброванному участку), время прохождения поршня между детекторами (Д1-Д3, Д2-Д4).
Температуру поверочной жидкости и давление в ТПУ принимают равными среднему значению двух измерений при переключении перекидного устройства в положения "измерение" и "пролет". Разность температур поверочной жидкости в начале и конце одного измерения не должна превышать 0,2 °C.
Наливают в мерник из накопительной емкости определенный ранее объем поверочной жидкости. Если мерник не имеет шкалы, то его заполняют до отметки номинальной вместимости.
Выдерживают заполненный мерник 30 с, проверяют герметичность сливного крана и определяют объем поверочной жидкости в мернике (по шкале или отметке номинальной вместимости) и ее температуру. Если уровень поверочной жидкости в мернике окажется выше отметки номинальной вместимости, то допускается слить излишек поверочной жидкости, измерить ее объем (колбой 1-го класса, цилиндром) и прибавить его к номинальной вместимости мерника или вылить излишек обратно в накопительную емкость.
Открывают сливной кран мерника и сливают поверочную жидкость из мерника.
При помощи термометра, который погружают в струю поверочной жидкости при опорожнении мерника, измеряют температуру поверочной жидкости.
Примечания
1 При отсутствии возможности измерить температуру поверочной жидкости в мернике при сливе допускается измерять температуру поверочной жидкости путем погружения в мерник термометра. Термометр выдерживают в поверочной жидкости не менее 30 с, после чего извлекают его из мерника и производят фиксирование показания температуры.
2 В случае, если конструктивное исполнение предусматривает встроенный в корпус мерника термометр, температура измеряется с его помощью.
Выдержав не менее 1 мин после стекания поверочной жидкости из мерника, закрывают сливной кран мерника.
Значения температуры и объема поверочной жидкости в мернике фиксируют в
протоколе (приложение Б).
Производят описанные операции до полного опорожнения накопительной емкости. После слива последней порции поверочной жидкости из накопительной емкости выдерживают сливной кран накопительной емкости в открытом положении 2 мин и закрывают его. Если уровень поверочной жидкости при последнем заполнении мерника окажется ниже отметки номинальной вместимости, то ее объем определяют мерником 1-го разряда меньшей вместимости, колбой 1-го класса или цилиндром, сливая поверочную жидкость из мерника или доливая его до отметки номинальной вместимости. Полученный объем долитой поверочной жидкости отнимают от значения номинальной вместимости мерника.
Для двунаправленной ТПУ операции в указанной выше последовательности производят также при обратном направлении движения поршня (3-1 или 4-2).
Если вместимость накопительной емкости достаточна, допускается определять сразу суммарную вместимость калиброванного участка ТПУ (1-3-1 или 2-4-2) следующим образом:
- после прохождения поршня в "прямом" направлении (1-3 или 2-4), не сливая поверочную жидкость из накопительной емкости, переключить четырехходовой кран ТПУ в положение "назад";
- после прохождения поршня в обратном направлении (3-1 или 4-2) определяют объем поверочной жидкости в накопительной емкости в указанной выше последовательности.
Измерения выполняют не менее семи раз (n = 7).
11.1.4 Определение вместимости калиброванного участка ТПУ (компакт-прувер) методом N 4
Выбирают вместимость мерника исходя из вместимости поверяемой ТПУ (компакт-прувер). Объем наливаемой поверочной жидкости при заполнении мерника должен находиться на уровне номинальной отметки. При наличии на горловине мерника шкалы поверочная жидкость при заполнении мерника должна находиться в пределах шкалы.
При помощи регулятора расхода устанавливают значение расхода поверочной жидкости Q1. При этом переключатель потока должен быть переведен в положение "пролет".
Без остановки поршня
Производят пуск поршня ТПУ. При прохождении поршня через первый детектор поверочная жидкость посредством переключателя потока направляется в мерник. Начинается заполнение мерника. При прохождении поршня через второй детектор поток поверочной жидкости посредством переключателя потока направляется в емкость-хранилище и заполнение мерника прекращается.
С остановкой поршня
Производят пуск поршня ТПУ. Закрывают краны на линии "измерение" и на линии "пролет". При прохождении поршня через первый детектор закрывается электромагнитный клапан на линии "измерение" и поршень останавливается. На линии "измерение" открывают кран(ы) и электромагнитный клапан и прогоняют поршень по калиброванному участку, поверочная жидкость посредством переключателя потока направляется в мерник. Начинается заполнение мерника. Заблаговременно до подхода поршня ко второму детектору закрывают кран на линии "измерение". При прохождении поршня через второй детектор электромагнитный клапан на линии "измерение" закрывается и поршень останавливается. Заполнение мерника прекращается. Открывается кран на линии "пролет", и поток поверочной жидкости направляется в емкость-хранилище.
За время наполнения мерника фиксируют значения температуры поверочной жидкости и давления на входе и выходе ТПУ (при наличии на выходе компакт-прувера СИ температуры и давления) (в начале и конце движения поршня по калиброванному участку), время прохождения поршня между детекторами (Д1-Д3, Д2-Д4 или Д1-Д2). Для компакт-прувера дополнительно фиксируют температуру окружающего воздуха возле детекторов (температура планки крепления детекторов или инварового стержня компакт-прувера).
Температуру поверочной жидкости и давление в ТПУ принимают равными среднему значению двух измерений. Разность температур поверочной жидкости в начале и конце одного измерения не должна превышать 0,2 °C.
Заполненный мерник выдерживают 30 с, проверяют герметичность сливного крана и определяют объем поверочной жидкости в мернике (по шкале или отметке номинальной вместимости) и ее температуру. Если уровень поверочной жидкости в мернике окажется выше отметки номинальной вместимости, то допускается слить излишек поверочной жидкости, измерить ее объем (колбой 1-го класса, цилиндром) и прибавить его к номинальной вместимости мерника.
Открывают сливной кран мерника и сливают поверочную жидкость.
При помощи термометра, который погружают в струю поверочной жидкости при опорожнении мерника, измеряют температуру поверочной жидкости.
Примечания
1 При отсутствии возможности измерить температуру поверочной жидкости в мернике при сливе допускается измерять температуру поверочной жидкости путем погружения в мерник термометра. Термометр выдерживают в поверочной жидкости не менее 30 с, после чего извлекают его из мерника и производят фиксирование показания температуры.
2 В случае, если конструктивное исполнение предусматривает встроенный в корпус мерника термометр, температура измеряется с его помощью.
Выдержав не менее 1 мин после стекания поверочной жидкости из мерника, сливной кран закрывают.
Значения температуры и объема поверочной жидкости в мернике фиксируют в
протоколе (приложение Б).
Для двунаправленной ТПУ операции в указанной выше последовательности производят также при обратном направлении движения поршня (3-1 или 4-2).
Измерения выполняют не менее семи раз (n = 7).
11.1.5 Определение вместимости калиброванного участка ТПУ методом N 5
В зависимости от варианта заполнения мерника (верхнее, нижнее) возможны две схемы поверки ТПУ.
Выбирают вместимость и количество мерников исходя из вместимости поверяемой ТПУ, с учетом условия, что при заполнении мерника поверочная жидкость должна находиться в пределах шкалы в случае применения мерника со шкалой, а в случае ее отсутствия - на уровне отметки, соответствующей номинальной вместимости мерника.
При помощи регулятора расхода устанавливают значение расхода поверочной жидкости Q1. При этом переключатель потока должен быть переведен в положение "пролет".
Без остановки поршня
Производят пуск поршня ТПУ. При прохождении поршня через первый детектор поверочная жидкость посредством переключателя потока направляется в мерники. Начинается заполнение мерников. При прохождении поршня через второй детектор поток поверочной жидкости по средствам переключателя потока направляется в емкость-хранилище и заполнение мерников прекращается.
С остановкой поршня
Производят пуск поршня ТПУ. Закрывают краны на линии "измерение" и на линии "пролет". При прохождении поршня через первый детектор закрывается электромагнитный клапан на линии "измерение" и поршень останавливается. На линии "измерение" открывают кран(ы) и электромагнитный клапан и прогоняют поршень по калиброванному участку, поверочная жидкость посредством переключателя потока направляется в мерники. Начинается заполнение мерников. Заблаговременно до подхода поршня ко второму детектору закрывают кран на линии "измерение". При прохождении поршня через второй детектор электромагнитный клапан на линии "измерение" закрывается и поршень останавливается. Заполнение мерников прекращается. Открывается кран на линии "пролет", и поток поверочной жидкости направляется в емкость-хранилище.
За время наполнения мерников фиксируют значения температуры поверочной жидкости и давления на входе и выходе ТПУ (в начале и конце движения поршня по калиброванному участку).
Температуру поверочной жидкости и давление в ТПУ принимают равными среднему значению двух измерений. Разность температур поверочной жидкости в начале и конце одного измерения не должна превышать 0,2 °C.
Заполненные мерники выдерживают 30 с, проверяют герметичность сливного крана и определяют объем поверочной жидкости в каждом мернике (по шкале или отметке номинальной вместимости) и ее температуру. Если уровень поверочной жидкости в мернике окажется выше отметки номинальной вместимости, то допускается слить излишек поверочной жидкости, измерить ее объем (колбой 1-го класса, цилиндром) и прибавить его к номинальной вместимости мерника. Если уровень поверочной жидкости в мернике окажется ниже отметки номинальной вместимости, то допускается долить поверочную жидкость, измерить ее объем (колбой 1-го класса, цилиндром) и отнять его от номинальной вместимости мерника.
Открывают сливные краны мерников и сливают поверочную жидкость.
При помощи термометра, который погружают в струю поверочной жидкости при опорожнении мерников, измеряют температуру поверочной жидкости.
Примечания
1 При отсутствии возможности измерить температуру поверочной жидкости в мернике при сливе допускается измерять температуру поверочной жидкости путем погружения в мерник термометра. Термометр выдерживают в поверочной жидкости не менее 30 с, после чего извлекают его из мерника и производят фиксирование показания температуры.
2 В случае, если конструктивное исполнение предусматривает встроенный в корпус мерника термометр, температура измеряется с его помощью.
Выдержав не менее 1 мин после стекания поверочной жидкости из мерника, сливной кран закрывают.
Значения температуры и объема поверочной жидкости в мернике фиксируют в
протоколе (приложение Б).
Для двунаправленной ТПУ операции в указанной выше последовательности производят также при обратном направлении движения поршня (3-1 или 4-2).
Измерения выполняют не менее семи раз (n = 7).
11.1.6 Определение вместимости калиброванного участка ТПУ методом N 6
Определение метрологических характеристик компаратора
Определение метрологических характеристик компаратора выполняют двумя сериями по пять измерений в каждой. Первую серию выполняют перед определением метрологических характеристик ТПУ, вторую - после.
Определяют метрологические характеристики компаратора (первая серия измерений)
При помощи регулятора расхода устанавливают значение расхода поверочной жидкости Q1. При этом переключатель потока должен быть переведен в положение "пролет". Закрывают сливной кран мерника и переводят поток поверочной жидкости в мерник. Выполняют заполнение мерника, контролируя процесс заполнения по компаратору и по шкале мерника. В процессе заполнения мерника фиксируют значения температуры и давления поверочной жидкости возле компаратора. За значения температуры и давления за время измерения принимают средние арифметические значений в начале и конце заполнения мерника. С дисплея СОИ считывают значение количества импульсов, сгенерированных компаратором и измеренных СОИ за время измерения. Через 30 с после заполнения мерника определяют объем поверочной жидкости в нем по шкале на горловине и фиксируют показания температуры поверочной жидкости в мернике. Открывают сливной кран и сливают мерник, выдержав 1 мин, закрывают сливной кран.
Результаты измерений фиксируются в
протоколе поверки (приложение Б).
Измерения выполняют не менее пяти раз (m = 5).
Определяют по
формуле (29) коэффициент преобразования компаратора по результатам первой серии измерений
K1, имп./м
3.
Определяют по
формуле (34) СКО случайной составляющей погрешности компаратора для первой серии измерений,

, %.
При невыполнении
условия (35) анализируют полученные результаты, устраняют причины их возникновения и проводят повторные операции определения метрологических характеристик компаратора.
Определяют метрологические характеристики ТПУ.
Выполняют пуск поршня ТПУ. При прохождении поршнем первого детектора в СОИ начинается, а при прохождении второго детектора заканчивается счет импульсов, поступающих с компаратора.
В процессе прохождения поршнем калиброванного участка ТПУ фиксируют значения температуры и давления поверочной жидкости возле компаратора с применением СИ температуры и давления, установленных в непосредственной близости с компаратором, на входе и выходе ТПУ.
За значения температуры и давления поверочной жидкости в компараторе принимают средние арифметические значений в начале и в конце прохождения поршнем калиброванного участка.
За значения температуры и давления поверочной жидкости в ТПУ принимают средние арифметические значений на входе и на выходе ТПУ в начале и в конце прохождения поршнем калиброванного участка.
Для двунаправленной ТПУ операции в указанной выше последовательности производят также при обратном направлении движения поршня (3-1 или 4-2).
| | ИС МЕГАНОРМ: примечание. Здесь и далее в официальном тексте документа, видимо, допущена опечатка: имеется в виду Приложение Б, а не А. | |
Результаты измерений фиксируются в
протоколе поверки (приложение А).
Измерения выполняют не менее семи раз (n = 7).
Определяют метрологические характеристики компаратора (вторая серия измерений).
Определяют по
формуле (36) коэффициент преобразования компаратора по результатам суммарного по двум сериям количества измерений,
K, имп./м
3.
Определяют по
формуле (37) СКО случайной составляющей погрешности компаратора для суммарного количества измерений,

, %.
При невыполнении
условия (38) анализируют полученные результаты, устраняют причины их возникновения и проводят повторные операции определения метрологических характеристик компаратора.
11.1.7 Определение вместимости калиброванного участка ТПУ методом N 7
При помощи регулятора расхода устанавливают значение расхода поверочной жидкости Q1.
Оценивание СКО компаратора
По команде с СОИ выполняют пуск поршня ПУ с ТПУ/компакт-прувером или ТПУ 1-го разряда/компакт-прувера. При прохождении поршнем первого детектора в СОИ начинается, а при прохождении второго детектора заканчивается счет импульсов, поступающих с компаратора.
Примечание - Если ТПУ 1-го разряда двунаправленная, то выполняют запуск поршня в обратном направлении. За количество импульсов, поступивших с компаратора за время одного измерения, принимают суммарное количество импульсов, поступивших в СОИ от компаратора за время движения поршня по калиброванному участку в прямом и обратном направлениях.
Результаты измерений фиксируются в
протоколе поверки (приложение А).
Выполняют не менее семи измерений (m = 7).
Оценивают по
формуле (40) СКО случайной составляющей погрешности компаратора
Sкомп, %.
В случае невыполнения
условия (42) анализируют и выясняют причины, при необходимости меняют компаратор и проводят повторные измерения и определение СКО компаратора.
При соблюдении
условия (42) проводят дальнейшие операции по определению метрологических характеристик ТПУ.
Определяют метрологические характеристики поверяемой ТПУ.
По команде с СОИ выполняют пуск поршня поверяемой ТПУ. При прохождении поршнем первого детектора в СОИ начинается, а при прохождении второго детектора заканчивается счет импульсов, поступающих с компаратора.
Если ТПУ двунаправленная, то выполняют запуск поршня в обратном направлении.
По команде с СОИ выполняют пуск поршня ПУ с ТПУ/компакт-прувером или ТПУ 1-го разряда/компакт-прувера. При прохождении поршнем первого детектора в СОИ начинается, а при прохождении второго детектора заканчивается счет импульсов, поступающих с компаратора.
Результаты измерений значений количества импульсов, поступивших от компаратора при прохождении поршнем ПУ с ТПУ/компакт-прувером или ТПУ 1-го разряда/компакт-прувером и поверяемой ТПУ калиброванных участков, время прохождения поршнем калиброванных участков ПУ с ТПУ/компакт-прувером или ТПУ 1-го разряда/компакт-прувером и поверяемой ТПУ, давление и температуру поверочной жидкости в ПУ с ТПУ/компакт-прувером или ТПУ 1-го разряда/компакт-прувером, поверяемой ТПУ и возле ПП, плотность поверочной жидкости фиксируют в
протоколе поверки (приложение Б).
За значения температуры и давления поверочной жидкости в ПУ с ТПУ/компакт-прувером или ТПУ 1-го разряда/компакт-прувере принимают средние арифметические значений на входе и на выходе ПУ с ТПУ/компакт-прувером или ТПУ 1-го разряда/компакт-прувера (при наличии на выходе компакт-прувера СИ температуры и давления) в начале и в конце прохождения поршнем калиброванного участка.
За значения температуры и давления поверочной жидкости в поверяемой ТПУ принимают средние арифметические значений на входе и на выходе поверяемой ТПУ в начале и в конце прохождения поршнем калиброванного участка.
За значения температуры и давления поверочной жидкости возле ПП принимают средние арифметические значений двух измерений: в момент начала прохождения поршнем ПУ с ТПУ/компакт-прувером или ТПУ 1-го разряда/компакт-прувером калиброванного участка и в момент завершения прохождения поршнем поверяемой ТПУ калиброванного участка.
Определяют по
формуле (43) значение расхода через ПУ с ТПУ/компакт-прувером или ТПУ 1-го разряда/компакт-прувером при движении поршня по калиброванному участку,
Q1i, м
3/ч.
Определяют по
формуле (44) значение расхода через поверяемую ТПУ при движении поршня по калиброванному участку,
Q2i, м
3/ч.
Определяют по
формуле (45) отклонение расхода поверочной жидкости при движении поршня поверяемой ТПУ от расхода при движении поршня ПУ с ТПУ/компакт-прувером или ТПУ 1-го разряда/компакт-прувером,

, %.
Если
условие (46) не выполняется, то выполняют коррекцию расхода поверочной жидкости для обеспечения выполнения
условия (46) и повторяют измерение.
Измерения проводят не менее одиннадцати раз (n = 11).
12 Подтверждение соответствия средства измерений метрологическим требованиям
12.1 Определение вместимости калиброванного участка ТПУ методом N 1
Определяют объем j-й порции поверочной жидкости в баке ВУ при i-м измерении в условиях поверки Vij, м3, по формуле

, (2)
где

- плотность атмосферного воздуха, кг/м
3, вычисленная по формуле

, (3)
tа - температура воздуха, °C;
Pа - барометрическое давление, гПа;
hа - относительная влажность воздуха, %;
kв - постоянная ВУ (из протокола поверки ВУ или эксплуатационного документа). При отсутствии информации в протоколе поверки или эксплуатационном документе на ВУ принимается равной 1. При применении в качестве средства поверки ПУ с ВУ принимается равной 1;
mij - масса j-й порции поверочной жидкости при i-м измерении, кг;

- плотность поверочной жидкости при
i-м измерении
j-й порции, кг/м
3, измеренная в пробе, или определенная по таблицам, или вычисленная по формуле

(4)
где tij - температура поверочной жидкости в баке ВУ при i-м измерении j-й порции, °C;
kт - коэффициент, учитывающий разновременность переключения перекидного устройства в положения "измерение" и "пролет" (при применении электромагнитных клапанов и в качестве средства поверки ПУ с ВУ принимают равным 1), определяемый по формуле

, (5)
где Ti - время прохождения поршня между детекторами при i-м измерении, с;

- интервал времени между импульсами выходного сигнала датчика положения перекидного устройства при переключении его в положения "измерение" и "пролет", с.
Определяют значение коэффициента, учитывающего влияние температуры стенок ТПУ на вместимость калиброванного участка ТПУ при i-м измерении поверочной жидкости Ctspi, по формуле

, (6)
где

- коэффициент линейного расширения материала стенок ТПУ, 1/°C (принимают согласно
приложению В);

- среднее значение температуры поверочной жидкости в ТПУ за
i-е измерение, °C, определяемое по формуле

, (7)
где tyi вх, tyi вых - температура на входе и выходе ТПУ в начале и конце i-го измерения, °C.
Определяют значение коэффициента, учитывающего влияние давления поверочной жидкости на вместимость калиброванного участка ТПУ при i-м измерении Cpspi, по формуле

. (8)
Примечание - Если в эксплуатационном документе на ТПУ коэффициент "0,95" отсутствует, то
формулу (8) применяют без учета коэффициента "0,95",
где D - внутренний диаметр калиброванного участка поверяемой ТПУ, мм (берут из эксплуатационного документа на ТПУ);
E - модуль упругости материала стенок поверяемой ТПУ, МПа (принимают согласно
приложению В);
s - толщина стенок поверяемой ТПУ, мм (берут из эксплуатационного документа ТПУ);

- среднее значение давления в ТПУ за
i-е измерение, МПа, определяемое по формуле

, (9)
где Pyi вх, Pyi вых - давление на входе и выходе ТПУ в начале и конце i-го измерения, °C.
Определяют значение коэффициента, учитывающего влияние давления на объем поверочной жидкости в ТПУ при i-м измерении Cplpi по формуле

, (10)
где
F - коэффициенты сжимаемости поверочной жидкости, 1/МПа (принимают согласно
приложению Г).
Определяют значение коэффициента, учитывающего влияние разности температур в баке ВУ и ТПУ на объем поверочной жидкости при i-м измерении и j-й порции Ctdwij, по формуле

, (11)
где

- значения плотности поверочной жидкости в ТПУ при
i-м измерении, кг/м
3, измеренной в пробе, или определенной по таблицам или вычисленной по
формуле (4) для значения температуры

.
Определяют объем j-й порции поверочной жидкости в баке ВУ при стандартных условиях (температура 20 °C, избыточное давление 0 МПа) при i-м измерении, V0ij, м3, по формуле

. (12)
Определяют вместимость калиброванного участка ТПУ при i-м измерении при стандартных условиях (температура 20 °C, избыточное давление 0 МПа), V0i, м3, по формуле

. (13)
Примечание - Для двунаправленных ТПУ V0i = V0i(1-3) + V0i(3-1) или V0i = V0i(2-4) + V0i(4-2).
Определяют среднее значение вместимости калиброванного участка ТПУ при стандартных условиях (температура 20 °C, избыточное давление 0 МПа), V0, м3, по формуле

(14)
Определяют вместимость калиброванного участка ТПУ при стандартных условиях (температура 15 °C, избыточное давление 0 МПа),

, м
3, по формуле

. (15)
12.2 Определение вместимости калиброванного участка ТПУ методом N 2
Определяют вместимость калиброванного участка ТПУ при i-м измерении в условиях поверки Vi, м3, по формуле

, (16)
где mi - масса поверочной жидкости при i-м измерении, кг;

- плотность поверочной жидкости при
i-м измерении, кг/м
3, измеренная в пробе или определенная по таблицам. Для дистиллированной воды допускается вычислять по
формуле (4) для температуры поверочной жидкости в баке ВУ при
i-м измерении
ti, °C.
Примечание - Для двунаправленных ТПУ Vi = Vi(1-3) + Vi(3-1) или Vi = Vi(2-4) + Vi(4-2).
Определяют значение коэффициента, учитывающего влияние температуры стенок ТПУ на вместимость калиброванного участка ТПУ при
i-м измерении поверочной жидкости
Ctspi по
формуле (6).
Определяют значение коэффициента, учитывающего влияние давления поверочной жидкости на вместимость калиброванного участка ТПУ при
i-м измерении
Cpspi по
формуле (8).
Определяют значение коэффициента, учитывающего влияние давления на объем поверочной жидкости в ТПУ при
i-м измерении
Cplpi по
формуле (10).
Определяют значение коэффициента, учитывающего влияние разности температур в баке ВУ и ТПУ на объем поверочной жидкости при
i-м измерении
Ctdwi по
формуле (11) для значений плотности поверочной жидкости

,

.
Определяют объем поверочной жидкости в баке ВУ при стандартных условиях (температура 20 °C, избыточное давление 0 МПа) при i-м измерении, V0i, м3, по формуле

. (17)
Определяют среднее значение вместимости калиброванного участка ТПУ при стандартных условиях (температура 20 °C, избыточное давление 0 МПа),
V0, м
3, по
формуле (14).
Определяют вместимость калиброванного участка ТПУ при стандартных условиях (температура 15 °C, избыточное давление 0 МПа),

, м
3, по
формуле (15).
12.3 Определение вместимости калиброванного участка ТПУ методом N 3
Определяют объем поверочной жидкости в мернике при i-м измерении в условиях поверки Vi, м3, по формуле

, (18)
где Vij - объем j-й порции поверочной жидкости в мернике при i-м измерении, м3;
r - количество j-х порций поверочной жидкости при i-м измерении.
Примечание - Для двунаправленных ТПУ Vi = Vi(1-3) + Vi(3-1) или Vi = Vi(2-4) + Vi(4-2).
Определяют значение коэффициента, учитывающего влияние температуры стенок ТПУ на вместимость калиброванного участка ТПУ при
i-м измерении поверочной жидкости
Ctspi по
формуле (6).
Определяют значение коэффициента, учитывающего влияние давления поверочной жидкости на вместимость калиброванного участка ТПУ при
i-м измерении
Cpspi по
формуле (8).
Определяют значение коэффициента, учитывающего влияние температуры стенок мерника на вместимость мерника при i-м измерении Ctsmi по формуле

, (19)
где

- коэффициент линейного расширения материала стенок мерника, 1/°C (принимают согласно
приложению В);

- коэффициент объемного расширения материала стенок мерника, 1/°C (принимают согласно
приложению В);

- средневзвешенное значение температуры поверочной жидкости в мернике при
i-м измерении, °C, определяемое по формуле

. (20)
Определяют значение коэффициента, учитывающего влияние давления на объем поверочной жидкости в ТПУ при
i-м измерении
Cplpi по
формуле (10).
Определяют значение коэффициента, учитывающего влияние разности температур в мернике и ТПУ на объем поверочной жидкости при
i-м измерении
Ctdwi по
формуле (11) для значений плотности поверочной жидкости

,

.

- значения плотности поверочной жидкости в мернике при
i-м измерении, кг/м
3, определяют для значений температуры

по
формуле (4).
Определяют вместимость калиброванного участка ТПУ при стандартных условиях (температура 20 °C, избыточное давление 0 МПа) при i-м измерении, V0i, м3, по формуле

. (21)
Определяют среднее значение вместимости калиброванного участка ТПУ при стандартных условиях (температура 20 °C, избыточное давление 0 МПа),
V0, м
3, по
формуле (14).
Определяют вместимость калиброванного участка ТПУ при стандартных условиях (температура 15 °C, избыточное давление 0 МПа),

, м
3, по
формуле (15).
12.4 Определение вместимости калиброванного участка ТПУ (компакт-прувер) методом N 4
Определяют значение коэффициента, учитывающего влияние температуры стенок ТПУ (и планки крепления детекторов или инварового стержня для компакт-прувера) на вместимость калиброванного участка ТПУ при i-м измерении Ctspi по формуле

, (22)
где

- коэффициент линейного расширения материала планки крепления детекторов или инварового стержня компакт-прувера, 1/°C (принимают согласно
приложению В);

- квадратичный коэффициент расширения материала стенок компакт-прувера, 1/°C (принимают согласно
приложению В);
tстi - температура окружающего воздуха возле детекторов компакт-прувера, °C.
Определяют значение коэффициента, учитывающего влияние давления поверочной жидкости на вместимость калиброванного участка ТПУ (компакт-прувера) при i-м измерении Cpspi по формуле

. (23)
Примечание - Если в эксплуатационном документе на ТПУ коэффициент "0,95" отсутствует, то
формулу (23) применяют без учета коэффициента "0,95".
Определяют значение коэффициента, учитывающего влияние температуры стенок мерника на вместимость мерника при
i-м измерении
Ctsmi по
формуле (19) для температуры поверочной жидкости в мернике при
i-м измерении
t0мi, °C.
Определяют значение коэффициента, учитывающего влияние давления на объем поверочной жидкости в ТПУ при
i-м измерении
Cplpi по
формуле (10).
Определяют значение коэффициента, учитывающего влияние разности температуры в мернике и ТПУ на объем поверочной жидкости при
i-м измерении
Ctdwi по
формуле (11) для значений плотности поверочной жидкости

,

.
Определяют вместимость калиброванного участка ТПУ (компакт-прувера) при стандартных условиях (температура 20 °C, избыточное давление 0 МПа) при i-м измерении, V0i, м3, по формуле

, (24)
где Vмi - объем поверочной жидкости в мернике при i-м измерении, м3.
Определяют среднее значение вместимости калиброванного участка ТПУ при стандартных условиях (температура 20 °C, избыточное давление 0 МПа),
V0, м
3, по
формуле (14).
Определяют вместимость калиброванного участка ТПУ (компакт-прувера) при стандартных условиях (температура 15 °C, избыточное давление 0 МПа),

, м
3, по
формуле (15).
12.5 Определение вместимости калиброванного участка ТПУ методом N 5
Определяют значение коэффициента, учитывающего влияние температуры стенок ТПУ на объем ТПУ при
i-м измерении и
j-м наполнении
k-го мерника,
Ctspijk по
формуле (6).
Определяют значение коэффициента, учитывающего влияние давления поверочной жидкости на вместимость калиброванного участка ТПУ при
i-м измерении
Cpspi по
формуле (8).
Определяют значение коэффициента, учитывающего влияние температуры стенок k-го мерника на объем мерника при i-м измерении и j-м наполнении k-го мерника Ctstmijk по формуле

, (25)
где t0мijk - значение температуры поверочной жидкости в k-м мернике, °C.
Определяют значение коэффициента, учитывающего влияние давления на объем поверочной жидкости в ТПУ при
i-м измерении
Cplpi по
формуле (10).
Определяют значение коэффициента, учитывающего влияние разности температур в мернике и ТПУ на объем поверочной жидкости при
i-м измерении
Ctdwijk по
формуле (11) для значений плотности поверочной жидкости

,

при значениях температуры
t0мijk и
tyi.
Определяют объем поверочной жидкости в k-м мернике при i-м измерении и j-м наполнении при стандартных условиях (температура 20 °C, избыточное давление 0 МПа), V0ijk, м3, по формуле

, (26)
где Vмijk - объем поверочной жидкости в k-м мернике при i-м измерении и j-м наполнении, м3.
Если при наполнении какого-либо мерника уровень поверочной жидкости окажется выше (ниже) отметки шкалы, то

, (27)
где Vмнijk - объем поверочной жидкости в k-м мернике, соответствующий отметке номинальной вместимости мерника при i-м измерении и j-м наполнении, м3;

- объем слитой в мерную посуду (долитой из мерной посуды, с обратным знаком) поверочной жидкости, м
3.
Определяют вместимость калиброванного участка ТПУ при стандартных условиях (температура 20 °C, избыточное давление 0 МПа) при i-м измерении, V0i, м3, по формуле

, (28)
где mj - количество заполнений мерников за i-е измерение;
mk - количество мерников, используемых при j-м наполнении мерников.
Определяют среднее значение вместимости калиброванного участка ТПУ при стандартных условиях (температура 20 °C, избыточное давление 0 МПа),
V0, м
3, по
формуле (14).
Определяют вместимость калиброванного участка ТПУ при стандартных условиях (температура 15 °C, избыточное давление 0 МПа),

, м
3, по
формуле (15).
12.6 Определение вместимости калиброванного участка ТПУ методом N 6
Определяют коэффициент преобразования компаратора по результатам первой серии измерений K1, имп./м3, по формуле

(29)
где m1 - количество измерений в первой серии при определении метрологических характеристик компаратора;
Ki - коэффициент преобразования компаратора при i-м измерении, имп./м3, значение которого определяют по формуле

, (30)
где Ni - количество импульсов от компаратора, накопленное СОИ за время i-го измерения, имп.;
Vмi - объем поверочной жидкости в мернике при i-м измерении, м3;
Cplmi - коэффициент, учитывающий влияние давления на объем поверочной жидкости в компараторе при i-м измерении, значение которого определяют по формуле

, (31)
где Pкомпi - значение давления поверочной жидкости в компараторе при i-м измерении, МПа;
Ctstpi - коэффициент, учитывающий влияние температуры стенок мерника на вместимость мерника при i-м измерении, значение которого определяют по формуле

, (32)
где t0мi - значение температуры поверочной жидкости в мернике при i-м измерении, °C;
Ctdwi - комбинированный коэффициент, учитывающий влияние разности температур в мернике и компараторе на объем поверочной жидкости при i-м измерении, значение которого определяют по формуле

, (33)
где

,

- значения плотности поверочной жидкости при температуре поверочной жидкости в мернике
t0мi и компараторе
tкомпi соответственно, кг/м
3. Для дистиллированной воды вычисляется по
формуле (4).
Определяют СКО случайной составляющей погрешности компаратора для первой серии измерений

, %, по формуле

(34)
Проверяют выполнение условия

. (35)
При невыполнении
условия (35) анализируют полученные результаты, устраняют причины их возникновения и проводят повторные операции определения метрологических характеристик компаратора.
Определяют коэффициент преобразования компаратора по результатам суммарного по двум сериям количества измерений K, имп./м3, по формуле

(36)
где g - суммарное количество измерений при определении метрологических характеристик компаратора.
Определяют СКО случайной составляющей погрешности компаратора для суммарного количества измерений S0комп, %, по формуле

(37)
Проверяют выполнение условия

. (38)
При невыполнении
условия (38) анализируют полученные результаты, устраняют причины их возникновения и проводят повторные операции определения метрологических характеристик компаратора.
Определяют коэффициент, учитывающий влияние разности температур в компараторе и ТПУ на объем поверочной жидкости при
i-м измерении,
Ctdwi по
формуле (11) для значений плотности поверочной жидкости

,

.
Определяют коэффициент, учитывающий влияние давления на объем поверочной жидкости в компараторе при
i-м измерении,
Cplmi, по
формуле (31).
Определяют коэффициент, учитывающий влияние температуры стенок ТПУ на вместимость калиброванного участка ТПУ при
i-м измерении,
Ctspi, определяют по
формуле (6).
Определяют значение коэффициента, учитывающего влияние давления поверочной жидкости на вместимость калиброванного участка ТПУ при
i-м измерении
Cpspi, по
формуле (8).
Определяют коэффициент, учитывающий влияние давления на объем поверочной жидкости в ТПУ при
i-м измерении,
Cplpi, по
формуле (10).
Примечание - При поверке двунаправленных ТПУ
V0i определяют как сумму вместимостей ТПУ при прямом и обратном движении поршня, каждую из которых определяют по
(40). При наличии в СОИ возможности допускается
V0i вычислять по суммарному количеству импульсов от компаратора при прямом и обратном движении поршня. При этом за значения температуры и давления поверочной жидкости в ТПУ и у компаратора принимают средние арифметические значений при прямом и обратном движении поршня.
Определяют вместимость калиброванного участка ТПУ при стандартных условиях (температура 20 °C, избыточное давление 0 МПа) при i-м измерении, V0i, м3, по формуле

. (39)
Определяют среднее значение вместимости калиброванного участка ТПУ при стандартных условиях (температура 20 °C, избыточное давление 0 МПа),
V0, м
3, по
формуле (14).
Определяют вместимость калиброванного участка ТПУ при стандартных условиях (температура 15 °C, избыточное давление 0 МПа),
V015, м
3, по
формуле (15).
12.7 Определение вместимости калиброванного участка ТПУ методом N 7
Оценивают СКО случайной составляющей погрешности компаратора Sкомп, %, по формуле

, (40)
где

- среднее значение количества импульсов компаратора за количество измерений, равное
mско, которое определяют по формуле

(41)
Проверяют выполнение условия
В случае невыполнения
условия (42) анализируют и выясняют причины, при необходимости меняют компаратор и проводят повторные измерения и определение СКО компаратора.
При соблюдении
условия (42) проводят дальнейшие операции по определению метрологических характеристик ТПУ.
Определяют значение расхода через ПУ с ТПУ/компакт-прувером или ТПУ 1-го разряда/компакт-прувером при движении поршня по калиброванному участку Q1i, м3/ч, по формуле

, (43)
где

- вместимость калиброванного участка ПУ с ТПУ/компакт-прувером или ТПУ 1-го разряда/компакт-прувером при стандартных условиях (температура 20 °C, избыточное давление 0 МПа), м
3;
T1i - время прохождения поршнем ПУ с ТПУ/компакт-прувером или ТПУ 1-го разряда/компакт-прувером калиброванного участка за i-е измерение, с.
Определяют значение расхода через поверяемую ТПУ при движении поршня по калиброванному участку Q2i, м3/ч, по формуле

, (44)
где N1i, N2i - количество импульсов, поступивших от компаратора за время прохождения поршнями поверяемой ТПУ и ПУ с ТПУ/компакт-прувером или ТПУ 1-го разряда/компакт-прувером калиброванных участков за время i-го измерения (суммарное для прямого и обратного направления движения поршня - для двунаправленной ТПУ) соответственно;
T2i - время прохождения поршнем поверяемой ТПУ калиброванного участка за i-е измерение (суммарное для прямого и обратного направления движения поршня - для двунаправленной ТПУ), с.
Определяют отклонение расхода поверочной жидкости при движении поршня поверяемой ТПУ от расхода при движении поршня ПУ с ТПУ/компакт-прувером или ТПУ 1-го разряда/компакт-прувером

, %, по формуле

. (45)
Проверяют выполнение условия

. (46)
Если
условие (46) не выполняется, то выполняют коррекцию расхода поверочной жидкости для обеспечения выполнения
условия (46) и повторяют измерение.
Определяют поправочные коэффициенты, учитывающие влияние давления на объем поверочной жидкости в ПУ с ТПУ/компакт-прувером или ТПУ 1-го разряда/компакт-прувером, CPLПУi, и поверяемой ТПУ, CPLi, при i-м измерении, по формуле

, (47)
где

- коэффициент сжимаемости поверочной жидкости, 1/МПа; для нефти и нефтепродуктов определяют для значения температуры поверочной жидкости

и

по формуле

, (48)

- плотность поверочной жидкости, измеренная ПП при
i-м измерении и приведенная к температуре 15 °C и избыточному давлению, равному нулю, кг/м
3 (определяют в соответствии с
приложением Г);

- среднее значение давления поверочной жидкости в ПУ с ТПУ/компакт-прувером или ТПУ 1-го разряда/компакт-прувером при
i-м измерении, определяемое по
формуле (9);

- среднее значение температуры поверочной жидкости в поверяемой ТПУ за
i-е измерение, °C, определяемое по
формуле (7).
Определяют поправочные коэффициенты, учитывающие влияние температуры на объем поверочной жидкости в ПУ с ТПУ/компакт-прувером или ТПУ 1-го разряда/компакт-прувером,
CTLПУi, и поверяемой ТПУ,
CTLi, при
i-м измерении, для температуры поверочной жидкости

и

по формуле

, (49)
где

- коэффициент объемного расширения поверочной жидкости при температуре

и

, 1/°C;

- коэффициент, значение которого определяют по формуле

, (50)
где
K0,
K1,
K2 - коэффициенты, значения которых принимают в соответствии с
ГОСТ Р 8.1008.
Определяют поправочные коэффициенты, учитывающие влияние температуры стенок ПУ с ТПУ/компакт-прувером или ТПУ 1-го разряда/компакт-прувером на вместимость калиброванного участка ПУ с ТПУ/компакт-прувером или ТПУ 1-го разряда/компакт-прувером и поверяемой ТПУ при
i-м измерении,
CtspПУi, по
формуле (22).
Определяют поправочные коэффициенты, учитывающие влияние температуры стенок поверяемой ТПУ на вместимость калиброванного участка поверяемой ТПУ при
i-м измерении,
Ctspi, по
формуле (6).
Определяют поправочный коэффициент, учитывающий влияние давления поверочной жидкости на вместимость калиброванных участков ПУ с ТПУ/компакт-прувером или ТПУ 1-го разряда/компакт-прувером при
i-м измерении,
CpspПУi, по
формуле (23).
Определяют поправочный коэффициент, учитывающий влияние давления поверочной жидкости на вместимость калиброванных участков поверяемой ТПУ при
i-м измерении,
Cpspi по
формуле (8).
Определяют вместимость калиброванного участка поверяемой ТПУ при стандартных условиях (температура 20 °C, избыточное давление 0 МПа) при i-м измерении, V0i, м3, по формуле

, (51)
где

- вместимость калиброванного участка ПУ с ТПУ/компакт-прувером или ТПУ 1-го разряда/компакт-прувером, м
3;
Ni - количество импульсов, поступивших от компаратора за время прохождения поршня в поверяемой ТПУ за время i-го измерения (суммарного для прямого и обратного направления движения поршня - при применении в качестве ТПУ двунаправленных ТПУ);
NПУi - количество импульсов, поступивших от компаратора за время прохождения поршня в ПУ с ТПУ/компакт-прувером или ТПУ 1-го разряда/компакт-прувером за время i-го измерения.
Определяют среднее значение вместимости калиброванного участка поверяемой ТПУ при стандартных условиях (температура 20 °C, избыточное давление 0 МПа),
V0, м
3, по
формуле (14).
Определяют вместимость калиброванного участка поверяемой ТПУ при стандартных условиях (температура 15 °C, избыточное давление 0 МПа),

, м
3, по
формуле (15).
12.8 Определение СКО случайной составляющей погрешности ТПУ
Определяют СКО случайной составляющей погрешности ТПУ S0y, %, по формуле

(52)
Проверяют выполнение условия:
- если в описании типа на ТПУ установлено значении СКО случайной составляющей погрешности

, (53)
- если в описании типа на ТПУ сведения о значение СКО случайной составляющей погрешности отсутствуют
где

- значение СКО случайной составляющей погрешности, указанные в описании типа ТПУ, %.
В случае невыполнения
условия (53) или
(54) выявляют и устраняют причины, выявляют промахи в соответствии с
приложением Д. Допускают не более одного промаха. В противном случае поверку прекращают. После исключения промаха выполняют дополнительное измерение.
Проводят повторное определение СКО случайной составляющей погрешности ТПУ по
(52) и проверку выполнения
условия (53) или
(54). При повторном невыполнении
условия (53) или
(54) поверку прекращают.
12.9 Определение доверительных границ неисключенной систематической погрешности
Определяют неисключенную систематическую погрешность ТПУ

, %, по формуле

, (55)

- пределы допускаемой относительной погрешности ВУ, %;

- пределы допускаемой основной относительной погрешности мерника, %;

- пределы допускаемой относительной погрешности измерений количества импульсов СОИ, %;

- пределы допускаемой относительной погрешности СИ плотности, %, определяемые по формуле

, (56)

- пределы допускаемой абсолютной погрешности СИ плотности, кг/м
3;

,

,

,

- границы составляющих неисключенных систематических погрешностей, обусловленных погрешностью измерений температуры, %, вычисляемые по формулам:
где

- коэффициент объемного расширения поверочной жидкости, 1/°C (принимают согласно
приложению Г);

- пределы допускаемой абсолютной погрешности СИ температуры при измерении температуры поверочной жидкости в поверяемой ТПУ, °C;

- пределы допускаемой абсолютной погрешности СИ температуры при измерении температуры поверочной жидкости в цилиндре с поверочной жидкостью, °C;

,

- пределы допускаемых абсолютных погрешностей СИ температуры при измерении температуры в мернике и компараторе соответственно, °C;

- пределы допускаемой абсолютной погрешности СИ температуры при измерении температуры поверочной жидкости в ПУ с ТПУ/компакт-прувером или ТПУ 1-го разряда/компакт-прувером, °C;

- граница составляющей неисключенной систематической погрешности определения среднего значения коэффициента преобразования компаратора, %, значение которой определяют по формуле

, (61)
где
t0,99 - квантиль распределения Стьюдента при доверительной вероятности
P = 0,99 (принимают согласно
приложению В).
Примечания
1 При определении плотности поверочной жидкости по таблицам или расчетным способом в
формуле (56) значение

принимают равным нулю.
2 При плотности поверочной жидкости

принимают

.
3 При применении в качестве средства поверки ПУ

принимают равной пределам допускаемой относительной погрешности (доверительным границам суммарной погрешности) ПУ.
12.10 Определение случайной составляющей погрешности определения среднего значения вместимости ТПУ
Определяют границы случайной составляющей погрешности определения среднего значения вместимости ТПУ

, %, по формуле

, (62)
где Sx - СКО среднего арифметического среднего значения вместимости ТПУ, %, определяемое по формуле

. (63)
12.11 Определение относительной погрешности (доверительных границ суммарной погрешности) определения вместимости ТПУ
Определяют относительную погрешность (доверительные границы суммарной погрешности) определения вместимости ТПУ

, %, по формуле

, (64)
где

- СКО суммы неисключенных систематических и случайных погрешностей, %, определяют по формуле

, (65)

- СКО суммы составляющих неисключенной систематической погрешности, %, определяют по формуле

, (66)
K - коэффициент для нахождения доверительных границ суммы случайных и неисключенных систематических погрешностей, определяют по формуле

. (67)
Проверяют выполнение условия

, (68)
где

- пределы допускаемой относительной погрешности (доверительные границы суммарной погрешности) определения вместимости ТПУ согласно описанию типа, %.
Результаты поверки ТПУ являются положительными, если выполняется
условие (68).
12.12 Проверка отсутствия протечек
Регулятором расхода устанавливают значение расхода
Q2, выбранное для проверки отсутствия протечек в соответствии с
11.1.
При применении
методов N 1 -
5 выполняют три измерения по
11.1.1 -
11.1.5 и определяют вместимость калиброванного участка ТПУ при стандартных условиях (температура 20 °C, избыточное давление 0 МПа),

, м
3, по одной из
формул (13),
(17),
(21),
(24),
(28) в зависимости от применяемого метода поверки.
Определяют по
формуле (14) среднее значение вместимости калиброванного участка ТПУ при стандартных условиях (температура 20 °C, избыточное давление 0 МПа),
V0прот, м
3.
При применении
метода N 6 для определения метрологических характеристик компаратора выполняют две серии измерений, по три измерения в каждой, по
11.1.6, четыре измерения - для определения метрологических характеристик ТПУ, и определяют вместимость калиброванного участка ТПУ при стандартных условиях (температура 20 °C, избыточное давление 0 МПа),

, м
3, по
формуле (39).
Определяют по
формуле (14) среднее значение вместимости калиброванного участка ТПУ при стандартных условиях (температура 20 °C, избыточное давление 0 МПа),
V0прот, м
3.
При применении
метода N 7 для определения метрологических характеристик компаратора выполняют семь измерений, три измерения - для определения метрологических характеристик ТПУ по
11.1.7, и определяют вместимость калиброванного участка ТПУ при стандартных условиях (температура 20 °C, избыточное давление 0 МПа),

, м
3, по
формуле (51).
Определяют по
формуле (14) среднее значение вместимости калиброванного участка ТПУ при стандартных условиях (температура 20 °C, избыточное давление 0 МПа),
V0прот, м
3.
Определяют относительное отклонение вместимости калиброванного участка ТПУ
V0прот от значения, полученного при определении метрологических характеристик ТПУ,

, %, по формуле

. (69)
Проверяют выполнение условия

. (70)
| | ИС МЕГАНОРМ: примечание. В официальном тексте документа, видимо, допущена опечатка: имеется в виду формула (70), а не (71). | |
При невыполнении
условия (71) проводят анализ результатов измерений.
Если

и

, то это свидетельствует о наличии протечек поверочной жидкости в ТПУ и необходимости их устранения.
Если

и

, то это свидетельствует о допущенных ошибках при выполнении измерений и необходимости повторения измерений после устранения причин, вызвавших ошибки.
12.13 Определение относительного отклонения вместимости калиброванного участка ТПУ от значения, полученного при предыдущей поверке
Относительное отклонение вместимости калиброванного участка ТПУ от значения вместимости, полученного при предыдущей поверке,

, %, определяют по формуле

, (71)
где V0п.п - значение вместимости калиброванного участка ТПУ, определенное по результатам предыдущей поверки ТПУ, м3.
Примечание - При первичной поверке или после ремонта ТПУ

не определяют.
Проверяют выполнение условия

. (72)
При невыполнении
условия (72) анализируют полученные результаты, устраняют причины возникновения и проводят повторную поверку ТПУ. При повторном невыполнении
условия (72) поверку прекращают.
Для ТПУ с двумя парами детекторов или для имеющей две вместимости выполняют вышеописанные операции для второй вместимости (при необходимости).
13 Оформление результатов поверки
13.1 По результатам поверки оформляется протокол поверки,
форма которого приведена в приложении Б. К протоколу прилагают перечень СИ, установленных на ТПУ, оформленный по
форме, приведенной в приложении Ж. Сведения о результатах поверки лицом, проводившим поверку, передаются в ФИФ ОЕИ.
13.2 Результаты поверки оформляют в соответствии с действующим порядком проведения поверки СИ на территории Российской Федерации.
В случае положительных результатов поверки на ТПУ в соответствии с описанием типа, устанавливают средства защиты от несанкционированного доступа к местам регулировки и наносят знак поверки.
13.3 В интервале между поверками ТПУ допускается при необходимости проводить замену СИ температуры и давления, установленных на ТПУ, на СИ, соответствующие описанию типа ТПУ, с оформлением
листа регистрации замены согласно приложению И настоящего стандарта. Метрологические характеристики вновь устанавливаемых на ТПУ СИ температуры и давления не должны уступать метрологическим характеристикам заменяемых СИ.
При замене СИ температуры и (или) давления, установленных на ТПУ, проведение внеочередной поверки ТПУ не требуется.
(справочное)
В приведенных в данном приложении схемах монтажа используются следующие обозначения:
T, P,

- СИ температуры, давления и плотности;
FE - расходомер (компаратор); КР - кран регулирующий; К - кран запорный; Н - насос; КЭ - кран электромагнитный; Ф - фильтр; Д1 - Д4 - детекторы
А.1 Метод N 1 - с применением ПУ с ВУ или ВУ, накопительной емкости и переключателя потока
Рисунок А.1.1 - Схема монтажа ТПУ и ПУ с ВУ с перекидным
устройством в качестве переключателя потока
Рисунок А.1.2 - Схема монтажа ТПУ и ПУ с ВУ с
электромагнитными клапанами в качестве переключателя потока
А.2 Метод N 2 - с применением ПУ с ВУ или ВУ, переключателя потока без накопительной емкости
Рисунок А.2.1 - Схема монтажа ТПУ и ПУ с ВУ с перекидным
устройством в качестве переключателя потока
Рисунок А.2.2 - Схема монтажа ТПУ и ПУ с ВУ с
электромагнитными клапанами в качестве переключателя потока
А.3 Метод N 3 - с применением ПУ с мерником или мерника, накопительной емкости и переключателя потока
Рисунок А.3.1 - Схема монтажа ТПУ и ПУ с мерником
с перекидным устройством в качестве переключателя потока
Рисунок А.3.2 - Схема монтажа ТПУ и ПУ с ВУ с
электромагнитными клапанами в качестве переключателя потока
А.4 Метод N 4 - с применением ПУ с мерником или мерника, переключателя потока без накопительной емкости (без остановки или с остановкой поршня)
Рисунок А.4.1 - Схема монтажа ТПУ и ПУ с мерником
(с нижним заполнением) с электромагнитным клапаном
в качестве переключателя потока (с остановкой поршня)
Рисунок А.4.2 - Схема монтажа ТПУ (компакт-прувер) и ПУ с
мерником (с нижним заполнением) с электромагнитным клапаном
в качестве переключателя потока (с остановкой поршня)
Рисунок А.4.3 - Схема монтажа ТПУ и ПУ с мерником
(с верхним заполнением) с электромагнитным клапаном
в качестве переключателя потока (с остановкой поршня)
Рисунок А.4.4 - Схема монтажа ТПУ (компакт-прувер) и ПУ с
мерником (с верхним заполнением) с электромагнитным клапаном
в качестве переключателя потока (с остановкой поршня)
Рисунок А.4.5 - Схема монтажа ТПУ и ПУ с мерником
(с нижним заполнением) с электромагнитными клапанами
в качестве переключателя потока (без остановки поршня)
Рисунок А.4.6 - Схема монтажа ТПУ (компакт-прувер) и ПУ
с мерником (с нижним заполнением) с электромагнитными
клапанами в качестве переключателя потока
(без остановки поршня)
Рисунок А.4.7 - Схема монтажа ТПУ и ПУ с мерником
(с верхним заполнением) с электромагнитными клапанами
в качестве переключателя потока (без остановки поршня)
Рисунок А.4.8 - Схема монтажа ТПУ (компакт-прувер) и ПУ
с мерником (с верхним заполнением) с электромагнитными
клапанами в качестве переключателя потока
(без остановки поршня)
А.5 Метод N 5 - с применением ПУ с мерниками или мерников, переключателя потока без накопительной емкости (без остановки или с остановкой поршня)
Рисунок А.5.1 - Схема монтажа ТПУ и ПУ с мерниками
(с нижним заполнением) с электромагнитным клапаном
в качестве переключателя потока (с остановкой поршня)
Рисунок А.5.2 - Схема монтажа ТПУ и ПУ с мерниками
(с верхним заполнением) с электромагнитным клапаном
в качестве переключателя потока (с остановкой поршня)
Рисунок А.5.3 - Схема монтажа ТПУ и ПУ с мерниками
(с нижним заполнением) с электромагнитными клапанами
в качестве переключателя потока (без остановки поршня)
Рисунок А.5.4 - Схема монтажа ТПУ и ПУ с мерниками
(с верхним заполнением) с электромагнитными клапанами
в качестве переключателя потока (без остановки поршня)
А.6 Метод N 6 - с применением ПУ с мерником и компаратором или мерника и компаратора
Рисунок А.6.1 - Схема монтажа ТПУ и ПУ с мерником
(с нижним заполнением) и компаратором с электромагнитным
клапаном в качестве переключателя потока
Рисунок А.6.2 - Схема монтажа ТПУ и ПУ с мерником
(с верхним заполнением) и компаратором с электромагнитным
клапаном в качестве переключателя потока
А.7 Метод N 7 - с применением ПУ с ТПУ/компакт-прувером или ТПУ 1-го разряда/компакт-прувера с компаратором для поверки ТПУ 2-го разряда
Рисунок А.7.1 - Схема монтажа ТПУ 2-го разряда и ПУ
с компакт-прувером или компакт-прувера с компаратором
Рисунок А.7.2 - Схема монтажа ТПУ 2-го разряда и ПУ с ТПУ
или ТПУ 1-го разряда с компаратором (при применении
в качестве компаратора преобразователь расхода, входящий
в состав измерительной системы)
Рисунок А.7.3 - Схема монтажа ТПУ 2-го разряда и ПУ с ТПУ
или ТПУ 1-го разряда с компаратором (при применении
в качестве компаратора отдельно монтируемый
преобразователь расхода)
(рекомендуемое)
Тип ТПУ _____________________ Заводской номер ______________ Место проведения поверки _____ Поверочная жидкость __________ | Температура воздуха, °C ___ Температура поверочной жидкости, °C ___ Расход, м3/ч: Q1 = ____; Q2 = ____ |
Таблица Б.1.1 - Исходные данные
kв |  , °C -1 | F, МПа-1 |  , °C -1 | D, мм | s, мм | E, МПа | t0,99 |  , % |  , % |
| | | | | | | | | |
Таблица Б.1.2 - Результаты измерений
Направление движения поршня | Номера измерений (i) и порций (j) | ТПУ | Весовое устройство | kт | Vij, м3 | Ctdwij | Ctspi | Cpspi | Cplpi | V0ij, м3 |
 , °C |  , МПа |  , кг/м 3 | mij, кг |  , кг/м 3 | tij, °C |
| Определение метрологических характеристик |
| 1.1 | |
.... | |
1.r | |
n.1 | |
.... | |
n.r | |
Окончание таблицы Б.1.2
Направление движения поршня | Номера измерений (i) и порций (j) | ТПУ | Весовое устройство | kт | Vij, м3 | Ctdwij | Ctspi | Cpspi | Cplpi | V0ij, м3 |
 , °C |  , МПа |  , кг/м 3 | mij, кг |  , кг/м 3 | tij, °C |
| Проверка отсутствия протечек |
| 1.1 | |
.... | |
1.r | |
3.1 | |
.... | |
3.r | |
Таблица Б.1.3 - Определение метрологических характеристик
Номер измерения | V0j(1-3) или V0j(2-4), м3 | V0j(3-1) или V0j(2-4), м3 | V0i, м3 |
1 | | | |
2 | | | |
... | | | |
n | | | |
Таблица Б.1.4 - Проверка отсутствия протечек
Номер измерения |  или  , м 3 |  или  , м 3 |  , м 3 |
1 | | | |
... | | | |
n | | | |
Таблица Б.1.5 - Результаты проверки
V0, м3 | V015, м3 | S0y, % |  , % |  , % |  , % | V0прот, м3 |  , % | V0п.п, м3 |  , % |
| | | | | | | | | |
Заключение: ТПУ к дальнейшей эксплуатации ______________________________ (пригодна, не пригодна) |
Поверитель: | ________________________ должность, организация | _________ подпись | ___________________ инициалы, фамилия |
Дата поверки: "__" _______________ 20__ г. |
Примечание -
Графа 9 таблицы Б.1.1 заполняется при применении для определения плотности поверочной жидкости СИ плотности (лабораторный плотномер).
Тип ТПУ _____________________ Заводской номер ______________ Место проведения поверки _____ Поверочная жидкость __________ | Температура воздуха, °C ___ Температура поверочной жидкости, °C ___ Расход, м3/ч: Q1 = ____; Q2 = ____ |
Таблица Б.2.1 - Исходные данные
kв |  , °C -1 | F, МПа-1 |  , °C -1 | D, мм | s, мм | E, МПа | t0,99 |  , % |  , % |
| | | | | | | | | |
Таблица Б.2.2 - Результаты измерений
Направление движения поршня | Номер измерения (i) | ТПУ | Весовое устройство | kт | Vi, м3 | Ctdwi | Ctspi | Cpspi | Cplpi |  м 3 |
 , °C |  , МПа |  , кг/м 3 | mi, кг |  , кг/м 3 | ti, °C |
| Определение метрологических характеристик |
| 1 | |
.... | |
n | |
| Проверка отсутствия протечек |
| 1 | |
... | |
n | |
Таблица Б.2.3 - Определение метрологических характеристик
Номер измерения | V0i(1-3) или V0i(2-4), м3 | V0i(3-1) или V0i(2-4), м3 | V0i, м3 |
1 | | | |
2 | | | |
... | | | |
n | | | |
Таблица Б.2.4 - Проверка отсутствия протечек
Номер измерения |  или  , м 3 |  или  , м 3 |  , м 3 |
1 | | | |
... | | | |
n | | | |
Таблица Б.2.5 - Результаты проверки
V0, м3 | | S0y, % |  , % |  , % |  , % | V0прот, м3 |  , % | V0п.п, м3 |  , % |
| | | | | | | | | |
Заключение: ТПУ к дальнейшей эксплуатации _______________________________ (пригодна, не пригодна) |
Поверитель: | ________________________ должность, организация | _________ подпись | ___________________ инициалы, фамилия |
Дата поверки: "__" _______________ 20__ г. |
Примечания
1
Графа 9 таблицы Б.2.1 заполняется при применении для определения плотности поверочной жидкости СИ плотности.
Тип ТПУ _____________________ Заводской номер ______________ Место проведения поверки _____ Поверочная жидкость __________ | Температура воздуха, °C ___ Температура поверочной жидкости, °C ___ Поверочный расход, м3/ч: Q1 = ___; Q2 = ___ |
Таблица Б.3.1 - Исходные данные
|  , °C -1 | D, мм | s, мм | E, МПа |  , °C -1 | t0,99 |  , % |
| | | | | | | |
Таблица Б.3.2 - Результаты измерений
Направление движения поршня | Номера измерений (i) и заполнений мерника (j) | Мерник | ТПУ | kт | Vi, м3 | Ctspi | Cpspi | Ctsmi | Cplpi | Ctdwi |
Vij, м3 |  , °C |  , °C |  , МПа |
Определение метрологических характеристик |
| 1.1 | |
.... | |
1.r | |
n.1 | |
.... | |
n.r | |
Окончание таблицы Б.3.2
Направление движения поршня | Номера измерений (i) и заполнений мерника (j) | Мерник | ТПУ | kт |  , м 3 | Ctspi | Cpspi | Ctsmi | Cplpi | Ctdwi |
Vij, м3 |  , °C |  , °C |  , МПа |
Проверка отсутствия протечек |
| 1.1 | |
.... | |
1.r | |
3.1 | |
.... | |
3.r | |
Таблица Б.3.3 - Определение метрологических характеристик
Номер измерения | V0i(1-3) или V0i(2-4), м3 | V0i(3-1) или V0i(2-4), м3 | V0i, м3 | (V0i - V0)2 |
1 | | | | |
2 | | | | |
... | | | | |
n | | | | |
Таблица Б.3.4 - Проверка отсутствия протечек
Номер измерения |  или  , м 3 |  или  , м 3 |  , м 3 |
1 | | | |
2 | | | |
3 | | | |
Таблица Б.3.5 - Результаты проверки
V0, м3 | V015, м3 | S0y, % |  , % |  , % |  , % | V0прот, м3 |  , % | V0п.п, м3 |  , % |
| | | | | | | | | |
Заключение: ТПУ к дальнейшей эксплуатации ______________________________ (пригодна, не пригодна) |
Поверитель: | ________________________ должность, организация | _________ подпись | ___________________ инициалы, фамилия |
Дата поверки: "__" _______________ 20__ г. |
Примечание - В
графе 1 таблицы Б.3.1 указывается номинальное значение вместимости мерника при стандартных условиях.
Тип ТПУ _______________ Заводской номер ________ Место проведения поверки _______________________ Поверочная жидкость ____ | Тип мерника ___________ Заводской номер ________ | Температура воздуха, °C __ Температура поверочной жидкости, °C ___ |
Поверочный расход, м3/ч: Q1 = ____; Q2 = ____ |
Таблица Б.4.1 - Исходные данные
|  , °C -1 | D, мм | s, мм | E, МПа |  , °C -1 |  , °C -1 | t0,99 |  , % |
| | | | | | | | |
Таблица Б.4.2 - Результаты измерений
Направление движения поршня | Номера измерений (i) | Мерник | ТПУ (компакт-прувер) | Ctspi | Cpspi | Ctsmi | Cplpi | Ctdwi |
Vмi, м3 |  , °C |  , °C |  , МПа | tстi, °C |
Определение метрологических характеристик |
| 1 | |
.... | |
n | |
Проверка отсутствия протечек |
| 1 | |
... | |
n | |
Таблица Б.4.3 - Определение метрологических характеристик
Номер измерения | V0i(1-3) или V0i(2-4), м3 | V0i(3-1) или V0i(2-4), м3 | V0i, м3 | (V0i - V0)2 |
1 | | | | |
2 | | | | |
... | | | | |
n | | | | |
Таблица Б.4.4 - Проверка отсутствия протечек
Номер измерения |  или  , м 3 |  или  , м 3 |  , м 3 |
1 | | | |
2 | | | |
3 | | | |
Таблица Б.4.5 - Результаты проверки
V0, м3 | V015, м3 | S0y, % |  , % |  , % |  , % | V0прот, м3 |  , % | V0п.п, м3 |  , % |
| | | | | | | | | |
Заключение: ТПУ к дальнейшей эксплуатации ______________________________ (пригодна, не пригодна) |
Поверитель: | ________________________ должность, организация | _________ подпись | ___________________ инициалы, фамилия |
Дата поверки: "__" _______________ 20__ г. |
Примечание - В
графе 1 таблицы Б.4.1 указывается номинальное значение вместимости мерника при стандартных условиях.
Тип ТПУ _______________ Заводской номер ________ Место проведения поверки _______________________ | Тип k-го мерника _______ Заводской номер ________ | Температура воздуха, °C __ Температура поверочной жидкости, °C ___ |
Поверочная жидкость ____ | Поверочный расход, м3/ч: Q1 = ____; Q2 = ____ |
Таблица Б.5.1 - Исходные данные
|  , °C -1 | D, мм | s, мм | E, МПа |  , °C -1 | t0,99 |  , % |
1 | | | | | | | |
... | | |
k | | |
Таблица Б.5.2 - Результаты измерений и вычислений при определении метрологических характеристик ТПУ
Номер измерения | Мерник | ТПУ |
Vмijk, м3 | t0мijk, °C |  , кг/м 3 | Ctstmijk |  , °C |  , МПа |  , кг/м 3 | Ctspijk | Cpspi | Cplpi | Ctdwijk | V0i, м3 | Ti, с |
1.1 | | | | | | | | | | | | | |
... | | | | | | | | | | | | | |
1.r | | | | | | | | | | | | | |
n.1 | | | | | | | | | | | | | |
... | | | | | | | | | | | | | |
n | | | | | | | | | | | | | |
Таблица Б.5.3 - Результаты измерений и вычислений при проверке отсутствия протечек
Номер измерения | Мерник | ТПУ |
Vмijk, м3 | t0мijk, °C |  , кг/м 3 | Ctstmijk |  , °C |  , МПа |  , кг/м 3 | Ctspijk | Cpspi | Cplpi | Ctdwijk |  , м 3 | Ti, с |
1.1 | | | | | | | | | | | | | |
... | | | | | | | | | | | | | |
1.r | | | | | | | | | | | | | |
3.1 | | | | | | | | | | | | | |
... | | | | | | | | | | | | | |
3.r | | | | | | | | | | | | | |
Таблица Б.5.4 - Результаты поверки
V0, м3 | V015, м3 | S0y, % |  , % |  , % |  , % | V0прот, м3 |  , % | V0п.п, м3 |  , % |
| | | | | | | | | |
Заключение: ТПУ к дальнейшей эксплуатации _______________________________ (пригодна, не пригодна) |
Поверитель: | ________________________ должность, организация | _________ подпись | __________________ инициалы, фамилия |
Дата поверки: "__" _______________ 20__ г. |
Примечание - В
графе 1 таблицы Б.5.1 указывается номинальное значение вместимости для каждого
k-го мерника при стандартных условиях.
Тип ТПУ: __________ Заводской номер: ___ Детекторы: ________ Тип мерника: ______ Заводской номер: ___ | Тип компаратора: ___ Заводской номер: ___ | Температура воздуха возле ТПУ, °C __ Температура воздуха возле ТПУ, °C __ |
Поверочный расход, м3/ч: | Q1 = _____ Q2 = _____ |
Место проведения поверки: _________ |
Таблица Б.6.1 - Исходные данные
| F, 1/МПа |  , 1/°C |  , 1/°C |  , 1/°C | D, мм | s, мм | E, МПа |  , °C |  , °C |  , °C |  , % |  , % | t0,99, g = 10 | t0,99, n = 7 |
| | | | | | | | | | | | | | |
Таблица Б.6.2 - Определение метрологических характеристик компаратора
Номер измерения | Мерник | Компаратор |
Vмi, м3 | t0мi, °C | Ctstpi | Ni, имп. | tкомпi, °C | Pкомпi, МПа | Cplmi | Ctdwi | Ki, имп./м3 |  , % |
1 | | | | | | | | | | |
... | | | | | | | | | | |
(m/2) | | | | | | | | | | |
(m/2) + 1 | | | | | | | | | | |
... | | | | | | | | | | |
m | | | | | | | | | | |
Таблица Б.6.3 - Определение метрологических характеристик ТПУ
Номер измерения | Направление поршня | ТПУ | Компаратор | Коэффициенты коррекции | V0i, м3 |
ТПУ | Компаратор |
 , °C |  , МПа | K, имп./м3 | Ni, имп. | tкомпi, °C | Pкомпi, МПа | Ctspi | Cpspi | Cplpi | Ctdwi | Cplmi |
1 | | | | | | | | | | | | | |
... | | | | | | | | | | | | | |
g | | | | | | | | | | | | | |
Таблица Б.6.4 - Проверка отсутствия протечек
Номер измерения | Мерник | Компаратор |
Vмi, м3 | t0мi, °C | Ctstpi | Ni, имп. | tкомпi, °C | Pкомпi, МПа | Cplmi | Ctdwi | Ki, имп./м3 |
1 | | | | | | | | | |
... | | | | | | | | | |
(gпрот/2) | | | | | | | | | |
(gпрот/2) + 1 | | | | | | | | | |
... | | | | | | | | | |
gпрот | | | | | | | | | |
Таблица Б.6.5 - Проверка отсутствия протечек
Номер измерения | Направление поршня | ТПУ | Компаратор | Коэффициенты коррекции |  , м 3 |
ТПУ | Компаратор |
 , °C |  , МПа | K, имп./м3 | Ni, имп. | tкомпi, °C | Pкомпi, МПа | Ctspi | Cpspi | Cplpi | Ctdwi | Cplmi |
1 | | | | | | | | | | | | | |
... | | | | | | | | | | | | | |
nпрот | | | | | | | | | | | | | |
Таблица Б.6.6 - Результаты поверки
V0, м3 | V015, м3 | S0y, % |  , % |  , % |  , % | V0прот, м3 |  , % | V0п.п, м3 |  , % |
| | | | | | | | | |
Заключение: ТПУ к дальнейшей эксплуатации ______________________________ (пригодна, не пригодна) |
Поверитель: | ________________________ должность, организация | _________ подпись | __________________ инициалы, фамилия |
Дата поверки: "__" _______________ 20__ г. |
Примечание - В
графе 1 таблицы Б.6.1 указывается номинальное значение вместимости мерника при стандартных условиях.
Тип ТПУ 2-го разряда: _____ Заводской номер: _________ Детекторы: ______________ Тип ПУ (ТПУ 1-го разряда/компакт-прувер): ___ Заводской номер: _________ | Тип компаратора: _________ Заводской номер: _________ | Температура воздуха возле ПУ, °C _____ Температура воздуха возле ТПУ, °C ____ |
Поверочный расход, м3/ч: | Q1 = _______ Q2 = _______ |
Место проведения поверки: __________________ |
Таблица Б.7.1 - Исходные данные
ПУ (ТПУ 1-го разряда/компакт-прувер) | ТПУ | СОИ |
| DПУ, мм | sПУ, мм | EПУ, МПа |  , 1/°C |  , 1/°C |  , % |  , °C | D, мм | s, мм | E, МПа |  , 1/°C |  , °C |  , % |
| | | | | | | | | | | | | |
Таблица Б.7.2 - Результаты оценивания СКО компаратора
Операции для определения | Q, м3/ч |  , имп. |  , имп. |  , имп. |  , имп. |  , имп. |  , имп. |  , имп. |  , имп. | Sкомп, % |
метрологических характеристик ТПУ | | | | | | | | | | |
отсутствия протечек | | | | | | | | | | |
Таблица Б.7.3 - Определение метрологических характеристик ТПУ
Номер измерения | ПУ (ТПУ 1-го разряда/компакт-прувер) | ПП |
NПУi, имп. | T1i, с | Q1i, м3/ч |  , °C |  , МПа | CtspПУi | CpspПУi | CPLПУi | CTLПУi |  , кг/м 3 | tППi, °C | PППi, МПа |
1 | | | | | | | | | | | | |
... | | | | | | | | | | | | |
n | | | | | | | | | | | | |
Окончание таблицы Б.7.3
Номер измерения | ТПУ |
Ni, имп. | T2i, с | Q2i, м3/ч |  , °C |  , МПа | Ctspi | Cpspi | CPLi | CTLi, |  , % | V0i, м3 |
1 | | | | | | | | | | | |
... | | | | | | | | | | | |
n | | | | | | | | | | | |
Таблица Б.7.4 - Проверка отсутствия протечек
Номер измерения | ПУ (ТПУ 1-го разряда/компакт-прувер) | ПП |
NПУi, имп. | T1i, с | Q1i, м3/ч |  , °C |  , МПа | CtspПУi | CpspПУi | CPLПУi | CTLПУi |  , кг/м 3 | tППi, °C | PППi, МПа |
1 | | | | | | | | | | | | |
2 | | | | | | | | | | | | |
3 | | | | | | | | | | | | |
Окончание таблицы Б.7.4
Номер измерения | ТПУ |
Ni, имп. | T2i, с | Q2i, м3/ч |  , °C |  , МПа | Ctspi | Cpspi | CPLi | CTLi |  , % |  , м 3 |
1 | | | | | | | | | | | |
2 | | | | | | | | | | | |
3 | | | | | | | | | | | |
Таблица Б.7.5 - Результаты поверки
V0, м3 | V015, м3 | S0y, % |  , % |  , % |  , % | V0прот, м3 |  , % | V0п.п, м3 |  , % |
| | | | | | | | | |
Заключение: ТПУ к дальнейшей эксплуатации _______________________________ (пригодна, не пригодна) |
Поверитель: | ________________________ должность, организация | _________ подпись | __________________ инициалы, фамилия |
Дата поверки: "__" _______________ 20__ г. |
Примечание - В
графе 1 таблицы Б.7.1 указывается номинальное значение вместимости ПУ при стандартных условиях (температура 20 °C, избыточное давление 0 МПа).
(справочное)
ЗНАЧЕНИЯ КОЭФФИЦИЕНТОВ ЛИНЕЙНОГО, КВАДРАТИЧНОГО И ОБЪЕМНОГО
РАСШИРЕНИЙ, МОДУЛЕЙ УПРУГОСТИ МАТЕРИАЛА СТЕНОК ТПУ И МЕРНИКА
В.1 Коэффициенты линейного, квадратичного и объемного расширений, модули упругости материала стенок ТПУ и мерника определяют по
таблице В.1.
Таблица В.1
Коэффициенты линейного, квадратичного и объемного
расширений, модули упругости материала стенок ТПУ и мерника
Материал |  , 1/°C |  , 1/°C |  , 1/°C | E, МПа |
Сталь углеродистая | 1,12·10-5 | 2,23·10-5 | 3,35·10-5 | 2,068·105 |
Сталь нержавеющая 304 | 1,73·10-5 | 3,46·10-5 | 5,18·10-5 | 1,931·105 |
Сталь нержавеющая 316 | 1,58·10-5 | 3,19·10-5 | 4,77·10-5 | 1,931·105 |
Сталь нержавеющая PH 17-4 SS | 1,08·10-5 | 2,16·10-5 | 3,24·10-5 | 1,965·105 |
Инвар | 1,44·10-6 | | | |
Примечание - Если в эксплуатационных документах на ТПУ и мерник приведены конкретные значения  ,  ,  ,  и E, то для расчетов используют приведенные значения. |
В.2 Квантиль распределения Стьюдента
Квантиль распределения Стьюдента при доверительной вероятности
P = 0,99 представлен в
таблице В.2.
Таблица В.2
Квантиль распределения Стьюдента при
P = 0,99
n - 1 | 6 | 7 | 8 | 9 | 10 | 11 | 12 | 13 | 14 |
t0,99 | 3,707 | 3,499 | 3,355 | 3,250 | 3,169 | 3,106 | 3,055 | 3,012 | 2,977 |
(справочное)
ОПРЕДЕЛЕНИЕ ПЛОТНОСТИ НЕФТИ И НЕФТЕПРОДУКТОВ, ПРИВЕДЕННОЙ
К ТЕМПЕРАТУРЕ 15 °C И ИЗБЫТОЧНОМУ ДАВЛЕНИЮ, РАВНОМУ
НУЛЮ, И КОЭФФИЦИЕНТОВ ОБЪЕМНОГО РАСШИРЕНИЯ
И СЖИМАЕМОСТИ НЕФТИ (НЕФТЕПРОДУКТОВ) И ВОДЫ
Г.1 Определение плотности 
Плотность нефти и нефтепродуктов, приведенную к температуре 15 °C и избыточному давлению, равному нулю,

, кг/м
3, определяют по формуле

, (Г.1)
где

- значение плотности нефти (нефтепродуктов), измеренное ПП, кг/м
3;
CTL - поправочный коэффициент, учитывающий влияние температуры на объем нефти (нефтепродуктов), значение которого определяют по формуле

, (Г.2)
где
tПП - температура нефти (нефтепродуктов) при условиях измерений

, °C;

- коэффициент, значение которого определяют по формуле

, (Г.3)
где
K0,
K1,
K2 - коэффициенты, значение которых принимают в соответствии с
ГОСТ Р 8.1008;
CPL - поправочный коэффициент, учитывающий влияние давления на объем нефти (нефтепродуктов), значение которого определяют по формуле

, (Г.4)
где
PПП - избыточное давление нефти (нефтепродуктов) при условиях измерений

, МПа;

- коэффициент сжимаемости нефти (нефтепродуктов) при температуре
tПП, 1/МПа, который определяют по формуле

. (Г.5)
Для определения

необходимо определить значения
CTL и
CPL, а для определения
CTL и
CPL, в свою очередь, необходимо определить значение плотности при стандартных условиях

. Поэтому значение

определяют методом последовательного приближения.
1) Определяют значения
CTL(1) и
CPL(1), принимая значение

равным значению

.
2) Определяют значения

, кг/м
3:

. (Г.6)
3) Определяют значения
CTL(2) и
CPL(2), принимая значение

равным значению

.
4) Определяют значение

, кг/м
3:

. (Г.7)
5) Аналогично
пунктам (3) и
(4) определяют значения
CTL(i),
CPL(i) и

для
i-го цикла вычислений и проверяют выполнение условия:

, (Г.8)
где

,

- значения

, определенные, соответственно, за последний и предпоследний цикл вычислений, кг/м
3.
Процесс вычислений продолжают до выполнения данного условия. За значение

принимают последнее значение

.
Г.2 Определение коэффициента 
Значение коэффициента объемного расширения нефти (нефтепродуктов)

, 1/°C, при температуре
t определяют по формуле

. (Г.9)
Г.3 Коэффициенты объемного расширения и сжимаемости воды
Коэффициент объемного расширения воды

.
Коэффициент сжимаемости воды F = 49,1·10-5 1/МПа.
(справочное)
МЕТОДИКА АНАЛИЗА РЕЗУЛЬТАТОВ ИЗМЕРЕНИЙ И ВЫЯВЛЕНИЯ ПРОМАХОВ
Пусть получена выборка из "n" результатов измерений вместимости ТПУ: V01, V02 ... V0i. Вначале необходимо выделить значения, резко отличающиеся от остальных, и попытаться выяснить причину их появления (ошибки, допущенные при измерениях, неисправность используемых СИ, несоблюдение условий поверки, которые повлияли на результаты и т.д.). Если причина будет установлена, то результаты могут быть аннулированы и измерения проведены вновь после устранения причин.
Если причину выявить не удается, то проверяют анормальность указанных значений следующим образом:
- определяют относительное СКО (Sn)

(Д.1)
- для каждого измерения определяют соотношение

, (Д.2)
- для ряда значений "
ui", вычисленных по
(Д.2), выбирают максимальное "
uimax" и "
uimin", которые сравнивают с величинами "
hmax" и "
hmin", соответственно взятыми из
таблицы Д.1 для объема выборки "
n":
n | 7 | 8 | 9 | 10 | 11 |
hmax | 2,139 | 2,274 | 2,387 | 2,482 | 2,564 |
hmin | 2,020 | 2,126 | 2,215 | 2,290 | 2,355 |
Если uimax >= hmax и uimin <= hmin, то сомнительные результаты должны быть исключены из выборки как промахи.
(справочное)
ОПРЕДЕЛЕНИЕ КОЭФФИЦИЕНТА k
При доверительной вероятности
P = 0,99 коэффициент
k принимают равным 1,4, если число суммируемых неисключенных систематических погрешностей более четырех (
q > 4). Если число суммируемых погрешностей равно четырем или менее четырех (
q <= 4), то коэффициент
k определяют по графику зависимости
k =
f(
q,
L) (см.
рисунок Е.1), где
q - число суммируемых погрешностей.

, (Е.1)
кривая 1: q = 2,
кривая 2: q = 3,
кривая 3: q = 4.
При четырех или трех слагаемых в качестве

принимают составляющую, по числовому значению наиболее отличающуюся от других, в качестве

следует принять ближайшую к

соответствующую.
Значение коэффициента
k при доверительной вероятности
P = 0,99 может быть определено также по
таблице Е.1.
Таблица Е.1
Значение коэффициента
k при
P = 0,99
L | 1 | 2 | 3 | 4 | 5 |
q = 2 | 1,28 | 1,22 | 1,16 | 1,12 | 1,09 |
q = 3 | 1,38 | 1,31 | 1,24 | 1,28 | 1,14 |
q = 4 | 1,41 | 1,36 | 1,28 | 1,22 | 1,18 |
График зависимости k = f(q, L)
(обязательное)
Перечень средств измерений, установленных на ТПУ
(приложение к
протоколу поверки от "__" ____________ 20__ г. N ______)
Таблица Ж.1 - СИ, установленные на ТПУ
Наименование СИ | Тип, марка (модель, модификация) | Заводской номер | Дата поверки | Номер свидетельства о поверке <*> |
СИ температуры: | | | | |
| | | | |
СИ давления: | | | | |
| | | | |
| | | | |
| | | | |
| | | | |
<*> Заполняется при наличии свидетельства о поверке. <**> Заполняется для СИ, установленного на ТПУ (компакт-прувер). |
Подпись лица, проводившего поверку _____________ (Ф.И.О.)
Дата поверки: "__" ______________ 20__ г.
(обязательное)
ЛИСТ РЕГИСТРАЦИИ ЗАМЕНЫ СРЕДСТВ ИЗМЕРЕНИЙ
Лист регистрации замены СИ, установленных на ТПУ
типа _______ зав. N ______, в интервале между поверками ТПУ
от "__" __________ 20__ г. N ____)
Таблица И.1 - Лист регистрации замены СИ, установленных на ТПУ
Наименование СИ | Дата замены | Демонтированное СИ | Установленное СИ | Должности, Ф.И.О., подписи ответственных лиц |
Тип, марка | Зав. N | Тип, марка | Зав. N | Дата поверки | N свидетельства о поверке <*> | сдающей стороны | принимающей стороны | сервисной организации |
| | | | | | | | | | |
| | | | | | | | | | |
| | | | | | | | | | |
| | | | | | | | | | |
| | | | | | | | | | |
| | | | | | | | | | |
| | | | | | | | | | |
| | | | | | | | | | |
| | | | | | | | | | |
<*> Заполняется при наличии свидетельства о поверке. |
Подпись лица, проводившего поверку _____________ (Ф.И.О.)
Дата поверки: "__" ______________ 20__ г.
| | ИС МЕГАНОРМ: примечание. В официальном тексте документа, видимо, допущена опечатка: Приказ Росстандарта N 2356 издан 26.09.2022, а не 26.02.2022. | |
|
| Приказ Федерального агентства по техническому регулированию и метрологии от 26 февраля 2022 г. N 2356 "Об утверждении Государственной поверочной схемы для средств измерений массы и объема жидкости в потоке, объема жидкости и вместимости при статических измерениях, массового и объемного расходов жидкости" |
| Приказ Федерального агентства по техническому регулированию и метрологии от 4 июля 2022 г. N 1622 "Об утверждении Государственной поверочной схемы для средств измерений массы" |
| Приказ Федерального агентства по техническому регулированию и метрологии от 1 ноября 2019 г. N 2603 "Об утверждении Государственной поверочной схемы для средств измерений плотности" |
| Приказ Федерального агентства по техническому регулированию и метрологии от 20 октября 2022 г. N 2653 "Об утверждении Государственной поверочной схемы для средств измерений избыточного давления до 4000 МПа" |
| | ИС МЕГАНОРМ: примечание. В официальном тексте документа, видимо, допущена опечатка: Приказ Росстандарта N 2360 издан 26.09.2022, а не 26.09.2018. | |
|
| Приказ Федерального агентства по техническому регулированию и метрологии от 26 сентября 2018 г. N 2360 "Об утверждении Государственной поверочной схемы для средств измерений времени и частоты" |
УДК 681.121.1:006.354 | |
Ключевые слова: установки трубопоршневые, методика поверки |