Главная // Актуальные документы // ГОСТ Р (Государственный стандарт)СПРАВКА
Источник публикации
М.: Стандартинформ, 2008
Примечание к документу
Документ утратил силу с 1 января 2013 года в связи с изданием
Приказа Росстандарта от 13.12.2011 N 1147-ст. Взамен введен в действие
ГОСТ IEC 60745-2-5-2011.
Документ включен в
Перечень стандартов, в результате применения которых на добровольной основе обеспечивается соблюдение требований технического
регламента Таможенного союза "О безопасности низковольтного оборудования" (ТР ТС 004/2011) (
Решение Комиссии Таможенного союза от 16.08.2011 N 768).
Документ включен в
Перечень документов в области стандартизации, в результате применения которых на добровольной основе обеспечивает соблюдение требований Федерального
закона от 27.12.2009 N 347-ФЗ "Технический регламент о безопасности низковольтного оборудования" (
Приказ Росстандарта от 14.09.2010 N 3546).
Документ включен в
Перечень документов в области стандартизации, содержащих правила и методы исследований (испытаний) и измерений, в том числе правила отбора образцов, необходимые для применения и исполнения технического
регламента о безопасности машин и оборудования, а также для осуществления оценки соответствия (
Распоряжение Правительства РФ от 05.08.2010 N 1328-р).
Документ включен в
Перечень документов в области стандартизации, содержащих правила и методы исследований (испытаний) и измерений, в том числе правила отбора образцов, необходимых для применения и исполнения Федерального
закона от 27.12.2009 N 347-ФЗ и осуществления оценки соответствия (
Распоряжение Правительства РФ от 29.07.2010 N 1284-р).
Документ
введен в действие с 1 января 2009 года.
Название документа
"ГОСТ Р МЭК 60745-2-5-2007. Машины ручные электрические. Безопасность и методы испытаний. Часть 2-5. Частные требования к дисковым пилам"
(утв. Приказом Ростехрегулирования от 31.10.2007 N 297-ст)
"ГОСТ Р МЭК 60745-2-5-2007. Машины ручные электрические. Безопасность и методы испытаний. Часть 2-5. Частные требования к дисковым пилам"
(утв. Приказом Ростехрегулирования от 31.10.2007 N 297-ст)
Утвержден и введен в действие
Приказом Ростехрегулирования
от 31 октября 2007 г. N 297-ст
НАЦИОНАЛЬНЫЙ СТАНДАРТ РОССИЙСКОЙ ФЕДЕРАЦИИ
МАШИНЫ РУЧНЫЕ ЭЛЕКТРИЧЕСКИЕ
БЕЗОПАСНОСТЬ И МЕТОДЫ ИСПЫТАНИЙ
ЧАСТЬ 2-5
ЧАСТНЫЕ ТРЕБОВАНИЯ К ДИСКОВЫМ ПИЛАМ
IEC 60745-2-5:2003
Hand-held motor-operated electric tools - Safety -
Part 2-5: Particular requirements for circular saws
(IDT)
Hand-held motor-operated electric tools.
Safety and test methods. Part 2-5:
Particular requirements for circular saws
ГОСТ Р МЭК 60745-2-5-2007
Дата введения
1 января 2009 года
Цели и принципы стандартизации в Российской Федерации установлены Федеральным
законом от 27 декабря 2002 г. N 184-ФЗ "О техническом регулировании", а правила применения национальных стандартов Российской Федерации -
ГОСТ Р 1.0-2004 "Стандартизация в Российской Федерации. Основные положения".
1. Подготовлен Открытым акционерным обществом "Институт механизированного инструмента" (ОАО ВНИИСМИ) и Научно-техническим центром (НТЦ) "Интерскол" на основе собственного аутентичного перевода стандарта, указанного в пункте 4.
2. Внесен Техническим комитетом по стандартизации ТК 262 "Инструмент механизированный и ручной".
3. Утвержден и введен в действие Приказом Федерального агентства по техническому регулированию и метрологии от 31 октября 2007 г. N 297-ст.
4. Настоящий стандарт идентичен международному стандарту МЭК 60745-2-5:2003 "Ручные электрические инструменты с приводом от электродвигателя. Безопасность. Часть 2-5. Частные требования для дисковых пил" (IEC 60745-2-5:2003 "Hand-held motor-operated electric tools - Safety - Part 2-5: Particular requirements for circular saws").
Наименование настоящего стандарта изменено относительно наименования указанного международного стандарта для приведения в соответствие с ГОСТ Р 1.5-2004 (
подраздел 3.5).
При применении настоящего стандарта рекомендуется использовать вместо ссылочного международного стандарта соответствующий ему национальный стандарт Российской Федерации, сведения о котором приведены в дополнительном
Приложении 1.
5. Введен впервые.
Настоящий стандарт относится к комплексу стандартов, устанавливающих требования безопасности ручных электрических машин и методы их испытаний.
Настоящий стандарт применяют совместно с
ГОСТ Р МЭК 60745-1-2005 "Машины ручные электрические. Безопасность и методы испытаний. Часть 1. Общие требования", который идентичен международному стандарту МЭК 60745-1:2003 "Ручные электрические инструменты с приводом от электродвигателя. Безопасность. Часть 1. Общие требования".
Настоящий стандарт устанавливает частные требования безопасности и методы испытаний ручных электрических дисковых пил, которые дополняют, изменяют или заменяют соответствующие разделы, подразделы, пункты, таблицы и рисунки МЭК 60745-1:2003.
Номера разделов, пунктов, таблиц и рисунков соответствуют приведенным в МЭК 60745-2-5:2003. Пункты, дополняющие МЭК 60745-1:2003, имеют нумерацию, начиная со 101.
| | ИС МЕГАНОРМ: примечание. Методы испытаний дисковых пил, выделенные курсивом в официальном тексте документа, в электронной версии документа отмечены знаком "&". | |
В настоящем стандарте методы испытаний дисковых пил выделены курсивом.
По МЭК 60745-1 со следующим изменением:
1.1. Дополнение
Настоящий стандарт распространяется на все типы дисковых пил (далее - пилы). Настоящий стандарт не распространяется на пилы, используемые с абразивными кругами.
МЭК 60745-1:2003. Ручные электрические инструменты с приводом от электродвигателя. Безопасность. Часть 1. Общие требования.
По МЭК 60745-1 со следующим изменением:
3.101. Дисковая пила (circular saw): машина, предназначенная для резки различных материалов вращающимся пильным зубчатым диском.
3.102. Зона зубчатого венца пильного диска (cutting edge zone): внешние 20% радиуса пильного диска.
3.103. Направляющая плита (guide plate): деталь, с помощью которой пила направляется по распиливаемому материалу (см.
рисунок 113).
3.104. Нижний защитный кожух (lower guard): подвижное ограждение пильного диска, которое в закрытом положении или в состоянии покоя в общем случае расположено ниже направляющей плиты.
3.105. Верхний защитный кожух (upper guard): неподвижное и/или подвижное защитное ограждение пильного диска, расположенное над направляющей плитой.
3.106. Расклинивающий нож (riving knife): металлическая деталь, установленная в плоскости пильного диска с целью предотвращения заклинивания задней части пильного диска в распиливаемом материале.
3.107. Пила с наружным качающимся защитным кожухом (saw with outer pendulum guard): пила, нижний защитный кожух которой при работе поворачивается снаружи вокруг верхнего защитного кожуха (см.
рисунок 101).
3.108. Пила с внутренним качающимся защитным кожухом (saw with inner pendulum guard): пила, нижний защитный кожух которой при работе поворачивается внутри верхнего защитного кожуха (см.
рисунок 102).
3.109. Пила с защитным кожухом тянущего типа (saw with tow guard): пила, нижний защитный кожух которой при работе скользит вдоль верхнего защитного кожуха (см.
рисунок 103).
3.110. Отдача назад (kickback): внезапная реакция пилы, вызванная защемлением, заклиниванием или неверной ориентацией пильного диска, приводящая к неконтролируемому подъему пилы и выходу пильного диска из пропила.
3.111. Пила погружного типа (plunge type saw): пила, имеющая только верхний защитный кожух, в который возвращается пильный диск, как только работа прекращается (см.
рисунок 104).
По МЭК 60745-1.
5. Общие условия испытаний
По МЭК 60745-1.
По МЭК 60745-1.
8. Маркировка и инструкции
По МЭК 60745-1 со следующим изменением:
8.1. Дополнение
Пилы должны иметь дополнительно следующую маркировку:
- направление вращения пильного диска, указываемое на пиле выступающей или утопленной стрелкой или другим способом, дающим не менее видимое и длительно сохраняющееся изображение;
- номинальную частоту вращения шпинделя на холостом ходу;
- рекомендуемый диаметр пильного диска.
8.12.2, перечисление a) - дополнение
101) Указание о неприменении любых абразивных кругов;
102) У пил с расклинивающим ножом руководство по эксплуатации должно содержать указание о необходимости обеспечения установки расклинивающего ножа так, чтобы расстояние от ножа до зубчатого венца пильного диска не превышало 5 мм, а зубчатый венец не выступал за нижнюю кромку расклинивающего ножа более чем на 5 мм.
8.12.2, перечисление b) - дополнение
101) Инструкция по замене пильных дисков.
Дополнительный пункт:
8.12.101. Должны быть следующие дополнительные инструкции по безопасности. На английском языке они должны быть выполнены дословно и, если это применимо, в указанной последовательности; другие языковые редакции должны быть равнозначны английской версии. Эта часть может быть отпечатана отдельно от общих указаний по технике безопасности. Все примечания печатать не следует, они представляют собой информацию по разработке инструкции.
8.12.101.1. Указания по безопасности для всех пил
ОПАСНО:
a) не допускайте попадания рук в зону пиления и не прикасайтесь к пильному диску. Держитесь второй рукой за дополнительную рукоятку или за корпус двигателя. При удержании пилы обеими руками они будут защищены от пореза пильным диском.
Примечание. Для дисковых пил с пильным диском диаметром не более 140 мм требование "Держитесь второй рукой за дополнительную рукоятку или за корпус двигателя" может быть опущено.
b) не держите руки ниже обрабатываемого изделия. Защитный кожух не может защищать от пильного диска снизу обрабатываемой детали;
c) отрегулируйте глубину пропила в зависимости от толщины обрабатываемой детали. Из обрабатываемой детали пильный диск должен выступать не более чем на полную высоту зуба;
d) никогда не удерживайте распиливаемую деталь в руках или на коленях. Закрепляйте обрабатываемую деталь на устойчивой подставке. Это является важным условием в минимизации опасности контакта с пильным диском, его заклинивания или потери контроля над пилой;
e) удерживайте пилу только за изолированные поверхности захвата в случае, если выполняется работа, при которой возможно касание режущим инструментом скрытой электропроводки или своего шнура питания. Наличие контакта с проводкой, находящейся под напряжением, приводит к тому, что металлические части пилы также окажутся под напряжением, что ведет к поражению оператора электрическим током;
f) при продольной распиловке всегда применяйте упор или прямую направляющую планку. Это улучшает точность пропила и снижает возможность заклинивания пильного диска;
g) всегда используйте пильные диски нужного размера и имеющие соответствующее посадочное отверстие (круг, ромб и т.п.). Пильные диски, которые не подходят к соответствующим деталям пилы, вращаются с радиальным биением, что ведет к потере управления пилой;
h) никогда не применяйте поврежденные или неверно подобранные подкладные шайбы или винты для крепления пильного диска. Подкладные шайбы и винты для крепления пильного диска сконструированы специально для данной пилы с целью получения оптимальных эксплуатационных характеристик и безопасности в работе.
8.12.101.2. Дополнительные указания по технике безопасности для всех пил
Причины и действия по предотвращению отдачи:
- отдача - это внезапная реакция вследствие блокирования, заклинивания или перекоса пильного диска, приводящая к неконтролируемому подъему пилы, с выходом пильного диска из пропила в направлении оператора;
- при сильном защемлении пильного диска или ограничении хода реактивная сила, создаваемая двигателем, отбрасывает пилу в направлении оператора;
- если пильный диск искривится или перекосится, то зубья задней кромкой могут цепляться за обрабатываемую деталь, из-за чего пильный диск будет перемещаться в направлении выхода из пропила, и пила будет отброшена к оператору.
Отдача является следствием неверной или ошибочной эксплуатации пилы, нарушением правил выполнения работ. Она может быть предотвращена принятием соответствующих мер предосторожности, указанных ниже:
a) надежно удерживайте пилу обеими руками, а руки располагайте так, чтобы можно было противодействовать силам отдачи. Всегда находитесь в стороне от пильного диска, не допускайте нахождения пильного диска на одной линии с вами. Отдача может быть причиной "скачка" пилы назад, но при принятии мер предосторожности оператор может компенсировать возникающие усилия и не потерять способность управления.
Примечание. Для дисковых пил с диаметром пильного диска не более 140 мм выражение "обеими руками" может быть опущено;
b) в случае, если происходит заклинивание пильного диска или работа прерывается по какой-либо другой причине, отпустите выключатель и удерживайте пилу в материале до полной ее остановки. Никогда не пытайтесь извлечь пилу из распиливаемой детали или вести ее в обратном направлении, пока пильный диск вращается и может произойти отдача. Найдите причину заклинивания пильного диска и устраните ее.
c) при включении пилы, находящейся в заготовке, выровняйте пильный диск в пропиле, проверьте, не зацепились ли зубья пилы за деталь. Если имеет место заклинивание пильного диска, то при повторном пуске пилы может произойти отдача;
d) при распиловке больших тонких заготовок с целью снижения риска отдачи за счет заклинивания пильного диска надежно закрепляйте обрабатываемые детали на опорах.
Длинные заготовки при распиловке могут прогибаться под действием собственной массы, поэтому поддерживающие опоры должны располагаться с обеих сторон доски, рядом с линией реза и около края доски;
e) не пользуйтесь тупыми или поврежденными пильными дисками. Использование пильных дисков с тупыми или неразведенными зубьями ведет к образованию "узкого" пропила, повышенному трению пильного диска о материал, заклиниванию и отдаче пилы;
f) до начала пиления надежно зафиксируйте рычаги установки глубины пропила и угла наклона диска. Если во время пиления происходит изменение этих установок, может произойти заклинивание пильного диска и обратная отдача пилы;
g) будьте особенно осторожны, когда выполняете врезание в недоступных для осмотра участках, например, в уже существующей стене. Погружающийся пильный диск может начать резание скрытых (например, за стеной) предметов, что может стать причиной отдачи пилы.
a) Перед началом использования каждый раз проверяйте правильность закрытия нижнего защитного кожуха. Не применяйте пилу, если нижний защитный кожух свободно не открывается и/или закрывается с задержками и заеданием. Никогда не фиксируйте нижний защитный кожух в открытом положении. Если пила случайно упадет, нижний защитный кожух может погнуться. Откройте защитный кожух за рычаг его отвода и убедитесь, что он перемещается свободно и при любом угле, и любой глубине пропила не касается ни пильного диска, ни других частей пилы.
Примечание. Для рычага отвода могут быть применены альтернативные наименования.
b) Проверяйте функционирование пружины нижнего защитного кожуха. При отсутствии нормальной работы нижнего защитного кожуха и его возвратной пружины, прежде чем приступить к работе, выполните техническое обслуживание машины. Замедленное срабатывание может быть обусловлено поврежденными деталями, наличием клейких отложений или попаданием обломков.
c) Открывайте нижний защитный кожух вручную только при выполнении специальных резов, таких как врезные и наклонные. Нижний защитный кожух открывайте за рычаг отвода и отпускайте сразу, как только пильный диск внедрится в обрабатываемую деталь. При выполнении всех других работ по распиловке нижний защитный кожух должен работать автоматически.
Примечание. Для рычага отвода могут быть применены альтернативные наименования.
d) Не кладите пилу на верстак или на пол, если пильный диск не закрыт нижним защитным кожухом. Незащищенный, движущийся по инерции пильный диск перемещает пилу в направлении, противоположном направлению пиления и пилит все, что попадается ему на пути. Обратите внимание, что для полной остановки после выключения необходимо некоторое время.
8.12.101.4. Указания по безопасности для пил, изображенных на
рисунке 104
a) Перед началом использования каждый раз проверяйте правильность закрытия защитного кожуха. Не применяйте пилу, если защитный кожух свободно не перемещается и/или закрывается с задержками и заеданием. Никогда не фиксируйте защитный кожух в открытом положении. Если пила случайно упадет, нижний защитный кожух может погнуться. Убедитесь, что защитный кожух свободно перемещается при всех углах и любых глубинах пропила, не касаясь ни пильного диска, ни других частей пилы.
b) Проверяйте функционирование пружины защитного кожуха. При отсутствии нормальной работы защитного кожуха и его возвратной пружины, прежде чем приступить к работе, выполните техническое обслуживание машины. Замедленное срабатывание может быть обусловлено поврежденными деталями, наличием клейких отложений или попаданием обломков.
c) При врезном пропиле, выполняемом неперпендикулярно, обеспечьте отсутствие бокового смещения направляющей плиты. Боковое смещение может привести к заклиниванию пильного диска и тем самым к отдаче.
d) Не кладите пилу на верстак или на пол, если пильный диск не закрыт защитным кожухом. Незащищенный, движущийся по инерции пильный диск перемещает пилу в направлении, противоположном направлению пиления и пилит все, что попадается ему на пути. Обратите внимание, что для полной остановки после выключения необходимо некоторое время.
8.12.101.5. Дополнительные указания по безопасности для всех пил с расклинивающим ножом
a) Применяйте расклинивающий нож, соответствующий установленному пильному диску. Расклинивающий нож должен быть толще тела пильного диска, но тоньше ширины развода зубьев.
b) Установите и отрегулируйте расклинивающий нож в соответствии с требованиями руководства по эксплуатации. Неправильно выбранная толщина, положение и ориентация могут быть причиной того, что расклинивающий нож не будет эффективно предотвращать отдачу.
c) Работайте всегда с расклинивающим ножом, кроме выполнения врезных пропилов. После окончания этой операции снова установите расклинивающий нож. При выполнении врезных пропилов расклинивающий нож может мешать и вызвать обратную отдачу.
d) Чтобы расклинивающий нож работал на предотвращение отдачи, он должен находиться в пропиле. При коротких пропилах расклинивающий нож неэффективен.
e) Не работайте пилой с погнутым расклинивающим ножом. Даже небольшой дефект уменьшит время закрытия защитного кожуха.
9. Защита от контакта с токоведущими частями
По МЭК 60745-1.
По МЭК 60745-1.
11. Потребляемая мощность и ток
По МЭК 60745-1.
По МЭК 60745-1.
По МЭК 60745-1.
По МЭК 60745-1.
15. Электрическая прочность
По МЭК 60745-1.
16. Защита от перегрузки трансформаторов
и соединенных с ними цепей
По МЭК 60745-1.
По МЭК 60745-1.
18. Ненормальный режим работы
По МЭК 60745-1.
19. Механическая безопасность
По МЭК 60745-1 со следующими изменениями:
19.1. Замена:
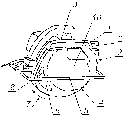
Пилы должны иметь защитные ограждения, которые обеспечивали бы снижение риска случайного прикосновения к вращающемуся пильному диску в той степени, в какой это возможно при существующих условиях работы. Защитные ограждения не должны демонтироваться без применения инструмента.
Существуют четыре обычно используемые в пилах системы защитных ограждений, изображенные на
рисунках 101 -
104. Данные системы вместе с пильным диском могут располагаться как на правой, так и на левой стороне пилы. Они должны соответствовать требованиям
19.101 и
19.102. Каждая из систем конструктивно может быть выполнена как с расклинивающим ножом (позиция 6 на рисунках 101 -
104), так и без него.
Рисунок 101. Дисковая пила с наружным качающимся
защитным кожухом
Рисунок 102. Дисковая пила с внутренним качающимся
защитным кожухом
Рисунок 103. Дисковая пила с защитным кожухом
тянущегося типа
Рисунок 104. Дисковая пила погружного типа
1 - верхний защитный кожух; 2 - отверстие для выброса
опилок; 3 - указатель направления вращения пильного диска;
4 - нижний защитный кожух; 5 - направляющая плита;
6 - расклинивающий нож; 7 - направление открытия подвижного
защитного кожуха; 8 - устройство крепления расклинивающего
ножа; 9 - выключатель; 10 - пильный диск; 11 - рычаг
разблокирования фиксации защитного кожуха тянущегося типа;
12 - рычаг разблокирования фиксации погружного движения;
13 - направление погружения пильного диска
Если конструкцией защитной системы предусмотрен расклинивающий нож, то она должна соответствовать дополнительным требованиям
Приложения AA.
Если конструкцией защитной системы не предусмотрен расклинивающий нож, то она должна соответствовать дополнительным требованиям
Приложения BB.
Допускается обеспечивать необходимую степень механической безопасности другими средствами при условии, что они столь же эффективны и надежны, как указанные в настоящем стандарте.
&Проверку проводят осмотром&.
Дополнительные пункты:
19.101. Защитное ограждение, расположенное над направляющей плитой
19.101.1. Пильный диск над направляющей плитой должен быть закрыт верхним защитным кожухом.
19.101.2. Отверстия в защитном кожухе, если стандартом не установлено иное, должны быть выполнены так, чтобы испытательный щуп "a" (см. рисунок 105) при его введении под любым произвольным углом и до упора не входил в контакт с зоной зубчатого венца любого рекомендованного к применению пильного диска.
1 - рукоятка; 2 - испытательный калибр
Рисунок 105. Испытательный щуп a
19.101.2.1. На боковой стороне верхнего защитного кожуха, обращенной к двигателю, вблизи зоны зубчатого венца с передней (по ходу подачи) стороны пильного диска допускается наличие проема, служащего для наблюдения линии реза. Конструкция данного проема должна соответствовать требованиям
19.101.2 (см. рисунок 106) или нормированные расстояние и высота проема должны соответствовать нижеприведенным требованиям.
Рисунок 106. Отверстие для пильного диска и/или
расклинивающего ножа в нижнем защитном кожухе
и отверстие в верхнем защитном кожухе
Расстояние до проема
Кратчайшее расстояние от установленной контрольной точки на поверхности дополнительной рукоятки до зоны зубчатого венца любого рекомендованного пильного диска должно составлять не менее 120 мм (см. рисунок 107). В случае, если дополнительная рукоятка не предусмотрена, расстояние следует измерять от корпуса двигателя.
1 - контрольная точка; 2 - рукоятка; 3 - пильный диск
Рисунок 107. Расстояние от поверхности хват
до зоны зубчатого венца пильного диска
&Проверку проводят следующими измерениями, при этом направляющая плита должна быть установлена на максимальную глубину пропила, а угол пропила должен составлять 90°.
Для определения положения контрольной точки на дополнительной рукоятке или на корпусе двигателя (см. рисунок 107) следует:
a) определить, если смотреть со стороны пильного диска, ближайшую A и наиболее удаленную B точки на дополнительной рукоятке или на корпусе двигателя. Для корпуса двигателя принимается, что ближайшая к пильному диску точка A находится в плоскости главной рукоятки, наиболее удаленной от пильного диска. Через середину отрезка AB, но на расстоянии, не превышающем 45 мм от точки A, проведите плоскость, параллельную пильному диску, и определите вертикальную линию пересечения этой плоскости с поверхностью дополнительной рукоятки или корпуса двигателя, если рукоятки нет;
b) определить, если смотреть со стороны плоскости направляющей плиты, ближайшую C и наиболее удаленную D точки на дополнительной рукоятке или на корпусе двигателя. Через середину отрезка CD проведите плоскость, параллельную направляющей плите и определите горизонтальную линию пересечения этой плоскости с поверхностью дополнительной рукоятки или корпуса двигателя, если рукоятки нет;
c) найти точку пересечения проведенных вертикальной и горизонтальной линий на соответствующей поверхности, которая и является искомой контрольной точкой.&
Высота проема
Высота H проема для визуального наблюдения, определяемая от уровня направляющей плиты (см.
рисунок 108a), ограничена точкой пересечения наружной поверхности верхнего защитного кожуха и линии, проведенной от глаз оператора, находящегося в нормальной рабочей позе, до края пильного диска, распиливающего древесину. Максимально разрешенную высоту H, мм, вычисляют по формуле

,
где U - расстояние от зоны зубчатого венца до наружной поверхности верхнего защитного кожуха в верхнем конце проема, измеренное перпендикулярно к плоскости пильного диска (см.
рисунок 108b), мм;
S - кратчайшее расстояние от плоскости пильного диска до параллельной ей плоскости, проходящей через середину рукоятки с выключателем (см.
рисунок 108c), мм.
Рисунок 108a. Высота проема для визуального наблюдения
Рисунок 108. Ограничение по высоте H проема для визуального
&Соответствие проверяют измерением&.
19.101.2.2. На стороне, противоположной двигателю, верхний защитный кожух может не закрывать полностью пильный диск. Он должен закрывать, как минимум, зону зубчатого венца наименьшего рекомендованного пильного диска. Зазор между верхним защитным кожухом и пильным диском должен быть таким, чтобы испытательный щуп a (см.
рисунок 105) при его введении под любым произвольным углом и до упора (см.
рисунок 106) не мог войти в контакт с вершинами пильных зубьев любого из рекомендованных пильных дисков.
19.101.2.3. У пил с регулировкой угла наклона направляющей плиты расстояние между ней и верхним защитным кожухом на стороне, противоположной двигателю, и вблизи передней зоны зубчатого венца пильного диска не должно превышать нижеприведенных значений.
&Соответствие проверяют осмотром.
Если направляющая плита установлена на максимальную глубину пропила и угол пропила составляет 90°, наибольшее расстояние, измеренное вблизи зоны зубчатого венца, от края верхнего защитного кожуха до верхней поверхности направляющей плиты (измеряется кратчайшее расстояние) не должно превышать 38 мм (см. рисунок 109)&.
Рисунок 109. Расстояние от края верхнего
защитного кожуха до направляющей плиты
19.101.2.4. Проверку доступности зубчатого венца с передней стороны пилы над направляющей плитой проводят испытательным щупом b (см.
рисунок 110), который не должен касаться пильного диска. Пилу устанавливают на максимальную глубину пропила, угол пропила равен 90°, а испытательный щуп b сориентирован так, что его ось перпендикулярна к плоскости пильного диска, и плоскость пильного диска делит щуп пополам, испытательный щуп при этом перемещается по направляющей плите (см.
рисунок 111). Испытание повторяют при смещенном испытательном щупе b от плоскости пильного диска сначала на 13 мм вправо, затем - на 13 мм влево.
Рисунок 110. Испытательный щуп b
Рисунок 111. Проверка доступности зубчатого венца
с передней стороны пилы
&Соответствие проверяют осмотром и измерением&.
19.101.3. Погружные дисковые пилы (см.
рисунок 104) должны быть снабжены верхним защитным кожухом, в который автоматически возвращается любой рекомендованный пильный диск, когда пила находится в нерабочем состоянии. Отверстие в верхнем защитном кожухе для прохождения пильного диска и расклинивающего ножа, если таковой имеется, должно удовлетворять требованию
19.101.2 (см.
рисунок 106). При удержании пилы в любом нерабочем положении (при отсутствии контакта с обрабатываемой деталью) пильный диск при нахождении его в верхнем защитном кожухе должен автоматически фиксироваться.
Для выполнения погружного движения двигателя относительно верхнего защитного кожуха между направляющей плитой и нижним краем двигателя допускается минимальный зазор.
&Соответствие проверяют осмотром и измерением&.
19.102. Защитное ограждение, расположенное под направляющей плитой
19.102.1. У пил (см.
рисунки 101 -
103) нижний защитный кожух должен закрывать, как минимум, зону зубчатого венца минимального рекомендованного пильного диска, кроме открытых участков пильного диска, установленных в
19.102.4.
19.102.2. При удержании пилы в любом нерабочем положении (при отсутствии контакта с обрабатываемой деталью) нижний защитный кожух должен автоматически возвращаться в закрытое положение.
&Соответствие проверяют осмотром&.
19.102.3. У пил с пильным диском диаметром менее 210 мм время закрытия нижнего защитного кожуха от полностью открытого положения не должно превышать 0,2 с. У пил с пильным диском диаметром не менее 210 мм время закрытия нижнего защитного кожуха (в секундах) от полностью открытого положения должно быть меньше, чем наибольший рекомендованный диаметр пильного диска (в метрах), но не более 0,3 с. Во время измерения пилу устанавливают на пропил под прямым углом и на максимальную глубину, при этом направляющая плита находится в горизонтальном положении, а пила - не в перевернутом.
&Соответствие проверяют измерением&.
19.102.4. У пил (см.
рисунки 101,
102) угол ACB незащищенного участка пильного диска при условии, что направляющая плита не наклонена и установлена на максимальную глубину пропила, а нижний защитный кожух находится в закрытом положении (см.
рисунок 112), не должен превышать:
- 0°, если наружная кромка направляющей плиты на стороне, противоположной двигателю, не охватывает пильный диск или, если основной размер H направляющей плиты (см.
рисунок 113) составляет менее 0,10D;
- 10°, если наружная кромка направляющей плиты на стороне, противоположной двигателю, охватывает пильный диск и основной размер H направляющей плиты (см.
рисунок 113) находится в пределах между 0,10D и 0,15D;
- 25°, если наружная кромка направляющей плиты на стороне, противоположной двигателю, охватывает пильный диск и основной размер H направляющей плиты (см.
рисунок 113) превышает 0,15D.
A - точка пересечения окружности вершин зубьев
пильного диска с нижней поверхностью направляющей плиты;
B - точка пересечения окружности вершин зубьев пильного
диска с ортогональной проекцией на плоскость диска
от каждой стороны или от передней кромки подвижного
защитного кожуха в зависимости от того, что дает большее
значение угла ACB; C - центр пильного диска
Рисунок 112. Угол открытия пильного диска,
незащищенного нижним защитным кожухом
Рисунок 113. Основные размеры направляющей плиты
Примечание. Допускается изготовлять направляющую плиту непрямоугольной или такой, как она изображена на рисунке.
&Соответствие проверяют осмотром и измерением&.
19.102.5. У пил с защитным кожухом тянущего типа (см.
рисунок 103) нижний защитный кожух должен автоматически фиксироваться в закрытом положении, при удержании пилы в любом нерабочем положении (при отсутствии контакта с обрабатываемой деталью).
&Соответствие проверяют осмотром&.
19.102.6. У пил, оснащенных расклинивающим ножом (см.
рисунки 102 и
103), нижний защитный кожух которых должен позволять сквозное прохождение пильного диска, расклинивающего ножа и элементов их крепления, отверстия в нижнем защитном кожухе должны быть насколько это возможно малыми. Отверстие в нижнем защитном кожухе должно быть таким, чтобы испытательный щуп a (см.
рисунок 105) при его введении под любым произвольным углом и до упора (см.
рисунок 106) не входил в контакт с зоной зубчатого венца наибольшего рекомендованного пильного диска.
&Соответствие проверяют осмотром&.
19.103. Направляющая плита
19.103.1. Направляющая плита должна охватывать нижний защитный кожух (или пильный диск в случае погружных пил), по крайней мере, с передней и задней сторон и со стороны двигателя. Если наружная часть направляющей плиты является съемной или складывающейся, то размер H следует измерять в наиболее неблагоприятном положении. Направляющая плита должна иметь основные размеры в соответствии с
рисунком 113:
F > 0,2D,
H > 0,
где F - размер от окружности, описанной вокруг вершин зубьев наибольшего рекомендованного пильного диска, до передней кромки направляющей плиты, измеренный по поверхности основания направляющей плиты;
D - диаметр пильного диска;
H - размер от наружной кромки направляющей плиты (на стороне, противоположной двигателю) до близлежащей поверхности наиболее толстого рекомендованного пильного диска при условии, что направляющая плита не наклонена.
&Соответствие проверяют измерением&.
19.103.2. Размеры направляющей плиты и распределение массы (расположение центра тяжести) пилы должны быть такими, чтобы это не приводило к заклиниванию пильного диска.
&Соответствие проверяют следующим испытанием.
Пилу устанавливают на максимальную глубину пропила, при этом пильный диск и расклинивающий нож, если таковой имеется, снимают. У погружных дисковых пил (см.
рисунок 104) направляющую плиту фиксируют при максимальной глубине пропила. Затем пилу устанавливают на плоскую горизонтальную поверхность, причем у пил с нижним защитным кожухом (см.
рисунки 101 -
103) кожух находится в открытом положении. Испытание проводят как при установке направляющей плиты для пиления под углом 90°, так и при максимальном ее наклоне. Пила должна оставаться в первоначальном положении (с опорой на плиту) и не должна опрокидываться&.
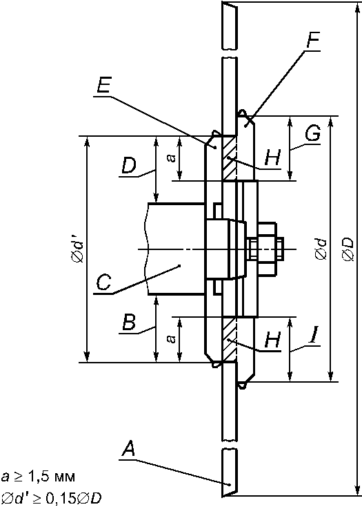
19.104. Фланцы
Наружный диаметр контактной поверхности должен быть не менее 0,15-кратного значения диаметра пильного диска и как минимум один из фланцев должен быть закреплен на шпинделе пилы без возможности его прокручивания. Перекрытие прижимной поверхности двух фланцев должно быть шириной не менее 1,5 мм (рисунок 114).
A - пильный диск; B - прижимная поверхность; C - шпиндель;
D - прижимная поверхность; E - внутренний фланец;
F - наружный фланец; G - контактная поверхность;
H - зона перекрытия; I - контактная поверхность
Рисунок 114. Характеристики фланцев
&Соответствие проверяют измерением и осмотром&.
19.105. Рукоятки
Пилы с максимально рекомендованным диаметром пильного диска более 140 мм должны иметь как минимум две рукоятки.
У пил массой менее 6 кг допускается рассматривать корпус двигателя как вторую рукоятку.
&Соответствие проверяют осмотром и измерением. Массу пилы измеряют без пильного диска и сетевого кабеля&.
19.106. Смена пильного диска
Для обеспечения оператору возможности легкой смены пильного диска должны быть предусмотрены соответствующие вспомогательные средства.
Примерами таких решений могут быть: блокирование рабочего шпинделя, лыски на наружном фланце или другие рекомендованные изготовителем меры.
&Соответствие проверяют осмотром&.
20. Механическая прочность
По МЭК 60745-1 со следующими изменениями:
20.1. Дополнение:
У пил с расклинивающим ножом деформация нижнего защитного кожуха, приводящая к несоответствию его
19.102.6 настоящего стандарта, браковочным признаком не является. В последующем для этих пил функциональное испытание нижнего защитного кожуха после испытания на падение с высоты 1 м не проводят. У пил без расклинивающего ножа функциональное испытание нижнего защитного кожуха проводят на дополнительном образце в соответствии с
Приложением BB.
По МЭК 60745-1 со следующими изменениями:
21.18. Дополнение:
Дисковые пилы должны иметь выключатель, при снятии усилия с элемента управления которого электродвигатель автоматически выключается.
Выключатель не должен иметь блокировки в положении "ВКЛЮЧЕНО".
Сетевой выключатель пилы должен иметь устройство, которое после отпускания элемента управления автоматически устанавливает его в положение "ВЫКЛЮЧЕНО", так что для включения пилы в работу либо требуется выполнение двух движений, либо расстояние от положения "ВЫКЛЮЧЕНО" до положения "ВКЛЮЧЕНО" той части элемента управления выключателя, которая проделывает наибольший путь, не должно быть менее 6,4 мм.
Пила не должна быть сконструирована для эксплуатации в перевернутом положении для стационарного применения. Это требование считается выполненным, если пила в перевернутом положении не имеет соответствующего устойчивого положения.
&Соответствие проверяют осмотром&.
По МЭК 60745-1.
23. Комплектующие изделия
По МЭК 60745-1.
24. Присоединение к источнику питания
и внешние гибкие шнуры
По МЭК 60745-1.
25. Зажимы для внешних проводов
По МЭК 60745-1.
По МЭК 60745-1.
По МЭК 60745-1.
28. Пути утечки тока, воздушные зазоры
и расстояния по изоляции
По МЭК 60745-1.
29. Теплостойкость, огнестойкость и стойкость
к образованию токопроводящих мостиков
По МЭК 60745-1.
30. Коррозионная стойкость
По МЭК 60745-1.
31. Радиация, токсичность и подобные опасности
По МЭК 60745-1.
Приложения
По МЭК 60745-1 со следующими изменениями:
(обязательное)
БАТАРЕЙНЫЕ МАШИНЫ И АККУМУЛЯТОРЫ
K.1.1. Дополнение:
Все пункты настоящего стандарта относятся к приложению, если нет других указаний.
(обязательное)
БАТАРЕЙНЫЕ МАШИНЫ И АККУМУЛЯТОРЫ,
ПРЕДУСМОТРЕННЫЕ ДЛЯ ПОДСОЕДИНЕНИЯ К СЕТИ
ИЛИ К НЕИЗОЛИРОВАННЫМ ИСТОЧНИКАМ ПИТАНИЯ
L.1.1. Дополнение:
Все пункты настоящего стандарта относятся к приложению, если нет других указаний.
(обязательное)
ДОПОЛНИТЕЛЬНЫЕ ТРЕБОВАНИЯ К ПИЛАМ С РАСКЛИНИВАЮЩИМ НОЖОМ
Настоящим приложением устанавливают дополнительные требования к пилам с расклинивающим ножом. Действуют все пункты настоящего стандарта, дополненные соответствующими пунктами приложения.
AA.19. Механическая безопасность
Расклинивающие ножи для дисковых пил должны удовлетворять требованиям AA.19.101 -
AA.19.105.
AA.19.101. Расклинивающий нож должен быть жестко закреплен в пределах глубины пропила, находиться в плоскости пильного диска и быть установлен так, чтобы он свободно перемещался по пропилу. Он не должен касаться пильного диска. Положение расклинивающего ножа не должно меняться во время работы.
&Проверку соответствия проводят осмотром и следующим испытанием.
Расклинивающий нож устанавливается с максимальными зазорами в соответствии с
AA.19.102. Крепежные винты затягиваются крутящим моментом, установленным изготовителем.
К середине расклинивающего ножа в направлении пиления и параллельно направляющей плите в течение 1 мин прикладывают силу в 100 H (см. рисунок AA.101).
Рисунок AA.101. Испытание расклинивающего
ножа на устойчивость
Во время испытания нож не должен касаться зубчатого венца пильного диска.
После испытания вершина расклинивающего ножа не должна быть смещена в направлении действия силы более чем на 3 мм&.
AA.19.102. Конструкцией расклинивающего ножа и устройством его крепления должна быть предусмотрена возможность регулирования ножа для всех диаметров пильного диска, дающих глубину пропила от 90% до 100% номинальной глубины, с соблюдением следующих условий (см.
рисунок AA.102):
a) под направляющей плитой радиальный зазор между расклинивающим ножом и наружной кромкой пильного диска при любой глубине пропила ни в одном месте не должен превышать 5 мм;
b) расстояние между вершиной расклинивающего ножа и крайней точкой зубчатого венца пильного диска при измерении его вдоль линии, перпендикулярной к направляющей плите, не должно превышать 5 мм.
Рисунок AA.102. Регулирование расклинивающего ножа
&Проверку соответствия проводят осмотром и измерением&.
AA.19.103. У пил с номинальной глубиной пропила свыше 55 мм расклинивающий нож и его держатель должны быть выполнены так, чтобы при регулировании глубины пропила принудительно выполнялись бы требования
перечислений a) и
b) пункта AA.19.102.
&Проверку проводят осмотром&.
AA.19.104. Расклинивающий нож должен быть изготовлен из стали твердостью 35... 48° HRC, и сопротивление разрыву должно быть не менее 800 МПа.
Вершина расклинивающего ножа должна быть закруглена радиусом не менее 2 мм, и его кромки не должны быть острыми.
Ширина расклинивающего ножа, измеренная на уровне направляющей плиты при установке пилы на максимальную глубину пропила, должна составлять не менее 1/8 диаметра пильного диска. Кроме того, боковые поверхности должны быть плоскими, гладкими и параллельными и иметь небольшой скос к режущей кромке пильного диска.
&Проверку проводят осмотром, измерением и следующим испытанием.
Направляющая плита устанавливается на максимальную глубину пропила при угле наклона 90°. Расклинивающий нож устанавливают в соответствии с
AA.19.102 для наибольшего рекомендованного пильного диска. Винты крепления затягиваются крутящим моментом, установленным изготовителем.
К центру вершины расклинивающего ножа прикладывают силу W, соответствующую массе пилы. Силу прикладывают в обоих направлениях перпендикулярно к пильному диску (см.
рисунок AA.101). Время воздействия силы составляет 1 мин.
После испытания допускается смещение вершины расклинивающего ножа в направлении воздействия силы не более чем на половину толщины ножа&.
AA.19.105. Пила должна быть сконструирована и изготовлена так, чтобы при нахождении ее на горизонтальной поверхности во всех устойчивых положениях и при закрытом нижнем защитном кожухе она не опиралась бы на расклинивающий нож.
&Проверку проводят осмотром и измерением&.
AA.20. Механическая прочность
AA.20.2. Дополнение:
&Испытание также проводят на защитных кожухах. После испытания защитные кожухи должны соответствовать требованиям
19.101,
19.102.
Разрушения на кожухах не должны быть видны невооруженным глазом&.
(обязательное)
ДОПОЛНИТЕЛЬНЫЕ ТРЕБОВАНИЯ К НИЖНИМ ЗАЩИТНЫМ
КОЖУХАМ ПИЛ БЕЗ РАСКЛИНИВАЮЩЕГО НОЖА
Настоящее приложение устанавливает дополнительные требования к пилам без расклинивающего ножа. Действуют все пункты настоящего стандарта, дополненные соответствующими пунктами приложения.
BB.20. Механическая прочность
Дополнительные пункты:
BB.20.101. Нижний защитный кожух должен быть устойчив к воздействию факторов, возникающих при ненормальных условиях эксплуатации и к скоплению пыли.
&Проверку проводят следующим испытанием.
BB.20.101.1. Пиление 60 пог. м фанеры толщиной около 12 мм, которая перед распиловкой в течение 72 ч хранилась внутри помещения. Во время этого испытания система пылесбора применяться не должна. Затем пила в течение 24 ч подвергается кондиционированию при относительной влажности (93 +/- 2)% и любой температуре от 20 °C до 30 °C с допустимым отклонением 1 °C (1 К).
BB.20.101.2. Пилу, установленную на рез под углом 90° и максимальную глубину пропила и сориентированную так, чтобы нижний защитный кожух ударился об пол, а направляющая плита была параллельна полу, сбрасывают с высоты 1 м на бетонную поверхность.
BB.20.101.3. Пилу, установленную на рез под углом 90° и максимальную глубину пропила и сориентированную в положение ручной переноски, сбрасывают с высоты 1 м на бетонную поверхность.
После того, как образец будет подвергнут испытаниям по
BB.20.101.1 - BB.20.101.3, время закрытия нижнего защитного кожуха из полностью открытого положения до полностью закрытого не должно превышать 0,3 с (в случае изгиба нижний защитный кожух не ремонтируется)&.
BB.20.102. Нижний защитный кожух должен сохранять работоспособность после длительной эксплуатации.
&Проверку проводят следующим испытанием.
Пилу выставляют на рез под углом 90° и ориентируют в горизонтальной плоскости. Нижний защитный кожух 50000 раз периодически перемещается из полностью закрытого положения в полностью открытое рабочее положение, а затем отпускается. Частота повторения должна составлять не менее 10 циклов в минуту.
После этих циклов нижний защитный кожух должен оставаться полностью работоспособным, и время закрытия не должно превышать 0,3 с.
По согласованию частота циклов испытаний может быть увеличена до значения, превышающего 10. Испытуемый образец допускается устанавливать в положение, отличное от горизонтального, если доказано, что альтернативное положение является равнозначным&.
(справочное)
СВЕДЕНИЯ О СООТВЕТСТВИИ НАЦИОНАЛЬНОГО СТАНДАРТА
РОССИЙСКОЙ ФЕДЕРАЦИИ ССЫЛОЧНОМУ МЕЖДУНАРОДНОМУ СТАНДАРТУ
Таблица 1.1
Обозначение ссылочного международного стандарта | Обозначение и наименование соответствующего национального стандарта |
МЭК 60745-1:2003 | электрические. Безопасность и методы испытаний. Часть 1. Общие требования |
По МЭК 60745-1.