Главная // Актуальные документы // ГОСТ Р (Государственный стандарт)СПРАВКА
Источник публикации
М.: Стандартинформ, 2008
Примечание к документу
Документ утратил силу с 1 сентября 2012 года в связи с изданием Приказа Росстандарта от 13.03.2012 N 16-ст. Взамен введен в действие
ГОСТ EN 823-2011.
Введен в действие с 1 января 2009 года.
Название документа
"ГОСТ Р ЕН 823-2008. Изделия теплоизоляционные, применяемые в строительстве. Методы измерения толщины"
(утв. Приказом Ростехрегулирования от 11.03.2008 N 35-ст)
"ГОСТ Р ЕН 823-2008. Изделия теплоизоляционные, применяемые в строительстве. Методы измерения толщины"
(утв. Приказом Ростехрегулирования от 11.03.2008 N 35-ст)
Утвержден и введен в действие
Приказом Ростехрегулирования
от 11 марта 2008 г. N 35-ст
НАЦИОНАЛЬНЫЙ СТАНДАРТ РОССИЙСКОЙ ФЕДЕРАЦИИ
ИЗДЕЛИЯ ТЕПЛОИЗОЛЯЦИОННЫЕ, ПРИМЕНЯЕМЫЕ В СТРОИТЕЛЬСТВЕ
МЕТОДЫ ИЗМЕРЕНИЯ ТОЛЩИНЫ
Thermal insulating products for building applications.
Methods for measurement of thickness
EN 823:1994
Thermal insulating products for building applications.
Determination of thickness
(IDT)
ГОСТ Р ЕН 823-2008
Дата введения
1 января 2009 года
Цели и принципы стандартизации в Российской Федерации установлены Федеральным
законом от 27 декабря 2002 г. N 184-ФЗ "О техническом регулировании", а правила применения национальных стандартов Российской Федерации -
ГОСТ Р 1.0-2004 "Стандартизация в Российской Федерации. Основные положения".
1. Подготовлен Некоммерческим партнерством "Производители современной минеральной изоляции "Росизол"" на основе выполненного Открытым акционерным обществом "Центр методологии нормирования и стандартизации в строительстве" (ОАО "ЦНС") аутентичного перевода европейского стандарта, указанного в пункте 4.
2. Внесен Техническим комитетом по стандартизации ТК 465 "Строительство".
3. Утвержден и введен в действие Приказом Федерального агентства по техническому регулированию и метрологии от 11 марта 2008 г. N 35-ст.
4. Настоящий стандарт идентичен европейскому стандарту ЕН 823:1994 "Теплоизоляционные изделия, применяемые в строительстве. Определение толщины" (EN 823:1994 "Thermal insulating products for building applications. Determination of thickness").
5. Введен впервые.
Информация об изменениях к настоящему стандарту публикуется в ежегодно издаваемом информационном указателе "Национальные стандарты", а текст изменений и поправок - в ежемесячно издаваемых информационных указателях "Национальные стандарты". В случае пересмотра (замены) или отмены настоящего стандарта соответствующее уведомление будет опубликовано в ежемесячно издаваемом информационном указателе "Национальные стандарты". Соответствующая информация, уведомление и тексты размещаются также в информационной системе общего пользования - на официальном сайте Федерального агентства по техническому регулированию и метрологии в сети Интернет.
Применение настоящего стандарта, устанавливающего методы измерения толщины, позволяет получить адекватную оценку качества теплоизоляционных материалов, производимых в Российской Федерации и странах ЕС; обеспечить конкурентоспособность российской продукции на международном рынке; активизировать участие Российской Федерации в работе по международной стандартизации.
Настоящий стандарт не отменяет метод определения толщины теплоизоляционных изделий, установленный
ГОСТ 17177-94, который применяют, когда это технически и экономически целесообразно и обосновано.
Настоящий стандарт распространяется на теплоизоляционные изделия, применяемые в строительстве (далее - изделия), и устанавливает требования к методике и средствам измерений толщины полноразмерных изделий.
Настоящий стандарт не содержит нормативных ссылок.
В настоящем стандарте применен следующий термин с соответствующим определением.
3.1. Толщина (thickness) d: линейный размер, измеряемый перпендикулярно к лицевым граням изделия.
Измеряют расстояние между жестким плоским основанием, на котором находится измеряемое изделие, и пластиной, свободно лежащей на верхней грани образца и создающей заданное давление.
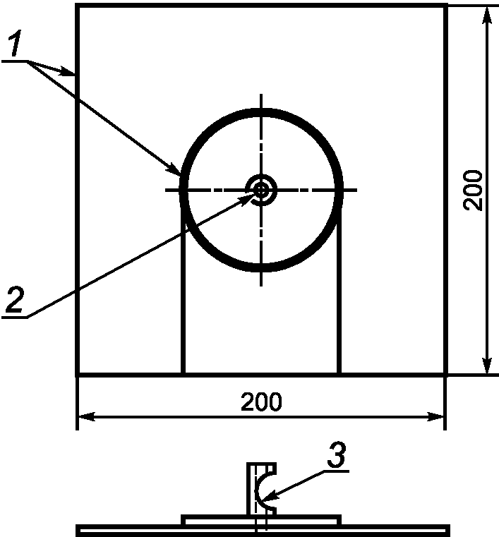
5. Средства измерений и вспомогательное оборудование
Измерительная установка, состоящая из прибора с круговой шкалой и квадратной пластины, создающей заданное давление на изделие (см. рисунок 1).
1 - жесткая рама; 2 - прибор с круговой шкалой;
3 - плоское жесткое основание; 4 - образец для измерений;
5 - квадратная пластина, создающая давление
Рисунок 1. Схема установки для измерений толщины
5.1. Прибор с круговой шкалой с погрешностью измерения не более 0,5 мм <1>, установленный на жесткой раме, прикрепленной к плоскому жесткому основанию размером не менее размера образца.
--------------------------------
<1> Если требуется более высокая точность измерений, то об этом указывают в стандарте на конкретное изделие или согласовывают между заинтересованными сторонами.
5.2. Квадратная пластина со стороной 200 мм, создающая давление на образец, равное (50,0 +/- 1,5) Па или (250 +/- 5) Па (включая давление, создаваемое прибором с круговой шкалой). Значение давления должно быть указано в стандарте на конкретное изделие.
Примечание. Допускается использовать другие средства измерений, позволяющие проводить измерения с указанной погрешностью.
6.1. Размеры образцов
В качестве образцов для измерений применяют полноразмерные изделия. При необходимости изделие может быть разрезано на образцы требуемых размеров.
6.2. Число образцов
Число образцов должно быть указано в стандарте на конкретное изделие.
Примечание. При отсутствии стандарта на конкретное изделие число образцов может быть согласовано между заинтересованными сторонами.
6.3. Кондиционирование образцов
Образцы перед измерениями выдерживают в течение не менее 6 ч при температуре (23 +/- 5) °C. В случае разногласий образцы выдерживают при температуре (23 +/- 2) °C и относительной влажности воздуха (50 +/- 5)% в течение времени, указанного в стандарте на конкретное изделие.
6.4. Подготовка образцов к измерениям
При измерениях образцов изделий, имеющих облицовку или покрытие, облицовка или покрытие должны быть сохранены.
Подготовку к измерениям образцов изделий, находящихся в сжатом состоянии, проводят в соответствии с
Приложением A.
7. Методика проведения измерений
7.1. Условия измерений
Измерения проводят при температуре (23 +/- 5) °C. В случае разногласий измерения проводят при температуре (23 +/- 2) °C и относительной влажности воздуха (50 +/- 5)%.
7.2. Проведение измерений
Образец осторожно помещают на плоское жесткое основание так, чтобы зона измерения толщины образца соприкасалась с этим основанием. Образцы, облицованные или имеющие покрытие на лицевой грани, помещают на основание этой гранью вниз. На образец помещают пластину, создающую в заданной точке измерения общее давление, равное (50 +/- 1,5) Па или (250 +/- 5) Па, при этом центр пластины должен совпадать с точкой, в которой проводят измерение. Проводят два измерения на образцах длиной менее или равной 600 мм; четыре измерения - на образцах длиной более 600 мм, но менее или равной 1500 мм, и далее проводят дополнительно одно измерение толщины на каждые дополнительные 500 мм длины.
Измерения толщины

проводят в точках, расположение которых показано на
рисунке 2.
Измерения проводят с погрешностью, указанной в
5.1.
Рисунок 2. Расположение точек, в которых проводят измерения
8. Обработка и представление результатов измерений
Толщину образца в миллиметрах вычисляют как среднеарифметическое значение результатов измерений, проведенных во всех точках, указанных на
рисунке 2, округленное до 1 мм <1>.
--------------------------------
<1> Если требуется более высокая точность измерений, то об этом указывают в стандарте на конкретное изделие или согласовывают между заинтересованными сторонами.
Примечание. Настоящий стандарт не содержит данных о точности метода, однако при его последующем пересмотре такие данные будут в него включены.
Отчет об измерениях должен содержать:
a) ссылку на настоящий стандарт;
b) идентификацию изделия:
1) наименование изделия, предприятия-изготовителя или поставщика,
2) код маркировки,
3) вид изделия,
4) вид упаковки,
5) форму поставки изделия в лабораторию,
6) дополнительную информацию (если необходимо), например, номинальную толщину, номинальную плотность;
c) методику проведения измерений:
1) порядок отбора образцов (например, кто и где проводил отбор образцов),
2) условия кондиционирования образцов,
3) любые отклонения от требований, приведенных в
разделах 6 и
7, если они имели место,
4) дату проведения измерений,
5) общую информацию о процедуре измерений, включая информацию о давлении на образец при его измерении,
6) обстоятельства, которые могут повлиять на результаты измерений.
Примечание. Сведения об оборудовании и лаборанте, проводившем измерения, должны находиться в лаборатории, однако в отчете их не указывают.
(обязательное)
ПОДГОТОВКА К ИЗМЕРЕНИЯМ ОБРАЗЦОВ ИЗДЕЛИЙ,
НАХОДЯЩИХСЯ В СЖАТОМ СОСТОЯНИИ
Изделия, находящиеся в сжатом состоянии, например, подпрессованные при упаковке, толщина которых в таком состоянии составляет менее 90% номинальной толщины, подготавливают к измерениям в соответствии с перечислениями a) -
d).
Изделие, поставляемое в рулоне, полностью раскатывают и разрезают на образцы длиной 1 - 1,5 м. Первая и последняя части рулона длиной 0,5 м измерению не подлежат:
a) Один образец берут двумя руками за длинную сторону и удерживают в вертикальном положении так, чтобы противоположная сторона образца находилась на расстоянии приблизительно 450 мм от пола.
b) Бросают образец один раз так, чтобы он ударился об пол.
c) Операции в соответствии с перечислениями a) и b) повторяют, взяв образец за противоположную сторону.
Подготовку к измерениям, описанную выше, повторяют для всех образцов, вырезанных из рулона.
d) Перед проведением измерений образцы выдерживают в течение 5 мин для достижения ими состояния равновесия.
(обязательное)
ПРИМЕРЫ ДРУГИХ МЕТОДОВ ИЗМЕРЕНИЙ ТОЛЩИНЫ
B.1. Метод иглы и пластины
B.1.1. Общее положение
Настоящий метод измерений обеспечивает получение результатов с той же точностью, что и стандартный метод, и применяется только для измерений изделий, через которые игла может пройти, не вызывая изменения толщины изделия (см. стандарт на конкретное изделие).
B.1.2. Средства измерений и вспомогательное оборудование
Для измерений используют пластину, создающую заданное давление, иглу и металлическую линейку.
Пластину, создающую заданное давление, изготавливают из прозрачной пластмассы или другого, пригодного для этой цели материала. Квадратная пластина со стороной 200 мм должна быть снабжена упором для большого пальца. Общая масса пластины и упора должна быть 198 - 210 г, что создает давление (50 +/- 1,5) Па (см. рисунок B.1).
Масса пластины 198 - 210 г;
создаваемое давление на изделие (50 +/- 1,5) Па
1 - жесткая пластина; 2 - отверстие, диаметр которого
обеспечивает скольжение иглы перпендикулярно к пластине;
3 - упор для большого пальца
Рисунок B.1. Пластина, создающая заданное давление
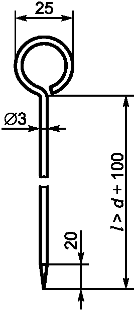
Длина иглы, изготовленной из стального стержня диаметром 3 мм, должна быть достаточной, чтобы проходить через всю толщину образца. Игла с одного конца должна быть заострена на длину 20 мм.
Металлическая линейка с ценой деления 1 мм, позволяющая проводить измерения с погрешностью не более 0,5 мм.
B.1.3. Методика проведения измерения
Пластину, создающую давление (50 +/- 1,5) Па, медленно опускают на поверхность образца так, чтобы ее центр совпал с точкой измерения толщины.
Вращая, вводят иглу в образец вертикально вниз до его нижней поверхности. Крепко прижимают иглу к пластине большим пальцем руки в месте упора, а затем поднимают вместе с пластиной. Измеряют расстояние от заостренного конца иглы до пластины. Измеренное расстояние является толщиной образца в данной точке измерения.
B.2. Метод прибора с круговой шкалой
B.2.1. Общие положения
Настоящий метод применяют для изделий из жесткого пенопласта. Для измерений изделий применяют прибор с круговой шкалой, снабженный контактной пластиной, позволяющей определять все изменения толщины, которые могут иметь место в разных точках изделия через небольшие расстояния.
B.2.2. Средства измерений и вспомогательное оборудование
Измерительный прибор с круговой шкалой, обеспечивающий погрешность измерения не более 0,05 мм, снабженный круглой контактной пластиной площадью (650 +/- 50) мм2, диаметром (28,8 +/- 1) мм, оказывающей давление на образец (50 +/- 1,5) Па или (250 +/- 5) Па.
B.2.3. Проведение измерений
Измерения проводят в точках, расположение которых показано на
рисунке 2. В стандартах на конкретные изделия могут быть установлены другие точки, в которых проводят измерения, в отличие от указанных на
рисунке 2.
Рисунок B.2. Игла
При необходимости проведения большего числа измерений по ширине плиту разрезают так, чтобы возможно было провести измерения во всех заданных точках.
B.3. Метод штангенциркуля с нониусом
B.3.1. Общие положения
Настоящий метод применяют для измерений некоторых видов жестких изделий, а также в тех случаях, когда точность данного метода соответствует допускам, установленным для толщины изделий в стандарте на конкретное изделие.
Например, штангенциркуль с нониусом можно применять для измерений толщины древесно-волокнистых или многослойных древесно-волокнистых плит.
B.3.2. Средства измерений
Штангенциркуль, снабженный контактными пластинами, длина штанги которого соизмерима с размерами изделия. Погрешность измерений штангенциркулем зависит от длины штанги.
B.3.3. Проведение измерений
Измерения проводят в точках, расположение которых показано на
рисунке 2. В стандартах на конкретные изделия могут быть установлены другие точки измерения в отличие от указанных на
рисунке 2. При необходимости проведения большего числа измерений по ширине изделие разрезают так, чтобы возможно было провести измерения во всех заданных точках.