Главная // Актуальные документы // ГОСТ Р (Государственный стандарт)СПРАВКА
Источник публикации
М.: Стандартинформ, 2006
Примечание к документу
Документ утратил силу с 01.01.2013 в связи с изданием
Приказа Росстандарта от 13.12.2011 N 1022-ст. Взамен введен в действие
ГОСТ EN 818-3-2011.
Документ включен в
Перечень документов в области стандартизации, в результате применения которых на добровольной основе обеспечивается соблюдение требований технического
регламента "О безопасности машин и оборудования", утв.
Постановлением Правительства РФ от 15.09.2009 N 753 (
Приказ Росстандарта от 20.08.2010 N 3108).
Документ включен в
Перечень документов в области стандартизации, содержащих правила и методы исследований (испытаний) и измерений, в том числе правила отбора образцов, необходимые для применения и исполнения технического
регламента о безопасности машин и оборудования, а также для осуществления оценки соответствия (
Распоряжение Правительства РФ от 05.08.2010 N 1328-р).
Документ
введен в действие с 01.01.2007.
Название документа
"ГОСТ Р ЕН 818-3-2005. Национальный стандарт Российской Федерации. Цепи стальные из круглых коротких звеньев для подъема грузов. Безопасность. Часть 3. Цепи стальные нормальной точности для стропальных цепей класса 4"
(утв. Приказом Ростехрегулирования от 28.12.2005 N 440-ст)
"ГОСТ Р ЕН 818-3-2005. Национальный стандарт Российской Федерации. Цепи стальные из круглых коротких звеньев для подъема грузов. Безопасность. Часть 3. Цепи стальные нормальной точности для стропальных цепей класса 4"
(утв. Приказом Ростехрегулирования от 28.12.2005 N 440-ст)
Утвержден и введен в действие
от 28 декабря 2005 г. N 440-ст
НАЦИОНАЛЬНЫЙ СТАНДАРТ РОССИЙСКОЙ ФЕДЕРАЦИИ
ЦЕПИ СТАЛЬНЫЕ ИЗ КРУГЛЫХ КОРОТКИХ ЗВЕНЬЕВ
ДЛЯ ПОДЪЕМА ГРУЗОВ
БЕЗОПАСНОСТЬ
ЧАСТЬ 3
ЦЕПИ СТАЛЬНЫЕ НОРМАЛЬНОЙ ТОЧНОСТИ ДЛЯ СТРОПАЛЬНЫХ
ЦЕПЕЙ КЛАССА 4
EN 818-3:1999
Short link chain for lifting purposes. Safety.
Part 3. Medium tolerance chain for chain slings. Grade 4
(IDT)
Short link steel chains for lifting purposes. Safety.
Part 3. Medium tolerance steel chains
for grade 4 chain slings
ГОСТ Р ЕН 818-3-2005
Дата введения
1 января 2007 года
Цели и принципы стандартизации в Российской Федерации установлены Федеральным
законом от 27 декабря 2002 г. N 184-ФЗ "О техническом регулировании", а правила применения национальных стандартов Российской Федерации -
ГОСТ Р 1.0-2004 "Стандартизация в Российской Федерации. Основные положения".
1. Подготовлен Всероссийским научно-исследовательским институтом стандартизации и сертификации в машиностроении (ВНИИНМАШ) на основе собственного аутентичного перевода стандарта, указанного в пункте 4.
2. Внесен Техническим комитетом по стандартизации ТК 351 "Механические приводы".
3. Утвержден и введен в действие
Приказом Федерального агентства по техническому регулированию и метрологии от 28 декабря 2005 г. N 440-ст.
4. Настоящий стандарт идентичен региональному стандарту ЕН 818-3:1999 "Цепи стальные из круглых коротких звеньев для подъема грузов. Безопасность. Часть 3. Цепи стальные нормальной точности для стропальных цепей класса 4" (EN 818-3:1999 "Short link chain for lifting purposes - Safety - Part 3: Medium tolerance chain for chain slings - Grade 4").
При применении настоящего стандарта рекомендуется использовать вместо ссылочных международных и региональных стандартов соответствующие им национальные стандарты Российской Федерации,
сведения о которых приведены в дополнительном Приложении D.
5. Введен впервые.
В соответствии с требованиями комплекса стандартов ЕН 818 цепи подразделяют на следующие классы с соответствующими механическими свойствами.
┌─────────────────────────────────────┬──────────────────────────┐
│ Класс цепи │Номинальное напряжение при│
├────────────────┬────────────────────┤ минимальном разрывающем │
│высокой точности│нормальной точности │ усилии, Н/мм2 │
├────────────────┼────────────────────┼──────────────────────────┤
│ M │ 4 │ 400 │
│ P │ 5 │ 500 │
│ S │ 6 │ 630 │
│ T │ 8 │ 800 │
│ V │ 10 │ 1000 │
├────────────────┴────────────────────┴──────────────────────────┤
│ Примечание. Напряжение в звене цепи распределяется│
│неравномерно. На внешней стороне звена оно значительно превышает│
│номинальное напряжение. Значения номинального напряжения│
│рассчитывают, исходя из того, что разрывающее усилие│
│распределяется по всей площади сечения звена. │
└────────────────────────────────────────────────────────────────┘
Настоящий стандарт устанавливает требования безопасности к стальным цепям из круглых коротких звеньев класса 4 нормальной точности (далее - цепи), применяемым для строповки и подъема грузов, изготовленным при помощи электросварки и соответствующим требованиям ЕН 818-1.
Настоящий стандарт распространяется на цепи с номинальной толщиной звена от 7 до 45 мм.
Опасности, которые рассматриваются в настоящем стандарте, приведены в
разделе 4.
Рекомендации по расчету размеров, грузоподъемности и механических характеристик приведены в
Приложении A.
В настоящем стандарте использованы ссылки на следующие стандарты:
ЕН 292-1:1991. Безопасность машин. Основные термины и определения. Общие принципы конструкции. Часть 1. Основные понятия. Методика
ЕН 292-2:1991. Безопасность машин. Основные термины и определения. Общие принципы конструкции. Часть 2. Технические условия и спецификации
ЕН 292-2:1991/А1:1995. Безопасность машин. Основные термины и определения. Общие принципы конструкции. Часть 2: Технические инструкции и спецификации (Изменение 1:1995)
ЕН 818-1:1996. Цепи стальные из круглых коротких звеньев для подъема грузов. Безопасность. Часть 1: Общие требования к приемке
ЕН 818-6:2000. Цепи стальные из круглых коротких звеньев для подъема грузов. Требования безопасности. Часть 6. Стропальные цепи. Инструкции по применению и техническому обслуживанию
ЕН 1050:1997. Безопасность машин. Оценка рисков
ИСО 643. Сталь. Определение при помощи микроскопа размера ферритных или аустенитных частиц.
В настоящем стандарте применены термины по ЕН 818-1.
Падение грузов вследствие выхода из строя стропальных цепей представляет непосредственную опасность для людей, находящихся в зоне работы подъемных устройств.
Для того, чтобы обеспечить необходимую прочность и долговечность цепей, в настоящем стандарте установлены требования к конструкции, выбору материалов и методам испытаний.
Если цепи, соответствующие требованиям настоящего стандарта, применяют для обычных операций подъема, то опасность разрушения вследствие усталостного износа не возникает. Так как выход из строя может быть вызван неправильным выбором класса стропальных средств, настоящий стандарт устанавливает также требования к их маркировке. В настоящем стандарте рассмотрены также опасности, которые могут возникнуть из-за неправильного монтажа стропальных устройств. Опасности, указанные в приложении A EN 1050, приведены в таблице 1.
Таблица 1
Опасности по приложению A EN 1050
Опасности по приложению A EN 1050 | Пункт приложения A EN 292-2 | Раздел настоящего стандарта |
номер пункта | наименование |
1.1.5 | Механические опаснос- ти вследствие недос- таточной прочности | 1.3.2, 4.1.2.3, 4.1.2.5 | |
4.2.4 | |
1.7.3, 4.2.4, 1.7.4 | |
5. Требования безопасности
5.1. Общие положения
Цепи должны соответствовать требованиям ЕН 818-1.
5.2. Размеры
5.2.1. Номинальная толщина звена
Номинальная толщина звена

должна соответствовать значениям, приведенным в таблице 2.
Таблица 2
В миллиметрах
┌─────┬───────────┬────────┬────────────────┬─────────┬──────────┐
│Номи-│Предельное │Толщина │ Шаг │Внутрен- │ Внешняя │
│наль-│допускаемое│участка │ │няя шири-│ ширина │
│ная │отклонение │ сварки │ │на звена │ звена │
│тол- │номинальной│ d , ├────┬─────┬─────┤напротив │ напротив │
│щина │ толщины │ s │p │p │p │участка │ участка │
│звена│ звена │не более│ nom│ max │ min │сварки │сварки w ,│
│d │ │ │ │ │ │w , не │ 2 │
│ nom │ │ │ │ │ │ 1 │ не более │
│ │ │ │ │ │ │менее │ │
├─────┼───────────┼────────┼────┼─────┼─────┼─────────┼──────────┤
│ 7 │ +/- 0,28 │ 7,7 │ 21 │21,6 │ 20,4│ 9,1 │ 25,9 │
│ 8 │ +/- 0,32 │ 8,8 │ 24 │24,7 │ 23,3│ 10,4 │ 29,6 │
│ 10 │ +/- 0,40 │ 11,0 │ 30 │30,9 │ 29,1│ 13,0 │ 37,0 │
├─────┼───────────┼────────┼────┼─────┼─────┼─────────┼──────────┤
│ 13 │ +/- 0,52 │ 14,3 │ 39 │40,2 │ 37,8│ 16,9 │ 48,1 │
│ 16 │ +/- 0,64 │ 17,6 │ 18 │19,4 │ 16,6│ 20,8 │ 59,2 │
│ 18 │ +/- 0,90 │ 19,8 │ 54 │55,6 │ 52,4│ 23,4 │ 66,6 │
├─────┼───────────┼────────┼────┼─────┼─────┼─────────┼──────────┤
│ 19 │ +/- 1,00 │ 20,9 │ 57 │58,7 │ 55,3│ 24,7 │ 70,3 │
│ 20 │ +/- 1,00 │ 22,0 │ 60 │61,8 │ 58,2│ 26,0 │ 74,0 │
│ 22 │ +/- 1,10 │ 24,2 │ 66 │68,0 │ 64,0│ 28,6 │ 81,4 │
├─────┼───────────┼────────┼────┼─────┼─────┼─────────┼──────────┤
│ 23 │ +/- 1,20 │ 25,3 │ 69 │71,1 │ 66,9│ 29,9 │ 85,1 │
│ 25 │ +/- 1,30 │ 27,5 │ 75 │77,3 │ 72,8│ 32,5 │ 92,5 │
│ 26 │ +/- 1,30 │ 28,6 │ 78 │80,3 │ 75,7│ 33,8 │ 96,2 │
├─────┼───────────┼────────┼────┼─────┼─────┼─────────┼──────────┤
│ 28 │ +/- 1,40 │ 30,8 │ 84 │86,5 │ 81,5│ 36,4 │ 104,0 │
│ 32 │ +/- 1,60 │ 35,2 │ 96 │98,9 │ 93,1│ 41,6 │ 118,0 │
│ 36 │ +/- 1,80 │ 39,6 │108 │111,0│105,0│ 46,8 │ 133,0 │
├─────┼───────────┼────────┼────┼─────┼─────┼─────────┼──────────┤
│ 40 │ +/- 2,00 │ 44,0 │120 │124,0│116,0│ 52,0 │ 148,0 │
│ 45 │ +/- 2,30 │ 49,5 │135 │139,0│131,0│ 58,5 │ 167,0 │
└─────┴───────────┴────────┴────┴─────┴─────┴─────────┴──────────┘
5.2.2. Предельные допускаемые отклонения номинальной толщины звена
Значения предельных допускаемых отклонений номинальной толщины звена должны соответствовать указанным в
таблице 2.
5.2.3. Толщина участка сварки
Значения максимальной толщины участка сварки

должны соответствовать указанным в
таблице 2. Толщина участка сварки не должна быть меньше фактической толщины звена рядом с участком сварки.
5.2.4. Длина участка сварки
Длина участка сварки e не должна быть более 0,6

в каждую сторону от сварочного шва.
5.2.5. Шаг и ширина
Размеры шага и ширины отдельных звеньев и всей цепи должны соответствовать указанным в
таблице 2 и на рисунке 1 ЕН 818-1.
5.3. Материал и термическая обработка
5.3.1. Материал
5.3.1.1. Общие положения
Сталь, применяемая для изготовления цепей, должна соответствовать требованиям 5.3.1.2 -
5.3.1.4, чтобы изготовленная и прошедшая термообработку цепь по своим механическим свойствам соответствовала требованиям настоящего стандарта
5.3.1.2. Марки стали
Применяемая сталь должна быть изготовлена электрическим методом или методом кислородного дутья.
5.3.1.3. Раскисление
Сталь должна быть раскислена по ЕН 10025/A1 и устойчива к старению. При проведении испытания по ИСО 643 размер аустенитных частиц не должен быть более 5.
5.3.1.4. Химический состав
Сталь должна содержать достаточное количество легирующих элементов, чтобы после термообработки по
5.3.2 цепь по своим механическим свойствам соответствовала требованиям настоящего стандарта, была устойчивой к воздействию низких температур и выдерживала импульсные нагрузки.
Содержание в стали серы и фосфора должно соответствовать указанному в таблице 3.
Таблица 3
Содержание серы и фосфора
Наименование элемента | Содержание, %, не более |
при выплавке стали | при анализе образца |
Сера | 0,025 | 0,030 |
Фосфор | 0,025 | 0,030 |
Чтобы цепи при эксплуатации были устойчивы к старению, 0,025% состава стали должен составлять алюминий.
Содержание в стали кремния должно соответствовать указанному в таблице 4.
Таблица 4
Содержание кремния
Наименование элемента | Содержание, % |
при выплавке стали | при анализе образца |
Кремний | 0,12 - 0,30 | 0,15 - 0,35 |
Все цепи должны пройти закалку при температуре, превышающей точку

, с последующим отпуском, а затем должны быть подвергнуты испытанию на воздействие испытательного усилия. Температура отпуска должна быть не менее 475 °C; отпуск должен проводиться в течение 1 ч. При необходимости проверки образцы в течение 1 ч повторно нагревают до температуры 475 °C, затем охлаждают до комнатной температуры, после чего проверяют на соответствие требованиям
5.4.2 и
5.4.3.
5.4. Механические свойства
5.4.1. Испытательное усилие MPF
Образцы подвергают испытанию согласно таблице 5.
Таблица 5
Номинальная толщина звена, грузоподъемность
и испытательные значения
┌─────────────┬────────────┬──────────────┬─────────────┬────────┐
│ Номинальная │Грузо- │Испытательное │ Разрывающее │ Прогиб │
│толщина звена│подъемность │усилие MPF, кН│ усилие BF, │ f, мм, │
│ d , мм │WLL, т │ │кН, не менее │не менее│
│ nom │ │ │ │ │
├─────────────┼────────────┼──────────────┼─────────────┼────────┤
│ 7 │ 1,5 │ 38,5 │ 61,6 │ 5,6 │
│ 8 │ 2,0 │ 50,3 │ 80,4 │ 6,4 │
│ 10 │ 3,15 │ 78,5 │ 126,0 │ 8,0 │
├─────────────┼────────────┼──────────────┼─────────────┼────────┤
│ 13 │ 5,3 │ 133,0 │ 212,0 │ 10,0 │
│ 16 │ 8,0 │ 201,0 │ 322,0 │ 13,0 │
│ 18 │ 10,0 │ 254,0 │ 407,0 │ 14,0 │
├─────────────┼────────────┼──────────────┼─────────────┼────────┤
│ 19 │ 11,2 │ 284,0 │ 454,0 │ 15,0 │
│ 20 │ 12,5 │ 314,0 │ 503,0 │ 16,0 │
│ 22 │ 15,0 │ 380,0 │ 608,0 │ 18,0 │
├─────────────┼────────────┼──────────────┼─────────────┼────────┤
│ 23 │ 16,0 │ 415,0 │ 665,0 │ 18,0 │
│ 25 │ 20,0 │ 491,0 │ 785,0 │ 20,0 │
│ 26 │ 21,2 │ 531,0 │ 849,0 │ 21,0 │
├─────────────┼────────────┼──────────────┼─────────────┼────────┤
│ 28 │ 25,0 │ 616,0 │ 985,0 │ 22,0 │
│ 32 │ 31,5 │ 804,0 │ 1290,0 │ 26,0 │
│ 36 │ 40,0 │ 1020,0 │ 1630,0 │ 29,0 │
├─────────────┼────────────┼──────────────┼─────────────┼────────┤
│ 40 │ 50,0 │ 1260,0 │ 2010,0 │ 32,0 │
│ 45 │ 63,0 │ 1590,0 │ 2540,0 │ 36,0 │
└─────────────┴────────────┴──────────────┴─────────────┴────────┘
5.4.2. Разрывающее усилие BF и относительное удлинение при разрыве А
При статическом испытании на разрыв цепи должны выдерживать разрывающее усилие согласно
таблице 5. После проведения статического испытания на разрыв относительное удлинение при разрыве должно быть не менее 20%.
Образцы должны выдерживать испытание на изгиб согласно
таблице 5, после которого на образцах не должно быть видимых дефектов.
6. Проверка требований безопасности
6.1. Отбор образцов
Объем партии, из которой отбирают образцы цепей, должен быть не менее 400 м. Отбор образцов проводят по ЕН 818-1.
6.2. Испытательное усилие, разрывающее усилие и относительное удлинение при разрыве
6.2.1. Статическое испытание на разрыв
Оборудование и метод испытания должны соответствовать установленным в ЕН 818-1.
6.2.2. Испытательное усилие
Цепь должна выдерживать испытательное усилие по
5.4.1.
6.2.3. Разрывающее усилие и относительное удлинение
После статического испытания на разрыв цепь должна соответствовать требованиям
5.4.2.
6.3. Испытание на изгиб
6.3.1. Метод испытания на изгиб
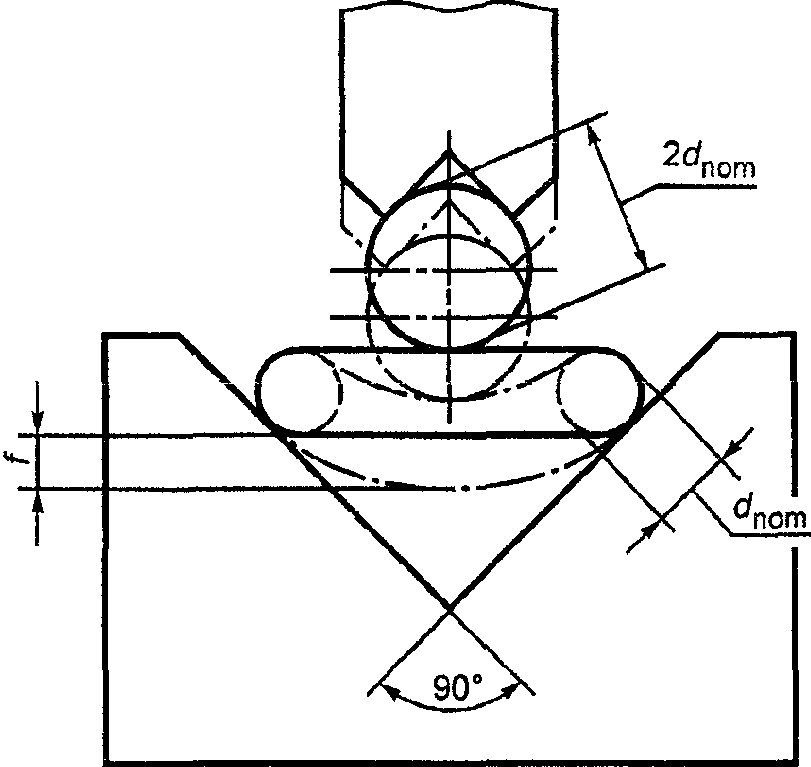
Оборудование и метод испытания должны соответствовать установленным в ЕН 818-1. Образец должен выдержать прогиб, указанный в
таблице 5 и на рисунке 1.
Рисунок 1. Прогиб f
После снятия нагрузки должна быть проведена проверка образца экспертом.
Примечание. После испытания на изгиб с поверхности образца при необходимости снимают покрытие для проведения экспертизы.
6.3.2 Результаты испытаний на изгиб
После испытаний образец должен соответствовать требованиям
5.4.3.
Маркировку проводят по ЕН 818-1.
8. Свидетельство об испытаниях
Свидетельство об испытаниях должно соответствовать требованиям ЕН 818-1.
9. Информация для потребителя
Информация для потребителя должна входить в комплект поставки цепи и соответствовать требованиям ЕН 818-6.
(справочное)
РАСЧЕТ РАЗМЕРОВ, ГРУЗОПОДЪЕМНОСТИ
И МЕХАНИЧЕСКИХ ХАРАКТЕРИСТИК ЦЕПЕЙ
A.1. Размеры и предельные отклонения
A.1.1. Предельные отклонения номинальной толщины звена, приведенные в
таблице 2, рассчитывают по следующим зависимостям:
a) +/- 4% при номинальной толщине звена <18 мм;
d) +/- 5% при номинальной толщине звена >= 18 мм, округленной с точностью до 0,1 мм.
A.1.2. Значения, указанные в
таблице 2, рассчитывают по следующим формулам:
максимальный диаметр участка сварки

;
номинальный шаг

;
минимальный шаг

;
максимальный шаг

;
минимальная внутренняя ширина напротив участка сварки

;
максимальная внешняя ширина напротив участка сварки

.
A.2. Грузоподъемность и механические свойства
A.2.1. Общие положения
При вычислениях, проводимых по A.2.2 -
A.2.4, используют следующие значения:
напряжение при рабочей нагрузке - 200 Н/мм2;
напряжение при испытательном усилии - 500 Н/мм2;
напряжение при разрыве - 800 Н/мм2.
A.2.2. Вычисление грузоподъемности WLL
Грузоподъемность WLL, т, вычисляют по следующей формуле

,
где g - ускорение свободного падения, м/с2, равное 9,80665.
Значения грузоподъемности, приведенные в
таблице 5, округлены до ближайшего меньшего значения, взятого из стандартного числового ряда R40.
A.2.3. Вычисление испытательного усилия
Испытательное усилие MPF, кН, вычисляют по следующей формуле

.
Округление значений MPF, приведенных в
таблице 5: значения менее 100 кН округляют с точностью до 0,1 кН; менее 1000 кН - с точностью до 1 кН, а св. 1000 кН - с точностью до 10 кН.
A.2.4. Вычисление минимального разрывающего усилия
Минимальное разрывающее усилие

, кН, вычисляют по следующей формуле

.
Округление значений MPF, приведенных в
таблице 5: значения менее 100 кН округляют с точностью до 0,1 кН; менее 1000 кН - с точностью до 1 кН, а св. 1000 кН - с точностью до 10 кН.
A.2.5. Вычисление прогиба
Прогиб f, мм, вычисляют по следующей формуле

.
Округление значений f, приведенных в
таблице 5: значения менее 10 мм округляют с точностью до 0,1 мм, значения более или равные 10 мм - с точностью до 1 мм.
(справочное)
Значения массы, приведенные в таблице B.1, соответствуют плотности материала цепи 7,85 г/см3.
Таблица B.1
Масса цепей
Номинальная толщина звена, мм | Масса, кг/м |
7 8 10 | 1,10 1,40 2,20 |
13 16 18 | 3,80 5,70 7,30 |
19 20 22 | 8,10 9,00 10,90 |
23 25 26 | 12,00 14,10 15,20 |
28 32 36 | 17,60 23,00 29,00 |
40 45 | 36,00 45,50 |
(справочное)
УСЛОВНОЕ ОБОЗНАЧЕНИЕ ЦЕПЕЙ
Пример условного обозначения цепи стальной нормальной точности для стропальных цепей класса 4 с номинальной толщиной звена 10 мм и шагом 30 мм:
Цепь ГОСТ Р ЕН 818-3-4-10 x 30
(справочное)
СВЕДЕНИЯ О СООТВЕТСТВИИ НАЦИОНАЛЬНЫХ СТАНДАРТОВ
РОССИЙСКОЙ ФЕДЕРАЦИИ ССЫЛОЧНЫМ МЕЖДУНАРОДНЫМ
И РЕГИОНАЛЬНЫМ СТАНДАРТАМ
Таблица D.1
┌──────────────────────────┬─────────────────────────────────────┐
│ Обозначение ссылочного │ Обозначение и наименование │
│ международного │ соответствующего национального │
│(регионального) стандарта │ стандарта │
├──────────────────────────┼─────────────────────────────────────┤
├──────────────────────────┼─────────────────────────────────────┤
├──────────────────────────┼─────────────────────────────────────┤
│ЕН 292-2:1991/А1:1995 │
<*> │
├──────────────────────────┼─────────────────────────────────────┤
│ │из круглых коротких звеньев для │
│ │подъема грузов. Безопасность. │
│ │Часть 1. Общие требования к приемке │
├──────────────────────────┼─────────────────────────────────────┤
├──────────────────────────┼─────────────────────────────────────┤
├──────────────────────────┼─────────────────────────────────────┤
│ЕН 10025:1990/А1:1993 │ <*> │
├──────────────────────────┼─────────────────────────────────────┤
│ИСО 643 │ <*> │
├──────────────────────────┴─────────────────────────────────────┤
│ <*> Соответствующий национальный стандарт отсутствует. До│
│его утверждения рекомендуется применять перевод на русский язык│
│данного международного (регионального) стандарта. Перевод│
│данного международного или регионального стандарта находится в│
│Федеральном информационном фонде технических регламентов и│
│стандартов. │
└────────────────────────────────────────────────────────────────┘