Главная // Актуальные документы // ГОСТ Р (Государственный стандарт)
СПРАВКА
Источник публикации
М.: Стандартинформ, 2006
Примечание к документу
Документ включен в Перечень документов в области стандартизации и иных документов, в результате применения которых на добровольной основе обеспечивается соблюдение требований технического регламента "О безопасности объектов внутреннего водного транспорта", утв. Постановлением Правительства РФ от 12.08.2010 N 623 (Приказ Росстандарта от 07.12.2011 N 6364).

Введен в действие с 1 января 2007 года.
Название документа
"ГОСТ Р ИСО 3926-2005. Судостроение. Внутреннее судоходство. Устройства для приема топлива и масла. Присоединительные размеры"
(утв. Приказом Ростехрегулирования от 28.12.2005 N 397-ст)


"ГОСТ Р ИСО 3926-2005. Судостроение. Внутреннее судоходство. Устройства для приема топлива и масла. Присоединительные размеры"
(утв. Приказом Ростехрегулирования от 28.12.2005 N 397-ст)


Содержание


Утвержден и введен в действие
Приказом Ростехрегулирования
от 28 декабря 2005 г. N 397-ст
НАЦИОНАЛЬНЫЙ СТАНДАРТ РОССИЙСКОЙ ФЕДЕРАЦИИ
СУДОСТРОЕНИЕ.
ВНУТРЕННЕЕ СУДОХОДСТВО
УСТРОЙСТВА ДЛЯ ПРИЕМА ТОПЛИВА И МАСЛА
ПРИСОЕДИНИТЕЛЬНЫЕ РАЗМЕРЫ
ISO 3926:1980
Shipbuilding. Inland navigation. Couplings for oil and fuel
reception. Mating dimensions
(IDT)
ГОСТ Р ИСО 3926-2005
Группа Д45
ОКС 47.060;
ОКП 29 4340
Дата введения
1 января 2007 года
Предисловие
Цели и принципы стандартизации в Российской Федерации установлены Федеральным законом от 27 декабря 2002 г. N 184-ФЗ "О техническом регулировании", а правила применения национальных стандартов Российской Федерации - ГОСТ Р 1.0-2004 "Стандартизация в Российской Федерации. Основные положения".
Сведения о стандарте
1. Подготовлен Научно-исследовательским институтом по стандартизации и сертификации "Лот" ФГУП "ЦНИИ им. акад. А.Н. Крылова" на основе аутентичного перевода международного стандарта, указанного в пункте 4.
2. Внесен Техническим комитетом по стандартизации ТК 005 "Судостроение".
3. Утвержден и введен в действие Приказом Федерального агентства по техническому регулированию и метрологии от 28 декабря 2005 г. N 397-ст.
4. Настоящий стандарт идентичен международному стандарту ИСО 3926:1980 "Судостроение. Внутреннее судоходство. Устройства для приема топлива и масла. Присоединительные размеры" (ISO 3926:1980 "Shipbuilding - Inland navigation - Couplings for oil and fuel reception - Mating dimensions").
5. Введен впервые.
1. Область применения
Настоящий стандарт устанавливает присоединительные размеры устройств для приема топлива и масла при номинальном давлении PN 2,5 на судах внутреннего плавания и в портовых установках, используемых этими судами.
Настоящий стандарт не распространяется на соответствующие устройства грузовых систем судов, предназначенных для перевозки нефтепродуктов.
2. Классификация
Настоящий стандарт устанавливает три варианта устройств номинальным диаметром:
DN50;
DN80;
DN150 (только для топлива).
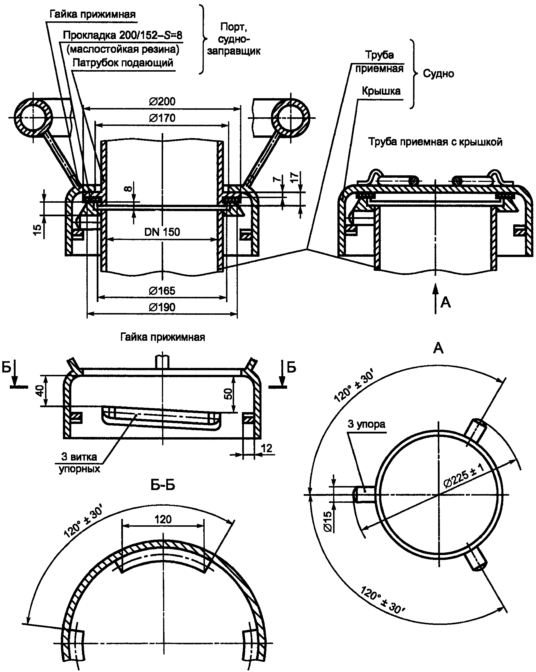
3. Присоединительные размеры
Основные присоединительные размеры устройств приведены на рисунках 1, 2 и в таблице 1.
Рисунок 1. Устройство для приема топлива и масла
для номинальных диаметров 50 и 80 мм
Рисунок 2. Устройство для приема топлива номинальным
диаметром 150 мм
Примечание. Элементы без размеров приведены условно и не определяют конструкцию.
Таблица 1
В миллиметрах
┌───────────┬──────────┬───────────────────────────────┬─────────┐
│Номинальный│Резьба │ Диаметры │Высота H │
│диаметр DN │трапеце- ├───────┬───────┬───────┬───────┤ │
│ │идальная D│ D │ D │ D │ D │ │
│ │ │ 1 │ 2 │ 3 │ 4 │ │
├───────────┼──────────┼───────┼───────┼───────┼───────┼─────────┤
│ 50 │ 85 x 4 │ 67 │ 59 │ 54 │ 69 │ 25 │
├───────────┼──────────┼───────┼───────┼───────┼───────┼─────────┤
│ 80 │ 120 x 6 │ 100 │ 90 │ 85 │ 102 │ 30 │
└───────────┴──────────┴───────┴───────┴───────┴───────┴─────────┘