Главная // Актуальные документы // ГОСТ Р (Государственный стандарт)СПРАВКА
Источник публикации
М.: Стандартинформ, 2015
Примечание к документу
Документ
введен в действие с 1 января 2016 года.
Название документа
"ГОСТ Р МЭК 60974-9-2014. Национальный стандарт Российской Федерации. Оборудование для дуговой сварки. Часть 9. Монтаж и эксплуатация"
(утв. и введен в действие Приказом Росстандарта от 10.10.2014 N 1303-ст)
"ГОСТ Р МЭК 60974-9-2014. Национальный стандарт Российской Федерации. Оборудование для дуговой сварки. Часть 9. Монтаж и эксплуатация"
(утв. и введен в действие Приказом Росстандарта от 10.10.2014 N 1303-ст)
Утвержден и введен в действие
агентства по техническому
регулированию и метрологии
от 10 октября 2014 г. N 1303-ст
НАЦИОНАЛЬНЫЙ СТАНДАРТ РОССИЙСКОЙ ФЕДЕРАЦИИ
ОБОРУДОВАНИЕ ДЛЯ ДУГОВОЙ СВАРКИ
ЧАСТЬ 9
МОНТАЖ И ЭКСПЛУАТАЦИЯ
Arc welding equipment. Part 9. Installation and use
IEC 60974-9:2010
Arc welding equipment - Part 9: Installation and use
(IDT)
ГОСТ Р МЭК 60974-9-2014
Дата введения
1 января 2016 года
1. Подготовлен Федеральным государственным автономным учреждением "Научно-учебный центр "Сварка и контроль" при МГТУ им. Н.Э. Баумана" (ФГАУ "НУЦСК при МГТУ им. Н.Э. Баумана"), Национальным Агентством Контроля Сварки (СРО НП "НАКС"), Научно-производственной фирмой "Инженерный и технологический сервис" (НПФ "ИТС"), Обществом с ограниченной ответственностью "Шторм" (ООО "Шторм") на основе собственного аутентичного перевода на русский язык стандарта, указанного в пункте 4.
2. Внесен Техническим комитетом по стандартизации ТК 364 "Сварка и родственные процессы".
3. Утвержден и введен в действие
Приказом Федерального агентства по техническому регулированию и метрологии от 10 октября 2014 г. N 1303-ст.
4. Настоящий стандарт идентичен международному стандарту МЭК 60974-9:2010 Оборудование для дуговой сварки. Часть 9. Монтаж и эксплуатация (IEC 60974-9:2010 Arc welding equipment - Part 9: Installation and use).
При применении настоящего стандарта рекомендуется использовать вместо ссылочных международных стандартов соответствующие им национальные стандарты Российской Федерации и межгосударственные стандарты, сведения о которых приведены в дополнительном
Приложении ДА.
Степень соответствия - идентичная (IDT).
5. Введен впервые.
Правила применения настоящего стандарта установлены в ГОСТ Р 1.0-2012
(раздел 8). Информация об изменениях к настоящему стандарту публикуется в ежегодном (по состоянию на 1 января текущего года) информационном указателе "Национальные стандарты", а официальный текст изменений и поправок - в ежемесячном информационном указателе "Национальные стандарты". В случае пересмотра (замены) или отмены настоящего стандарта соответствующее уведомление будет опубликовано в ближайшем выпуске информационного указателя "Национальные стандарты". Соответствующая информация, уведомление и тексты размещаются также в информационной системе общего пользования - на официальном сайте Федерального агентства по техническому регулированию и метрологии в сети Интернет (gost.ru).
Международная электротехническая комиссия (МЭК) является всемирной организацией по стандартизации, включающей в себя все национальные электротехнические комитеты (национальные комитеты МЭК). Целью МЭК является развитие международного сотрудничества по всем вопросам стандартизации в области электрической и электронной аппаратуры.
Международный стандарт МЭК 60974-9 подготовлен техническим комитетом МЭК N 26: Электрическая сварка.
Настоящий стандарт устанавливает требования к монтажу и эксплуатации оборудования для дуговой сварки и родственных процессов, спроектированного в соответствии с требованиями безопасности МЭК 60974-1, МЭК 60974-6 или аналогичных стандартов.
Настоящий стандарт применим как руководство для инструкторов, операторов, сварщиков, менеджеров и контролеров в части безопасности монтажа и эксплуатации оборудования для дуговой сварки и родственных процессов и обеспечения безопасности при выполнении работ по сварке и резке.
Национальные стандарты имеют приоритет над этой частью МЭК 60974.
Для применения настоящего стандарта необходимы следующие ссылочные документы. Для датированных ссылок применяют только указанное издание ссылочного документа, для недатированных ссылок применяют последнее издание ссылочного документа (включая все его изменения):
МЭК 60245-6 Кабели с резиновой изоляцией на номинальное напряжение до 450/750 В включительно. Часть 6: Кабели для электродной дуговой сварки (IEC Rubber insulated cables - Raited voltages up to and including 450/750 V - Part 6: Arc welding electrode cables)
МЭК/ТО 60755 Устройства защитные, работающие по принципу остаточного тока. Общие требования (IEC/TR 60755 General requirements for residual current operated protective devices)
МЭК 60974-1:2005 Оборудование для дуговой сварки. Часть 1. Источники сварочного тока (IEC 60974-1:2005 Arc welding equipment - Part 1: Welding power sources <1>)
--------------------------------
<1> Заменен на IEC 60974-1:2012 Оборудование для дуговой сварки. Часть 1. Источники питания для сварки (Arc welding equipment - Part 1: Welding power sources). Однако для однозначного соблюдения требования настоящего стандарта, выраженного в датированной ссылке, рекомендуется использовать только указанное в этой ссылке издание.
МЭК 60974-4 Оборудование для дуговой сварки. Часть 4. Периодическая проверка и испытание (IEC 60974-4 Arc welding equipment - Part 4: Periodic inspection and testing)
МЭК 60974-6 Оборудование для дуговой сварки. Часть 6. Ручные источники питания дуговой сварки металла в ограниченном режиме (IEC 60974-6 Arc welding equipment - Part 6: Limited duty manual metal arc welding power sources)
МЭК 60974-10 Оборудование для дуговой сварки. Часть 10. Требования к электромагнитной совместимости [IEC 60974-10 Arc welding equipment - Part 10: Electromagnetic compatibility (EMC) requirements]
МЭК 60974-11 Оборудование для дуговой сварки. Часть 11: Электрододержатели (IEC 60974-11 Arc welding equipment - Part 11: Electrode holders)
МЭК 60974-12 Оборудование для дуговой сварки. Часть 12. Соединительные устройства для сварочных кабелей (IEC 60974-12 Arc welding equipment - Part 12: Coupling devices for welding cables).
В настоящем стандарте применены следующие термины с соответствующими определениями:
3.1. Сварочный контур (welding circuit): контур, включающий весь проводящий материал, предназначенный для прохождения через него сварочного тока.
Примечание 1. При дуговой сварке дуга является частью сварочного контура.
Примечание 2. При определенных процессах дуговой сварки дуга может располагаться между двумя электродами. В этом случае заготовка не обязательно является частью сварочного контура.
[МЭК 60974-1:2005, 3.11]
3.2. Внешний проводящий элемент (extraneous conductive part): проводящий элемент, не входящий в состав электрической установки и подверженный воздействию электрического потенциала, как правило, потенциала земли.
Примечание. Электроустановка включает в себя сварочный контур.
3.3. Заготовка (workpiece): металлическая деталь или детали, на которых выполняются сварка или родственные процессы.
3.4. Защитная одежда и аксессуары (protective clothing and accessories): защитная одежда и аксессуары (например, перчатки, ручные щитки, сварочные маски и светофильтры), используемые для уменьшения риска поражения током и воздействия дыма и брызг, а также для защиты кожи и глаз от излучения дуги.
3.5. Среда с повышенной опасностью поражения электрическим током (environments with increased hazard of electric shock): среда, для которой характерна повышенная опасность поражения электрическим током по сравнению с нормальным режимом дуговой сварки.
Примечание 1. Указанные среды могут встречаться, например:
a) в местах, где свобода передвижения ограничена; где оператор вынужден производить сварочные работы в тесноте (например, стоя на коленях, сидя или лежа) и при физическом контакте с электропроводящими деталями;
b) в местах, полностью или частично ограниченных электропроводящими элементами, и где опасность неизбежного или случайного контакта оператора с указанными элементами очень высока;
c) во влажных, сырых местах либо местах с повышенной температурой, где влажность или потоотделение значительно снижают электрическое сопротивление кожных покровов человеческого тела, а также изолирующие свойства аксессуаров.
Примечание 2. К местам, где имеются среды с повышенной опасностью поражения электрическим током, не относятся места, в которых электропроводящие детали, располагающиеся вблизи оператора и являющиеся источником повышенной опасности, снабжены изоляцией.
[МЭК 60974-1:2005, 3.46]
3.6. Промышленное и профессиональное применение (industrial and professional use): области применения, рассчитанные исключительно на квалифицированных специалистов или проинструктированных сотрудников.
[МЭК 60974-1:2005, 3.2]
3.7. Квалифицированный специалист, компетентное лицо, подготовленный сотрудник (expert, competent person, skilled person): сотрудник, способный к выполнению порученной ему работы и к распознаванию потенциальных опасностей за счет полученной профессиональной подготовки, приобретенных знаний и опыта, а также знания конструкции соответствующего оборудования.
Примечание. При оценке уровня профессиональной подготовки сотрудников допускается принимать во внимание наличие у них многолетнего стажа работы в соответствующей технической сфере.
[МЭК 60974-1:2005, 3.3]
3.8. Устройство подачи проволоки (wire feeder): оборудование, которое обеспечивает подачу проволоки в зону дуговой сварки и содержащее устройство управления подачей проволоки и средства для передачи энергии движения на проволоку; сюда также может входить катушка со сварочной проволокой.
[МЭК 60974-5:2007, 3.11]
3.9. Выход вспомогательного питания (auxiliary power output): контур источника сварочного тока, предназначенный для подачи питания на вспомогательное оборудование.
Сварочное оборудование, используемое в установках дуговой сварки, производят и применяют в соответствии со стандартами МЭК 60974-1, МЭК 60974-4, МЭК 60974-6, МЭК 60974-10, МЭК 60974-11 и МЭК 60974-12 (см.
раздел 2), как указано на паспортной табличке.
При монтаже следует учитывать требования электромагнитной совместимости (ЭМС) (см.
раздел 5).
Также необходимо учитывать требования национальных и местных правил и норм в отношении соединений защитного заземления, предохранителей, устройств отключения питания, типа контура питания и т.д.
Перед монтажом оборудования следует ознакомиться с инструкцией производителя. Техническая информация по сварочному оборудованию должна быть использована в полной мере.
В случае необходимости можно получить особые рекомендации производителя оборудования.
4.2.1. Выбор кабелей питания
Кабели питания сварочного оборудования и устройства их защиты от перегрузок, если не входят в стандартный комплект поставки, выбираются в соответствии с информацией, изложенной в инструкции изготовителя.
Кабели питания должны располагаться таким образом, чтобы они не могли быть повреждены при эксплуатации. Если это невозможно, для снижения риска поражения электрическим током должно использоваться устройство защитного отключения, срабатывающее при токе утечки, не превышающем 30 мА в соответствии с МЭК/ТО 60755.
4.2.2. Устройство отключения питания
Монтажник должен обеспечить, чтобы устройство отключения питания было расположено в месте ввода питания.
Примечание. В качестве устройства отключения питания можно использовать разъем в соответствии с национальными или местными правилами и нормами.
4.2.3. Устройство аварийной остановки
Если согласно национальным нормам (например, для оборудования автоматической сварки) требуется устройство аварийной остановки, оно должно отвечать требованиям соответствующего стандарта МЭК.
В случае использования в среде с повышенной опасностью поражения электрическим током см.
7.10.
4.3.1. Изоляция линии питания
Сварочный контур и цепи, подключенные к сварочному контуру, должны быть электрически изолированы от сети питания.
Проверка должна производиться квалифицированным специалистом.
4.3.2. Суммирование напряжения без нагрузки
В случае одновременного использования нескольких источников сварочного тока их напряжения без нагрузки могут суммироваться и создать повышенную опасность поражения током. Источники сварочного тока должны устанавливаться так, чтобы свести к минимуму такой риск. Руководящие указания даны в
7.9.
Примечание 1. В случае подключения двух сварочных трансформаторов к одним и тем же линиям суммарное выходное напряжение может представлять собой сумму обоих напряжений без нагрузки. Этого можно избежать при использовании соответствующего входного или выходного соединения (см.
7.9).
Примечание 2. Если установлено более одного источника сварочного тока, отдельные источники сварочного тока с собственными средствами управления и соединениями должны иметь четкую идентификацию, чтобы было видно, какие из них относятся к определенному контуру.
Сварочные кабели должны соответствовать требованиям МЭК 60245-6. Кабели с медным проводом должны выбираться в соответствии с рабочим циклом и национальными нормами или, если таковых нет, согласно номинальному току по таблице 1. Если применяются длинные кабельные трассы, может возникнуть необходимость выбрать размер кабеля, исходя из падения напряжения (см.
Приложение B).
Таблица 1
Требования по номинальному току для сварочных кабелей
с медным проводником
Номинальная площадь поперечного сечения, мм2 | Номинал тока для заданного цикла нагрузки при температуре окружающей среды 25 °C <a>, А |
| 100% | 85% | 80% | 60% | 35% | 20% | 8% |
10 | 100 | 100 | 100 | 101 | 106 | 118 | 158 |
16 | 135 | 136 | 136 | 139 | 150 | 174 | 243 |
25 | 180 | 182 | 183 | 190 | 213 | 254 | 366 |
35 | 225 | 229 | 231 | 243 | 279 | 338 | 497 |
50 | 285 | 293 | 296 | 316 | 371 | 457 | 681 |
70 | 355 | 367 | 373 | 403 | 482 | 602 | 908 |
95 | 430 | 448 | 456 | 498 | 606 | 765 | 1164 |
120 | 500 | 524 | 534 | 587 | 721 | 917 | 1404 |
150 | 580 | 610 | 622 | 689 | 853 | 1090 | 1676 |
185 | 665 | 702 | 717 | 797 | 995 | 1277 | 1971 |
<a> Для более высоких температур применяется поправочный коэффициент: 0,96 (30 °C); 0,91 (35 °C); 0,87 (40 °C); 0,82 (45 °C). |
4.3.4. Соединение между источником сварочного тока и заготовкой
Если сварочный ток проходит не только в сварочном контуре, могут возникнуть блуждающие токи, которые являются компонентами сварочного тока. Они могут вызвать повреждение и устраняются следующим образом:
a) электрическое соединение между источником сварочного тока и заготовками должно быть выполнено прямым, насколько это практически возможно, посредством изолированного обратного кабеля, имеющего соответствующую пропускную способность по току;
b) внешние проводящие элементы, такие как металлические рельсы, трубы и рамы, не должны использоваться в составе сварочного контура, если они сами не являются заготовкой;
c) обратный зажим должен быть расположен как можно ближе к сварочной дуге;
Примечание. При снятии обратного зажима он должен быть электрически изолирован от заземленных частей, таких как металлические корпуса с подключением защитного заземления (класс I), металлические полы, инженерные сети.
d) сварочный контур не должен быть заземлен, если этого не требуют национальные или местные правила и нормы (см.
4.3.5);
e) подсоединение обратного кабеля к заготовке должно быть выполнено с использованием устройств, предназначенных для кабельного соединения, имеющих надежную систему фиксации и обеспечивающих хороший электрический контакт. Магнитные устройства обеспечивают хороший электрический контакт только в том случае, если их контактные поверхности и площади контакта заготовки достаточно большие, гладкие и чистые (без ржавчины и грунта) и если площадь контакта заготовки намагничена;
Примечание. Если заготовки расположены на сварочном столе или устройстве транспортировки изделий, обратный кабель может подсоединяться к столу или устройству.
f) соединительные устройства для нестационарных гибких кабелей в сварочном контуре должны:
1) иметь соответствующее изоляционное покрытие для предотвращения случайного контакта с деталями под напряжением, за исключением обратного зажима на самой заготовке;
2) быть подходящими по размеру для используемых кабелей и сварочного тока;
3) быть надежно подсоединенными к сварочным кабелям и иметь с ними хороший электрический контакт.
Сварочный кабель и соединительное устройство должны использоваться в пределах своего номинального тока. Соединительное устройство не должно крепиться к кабелю меньшего диаметра, чем тот, что указан изготовителем.
Соединительные устройства должны соответствовать стандарту МЭК 60974-12.
4.3.5. Заземление заготовки
Сварочный контур не должен быть заземлен, так как это повышает риск возникновения блуждающих токов (токов утечки) (см.
4.3.3). Заземление сварочного контура может также увеличить площадь прикосновения, на которой, в случае контакта (например, с электродом), можно получить удар током.
Примечание 1. Для некоторых заготовок, таких как металлоконструкции, суда, трубопроводы и т.д., заземление является характерным свойством, поэтому при их сварке вероятность возникновения блуждающих токов достаточно высока.
Примечание 2. В некоторых случаях заготовка может находиться в постоянном контакте с землей. Например, это касается оборудования класса защиты I, которое непосредственно имеет защитные провода, соединенные с землей. Такие заготовки считаются заземленными по определению.
Для обеспечения того, чтобы блуждающий ток не проходил через какие-либо заземленные предметы, не предназначенные или не способные переносить сварочный ток (например, защитное заземление), производится оценка сварочного контура и участка.
Если используются ручные электроинструменты, которые могут соприкасаться с заготовкой, они должны иметь класс защиты II (то есть с двойной или усиленной изоляцией без защитного заземления).
Если заземление предусмотрено национальными или местными правилами и нормами, то замыкание на землю выполняется отдельным специализированным кабелем или проводом, с характеристиками не менее характеристик обратного кабеля, и подсоединяется непосредственно к заготовке.
Следует принять меры предосторожности, чтобы изолировать оператора от земли, а также от заготовки (см.
7.7.2).
Примечание 1. Если к сварочному контуру подсоединены сети подавления внешних радиочастот, квалифицированный специалист должен оценить, может ли сварочный контур расцениваться как изолированный от земли.
Примечание 2. Сети подавления внешних радиочастот могут состоять из множества различных компонентов, таких как, например, LCR фильтры (индуктивность/емкость/сопротивление).
4.3.6. Расположение газовых баллонов
Необходимо следить, чтобы газовые баллоны, находящиеся в непосредственной близости к заготовке, не становились частью сварочного контура.
5. Электромагнитная совместимость (ЭМС)
Пользователь несет ответственность за монтаж и эксплуатацию оборудования для дуговой сварки в соответствии с инструкциями изготовителя. В случае обнаружения электромагнитных возмущений пользователь оборудования отвечает за устранение возникшей ситуации при технической поддержке со стороны изготовителя.
5.2. Оценка рабочего места
Прежде чем установить оборудование для дуговой сварки, пользователь должен выполнить оценку потенциальных электромагнитных помех в окружающей зоне. Необходимо учитывать следующие факторы:
a) другие кабели питания, управления, сигнализации и телефонной связи над, под и рядом с оборудованием для дуговой сварки;
b) радио- и телевизионные передатчики и приемники;
c) компьютеры и другие контрольно-измерительные устройства;
d) важные средства безопасности, например, защита промышленного оборудования;
e) здоровье людей в окружающей зоне, например, использующих кардиостимуляторы и слуховые аппараты;
f) оборудование, используемое для калибровки или измерения;
g) помехоустойчивость другого оборудования на данном участке. Пользователь должен обеспечить, чтобы другое оборудование, используемое на участке, было совместимо. Это может потребовать дополнительных предохранительных мер;
h) время дня, в течение которого должна выполняться сварка или другие работы.
Размер рассматриваемой окружающей зоны зависит от конструкции здания и других имеющих место факторов. Окружающая зона может выходить за границы помещения.
5.3. Методы снижения излучений
5.3.1. Общая система электроснабжения
Оборудование для дуговой сварки подключается к общей системе электроснабжения в соответствии с рекомендациями изготовителя. В случае возникновения помех могут потребоваться дополнительные меры предосторожности, такие как фильтрование системы питания. Особое внимание следует уделять экранированию кабелей питания стационарного оборудования для дуговой сварки с применением металлического кабель-канала или аналогичного устройства. Экранирование должно быть электрически непрерывным по всей своей длине. Экран должен подсоединяться к источнику питания сварочного тока так, чтобы поддерживался хороший электрический контакт между проводником и корпусом источника.
5.3.2. Техническое обслуживание оборудования для дуговой сварки
Оборудование для дуговой сварки должно проходить регулярное техническое обслуживание в соответствии со стандартом МЭК 60974-4 и инструкциями изготовителя. Все смотровые и эксплуатационные лючки и крышки должны быть закрыты и должным образом закреплены, когда оборудование находится в работе. Сварочное оборудование не может видоизменяться никоим образом, за исключением таких изменений и регулировок, которые предусмотрены в инструкциях изготовителя. В частности, искровые зазоры устройств зажигания и стабилизации дуги должны регулироваться и поддерживаться в соответствии с инструкциями изготовителя.
5.3.3. Сварочные кабели
Сварочные кабели должны быть как можно короче, должны располагаться как можно ближе друг к другу и проходить на уровне пола или близко к нему. Сварочные кабели не должны быть смотаны в бухту.
5.3.4. Токопроводящее соединение
Соединения всех металлических предметов в окружающей зоне следует учитывать в плане снижения излучений. В то же время металлические предметы, соединенные с заготовкой, повышают риск поражения током, если оператор одновременно коснется такого предмета и электрода. Оператор должен быть изолирован от всех таких металлических предметов.
5.3.5. Заземление заготовки
Если заготовка не соединена с землей для электрической безопасности, такое заземляющее соединение может снизить излучения в некоторых случаях, но не во всех. Следует быть очень осторожным, чтобы заземление заготовки не повышало риск травмирования пользователей или повреждения другого электрического оборудования. В случае необходимости соединение заготовки с землей должно выполняться прямым подключением, однако в некоторых странах, где такое подключение не разрешено, заземляющая связь достигается соответствующей емкостью, выбранной в соответствии с национальными и местными нормами.
5.3.6. Экранирование и ограждение
Выборочное экранирование и ограждение других кабелей и оборудования в окружающей зоне могут уменьшить действие помех. Экранирование всего сварочного участка можно рассматривать для особых случаев.
6. Электромагнитные поля (ЭМП)
Электрический ток, протекающий по любому проводнику, создает местные электромагнитные поля (ЭМП). С целью минимизации риска, связанного с воздействием ЭМП, возникающих в сварочном контуре, все сварщики должны осуществлять следующие действия:
- проложить сварочные кабели вместе и закрепить лентой, если возможно;
- располагать тело и голову как можно дальше от сварочного контура;
- никогда не наматывать сварочные кабели вокруг тела;
- не располагать сварочные кабели по сторонам от тела. Держать оба сварочных кабеля с одной и той же стороны тела;
- присоединять обратный кабель к заготовке как можно ближе к месту сварки;
- не работать рядом с источником сварочного тока, а также не прислоняться и не садиться на него;
- не выполнять сварку в процессе переноски источника сварочного тока или механизма подачи проволоки.
Электромагнитные поля могут оказывать влияние на некоторые имплантированные медицинские устройства, поэтому людям с такими приборами следует предусмотреть меры индивидуальной защиты. Например, ограничение доступа для посторонних или индивидуальная оценка риска для сварщиков. Оценка риска и рекомендации для пользователей имплантированных приборов обеспечиваются медицинским специалистом.
Пользователь должен обеспечить, чтобы сварочное оборудование и аксессуары соответствовали частям стандарта МЭК 60974, как указано на паспортной табличке. Прежде чем приступить к эксплуатации оборудования, пользователь должен внимательно изучить инструкции, предоставленные изготовителем, требования национальных или местных нормативных актов, рекомендации отраслевых и профессиональных объединений, а также национальные правила гигиены труда и техники безопасности.
Особое внимание следует уделять окружающей среде, в которой используется оборудование, так как могут потребоваться дополнительные меры предосторожности против таких факторов, как, например, повышенная опасность поражения током, ограниченное пространство, опасность возгорания и удушья (см.
Приложение A).
7.2. Соединение нескольких источников сварочного тока
Действия по необходимости параллельного или последовательного соединения источников сварочного тока должны выполняться квалифицированным специалистом в соответствии с рекомендациями изготовителя. Оборудование может быть допущено для выполнения работ по дуговой сварке только после того, как будет выполнена проверка, позволяющая убедиться, что допустимое напряжение без нагрузки не может быть превышено.
Если один из источников сварочного тока, соединенных параллельно или последовательно, выходит из строя, он должен быть отключен от сети и от сварочного контура, с тем чтобы предотвратить любые опасности, которые могут быть вызваны напряжениями обратной связи.
7.3. Осмотр и техническое обслуживание сварочной установки
7.3.1. Периодический осмотр
После монтажа, а затем периодически, назначенный квалифицированный специалист должен проверять, чтобы сварочное оборудование было правильно выбрано и подключено для работы в соответствии с требованиями МЭК 60974-4 и инструкциями изготовителя, соединения должны быть плотно затянуты и содержаться в чистоте, а оборудование в исправном состоянии.
Кроме того, защитное заземление должно проверяться на эффективность. Любые выявленные дефекты необходимо устранить.
7.3.2. Текущий осмотр
Оператор должен получить указание проверять все внешние соединения ежедневно и при каждой перекомпоновке схемы подключения. Особое внимание следует уделять подключению силовых и сварочных кабелей, электрододержателей и соединительных устройств. О любых выявленных дефектах необходимо сообщать, неисправное оборудование нельзя использовать до тех пор, пока оно не будет отремонтировано.
Обратный зажим должен подсоединяться непосредственно к заготовке как можно ближе к месту сварки или сварочному столу, на котором расположена заготовка, или устройству транспортировки и загрузки изделий.
При плазменной резке напряжения без нагрузки более высоки, чем при сварке. Это следует учитывать во время выполнения проверок и процедур техобслуживания. Особое внимание необходимо уделять оборудованию водяного охлаждения, чтобы исключить воздействие любых утечек на изоляцию.
Перед выполнением дуговой сварки на оборудовании, имеющем трансформаторы (например, дуговые печи), такие трансформаторы должны быть изолированы, чтобы избежать опасности поражения током от индуцированного напряжения на стороне входа в трансформатор.
7.4. Отключение источников сварочного тока и/или сварочных контуров
Если силовые или сварочные кабели могут повредиться при переноске источника сварочного тока в другое место, то такой источник, вместе со своими кабелями, должен быть отсоединен до перемещения.
Когда на сварочном оборудовании выполняются работы по техническому обслуживанию и ремонту, электрические входы и выходы должны быть отсоединены.
Защитные ограждения и съемные детали корпуса должны находиться на штатном месте, прежде чем сварочное оборудование будет включено.
7.6. Информация для операторов
Операторы и их помощники должны пройти обучение безопасной эксплуатации оборудования. Операторы и лица, находящиеся в районе выполнения сварочных работ, должны быть предупреждены о факторах опасности и проинформированы о мерах предосторожности, связанных с электродуговой сваркой (см.
Приложение A).
Оператор не должен допускать, чтобы газовые баллоны в районе заготовки соприкасались со сварочным контуром.
7.7. Меры предосторожности
7.7.1. Внешние проводящие элементы в зоне сварки
В отношении внешних проводящих элементов:
a) следует знать о наличии таких частей (см.
3.2);
b) необходимо следить, чтобы зона расположения таких элементов была минимальной;
c) горелки и электрододержатели должны быть изолированы от внешних проводящих элементов на сварочном участке.
7.7.2. Защита от поражения электрическим током
Оператор должен принять меры предосторожности для обеспечения изоляции от электрода, заготовки и проводящих элементов, соприкасающихся с землей в районе выполнения работ. Как правило, это обеспечивается использованием сухих перчаток, одежды, головных уборов, обуви, сухих досок и изолирующих ковриков или подобных средств в исправном состоянии. Соответствие предлагаемого метода изоляции определяется квалифицированным специалистом.
Примечание. Оператор, который непосредственно касается обеих клемм источника сварочного тока или соединенных с ними проводов, может получить удар электрическим током. При определенных обстоятельствах удар может быть достаточно сильным, чтобы стать причиной тяжелой травмы или смерти.
7.8. Изоляция сварочного контура от заготовки и земли при перерыве в работе
При перерыве в работе (например, во время обеденного перерыва или наступления новой смены) цепи электрододержателя и цепи горелки, по мере возможности, должны отключаться от источника сварочного тока; если это невозможно, то их следует отсоединить и/или изолировать, для исключения контакта с заготовкой или другими проводящими частями, особенно с деталями корпуса источника сварочного тока. По окончании работ электроды для ручной дуговой сварки необходимо извлечь из электрододержателя. Если возможно, подача защитного газа должна быть перекрыта.
Оператор должен обеспечить, чтобы зажим обратного провода был подсоединен к заготовке либо хранился изолированно от земли или любой проводящей части.
7.9. Напряжение между электрододержателями или горелками
При работе с несколькими источниками сварочного тока на одной заготовке или на электрически соединенных заготовках, между двумя электрододержателями или горелками может возникнуть опасное напряжение без нагрузки, которое может вдвое превысить допустимую величину (см. также
4.3.2).
Проинструктированный специалист, который координирует сварочные работы, должен обеспечить применение измерительного прибора для определения наличия опасного напряжения.
Операторы должны:
a) быть предупреждены о такой опасности;
b) никогда не касаться двух электрододержателей или горелок одновременно;
c) работать вне досягаемости друг друга, где это возможно.
Следующие примеры схематично показывают влияние подключения к питанию от сети и полярности контактов на сумму напряжений сварочного тока между электрододержателями или горелками. Предполагается, что напряжения без нагрузки для каждого источника идентичны, но на практике они могут отличаться (см. 7.9, перечисления от
a) до
c), представленные ниже).
a) Постоянный ток
Подключения к сети питания не оказывают никакого влияния на сумму напряжений без нагрузки. Напряжение U зависит от полярности соединений на выходе (см. рисунок 1).
Примечание. Полярность зависит от технологии сварки.
Рисунок 1. Пример напряжения постоянного тока
между электрододержателями или горелками
b) Однофазные источники переменного сварочного тока
Подключения к сети питания и соединения на выходе влияют на сумму напряжений без нагрузки U (см. рисунок 2).
Рисунок 2. Пример напряжения переменного тока
между электрододержателями или горелками - Однофазное
питание от одной и той же пары линий питания
от трехфазной сети
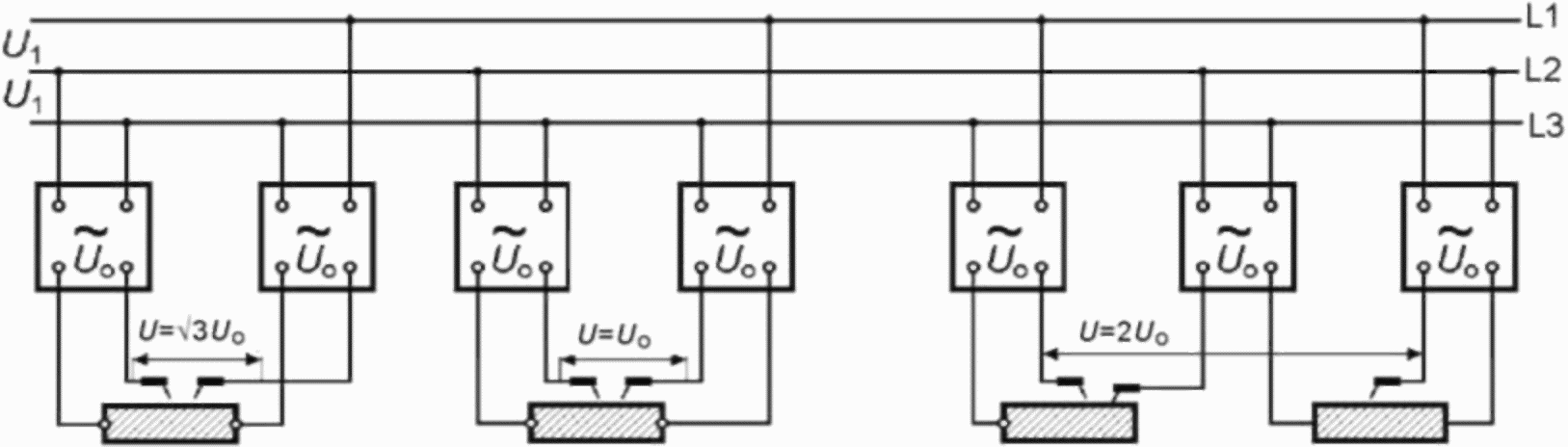
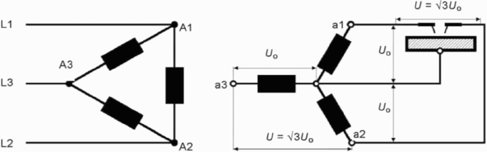
Если соединения с трехфазной сетью выполнены через различные пары линий, то сумма напряжений без нагрузки U всегда будет больше ноля (см. рисунок 3).
Примечание. Свариваемые заготовки не имеют контакта между собой. Средний электрод случайно касается другой заготовки.
Рисунок 3. Пример напряжения переменного тока
между электрододержателями или горелками - Однофазное
питание от различных пар линий питания от трехфазной сети
Повышение напряжений переменного тока можно избежать путем обратного переключения:
a) соединений сварочных кабелей (желательно квалифицированным специалистом);
b) питания от сети к источнику сварочного тока (см.
п. 4.3.2);
c) трехфазного многопостового сварочного трансформатора переменного тока.
Подключения к сети питания не оказывают никакого влияния на сумму напряжений без нагрузки U (см. рисунок 4).
Рисунок 4. Пример напряжения переменного тока
между электрододержателями, подсоединенными
между различными выходными линиями
7.10. Сварка в среде с повышенной опасностью поражения электрическим током
При выполнении сварки в среде с повышенной опасностью поражения электрическим током средства быстрого электрического отсоединения источника сварочного тока или контура (например, устройство аварийной остановки) должны находиться в пределах доступа.
Для снижения риска поражения электрическим током от напряжения между электродом и землей необходимо принимать следующие меры предосторожности:
a) по мере возможности источник сварочного тока не следует помещать в среду с повышенной опасностью поражения электрическим током. Если это невозможно, источник должен быть оборудован изолирующим трансформатором;
b) источник сварочного тока должен находиться за пределами обычной досягаемости оператора во время сварки. Дополнительная защита от удара током силовой сети в случае неисправности может обеспечиваться посредством устройства защитного отключения, которое способно работать, когда ток утечки не превышает 30 мА, и снабжает все питаемое от сети оборудование на участке. Такое устройство защитного отключения должно быть чувствительно ко всем типам тока;
c) должны использоваться только те устройства дистанционного управления, которые в качестве защитной меры используют "сверхнизкое безопасное напряжение" в соответствии с МЭК 60974-1;
d) должны использоваться только те источники сварочного тока и сварочное оборудование, которые пригодны для использования в среде с повышенной опасностью поражения электрическим током. В случае целесообразности следует использовать устройства понижения напряжения;
Примечание. Это должно подтверждаться квалифицированным специалистом, если источник сварочного тока не имеет маркировку

(см. МЭК 60974-1).
e) электрододержатели должны соответствовать типу A по МЭК 60974-11;
f) необходимо использовать изолирующие листы или коврики.
Примечание. Следует уделять должное внимание требованиям относительно защитной одежды, головных уборов и аксессуаров согласно
7.7.2.
7.11. Использование наплечных ремней
Нельзя производить сварку во время переноски сварочного аппарата или механизма подачи проволоки, например, на плечевом ремне. Это необходимо для предотвращения:
a) риска потери равновесия, если кто-то случайно потянет за подсоединенные кабели или шланги;
b) повышения риска поражения током, так как оператор будет в контакте с землей при использовании источника сварочного тока класса I, корпус которого заземлен собственным защитным проводом.
По мере возможности не следует выполнять сварочные работы стоя на возвышении, например на лестнице, где даже незначительный удар током может привести к падению.
Необходимо принимать соответствующие меры предосторожности, такие как использование безопасной рабочей платформы.
Примечание. Металлическая лестница или платформа может создать условия повышенной опасности поражения электрическим током (см.
3.5 и
7.10).
7.13. Сварка с подвешенным сварочным оборудованием
Из практических соображений сварочное оборудование может подвешиваться над зоной сварки. Чтобы избежать блуждающих токов, подвесные средства должны быть изолированы. Во избежание риска падения предметов (например, катушки присадочной проволоки) необходимо принять соответствующие меры предосторожности.
(справочное)
РИСКИ, СВЯЗАННЫЕ С ДУГОВОЙ СВАРКОЙ
A.1. Общие положения
Сварщики и лица, работающие в непосредственной близости к сварочному процессу, должны быть осведомлены о возможных рисках, связанных с дуговой сваркой. Их необходимо проинструктировать о мерах предосторожности, как определено в соответствующих международных и национальных стандартах и правилах.
A.2. Состояние оборудования и техническое обслуживание
Все оборудование должно содержаться в исправном рабочем состоянии, проходить регулярные проверки и, в случае выявления неисправностей, своевременно ремонтироваться или выводиться из эксплуатации.
Газовые баллоны должны располагаться или крепиться так, чтобы предотвратить их падение.
A.3. Эксплуатация
Все оборудование должно размещаться таким образом, чтобы оно не создавало опасности в проходах, на лестницах или трапах, и эксплуатироваться в соответствии с инструкциями изготовителя.
Сварочное оборудование может быть тяжелым (например, устройство подачи проволоки с катушкой и снаряжением). Во время ручной переноски необходимо соблюдать осторожность.
A.4. Обучение
Для сварщиков, операторов и руководителей необходима подготовка:
- по безопасному использованию оборудования;
- по технологическим процессам;
- по действиям в аварийных ситуациях.
A.5. Излучение дуги
A.5.1. Общие положения
Дуга генерирует:
- ультрафиолетовое излучение (может повредить кожу и глаза);
- видимый свет (может ослепить глаза и повредить зрение);
- инфракрасное (тепловое) излучение (может повредить кожу и глаза).
Такое излучение может быть прямым или отраженным от поверхностей, таких как полированные металлы и светлые предметы.
A.5.2. Защита глаз и лица (см. также
A.9)
Лицо и глаза должны быть защищены специальным сварочным щитком, оборудованным светофильтром в соответствии с ИСО 4850.
A.5.3. Защита тела (см. также
A.9)
Защита тела должна обеспечиваться специальной одеждой в соответствии со стандартами по безопасности. Использование средств защиты шеи может потребоваться для защиты от отраженного излучения.
A.5.4. Защита людей в зоне горения дуги
В зоне горения дуги следует использовать неотражающие шторы или экраны, ограждающие людей от излучения дуги. Специальное предупреждение, например знак для защиты зрения, должно указывать на опасность оптического излучения дуги.
A.6. Сварочные аэрозоли
При дуговой сварке и родственных процессах образуются сварочные аэрозоли, которые загрязняют атмосферу в зоне выполнения работ. Сварочные аэрозоли представляют собой переменную по составу смесь воздушных газов и мелких частиц, которые при вдыхании или глотании создают опасность для здоровья.
Степень риска зависит:
a) от состава сварочных аэрозолей;
b) от концентрации сварочных аэрозолей;
c) от продолжительности воздействия.
Необходим систематический подход к оценке воздействия сварочных аэрозолей на сварщика и вспомогательных рабочих в конкретных условиях.
Воздействие сварочных аэрозолей может регулироваться с помощью различных мер, например, изменением технологии, применением технических средств, методами работы, применением средств индивидуальной защиты и административными действиями (см.
рисунок A.1).
Примечание. РЗС = Респираторные защитные средства.
Рисунок A.1. Методы контроля сварочного дыма
Во-первых, необходимо рассмотреть, может ли воздействие быть предотвращено путем устранения образования сварочных аэрозолей в целом. Если это невозможно, следует изучить меры снижения количества образуемых сварочных аэрозолей, после чего рассмотреть возможность удаления сварочных аэрозолей в источнике их образования. Использование респираторных средств защиты рассматривается в последнюю очередь. Как правило, респираторные средства защиты должны использоваться только как временные меры. Однако могут сложиться такие обстоятельства, когда в дополнение к вентиляции необходимо использовать средства индивидуальной защиты.
A.7. Шум
В условиях сварочного производства могут присутствовать опасные уровни шума.
Длительное воздействие высокого уровня шума на незащищенные уши очень вредно. Необходимо снизить его до самого низкого практически достижимого уровня.
Высокие уровни шума можно выдерживать в течение коротких промежутков времени при условии применения соответствующих средств защиты согласно национальным или местным правилам и нормам.
При необходимости проводят экспертные проверки с целью установить уровни шума на конкретном участке, и в случае превышения допустимых пределов применяется один из следующих способов:
a) максимальная изоляция источника шума, например, посредством установки глушителей или звуконепроницаемых ограждений;
b) изоляция оператора от источника шума, если это целесообразней, чем способ a);
c) эффективное техническое обслуживание средств звукоизоляции;
d) применение предписывающего знака безопасности "работать в защитных наушниках";
e) ограничение доступа в места, обозначенные знаком безопасности "работать в защитных наушниках", кроме лиц, имеющих на то разрешение и использующих соответствующее средства защиты, такие как наушники или беруши.
A.8. Пожароопасность и взрывоопасность
A.8.1. Общие положения
Дуговая сварка и родственные процессы могут привести к возгораниям и взрывам, поэтому следует принять соответствующие меры предосторожности для предотвращения таких рисков.
A.8.2. Пожароопасность
Для предотвращения риска возгорания огнеопасные материалы должны быть убраны с места выполнения сварки. Если это невозможно, выполняются следующие меры:
a) оставшиеся огнеопасные материалы должны быть накрыты огнеупорным материалом, например деревянные брусья или полы;
b) место выполнения работ должно оставаться под наблюдением в течение достаточного периода времени после их завершения;
c) участки, подвергшиеся нагреву, и прилегающие к ним области должны оставаться под наблюдением до тех пор, пока их температура не снизится до допустимых значений;
d) должен быть обеспечен постоянный доступ к соответствующему противопожарному инвентарю, предназначенному для тушения соответствующих материалов и электроустановок.
A.8.3. Взрывоопасность
Запрещается производить нагрев, резку или сварку баков, бочек или резервуаров до принятия соответствующих мер по предотвращению возгорания огнеопасных или токсичных паров содержавшихся внутри веществ, которое может вызвать взрыв даже после "зачистки".
Полые отливки или емкости перед нагревом, резкой или сваркой подлежат продувке.
Перед началом сварки необходимо проконсультироваться с квалифицированным специалистом.
A.9. Основная защитная одежда
Следует надевать соответствующую защитную огнестойкую одежду, не имеющую загрязнений нефтепродуктами или огнеопасными веществами, а также надлежащие средства защиты зрения, во избежание травм от мелких частиц, таких как шлак, осколки шлифуемых деталей или заусенцы проволоки (см. также
A.5.2 и
A.5.3).
A.10. Ограниченные пространства
Сварочные работы часто выполняются в ограниченных пространствах, где существует опасность воздействия токсичных или удушающих газов, например защитного газа.
Если сварка выполняется в ограниченном пространстве, сварщикам разрешается работать только тогда, когда в непосредственной близости находятся лица, прошедшие инструктаж и способные действовать в чрезвычайной ситуации.
Первым и самым важным шагом является оценка ситуации квалифицированным специалистом, который определяет необходимые действия для обеспечения безопасности выполняемой работы и меры предосторожности, принимаемые во время конкретной операции. Типовые действия показаны на
рисунке A.2.
Рисунок A.2. Типовые действия при работе
в ограниченных пространствах
(справочное)
ПАДЕНИЯ НАПРЯЖЕНИЯ В СВАРОЧНОМ КОНТУРЕ
Сопротивление сварочных кабелей предполагает падение напряжения в сварочном контуре. Это необходимо учитывать при использовании длинных кабелей. На рисунке B.1 показан пример с использованием оборудования процесса MIG/MAG, однако общие принципы применяются ко всем методам сварки.
Рисунок B.1. Пример оборудования MIG/MAG
Например, на указанной выше схеме вольтметр источника питания, как правило, показывает потенциал, измеряемый в точках 1 - 7. Однако это не соответствует заданным параметрам сварочного процесса, так как существуют падения напряжения на отрезках 1 - 2, 3 - 4 и 6 - 7, которые изменяются в зависимости от силы тока, диаметра кабеля, длины и температуры.
Могут возникнуть проблемы, если при выполнении сварки будут использоваться показания вольтметра источника питания, измеряющего потенциал в точках 1 - 7. Это главным образом связано с падениями напряжения в кабелях на отрезках 1 - 2 и 6 - 7.
Падение напряжения в сварочном кабеле пропорционально величине тока, протекающего через него, и может определяться с помощью таблицы B.1.
Таблица B.1
Падение напряжения в медных и алюминиевых
сварочных кабелях при нормальной и повышенной температуре
Номинальное сечение провода, мм2 | Падение напряжения постоянного тока (DC) <a> 100 А/10 м кабеля при нормальной и повышенной температуре |
Медные провода | Алюминиевые провода |
20 °C | 60 °C | 85 °C | 20 °C | 60 °C | 85 °C |
10 | 1,950 | 2,260 | 2,450 | - | - | - |
16 | 1,240 | 1,430 | 1,560 | - | - | - |
25 | 0,795 | 0,920 | 0,998 | 1,248 | 1,450 | 1,580 |
35 | 0,565 | 0,654 | 0,709 | 0,886 | 1,030 | 1,120 |
50 | 0,393 | 0,455 | 0,493 | 0,616 | 0,715 | 0,778 |
70 | 0,277 | 0,321 | 0,348 | 0,440 | 0,511 | 0,555 |
95 | 0,210 | 0,243 | 0,264 | 0,326 | 0,379 | 0,411 |
120 | 0,164 | 0,190 | 0,206 | 0,254 | 0,295 | 0,321 |
150 | 0,132 | 0,153 | 0,166 | 0,208 | 0,242 | 0,263 |
185 | 0,108 | 0,125 | 0,136 | - | - | - |
240 | - | - | - | 0,126 | 0,146 | 0,159 |
<a> Соответствующие значения при использовании переменного тока (AC) могут быть гораздо выше, в зависимости от конфигурации кабелей. |
(справочное)
СВЕДЕНИЯ О СООТВЕТСТВИИ ССЫЛОЧНЫХ МЕЖДУНАРОДНЫХ СТАНДАРТОВ
НАЦИОНАЛЬНЫМ СТАНДАРТАМ РОССИЙСКОЙ ФЕДЕРАЦИИ (И ДЕЙСТВУЮЩИМ
В ЭТОМ КАЧЕСТВЕ МЕЖГОСУДАРСТВЕННЫМ СТАНДАРТАМ)
Таблица ДА.1
Обозначение ссылочного международного стандарта | Степень соответствия | Обозначение и наименование соответствующего национального стандарта |
МЭК 60245-6 | IDT | ГОСТ IEC 60245-6-2011 Кабели с резиновой изоляцией на номинальное напряжение до 450/750 В включительно. Кабели для электродной дуговой сварки |
МЭК/ТО 60755 | IDT | ГОСТ Р МЭК 60755-2012 Общие требования к защитным устройствам, управляемым дифференциальным (остаточным) током |
МЭК 60974-1:2005 | MOD | |
МЭК 60974-6 | - | |
МЭК 60974-4 | IDT | |
МЭК 60974-10 | MOD | ГОСТ Р 51526-2012 (МЭК 60974-10:2007) Совместимость технических средств электромагнитная. Оборудование для дуговой сварки. Часть 10. Требования и методы испытаний |
МЭК 60974-11 | IDT | ГОСТ Р МЭК 60974-11-2014 Оборудование для дуговой сварки. Часть 11. Электрододержатели |
МЭК 60974-12 | IDT | |
<*> Соответствующий национальный стандарт отсутствует. До его утверждения рекомендуется использовать перевод на русский язык данного международного стандарта. Перевод данного международного стандарта находится в Федеральном информационном фонде технических регламентов и стандартов. Примечание. В настоящей таблице использованы условные обозначения степени соответствия стандартов: - MOD - модифицированные стандарты; - IDT - идентичные стандарты. |
IEC 60204-1 | Safety of machinery - Electrical equipment of machines - Part 1: General requirements (МЭК 60204-1 Безопасность машин и механизмов. Электрооборудование промышленных машин. Часть 1. Общие требования) |
IEC 60364-4-41 | Low-voltage electrical installations - Part 4-41: Protection for safety - Protection against electric shock (МЭК 60364-4-41 Электрические установки зданий. Часть 4-41. Защита для обеспечения безопасности. Защита от электрического удара) |
IEC 60974-2 | Arc welding equipment - Part 2: Liquid cooling systems (МЭК 60974-2 Оборудование для дуговой сварки. Часть 2. Системы жидкостного охлаждения) |
IEC 60974-3 | Arc welding equipment - Part 3: Arc striking and stabilizing devices (МЭК 60974-3 Оборудование для дуговой сварки. Часть 3. Средства зажигания дуги и стабилизаторы) |
IEC 60974-5:2007 | Arc welding equipment - Part 5: Wire feeders (МЭК 60974-5:2007 Оборудование для дуговой сварки. Часть 5. Механизм подачи проволоки) |
IEC 60974-7 | Arc welding equipment - Part 7: Torches (МЭК 60974-7 Оборудование для дуговой сварки. Часть 7. Горелки) |
IEC 60974-8 | Arc welding equipment - Part 8: Gas consoles for welding and plasma cutting systems (МЭК 60974-8 Оборудование для дуговой сварки. Часть 8. Пульты подачи газа для сварочных систем и систем плазменной резки) |
IEC 61008 (all parts) | Residual current operated circuit-breakers without integral overcurrent protection for household and similar uses (RCCBs) [МЭК 61008 (все части) Выключатели автоматические, работающие на остаточном токе, без встроенной максимальной токовой защиты бытовые и аналогичного назначения] |
IEC 61009 (all parts) | Residual current operated circuit-breakers with integral overcurrent protection for household and similar uses (RCBOs) [МЭК 61009 (все части) Выключатели автоматические, срабатывающие от остаточного тока, со встроенной защитой от тока перегрузки бытовые и аналогичного назначения] |
IEC 61140 | Protection against electric shock - Common aspects for installation and equipment (МЭК 61140 Защита от поражения электрическим током. Общие аспекты, связанные с электроустановками и электрооборудованием) |
ISO 4850 | Personal eye-protectors for welding and related techniques - Filters - Utilisation and transmittance requirements (ИСО 4850 Устройства для защиты глаз индивидуальные, используемые при сварке и аналогичных процессах. Фильтры. Требования к применению и коэффициенту пропускания) |
ISO 11611 | Protective clothing for use in welding and allied processes (ИСО 11611 Одежда специальная для защиты от искр и брызг расплавленного металла при сварочных и аналогичных работах). |