Главная // Актуальные документы // ГОСТ Р (Государственный стандарт)
СПРАВКА
Источник публикации
М.: Стандартинформ, 2014
Примечание к документу
Документ введен в действие с 1 октября 2014 года.
Название документа
"ГОСТ Р ИСО 9239-1-2014. Национальный стандарт Российской Федерации. Испытания строительных материалов и изделий на пожарную опасность. Метод определения пожарной опасности напольных покрытий путем воздействия теплового потока радиационной панели"
(утв. и введен в действие Приказом Росстандарта от 26.03.2014 N 227-ст)

"ГОСТ Р ИСО 9239-1-2014. Национальный стандарт Российской Федерации. Испытания строительных материалов и изделий на пожарную опасность. Метод определения пожарной опасности напольных покрытий путем воздействия теплового потока радиационной панели"
(утв. и введен в действие Приказом Росстандарта от 26.03.2014 N 227-ст)


Содержание


Утвержден и введен в действие
Приказом Федерального
агентства по техническому
регулированию и метрологии
от 26 марта 2014 г. N 227-ст
НАЦИОНАЛЬНЫЙ СТАНДАРТ РОССИЙСКОЙ ФЕДЕРАЦИИ
ИСПЫТАНИЯ СТРОИТЕЛЬНЫХ МАТЕРИАЛОВ
И ИЗДЕЛИЙ НА ПОЖАРНУЮ ОПАСНОСТЬ
МЕТОД ОПРЕДЕЛЕНИЯ ПОЖАРНОЙ ОПАСНОСТИ НАПОЛЬНЫХ ПОКРЫТИЙ
ПУТЕМ ВОЗДЕЙСТВИЯ ТЕПЛОВОГО ПОТОКА РАДИАЦИОННОЙ ПАНЕЛИ
Reaction to fire tests for floorings.
Method for determination of the burning behavior using
a radiant heat source
ISO 9239-1:2010
Reaction to fire tests for floorings - Part 1:
Determination of the burning behavior using
a radiant heat source
(IDT)
ГОСТ Р ИСО 9239-1-2014
ОКС 59.080.60
13.220.50
97.150
Дата введения
1 октября 2014 года
Предисловие
1. Подготовлен Обществом с ограниченной ответственностью "Научный инновационный центр строительства и пожарной безопасности "М" (ООО "НИЦ СиПБ "М") на основе собственного аутентичного перевода на русский язык международного стандарта, указанного в пункте 4.
2. Внесен Техническим комитетом по стандартизации ТК 274 "Пожарная безопасность".
3. Утвержден и введен в действие Приказом Федерального агентства по техническому регулированию и метрологии от 26 марта 2014 г. N 227-ст.
4. Настоящий стандарт идентичен международному стандарту ИСО 9239-1:2010 "Реакция на огневые испытания напольных покрытий. Часть 1. Определение поведения при горении с помощью источника теплового излучения" (ISO 9239-1:2010 "Reaction to fire tests for floorings - Part 1: Determination of the burning behavior using a radiant heat source").
Наименование настоящего стандарта изменено относительно наименования указанного международного стандарта для приведения в соответствие с ГОСТ Р 1.5-2012 (пункт 3.5).
При применении настоящего стандарта рекомендуется использовать вместо ссылочных международных и регионального стандартов соответствующие им национальные стандарты Российской Федерации, сведения о которых приведены в дополнительном Приложении ДА.
5. Введен впервые.
Правила применения настоящего стандарта установлены в ГОСТ Р 1.0-2012 (раздел 8). Информация об изменениях к настоящему стандарту публикуется в ежегодном (по состоянию на 1 января текущего года) информационном указателе "Национальные стандарты", а официальный текст изменений и поправок - в ежемесячном информационном указателе "Национальные стандарты". В случае пересмотра (замены) или отмены настоящего стандарта соответствующее уведомление будет опубликовано в ближайшем выпуске ежемесячного информационного указателя "Национальные стандарты". Соответствующая информация, уведомление и тексты размещаются также в информационной системе общего пользования - на официальном сайте Федерального агентства по техническому регулированию и метрологии в сети Интернет (gost.ru).
Введение
Результаты этого метода испытания представляют собой основу для оценки поведения напольных покрытий при тепловом воздействии. Тепловое излучение, подаваемое излучателем на образец испытания, имитирует вероятную степень теплоты, которая воздействует через воздушный поток на полы в коридоре, верхняя сторона которых находится в пламени и/или горячих газах во время начальной стадии развития пожара в ограниченном помещении или сегменте.
Испытательный образец приводят в горизонтальное положение под излучателем газового нагревания, который наклонен на 30° к горизонтали, и подвергают воздействию определенного теплового потока. Зажигающее пламя входит в соприкосновение с наиболее нагретой частью испытательного образца. Принцип испытания представлен на рисунке 1. После воспламенения фиксируют образовавшийся фронт пламени и регистрируют горизонтальное распространение фронта пламени вдоль длины образца как расстояние, прошедшее фронтом пламени за определенное время. При необходимости во время испытания регистрируют образование дыма посредством оценки ослабления света в вытяжной шахте.
Результаты приводят в следующей форме: участок распространения пламени во времени, критическое тепловое излучение при затухании пламени, плотность дыма в зависимости от времени.
Примечание. Необходимо принимать во внимание возможность взрыва смеси горючего газа с воздухом в испытательной камере. В системе подачи топлива излучателя должны быть предусмотрены соответствующие меры предосторожности, зарекомендовавшие себя на практике. Эти меры предосторожности должны включать в себя как минимум следующее:
- отключение подачи горючего газа, как только подача воздуха и/или газа будет прервана;
- тепловой датчик или сигнализатор пламени, направленный на поверхность излучателя, который прерывает подачу горючего газа, как только пламя излучателя погаснет.
Во время теплового воздействия на образец испытания необходимо учесть, что могут образоваться ядовитые или опасные газы. Для того чтобы исключить возможное отравление продуктами сгорания, вытяжные установки должны быть сконструированы и эксплуатироваться таким образом, чтобы при работе в лабораторию не проникал дым или газ.
Обслуживающий персонал должен быть обучен таким образом, чтобы благодаря соответствующим мерам предосторожности возможность его отравления продуктами сгорания была сведена к минимуму. Например, персонал должен следить за тем, чтобы вытяжная установка функционировала безупречно, чтобы была одета соответствующая защитная одежда, включая перчатки, и т.д.
1. Область применения
Настоящий стандарт описывает метод определения пожарной опасности напольных покрытий при горении под воздействием теплового потока и распространении пламени на горизонтально расположенных напольных покрытиях, которые подвергаются в испытательной камере воздействию падающего теплового потока и пламени горелки. При оценке дымообразующей способности материала необходимо использовать Приложение A.
Метод испытания применим для всех напольных покрытий, таких, например, как ковровые напольные покрытия, пробка, дерево, резина и пластиковые покрытия, а также для покрытий, нанесенных слоями. Результаты, полученные по этому методу испытания, характеризуют поведение материала при горении для всего испытуемого напольного покрытия, включая какие-либо несущие плиты. Изменения обратной стороны напольного покрытия, склейки с несущей плитой, прокладочного слоя или другие изменения напольного покрытия могут влиять на результаты испытания.
Настоящий стандарт предназначен для оценки и описания свойств напольных покрытий при воздействии тепла и пламени в контролируемых лабораторных условиях. Недопустимо использовать только настоящий стандарт для оценки пожарной опасности или риска в реальных условиях пожара.
Сведения о точности метода испытания приведены в Приложении B.
2. Нормативные ссылки
В настоящем стандарте использованы нормативные ссылки на следующие международные и региональный стандарты:
ИСО 554 Стандартные окружающие условия для кондиционирования и проведения испытаний. Технические условия (ISO 554, Standard atmospheres for conditioning and/or testing: Specifications)
ИСО 13943 Пожарная безопасность - Словарь (ISO 13943, Fire safety - Vocabulary)
ИСО 14697 Реакция на пожарные испытания - Руководство по выбору подложек для строительных и транспортных изделий (ISO 14697, Reaction-to-fire tests - Guidance on the choice of substrates for building and transport products)
ИСО 14934-3 Пожарные испытания - Калибровка и использование измерителей потока тепла - Часть 3: Вторичные методы калибровки (ISO 14934-3, Fire tests - Calibration and use of heat flux meters - Part 3: Secondary calibration method)
ЕН 13238 Реакция строительных изделий на пожарные испытания - Процедуры подготовки и общие правила выбора подложек (EN 13238, Reaction to fire tests for building products. Conditioning procedures and general rules for selection of substrates)
МЭК 60584-1 Термопары - Часть 1: Справочные таблицы (IEC 60584-1, Thermocouples - Part 1: Reference tables).
Примечание. Для недатированных ссылок применяют последнее издание ссылочного стандарта (включая все его изменения).
3. Термины и определения
В настоящем стандарте применены термины по ИСО 13943, а также следующие термины с соответствующими определениями:
3.1. Тепловой поток, кВт/м2: тепловая мощность, воздействующая на единицу площади. Тепловой поток составляют как тепловой поток от излучения, так и тепловой поток от конвекции.
3.2. Критический тепловой поток при затухании пламени; CHF, кВт/м2: тепловой поток, воздействующий на какое-либо место поверхности испытательного образца, начиная с которого пламя дальше не распространяется и затем может быть потушено. Значение критического теплового потока, которое должно быть указано, базируется на интерполяции результатов измерения, достигнутых с негорючим калиброванным образцом испытания.
3.3. Тепловой поток через X минут (HF-X), кВт/м2: тепловой поток, воздействующий на испытательный образец в каком-либо месте, начиная с которого фронт пламени в течение времени испытания X мин наиболее удален от нулевой линии испытательного образца.
3.4. Критический тепловой поток, кВт/м2: тепловой поток, при котором пламя затухает (CHF) или тепловой поток через 30 мин (HF-30). Наименьшее из значений является определяющим (то есть тепловой поток с максимальным распространением пламени в пределах 30 мин).
3.5. Профиль теплового потока: кривая, полученная по значениям теплового потока на поверхности испытательного образца и расстояния до нулевой линии испытательного образца. Нулевая линия испытательного образца профиля теплового потока лежит на крае нагретой стороны держателя испытательного образца.
3.6. Продолжительное горение: наличие пламени на и над поверхностью испытательного образца в течение более чем 4 с.
3.7. Участок воспламенения: максимальное распространение продолжительного горения по длине испытательного образца от нулевой линии, начиная с указанного момента времени.
3.8. Напольное покрытие: самый(ые) верхний(ие) слой(и) пола, включая какое-либо нанесенное верхнее покрытие, с/или без прикрепленной обратной стороной и с какой-либо соответствующей подкладкой, прокладкой и зафиксированное клеем.
3.9. Несущая плита: строительный продукт, который служит непосредственно как подкладка для строительного продукта, о котором требуется информация. Для испытуемого напольного покрытия это пол, на который наносится напольное покрытие, или же материал, который представляет собой пол.
4. Основные положения
Испытательный образец помещают в горизонтальном положении под зажигаемой газом панелью, излучающей тепло, наклоненной под углом 30°, таким образом, чтобы на испытательный образец воздействовал тепловой поток. Более нагретую часть испытательного образца подвергают воздействию пилотного пламени. Принцип испытания показан на рисунке 1. После возгорания ведут наблюдение за каждым фронтом пламени и регистрируют горизонтальное продвижение пламени по длине образца. Фиксируют время, которое требуется пламени, чтобы продвинуться на определенное расстояние. Если нужно, регистрируют образование дыма посредством передачи света через продукты горения.
Результаты выражают в значениях расстояния, на которое распространяется пламя за определенное время, критического теплового потока и плотности дыма относительно времени.
5. Оборудование для испытаний
5.1. Установку следует устанавливать в помещении на минимальном расстоянии 0,4 м от стен и потолка. Она должна иметь размеры, указанные на рисунках 2 - 5.
5.2. Испытательная камера должна состоять из плит из силиката кальция толщиной (13 +/- 1) мм и номинальной плотностью 650 кг/м3; на передней стороне испытательной камеры должно быть смонтировано точно выполненное по размеру огнеупорное стеклянное окно с размерами (110 +/- 10) x (1100 +/- 100) мм таким образом, чтобы за образцом во время испытания можно было наблюдать по всей его длине. Испытательная камера снаружи может быть обшита металлом. Под наблюдательным окном должна быть герметично закрывающаяся дверца для установки и изъятия держателя образца.
5.3. Держатель испытательного образца должен быть изготовлен по размерам, указанным на рисунке 6, из теплостойких L-профилей из высококачественной стали толщиной (2,0 +/- 0,1) мм. В процессе испытания испытательный образец должен подвергаться нагреву через проем с размерами (200 +/- 3) x (1015 +/- 10) мм. Держатель испытательного образца прикрепляют с обоих концов двумя винтами к опорной раме, движущейся по шинной направляющей.
Держатель образца должен быть снабжен устройством для крепления испытательного образца (например, полосовой сталью с клеммами). Общая толщина держателя испытательного образца должна составлять (22 +/- 2) мм.
5.4. Дно испытательной камеры должно состоять из движущейся в шинной направляющей опорной рамы, на которой может жестко закрепляться держатель испытательного образца в прочном горизонтальном положении (см. рисунок 1). Общая площадь приточного воздуха между испытательной камерой и держателем образца должна составлять (0,23 +/- 0,03) м2 и быть равномерно распределена со всех сторон испытательного образца.
5.5. С обеих сторон испытательного образца должна быть нанесена шкала с делениями на расстоянии 10 и 50 мм, начиная от внутреннего края держателя испытательного образца.
5.6. Источником теплового излучения является излучатель из пористого огнеупорного материала, закрепленный в стальной раме, который должен иметь поверхность теплового излучения (300 +/- 10) x (450 +/- 10) мм.
Излучатель должен быть устойчив к температурам до 900 °C. Система смешивания горючего газа/воздуха должна быть установлена с помощью соответствующего инструмента таким образом (см. Приложение C), чтобы был обеспечен равномерный и повторяющийся режим работы.
Излучатель должен быть закреплен в испытательной камере под углом (30 +/- 1)° к горизонтали (см. рисунок 5).
5.7. В качестве зажигательной горелки для оказания воздействия пламенем на испытательный образец следует использовать горелку из нержавеющей стальной трубы номинальным внутренним диаметром 6 мм и номинальным наружным диаметром 10 мм, имеющую два ряда с отверстиями для выхода газа. Зажигательная горелка имеет 19 равномерно распределенных отверстий диаметром по 0,7 мм, радиально расположенных на высоте средней линии, а также 16 отверстий диаметром по 0,7 мм, расположенных радиально на 60° под средней линией (см. рисунок 7). Во время испытания поток газа пропана должен быть установлен на объемный поток (0,026 +/- 0,002) л/с. Зажигательная горелка должна быть расположена таким образом, чтобы пламя из нижнего ряда отверстий, удаленных на (10 +/- 2) мм от нулевой линии испытательного образца, воздействовало на испытательный образец (см. рисунок 8). Если зажигательная горелка находится в состоянии зажигания, то она должна находиться на 3 мм выше края держателя испытательного образца. Если зажигательная горелка не применяется на испытательном образце, то она должна быть удаленной как минимум на 50 мм от нулевой линии испытательного образца. Газ, используемый при данном испытании, должен быть обычным, имеющимся в продаже газом-пропаном с теплотой сгорания примерно 83 МДж/м3.
Примечания
1. Важно содержать в чистоте отверстия зажигательной горелки. Мягкая проволочная щетка зарекомендовала себя пригодной для удаления загрязнений с поверхности. Для просверленных отверстий подходит проволока из хромоникелевой или нержавеющей стали наружным диаметром 0,5 мм.
2. При правильно настроенном газовом потоке и при приведении зажигательной горелки в состояние зажигания размер зажигательного пламени по высоте над длиной горелки составляет значение, лежащее между 60 и 120 мм (см. рисунок 8).
5.8. Для удаления продуктов сгорания следует использовать дымоход, отделенный от выпускной трубы установки. При выключенном излучателе, вставленном калибровочном испытательном образце и закрытой крышке скорость воздуха в вытяжной шахте должна составлять (2,5 +/- 0,2) м/с.
5.9. Для измерения скорости воздуха в дымоходе следует использовать анемометр с точностью +/- 0,1 м/с. Он должен быть закреплен в вытяжной шахте таким образом (см. рисунок 4), чтобы его место измерения совпадало со средней линией вытяжной шахты и лежало на расстоянии (250 +/- 10) мм над нижним краем вытяжной шахты.
5.10. Для контроля нагрева радиационной панели следует использовать пирометр с областью измерения от 480 °C до 530 °C (температура черного тела) и границей погрешности +/- 5 °C. Пирометр излучения должен охватывать кругообразную область диаметром 250 мм при удалении на расстояние примерно 1,4 м. Чувствительность пирометра должна быть в основном постоянной в диапазоне длин волн между 1 и 9 мкм.
5.11. В испытательной камере должен быть установлен термоэлемент типа К согласно ЕН 60584-1 диаметром 3,2 мм с изолированным и незаземленным местом измерения. Термоэлемент должен быть расположен на среднем перпендикулярном уровне испытательной камеры в ее продольном направлении на удалении 25 мм ниже крыши испытательной камеры и 100 мм от внутренней стенки вытяжной шахты (см. рисунки 4 и 5).
Второй термоэлемент должен быть расположен в точке по оси дымохода на расстоянии (150 +/- 2) мм от его верхнего края. Термоэлементы следует чистить после каждого испытания.
5.12. Датчик теплового потока, используемый для определения профиля теплового потока испытательного образца, должен быть прибором типа Шмидта-Боелтера без окна и иметь диаметр 25 мм. Он должен иметь область измерения от 0 до 15 кВт/м2 и быть калиброван по области применения от 1 до 15 кВт/м2. Прибор следует охлаждать водой температурой от 15 °C до 25 °C.
Датчик измерения плотности теплового потока должен иметь границу погрешности +/- 3% соответствующего измеренного значения.
5.13. В качестве калибровочного испытательного образца следует использовать плиту из силиката кальция толщиной (20 +/- 1) мм и объемной массой (850 +/- 100) кг/м3. Ее толщина должна составлять (250 +/- 10) мм, а длина - (1050 +/- 20) мм (см. рисунок 6). Вдоль своей средней линии на расстоянии 110 мм, 210 мм и до 910 мм от нулевой линии испытательного образца она должна иметь отверстия диаметром (26 +/- 1) мм.
5.14. Показания пирометра, прибора(ов) измерения теплового потока и устройства измерения плотности дыма следует фиксировать.
5.15. Если это необходимо, в процессе испытания согласно Приложению A проводят измерения плотности дыма.
5.16. С помощью прибора измерения времени возможна индикация истекшего времени до 1 с; неточность измерения может составлять максимум 1 с в 1 ч.
6. Испытательные образцы
Испытательные образцы должны быть подготовлены из напольного покрытия с учетом условий практического использования.
6.1. Следует изготовлять шесть испытательных образцов размерами (1050 +/- 5) x (230 +/- 5) мм, причем три испытательных образца должны быть разрезаны в направлении изготовления и три испытательных образца - перпендикулярно направлению изготовления.
6.2. Испытательный образец устанавливают на несущую плиту, которая имитирует в практическом использовании пол (см. ЕН 13238 или ИСО 14697). Тип и технологию монтажа в практическом использовании материала следует учитывать.
6.3. Клей для испытательных образцов должен представлять собой используемый на практике клей. Если на практике используют различные клеи, то следует подготовить или испытательные образцы с каждым отдельным клеем, или испытательные образцы без клея.
6.4. Нижний слой испытательных образцов должен представлять собой используемое на практике изделие.
6.5. Если испытательный образец состоит из плиток, то стык должен быть на расстоянии 250 мм от нулевой линии испытательного образца. Если плитки не склеены, то края стыков должны быть механически закреплены на несущей плите.
Если ширина испытательного образца не позволяет разместить его на основании, то необходимо обеспечить продольную стыковку испытательного образца.
6.6. Свободно укладываемые покрытия, включая плитку, когда их испытывают без клеевой основы, следует закреплять механически (см. 5.3).
Напольные покрытия, которые отрываются держателем образца по причине сжатия, могут давать различные результаты испытания в зависимости от типа крепления. Поэтому необходимо уделять особое внимание методам закрепления напольных покрытий, которые во время тепловой нагрузки имеют тенденцию к отрыванию. Дополнительные подробности по креплению испытательных образцов см. в стандартах на соответствующую продукцию.
6.7. Для определения влияния моющих растворов на пожарно-технические характеристики напольных покрытий следует использовать методы мытья и очистки, которые установлены в технической документации для соответствующего напольного покрытия.
6.8. Формальное испытание состоит из результатов для трех испытательных образцов, которые являются полностью идентичными.
Дополнительные подробности по подготовке испытательных образцов - в соответствии с техническими условиями на продукцию.
Для свободно укладываемых материалов и материалов, которые плавятся, образуя зоны расплава, важно, чтобы стороны держателя были полностью закрыты. Не следует пытаться увеличить высоту держателя, чтобы поток тепла лучше попадал на образец.
7. Кондиционирование
Кондиционирование испытательных образцов проводят в соответствии с ЕН 13238 или ИСО 554. Для напольных покрытий, которые наклеены на несущие плиты, время схватывания составляет минимум 3 сут. Это время может быть частью кондиционирования.
8. Метод испытания
8.1. Метод калибровки
8.1.1. Следующие методы калибровки необходимо применять после каждого существенного изменения оборудования испытания и как минимум один раз в месяц. Если в следующих друг за другом калибровках не установлено никаких изменений, то этот промежуток времени может продлеваться до шести месяцев.
8.1.2. Опорная рама, движущаяся по шинной направляющей, с калиброванным испытательным образцом должна быть размещена в испытательной камере. При включенной вытяжке и закрытой крышке измеряют скорость воздуха в дымоходе и в случае необходимости устанавливают (2,5 +/- 0,2) м/с. Включают излучатель.
Установка должна прогреться как минимум в течение 1 ч, пока температура в испытательной камере не стабилизируется (см. 8.2.2). В течение этого времени зажигательная горелка должна быть выключена.
8.1.3. Тепловой поток измеряют в точке 410 мм с помощью датчика измерения теплового потока. Он должен быть расположен в отверстии таким образом, чтобы его плоскость была на 2 - 3 мм выше и параллельна уровню калибровочного образца. Результат измерения следует считывать через 30 с. Если тепловой поток составляет (5,1 +/- 0,2) кВт/м2, можно начинать определение профиля теплового потока. Если это значение не достигается, необходимо выполнить требуемые дополнительные настройки подачи горючего газа излучателя. Минимум через 10 мин необходимо снова считать показания датчика теплового потока.
8.1.4. Определяют профиль теплового потока. Датчик измерения теплового потока вводят последовательно в каждое отверстие, начиная с отверстия 110 мм и до отверстия 910 мм, причем значения показания прибора во время измерения должны соответствовать данным 8.1.3. Для того чтобы определить, изменился ли тепловой поток во время измерения, необходимо выполнить после измерения в точке 910 мм контрольное измерение в точке 410 мм.
8.1.5. Значения измерений теплового потока следует записывать в зависимости от расстояния до нулевой линии испытательного образца. Через точки измерений должна быть тщательно проведена сплошная кривая линия. Эту кривую обозначают в дальнейшем как профиль теплового потока (см. рисунок 9).
Если профиль теплового потока лежит в пределах границ погрешности, указанных в таблице 1, то прибор испытания считают откалиброванным и определение профиля теплового потока считают оконченным. Если этого не происходит, то необходимо тщательно настроить подачу горючего газа и затем подождать минимум 10 мин, пока температура в камере испытания не стабилизируется. Затем повторяют метод до тех пор, пока профиль теплового потока не будет содержать значений, указанных в таблице 1.
Примечание. Обычно корректировка теплового потока на нагретом конце образца испытания может быть достигнута путем изменения расхода газа. Чтобы скорректировать тепловой поток на холодном конце образца испытания, может потребоваться изменение как расхода газа, так и притока воздуха.
Таблица 1
Требуемое распределение теплового потока
по калибровочному образцу
Расстояние до нулевой линии испытательного образца, мм
Тепловой поток, кВт/м2
Границы погрешностей, кВт/м2
110
10,9
+/- 0,4
210
9,2
+/- 0,4
310
7,1
+/- 0,4
410
5,1
+/- 0,2
510
3,5
+/- 0,2
610
2,5
+/- 0,2
710
1,8
+/- 0,2
810
1,4
+/- 0,2
910
1,1
+/- 0,2
8.1.6. Откалиброванный образец для испытаний должен быть удален. Через 5 мин после того, как была закрыта крышка, должны быть измерены температура черного тела излучателя и температура в камере испытания. Результаты должны быть зарегистрированы.
8.2. Процедура испытаний
8.2.1. Устанавливают поток воздуха в дымоходе в соответствии с 8.1.2. Калибровочный образец извлекают из испытательной камеры и закрывают дверцу. Включают излучатель. Выдерживают нагрев испытательной камеры в течение минимум 1 ч, пока температура не стабилизируется.
8.2.2. Измеряют температуру черного тела излучателя. Она должна лежать в пределах отклонения +/- 5 °C от температуры черного тела, установленной в калибровочном испытании согласно 8.1.6. Температура камеры испытания должна быть в пределах отклонения +/- 10 °C от температуры испытательной камеры, установленной в калибровочном испытании согласно 8.1.6.
Если температура черного тела излучателя или температура испытательной камеры лежит за пределами указанных отклонений, необходимо отрегулировать подачу газа/воздуха к излучателю. Затем должно быть выполнено контрольное измерение обеих температур после их стабилизации в течение 15 мин. Если температуры лежат в пределах указанных отклонений, прибор испытания готов к испытанию.
Если потребуется, устройство для измерения плотности дыма должно быть настроено таким образом, чтобы выходное значение было равно 100%. Необходимо удостовериться в том, что устройство для измерения плотности дыма перед измерением стабилизировалось. Если нет, то оно должно быть отрегулировано. Должна быть проверена и, в случае необходимости, отрегулирована подача продувочного воздуха как к датчику измерения света, так и к приемнику света.
8.2.3. Испытательный образец, включая какую(ие)-либо подложку(и), размещается на держателе образца. Если не используется никакого другого крепежного средства, то зажимают стальные крепежные клеммы с задней стороны конструкции испытательного образца и закручивают гайки. В случае необходимости ворс текстильных напольных покрытий выравнивают с помощью пылесоса. Затем испытательный образец вместе с держателем испытательного образца закрепляют на передвижной опорной раме.
Зажигательную горелку поджигают на расстоянии минимум 50 мм до предусмотренного положения нулевой линии испытательного образца и там оставляют. Затем передвижную опорную раму с испытательным образцом задвигают в испытательную камеру и дверцу камеры сразу же после этого закрывают. Этот момент времени считается началом испытания. Включают прибор измерения времени и записывающие приборы.
После предварительного подогрева в течение 2 мин на расстоянии минимум 50 мм до нулевой линии испытательного образца зажигательное пламя согласно 5.5 входит в соприкосновение с испытательным образцом, удаленным на 10 мм от края держателя испытательного образца. Пламя зажигательной горелки должно соприкасаться с испытательным образцом 10 мин; затем горелка должна быть возвращена в положение, удаленное как минимум на 50 мм от нулевой линии испытательного образца. Пламя горелки должно быть потушено. Во время испытания как подача газа, так и подача воздуха к излучателю должна поддерживаться постоянной.
8.2.4. Через промежутки времени в 10 мин, начиная от начала испытания, и при тушении пламени следует измерять расстояния между фронтом пламени и нулевой отметкой с округлением до 10 мм. Следует записывать все специальные наблюдения, такие как вспышки, оплавления, образование пузырей, продолжительность и место тления после тушения пламени, прогорания несущей плиты и т.д.
Дополнительно следует фиксировать время, при котором пламя достигло точки измерения 50 мм, и время, при котором в течение испытания была достигнута самая удаленная точка измерения, причем измерение должно быть проведено с округлением до 10 мм.
Если заказчик не требует более длительной продолжительности испытания, то испытание должно быть окончено через 30 мин.
8.2.5. При необходимости определение оптической плотности дыма следует проводить согласно Приложению A.
8.2.6. Необходимо провести испытание каждого из двух образцов, один из которых был вырезан в одном направлении, а другой - в направлении, перпендикулярном первому, согласно 6.1. Отмечают, у какого из двух образцов показатели CHF и/или HF-30, рассчитанные в соответствии с разделом 9, ниже. Следует испытать еще два образца, вырезанные в этом направлении (см. 6.1).
8.2.7. Последующее испытание можно начинать только тогда, когда температура черного тела и температура камеры испытания соответствуют требованиям 8.2.2. Держатель образца испытания перед закреплением нового образца испытания должен быть охлажден до комнатной температуры.
9. Оценка результатов испытания
9.1. На основании кривой профиля теплового потока (см. 8.1.5) пересчитывают наблюдаемые участки горения в кВт/м2 и определяют критический тепловой поток, с округлением до 0,2 кВт/м2. Образцы испытания, которые не воспламенялись, или с участками горения менее 110 мм имеют критический тепловой поток выше 11 кВт/м2. Образцы с участками горения, большими, чем 910 мм, имеют критический тепловой поток менее 1,1 кВт/м2. Образцы, при которых пламя не затухало в течение 30 мин, имеют только одно значение HF-30.
9.2. Результаты четырех испытаний (см. 8.2.6) относительно значения CHF и/или значения HF-30 следует фиксировать вместе с данными о соответствующем направлении. Должно быть рассчитано среднее значение для критического теплового потока из трех образцов испытания с одинаковым направлением.
9.3. При продолжительности испытания более чем 30 мин следует фиксировать время до затухания пламени вместе с максимальным участком горения (расстояние между фронтом пламени и нулевой линией образца испытания) и фиксировать значение CHF.
9.4. Следует фиксировать время достижения пламенем линии измерения 50 мм вместе с участками горения, измеренными через интервалы 10 мин согласно 8.2.4, чтобы определять значение HF-X в зависимости от требования, например HF-10, HF-20, HF-30. Кроме того, следует фиксировать время затухания пламени и максимальный пройденный при этом участок горения.
9.5. Если потребуется, следует фиксировать результаты испытания плотности дыма согласно Приложению A.
10. Оформление отчета об испытаниях
Отчет об испытании должен содержать как минимум следующие данные (при этом должно быть четкое различие между данными, полученными от заказчика, и теми, которые были получены при испытании):
a) указание на то, что испытание было проведено в соответствии с настоящим стандартом;
b) каждое отклонение от этого метода испытания;
c) наименование и адрес испытательной лаборатории;
d) дата и кодовый номер отчета об испытании;
e) наименование и адрес заказчика;
f) наименование и адрес изготовителя/поставщика, если они известны;
g) дата поступления испытательного образца;
h) идентификация продукта;
i) описание метода для отбора испытательного образца, если это требуется;
j) общее описание исследуемого строительного продукта, включая плотность, размеры, касающиеся площади, толщину и конструктивное исполнение;
k) подробности о кондиционировании;
l) дата испытания;
m) результаты испытания согласно разделу 9;
n) наблюдения во время испытания;
o) следующую запись:
"Результаты испытания относятся только к поведению испытательных образцов строительного продукта с учетом специальных испытательных условий при испытании; они не должны считаться единственным критерием для оценки потенциальной опасности возникновения пожара строительного продукта в случае использования".
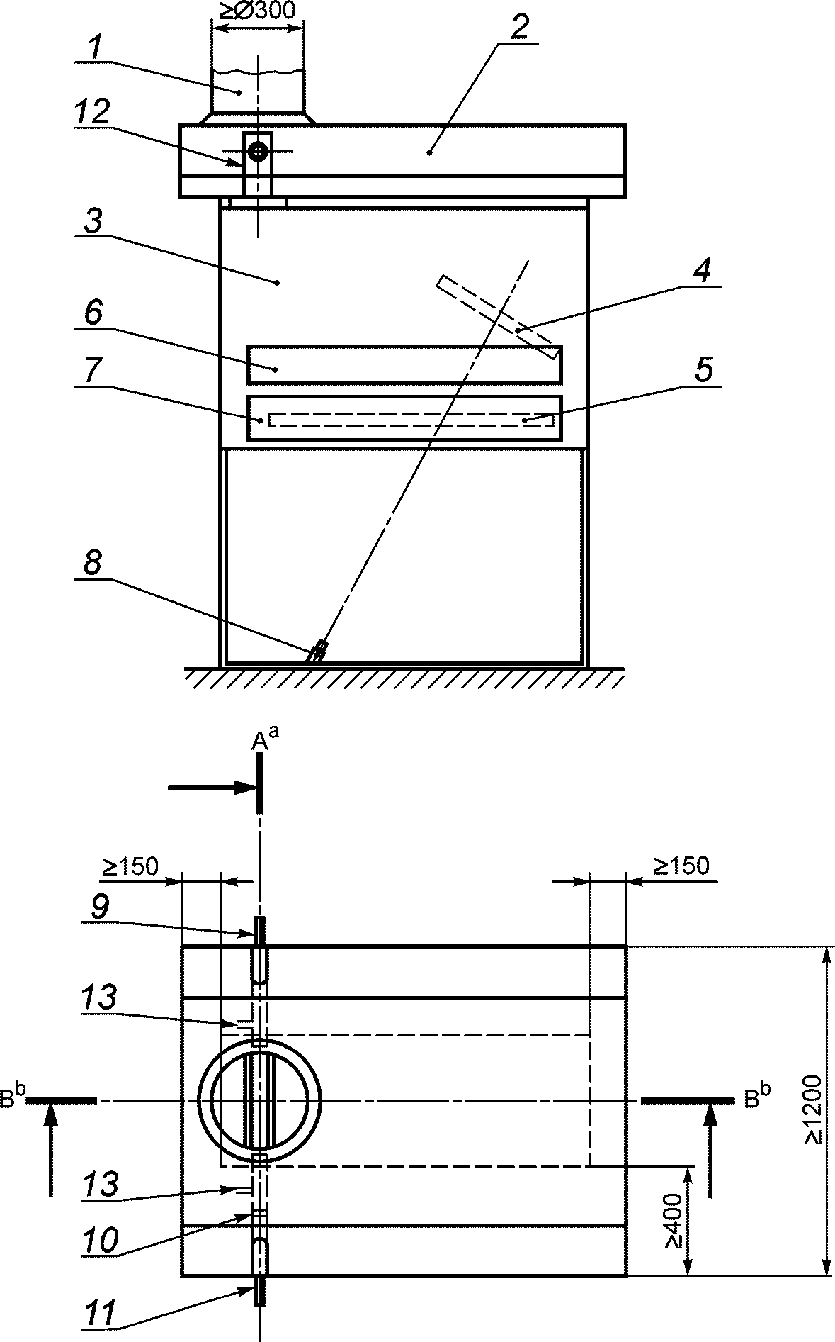
1 - лампа; 2 - вытяжка; 3 - приемник света;
4 - вытяжной зонт; 5 - испытательная камера;
6 - поджигаемая газом излучающая панель;
7 - пилотное пламя от линии горелок; 8 - линейка;
9 - окно наблюдения; 10 - держатель образца с испытательным
образцом и со скользящей платформой; 11 - доступ воздуха
вокруг испытательного образца внизу камеры
Рисунок 1. Общий вид установки
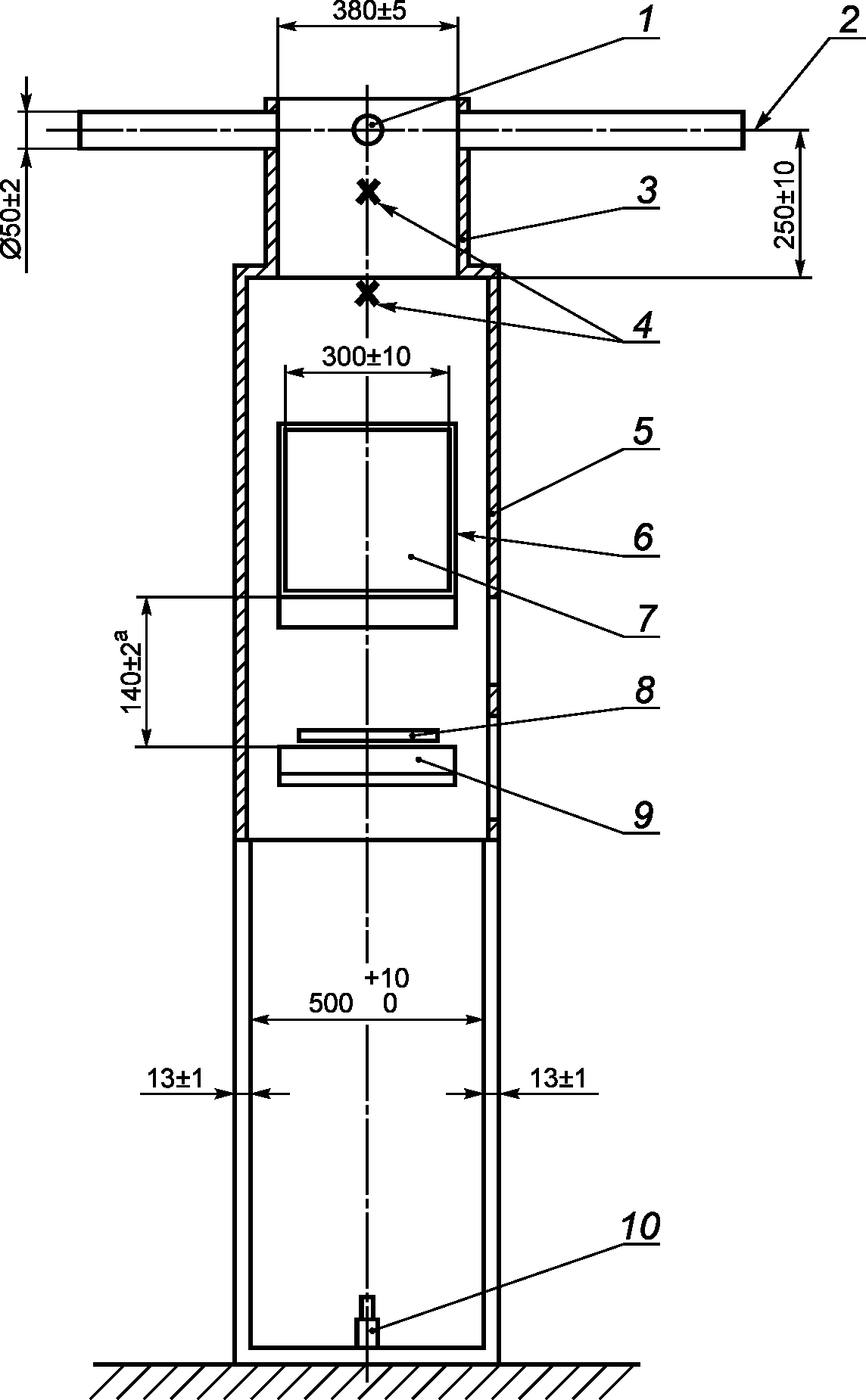
1 - вытяжной трубопровод; 2 - вытяжной зонт;
3 - испытательная камера; 4 - газовый излучатель;
5 - держатель испытательного образца;
6 - испытательный образец; 7 - дверца камеры; 8 - пирометр;
9 - источник света; 10 - прорезь для крепления
калибровочного фильтра; 11 - приемник света;
12 - вытяжная шахта; 13 - воздушный трубопровод;
a - сечение B-B, см. на рисунке 5;
b - сечение A-A, см. на рисунке 4
Рисунок 2. Вид сбоку и вид сверху
1 - вытяжка; 2 - лампа; 3 - стальные трубы для системы
измерения света; 4 - детектор; 5 - бурт или резиновые
кольца; 6 - разъем для калибровочных фильтров;
7 - вытяжной зонт; 8 - держатель с испытательным образцом;
9 - испытательная камера; 10 - дверь камеры;
11 - воздушный трубопровод
Рисунок 3. Вид со стороны A-A испытательного оборудования
(см. рисунок 2)
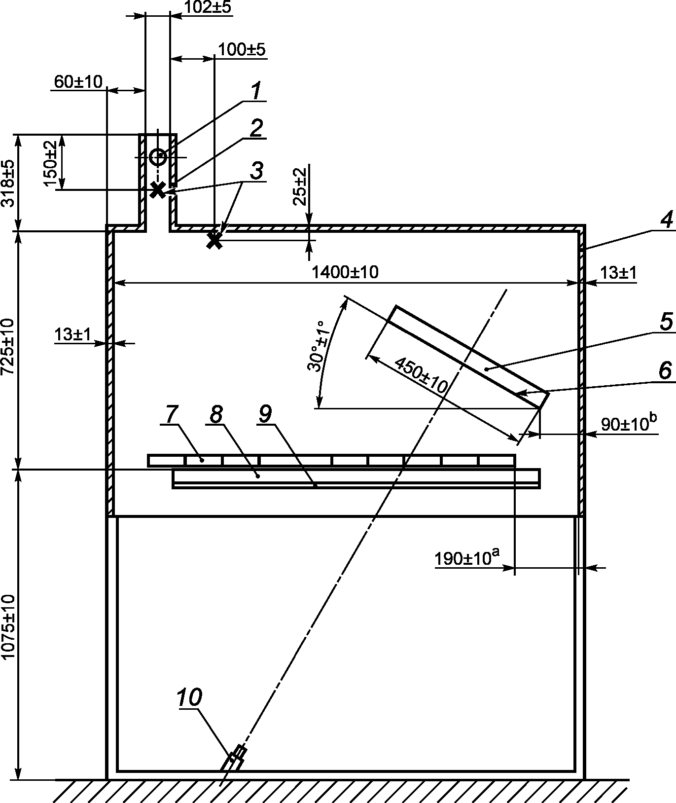
1 - место измерения для анемометра; 2 - измерительный луч
света; 3 - вытяжная шахта; 4 - термоэлементы;
5 - испытательная камера; 6 - излучатель,
подогреваемый газом; 7 - излучающая поверхность;
8 - зажигательная горелка; 9 - держатель образца
с испытательным образцом; 10 - пирометр;
a - расстояние от поверхности испытательного образца,
подвергаемой нагрузке, до нижнего края излучателя
Рисунок 4. Сечение A-A
1 - отверстие для участка измерения света;
2 - вытяжная шахта; 3 - термоэлементы; 4 - камера испытания;
5 - радиационная панель; 6 - излучающая поверхность;
7 - шкала; 8 - держатель образца испытания с образцом
испытания; 9 - шинная направляющая для образца испытания;
10 - пирометр; a - расстояние от нулевой отметки
(внутреннего края держателя) до внутренней поверхности
стенки камеры; b - расстояние от нижнего края излучающей
панели до внутренней поверхности стенки камеры
Рисунок 5. Сечение B-B прибора испытания
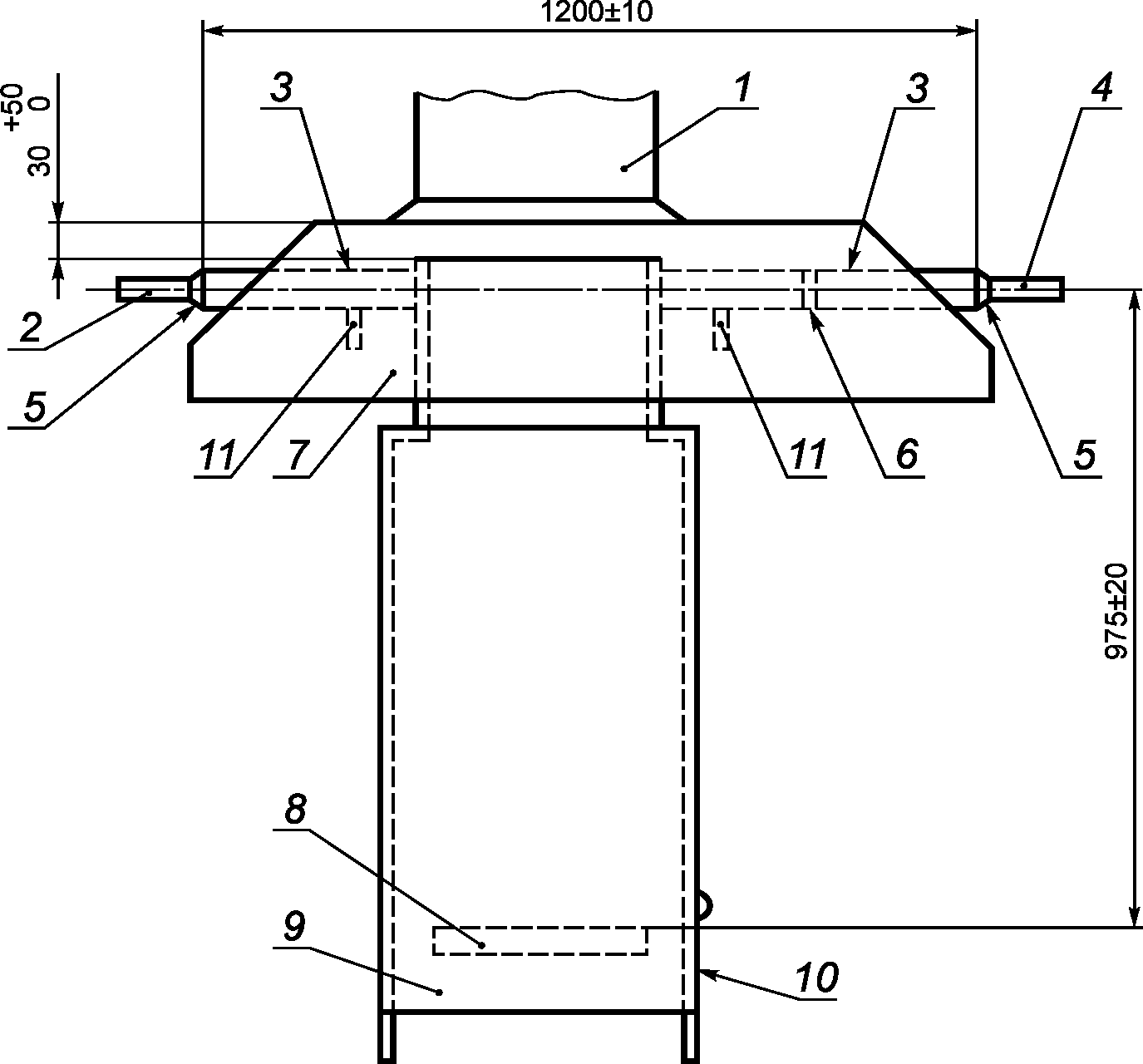
1 - держатель образца; 2 - калибровочный образец;
3 - крепление, зажимы; 4 - нулевая отметка
Рисунок 6. Держатель образца с калибровочным образцом
Рисунок 7. Горелка
1 - пилотная горелка; 2 - держатель; 3 - испытательный
образец; 4 - пропан; 5 - нулевая отметка;
h - высота пилотного пламени (см. 5.7, примечание 2)
Рисунок 8. Расположение пилотной горелки
над испытательным образцом во время поджигания
X - расстояние до нуля, мм; Y - тепловой поток, кВт/м2;
1 - верхний предел; 2 - номинальное значение;
3 - нижний предел
Примечание. В таблице 1 даны значения профиля теплового потока.
Рисунок 9. График распределения плотности теплового потока
Приложение A
(обязательное)
ОПРЕДЕЛЕНИЕ ПЛОТНОСТИ ДЫМА
A.1. Общие положения
При необходимости дополнительно к требованиям настоящего стандарта следует проводить определение плотности дыма в соответствии с настоящим приложением.
A.2. Принцип
Оптическую плотность дыма определяют путем измерения ослабления света с помощью измерительного устройства, состоящего из источника света, линзы, диафрагмы и фотоприемника (см. рисунок A.1).
A.3. Аппаратура
A.3.1. Фотометрическая система должна быть сконструирована таким образом, чтобы отложение сажи во время испытания не влияло на ослабление света более чем на 2%.
A.3.2. Температура лампы накаливания должна составлять (2900 +/- 100) К. Лампа света должна быть подключена от стабилизированного источника постоянного тока, стабильного в пределах +/- 0,5% (включая температуру, кратковременную и долговременную стабильность).
A.3.3. Расположение линз должно направлять свет в пучок параллельных световых лучей диаметром минимум 20 мм (см. рисунок A.1).
A.3.4. Диафрагма должна располагаться в фокусе линзы L2 в соответствии с рисунком A.1, а диаметр диафрагмы d должен в зависимости от расстояния от линзы L2 до ее фокуса f устанавливаться таким образом, чтобы d/f было менее чем 0,04.
A.3.5. Выходные значения фотоприемника должны быть линейны по выходной области минимум двух десятичных степеней в пределах 3% измерительного передаточного значения или 1% абсолютной передачи, что калибруют посредством использования оптических фильтров. Как рассеяние, так и дрейф системы должны составлять менее 0,5% входного значения.
Приемник света должен в соответствии с CIE иметь соответствующую чувствительность света, функция V(k) (фотооптические кривые CIE) должна иметь точность минимум +/- 5%.
A.4. Установка фотометрической системы
Измерительное устройство для измерения плотности дыма располагают на продольной оси в вытяжной шахте, чтобы измерить ослабление света вследствие дыма. Приемник измерительного света и датчик измерительного света закрепляют на соответствующей собственной раме за пределами вытяжной установки. Рама соединена с вытяжным люком только в одном месте. Между вытяжной шахтой камеры испытания и стенкой вытяжной установки должны быть расположены стальные трубы с внутренним диаметром 50 мм. Эти трубы должны иметь места соединения для впуска продувочного воздуха. Скорость потока продувочного воздуха должна быть около 25 л/ч в каждой из двух труб. Расположение измерительного устройства для измерения плотности дыма представлено на рисунках 3 - 5 настоящего стандарта.
Примечание. Подходящим является измерительное устройство для измерения плотности дыма, соответствующее ДИН 50055:1989.
A.5. Калибровка фотометрической системы
A.5.1. Общие сведения
Калибровку измерительного устройства для измерения плотности дыма следует проводить перед началом испытания после новой настройки, техобслуживания, ремонта или замены держателя измерительного устройства для измерения плотности дыма или другой существенной детали вытяжной установки, или не позднее чем каждые шесть месяцев. Калибровка состоит из двух частей: испытания стабильности выходных значений и испытания с оптическим фильтром.
A.5.2. Проверка стабильности
Должны быть выполнены следующие операции при работающей фотометрической системе и отключенной радиационной панели:
a) поток воздуха в дымоходе должен быть установлен на расход (2,5 +/- 0,2) м3/с;
b) начинают измерение времени и записывают сигнал от приемника света в течение 30 мин;
c) определяют отклонение с помощью процедуры подбора методом наименьших квадратов, чтобы выстроить прямую линию через точки данных.
Абсолютное значение разницы между значением 0 и 30 мин этой линии составляет отклонение. Если отклонение или рассеивание выходит за пределы, указанные в A.3.5, испытание не следует проводить, пока калибровка не будет соответствовать техническим условиям;
d) определяют рассеивание посредством вычисления среднеквадратического отклонения (rms) от линейного направления.
A.5.3. Оптические фильтры для проверки фотометрической системы
Измерительное устройство следует калибровать как минимум с пятью оптическими фильтрами, лежащими в области оптической плотности от 0,05 до 2,0 (от 89% до 1% пропускания). Фильтры нейтральной плотности, используемые для калибровки, должны иметь дисперсный демпфирующий фактор. Не допускаются фильтры с покрытием.
Оптическую плотность следует рассчитывать по формуле
OD = -log (T), (A.1)
где T - пропускание, которое лежит в области от 0 до 1, причем 1 соответствует 100%-ному пропусканию.
A.5.4. Проверка системы с помощью оптических фильтров
Систему измерения света калибруют, используя следующую процедуру.
Выполняют следующие операции при работающем измерительном оборудовании:
a) помещают блокирующую свет вставку в держатель фильтра и проверяют нуль;
b) убирают вставку и регулируют сигнал от приемника света до 100%;
c) начинают измерение и запись сигнала от приемника света в течение 2 мин;
d) применяют по очереди каждый из фильтров нейтральной плотности и записывают соответствующий сигнал в течение не менее 1 мин;
e) прекращают прием данных и рассчитывают средние значения для каждого фильтра.
A.6. Метод испытания
Испытание следует проводить в соответствии с разделом 8, причем ослабление света в вытяжном трубопроводе должно быть записано во время испытания или непрерывно, или с интервалами максимум 10 с.
A.7. Оценка результатов испытания
Должно быть зафиксировано максимальное ослабление света и графически представлены записанные значения измерения ослабления света из-за дыма (как плотность дыма) как функция времени. Должен быть определен интеграл плотности дыма во время испытания и зафиксирован как % x мин.
1 - диафрагма; 2 - лампа; 3 - дымовой поток;
4 - приемник света; 5 - стенки дымохода
Рисунок A.1. Оптическая система
Приложение B
(справочное)
ТОЧНОСТЬ МЕТОДА ИСПЫТАНИЯ
В ходе разработки настоящего стандарта были проведены круговые испытания с 10 материалами. В нем принимали участие 13 испытательных лабораторий. Результаты круговых испытаний образцов сведены в таблицу B.1.
Таблица B.1
Результаты круговых испытаний образцов
ИС МЕГАНОРМ: примечание.
Обозначения в шапке таблицы даны в соответствии с официальным текстом документа.
Изделие, материал
HF-30, кВт/м2
Повторяемость
Воспроизводимость
Станд. откл. Sr
sr/m, %
Станд. откл. Sr
sR/m, %
Плита из древесного волокна без огнезащитной обработки
4,4
0,1
3,4
0,6
12,6
Паркет из бука
7,8
1,6
19,9
1,9
24,7
ПВХ, без стыков, эластичный
10,7
0,2
2,3
0,6
5,6
Резина
6,4
0,8
13,0
1,5
23,9
Ковер из полиамида (текстильная основа)
3,8
0,4
10,5
0,8
21,3
Ковер из полиамида (текстильная основа с огнезащитной обработкой)
7,6
1,1
14,8
1,8
23,6
Ковер из полиамида (обратная сторона из латекса)
3,7
0,8
20,5
1,0
27,1
Ковер из полипропилена
2,7
0,2
6,5
0,4
13,4
Ковер из полипропилена (иглопробивное)
5,2
1,1
21,4
2,4
47,2
Ковер из шерсти/полиамида (80/20)
7,8
0,8
10,0
1,5
18,9
Приложение C
(справочное)
УСТРОЙСТВА ДЛЯ ПОДАЧИ ГАЗА И ВОЗДУХА
Горючий газ и воздух направляются к излучателю через регулятор давления газового потока, предохранительные устройства и измеритель расхода. Система подачи состоит из следующего оборудования:
a) подача природного газа или газа метана или пропана с минимум 0,1 л/с и достаточным давлением для уравнивания потерь на трение в подающем трубопроводе, регуляторах, контрольных вентилях, измерителях расхода, излучателе и т.д.;
b) подача воздуха с минимум 4,5 л/с и достаточным давлением во избежание потерь на трение в подающих трубопроводах и т.д.;
c) раздельные блокирующие вентили как для газа, так и для воздуха;
d) обратный клапан и регулятор давления в газопроводе;
e) электрически работающий вентиль для автоматической блокировки подачи газа при потере тока, потере давления воздуха или при снижении температуры поверхности горелки;
f) фильтр для частиц и контрольный вентиль в установке для подачи воздуха;
g) измеритель расхода для природного газа или газа метана или пропана с областью индикации для газового потока от 0,1 до 1,0 л/с при температуре окружающей среды и для давления с разрешением 1% или лучше;
h) измеритель расхода для воздуха с областью индикации от 0,1 до 1,0 л/с при температуре окружающей среды и для давления с разрешением 1% или лучше.
Примечание. Измеритель расхода служит для установки потоков воздуха и газа на значение, которое соответствует подходящей температуре излучателя, а абсолютная калибровка измерителя расхода не требуется.
Приложение ДА
(справочное)
СВЕДЕНИЯ О СООТВЕТСТВИИ ССЫЛОЧНЫХ МЕЖДУНАРОДНЫХ
И РЕГИОНАЛЬНОГО СТАНДАРТОВ ССЫЛОЧНЫМ НАЦИОНАЛЬНЫМ
СТАНДАРТАМ РОССИЙСКОЙ ФЕДЕРАЦИИ
Таблица ДА.1
Обозначение ссылочного международного, регионального стандарта
Степень соответствия
Обозначение и наименование соответствующего национального стандарта
ИСО 554:1976
-
<*>
ИСО 13943:2008
-
<*>
ИСО 14697:2007
-
<*>
ИСО 14934-3:2012
-
<*>
МЭК 60582-1:1995
-
<*>
ЕН 13238:2010
-
<*>
<*> Соответствующий национальный стандарт отсутствует. До его утверждения рекомендуется использовать перевод на русский язык данного международного (регионального) стандарта. Перевод данного международного (регионального) стандарта находится в Федеральном информационном фонде технических регламентов и стандартов.