Главная // Актуальные документы // ГОСТ Р (Государственный стандарт)СПРАВКА
Источник публикации
М.: ИПК Издательство стандартов, 2000
Примечание к документу
Документ утратил силу с 1 июля 2017 года в связи с изданием
Приказа Росстандарта от 22.07.2016 N 875-ст. Взамен введен в действие
ГОСТ ISO 2962-2016.
Документ включен в
Перечень стандартов, содержащих правила и методы исследований (испытаний) и измерений, в том числе правила отбора образцов, необходимые для применения и исполнения требований технического
регламента "О безопасности пищевой продукции" (ТР ТС 021/2011) и осуществления оценки (подтверждения) соответствия продукции (
Решение Комиссии Таможенного союза от 09.12.2011 N 880).
Документ включен в
Перечень национальных стандартов, содержащих правила и методы исследований (испытаний) и измерений, в том числе правила отбора образцов, необходимых для применения и исполнения Федерального
закона "Технический регламент на молоко и молочную продукцию" и осуществления оценки соответствия (
Распоряжение Правительства РФ от 15.12.2008 N 1866-р).
С 1 июля 2003 года до вступления в силу технических регламентов акты федеральных органов исполнительной власти в сфере технического регулирования носят рекомендательный характер и подлежат обязательному исполнению только в части, соответствующей целям, указанным в
пункте 1 статьи 46 Федерального закона от 27.12.2002 N 184-ФЗ.
Документ
введен в действие с 1 января 2001 года.
Название документа
"ГОСТ Р 51458-99. Государственный стандарт Российской Федерации. Сыр и сыр плавленый. Метод определения массовой доли общего фосфора"
(принят и введен в действие Постановлением Госстандарта России от 22.12.1999 N 613-ст)
"ГОСТ Р 51458-99. Государственный стандарт Российской Федерации. Сыр и сыр плавленый. Метод определения массовой доли общего фосфора"
(принят и введен в действие Постановлением Госстандарта России от 22.12.1999 N 613-ст)
Принят и введен в действие
Постановлением Госстандарта
России
от 22 декабря 1999 г. N 613-ст
ГОСУДАРСТВЕННЫЙ СТАНДАРТ РОССИЙСКОЙ ФЕДЕРАЦИИ
СЫР И СЫР ПЛАВЛЕНЫЙ
МЕТОД ОПРЕДЕЛЕНИЯ МАССОВОЙ ДОЛИ ОБЩЕГО ФОСФОРА
Cheese and processed cheese products. Determination
of mass percent of total phosphorus. Molecular absorption
spectrometric method
ГОСТ Р 51458-99
Группа Н19
ОКС 67.100.20
ОКСТУ 9209
Дата введения
1 января 2001 года
1. Разработан Государственным учреждением Всероссийским научно-исследовательским институтом молочной промышленности (ГУ ВНИМИ).
Внесен Техническим комитетом по стандартизации ТК 186 "Молоко и молочные продукты".
2. Принят и введен в действие Постановлением Госстандарта России от 22 декабря 1999 г. N 613-ст.
3. Настоящий стандарт гармонизирован с международным стандартом ИСО 2962-84 "Сыр и сыр плавленый. Определение содержания общего фосфора. Метод молекулярной абсорбционной спектрометрии".
4. Введен впервые.
Настоящий стандарт распространяется на сыры и плавленые сыры и устанавливает спектрометрический метод определения массовой доли общего фосфора.
Метод определения массовой доли общего фосфора в сыре и плавленом сыре основан на полном разрушении органических веществ навески продукта под действием серной кислоты и пероксида водорода (мокрая минерализация), добавлении раствора молибдата натрия в аскорбиновой кислоте, спектрометрическом измерении оптической плотности образовавшегося молибденового голубого при длине волны 820 нм.
Допускается проводить сухую минерализацию (озоление), если показатели определения будут не ниже, чем при проведении мокрой минерализации.
В настоящем стандарте использованы ссылки на следующие стандарты:
ГОСТ 1770-74 Посуда мерная лабораторная стеклянная. Цилиндры, мензурки, колбы, пробирки. Технические условия
ГОСТ 4198-75 Калий фосфорнокислый однозамещенный. Технические условия
ГОСТ 10931-74 Натрий молибденовокислый 2-водный. Технические условия
ГОСТ 23932-90 Посуда и оборудование лабораторные стеклянные. Общие технические условия
ГОСТ 24104-88 Весы лабораторные общего назначения и образцовые. Общие технические условия
ГОСТ 25336-82 Посуда и оборудование лабораторные стеклянные. Типы, основные параметры и размеры
ГОСТ 26809-86 Молоко и молочные продукты. Правила приемки, методы отбора и подготовка проб к анализу
ГОСТ 29169-91 (ИСО 648-77) Посуда лабораторная стеклянная. Пипетки с одной отметкой
ИСО 707-97 <*> Молоко и молочные продукты. Методы отбора проб
--------------------------------
<*> Действует до введения в действие ГОСТ Р, разработанного на основе соответствующего ИСО.
3. АППАРАТУРА, МАТЕРИАЛЫ И РЕАКТИВЫ
Баня водяная с обогревом, позволяющая поддерживать температуру от 0 до 100 °C.
Весы лабораторные по ГОСТ 24104 2-го и 4-го классов точности.
Устройство измельчающее, позволяющее измельчать пробу без ее нагрева, потери или поглощения влаги.
Вытяжной шкаф для отвода кислотных паров, выделяемых при сжигании.
Колбы Кьельдаля или пробирки по
ГОСТ 25336 вместимостью 25 см3.
Шарики стеклянные.
Цилиндры мерные по
ГОСТ 1770 вместимостью 5, 25 см3 2-го класса точности.
Колбы мерные по
ГОСТ 1770 вместимостью 50, 100 см3 2-го класса точности с одной отметкой.
Пипетки по
ГОСТ 29169 вместимостью 1, 2, 3, 5 и 10 см3 2-го класса точности с одной отметкой.
Спектрофотометр, обеспечивающий проведение измерений на длине волны 820 нм, оснащенный кюветами длиной оптического пути 10 мм.
Натрий молибденовокислый 2-водный

по
ГОСТ 10931, х.ч.
Кислота аскорбиновая

по
[1].
Кислота серная концентрированная

по
ГОСТ 4204,

, х.ч.
Калий фосфорнокислый однозамещенный

по
ГОСТ 4198, ч.д.а.
Вода дистиллированная по
ГОСТ 6709 или вода деионизированная, свободная от фосфоросодержащих соединений.
Допускается применять другие средства измерений с метрологическими характеристиками и оборудование с техническими характеристиками не хуже, а также реактивы по качеству не ниже указанных.
Отбор проб - по
ГОСТ 26809, для экспортно-импортных операций - по ИСО 707.
5. ПОДГОТОВКА К ОПРЕДЕЛЕНИЮ
5.1. Приготовление смешанного раствора молибдата натрия и аскорбиновой кислоты
5.1.1. Раствор молибдата натрия
В мерную колбу вместимостью 500 см3 вносят 12,50 г молибденовокислого натрия 2-водного

по
ГОСТ 10931, доводят объем раствором серной кислоты концентрации 5 моль/дм3 до отметки и перемешивают.
5.1.2. Раствор аскорбиновой кислоты
В мерную колбу вместимостью 200 см3 вносят 10 г аскорбиновой кислоты

по
[1], доводят объем водой до метки и перемешивают. Раствор используют свежеприготовленным.
В мерную колбу вместимостью 100 см3 вносят 25 см3 раствора молибдата натрия по
5.1.1 и 10 см3 раствора аскорбиновой кислоты по
5.1.2, доводят объем смешанного раствора дистиллированной или деионизированной водой до метки и тщательно перемешивают. Смешанный раствор готовят непосредственно перед определением.
5.2. Приготовление стандартного раствора фосфора молярной концентрации 100 мкг/см3
В бюксу вносят 1 г однозамещенного фосфорнокислого калия

по
ГОСТ 4198, помещают ее в эксикатор с концентрированной серной кислотой и сушат не менее 48 ч до постоянной массы.
В мерную колбу вместимостью 1000 см3 вносят 0,4394 г высушенного однозамещенного фосфорнокислого калия, доводят объем водой до метки и перемешивают.
5.3.1. В измельчающее устройство помещают (50 +/- 1) г пробы продукта, измельчают и тщательно перемешивают до получения пастообразной массы.
5.3.2. Пробу готовят непосредственно перед определением. Очистку измельчающего устройства проводят после подготовки каждой пробы продукта.
6. ПРОВЕДЕНИЕ ОПРЕДЕЛЕНИЯ
6.1. Из пробы по
5.3 отбирают навеску продукта массой 1,0 г и взвешивают в колбе Кьельдаля с отсчетом до третьего знака после запятой, затем добавляют три стеклянных шарика и 4 см3 концентрированной серной кислоты. Если массовая доля влаги в пробе продукта менее 50%, то навеска составляет 0,5 г.
6.2. Минерализация навески
6.2.1. Колбу Кьельдаля обязательно устанавливают в вытяжном шкафу и нагревают. Нагрев колбы с навеской проводят до минимального образования пены. В колбе поддерживают слабое кипение, избегая местных перегревов, нагревания колбы выше уровня жидкости. Не допускают выброса пены из колбы.
6.2.2. После прекращения пенообразования колбу с навеской охлаждают на воздухе до комнатной температуры. Затем добавляют 3 - 4 капли пероксида водорода и снова нагревают, периодически осторожно перемешивая круговыми движениями, избегая местных перегревов. Повторяют эту процедуру до тех пор, пока содержимое колбы не обесцветится и не станет прозрачным.
6.2.3. Горловину колбы ополаскивают 2 см3 воды и продолжают нагревание колбы до полного испарения воды. Для уничтожения всех следов пероксида водорода продолжают нагревание в течение 30 мин, избегая местных перегревов.
6.2.4. Содержимое колбы охлаждают на воздухе до комнатной температуры, затем полностью переносят в мерную колбу вместимостью 100 см3, доводят объем минерализата до метки водой и перемешивают.
6.2.5. В мерную колбу вместимостью 50 см3 вносят 1 см3 полученного по
6.2.4 минерализата, добавляют 25 см3 воды, 20 см3 смешанного раствора молибдата натрия в аскорбиновой кислоте
(5.1.3), доводят объем раствора до метки водой и перемешивают.
6.2.6. Колбу выдерживают в кипящей водяной бане в течение 15 мин.
6.2.7. Содержимое колбы охлаждают в холодной воде до комнатной температуры. Измеряют оптическую плотность раствора по отношению к нулевому определению
(6.4) при длине волны 820 нм. Спектрометрическое измерение проводят в течение 1 ч.
6.3. Построение градуировочного графика
6.3.1. В мерную колбу вместимостью 100 см3 вносят 10 см3 стандартного раствора фосфора
(5.2), доводят объем раствора водой до метки и перемешивают.
6.3.2. В пять мерных колб вместимостью 50 см3 вносят 0, 1, 2, 3 и 5 см3 раствора фосфора
(6.3.1), что соответствует 0, 10, 20, 30 и 50 мкг фосфора. В каждую колбу добавляют по 20 см3 воды.
6.3.3. К содержимому каждой колбы добавляют 20 см3 смешанного раствора молибдата натрия и аскорбиновой кислоты
(5.1.3), доводят объем раствора водой до отметки, перемешивают и нагревают по
6.2.6.
6.3.4. Растворы охлаждают в холодной воде до комнатной температуры. Измеряют оптическую плотность раствора фосфора по отношению к раствору, не содержащему фосфор, при длине волны 820 нм. Спектрометрическое измерение проводят в течение 1 ч.
6.3.5. Строят градуировочный график зависимости оптической плотности от массы фосфора.
Нулевое определение проводят параллельно по
6.2, заменяя навеску продукта соответствующей массой воды.
7.1. Массовую долю общего фосфора X, %, вычисляют по формуле
где

- масса навески продукта, г;

- масса общего фосфора, определенная по градуировочному графику, мкг.
Вычисление массовой доли общего фосфора проводят до третьего знака после запятой и округляют до второго знака после запятой.
8. МЕТРОЛОГИЧЕСКИЕ ХАРАКТЕРИСТИКИ
8.1. Сходимость
Разность двух результатов определений, полученных при анализе одной и той же пробы одним и тем же лаборантом, пользующимся одними и теми же приборами, за короткий промежуток времени не должна превышать 0,03% массовой доли общего фосфора при вероятности P = 0,95.
8.2. Воспроизводимость
Разность двух единичных и независимых результатов определений, полученных двумя лаборантами, работающими в разных лабораториях с одной и той же пробой, не должна превышать 0,06% массовой доли общего фосфора при вероятности P = 0,95.
8.3. Если расхождение результатов двух параллельных определений (сходимость) превышает 0,03%, то повторно проводят два новых определения.
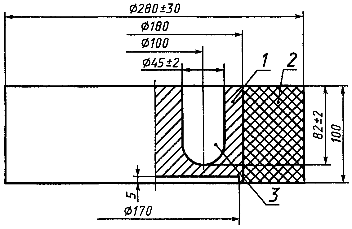
(обязательное)
1 - блок; 2 - теплоизоляция (асбест или асбоцемент);
3 - гнездо для пробирки
Рисунок А.1. Алюминиевый блок с шестью гнездами
(справочное)
БИБЛИОГРАФИЯ
[1] ГФ Х, ст. 6 Кислота аскорбиновая