Главная // Актуальные документы // ГОСТ Р (Государственный стандарт)
СПРАВКА
Источник публикации
М.: ИПК Издательство стандартов, 2003
Примечание к документу
Документ утратил силу с 1 января 2013 года в связи с изданием Приказа Росстандарта от 13.12.2011 N 1421-ст. Взамен введен в действие ГОСТ IEC 60331-21-2011.

Документ включен в Перечень национальных стандартов, содержащих правила и методы исследований (испытаний) и измерений, в том числе правила отбора образцов, необходимые для применения и исполнения Федерального закона "Технический регламент о требованиях пожарной безопасности" и осуществления оценки соответствия (Распоряжение Правительства РФ от 10.03.2009 N 304-р).

Документ введен в действие с 1 января 2004 года.
Название документа
"ГОСТ Р МЭК 60331-21-2003. Государственный стандарт Российской Федерации. Испытания электрических и оптических кабелей в условиях воздействия пламени. Сохранение работоспособности. Часть 21. Проведение испытаний и требования к ним. Кабели на номинальное напряжение до 0,6/1,0 кВ включительно"
(принят и введен в действие Постановлением Госстандарта России от 19.03.2003 N 83-ст)

"ГОСТ Р МЭК 60331-21-2003. Государственный стандарт Российской Федерации. Испытания электрических и оптических кабелей в условиях воздействия пламени. Сохранение работоспособности. Часть 21. Проведение испытаний и требования к ним. Кабели на номинальное напряжение до 0,6/1,0 кВ включительно"
(принят и введен в действие Постановлением Госстандарта России от 19.03.2003 N 83-ст)


Содержание


Принят и введен в действие
Постановлением Госстандарта
России
от 19 марта 2003 г. N 83-ст
ГОСУДАРСТВЕННЫЙ СТАНДАРТ РОССИЙСКОЙ ФЕДЕРАЦИИ
ИСПЫТАНИЯ ЭЛЕКТРИЧЕСКИХ И ОПТИЧЕСКИХ КАБЕЛЕЙ В УСЛОВИЯХ
ВОЗДЕЙСТВИЯ ПЛАМЕНИ
СОХРАНЕНИЕ РАБОТОСПОСОБНОСТИ
ЧАСТЬ 21
ПРОВЕДЕНИЕ ИСПЫТАНИЙ И ТРЕБОВАНИЯ К НИМ
КАБЕЛИ НА НОМИНАЛЬНОЕ НАПРЯЖЕНИЕ ДО 0,6/1,0 КВ ВКЛЮЧИТЕЛЬНО
Tests for electric and optical fibre cables under fire
conditions. Circuit integrity. Part 21.
Procedures and requirements. Cables of rated voltage up to
and including 0,6/1,0 kV
ГОСТ Р МЭК 60331-21-2003
Группа Е46
ОКС 29.060.20
ОКП 35 0000
Дата введения
1 января 2004 года
Предисловие
1. Разработан и внесен Техническим комитетом по стандартизации ТК 46 "Кабельные изделия" при ОАО Всероссийский научно-исследовательский, проектно-конструкторский и технологический институт кабельной промышленности (ОАО ВНИИКП).
2. Принят и введен в действие Постановлением Госстандарта России от 19 марта 2003 г. N 83-ст.
3. Настоящий стандарт представляет собой полный аутентичный текст международного стандарта МЭК 60331-21-99 "Испытания электрических кабелей в условиях воздействия пламени. Сохранение работоспособности. Часть 21. Проведение испытаний и требования к ним. Кабели на номинальное напряжение до 0,6/1,0 кВ включительно".
4. Введен впервые.
1. ОБЛАСТЬ ПРИМЕНЕНИЯ
Настоящий стандарт распространяется на кабели на номинальное напряжение до 0,6/1,0 кВ включительно и устанавливает порядок проведения испытаний и требования к ним, в том числе рекомендуемое время воздействия пламени на кабели с целью определения их возможности сохранять работоспособность при воздействии пламени в заданных условиях.
В стандарте установлены требования к подготовке образца, аппаратуре для проверки работоспособности цепи, электрической нагрузке, способу воздействия пламени на кабели и оценке результатов испытаний.
Стандарт распространяется на силовые кабели низкого напряжения, кабели контрольные и управления.
2. НОРМАТИВНЫЕ ССЫЛКИ
В настоящем стандарте использована ссылка на следующий стандарт:
ГОСТ Р МЭК 60331-11-2003 Испытания электрических и оптических кабелей в условиях воздействия пламени. Сохранение работоспособности. Часть 11. Испытательное оборудование. Воздействие пламени температурой не менее 750 °C.
3. ОПРЕДЕЛЕНИЕ
В настоящем стандарте применяют следующий термин с соответствующим определением:
Работоспособность: способность продолжать выполнять заданные функции при воздействии и после воздействия источником пламени в течение заданного периода времени.
4. ПОДГОТОВКА ОБРАЗЦА
С концов образца кабеля длиной около 1200 мм должны быть удалены оболочка и другие покрытия на длине около 100 мм.
Концы токопроводящих жил кабеля должны быть зачищены для электрического подсоединения и разведены в стороны во избежание замыкания.
5. ПРОВЕРКА ЦЕЛОСТНОСТИ ЦЕПИ
При испытании для проверки целостности цепи по всем токопроводящим жилам кабеля пропускают ток от трех- или однофазного трансформатора достаточной мощности для поддержания стабильного испытательного напряжения при протекании максимально допустимого тока.
Требуемую силу тока получают путем подсоединения к каждой токопроводящей жиле или группе жил нагрузочного индикаторного прибора (например, лампы).
Примечание. Ток 0,25 А, пропускаемый по каждой токопроводящей жиле или группе жил, является достаточным.
6. ПРОВЕДЕНИЕ ИСПЫТАНИЯ
6.1. Испытание проводят, используя испытательное оборудование по ГОСТ Р МЭК 60331-11.
6.2. Плавкие предохранители, используемые при испытании, должны быть типа D11 согласно МЭК 60269-3-1 [1]. Допускается использовать прерыватели цепи с равноценными параметрами.
Если используют прерыватели цепи, должны быть указаны их параметры по характеристическим кривым, приведенным в Приложении А.
В спорных случаях следует применять плавкие предохранители.
6.3. Образец помещают в поддерживающее устройство (см. рисунок 1 в ГОСТ Р МЭК 60331-11). Регулируют положение горелки по отношению к образцу, изменяя расстояния x и y в соответствии с методом проверки системы горелки по Приложению А к ГОСТ Р МЭК 60331-11.
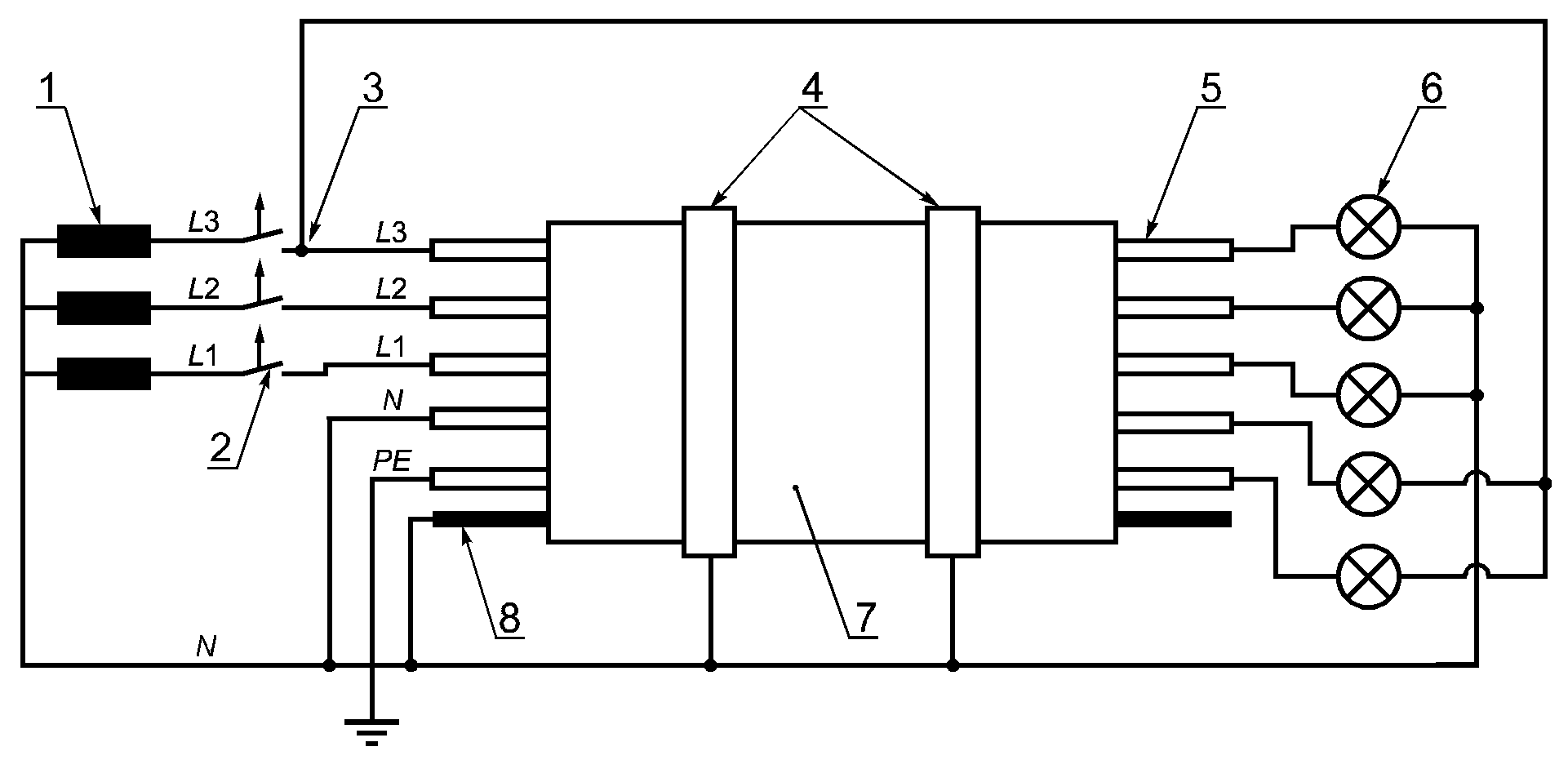
6.4. Со стороны конца образца, подсоединенного к трансформатору, заземляют нейтральную и защитную жилы, если они имеются. Металлические экраны, контактную проволоку и металлическое покрытие, если они имеются, соединяют между собой и заземляют. Трансформатор подсоединяют к токопроводящим жилам, исключая нейтральную или защитную жилу, как указано на рисунке 1. Если металлическая оболочка, броня или экран выполняют роль нейтральной или защитной жилы, они должны быть подсоединены, как указано на рисунке 1, в качестве нейтральной или защитной жилы.
1 - трансформатор; 2 - плавкий предохранитель (2A); 3 - подсоединение к фазе (или L1, или L2); 4 - поддерживающие кольца; 5 - испытуемая жила или группа жил; 6 - нагрузочный индикаторный прибор (например, лампа); 7 - образец; 8 - металлический экран (если имеется); L1, L2, L3 - фазные жилы (L2, L3, если имеются); N - нейтральная жила (если имеется); PE - защитная жила (если имеется)
Рисунок 1. Схема основных соединений
Для одно-, двух- или трехфазных кабелей каждую фазную жилу подсоединяют к отдельной фазе трансформатора через плавкие предохранители или через прерыватели цепи, рассчитанные на ток 2 А.
Для многожильных кабелей, имеющих четыре или более жил (кроме нейтральной или защитной, если они имеются), жилы делят на три приблизительно равные группы; при этом соседние жилы должны быть, по возможности, в разных группах.
Для многопарных кабелей жилы делят на две равные группы, при этом одну жилу каждой пары присоединяют к одной фазе, а вторую жилу - к другой фазе (L1 и L2 на рисунке 1). Четверки рассматривают как две пары.
Для многожильных кабелей, скрученных тройками, жилы делят на три равные группы, при этом одну жилу каждой тройки подсоединяют к одной фазе, вторую жилу - к другой фазе, последующую жилу - к третьей фазе трансформатора (L1, L2 и L3 на рисунке 1).
Жилы каждой группы соединяют последовательно, а каждую группу подсоединяют к отдельной фазе трансформатора через плавкий предохранитель или прерыватель цепи, рассчитанные на ток 2 А.
Примечание. Для кабелей конструкций, отличных от указанных выше, испытательное напряжение прикладывают, по возможности, таким образом, чтобы соседние жилы были подсоединены к разным фазам.
На конце образца, противоположном подсоединенному к трансформатору, каждую фазную жилу или группу жил заземляют через нагрузочный индикаторный прибор (см. раздел 5). Нейтральную и защитную жилы через нагрузочный индикаторный прибор (как указано в разделе 5) соединяют с жилой L1 (или L2, или L3) на конце образца, соединенном с трансформатором (см. рисунок 1).
6.5. Зажигают горелку и устанавливают скорости подачи газа и воздуха на уровне значений, полученных при проверке системы горелки по ГОСТ Р МЭК 60331-11.
Включают источник тока и устанавливают напряжение на уровне номинального напряжения кабеля (но не менее 100 В переменного тока), т.е. испытательное напряжение между жилами должно быть равно номинальному напряжению между жилами, а испытательное напряжение между жилой и землей должно быть равно номинальному напряжению между жилой и землей. Для одножильных кабелей напряжение прикладывают между жилой и заземленным поддерживающим устройством и заземленным металлическим покрытием, если оно имеется.
6.6. Испытание проводят в течение времени, указанного в 7.1, после чего пламя гасят, а образец оставляют под напряжением еще на 15 мин. Общая продолжительность испытания включает в себя время воздействия пламени и период охлаждения 15 мин.
7. ОЦЕНКА РЕЗУЛЬТАТОВ ИСПЫТАНИЯ
7.1. Время воздействия пламени
Время воздействия пламени должно быть установлено в нормативном документе на конкретный кабель. Если время воздействия пламени не установлено, то рекомендуется продолжительность 90 мин.
Примечание. Продолжительность 90 мин установлена на основании результатов испытаний.
7.2. Критерии оценки
Кабель считают сохраняющим работоспособность в течение установленного времени в условиях испытания в соответствии с разделом 6, если:
- напряжение приложено в течение всего испытания, т.е. не перегорает плавкий предохранитель или прерыватель цепи не отключается;
- токопроводящая жила не разрушается, т.е. лампа не гаснет.
8. ПРОВЕДЕНИЕ ПОВТОРНОГО ИСПЫТАНИЯ
При получении неудовлетворительных результатов проводят испытание двух дополнительных образцов. Результаты испытания считают удовлетворительными, если образцы соответствуют установленным требованиям.
9. ПРОТОКОЛ ИСПЫТАНИЯ
Протокол испытания должен содержать следующие данные:
а) подробное описание испытуемого кабеля;
б) наименование изготовителя испытуемого кабеля;
в) испытательное напряжение;
г) любые отклонения при проведении испытания от требований настоящего стандарта;
д) критерии оценки результатов испытания, примененные фактически (со ссылкой на раздел 7 или нормативный документ на конкретный кабель);
е) время воздействия пламени.
Примечание. Время воздействия пламени - это продолжительность, обычно указываемая в нормативном документе на конкретный кабель как показатель его работоспособности. Если кабель имеет маркировку, указывающую на его соответствие требованиям настоящего стандарта, рекомендуется в маркировке указывать время воздействия пламени, например для 90-минутного воздействия: "IEC 60331-21 (90)".
Приложение А
(обязательное)
ХАРАКТЕРИСТИЧЕСКИЕ КРИВЫЕ ДЛЯ ПЛАВКОГО ПРЕДОХРАНИТЕЛЯ
Рисунок А.1 соответствует рисунку 1а МЭК 60269-3-1 [1]. Если вместо плавкого предохранителя на ток 2 А используют прерыватель цепи, то требование о равноценности параметров должно быть реализовано ссылкой на зону для 2 А, ограниченную двумя сплошными кривыми, наиболее близкими к оси ординат.
Рисунок А.1. Время-токовые зоны для плавкого предохранителя
Приложение Б
(справочное)
БИБЛИОГРАФИЯ
[1] МЭК 60269-3-1-94 Предохранители плавкие низковольтные. Часть 3-1.
Дополнительные требования к плавким предохранителям
(преимущественно бытового и аналогичного назначения), используемым
неквалифицированным персоналом. Разделы I - IV