Главная // Актуальные документы // ГОСТ Р (Государственный стандарт)СПРАВКА
Источник публикации
М.: Стандартинформ, 2011
Примечание к документу
Документ утратил силу с 1 сентября 2013 года. Действует
ГОСТ EN 1827-2012 ("ИУС" N 7, 2013).
Документ
введен в действие с 1 декабря 2010 года.
Название документа
"ГОСТ Р ЕН 1827-2009. Национальный стандарт Российской Федерации. Система стандартов безопасности труда. Средства индивидуальной защиты органов дыхания. Полумаски из изолирующих материалов без клапанов вдоха со съемными противогазовыми, противоаэрозольными или комбинированными фильтрами. Общие технические условия"
(утв. и введен в действие Приказом Ростехрегулирования от 15.12.2009 N 1164-ст)
"ГОСТ Р ЕН 1827-2009. Национальный стандарт Российской Федерации. Система стандартов безопасности труда. Средства индивидуальной защиты органов дыхания. Полумаски из изолирующих материалов без клапанов вдоха со съемными противогазовыми, противоаэрозольными или комбинированными фильтрами. Общие технические условия"
(утв. и введен в действие Приказом Ростехрегулирования от 15.12.2009 N 1164-ст)
Утвержден и введен в действие
агентства по техническому
регулированию и метрологии
от 15 декабря 2009 г. N 1164-ст
НАЦИОНАЛЬНЫЙ СТАНДАРТ РОССИЙСКОЙ ФЕДЕРАЦИИ
СИСТЕМА СТАНДАРТОВ БЕЗОПАСНОСТИ ТРУДА
СРЕДСТВА ИНДИВИДУАЛЬНОЙ ЗАЩИТЫ ОРГАНОВ ДЫХАНИЯ.
ПОЛУМАСКИ ИЗ ИЗОЛИРУЮЩИХ МАТЕРИАЛОВ БЕЗ КЛАПАНОВ ВДОХА
СО СЪЕМНЫМИ ПРОТИВОГАЗОВЫМИ, ПРОТИВОАЭРОЗОЛЬНЫМИ
ИЛИ КОМБИНИРОВАННЫМИ ФИЛЬТРАМИ
ОБЩИЕ ТЕХНИЧЕСКИЕ УСЛОВИЯ
Occupational safety standards system. Respiratory
protective devices. Half masks without inhalation valves
and with separable filters to protect against gases or gases
and particles or particles only. General specifications
EN 1827:1999
Respiratory protective devices - Half masks without
inhalation valves and with separable filters to protect
against gases or gases and particles or particles
only - Requirements, testing, marking
(IDT)
ГОСТ Р ЕН 1827-2009
Группа Т58
Дата введения
1 декабря 2010 года
Цели и принципы стандартизации в Российской Федерации установлены Федеральным
законом от 27 декабря 2002 г. N 184-ФЗ "О техническом регулировании", а правила применения национальных стандартов Российской Федерации -
ГОСТ Р 1.0-2004 "Стандартизация в Российской Федерации. Основные положения".
1. Подготовлен Техническим комитетом по стандартизации средств индивидуальной защиты ТК 320 "СИЗ" на основе собственного аутентичного перевода стандарта, указанного в
пункте 4.
2. Внесен Техническим комитетом по стандартизации средств индивидуальной защиты ТК 320 "СИЗ".
3. Утвержден и введен в действие
Приказом Федерального агентства по техническому регулированию и метрологии от 15 декабря 2009 г. N 1164-ст.
4. Настоящий стандарт идентичен региональному стандарту ЕН 1827:1999 "Средства индивидуальной защиты органов дыхания - Полумаски без клапанов вдоха со съемными противогазовыми, противоаэрозольными или комбинированными фильтрами - Требования. Методы испытаний. Маркировка" (EN 1827:1999 "Respiratory protective devices - Half masks without inhalation valves and with separable filters to protect against gases or gases and particles or particles only - Requirements, testing, marking").
Наименование настоящего стандарта изменено относительно наименования указанного регионального стандарта для приведения в соответствие с ГОСТ Р 1.5-2004
(пункт 3.5).
При применении настоящего стандарта рекомендуется использовать вместо ссылочных международных стандартов соответствующие им национальные стандарты, сведения о которых приведены в справочном
Приложении ДА.
5. Введен впервые.
Информация об изменениях к настоящему стандарту публикуется ежегодно в издаваемом информационном указателе "Национальные стандарты", а текст изменений и поправок - в ежемесячно издаваемых информационных указателях "Национальные стандарты". В случае пересмотра (замены) или отмены настоящего стандарта соответствующее уведомление будет опубликовано в ежемесячно издаваемом информационном указателе "Национальные стандарты". Соответствующая информация, уведомление и тексты размещаются также в информационной системе общего пользования - на официальном сайте Федерального агентства по техническому регулированию и метрологии в сети Интернет.
Настоящий стандарт распространяется на полумаски из изолирующих материалов без клапанов вдоха со съемными противогазовыми, противоаэрозольными или комбинированными фильтрами и устанавливает общие технические требования, методы испытаний и требования к маркировке полумасок (рассчитанных на многократное использование) и съемных фильтров (одноразовых) противогазовых, противоаэрозольных или комбинированных.
Стандарт не распространяется на СИЗОД, предназначенные для использования в условиях содержания кислорода менее 17% в окружающем воздухе.
Стандарт не распространяется на следующие специальные типы СИЗОД:
- пожарные;
- военные;
- медицинские;
- авиационные;
- для подводных работ.
В настоящем стандарте использованы нормативные ссылки на следующие стандарты:
ЕН 132 Средства индивидуальной защиты органов дыхания - Термины, определения и пиктограммы (EN 132, Respiratory protective devices - Definitions of terms and pictograms)
ЕН 134 Средства индивидуальной защиты органов дыхания - Номенклатура компонентов (EN 134, Respiratory protective devices - Nomenclature of components)
ЕН 141 Средства индивидуальной защиты органов дыхания - Противогазовые фильтры - Требования, испытания, маркировка (EN 141, Respiratory protective devices - Gas filters - Requirements, testing, marking)
ЕН 143 Средства индивидуальной защиты органов дыхания. Противоаэрозольные фильтры. Требования, испытания, маркировка
ЕН 148-1 Средства индивидуальной защиты органов дыхания - Резьба для лицевых частей. Часть 1: Стандартное резьбовое соединение (EN 148-1, Respiratory protective devices - Threads for facepieces - Part 1: Standard thread connection)
ЕН 148-2 Средства индивидуальной защиты органов дыхания - Резьба для лицевых частей. Часть 1: Центральное резьбовое соединение (EN 148-2, Respiratory protective devices - Threads for facepieces - Part 2: Centre thread connection)
ЕН 148-3 Средства индивидуальной защиты органов дыхания - Резьба для лицевых частей. Часть 1: Резьбовое соединение М 45 x 3 (EN 148-3, Respiratory protective devices - Threads for facepieces - Part 3: Thread connection M 45 x 3)
ЕН 149 Средства индивидуальной защиты органов дыхания - Фильтрующие полумаски для защиты от аэрозолей - Требования, испытания, маркировка (EN 149, Respiratory protective devices - Filtering half masks to protect against particles - Requirements, testing, marking)
ЕН 371 Средства индивидуальной защиты органов дыхания. AX противогазовые и комбинированные фильтры для защиты от органических соединений с низкой температурой кипения. Общие технические требования (EN 371, Respiratory protective devices - AX gas filters and combined filters for protection against low-boiling organic compounds - General specifications)
ЕН 372:1992 Средства индивидуальной защиты органов дыхания. SX противогазовые и комбинированные фильтры для защиты от специальных соединений. Общие технические требования (EN 372, Respiratory protective devices - SX gas filters and combined filters for protection against specific named compounds - General specifications)
ЕН ИСО 6941:1984 Текстильные волокна. Характер горения. Измерения характеристик распространения пламени вертикально ориентированных образцов (EN ISO 6941:1984, Textile fabrics - Burning behaviour - Measurement of flame spread properties of vertically oriented specimens).
Примечание. При пользовании настоящим стандартом целесообразно проверить действие ссылочных стандартов и классификаторов в информационной системе общего пользования на официальном сайте Федерального агентства по техническому регулированию и метрологии в сети Интернет или по ежегодно издаваемому информационному указателю "Национальные стандарты", который опубликован по состоянию на 1 января текущего года, и по соответствующим ежемесячно издаваемым информационным указателям, опубликованным в текущем году. Если ссылочный стандарт заменен (изменен), то при пользовании настоящим стандартом следует руководствоваться заменяющим (измененным) стандартом. Если ссылочный стандарт отменен без замены, то положение, в котором дана ссылка на него, применяется в части, не затрагивающей эту ссылку.
В настоящем стандарте применяют термины и определения, приведенные в ЕН 132, и номенклатуру компонентов из ЕН 134.
Противогазовый фильтр обеспечивает защиту от газов и паров.
Комбинированный фильтр обеспечивает одновременную защиту от газов, паров, твердых и/или жидких аэрозолей.
Противоаэрозольный фильтр обеспечивает защиту от аэрозолей.
Аэрозоль твердых частиц - это дисперсная фаза твердых частиц в воздухе.
Аэрозоль жидких частиц - это дисперсная фаза жидких частиц в воздухе.
Полумаска из изолирующих материалов без клапанов вдоха состоит из лицевой части и съемных заменяемых фильтров. Вдыхаемый воздух поступает через фильтр непосредственно в зону дыхания. Полумаска обеспечивает достаточно хорошую обтюрацию в условиях, когда кожа лица как сухая, так и влажная, а также при движениях головы.
Выдыхаемый воздух через фильтр или клапан выдоха (если таковой имеется) выбрасывается в окружающую атмосферу. Полумаска из изолирующих материалов без клапанов вдоха и со съемными заменяемыми фильтрами может обеспечивать как защиту от газов и паров, так и от твердых и жидких аэрозолей.
Полумаски без клапанов вдоха подразделяют на марки и классы в зависимости от назначения и времени защитного действия фильтров.
Марка FM A предназначена для защиты от органических газов и паров с температурой кипения выше 65 °C, рекомендованной изготовителем.
Марка FM B предназначена для защиты от неорганических газов и паров, за исключением оксида углерода, рекомендованных изготовителем.
Марка FM E предназначена для защиты от диоксида серы и других кислых газов и паров, рекомендованных изготовителем.
Марка FM K предназначена для защиты от аммиака и его органических производных, рекомендованных изготовителем.
Марка FM AX предназначена для защиты от органических соединений с низкой температурой кипения, рекомендованных изготовителем.
Марка FM SX предназначена для защиты от специальных соединений.
Марка FM P предназначена для защиты от аэрозолей.
Допускается любая комбинация приведенных выше марок фильтров.
5.3.1. Классы противогазовых фильтров
В зависимости от времени защитного действия противогазовые фильтры марок FM A, FM B, FM E и FM K подразделяют на классы:
- класс 1 - фильтры низкой эффективности (Газ 1);
- класс 2 - фильтры средней эффективности (Газ 2).
Уровень защиты, обеспечиваемый FM Газ 2, включает уровень защиты, обеспечиваемый FM Газ 1 той же марки.
Фильтры марок FM AX и FM SX не имеют классов.
5.3.2. Классы противоаэрозольных фильтров
Класс 1 - фильтры низкой эффективности (FM P1).
Класс 2 - фильтры средней эффективности (FM P2).
Класс 3 - фильтры высокой эффективности (FM P3).
Уровень защиты, обеспечиваемый фильтрами класса FM P2 или FM P3, включает уровень защиты, обеспечиваемый фильтрами более низкого класса/классов.
Маркировка полумасок из изолирующих материалов без клапанов вдоха со съемными противогазовыми, противоаэрозольными или комбинированными фильтрами, отвечающая требованиям настоящего стандарта, должна содержать следующие сведения:
- номер настоящего стандарта;
- тип, класс защиты, марку.
Например: Полумаска из изолирующих материалов без клапанов вдоха/ГОСТ Р ЕН 1827-2009..../FM E1 P2.
7. Общие технические требования
В ходе испытаний все образцы полумасок должны соответствовать следующим требованиям настоящего стандарта.
7.2. Номинальные значения и допустимые отклонения
Все значения величин, приведенные в настоящем стандарте, являются номинальными. Допускается отклонение +/- 5% указанного значения температуры, не оговоренного в настоящем стандарте как максимальное или минимальное. При этом температура окружающей среды при испытаниях должна быть (24 + 8) °C. Все другие значения температур должны задаваться с точностью +/- 1 °C.
При визуальном осмотре проверяют маркировку и указания по эксплуатации, указанные изготовителем.
Испытания проводят в соответствии с требованиями
8.3.
Материалы полумасок не должны менять своих свойств в процессе хранения и эксплуатации в течение срока годности.
После испытаний, проводимых в соответствии с
8.2.4,
8.12 и
8.13, материалы лицевых частей, ремней крепления/оголовья и фильтров не должны иметь механических повреждений.
Испытания проводят в соответствии с требованиями
8.3.
7.5. Устойчивость к воспламенению
Полумаски и их составные элементы, подвергаемые воздействию пламени, не должны воспламеняться или гореть более 5 с после их извлечения из пламени.
Испытания проводят в соответствии с требованиями
8.3 и
8.4. После испытания полумаска должна быть пригодна для использования.
7.6. Чистка и дезинфекция
Материалы полумасок не должны менять своих свойств при использовании чистящих или дезинфицирующих средств, рекомендуемых изготовителем.
Испытания проводят в соответствии с требованиями
8.5.
Материалы фильтров и газообразные продукты, выносимые потоком воздуха из фильтров, не должны быть опасными и вредными для пользователя и не должны вызывать у него неприятных ощущений.
Испытания проводят в соответствии с требованиями
8.3 и
8.13.
7.8. Требования к деталям
Кромки деталей полумаски, которые могут контактировать с пользователем, не должны иметь острых краев и заусенцев.
Испытания проводят в соответствии с требованиями
8.3.
Все имеющиеся съемные элементы должны легко соединяться и надежно закрепляться без применения специальных инструментов, если это специально не оговорено в указаниях по эксплуатации.
Испытания проводят в соответствии с требованиями
8.3 и
8.13.
7.10. Ремни крепления и (или) оголовье
7.10.1. Ремни крепления и (или) оголовье должны быть сконструированы таким образом, чтобы полумаску можно было легко снимать и надевать.
Испытания проводят в соответствии с требованиями
8.12 и
8.13.
7.10.2. Ремни крепления и (или) оголовья должны регулироваться (или саморегулироваться) и обеспечивать надежную и комфортную фиксацию полумаски в нужном положении.
Испытания проводят в соответствии с требованиями
8.12 и
8.13.
7.11. Соединительные узлы
Соединение между фильтром (фильтрами) и полумаской должно быть прочным и надежным. Соединение должно осуществляться при помощи соединений специального типа. Резьбовые соединения, указанные в ЕН 148-1, ЕН 148-2 или ЕН 148-3, не должны использоваться. Если в полумаске имеется резьбовое соединение, следует исключить возможность соединения полумаски с другими элементами, имеющими резьбы, указанные в ЕН 148-1, ЕН 148-2 или ЕН 148-3.
Испытания проводят в соответствии с требованиями
8.3,
8.12 и
8.13.
7.12.1. Клапан(ы) выдоха должен (должны) правильно функционировать во всех положениях полумасок.
Испытания проводят в соответствии с требованиями
8.12.
7.12.2 Клапан(ы) выдоха должен (должны) быть защищен(ны) от механических повреждений и попадания грязи. Он может быть защищен корпусом или, при необходимости, любым другим устройством, необходимым для выполнения требований
7.21.
Испытание проводят в соответствии с требованиями
8.3.
7.12.3. Клапан(ы) выдоха должен (должны) сохранять работоспособность после прохождения через него (них) постоянного потока воздуха с расходом 300 дм3/мин в течение 30 с.
Испытания проводят в соответствии с требованиями
8.6.1.
7.12.4. Присоединенный к полумаске корпус клапана выдоха должен выдерживать силу растяжения 10 Н, направленную перпендикулярно к плоскости клапана в течение 10 с.
Испытания проводят в соответствии с требованиями
8.6.2.
Упаковка полумаски и ее съемных элементов должна обеспечивать защиту от механических повреждений и загрязнения.
Противогазовые и комбинированные фильтры должны быть загерметизированы промышленным способом для защиты от влияния окружающей атмосферы таким образом, чтобы нарушение запаянных промышленным способом швов могло быть легко обнаружено.
Испытания проводят в соответствии с требованиями
8.3.
Масса фильтров, используемых с полумаской, не должна превышать 300 г.
Испытания проводят в соответствии с требованиями
8.3.
7.15. Время защитного действия
Примечание. Время защитного действия определяется при лабораторных испытаниях в стандартных условиях. Оно не дает представления о возможном сроке службы фильтра при его практическом применении. Возможный срок службы в зависимости от условий труда может оказаться как больше, так и меньше времени защитного действия, определенного в соответствии с настоящим стандартом.
7.15.1. Время защитного действия противогазовых и комбинированных фильтров должно соответствовать значениям, представленным в
таблицах 1,
2 и
3.
Испытания проводят в соответствии с требованиями
8.7.
Время защитного действия противогазовых
и комбинированных фильтров
Марка и класс | Тест-вещество | Концентрация тест-вещества в воздухе | Проскоковая концентрация, см3/м3 (ppm) <*> | Время защитного действия, мин |
% (по объему) | мг/дм3 (по массе) |
FM A1 | Циклогексан  | 0,1 | 3,5 | 10,0 | 70 |
FM B1 | Хлор  | 0,1 | 3,0 | 0,5 | 20 |
Сероводород  | 0,1 | 1,4 | 10,0 | 40 |
Синильная кислота  | 0,1 | 1,1 | | 25 |
FM E1 | Диоксид серы  | 0,1 | 2,7 | 5,0 | 20 |
FM K1 | Аммиак  | 0,1 | 0,7 | 25,0 | 50 |
FM A2 | Циклогексан  | 0,5 | 17,5 | 10,0 | 35 |
FM B2 | Хлор  | 0,5 | 15,0 | 0,5 | 20 |
Сероводород  | 0,5 | 7,1 | 10,0 | 40 |
Синильная кислота  | 0,5 | 5,6 | | 25 |
FM E2 | Диоксид серы  | 0,5 | 13,3 | 5,0 | 20 |
FM K2 | Аммиак  | 0,5 | 3,5 | 25,0 | 40 |
<*> Проскоковая концентрация является нормированной и не отражает действующие в России ПДК. |
<**>  иногда может присутствовать в выходящем воздухе. Общая концентрация  не должна превышать 10,0 ppm. |
Время защитного действия противогазовых
и комбинированных фильтров марки AX
Марка фильтра | Тест-газ | Концентрация тест-газа в воздухе | Проскоковая концентрация, см3/м3 (ppm) | Время защитного действия, мин |
% (по объему) | мг/дм3 (по массе) |
FM AX | Диметиловый эфир  | 0,05 | 0,95 | 5 | 50 |
Изобутан  | 0,25 | 6,0 | 5 | 50 |
Время защитного действия противогазовых
и комбинированных фильтров марки SX
Сорбция | Время защитного действия SX противогазовых и комбинированных фильтров в соответствии с ЕН 372 (7.5.3) должно составлять не менее 20 мин |
Десорбция | При определении времени защитного действия SX противогазовых и комбинированных фильтров в соответствии с ЕН 372 (7.5.4) проскоковая концентрация не должна превышать 5 см3/м3 |
7.15.2. При использовании комбинации противогазовых фильтров последние должны соответствовать требованиям для каждой марки в отдельности.
Испытания проводят в соответствии с требованиями
8.7.
7.16. Проницаемость противоаэрозольного фильтра
Противоаэрозольные фильтры должны соответствовать требованиям ЕН 143.
Испытания проводят в соответствии с требованиями
8.8.
7.17. Устойчивость к запылению
7.17.1. Общие положения
Требование устойчивости к запылению является обязательным для всех полумасок без клапанов вдоха, используемых с противоаэрозольными фильтрами при условии, что они разработаны изготовителем с учетом требований по устойчивости к запылению.
Такие фильтры испытывают в соответствии с ЕН 149 (подраздел 8.9) и после прохождения испытаний маркируют буквой D.
7.17.2. Проницаемость противоаэрозольного фильтра
Все противоаэрозольные фильтры после испытаний на устойчивость к запылению должны соответствовать требованиям
7.16.
7.17.3. Сопротивление воздушному потоку
7.17.3.1. Полумаска с клапанами выдоха
Сопротивление воздушному потоку на вдохе после запыления не должно превышать значений, приведенных в
таблице 4.
Сопротивление воздушному потоку после запыления на выходе не должно превышать 300 Па при расходе постоянного воздушного потока, равного 160 дм3/мин
(таблица 4).
Испытания проводят в соответствии с требованиями
8.11.
7.17.3.2. Полумаска без клапанов выдоха
Сопротивление воздушному потоку на вдохе и выдохе после запыления при расходе постоянного воздушного потока, равного 95 дм3/мин, не должно превышать значений, приведенных в
таблице 4.
Испытания проводят в соответствии с требованиями
8.11.
Сопротивление постоянному воздушному потоку после запыления
Класс | Полумаска с клапанами выдоха | Полумаска без клапанов выдоха |
Максимальное сопротивление постоянному воздушному потоку на вдохе, Па, при расходе 95 дм3/мин | Максимальное сопротивление постоянному воздушному потоку на выдохе, Па, при расходе 160 дм3/мин | Максимальное сопротивление постоянному воздушному потоку на вдохе и выдохе, Па, при расходе 95 дм3/мин |
FM P1 | 400 | 300 | 300 |
FM P2 | 500 | 300 | 400 |
FM P3 | 700 | 300 | 500 |
FM Газ 1 P1 | 800 | 300 | 300 |
FM Газ 1 P2 | 900 | 300 | 400 |
FM Газ 1 P3 | 1100 | 300 | 500 |
FM Газ 2 P1 | 960 | 300 | 300 |
FM Газ 2 P2 | 1060 | 300 | 400 |
FM Газ 2 P3 | 1260 | 300 | 500 |
FM AX P1 | 960 | 300 | 300 |
FM AX P2 | 1060 | 300 | 400 |
FM AX P3 | 1260 | 300 | 500 |
FM SX P1 | 960 | 300 | 300 |
FM SX P2 | 1060 | 300 | 400 |
FM SX P3 | 1260 | 300 | 500 |
7.18. Требования безопасности
Для изготовления полумасок следует применять материалы, разрешенные органами здравоохранения для использования в контакте с кожей и вдыхаемым воздухом.
Испытания проводят в соответствии с требованиями
8.3.
7.19. Содержание диоксида углерода во вдыхаемом воздухе
Содержание диоксида углерода во вдыхаемом воздухе при применении полумаски не должно превышать в среднем 1,0% по объему.
Испытания проводят в соответствии с требованиями
8.10.
7.20. Начальное сопротивление воздушному потоку
7.20.1. Общие положения
Начальное сопротивление постоянному воздушному потоку для изделий в сборе с различными комбинациями фильтров не должно превышать значений, представленных в
таблицах 5,
6 и
7.
7.20.2. Начальное сопротивление постоянному воздушному потоку на вдохе
7.20.2.1. Полумаски с противогазовыми фильтрами
Начальное сопротивление постоянному воздушному потоку на вдохе должно быть минимальным и не должно превышать значений, представленных в
таблице 5.
Испытания проводят в соответствии с требованиями
8.11.
Начальное сопротивление постоянному воздушному потоку
на вдохе полумасок с противогазовыми фильтрами
Класс | Максимальное сопротивление, Па, при расходе постоянного воздушного потока |
30 дм3/мин | 95 дм3/мин |
FM Газ 1 | 100 | 400 |
FM Газ 2 | 140 | 560 |
FM AX | 140 | 560 |
FM SX | 140 | 560 |
7.20.2.2. Полумаски с комбинированными фильтрами
Начальное сопротивление постоянному воздушному потоку на вдохе должно быть минимальным и не должно превышать значений, представленных в
таблице 6.
Испытания проводят в соответствии с требованиями
п. 8.11.
Начальное сопротивление постоянному воздушном потоку
на вдохе полумасок с комбинированными фильтрами
Класс/комбинация фильтра | Максимальное сопротивление, Па, при расходе постоянного воздушного потока |
30 дм3/мин | 95 дм3/мин |
FM Газ 1 P1 | 160 | 610 |
FM Газ 1 P2 | 170 | 640 |
FM Газ 1 P3 | 220 | 820 |
FM Газ 2 P1 | 200 | 770 |
FM Газ 2 P2 | 210 | 800 |
FM Газ 2 P3 | 260 | 980 |
FM AX P1 | 200 | 770 |
FM AX P2 | 210 | 800 |
FM AX P3 | 260 | 980 |
FM SX P1 | 200 | 770 |
FM SX P2 | 210 | 800 |
FM SX P3 | 260 | 980 |
7.20.2.3. Полумаски с противоаэрозольными фильтрами
Начальное сопротивление постоянному воздушному потоку на вдохе должно быть минимальным и не должно превышать значений, представленных в
таблице 7.
Испытания проводят в соответствии с требованиями
8.11.
Начальное сопротивление постоянному воздушному потоку
на вдохе полумасок с противоаэрозольными фильтрами
Класс | Максимальное сопротивление, Па, при расходе постоянного воздушного потока |
30 дм3/мин | 95 дм3/мин |
FM P1 | 60 | 210 |
FM P2 | 70 | 240 |
FM P3 | 120 | 420 |
7.20.3. Начальное сопротивление воздушному потоку на выдохе
Начальное сопротивление воздушному потоку на выдохе для изделия в сборе не должно превышать 300 Па.
Испытания проводят в соответствии с требованиями
8.11.
7.21. Подсос под полумаску
Коэффициент подсоса должен учитывать подсос по полосе обтюрации, через соединение фильтра и проникание через клапаны и должен соответствовать следующим требованиям.
Коэффициент подсоса под полумаску, одетую в соответствии с указаниями по эксплуатации, предоставленными изготовителем, не должен превышать 5% в 46 из 50 результатов отдельных испытаний (10 человек по пять упражнений).
Решение принимается по среднему арифметическому значению, рассчитанному для каждого из десяти испытателей. При этом для восьми из десяти испытателей коэффициент подсоса под СИЗОД не должен превышать 2%.
Испытание проводят в соответствии с требованиями
8.12.
7.22. Площадь поля зрения
Площадь поля зрения должна быть признана приемлемой в процессе эксплуатационных испытаний в соответствии с требованиями
8.13.
7.23. Эксплуатационные свойства
Эксплуатационные свойства следует определять в условиях моделирования трудовой деятельности в соответствии с методом испытаний, приведенным в
8.13.
Сведения об испытаниях эксплуатационных свойств СИЗОД должны быть отражены в протоколе испытательной лаборатории. В случае получения отрицательного заключения хотя бы по одному из требований
8.13 заявитель имеет право обратиться в другую аккредитованную испытательную лабораторию для повторных испытаний.
Перед проведением испытаний, в которых участвуют испытатели, принимают во внимание диагноз испытателя, отраженный в медицинской карте, любые особенности, выявленные при осмотре или наблюдении за ним.
Если не оговорено применение специальных измерительных приборов и методов испытаний, то следует использовать общепринятые средства измерений и методы.
8.2. Предварительная подготовка образцов
8.2.1. Общие положения
Перед испытаниями, для которых требуется предварительная подготовка образцов, следует использовать методы, приведенные
8.2.2,
8.2.3 и
8.2.4.
8.2.2. Температурное воздействие (ТВ)
СИЗОД в сборе в состоянии после поставки должны проходить следующий термический цикл:
a) нагревание до (70 + 3) °C в течение 24 ч;
b) охлаждение до (минус 30 + 3) °C в течение 24 ч.
Перед проведением последующих испытаний СИЗОД выдерживают при комнатной температуре в течение не менее 4 ч.
Испытания проводят таким образом, чтобы избегать скачков температуры.
8.2.3. Устойчивость к механическому воздействию (МВ)
8.2.3.1. Оборудование
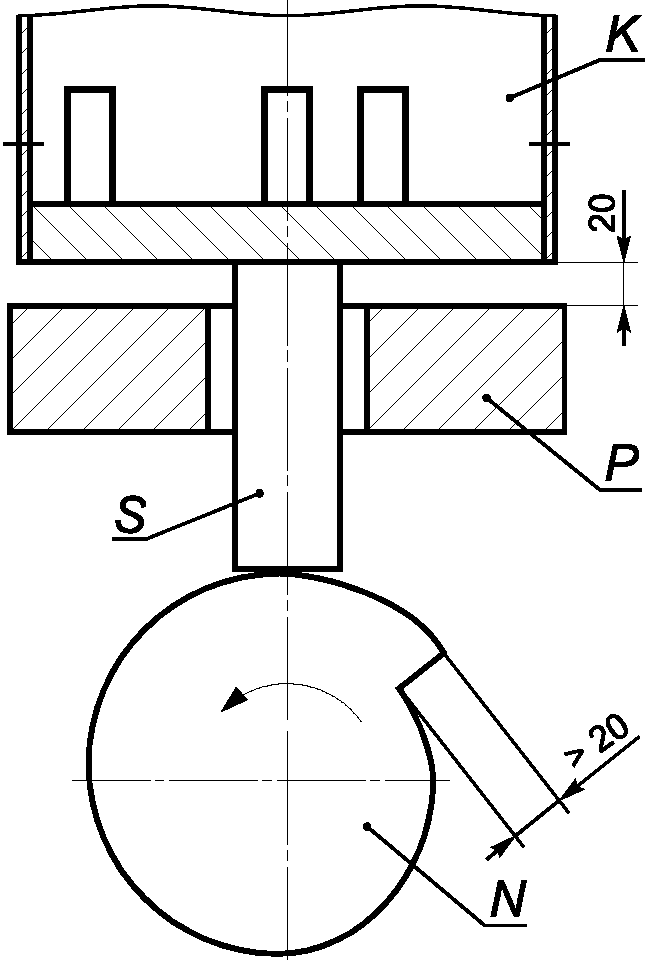
Установка, представленная на рисунке 1, включает стальную коробку K, закрепленную на вертикально перемещающемся поршне S, который может подниматься на 20 мм с помощью вращающегося кулачка N и опускаться на стальную пластину P под действием собственной массы по мере вращения кулачка. Масса стальной коробки должна составлять не менее 10 кг. Масса стальной пластины, на которую опускается стальной корпус, должна превышать массу стальной коробки более чем в 10 раз. Этого можно добиться путем крепления стальной пластины болтами к твердому полу без демпфирующих элементов.
S - поршень; K - стальная коробка;
P - стальная пластина; N - кулачок
Рисунок 1. Установка для механического воздействия
8.2.3.2. Методика
Полумаску или фильтры испытывают в состоянии после поставки. Фильтры помещают вертикально в стальную коробку К так, чтобы они не касались друг друга во время испытания и обеспечивали возможность перемещения по горизонтали на 6 мм и свободного перемещения по вертикали. Установка должна работать в следующем режиме: скорость - 100 об/мин, время работы - 20 мин (общее количество оборотов - 2000). После окончания данного испытания СИЗОД/элементы следует встряхнуть для удаления из них материала, появившегося в процессе механического воздействия.
8.2.4. Моделирование режима носки (РН)
Предварительную подготовку образцов моделированием режима носки следует проводить в соответствии со следующей процедурой.
Дыхательную машину регулируют на 25 циклов/мин и на 2 дм3/ход. Полумаску надевают на Шеффилдскую голову-манекен. Во время проведения испытаний в линию выдоха между дыхательной машиной и головой манекена подсоединяется сатуратор, отрегулированный на температуру свыше 37 °C, для увлажнения воздуха, подающегося в ротовую полость манекена. Воздух в ротовой полости манекена должен быть насыщен парами воды при температуре (37 + 2) °C. Для предотвращения выливания избыточной воды изо рта манекена и загрязнения полумаски голову-манекен следует наклонять таким образом, чтобы вода могла вытекать изо рта и собираться в специальной ловушке.
После включения дыхательной машины и сатуратора вся система прирабатывается до выхода на заданный режим. Испытуемую полумаску надевают на голову манекена. Во время испытания, которое занимает в целом 3 ч, через каждые 20 мин полумаску следует полностью снимать с головы манекена и затем надевать ее вновь так, чтобы в течение испытания полумаска десять раз была надета на голову.
Визуальный осмотр проводят перед проведением испытаний. При визуальном осмотре проверяют также маркировку и наличие соответствующих указаний по эксплуатации.
Визуальный осмотр должен проводиться испытательной лабораторией, когда это целесообразно, перед лабораторными испытаниями или испытаниями эксплуатационных свойств.
8.4. Устойчивость к воспламенению
Испытаниям подлежат четыре полумаски: две в состоянии после поставки и две после температурного воздействия
(8.2.2).
Испытания на устойчивость к воспламенению следует проводить с использованием одной горелки.
Во время испытания лицевую часть надевают на металлическую голову-манекен, приводимую в движение двигателем таким образом, чтобы лицевая часть описывала в горизонтальной плоскости круг. При этом линейная скорость образца должна быть (60 + 5) мм/с.
Голова-манекен должна проходить над пропановой горелкой, положение которой может регулироваться. Расстояние между верхом горелки и низом лицевой части, проходящим непосредственно над пламенем, устанавливается равным (20 + 2) мм.
Для проведения испытаний может использоваться пропановая горелка, описанная в ЕН ИСО 6941. Установка снабжения газом состоит из баллона с пропаном с клапаном регулирования газового потока, манометром и блокиратором обратного зажигания. Газовая горелка регулируется по высоте. Горелка представляет собой горелку типа "TEKLU". Следует использовать термопару диаметром 1,5 мм с минеральной изоляцией.
Горелку поджигают, предварительно убедившись в том, что воздушный канал горелки полностью закрыт, и регулируют клапан контроля потока таким образом, чтобы высота пламени над вершиной горелки составляла (40 +/- 4) мм, а температура пламени на высоте (20 +/- 2) мм над верхом горелки была равна (800 +/- 50) °C.
Если добиться требуемой температуры не удается, это означает, что имеется неисправность, например, частичное засорение горелки. Неисправность необходимо устранить.
Регистрируют влияние пламени на лицевую часть, после прохождения ее через пламя.
Испытание следует повторить для того, чтобы сделать возможной оценку всех материалов с наружной стороны лицевой части. Некоторые компоненты лицевой части могут проходить через пламя только один раз.
8.5. Чистка и дезинфекция
Материалы полумасок не должны менять своих свойств при использовании чистящих или дезинфицирующих средств, рекомендуемых изготовителем. Количество образцов, подвергнутых чистке и дезинфекции, должно быть равно количеству образцов, для которых определяют коэффициент подсоса под лицевую часть.
Соответствие оценивают в ходе испытаний, приведенных в
8.12.
8.6. Клапаны выдоха (если полумаска оснащена ими)
8.6.1. Клапан выдоха (испытания воздушным потоком)
Испытаниям подлежат три образца: один в состоянии после поставки и два после температурного воздействия. Испытания следует проводить в соответствии с требованиями
8.2.2.
8.6.2. Клапан выдоха (испытания на растяжение)
Испытаниям подлежат три образца: один в состоянии после поставки; один после температурного воздействия
(8.2.2) и один после моделирования режима носки
(8.2.4).
Полумаску плотно закрепляют в зажимном устройстве, как показано на рисунке 2. К корпусу клапана выдоха прикладывают, перпендикулярно к плоскости клапана выдоха, силу растяжения 10 Н в течение 10 с. Результаты регистрируют. После окончания испытания клапан выдоха не должен претерпеть каких-либо изменений.
Рисунок 2. Крепление маски
8.7. Время защитного действия противогазовых фильтров
Испытаниям подвергаются шесть образцов СИЗОД (фильтров) по каждому тест-веществу: три после механического воздействия
(8.2.3) и три после механического воздействия
(8.2.3) с последующим моделированием режима носки
(8.2.4).
Испытания на время защитного действия образцов, прошедших предварительную подготовку на механическую прочность с последующим моделированием режима носки, следует проводить в течение 15 мин после завершения моделирования режима носки, на это время следует помещать фильтры в герметичный контейнер.
Испытания должны проводиться так, чтобы контрольная газопаровоздушная смесь или воздух проходили через фильтр в горизонтальном направлении.
СИЗОД плотно закрепляют и герметизируют в соответствующем переходнике таким образом, чтобы не уменьшить рабочую поверхность фильтра. Клапан выдоха (если лицевая часть им оснащена) должен быть загерметизирован.
Испытания проводят в соответствии с требованиями ЕН 141, ЕН 371 или ЕН 372, в зависимости от марки фильтра.
8.8. Проницаемость противоаэрозольных фильтров
Испытанию подлежат 12 образцов: три в состоянии после поставки, три после температурного воздействия
(8.2.2), три после испытания на механическую прочность
(8.2.3), три после моделирования режима носки
(8.2.4).
Для образцов, прошедших предварительную подготовку, проницаемость должна определяться в течение последующих 24 ч.
Испытания проводят в соответствии с требованиями ЕН 143.
8.9. Устойчивость к запылению
Испытанию подлежат три образца: один в состоянии после поставки, два после температурного воздействия
(8.2.2).
Испытания проводят в соответствии с требованиями ЕН 149.
8.10. Содержание диоксида углерода во вдыхаемом воздухе
Испытаниям подлежат три образца в состоянии после поставки.
Установка состоит из дыхательной машины с соленоидными клапанами, контролируемыми дыхательной машиной, соединителя, расходомера диоксида углерода и анализатора диоксида углерода.
Образец СИЗОД, подсоединенный к данной установке, включают вдыхательный цикл, обеспечиваемый дыхательной машиной.
Схемы испытательного оборудования представлены на рисунках 3 и
4.
1 - дыхательная машина; 2 - вспомогательное "легкое";
3 - односторонний клапан; 4 - расходомер; 5 - компенсатор;
6 - анализатор диоксида углерода; 7 - соленоидные клапаны;
8 - голова манекена; 9 - трубка для отбора проб
из вдыхаемого воздуха; 10 - абсорбер диоксида углерода;
--------------------------------
<1> Диоксид углерода
Рисунок 3. Схема испытательной установки для измерения
содержания диоксида углерода во вдыхаемом воздухе
СИЗОД с фильтром/фильтрами должно надежно, герметично и без деформации надеваться на голову манекена
(рисунок 4). Для испытаний необходимо использовать фильтры наибольшего объема, поставляемые изготовителем.
Воздух подается от дыхательной машины, отрегулированной на 25 циклов/мин и 2,0 дм3/ход, при этом содержание диоксида углерода в выдыхаемом воздухе должно составлять 5% по объему.
При увеличении концентрации диоксида углерода при работе установки следует поместить абсорбер

в цикл вдоха между соленоидным клапаном и дыхательной машиной.

подается в дыхательную машину через контрольный клапан, расходомер, компенсационный резервуар и два односторонних клапана.
Непосредственно перед соленоидным клапаном через линию отбора проб проводят постоянный отбор небольшого количества выдыхаемого воздуха, которое потом вновь возвращается в выдыхаемый воздух через анализатор

.
1 - вдох; 2 - выдох; 3 - измерение

(на вдохе);
X - втулка для измерения сопротивления воздушному потоку
Рисунок 4. Шеффилдская голова-манекен для испытания
по определению содержания диоксида углерода во вдыхаемом
воздухе с втулкой для измерения сопротивления дыханию
Для измерения содержания

во вдыхаемом воздухе 5% объема пробы, взятой на фазе вдоха дыхательной машины, отбирается в определенном месте с помощью вспомогательного "легкого" и затем подается в анализатор

. Общий объем "мертвого пространства" воздушной линии (за исключением дыхательной машины) испытательной установки не должен превышать 2 дм3.
Необходимо проводить постоянное измерение и регистрацию содержания диоксида углерода во вдыхаемом воздухе.
Испытания производят в условиях окружающей среды.
Уровень содержания диоксида углерода в окружающей атмосфере следует определять на уровне кончика носа головы манекена на расстоянии 1 м от лица. Содержание диоксида углерода в окружающей атмосфере следует измерять после стабилизации содержания диоксида углерода во вдыхаемом воздухе. Другим способом определения содержания диоксида углерода в окружающей атмосфере является проведение измерений в трубке для отбора проб при отключенной подаче диоксида углерода. При содержании диоксида углерода в окружающей атмосфере, не превышающем 0,1%, результаты считаются действительными.
Из измеренного значения вычитают содержание диоксида углерода в окружающей атмосфере.
Скорость воздушного потока в трубопроводе, направленном на СИЗОД, должна составлять 0,5 м/с. Схема испытательного оборудования представлена на
рисунке 5.
Испытания проводят до установления стабильного значения содержания диоксида углерода во вдыхаемом воздухе.
1 - вентилятор; 2 - трубопровод; 3 - датчик скорости
воздушного потока; 4 - голова-манекен;
5 - к дыхательной машине; a > 0,3 м
Рисунок 5. Схема проведения испытания по определению
содержания диоксида углерода во вдыхаемом воздухе
8.11. Сопротивление воздушному потоку
Испытаниям подлежат девять образцов: три в состоянии после поставки; три после температурного воздействия
(8.2.2) и три после моделирования режима носки
(8.2.4).
Примечание. При измерении сопротивления воздушному потоку образцов СИЗОД после запыления
(8.9) не требуется описанной выше дополнительной подготовки образцов.
Сопротивление воздушному потоку образцов, прошедших предварительную подготовку, следует измерять в течение 30 мин после ее завершения.
СИЗОД надежно и плотно надевают на голову-манекен. Сопротивление воздушному потоку измеряют у ротового отверстия головы-манекена с использованием адаптера, показанного на
рисунке 4.
Для измерения сопротивления воздушному потоку на выдохе у дыхательной машины устанавливают режим работы 25 циклов/мин и 2,0 дм3/ход или используют постоянный воздушный поток с расходом 160 дм3/мин. При этом следует использовать подходящий преобразователь давления.
Испытания сопротивления воздушному потоку на вдохе проводят при постоянном воздушном потоке с расходом 30 дм3/мин и 95 дм3/мин.
Сопротивление воздушному потоку приводят к нормальным условиям: температуре 23 °C и давлению

.
Если СИЗОД оснащено клапаном выдоха, то испытания по определению сопротивления воздушному потоку проводят последовательно при пяти определенных ориентациях лицевой части, надежно (но без деформации) закрепленной на голове-манекене: с ориентацией головы-манекена вперед; вертикально направленной вверх; вертикально опущенной вниз; с обычной вертикальной осью головы; расположенной горизонтально; с лицевой частью, смотрящей вправо и влево.
8.12. Коэффициент подсоса под полумаску
8.12.1. Общие положения
Испытаниям подлежат десять образцов: пять в состоянии после поставки и пять после температурного воздействия
(8.2.2).
Для корректного измерения коэффициента подсоса под лицевую часть, в зависимости от конструкции образцов, может потребоваться их модификация. Это может потребоваться для исключения влияния проницаемости фильтра на результат измерений. Для этого следует внести изменения в образцы (для примера в соответствии с
8.12.6), гарантирующие, что влияние проницаемости фильтра на результат испытаний будет пренебрежимо малым.
Испытательная установка и процедура испытаний аналогичны для обоих тест-веществ.
8.12.2. Испытатель в испытуемом СИЗОД/лицевой части идет с указанной скоростью по горизонтальной бегущей дорожке в атмосфере с известной концентрацией тест-вещества. Используются два типа тест-веществ, один с использованием аэрозоля хлорида натрия, другой с использованием гексафторида серы. Сущность метода испытаний одинакова для испытаний с использованием аэрозоля хлорида натрия и для испытаний с использованием гексафторида серы. Используемая испытательная атмосфера выбирается в зависимости от типа испытательного оборудования, а также в соответствии с требованиями, указанными в
таблице 1.
Разбавление концентрации тест-вещества в испытательной камере чистым воздухом, поступающим из испытуемого СИЗОД/лицевой части, не влияет на точность измерения проникания (подсоса) из-за большого объема камеры и постоянного поступления воздуха с заданным содержанием тест-вещества.
8.12.3. Оборудование для испытаний
8.12.3.1. Камера
Испытательная камера должна вмещать в себя беговую дорожку и обеспечивать непрерывную подачу воздуха с тест-веществом, которые должны поступать в верхнюю часть камеры через трубу и распределитель потока и направляться вниз, в пространство над головой испытателя. Концентрацию тест-вещества внутри эффективного рабочего объема необходимо проверять, она должна быть одинаковой по объему и постоянной по времени. Камера должна быть достаточно велика, чтобы не было помех при ходьбе по бегущей дорожке.
Линейная скорость потока воздуха через камеру, измеренная вблизи головы испытателя, когда он стоит в центре бегущей дорожки, при выключенных дополнительных вентиляторах должна составлять от 0,12 до 0,2 м/с.
Конструкция камеры должна быть такой, чтобы на СИЗОД, носимое испытателем, можно было при необходимости подать чистый воздух (не содержащий тест-вещества).
Необходимо, чтобы крепление шланга подачи чистого воздуха не влияло на фиксацию изделия на голове испытателя, а его крепеж не должен каким-либо образом влиять на обтюрацию испытуемого СИЗОД. При необходимости шланг следует закрепить на опоре.
8.12.3.2. Беговая дорожка
Горизонтальная беговая дорожка, обеспечивающая скорость 6 км/ч.
8.12.3.3. Система пробоотбора
Пробоотборник должен быть надежно и герметично прикреплен к лицевой части, как можно ближе к ее центральной оси. Рекомендуется использовать пробоотборник с несколькими отверстиями для отбора.
При использовании аэрозоля хлорида натрия в качестве тест-вещества, для исключения влияния конденсации на результат измерений, в пробоотборник подается сухой воздух в соответствии со схемой, приведенной на рисунке 6. Пробоотборник прикрепляют таким образом, чтобы он находился непосредственно у губ испытателя.
1 - ПВХ; 2 - осушающий воздух;
3 - проба, содержащая осушающий воздух
Рисунок 6. Пробоотборник
8.12.3.4. Система детектирования
Система детектирования, включающая пробоотборники и соединения, должна иметь время отклика менее 20 с для получения результата измерения, соответствующего от 10% до 90% во всем диапазоне измерений.
8.12.4. Предварительная подготовка образцов
Испытаниям подлежат десять образцов: пять в состоянии после поставки и пять после температурного воздействия
(8.2.2).
8.12.5. Испытатели
Для определения подсоса/проникания следует отбирать людей, знакомых с использованием данного или подобного СИЗОД, охватывая при этом спектр типичных черт лица (за исключением значительных особенностей). Испытателями должны быть лица как мужского, так и женского пола.
Не следует привлекать к испытаниям людей, для которых невозможно добиться удовлетворительного прилегания полумаски. Протокол испытаний должен содержать размеры четырех основных параметров лица (в миллиметрах) (для информации), показанных на рисунке 7.
Рисунок 7. Параметры лица
8.12.6. Подготовка образцов для испытаний
8.12.6.1. Общие положения
В
8.12.6.2 и
8.12.6.3 приведены методы подготовки полумаски к испытаниям для определения коэффициента подсоса. В методе, приведенном в
8.12.6.2, при использовании противоаэрозольного фильтра класса FM P3 определяется коэффициент проникания под лицевую часть. В методе, приведенном в
8.12.6.3, определяется подсос под лицевую часть при подаче чистого воздуха для дыхания под полумаску.
8.12.6.2. Полумаска, оснащенная противоаэрозольным фильтром FM P3
Если полумаска оснащается непосредственно фильтрами FM P3, то такая конструкция может быть использована для определения коэффициента проникания без последующей модификации (при условии соответствующей массы и сопротивления дыханию).
Подсос под фильтрующие СИЗОД можно также измерять, заменяя противогазовые или комбинированные фильтры высокоэффективными противоаэрозольными фильтрами той же массы и сопротивления, в соответствии с
8.12.6.3.1. СИЗОД с измененной таким образом конструкцией можно затем использовать при испытаниях.
Если СИЗОД не оснащается высокоэффективными противоаэрозольными фильтрами, то общее сопротивление и массу СИЗОД с такими фильтрами следует корректировать таким образом, чтобы она соответствовала характеристикам исходного СИЗОД.
8.12.6.3. Использование чистого воздуха для испытаний полумаски
8.12.6.3.1. Подсоединение линии подачи чистого воздуха
Легкий шланг/шланги или насадки линии подачи чистого воздуха следует присоединять к фильтру/фильтрам полумаски, при этом сопротивление воздушному потоку (включая шланги) должно быть отрегулировано таким образом, чтобы оно совпадало с сопротивлением СИЗОД в состоянии после поставки.
Важно, чтобы крепление фильтров-заменителей не влияло на фиксацию изделия, и их крепеж не должен каким-либо образом влиять на обтюрацию СИЗОД. При необходимости шланг следует закрепить на опоре. Если это невозможно, то следует оценивать такие влияния на изменения коэффициента подсоса в ходе испытаний.
8.12.6.3.2. Герметизация рабочей поверхности фильтра
Рабочая поверхность фильтра/фильтров может быть загерметизирована с помощью специальных герметиков. Затем к загерметизированной поверхности можно присоединить шланг линии подачи чистого воздуха в соответствии с
8.12.6.3.1. В случае если фильтр был удален, его массу следует скомпенсировать, если она составляла более 5% массы всего СИЗОД.
8.12.7. Метод испытаний - общие положения
8.12.7.1. Попросить испытателей прочитать инструкции изготовителя по надеванию СИЗОД и, при необходимости, показать, как правильно надеть СИЗОД в соответствии с этими инструкциями. Далее следует попросить испытателя надеть изделие, подобрав, если это необходимо, правильный размер.
8.12.7.2. Проинформировать испытателей о том, что, если они желают поправить изделие в ходе испытания, они могут это сделать. Однако если такое происходит, соответствующий раздел испытания следует повторить, дав системе время на стабилизацию.
8.12.7.3. Спросить каждого испытателя: "Подходит ли вам СИЗОД?" Если ответ будет утвердительный, можно продолжать испытание. Если ответ отрицательный, необходимо исключить испытателя из группы и отразить этот факт в отчете.
8.12.7.4. Убедиться в том, что испытатели не имеют возможности видеть результаты в ходе прохождения испытания.
8.12.7.5. Убедиться в том, что тест-вещество не поступает в камеру.
8.12.7.6. Испытатель должен встать на бегущую дорожку в камере. Подсоединить пробоотборник и, если требуется, обеспечить подачу чистого воздуха. Испытатель должен идти со скоростью 6 км/ч в течение 2 мин. Следует измерить фоновую концентрацию тест-вещества под лицевой частью.
8.12.7.7. Подождать, пока показания не стабилизируются.
8.12.7.8. Включить подачу тест-вещества в камеру.
8.12.7.9. Дать указание испытателю продолжать ходьбу в течение еще двух минут или до тех пор, пока концентрация тест-вещества не стабилизируется.
8.12.7.10. Продолжая ходьбу, испытатель должен выполнять следующие упражнения:
a) идти, не двигая головой и не разговаривая, в течение 2 мин;
b) поворачивать голову из стороны в сторону (примерно 15 раз), как если бы он изучал стены туннеля, в течение 2 мин;
c) поворачивать голову вверх и вниз (примерно 15 раз), как если бы он изучал потолок и пол, в течение 2 мин;
d) проговаривать вслух алфавит или заранее согласованный текст, как если бы он общался с коллегой, в течение 2 мин;
e) идти, не двигая головой и не разговаривая, в течение 2 мин.
8.12.7.11. Регистрация:
a) концентрации тест-вещества в камере;
b) концентрации тест-вещества в зоне дыхания СИЗОД за период каждого из упражнений.
8.12.7.12. Отключить подачу тест-вещества и, после проветривания испытательной камеры, вывести из нее испытателя.
8.12.7.13. Повторить испытания с участием другого испытателя и использованием нового образца.
8.12.8. Метод испытания с использованием гексафторида серы

8.12.8.1. Испытательное оборудование
Схема испытательной установки показана на
рисунке 8.
8.12.8.1.1. Тест-вещество - гексафторид серы.
Рекомендуемые значения объемного содержания тест-аэрозоля в испытательной камере от 0,1% до 1,0%. Измерительные приборы должны обеспечивать измерение коэффициента подсоса в диапазоне от 0,01% до 20,00% в зависимости от начальной концентрации тест-вещества.
8.12.8.1.2. Средства измерения
Концентрация гексафторида серы в камере и в подмасочном пространстве СИЗОД измеряется приборами, соответствующими требованиям
8.12.3.4 в части времени отклика измерительной системы.
8.12.8.1.3. Скорость отбора проб
Пробоотбор следует непрерывно осуществлять на скорости до 3 дм3/мин.
8.12.8.2. Условия проведения испытаний
Испытания проводятся при температуре и относительной влажности окружающей среды в соответствии с
7.2.
8.12.8.3. Описание метода
Испытания проводят в соответствии с требованиями
8.12.7.
1 - беговая дорожка; 2 - камера; 3 - распределитель потока;
4 - подвеска; 5 - шланг подачи тест-вещества; 6 - место
разбавления

воздухом; 7 - расходомер воздуха, оснащенный
контрольным устройством; 8 - расходомер

, оснащенный
контрольным устройством; 9 - пробоотборник для отбора
тест-вещества; 10 - прибор для измерения концентрации
тест-вещества; 11 - трубка отбора проб для определения
концентрации тест-вещества; 12 - прибор для измерения
концентрации тест-вещества во вдыхаемом воздухе;
13 - регистрирующее устройство; 14 - воздух
для дыхания, не содержащий тест-вещество
Рисунок 8. Схема испытательной установки для определения
коэффициента подсоса под лицевую часть СИЗОД
с использованием гексафторида серы
8.12.8.4. Вычисление коэффициента подсоса
Коэффициент подсоса P, %, вычисляется на основе измерений, сделанных за последние 100 с каждого периода упражнения для того, чтобы избежать наложения результатов последовательных упражнений:

, (1)
где

- концентрация тест-вещества;

- усредненная концентрация тест-вещества в подмасочном пространстве.
При измерении

может быть использовано интегрирующее устройство.
8.12.9. Метод с использованием аэрозоля хлорида натрия
8.12.9.1. Испытательное оборудование
Схема испытательной установки показана на рисунке 9.
1 - генератор аэрозоля; 2 - насос; 3 - клапан переключения;
4 - фильтр; 5 - испытательная камера; 6 - линия отбора пробы
из испытательной камеры; 7 - линия отбора пробы
из подмасочного пространства; 8 - манометр; 9 - фотометр;
10 - полумаска с фильтрами; 11 - беговая дорожка;
12 - трубопровод и заслонка; 13 - дополнительная подача
воздуха; 14 - система разделения фаз вдоха-выдоха при отборе
проб; 15 - сброс воздуха
Рисунок 9. Схема испытательной установки
для определения коэффициента проникания через СИЗОД
8.12.9.1.1. Генератор аэрозоля
Аэрозоль хлорида натрия генерируется из 2%-ного раствора хлорида натрия (х.ч.) в дистиллированной воде при использовании большого распылителя Коллисона
(рисунок 10).
Требуемая скорость потока воздуха через распылитель - 100 дм3/мин при давлении 7 атм. Распылитель вместе с корпусом устанавливают в трубу, через которую подается постоянный поток воздуха для подачи тест-аэрозоля в камеру. Длина трубы должна быть достаточно большой для того, чтобы обеспечить осушение аэрозоля NaCl.
Средняя концентрация аэрозоля NaCl в камере должна составлять (8 +/- 4) мг/м3. Допускается отклонение средней концентрации аэрозоля хлорида натрия по всему эффективному рабочему объему испытательной камеры, не превышающее 10%. При пробоотборе для метода с использованием аэрозоля хлорида натрия следует использовать осушающий воздух, подаваемый со скоростью около 1 дм3/мин. Распределение частиц по размеру должно быть полидисперным, в диапазоне от 0,02 мкм до 2 мкм (аэродинамический диаметр), при среднемассовом диаметре 0,6 мкм.
1 - сопло; 2 - подающая труба (раствор соли); 3 - рукав
(изготовленный из непластифицированного ПВХ); 4 - втулка;
5 - трубка для воздуха (диаметр - 10,0 мм)
Рисунок 10. Конструкция распылителя
8.12.9.1.2. Пламенный фотометр
Для измерения концентрации аэрозоля NaCl в подмасочном пространстве и в камере следует использовать пламенный фотометр со следующими основными характеристиками:
a) фотометр должен быть специально предназначен для прямого анализа аэрозоля хлорида натрия;
b) должен иметь возможность измерять концентрацию NaCl от 15 мг/м3 до 10 мг/м3;
c) скорость пробоотбора аэрозоля, необходимая для фотометра, не должна превышать 15 дм3/мин;
d) время отклика пламенного фотометра без системы пробоотбора не должно превышать 500 мс;
e) необходимо снизить чувствительность фотометра по отношению к другим химическим элементам и, в частности на углерод, концентрация которого изменяется в ходе дыхательного цикла. Для этого можно уменьшить ширину полосы пропускания интерференционного фильтра до величины не более 3 нм и иметь в наличии все необходимые фильтры для других побочных полос.
8.12.9.1.3. Система пробоотбора
Система пробоотбора должна функционировать так, чтобы подача пробы на пламенный фотометр производилась только на фазе вдоха дыхательного цикла испытателя. В ходе выдоха на фотометр следует подавать чистый воздух.
a) Клапан с электрическим управлением и со временем отклика порядка 100 мс. Клапан в открытом состоянии должен оказывать минимальное сопротивление, близкое к полному отсутствию ограничений для потока;
b) датчик давления, обеспечивающий регистрацию изменения давления около 5 Па, подключенный к пробоотборнику, устанавливаемому в подмасочном пространстве вблизи от пробоотборника системы регистрации подсоса. Датчик должен иметь регулируемый порог регистрации изменения давления и обеспечивать сигнализацию при изменении этого порога в ту или другую сторону и должен надежно работать в условиях ускорений, создаваемых движениями головы испытателя;
c) связующая система, активирующая клапан в ответ на сигнал от датчика давления;
d) устройство отсчета времени для записи той части общего дыхательного цикла, в течение которой происходит отбор пробы.
8.12.9.1.4. Пробоотборник
Должен использоваться пробоотборник, соответствующий требованиям
8.12.3.3.
8.12.9.1.5. Насос для пробоотбора
Если у пламенного фотометра нет встроенного насоса, то для отбора образца воздуха следует использовать насос с регулируемой скоростью. Насос должен быть таким, чтобы свести к минимуму потери аэрозоля внутри насоса, а также свести к минимуму изменения скорости потока, вызываемые изменением давления в зоне пробоотбора.
Насос должен быть отрегулирован таким образом, чтобы постоянно производить отбор со скоростью от 2 дм3/мин. Для некоторых типов пламенных фотометров требуется скорость потока, превышающая указанную. В этих случаях необходимо разбавлять пробу чистым воздухом в дополнение к осушающему воздуху, подаваемому в пробоотборник в точке отбора пробы.
8.12.9.1.6. Способы отбора проб для определения концентрации в камере
Концентрацию аэрозоля в камере следует измерять в ходе испытаний, по возможности непрерывно, с использованием отдельной системы пробоотбора во избежание загрязнения каналов системы отбора проб из подмасочного пространства. Предпочтительно для этой цели использовать другой пламенный фотометр.
Если второго пламенного фотометра нет, следует осуществлять отбор проб для измерения концентрации в камере с помощью отдельной системы пробоотбора и использовать один фотометр. Однако в этом случае необходимо дать возможность фотометру вернуться к чистым фоновым значениям.
8.12.9.1.7. Пробоотборник для датчика давления
Пробоотборник для датчика давления должен устанавливаться в непосредственной близости к пробоотборнику системы отбора и использоваться для управления пробоотбором с целью выделения фазы вдоха.
8.12.9.2. Требования к условиям проведения испытаний
Испытания производятся при температуре окружающей среды и относительной влажности не более 60%.
8.12.9.3. Метод испытания
Следует использовать метод, приведенный в
8.12.7.
8.12.9.4. Вычисление коэффициента подсоса
Коэффициент подсоса P, %, вычисляется на основе измерений, сделанных за последние 100 с каждого периода упражнения, во избежание наложения друг на друга результатов разных упражнений.

, (2)
где

- концентрация тест-аэрозоля (с учетом используемого разбавления при измерении

);

- измеренная средняя концентрация тест-аэрозоля в подмасочном пространстве, скорректированная с учетом фонового сигнала;

- общая продолжительность вдохов, с;

- общая продолжительность выдохов, с.
Измерение

предпочтительно осуществлять с помощью интегрирующего устройства записи.
8.13. Определение эксплуатационных свойств
8.13.1. Общие положения
Испытаниям подлежат два образца полностью укомплектованных полумасок в состоянии после поставки.
Перед испытаниями следует провести визуальный осмотр фильтрующих полумасок в соответствии с требованиями настоящего стандарта.
При выборе образцов укомплектованных полумасок, используемых при испытаниях, следует учитывать характеристики возможных комбинаций комплектации (размер, масса, сопротивление дыханию). Не следует испытывать все возможные комбинации фильтров и полумасок. Испытание следует проводить только при использовании максимальной комплектации.
Перед испытанием следует удостовериться, что тестируемые изделия находятся в хорошем рабочем состоянии и могут использоваться без риска.
Все испытания должны производиться двумя испытателями при температуре окружающей среды, при этом температуру и влажность среды следует регистрировать.
Для испытаний следует отбирать людей, знакомых с использованием данного или похожего оборудования.
В ходе испытания испытатель должен дать субъективную оценку изделию, а после испытания следует записать его комментарии по следующим вопросам:
- удобство фиксации на голове;
- надежность креплений;
- поле зрения;
- любые другие комментарии, которые испытателя попросят сделать.
8.13.2. Испытание при ходьбе
Испытатели, одетые в обычную рабочую одежду, и с надетым СИЗОД должны передвигаться с постоянной скоростью 6 км/ч по ровной поверхности в течение 10 мин.
8.13.3. Испытания, моделирующие трудовую деятельность
Для имитации практического использования изделия в ходе испытания следует выполнять приведенные ниже действия. Продолжительность испытания должна составлять 20 мин.
Последовательность производимых действий определяет лицо, ответственное за испытания.
Должны быть выполнены следующие действия, при этом следует организовать испытания таким образом, чтобы оставалось достаточно времени на регистрацию необходимых комментариев:
a) ходьба по горизонтальной поверхности в комнате с высотой потолка (1,3 +/- 0,2) м в течение 5 мин;
b) продвижение ползком по горизонтальной поверхности в помещении с высотой потолка (0,70 +/- 0,05) м в течение 5 мин;
c) заполнение небольшой корзины (рисунок 11), объемом около 8 дм3, щебенкой из контейнера, высотой 1,5 м с отверстием у дна, позволяющим выгребать его содержимое с помощью лопаты, и открытым верхом для высыпания содержимого уже заполненной емкости. Заполняя емкость щебенкой, испытатель должен наклоняться или становиться на колени (по желанию). Затем испытатель должен поднять корзину и высыпать ее содержимое обратно в контейнер. Данная операция должна быть повторена 20 раз в течение 10 мин.
Рисунок 11. Корзина и контейнер, щебенка
Упаковка для изделия в целом должна быть четко маркирована устойчивой краской с указанием:
- названия, торговой марки или иного обозначения производителя или поставщика;
- маркировки, идентифицирующей тип;
- марки и класса в соответствии с 5;
- обозначения настоящего стандарта;
- года изготовления, срока годности или даты истечения срока годности (в случае, если с течением времени изменяются эксплуатационные свойства) или эквивалентной пиктограммы;
- надписи "Смотрите указания по эксплуатации" или соответствующей пиктограммы.
Упаковка фильтров, прошедших испытания по показателю устойчивости к запылению, должна иметь дополнительную маркировку буквой "D".
Маркировка полумасок должна быть четко различимой, стойкой и содержать следующие сведения:
- название, торговую марку или другую идентификацию изготовителя или поставщика;
- маркировку, идентифицирующую тип;
- обозначение настоящего стандарта;
- запасные части и элементы, которые может заменять уполномоченный на эти действия пользователь, а также элементы, существенно влияющие на безопасность, должны быть маркированы так, чтобы их можно было идентифицировать.
Для элементов, на которые нельзя нанести маркировку, например ремни крепления или оголовье, необходимые данные следует указывать в информации, предоставляемой изготовителем
(Приложение А);
- год изготовления, срок годности или дату истечения срока годности (в случае, если с течением времени изменяются эксплуатационные свойства) или эквивалентную пиктограмму.
9.3.1. Фильтры без герметичной упаковки
Маркировка фильтров без герметичной упаковки должна быть четко различимой, стойкой и содержать следующие сведения:
- маркировку, идентифицирующую тип;
- марку и класс в соответствии с 5;
- соответствие противоаэрозольных фильтров FM P1, FM P2 и FM P3 требованиям ЕН 143;
- букву "D" для фильтра, устойчивого к запылению.
9.3.2. Фильтры в герметичной упаковке
Маркировка фильтров в герметичной упаковке должна быть четко различимой, стойкой и содержать следующие сведения:
- название, торговую марку или другую идентификацию изготовителя или поставщика;
- маркировку, идентифицирующую тип;
- марку и класс в соответствии с 5;
- обозначение настоящего стандарта;
- год изготовления, срок годности или дату истечения срока годности (в случае, если с течением времени изменяются эксплуатационные свойства) или эквивалентную пиктограмму;
- букву "D" для фильтра, устойчивого к запылению;
- цветовую маркировку в соответствии с ЕН 141, ЕН 143, ЕН 371 или ЕН 372;
- надпись "Смотрите указания по эксплуатации" или соответствующую пиктограмму.
10. Указания по эксплуатации
10.1. Каждая наименьшая упаковка (как масок, так и фильтров) должна быть снабжена указаниями по эксплуатации.
10.2. Указания по эксплуатации должны быть составлены на официальном(ых) языке(ах) страны назначения.
10.3. Указания по эксплуатации должны содержать следующие сведения, необходимые для обученного и квалифицированного персонала:
- область применения/ограничения (указание на одноразовость применения полумаски, при необходимости);
- информацию о том, какие типы (марки) фильтра (фильтров) могут быть использованы с соответствующими типами полумасок;
- продолжительность использования фильтра (максимальное время использования - одна рабочая смена);
- информация о чистке и дезинфекции (если это применимо);
- проверки, которые следует выполнять перед использованием;
- указания по надеванию и креплению;
- указания по использованию;
- указания по техническому обслуживанию (предпочтительно в виде отдельной инструкции);
- условия хранения.
10.4. Указания по эксплуатации должны быть четкими и понятными. При необходимости указания по эксплуатации могут содержать иллюстрации, информацию о маркировке и идентификационные номера частей СИЗОД.
10.5. Следует в указаниях по эксплуатации привести предупреждения относительно возможных проблем, например:
- проверить перед использованием фиксацию изделия;
- при попадании под обтюратор маски волос, требования по подсосу не будут выполняться;
- загрязняющие агенты и недостаток кислорода влияют на качество воздуха;
- не использовать оборудование в потенциально взрывоопасной среде;
- используются ли в собранных устройствах цветовые обозначения марки (марок) фильтров.
10.6. Информация должна содержать указания о том, когда изделия/фильтры следует выбросить.
Перечень показателей, проверяемых при испытаниях
Название | Номер пункта требований | | Предварительная подготовка <2> | Номер пункта методов испытаний |
Визуальный осмотр | | Все | - | |
Материалы | | - | - | |
Устойчивость к воспламенению | | 4 | 2 ПП | |
Чистка и дезинфекция | | 10 (для определения коэффициента подсоса) | 5 ПП | |
Фильтрующий материал | | 2 | ПП | |
Требования к деталям | | - | - | |
Заменяемые элементы | | - | - | |
Ремни крепления и/или оголовья | | 10 (в ходе тестирования просачивания вовнутрь и испытания эксплуатационных качеств) | 5 ПП | |
Соединительные элементы | | 10 (в ходе испытаний по определению определения коэффициента подсоса и эксплуатационных свойств) | 5 ПП | |
Клапаны выдоха (функционирование) | | 10 (в ходе испытаний по определению определения коэффициента подсоса и эксплуатационных свойств) | 5 ПП | |
загрязнение, повреждение | | - | - | |
испытание потоком воздуха | | 3 | 1 ПП | |
прочность крепления | | 3 | 1 ПП | |
Упаковка | | - | - | |
Масса | | - | - | |
Время защитного действия | | 6 для каждого тест-вещества | | |
Проницаемость противоаэрозольного фильтра | | 12 для каждого вида аэрозоля | 3 ПП | EN 149 |
Устойчивость к запылению | | 3 | 1 ПП | EN 149 |
Требования безопасности | | - | - | |
Содержание диоксида углерода во вдыхаемом воздухе | | 3 | ПП | |
Начальное сопротивление воздушному потоку | | 9 | 3 ПП | |
Подсос под полумаску | | 10 | 5 ПП | |
Площадь поля зрения | | 2 | ПП | |
Эксплуатационные свойства | | 2 | ПП | |
Маркировка | | - | - | |
Указания по эксплуатации | | - | - | |
<1> Большинство образцов используются более чем в одном испытании. |
<2> ПП - состояние после поставки. |
(справочное)
Рекомендуется рассмотреть возможность маркировки следующих компонентов и частей для упрощения их идентификации:
Таблица А.1
Компоненты/части комплекта | Маркировка деталей | Дата выпуска | Примечания |
Диск клапана выдоха | - | + | 1 |
Разъем (если установлен) | + | - | - |
Лицевая часть | + | + | - |
Крепление на голове | + | + | 1 |
Примечания |
1 Для элементов, на которые нельзя корректно нанести маркировку, соответствующие данные следует указать в информации, предоставленной производителем. Компоненты частей комплекта не следует маркировать, если часть комплекта может быть идентифицирована. Компоненты, не поставляемые производителем в качестве запасных частей, не нужно маркировать, но соответствующие данные следует указать в информации, предоставленной изготовителем. |
2 "+" означает, что маркировка обязательна, "-" означает, что маркировка не обязательна. |
(справочное)
СВЕДЕНИЯ О СООТВЕТСТВИИ ССЫЛОЧНЫХ МЕЖДУНАРОДНЫХ СТАНДАРТОВ
ССЫЛОЧНЫМ НАЦИОНАЛЬНЫМ СТАНДАРТАМ РОССИЙСКОЙ ФЕДЕРАЦИИ
Таблица ДА.1
Обозначение ссылочного международного стандарта | Степень соответствия | Обозначение и наименование соответствующего национального стандарта |
ЕН 132 | IDT | ГОСТ Р 12.4.233-2007 "Система стандартов безопасности труда. Средства индивидуальной защиты органов дыхания. Термины и определения" |
ЕН 134 | - | |
ЕН 141 | MOD | ГОСТ Р 12.4.193-99 "Система стандартов безопасности труда. Средства индивидуальной защиты органов дыхания. Фильтры противогазовые и комбинированные. Общие технические условия" |
ЕН 143 | MOD | ГОСТ Р 12.4.194-99 "Система стандартов безопасности труда. Средства индивидуальной защиты органов дыхания. Фильтры противоаэрозольные. Общие технические условия" |
ЕН 148-1 | MOD | ГОСТ Р 12.4.214-99 "Система стандартов безопасности труда. Средства индивидуальной защиты органов дыхания. Резьба для лицевых частей. Стандартное резьбовое соединение" |
ЕН 148-2 | MOD | ГОСТ Р 12.4.215-99 "Система стандартов безопасности труда. Средства индивидуальной защиты органов дыхания. Резьба для лицевых частей. Центральное резьбовое соединение" |
ЕН 148-3 | MOD | ГОСТ Р 12.4.216-99 "Система стандартов безопасности труда. Средства индивидуальной защиты органов дыхания. Резьба для лицевых частей. Резьбовое соединение М 45 x 3" |
ЕН 149 | MOD | ГОСТ Р 12.4.191-99 "Система стандартов безопасности труда. Средства индивидуальной защиты органов дыхания. Полумаски фильтрующие для защиты от аэрозолей. Общие технические условия" |
ЕН 371 | MOD | ГОСТ Р 12.4.231-2007 "Система стандартов безопасности труда. Средства индивидуальной защиты органов дыхания. AX противогазовые и комбинированные фильтры для защиты от органических соединений с низкой температурой кипения. Общие технические условия" |
ЕН 372 | MOD | ГОСТ Р 12.4.232-2007 "Система стандартов безопасности труда. Средства индивидуальной защиты органов дыхания. SX противогазовые и комбинированные фильтры для защиты от специальных соединений. Общие технические условия" |
ЕН ИСО 6941 | - | |
<*> Соответствующий национальный стандарт отсутствует. До его утверждения рекомендуется использовать перевод на русский язык данного регионального стандарта, который находится в Федеральном информационном фонде технических регламентов и стандартов. |
Примечание - В настоящей таблице использованы следующие условные обозначения степени соответствия стандартов: - IDT - идентичные стандарты; - MOD - модифицированные стандарты. |