Главная // Актуальные документы // ГОСТ Р (Государственный стандарт)СПРАВКА
Источник публикации
М.: Стандартинформ, 2011
Примечание к документу
Документ
введен в действие с 01.07.2011.
Взамен ГОСТ Р МЭК 95-2-93.
Название документа
"ГОСТ Р МЭК 60095-2-2010. Национальный стандарт Российской Федерации. Батареи стартерные свинцово-кислотные. Часть 2. Размеры батарей и размеры и маркировка выводов"
(утв. и введен в действие Приказом Росстандарта от 21.12.2010 N 846-ст)
"ГОСТ Р МЭК 60095-2-2010. Национальный стандарт Российской Федерации. Батареи стартерные свинцово-кислотные. Часть 2. Размеры батарей и размеры и маркировка выводов"
(утв. и введен в действие Приказом Росстандарта от 21.12.2010 N 846-ст)
Утвержден и введен в действие
агентства по техническому
регулированию и метрологии
от 21 декабря 2010 г. N 846-ст
НАЦИОНАЛЬНЫЙ СТАНДАРТ РОССИЙСКОЙ ФЕДЕРАЦИИ
БАТАРЕИ СТАРТЕРНЫЕ СВИНЦОВО-КИСЛОТНЫЕ
ЧАСТЬ 2
РАЗМЕРЫ БАТАРЕЙ И РАЗМЕРЫ И МАРКИРОВКА ВЫВОДОВ
Lead-acid starter batteries.
Part 2. Dimensions of batteries and dimensions
and marking of terminals
IEC 60095-2:2009
Lead-acid starter batteries - Part 2: Dimensions
of batteries and dimensions and marking of terminals
(IDT)
ГОСТ Р МЭК 60095-2-2010
ОКП 34 8111
Дата введения
1 июля 2011 года
Цели и принципы стандартизации в Российской Федерации установлены Федеральным
законом от 27 декабря 2002 г. N 184-ФЗ "О техническом регулировании", а правила применения национальных стандартов Российской Федерации -
ГОСТ Р 1.0-2004 "Стандартизация в Российской Федерации. Основные положения".
1. Подготовлен Открытым акционерным обществом "Научно-исследовательский проектно-конструкторский и технологический институт стартерных аккумуляторов" (ОАО "НИИСТА") на основе собственного аутентичного перевода на русский язык стандарта, указанного в
пункте 4.
2. Внесен Техническим комитетом по стандартизации ТК 044 "Аккумуляторы и батареи".
3. Утвержден и введен в действие
Приказом Федерального агентства по техническому регулированию и метрологии от 21 декабря 2010 г. N 846-ст.
4. Настоящий стандарт идентичен международному стандарту МЭК 60095-2:2009 "Свинцово-кислотные стартерные батареи. Часть 2. Размеры батарей и размеры и маркировка выводов" (IEC 60095-2:2009 "Lead-acid starter batteries - Part 2: Dimensions of batteries and dimensions and marking of terminals").
Наименование настоящего стандарта изменено относительно наименования указанного международного стандарта для приведения в соответствие с ГОСТ Р 1.5
(пункт 3.5).
При применении настоящего стандарта рекомендуется использовать вместо ссылочных международных стандартов соответствующие им национальные стандарты Российской Федерации, сведения о которых приведены в дополнительном
Приложении ДА.
5. Взамен ГОСТ Р МЭК 95-2-93.
Информация об изменениях к настоящему стандарту публикуется в ежегодно издаваемом информационном указателе "Национальные стандарты", а текст изменений и поправок - в ежемесячно издаваемых информационных указателях "Национальные стандарты". В случае пересмотра (замены) или отмены настоящего стандарта соответствующее уведомление будет опубликовано в ежемесячно издаваемом информационном указателе "Национальные стандарты". Соответствующая информация, уведомление и тексты размещаются также в информационной системе общего пользования - на официальном сайте Федерального агентства по техническому регулированию и метрологии в сети Интернет.
Настоящий стандарт распространяется на свинцово-кислотные стартерные батареи с номинальным напряжением 12 В (далее - батареи), используемые для пуска, освещения и систем зажигания легковых и малолитражных автомобилей.
Все батареи могут крепиться на автомобиле или посредством бортиков вокруг бака, или посредством крепежного устройства, соединяющегося с крышкой.
Стандарт устанавливает требования к размерам батарей, применяемым в Европе, Северной Америке и Восточной Азии.
В настоящем стандарте использованы нормативные ссылки на следующие стандарты. Для датированных ссылок применяют только приведенные издания. Для недатированных ссылок применяют последнее издание ссылочного документа (включая все изменения).
МЭК 60050-482 Международный электротехнический словарь. Часть 482. Первичные и вторичные аккумуляторы и батареи (IEC 60050-482:2004, International Electrotechnical Vocabulary - Part 482: Primary and secondary cells and batteries)
МЭК 60095-1 Свинцово-кислотные стартерные батареи. Часть 1. Основные требования и методы испытаний (IEC 60095-1, Lead-acid starter batteries - Part 1: General requirements and methods of test)
МЭК 60417-DB:2002 <1> Графические символы, применяемые для оборудования (IEC 60417, Graphical symbols for use on equipment)
--------------------------------
<1> DB - относится к неавтономной базе данных МЭК.
ИСО 1043-1 Пластмасса. Символы и аббревиатуры терминов - Часть 1: Основные полимеры и их специальные характеристики (ISO 1043-1, Plastics - Symbols and abbreviated terms - Part 1: Basic polymers and their special characteristics).
В настоящем стандарте применены термины по МЭК 60050-482.
Нижеследующие требования являются общими для всех стартерных батарей, а не только для батарей по настоящему стандарту.
4.1.1. Маркировка безопасности
Батареи маркируют по МЭК 60095-1.
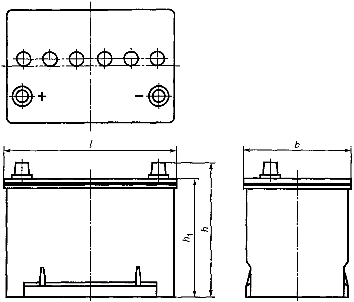
4.1.2. Маркировка полярности
Батареи должны иметь маркировку полярности, по крайней мере, положительного вывода.
4.1.2.1. Маркировка положительной полярности
Маркировка должна иметь символ "+" или на верхней поверхности положительного вывода, или на крышке рядом с положительным выводом.
4.1.2.2. Маркировка отрицательной полярности
Маркировка отрицательной полярности должна иметь символ "-" или на верхней поверхности отрицательного вывода, или на крышке рядом с отрицательным выводом.
4.1.2.3. Конструкция и размеры маркировки полярности
Символы, используемые для маркировки выводов, должны соответствовать символу МЭК 60417-5005 (DB:2002-10) для положительной полярности и символу МЭК 60417-5006 (DB:2002-10) для отрицательной полярности. Символы полярности могут быть или вогнутыми, или выпуклыми на (0,4 +/- 0,1) мм. Размеры показаны на
рисунке 1.
Примечание. В качестве альтернативы словами "POS" или "NEG" допускается маркировать положительный и отрицательный выводы только для Северной Америки.
Рисунок 1. Маркировка полярности
4.2. Маркировка пластмассы для переработки
4.2.1. Переработка свинца
В мире существуют разные схемы маркировки, поэтому маркировка переработки свинца должна соответствовать национальным правилам.
4.2.2. Переработка пластмассы
Для идентификации пластмассы проводят маркировку батарей. В мире существуют разные схемы маркировки в соответствии с национальными правилами. Однако для всех схем пластмассу идентифицируют посредством выпуклого или вдавленного изображения на корпусе батареи.
Маркировка должна соответствовать ИСО 1043-1. Обозначения "PP/PE" (полипропилен/полиэтилен-сополимер) или "PP" (полипропилен) используют в зависимости от материала пластмассы.
Допустимы следующие дополнения (см.
рисунок 2):
- символ переработки (ИСО 7000-1135)
[1];
- код материала 7 или 07 и
- дополнение "дополнительный" для указания добавок к полипропилену.
Рисунок 2. Пример маркировки материала
Примечание. Все дополнения указывают по национальным правилам.
4.3. Размеры и конструкция
Все размеры на рисунках указывают в миллиметрах. Детали конструкции, которые не обозначены на общем виде, должны быть соответственно выделены. На рисунках конструкции крышек, ручек, ребер, бортиков, вентиляционных пробок и других позиций - рекомендуемые.
5.1. Европейские типы (EU)
Настоящие требования распространяются на батареи серий LN и LBN, заменяющие серии LS и LBS. Для новых разработок используют только серии LN и LBN.
Для батарей серий LN и LBN определены:
- основные размеры;
- расположение положительных и отрицательных выводов относительно системы крепления;
- размеры конусных выводов батарей;
- основные размеры и конструкции полублока-крышки (SL);
- верхняя площадь крепления (M) для закрепления на верхней части.
5.1.2. Рекомендуемые типы LN и LBN
5.1.2.1. Общие положения
Батареи маркируют обозначениями LN и LBN (N - новая). Обе серии батарей имеют одинаковую ширину (L - широкая), но разную высоту:
- LN - стандартная высота (H = 190 мм);
- LBN - малая высота (H = 175 мм).
Серия LN (широкая, стандартная высота, новая) является предпочтительной.
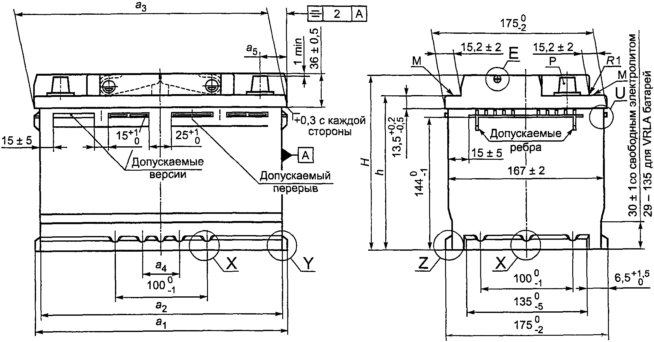
5.1.2.2. Основные размеры батарей
Основные размеры батарей изображают символами, указанными на чертежах. На схематических чертежах не изображены детали конструкции верха батареи.
Используемые символы:
-

- общая длина батареи по дну с бортиками;
-

- длина батареи по дну без бортиков;
-

- длина крышки батареи;
- H - общая высота, включающая крышку, пробки и выводы;
- h - высота до верхней площади M, поддерживающей крепежное устройство;
-

- расстояние между внутренними сторонами выемок;
-

- расстояние между выводом и краями крышки по короткой стороне (
рисунки 4 и
5);
5.1.2.3. Ручки
5.1.2.3.1. Общие положения
Батареи массой до 20 кг включительно могут быть сконструированы с ручками или без ручек. Батареи массой более 20 кг должны иметь ручки.
5.1.2.3.2. Ручки при наличии
Если батареи имеют ручки, то они должны быть встроены в крышку (см.
рисунок 3).
Примечание. Конструкция ручек показана только для информации. Общие размеры ручек батареи должны соответствовать настоящему стандарту.
Рисунок 3. Основные размеры батарей и расположение
стандартной системы крепления, верхней площади
крепления M, выводов, несквозных отверстий K
и встроенных ручек (при их наличии)
5.1.2.4. Стандартное крепление по дну
5.1.2.4.1. Общие положения
Все батареи должны иметь бортики для крепления по длинным сторонам как неотъемлемую часть бака батареи, позволяющие крепить батарею за дно бака.
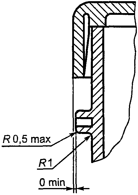
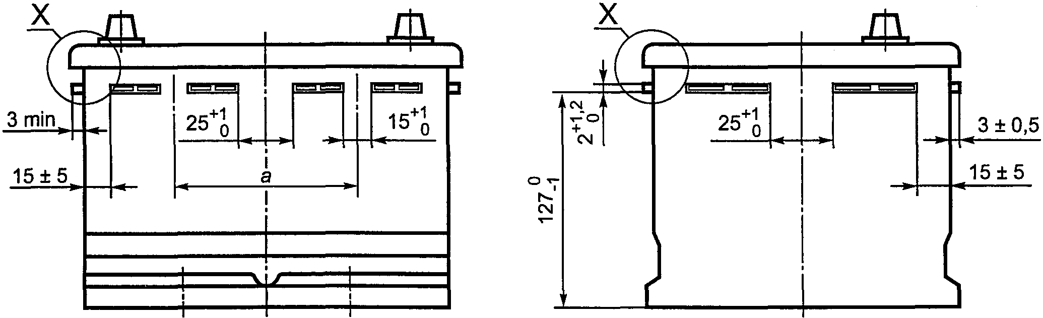
5.1.2.4.2. Конструкция бортиков
Профиль бортиков должен соответствовать
рисунку 6. Длина бортиков с тыльной стороны должна быть уменьшенной (см.
рисунок 3) на 20 мм с обеих сторон по сравнению с длиной на передней стороне.
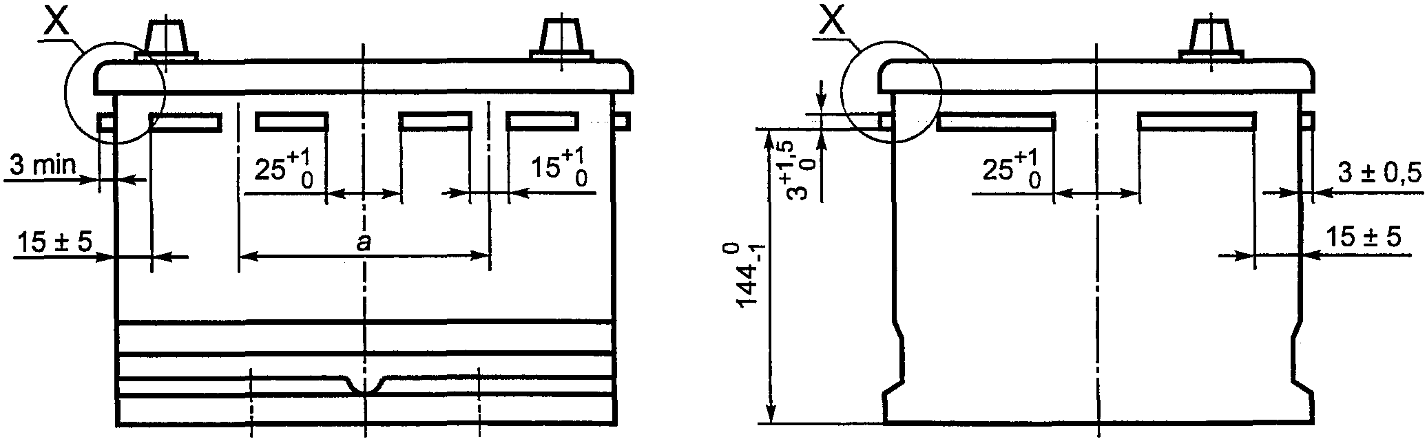
5.1.2.4.3. Выемки
Крепежные зажимы опоры должны соответствовать бортикам и выемкам по дну для обеспечения надежного крепления в любом направлении.
Для обеспечения симметричного и точного расположения батареи на опоре противоположные бортики должны иметь пять выемок на длинных сторонах и три выемки на коротких сторонах.
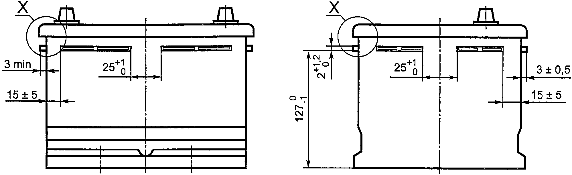
5.1.2.4.4. Расположение и размеры бортиков и выемок
Форма и размеры бортиков и выемок должны соответствовать
рисункам 3,
4,
5 и
6 (детали X, Y и Z).
E - выпускное отверстие для дегазации (см. деталь E на
рисунке 8);
M - верхняя площадь крепления (см. деталь M на
рисунках 3,
4 и
5);
P - положительный и отрицательный выводы (см.
рисунок 7);
X - выемки на бортиках (см. деталь X на
рисунке 6a);
Примечания. 1. Обозначение A показывает место установки в заданное положение бака и крышки при сварке с заданным допуском по ИСО 1101
[2].
2. Допустимы отверстия для закрепления устройств в выемках бортиков вдоль всех сторон.
3. Значения размеров

и

должны быть обеспечены автоизготовителями вследствие расширения стенок батареи.
Рисунок 4. Основные размеры батарей
и расположение стандартной системы крепления
E - выпускное отверстие для дегазации (см. деталь E на
рисунке 8);
M - верхняя площадь крепления (см. деталь M на
рисунках 3,
4 и
5);
P - положительный и отрицательный выводы (см.
рисунок 7);
X - выемки на бортиках (см. деталь X на
рисунке 6a);
Примечания. 1. Обозначение A показывает место установки в заданное положение бака и крышки при сварке с заданным допуском по ИСО 1101
[2].
2. Допустимы отверстия для закрепления устройств в выемках бортиков вдоль всех сторон.
3. Значения размеров

и

должны быть обеспечены автоизготовителями вследствие расширения стенок батареи.
Рисунок 5. Основные размеры батарей и расположение
стандартной системы крепления
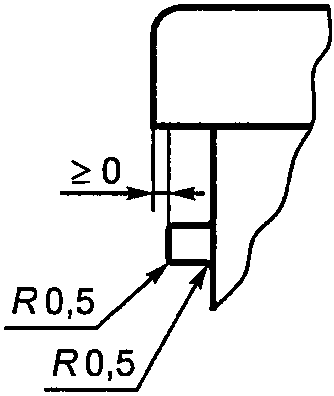
Рисунок 6a. Деталь X - выемка с размерами для всех серий
Примечание. Допустимы отверстия для закрепления приспособлений в крепежных выемках вдоль всех сторон.
Рисунок 6b. Деталь Y - бортики с размерами
на коротких сторонах
Рисунок 6c. Деталь Z - бортики с размерами
на длинных сторонах
Рисунок 6. Детали бортиков
5.1.2.5. Безопасное альтернативное крепление
5.1.2.5.1. Общие положения
Батареи могут крепиться на автомобиле:
- посредством крепежного устройства по длинной стороне дна;
- посредством крепежного устройства по короткой стороне дна или
- посредством крепежного устройства, соединяющегося с верхней частью батареи (например, металлической рамкой) по верхней площади крепления M (см.
5.1.2.5.3).
В любом случае такие батареи имеют на длинных сторонах по верху площади под крепление M.
5.1.2.5.2. Крепление посредством бортиков по короткой стороне
Для крепления по коротким сторонам рекомендуется использовать только батареи, указанные в настоящем стандарте, вследствие уменьшенных допусков по длине. Форма и размеры бортиков и выемок должны соответствовать
рисунку 6.
Крепежные зажимы опоры должны соответствовать бортикам и выемкам для обеспечения надежного крепления по обоим направлениям и по высоте.
5.1.2.5.3. Крепление по верхней части батареи
Батареи для крепления по верхней части (верхняя площадь крепления M) должны иметь конструкцию крышки, обеспечивающей соответствующую площадь для крепежного устройства, например металлической рамки.
5.1.2.6. Размеры и расположение выводов
Расположение положительных и отрицательных выводов P (см.
рисунок 4 или
5) относительно короткого бортика должно соответствовать
рисунку 3.
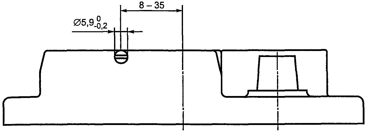
5.1.2.7. Размеры выводов батареи (P)
5.1.2.7.1. Размеры положительного вывода
Конусный положительный вывод должен соответствовать
рисунку 7a.
5.1.2.7.2. Размеры отрицательного вывода
Конусный отрицательный вывод должен соответствовать
рисунку 7b.
Рисунок 7a. Положительный Рисунок 7b. Отрицательный
вывод вывод
Рисунок 7. Размеры положительного и отрицательного выводов P
5.1.2.8. Маркировка полярности и размеры соответствующих символов
Батареи маркируют дважды в местах расположения выводов на крышке
(4.1.2), как указано на
рисунке 3 или
10.
Символ полярности должен соответствовать
4.1.2.
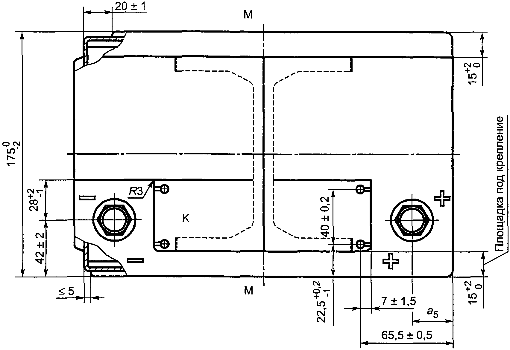
5.1.2.9. Требования к крышкам
Требования к крышкам батарей следующие.
5.1.2.9.1. Крышка-полублок
Крышка-полублок - часть моноблочной крышки, включающая выводы и вентиляционные пробки на уровне крышки. Особенность крышки-полублока - верхняя площадь крепления M (
рисунки 3 -
5).
5.1.2.9.2. Водонепроницаемость
Наличие плоской поверхности и водонепроницаемых отверстий, если они есть, для технического обслуживания.
5.1.2.9.3. Централизованный газоотвод
Наличие централизованной системы газоотвода и выходных отверстий для газа Е на одной или обеих сторонах в верхней части короткой стороны батареи (рисунок 8).
Примечания. 1. Минимальная глубина отверстия для дегазации 10 мм.
2. Приспособление с соединителем должно быть газонепроницаемым.
Рисунок 8. Отверстие для дегазации (деталь E)
5.1.2.9.4. Глухие отверстия
Наличие глухих отверстий K для необязательной защиты выводов с обеих сторон (рисунок 9).
Рисунок 9. Глухие отверстия защитной оболочки
выводов (деталь K)
5.1.2.9.5. Выкручивающиеся вентиляционные пробки
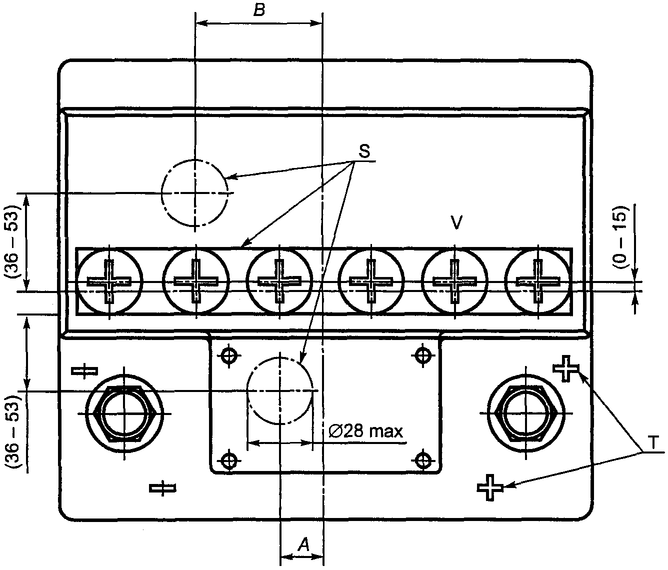
Наличие выкручивающихся вентиляционных пробок V, необходимых для безопасности систем газоотвода (рисунок 10).
Рисунок 10. Пробки V и расположение отверстий S для датчиков
5.1.2.9.6. Датчики в крышке
В крышке должны быть предусмотрены отверстия для датчиков S максимальным диаметром 28 мм
(рисунок 10).
Возможное расположение отверстий показано на
рисунке 10, размеры указаны в таблице 1.
Размер крышки для типа | A +/- 2 | B +/- 2 | Размер крышки для типа | A +/- 2 | B +/- 2 |
LN 0/LNB 0 | 13 | 40 | LN 4/LNB 4 | 27 | 74 |
LN 1/LNB 1 | 18 | 48 | LN 5/LNB 5 | 28 | 84 |
LN 2/LNB 2 | 19 | 57 | LN 6/LNB 6 | 31 | 94 |
LN 3/LNB 3 | 27 | 65 | | | |
5.1.2.10. Приваренная крышка
Приваренная крышка должна находиться на уровне стенок бака или выходить за них не более чем на 2,5 мм по всем сторонам.
5.1.2.11. Перемещение стартерных батарей посредством робототехники
5.1.2.11.1. Общие положения
Батареи могут быть установлены в кузове автомобилей роботами. Это требует точного расположения соответствующих устройств на баках батарей серий LN и LBN для захвата роботами.
Устройства устанавливают по договоренности между автоизготовителем и изготовителем батарей.
5.1.2.11.2. Расположение и размеры захватов для роботов
Захваты для роботов должны соответствовать размерам и расположениям, указанным на
рисунках 11a,
11b и
11c.
Примечание. На
рисунке 11a количество захватов - четыре на каждой длинной стороне.
Рисунок 11a. Размеры и расположение захватов
для батарей серии LN или LBN
Примечание. На длинных сторонах на
рисунке 11b могут быть два или четыре захвата соответственно (четыре захвата, как показано на
рисунке 11a).
Рисунок 11b. Размеры и расположения захватов для серий LBN
Рисунок 11c. Деталь U, захваты на длинных сторонах
Рисунок 11d. Деталь W, захваты на коротких сторонах,
Рисунок 11. Размеры и расположения захватов
Захваты для роботов являются неотъемлемыми частями бака батареи.
Захваты для роботов должны соответствовать детальному чертежу U (см.
рисунок 11c).
Основные размеры батарей серии LN со стандартными
креплениями с пятью выемками по длине и тремя выемками
Тип батареи | +0/-2 | +/- 1 | +0/-3 | +0/-1 | +/- 2 | H +0/-3 | h +0/-4 |
LN 0 | 175 | 161 | 175 | 40 | 19 | 190 | 168 |
LN 1 | 207 | 193 | 207 | 24 |
LN 2 | 242 | 228 | 242 | 26 |
LN 3 | 278 | 264 | 277 | 29 |
LN 4 | 315 | 301 | 314 | 31 |
LN 5 | 353 | 339 | 352 | 60 | 27 |
LN 6 | 394 | 379 | 393 | 30 |
Основные размеры батарей серии LBN со стандартными
креплениями с пятью выемками по длине и тремя выемками
Тип батареи | +0/-2 | +/- 1 | +0/-3 | +0/-1 | +/- 2 | H +0/-3 | h +0/-4 |
LBN 0 | 175 | 161 | 175 | 40 | 19 | 175 | 153 |
LBN 1 | 207 | 193 | 207 | 24 |
LBN 2 | 242 | 228 | 242 | 26 |
LBN 3 | 278 | 264 | 277 | 29 |
LBN 4 | 315 | 301 | 314 | 31 |
LBN 5 | 353 | 339 | 352 | 60 | 27 |
LBN 6 | 394 | 379 | 393 | 30 |
Тип батареи | +/- 2 | Рисунок |
LN 0 | 79 | |
LN 1 | 95 |
LN 2 | 113 |
LN 3 | 130 |
LN 4 | 150 |
LN 5 | 168 |
LN 6 | 187 |
LBN 1 | | |
LBN 2 | |
LBN 3 | |
LBN 4 | |
LBN 5 | |
LBN 6 | |
<a> Размеры применимы только к варианту с четырьмя захватами (рисунок 11a). |
5.2. Североамериканские типы (AM)
Настоящие требования распространяются на свинцово-кислотные стартерные батареи для легковых и малолитражных автомобилей, используемые в Северной Америке, серия AM.
Серия AM содержит 11 типов батарей. Конструкция батарей должна предусматривать крепление на автомобиле посредством бортиков по длинным сторонам бака батареи, отличающихся от бортиков, применяемых в Европе.
5.2.2. Выводы и форма выводов
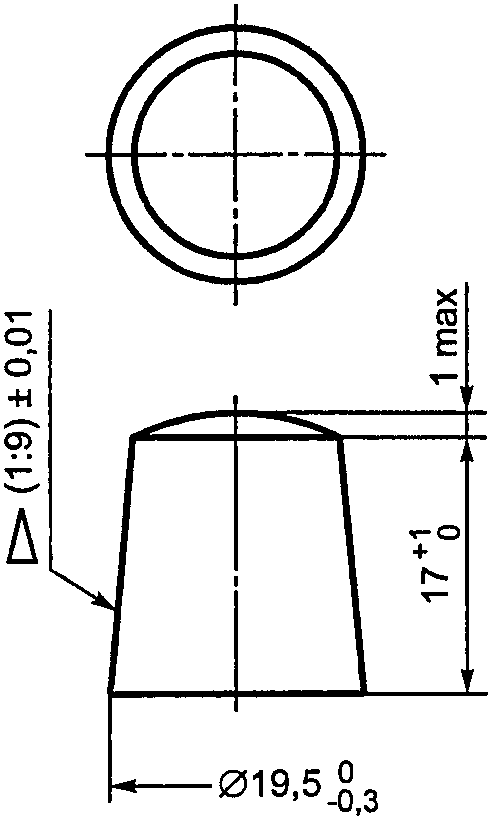
5.2.2.1. Конусные выводы
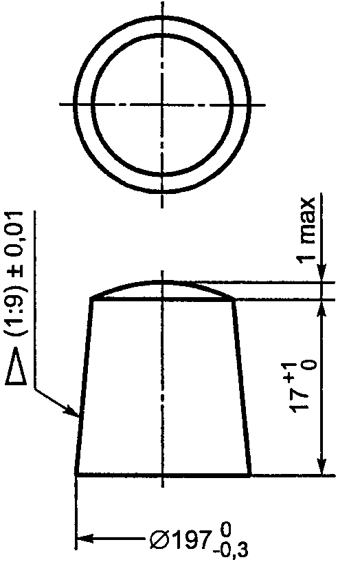
Девять типов батарей имеют конусные выводы, показанные на рисунке 12.
Рисунок 12. Размеры выводов, мм (1:9 конусность)
5.2.2.2. Боковые выводы
Два типа батарей имеют боковые выводы, показанные на рисунках 13 и
14.
Рисунок 13. Углубления боковых выводов
Рисунок 14. Размеры углублений боковых выводов, мм (дюйм)
5.2.2.3. Форма выводов
5.2.3. Стандартное крепление по дну
5.2.3.1. Общие положения
Батареи должны иметь бортики или выемки для крепления по длине или по передней стороне, являющиеся неотъемлемой частью бака батареи, позволяющие крепить батарею за дно бака.
5.2.3.2. Конструкция бортиков
Профиль бортиков должен соответствовать рисункам 15 и
16.
Рисунок 15. Конструкция крепежных устройств, мм (дюйм),
для батарей с бортиками на длинных сторонах
Рисунок 16. Конструкция крепежных устройств, мм (дюйм),
для батарей с выемками по длинным сторонам
5.2.3.3. Конструкция выемок
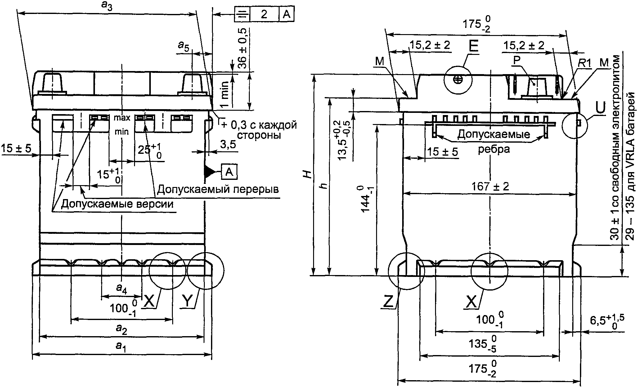
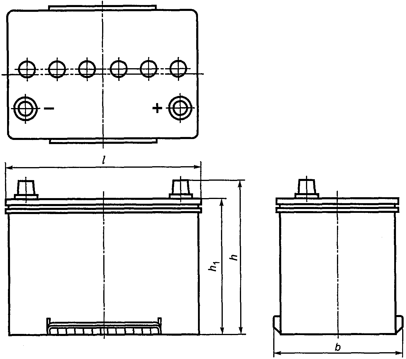
5.2.4. Основные размеры батарей
- l - длина крышки;
- b - ширина батареи;
- h - высота до вывода;
-

- высота до крышки.
Тип батарей | Длина | Ширина | Высота | Вывод | Крепление |
| | | | Рисунок |
26R | 208 | 174 | 197 | 175 | 12 | 16 |
27 | 306 | 173 | 225 | 203 |
34 | 260 | 200 | 178 |
36R | 206 | 184 | 15 |
59 | 255 | 193 | 196 | 174 |
65 | 306 | 192 | 192 | 170 |
75 | 230 | 180 | 186 | | 13 и 14 |
78 | 260 |
85 | 230 | 173 | 203 | 181 | 12 | 16 |
86 |
100 | 260 | 179 | 170 | 148 | 15 |
Рисунок 17. Размеры типов 26R, 85
Рисунок 18. Размеры типов 27, 34, 86
Рисунок 19. Размеры типов 36R
Рисунок 20. Размеры типов 59, 65
Рисунок 21. Размеры типа 75
Рисунок 22. Размеры типов 78, 100
5.3. Восточно-азиатские типы (AS)
Настоящие требования распространяются на свинцово-кислотные стартерные батареи для легковых и малолитражных автомобилей, используемые в Восточной Азии, серия AS.
Серия AS содержит девять типов батарей. Конструкция батарей должна обеспечивать крепление на автомобиле посредством крепежного устройства по верхней части батареи (например, металлической рамкой), соединенного с опорной площадкой.
5.3.2. Выводы и форма выводов
5.3.2.1. Конструкция выводов
Батареи должны иметь выводы

или

в соответствии с рисунком 23.
Примечание. Размеры в мм.
Рисунок 23. Размеры типов

или

5.3.2.2. Размеры и типы выводов
Размеры выводов

или

должны соответствовать
рисунку 23 и таблице 6.
Размеры и тип вывода
Тип вывода | Размеры  , мм |
Положительный вывод | Отрицательный вывод |
 (тонкий) | 14,7 | 13,0 |
 (утолщенный) | 19,5 | 17,9 |
5.3.2.3. Форма положительных выводов
Батареи должны иметь стандартную форму выводов STC, как показано на
рисунке 24.
5.3.3. Основные размеры батарей
Основные размеры батарей, представленные символами, должны соответствовать
таблице 7 и
рисунку 24:
- l - длина крышки;
-

- длина дна батареи;
- b - ширина батареи;
-

- ширина дна батареи;
- h - высота до верха вывода;
-

- высота до верха крышки.
Размеры в миллиметрах
Тип батарей | Длина | Ширина | Высота | Тип выводов |
l | | b | | | |
B17 | | 161 | | 123 | | 227 |  или  |
B19 | | 185 |
B20 | | 195 | | 125 |
B24 | | 237 |
C24 | | 134 | | 232 | |
D20 | | 200 | | 172 | | 225 |
D23 | | 231 |
D26 | | 259 | 255 |
D31 | | 304 |
Рисунок 24. Основные размеры батарей
6.1. Другие европейские типы батарей (EU)
Нижеследующие серии батарей не используют для новых разработок.
Настоящее дополнение определяет:
- основные размеры батарей восьми стандартных серий;
- расположение положительных и отрицательных выводов относительно системы крепления;
- размеры конусных выводов;
- маркировку полярности.
Настоящие требования распространяются на серии:
- L, LB, E, EB - с бортиками на длинных сторонах или
- LS, LBS, ES, EBS - с бортиками на всех сторонах.
6.1.2.1. Широкие серии
Серии батарей, имеющие одинаковую ширину (L - широкая) и разную высоту:
- L/LS - стандартная высота (H = 190 мм);
- LB/LBS - малая высота (H = 175 мм).
6.1.2.2. Узкие серии
Серии батарей, имеющие одинаковую ширину (E - узкая) и разную высоту:
- E/ES - стандартная высота (H = 225 мм);
- EB/EBS - малая высота (H = 205 мм).
6.1.3. Ручки (при наличии)
Батареи могут иметь ручки. Размер C ручек (см.
рисунок 25 или
26) не должен превышать значений, указанных в таблице 8. Ручки должны быть складными или съемными.
Основные размеры батарей со стандартным
Размеры в миллиметрах
Серия | Тип | Длина | Ширина | Высота | Ручка |
l | | | | | | |
L | L 0 | | 162 | 175 | | 190 | 169 | 14 |
L 1 | | 194 |
L 2 | | 229 |
L 3 | | 265 |
L 4 | | 302 |
L 5 | | 340 |
LB | LB 1 | | 194 | 175 | 154 |
LB 2 | | 229 |
LB 3 | | 265 |
E | E 1 | | 173 | 135 | | 225 | 204 |
E 2 | | 214 |
E 3 | | 255 |
E 4 | | 296 |
EB | EB 1 | | 174 | | 205 | 185 |
EB 2 | | 216 |
EB 3 | | 262 |
EB 4 | | 311 |
C - только на бортиках
Рисунок 25. Основные размеры батарей и расположение
стандартной системы крепления (бортики, выемки) и выводов
C - только на бортиках
Рисунок 26. Дополнительные размеры батарей с допустимым
альтернативным креплением; расположение бортиков,
выемок и выводов
6.1.4. Стандартные крепления
6.1.4.1. Бортики на длинных сторонах
Батареи серий L, LB, E и EB должны иметь на нижней части бортики (или выемки, образующие бортики) для крепления по всей длине длинных сторон, образуя неотъемлемую часть бака батареи и позволяя крепить батарею за дно бака.
6.1.4.2. Выемки
Крепежные зажимы площадки должны соответствовать бортикам и выемкам для обеспечения надежного крепления в любом направлении.
Для обеспечения точного расположения батареи на площадке бортик на стороне выводов должен иметь одну выемку, бортик на противоположной стороне должен иметь две выемки. На обеих сторонах допустимы три или пять выемок.
6.1.5.1. Общие положения
Основные размеры батарей представлены символами, показанными на
рисунке. На рисунке не представлены детали конструкции верха батареи.
6.1.5.2. Основные размеры серий L, LB, E и EB
Основные размеры батарей, представленные символами, должны соответствовать
таблице 8 и
рисунку 25:
- b - общая ширина поверх бортиков;
-

- ширина поперек бортиков;
- l - общая длина без ручек;
-

- длина дна батареи;
-

- длина дна батареи с бортиками;
- C - дополнительная длина для ручек;
- H - общая высота, включающая крышку, пробки, выводы.
6.1.5.3. Размеры и расположение бортиков и выемок
Форма и размеры бортиков и выемок должны соответствовать детали X (см.
рисунок 27a) и детали Y (см.
рисунок 27b).
6.1.5.4. Размеры батарей с альтернативным креплением
6.1.5.4.1. Альтернативные крепления
Батареи, имеющие основные размеры стандартных серий L, LB, E и EB, могут быть закреплены на автомобилях креплением, альтернативным стандартному креплению:
- либо посредством дополнительных бортиков на коротких сторонах (букву S добавляют к обозначению стандартных серий LS, LBS, ES и EBS),
- либо посредством крепежного устройства по верхней части батареи (например, металлической рамкой), соединенного с посадочной площадкой (серии L, LS, LB, LBS, E, ES, EB и EBS).
В любом случае такие батареи имеют бортики на длинной стороне, как показано на
рисунке 30.
6.1.5.4.2. Крепление посредством бортиков на короткой стороне
Батареи для крепления по коротким сторонам серий LS, LBS, ES и EBS имеют бортики по дну коротких сторон, образуя неотъемлемую часть бака батареи. Форма и размеры бортиков должны соответствовать рисункам 27a и
27b.
Рисунок 27a. Деталь X - Выемки, размеры для всех серий
Примечание. Допустимы отверстия для крепления приспособлений в крепежных выемках по всем сторонам.
Рисунок 27b. Деталь Y - Бортики, размеры для всех серий
Рисунок 27. Детали бортиков и выемок
Крепежные зажимы на посадочной площадке должны соответствовать бортикам и выемкам для обеспечения надежного крепления по обеим сторонам и по высоте.
6.1.5.4.3. Крепление по верхней части батареи
6.1.5.4.3.1. Конструкция верхней части бака батареи
Батареи для крепления по верхней части (серии L, LS, LB, LBS, E, ES, EB и EBS) должны быть сконструированы в целях обеспечения на крышке соответствующей площадки для крепежного устройства, например металлической рамки.
6.1.5.4.3.2. Дополнительный размер батарей с креплением по верхней части бака
Высота батарей серий L, LS, LB, LBS, E, ES, EB и EBS от верхней поверхности h, поддерживающей крепежное устройство, до дна бака (см.
рисунки 25 и
26) должна соответствовать значениям, указанным в таблице 9.
Дополнительные размеры к таблице 8
(размер

см. на
рисунке 26) на батареи с дополнительным
креплением посредством бортиков на короткой стороне бака
Тип | | Тип | | Тип | | Тип | |
LS 1 | | LBS 1 | | ES 1 | | EBS 1 | |
LS 2 | | LBS 2 | | ES 2 | | EBS 2 | |
LS 3 | | LBS 3 | | ES 3 | | EBS 3 | |
LS 4 | | | | ES 4 | | EBS 4 | |
LS 5 | | | | | | | |
6.1.6.1. Расположение выводов
Расположение положительных и отрицательных выводов относительно расположения выемок должно соответствовать
рисунку 25 или
26.
6.1.6.2. Размеры полюсных выводов (P)
6.1.6.2.1. Размеры положительного вывода
Конусный положительный вывод должен соответствовать
рисунку 28a.
6.1.6.2.2. Размеры отрицательного вывода
Конусный отрицательный вывод должен соответствовать
рисунку 28b.
Рисунок 28a. Положительный вывод
Рисунок 28b. Отрицательный вывод
Рисунок 28. Размеры положительного
и отрицательного выводов P
6.1.6.3. Маркировка полярности батарей и размеры соответствующих символов
Батареи должны иметь маркировку полярности, по крайней мере, положительного вывода в соответствии с
4.1.2.
При маркировке отрицательного вывода используемый символ также должен соответствовать
4.1.2.
6.1.7. Перемещение батарей с помощью робототехники
6.1.7.1. Общие положения
Батареи могут быть установлены на автомобили с помощью роботов. Это требует соответствующего устройства для точного расположения их манипуляторов на баке батареи.
Расположение и размеры захватов на баках батарей серий L, LS, LB и LBS для их перемещения посредством робототехники согласовывают с изготовителем батарей.
6.1.7.2. Расположение и размеры захватов для роботов
Размеры и расположение захватов для роботов должны соответствовать таблице 10 и
рисункам 29a,
29b и
29c.
Тип батарей | a +/- 2 | Рисунок |
L 0 | - | 29a |
L 1 | 95 |
L 2 | 113 |
L 3 | 130 |
L 4 | 150 |
L 5 | 168 |
LB 1 | 95 | 29b |
LB 2 | 113 | |
LB 3 | 130 | |
Рисунок 29a. Захваты для роботов для серий L и LS
Рисунок 29b. Захваты для роботов для серий LB и LBS
Рисунок 29c. Захваты для роботов для серий LB и LBS
(альтернативно)
Рисунок 29. Расположение и размеры захватов для роботов
Рисунок 30. Захваты для роботов, деталь X
Захваты для роботов должны быть неотъемлемыми частями бака батареи.
Размеры захватов для роботов не должны выступать за размеры крышки согласно детальному чертежу X.
Примечание. Захваты для роботов предпочтительны на двух длинных сторонах, но допускаются на двух коротких или на всех четырех сторонах. Во всех случаях они должны соответствовать размерам, указанным в настоящем стандарте.
(справочное)
СВЕДЕНИЯ О СООТВЕТСТВИИ ССЫЛОЧНЫХ МЕЖДУНАРОДНЫХ
СТАНДАРТОВ ССЫЛОЧНЫМ НАЦИОНАЛЬНЫМ СТАНДАРТАМ
РОССИЙСКОЙ ФЕДЕРАЦИИ (И ДЕЙСТВУЮЩИМ В ЭТОМ КАЧЕСТВЕ
МЕЖГОСУДАРСТВЕННЫМ СТАНДАРТАМ)
Таблица ДА.1
Обозначение ссылочного международного стандарта | Степень соответствия | Обозначение и наименование соответствующего национального стандарта |
МЭК 60050-482 | - | |
МЭК 60095-1 | MOD | ГОСТ Р 53165-2008 (МЭК 60095-1:2006) "Батареи аккумуляторные свинцовые стартерные для автотракторной техники. Общие технические условия" |
МЭК 60417 | MOD | ГОСТ 28312-89 (МЭК 417-73) "Аппаратура радиоэлектронная профессиональная. Условные графические обозначения" |
ИСО 1043-1 | - | |
ИСО 7000 | IDT | ГОСТ Р МЭК 61429-2004 "Маркирование аккумуляторов и аккумуляторных батарей международным символом переработки ИСО 7000-1135" |
<*> Соответствующий национальный стандарт отсутствует. До его утверждения рекомендуется использовать перевод на русский язык данного международного стандарта. Перевод данного международного стандарта находится в Федеральном информационном фонде технических регламентов и стандартов. Примечание - В настоящей таблице использованы следующие условные обозначения степени соответствия стандартов: - IDT - идентичные стандарты; - MOD - модифицированные стандарты. |
| МЭК 61429 Маркировка вторичных аккумуляторов и батарей полным международным символом по ИСО 7000-1135 |
| ИСО 1101 Спецификации геометрической продукции (GPS) - Геометрические допуски - Допуски формы, ориентации, расположения и вывода |
[3] | ИСО 7000:2004 Графические символы для использования на оборудовании - Индекс и свод правил |