Главная // Актуальные документы // ГОСТ Р (Государственный стандарт)
СПРАВКА
Источник публикации
М.: Стандартинформ, 2016
Примечание к документу
Документ утратил силу с 01.07.2022 в связи с изданием Приказа Росстандарта от 03.12.2021 N 1690-ст. Взамен введен в действие ГОСТ Р 56902-2021.

Документ введен в действие с 01.01.2017.
Название документа
"ГОСТ Р 56902-2016. Национальный стандарт Российской Федерации. Тренажеры стационарные. Тренажеры эллиптические. Дополнительные специальные требования безопасности и методы испытаний"
(утв. и введен в действие Приказом Росстандарта от 25.03.2016 N 213-ст)

"ГОСТ Р 56902-2016. Национальный стандарт Российской Федерации. Тренажеры стационарные. Тренажеры эллиптические. Дополнительные специальные требования безопасности и методы испытаний"
(утв. и введен в действие Приказом Росстандарта от 25.03.2016 N 213-ст)


Содержание


Утвержден и введен в действие
Приказом Федерального
агентства по техническому
регулированию и метрологии
от 25 марта 2016 г. N 213-ст
НАЦИОНАЛЬНЫЙ СТАНДАРТ РОССИЙСКОЙ ФЕДЕРАЦИИ
ТРЕНАЖЕРЫ СТАЦИОНАРНЫЕ
ТРЕНАЖЕРЫ ЭЛЛИПТИЧЕСКИЕ
ДОПОЛНИТЕЛЬНЫЕ СПЕЦИАЛЬНЫЕ ТРЕБОВАНИЯ
БЕЗОПАСНОСТИ И МЕТОДЫ ИСПЫТАНИЯ
Stationary training equipment. Elliptical trainers.
Additional specific safety requirements and test methods
(ISO 20957-9:2005, NEQ)
ГОСТ Р 56902-2016
ОКС 97.220.30
Дата введения
1 января 2017 года
Предисловие
1 РАЗРАБОТАН Саморегулируемой организацией Некоммерческим партнерством "Отраслевое объединение национальных производителей в сфере физической культуры и спорта "Промспорт" (СРО "Промспорт")
2 ВНЕСЕН Техническим комитетом по стандартизации ТК 444 "Спортивные и туристские изделия, оборудование, инвентарь, физкультурные и спортивные услуги"
3 УТВЕРЖДЕН И ВВЕДЕН В ДЕЙСТВИЕ Приказом Федерального агентства по техническому регулированию и метрологии от 25 марта 2016 г. N 213-ст
4 Настоящий стандарт разработан с учетом основных нормативных положений международного стандарта ИСО 20957-9:2005 "Тренажеры стационарные. Часть 9. Эллиптические тренажеры, дополнительные специальные требования безопасности и методы испытаний" (ISO 20957-9:2005 "Stationary training equipment - Part 9: Elliptical trainers, additional specific safety requirements and test methods", NEQ)
5 ВВЕДЕН ВПЕРВЫЕ
Правила применения настоящего стандарта установлены в ГОСТ Р 1.0-2012 (раздел 8). Информация об изменениях к настоящему стандарту публикуется в ежегодном (по состоянию на 1 января текущего года) информационном указателе "Национальные стандарты", а официальный текст изменений и поправок - в ежемесячном информационном указателе "Национальные стандарты". В случае пересмотра (замены) или отмены настоящего стандарта соответствующее уведомление будет опубликовано в ближайшем выпуске ежемесячного информационного указателя "Национальные стандарты". Соответствующая информация, уведомление и тексты размещаются также в информационной системе общего пользования - на официальном сайте Федерального агентства по техническому регулированию и метрологии в сети Интернет (www.gost.ru)
1 Область применения
Настоящий стандарт распространяется на эллиптические тренажеры (далее - тренажеры).
Настоящий стандарт устанавливает дополнительные специальные требования безопасности и методы испытаний тренажеров.
2 Нормативные ссылки
В настоящем стандарте использованы нормативные ссылки на следующие стандарты:
ГОСТ Р ИСО 5904-95 Оборудование гимнастическое. Маты для прыжков и поверхности для вольных упражнений. Метод определения сопротивления скольжению
ГОСТ Р 53906-2010 Игрушки. Общие требования безопасности и методы испытаний. Механические и физические свойства
ГОСТ Р 56445-2015 Тренажеры стационарные. Общие требования безопасности и методы испытаний
Примечание - При пользовании настоящим стандартом целесообразно проверить действие ссылочных стандартов в информационной системе общего пользования - на официальном сайте Федерального агентства по техническому регулированию и метрологии в сети Интернет или по ежегодному информационному указателю "Национальные стандарты", который опубликован по состоянию на 1 января текущего года, и по выпускам ежемесячного информационного указателя "Национальные стандарты" за текущий год. Если заменен ссылочный стандарт, на который дана недатированная ссылка, то рекомендуется использовать действующую версию этого стандарта с учетом всех внесенных в данную версию изменений. Если заменен ссылочный стандарт, на который дана датированная ссылка, то рекомендуется использовать версию этого стандарта с указанным выше годом утверждения (принятия). Если после утверждения настоящего стандарта в ссылочный стандарт, на который дана датированная ссылка, внесено изменение, затрагивающее положение, на которое дана ссылка, то это положение рекомендуется применять без учета данного изменения. Если ссылочный стандарт отменен без замены, то положение, в котором дана ссылка на него, рекомендуется применять в части, не затрагивающей эту ссылку.
3 Термины и определения
В настоящем стандарте применены термины по ГОСТ Р 56445, а также следующие термины с соответствующими определениями:
3.1 эллиптический тренажер: Тренажер с ручным управлением, производящий непрерывные возвратно-поступательные эллиптические движения для тренировки ног, который также может включать элементы для упражнений на верхнюю часть тела.
Примечание - Эллиптический принцип работы основан на непрерывном и возвратно-поступательном замкнутом цикле.
3.2 платформа для стопы: Устройство поддержки ноги во время выполнения упражнений согласно инструкции изготовителя.
3.3 щиток платформы для стопы: Жесткая часть конструкции платформы для стопы, предназначенная для ограничения соскальзывания стопы с платформы во время выполнения упражнений согласно инструкции изготовителя.
3.4 цикл: Диапазон от начальной точки траектории движения до начальной точки следующей траектории движения.
4 Классификация
Тренажеры классифицируют по классам применения и классам точности в соответствии с ГОСТ Р 56445 (раздел 4).
5 Конструкция
5.1 Конструкция и элементы тренажера показаны на рисунке 1.
1 - дисплей; 2 - регулятор нагрузки; 3 - щиток платформы
для стопы; 4 - платформа для стопы; 5 - подвижный поручень;
6 - стационарный поручень; 7 - рама
Рисунок 1 - Конструкция и элементы тренажера
с подвижными поручнями
5.2 Примеры тренажеров показаны на рисунках 1 и 2.
Рисунок 2 - Примеры тренажеров
6 Требования безопасности
6.1 Застревание
При испытаниях по приложению А испытательный брусок не должен застревать.
6.2 Перегрев
6.2.1 При испытаниях по приложению Б температура элементов, доступных для пользователя, должна быть не более 65 °C.
6.2.2 Тренажеры должны соответствовать требованиям [1].
6.3 Несущая способность
6.3.1 Тренажеры класса применения H
При испытаниях по приложению В тренажер класса применения H должен выдерживать без повреждений нагрузку, значение которой в два с половиной раза превышает массу тела пользователя.
Примечание - Здесь и далее значение массы тела пользователя принимают равным 100 кг.
6.3.2 Тренажеры класса применения S
6.3.2.1 Тренажер класса применения S должен выдерживать без повреждений нагрузку, значение которой в четыре раза превышает массу тела пользователя.
6.3.2.2 При испытаниях платформы тренажера значения деформации должны быть не более:
- 1/100 - для поверхности, несущей нагрузку;
- 1/150 - для консольных поверхностей;
- 1% - для остальных поверхностей.
6.3.2.3 Испытания несущей способности тренажеров класса применения S проводят по приложению В.
6.4 Поручни
6.4.1 Диаметр наконечника поручня должен быть не менее 50 мм.
6.4.2 При испытаниях по приложению Г значение деформации должно быть не более 3%.
6.5 Платформы для стоп
6.5.1 Поверхность платформы для стоп должна быть нескользкой.
6.5.2 При испытаниях по ГОСТ Р ИСО 5904 коэффициент трения поверхности должен быть не более 0,5.
6.6 Устойчивость
При испытаниях по приложению Д тренажер не должен опрокидываться.
6.7 Износостойкость
При испытаниях по приложению Е на конструкции тренажера не должно быть повреждений. После испытаний тренажер должен функционировать в соответствии с инструкцией изготовителя.
6.8 Дополнительные требования к тренажерам класса точности A
При испытаниях по приложению Ж отклонение мощности тренажера должно быть:
- не более +/- 5 Вт - при работе в диапазоне до 50 Вт включительно;
- +/- 10 Вт - при работе в диапазоне от 50 Вт.
7 Методы испытаний
7.1 Требования безопасности в соответствии с разделом 6 проверяют органолептическими или инструментальными методами.
7.2 Испытания на застревание - по приложению А.
7.3 Испытания на перегрев - по приложению Б.
7.4 Испытания несущей способности - по приложению В.
7.5 Испытания поручней - по приложению Г.
7.6 Испытания на устойчивость - по приложению Д.
7.7 Испытания на износостойкость - по приложению Е.
7.8 Испытания мощности - по приложению Ж.
7.9 По результатам испытаний оформляют протокол или отчет.
8 Инструкция по эксплуатации
Инструкция по эксплуатации должна соответствовать требованиям ГОСТ Р 56445 (подраздел 7.4) и содержать следующую информацию:
- о тормозной системе (зависимой или независимой от скорости);
- процедуре оценки отклонений мощности (для тренажеров класса точности A);
- сборке и демонтаже тренажера;
- принципе выполнения упражнений на тренажере.
Приложение А
(обязательное)
ИСПЫТАНИЯ НА ЗАСТРЕВАНИЕ
А.1 Сущность метода
А.1.1 Испытательный зонд/штифт/брусок подносят к движущимся частям тренажера в различных положениях.
А.1.2 Регистрируют наличие или отсутствие застревания испытательного зонда/штифта/бруска.
А.2 Аппаратура
А.2.1 Испытательный зонд в соответствии с ГОСТ Р 53906 (подраздел 8.10).
А.2.2 Испытательный штифт в соответствии с ГОСТ Р 56445 (Г.2, приложение Г).
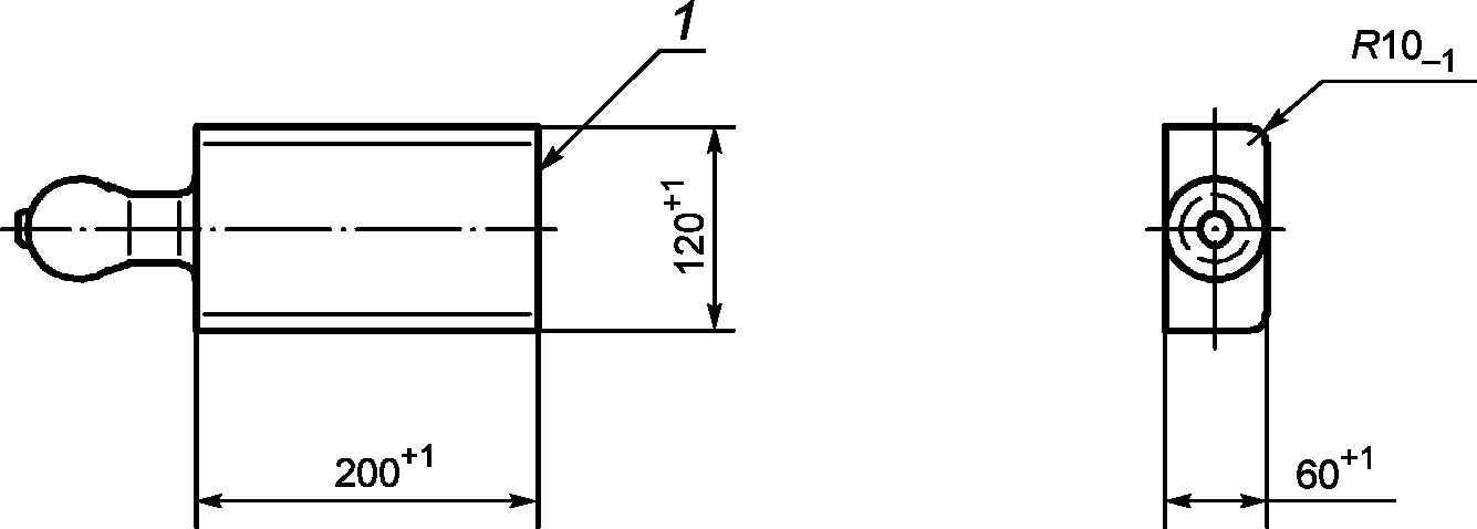
А.2.3 Испытательный брусок в соответствии с рисунком А.1.
1 - передняя часть
Рисунок А.1 - Испытательный брусок
А.3 Процедура
А.3.1 Испытательный зонд/штифт подносят к движущимся частям тренажера в различных положениях. Регистрируют наличие или отсутствие застревания испытательного зонда/штифта.
А.3.2 Испытательный брусок размещают на высоте 600 мм над уровнем пола таким образом, чтобы не менее трех точек проверки (см. рисунок А.2) были расположены на полу и/или на тренажере. Регистрируют наличие или отсутствие захвата испытательного бруска движущимися элементами тренажера.
А - точка проверки
Рисунок А.2 - Расположение точек проверки
испытательного бруска
Приложение Б
(обязательное)
ИСПЫТАНИЯ НА ПЕРЕГРЕВ
Б.1 Сущность метода
Б.1.1 Тренажер должен функционировать под нагрузкой массой (100 +/- 5) кг с сопротивлением 60 об/мин в течение 20 мин. Во время испытаний измеряют температуру доступных для пользователя элементов тренажера.
Примечание - Тренажеры с зависимой скоростью испытывают при мощности вращающего момента 180 Вт.
Б.2 Аппаратура
Б.2.1 Испытательное устройство, обеспечивающее функционирование тренажера под нагрузкой массой (100 +/- 5) кг в установленном режиме.
Б.2.2 Контактный термометр диапазоном измерения от 0 °C до 100 °C и погрешностью +/- 1 °C.
Б.3 Процедура
Б.3.1 Температура окружающей среды должна быть от 18 °C до 25 °C.
Б.3.2 Тренажер должен функционировать под нагрузкой массой (100 +/- 5) кг с сопротивлением 60 об/мин в течение 20 мин.
Б.3.3 Во время испытаний измеряют температуру доступных для пользователя элементов тренажера.
Приложение В
(обязательное)
ИСПЫТАНИЯ НЕСУЩЕЙ СПОСОБНОСТИ
В.1 Сущность метода
В.1.1 К каждой платформе тренажера в наиболее неблагоприятной части прикладывают соответствующую нагрузку в течение 5 мин. После проведения испытаний на конструкции тренажера не должно быть повреждений, значения остаточных деформаций не должны превышать допустимые.
В.2 Аппаратура
В.2.1 Устройство нагружения должно обеспечивать нагрузку, распределенную на участке размерами 90 x 90 мм, равную:
- 250 Н - для тренажеров класса применения H;
- 200 и 400 Н - для тренажеров класса применения S.
В.3 Процедура
В.3.1 Опорную раму тренажера не фиксируют.
В.3.2 К платформе тренажера в наиболее неблагоприятной части прикладывают соответствующую нагрузку 200 или 250 Н (в зависимости от класса применения тренажера) в течение 5 мин. Схема приложения нагрузки показана на рисунке В.1.
Рисунок В.1 - Схема приложения нагрузки
В.3.3 Испытания повторяют для другой платформы.
В.3.4 Тренажеры класса применения S дополнительно испытывают с нагрузкой 400 Н.
В.3.5 После проведения испытаний на конструкции тренажера не должно быть повреждений, а значения остаточных деформаций не должны превышать допустимые.
Приложение Г
(обязательное)
ИСПЫТАНИЯ ПОРУЧНЕЙ
Г.1 Сущность метода
Г.1.1 К поручню с помощью ремня шириной (80 +/- 5) мм в наиболее неблагоприятном положении в различных направлениях прикладывают сосредоточенную нагрузку в течение 5 мин.
Г.1.2 После проведения испытаний значение деформации должно быть не более 3%.
Г.2 Аппаратура
Г.2.1 Устройство нагружения должно обеспечивать сосредоточенную нагрузку:
- 1000 Н в вертикальном и 500 Н в горизонтальном направлениях - для неподвижных поручней;
- 1000 Н в динамическом направлении и 200 Н в направлении, перпендикулярном к динамическому, - для подвижных поручней.
Г.2.2 Ремень шириной (80 +/- 5) мм.
Г.3 Процедура
Г.3.1 Неподвижные поручни
Г.3.1.1 Сначала к неподвижному поручню с помощью ремня шириной (80 +/- 5) мм в наиболее неблагоприятном положении в вертикальном направлении прикладывают сосредоточенную нагрузку 1000 Н в течение 5 мин.
Г.3.1.2 Затем аналогично прикладывают сосредоточенную нагрузку 500 Н в горизонтальном направлении в течение 5 мин.
Г.3.2 Подвижные поручни
Г.3.2.1 Сначала к подвижному поручню с помощью ремня шириной (80 +/- 5) мм в наиболее неблагоприятном положении в динамическом направлении прикладывают сосредоточенную нагрузку 1000 Н в течение 5 мин.
Г.3.2.2 Затем аналогично прикладывают сосредоточенную нагрузку 200 Н в направлении, перпендикулярном к динамическому, в течение 5 мин.
Г.3.3 После проведения испытаний значение деформации должно быть не более 3%.
Приложение Д
(обязательное)
ИСПЫТАНИЯ НА УСТОЙЧИВОСТЬ
Д.1 Сущность метода
Испытатель выполняет упражнения на тренажере в обычном положении согласно инструкции изготовителя при 60 об/мин в течение 1 мин. Тренажер наклоняют на 10° в динамических направлениях и на 5° в остальных направлениях в течение 1 мин. При проведении испытаний тренажер не должен опрокидываться.
Примечание - Динамические направления - это направления, в которых движутся конечности пользователя.
Д.2 Аппаратура
Испытатель массой (100 +/- 5) кг и ростом (1750 +/- 50) мм.
Д.3 Процедура
Д.3.1 Сначала испытатель выполняет упражнения на тренажере в обычном положении согласно инструкции изготовителя при 60 об/мин в течение 1 мин.
Д.3.2 Затем тренажер наклоняют на 10° в динамических направлениях и на 5° в остальных направлениях в течение 1 мин.
Д.3.3 При проведении испытаний тренажер не должен опрокидываться.
Приложение Е
(обязательное)
ИСПЫТАНИЯ НА ИЗНОСОСТОЙКОСТЬ
Е.1 Сущность метода
Е.1.1 Тренажер подвергают испытаниям в установленном режиме:
- 12 000 циклов - для тренажеров класса применения H;
- 100 000 циклов - для тренажеров класса применения S.
Е.1.2 После проведения испытаний тренажер должен функционировать в соответствии с инструкцией изготовителя.
Е.2 Испытатель массой (100 +/- 5) кг и ростом (1750 +/- 50) мм.
Е.3 Процедура
Е.3.1 Тренажеры с независимой скоростью
Испытания проводят на скорости 60 об/мин при 80% значения максимального сопротивления. Если тренажер оснащен системой постоянной мощности, то испытания выполняют при 80% значения максимальной мощности, а также с нагрузкой на поручни массой 10 кг в наиболее неблагоприятном положении.
Е.3.2 Тренажеры с зависимой скоростью
Испытания проводят на скорости 90 об/мин следующим образом:
- 12 000 циклов (15 мин тренировки/15 мин перерыв) - для тренажеров класса применения H;
- 100 000 циклов (непрерывно в течение 10 ч) - для тренажеров класса применения S.
Е.3.3 После проведения испытаний тренажер должен функционировать в соответствии с инструкцией изготовителя.
Приложение Ж
(обязательное)
ИСПЫТАНИЯ МОЩНОСТИ ТРЕНАЖЕРОВ КЛАССА ТОЧНОСТИ A
Ж.1 Сущность метода
Испытания проводят в соответствии с процедурой, указанной изготовителем в инструкции по эксплуатации. Сравнивают значение фактической мощности с показаниями на дисплее.
Ж.2 Аппаратура
При испытаниях используют оборудование, указанное в инструкции по эксплуатации изготовителя, и средства измерения силы, расстояния и времени с погрешностью не более +/- 1% по каждому параметру.
Ж.3 Процедура
Ж.3.1 Испытания проводят в соответствии с процедурой, указанной изготовителем в инструкции по эксплуатации.
Ж.3.2 Измерения оцениваемых параметров проводят в течение 10 мин.
Ж.3.3 Мощность вычисляют по значению параметров силы, расстояния и времени.
Ж.3.4 Сравнивают значение фактической мощности с показаниями на дисплее.
Библиография
[1]
Федеральный закон
от 22 июля 2008 г. N 123-ФЗ
"Технический регламент о требованиях пожарной безопасности"