Главная // Актуальные документы // ГОСТ Р (Государственный стандарт)СПРАВКА
Источник публикации
М.: Стандартинформ, 2016
Примечание к документу
Документ утратил силу с 01.07.2023 в связи с изданием
Приказа Росстандарта от 27.12.2022 N 1608-ст. Взамен введен в действие
ГОСТ Р 56899-2022.
Документ
введен в действие с 01.01.2017.
Название документа
"ГОСТ Р 56899-2016. Национальный стандарт Российской Федерации. Оборудование для спортивных игр. Столы для настольного тенниса. Функциональные требования, требования безопасности и методы испытаний"
(утв. и введен в действие Приказом Росстандарта от 25.03.2016 N 210-ст)
"ГОСТ Р 56899-2016. Национальный стандарт Российской Федерации. Оборудование для спортивных игр. Столы для настольного тенниса. Функциональные требования, требования безопасности и методы испытаний"
(утв. и введен в действие Приказом Росстандарта от 25.03.2016 N 210-ст)
Утвержден и введен в действие
по техническому регулированию
и метрологии
от 25 марта 2016 г. N 210-ст
НАЦИОНАЛЬНЫЙ СТАНДАРТ РОССИЙСКОЙ ФЕДЕРАЦИИ
ОБОРУДОВАНИЕ ДЛЯ СПОРТИВНЫХ ИГР
СТОЛЫ ДЛЯ НАСТОЛЬНОГО ТЕННИСА
ФУНКЦИОНАЛЬНЫЕ ТРЕБОВАНИЯ, ТРЕБОВАНИЯ БЕЗОПАСНОСТИ
И МЕТОДЫ ИСПЫТАНИЙ
Equipment for sports games. Table tennis tables. Functional
requirements, safety requirements and test methods
(EN 14468-1:2004, NEQ)
ГОСТ Р 56899-2016
Дата введения
1 января 2017 года
1 РАЗРАБОТАН Саморегулируемой организацией Некоммерческим партнерством "Отраслевое объединение национальных производителей в сфере физической культуры и спорта "Промспорт" (СРО "Промспорт")
2 ВНЕСЕН Техническим комитетом по стандартизации ТК 444 "Спортивные и туристские изделия, оборудование, инвентарь, физкультурные и спортивные услуги"
3 УТВЕРЖДЕН И ВВЕДЕН В ДЕЙСТВИЕ
Приказом Федерального агентства по техническому регулированию и метрологии от 25 марта 2016 г. N 210-ст
4 Настоящий стандарт разработан с учетом основных нормативных положений европейского регионального стандарта ЕН 14468-1:2004 "Столы для настольного тенниса. Часть 1. Функциональные требования и требования безопасности, методы испытания" (EN 14468-1:2004 "Table tennis tables - Part 1: Functional and safety requirements, test methods", NEQ)
5 ВВЕДЕН ВПЕРВЫЕ
Правила применения настоящего стандарта установлены в ГОСТ Р 1.0-2012
(раздел 8). Информация об изменениях к настоящему стандарту публикуется в ежегодном (по состоянию на 1 января текущего года) информационном указателе "Национальные стандарты", а официальный текст изменений и поправок - в ежемесячном информационном указателе "Национальные стандарты". В случае пересмотра (замены) или отмены настоящего стандарта соответствующее уведомление будет опубликовано в ближайшем выпуске ежемесячного информационного указателя "Национальные стандарты". Соответствующая информация, уведомление и тексты размещаются также в информационной системе общего пользования - на официальном сайте Федерального агентства по техническому регулированию и метрологии в сети Интернет (www.gost.ru)
Настоящий стандарт распространяется на столы для настольного тенниса
типов 1 -
5 и
классов A -
D.
Настоящий стандарт устанавливает классификацию, функциональные требования, требования безопасности и методы испытаний столов для настольного тенниса
типов 1 -
5 и
классов A -
D.
В настоящем стандарте использована нормативная ссылка на следующий стандарт:
ГОСТ 31975-2013 Материалы лакокрасочные. Метод определения блеска лакокрасочных покрытий, не обладающих металлическим эффектом, под углом 20°, 60° и 85°
Примечание - При пользовании настоящим стандартом целесообразно проверить действие ссылочных стандартов в информационной системе общего пользования - на официальном сайте Федерального агентства по техническому регулированию и метрологии в сети Интернет или по ежегодному информационному указателю "Национальные стандарты", который опубликован по состоянию на 1 января текущего года, и по выпускам ежемесячного информационного указателя "Национальные стандарты" за текущий год. Если заменен ссылочный стандарт, на который дана недатированная ссылка, то рекомендуется использовать действующую версию этого стандарта с учетом всех внесенных в данную версию изменений. Если заменен ссылочный стандарт, на который дана датированная ссылка, то рекомендуется использовать версию этого стандарта с указанным выше годом утверждения (принятия). Если после утверждения настоящего стандарта в ссылочный стандарт, на который дана датированная ссылка, внесено изменение, затрагивающее положение, на которое дана ссылка, то это положение рекомендуется применять без учета данного изменения. Если ссылочный стандарт отменен без замены, то положение, в котором дана ссылка на него, рекомендуется применять в части, не затрагивающей эту ссылку.
В настоящем стандарте применены следующие термины с соответствующими определениями:
3.1
стол для настольного тенниса: Стол без комплекта сетки, основными элементами которого являются каркас и две половины столешницы (см.
рисунок 1), предназначенный для игры в настольный теннис.
3.2 половина столешницы: Половина столешницы, состоящая из игровой поверхности, ее покрытия и разметки, рамы и других элементов (например, усиление на торцах, нижней и боковых сторонах, маркировка на раме, приспособления для скрепления или соединения двух половин столешницы).
3.3 столешница: Две половины столешницы, установленные в игровом положении.
3.4 каркас: Все элементы, которые являются опорой для столешницы.
3.5
игровое положение: Положение стола для настольного тенниса с установленным комплектом сетки, при котором обе половины столешницы расположены горизонтально [см.
таблицу 1 и
рисунок 1а)].
3.6
положение для игры в стенку: Положение стола для настольного тенниса с закрепленным комплектом сетки, при котором одна половина столешницы расположена горизонтально, а другая - вертикально (см.
таблицу 1).
3.7
положение для хранения: Положение стола для настольного тенниса, при котором обе половины столешницы расположены вертикально [см.
таблицу 1 и
рисунок 1б)].
3.8 комплект сетки: Сетка, подвесной шнур и стойки для сетки, включая систему крепления к столу для настольного тенниса.
3.9 зона безопасности для игроков: Зона, в которой все части каркаса должны соответствовать размерам l2 или l3, b2, h2 и h3, чтобы предотвратить травму игроков.
3.10 масса стола для настольного тенниса: Масса стола для настольного тенниса, включая все расположенные на нем детали, которые должны транспортировать комплектом (без упаковки).
4 Функциональные требования
4.1 Классификация
4.1.1 Столы для настольного тенниса классифицируют по типам в соответствии с
таблицей 1 и по классам в соответствии с
таблицей 2.
Таблица 1
Классификация столов для настольного тенниса по типам
Тип | Внешний вид | Описание |
в игровом положении | в положении для игры в стенку | в положении для хранения |
| | - | - | Стационарный стол для настольного тенниса, каркас которого не складывается |
| | - | | Стационарный стол для настольного тенниса с двумя отдельными половинами столешницы, расположенной на складном каркасе |
| | | | Передвижной стол для настольного тенниса с двумя отдельными половинами столешницы, на каждой из которых закреплен складной каркас |
| | | | Передвижной стол для настольного тенниса с одним каркасом для обеих половин столешницы, в котором каждая половина столешницы складывается независимо от другой |
| | - | | Передвижной стол для настольного тенниса с одним каркасом для обеих половин столешницы, в котором половины столешницы не складываются независимо друг от друга |
Таблица 2
Классификация столов для настольного тенниса по классам
Класс | Область применения |
| Спорт высших достижений |
| Спортивные школы и клубы, спортивные залы образовательных учреждений |
| Массовый спорт (премиум-класса) |
| Массовый спорт |
4.2 Элементы конструкции
Элементы конструкции стола для настольного тенниса показаны на
рисунке 1.
б) В положении для хранения
1 - базовая линия; 2 - центральная линия; 3 - боковая
линия; 4 - половина столешницы; 5 - рама; 6 - поперечина
с распоркой; 7 - колесо; 8 - каркас; 9 - комплект сетки;
10 - опора; 11 - раскос; 12 - предохранительное
приспособление; 13 - маркировка; 14 - инструкция
по эксплуатации
Рисунок 1 - Элементы конструкции стола
для настольного тенниса
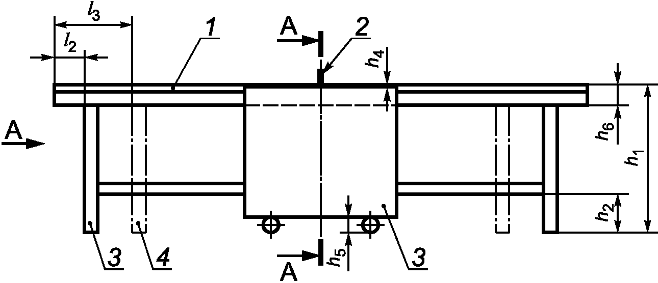
4.3 Основные размеры
4.3.1 Основные размеры столешницы показаны на
рисунке 2.
1 - боковая линия; 2 - зона сетки; 3 - центральная линия;
4 - столешница; 5 - базовая линия;
l1,
l6,
l7,
l8,
b1,
b6,
b7,
b8 - см.
таблицу 3
Рисунок 2 - Основные размеры столешницы
Таблица 3
Основные размеры столов для настольного тенниса
Наименование размера | | | | |
Длина столешницы l1, мм | (2740 +/- 5) | (2740 +/- 7) | (2740 +/- 10) | (2740 +/- 15) |
Расстояние от опоры до торцевой стороны стола l2, мм, не менее | 150 |
Расстояние от опоры до торцевой стороны стола, предназначенного для инвалидов-колясочников l3, мм, не менее | 400 |
Длина зоны безопасности игрока (от торцевой стороны стола) l4, мм, не менее | 800 | 600 | - |
Длина участка средней части каркаса, выступающего за боковую сторону половины столешницы l5, мм, не более | 100 | 200 | - |
Зазор между половинами столешницы в игровом положении l6, мм, не более | 20 |
Расстояние между центральной линией и краем столешницы в середине стола l7, мм, не более | 50 | 100 |
Расстояние между центральной и базовой линиями l8, мм, не более | 10 | 50 |
Ширина половины столешницы b1, мм | (1525 +/- 3) | (1525 +/- 5) | (1525 +/- 10) |
Расстояние от опоры до боковой стороны столешницы b2, мм, не менее | 100 | - |
Ширина участка средней части каркаса, выступающего за боковую сторону половины столешницы b3, мм, не более | 60 | 100 |
Зазор между откидной опорой и рамой b4, мм, не менее | 15 |
Ширина части колеса, выступающей за боковую сторону половины столешницы b5, мм, не более | 0 | 150 |
Ширина боковой/базовой линии b6, мм | (20 +/- 1) | (20 +/- 2) | (20 +/- 3) | (20 +/- 5) |
Ширина центральной линии b7, мм | (3 +/- 1) | (3 +/- 2) |
Расстояние, характеризующее совмещение обеих половин столешницы и их центральных линий b8, мм, не более | 2 | 3 | 6 | - |
Высота стола h1, мм | (760 +/- 3) | (760 +/- 5) | (760 +/- 10) | (760 +/- 15) |
Расстояние между боковой поперечиной и полом в пределах зоны безопасности игрока (см. l4) h2, мм, не менее | 200 |
Расстояние между поперечиной на торцевой стороне стола и полом h3, мм, не менее | 300 |
Расстояние между игровой поверхностью и выступающим участком средней части каркаса h4, мм, не менее | 12 | - |
Расстояние между средней частью каркаса и полом h5, мм, не менее | 50 |
Высота усиления по периметру с высотой столешницы h6, мм, не более | 100 |
Примечание - Размер b4 используют только при наличии откидных опор. |

а) Вид сбоку
б) Вид сверху
в) Вид спереди
г) Сечение A-A
1 - столешница с обшивкой и рамой; 2 - комплект сетки;
3 - каркас с опорами; 4 - опоры столов для настольного
тенниса, предназначенных для инвалидов-колясочников;
5 - зона безопасности игрока; 6 - свободная зона
для крепления стоек сетки;
l1, l2, l3, l4, l5, b1, b2, b3, b4, b5, b11, h1, h2, h3,
Рисунок 3 - Основные размеры столов для настольного тенниса
4.4 Масса стола для настольного тенниса
Если масса стола для настольного тенниса более 200 кг, рекомендуется его перемещать с помощью грузоподъемного механизма. Соответствующее указание должно быть размещено на нижней стороне стола и на внешней упаковке.
4.5 Игровая поверхность
4.5.1 Материал
Можно использовать любые материалы, которые соответствуют требованиям настоящего стандарта.
4.5.2 Допуск плоскостности поверхности половины столешницы
4.5.2.1 Допуски плоскостности поверхности половин столешницы приведены в
таблице 4.
Таблица 4
Допуски плоскостности поверхности половины столешницы
Наименование показателя | | | | |
Допуск плоскостности поверхности половины столешницы, мм | 4 | 7 | 10 | 15 |
4.5.2.2 Отклонения от плоскостности определяют в соответствии с
приложением А.
4.5.3 Цвет игровой поверхности
4.5.3.1 Игровая поверхность столов для настольного тенниса
классов A и
B должна быть темно-зеленого или синего цвета.
Примечание - Степень темного по цветовой координате Y при источнике света D65 должна быть не более 30% в соответствии с цветовой системой Международной комиссии по освещению.
4.5.3.2 Цвет игровой поверхности столов для настольного тенниса
классов C и
D не нормирован.
4.5.3.3 Цвет разметки игровой поверхности должен быть белым.
4.5.4 Покрытие игровой поверхности
4.5.4.1 Покрытие игровой поверхности (в т.ч. разметка) должно быть матовым.
4.5.4.2 Покрытие игровой поверхности должно быть равномерным, гладким и стойким (не должно окрашивать мяч при контакте).
4.5.4.3 При испытаниях матового эффекта по
ГОСТ 31975 степень блеска покрытия игровой поверхности должна быть не более:
- 15 - для столов для настольного тенниса
классов A и
B;
- 24 - для столов для настольного тенниса
классов C и
D.
Испытания матового эффекта проводят рефлектометром при углах отражения 60°.
4.5.5 Высота отскока мяча
4.5.5.1 При определении высоты отскока мяча по
приложению Б оцениваемые показатели должны соответствовать приведенным в
таблице 5.
Таблица 5
Значения оцениваемых показателей
при определении высоты отскока мяча
Наименование показателя | | | | |
Среднее значение высоты отскока мяча от столешницы, мм | 230 - 260 | >= 210 | >= 180 |
Количество отскоков мяча, высота которых выходит за пределы нормируемой средней высоты отскока мяча от столешницы, шт. | 0 | - |
Разность между значениями средних высот отскоков мяча двух половин столешницы, мм, не более | 1 | 2 | 4 | - |
Количество отскоков мяча, высота которых на 2 мм выше или ниже средней высоты отскока мяча от половины столешницы, шт., не более | 2 | 3 | 5 | - |
Разность между средней высотой отскока мяча в фиксированной/специальной точке и средней высотой отскока мяча от половины столешницы, мм, не более | 4 | 6 | 8 | - |
Разность между наибольшей и наименьшей средней высотой отскока мяча от половины столешницы, мм, не более | 5 | 7 | 10 | - |
Примечание - Средние значения округляют до первого знака после запятой. |
4.5.6 Боковые стороны и торцы половин столешниц
4.5.6.1 Кромки
Кромки игровой поверхности должны быть прямоугольными, но не острыми.
Кромки остальных элементов половины столешницы должны быть скруглены.
Если конструкцией столов для настольного тенниса
класса A предусмотрена защита кромок, то ее толщина должна быть не более 1 мм.
4.5.6.2 Усиление по периметру
Толщина усиления по периметру, включая толщину столешницы, должна быть не более 100 мм, как показано на
рисунке 4.
Рисунок 4 - Свободное пространство
для крепления комплекта сетки
Усиление по периметру столов для настольного тенниса
класса A должно быть выполнено на одном уровне с нижней кромкой столешницы.
В случае столов для настольного тенниса, предназначенных для инвалидов-колясочников, толщина столешницы вместе с усилением по периметру должна быть не более 80 мм.
Толщина нижнего усиления должна быть не менее 3 мм.
Радиус закругления кромок нижнего усиления должен быть не менее 1 мм.
4.5.7 Зона для крепления комплекта сетки
Если стол для настольного тенниса не оснащен постоянно установленным комплектом сетки, то должно быть предусмотрено свободное пространство между обеими половинами столешницы (см.
рисунок 4).
4.6 Каркас
4.6.1 Цвет
Не допускается использование люминесцентных и флуоресцентных красок для каркасов столов для настольного тенниса
классов A -
C.
4.6.2 Колеса
4.6.2.1 Общие положения
Колеса столов для настольного тенниса
классов A и
B должны быть без острых кромок.
Не допускается изготавливать колеса столов для настольного тенниса
классов A и
B из абразивного материала.
4.6.2.2 Размеры
Диаметр колес столов для настольного тенниса
классов A -
D должен быть не менее 75 мм.
Если предусмотрено передвижение стола для настольного тенниса
типа 2 класса A в положении для хранения, то расстояние от пола до нижнего края половины столешницы должно быть не менее 50 мм.
4.6.2.3 Возможность поворота
Конструкция колес каждого каркаса стола для настольного тенниса должна обеспечивать возможность их поворота. Количество поворачивающихся колес должно быть не менее:
- двух из четырех;
- одного из трех при условии, что они не расположены в одну линию друг за другом.
Допускается отсутствие поворачивающихся колес у стола для настольного тенниса
типа 2, если он имеет:
- одно колесо;
- два или несколько колес, расположенных в одну линию друг за другом.
4.7 Отклонение от горизонтальной плоскости
4.7.1 Каркас стола для настольного тенниса должен быть устойчивым.
4.7.2 При испытаниях каркаса столов для настольного тенниса
классов A -
C по
приложению В отклонение от горизонтальной плоскости, измеренное на поверхности стола в направлении приложения нагрузки, должно быть не более:
- 10 мм - для столов для настольного тенниса
класса A;
- 20 мм - для столов для настольного тенниса
класса B;
- 40 мм - для столов для настольного тенниса
класса C.
4.7.3 При испытаниях каркаса по
приложению В стол для настольного тенниса
класса D не должен самопроизвольно складываться.
4.7.4 После снятия нагрузки на конструкции стола для настольного тенниса не должно быть повреждений, в т.ч. трещин, поломок, чрезмерных остаточных деформаций, ослабления соединений и связей.
4.8 Опоры
Опоры передвижного стола для настольного тенниса при открытии половины столешницы должны откидываться автоматически (без необходимости их вытягивать).
4.9 Климатические воздействия
4.9.1 При испытаниях столов для настольного тенниса, предназначенных для эксплуатации на открытом воздухе, по
приложению И предельные отклонения размеров и допуски плоскостности поверхности половин столешницы не должны превышать установленные в
таблицах 3 и
4, а стопорные приспособления должны функционировать.
5 Требования безопасности
При испытаниях на прочность по
приложению Г стол для настольного тенниса не должен самопроизвольно складываться, а на конструкции не должно быть повреждений, в т.ч. трещин, поломок, чрезмерных остаточных деформаций, ослабления соединений и связей.
5.2.1 Сдвиг в продольном направлении
При испытаниях на сдвиг в продольном направлении по
Д.1 приложения Д стол для настольного тенниса не должен опрокидываться или самопроизвольно складываться, а на конструкции не должно быть повреждений, в т.ч. трещин, поломок, чрезмерных остаточных деформаций, ослабления соединений и связей.
5.2.2 Сдвиг в поперечном направлении
При испытаниях на сдвиг в поперечном направлении по
Д.2 приложения Д стол для настольного тенниса не должен опрокидываться или самопроизвольно складываться, а на конструкции не должно быть повреждений, в т.ч. трещин, поломок, чрезмерных остаточных деформаций, ослабления соединений и связей.
5.2.3 Устойчивость в положении для игры в стенку
При испытаниях на устойчивость в положении для игры в стенку по
Д.3 приложения Д стол для настольного тенниса не должен опрокидываться или самопроизвольно складываться, а на конструкции не должно быть повреждений, в т.ч. трещин, поломок, чрезмерных остаточных деформаций, ослабления соединений и связей.
5.3 Опрокидывание в положении для хранения
При испытаниях на опрокидывание в положении для хранения по
приложению Е столы для настольного тенниса
типов 3 -
5 не должны опрокидываться.
5.4 Стопорные приспособления
5.4.1 Для хранения стола для настольного тенниса каждая половина столешницы должна быть оснащена минимум двумя стопорными приспособлениями, расцепление которых возможно только посредством двух независимых операций (см.
таблицу 6). Допускается заменить их одной стопорной системой, для расцепления которой требуется осуществить две независимые операции, при условии, что одно из двух стопорных приспособлений может срабатывать под воздействием силы тяжести.
Таблица 6
Комбинация стопорных приспособлений
столов для настольного тенниса
Наименование показателя | Расстояние между откинутыми вверх половинами столешницы, мм |
<= 100 | > 100 |
Значение тяговой нагрузки, Н |
<= 30 | > 30 |
Количество стопорных приспособлений, шт. | 2 | 1 <*>/2 <**> | 2 |
<*> Срабатывает не под воздействием силы тяжести, для расцепления требуется осуществить две независимые операции. <**> Одно из двух срабатывает не под воздействием силы тяжести. |
5.4.2 Стопорные приспособления для половин столешниц передвижных столов должны срабатывать автоматически.
5.4.3 В случае стопорной системы столов для настольного тенниса
типа 5 допускается фиксация половин столешницы вместе или по отдельности.
5.4.4 Если стопорное приспособление используют с целью повышения прочности и устойчивости стола для настольного тенниса в игровом положении (см.
5.1 и
5.2), то оно должно срабатывать автоматически, причем расцепление должно происходить посредством не менее одной ручной операции.
5.4.5 Минимальное количество, тип и комбинация стопорных приспособлений стола для настольного тенниса определяют по
таблице 6.
5.4.6 Эффективность работы стопорных сопротивлений стола для настольного тенниса проверяют в соответствии с
приложением Ж.
5.4.7 Рекомендуется устанавливать и регулировать стопорные приспособления на заводе, где изготавливают стол для настольного тенниса, если возможно обеспечить его сохраняемость при транспортировании. При отсутствии такой возможности стопорные приспособления следует поставлять отдельно, причем их конструкция должна обеспечивать простоту и безошибочность сборки пользователем.
5.5 Колеса
При испытаниях по
Ж.1 приложения Ж колеса столов для настольного тенниса должны правильно функционировать, а на конструкции не должно быть повреждений, в т.ч. трещин, поломок, чрезмерных остаточных деформаций.
5.6 Стойки для сетки
5.6.1 Элементы столов для настольного тенниса
классов A -
B, удерживающие стойку для сетки, не должны выступать более 60 мм за пределы боковых сторон половин столешниц.
5.6.2 Кромки элементов, удерживающих стойку для сетки, не должны быть острыми в соответствии с
[1].
5.7 Подвижные части и элементы крепления
5.7.1 Подвижные части и элементы крепления стола для настольного тенниса должны быть прочными и долговечными.
5.7.2 Испытания подвижных частей и элементов крепления проводят в соответствии с
приложением Ж.
5.8 Защитное приспособление
Столы для настольного тенниса
типа 4 высотой не менее 760 мм, расстояние между половинами столешницы которых в положениях для хранения и игры в стенку не менее 110 мм, должны быть оборудованы защитными приспособлениями, предотвращающими попадание головы или туловища ребенка в свободное пространство между половинами столешницы.
6.1 Общие требования
6.1.1 Испытаниям подвергают столы для настольного тенниса полной комплектации (с колесами и закрепленным комплектом сетки) в наиболее неблагоприятном положении.
6.1.2 Погрешность прикладываемой нагрузки должна быть +/- 5% номинального значения.
6.2 Отклонение от плоскостности
Отклонение от плоскостности поверхности половины столешницы определяют по
приложению А.
6.3 Высота отскока мяча
6.4 Отклонение от горизонтальной плоскости
Испытания устойчивости каркаса стола для настольного тенниса проводят в соответствии с
приложением В.
6.5 Климатические воздействия
6.5.1 Испытания столов для настольного тенниса, предназначенных для эксплуатации на открытом воздухе, на воздействие влажности проводят в соответствии с
Г.1 приложения Г.
6.5.2 Испытания столов для настольного тенниса, предназначенных для эксплуатации на открытом воздухе, на воздействие повышенных температур проводят в соответствии с
Г.2 приложения Г.
6.6 Прочность
Столы для настольного тенниса на прочность проверяют по
приложению Д.
6.7 Устойчивость
6.7.1 Испытания стола для настольного тенниса на сдвиг в продольном направлении проводят в соответствии с
Е.1 приложения Е.
6.7.2 Испытания стола для настольного тенниса на сдвиг в поперечном направлении проводят в соответствии с
Е.2 приложения Е.
6.7.3 Испытания на устойчивость стола для настольного тенниса в положении для игры в стенку проводят по
Е.3 приложения Е.
6.8 Опрокидывание
Испытания на опрокидывание стола для настольного тенниса в положении для хранения проводят по
приложению Ж.
6.9 Продолжительность и эффективность работы стопорного приспособления и колес
6.9.1 Испытания на продолжительность работы стопорного приспособления и колес проводят в соответствии с
И.1 приложения И.
6.9.2 Испытания на эффективность работы стопорного приспособления проводят в соответствии с
И.2 приложения И.
6.10 Результаты испытаний
Результаты испытаний оформляют в виде отчета или протокола.
7 Документация, предоставляемая изготовителем/поставщиком
7.1 Общие требования
7.1.1 Изготовитель/поставщик должен предоставить руководство по монтажу и инструкцию по эксплуатации на каждый стол для настольного тенниса.
7.1.2 Информация, содержащаяся в руководстве по монтажу и инструкции по эксплуатации, должна быть изложена в виде текста и графических материалов на русском языке. Допускается дополнительно (при необходимости) приводить информацию о монтаже и эксплуатации на других языках.
7.2 Руководство по монтажу
7.2.1 Руководство по монтажу должно содержать следующую информацию:
- перечень деталей для идентификации поставляемых россыпью винтов, болтов, гаек и подкладочных шайб;
- графические материалы и текстовые пояснения, необходимые для монтажа стола для настольного тенниса;
- графические изображения требуемых инструментов;
- перечень мер предосторожности;
- предупреждения: "Нельзя превышать допустимый крутящий момент затягивания при завинчивании винтов в подвижные детали", "После окончания монтажа следует провести тщательную проверку функционирования стола для настольного тенниса";
- контактные данные изготовителя.
7.2.2 Руководство по монтажу вкладывают внутрь упаковки стола для настольного тенниса или в папку с документами, закрепленную снаружи.
7.3 Инструкция по эксплуатации
7.3.1 Инструкция по эксплуатации должна содержать пиктограммы, на которых показано следующее:
- предупреждение о том, что ребенку не следует играть вблизи стола для настольного тенниса в положении для хранения;
- рекомендации о том, каким образом следует раскладывать и складывать стол для настольного тенниса;
- указания об опасности при передвижении стола для настольного тенниса по наклонной поверхности;
- указания об опасности опрокидывания стола для настольного тенниса, оставленного на открытом воздухе в положении для хранения, при порыве ветра.
7.3.2 Инструкция по эксплуатации должна содержать следующие текстовые пояснения:
- правила обращения и меры предосторожности при складывании и раскладывании половин столешницы и перемещении стола для настольного тенниса;
- информация о техническом обслуживании;
- надпись "Внимание! Каждую поломанную деталь следует заменять. При поломке обратитесь к изготовителю/поставщику".
7.3.3 Инструкцию по эксплуатации размещают на нижних сторонах половин столешницы стола для настольного тенниса.
На стол для настольного тенниса должна быть нанесена четкая маркировка, устойчивая к истиранию. Маркировка должна содержать:
- наименование, тип и класс стола для настольного тенниса;
- наименование или товарный знак изготовителя;
- условия эксплуатации (в помещении или на открытом воздухе);
- обозначение настоящего стандарта;
- год изготовления.
(обязательное)
ОЦЕНКА ПЛОСКОСТНОСТИ ПОВЕРХНОСТИ ПОЛОВИНЫ СТОЛЕШНИЦЫ
А.1 Сущность метода
Измерительную рейку укладывают на подкладки равной высоты по диагонали на половину столешницы стола для настольного тенниса и определяют разность между наибольшим и наименьшим значениями расстояния от поверхности половины столешницы до нижней кромки измерительной рейки.
А.2 Аппаратура
А.2.1 Рейка измерительная длиной не менее (3137 +/- 1) мм.
А.2.2 Две подкладки толщиной не менее (10 +/- 1) мм, размерами (100 +/- 1) x (100 +/- 1) мм.
А.3 Процедура
А.3.1 Измерительную рейку укладывают на подкладки равной высоты по диагонали на половину столешницы стола для настольного тенниса.
А.3.2 Измеряют наименьшее и наибольшее расстояния от поверхности половины столешницы стола для настольного тенниса до нижней кромки измерительной рейки.
А.3.3 Определяют разность между наименьшим и наибольшим значениями измеренных расстояний.
А.3.4 Процедуру выполняют для каждой половины столешницы стола для настольного тенниса.
(обязательное)
ОПРЕДЕЛЕНИЕ ВЫСОТЫ ОТСКОКА МЯЧА
Б.1 Сущность метода
Б.1.1 Мяч для игры в настольный теннис по три раза бросают с высоты 300 мм без вращения на фиксированные точки половины столешницы стола для настольного тенниса. Регистрируют высоту отскока мяча.
Б.1.2 Высоту отскока мяча определяют с помощью видеокамеры или микрофона.
Б.2 Определение высоты отскока мяча с помощью видеозаписи
Б.2.1 Аппаратура
Испытания проводят с использованием следующего оборудования:
- мяч для игры в настольный теннис, соответствующий требованиям Международной федерации настольного тенниса;
- видеокамера, оснащенная устройством видеозаписи;
- планшет с измерительной шкалой.
Б.2.2 Процедура
Б.2.2.1 Позади фиксированной точки половины столешницы устанавливают планшет с измерительной шкалой.
Б.2.2.2 Мяч для игры в настольный теннис бросают с высоты 300 мм без вращения на фиксированную точку половины столешницы стола для настольного тенниса, причем процесс записывают на видеокамеру.
Б.2.2.3 Высоту отскока мяча определяют путем замедленного воспроизведения видеозаписи.
Б.3 Определение высоты отскока мяча с помощью микрофона
Б.3.1 Аппаратура
Испытания проводят с использованием следующего оборудования:
- мяч для игры в настольный теннис, соответствующий требованиям Международной федерации настольного тенниса;
- микрофон, оснащенный устройством воспроизведения звука;
- секундомер часового типа.
Б.3.2 Процедура
Б.3.2.1 Мяч для игры в настольный теннис бросают с высоты 300 мм без вращения на фиксированную точку половины столешницы стола для настольного тенниса и включают микрофон, оснащенный звукозаписывающим устройством.
Б.3.2.2 Запись воспроизводят и с помощью секундомера регистрируют время между первым и вторым отскоком мяча.
Б.3.2.3 Высоту первого отскока мяча h, мм, вычисляют по формуле

, (Б.1)
где g - ускорение свободного падения, м/с2;
t - время между первым и вторым отскоком мяча, с.
Б.4 Фиксированные и специальные точки
Б.4.1 Для каждой фиксированной/специальной точки проводят по три испытания, после чего вычисляют средние значения высоты отскока мяча в каждой точке, для каждой половины столешницы и столешницы в целом.
Примечание - В качестве специальных принимают точки, расположенные над местами крепления опор и/или усиленные по периметру половины столешницы. Расположение специальных точек зависит от типа стола для настольного тенниса.
Б.4.2 Расположение фиксированных и специальных точек показано на
рисунке Б.1.
1 - 16 - фиксированные точки; a - f - специальные точки
Рисунок Б.1 - Расположение фиксированных и специальных точек
Б.5 Результаты испытаний
Результаты испытаний используют для расчета показателей, приведенных в
таблице 5.
(обязательное)
ИСПЫТАНИЯ УСТОЙЧИВОСТИ КАРКАСА СТОЛА ДЛЯ НАСТОЛЬНОГО ТЕННИСА
В.1 Сущность метода
В.1.1 Опоры стола для настольного тенниса фиксируют и с той же стороны к верхней части половины столешницы в продольном направлении прикладывают сосредоточенную горизонтальную нагрузку F, равную (300 +/- 15) Н, в течение (60 +/- 1) с. Регистрируют значение отклонения столешницы от горизонтальной плоскости.
В.1.2 После снятия нагрузки на конструкции стола для настольного тенниса не должно быть повреждений, в т.ч. трещин, поломок, чрезмерных остаточных деформаций, ослабления соединений и связей.
В.2 Аппаратура
Устройство нагружения должно обеспечивать сосредоточенную горизонтальную нагрузку F, равную (300 +/- 15) Н, в течение (60 +/- 1) с.
В.3 Процедура
В.3.1 Опоры стола для настольного тенниса фиксируют с одной стороны.
В.3.2 К верхней части половины столешницы стола для настольного тенниса в продольном направлении прикладывают сосредоточенную горизонтальную нагрузку
F, равную (300 +/- 15) Н, в течение (60 +/- 1) с, как показано на
рисунке В.1.
Рисунок В.1 - Схема приложения нагрузки
В.3.3 Регистрируют значение отклонения столешницы стола для настольного тенниса от горизонтальной плоскости.
В.3.4 После снятия нагрузки на конструкции стола для настольного тенниса не должно быть повреждений, в т.ч. трещин, поломок, чрезмерных остаточных деформаций, ослабления соединений и связей.
(обязательное)
ИСПЫТАНИЯ НА КЛИМАТИЧЕСКИЕ ВОЗДЕЙСТВИЯ
Г.1 Испытания на воздействие влажности
Г.1.1 Сущность метода
Г.1.1.1 Стол для настольного тенниса помещают в емкость с водой и выдерживают при температуре (20 +/- 1) °C в течение 24 ч. После извлечения из воды измеряют кривизну столешницы по
приложению А и проверяют работу стопорных приспособлений. Затем стол для настольного тенниса выдерживают в игровом положении в течение 48 ч.
Г.1.1.2 После проведения испытаний стол для настольного тенниса должен соответствовать требованиям, приведенным в
4.3.2 и
4.5.2, а стопорные приспособления должны функционировать в соответствии с
5.4.
Г.1.2 Аппаратура
При проведении испытаний стола для настольного тенниса на воздействие влажности используют следующее оборудование:
- емкость с водой;
- устройство подогрева, обеспечивающее постоянную температуру воды в емкости (20 +/- 1) °C;
- измерительная рейка длиной не менее (3137 +/- 1) мм;
- две подкладки толщиной (10 +/- 1) мм, размерами (100 +/- 1) x (100 +/- 1) мм.
Г.1.3 Процедура
Г.1.3.1 Стол для настольного тенниса помещают в емкость с водой и выдерживают при температуре (20 +/- 1) °C в течение 24 ч.
Г.1.3.2 После извлечения из воды измеряют кривизну столешницы по
приложению А и проверяют работу стопорных приспособлений.
Г.1.3.3 Стол для настольного тенниса выдерживают в игровом положении в течение 48 ч.
Г.1.3.4 После проведения испытаний стол для настольного тенниса должен соответствовать требованиям, приведенным в
4.3.2 и
4.5.2, а стопорные приспособления должны функционировать в соответствии с
5.4.
Г.2 Испытания на воздействие повышенных температур
Г.2.1 Сущность метода
Г.2.1.1 Испытания стола для настольного тенниса на воздействие повышенных температур проводят после проведения испытаний на воздействие влажности.
Г.2.1.2 Поверхность половины столешницы в течение 3 ч подвергают равномерному тепловому излучению таким образом, чтобы температура испытуемой поверхности достигла 50 °C, причем температура окружающей среды со стороны другой половины столешницы должна быть не более 35 °C.
Г.2.1.3 После проведения испытаний измеряют кривизну столешницы по
приложению А.
Г.2.2 Аппаратура
При проведении испытаний стола для настольного тенниса на воздействие повышенных температур используют следующее оборудование:
- устройство, обеспечивающее равномерное тепловое излучение, при котором температура испытуемой поверхности половины столешницы равна (50 +/- 1) °C, а температура окружающей среды другой половины столешницы равна не более 35 °C;
- часы;
- измерительная рейка длиной не менее (3137 +/- 1) мм;
- две подкладки толщиной (10 +/- 1) мм, размерами (100 +/- 1) x (100 +/- 1) мм.
Г.2.3 Процедура
Г.2.3.1 Поверхность половины столешницы в течение 3 ч подвергают тепловому излучению таким образом, чтобы температура испытуемой поверхности достигла 50 °C; причем температура окружающей среды со стороны другой половины столешницы должна быть не более 35 °C.
Г.2.3.2 После проведения испытаний измеряют кривизну столешницы по
приложению А.
(обязательное)
Д.1.1 Испытания стола для настольного тенниса на прочность проводят в игровом положении и в положении для игры в стенку.
Д.1.2 На поверхность столешницы в наиболее неблагоприятном месте размещают груз массой 80 кг и выдерживают в течение (60 +/- 1) с.
Д.1.3 Во время проведения испытаний стол для настольного тенниса не должен самопроизвольно складываться, а после снятия нагрузки на конструкции не должно быть повреждений, в т.ч. трещин, поломок, чрезмерных остаточных деформаций, ослабления соединений и связей.
Испытания проводят с использованием следующего оборудования:
- груз массой 80 кг;
- диск диаметром (350 +/- 1) мм.
Д.3.1 На диск, расположенный на поверхности столешницы стола для настольного тенниса в наиболее неблагоприятном месте, размещают груз массой 80 кг и выдерживают в течение (60 +/- 1) с.
Д.3.2 Во время проведения испытаний стол для настольного тенниса не должен самопроизвольно складываться.
Д.3.3 После снятия нагрузки на конструкции стола для настольного тенниса не должно быть повреждений, в т.ч. трещин, поломок, чрезмерных остаточных деформаций, ослабления соединений и связей.
(обязательное)
ИСПЫТАНИЯ НА УСТОЙЧИВОСТЬ
Е.1 Испытания на сдвиг в поперечном направлении
Е.1.1 Сущность метода
Е.1.1.1 Испытания стола для настольного тенниса на сдвиг в поперечном направлении проводят в игровом положении и в положении для игры в стенку.
Е.1.1.2 С одной стороны позади опор или колес стола для настольного тенниса располагают препятствие, с другой стороны к столешнице в продольном направлении прикладывают сосредоточенную горизонтальную нагрузку F, постепенно увеличивая ее до значения (300 +/- 15) Н или до того момента, когда поверхность столешницы отклонится на 15° относительно горизонтали.
Е.1.1.3 Во время проведения испытаний стол для настольного тенниса не должен опрокидываться или самопроизвольно складываться, а после снятия нагрузки на конструкции не должно быть повреждений, в т.ч. трещин, поломок, чрезмерных остаточных деформаций, ослабления соединений и связей.
Е.1.2 Аппаратура
Е.1.2.1 Высота препятствия должна быть:
- для опоры - 50 мм;
- колеса - на 50 мм больше радиуса колеса.
Е.1.2.2 Устройство нагружения должно обеспечивать сосредоточенную горизонтальную нагрузку
F, значение которой постепенно увеличивается до (300 +/- 15) Н, прикладываемую к столешнице в соответствии с
рисунком Е.1.
Рисунок Е.1 - Схема приложения нагрузки
Е.1.3 Процедура
Е.1.3.1 С одной стороны позади опор или колес стола для настольного тенниса располагают препятствие, с другой стороны к столешнице в продольном направлении прикладывают сосредоточенную горизонтальную нагрузку F, постепенно увеличивая ее до значения (300 +/- 15) Н или до того момента, когда поверхность столешницы отклонится на 15° относительно горизонтали.
Е.1.3.2 Во время проведения испытаний стол для настольного тенниса не должен опрокидываться или самопроизвольно складываться.
Е.1.3.3 После снятия нагрузки на конструкции стола для настольного тенниса не должно быть повреждений, в т.ч. трещин, поломок, чрезмерных остаточных деформаций, ослабления соединений и связей.
Е.2 Испытания на сдвиг в продольном направлении
Е.2.1 Сущность метода
Е.2.1.1 Испытания стола для настольного тенниса на сдвиг в продольном направлении проводят в игровом положении и в положении для игры в стенку.
Е.2.1.2 Сбоку позади опор стола для настольного тенниса располагают препятствие, к столешнице в поперечном направлении прикладывают сосредоточенную горизонтальную нагрузку F, равную (200 +/- 10) Н.
Е.2.1.3 Во время проведения испытаний стол для настольного тенниса не должен опрокидываться или самопроизвольно складываться, а после снятия нагрузки на конструкции не должно быть повреждений, в т.ч. трещин, поломок, чрезмерных остаточных деформаций, ослабления соединений и связей.
Е.2.2 Аппаратура
Е.2.2.1 Высота препятствия должна быть 50 мм.
Е.2.2.2 Устройство нагружения должно обеспечивать сосредоточенную горизонтальную нагрузку
F, равную (300 +/- 15) Н, прикладываемую сбоку к столешнице в соответствии с
рисунком Е.2.
Рисунок Е.2 - Схема приложения нагрузки
Е.2.3 Процедура
Е.2.3.1 Сбоку позади опор стола для настольного тенниса располагают препятствие, к столешнице в поперечном направлении прикладывают сосредоточенную горизонтальную нагрузку F, равную (200 +/- 10) Н.
Е.2.3.2 Во время проведения испытаний стол для настольного тенниса не должен опрокидываться или самопроизвольно складываться.
Е.2.3.3 После снятия нагрузки на конструкции стола для настольного тенниса не должно быть повреждений, в т.ч. трещин, поломок, чрезмерных остаточных деформаций, ослабления соединений и связей.
Е.3 Испытания на устойчивость в положении для игры в стенку
Е.3.1 Сущность метода
Е.3.1.1 Позади опор или колес стола для настольного тенниса устанавливают препятствие, а к геометрической середине каждой откинутой половины столешницы стола для настольного тенниса в положении для игры в стенку поочередно горизонтально прикладывают сдвиговую/тяговую нагрузку F, равную 100 Н.
Е.3.1.2 Во время проведения испытаний стол для настольного тенниса не должен опрокидываться или самопроизвольно складываться, а после снятия нагрузки на конструкции не должно быть повреждений, в т.ч. трещин, поломок, чрезмерных остаточных деформаций, ослабления соединений и связей.
Е.3.2 Аппаратура
Е.3.2.1 Высота препятствия должна быть:
- для опоры - 50 мм;
- колеса - на 50 мм больше радиуса колеса.
Е.3.2.2 Устройство нагружения должно обеспечивать сдвиговую/тяговую нагрузку
F, равную 100 Н, прикладываемую в соответствии с
рисунком Е.3.
а) Сдвиговая нагрузка
б) Тяговая нагрузка
Рисунок Е.3 - Схема приложения нагрузки
Е.3.3 Процедура
Е.3.3.1 Позади опор или колес стола для настольного тенниса устанавливают препятствие.
Е.3.3.2 К геометрической середине каждой откинутой половины столешницы стола для настольного тенниса в положении для игры в стенку поочередно горизонтально прикладывают сдвиговую/тяговую нагрузку F, равную 100 Н.
Е.3.3.3 Во время проведения испытаний стол для настольного тенниса не должен опрокидываться или самопроизвольно складываться.
Е.3.3.4 После снятия нагрузки на конструкции стола для настольного тенниса не должно быть повреждений, в т.ч. трещин, поломок, чрезмерных остаточных деформаций, ослабления соединений и связей.
(обязательное)
ИСПЫТАНИЯ НА ОПРОКИДЫВАНИЕ
Ж.1.1 Передвижной стол для настольного тенниса в положении для хранения устанавливают на поверхность с уклоном 10° и проверяют возможность опрокидывания стола.
Ж.2 Аппаратура
При проведении испытаний используют наклонную поверхность с уклоном 10°.
Ж.3 Проведение испытаний
Ж.3.1 Передвижной стол для настольного тенниса в положении для хранения устанавливают на поверхность с уклоном 10°.
Ж.3.2 При проведении испытаний стол для настольного тенниса не должен опрокидываться.
(обязательное)
ИСПЫТАНИЯ НА ПРОДОЛЖИТЕЛЬНОСТЬ И ЭФФЕКТИВНОСТЬ РАБОТЫ
СТОПОРНОГО ПРИСПОСОБЛЕНИЯ И КОЛЕС
И.1 Испытания на продолжительность работы стопорных приспособлений и колес
И.1.1 Сущность метода
И.1.1.1 Стол в положении для хранения перемещают вперед и назад по специальному испытательному участку со скоростью 2 км/ч.
И.1.1.2 После проведения испытаний визуально проверяют правильность функционирования колес. На элементах крепления, шарнирах и местах соединения колес не должно быть повреждений.
И.1.1.3 После проведения испытаний стопорное приспособление (кроме тех, которые срабатывают под действием силы тяжести) не должно самопроизвольно срабатывать, а на его конструкции не должно быть деформаций, которые препятствуют правильному функционированию.
И.1.2 Аппаратура
И.1.2.1 Для проведения испытаний оборудуют специальный испытательный участок длиной 7 м и шириной 1,5 м. На специальном испытательном участке должны быть расположены три одинаковых препятствия в соответствии с
рисунком И.1.
1 - препятствие; l - расстояние между осями колес
испытуемого стола для настольного тенниса
Рисунок И.1 - Схема расположения препятствий
на специальном испытательном участке
И.1.2.2 Препятствие представляет собой решетку, состоящую из стальных проволок диаметром 3,7 мм, расположенных на расстоянии 50 мм друг от друга. Длина препятствия должна быть 350 мм.
И.1.2.3 Расстояние между первым и вторым препятствием (см.
рисунок И.1) должно быть равно расстоянию между осями колес испытуемого стола для настольного тенниса. Расстояние между вторым и третьим препятствием (см.
рисунок И.1) должно быть больше расстояния между осями колес испытуемого стола для настольного тенниса на 25 мм.
И.1.3 Процедура
И.1.3.1 Стол в положении для хранения перемещают вперед и назад по специальному испытательному участку со скоростью 2 км/ч.
И.1.3.2 Во время проведения испытаний выполняют 250 движений вперед и назад, каждое из которых на расстояние длиной 5 м, т.е. пройденное расстояние должно быть 2500 м.
И.1.3.3 После проведения испытаний визуально проверяют правильность функционирования колес. На элементах крепления, шарнирах и местах соединения колес не должно быть повреждений.
И.1.3.4 После проведения испытаний стопорное приспособление (кроме тех, которые срабатывают под действием силы тяжести) не должно самопроизвольно срабатывать, а на его конструкции не должно быть деформаций, которые препятствуют правильному функционированию.
И.2 Испытания на эффективность работы стопорных приспособлений
И.2.1 Испытания стола для настольного тенниса с разблокированными стопорными приспособлениями
И.2.1.1 Сущность метода
К верхнему краю половины столешницы стола для настольного тенниса с разблокированными стопорными приспособлениями прикладывают тяговую нагрузку в горизонтальном направлении. Измеряют значение тяговой нагрузки, при которой открывается половина столешницы.
И.2.1.2 Аппаратура
Испытательное устройство должно обеспечивать приложение в горизонтальном направлении тяговой нагрузки к верхнему краю половины столешницы и измерение ее значения.
И.2.1.3 Процедура
К верхнему краю половины столешницы стола для настольного тенниса с разблокированными стопорными приспособлениями прикладывают тяговую нагрузку в горизонтальном направлении. Измеряют значение тяговой нагрузки, при которой открывается половина столешницы.
И.2.1.4 Результаты испытаний
По результатам проведения испытаний определяют значение тяговой нагрузки для открытия половины столешницы - больше или меньше 30 Н.
После проведения испытания проверяют правильность функционирования стопорных приспособлений.
И.2.2 Испытания стола для настольного тенниса с заблокированными стопорными приспособлениями
И.2.2.1 Сущность метода
Стол для настольного тенниса с заблокированными стопорными приспособлениями прочно фиксируют к полу. К верхнему краю половины столешницы в горизонтальном направлении прикладывают тяговую нагрузку 200 Н. После проведения испытаний проверяют правильность функционирования стопорных приспособлений.
И.2.2.2 Аппаратура
Испытания проводят с использованием следующего оборудования:
- устройства, обеспечивающего прочную фиксацию стола для настольного тенниса к полу;
- устройства, обеспечивающего приложение тяговой нагрузки 200 Н в горизонтальном направлении.
И.2.2.3 Процедура
Стол для настольного тенниса с заблокированными стопорными приспособлениями прочно фиксируют к полу.
К верхнему краю половины столешницы в горизонтальном направлении прикладывают тяговую нагрузку 200 Н.
И.2.2.4 Результаты испытаний
После проведения испытаний проверяют правильность функционирования стопорных приспособлений.
| EN 14468-2:2015 | Столы для настольного тенниса. Часть 2. Скобы для натягивания сетки (Table tennis - Part 2: Posts for net assemblies - Requirements and test methods) |